Меню по разделу
+
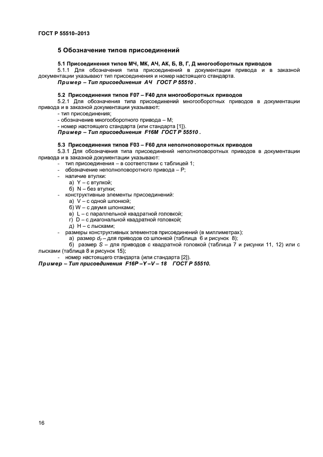
Настоящий стандарт распространяется на приводы и исполнительные механизмы вращательного действия (далее - приводы) (многооборотные и неполноповоротные, электрические, пневматические, гидравлические, а также редукторы) и устанавливает типы присоединений приводов к трубопроводной арматуре, присоединительные размеры приводов и размеры ответных присоединений управляемой ими трубопроводной арматуры
| Обозначение: | ГОСТ Р 55510-2013 |
| Статус: | действующий |
| Название рус.: | Арматура трубопроводная. Приводы вращательного действия. Присоединительные размеры |
| Дата актуализации текста: | 06.04.2015 |
| Дата актуализации описания: | 10.08.2017 |
| Дата издания: | 01.04.2014 |
| Дата введения в действие: | 01.02.2014 |
| Дата последнего изменения: | 13.07.2017 |
| Область и условия применения: | Настоящий стандарт распространяется на приводы и исполнительные механизмы вращательного действия (далее - приводы) (многооборотные и неполноповоротные, электрические, пневматические, гидравлические, а также редукторы) и устанавливает типы присоединений приводов к трубопроводной арматуре, присоединительные размеры приводов и размеры ответных присоединений управляемой ими трубопроводной арматуры |
| Страниц: | 35 |
| Ссылки для скачивания: |

