Меню по разделу
+
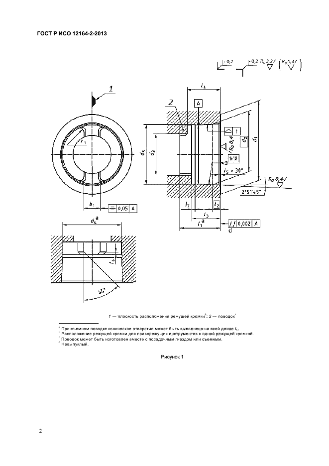
Настоящий стандарт распространяется на присоединительные размеры посадочного гнезда для крепления инструментов с полым коническим хвостовиком (HSK) с прилеганием по плоскости фланца к торцу шпинделя токарных, сверлильных, фрезерных и шлифовальных станков.
Настоящий стандарт распространяется на два типа посадочного гнезда: тип А - для автоматической смены инструмента и тип С - для ручной смены инструмента. Ручную смену инструмента осуществляют через отверстия в посадочных гнездах обоих типов и хвостовике инструмента.
Крутящий момент передается посредством торцовой шпонки на конце хвостовика, а также - силой трения
| Обозначение: | ГОСТ Р ИСО 12164-2-2013 |
| Статус: | действующий |
| Название рус.: | Крепление инструментов с полым коническим хвостовиком (HSK) типов А и С. Присоединительные размеры |
| Дата актуализации текста: | 06.04.2015 |
| Дата актуализации описания: | 10.08.2017 |
| Дата издания: | 01.04.2014 |
| Дата введения в действие: | 01.07.2014 |
| Дата последнего изменения: | 13.07.2017 |
| Область и условия применения: | Настоящий стандарт распространяется на присоединительные размеры посадочного гнезда для крепления инструментов с полым коническим хвостовиком (HSK) с прилеганием по плоскости фланца к торцу шпинделя токарных, сверлильных, фрезерных и шлифовальных станков.
Настоящий стандарт распространяется на два типа посадочного гнезда: тип А - для автоматической смены инструмента и тип С - для ручной смены инструмента. Ручную смену инструмента осуществляют через отверстия в посадочных гнездах обоих типов и хвостовике инструмента. Крутящий момент передается посредством торцовой шпонки на конце хвостовика, а также - силой трения |
| Страниц: | 10 |
| Ссылки для скачивания: |

