Меню
Навигация
Novatika
Первая линия

ГОСТ Р МЭК 61800-2-2012 Системы силовых электроприводов с регулируемой скоростью. Часть 2. Общие требования. Номинальные технические характеристики низковольтных систем силовых электроприводов переменного тока с регулируемой частотой

Настоящий стандарт распространяется на системы регулируемых электроприводов переменного тока общего назначения, питающиеся от напряжения переменного тока до 1000 В частотой 50 или 60 Гц, включающие в себя силовой преобразователь линейного напряжения сети в линейное напряжение питания двигателя с частотой до 600 Гц, устройства управления и двигатели переменного тока. Стандарт не распространяется на тяговые электроприводы электрического транспорта.
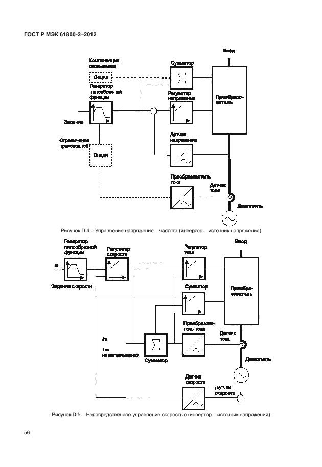
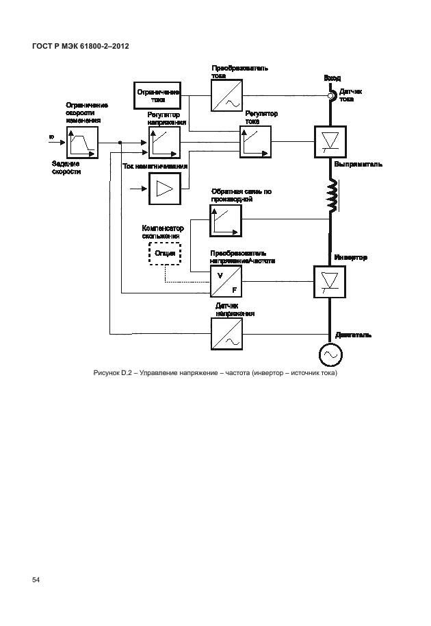
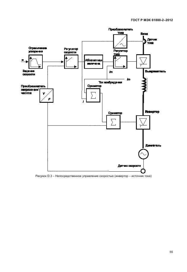
В настоящем стандарте рассмотрены характеристики преобразователей и их взаимосвязь с системой комплектного привода переменного тока, а также установлены требования к их рабочим характеристикам относительно паспортных данных, условий нормальной работы, условий перегрузки, способности выдержать скачки напряжения, устойчивости, защиты, заземления сети переменного тока и испытаний. Кроме того, даны рекомендации по применению, стратегии управления, диагностике и конфигурации системы

Обозначение: ГОСТ Р МЭК 61800-2-2012
Статус: действующий
Название рус.: Системы силовых электроприводов с регулируемой скоростью. Часть 2. Общие требования. Номинальные технические характеристики низковольтных систем силовых электроприводов переменного тока с регулируемой частотой
Дата актуализации текста: 26.02.2016
Дата актуализации описания: 10.08.2017
Дата издания: 08.10.2015
Дата введения в действие: 01.06.2013
Дата последнего изменения: 13.07.2017
Область и условия применения: Настоящий стандарт распространяется на системы регулируемых электроприводов переменного тока общего назначения, питающиеся от напряжения переменного тока до 1000 В частотой 50 или 60 Гц, включающие в себя силовой преобразователь линейного напряжения сети в линейное напряжение питания двигателя с частотой до 600 Гц, устройства управления и двигатели переменного тока. Стандарт не распространяется на тяговые электроприводы электрического транспорта.
В настоящем стандарте рассмотрены характеристики преобразователей и их взаимосвязь с системой комплектного привода переменного тока, а также установлены требования к их рабочим характеристикам относительно паспортных данных, условий нормальной работы, условий перегрузки, способности выдержать скачки напряжения, устойчивости, защиты, заземления сети переменного тока и испытаний. Кроме того, даны рекомендации по применению, стратегии управления, диагностике и конфигурации системы
Страниц: 78
Ссылки для скачивания: