Меню по разделу
+
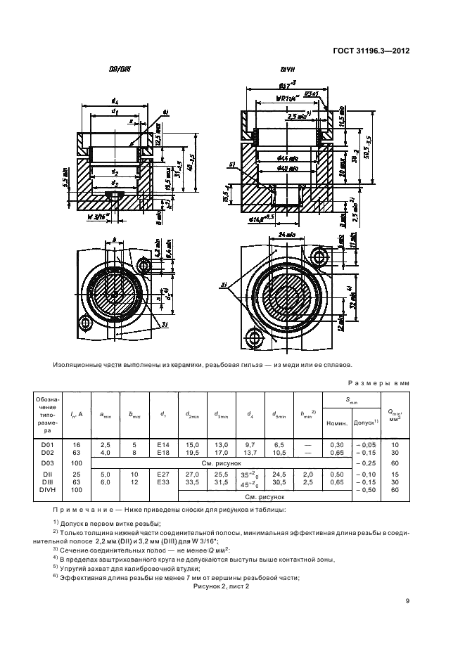
Настоящий стандарт распространяется на плавкие предохранители бы-тового и аналогичного назначения, предназначенные для эксплуатации неквалифицированным персоналом (далее - плавкие предохранители), и устанавливает нормы, правила и методы испытаний, которые дополняют, изменяют или исключают соответствующие разделы и (или) пункты ГОСТ 31196.0
| Обозначение: | ГОСТ 31196.3-2012 |
| Статус: | действующий |
| Название рус.: | Предохранители плавкие низковольтные. Часть 3. Дополнительные требования к плавким предохранителям бытового и аналогичного назначения |
| Название англ.: | Low-voltage fuses. Part 3. Supplementary requirements for fuses for use by unskilled persons |
| Дата актуализации текста: | 06.04.2015 |
| Дата актуализации описания: | 10.08.2017 |
| Дата издания: | 19.09.2013 |
| Дата введения в действие: | 01.01.2014 |
| Дата последнего изменения: | 13.07.2017 |
| Область и условия применения: | Настоящий стандарт распространяется на плавкие предохранители бы-тового и аналогичного назначения, предназначенные для эксплуатации неквалифицированным персоналом (далее - плавкие предохранители), и устанавливает нормы, правила и методы испытаний, которые дополняют, изменяют или исключают соответствующие разделы и (или) пункты ГОСТ 31196.0 |
| Страниц: | 24 |
| Ссылки для скачивания: |

