Меню по разделу
+
Стандарт устанавливает номенклатуру показателей качества полупроводниковых преобразователей электроэнергии, включаемых в стандарты с перспективными требованиями, ТЗ на ОКР, разрабатываемые и пересматриваемые стандарты на продукцию, технические условия (ТУ), карты технического уровня и качества продукции (КУ).
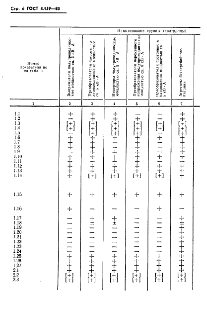
Стандарт распространяется на следующие группы однородной продукции:
преобразователи электроэнергии полупроводниковые силовые мощностью до 5 кВ.А включительно;
выпрямители полупроводниковые мощностью свыше 5 кВ.А;
преобразователи частоты полупроводниковые мощностью свыше 5 кВ.А ;
нверторы полупроводниковые мощностью свыше 5 кВ.А;
преобразователи переменного напряжения полупроводниковые мощностью свыше 5 кВ.А;
преобразователи постоянного напряжения полупроводниковые мощностью свыше 5 кВ.А; агрегаты бесперебойного питания
| Обозначение: | ГОСТ 4.139-85 |
| Статус: | действующий |
| Название рус.: | Система показателей качества продукции. Преобразователи электроэнергии плупроводниковые. Номенклатура показателей |
| Название англ.: | System of product-quality indices. Semiconductor power converters. Nomenclature of indices |
| Дата актуализации текста: | 06.04.2015 |
| Дата актуализации описания: | 10.08.2017 |
| Дата издания: | 25.11.1985 |
| Дата введения в действие: | 01.01.1987 |
| Дата последнего изменения: | 13.07.2017 |
| Область и условия применения: | Стандарт устанавливает номенклатуру показателей качества полупроводниковых преобразователей электроэнергии, включаемых в стандарты с перспективными требованиями, ТЗ на ОКР, разрабатываемые и пересматриваемые стандарты на продукцию, технические условия (ТУ), карты технического уровня и качества продукции (КУ).
Стандарт распространяется на следующие группы однородной продукции: преобразователи электроэнергии полупроводниковые силовые мощностью до 5 кВ.А включительно; выпрямители полупроводниковые мощностью свыше 5 кВ.А; преобразователи частоты полупроводниковые мощностью свыше 5 кВ.А ; нверторы полупроводниковые мощностью свыше 5 кВ.А; преобразователи переменного напряжения полупроводниковые мощностью свыше 5 кВ.А; преобразователи постоянного напряжения полупроводниковые мощностью свыше 5 кВ.А; агрегаты бесперебойного питания |
| Страниц: | 15 |
| Ссылки для скачивания: |

