Меню по разделу
+
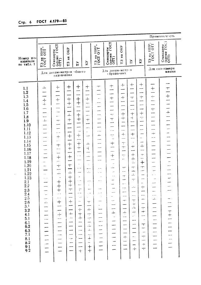
Стандарт устанавливает номенклатуру основных показателей качества машин и приборов для измерения усилий и деформации, включаемых в технические задания на научно-исследовательские работы по определению перспектив развития этой группы (ТЗ на НИР), государственный стандарт с перспективными требованиями (ГОСТ ОТТ), а также номенклатуру показателей качества, включаемых в разрабатываемые и пересматриваемые стандарты на продукцию, технические задания на опытно-конструкторские работы (ТЗ на ОКР), технические условия, карты технического уровня и качества продукции
| Обозначение: | ГОСТ 4.179-85 |
| Статус: | действующий |
| Название рус.: | Система показателей качества продукции. Машины и приборы для измерения усилий и деформации. Номенклатура показателей |
| Название англ.: | System of product-quality indices. Machines and instruments for measuring forces and strains. Nomenclature of indices |
| Дата актуализации текста: | 06.04.2015 |
| Дата актуализации описания: | 10.08.2017 |
| Дата издания: | 01.01.1985 |
| Дата введения в действие: | 30.06.1986 |
| Дата последнего изменения: | 13.07.2017 |
| Область и условия применения: | Стандарт устанавливает номенклатуру основных показателей качества машин и приборов для измерения усилий и деформации, включаемых в технические задания на научно-исследовательские работы по определению перспектив развития этой группы (ТЗ на НИР), государственный стандарт с перспективными требованиями (ГОСТ ОТТ), а также номенклатуру показателей качества, включаемых в разрабатываемые и пересматриваемые стандарты на продукцию, технические задания на опытно-конструкторские работы (ТЗ на ОКР), технические условия, карты технического уровня и качества продукции |
| Страниц: | 13 |
| Ссылки для скачивания: |

