Меню по разделу
+
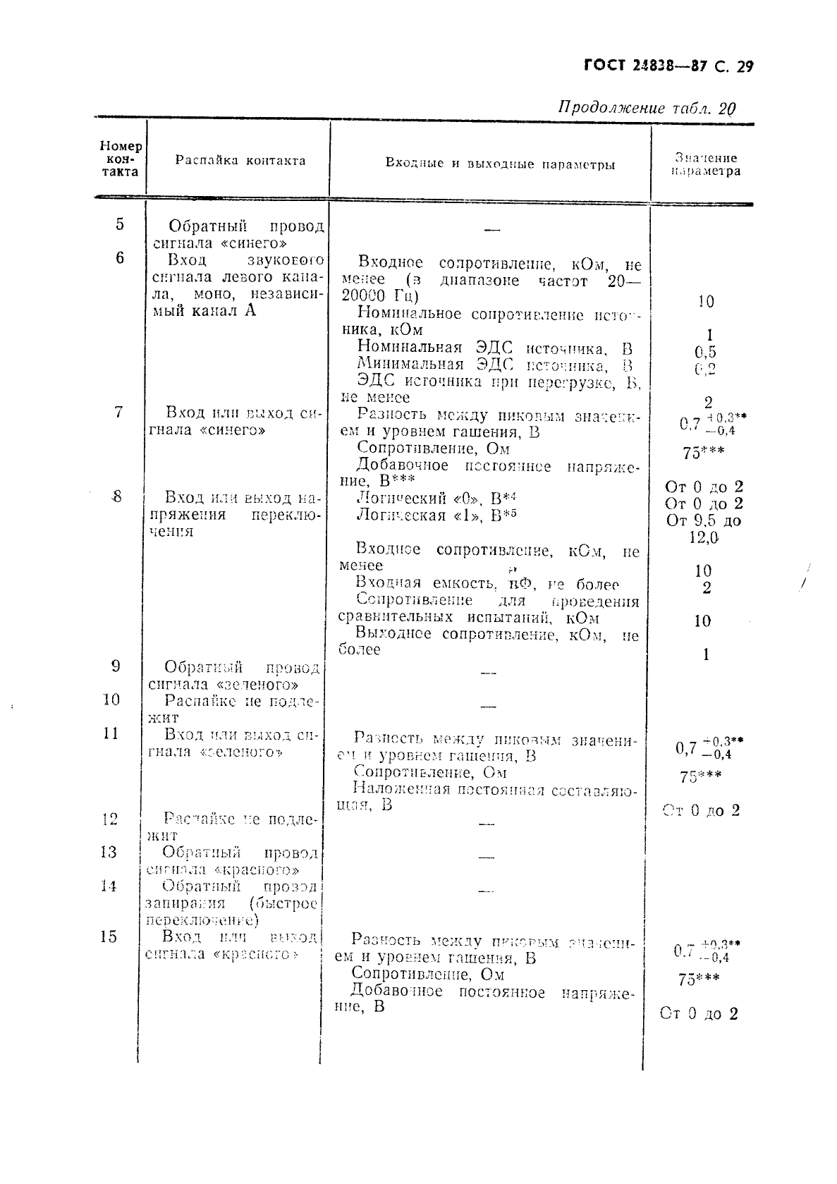
Настоящий стандарт распространяется на бытовую радиоэлектронную аппаратуру в блочном, разъемном и (или) однокорпусном конструктивном исполнении, имеющую входы и (или) выходы, предназначенные для внешних подключений
| Обозначение: | ГОСТ 24838-87 |
| Статус: | действующий |
| Название рус.: | Аппаратура радиоэлектронная бытовая. Входные и выходные параметры |
| Название англ.: | Domestic radioelectronic equipment. Input and output parameters |
| Дата актуализации текста: | 06.04.2015 |
| Дата актуализации описания: | 10.08.2017 |
| Дата издания: | 01.12.1989 |
| Дата введения в действие: | 01.01.1989 |
| Дата последнего изменения: | 13.07.2017 |
| Переиздание: | переиздание с изм. 1 |
| Область и условия применения: | Настоящий стандарт распространяется на бытовую радиоэлектронную аппаратуру в блочном, разъемном и (или) однокорпусном конструктивном исполнении, имеющую входы и (или) выходы, предназначенные для внешних подключений |
| Список изменений: | №1 от 01.01.1990 (рег. 27.07.1989) «Срок действия продлен» №2 от 01.01.1991 (рег. 06.06.1990) «Срок действия продлен» №3 от 30.06.1995 (рег. 05.04.1995) «Срок действия продлен» |
| Страниц: | 41 |
| Ссылки для скачивания: |

