Меню по разделу
+
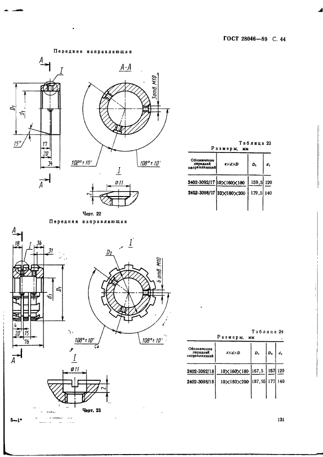
Настоящий стандарт распространяется на комбинированные трехпроходные сборные протяжки переменного резания универсального назначения, предназначенные для обработки десятишлицевых втулок с прямобочным профилем и допусками по ГОСТ 1139 (для диаметров D до 125 мм) и по технической документации, утвержденной в установленном порядке (для диаметров D свыше 125 мм) с центрированием по внутреннему диаметру
| Обозначение: | ГОСТ 28046-89 |
| Статус: | действующий |
| Название рус.: | Протяжки сборные для десятишлицевых отверстий с прямобочным профилем с центрированием по внутреннему диаметру комбинированные переменного резания трехпроходные. Конструкция |
| Название англ.: | Internal broaches for straight splines based at internal diameter three pass combined type. Construction |
| Дата актуализации текста: | 06.04.2015 |
| Дата актуализации описания: | 10.08.2017 |
| Дата издания: | 15.11.1989 |
| Дата введения в действие: | 30.06.1990 |
| Дата последнего изменения: | 13.07.2017 |
| Область и условия применения: | Настоящий стандарт распространяется на комбинированные трехпроходные сборные протяжки переменного резания универсального назначения, предназначенные для обработки десятишлицевых втулок с прямобочным профилем и допусками по ГОСТ 1139 (для диаметров D до 125 мм) и по технической документации, утвержденной в установленном порядке (для диаметров D свыше 125 мм) с центрированием по внутреннему диаметру |
| Страниц: | 63 |
| Ссылки для скачивания: |

