Меню по разделу
+
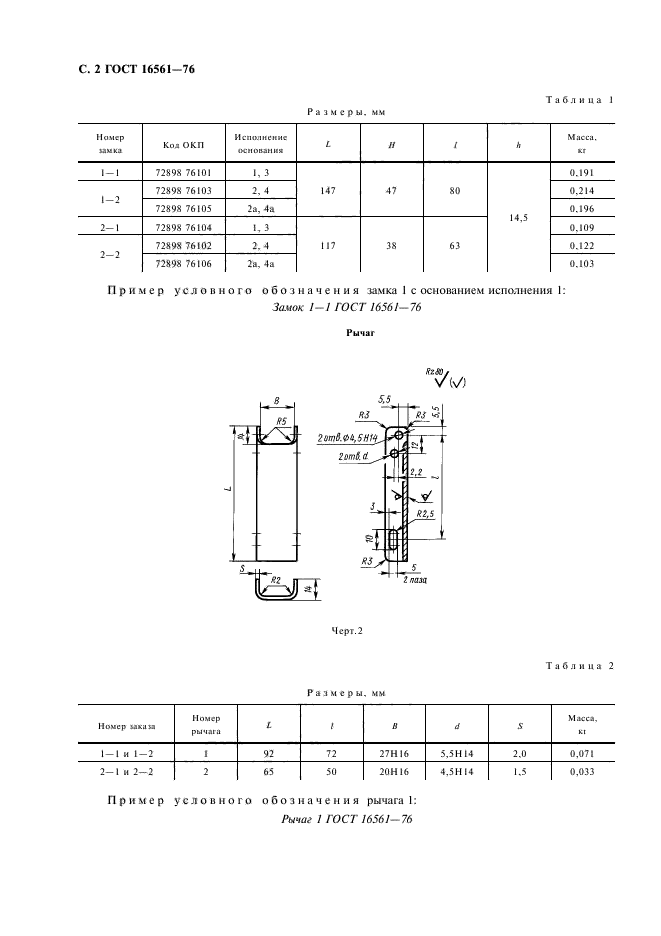
Настоящий стандарт распространяется на металлическую арматуру для деревянных ящиков
| Обозначение: | ГОСТ 16561-76 |
| Статус: | действующий |
| Название рус.: | Арматура металлическая для деревянных ящиков. Технические условия |
| Название англ.: | Metal accessories for wood containers. Specifications |
| Дата актуализации текста: | 06.04.2015 |
| Дата актуализации описания: | 10.08.2017 |
| Дата издания: | 01.01.2007 |
| Дата введения в действие: | 01.01.1978 |
| Дата последнего изменения: | 13.07.2017 |
| Переиздание: | переиздание с изм. 1 |
| Область и условия применения: | Настоящий стандарт распространяется на металлическую арматуру для деревянных ящиков |
| Список изменений: | №0 от 29.06.1987 (рег. 28.06.1987) «Срок действия продлен» №1 от 01.08.1979 (рег. 30.05.1979) «Срок действия продлен» №2 от 01.01.1983 (рег. 25.05.1982) «Срок действия продлен» №3 от 01.01.1986 (рег. 13.12.1984) «Срок действия продлен» №4 от 01.01.1990 (рег. 26.06.1989) «Срок действия продлен» |
| Страниц: | 30 |
| Ссылки для скачивания: |

