Меню по разделу
+
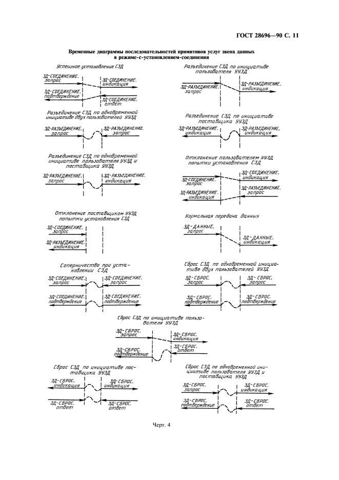
Настоящий стандарт распространяется на уровень звена данных систем телеобработки данных и вычислительных сетей и определяет перечень и характеристики услуг, предоставляемых уровнем звена данных вышерасположенному уровню
| Обозначение: | ГОСТ 28696-90 |
| Статус: | действующий |
| Название рус.: | Системы обработки информации. Передача данных. Определение услуг звена данных для взаимосвязи открытых систем |
| Название англ.: | Data communication. Data link service definition for open systems interconnection |
| Дата актуализации текста: | 06.04.2015 |
| Дата актуализации описания: | 10.08.2017 |
| Дата издания: | 01.04.2005 |
| Дата введения в действие: | 30.06.1991 |
| Дата последнего изменения: | 13.07.2017 |
| Переиздание: | переиздание |
| Область и условия применения: | Настоящий стандарт распространяется на уровень звена данных систем телеобработки данных и вычислительных сетей и определяет перечень и характеристики услуг, предоставляемых уровнем звена данных вышерасположенному уровню |
| Страниц: | 27 |
| Ссылки для скачивания: |

