Меню по разделу
+
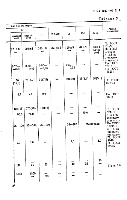
Настоящий стандарт распространяется на бумагу, предназначенную для изготовления пачек, коробок, пакетов, стаканчиков с нанесением печати или без нее, используемых для упаковывания пищевых продуктов на автоматах
| Обозначение: | ГОСТ 7247-90 |
| Статус: | заменён |
| Заменяющий: | ГОСТ 7247-2006 Бумага и комбинированные материалы на основе бумаги для упаковывания на автоматах пищевых продуктов, промышленной продукции и непродовольственных товаров. Общие технические условия |
| Название рус.: | Бумага для упаковывания пищевых продуктов на автоматах. Технические условия |
| Название англ.: | Automatic food packaging paper. Specifications |
| Дата актуализации текста: | 06.04.2015 |
| Дата актуализации описания: | 10.08.2017 |
| Дата издания: | 28.09.1990 |
| Дата введения в действие: | 01.01.1992 |
| Дата последнего изменения: | 13.07.2017 |
| Дата окончания срока действия: | 01.01.2008 |
| Область и условия применения: | Настоящий стандарт распространяется на бумагу, предназначенную для изготовления пачек, коробок, пакетов, стаканчиков с нанесением печати или без нее, используемых для упаковывания пищевых продуктов на автоматах |
| Список изменений: | №0 от 15.10.2001 (рег. 15.10.2001) «Дата введения перенесена» |
| Страниц: | 14 |
| Ссылки для скачивания: |

