Меню по разделу
+
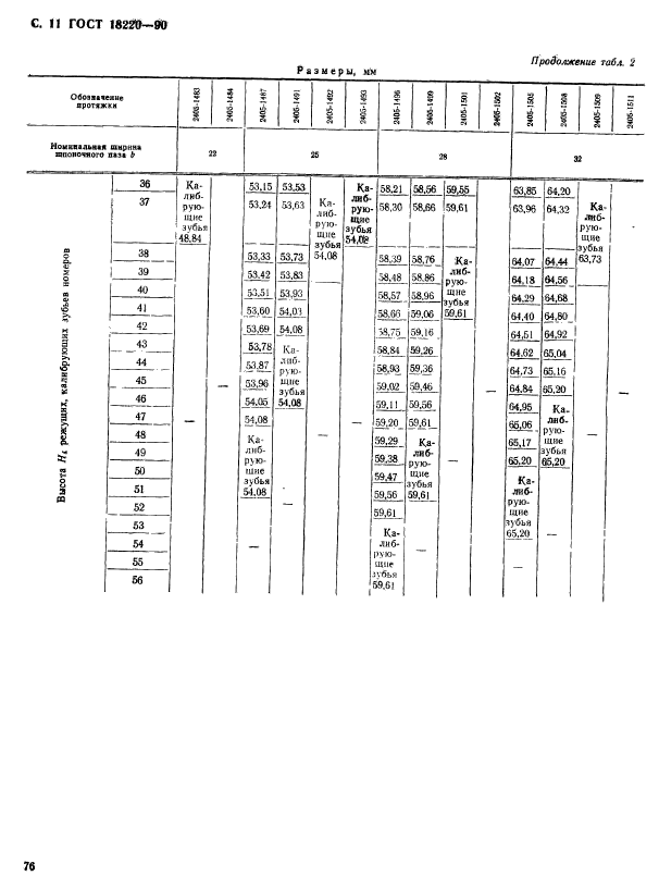
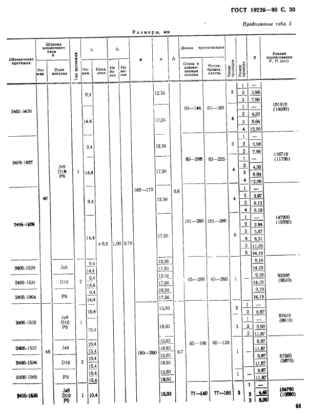
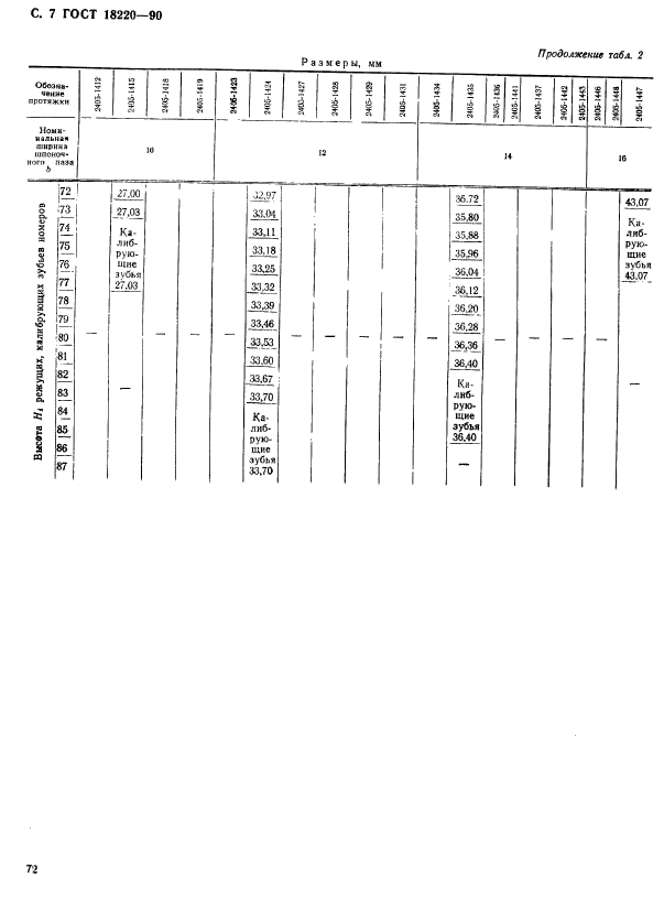
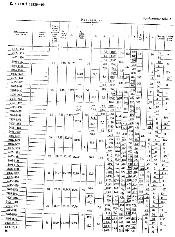
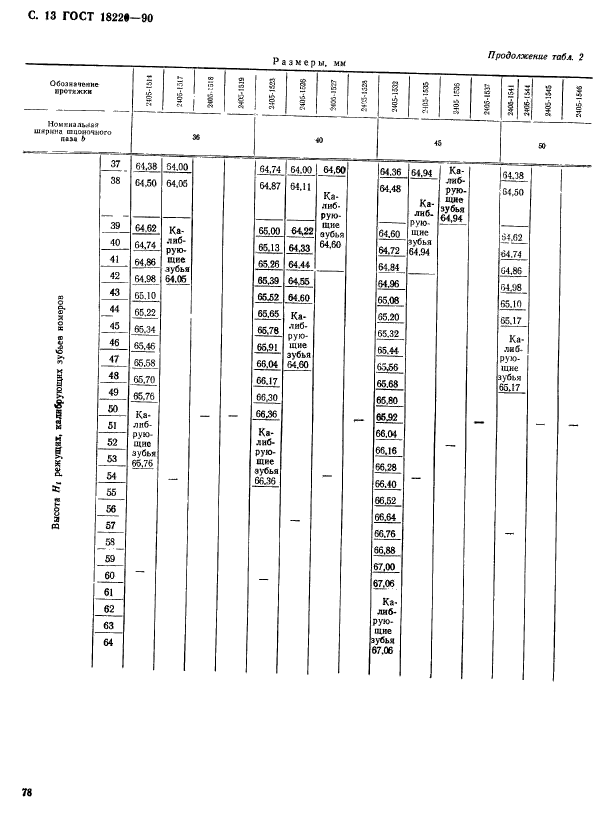
Настоящий стандарт распространяется на протяжки универсального назначения для обработки шпоночных пазов шириной от 10 до 50 мм по ГОСТ 23360, ГОСТ 10748, ГОСТ 24071 с шероховатостью поверхностей Ra не более 2,5 мкм по ГОСТ 2789
| Обозначение: | ГОСТ 18220-90 |
| Статус: | действующий |
| Название рус.: | Протяжки шпоночные для пазов повышенной чистоты. Конструкция |
| Название англ.: | Key broaches for higher class roughness. Design |
| Дата актуализации текста: | 06.04.2015 |
| Дата актуализации описания: | 10.08.2017 |
| Дата издания: | 19.12.1990 |
| Дата введения в действие: | 01.01.1991 |
| Дата последнего изменения: | 13.07.2017 |
| Область и условия применения: | Настоящий стандарт распространяется на протяжки универсального назначения для обработки шпоночных пазов шириной от 10 до 50 мм по ГОСТ 23360, ГОСТ 10748, ГОСТ 24071 с шероховатостью поверхностей Ra не более 2,5 мкм по ГОСТ 2789 |
| Страниц: | 38 |
| Ссылки для скачивания: |

