Меню по разделу
+
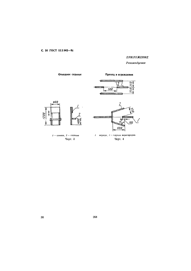
Настоящий стандарт распространяется на машины и технологическое оборудование для содержания и кормления животных и птицы, а также для заготовки, переработки и приготовления кормов, и устанавливает общие требования безопасности к их конструкции
| Обозначение: | ГОСТ 12.2.042-91 |
| Статус: | заменён |
| Заменяющий: | ГОСТ 12.2.042-2013 Система стандартов безопасности труда. Машины и технологическое оборудование для животноводства и кормопроизводства. Общие требования безопасности |
| Название рус.: | Система стандартов безопасности труда. Машины и технологическое оборудование для животноводства и кормопроизводства. Общие требования безопасности |
| Название англ.: | Occupation safety standards system. Machines and techological equipment for live-stok-raising and forage production. General safety requirements |
| Дата актуализации текста: | 06.04.2015 |
| Дата актуализации описания: | 10.08.2017 |
| Дата издания: | 01.02.1996 |
| Дата введения в действие: | 30.06.1992 |
| Дата последнего изменения: | 13.07.2017 |
| Дата окончания срока действия: | 30.06.2014 |
| Переиздание: | переиздание |
| Область и условия применения: | Настоящий стандарт распространяется на машины и технологическое оборудование для содержания и кормления животных и птицы, а также для заготовки, переработки и приготовления кормов, и устанавливает общие требования безопасности к их конструкции |
| Страниц: | 34 |
| Ссылки для скачивания: |

