Меню
Навигация
Novatika

Типовая технология выполнения регламентных работ ежедневного, первого, второго и сезонного технических обслуживаний автомобилей КамАЗ-5320, КамАЗ-5410, КамАЗ-5511

Технология является единой, обязательной к выполнению на всех автопредприятиях СССР. Отклонения от нее допускаются только по согласованию с Камским объединением по производству большегрузных автомобилей и Министерством автомобильного транспорта РСФСР.

Обозначение: ИО 200-РСФСР-15-0045-80
Название рус.: Типовая технология выполнения регламентных работ ежедневного, первого, второго и сезонного технических обслуживаний автомобилей КамАЗ-5320, КамАЗ-5410, КамАЗ-5511
Статус: действует
Дата актуализации текста: 05.05.2017
Дата добавления в базу: 01.09.2013
Дата введения в действие: 01.07.1981
Утвержден: 15.12.1980 Министерство автомобильного транспорта РСФСР25.10.1980 КамАЗ
Ссылки для скачивания:

Министерство автомобильной промышленности СССР

Министерство автомобильного транспорта РСФСР

Типовая технология выполнения
регламентных работ ежедневного,
первого, второго и сезонного технических
обслуживаний автомобилей КамАЗ-5320,
КамАЗ-5410, КамАЗ-5511

ИО 200-РСФСР-15-0045-80

 

Министерство автомобильной промышленности СССР

Министерство автомобильного транспорта РСФСР

 

«Утверждаю» Заместитель генерального директора КамАЗ по техобслуживанию

A. Малышев

25 октября 1980 г.

«Утверждаю» Генеральный конструктор КамАЗ

В. Барун

25 октября 1980 г.

«Утверждаю» Заместитель Министра автомобильного транспорта РСФСР

Н. Акулинушкин

15 декабря 1980 г.

«Согласовано» Директор Центрального научно-исследовательского автополигона НАМИ

B. Ануфриев

10 ноября 1980 г.

«Согласовано» Директор государственного научно-исследовательского института автомобильного транспорта (НИИАТ)

В. Иванов

13 ноября 1980 г.

«Согласовано» Начальник ЦЕНТРАВТОТЕХа Минавтотранса РСФСР

Г. Кожемяченко

3 декабря 1980 г.

Типовая технология выполнения регламентных работ ежедневного, первого, второго и сезонного технических обслуживаний автомобилей КамАЗ-6320, КамАЗ-5410, КамАЗ-5611

ИО 200-РСФСР-15-0045-80

Срок действия с 01.07.1981 г.

до 01.01.2005 г.

Типовая технология технического обслуживания автомобилей КамАЗ разработана:

Техническим управлением Минавтотранса РСФСР

Начальник отдела А.Л. Плечов

ЦЕНТРАВТОТЕХом министерства автомобильного транспорта РСФСР

Главный инженер В.И. Черепенкин

Зав. Отделом В.П. Зоркий

Рук. Бригады И.Д. Тополянский

Вед. Инженер В.А. Симонов

Начальник отдела КГБ ЮУТТУ М.Г. Зинченко

Поволжским филиалом государственного научно-исследовательского института автомобильного транспорта (НИИАТ)

Директор Поволжского филиала В.И. Евдокимов

Зав. отделом надежности и технического обслуживания автомобилей В.В. Степаненко

Старший научный сотрудник А.А. Демидов

Младший научный сотрудник Н.К. Клюшкин

Камским объединением по производству большегрузных автомобилей (КамАЗ)

Главный конструктор по доводке автомобилей Н.И. Лозгачев

Начальник отдела эксплуатации и ремонта Н.В. Скворцов

Начальник бюро Г.М. Левин

Центральным научно-исследовательским автополигоном НАМИ

Зам. директора по научной работе В.Ф. Кутенев

Зав. отделом исследований агрегатов и надежности автомобилей С.Ф. Безверхий

Зав. Сектором А.В. Давиденко

Старший научный сотрудник А.А. Кирпичников

Введение

Типовая технология технического обслуживания автомобилей КамАЗ разработана на основе руководящих технических материалов по режимам технического обслуживания автомобилей и автопоездов КамАЗ (РТМ 37.104.008-79).

Настоящая технология является единой, обязательной к выполнению на всех автопредприятиях СССР. Отклонения от нее допускаются только по согласованию с Камским объединением по производству большегрузных автомобилей (КамАЗ) и Министерством автомобильного транспорта РСФСР.

В отличие от ранее выпушенных, настоящая технология является типовой и потому в ней отсутствуют указания о порядке расстановки исполнителей на поточных линиях или тупиковых постах. Не приведены так же схемы технологических планировок. Эти вопросы разрешаются в каждом отдельном случае инженерными службами транспортных управлений (ПТБ, КГБ) с учетом конкретных условий работы отдельных транспортных предприятий. Отклонения от режимов технического обслуживания автомобилей КамАЗ, определенных в РТМ 37.104.008-79 и в данной типовой технологии при этом не допускаются без соответствующего согласования.

В типовой технологии отдельно не указаны правила и порядок выполнения операции ТО-1000 ТО-4000, поскольку эти работы являются разовыми, и в большинстве своем совпадают с теми или иными операциями ЕО, ТО-1, ТО-2, СТО, технология выполнения которых указана в соответствующих разделах. В приложениях I и II операции ТО-1000 и ТО-4000, приведены с указанием порядкового номера и вида обслуживания (ТО-1, ТО-2 или СТО), в котором они повторяются.

В перечнях регламентных работ после каждой операции дается перечень операций возможного сопутствующего ремонта. Трудоемкость каждой отдельной операции ТО определена с учетом трудоемкости и частоты повторяемости ремонтных работ такого вида и потому перечисленные и аналогичные им операции сопутствующего ремонта в обязательном порядке должны выполняться в процессе технического обслуживания силами бригады слесарей ТО.

Виды технического обслуживания

Техническое обслуживание автомобилей КамАЗ подразделяется на два этапа:

- техническое обслуживание в начальный период эксплуатации;

- техническое обслуживание в основной период эксплуатации.

В начальный период эксплуатации автомобиля выполняются следующие виды обслуживаний:

- ежедневное (ЕО);

- техническое обслуживание ТО-1000;

- техническое обслуживание ТО-4000:

- первое техническое обслуживание (ТО-1);

- второе техническое обслуживание (ТО-2). Техническое обслуживание в основной период эксплуатации подразделяется на следующие виды:

- ежедневное обслуживание (ЕО);

- первое техническое обслуживание (ТО-1);

- второе техническое обслуживание (ТО-2);

- сезонное техническое обслуживание (СТО). Основным назначением ежедневного обслуживания является общий контроль за состоянием узлов и систем, обеспечивающих безопасность движения и поддержание надлежащего внешнего вида.

Основным назначением вновь вводимых технических обслуживаний нового автомобиля ТО-1000 и то-4000 является предупреждение появления неисправностей путем выполнения профилактических крепежных, регулировочных и смазочно-очистительных работ.

Учитывая, что в этот период происходит интенсивная приработка, взаимоустановка элементов конструкций, выполнять эти работы необходимо с особой тщательностью.

Основным назначением мерного, второго и сезонного технических обслуживаний является выявление и предупреждение неисправностей путем своевременного выполнения контрольно-диагностических, крепежных, регулировочных и смазочно-очистительных работ.

Все виды технического обслуживания имеют индивидуальные перечни операций, т.е. ни одна операция TO-1 не входит ни в ТО-2, ни в СТО; в свою очередь операции ТО-2 не входят в СТО.

При проведении технического обслуживания допускается выполнение как отдельных видов ТО (TO-1, ТО-2 или СТО), так и нескольких видов ТО одновременно (TO-1 и ТО-2, ТО-2 и СТО, TO-1 и СТО или TO-1, ТО-2 и СТО).

Периодичность технического обслуживания

Ежедневное техническое обслуживание автомобиля выполняется раз в сутки перед выездом (часть работ) и по возвращении с линии. На стоянках после длительного движения необходимо также проверить техническое состояние автомобиля в объеме ЕО.

В начальный период эксплуатации ТО-1000 выполняется один раз в интервале первых 500 - 1000 км пробега.(*)

(*) При доставке потребителю автомобиля своим ходом допускается проведение ТО-1000 сразу после его прибытия в автотранспортное предприятие.

ТО-4000 выполняется один раз в интервале первых 3000 - 4000 км пробега. TO-1 выполняется один раз в интервале первых 7000 - 8000 км пробега. ТО-2 выполняется один раз в интервале первых 11 - 12 тыс. км. пробега. Техническое обслуживание в начальный период эксплуатации выполняется в указанных интервалах независимо от категорий условий эксплуатации.

В основной период эксплуатации первое и второе технические обслуживания выполняются в зависимости от категории условий эксплуатации с периодичностью, указанной в таблице 1.

Сезонное техническое обслуживание выполняется два раза в год: весной и осенью. Работы по подготовке к зимнему сезону входят в дополнительные осенние работы, расчетная периодичность выполнения СТО для целей планирования - 24000 км в 1 категории условий эксплуатации.

Трудоемкость технического обслуживания

Пооперационная трудоемкость и разряд выполняемых работ указаны в технологических картах.

Нормативные значения трудоемкости ТО приведены в таблице 2.

Таблица 1.

Периодичность технического обслуживания автомобилей

Категория условий эксплуатации

Характеристика условий эксплуатации

Периодичность технического обслуживания, км пробега

 

 

TO-1

ТО-2

СТО(*)

1

2

3

4

5

1

Автомобильные дороги с асфальтобетонным, цементобетонным и приравненным к ним покрытием за пределами пригородной зоны

4000

12000

24000

 

Автомобильные дороги с асфальтобетонным, цементобетонным и приравненным к ним покрытием в пригородной зоне, улицы небольших городов (с населением до 100 тыс. жителей)

 

 

 

2

Автомобильные дороги с асфальтобетонным и приравненным к ним покрытием в горной местности. Улицы больших городов

3200

9600

19200

 

Автомобильные дороги со щебеночным или гравийным покрытием. Грунтовые профилированные и лесовозные дороги

 

 

 

* Периодичность СТО - расчетная, для целей планирования.

3

Автомобильные дороги со щебеночным или гравийным покрытием в горной местности

2400

7200

14400

 

Непрофилированные дороги и стерня. Карьеры, котлованы и временные подъездные пути

 

 

 

Таблица 2

Трудоемкость ТО автомобилей КамАЗ

Модель

Трудоемкость чел. час.

Удельная трудоемкость на 1000 км пробега (1 категория условий эксплуатации)

 

ЕО

ТО-1000

ТО-4000

ТО-1

ТО-2

СТО

 

 

 

 

 

 

 

весна

осень

 

5320 (тягач)

0,75

13,10

4,50

2,13

8,83

12,52

17,66

1,95

5511 (самосвал)

0,67

11,61

4,58

2,51

10,2

12,52

17,66

2,16

5410 (седельный тягач)

0,67

11,59

4,56

2,15

8,78

12,45

17,59

1,95

Примечания:

- трудоемкость ЕО учитывает ручную мойку автомобиля;

- при определении удельной трудоемкости ТО не учтена трудоемкость ежедневного обслуживания;

- удельная трудоемкость ТО приведена с учетом трудоемкости СТО при условной расчетной периодичности выполнения осеннего и весеннего СТО равной 48 тыс. км пробега;

- при определении удельной трудоемкости ТО учтена трудоемкость разового выполнения обслуживании ТО-1000 и ТО-4000 за пробег 300 тыс. км;

- нормативы даны без учета подготовительно-заключительного времени, составляющего 20 % от основного оперативного времени.

Распределение трудоемкости при выполнении технических обслуживаний (ТО-1, ТО-2, СТО) но агрегатам и системам, а также по видам работ указаны в таблицах 3 и 4.

Таблица 3

Распределение трудоемкости при выполнения технических обслуживаний (ТО-1, ТО-2, СТО) по агрегатам и системам

Агрегаты и системы автомобиля

ТО-1

ТО-2

СТО (весна)

СТО (осень)

 

чел. мин.

%

чел. мин.

%

чел. мин.

%

чел. мин.

%

1. Двигатель

8,5

6,6

192,7

36,4

103,2

13,7

241,8

22,8

2. Сцепление

-

-

18,9

3,6

-

-

24,0

2,3

3. Коробка передач

-

-

23,7

4,5

21,2

2,8

21,2

2,0

4. Карданные валы

-

-

15,3

2,9

4,3

0,6

4,3

0,4

5. Средний и задний мосты, ступицы

-

-

16,5

3,1

333,7

44,4

333,7

31,5

6. Передняя ось, рулевое управление

12,4

9,7

71,7

13,5

-

-

-

-

7. Тормозная система

31,1

24,4

35,2

6,6

24,0

3,2

24,0

2,3

8. Электрооборудование

25,0

19,6

29,0

5,5

37,9

5,0

183,9

17,4

9. Ходовая часть, подвеска, рама

37,7

29,5

43,1

8,2

29,1

3,9

29,1

2,7

10. Кабина, платформа

1,0

0,8

47,4

9,0

125,9

16,8

125,9

11,9

Мойка автомобиля

12,0

9,4

36,0

6,7

72,0

9,6

72,0

6,8

Итого:

127,7

100

529,5

100

751,3

100

1059,9

100

Таблица 4

Примерное распределение трудоемкости технических обслуживаний (ТО-1, ТО-2, СТО) по видам работ

Виды работ

ТО-1

ТО-2

СТО (весна)

СТО (осень)

 

чел. мин.

%

чел. мин.

%

чел. мин.

%

чел. мин.

%

1.

Уборочно-моечные работы

12,0

9,4

36,0

6,8

72,0

9,6

72,0

6,8

2.

Контрольно-диагностические работы

7,5

5,9

127,5

23,2

176,4

23,5

191,4

18,1

3.

Крепежные работы

8,3

6,5

44,6

8,4

92,7

12,3

92,7

8,7

4.

Регулировочные работы

12,6

9,9

132,6

25,0

65,8

8,8

65,8

6,2

5.

Смазочные, заправочные, очистительные работы

34,3

26,8

143,8

27,2

306,5

40,8

434,1

41,0

6.

Электротехнические работы

25,0

19,6

25,0

4,7

37,9

5,0

203,9

19,2

7.

Шинные работы

28,0

21,9

25,0

4,8

-

-

-

-

 

Итого:

127,7

100

529,5

100

751,3

100

1059,9

100

Технически характеристика автомобилей КамАЗ-5320, КамАЗ-5410, КамАЗ-5511

Эксплуатационные данные

 

КамАЗ-5320

КамАЗ-5410

КамАЗ-5511

Максимальная скорость в км/час

80

80

80

Контрольный расход топлива при движении с полной нагрузкой со скоростью 30 - 40 км/час, в л/100 км, не более:

 

 

 

 

 

 

Автомобиля

24

-

26

Автопоезда

35

35

-

Путь свободного качения с полной нагрузкой со скоростью 50 км/час, в м, не менее:

 

 

 

автомобиля

700

-

700

автопоезда

-

800

-

Время разгона с полной нагрузкой со скоростью 20 км/час до скорости 60 км/час, в с, не более:

 

 

 

Автомобиля

45

-

65

Автопоезда

90

90

-

Путь торможения с полной нагрузкой со скоростью 40 км/час при применении рабочей тормозной системы в м:

 

 

 

Автомобиля

19,9

-

17

Автопоезда

21,1

21,1

 

Запас хода по контрольному расходу топлива в км:

 

 

 

Автомобиля

1000

-

650

Автопоезда

700

700

 

Наименьший радиус поворота автомобиля по оси следа переднего внешнего (относительно центра поворота) колеса, в м, не более

8,5

7,7

8,0

Наружный габаритный радиус поворота автомобиля по переднему буферу, в м, не более

9,3

8,5

9,0

Ширина коридора, занимаемая автомобилем при повороте с наружным габаритным радиусом, указанным выше, в мм, не более

4,5

3,6

3,6

Подъем, преодолеваемый при движения с полной нагрузкой (при протяженности подъема не менее 15 м), в %, не менее:

 

 

 

Автомобилем

35

-

30

Автопоездом

18

18

-

Наименьший дорожный просвет при полной нагрузке автомобиля, в мм

285

285

285

Углы свеса в ?:

 

 

 

передний

30

30

30

задний

30

-

47

Заправочные емкости в л

 

 

 

Топливные баки моделей автомобилей:

 

 

 

КамАЗ-5320 и 5511

 

170

 

КамАЗ-53202 и 53212

 

250

 

КамАЗ-5410

 

2 ´ 125

 

Система смазки двигателя:

 

 

 

без масляного радиатора

 

30,5

 

с масляным радиатором

 

32

 

Система охлаждения двигателя:

 

 

 

с системой отопления и пусковым подогревателем

 

35

 

без системы отопления и пускового подогревателя

 

29,4

 

Гидросистема привода сцепления

 

0,28

 

Картер коробки передач

 

 

 

с делителем

 

12,0

 

без делителя

 

8,5

 

Картер ведущего моста:

 

 

 

среднего

 

7,0

 

заднего

 

7,0

 

Картер межосевого дифференциала

 

1,2

 

Амортизатор передней подвески

 

0,475

 

Система гидроусилителя рулевого управления

 

3,2

 

Тормозная система:

 

 

 

предохранитель против замерзания

 

0,2 или 1,0

 

Амортизатор кабины

 

0,12

 

Подъемные механизм платформы

 

33

 

Основные данные для контроля и регулировки

 

 

 

1. Зазоры между стержнями клапанов и коромыслами на холодной двигателе в мм:

 

 

 

впускных

 

0,20 - 0,25

 

выпускных

 

0,30 - 0,35

 

2. Давление масла в системе смазки прогретого двигателя в кг/см2:

 

 

 

при номинальных оборотах (2100 об/мин)

 

4,5 - 5,5

 

при минимальных оборотах

 

не менее 1

 

3. Данные начала подъема иглы форсунки в кг/см2

 

 

 

4. Температура охлаждающей жидкости в системе охлаждения двигателя

 

80 - 98

 

5. Обороты коленчатого вала об/мин:

 

 

 

максимальные

 

2930

 

минимальные

 

500 - 600

 

6. Прогиб приводных ремней водяного насоса и генератора при нажатии на середине наибольшей ветви с усилием 4 кгс в мм

 

15 - 22

 

7. Зазор между поршнем и толкателем поршня главного цилиндра привода сцепления в мм (проверять на ходу середины опорной площадки педали сцепления)

 

6 - 12

 

8. Свободный ход конца вала вилки выключения сцепления в мм

 

3,1 - 4,7

 

9. Суммарный свободный ход педали сцепления в мм

 

30 - 42

 

10. Зазор в клапане включения делителя в мм

 

0,2 - 0,4

 

11. Ход педали тормоза в мм:

 

 

 

Свободный

 

20 - 30

 

Полный

 

100 - 130

 

12. Ход штоков тормозных камер в мм

 

15 - 25

 

13. Зазор между тормозными барабанами и накладками колодок в мм

 

0,2 - 0,4

 

14. Свободный ход рулевого колеса в град

 

15 - 25

 

15. Давление в шинах в кг/см2:

 

 

 

передних колес КамАЗ-5320, КамАЗ-5410 КамАЗ-5510

 

7,3

 

колес задней тележки для всех автомобилей

 

4,3

 

16. Схождение колеса в мм

 

1 - 3

 

17. Давление воздуха в системе пневматического привода тормозов в кг/см2:

 

6,0 - 7,5

 

Моменты затяжки основных резьбовых соединений в кгс. м

 

 

 

Силовой агрегат

 

 

 

Стяжные болты блока

 

10 - 11

 

Болты крепления:

 

 

 

головок цилиндров

 

19 - 21

 

крышек коренных подшипников

 

21 - 23,5

 

маховика

 

15 - 17

 

картера маховика

 

9 - 11

 

Шатунные болты

 

9 - 10

 

Гайки:

 

 

 

болтов крепления стоек коромысел

 

4,5 - 5,4

 

регулировочного винта коромысла

 

4,2 - 5,4

 

Болты крепления направляющей толкателя ведущей тестерам привода распределительного вала:

 

 

 

М10

 

5 - 6,2

 

М12

 

9 - 10

 

Гайки:

 

 

 

распылителя форсунки

 

7 - 8

 

скобы крепления форсунки

 

3,5 - 4

 

болта крепления муфты опережения впрыска

 

10 - 12

 

Винт-заглушка муфты опережения впрыска

 

0,8 - 1

 

Болты крепления:

 

 

 

картера коробки передач к картеру сцепления или делителя

 

14 - 15

 

головки передней тяги

 

5,5 - 6

 

рычага наконечника

 

2,5 - 3

 

рычага передней тяги

 

5,5 - 6

 

стяжного регулировочного фланца

 

4 - 5

 

рычага механизма переключения

 

4,5 - 5

 

вилки механизма переключения передач

 

2,5 - 3

 

нажимного диска с кожухом в сборе к маховику:

 

 

 

М10

 

5,5 - 6,3

 

М8

 

2,5 - 5

 

картера сцепления

 

9 - 10

 

Гайка болта крепления фланца кардана

 

 

 

Карданная передача

 

 

 

Болты:

 

 

 

Соединения фланцев карданных валов:

 

 

 

среднего моста

 

12 - 14

 

заднего моста

 

8 - 9

 

крепления опорных пластин подшипников крестовины

 

1,4 - 1,7

 

Ведущие мосты

 

 

 

Гайки крепления подшипников ведущей конической шестерни мостов:

 

 

 

среднего

 

24

 

заднего

 

24 - 36

 

Контргайка подшипников ведущей конической шестерни среднего моста

 

24 - 36

 

Болты крепления:

 

 

 

стакана ведущей конической шестерни

 

10 - 12,5

 

заднего моста

 

6 - 9

 

крышки ведущей цилиндрической шестерни

 

6 - 9

 

Гайки болтов крепления:

 

 

 

подшипников ведущей шестерни цилиндрической

 

35 - 40

 

чашек колесного дифференциала

 

14 - 16

 

фланца межосевого дифференциала и фланца заднего вала

 

25 - 30

 

Болты крепления:

 

 

 

крышек подшипников колесного дифференциала

 

25 - 32

 

чашек межосевого дифференциала

 

5,5 - 7,0

 

Гайки шпилек крепления:

 

 

 

редуктора к картеру моста полуосевой

 

12 - 14

 

Контргайки крепления подшипников ступиц колес

 

14 - 16

 

Передняя ось и рулевой привод

 

 

 

Гайки:

 

 

 

рычагов поворотных кулаков

 

50 - 55

 

шаровых пальцев продольной и поперечной рулевых тяг

 

25 - 32

 

болтов наконечников поперечной рулевой тяги

 

5,5 - 6,0

 

Подвеска автомобиля

 

 

 

Стремянки рессор:

 

 

 

передних

 

25 - 30

 

задних:

 

 

 

автомобилей КамАЗ-5511 и 53212

 

95 - 105

 

остальных автомобилей КамАЗ

 

45 - 50

 

Стяжные болты пальцев ушков передних рессор

 

8 - 10

 

Болты крепления ушков передних рессор:

 

 

 

передние

 

23 - 27

 

боковые

 

10 - 15

 

Гайки пальцев амортизаторов со стороны:

 

 

 

кронштейнов

 

12 - 14

 

резиновых втулок

 

5,5 - 6

 

Гайки шпилек крепления опоры рессоры и кронштейна реактивной штанги к картеру моста автомобиля КамАЗ-551

 

40 - 45

 

Гайки шпилек соединения кронштейнов осей балансира с кронштейнами рамы

 

50 - 51

 

Болты крепления кронштейнов задней подвески к лонжеронам рамы

 

18 - 22

 

Гайка:

 

 

 

стяжки кронштейнов оси

 

50 - 55

 

пальцев реактивных штанг

 

35 - 40

 

Шпильки крепления кронштейнов реактивных штанг

 

35 - 40

 

Стяжные болты разрезных гаек осей

 

8 - 10

 

балансирной подвески

 

 

 

Райка резервуара амортизатора

 

18 - 20

 

Колеса

 

 

 

Гайки крепления колес

 

25 - 30

 

Рулевое управление

 

 

 

Гайка рулевого колеса

 

6 - 8

 

Контргайка регулировочного винта вала сошки

 

6 - 6,5

 

Гайки клиньев крепления карданного вала

 

1,4 - 1,7

 

Стяжные болты крепления сошки

 

18 - 20

 

Болты крепления маховика рулевого управления

 

28 - 32

 

Гайка крепления шестерни насоса

 

5,0 - 6,5

 

Болты крепления крышки бачка

 

0,7 - 0,9

 

Стопорные винты шариковой гайки

 

5 - 6

 

Гайки крепления подшипников углового редуктора

 

4 - 6

 

Болты крепления крышки насоса

 

3,5 - 4,2

 

Тормозная система

 

 

 

Гайки шпилек крепления головки компрессора

 

1,2 - 1,7

 

Перечень регламентных работ для выполнения ежедневного технического обслуживания автомобилей КамАЗ-5320, КамАЗ-5511, КамАЗ-5410

Трудоемкость работ КамАЗ-5320 - 45 чел. мин (0,75 чел. ч)

КамАЗ-5511 - 40 чел. мин (0,67 чел. ч)

КамАЗ-5410 - 40 чел. мин. (0,67 чел. ч)

№ выполняемых работ

Наименование и содержание работы

Место выполнения работы

Кол-во мест или точек обслуживания

Трудоемкость чел. мин/разряд

Приборы, инструмент, приспособления, модель, тип

Технические требования и указания

1

При необходимости вымыть автомобиль и произвести уборку кабины и платформы

 

1

14,0

Установка для мойки автомобилей, щеточно-струйная мод. M-127 (1) или установка моечная шланговая мод. M-125 (3), лопата (108), метла (109), ветошь (93)

См. примечание

Примечание.

Особо тщательно вымыть: фары, подфарника, задние фонари, стекла кабины, номерные знаки. На нижних частях крыльев, подножках, рессорах, мостах, брызговиках, крышке гнезда АКБ не должно быть грязи, снега и льда. Сор и снег должны быть удалены с пола платформы и кабины. Протереть сиденья, контрольные приборы и стекла в кабине.

 

2

Проверить состояние запоров бортов платформы

Справа слева

-

2,0

Ключ гаечный открытый 17 мм (14)

Запоры бортов должны быть отрегулированы и не должны иметь разрушений. Петли запоров должны быть надежно закреплены

 

Возможный сопутствующий ремонт:

 

 

 

 

 

 

- замена петли запора борта платформы;

 

 

 

 

 

 

- замена гайки крепления петли запора.

 

 

 

 

 

3

Проверить состояние буксирного прибора и шлангов подсоединения тормозной системы

Сзади

 

3,0

Плоскогубцы (35), отвертка 10 мм (101)

Износ зева крюка в месте наибольшего контакта должен быть не более 5 мм, защелка замка буксирного прибора должна быть зашплинтована. Соединительные шланги не должны иметь разрывов, расслоений, и трещин. Головки должны быть надежно соединены

 

Возможный сопутствующий ремонт:

 

 

 

 

 

 

- установка шплинта защелки замка буксирного прибора;

 

- замена соединительных шлангов и соединительных головок.

4

Проверить состояние колес и шин

Слева, справа

10

9,6

Плоскогубцы (35), молоток (36), шило (105), ключ балонный (104)

Колеса должны иметь соответствующее давление. Покрышки не должны иметь порезов, разрывов, вздутостей и врезавшихся в протектор предметов. На дисках не должно быть следов от проворачивания колес на ступицах

 

Возможный сопутствующий ремонт:

- замена камеры покрышки колеса;

- извлечение предметов врезавшихся в протектор;

- закрепить гайки колес (в случае обнаружения следов проворачивания).

 

 

 

 

 

5

Проверить состояние привода рулевого управления

В кабине и снизу

 

2,6

Ключи гаечные открытые 13, 22 мм (12, 15)

См. примечание

Примечание.

Свободный ход рулевого колеса следует проверить на автомобиле, установив передние колеса прямо на горизонтальной площадке. Свободный ход проверять при работе двигателя на холостом ходу, поворачивая рулевое колесо вправо и влево до начала поворота управляемых колес. Свободный ход рулевого колеса не должен превышать 25?. Осевое перемещение рулевого колеса не допускается.

 

 

Возможный сопутствующий ремонт:

 

 

 

 

 

- крепление клиньев карданного вала;

- крепление гайки сошки

6

Проверить действие приборов освещения и световой сигнализации

В кабине, спереди и сзади

 

3,8

Ключи гаечные открытые 22, 24 мм (15), отвертка 6,5 мм (31)

См. примечание

Примечание.

Работу выполнять двумя исполнителями. Проверить исправность всех приборов системы освещения и световой сигнализации при различных положениях комбинированного переключателя света, а так же переключателя указателя поворотов. Проверить действие «стоп» сигнала и сигнала заднего хода. Проверить действие включателей аварийной сигнализации, обозначения автопоезда, противотуманных фар. Убедиться в исправности контрольных ламп.

 

 

Возможный сопутствующий ремонт:

- замена ламп фары, контрольной и световой сигнализации;

 

 

 

 

 

- замена оптических элементов фар;

- замена включателя «стоп» сигнала;

- замена включателя сигнала заднего хода;

- замена рассеивателей подфарников, задних фонарей, фонарей заднего хода и указателей автопоезда.

7

Проверить работу стеклоочистителей

В кабине

2

0,8

Ключи гаечные открытые 11, 12, 30 мм (100, 11, 16)

Щетки стеклоочистителей должны плотно прилегать по всей длине кромки к поверхности ветрового стекла и перемещаться равномерно без заеданий

Возможный сопутствующий ремонт:

 

 

 

 

- замена стеклоочистителей

- замена щеток стеклоочистителей.

8

Довести до нормы уровень масла в картере двигателя

Справа

1

3,7

Кружка (106), ветошь (93)

См. примечание

Примечание.

Уровень масла проверять при неработающем двигателе не ранее чем через 5 мин после остановки. Автомобиль должен быть установлен на горизонтальной площадке. Перед замером щуп следует протереть. При замере щуп вставлять до упора. Если уровень масла находится близко к метке «н» - долить свежее масло до метки «в». Применять моторное масло в соответствии с указаниями карты смазки.

 

Возможный сопутствующий ремонт:

 

 

 

 

 

 

- установка крышки маслозаливной горловины (в случае утери).

 

 

 

 

 

9

Довести до нормы уровень жидкости в системе охлаждение

Сверху

1

1,6

Ведро (107)

См. примечание

Примечание.

Уровень охлаждающей жидкости проверять на холостом двигателе ввиду значительного объемного расширения жидкости при повышении температуры. Проверку уровня охлаждающей жидкости осуществлять путем открытия крана контроля уровня, установленного на расширительном бачке. Если при этом из крана не потечет жидкость, то уровень является недостаточным и его необходимо восстановить доливкой охлаждающей жидкости до нижнего края заливной горловины

 

 

Возможный сопутствующий ремонт:

 

 

 

 

 

 

- замена краника контроля уровня охлаждающей жидкости (прочистка краника);

 

 

 

 

 

 

- установка пробки расширительного бачка (в случае утери).

 

 

 

 

 

10

Слить конденсат из воздушных баллонов тормозной системы

Снизу

5

3,6

Ключ гаечный открытый 24 мм (15)

См. примечание

Примечание.

Слив конденсата производить через клапаны для слива конденсата (5 шт), установленные на воздушных баллонах. Скопление большого количества конденсата не допускается, так как это может привести к попаданию конденсата в приборы пневматического привода тормозов и выходу их из строя. Слив конденсата производить при возвращении автомобиля с линии.

 

 

Возможный сопутствующий ремонт:

 

 

 

 

 

 

- замена клапана слива конденсата

 

 

 

 

 

Перечень регламентных работ для выполнения первого технического обслуживания автомобилей КамАЗ-6320, КамАЗ-5511, КамАЗ-5410

Трудоемкость работ КамАЗ-5320 - 127,7 чел. мин (2,13 чел. ч)

КамАЗ-5511 - 150,8 чел. мин (2,51 чел. ч)

КамАЗ-5410 - 128,8 чел. мин (2,15 чел. ч)

№ выполняемых работ

Наименование и содержание работ

Место выполнения работы

Кол-во мест или точек обслуживания

Трудоемкость (чел. мин)/разряд

Приборы, инструмент, приспособления, модель, тип

Технические требования и указания

1

Вымыть автомобиль

Сверху и снизу

1

12,0/1

Установка для мойки автомобилей, щеточно-струйная мод. M-127 (1)* или установка для мойки автомобилей, струйная мод. №-129 (2)

Особо тщательно вымыть тормозные камеры с регулировочными рычагами, прижимы с гайками крепления колес, вентили шин, шкворневые узлы, рулевые тяги, крышку гнезда аккумуляторной батареи, предохранитель против замерзания

Примечание:

Здесь и далее в скобках указывается номер позиции, под которой в приведенном ниже перечне оборудования даются о нем подробные сведения

2.

Внешним осмотром и по показаниям штатных приборов автомобиля проверить исправность тормозной системы

В кабине и снизу

-

7,5/4

Отвертка 8 мм (32), ключи гаечные открытые 13, 17, 19, 22 и 24 мм (12, 14, 15), плоскогубцы (35)

См. примечание

Примечание:

Внешним осмотром проверить:

- целостность крепления и состояние тормозных камер;

- состояние трубок тормозных камер задней тележки;

- состояние соединительных головок и разобщительных кранов;

- целостность крепления штанги и тяги регулятора тормозных сил. (Резиновые конденсаторы штанги регулятора тормозных сил не должны иметь отслоений. Тяга регулятора должна быть надежно закреплена).

На слух определить герметичность тормозной системы. Проверку проводить при номинальном давлении в пневмосистеме, выключенных потребителях сжатого воздуха и неработающем компрессоре.

Герметичность системы проверить в трех положениях:

- при свободной педали тормоза;

- нажатой педали тормоза;

- при постановке на стояночный тормоз.

По штатным приборам автомобиля проверить:

- по манометрам давление создаваемое компрессором в системе;

- нажатием на контрольную кнопку работоспособность контрольных лампочек;

- по контрольным лампочкам заполнение всех контуров воздухом и работу стояночной тормозной системы.

 

Возможный сопутствующий ремонт:

 

 

 

 

 

 

- затяжка штуцеров и накидных гаек трубок тормозной системы;

 

 

 

 

 

 

- крепление штанги и тяги регулятора тормозных сил;

 

 

 

 

 

 

- замена контрольных лампочек;

 

 

 

 

 

 

- замена датчиков аварийного падения воздуха в контурах и датчика стояночного тормоза.

 

 

 

 

 

3

Закрепить гайки колес

Справа и слева

30

8,3/2

Гайковерт для гаек колес мод И-318 (8), головка сменная 27 мм (27), ключ динамометрический (56)

Момент затяжки гаек крепления колес: - передних 210 ч 260 Н м (21 - 26 кГм) - задних 250 - 300 Нм (25 - 30 кГм) Затяжку производить равномерно через одну гайку в два-три приема

 

Возможный сопутствующий

ремонт:

 

 

 

 

 

 

- замена гаек;

 

 

 

 

 

 

- замена прижимов;

 

 

 

 

 

 

- замена шпилек

 

 

 

 

 

4

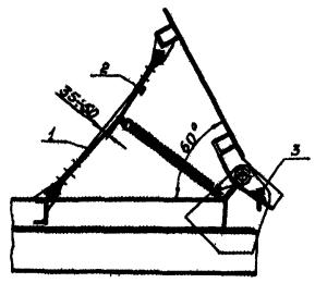
Отрегулировать величину хода штоков тормозных камер (Рис. 1)

В кабине и снизу

6

12,6/4

Ключ гаечный открытый 12 мм (12), линейка (63)

См. примечание

Рис. 1.

Регулировка хода штока тормозной камеры.

1 - задняя тормозная камера; 2 - ось червяка; 3 - регулировочный рычаг; 4 - шток тормозной камеры

Примечание:

Работу выполнять двум исполнителям. Регулировку проводить при номинальном давлении воздуха в пневмосистеме. Стояночный тормоз должен быть выключен. Регулировку выполнять вращением осей червяков регулировочных рычагов. В случае, если ход штока тормозной камеры превышает 40 мм, необходимо, вращая ось червяка регулировочного рычага, развести колодки до соприкосновения их с тормозным барабаном (вращать ось червяка регулировочного рычага до упора), а после того свести колодки, повернув ось червяка на полоборота в обратном направлении (на 2 - 3 щелчка), обеспечив тем самым, наименьший ход штоков тормозных камер равный 20 мм. Для получения одинаковой эффективности торможения колес левой и правой сторон автомобиля необходимо, чтобы ход штоков тормозных камер оси был по возможности одинаков.

№ выполняемых работ

Наименование и содержание работ

Место выполнения работы

Кол-во мест или точек обслуживания

Трудоемкость (чел. мин)/разряд

Приборы, инструмент, приспособления, модель, тип

Технические требования и указания

 

Возможный сопутствующий ремонт:

 

 

 

 

 

- замена шплинтов пальцев штоков тормозных камер;

- замена шплинтов валов разжимных кулаков;

- установка новых шайб валов разжимных кулаков (в случае утери).

5

Слить отстой из фильтров грубой и тонкой очистки топлива

Сверху, слева и справа

3

8,5/1

Ключ гаечный открытый 14 мм (13), емкость для слива отстоя (72)

См. примечание

Примечание:

Отстой слить через сливные пробки (3 шт.) на колпаках фильтров. Одна пробка расположена на колпаке фильтра грубой очистки и по одной пробке имеется на каждом из двух колпаков фильтра тонкой очистки топлива. Слив производить до тех пор, пока не пойдет чистое дизельное топливо без признаков воды. При образовании воздушных пробок, препятствующих сливу отстоя рекомендуется прокачивать топливо насосом ручной подкачки при открытых пробках фильтров. В случае, когда при подкачке ручным насосом отстой не сливается, необходимо снять колпак фильтра грубой очистки топлива и промыть. Прочищать сливное отверстие фильтра грубой очистки топлива проволокой не рекомендуется, так как при этом возможно разрушение сетчатого фильтра грубой очистки топлива.

6

Заменить спирт в предохранителе против замерзания

Сверху, справа

2

4,0/1

Ключ гаечный открытый 17, 24 мм (14, 15) воронка (81),: емкость для свежего спирта (73), емкость для отработанного спирта (74)

См. примечание

Примечание:

Для предохранителя емкостью 0,2 л заменять спирт один раз в неделю. Замену спирта производить при температуре окружающей среды ниже + 5 гр. С. Слить отработанный спирт из предохранителя. Для заливки спирта и контроля уровня рукоятку штока предохранителя опустить в нижнее положение. Затем вывернуть пробку с указателем уровня и залить в предохранитель спирт, после чего закрыть заливное отверстие, поднять шток в верхнее положение и зафиксировать, повернув его на 90 гр. Уровень жидкости довести до верхней риски на щупе контроля уровня для бочка емкостью 0,2 л и до края заливного отверстия для бачка емкостью 1 л.

7

Довести до нормы давление в шинах

Сверху, справа и слева

10

28,0/2

Манометр (52), плоскогубцы (35), воздухораздаточная колонка мод. С-413 (65)

Давление в шинах передних колес должно быть 0,73 МПа (7,3 кГс/ см2), в шинах колес задней тележки 0,5 МПа (5,0 кГс/см2)

 

Возможный сопутствующий ремонт:

 

 

 

 

 

 

- замена золотников вентилей камер колес;

 

 

 

 

 

 

- замена колпачков вентилей камер колес;

 

 

 

 

 

 

- прогонка внутренней или наружной резьбы вентиля.

 

 

 

 

 

8

Довести до нормы уровень масла в бачке гидроусилителя руля

Сверху, кабина в поднятом положении

1

0,7/1

Кружка (84), воронка с двойной сеткой (82), емкость для масла (75), ветошь (91)

См. примечание

Примечание.

При проверке уровня масла в системе гидроусилителя передние колеса установить прямо. Уровень масла должен быть между метками указателя уровня. Заливать масло необходимо через воронку с двойной сеткой и заливной фильтр, установленный в горловине крышки бачка насоса гидроусилителя. Доливать масло следует при работе двигателя на холостом ходу.

9

Довести до нормы уровень электролита в аккумуляторных батареях (рис. 2)

Сверху справа

2

25,0/2

Уровнемерная трубка (9), кружка (9), резиновая груша (9), резиновые кислостойкие перчатки (9)

См. примечание.

Рис. 2.

Проверка уровня электролита в аккумуляторной батарее.

Примечание.

Поверхность электролита должна касаться нижнего торца тубуса заливной горловины, что соответствует расстоянию от поверхности электролита до сепаратора равному 15 мм. Уровень электролита доводится до нормы доливкой дистиллированной воды. Доливку электролита производить только в тех случаях, когда точно известно, что понижение уровня произошло за счет утечки, при этом плотность доливаемого электролита должна быть такой же, как и у электролита в аккумуляторной батарее.

 

Возможный сопутствующий ремонт:

 

 

 

 

 

 

- замена крышки гнезда АКБ;

 

 

 

 

 

 

- замена крышки АКБ;

 

 

 

 

 

 

- замена АКБ;

 

 

 

 

 

 

- замена крышек клемм АКБ.

 

 

 

 

 

10

Смазать шкворни поворотных кулаков

Снизу

4

10,1/2

Солидолонагнетатель мод. 390М (66), подъемник электромеханический мод. П128 (4)

См. примечание

Примечание.

Смазывать до выдавливания свежей смазки в сопряжении балка передней оси - поворотный кулак. Смазку через нижние пресс-масленки проводить при выведенных колесах, поворачивая их вправо и влево.

 

Возможный сопутствующий ремонт:

 

 

 

 

 

 

- замена прокладок крышек шкворней;

 

 

 

 

 

 

- замена пресс-масленок.

 

 

 

 

 

11

Смазать шарниры рулевых тяг

Снизу

4

1,6/2

Солидолонагнетатель мод. 390М (66)

Смазывать до выдавливания смазки из-под резиновых уплотнений шарниров

 

Возможный сопутствующий ремонт:

- замена пресс-масленок;

- замена прокладок крышек шарниров поперечной рулевой тяги.

 

 

 

 

 

12

Смазать пальцы передних рессор

Снизу

2

1,4/2

Солидолонагнетатель мод. 390М (66)

Смазывать до выдавливания смазки из зазоров

 

Возможный сопутствующий ремонт:

- замена пресс-масленок.

 

 

 

 

 

13

Смазать втулки валов разжимных кулаков

Снизу

6

3,5/2

Солидолонагнетатель мод. 390М (66) или солидолонагнетатель мод. 142 (68)

При смазке ручным шприцем сделать не более 5 ходов, при шприцовке солидолонагнетателем смазывать 2 - 3 сек во избежание попадания излишней смазки в тормозной механизм.

 

Возможный сопутствующий ремонт:

 

 

 

 

 

 

- замена пресс-масленки

 

 

 

 

 

14

Смазать регулировочные рычаги тормозных механизмов

Снизу

6

3,5/2

Солидолонагнетатель мод. 390М (66)

Смазывать до выдавливания смазки из зазоров

 

Возможный сопутствующий ремонт:

 

 

 

 

 

 

замена пресс-масленок

 

 

 

 

 

15

Смазать оси передних опор кабины

Спереди при поднятой облицовочной панели

2

1,0/2

Солидолонагнетатель мод. 390М (66)

Смазывать до выдавливания смазки из зазоров

 

Возможный сопутствующий ремонт:

 

 

 

 

 

 

- замена пресс-масленок

 

 

 

 

 

 

Дополнительные работы по самосвалу КамАЗ-5511

 

 

 

 

 

16

Проверить герметичность и состояние трубопроводов и узлов механизма подъема платформы

Сверху и снизу

1

0,9/3

 

Утечка воздуха и масла из узлов и системы не допускается. Проверку производить визуально и на слух. Трубопроводы не должны иметь трещин, вмятин и других повреждений.

 

Возможный сопутствующий ремонт:

 

 

 

 

 

 

- замена шланга высокого давления (в случае обнаружения повреждений);

 

 

 

 

 

 

- подтяжка соединений трубопроводов (в случае обнаружения течи).

 

 

 

 

 

17

Проверить целостность прядей страховочного троса в зоне контакта с оттяжной пружиной

Сверху, кузов в поднятом положении

1

0,7/3

 

Проверку производить визуально. По всей длине троса не должно быть разрушений прядей. Зажимы троса должны быть надежно закреплены

 

Возможный сопутствующий ремонт:

 

 

 

 

 

 

- подтяжка зажимов троса.

 

 

 

 

 

18

Довести до нормы уровень масла в бачке гидроподъемника

Сверху справа

1

1,8/2

Бак маслораздаточный мод. 133М (67), ветошь (93)

Отвернуть крышку со щупом и проверить уровень масла в бачке. Уровень масла должен быть между верхней и нижней метками на щупе

 

Возможный сопутствующий ремонт:

 

 

 

 

 

 

- замена щупа.

 

 

 

 

 

19

Промыть масляный фильтр сливной магистрали механизма подъема платформы

Сверху справа

1

17,0/2

Ванна с дизтопливом (71), ключ гаечный открытый 12 мм (12), ветошь (93)

Фильтрующий элемент фильтра промыть в дизельном топливе. При промывке очистить внутреннюю поверхность корпуса фильтра от грязи и отложений. Обратить внимание на состояние уплотнительного кольца между корпусом и крышкой фильтра.

 

Возможный сопутствующий ремонт:

 

 

 

 

 

 

- замена болтов в случае разрушения резьбы;

 

 

 

 

 

 

- замена уплотнительного кольца.

 

 

 

 

 

20

Смазать опорные пальцы платформы

Сверху сзади

2

2,7/2

Солидолонагнетатель мод. 390М (66)

Смазку производить через Пресс-масленки, ввернутые в торцы опорных пальцев

 

Возможный сопутствующий ремонт:

 

 

 

 

 

 

- замена пресс-масленок

 

 

 

 

 

 

Дополнительные работы по тягачу КамАЗ-5410

 

 

 

 

 

21

Проверить состояние и крепление пружины захватов, запорного кулака и пружин защелки седельного устройства

Сверху

1

1,1/3

 

Работу выполнять визуально. Все пружины должны быть надежно закреплены и работоспособны

 

Возможный сопутствующий ремонт:

 

 

 

 

 

 

- замена пружины.

 

 

 

 

 

Перечень регламентных работ для выполнения второго технического обслуживания автомобилей КамАЗ-5320, КамАЗ-5511, КамАЗ-5410

Трудоемкость работ КамАЗ-5320 - 529,5 чел. мин (8,83 чел. час)

КамАЗ-5511 - 615,3 чел. мин (10,25 чел. час)

КамАЗ-5410 - 530,6 чел. мин (8,78 чел. час)

№ выполняемых работ

Наименование и содержание работ

Место выполнения работы

Кол-во мест или точек обслуживания

Трудоемкость (чел. мин/разряд)

Приборы, инструмент, приспособления, модель, тип

Технические требования и указания

1.

Вымыть автомобиль

Сверху и снизу

1

36,0/1

Установка для мойки автомобилей, щеточно-струйная мод. М-127 (1) или установка дои мойки автомобилей, струйная мод. М129 (2)

См. примечания

Примечание.

Особо тщательно вымыть: двигатель, картер сцепления снизу, карданы, мосты, тормозные камеры с регулировочными рычагами, вентили шин, шкворневые узлы, рулевые тяги, крышку гнёзда аккумуляторных батарей, жалюзи радиатора. Рекомендуется применять воду, нагретую до температуры 40 - 50 °С.

 

ДВИГАТЕЛЬ

 

 

 

 

 

2

Проверить состояние и действие жалюзи радиатора

В кабине и снизу

2

3,4/3

Ключ гаечный открытый 10 мм (11), плоскогубцы (35), отвертка 8 мм (32)

См. примечание

Примечание.

При перемещении ручки троса, жалюзи должны легко открываться и закрываться. Пластины жалюзи не должны иметь погнутостей и концы их должны быть установлены в гнезда

 

Возможный сопутствующий ремонт:

 

 

 

 

 

 

- замена оболочки тяги радиатора;

 

 

 

 

 

 

- установка на место выпавших пластин жалюзи радиатора;

 

 

 

 

 

 

- крепление конечного зажима проволоки троса жалюзи.

 

 

 

 

 

3

Проверить состояние и действие троса ручного управления подачей топлива

Сверху, кабина в поднятом положении

1

12,3/3

Отвертка 8 мм (32), плоскогубцы (35), ключ гаечный открытый 13 мм (12)

См. примечание

Примечание.

Для проверки свободного перемещения проволоки троса ручного управления подачей топлива необходимо переместить рычаг регулятора топливного насоса высокого давления (ТНВД) в положение, соответствующее нажатой до отказа педали управления подачей топлива. Проволока троса должна перемещаться без заеданий. Конечный зажим на проволоке троса и прижим оболочки троса должен быть надежно закреплен. При повороте головки троса, трос должен оставаться в фиксированном положении и удерживать отпущенный педалью рычаг регулятора ТНВД.

 

 

Возможный сопутствующий ремонт:

 

 

 

 

 

 

- крепление зажима оболочки тяги;

 

 

 

 

 

 

- замена троса управления подачей топлива.

 

 

 

 

 

4

Проверить состояние и действие троса останова двигателя

Сверху кабина в поднятом положении

1

9,6/3

Отвертка 8 мм (32), плоскогубцы (35), ключ гаечный открытый 13 мм (12)

См. примечание

Примечание.

При перемещении ручки проволока троса останова двигателя должна перемещаться без заеданий. При вытягивании проволоки троса до отказа двигатель должен глохнуть и рычаг останова на ТНВД доходить до упора. Прижим оболочки троса и конечный зажим проволоки должны быть надежно закреплены

 

Возможный сопутствующий ремонт:

 

 

 

 

 

 

- замена троса ручного останова двигателя;

 

 

 

 

 

 

- крепление зажима оболочки тяги.

 

 

 

 

 

5

Проверить состояние пластины тяги регулятора (рис. 3)

Сверху кабина в поднятом положении

1

6,2/3

Ключи гаечные открытые 10 и 13 мм (11, 12) отвертка 8 мм (32), плоскогубцы (35)

См. примечание

Рис. 3.

Проверка состояния пластины, тяги регулятора ТНВД

1 - пластина тяги регулятора; 2 - тяга рычага управления регулятора; 3 - рычаг управления регулятора; 4 - тяга (проволока) ручного управления.

Примечание.

В окне пластины тяги регулятора не должно быть канавок глубиной более половины диаметра троса (канавки протираются проволокой троса ручного управления подачей топлива), так как возможно закусывание проволоки и как следствие потеря управляемости педалью управления подачей топлива.

 

Возможный сопутствующий ремонт:

 

 

 

 

 

 

- замена пластины тяги регулятора.

 

 

 

 

 

6

Закрепить масляный картер двигателя

Снизу

28

5,5/3

Головка сменная 13 мм (23), вороток (29)

Болты и гайки должны быть равномерно затянуты. Подтекание масла из-под прокладки масляного картера не допускается

 

Возможный сопутствующий ремонт:

 

 

 

 

 

 

- замена гаек крепления масляного картера (при срыве резьбы);

 

 

 

 

 

 

- замена болтов с сорванными гранями головки.

 

 

 

 

 

7

Закрепить передние и задние опоры двигателя (рис. 4.)

Снизу и сверху

40

6,1/3

Ключи гаечные открытые 19, 24 и 30 мм (14, 15, 16), головки сменные. 19 и 24 мм (25, 26), вороток (29)

См. примечание

Примечание.

Передняя опора имеет 11 точек крепления: 4 гайки крепят кронштейн передней опоры к блоку двигателя, 2 болта - кронштейн к резиновой подушке и 5 гаек крепят резиновую подушку опоры к стяжке и кронштейну лонжеронов рамы. При проверке крепления передних опор наиболее часто отмечается ослабление крепления резиновой подушки опоры к стяжке и кронштейнам лонжеронов рамы. Задняя опора имеет 9 точек крепления: 4 гайки крепят кронштейн к блоку двигателя, 4 стяжных болта крепят резиновую подушку задней опоры двигателя. При проверке задних опор двигателя наиболее часто отмечается ослабление только гайки (крепить сверху, гайка на 30 мм) болта крепления кронштейна задней опоры к подушке. Болты и гайки должны быть равномерно затянуты.

Рис 4.

Крепление передних и задних опор двигателя.

а) - передняя опора:

1 - кронштейн передний; 2 - подушка резиновая; 3 - кронштейн лонжерона,

б) - задняя опора:

1 - кронштейн задний; 2 - болт; 3 - подушка резиновая.

 

Возможный сопутствующий ремонт:

- замена гаек и болтов (при утере)

 

 

 

 

 

8

Отрегулировать натяжение приводных ремней водяного насоса (рис. 5)

Сверху кабина в поднятом положении

1

0,7/3

Ключи гаечные открытые 14 и 17 мм (13, 14) монтажная лопатка (40), прибор для проверки натяжения приводных ремней (53)

Натяжение ремней проверять нажатием на середину наибольшей ветви каждого ремня с усилием 40 н (4 кгс). При этом нормально натянутые ремни должны иметь прогиб 15 - 22 мм. Натяжение ремней регулировать изменением положения генератора относительно мест его крепления

 

Возможный сопутствующий ремонт:

 

 

 

 

 

 

- замена ремней;

 

 

 

 

 

 

- замена болта крепления распорной планки генератора;

 

 

 

 

 

 

- крепление болтов крепления генератора

 

 

 

 

 

Рис. 5

Проверка натяжения приводных ремней.

1 - шкив генератора; 2 - шкив насоса; 3 - шкив коленчатого вала.

9

Отрегулировать тепловые зазоры клапанного механизма, предварительно проверив момент затяжки болтов головок цилиндров и гаек стоек коромысел (рис. 6.)

Снизу и сверху кабина

16

53,0/5

Отвертка 8 мм (32), набор щупов № 2 (54), ключи гаечные открытые 13, 14 (12, 13), головка сменная 17, 19 мм (14, 25) вороток (29), ломик для проворачивания коленвала (94), ключ динамометрический (56)

См. примечание

Рис. 6.

Проверка затяжки болтов крепления головки цилиндра и стойки оси коромысел.

1 - болт крепления головки цилиндра; 2 - гайка регулировочного винта коромысел; 3 - винт регулировочный коромысла; 4 - гайка шпильки крепления стойки коромысел; 5 - коромысло клапана.

Примечание.

Момент затяжки болтов головок цилиндров 190 - 210 н.м (19 - 21 кГсм) гаек крепления стоек коромысел 45 - 54 н. м (4,5 - 5,4 кГсм) гайки регулировочного винта коромысла 42 - 54 н.м (4,2 - 5,4 кГсм).

Зазоры проверять на холодном двигателе или не ранее, чем через 30 мин после его остановки. Величина зазоров должна быть: для впускного клапана 0,20 - 0,25 мм, для выпускного клапана 0,30 - 0,35 мм.

Зазоры в клапанном механизме регулировать одновременно в двух цилиндрах, следующих по порядку работы друг за другом во время тактов сжатия или рабочего хода в этих цилиндрах. Клапаны регулируемых цилиндров в этот момент закрыты. Для регулировки зазоров коленчатый вал необходимо установить последовательно в положении I, II, III, IV. Положение I коленчатого вала определяется относительно начала впрыска топлива в 1 цилиндре, последующие положения - поворотом коленчатого вала из положения I на углы 180°, 360°, 540°. Последовательность регулировки зазоров по цилиндрам в каждом из положений определяется порядком работы двигателя

I

II

III

IV

1 - 5

4 - 2

6 - 3

7 - 8

Последовательность операций при регулировке: снять крышки головок цилиндров; оттянуть фиксатор на картере маховика, повернув его на 90° и отпустить, при этом фиксатор под действием пружины установится в нижнее положение; снять крышку люка в нижней части картера сцепления, провернуть коленчатый вал по ходу вращения до тех пор, пока фиксатор войдет в зацепление с маховиком. При этом риски на торце корпуса муфты опережения впрыска топлива и на фланце ведомой полумуфты, привода топливного насоса высокого давления должны находится в верхнем положении. Это положение коленчатого вала соответствует началу подачи топлива в 1 цилиндре. Если риски находятся внизу, необходимо, выводя фиксатор из зацепления с маховиком, провернуть коленчатый вал на один оборот. При этом фиксатор должен вновь войти в зацепление с маховиком. Поворачивать коленчатый вал нужно воротком через люк и картер сцепления за отверстия, расположенные по периферии маховика. Поворот маховика на угол, равный промежутку между двумя соседними отверстиями, соответствует повороту коленчатого вала на 30° (всего на маховике 12 отверстий). Оттянуть фиксатор, преодолев усилие пружины, повернуть его на 90° и установить в верхнее положение. Повернуть коленчатый вал по ходу вращения на угол 60°, установив его тем самый в положение I. В этом положении клапаны регулируемых цилиндров закрыты, штанги указанных цилиндров должны легко поворачиваться от усилия руки. Проверить щупом зазор между носками коромысел и торцами клапанов регулируемых цилиндров. Для регулировки зазора необходимо ослабить гайку регулировочного винта, вставить в зазор щуп нужной толщины и, вращая винт отверткой, установить требуемый зазор. Придерживая винт отверткой, затянуть гайку и проверить величину зазора щупом толщиной 0,20 мм для впускного клапана и 0,30 мм для впускного клапана; щуп указанных размеров должен входить свободно, а толщиной 0,25 мм - для впускного клапана и 0,35 мм - для выпускного - с усилием. Момент затяжки гайки регулировочного винта должен быть 42 - 54 н. м (4,2 - 5,4 кГсм). Дальнейшую регулировку зазоров в клапанном механизме проводить попарно в цилиндрах, соответствующих положениям II, III, IV. Пустить двигатель, прослушать его работу. При правильной регулировке стуков в клапанном механизме не должно быть. Установить крышку люка сцепления, установить крышки головок цилиндров.

№ выполняемых работ

Наименование и содержание работ

Место выполнения работы

Кол-во мест или точек обслуживания

Трудоемкость (чел. мин/разряд)

Приборы, инструмент, приспособления, модель, тип

Технические требования и указания

 

Возможный сопутствующий ремонт:

 

 

 

 

 

- замена прокладок клапанных крышек;

- замена болтов крепления клапанных крышек;

- замена гаек и шпилек крепления стоек коромысел;

- замена гаек регулировочных болтов;

- замена регулировочных болтов;

замена штанг (когда погнуты);

- замена фиксатора маховика;

- установка крышки люка картера сцепления и болтов ее крепления (при утере).

 

СЦЕПЛЕНИЕ

 

 

 

 

 

10

Проверить герметичность привода выключения сцепления (рис. 7.)

В кабине и снизу

1

1,3/3

Ключи гаечные открытые 13 и 17 мм (12, 14) кружка (84), шланг (83)

См. примечание

Примечание.

Утечка воздуха и тормозной жидкости в местах соединений не допускается. Места сильной утечки воздуха проверяются на слух, а жидкости внешним осмотром. Наиболее часто отмечается протирание подводящего воздухопровода в месте пролегания его рядом с поперечиной рамы. Прокачка производится при помощи шланга, надеваемого на головку перепускного клапана пневмогидравлического усилителя. Свободный конец шланга должен быть опущен в открытый сосуд с тормозной жидкостью ниже уровня. При прокачке жидкость по мере необходимости доливается в главный цилиндр через верхнее отверстие при откинутом защитном чехле. Уровень жидкости должен быть на 10 - 15 мм ниже края заливного отверстия главного цилиндра. Для привода сцепления применяется гидротормозная жидкость «Нева» ТУ 6-09-550-73. Смешивание «Невы» с жидкостями других марок категорически запрещается.

Рис. 7.

Привод механизма выключения сцепления.

1 - педаль сцепления; 2 - главный цилиндр управления сцеплением; 3 - пневмогидравлический усилитель; 4 - редукционный клапан.

№ выполняемых

работ

Наименование и содержание работ

Место выполнения работы

Кол-во мест или точек обслуживания

Трудоемкость (чел. мин/разряд)

Приборы, инструмент, приспособления, модель, тип

Технические требования и указания

 

Возможный сопутствующий ремонт:

 

 

 

 

 

- замена воздухопровода от тройника на редукционном клапане до пневмогидравлического усилителя;

- замена гибкого шланга привода управления сцепления;

- замена тройника на редукционном клапане к трубке подвода воздуха к пневматическому усилителю сцепления

11

Проверить действие оттяжных пружин педали сцепления и рычага вала вилки выключения сцепления

В кабине и снизу

2

1,2/3

Плоскогубцы (35)

Отсутствие пружин не допускается

 

Возможный сопутствующий ремонт:

 

 

 

 

 

- замена пружины педали сцепления и рычага вала вилки выключения сцепления (при разрушении).

12

Отрегулировать свободный ход толкателя поршня главного цилиндра привода и свободный ход рычага вала вилки выключения сцепления (рис. 8.)

В кабине и снизу

2

8,4/3

Линейка измерительная (63), ключи гаечные открытые 17 и 19 мм, 32 мм (14, 17), плоскогубцы (35), отвертка 8 мм (32), монтажная лопатка(40)

См. примечание

Примечание.

Свободный ход толкателя поршня главного цилиндра привода сцепления регулируется эксцентриковым пальцем, на котором закреплены верхний конец толкателя поршня главного цилиндра. Зазор регулируют от положения, при котором оттяжная пружина педали включения сцепления прижимает ее рычаг к верхнему упору, и до касания ощутимого рукой толкателя поршня главного цилиндра к поршню. Перемещение площадки педали при этом должно быть в пределах 6 - 12 мм (замеряют посередине площадки педали). Свободный ход рычага вала; вилки выключения сцепления регулируют с помощью сферической гайки толкателя поршня пневмогидравлического усилителя. Свободный ход конца рычага вилки выключения сцепления должен находиться в пределах 3,1 - 4,7 мм. При этих условиях обеспечивается необходимый ход муфты выключения сцепления. Суммарный свободный ход педали до начала выжима сцепления, в результате указанных регулировок, должен быть в пределах 30 - 42 мм.

Рис. 8.

Регулировка свободного хода педали сцепления.

1 - педаль сцепления; 2 - главный цилиндр управления сцеплением; 3 - эксцентриковый палец; 4 - толкатель поршня; 5 - оттяжной рычаг; 6 - упорное кольцо; 7 - муфта выключения сцепления; 8 - вилка выключения сцепления; 9 - рычаг вала вилки выключения сцепления; 10 - сферическая гайка; 11 - пневмогидравлический усилитель.

№ выполняемых работ

Наименование и содержание работ

Место выполнения работы

Кол-во мест или точек обслуживания

Трудоемкость (чел. мин/разряд)

Приборы, инструмент, приспособления, модель, тип

Технические требования и указания

 

Возможный сопутствующий ремонт:

 

 

 

 

 

- замена шплинта эксцентрикового пальца;

- замена толкателя рабочего цилиндра привода сцепления;

- замена сферической гайки толкателя;

- замена контргайки сферической гайки.

13

Закрепить пневматический усилитель

Снизу

2

0,6/3

Ключ гаечный кольцевой 19 мм (14)

Болты крепления должны быть затянуты

 

Возможный сопутствующий ремонт:

 

 

 

 

 

- замена болтов.

 

КОРОБКА ПЕРЕДАЧ

 

 

 

 

 

14

Проверить состояние и действие троса крана управления делителем

В кабине

1

6,1/3

Отвертка 8 мм (32), плоскогубцы (35), ключи гаечные открытые 13 и 19 мм (12, 14), линейка измерительная (63)

См. примечание

Примечание.

Проволока троса должна перемещаться в оболочке легко и без заеданий. При нажатии на педаль сцепления после смены положения рычага управления тросом крана делителя (из верхнего положения рычага в нижнее или наоборот должен слышаться характерный щелчок (включение повышающей или понижающей передачи). При замене троса выступающая часть проволоки из оплетки при вытянутой проволоке троса должна быть равной 26 мм (рис. 9)

 

Возможный сопутствующий ремонт:

 

 

 

 

 

 

- замена жилки троса крана;

 

 

 

 

 

 

- замена троса крана;

 

 

 

 

 

 

- замена уплотнительных колец золотника крана управления делителем;

 

 

 

 

 

 

- замена переключателя крана управления делителем;

 

 

 

 

 

 

- замена разрушенного наконечника рычага переключения передач

 

 

 

 

 

15

Проверить герметичность коробки передач

Снизу

1

1,7/3

Ключ гаечный открытый 19 мм (14)

В местах соединений не должно быть следов подтеканий. Наиболее часто отмечается течь из-под прокладки задней крышки промвала в результате ее разрушения

Рис. 9.

Трос переключения крана управления делителем.

 

Возможный сопутствующий ремонт:

 

 

 

 

 

 

- замена прокладки крышки задней опоры промежуточного вала;

 

 

 

 

 

 

- замена прокладки крышки люка;

 

 

 

 

 

 

- замена прокладки под задней опорой промежуточной тяги рычага управления коробки передач.

 

 

 

 

 

16

Отрегулировать зазор между торцем крышки и ограничителем хода штока клапана управления делителем (рис. 10)

Снизу и в кабине

1

4,3

Набор щупов № 4 (55), отвертка 8 мм (32), два ключа гаечных открытых 19 мм (14)

См. примечание

Рис. 10

Регулировка зазора на клапане управления делителем.

Примечание.

Работа выполняется двумя исполнителями. Зазор должен быть в пределах 0,2 - 0,6 мм. Регулировку проводить при давлении в пневмосистеме не менее 0,6 МПа (6 кГс/см2). Последовательность регулировки: отвернуть гайки упора штока клапана, расположенные на штоке цилиндра выключения сцепления. Снять резиновый пылепредохранитель с крышки и штока клапана; выжать до упора педаль сцепления; подвести упор клапана выключения до соприкосновения со штоком клапана и дополнительно переместить его в сторону штока клапана, обеспечив зазор между торцем крышки клапана и ограничителем хода штока клапана 0,2 - 0,6 мм. Упор клапана закрепить в указанном положении гайками и стопорными шайбами. Надеть резиновый пылепредохранитель на шток и корпус клапана.

 

Возможный сопутствующий ремонт:

 

 

 

 

 

 

- замена пылепредохранителя штока клапана;

 

 

 

 

 

 

- замена упора штока клапана;

 

 

 

 

 

 

- замена клапана.

 

 

 

 

 

17.

Закрепить поддерживающую опору десятиступенчатой коробки передач к коробке и раме

Снизу

8

2,4/3

Ключи гаечные открытые 17 и 22 мм (14, 15)

См. примечание

Примечание

Поддерживающая опора крепится при помощи двух болтов к лонжеронам рамы и через резиновую подушку соединена с кронштейном на коробке. Резиновая подушка при помощи хомута и двух болтов крепится к поперечине. Кронштейн крепится четырьмя болтами к коробке, а вторым концом опирается на подушку. При выполнении работы наиболее часто отмечается ослабление болтов крепления поддерживающей опоры к лонжеронам рамы.

 

Возможный сопутствующий ремонт:

 

 

 

 

 

 

- замена гайки и болта крепления поддерживающей опоры к лонжеронам (при утере).

 

 

 

 

 

 

КАРДАННАЯ ПЕРЕДАЧА

 

 

 

 

 

18

Проверить состояние и люфт в шарнирах карданных валов, устранить неисправности (рис. 11.)

Снизу

4

6,0/3

Ключи гаечные открытые 13, 19, 22 и 24 мм (12, 14, 15)

При качании руками в радиальном направлении фланцев карданного вала в шарнирах карданной передачи не должно быть ощутимого люфта. При наличии люфта шарнир заменить.

Рис. 11.

Проверка люфта в шарнирах карданного вала.

 

Возможный сопутствующий ремонт:

 

 

 

 

 

 

- замена болтов крышек подшипников шарниров,

 

 

 

 

 

 

- замена шарнира карданного вала;

 

 

 

 

 

 

- замена карданного вала

 

 

 

 

 

19

Закрепить фланцы карданных валов

Снизу

16

3,3/3

Ключи гаечные открытые 19, 22 и 24 мм (14, 15) ключ динамометрический (56)

Момент затяжки болтов соединения фланцев переднего карданного вала 120 - 140 н. м (12 - 14 кГсм), заднего кардана 80 - 90 н. м (8 - 9 кГсм;

 

Возможный сопутствующий ремонт:

 

 

 

 

 

 

- замена гаек и болтов крепления фланцев карданного вала

 

 

 

 

 

 

ВЕДУЩИЕ МОСТЫ

 

 

 

 

 

20

Проверить герметичность среднего и заднего мостов

Снизу

2

1,2/3

Ключи гаечные открытые 19, 22 и 24 мм (14, 15 головка сменная 41 мм (92), вороток (30), пассатижи (34), молоток (36), зубило (38)

Не должно быть следов подтеканий масла

 

Возможный сопутствующий ремонт:

 

 

 

 

 

 

- замена манжеты;

 

 

 

 

 

 

- замена прокладки крышки стакана подшипников

 

 

 

 

 

 

ХОДОВАЯ ЧАСТЬ, ПОДВЕСКА, РАМА

 

 

 

 

 

21

Проверить осевой люфт буксирного прибора

Сверху

1

3,3

Ключи гаечные открытые 13 и 50 мм (12, 19) плоскогубцы (35), зубило (38), молоток (36)

Повреждение деталей буксирного прибора и ослабление из крепления не допускаются. При качании крюка руками в осевом направлении люфт не допускается.

 

Возможный сопутствующий ремонт:

 

 

 

 

 

 

- замена буфера буксирного прибора;

 

 

 

 

 

 

- установка регулировочной прокладки;

 

 

 

 

 

 

- замена крюка буксирного прибора.

 

 

 

 

 

22

Проверить состояние амортизаторов (внешним осмотром)

Сверху, кабина в поднятом положении

2

0,7/3

Ключ гаечный открытый 24 мм (15)

На корпусах амортизаторов не должно быть трещин, вмятин и следов подтеканий жидкости. Не допускается значительный износ втулок амортизатора

 

Возможный сопутствующий ремонт:

 

 

 

 

 

 

- замена амортизаторов;

 

 

 

 

 

 

- замена втулок опор амортизаторов.

 

 

 

 

 

23

Проверить состояние реактивных штанг (внешним осмотром)

Снизу

б

1,1/3

Ключ гаечный открытый 13 мм (12)

Штанги не должны иметь погнутостей, трещин и вмятин. Крышка и прокладка шарнира не должны быть разрушены

 

Возможный сопутствующий ремонт:

 

 

 

 

 

 

- замена крышки шарнира;

 

 

 

 

 

 

- замена прокладки крышки шарнира;

 

 

 

 

 

 

- замена болтов крепленая крышки.

 

 

 

 

 

24

Закрепить стремянки передних и задних рессор

Снизу и сверху

16

9,6/3

Головка сменная 32, 46 мм (91, 28), вороток (30), ключ мультипликатор (58) или электрогайковерт мод. И-322 (10)

Момент затяжки гаек стремянок задних рессор 450 - 500 н. м (45 - 50 КГсм) КамАЗ-5511 950 - 1050 н. м (95 - 105 кГсм); передних рессор 250 - 300 н. м (25 - 30 КГсм)

 

Возможный сопутствующий ремонт:

 

 

 

 

 

 

- замена гаек стремянок и стремянок рессор (при разрушении резьбы).

 

 

 

 

 

25

Закрепить болты отъемных ушков передних рессор

Снизу

6

0,5/3

Головки сменные 24 и 27 мм (26, 27), вороток (29, 30), ключ динамометрический (56)

Момент затяжки передних болтов 230 - 270 н. м (23 - 27 кГсм)

 

Возможный сопутствующий ремонт:

 

 

 

 

 

 

- замена гаек и болтов (при разрушении резьбы).

 

 

 

 

 

26

Закрепить стяжные болты клеммовых зажимов пальцев передних рессор

Снизу

4

1,4/3

Ключ гаечный открытый 22 мм (15), ключ динамометрический (56)

Момент затяжки болтов 80 - 100 . нм (8 - 10 кГсм)

 

Возможный сопутствующий ремонт:

 

 

 

 

 

 

- замена гаек и болтов (при разрушении резьбы).

 

 

 

 

 

27

Закрепить стяжные болты задних кронштейнов передних колес

Снизу

2

0,5/3

Ключ гаечный открытый 22 мм (15), ключ динамометрический (56)

Момент затяжки болтов 80 - 100 н. м (8 - 10 кГсм)

 

Возможный сопутствующий ремонт:

 

 

 

 

 

 

- замена гайки и стяжного болта (при разрушении резьбы)

 

 

 

 

 

28

При необходимости выполнить перестановку колес

Сверху справа и слева

 

25,0/2

Головка сменная 27 мм (27), ключ динамометрический (56), гайковерт для гаек колес мод. И-318 (8)

См. примечание

Примечание.

Перестановка колес выполняется при обнаружении значительного износа (ступенчатый износ) одного или обоих передних колес. Колеса, имеющие лучшее состояние, ставятся на переднюю ось. Момент затяжки гаек крепления колес: передних 210 - 260 н. м (21 - 26 кГсм) задних 250 - 300 н. м (25 - 30 кГсм), затяжку производить равномерно через одну гайку в два-три приема.

 

Возможный сопутствующий ремонт:

 

 

 

 

 

 

- замена гаек крепления колес (при разрушении резьбы);

 

 

 

 

 

 

- замена шпилек крепления колес (при разрушении резьбы);

 

 

 

 

 

 

замена клиньев крепления колес (при утере).

 

 

 

 

 

 

ПЕРЕДНЯЯ ОСЬ, РУЛЕВОЕ УПРАВЛЕНИЕ

 

 

 

 

 

29

Проверить шплинтовку гаек шаровых пальцев, сошки руля, рычагов поворотных кулаков (внешним осмотром)

Сверху кабина в поднятом положении

8

3,5/3

Плоскогубцы (35), зубило (38), молоток (36)

Отсутствие шплинтов не допускается

 

Возможный сопутствующий ремонт:

 

 

 

 

 

 

- замена шплинтов.

 

 

 

 

 

30

Проверить зазор в шарнирах рулевых тяг

Снизу и в кабине

4

2,9/4

Плоскогубцы (35), отвертка 8 мм (32), ключ гаечный кольцевой 36 мм (95), ключ гаечный открытый 65 мм (96), молоток (36), зубило (38)

См. примечание

Примечание.

Работа выполняется двумя исполнителями. Люфт в шарнирах не допускается. Шарниры продольной и поперечной рулевых тяг не регулируют. При наличии люфта шарниры необходимо заменить. Люфт в шарнирах рулевых тяг проверяют по относительному перемещению шаровых пальцев и наконечников или головок тяг при резком поворачивании рулевого колеса в обе стороны.

 

Возможный сопутствующий ремонт:

 

 

 

 

 

 

- замена шарниров рулевых тяг;

 

 

 

 

 

 

- замена шплинтов;

 

 

 

 

 

 

- замена прокладок крышек шарниров поперечной рулевой тяги.

 

 

 

 

 

31

Проверить зазор в шарнирах карданного вала руля

Спереди при поднятой передней панели и в кабине

1

0,5/4

-

См. примечание

Примечание.

Работа выполняется двумя исполнителями. Люфт в шарнирах не допускается. Люфт в шарнире проверяют по относительному перемещению крестовины относительно подшипников шарнира при резком поворачивании рулевого колеса в обе стороны. При наличии люфта шарнир необходимо заменить.

 

Возможный сопутствующий ремонт:

 

 

 

 

 

 

- замена шарнира карданного вала руля.

 

 

 

 

 

32

Проверить состояние шкворневых соединений (при вывешенных колесах) (рис. 2.)

Снизу

2

1,7/4

Подъемник электромеханический мод. П-128 (4), устройство для проверки радиальных зазоров в шкворневых соединениях (44), набор щупов № (54)

См. примечание

Рис. 12.

Проверка состояния шкворневых соединений.

Примечание.

Проверка радиального зазора в шкворневых соединениях выполняется в следующей последовательности: закрепить устройство на балке передней оси у колеса, установив ножку индикатора с натягом 2 - 3 мм на нижнем крае тормозного диска, и совместить нуль большой шкалы со стрелкой, Поднять переднюю ось автомобиля так, чтобы колеса не касались пола. По показаниям индикатора устройства определись зазор в шкворневом соединении. Радиальный зазор должен быть не более 0,10 мм, что соответствует показанию индикатора 0,2 мм. Зазор между балкой передней оси и верхней проушиной поворотного кулака с каждой стороны оси не должен превышать 0,4 мм.

33

Отрегулировать величину схождения передних колес (рис. 13)

Снизу

1

48,3/4

Линейка для проверки схождения передних колес мод. 2182 (45), ключ гаечный открытый 19 мм (14), ключ трубный (34), ключ динамометрический (56)

Схождение колес должно быть 1 - 3 мм (по ободам колес в горизонтальной плоскости, проходящей через оси колес). После регулировки момент затяжки гаек болтов наконечников должен быть равен 56 - 60 н.м (5,6 - 6,0 кГсм)

Рис. 13

Проверка схождения передвижных колес.

34

Проверить свободный ход рулевого колеса

В кабине

1

1,0/4

Прибор для проверки рулевого управления мод. К-187 (43)

См. примечание

Примечание.

Свободный ход рулевого колеса проверяют, установив передние колеса прямо на горизонтальной площадке. Свободный ход проверяется при работе двигателя на холостом ходу, поворачивая рулевое колесо в ту или другую сторону до начала поворота управляемых колес. Свободный ход рулевого колеса не должен превышать 25°. Осевое перемещение рулевого колеса не допускается.

35

Отрегулировать подшипники передних колес (при вывешенных колесах)

Сверху

2

8,8/4

Подъемник электромеханический мод. 128 (4), головка сменная 13 мм (23), вороток (29), ключ для гаек подшипников ступиц передних колес (41), ключ динамометрический (56)

См. примечание

Примечание.

Люфт подшипников ступиц передних колес не допускается. Подшипники ступиц следует регулировать в следующем порядке: вращая ступицу в обоих направлениях, затянуть гайку крепление подшипников до начала торможения ступицы. Отпустить гайку до совпадения штифта с большим отверстием в замковой шайбе. Затянуть контргайку крепления подшипников моментом 120 - 150 н. м (12 - 15 кГсм). Проверить вращение ступицы колеса, вращая ее в двух направлениях. Колеса со ступицами должны вращаться равномерно и легко.

 

Возможный сопутствующий ремонт:

 

 

 

 

 

 

- замена подшипников;

 

 

 

 

 

 

- замена прокладок крышек подшипников ступицы;

 

 

 

 

 

 

- замена болтов крепления крышки ступицы;

 

 

 

 

 

 

- замена гаек крепления подшипников;

 

 

 

 

 

 

- замена замковой шайбы,

 

 

 

 

 

 

ТОРМОЗНАЯ СИСТЕМА

 

 

 

 

 

36

Проверить работоспособность тормозной системы манометрами по контрольным выводам

Снизу, в кабине

7

23,2/3

Стенд (51)

См. примечание

Примечание.

Проверка работоспособности пневматического тормозного привода автомобиля производится с помощью штатных приборов в кабине водителя (двухстрелочный манометр, тормозное табло) и контрольных манометров по клапанам контрольного вывода, которые установлены во всех контурах тормозного привода, и соединительным головкам типа «Палм» и типа «А». Клапаны контрольного вывода расположены в следующих местах:

- контура привода рабочих тормозов передней оси - на клапане ограничителя давления;

- контура привода рабочих тормозов задней тележки - на левом (по ходу автомобиля) лонжероне рамы в зоне заднего моста;

- контура привода вспомогательного и запасного тормозов - на правом лонжероне рамы в зоне заднего моста и воздушном баллоне контура;

- контура привода вспомогательного тормоза и потребителей - в воздушном баллоне контура.

Проверку работоспособности следует производить после устранения утечек воздуха в пневмосистеме.

Последовательность проверки

1. Подсоединить контрольные манометры к клапанам контрольного вывода и соединительным головкам.

2. Запустив двигатель, заполнить воздухом пневмосистему. После срабатывания регулятора давления, давление во всех контурах тормозного привода и соединительной головке питающей магистрали двухпроводного привода должен находиться в пределах 0,62 - 0,75 МПа (6,2 - 7,5 КГс/см2). Давление в соединительной головке типа «А» должно находиться в пределах 0,48 - 0,53 МПа (4,8 - 5,3 кГс/см2). Контрольные лампы тормозного табло не должны гореть.

С погасанием последний лампы зуммер должен прекратить работу.

3. Нажать полностью педаль рабочих тормозов. Давление по двухстрелочному манометру в кабине водителя должно резко снизиться не более чем на 0,05 МПа (0,5 кГс/см2). При этом давление в клапане контрольного вывода контура привода рабочих тормозов передней оси в начале хода педали должно нарастать медленно, а при полностью нажатой педали - должно сравняться с давлением, показываемым верхней шкалой двухстрелочного манометра. Давление в клапане контрольного вывода контура привода рабочих тормозов среднего и заднего мостов (при полностью нажатой педали) должно быть не менее 0,25 МПа (2,5 кГс/см2) (для негруженого автомобиля). При поднятой вверх вертикальной тяге привода регулятора тормозных сил на величину статического хода (прогиба подвески 50 - 55 мм) давление в тормозных камерах задней тележки должно быть равным давлению, показываемому нижней шкалой двухстрелочного манометра. Давление в головке типа «А» должно снизиться до 0. Давление в головке типа «Палм» тормозной магистрали двухпроводного привода должно подняться до величины 0,62 - 0,75 МПа (6,2 - 7,5 кГс/см2),

4. Рукоятку крана обратного действия и ручным управлением привода стояночного тормоза установить в переднее фиксированное положение. Давление в клапане контрольного вывода контура привода стояночного и запасного тормозов должно быть равно давлению в воздушном баллоне контура) стояночного и запасного тормозов и находится в пределах 0,62 - 0,75 МПа (6,2 - 7,5 кГс/см2).

При этом:

- давление в соединительной головке типа «А» должно быть в пределах 0,48 - 0,53 МПа (4,8 - 5,3 кГс/см2)

- давление в соединительной готовке типа «Палм» тормозной магистрали двухпроводного привода должно быть равным 0.

5. Рукоятку крана обратного действие с ручным управлением стояночного и запасного тормозов поставить в заднее фиксированное положение.

При этом:

- должна гореть контрольная лампа в мигающем режиме;

- давление в клапане контрольного вывода контура привода стояночного и запасного тормозов и соединительной головке типа «А» должно снизиться до 0;

- давление в соединительной головке типа «Палм» тормозной магистрали двухпроводного привода должно находиться в пределах 0,62 - 0,75 МПа (6,2 - 7,5 КГс/см2).

6. При положении рукоятки крана (обратного действия с ручным управлением) в заднем фиксированном положении нажать кнопку аварийного растормаживания. При этом давление в клапане контрольного вывода контура привода стояночного и запасного тормозов должно быть равным давлению, показываемому двухстрелочным манометром в кабине водителя. Штоки тормозных камер должны убраться.

Отпустить кнопку аварийного растормаживания. Давление воздуха в полостях пружинных энергоаккумуляторов должно снизиться до 0.

7. Нажать на края вспомогательного тормоза. Штоки пневмоцилиндров управления заслонками моторного тормоза и выключения подачи топлива должны выдвинуться. При этом давление воздуха в тормозных камерах прицепа (полуприцепа) должны быть равным 0,06 МПа (0,6 КГс/см2).

8. В процессе проверки работоспособности пневмосистемы лампы тормозного табло должны загораться и должен начинать работу зуммер при падении давления в соответствующем контуре ниже 0,48 - 0,52 МПа (4,8 - 5,2 кГс/см2).

№ выполняемых работ

Наименование и содержание работ

Место выполнения работы

Кол-во мест или точек обслуживания

Трудоемкость (чел. мин/разряд)

Приборы, инструмент, приспособления, модель, тип

Технически требования и указания

37

Проверить шплинтовку пальцев штоков тормозных камер

Снизу

6

1,1/3

Плоскогубцы (35)

Отсутствие шплинтов не допускается

 

Возможный сопутствующий ремонт:

 

 

 

 

 

- замена шплинтов;

- установка пальца штока тормозной камеры (при утере)

38

Закрепить тормозные камеры и кронштейны тормозных камер

Снизу

6

9,5/3

Головка сменная 24 мм (26), вороток (29), ключ гаечный кольцевой 19 мм (20)

Гайки крепления должны быть затянуты до отказа

 

Возможный сопутствующий ремонт:

 

 

 

 

 

- замена тормозной камеры;

- замена трубок к тормозным камерам.

39

Отрегулировать положение педали тормоза относительно пола кабины, обеспечив полный ход рычага тормозного крана

В кабине и сверху при поднятой кабине

1

1,4/3

Линейка измерительная (63), плоскогубцы (35), отвертка 8 мм (32), ключи гаечные открытые 17 и 19 мм (14)

Двухсекционный тормозной кран полностью срабатывает при ходе рычага крана равным 26 мм. При этом полный ход педали тормоза до упора должен быть равен 100 - 130 мм свободный ход 15 - 25 мм. Замерить по верхнему краю педали

 

Возможный сопутствующий ремонт:

 

 

 

 

 

- замена шплинтов пальцев тяги привода тормоза (при разрушении).

 

ЭЛЕКТРООБОРУДОВАНИЕ

 

 

 

 

 

40

Внешним осмотром проверить состояние электропроводки

Снизу

1

3,5/3

Отвертка 6,5 мм (31), плоскогубцы (35), изолента, кусачки (37), нож (39)

См. примечание

Примечание.

При проверке состояния электропроводки снизу обратить внимание на надежность закрепления пучков электропроводки скобами к лонжеронам рамы. На пучке электропроводки не должно быть провисаний, потертостей, налипания комьев грязи и льда, особенно на проводах от общей соединительной колодки к задним фонарям и провода к датчикам давления в рабочих контурах и к датчику блокировки мостов.

 

Возможный сопутствующий ремонт:

 

 

 

 

 

 

- изоляция потертостей на проводах;

 

 

 

 

 

 

- установка отсутствующих скоб крепления пучков электропроводки;

 

 

 

 

 

 

- соединение оборванных проводов к датчикам и к задним фонарям.

 

 

 

 

 

41

Внешним осмотром проверить состояние и надежность крепления соединительных колодок выключателя; массы, привода спидометра, общих колодок задних фонарей и подфарников, датчиков давления 4-го контура и включения блокировки мостов

Снизу, сверху

6

6,9/3

Отвертка 6,5 мм (31), изолента кусачки (37), ключи гаечные открытые 22 и 24 мм (15)

См. примечание

Примечание.

Провода, подходящие к включателю массы, не должны быть оборваны. Соединительная колодка датчика спидометра, общие колодки к задним фонарям и подфарникам должны быть надежно соединены и закрыты резиновыми чехлами. Корпус и клеммы на датчиках давления в 4-ом контуре и включения блокировки мостов не должны быть разрушены. Клеммы проводов к датчикам должны быть закрыты резиновыми чехлами.

 

Возможный сопутствующий ремонт:

 

 

 

 

 

 

- замена датчика давления в 4-ом контуре;

 

 

 

 

 

 

- замена клемм проводов к датчикам давления в 4-ом контуре и включения блокировки мостов;

 

 

 

 

 

 

- замена отгнивших клемм на включателе массы;

 

 

 

 

 

 

- соединение напрямую проводов датчика спидометра (при отгнивании проводов от клемм);

 

 

 

 

 

 

- соединение напрямую проводов у общей соединительной колодки задних фонарей (при отгнивании проводов в соединении с клеммами);

 

 

 

 

 

 

замена датчика блокировки мостов.

 

 

 

 

 

42

Закрепить электропровода к выводам стартера

Снизу и сверху

2

0,8/3

Ключи гаечные открытые 17 и 19 мм (14)

Электропровода должны быть надежно закреплены

43

Отрегулировать направление светового потока фар (рис. 14)

Сверху

2

7,0/3

Отвертка 6,5 мм (31), рулетка (61)

См. примечание

Примечание.

Для регулировки света фар (см. рис. 14) установить автомобиль (без нагрузки и с нормальным давлением в шинах) на горизонтальной площадке на расстоянии 10 м от стены или вертикального экрана, размещенного в тени перпендикулярно продольной оси автомобиля. После этого необходимо выполнить следующее:

1. Провести линии: две вертикальные на расстоянии А, соответствующем межосевому расстоянию центров фар; эти линии должны быть на одинаковом расстоянии от вертикальной линии, перпендикулярной продольной оси автомобиля, горизонтальную на уровне высоты центров фар от земли; горизонтальную Б-Б на 300 мм ниже линии центров фар.

2. Включить ближний свет фар и установить оптические элементы, поворачивая винты вертикальной и горизонтальной регулировки так, чтобы:

- горизонтальная ограничительная линия освещенного и не освещенного участка совпадала с линией Б-Б;

- наклонные ограничительные линии, направленные вверх примерно под углом 15° исходили из точек Р (или вблизи от них) пересечения: вертикальных линий центров фар с горизонтальной линией Б-Б.

Максимально допустимое смещение точки перегиба световой границы от точки Р в наружную сторону не должно превышать 200 мм.

Рис. 14

Регулировка света фар.

№ выполняемых работ

Наименование и содержание работ

Место выполнения работы

Кол-во мест или точек обслуживания

Трудоемкость (чел. мин/разряд)

Приборы, инструмент, приспособления, модель, тип

Технические требования и указания

 

Возможный сопутствующий ремонт:

 

 

 

 

 

- замена элемента оптического;

- замена лампы фары.

44

Довести до нормы плотность электролита в аккумуляторных батареях

Справа

2

6,8/2

Ветошь (93), кислотостойкие перчатки (2), ключи гаечные открытые 14 и 17 мм (13), денсиметр (9), резиновая груша (9), емкость (9), вилка нагрузочная мод. ЛЭ-2 (9)

См. примечание

Примечание.

Плотность электролита полностью заряженной батареи должна быть: 1,27 г/см3 для центральных районов; 1,31 г/см3 - зимой в 1,27 г/см3 летом - для районов крайнего Севера; 1,25 г/см3 для южных районов (плотность электролита дана при 20 °С). Напряжение каждого элемента при полностью заряженной батарее должно быть 1,3 - 1,4 В в течение 5 сек. Разница напряжений отдельных элементов батареи не должна превышать 0,1 В.

 

Возможный сопутствующий ремонт:

 

 

 

 

 

 

- замена крышки аккумуляторных батарей;

 

 

 

 

 

 

- замена гайки крепления крышек аккумуляторных батарей;

 

 

 

 

 

 

- замена пробок аккумуляторных батарей;

 

 

 

 

 

 

- замена аккумуляторной батареи на резервную (подзарядка или ремонт аккумуляторной батареи);

 

 

 

 

 

 

- замена болтов крепления проводов к клеммам аккумуляторных батарей;

 

 

 

 

 

 

- замена боковых защитных накладок клемм аккумуляторных батарей

 

 

 

 

 

 

КАБИНА, ПЛАТФОРМА

 

 

 

 

 

45

Проверить состояние и действие упорно-ограничительного устройства кабины

Сверху, кабина в поднятом положении

1

3,0/3

Ключи гаечные открытые 10, 13, 14, 17 и 19 мм (11, 12, 13, 14), плоскогубцы (35)

См. примечание

Примечание.

Запорный механизм должен надежно удерживать кабину от самопроизвольного опрокидывания. Запорные крюки должны плотно прижимать кабину к ее рессорным опорам. Упорно-ограничительное устройство должно обеспечивать фиксацию кабины в поднятом положении. При проверке задорного устройства обратить внимание на целостность кронштейна лонжерона рамы запорного устройства, на состояние резиновой подушки опор и ее крепления, на крепление корпуса запорного устройства к кабине и целостность соединения усилителя кабины под кронштейн запорного устройства с кабиной.

 

Возможный сопутствующий ремонт:

 

 

 

 

 

 

- замена подушки запорного устройства;

 

 

 

 

 

 

- замена винта крепления подушки;

 

 

 

 

 

 

- замена кронштейна лонжерона рамы для крепления запорного устройства кабины;

 

 

 

 

 

 

- замена втулок амортизаторов запорного устройства;

 

 

 

 

 

 

- замена рессор запорного устройства.

 

 

 

 

 

46

Проверить работу стеклоочистителей

В кабине

2

8,3/3

Ключ гаечный открытый 11, 12, 19, 30 мм (12, 20, 22, 100)

См. примечание

Примечание.

При включении кранов стеклоочистителей, щетки должны перемещаться по стеклу без заеданий и остановок. Щетки должны прилегать плотно по всей длине кромки к поверхности ветрового стекла.

 

Возможный сопутствующий ремонт:

 

 

 

 

 

 

- замена щеток;

 

 

 

 

 

 

- замена поводков щеток;

 

 

 

 

 

 

- замена стеклоочистителей;

 

 

 

 

 

 

- замена крана управления стеклоочистителем.

 

 

 

 

 

47

Проверить состояние и действие замков дверей

В кабине и сбоку

2

6,8/3

Отвертка с крестообразным шлицем (97), плоскогубцы (35), ключ гаечный открытый 10 мм (11).

См. примечание

Примечание. При перемещении ручек замки должны работать плавно, без заеданий. Двери должны легко открываться и закрываться. Ручки открывания замков дверей должны быть зафиксированы на валах поводка привода замка двери. Замок должен запираться и отпираться ключом. Наиболее часто отмечаются разрушения шлицевой части внутренних ручек и изгиб тяги привода замка.

 

Возможный сопутствующий ремонт:

 

 

 

 

 

 

- замена внутренних ручек дверей (при разрушении шлицевой части);

 

 

 

 

 

 

- установка фиксаторов ручек (при утере);

 

 

 

 

 

 

- замена или рихтовка тяги привода замка;

 

 

 

 

 

 

- замена боковой панели (пластмассовой);

 

 

 

 

 

 

- установка вкладных гаек крепления боковой панели двери (при утере).

 

 

 

 

 

48

Проверить состояние сидений

В кабине

3

0,9/3

Плоскогубцы (35), отвертка 8 мм (32)

См. примечание

Примечание.

Обратить внимание на наличие шезового запора средней точки опоры подвижных рычагов сиденья водителя, на состояние полозьев сиденья водителя (разрушения), на наличие стяжки механизма продольного перемещения сиденья водителя, на разрушение по швам подушек сидений и подлокотников.

 

Возможный сопутствующий ремонт:

 

 

 

 

 

 

- установка оси и шезового запора подвижных рычагов сиденья (при утере);

 

 

 

 

 

 

- установка стяжки механизма продольного перемещения сиденья водителя;

 

 

 

 

 

 

- замена подушек сидений.

 

 

 

 

 

49

Проверить действие системы отопления и устройства для обдува ветрового стекла (в холодное время года)

В кабине

-

2,6/3

Отвертка 8 мм (32)

См. примечание

Примечание.

Рычаги управления краном отопителя и заслонками воздухораспределителя должны перемещаться без заеданий. Концы проволоки тросов должны быть соединены с рычагами крана отопителя и заслонок. При проверке наиболее часто отмечается тугое с заеданием перемещение проволоки троса управления краном отопителя и утеря наконечников рычагов управления.

 

Возможный сопутствующий ремонт:

 

 

 

 

 

 

- установка наконечников рычагов управления краном отопителя и заслонками

воздухораспределителя (при утере);

 

 

 

 

 

 

- замена троса управления краном отопителя;

 

 

 

 

 

 

- установка прижима оболочки тросов;

 

 

 

 

 

 

- замена крана отопителя;

 

 

 

 

 

 

- замена включателя электродвигателя отопителя.

 

 

 

 

 

50

Проверить целостность сварного соединения кронштейна в стыке составных крыльев

Справа и слева

2

9,0/3

-

См. примечание

Примечание.

Обратить внимание на соединение кронштейна с крылом. Отмечается вырыв крыла по точкам сварки в соединении с кронштейном. При разрушении соединения кронштейна с крылом соединить подкрылок и крыло при помощи сквозного болта или наложить и приварить сплошную накладку на соединение подкрылка и крыла кабины.

 

Возможный сопутствующий ремонт:

 

 

 

 

 

 

- установка сквозного болта или приварка накладки на соединение составных крыльев кабины.

 

 

 

 

 

51

Проверить состояние платформы

Справа, слева и сзади

 

0,6/3

 

См. примечание

Примечание.

При проверке обратить внимание на наличие шплинтов и шайб крепления бортов платформы, на состояние крепления откидных стоек бортов, на состояние хомутов запоров бортов у средних стоек, на состояние крепления (отрыв по сварке) навесных петель бортов и осей навесных петель.

Не должно быть сплошных разрывов бортов, сильных вмятин и изгибов.

 

Возможный сопутствующий ремонт:

 

 

 

 

 

 

- установка шплинтов и шайб на оси крепления петли борта платформы;

 

 

 

 

 

 

- регулировка запоров бортов;

 

 

 

 

 

 

- замена ограничительного буфера борта платформы;

 

 

 

 

 

 

- замена борта.

 

 

 

 

 

52

Проверить состояние и действие стеклоподъемников дверей кабины

В кабине

2

4,3/3

Отвертка с крестообразным шлицем (97), ключ гаечный открытый 10 мм (11)

При вращении ручек стекла дверей кабины должны подниматься и опускаться плавно, без заеданий. Ручки должны быть закреплены.

 

Возможный сопутствующий ремонт:

 

 

 

 

 

 

- замена ручек стеклоподъемников (при отрыве шлицевой части);

 

 

 

 

 

 

- замена фиксатора ручек (при утере);

 

 

 

 

 

 

- замена стеклоподъемника.

 

 

 

 

 

53

Закрепить рессоры и амортизаторы задней опоры кабины (рис. 15.)

Сверху

2

2,4/3

Ключи гаечные открытые

См. примечание

Рис. 15.

Крепления рессоры и задних опор кабины.

1 - кронштейн лонжерона; 2 - листовая рессора; 3 - гайки стремянки; 4 - амортизатор.

Примечание.

При проверке крепления рессор обратить внимание на отсутствие трещин на кронштейне лонжерона, к которому крепится рессора. При проверке крепления амортизаторов обратить внимание на состояние втулок опор. Ослабление крепления гаек стремянок рессор и амортизаторов не допускается.

 

Возможный сопутствующий ремонт:

 

 

 

 

 

 

- замена гаек стремянок;

 

 

 

 

 

 

- замена стремянки и болта крепления рессоры задней опоры кабины;

 

 

 

 

 

 

- замена кронштейна лонжерона рамы крепления рессоры задней опоры кабины.

 

 

 

 

 

54

Закрепить оси опор торсионов

Сверху, кабина в поднятом положении

2

2,8/3

Ключи гаечные открытые 19 и 22 мм (14, 15)

Ослабление гаек крепления и осей опор торсионов не допускается

 

Возможный сопутствующий ремонт:

 

 

 

 

 

 

- установка гайки крепления оси (при утере).

 

 

 

 

 

55

При необходимости отрегулировать положение рычагов торсионных валов (рис. 16)

Сверху, кабина в поднятом положении

2

6,7/3

Плоскогубцы (35), молоток (36), ключи гаечные открытые 19 и 22 мм (14, 15), отвертка 8 мм (32)

См. примечание

Примечание.

Угол закручивания торсионов следует регулировать, если слишком велико условие, необходимое для опрокидывания или опускания кабины одним человеком. Угол закручивания торсионов регулируется перестановкой рычага на шлицевом конце торсиона, а так же перестановкой оси опоры рычага торсиона. При перестановке рычага торсиона на один зуб угол закручивания меняется на 7°30’, при перестановке оси опоры торсиона угол закручивания меняется на 3°45’. При установке рычагов с новыми торсионами метки на торцах торсионов и рычагов должны совпадать. Для регулировки угла закручивания торсионов необходимо кабину опрокинуть на 60° (второе фиксированное положение кабины), освободив торсионы от нагрузки, При этом передняя панель должна быть откинута, а также должны быть сняты фары либо буфер. Иначе сминается передняя панель и разрушаются стекла фар. При регулировке угла перестановкой осей опор торсионов необходимо для увеличения угла переставить оси опор торсионов из верхних отверстий в нижнее, а для уменьшения угла сделать наоборот. При регулировке угла закручивания перестановкой рычагов торсионов необходимо предварительно ослабить гайки стяжных болтов; и переставить рычаги на требуемое количество шлицов (для увеличения угла закручивания - ближе к опорам). При этом оба рычага смещать на одинаковое число шлицов относительно меток. После перестановки рычагов следует затянуть гайки стяжных болтов

Рис. 16.

Регулировка положения рычагов торсионов кабаны.

Ограничитель подъема кабины

1 - стяжной болт; 2 - рычаг торсиона; 3 - торсион.

 

Возможный сопутствующий ремонт:

 

 

 

 

 

 

- замена резиновых втулок валов торсионов;

 

 

 

 

 

 

- замена опор рычагов торсионов;

 

 

 

 

 

 

- замена осей опор рычагов торсионов;

 

 

 

 

 

 

- замена торсионов.

 

 

 

 

 

 

СМАЗОЧНЫЕ, ОЧИСТИТЕЛЬНЫЕ И ЗАПРАВОЧНЫЕ РАБОТЫ

 

 

 

 

 

56

Заменить масло в системе смазки двигателя

Сверху и снизу

1

17,4/1

Ключ гаечный открытый 27 мм (16), маслораздаточная колонка мод. 367МЗ (64), ветошь (93), воронка для слива масла (70)

 

Примечание.

Для смены масла в двигателе необходимо: прогреть двигатель, слить отработавшее масло из поддона картера. После слива масла завернуть пробку в поддоне, залить в двигатель необходимое количество свежего масла и запустить двигатель на 3 - 4 мин, чтобы заполнить систему смазки маслом; остановить двигатель и через 4 - 5 мин долить масло до метки В указателя уровня масла.

 

Возможный сопутствующий ремонт:

 

 

 

 

 

 

- замена прокладки;

 

 

 

 

 

 

- замена сливной пробки поддона;

 

 

 

 

 

 

- установка крышки маслоналивного патрубка (при утере)

 

 

 

 

 

57

Заменить фильтрующие элементы масляного фильтра

Снизу

2

14,0/1

Ключ гаечный кольцевой 19 мм (20), ветошь (93)

 

 

Возможный сопутствующий ремонт:

 

 

 

 

 

 

- замена прокладки колпака фильтра;

 

 

 

 

 

 

- замена прокладки уплотнительной чашки масляного фильтра.

 

 

 

 

 

58

Заменить фильтрующие элементы фильтра тонкой очистки топлива

Сверху

2

13,0/1

Ключ гаечный кольцевой 19 мм (20)

 

 

Возможный сопутствующий ремонт:

 

 

 

 

 

 

- замена прокладки колпака фильтра.

 

 

 

 

 

59

Промыть фильтр центробежной очистки масла

Сверху

1

18,3/1

Ключи гаечные кольцевые 19 и 22 мм (20, 21), ванна для промывки (71), ветошь (93)

См. примечание

Примечание:

Необходимо выполнить следующее:

- отвернуть гайку крепления колпака фильтра и снять колпак;

- повернуть ротор вокруг оси так, чтобы стопорные пальцы вошли в отверстие ротора, и застопорить ротор;

- отвернуть гайку крепления колпака ротора и снять колпак;

- удалить с ротора и колпака ротора осадок, промыть колпак дизельным топливом;

- собрать фильтр в последовательности обратной разборке, обратив внимание на совпадение установочных рисок на колпаке и роторе.

 

Возможный сопутствующий ремонт:

 

 

 

 

 

 

- замена прокладки колпака корпуса фильтра.

 

 

 

 

 

60

Промыть фильтр грубой очистки топлива

Сверху слева

1

24,6/1

Головка сменная 13 мм (23), вороток (29), ванна для промывки

(71), пистолет для обдува деталей сжатым воздухом мод. 199 (69), ветошь (93)

См. примечание

Примечание.

При промывке фильтра грубой очистки топлива необходимо выполнить следующие работы: отвернуть 4 болта крепления колпака к крышке и снять колпак; промыть внутреннюю полость колпака дизельным топливом и продуть сжатым воздухом. Вывернуть фильтрующий элемент из крышки, промыть сетку фильтрующего элемента дизтопливом и продуть сжатым воздухом. Завернуть на место фильтрующий элемент, закрепить болтами колпак фильтра и убедиться в отсутствии подсоса воздуха через фильтры на работающем двигателе.

 

Возможный сопутствующий ремонт:

 

 

 

 

 

 

- замена прокладки колпака корпуса фильтра;

 

 

 

 

 

 

- замена сетки фильтрующего элемента (при разрушении);

 

 

 

 

 

 

- замена болтов крепления колпака.

 

 

 

 

 

61

Промыть фильтр насоса гидроусилителя рулевого управления

Сверху, кабина в поднятом положении

1

5,0/2

Ключи гаечные открытые 13 и 17 мм (12, 14) ванна для промывки

(78), пистолет для обдува деталей сжатым воздухом (69)

Фильтры насоса гидроусилителя промывать в бензине, а в случае значительного засорения их необходимо промыть растворителем для нитрокрасок

 

Возможный сопутствующий ремонт:

 

 

 

 

 

 

- замена прокладки крышки насоса гидроусилителя;

 

 

 

 

 

 

- замена крышки насоса гидроусилителя;

 

 

 

 

 

 

- замена фильтрующего элемента.

 

 

 

 

 

62

Очистить бумажный элемент второй ступени воздушного фильтра

Сверху

1

8,6/1

Пистолет для обдува деталей сжатым воздухом мод 199 (69), ванна для промывки фильтров (98)

См. примечание

Примечание.

Для обслуживания фильтрующего элемента необходимо снять крышку, отвернуть гайку крепления и вынуть элемент из корпуса фильтра. При наличии на картоне элемента пыли без копоти и грязи - обдуть сжатым воздухом, давление не более 0,2 - 0,3 МПа (2 - 3 кГс/см2) до полного удаления пыли. Если обдув не эффективен, промыть в растворе стиральных порошков бытового назначения. Раствор приготавливают из расчета 20 - 25 г на 1 л. воды. После промывки элемент прополоскать в чистой воде и просушить.

Перед постановкой осмотреть фильтр. Фильтр с рваными или потертыми шторами, деформированными торцевыми поверхностями, с рваными уплотнительными кольцами ставить запрещается.

 

Возможный сопутствующий ремонт:

 

 

 

 

 

 

- замена крышки колпака воздушного фильтра (при смятии);

 

 

 

 

 

 

- замена фильтра.

 

 

 

 

 

63

Смазать подшипник муфты выключения сцепления

Снизу

1

0,3/2

Солидолонагнетатель мод. 390М (66) или солидолонагнетатель мод. 142 (68)

Смазывать через пресс-масленку, сделав не более 2 - 3 ходов при смазке ручным шприцем, и не более 1 - 2 сек при смазке солидолонагнетателем

 

Возможный сопутствующий ремонт:

 

 

 

 

 

 

- установка пресс-масленки (при утере).

 

 

 

 

 

64

Смазать подшипники вала вилки выключения сцепления

Снизу

2

1,0/2

Солидолонагнетатель мод. 390М (66), или солидолонагнетатель мод. 142 (68)

Смазывать через пресс-масленку, сделав шприцем не более 3-х ходов и не более 1-2 сек при смазке солидолонагнетателем

65

Смазать сферическую опору промежуточной тяги управления коробки передач

Сверху

1

0,4/2

Солидолонагнетатель мод. 390М (66)или солидолонагнетатель мод. 142 (68)

Смазывать до выдавливания смазки из зазоров

 

Возможный сопутствующий ремонт:

 

 

 

 

 

 

- замена пресс-масленки.

 

 

 

 

 

66

Смазать шарниры карданных валов среднего и заднего мостов

Снизу

4

6,0/2

Солидолонагнетатель мод. 390М (66) или солидолонагнетатель мод. 142 (68)

Смазывать через пресс-масленки до выдавливания смазки из-под кромок четырех шипов крестовин

 

Возможный сопутствующий ремонт:

 

 

 

 

 

 

- замена пресс-масленки.

 

 

 

 

 

67

Смазать клеммы и перемычки аккумуляторных батарей

Сверху

2

4,0/2

Ветошь (93), лопатка деревянная (96)

Смазывать тонким слоем

68

Смазать стебель крюка буксирного прибора

Снизу

2

1,0/2

Солидолонагнетатель мод. 390М (66)

Смазывать до выдавливания смазки из зазоров

 

Возможный сопутствующий ремонт:

 

 

 

 

 

 

- замена пресс-масленок.

 

 

 

 

 

69

Довести до нормы уровень масла в картере коробки передач (рис. 17)

Снизу

1

2,8/1

Ключ гаечный открытый 27 мм (16), ветошь (93)

Для проверки уровня масла в картере коробки передач отвернуть заливную пробку со щупом уровня масла Уровень масла должен быть на уровне верхней метки щупа при вывернутой пробке.

 

Возможный сопутствующий ремонт:

 

 

 

 

 

 

- замена прокладки пробки.

 

 

 

 

 

Рис. 17.

Контроль уровня масла в коробке передач.

70

Проверить уровень масла в картерах ведущих мостов

Снизу

2

3,3/1

Ключи гаечные открытые 14 и 24 мм (13, 15), ветошь (93)

Уровень масла должен быть у нижней границы контрольного отверстия

71

Проверить уровень жидкости в главном цилиндре привода сцепления

В кабине

1

4,2/1

Ветошь (93), кружка (84), линейка измерительная (63)

Уровень должен быть на 10 - 15 мм ниже края заливного отверстия главного цилиндра сцепления

72

Очистить от грязи сапуны коробки передач и мостов

Снизу

3

18,0/1

Ветошь (93), проволока ш2 мм, ключи гаечные открытые 27 мм (16) или 11 мм (100)

Сапуны должны быть чистыми. Головка сапуна должна легко вращаться от руки.

 

Возможный сопутствующий ремонт:

 

 

 

 

 

 

- замена сапунов.

 

 

 

 

 

73

Слить отстой из пневматического усилителя сцепления

Снизу

1

1,9/1

Ключ гаечный открытый 14 мм (13)

Вывернуть пробку и слить отстой

 

ДОПОЛНИТЕЛЬНЫЕ РАБОТЫ ПО САМОСВАЛУ КАМАЗ-5611

 

 

 

 

 

74

Проверить состояние и работу крана управления и клапана ограничения подъема платформы

Сверху

 

2,2/3

Ветошь (93), ключи гаечные открытые 17 мм (14)

См. примечание

Примечание.

Утечка воздуха не допускается. Утечку определяют на слух. Клапан ограничения должен быть надежно закреплен на кронштейне поперечины надрамника. Шток клапана не должен быть искривлен. Течь масла из-под уплотнений штока и по резьбовым соединениям трубопроводов не допускается. Регулировочный винт должен быть надежно застопорен контргайкой

 

Возможный сопутствующий ремонт:

 

 

 

 

 

 

- замена диафрагмы крана управления;

 

 

 

 

 

 

- замена возвратных пружин крана управления;

 

 

 

 

 

 

- промывка крана управления.

 

 

 

 

 

75

Проверить стрелу прогиба страховочного троса подъема платформы (рис. 18)

Сверху

-

0,5/2

Ключи гаечные открытые 13 и 14 мм (12, 13), линейка измерительная (63)

См. примечание

Рис. 18.

Регулировка стрелы прогиба страховочного троса.

1 - трос; 2 - зажим; 3 - стопорный палец.

Примечание.

Стрела прогиба страховочного троса долина быть равной 35 - 50 мм. Регулировка осуществляется ослаблением затяжки зажимов троса. Трос не должен иметь разрывов прядей.

 

Возможный сопутствующий ремонт:

 

 

 

 

 

 

- замена стяжного хомута зажима троса;

 

 

 

 

 

 

- замена гаек стяжного хомута (при повреждении резьбы).

 

 

 

 

 

76

Закрепить передние кронштейны надрамника

Справа и слева

4

6,0/3

Ключ гаечный открытый 19 мм (14), головка сменная 19 мм (25), вороток (29)

Болты и гайки должны быть затянуты.

 

Возможный сопутствующий ремонт:

 

 

 

 

 

 

- замена гаек и болтов (при повреждении резьбы).

 

 

 

 

 

77

Закрепить стяжные болты надрамника

Справа и слева

8

4,9/3

Ключ гаечный открытый 24 мм (15), головка сменная 24 мм (26), вороток (29)

Болты и гайки должны быть затянуты

 

Возможный сопутствующий ремонт:

 

 

 

 

 

 

- замена гаек и болтов (при повреждении резьбы)

 

 

 

 

 

78

Закрепить ловитель-амортизатор

Сверху

4

1,7/3

Головка сменная 24 мм (26), вороток (29)

Болты должны быть затянуты

 

Возможный сопутствующий ремонт:

 

 

 

 

 

 

- замена болтов (при повреждении резьбы)

 

 

 

 

 

79

Закрепить амортизаторы платформы

Справа и слева

6

2,2/3

Головка сменная 19 мм (25), вороток (29)

Гайки должны быть затянуты

 

Возможный сопутствующий ремонт:

 

 

 

 

 

 

- замена гаек (при повреждении резьбы)

 

 

 

 

 

80

Закрепить коробку отбора мощности

Снизу

6

0,6/3

Ключ гаечный открытый 19 мм (14)

См. примечание

Примечание.

Болты (4 шт.) и гайки (2 шт.) должны быть затянуты. Течь через уплотнительные прокладки не допускается. В случае замены прокладок (с их помощью регулируют зацепление шестерен) их общая толщина должна быть сохранена.

 

Возможный сопутствующий ремонт:

 

 

 

 

 

 

- замена болтов и гаек (в случае повреждения резьбы),

 

 

 

 

 

 

- замена уплотнительных прокладок

 

 

 

 

 

81

Закрепить масляный насос

Снизу

4

0,5/3

Ключ гаечный открытый 17 мм (14), головка сменная 17 мм, вороток (29)

Болты и гайки должны быть затянуты

 

Возможный сопутствующий ремонт:

 

 

 

 

 

 

- замена гаек (при повреждении резьбы).

 

 

 

 

 

82

Слить отстой из гидроцилиндра механизма опрокидывания платформы

Сверху

 

67,2/4

Ключи гаечные открытые 17, 24, 27 и 36 мм (14, 15, 16, 17), отвертка 8 мм (32), плоскогубцы (35), молоток (36), зубило (38)

См. примечание

Примечание.

Для слива отстоя необходимо отсоединить шланг высокого давления и шаровую головку днища гидроцилиндра. Освободить полукольца от хомута, снять полукольца и вынуть днище гидроцилиндра.

При снятии и установке днища гидроцилиндра необходимо следить за сохранностью резинового кольца, установленного в канавке днища. Не должно быть подтеканий масла в соединениях шланга высокого давления.

 

Возможный сопутствующий ремонт:

 

 

 

 

 

 

- замена резинового кольца;

 

 

 

 

 

 

- замена шланга высокого давления.

 

 

 

 

 

 

ДОПОЛНИТЕЛЬНЫЕ РАБОТЫ ПО ТЯГАЧУ КАМАЗ-5410

 

 

 

 

 

 

83

Смазать седельное устройство и опорную плиту седельного устройства

Сверху

1

1,1/2

Лопатка деревянная (86), рукавица

Перечень регламентных работ для выполнения сезонного технического обслуживания автомобилей КамАЗ-5320, КамАЗ-5511, КамАЗ-5410

Трудоемкость работ КамАЗ-5320 - весной - 751,3 чел. мин. (12,52 чел. ч.); осенью - 1059,9 мел. мин. (17,66 чел. ч)

КамАЗ-5511 - весной - 751.3 чел. мин (12,52 чел. ч.); осенью - 1059,9 чел. мин (17,66 чел. ч)

КамАЗ-5410 - весной - 747,0 чел. мин (12,45 чел. ч); осенью - 1055,6 чел. мин (17,59 чел. ч.)

№ выполняемых работ

Наименование и содержание работ

Место выполнения работы

Кол-во мест или точек обслуживания

Трудоемкость

чел. мин/разряд

Приборы, инструмент, приспособления, тип

Технические требования и указания

1

Вымыть автомобиль

Сверху и снизу

 

72,0/1

Установка для мойки автомобилей, щеточно-струйная мод. М-127 (1) или установка для мойки автомобилей струйная мод. М-129 (2), установка моечная шланговая мод. М-125 (3)

См. примечание

Примечание.

Особо тщательно моются: радиаторы масляный и водяной, двигатель, коробка передач с картером сцепления, карданные валы, колеса, мосты, рама, реактивные штанги, башмаки балансирной подвески, крышка гнезда аккумуляторной батарея в дистанционный выключатель массы, регулятор давления воздуха, стартер, а также поверхности платформы, кабины и узлов, готовящихся к покраске.

 

ДВИГАТЕЛЬ

 

 

 

 

 

2

Проверить герметичность системы питания воздухом (рис. 19)

Сверху, кабина в поднятом положении

 

25,0/4

Секундомер (59)

См. примечание

Рис. 19.

Проверка герметичности воздушного тракта системы питания.

1 - впускной трубопровод двигателя; 2 - воздухопровод впускного тракта двигателя; 3 - корпус воздушного фильтра; 4 - заглушка; 5 - манометр; 6 - кран; 7 - шланг подвода сжатого воздуха; 8 - кронштейн фильтрующего элемента; 9 - место установки дымообразователя.

Примечание.

Для проверки герметичности впускного тракта системы питания двигателя воздухом заключается в следующем. Снять фильтрующий элемент фильтра. Подготовить дымообразующий материал. В качестве дымообразователя рекомендуется порошок, которым заполнены дымовые шашки НДШ (ТУ-84-621-76), предназначенные для окуривания садов. В бумажный кулек, свернутый из половины тетрадного листа, поместить чайную ложку порошка. Кулек неплотно закрутить с обеих сторон, поджечь и, с появлением плотного белого дыма, разметить на кронштейне крепления фильтрующего элемента. Затем сразу же в корпус воздушного фильтра вместо снятого воздушного фильтра установить специальную заглушку (рис. 19б) с подсоединенными к ней манометром и шлангом для подвода сжатого воздуха согласно схеме (19а). После этого тщательно осмотреть весь впускной тракт и проследить выход дыма из неплотностей соединений при постепенном увеличении давления сжатого воздуха до 0,1 ÷ 0,2 кгс/см2 , но не более 0,2 кгс/см2. Если дым не выходит через 3 минуты с момента подачи воздуха - выпускной тракт герметичен. Сжатый воздух можно подводить от ресиверсов автомобиля при помощи шланга через контрольные выводы. Можно так же использовать обычный насос для накачки шин легковых автомобилей. Перед установкой на автомобиль фильтрующего элемента воздушного фильтра его необходимо тщательно осмотреть с подсвечиванием изнутри электролампой. При этом необходимо убедиться в отсутствии разрывов, сквозных отверстий и других повреждений фильтрующей шторы. Повреждение штор фильтрующего элемента можно обнаружить также по налету пыли на внутренних его поверхностях. При внешнем осмотре надо обратить внимание на качество проклейки уплотнительных резиновых колец. Также не допускать к установке на автомобиль фильтрующие элементы с деформированными торцевыми крышками и наружными кожухами.

 

Возможный сопутствующий ремонт:

 

 

 

 

 

 

- затяжка хомутов соединительных патрубков;

 

 

 

 

 

 

- замена разрушенных соединительных патрубков;

 

 

 

 

 

 

- установка болтов хомутов крепления топливных трубок и пробок воздушных коллекторов (в случае утери).

 

 

 

 

 

3

Проверить герметичность крана включателя гидромуфты

Сверху, кабина в поднятом положении

1

2,0/4

Ключ гаечный открытый 10 мм (11), отвертка 8 мм (32)

Подтекание масла из-под уплотнительных колец пробки крана включателя гидромуфты не допускается

 

Возможный сопутствующий ремонт:

 

 

 

 

 

 

- замена уплотнительного кольца пробки крана;

 

 

 

 

 

 

- замена прокладки корпуса включателя гидромуфты;

 

 

 

 

 

 

- замена крана включателя гидромуфты.

 

 

 

 

 

4

Проверить состояние резиновой подушки и регулировку положения поддерживающей опоры силового агрегата (рис. 20)

Снизу

 

 

Ключи гаечные открытые 19 и 22 мм (14, 15)

См. примечание

Примечание.

Кронштейн поддерживавшей опоры коробки передач должен находиться в середине резинового амортизатора. Верхняя и нижняя часть амортизатора не должны быть сняты. Амортизатор не должен иметь отслоений и разрушений резины. По мере усадки резиновых амортизаторов задних опор двигателя необходимо регулировать положение поддерживающей опоры силового агрегата, при помощи регулировочных накладок, устанавливаемых между поперечиной и кронштейнами на лонжеронах рамы.

 

Возможный сопутствующий ремонт:

 

 

 

 

 

 

- замена подушки поддерживающей опоры силового агрегата.

 

 

 

 

 

5

Закрепить радиатор

Снизу, сверху, кабина в поднятом положении

 

0,5/3

Ключи гаечные открытые 13, 17 и 19 мм (12, 14)

Гайки болтов крепления рамки подвески радиатора к раме, гайки нижней тяги крепления радиатора и болты крепления кронштейна тяги радиатора к поперечине рамы должны быть надежно закреплены

Рис. 20.

Регулировка поддерживающей опоры силового агрегата.

1 - кронштейн опоры; 2 - поперечная балка, 3, 8 - болты; 4 - регулировочные накладки; 5 - накладка подушки; 6 - резиновая подушка; 7 - обойма подушки.

 

Возможный сопутствующий ремонт:

 

 

 

 

 

 

- замена подушки подвески радиатора;

 

 

 

 

 

 

- замена буферов тяги крепления радиатора;

 

 

 

 

 

 

- замена тяги крепления рамки радиатора.

 

 

 

 

 

6

Закрепить насосный агрегат котел, патрубки и впускную трубу предпускового подогревателя

Сверху и снизу

4

1,2/3

Ключи гаечные открытые 13 и 17 мм (12, 14)

См. примечание

Примечание.

Гайки и болты крепления должны выть затянуты. Не должно быть следов подтеканий охлаждающей жидкости из-под соединительных патрубков.

 

Возможный сопутствующий ремонт:

 

 

 

 

 

 

- замена разрушенных хомутов и патрубков.

 

 

 

 

 

7

Закрепить фланцы приемных труб глушителя

Снизу

8

2,5/3

Ключ гаечный открытый 19 мм (14)

Гайки крепления должны быть затянуты до отказа. Прорыв отработавших газов в местах соединений не допускается

 

Возможный сопутствующий ремонт

 

 

 

 

 

 

- установка гаек (в случае утери);

 

 

 

 

 

 

- замена прокладки фланца (при прорыве газов).

 

 

 

 

 

8

Отрегулировать давление подъема игл форсунок

Сверху, кабина в поднятом положении и на стенде

 

58,3/4

Ключи гаечные открытые 13, 17, 19 мм (12, 14), стенд для проверки форсунок (49)

См. примечание

Примечание.

Давление подъема иглы не должно превышать 18 +0,5 МПа (180 +5 кгс/см2). После длительной работы форсунок на двигателе допускается снижение давления подъема иглы до 17 МПа (170 кгс/см2). Начало и конец впрыска должны быть четкими. Распылитель не должен иметь подтеканий. Впрыск должен сопровождаться характерным резким звуком. Замена одной какой-либо детали (корпуса распылителя или иглы) не допускается, так как они вместе составляют прецизионную пару. Регулировка выполняется на стенде при помощи установки регулировочных шайб под пружину при снятых гайке распылителя, распылителе, проставке и штанге. При увеличении общей толщины регулировочных шайб (увеличение сжатия пружины) давление подъема иглы повышается. Изменение толщины шайб на 0,05 мм приводит к изменению давления начала подъема иглы на 0,3 - 0,35 МПа (3 - 3,5 кгс/см2).

 

Возможный сопутствующий ремонт:

 

 

 

 

 

 

- замена форсунки;

 

 

 

 

 

 

- замена распылителя форсунки;

 

 

 

 

 

 

- замена трубки высокого давления от ТНВД до форсунки;

 

 

 

 

 

 

- замена прижима крепления форсунки;

 

 

 

 

 

 

- замена шпильки крепления форсунки.

 

 

 

 

 

9

Отрегулировать угол опережения впрыска топлива (рис. 20а)

Сверху и снизу

8

7,5/4

Ключи гаечные открытые 13 и 19 мм (12, 14), ключ гаечный кольцевой 19 мм (20), лопатка монтажная (40), моментоскоп (50), ломик для проворачивания коленчатого вала (94)

См. примечание

Рис. 20а

Моментоскоп

1 - стеклянная трубка; 2 - переходная трубка; 3 - отрезок топливопровода высокого давления; 4 - шайба; 5 - накидная гайка

Примечание.

Проверка и регулировка угла опережения впрыска топлива выполняется при помощи моментоскопа. Последовательность проверки и регулировку, угла опережения впрыска топлива следующая.

1. Отвернуть гайки крепления трубки высокого давления первого цилиндра, соединяющей секцию насоса, и снять трубку.

2. Подсоединить моментоскоп к штуцеру секции насоса.

3. Перевести рычаг останова топливного насоса в среднее положение.

4. Перевести рычаг управления регулятором в среднее положение и отпустить.

5. Прокачать систему питания двигателя топливом при помощи подкачивающего насоса. Для этого отвернуть рукоятку ручного подкачивающего насоса и, двигая ее вверх-вниз, прокачать систему в течение 2 - 3 мин. После этого завернуть рукоятку до упора.

6. Отвернуть болты крепления люка картера сцепления и снять люк.

7. Вращая коленчатый вал двигателя по часовой стрелке (если смотреть со стороны вентилятора), добиться появления топлива в стеклянной трубке моментоскопа.

8. Повернуть коленчатый вал на полтора оборота, перевести рукоятку фиксатора в глубокий паз и, медленно поворачивая коленчатый вал, добиться, чтобы фиксатор под действием пружины вошел в отверстие на маховике.

9. В случае несовпадения начала движения топлива в моментоскопе с положением фиксатора в отверстии маховика провести регулировку, выполнив следующие операции:

а/ ослабив два болта ведомой полумуфты привода, развернуть муфту в направлении, обратном ее вращению, до упора болтов в стенки пазов (вращение муфты правое, если смотреть со стороны привода);

б/ перевести рукоятку фиксатора в глубокий паз на корпусе фиксатора;

в/ вращая коленчатый вал двигателя по часовой стрелке, добиться, чтобы метка на ведущей полумуфте привода топливного насоса оказалась в верхнем положении. При этом фиксатор должен войти в отверстие в маховике;

г/ медленно поворачивая муфту опережения впрыска за ведомый фланец полумуфты привода в направлении вращения привода топливного насоса, внимательно следить за уровнем топлива в моментоскопе. В положении, соответствующем началу движения топлива в моментоскопе, закрепить стягивающие болты полумуфты.

10. Проверить точность установки угла опережения впрыска топлива. Для этого:

а/ поставить рукоятку фиксатора в мелкий паз;

б/ медленно повернуть коленчатый вал на полтора оборота;

в/ перевести рукоятку фиксатора в глубокий паз и, медленно поворачивая коленчатый вал, внимательно следить за уровнем топлива в стеклянной трубке моментоскопа;

г/ перевести рукоятку фиксатора в мелкий паз на корпусе фиксатора и заметить взаимное положение рисок на фланце и полумуфте привода.

11. Снять моментоскоп и подсоединить трубку высокого давления.

12. Установить люк картера сцепления на место и закрепить болтами.

13. Пустить двигатель и болтом ограничения минимальных оборотов отрегулировать обороты холостого хода.

 

Возможный сопутствующий ремонт:

 

 

 

 

 

 

- замена болтов крепления ТНВД;

 

 

 

 

 

 

- замена болтов крепления полумуфты привода;

 

 

 

 

 

 

- замена упругого элемента привода полумуфты;

 

 

 

 

 

 

- замена фиксатора маховика.

 

 

 

 

 

 

КОРОБКА ПЕРЕДАЧ

 

 

 

 

 

10

Закрепить рычаги тяг дистанционного управления коробкой передач (рис. 21)

Сверху, кабина в поднятом положении

12

4,6/3

Ключи гаечные открытые 13, 17 и 19 мм (12, 14), линейка измерительная (63)

См. примечание

Примечание.

Рычаги тяг и регулировочный фланец промежуточной тяги должны быть надежно закреплены. При ослаблении стяжных болтов регулировочного фланца возможно неполное включение передач, в результате проворачивания вала относительно регулировочного фланца. При ослаблении стяжных болтов необходимо отрегулировать рычаги тяг привода дистанционного управления коробкой передач в следующей последовательности. Перед регулировкой установить рычаг переключения передач в нейтральное положение. Затем ослабить стяжные болты регулировочного фланца, вывернуть четыре соединительных болта и вывернуть на 1 - 2 оборота регулировочный фланец на промежуточную тягу. Отвернуть контргайки установочных винтов, расположенных на переднем кронштейне привода и на опоре тяги рычага коробки передач. Застопорить тягу управления и рычага ввертыванием установочных винтов, совмещая их концы с отверстиями в тяге и головке рычага управления коробкой передач. Свертывая регулировочный фланец до соприкосновения его торца с торцом фланца штока рычага по всей плоскости, соединить их с помощью четырех соединительных болтов. Фланец закрепить на промежуточной тяге с помощью стяжного болта, затянуть его до отказа. Вывернуть на 31 мм установочный винт, расположенный на переднем кронштейне привода, а установочный винт, расположенный на опоре тяги - на 16 мм. После этого законтрить их контргайками.

Рис. 21

Привод управления механизмом переключения передач.

1 - рычаг переключения передач; 2 - тяга передняя; 3 - рычаг передней тяги; 4 - тяга промежуточная; 5 - болты стяжные; 6 - фланец стяжной регулировочный; 7 - болты соединительные; 8 - шток; 9 - рычаг штока; 10 - рычаг наконечника; 11, 14 - контргайки; 12, 15 - установочные винты; 13 - опора.

 

Возможный сопутствующий ремонт:

 

 

 

 

 

 

- замена установочного болта (при утере).

 

 

 

 

 

11

Закрепить фланец вторичного вала коробки передач

Снизу

1

0,4/3

Два ключа гаечных открытых 24 мм (15), головка сменная 46 мм (28), вороток (30), ключ динамометрический (56), зубило (38), молоток (36)

См. примечание

Примечание.

Ослабление гайки крепления фланца определяется покачиванием переднего конца не снятого с автомобиля карданного вала в радиальном направлении. При наличии перемещения фланца необходимо отсоединить кардан и затянуть гайку крепления фланца вторичного вала коробки передач с моментом 200 ÷ 250 н. м (20 - 25 кгс/м) и снова законтрить.

 

Возможный сопутствующий ремонт:

 

 

 

 

 

 

- замена фланца вторичного вала коробки передач;

 

 

 

 

 

 

- замена гайки крепления фланца;

 

 

 

 

 

 

- замена болта крепления фланцев карданного вала.

 

 

 

 

 

 

КАРДАННАЯ ПЕРЕДАЧА

 

 

 

 

 

12

Проверить люфт в шлицевых соединениях карданных валов

Снизу

2

4,3/3

Ключи гаечные открытые 19, 22 и 24 (14, 15)

При наличии значительного люфта и износа шлицевого соединения карданного вала его необходимо заменить

 

Возможный сопутствующий ремонт:

 

 

 

 

 

 

- замена болтов крепления фланцев карданных валов;

 

 

 

 

 

 

- замена карданного вала;

 

 

 

 

 

 

- замена крестовины карданного вала.

 

 

 

 

 

 

ВЕДУЩИЕ МОСТЫ, СТУПИЦЫ

 

 

 

 

 

13

Проверить работу механизма блокировки межосевого дифференциала мостов

В кабине

1

1,0/3

Кусачки (37), ключ открытый гаечный 24 мм (15)

При включении блокировки межосевого дифференциала должна загораться лампочка на щитке приборов

 

Возможный сопутствующий ремонт:

 

 

 

 

 

 

- замена датчика;

 

 

 

 

 

 

- замена лампочки;

 

 

 

 

 

 

- замена клемм проводок к датчику блокировки мостов (при их разрушении).

 

 

 

 

 

14

Проверить состояние подшипников ступиц колес (при снятых ступицах)

Сверху, справа и слева

12

12,0/4

Ванна для мойки деталей (71), ветошь (93)

На роликах и линзах подшипников не должно быть видимых раковин и трещин. Ролики не должны выпадать из сепараторов.

 

Возможный сопутствующий ремонт:

 

 

 

 

 

 

- замена подшипника.

 

 

 

 

 

15

Закрепить редукторы среднего и заднего мостов

Снизу

2

4,1/3

Ключ гаечный кольцевой 24 мм (21)

Гайки крепления должны быть затянуты. Ослабление гаек не допускается

 

Возможный сопутствующий ремонт:

 

 

 

 

 

 

- замена гаек крепления (при срыве резьбы).

 

 

 

 

 

16

Закрепить гайки фланцев валов ведущих шестерен среднего и заднего мостов (при наличии люфта)

Снизу

3

45,3/3

Ключи гаечные открытые 19, 22, 24 и 46 мм (14, 15, 18), ключ динамометрический (56), отвертка 8 мм (32), плоскогубцы (35), молоток (36), зубило (38)

Люфт определяется покачиванием фланцев карданов в радиальном направлении. При наличии люфта отсоединить кардан и закрепить гайку фланца вала ведущих шестерен мостов. Момент затяжки гаек 250 ÷ 300 н. м (25 - 30 кгс. м)

 

Возможный сопутствующий ремонт:

 

 

 

 

 

 

- замена болтов крепления фланцев карданного вала;

 

 

 

 

 

 

- замена гайки крепления фланца вала ведущей шестерни;

 

 

 

 

 

 

- замена шплинта гайки.

 

 

 

 

 

17

Проверить состояние тормозных барабанов, колодок, накладок, стяжных пружин и разжимных кулаков (при снятых ступицах) и устранить неисправности (рис. 22)

Сверху, справа и слева

6

20/3

Ключи гаечные открытые 12, 17, 19 и 22 мм (12, 14, 15), ключи гаечные кольцевые 19, 22 и 30 мм (20, 21, 22), ветошь (93), съемник колодок (99), щетка металлическая (89), скребок (85), ванна с керосином (71), молоток (36), лопатка монтажная (40)

См. примечание

Рис. 22.

Съемник тормозных колодок.

1 - палец; 2 - вороток; 3 - винт; 4 - пластина; 5, 7 - поперечина; 6 - стержень; 8 - труба.

Примечание.

Задиры и значительная выработка на рабочей поверхности тормозного барабана, а также ослабление его крепления не допускается. Тормозные фрикционные накладки не должны иметь сколов, трещин, выкрашиваний и износа, при котором до головок заклепок остается менее 1,0 мм. Посадочные места колодок на регулировочные опорные пальцы не должны быть изношены. Поломки стяжных пружин колодок не допускаются. При замене колодок перед их установкой следует смазать их оси солидолом. Попадание солидола на фрикционные накладки не допускается. Валы разжимных кулаков должны вращаться в кронштейнах свободно, без заеданий.

 

Возможный сопутствующий ремонт:

 

 

 

 

 

 

- замена тормозного барабана;

 

 

 

 

 

 

- замена стяжных пружин;

 

 

 

 

 

 

- замена колодок;

 

 

 

 

 

 

- замена фрикционных накладок;

 

 

 

 

 

 

- замена ролика;

 

 

 

 

 

 

- замена оси ролика колодки;

 

 

 

 

 

 

- замена оси колодки;

 

 

 

 

 

 

- замена накладки осей колодок;

 

 

 

 

 

 

- замена чеки оси колодки;

 

 

 

 

 

 

- замена пальца пружины колодки.

 

 

 

 

 

 

ХОДОВАЯ ЧАСТЬ, ПОДВЕСКА, РАМА

 

 

 

 

 

18

Проверить состояние рамы

Снизу

 

1,2/3

Молоток (36), переносная лампа (90)

См. примечание

Примечание.

Не допускается наличие трещин, разрывов, ослабление заклепок крепления деталей рамы, особенно в районе заднего буксирного прибора, передних буксирных крюков, кронштейнов балансирной подвески, поперечины у передних опор силового агрегата.

19

Проверить люфт в шарнирах реактивных штанг

Снизу

12

4,1/3

Ключ гаечный открытый 43 мм (12)

Люфт определяется при покачивании шарнира руками вдоль оси пальца. Перед проверкой люфта необходимо предварительно убедиться в целостности крышек шарниров

 

Возможный сопутствующий ремонт:

 

 

 

 

 

 

- замена крышки шарнира;

 

 

 

 

 

 

- замена прокладки крышки шарнира;

 

 

 

 

 

 

- замена реактивной штанги.

 

 

 

 

 

20

Закрепить кронштейны балансирной подвески к раме

Снизу

40

7,0/3

Ключи гаечные открытые 22, 24, 30 и 41 мм (15, 16, 18)

Гайки крепления кронштейнов должны быть затянуты

 

Возможный сопутствующий ремонт:

 

 

 

 

 

 

- замена гаек и болтов (при утере).

 

 

 

 

 

21

Закрепить пальцы и верхние кронштейны реактивных штанг

Снизу

20

5,6/3

Ключи гаечные открытые 24 и 46 мм (15, 18)

Гайки должны быть затянуты

 

Возможный сопутствующий ремонт:

 

 

 

 

 

 

- замена гаек (при разрушении резьбы)

 

 

 

 

 

 

ЭЛЕКТРООБОРУДОВАНИЕ

 

 

 

 

 

22

Проверить состояние аккумуляторных батарей по напряжению элементов под нагрузкой, при необходимости снять батареи для подзарядки или ремонта

Сверху справа

2

12,6/2

Нагрузочная вилка (9), ареометр (9), ветошь (93), ключи гаечные открытые 14, 17, 19 мм (13, 14), секундомер (59)

См. примечание

Примечание.

Напряжение каждого элемента при полностью заряженной аккумуляторной батарее должно быть равно 1,3 - 1,4 В в течение 5 сек. Разница напряжений отдельных элементов батареи не должна превышать 0,1 В.

 

Возможный сопутствующий ремонт:

 

 

 

 

 

 

- замена защитной пластмассовой крышки клемм аккумуляторной батареи;

 

 

 

 

 

 

- замена крышки аккумуляторной батареи;

 

 

 

 

 

 

- замена болтов и гаек крепления проводов к клеммам аккумуляторной батареи;

 

 

 

 

 

 

- замена крышки ящика аккумуляторной батареи;

 

 

 

 

 

 

- замена рамки крепления аккумуляторной батареи.

 

 

 

 

 

23

Проверить напряжение в цепи электропитания при средних оборотах двигателя

В кабине

1

1,0/4

Вольтметр (62), ключ гаечный открытый 10 мм (11)

Номинальное напряжение должно быть 12 вольт

 

Возможный сопутствующий ремонт:

 

 

 

 

 

 

- замена реле-регулятора.

 

 

 

 

 

24

Разобрать выключатель массы аккумуляторных батарей, прочистить и смазать

Сверху справа

 

24,3/4

Ключи гаечные открытые 10 (11) и 17 мм (14), отвертка 8 мм (32)

Включатель массы должен выключать «массу» аккумуляторной батареи при нажатии кнопки управления включателем «массы» в кабине

 

Возможный сопутствующий ремонт:

 

 

 

 

 

 

- замена выключателя «массы»

 

 

 

 

 

 

КАБИНА, ПЛАТФОРМА

 

 

 

 

 

25

Проверить состояние лакокрасочных покрытий, при необходимости подкрасить

 

 

61,0/2

Краскораспылитель (87)

 

 

Возможный сопутствующий ремонт:

 

 

 

 

 

 

- подкраска мест разрушений лакокрасочных покрытий.

 

 

 

 

 

26

Проверить состояние и крепление крыльев, подножек, брызговиков

Сверху, справа и слева

 

40,0/3

Головка сменная, 13 мм (23), вороток (29)

-

 

Возможный сопутствующий ремонт:

 

 

 

 

 

 

- замена составных крыльев кабины;

 

 

 

 

 

 

- замена подножки;

 

 

 

 

 

 

- замена брызговиков колес;

 

 

 

 

 

 

- замена болтов крепления брызговиков колес.

 

 

 

 

 

27

Проверить работу механизма подрессоривания сиденья водителя

В кабине

-

3,4/3

-

См. примечание

Примечание.

Механизм крепления сиденья водителя должен обеспечивать фиксацию сиденья в горизонтальном положении, а спинка сиденья - в вертикальном положении. Механизм подрессоривания сиденья должен поддаваться регулировке.

 

Возможный сопутствующий ремонт:

 

 

 

 

 

 

- замена амортизатора;

 

 

 

 

 

 

- замена сиденья водителя.

 

 

 

 

 

28

Подтянуть крепления стремянок платформы

Сверху

12

4,3/3

Ключ гаечный кольцевой 22 мм (21), молоток (36)

См. примечание

Примечание.

Стремянки не должны шататься при ударе молотком по накладке. При ослаблении стремянок необходимо подтянуть гайки крепления. Если при ослабленном креплении стремянки гайки подтянуть не удается, то стремянку нужно разрезать автогеном и заменить на новую.

 

Возможный сопутствующий ремонт:

 

 

 

 

 

 

- замена гайки крепления стремянок;

 

 

 

 

 

 

- замена стремянки.

 

 

 

 

 

29

Подтянуть крепление кронштейнов топливного бака к раме

Снизу

8

2,2/3

Ключ гаечный кольцевой 19 мм (20) и ключ гаечный открытый 19 мм (14)

При проверке крепления кронштейнов обратить внимание на отсутствие разрушений кронштейнов по сгибу в месте крепления их к лонжеронам рамы

 

Возможный сопутствующий ремонт:

 

 

 

 

 

 

- замена болтов и гаек крепления кронштейнов (при утере или разрушении резьбы).

 

 

 

 

 

30

Заменить разрушенный участок нижней части уплотнителя левой двери

В кабине

1

15,0/3

Отвертка 6,5 мм (31), плоскогубцы (35), нож (39)

 

 

Возможный сопутствующий ремонт:

 

 

 

 

 

 

- замена уплотнителя

двери.

 

 

 

 

 

 

СМАЗОЧНЫЕ, ОЧИСТИТЕЛЬНЫЕ И ЗАПРАВОЧНЫЕ РАБОТЫ

 

 

 

 

 

31

Довести до нормы уровень масла в муфте опережения впрыска топлива

Слева, спереди, кабина в поднятом положении

1

3,8/2

Отвертка 10 мм (101), масленка (80), ветошь (93)

См. примечание

Примечание.

При доливке масла необходимо прокручивать коленчатый вал двигателя стартером, чтобы была возможность залить масло в корпус муфты. Масло доливать в корпус муфты через верхнее отверстие до появления масла из другого отверстия.

 

Возможный сопутствующий ремонт:

 

 

 

 

 

 

- замена винтов.

 

 

 

 

 

32

Довести до нормы уровень масла в башмаках балансиров задней подвески

Сверху, справа и слева

2

5,2/2

Ключ гаечный открытый 14 мм (13), ветошь (93), маслораздаточная колонка мод 367МЗ (64)

Масло в башмаки следует заливать до уровня нижних кромок заливных отверстий

 

Возможный сопутствующий ремонт:

 

 

 

 

 

 

- замена пробок;

 

 

 

 

 

 

- замена прокладок крышек башмаков;

 

 

 

 

 

 

- замена болтов и шайб, крепящих крышки башмаков;

 

 

 

 

 

 

- замена крышек (при разрушении).

 

 

 

 

 

33

Заменить масло в картерах ведущих мостов

Снизу

4

20,0/2

Ключи гаечные открытые 14 и 22 мм (13, 15), ключ торцовый для деталей с шестигранным углублением «под ключ» 12 мм (33), колонка маслораздаточная мод. 367МЗ (64), воронка для слива масла (70)

Отработанное теплое масло сливать через сливные отверстия, при этом пробки контрольных заливных отверстий должны быть вывернуты. Удалить отложения со сливных пробок. Заливать масло до уровня контрольных отверстий

 

Возможный сопутствующий ремонт:

 

 

 

 

 

 

- замена пробок.

 

 

 

 

 

34

Заменить масло в картере коробки передач

Снизу

3

15,0/2

Маслораздаточная колонка мод. 367МЗ (64), ключи гаечные открытые 19, 22 и 27 мм (14, 15, 16), ветошь (93), воронка для слива масла (70)

См. примечание

Примечание.

Отработавшее теплое масло из коробки передач сливать через три отверстия. Два отверстия расположены в нижней части картера коробки передач, а одно в нижней части картера делителя передач. Удалить отложения со сливных пробок. Масло заливать до верхней метки щупа. Уровень масла замерять через 3 - 5 мин после заливки.

 

Возможный сопутствующий ремонт:

 

 

 

 

 

 

- замена пробок.

 

 

 

 

 

35

Заменить смазку в подшипниках ступиц задних и передних колес

Сверху

6

251,3 (*)/3

Подъемник мод. П-126 (5) или подъемник П-128 (4), подставка для вывешивания автомобиля (6), тележка мод. 1115М (7), головки сменные 24 и 27 мм (26, 27), вороток (29, 39), гайковерт мод. И-318 (8), лопатка деревянная (86), ванна с керосином (71), емкость со смазкой (79), ветошь(93)

Удалить из ступиц старую смазку, промыть в керосине внутреннюю полость ступицы, подшипник сальник, гайки и шайбы. Закладываемая смазка должна быть распределена в пространстве между роликами и сепаратором равномерно по всей окружности подшипника. Кроме этого смазку заложить в полость ступицы между кольцами подшипников

Примечание.

* Данная работа включает трудоемкость снятия и установки ступиц.

 

Возможный сопутствующий ремонт:

 

 

 

 

 

 

- замена подшипников;

 

 

 

 

 

 

- замена сальников ступиц колес;

 

 

 

 

 

 

- замена гаек крепления ступиц колес;

 

 

 

 

 

 

- замена замковых шайб;

 

 

 

 

 

 

- замена гаек крепления полуоси;

 

 

 

 

 

 

- замена стопорящих шайб крепления полуоси;

 

 

 

 

 

 

- замена шпилек крепления полуоси.

 

 

 

 

 

36

Смазать шарниры реактивных штанг балансирной подвески

Снизу

12

6,0/2

Солидолонагнетатель мод. 390М (66), ветошь (93)

Смазывать через пресс-масленки до выдавливания свежей смазки

 

Возможный сопутствующий ремонт:

 

 

 

 

 

 

- замена пресс-масленки.

 

 

 

 

 

37

Смазать трос крана управления делителем

Сверху спереди, кабина в поднятом положении

 

1,2/2

Отвертка 8 мм (32), масленка (80), ветошь (93)

Отсоединить трос от переключателя. Заливать масло с помощью масленки

 

Возможный сопутствующий ремонт:

 

 

 

 

 

 

- замена троса;

 

 

 

 

 

 

- замена головки ручки рычага управления коробкой передач;

 

 

 

 

 

 

- замена рычага проволоки троса.

 

 

 

 

 

38

Промыть и продуть сжатым воздухом фильтр регулятора давления

Сверху

 

4,0/3

Пистолет для обдува деталей сжатым воздухом мод. 199 (69), ванна с керосином (71), ветошь (93).

Фильтр регулятора снять, разобрать, промыть в керосине, просушить, продуть сжатым воздухом

 

Возможный сопутствующий ремонт:

 

 

 

 

 

 

- замена фильтра;

 

 

 

 

 

 

- замена болтов.

 

 

 

 

 

 

ДОПОЛНИТЕЛЬНЫЕ РАБОТЫ ПО KAMAЗ-5511

 

 

 

 

 

39

Заменить масло в гидросистеме механизма подъема платформы

Сверху

1

4,4/2

Маслораздаточная колонка мод. 367МЗ (64), ключ гаечный открытый 14 мм (13), ветошь (93), емкость для слива масла (102)

Для замены масла следует отвернуть пробку в нижней половине маслобака и крышку заливной горловины. После слива масла ввернуть пробку и залить в бак свежее отфильтрованное масло. Уровень масла довести до верхней метки щупа.

 

Возможный сопутствующий ремонт:

 

 

 

 

 

 

- замена пробки.

 

 

 

 

 

 

ДОПОЛНИТЕЛЬНЫЕ РАБОТЫ СТО, ВЫПОЛНЯЕМЫЕ ОСЕНЬЮ

 

 

 

 

 

40

Промыть котел пускового подогревателя, каналы и фильтры электромагнитного клапана, форсунку пускового подогревателя

Сверху, кабина в поднятом положении

1

50,0/4

Пистолет для обдува деталей сжатым воздухом мод. 199 (69), ключи гаечные открытые 13, 17 и 19 мм (12, 14), отвертка 6,5 мм (31), волосяная щетка (188), ванна с дизтопливом (71), емкость с бензином (78)

Перед промывкой разобрать котел, удалить нагар, продуть сжатым воздухом котел, камеру сгорания и газоотход, отсоединить шланг подачи воздуха и промыть дизельным топливом. Промыть фильтры электромагнитной клапана в бензине или керосине, очистить от грязи сердечник клапана. Промыть форсунку в бензине или ацетоне.

 

Возможный сопутствующий ремонт:

 

 

 

 

 

 

- замена котла пускового подогревателя;

 

 

 

 

 

 

- замена шланга подачи воздуха;

 

 

 

 

 

 

- замена форсунок;

 

 

 

 

 

 

- замена фильтра.

 

 

 

 

 

41

Очистить электроды свечи пускового подогревателя, сердечник клапана насоса пускового подогревателя, электроды свечей ЭФУ и подводящие топливопроводы

Спереди кабина в поднятом положении

 

20,0/4

Ключ гаечный открытый 22 мм (15), ветошь (93), щетка металлическая (89)

 

 

Возможный сопутствующий ремонт:

 

 

 

 

 

 

- замена свечи пускового подогревателя;

 

 

 

 

 

 

- замена свечей ЭФУ;

 

 

 

 

 

 

- замена топливопроводов.

 

 

 

 

 

42

Проверить действие пускового подогревателя

Сверху

1

15,0/4

Ключи гаечные открытые 14, 17 и 19 мм (13, 14), отвертка 6,5 мм (31)

См. примечание

Примечание.

Оптимальная подача топлива в камеру сгорания определяется по равномерному гудению пламени, устойчивой работе подогревателя и отсутствию открытого пламени из газоотхода камеры сгорания. Расход топлива регулировать редукционным клапаном топливного насоса. Для увеличения количества топлива, поступающего через форсунку в камеру сгорания, отвернуть на топливном насосе колпачковую гайку, контргайку регулировочного винта и поворачивать винт вправо до выхода подогревателя на устойчивый режим работы. По окончании регулировки регулировочный винт застопорить контргайкой и навернуть колпачковую гайку. Работа подогревателя с открытым пламенем не допустима.

 

Возможный сопутствующий ремонт:

 

 

 

 

 

 

- замена регулировочного винта;

 

 

 

 

 

 

- замена контргайки

 

 

 

 

 

43

Проверить на стенде генератор, устранить неисправности и провести техническое обслуживание генератора согласно инструкции

Сверху, спереди кабина в поднятом положении

 

56,0/4

Стенд для проверки генератора мод. К-309 (47), пистолет для обдува деталей сжатым воздухом мод. 199 (69), ключи гаечные открытые (10), 13 и 17 мм (11, 12, 14), ключ гаечный кольцевой 17 мм (20), отвертка 6,5 мм (31), штангенциркуль (60), ветошь (93).

См. примечание

Примечание.

При обслуживании генератора выполнить следующее:

1. Снять генератора, очистить его от пыли и грязи.

2. Проверить высоту щеток. Перед снятием крышки со стороны колец необходимо во избежание поломки щеток вывернуть болты крепления щеткодержателя и снять его вместе со щетками. Высота щеток должна быть не менее 7 мм от пружины до основания. Минимально допустимый диаметр проточки контактных колец 29,3 мм.

3. В случае сильного загрязнения выпрямительного блока БПВ4-45 продуть сжатым воздухом. Не допускается проверка р-п-переходов напряжением от сети переменного тока.

4. Собрать генератор.

 

Возможный сопутствующий ремонт:

 

 

 

 

 

 

- замена щеток;

 

 

 

 

 

 

- замена подшипников;

 

 

 

 

 

 

- замена выпрямителя;

 

 

 

 

 

 

- устранение обрывов в цепи.

 

 

 

 

 

44

Проверить на стенде стартер, устранив неисправности и провести техническое обслуживание стартера согласно инструкции

Снизу

-

90,0/4

Стенд для проверки стартеров мод. Э-211 (48), ключи гаечные открытые 10, 17, 19 и 24 мм (11, 14, 15), ключ гаечный кольцевой 24 мм (21), штангенциркуль (60), плоскогубцы (35), отвертка 6,5 мм (31), масленка (80), емкость с бензином (78), ветошь (93), пистолет для обдува деталей сжатым воздухом мод. 199 (69)

См. примечание

Примечание.

Для проверки стартера необходимо выполнить следующее:

1. Снять стартер с двигателя,

2. Снять крышку со стороны коллектора. Проверить состояние щеточно-коллекторного узла, рабочая поверхность коллектора должна быть гладкой и не иметь значительного подгорания. В случае загрязнения или подгорания поверхность протереть чистой тряпкой, смоченной в бензине. Если нагар не удаляется, зачистить коллектор стеклянной шкуркой небольшой зернистости. Щетки должны свободно без заеданий перемещаться в щеткодержателях и не иметь чрезмерного износа. Щетки измененные до высоты 13 мм или имеющие значительные сколы заменить. Продуть сжатым воздухом щеточно-коллекторный узел, минимальный диаметр коллектора - 53 мм.

3. Снять крышку реле. Проверить состояние контактной системы реле стартера. Очистить внутреннюю поверхность от пыли и грязи. Осмотреть контактный диск и контактные болты. При значительном износе диска повернуть его, а контактные болты заменить.

4. Проверить регулировку реле стартера.

5. Проверить, легко ли перемещается привод по валу якоря. При выключении реле привод должен возвращаться в исходное положение. В случае затрудненного перемещения привода очистить и смазать смазкой ЦИАТИМ-201 ГОСТ 6267-74.

 

Возможный сопутствующий ремонт:

 

 

 

 

 

 

- замена щеток;

 

 

 

 

 

 

- замена реле;

 

 

 

 

 

 

- замена привода;

 

 

 

 

 

 

- замена подшипников;

 

 

 

 

 

 

- устранение обрывов в цепи.

 

 

 

 

 

45

Заменить охлаждающую жидкость (Тосол А-40, Тосол А-65)

Сверху спереди кабина в поднятом положении

 

45,0/2

Воронка

(81), емкость для слива (76), емкость для залива (77), ветошь (93)

См. примечание

Примечание.

Сливать охлаждающую жидкость из систем охлаждения и отопления следует через сливные отверстия, расположенные в нижней части отводящего патрубка водяного трубопровода, в котле подогревателя, насосном агрегате подогревателя и на подводящей трубе отопителя. Для слива жидкости необходимо открыть кран системы отопления, снять паровоздушную пробку с горловины расширительного бачка и отвернуть конические пробки, закрывающие сливные отверстия. Заливать жидкость через заливную трубу расширительного бачка до уровня верхней кромки заливной трубы. Перед заправкой необходимо открыть паровоздушную пробку. При заполнении системы следует открыть кран системы отопления (верхний рычаг, крайнее первое положение), заполнять систему охлаждения только низкозамерзающей жидкостью. Заливать жидкость через воронку с сеткой. В качестве охлаждающей жидкости применять Тосол-А, разбавленный мягкой и чистой водой в требуемой пропорции в зависимости от климатической зоны эксплуатации.

 

Наименование

Температура охлаждающего воздуха в °С

 

до - 40°

до - 65°

Низкозамерзающая жидкость

Тосол А-40

Тосол А-65

Состав низкозамерзающей жидкости (по объему) в %%:

 

 

Тосол А

56

65

Чистая вода

44

35

Плотность низкозамерзающей жидкости при 20 °С в г/см2

1,077 - 1,085

1,085 - 1,095

Жидкость Тосол-А, а также смесь с водой ядовиты, при обращении с ней соблюдать меры предосторожности. Запрещается запускать двигатель после слива охлаждающей жидкости (даже удаления остатков из системы), так как это может привести к преждевременному выходу двигателя из строя.

№ выполняемых работ

Наименование и содержание работ

Место выполнения работы

Кол-во мест или точек обслуживания

Трудоемкость чел. мин/разряд

Приборы, инструмент, приспособления, тип

Технические требования и указания

 

Возможный сопутствующий ремонт:

 

 

 

 

 

- замена термостатов;

- замена трубопроводов.

46

Заменить жидкость в гидроприводе сцепления

В кабине и снизу

-

24,0/3

Шланг резиновый (83), ключ гаечный открытый 14 мм (13), кружка (84), линейка измерительная (63)

Гидравлическую систему заправлять тормозной жидкостью «Нева» (ТУ 6-09-550-73). Смешивание «Невы» с тормозными жидкостями других марок не допускается. Уровень жидкости в полости главного цилиндра должен быть на 10 - 15 мм ниже заливной горловины. После заливки систему прокачать.

 

Возможный сопутствующий ремонт:

 

 

 

 

 

- замена манжеты цилиндра;

- замена защитного чехла;

- замена перепускного клапана;

- замена защитного колпачка.

47

Заменить бумажный элемент воздушного фильтра

Сверху

-

8,6

Ветошь (93)

См. примечание

Примечание.

Перед сборкой воздушного фильтра осмотреть уплотнительные прокладки, качество уплотнения контролировать по отпечатку на прокладке. Осмотреть внутреннюю поверхность корпуса фильтра, наличие пыли и грязи не допускается. Все неплотности должны быть устранены. Работу желательно совмещать с работой по проверке герметичности системы питания воздухом (в соответствии с инструкцией по обслуживанию впускного тракта).

 

Возможный сопутствующий ремонт:

 

 

 

 

 

 

- замена хомутов тракта;

 

 

 

 

 

 

- замена шлангов;

 

 

 

 

 

 

- замена прокладок.

 

 

 

 

 

Химмотологическая карта горюче-смазочных материалов и спецжидкостей, применяемых при периодических технических обслуживаниях

Наименование узла, агрегата

Кол-во смазки (общее на все точки)

Наименование горючесмазочных материалов

Кол-во точек

Периодичность обслуживания

Содержание работ

ТО-1

ТО-2

СТО

1

2

3

4

5

6

7

8

1 Картер двигателя

26,0 л

Летом: М-10Г2К,

1

 

X

 

Заменить масло

ГОСТ 8581-78

Зимой: М-8Г2К

ГОСТ 8581-78

2 Муфта опережения впрыска топлива

0,3 л

То же

1

 

 

X

Проверить уровень масла и при необходимости долить (один раз в год, весной)

3 Система охлаждения:

 

Антифриз Тосол А-40, Тосол-65 ТУ 6-02-751-78

 

 

 

X

Заменить жидкость (один раз в год, осенью)

- без предпускового подогревателя;

29,4 л

 

 

 

 

 

 

- с пусковым подогревателем

35,0 л

 

 

 

 

 

 

4 Гидропривод выключения сцепления

0,28 л

Гидротормозная жидкость «Нева» ТУ 6-09-550-73 Смешивание «Невы» с гидротормозными жидкостями других марок, категорически запрещается

1

 

X

 

Проверить уровень жидкости и при необходимости долить

 

 

 

 

 

 

X

Заменить жидкость (один раз в год, осенью)

5 Втулка вала вилки выключения сцепления

0,015 кг

Смазка Литол-24, ГОСТ 21150-75

2

 

X

 

Смазать через пресс-масленку, сделав шприцем не более трех ходов

6 Подшипник муфты выключения сцепления

0,03 кг

Смазка Литол-24, ГОСТ 21150-75

1

 

X

 

Смазать через пресс-масленку, сделав шприцем не более трех ходов

7 Картер коробки передач:

 

ТСп-15к ТУ 38-101-753-78

1

 

X

 

Поверить уровень масла и при необходимости долить

- без делителя

8,5 л

Заменитель ТС-14,5

 

 

 

 

Заменить масло (при использовании заменителя масло менять при ТО-2)

- с делителем

12,0 л

с ДФ11 ТУ 38-101-294-72

 

 

 

 

 

8 Трос крана управления делителем

0,02 л

ТСп-15К ТУ-38-101-753-78 Заменители ТСп-14,5 ТУ 38-101-488-74 Тап-15В, ТУ 38-101-176-76

1

 

X

 

Залить с помощью масленки

9 Сферическая опора промежуточной и тяги управления коробки передач

0,015 кг

Смазка 158, ТУ 38-101-320-72

1

 

X

 

Смазка через пресс-масленки до выдавливания свежей смазки

10 Шарниры карданных валов среднего и заднего мостов

0,104 кг

То же

4

 

X

 

Смазка через пресс-масленки до выдавливания свежей смазки из-под кромок каждого сальника шарнира

11 Картер среднего моста

7,0 л

ТСп-15К ТУ 38-101-753-78 Заменители: ТСп-14 ТУ 38-101-488-74 Тап-15В, ТУ 38-101-176-76

1

 

X

X

Поверить уровень масла и при необходимости долить

 

 

 

 

 

 

 

Заменить масло (при использовании заменителя масло менять при ТО-2)

12 Картер заднего моста

7,0 л

ТСп-15К ТУ 38-101-753-78 Заменители: ТСп-14 ТУ 38-101-488-74 Тап-15В, ТУ 38-101-176-76

1

 

X

 

Проверить уровень масла и при необходимости долить

 

 

 

 

 

 

X

Заменить масло (при использовании заменителя масло менять при ТО-2)

13 Башмаки балансирной подвески

1,0 л

То же

2

 

 

X

Проверить уровень масла, при необходимости долить. Заменить масло при ремонтных работах.

14 Подшипники ступиц колес передней оси

0,7 л

Смазка Литол-24, ГОСТ 21150-75

2

 

 

X

Заложить смазку при снятой ступице между роликами и сепараторами равномерно по всей внутренней полости подшипников

15 Подшипники ступиц колес среднего и заднего мостов

1,8 кг

Смазка Литол-24, ГОСТ 21150-75

4

 

 

X

Заложить смазку при снятой ступице между роликами и сепараторами равномерно по всей внутренней полости подшипников

16 Стебель крюка буксирного прибора

0,05 кг

То же

2

 

 

X

Смазать через пресс-масленки

17 Гидроусилитель рулевого управления

3,2 л

Масло для гидросистем автомобиля марки «Р», (масло всесезонное) ТУ 38-101-179-71 летом - Тп-22 ГОСТ 9972-74, зимой - веретенное АУП; МРТУ 38-164-66; веретенное АУ; ГОСТ 1652-75

 

X

 

 

Проверить уровень масла в бачке и при использовании заменителя менять масло при СТО

18 Шарниры рулевых тяг

0,052 кг

Смазка Литол-24, ГОСТ 21150-75

4

 

 

 

Смазать через пресс-масленки до выдавливания свежей смазки

19 Пальцы передних рессор

0,035 кг

То же

2

X

 

 

То же

20 Шкворни поворотных кулаков

0,07 кг

То же

4

X

 

 

То же

21 Предохранитель против замерзания:

 

Спирт этиловый технический, ГОСТ 17299-78 ГОСТ 18300-72

 

 

 

 

Применять при температуре окружающего воздуха ниже плюс 5 °C

для предохранителя 100-3536010-10

1,0 л

 

 

X

 

 

Заменить

для предохранителя 100-3536010

0,2 л

 

 

 

 

 

Заменить 1 раз в неделю

22 Втулки валов разжимных кулаков:

 

 

 

X

 

 

Заполнить смазку через пресс-масленку, сделав шприцем не более 5 ходов

передний кронштейн

0,1 кг

Смазка Литол-24, ГОСТ 2110-75

2

 

 

 

 

задний кронштейн

0,065 кг

То же

4

 

 

 

 

23 Шарниры реактивных штанг задней балансирной подвески

0,6 кг

То же

12

 

 

X

Смазать через пресс-масленки до выдавливания смазки

24 Регулировочные рычаги тормозных механизмов

0,27 кг

Смазка Литол-24, ГОСТ 21150-75

6

X

 

 

Смазать через пресс-масленки до выдавливания свежей смазки

25 Оси передних опор кабины

0,035 кг

Смазка Литол-24, ГОСТ 21150-75

2

X

 

 

Смазать через пресс-масленки до выдавливания свежей смазки

26 Включатель «массы»

 

Смазка 158, ТУ 38-101-320-77

 

 

 

X

Смазать, предварительно разобрав и прочистив

27 Клеммы и перемычки аккумуляторных батарей

ей

Смазка Литол-24, ГОСТ 21150-75

 

 

X

 

Смазать тонким слоем

Дополнительные работы по самосвалу

28 Гидросистема механизма подъема платформы

33,0 л

Летом: Масло индустриальное 20 ГОСТ 20799-75

1

X

 

 

Проверить уровень

 

 

Зимой: Масло индустриальное 12 ГОСТ 20790-75

 

 

 

X

Заменить масло

29 Опорные пальцы платформы

0,07 кг

Смазка Литол-24, ГОСТ 21150-75

2

X

 

 

Смазать через пресс-масленки

Дополнительные работы по тягачу

30 Седельное устройство

0,1 кг

Смазка Литол-24 ГОСТ 1150-75

2

 

 

X

Смазать через пресс-масленки до выдавливания смазки

31 Опорная плита седельного устройства

0,4 кг

Смазка Литол-24 ГОСТ 1150-75

1

 

 

X

Смазать тонким слоем

Перечень оборудования, контрольно-измерительных приборов, приспособлений и инструмента для оснащения рабочих мест при выполнении первого, второго и сезонного обслуживания автомобилей КамАЗ-5320, 5511, 5410

Наименование

Модель, тип. ГОСТ или ТУ

Краткая техническая характеристика

Разработчик конструкции

Завод изготовитель

1. Установка для мойки автомобилей щеточно-струйная

М-127

Щеточно-струйная

ЦПКТБ

Бежецкий завод

2. Установка для мойки грузовых автомобилей

М-129

Стационарная, струйная автоматическая

Бежецкий завод «Автоспецоборудование»

Бежецкий завод «Автоспецоборудование»

3. Установка моечная

М-125

Шланговая

 

 

4. Подъемник электромеханический

П-128

Стационарный электромеханический, канавный двухплунжерный. Грузоподъемность 80 кн (80 тс)

Грозненский ОЭЗ «Автоспецоборудование»

Грозненский ОЭЗ «Автоспецоборудование»

5. Подъемник электрогидравлический

П-126

Стационарный, универсальный, электрогидравлический, двухплунжерный. Грузоподъемность 160 кн (16 тс)

Грозненский опытно-эскпериментальный завод «Автоспецоборудование»

Грозненский опытно-эскпериментальный завод «Автоспецоборудование»

6. Подставка для вывешивания автомобилей

-

-

-

Собственного изготовления

7. Тележка для снятия и установки колес грузовых автомобилей и автобусов

1115М

Передвижная, механическая, с подъемным механизмом. Нагрузка на подъемный механизм 20 кН (2,0 тс)

Грозненский ОЭЗ «Автоспецоборудование»

Читинский завод «Автоспецоборудование»

8. Электрогайковерт для гаек колес грузовых автомобилей

И-318

Передвижной, реверсивный, инерционно-ударного действия. Максимальный крутящий момент затяжки гайки 1500 Н. м (150 кгс. м)

Новгородское производственное объединение «Автоспецоборудование»

Гремячинский завод «Автоспецоборудование»

9. Комплект приборов и инструментов для технического обслуживания аккумуляторных батарей

Э-401

Переносной

 

Новгородский ОЭЗ «Автоспецоборудование»

10 Электрогайковерт для гаек стремянок рессор

И-322

 

 

 

11 Ключ гаечный с открытым зевом двухсторонний

Ключ 7811-0004 СГ´9 ГОСТ 2839-71

10 ´ 12 мм

 

 

12 То же

Ключ 7811-0007 С1´9 ГОСТ 2839-71

10 ´ 13 мм

 

 

13 Ключ гаечный с открытым зевом двухсторонний

Ключ 7811-0022 С1´9 ГОСТ 2839-71

14 ´ 17 мм

-

-

14 То же

Ключ 7811-0023 С1´9 ГОСТ 2839-71

17 ´ 19 мм

-

-

15 То же

Ключ 7811-0025 С1´9 ГОСТ 2839-71

22 ´ 24 мм

-

-

16 Ключ гаечный с открытым зевом двухсторонний

Ключ 7811-0023 С1×9 ГОСТ 2839-71

27 ´ 30 мм

-

-

17 То же

Ключ 7811-0043 С1´9 ГОСТ 2839-71

32 ´36 мм

-

-

18 То же

Ключ 7811-0045 С1´9 ГОСТ 2839-71

41 ´ 46 мм

-

-

19 То же

Ключ 7811-0047 С1´9 ГОСТ 2839-71

50 ´ 55 мм

-

-

20 Ключ гаечный кольцевой двухсторонний коленчатый

Ключ 7811-0289 1´9 ГОСТ 2906-71

17 ´ 19 мм

-

-

21 То же

Ключ 7811-0291 1´9 ГОСТ 2906-71

22 ´ 24 мм

-

-

22 То же

Ключ 7811-0293 1´9 ГОСТ 2906-71

27 ´ 30 мм

-

-

23 Головка сменная с внутренним шестигранным зевом

Головка 7812-0486 1Н12.´1 ГОСТ 3329-75

S = 13 мм a = 12,5 мм

-

-

24 То же

Головка 7812-0491 1Н12.´1 ГОСТ 3329-75

S = 17 мм a = 12,5 мм

-

-

25 То же

Головка 7812-0493 1Н12.´1 ГОСТ 3329-75

S = 19 мм a = 12,5 мм

-

-

26 Головка сменная с внутренним шестигранным зевом

Головка 7812-0498 1Н12.´1 ГОСТ 3329-75

S = 24 мм a = 12,5 мм

-

-

27 То же

Головка 7812-0512 1Н12.´1 ГОСТ 3329-75

S = 27 мм а = 20 мм

-

-

28 То же

Головка

S = 46 мм а = 20 мм

-

-

29 Вороток для сменных головок

 

Г-Образный, хвостовик квадратный А = 12,5

-

-

30 То же

-

Г-образный, хвостовик квадратный А = 20 мм

-

-

31 Отвертка слесарно-монтажная

Отвертка 7810-0318 H12.´1 ГОСТ 17199-71

S = 1,0 мм B = 6,5 мм L = 200 мм

-

-

32 То же

Отвертка 7810-0326 Н12.´1 ГОСТ 17199-71

S = 1,2 мм В = 8,0 мм L = 250 мм

-

-

33 Ключ торцовый для деталей с шестигранным углублением

Ключ 7812-0379 40´ФА Н12´1 ГОСТ 11737-74

а = 12 мм

-

-

34 Ключ трубный

 

 

-

-

35 Плоскогубцы комбинированные

ГОСТ 5547-75

L= 150 мм

-

-

36 Молоток слесарный стальной

Молоток 7850-0053 Ц12´р ГОСТ 2310-70

Номинальная масса 500 г.

-

-

37 Острогубцы (кусачки)

Острогубцы 150 ГОСТ 7282-54

L = 150 мм

-

-

38 Зубило слесарное

Зубило 2810-0191 Н´12.´1 ГОСТ 7211-72

Угол заточки 60° L = 160 мм B = 16 мм

-

-

39 Нож

-

-

-

-

40 Монтажная лопатка

-

L = 350 мм а =30 мм В = 15 мм

 

Собственного изготовления

41 Ключ для гаек подшипников ступиц передних колес

-

-

Входит в комплект инструментов автомобиля

 

42 Ключ для гаек подшипников ступиц задних колес

-

-

То же

-

43 Прибор для проверки рулевого управления

К 187

Переносной, ручной

НИИАТ

Казанский ОЭЗ «Автоспецоборудование»

44 Устройство для проверки зазоров в шкворневых соединениях

НИИАТ Т-1

Ручной, механический с измерительным индикатором часового типа

НИИАТ

Казанский ОЭЗ «Автоспецоборудование»

45 Линейка для проверки схождения колес

2182

Ручная, механическая

Казанский ОЭЗ «Автоспецоборудование»

Казанский ОЭЗ «Автоспецоборудование»

46 Устройство для проверки герметичности системы питания двигателя воздухом

-

-

КамАЗ

Собственного изготовления

47 Стенд для проверки генераторов

К-309

-

-

-

48 Стенд для проверки стартеров

К-308

-

-

-

49 Стенд для проверки форсунок

КП-1609

-

-

-

50 Моментоскоп

-

-

-

Собственного изготовления

51 Стенд для проверки тормозной системы

-

-

-

КамАЗ

52 Манометр шинный

ГОСТ 9921-68

Предел измерения давления 0,3 - 0,9 МПа (3,0 - 9,0 кто/см2)

 

Покупной

53 Прибор для проверки натяжения клиновых ремней

КН-8920

Механический, пружинного действия

ГОСНИТИ

Собственного изготовления

54 Набор щупов № 2

ГОСТ 882-75

Пределы толщины 0,02 - 0,5 мм Количество щупов 17

-

-

55 Набор щупов № 4

ГОСТ 882-75

Преданы толщины 0,1 - 1,0 мм. Количество щупов 10

-

-

56 Комплект ключей динамометрических

К 468

Комплект состоит из трех ключей: - с максимальным крутящим моментом 150 Н.м (15 кгс. м); - с максимальным крутящим моментом 300 Н.м (30 кгс. м); - ключа для настройки. В комплект входят так же семь сменных головок.

ЦПКТБ «Автоспецоборудование»

Казанский опытно-экспериментальный завод «Автоспецоборудование»

57 Ключ динамометрический

ПИМ 1754

Предел измерений 0 - 400 Н.м (0 - 40 кгс. м)

ГОСНИТИ В/О

«Сельхозтехника»

58 Ключ мультипликатор

КМ-130

-

-

-

59 Секундомер

СМ-60 ГОСТ 5072-72

Предел измерения 60 с, 60 мин

-

-

60 Штангенциркуль

ШЦ-1-125-0,1 ГОСТ 166-73

Предел измерения 0 - 125 мм

-

-

61 Рулетка

РЗ-10 ГОСТ 7502-69

Предел измерения 10 м

-

-

62 Вольтметр

-

-

-

-

63 Линейка измерительная

ГОСТ 427-75

Металлическая. Предел измерения 0 - 300 мм

-

-

64 Колонка маслораздаточная

367МЗ

Производительность 8 ÷ 12 л/мин

Череповецкий завод «Автоспецоборудование»

Череповецкий завод «Автоспецоборудование»

65 Колонка воздухораздаточная

С-413

Предел измерения давления до 1,0 Мпа (10 кгс/см2)

-

-

66 Солидолонагнетатель

390М

Максимальное развиваемое давление 40 МПа (400 кгс/см2), Производительность 150 г/мин

НИИАТ

Кочубеевский завод «Автоспецоборудование»

67 Бак маслораздаточный

133М

Передвижной, с ручным насосом. Производительность 3 л/мин

ЦПКТБ Минавтотранса РСФСР

Череповецкий завод «Автоспецоборудование»

68 Солидолонагнетатель

142

Ручной, механический

Минавтопром СССР

 

69 Пистолет для обдува деталей сжатым воздухом

199

Ручной с изменяемой воздушной струей. Рабочее давление сжатого воздуха 0,4 - 1 МПа (4 - 10 кгс/см2)

Бежецкий завод «Автоспецоборудование»

Бежецкий завод «Автоспецоборудование»

70 Воронка для слива масла

МВ-064

Шарнирная, монтируется в стене осмотровой канавы

Гипроавтотранс

Собственного изготовления

71 Ванна для мойки деталей в керосине или дизельном топливе

2031

Емкость 75 л

Гипроавтотранс

Собственного изготовления

72 Емкость для слива отстоя из топливных фильтров

 

2 л

 

Собственного изготовления

73 Емкость для свежего спирта

-

1 л

-

Собственного изготовления

74 Емкость для слива отработанного спирта

-

1 л

-

То же

75 Емкость для залива масла в гидроусилитель руля

-

5 л

-

- ² -

76 Емкость для слива охлаждающей жидкости

-

40 л

-

- ² -

77 Емкость для залива охлаждающей жидкости

-

40 л

-

- ² -

78 Емкость с крышкой для бензина

-

5 л

-

- ² -

79 Емкость со смазкой

-

5 кг

-

- ² -

80 Масленка для жидкой сказки

ГОСТ 3906-74

1 л

-

Собственного изготовления

81 Воронка

-

-

-

То же

82 Воронка с двойной сеткой

-

-

-

- ² -

83 Шланг резиновый

-

ш 5 мм L = 400 мм

-

-

84 Кружка

-

0,5 л

-

-

85 Скребок

-

-

-

- ² -

86 Лопатка деревянная

-

-

-

-

87 Краскораспылитель

КР-20

-

-

-

88 Щетка волосяная

ГОСТ 10597-70

-

-

-

89 Щетка металлическая

ГОСТ 9024-70

-

-

-

90 Переносная лампа

ГОСТ 7710-69

Напряжение 12 в

-

-

91 Головка сменная с внутренним шестигранным зевом

 

S = 32 a = 20 мм

-

-

92 Головка сменная с внутренним шестигранным зевом

 

S = 41 мм а = 20 мм

-

-

93 Ветошь обтирочная

6 ГОСТ 5354-74

-

-

-

94 Ломик для проворачивания коленчатого вала

-

-

Входит в комплект инструментов автомобиля

-

95 Ключ гаечный кольцевой двухсторонний коленчатый

Ключ 7811-0297 1´9 ГОСТ 2906-71

32 ´ 36 мм

-

-

96 Ключ гаечный с открытым зевом двухсторонний

-

65 мм

-

-

97 Отвертка с крестообразным шлицем

-

 

Входит в комплект инструментов автомобиля

 

98 Ванна для промывки воздушного фильтра

-

40 л

-

Собственного изготовления

99 Съемник для тормозных колодок

-

-

Поволжский филиал НИИАТ

То же

100 Ключ гаечный с открытым зевом двухсторонний

Ключ 7811-0005 С1´9 ГОСТ 2839-71

11 ´ 13 мм

-

-

101 Отвертка слесарно-монтажная

Отвертка 7810-0330 Н12.´1 ГОСТ 17199-71

S = 1,6 мм В = 10 мм L = 320 мм

-

-

102 Емкость для слива масла

-

40 л

-

Собственного изготовления

103 Рукавицы

-

-

-

-

104 Ключ балонный

-

-

Входит в комплект инструментов автомобиля

 

105 Шило

-

-

-

Собственного изготовления

106 Кружка для долива масла в двигатель

-

2 л

-

То же

107 Ведро

-

-

-

Покупное

108 Лопата

-

-

-

Покупное

109 Метла

-

-

-

Собственного изготовления

Приложение I

Техническое обслуживание ТО-1000

Наименование операций

Трудоемкость, чел. мин.

Адрес выполнения операции

1

2

3

Вымыть автомобиль

12,0

 

Проверить:

 

 

- состояние и герметичность системы питания воздухом (в соответствии с инструкцией по обслуживанию впускного тракта);

25,0

2. СТО

- состояние и герметичность приборов и трубопроводов системы питания топливом, систем смазки, охлаждения, гидропривода сцепления, гидроусилителя рулевого управления:

5,0

 

- положение заслонки эжектора отсоса пыли;

0,3

 

- отсутствие касания трубопровода привода сцепления о поперечину рамы;

0,5

 

- шплинтовку пальцев штоков тормозных камер;

1,1

37. ТО-2

- наличие спирта в предохранителе от замерзания;

1,1

6. ТО-1

- герметичность всех контуров пневмосистемы автомобиля (на слух);

26,0

2. ТО-1

- трассу пролегания и надежность закрепления электропроводки;

8,0

40. ТО-2

- правильность установки резиновых чехлов на соединительных колодках задних фонарей, датчиков спидометра, тахометра;

5,0

41. ТО-2

- плотность и уровень электролита в аккумуляторных батареях;

6,7

44. ТО-2

- наличие шплинта и цепочки буксирного прибора;

0,5*

 

- действие системы отопления;

2,6

49. ТО-2

- действие стеклоподъемников дверей;

4,3

52. ТО-2

- действие стеклоочистителей;

8,3

46. ТО-2

- правильность закрепления уплотнителей дверей скобами;

4,0

 

- состояние подшипников ступиц колес (при снятых ступицах);

12,0

14. СТО

- состояние тормозных барабанов, колодок, накладок, стяжных пружин и разжимных кулаков (при снятых ступицах);

20,0

17. СТО

- наличие смазки в подшипниках ступиц колес.

240,0**

35. СТО

Устранить неисправности

 

 

* Здесь и далее: выполняются только на автомобиле КамАЗ-5320

** Включая трудоемкость снятия и установки ступиц.

Закрепить:

 

 

- масляный картер двигателя;

5,5

6. ТО-2

- фланцы приемных труб глушителя;

2,5

7. СТО

- элементы соединения воздушного тракта, обратив особое внимание на тракт от воздушного фильтра двигателя;

6,0

 

элементы воздушного фильтра в корпусе;

1,0

 

- скобы крепления форсунок;

1,0

 

- выпускные коллекторы;

3,0

 

- пневматический усилитель сцепления;

0,6

13. ТО-2

- рычаги тяг дистанционного привода коробки передач;

0,7

10. СТО

- фланцы карданных валов;

3,3

19. ТО-2

- суппорты к тормозным щитам;

40,3

 

- рулевую сошку;

0,3

 

- болты отъемных ушков передних рессор;

0,5

25. ТО-2

- стяжные болты клеммовых зажимов пальцев передних рессор;

1,4

26. ТО-2

- стяжные болты задних кронштейнов передних рессор;

0,5

27. ТО-2

- стяжные болты клемм передних рессор;

0,9

26. ТО-2

- пальцы и верхние кронштейны реактивных штанг;

5,6

21. СТО

- гайки пальцев амортизаторов

0,7

 

- гайки колес;

8,3

3. ТО-1

- регулятор тормозных сил;

0,5

 

- клеммы проводов к выводам аккумуляторных батарей;

2,3

 

- генератор, стартер;

5,5

 

- фары;

1,2

 

- составные крылья к кабине;

2,2

26. СТО

- продольные брызговики к кабине;

0,5

 

- передави поперечный брызговик к кабине;

1,8

 

- подножки кабины;

1,8

 

- верхние петли передней облицовки кабины;

0,2

 

- стеклоочистители;

0,3

 

- кронштейны зеркал заднего вида;

0,6

 

- стяжные хомуты шлангов на патрубках отопителя;

0,7

 

- кронштейны балансирной подвески;

7,0

20. СТО

- стремянки крепления платформы к раме;

25,0*

28. СТО

- верхний соединительный кронштейн к деревянному брусу;

1,3*

 

- нижний соединительный кронштейн к раме;

0,5*

 

- стяжные болты соединения кронштейнов платформы и рамы;

2,5*

 

- задние стремянки на продольных деревянных брусьях;

2,6*

 

- болты крепления профилей щитов и прижимных планок;

26,0*

 

- брызговики колес;

5,4

 

- кронштейны боковых стоек бортов;

5,0*

 

- продольные усилители платформы;

10,0*

 

- амортизаторы откидных бортов платформы

1,5*

 

Отрегулировать:

 

 

- тепловые зазоры клапанного механизма, предварительно проверив момент затяжки болтов крепления головок цилиндров и гаек стоек коромысел;

53,0

9. ТО-2

- натяжение приводных ремней;

0,7

8. ТО-2

- свободный ход педали сцепления;

8,4

12. ТО-2

- зазор между торцем крышки и ограничителем хода штока клапана управления делителем;

4,3

16. ТО-2

- ход штоков тормозных камер;

12,6

4. ТО-1

- давление в шинах;

35,3

7. ТО-1

- запоры бортов платформы.

16,0*

 

Заменить:

 

 

масло в системе смазки двигателя;

17,4

56. ТО-2

- фильтрующий элемент масляного фильтра;

14,0

 

Смазать:

 

 

- подшипник муфты выключения сцепления;

0,3

63. ТО-2

- подшипники вала вилки выключения сцепления;

1,0

64. ТО-2

- опору промежуточной тяги управления КП;

0,4

65. ТО-2

- шкворни поворотных кулаков;

10,1

10. ТО-1

- шарниры рулевых тяг;

1,6

11. ТО-1

- пальцы передних рессор;

1,4

12. ТО-1

- втулки валов разжимных кулаков;

3,5

13. ТО-1

- регулировочные рычаги тормозных механизмов;

3,5

14. ТО-1

- шарниры карданных валов;

6,0

66. ТО-2

- оси, передних опор кабины;

1,0

15. ТО-1

- шарниры реактивных штанг;

6,0

36. СТО

- буксирный прибор

 

 

Промыть фильтр центробежной очистки масла

18,3

 

Довести до нормы уровень:

 

 

- жидкости в системе охлаждения;

1,6

9. ЕО

- масла в муфте опережения впрыска топлива;

3,8

31. СТО

- жидкости в главном цилиндре привода сцепления;

4,2

71. ТО-2

- масла в картере коробки передач;

2,8

69. ТО-2

- масла в картерах ведущих мостов;

3,2

70. ТО-2

- масла в бачке гидроусилителя руля;

0,7

8. ТО-1

- масла в башмаках балансиров задней подвески

5,2

32. СТО

 

786,1 чел. мин

 

Дополнительные работы по самосвалу КамАЗ-5511

 

 

Проверить:

 

 

- исправность сигнализации включения коробки отбора мощности

0,5

 

- наличие и правильность установки заглушек тракта обогрева кузова;

1,1

 

- состояние стопорной планки втулки оси платформы и состояние сварного шва;

0,5

 

- состояние и шплинтовку пальцев оси платформы

0,3

 

Устранить неисправности

 

 

Дополнительные работы по тягачу КамАЗ-5410

 

 

Смазать опорную плиту седельного устройства

1,1

 

Приложение II

Техническое обслуживание ТО-4000

Наименование операций

Трудоемкость чел. мин

Адрес выполнения операции

1

2

3

Вымыть автомобиль

20

 

Закрепить:

 

 

- передние и задние опоры двигателя;

8,5

7. ТО-2

- картер сцепления к двигателю;

1,4

 

- картер коробки передач;

0,8

 

- кронштейн поддерживающей опоры;

1,1

17. ТО-2

- фланцы карданных валов;

3,3

19. ТО-2

- гайки фланцев валов ведущих шестерен среднего и заднего мостов (при наличии люфта);

45,3

16. СТО

- сошку руля;

0,6

 

- гайки колес;

8,3

3. ТО-1

- стремянки передних колес и задних рессор;

9,6

24. ТО-2

- буксирный прибор (при наличии осевого люфта)

3,3*

21. ТО-2

Отрегулировать:

 

 

- положение педали тормоза относительно пола кабины, обеспечив полный ход рычага тормозного крана;

1,4

39. ТО-2

- ход штоков тормозных камер;

12,6

4. ТО-1

- давление в шинах

35,3

7. ТО-1

Заменить:

 

 

- масло в системе смазки двигателя;

17,4

56. ТО-2

- фильтрующие элементы масляного фильтра;

14,0

57. ТО-2

- фильтрующие элементы фильтра тонкой очистки топлива;

13,0

58. ТО-2

- масло в картерах ведущих мостов;

10,0

33. СТО

- масло в картере коробки передач

10,0

34. СТО

Слить отстой из фильтра грубой очистки топлива

8,5

5. ТО-1

Промыть:

 

 

- фильтр центробежной очистки масла;

18,3

59. ТО-2

- фильтр насоса гидроусилителя руля

5,0

61. ТО-2

Смазать:

 

 

- подшипник муфты выключения сцепления;

0,3

63. ТО-2

- подшипник вала вилки выключения сцепления;

1,0

64. ТО-2

- шкворни поворотных кулаков;

10,1

10. ТО-1

- шарниры рулевых тяг;

1,6

11. ТО-1

- пальцы передних рессор;

1,4

12. ТО-1

- втулки валов разжимных кулаков;

3,5

13. ТО-1

- регулировочные рычаги тормозных механизмов;

3,5

14. ТО-1

- оси передних опор кабины

1,0

15. ТО-1

 

270,1 чел. мин

 

Дополнительные работы по самосвалу КаМАЗ-5511

 

 

Проверить герметичность и состояние стопорного кольца сальника штоков гидроцилиндра, устранить неисправности

1,5

 

Закрепить:

 

 

- кронштейн держателя запасного колеса к раме;

5,6

 

- гайки стяжных винтов желоба держателя запасного колеса

1,1

 

Дополнительные работы по тягачу КамАЗ-5410

 

 

Закрепить:

 

 

- кронштейн держателя запасного колеса к раме;

5,6

 

- гайки стяжных винтов желоба держателя запасного колеса

1,1

 

 

СОДЕРЖАНИЕ

Введение. 2

Виды технического обслуживания. 2

Периодичность технического обслуживания. 3

Трудоемкость технического обслуживания. 3

Технически характеристика автомобилей КамАЗ-5320, КамАЗ-5410, КамАЗ-5511. 5

Перечень регламентных работ для выполнения ежедневного технического обслуживания автомобилей КамАЗ-5320, КамАЗ-5511, КамАЗ-5410. 9

Перечень регламентных работ для выполнения второго технического обслуживания автомобилей КамАЗ-5320, КамАЗ-5511, КамАЗ-5410. 21

Двигатель. 21

Сцепление. 27

Коробка передач. 30

Карданная передача. 32

Ведущие мосты.. 33

Ходовая часть, подвеска, рама. 34

Передняя ось, рулевое управление. 36

Тормозная система. 40

Электрооборудование. 42

Кабина, платформа. 45

Смазочные, очистительные и заправочные работы.. 51

Дополнительные работы по самосвалу КамАЗ-5611. 56

Дополнительные работы по тягачу КамАЗ-5410. 58

Перечень регламентных работ для выполнения сезонного технического обслуживания автомобилей КамАЗ-5320, КамАЗ-5511, КамАЗ-5410. 59

Двигатель. 59

Коробка передач. 65

Карданная передача. 67

Ведущие мосты, ступицы.. 67

Ходовая часть, подвеска, рама. 69

Электрооборудование. 70

Кабина, платформа. 71

Смазочные, очистительные и заправочные работы.. 72

Дополнительные работы по KaмAЗ-5511. 75

Дополнительные работы СТО, выполняемые осенью.. 76

Химмотологическая карта горюче-смазочных материалов и спецжидкостей, применяемых при периодических технических обслуживаниях. 80

Приложение I Техническое обслуживание ТО-1000. 90

Приложение II Техническое обслуживание ТО-4000. 92