В каталоге приведены приспособления для временного закрепления и выверки строительных конструкций, средства подмащивания и инвентарь. Каталог рекомендуется для широкого круга специалистов строительных, ремонтно-строительных и проектно-технологических организаций как справочный материал при разработке технической документации для производства строительно-монтажных работ, а также при составлении проектов организации строительства и проектов производства работ.
| Обозначение: | 180-01 |
| Название рус.: | Каталог монтажной оснастки, приспособлений и инвентаря |
| Статус: | не действует |
| Дата актуализации текста: | 05.05.2017 |
| Дата добавления в базу: | 01.09.2013 |
| Утвержден: | ОАО ПКТИпромстрой (PKTIpromstroy OAO ) |
ОТКРЫТОЕ АКЦИОНЕРНОЕ ОБЩЕСТВО
ПРОЕКТНО-КОНСТРУКТОРСКИЙ И ТЕХНОЛОГИЧЕСКИЙ
ИНСТИТУТ ПРОМЫШЛЕННОГО СТРОИТЕЛЬСТВА
ОАО ПКТИпромстрой
КАТАЛОГ
МОНТАЖНОЙ ОСНАСТКИ, ПРИСПОСОБЛЕНИЙ
И ИНВЕНТАРЯ
Главный инженер
_______________ А.В. Колобов
Начальник отдела
_______________ Б.И. Бычковский
В настоящем каталоге приведены приспособления для временного закрепления и выверки строительных конструкций, средства подмащивания и инвентарь.
Каталог рекомендуется для широкого круга специалистов строительных, ремонтно-строительных и проектно-технологических организаций как справочный материал при разработке технической документации для производства строительно-монтажных работ, а также при составлении проектов организации строительства и проектов производства работ.
Каталог включает прогрессивные средства оснастки, инвентаря, приспособлений для монтажа строительных конструкций и для выполнения ремонтных работ.
Монтажная оснастка, грузозахватные приспособления, средства подмащивания могут быть изготовлены централизованно в заводских условиях или в ремонтно-механических мастерских только по рабочим чертежам организации-разработчика и использоваться при наличии акта производственных испытаний.
Каталог составлен лабораторией совершенствования и технологии строительства (отдел 41) ОАО ПКТИпромстрой (Бычковский Б.И., Савина О.А.).
предложения и возможные замечания просим направлять по адресу: 125040, г. Москва, Ленинградский проспект, д. 26
Тел. (095)214-36-49 Факс (095) 214-95-53
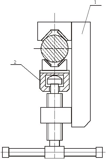
1 - корпус струбцины; 2 - винт в сборе
Схема установки струбцины
Разработчик: ГП Мосоргстрой, проект № 2492 МА
ТЕХНИЧЕСКАЯ ХАРАКТЕРИСТИКА
Габаритные размеры, мм:
длина 325
ширина 90
высота 255
зев 70...170
Масса, кг 4,2
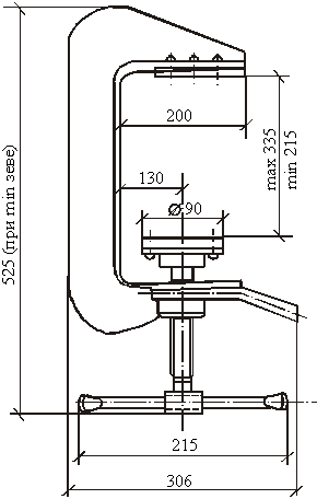
Разработчик: ГП Мосоргстрой. Проект № 3959 М
ТЕХНИЧЕСКАЯ ХАРАКТЕРИСТИКА
Габаритные размеры, мм:
длина 525
ширина 90
высота 306
зев 215...335
Масса, кг 3,5
Разработчик: ГП Мосоргстрой, проект № 4107
ТЕХНИЧЕСКАЯ ХАРАКТЕРИСТИКА
Габаритные размеры, мм:
длина 540
ширина 60
высота 256
зев 280...400
Масса, кг 4,45
Разработчик: ГП Мосоргстрой, проект № 4270А
ТЕХНИЧЕСКАЯ ХАРАКТЕРИСТИКА
Габаритные размеры, мм:
длина 415
ширина 90
высота 256
зев 105...225
Масса, кг 4,8
Разработчик: ГП Мосоргстрой, проект № 5190 УД
ТЕХНИЧЕСКАЯ ХАРАКТЕРИСТИКА
Габаритные размеры, мм:
длина 530
ширина 90
высота 256
зев 240...340
Масса, кг 4,9
Разработчик: ГП Мосоргстрой, проект № 5191
ТЕХНИЧЕСКАЯ ХАРАКТЕРИСТИКА
Габаритные размеры, мм:
длина 610
ширина 60
высота 256
зев струбцины 290...410
Масса, кг 5,8
Разработчик: ГП Мосоргстрой, проект № 5192А
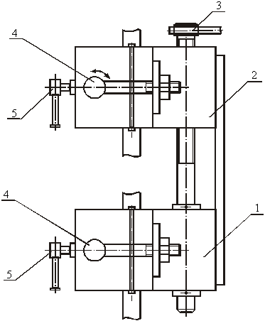
Предназначена для временного крепления поперечных стен.
Состоит из:
1 - штанга телескопическая; 2 - фиксаторы; 3 - резьбовая стяжка; 4 - гайка; 5 - крюк.
ТЕХНИЧЕСКИЕ ХАРАКТЕРИСТИКИ
|
ГП Мосоргстрой |
ОАО ПКТИпромстрой |
||||
|
Номер проекта |
5193 |
5194 |
6949 |
4104А |
4250УД |
|
Длина (L), мм |
2650...4400 |
4300...6100 |
1625-2650 |
2425-4150 |
4800-6400 |
|
Масса, кг |
18,62 |
24,0 |
12,0 |
20,3 |
25,0 |
ТЕХНИЧЕСКАЯ ХАРАКТЕРИСТИКА
Габаритные размеры, мм:
длина 1000
ширина 400
высота 1600
Масса, кг 12,5
Разработчик: ГП Мосоргстрой, проект № 1631 М
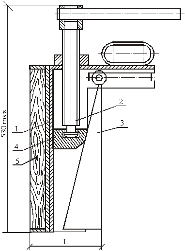
Предназначена для крепления гипсобетонных перегородок толщиной 60 - 120 мм.
Состоит из стойки 1 и струбцины 2.
ТЕХНИЧЕСКАЯ ХАРАКТЕРИСТИКА
Габаритные размеры, мм:
высота 1500
ширина 1000
Масса, кг 6,0
Разработчик: ГП Мосоргстрой, проект № 10328АЛ (алюминиевая)
Разработчик: ГП Мосоргстрой, проект № 1320 А
Предназначена для временного закрепления колонн, балок и ферм.
Состоит из:
1 - клиновый зажим; 2 - резьбовая стяжка; 3 - тяга с крюком; 4 - трос со скобой
ТЕХНИЧЕСКАЯ ХАРАКТЕРИСТИКА
Усилие, кгс 1500
Длина стяжки L max, мм 1200
Длина стяжки L min, мм 700
Масса, кг 14,4
Разработчик: проектный институт «Промстальконструкция», проект № 3093
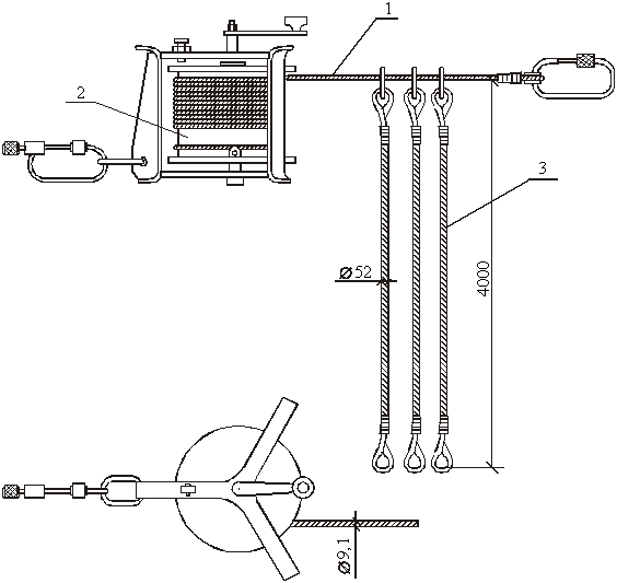
Предназначена для временного закрепления колонн высотой до 15 м.
Состоит из:
1 - обойма; 2 - карабин; 3 - винтовая стяжка; 4 - трос
ТЕХНИЧЕСКАЯ ХАРАКТЕРИСТИКА
Усилие, кгс 3000
Длина стяжки L, мм 1000...1500
Масса, кг 72
Разработчик: проектный институт «Промстальконструкция», проект № 3094
Предназначена для удержания колонн при сварке, а также для временного закрепления железобетонных ферм длиной 18 м.
ТЕХНИЧЕСКАЯ ХАРАКТЕРИСТИКА
Расстояние между колоннами L, мм 6000
Ширина колонн В, мм 400
Масса, кг 65
Разработчик: проектный институт «Промстальконструкция», проект № 3434 Р
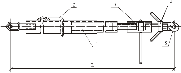
Предназначено для временного закрепления ригеля-распорки при сварке железобетонных конструкций.
Состоит из:
1 - винт с рукояткой; 2 и 3 - резьбовые стяжки; 4 - верхняя перекладина; 5 - нижняя перекладина
ТЕХНИЧЕСКАЯ ХАРАКТЕРИСТИКА
Габаритные размеры, мм 550´760´63
Масса, кг 10,5
Разработчик: ОАО ПКТИпромстрой, проект № 329
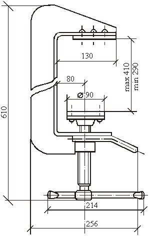
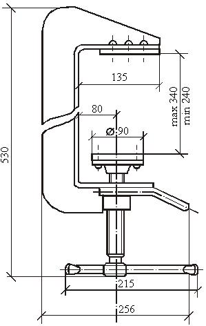
Предназначен для выверки и временного закрепления сборных железобетонных колонн в фундаментах стаканного типа.
Состоит из:
1 - корпус; 2 - винт; 3 - клин; 4 - бобышка; 5 - сменные приставки
ПРИМЕЧАНИЕ: максимальное усилие распора между колонной и стенкой фундамента стакана 8000 кгс.
ТЕХНИЧЕСКАЯ ХАРАКТЕРИСТИКА
|
607.00.000 |
01 |
02 |
03 |
|
|
L, мм без приставок |
55...95 |
94...131 |
125...165 |
150...200 |
|
L, мм с приставкой |
|
94...131 |
125...165 |
150...200 |
|
Масса, кг без приставок |
7.5 |
|
|
|
|
Масса, кг с приставкой |
|
9,3 |
10 |
11 |
Разработчик: Экспериментальное конструкторское бюро ЦНИИОМТП
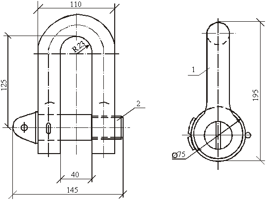
1 - серьга с двумя проушинами; 2 - ось, нарезанная с одного конца
ТЕХНИЧЕСКАЯ ХАРАКТЕРИСТИКА
Грузоподъемность, т 5
Диаметр каната. мм 20...22
Масса, т 4,4
Разработчик: ВНИИПИпромстальконструкция, проект № 29700-140
1 - верхняя втулка; 2 - нижняя втулка; 3 - винт; 4 - откидной болт; 5 - винт
ТЕХНИЧЕСКАЯ ХАРАКТЕРИСТИКА
Диаметр скрепляемых стержней, мм 18...36
Масса, кг 8
Разработчик: ОАО ПКТИпромстрой, проект № 468
1 - кронштейн; 2 - упор
ТЕХНИЧЕСКАЯ ХАРАКТЕРИСТИКА
Длина, мм 210
Ширина, мм 80
Высота, мм 120
Масса, кг 3
Диаметр стыкуемых арматурных выпусков, мм 20...40
Разработчик: ЦНИИОМТП, проект № 839.09.000
1 и 2 - две половины; 3 - шестнадцать упорных винтов для закрепления кондукторов на пеньке; 4 - двенадцать винтов для установки колонны в проектное положение
При монтаже угловых и фасадных колонн кондуктор используется совместно с площадками угловыми (см. лист 29) и площадками фасадными (см. лист 28). Для извлечения кондуктора используется специальная траверса для извлечения одиночного конструктора по проекту № 321А ОАО ПКТИпромстрой
ТЕХНИЧЕСКАЯ ХАРАКТЕРИСТИКА
|
Трест Мосоргстрой |
ОАО ПКТИпромстрой |
||
|
№ проекта |
2050 |
215А |
212А |
|
Сечение колонн, мм |
400´ 400 |
300´450 |
350´550 |
|
В, мм |
720 |
1150 |
1260 |
|
Высота кондуктора (Н), мм |
1850 |
1700 |
1700 |
|
Масса, кг |
590 |
464 |
490 |
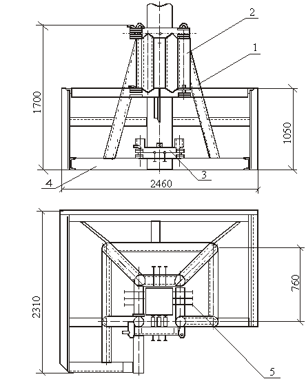
Предназначен для монтажа несущих элементов надземной части унифицированного безбалочного каркаса серии ИИ-70.
Состоит из двух секций: нижней (1) и верхней (2), нижняя секция состоит из корпуса (3) и четырех самооткидывающихся подмостей (4), верхняя секция состоит из площадок (5) и тросовинтовых захватов (6).
Групповой кондуктор может быть использовать для монтажа колонн серии КМС-101.
ТЕХНИЧЕСКАЯ ХАРАКТЕРИСТИКА
|
Групповой кондуктор на 4 колонны |
|
|
Шаг колонн, мм |
6000 |
|
Габаритные размеры, мм |
2520´2520´6000 |
|
Масса нижней секции (в транспортном положении), кг |
4430 |
|
Масса верхней секции (в транспортном положении), кг |
4300 |
|
Общая масса, кг |
8730 |
Разработчик: трест Мосоргпромстрой, проект № 207А.
Изготовитель: завод по ремонту башенных кранов объединения «Мосремстроймаш»
1 - корпус; 2 - фиксирующая муфта; 3 - откидная балка; 4 - площадка; 5 - винты
предназначен для монтажа одноярусных фасадных и угловых колонн.
ТЕХНИЧЕСКАЯ ХАРАКТЕРИСТИКА
Сечение колоны, мм 300´300
300´450
350´350
400´400
400´450
масса кондуктора, кг 793
Разработчик: ОАО ПКТИпромстрой (Авторское свидетельство № 651108), проект № 319А
Предназначена для монтажа колонн по территориальному каталогу ТК-3021. применяется совместно с кондуктором для монтажа одиночных колонн.
Состоит из корпуса (1), откидной балки (2) с винтом (3), двух откидных щитов (4) и восьми крепежных винтов (5).
ТЕХНИЧЕСКАЯ ХАРАКТЕРИСТИКА
Сечение колонны, мм 400´400
Высота площадки, (Н), мм 1600
Ширина площадки, (В), мм 2320
Длина площадки, (L), мм 2320
Масса, кг 390
Разработчик: Трест Мосоргстрой, № 2318
Предназначена для монтажа колонн по территориальному каталогу ТК-3021. применяется совместно с кондуктором для монтажа одиночных колонн.
Состоит из корпуса (1), двух откидных балок (2 и 3) с винтами (4 и 5), двух откидных щитов (6) и восьми крепежных винтов (7).
ТЕХНИЧЕСКАЯ ХАРАКТЕРИСТИКА
Сечение колонны, мм 400´400
Высота площадки, (Н), мм 1600
Ширина площадки, (В), мм 2170
Длина площадки
(L), мм 2320
(l), мм 1180
Масса, кг 410
Разработчик: Трест Мосоргстрой, проект № 2319
Предназначено для монтажа и выверки ограждающих элементов зданий (плит, располагаемых вертикально).
Состоит из сварной рамы (1), откидной балки (2) с винтами (3). Промежуточной балки (4) и двух тросовых подвесок (5), висящих на грузовых винтах (7).
ТЕХНИЧЕСКАЯ ХАРАКТЕРИСТИКА
Грузоподъемность, кгс 6500
Ход грузового винта, мм 240
Масса, кг 270
Разработчик: трест Мосоргпромстрой, проект № 232А
Изготовитель: завод по ремонту башенных кранов объединения «Мосремстроймаш»
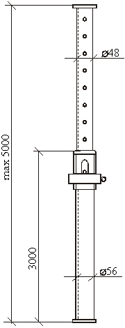
Применяется для строительства потолочных перекрытий
ТЕХНИЧЕСКАЯ ХАРАКТЕРИСТИКА
Расчетная продольная нагрузка, кг 450
Наибольшая высота при полностью
выдвинутой подвижной штанге, мм 5000
Наименьшая высота, мм 3300
Ход регулировки по высоте, мм 100
Плавная регулировка по высоте, мм 0:100
Ориентировочный вес, кг 25
ООО «МЕТАКОН»
Адрес поставщика: Москва, Дорожная ул., 1, вл. 1
Тел. 389-17-22; 389-09-44
ТЕХНИЧЕСКАЯ ХАРАКТЕРИСТИКА
Грузоподъемность, т 5,0
Ход силового винта, мм 350
Габариты, мм:
длина 800
ширина 560
высота 800...1150
Масса, кг 30
Разработчик: трест Мосоргинжстрой, проект № 78-007
ТЕХНИЧЕСКАЯ ХАРАКТЕРИСТИКА
Допускаемая нагрузка, кг/м2 300
Высота со сложенными опорами, м 1,0
Высота с откинутыми опорами, м 2,0
Длина площадки, м 5,3
Ширина площадки, м 2,5
Рабочая площадка, м2 13,25
масса, кг 770
Разработчик: Карачаровский мех. завод, проект № ПП6
Подмости предназначены для производства работ по устройству подвесных потолков и других отделочных работ внутри строящихся объектов.
Подмости состоят из двух секций, передней (1) и задней (2) позиций, ограждения (3), штурвала (4), настила деревянного (5), червячной передачи (6), вставки (7)
ТЕХНИЧЕСКАЯ ХАРАКТЕРИСТИКА
Грузоподъемность, кг 160
Высота настила от уровня пола, м 2100; 1850; 1600
Габариты настила, мм 630´1590
Скорость передвижения, м/мин до 4,5
Масса подмостей в сборе, кг 133,0
Разработчик: ОАО ПКТИпромстрой, проект № 1150
Подмости предназначены для выполнения наружных отделочных работ при возведении и ремонте зданий.
Подмости состоят из двух стоек, платформы с приводом подъема (опускания) и устройства для крепления подмостей к стене.
ТЕХНИЧЕСКАЯ ХАРАКТЕРИСТИКА
Наибольшая высота подъема, м 40
Ширина платформы, м 1,2
Скорость подъема (опускания), м/мин 4,55
Удельное давление опоры стойки на грунт, МПа (кг/м3) 0,3 (3)
Наибольшее расстояние между креплением стоек к зданию, м 9,6
Масса, кг 8000
Разработчик: СКБ Мосстрой, проект № 4520
Вышка предназначена для выполнения отделочных и ремонтных работ внутри помещений высотой до 6 м и для наружных работ.
Вышка состоит из рамы (1), металлоконструкции (2), щита настила (3), блока (4), лестницы (5), колес (6).
ТЕХНИЧЕСКАЯ ХАРАКТЕРИСТИКА
Допустимая нагрузка, Н (кг/м2) 2000 (200)
Высота до щита настила, м 4,0
Размер рабочей площадки, м:
для отдельной стоящей вышки 2,0´2,0
для сплошных подмостей 2,0´6,0
Габаритные размеры, мм 5200´2300´2250
Масса одной секции, кг 18,3
Общая масса, кг 414
Разработчик: Управление механизации отделочных работ Главмосстроя, проект № 318
Подмости передвижные
1 - основание; 2 - секция; 3 - связь; 4 - лестница; 5 - лестница; 6 - щит; 7 - связь
Предназначены для выполнения отделочных и ремонтных работ как снаружи, так и внутри жилых и общественных зданий высотой до 8 (10) м, а также для выполнения специальных работ - электромонтажных и санитарно-технических.
ТЕХНИЧЕСКАЯ ХАРАКТЕРИСТИКА
Допускаемая нагрузка, кгс 200
Размер рабочей площадки, мм 2000´2000
Наибольшая высота рабочего настила
(рабочей площадки) от пола, мм 6732 (8512)
Количество ярусов настила, шт. 2 (3)
Шаг яруса, мм 1780
Масса, кг 800 (940)
ООО «МЕТАКОН»
Адрес поставщика: Москва, ул. Дорожная, д.1, вл. 1
Тел. 389-17-22; 389-09-44
Вышка предназначена для выполнения отделочных и ремонтных работ.
Вышка состоит из секций (1), складывающейся рамы (2), опорных винтов (3), рояльных колес (4), диагональных связей (5), щитов настила (6), перил (7), подъемного блока (8), лестницы (9).
ТЕХНИЧЕСКАЯ ХАРАКТЕРИСТИКА
Допустимая нагрузка, Н /кг/м2 2000 (200)
Наибольшая высота рабочего настила, м 4,022
Масса, кг 590
Разработчик: АОЗТ ЦНИИОМТП, проект № 3241.08.000
Вышка предназначена для выполнения отделочных и ремонтных работ, а также электромонтажных, санитарно-технических и специальных работ.
Вышка состоит из секций (1), складывающейся рамы (2), опорных винтов (3), рояльных колес (4), диагональных связей (5), щитов настила (6), перил (7), подъемного блока (8), лестницы (9).
ТЕХНИЧЕСКАЯ ХАРАКТЕРИСТИКА
Допустимая нагрузка, Н (кг/м2) 2000 (200)
Наибольшая высота рабочего настила, м 8,512
Масса, кг 940
Разработчик: АОЗТ ЦНИИОМТП, проект № 3241.10.000
Люлька предназначена для выполнения сварочных работ при строительстве, отделке и ремонте фасадов зданий и сооружений.
ТЕХНИЧЕСКАЯ ХАРАКТЕРИСТИКА
Грузоподъемность, кг 300
Максимальная высота подъема, м 100
Скорость подъема, м/мин 5,3
Габаритные размеры люльки, мм:
длина 4425
ширина 935
высота 1815
Масса люльки (без консолей, канатов и сварочного поста), кг 415
Разработчик: СКБ Мосстрой, проект № 4781
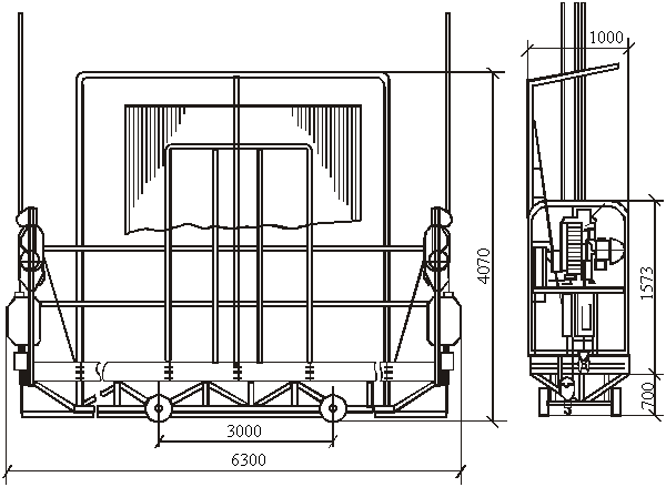
Люлька Л-100-600 предназначена для выполнения работ по остеклению зданий крупногабаритным стеклом с максимальными размерами 2,5´3 м
Люлька оборудована пирамидой для стекла, откидными сиденьями и тентом.
ТЕХНИЧЕСКАЯ ХАРАКТЕРИСТИКА
Грузоподъемность, кг 600
Высота подъема, м 100
Скорость подъема, м/мин 4,35
Консоли:
число, шт. 2
масса, кг 1451
Габаритные размеры люльки, мм:
длина 6300
ширина 1000
высота (с тентом) 2150 (3850)
Масса (с тентом и канатами), кг 760 (1200)
Разработчик: СКБ Мосстрой, проект № 4216
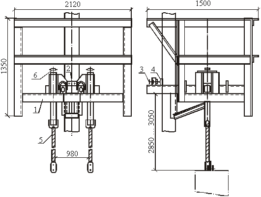
Люлька предназначена для подъема одного рабочего, строительных материалов и инструмента к рабочему месту при выполнении отделочных работ снаружи здания на высоте до 100 м.
На трубчатом каркасе установлены две электрические лебедки (1) и ручная (2), ловитель (3), ограничитель высоты подъема (4), четыре колеса (6), пульт управления (7).
Люлька подвешивается к консоли с помощью грузового и предохранительного канатов (5).
ТЕХНИЧЕСКАЯ ХАРАКТЕРИСТИКА
Грузоподъемность, кг 100
Наибольшая высота подъема, м 100
Масса, кг 165
Разработчик: СКБ Мосстрой, проект № 3449
Консоль универсальная КУ-2,5 предназначена для подвешивания люлек ЛЭ-100-300, ЛЭ-30-250 и др. с нагрузкой на консоль не более 550 кгс при вылете нагрузки до 2,5 м на зданиях с плоскими и скатными крышами.
ТЕХНИЧЕСКАЯ ХАРАКТЕРИСТИКА
Грузоподъемность на любом вылете, кг 550
Вылет, м:
минимальный 0,75
максимальный 2,5
Масса, кг:
консоли без контргрузов 184
контргрузов (общая при максимальном вылете) 700
разработчик: СКБ Мосстрой, проект № 4793
Предназначена для выполнения сварочных и монтажных работ при монтаже жилых зданий.
ТЕХНИЧЕСКАЯ ХАРАКТЕРИСТИКА
Допустимая нагрузка, кг 120
Габаритные размеры, мм:
длина 1475
ширина 1100
высота 2580
высота рабочего настила 1500
Масса, кг 55
Разработчик: ГП Мосоргстрой, проект № 1999 СМ
Предназначена для выполнения монтажных работ при монтаже жилых зданий.
ТЕХНИЧЕСКАЯ ХАРАКТЕРИСТИКА
Допустимая нагрузка, кг 100
Габаритные размеры, мм:
длина 1154
ширина 1153
высота 3700
высота рабочего настила 2700
разработчик: ГП Мосоргстрой, проект № 2646 С
Состоит из стоек (1), ступенек (2), балки настила (3), стоек ограждения (4,5).
Разработчик: ГП Мосоргстрой, проект № 3437
Предназначен для прохода монтажников в межферменном пространстве. Одновременно на мостике могут находиться не более двух человек. Мостик устанавливается по выверенным и закрепленным стальным и железобетонным фермам при шаге ферм 12 м и ширине пояса не менее 210 мм.
Состоит из мостика (1), ограждений (2), упоров (3).
ТЕХНИЧЕСКАЯ ХАРАКТЕРИСТИКА
|
Длина мостика L, мм |
Допускаемая нагрузка, кг |
Масса, кг |
|
|
29800-21 |
12000 |
200 |
951 |
|
29800-22 |
6000 |
200 |
385 |
Разработчик: ВНИИПИ ПСК, проекты № 29800-21, 29800-22
Предназначен для производства внутренних отделочных работ в помещениях высотой до 2,7 м, а также для работ на лестничных клетках.
Столик состоит из стоек (1), связей (2), съемных ограждений (3), деревянного настила (4). Стойки, связи и ограждения выполнены из труб. Стойки снабжены опорными втулками (5). На перилах ограждения установлены полки (6).
ТЕХНИЧЕСКАЯ ХАРАКТЕРИСТИКА
Допустимая нагрузка, Н (кг/м2) 1200 (120)
Габаритные размеры, мм:
длина 1335
ширина 660
высота 2400
Масса, кг 24
Разработчик: АОЗТ ЦНИИОМТП, проект № 3241.08.000
Предназначен для производства внутренних отделочных работ в помещениях на высоте до 2,7 м.
Столик состоит из секции (1), стойки (2), настила (3), снабжен лестницей (4) и имеет ограждение (5) и съемную полку (6) для рабочего инструмента. Столик может складываться в вертикальной плоскости.
ТЕХНИЧЕСКАЯ ХАРАКТЕРИСТИКА
Допустимая нагрузка, Н (кг/м2) 1500 (150)
Габаритные размеры, мм:
длина 756
ширина 1500
высота 900
Разработчик: АОЗТ ЦНИИОМТП, проект № 3241.07.000
Предназначена для производства монтажных и электромонтажных работ в помещениях высотой 2,8 - 5,0 м.
Состоит из двух составных частей: лестницы нижней (1) и лестницы верхней (2). При складывании лестница трансформируется в стремянку. Конструкция лестницы сварена из дюралюминиевых труб.
ТЕХНИЧЕСКАЯ ХАРАКТЕРИСТИКА
Грузоподъемность, кг 120
Высота, мм:
лестницы приставной 4840
лестницы стремянки 2640
Ширина лестницы, мм:
рабочего участка 418
основания 900
Габаритные размеры в транспортном положении, мм:
длина 2800
ширина 918
высота 324
Масса, кг 13
Разработчик: ЦНИИЭПСельстрой, проект № 322
Предназначена для выполнения отделочных работ внутри строящихся зданий. Изготовляется из газовых и стальных труб
ТЕХНИЧЕСКАЯ ХАРАКТЕРИСТИКА
Высота площадки, мм 1200
Габаритные размеры, мм:
длина 1000
ширина 500
высота 2200
Масса, кг 14
Разработчик: ГП Мосоргстрой, чертеж № 501.00.00
Предназначена для обеспечения удобства выполнения различных видов строительно-монтажных работ.
Состоит из стоек (1), штырей (2), поручней (4 и 5), ступеней (3) штырей (7).
ТЕХНИЧЕСКАЯ ХАРАКТЕРИСТИКА
Высота опорной площадки, мм 3000; 3250
Габаритные размеры, мм:
длина 1100; 850
ширина 600.600
высота 4000; 3000
Масса, кг 38,0; 24,3
Разработчик: АОЗТ ЦНИИОМТП, проект № 727-3.00.000
Предназначена для обеспечения удобства выполнения различных видов строительно-монтажных работ.
Состоит из двух стоек (1), поручней (2), промежуточных стоек (3), ступеней (4), штырей (5), наконечников (6).
ТЕХНИЧЕСКАЯ ХАРАКТЕРИСТИКА
Габаритные размеры, мм:
длина 1630
ширина 600
высота 5000
Масса, кг 56,4
Разработчик: АОЗТ ЦНИИОМТП, проект № 635-3.00.000
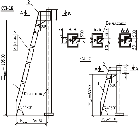
Предназначена для безопасного доступа рабочих к месту монтажа конструкций возводимого здания.
Состоит из нижней опоры секции (1), верхней секции с площадкой (2) и промежуточных секций (3, 4, 5, 6) длиной 1,2 м каждая.
ТЕХНИЧЕСКАЯ ХАРАКТЕРИСТИКА
|
Высота, Н (м) |
Расстояние, Е (м) |
Масса, кг |
|
|
СЛ-18 |
18,5 |
5,6 |
695 |
|
СЛ-17 |
17,3 |
5,3 |
649 |
|
СЛ-16 |
16,1 |
5,0 |
617 |
|
СЛ-15 |
14,9 |
4,6 |
571 |
|
СЛ-14 |
13,72 |
4,3 |
539 |
|
СЛ-12 |
12,52 |
4,0 |
507 |
|
СЛ-11 |
11,32 |
3,6 |
461 |
|
СЛ-10 |
10,13 |
3,3 |
430 |
|
СЛ-9 |
8,93 |
3,0 |
398 |
|
СЛ-8 |
7,74 |
2,6 |
366 |
|
СЛ-7 |
6,55 |
2,3 |
320 |
Разработчик: ОАО «Промстальконструкция», проект № 29800-03
Предназначена для подъема (спуска) монтажников с этажа на этаж при монтаже конструкций типовых многоэтажных зданий.
Состоит из металлоконструкции и узлов крепления к строительным конструкциям.
ТЕХНИЧЕСКАЯ ХАРАКТЕРИСТИКА
|
Марка лестницы |
Масса, кг |
|
|
7,2 |
Л-7,2 |
171 |
|
6,0 |
Л-6,0 |
140 |
|
4,8 |
Л-4,8 |
105 |
|
4,2 |
Л-4,2 |
94 |
|
3,6 |
Л-3,6 |
81 |
|
3,2 |
Л-3,3 |
74 |
Разработчик: ВНИПИ «Промстальконструкция», проект № 29800-04
а) с основными площадками длиной 2,3 м;
б) с основными площадками длиной 3 м;
в) с основными и дополнительными площадками.
Предназначена для выполнения любых монтажных операций на площадках соответствующих размеров, а также используется при закреплении конструкций практически всех одноэтажных зданий типовых серий.
Состоит из рабочей площадки (1), ствола лестницы (2), дополнительного элемента для изменения высоты лестницы на 340 и 680 мм (3), дополнительных верхнего (4), нижнего (5) упоров, дополнительной площадки (6), дополнительной секции (7).
Разработчик: ОАО «Промстальконструкция» - а.с. № 325332
Лестницы с ограждениями и без ограждений предназначены для навески на хомуты или элементы крепления, приваренные к колоннам, а также на вышерасположенную лестницу.
ТЕХНИЧЕСКАЯ ХАРАКТЕРИСТИКА
|
Марка |
Размеры, мм |
Масса, кг |
||||||
|
L |
lH |
lC |
lB |
lO |
B |
|||
|
1 |
Л-5 |
1490 |
150 |
1020 |
320 |
- |
400 |
14 |
|
2 |
Л-6 |
2850 |
150 |
2380 |
320 |
- |
400 |
24 |
|
3 |
Л-7 |
2850 |
150 |
2380 |
320 |
2400 |
400 |
44 |
|
4 |
Л-8 |
3870 |
150 |
3400 |
320 |
- |
400 |
31 |
|
5 |
Л-9 |
3870 |
150 |
3400 |
320 |
3300 |
400 |
55 |
|
6 |
Л-10 |
4100 |
200 |
3400 |
300 |
- |
400 |
34 |
|
7 |
Л-11 |
4100 |
200 |
3400 |
300 |
1950 |
400 |
54 |
Разработчик: ОАО «Промстальконструкция», проект № 15058
Предназначена для обеспечения удобства выполнения строительно-монтажных работ.
Состоит из лестницы (1), оголовка (2), вставки (3), штырей (4, 6), ступеней (5).
ТЕХНИЧЕСКАЯ ХАРАКТЕРИСТИКА
Габаритные размеры, мм:
длина 1335; 2090
ширина 676
высота 4345; 4645; 5260; 5860; 7060
Высота опорной площадки, мм 3300; 3600; 4200; 4800; 6000
Масса, кг 66,0; 69,0; 66,8; 74,1; 87,8
Разработчик: АОЗТ ЦНИИОМТП, проект № 638-3.00.000
Предназначена для подъема на следующий этаж монтажников и сварщиков при монтаже зданий из сборного железобетона. Изготовляется из угловой стали и стальных труб.
ТЕХНИЧЕСКАЯ ХАРАКТЕРИСТИКА
Габаритные размеры, мм:
ширина 570
высота 4750
Масса, кг 35
Разработчик: ГП Мосоргстрой, чертеж № 1644А
ТЕХНИЧЕСКАЯ ХАРАКТЕРИСТИКА
|
Наименование бадьи по ГОСТ 21807-76* |
БП-2,0 |
БП-1,6 |
БП-1,0 |
БП-0,5 |
|
Объем заливаемого бетона, м3 |
2,0 |
1,6 |
1,0 |
0,5 |
|
Масса, кг |
920 |
760 |
570 |
500 |
Разработчик: трест Мосоргинжстрой, № 78-067, 79-041, 83-3249
ТЕХНИЧЕСКАЯ ХАРАКТЕРИСТИКА
Длина, мм 1322
Ширина, мм 645
Высота, мм 650
Масса, кг 41,3
Разработчик: ПО Моспромстроймеханизация, проект № 2619
ТЕХНИЧЕСКАЯ ХАРАКТЕРИСТИКА
Длина, мм 1678
Ширина, мм 750
Высота, мм 522
Масса, кг 68
Масса принимаемого груза, кг 800
Разработчик: СКБ Мосстрой, проект № 5161
ТЕХНИЧЕСКАЯ ХАРАКТЕРИСТИКА
Грузоподъемность, кгс 2500
Количество отсеков, шт. 8
Габаритные размеры, мм:
длина 1508
ширина 642
высота 610
Масса (без груза), кг 150
Разработчик: ГП Мосоргстрой, проект № 1164М
ТЕХНИЧЕСКАЯ ХАРАКТЕРИСТИКА
Грузоподъемность, кг 2000
Габаритные размеры, мм:
длина 2000
ширина 600 - 1100
высота 1000
Масса, кг 280
Разработчик: ДСК № 3, проект № М21-00-000
ТЕХНИЧЕСКАЯ ХАРАКТЕРИСТИКА
Грузоподъемность, кг 1500
Габаритные размеры, мм:
длина 1100
ширина 1090
высота 900
Масса, кг 82
Разработчик: Карачаровский мех. завод, проект № Р408Б
Предназначен для подачи кирпича на поддонах к месту производства работ.
Состоит из двух полуфутляров (1, 2), имеющих открывающиеся стенки (3, 4) для разгрузки кирпича.
ТЕХНИЧЕСКАЯ ХАРАКТЕРИСТИКА
Емкость, поддон, шт. 2
Габариты, мм:
длина 1230
ширина 1180
высота 990
Масса, кг 86,2
Разработчик: трест Мосоргпромстрой, проект № 1201 (переработка рабочих чертежей проекта Р-408 Карачаровского механического завода).
Изготовитель: завод стройинструмента и оснастки.
Филиал № 1 Главмосмонтажспецстроя
ТЕХНИЧЕСКАЯ ХАРАКТЕРИСТИКА
Длина, мм 5040
Ширина, мм 6020
Ширина в транспортном положении, мм 2400
Высота, мм 2300
Длина опоры, мм 2000
Масса, кг 2143
Разработчик: ГП Мосоргстрой, проект № 3942А
ТЕХНИЧЕСКАЯ ХАРАКТЕРИСТИКА
Емкость кузова, л 120
Грузоподъемность, кг 200
Колеса от мотоцикла М-103
Количество колес, шт. 2
Шины, мм 65´484
Габаритные размеры, мм:
длина 1250
ширина 770
высота 950
Масса, кг 53
Разработчик: СКБ Мосстрой, проект № 2751
ТЕХНИЧЕСКАЯ ХАРАКТЕРИСТИКА
Емкость ящика, м3 0,08
Количество ходовых колес, шт. 2
Диаметр колеса, мм 250
Габаритные размеры, мм 1000´525´690
Масса, кг 26,3
Разработчик: УМ отделочных работ, проект № Р-57
Предназначены для перевозки груза как в строительстве, так и в качестве садового инвентаря при работах по озеленению территорий.
ТЕХНИЧЕСКАЯ ХАРАКТЕРИСТИКА
Вместимость кузова 90 л (до 200 кг)
Надувное колесо диаметр 400 мм
Труба рамы 32 мм
ООО «МЕТАКОН»
Адрес поставщика: Москва, ул. Дорожная, 1, вл. 1
Тел. 389-17-22, 389-09-44
Предназначена для затирки бетона затирочным кругом непосредственно после вибровакуумирования и для последующего шлифования поверхности бетона после набора им определенной прочности.
Состоит из корпуса (1), электродвигателя (2), редуктора (3),затирочного диска (4) и рукоятки (5).
ТЕХНИЧЕСКАЯ ХАРАКТЕРИСТИКА
Мощность электродвигателя, кВт 1,1/1,5
Напряжение источника питания
переменное 3 фазы 380 В, 50 Гц
количество шлифующих пластин, шт. 3
Масса машины, кг 57
Разработчик: трест Мосоргпромстрой, проект № 1101
Предназначен для вакуумирования горизонтальных поверхностей из свежеуложенного бетона.
Состоит из винилового полотна (1), фильтрующего элемента (2), патрубка (3) для соединения с вакуумнасосом, труб (4) для переноски и сворачивания мата.
ТЕХНИЧЕСКАЯ ХАРАКТЕРИСТИКА
Габаритные размеры мата, мм 6100´4000
Масса, кг 32
Разработчик: трест Мосоргпромстрой, проект № 1151
Предназначен для размещения сварочных материалов и сварочного оборудования на два сварочных поста для производства полуавтоматической сварки голой легированной проволокой, ручной дуговой сварки, полуавтоматической ванной сварки стыков арматуры.
Состоит из корпуса-контейнера (1), в котором расположены сварочный преобразователь типа ПГС-500 (2), трансформатор сварочный типа ТД-500 (3), два сварочный полуавтомата типа А-1114 с тележкой (4) электропечь для прокалки электродов (5), распределительный пульт (6).
ТЕХНИЧЕСКАЯ ХАРАКТЕРИСТИКА
Внутренняя площадь, м2 4,0
Высота помещения, м 1,95
Масса укомплектованного контейнера, кг 2180
Установленная мощность электрооборудования, кВт 62,3
Напряжение на вводе, В 380
Напряжение внутренней сети потребления
(освещение, ручной электроинструмент), В 42
Разработчик: трест Мосоргпромстрой, проект 425
Предназначен для хранения и перевозки нормокомплекта средств малой механизации и инструмента на строительной площадке.
Состоит из каркаса (1), кассет (2-4). Для удобства передвижения контейнер установлен на колеса (3, 6, 7). Длинномерный инструмент хранится в футлярах (8).
ТЕХНИЧЕСКАЯ ХАРАКТЕРИСТИКА
|
№ проекта |
Масса контейнера с инструментом |
Габариты |
|||
|
длина |
ширина |
высота |
|||
|
Для монтажа подвесных потолков |
903 |
168,0 |
|
|
|
|
Для малярных работ |
918 |
420,0 |
|
|
|
|
Для штукатурных работ |
919 |
446,0 |
1660 |
700 |
1500 |
|
Для плиточных работ |
923 |
247,0 |
|
|
|
|
Для паркетных работ |
926 |
230,0 |
|
|
|
Разработчик: трест Мосоргпромстрой
Предназначен для транспортировки жидких, сыпучих и штучных строительных материалов.
Состоит из тележки (1), двух колес (2) и съемного кузова (3).
ТЕХНИЧЕСКАЯ ХАРАКТЕРИСТИКА
Емкость кузова, м3 0,2
Габариты, мм:
длина 1370
ширина 680
высота 530
Масса, кг 36
Разработчик: трест Мосоргпромстрой, проект № 1143
Предназначен для хранения вяжущих материалов на строительной площадке.
Состоит из сварного корпуса (1), закрывающегося крышкой (2).
ТЕХНИЧЕСКАЯ ХАРАКТЕРИСТИКА
Габариты, мм:
длина 2080
ширина 2000
высота 1320
Масса, кг 431
Полезный объем, м3 4
Разработчик: трест Мосоргпромстрой, проект № 1200
Изготовитель: завод стройинструмента и оснастки, филиал № 1 Главмосмонтажспецстроя
1 - направляющий канат; 2 - барабан; 3 - переходные канаты
ТЕХНИЧЕСКАЯ ХАРАКТЕРИСТИКА
Допускаемая нагрузка, кг 600
Длина направляющего каната, м 12
Длина переходного каната, м 4
Количество переходных канатов, шт. 3
Масса, кг 20
Разработчик: ГП Мосоргстрой, проект № 4645Е
ТЕХНИЧЕСКАЯ ХАРАКТЕРИСТИКА
Длина, мм 2000
Ширина, мм 2000
Высота, мм 4000
Масса (без балласта), кг 250
Разработчик: ГП Мосоргстрой, проект № 1131М
Разработчик: Гипрооргсельстрой, проект № К-55046
1 - мусороприемник; 2 - воронка прямая; 3 - воронка левая; 4 - воронка правая; 5 - крепление мусоропровода.
Разработчик: ГП Мосоргстрой

Предназначен для эвакуации мусора, гарантируя при этом безопасность и защиту окружающей среды.
ТЕХНИЧЕСКАЯ ХАРАКТЕРИСТИКА
Предельная нагрузка цепи, кг 1000
Масса, м 8,6
Общая длина втулки, м 1,1
Рабочая длина втулки, м 1
Толщина стенки, мм 5
Толщина верхнего и нижнего бортов, мм 7,5
Толщина ребра жесткости, мм 2
Внутренний диаметр, мм 515/380
Наружный диаметр, мм 550/620
Материал изготовления - высокоплотный полиэтилен, обладающий повышенной прочностью, эластичностью и легкостью
ООО «МЕТАКОН»
Адрес поставщика: Москва, ул. Дорожная, 1, вл. 1
Тел. 389-17-22; 389-09-44
Разработчик: ГП Мосоргстрой
1. Крепление для опоры, предназначенное для установки изделий на окнах, выступах и т.п.
2. Крепление лесов, предназначенное для фиксации изделий к лесам, металлическим конструкциям и пр.
3. Рама для крепления на крыше с ровной поверхностью, предназначенное для установки на террасах, балконах и плитах.
ООО «МЕТАКОН»
Адрес поставщика: Москва, ул. Дорожная, 1, вл. 1
Тел. 389-17-22; 389-09-44
ТЕХНИЧЕСКАЯ ХАРАКТЕРИСТИКА
Количество шлангов, шт. 2
Мощность электропривода насоса, кВт 8
Габаритные размеры, мм:
длина 9190
ширина 3930
высота 716
Высота проезжей части, мм 243
Максимальное давление воды после насоса, МПа 1,5
Расход воды при максимальном давлении, л/мин до 80
Длина шланга моечного, м 10
Разработчик: ОАО ПКТИпромстрой
Установка городская для мойки колес автотранспорта представляет собой сборно-разборную эстакаду (1), состоящую из плиты дорожной (2), желоба сливного продольного (3) и желоба сливного поперечного (4) с баком водозаборным (5) и двумя баками-отстойниками (6, 7) и оснащена покупными установками: моечной модели М217 (8) и оборотного водоснабжения «Автосток» (9), а также электрошкафа (10) и шланга моечного (11).
Установка может быть смонтирована на любом строительном объекте как в заглубленном котловане, так и на насыпной площадке.
ТЕХНИЧЕСКАЯ ХАРАКТЕРИСТИКА
Установка моечная модель М217
Максимальное давление воды после насоса, МПа (кгс/см) 1,5 (15)
Расход воды при максимальном давлении, л/мин (м3/час) 80 (4,8)
Длина шланга моечного, м 10
Количество шлангов, шт. 2
Длина шланга водозаборного, м 8
Мощность электропривода, кВт 7,5
Установка оборотного водоснабжения «Автосток»
Производительность, м3/час 5
Мощность электропривода, кВт 3
Разработчик: ОАО ПКТИпромстрой