Настоящие технические условия распространяются на индустриальные конструкции, состоящие из теплового слоя, защитной оболочки, элементов крепления и предназначенные для тепловой изоляции промышленных сооружений, трубопроводов, резервуаров, дымовых труб, аппаратов и др. технологического оборудования, расположенного внутри помещения и на открытом воздухе
| Обозначение: | ТУ 36-1180-85 |
| Название рус.: | Индустриальные конструкции для промышленной тепловой изоляции трубопроводов, аппаратов и резервуаров |
| Статус: | действует |
| Заменяет собой: | ТУ 36-1180-78 |
| Дата актуализации текста: | 05.05.2017 |
| Дата добавления в базу: | 01.09.2013 |
| Дата введения в действие: | 01.01.1986 |
| Утвержден: | 14.11.1985 Главтепломонтаж (Glavteplomontazh ) |
| Опубликован: | ВНИПИТеплопроект (1985 г. ) |
МИНИСТЕРСТВО МОНТАЖНЫХ И СПЕЦИАЛЬНЫХ СТРОИТЕЛЬНЫХ РАБОТ СССР
ГЛАВТЕПЛОМОНТАЖ
|
ОКП 576 299 |
УДК 662.998:666.189.211 |
|
|
Группа Ж 15 |
|
|
|
|
|
УТВЕРЖДАЮ |
|
|
Главный инженер Главтепломонтажа __________ __________ 14.11. 1985 г. |
ИНДУСТРИАЛЬНЫЕ
КОНСТРУКЦИИДЛЯ ПРОМЫШЛЕННОЙ ТЕПЛОВОЙ
ИЗОЛЯЦИИ ТРУБОПРОВОДОВ, АППАРАТОВ И РЕЗЕРВУАРОВ
ТЕХНИЧЕСКИЕ УСЛОВИЯ
ТУ 36-1180-85
Взамен ТУ 36-1180-78
|
Срок введения |
с 01.01.86 г. |
|
СОГЛАСОВАНО |
|
|
Главный инженер треста ___________ М.А. Шейнблит |
ВНИПИТеплопроект (базовая
|
|
Главный инженер треста ___________ Э.Л. Блох |
Заместитель директора ___________ А.С. Панин |
|
Главный инженер треста ___________ Н.И. Рыбаков |
Главный специалист отдела ___________ В.В. Попова |
Настоящие технические условия распространяются на индустриальные конструкции, состоящие из теплоизоляционного слоя, защитной оболочки, элементов крепления и предназначенные для тепловой изоляции промышленных сооружений, трубопроводов, резервуаров, дымовых труб, аппаратов и др. технологического оборудования, расположенного внутри помещения и на открытом воздухе.
(Измененная редакция, Изм. № 1, № 9).
Индустриальные конструкции могут быть полносборными и комплектными.
(Измененная редакция, Изм. № 9).
Принятые в обозначениях конструкций сокращения наименований приведены в приложении 1.
Полносборная конструкция для трубопроводов представляет собой теплоизоляционное изделие, скрепленное или склеенное защитным покрытием (далее по тексту с защитной оболочкой) и оснащенное деталями крепления. При монтаже конструкцию устанавливают в проектное положение и фиксируют деталями крепления.
Комплектная конструкция для трубопроводов состоит из предварительно подготовленных по типоразмерам теплоизоляционных изделий, защитных оболочек и деталей крепления, собираемых на месте монтажа.
При толщине тепловой изоляции более 100 мм комплектная конструкция набирается из отдельных изделий, при этом наружный теплоизоляционный слой выполняется в виде полносборной конструкции. При монтаже вначале устанавливают теплоизоляционное изделие, а затем полносборную конструкцию и фиксируют их в этом положении крепежными деталями.
(Измененная редакция, Изм. № 1).
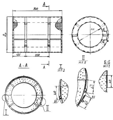
Индустриальные полносборные конструкции для аппаратов и резервуаров представляют собой панельные теплоизоляционные конструкции, состоящие из профилированной металлической защитной оболочки с прикрепленным к ней на шплинтах теплоизоляционным изделием. Конструкция оснащена несущими крепежными деталями (захватами и упорами) для установки конструкции в проектное положение.
Рисунки индустриальных теплоизоляционных конструкций для трубопроводов, аппаратов, резервуаров и дымовых труб приведены в приложении 2.
Конструктивные решения узлов сопряжения элементов металлической защитной оболочки изолируемых сооружений и оборудования цилиндрической формы, расположенных на открытом воздухе, приведены в приложении 2.1.
(Измененная редакция, Изм. № 9).
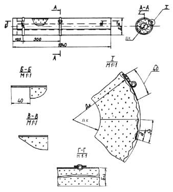
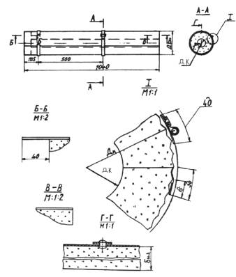
На рисунках приведено чертежное наименование индустриальных конструкций. Шифр индустриальных конструкций включает: сокращенное наименование конструкции (вид поставки), вид крепления теплоизоляционного слоя к защитной оболочке, вид теплоизоляционного изделия, материал защитной оболочки, диаметр трубопровода, для которого предназначена конструкция, и толщину теплоизоляционного слоя.
(Измененная редакция, Изм. № 1).
Конструктивные решения полносборных и комплектных конструкций в зависимости от вида объекта и применяемых материалов приведены в типовой серии 3.903-14 "Конструкции индустриальные промышленной тепловой изоляции. Выпуск 1. Рабочие чертежи из 2-х частей".
(Измененная редакция, Изм. № 1, № 2).
Пример записи при заказе индустриальных конструкций для промышленной тепловой изоляции:
1. Конструкция теплоизоляционная полносборная с клеевым креплением, с теплоизоляционным слоем из полотна холстопрошивного, с покрытием из ленты алюминиевой, наружным диаметром трубопровода 48 мм с толщиной изоляции 40 мм КТП-К-Х-АГ 0,3-48-40 ТУ 36-1180-85.
(Измененная редакция, Изм. № 1).
2. Конструкция теплоизоляционная комплектная без крепления теплоизоляционного слоя к оболочке, из цилиндров минераловатных с оболочкой из алюминиевого листа толщиной 0,5 мм, с наружным диаметром трубопровода 89 мм и толщиной изоляции 40 мм КТК-БК-Ц-А 0,5-89-40 ТУ 36-1180-85.
(Измененная редакция, Изм. № 1).
3. Конструкция теплоизоляционная полносборная панельная с шплинтовым креплением, тепловая изоляция - маты минераловатные в обкладке из металлической сетки, оболочка - профилированный лист алюминиевый толщиной 1 мм, шириной 1040 мм, длиной 3020 мм, толщина изоляции 80 мм КТПП-III-ММС-АI-1040-3020-80 ТУ 36-1180-85.
1.1. Индустриальные конструкции для промышленной тепловой изоляции трубопроводов, аппаратов и резервуаров должны соответствовать требованиям настоящих технических условий и комплекта типовой документации серии 3.903-14.
(Измененная редакция, Изм. № 1, № 2).
1.2. Основные параметры и размеры
1.2.1. Размеры индустриальных конструкций для промышленной тепловой изоляции трубопроводов, аппаратов и резервуаров должны соответствовать требованиям комплекта типовой документации, серия 3.903-14.
(Измененная редакция, Изм. № 2).
1.2.2. Допустимые отклонения по длине конструкций для трубопроводов при номинальных размерах 300 ... 1040 мм должны быть в пределах ± 10 мм.
По согласованию с заказчиком допускается изготовление конструкций для трубопроводов другой длины весом не более 20 кг.
(Измененная редакция, Изм. № 1).
1.2.3. (Отменен, Изм. № 1).
1.2.4. (Отменен, Изм. № 1).
1.2.5. Допустимое отклонение величины нахлеста продольных кромок защитных оболочек конструкций трубопроводов при стянутой конструкции до положения контрольной линии, при номинальном размере 30 и 40 мм, должно быть в пределах ± 3 мм.
1.2.6. Допустимое отклонение величины смещения торца защитной оболочки (со стороны нахлеста), относительно торца теплоизоляционного изделия, в конструкциях для трубопроводов, при номинальном размере нахлеста 30 и 40 мм, должно быть в пределах ± 10 мм.
(Измененная редакция, Изм. № 1).
1.2.7. Допустимое отклонение по длине панельных конструкций для аппаратов и резервуаров при номинальных размерах до 3500 мм должны быть в пределах ± 10 мм.
Примечание. По согласованию с заказчиком допускается изготовление панельных конструкций для аппаратов и резервуаров отличной от чертежной длины, но не более 3500 мм.
(Измененная редакция, Изм. № 1).
1.2.8. Допускаемое отклонение по ширине конструкций для аппаратов и резервуаров при номинальных размерах до 1040 мм должно быть в пределах ± 6 мм.
1.2.9. Допустимое отклонение в размере отгиба продольной кромки защитной оболочки в панельных конструкциях для аппаратов и резервуаров при номинальном размере 20 мм, должно быть в пределах ± 3 мм.
1.2.10. Допустимое отклонение расстояния от продольной кромки панельных конструкций для аппаратов и резервуаров до оси отверстия под установку штыря в захвате и до оси штыря в упоре, при номинальном размере 80 мм, должно быть в пределах ± 2 мм.
1.2.11. Допустимое отклонение расстояния между осями отверстий под установку штырей в захватах и между осями штырей в упорах, при установленных захватах и упорах, в конструкциях для аппаратов и резервуаров при номинальном размере 774 мм, должно быть в пределах ± 5 мм.
Примечание. Указанный размер у заказчика не контролируется.
1.2.12. Допустимое отклонение расположения верхней полки захватов относительно верхней кромки конструкций для аппаратов и резервуаров должно быть в пределах ± 2 мм.
1.3. Характеристики
1.3.1. Материалы, применяемые для изготовления индустриальных конструкций промышленной тепловой изоляции, должны удовлетворять требованиям соответствующих стандартов или технических условий, что подтверждается сопроводительной документацией (сертификатами) предприятий поставщиков.
Примечание. При отсутствии сертификатов качество материала подтверждается протоколом лабораторных испытаний, удостоверяющих соответствие характеристик испытуемого материала требованиям стандарта или технических условий на его поставку.
1.3.2. Применяемые для изготовления индустриальных конструкций промышленной тепловой изоляции теплоизоляционные материалы и изделия должны удовлетворять требованиям соответствующих стандартов и технических условий, указанных в приложении 3.
1.3.3. Применяемые для изготовления индустриальных конструкций промышленной тепловой изоляции материалы защитных оболочек должны удовлетворять требованиям соответствующих стандартов и технических условий, указанных в приложении 4.
1.3.4. Применяемые для крепления индустриальных конструкций промышленной тепловой изоляции изделия и материалы должны удовлетворять требованиям соответствующих стандартов, указанных в приложении 5.
1.3.5. Применяемые для приклеивания теплоизоляционных изделий к защитным оболочкам клей и материалы, предназначенные для антикоррозионного покрытия стальной ленты, используемой для изготовления бандажей, должны удовлетворять требованиям соответствующих стандартов, указанных в приложении 6.
1.3.6. Защитные оболочки и детали крепления к ним не должны иметь заусенцев.
1.3.7. В блочных конструкциях для трубопроводов и в конструкциях для аппаратов и резервуаров не должно быть трещин в местах изгибов полок и в профилирующих выступах металлических листов оболочки.
1.3.8. Лицевая сторона защитных оболочек, изготовленных из листов алюминия и алюминиевых сплавов, должна быть без трещин, вмятин, расслоений, пузырей и пережога, пятен коррозионного происхождения, допускаются цвета побежалости.
1.3.9. Лицевая сторона защитных оболочек, изготовленных из стали тонколистовой, должна быть чистой, гладкой со сплошным оцинкованным покрытием, без вмятин.
1.3.10. В полносборных конструкциях теплоизоляционные изделия должны быть прочно соединены с защитной оболочкой шплинтами или с помощью клея.
1.3.11. Клепаные соединения узлов и деталей к профилированному листу, должны быть надежными. Шатание упоров, захватов, кронштейнов (карнизов) и штырей относительно профилированного листа не допускается.
1.4. Подготовка продукции к упаковке
1.4.1. Конструкция для трубопроводов полносборная с наружным диаметром до 650 мм (за исключением блочных фланцевых и конструкций с дополнительным теплоизоляционным изделием) после приемки партии ОТК свертывается и фиксируется в таком положении бандажами, входящими в комплект конструкции, или вспомогательными материалами согласно технологии предприятия-изготовителя.
(Измененная редакция, Изм. № 1).
1.4.2. Конструкция для трубопроводов полносборная, в состав которой не входят бандажи, после приемки партии, свертывается в рулон и фиксируется в таком положении вспомогательными материалами согласно технологии предприятия-изготовителя.
(Измененная редакция, Изм. № 1).
1.4.3. Конструкция для трубопроводов полносборная блочная, после приемки партии, собирается из двух половин (нижней и верхней) и через крайние отверстия в полках оболочки крепятся вязальной проволокой.
(Измененная редакция, Изм. № 1).
1.4.4. Конструкция полносборная для фланцевого соединения и арматуры фланцевой, после приемки партии, складывается из двух половин (верхней и нижней) и крепится в таком положении замками или бандажами, входящими в комплект конструкции.
(Измененная редакция, Изм. № 1).
1.4.5. Конструкция для трубопроводов полносборная с наружным диаметром более 650 мм не подвергается подготовке к упаковке.
1.4.6. Конструкция для трубопроводов комплектная многослойная с наружным диаметром более 650 мм, после приемки разбирается. Верхний элемент конструкции вкладывается в нижний. Внутреннее теплоизоляционное изделие свертывается и фиксируется в таком положении вспомогательными материалами, согласно технологии предприятия-изготовителя, а затем вкладывается в верхний элемент. Полученный комплект закрепляется в двух местах вспомогательными материалами.
(Измененная редакция, Изм. № 1).
1.4.7. Конструкция для трубопроводов многослойная комплектная диаметром менее 650 мм, состоящая из конструкции полносборной (наружной) и дополнительных теплоизоляционных слоев, после приемки партии свертывается и закрепляется бандажами, входящими в комплект конструкции, при этом дополнительные теплоизоляционные слои помещают внутрь конструкции.
(Измененная редакция, Изм. № 1).
1.4.8. Конструкция для трубопроводов комплектная, из теплоизоляционных изделий, выполненных в виде цилиндров или прошивных матов, после приемки партии свертывается и фиксируется в таком положении бандажами, входящими в комплект конструкции.
(Измененная редакция, Изм. № 1).
1.5. Комплектность
1.5.1. В комплект поставки входят:
1) индустриальная конструкция для промышленной тепловой изоляции полносборная или комплектная;
2) паспорт, заполненный на партию принятых конструкций.
(Измененная редакция, Изм. № 1).
1.5.2. В паспорте указывают:
наименование предприятия-изготовителя;
наименование конструкций;
обозначение конструкций;
количество конструкций в партии;
номер настоящих технических условий;
дату выпуска конструкций;
подпись начальника ОТК и штамп ОТК предприятия-изготовителя.
(Измененная редакция, Изм. № 1).
1.5.3. Конструкции для аппаратов и резервуаров поставляются комплектно. Заказчику поставляют: профилированные листы, шплинты (для крепления теплоизоляционных прошивных матов), несущий крепеж (захваты и упоры), заклепки и маты минераловатные прошивные.
Предусмотренные сборочными чертежами винты самонарезающие для крепления кромок оболочек, в комплект поставки предприятия-изготовителя индустриальных конструкций не входят.
1.5.4. - 1.7.6. (Отменены, Изм. № 1).
6.1. Индустриальные конструкции для промышленной тепловой изоляции трубопроводов, аппаратов и резервуаров должны быть приняты отделом технического контроля предприятия-изготовителя.
6.2. Предприятие-изготовитель гарантирует соответствие индустриальных конструкций требованиям настоящих технических условий при соблюдении потребителем правил транспортирования, хранения и эксплуатации, установленных техническими условиями.
6.3. Гарантийный срок хранения индустриальных конструкций соответствует гарантийным срокам хранения теплоизоляционных материалов, из которых они изготовлены.
Перечень
сокращений наименований,
принятых в настоящих технических условиях
1. Типы конструкций
|
КТП |
- конструкция теплоизоляционная полносборная (в которой теплоизоляционный слой закреплен к защитной оболочке шплинтами или клеем |
|
КТК |
- конструкция теплоизоляционная комплектная (в которой теплоизоляционный слой не крепится к оболочке, в комбинированных конструкциях первый наружный слой закреплен к оболочке) |
|
КТПБ |
- конструкция теплоизоляционная полносборная блочная |
|
КТКБ |
- конструкция теплоизоляционная комплектная блочная |
|
КТПФл |
- конструкция теплоизоляционная полносборная фланцевая |
|
КТП Аф |
- конструкция теплоизоляционная полносборная блочная для арматуры фланцевой |
|
КТПАМ |
- конструкция теплоизоляционная полносборная для арматуры муфтовой |
|
КТПП |
- конструкция теплоизоляционная полносборная панельная |
|
КТППК |
- конструкция теплоизоляционная полносборная панельная карнизная |
|
КТКП |
- конструкция теплоизоляционная комплектная панельная |
|
КТКПК |
- конструкция теплоизоляционная комплектная панельная карнизная |
|
КТПБП |
- конструкция теплоизоляционная полносборная блочно-панельная |
2. Вид соединения тепловой изоляции с оболочкой
|
К |
- клеевое крепление тепловой изоляции к оболочке |
|
Ш |
- шплинтовое крепление тепловой изоляции к оболочке |
|
БК |
- без крепления |
3. Теплоизоляционный материал
|
БХ |
- холст микротонкий стеклянного штапельного волокна (базальтовый) |
|
МШ |
- маты из стеклянного штапельного волокна |
|
ПМ |
- плиты минераловатные |
|
ВС |
- маты вертикально-слоистые |
|
МС |
- маты минераловатные прошивные на стеклосетке |
|
ММС |
- маты минераловатные прошивные на металлической сетке |
|
Х |
- холст прошивной |
|
Ц |
- цилиндр минераловатный |
|
МБ |
- маты минераловатные прошивные без обкладок |
|
ИГС |
- изделия минераловатные гофрированной структуры |
|
МР |
- маты минераловатные рулонированные |
|
МРП |
- маты минераловатные рулонированные прошивные |
|
ИПС |
- полотно игло-пробивное стеклянное |
|
ПМП |
- пакет минераловатный прошивной |
|
ММПС |
- маты минераловатные прошивные строительные |
|
МР |
- маты рулонированные |
(Измененная редакция, Изм. № 1, № 2, № 3, № 4, № 7).
4. Материал оболочки
|
А |
- оболочка из алюминиевого листа |
|
С |
- оболочка из стального оцинкованного листа |
|
АГ |
- оболочка из ленты алюминиевой гофрированной |
|
ФД |
- оболочка из фольги алюминиевой дублированной |
|
АПМ |
- оболочка из армопластмассовых материалов |
|
РСТ |
- рулонный стеклопластик для теплоизоляции |
|
ФИ |
- оболочки из фольгоизола |
|
ФР |
- оболочки из фольгорубероида |
|
СТПЛ |
- оболочки из стеклотекстолита покровного листового |
|
СЦТ |
- оболочки из стеклоцемента текстолитового |
|
СП |
- оболочка из стали рулонной холоднокатаной с полимерным покрытием |
|
ЭОЦ |
- оболочка из стали тонколистовой холоднокатаной гальванически оцинкованной |
|
ЭОЦП |
- оболочка из стали тонколистовой холоднокатаной гальванически оцинкованной с полимерным покрытием |
|
ПО |
- оболочка из пленки огнестойкой |
|
Р |
- оболочка из рубероида |
(Измененная редакция, Изм. № 1, № 2, № 4).
КОНСТРУКЦИЯ
ТЕПЛОИЗОЛЯЦИОННАЯ ПОЛНОСБОРНАЯ
КТП-К-БХ-А0,8

Рис. 1
(Измененная редакция, Изм. № 1).
КОНСТРУКЦИЯ
ТЕПЛОИЗОЛЯЦИОННАЯ ПОЛНОСБОРНАЯ
КТП-К-ВС-А0,8

Рис. 2
(Измененная редакция, Изм. № 1).
КОНСТРУКЦИЯ
ТЕПЛОИЗОЛЯЦИОННАЯ ПОЛНОСБОРНАЯ
КТП-К-ВС-А0,8

Рис. 3
(Измененная редакция, Изм. № 1).
КОНСТРУКЦИЯ
ТЕПЛОИЗОЛЯЦИОННАЯ КОМПЛЕКТНАЯ
КТК-К-2ВС(МС)-А0,8

Рис. 4
(Измененная редакция, Изм. № 1).
КОНСТРУКЦИЯ
ТЕПЛОИЗОЛЯЦИОННАЯ КОМПЛЕКТНАЯ
КТК-К-2МС-А0,8

Рис. 5
(Измененная редакция, Изм. № 1).
КОНСТРУКЦИЯ
ТЕПЛОИЗОЛЯЦИОННАЯ ПОЛНОСБОРНАЯ
КТП-Ш-МС-А0,8

Рис. 6
(Измененная редакция, Изм. № 1).
КОНСТРУКЦИЯ
ТЕПЛОИЗОЛЯЦИОННАЯ ПОЛНОСБОРНАЯ
КТП-Ш-ММС-А0,8

Рис. 7
(Измененная редакция, Изм. № 1).
КОНСТРУКЦИЯ
ТЕПЛОИЗОЛЯЦИОННАЯ ПОЛНОСБОРНАЯ
КТП-Ш-МС-А0,8

Рис. 8
(Измененная редакция, Изм. № 1).
КОНСТРУКЦИЯ
ТЕПЛОИЗОЛЯЦИОННАЯ КОМПЛЕКТНАЯ
КТК-Ш-2МС-А0,8

Рис. 9
(Измененная редакция, Изм. № 1).
КОНСТРУКЦИЯ
ТЕПЛОИЗОЛЯЦИОННАЯ КОМПЛЕКТНАЯ
КТК-Ш-2МС-А0,8

Рис. 10
(Измененная редакция, Изм. № 1).
КОНСТРУКЦИЯ
ТЕПЛОИЗОЛЯЦИОННАЯ ПОЛНОСБОРНАЯ
КТП-К-БХ-А0,5

Рис. 11
КОНСТРУКЦИЯ
ТЕПЛОИЗОЛЯЦИОННАЯ ПОЛНОСБОРНАЯ
КТП-К-Х-А0,5

Рис. 12
(Рис. 13 отменен, Изм. № 2)
КОНСТРУКЦИЯ
ТЕПЛОИЗОЛЯЦИОННАЯ КОМПЛЕКТНАЯ
КТК-БК-Ц-А0,5

Рис. 14
(Измененная редакция, Изм. № 1).
КОНСТРУКЦИЯ
ТЕПЛОИЗОЛЯЦИОННАЯ ПОЛНОСБОРНАЯ
КТП-К-Х-АГ

Рис. 15
КОНСТРУКЦИЯ
ТЕПЛОИЗОЛЯЦИОННАЯ ПОЛНОСБОРНАЯ
КТП-К-БХ-АГ

Рис. 16
КОНСТРУКЦИЯ
ТЕПЛОИЗОЛЯЦИОННАЯ КОМПЛЕКТНАЯ
КТК-БК-Ц-АГ

Рис. 17
(Измененная редакция, Изм. № 1).
КОНСТРУКЦИЯ
ТЕПЛОИЗОЛЯЦИОННАЯ КОМПЛЕКТНАЯ
КТК-К-Ц-ФД

Рис. 18
(Измененная редакция, Изм. № 1).
КОНСТРУКЦИЯ
ТЕПЛОИЗОЛЯЦИОННАЯ ПОЛНОСБОРНАЯ
КТП-К-ВС-ФД

Рис. 19
(Измененная редакция, Изм. № 1).
КОНСТРУКЦИЯ
ТЕПЛОИЗОЛЯЦИОННАЯ ПОЛНОСБОРНАЯ
КТП-К-БХ-РСТ

Рис. 20
(Измененная редакция, Изм. № 1).
КОНСТРУКЦИЯ
ТЕПЛОИЗОЛЯЦИОННАЯ ПОЛНОСБОРНАЯ
КТП-К-МС-РСТ

|
|
|
|
|
|
|
|
или |
|||
Рис. 21
(Измененная редакция, Изм. № 1).
КОНСТРУКЦИЯ
ТЕПЛОИЗОЛЯЦИОННАЯ ПОЛНОСБОРНАЯ
КТП-К-ВС-РСТ

Рис. 22
(Измененная редакция, Изм. № 1).
КОНСТРУКЦИЯ
ТЕПЛОИЗОЛЯЦИОННАЯ КОМПЛЕКТНАЯ
КТП-К-Ц-РСТ

Рис. 23
(Измененная редакция, Изм. № 1).
КОНСТРУКЦИЯ
ТЕПЛОИЗОЛЯЦИОННАЯ ПОЛНОСБОРНАЯ
КТП-Ш-ММС-А1,0

Рис. 24
(Измененная редакция, Изм. № 1).
КОНСТРУКЦИЯ
ТЕПЛОИЗОЛЯЦИОННАЯ КОМПЛЕКТНАЯ
КТКП-Ш-2ММС-А1,0

Рис. 25
(Измененная редакция, Изм. № 1).
КОНСТРУКЦИЯ
ТЕПЛОИЗОЛЯЦИОННАЯ КОМПЛЕКТНАЯ
КТК-Ш-3ММС-А1,0

Рис. 26
(Измененная редакция, Изм. № 1).
КОНСТРУКЦИЯ
ТЕПЛОИЗОЛЯЦИОННАЯ ПОЛНОСБОРНАЯ
БЛОЧНАЯ КТПБ-К-ВС-А0,8

Рис. 27
(Измененная редакция, Изм. № 1).
КОНСТРУКЦИЯ
ТЕПЛОИЗОЛЯЦИОННАЯ КОМПЛЕКТНАЯ
БЛОЧНАЯ КТКБ-БИ-Ц-А0,8

Рис. 28
(Измененная редакция, Изм. № 1).
КОНСТРУКЦИЯ
ТЕПЛОИЗОЛЯЦИОННАЯ КОМПЛЕКТНАЯ
БЛОЧНАЯ КТПБ-Щ-ВС-А0,8

Рис. 29
(Измененная редакция, Изм. № 1).
КОНСТРУКЦИЯ
ТЕПЛОИЗОЛЯЦИОННАЯ ПОЛНОСБОРНАЯ
КТПАМ-Ш-МС-А0,5

Рис. 30
(Измененная редакция, Изм. № 1).
КОНСТРУКЦИЯ
ТЕПЛОИЗОЛЯЦИОННАЯ ПОЛНОСБОРНАЯ
КТПФл-Ш-ММС-А0,8

Рис. 31
(Измененная редакция, Изм. № 1).
КОНСТРУКЦИЯ
ТЕПЛОИЗОЛЯЦИОННАЯ ПОЛНОСБОРНАЯ
КТПФл-Ш-ММС-А0,8

Рис. 32
(Измененная редакция, Изм. № 1).
КОНСТРУКЦИЯ
ТЕПЛОИЗОЛЯЦИОННАЯ ПОЛНОСБОРНАЯ
КТПАФ-Ш-ММС-А1,0

Рис. 33
(Измененная редакция, Изм. № 1).
КОНСТРУКЦИЯ
ТЕПЛОИЗОЛЯЦИОННАЯ ПОЛНОСБОРНАЯ
КТПАФ-Ш-ММС-А1,0

Рис. 34
(Измененная редакция, Изм. № 1).
КОНСТРУКЦИЯ
ТЕПЛОИЗОЛЯЦИОННАЯ ПОЛНОСБОРНАЯ ПАНЕЛЬНАЯ
КТПП-Ш-ММС-А1-1040´3020-80

Рис. 35
КОНСТРУКЦИЯ
ТЕПЛОИЗОЛЯЦИОННАЯ ПОЛНОСБОРНАЯ ПАНЕЛЬНАЯ
КТПП-Ш-ММС-А1-653´2000-80

Рис. 36
КОНСТРУКЦИЯ
ТЕПЛОИЗОЛЯЦИОННАЯ ПОЛНОСБОРНАЯ ПАНЕЛЬНАЯ
КТПП-Ш-ММС-А1-387´2000-80

Рис. 37
КОНСТРУКЦИЯ
ТЕПЛОИЗОЛЯЦИОННАЯ ПОЛНОСБОРНАЯ
БЛОЧНО-ПАНЕЛЬНАЯ
КТПБП-Ш-ММС-А1-540´540-60

Рис. 38
КОНСТРУКЦИЯ
ТЕПЛОИЗОЛЯЦИОННАЯ ПОЛНОСБОРНАЯ
ПАНЕЛЬНАЯ ПРИКАРНИЗНАЯ
КТППК-Ш-ММС-А1-1040´2850-40

Рис. 39
Конструкция теплоизоляционная комплектная для изоляции резервуаров, газгольдеров, хранилищ и др. сооружений цилиндрической формы, состоящая из минераловатных плит марки 125 или минераловатных прошивных матов и защитной оболочки из стального оцинкованного профилированного листа шириной 1000 мм.
КТК-БК-ПМ(ММС)-С-1000-l
|
|
|
|
|
|
Рис. 40
(Введен дополнительно, Изм. № 9).
Конструкция теплоизоляционная комплектная для изоляции резервуаров, состоящая из минераловатных прошивных матов в обкладке из металлической сетки и защитной оболочки из стального оцинкованного профилированного листа шириной 1000 мм.
КТК-БК-ММС-С-1000-l
|
|
|
|
|
|
Рис. 41
(Введен дополнительно, Изм. № 9).
Конструкция теплоизоляционная комплектная для изоляции четырех внутренних металлических газоотводящих стволов железобетонных дымовых труб, состоящая из минераловатных плит марки 125 и металлической сетки.
КТК-БК-ПМ-Металлическая сетка (стеклопластик)
|
|
|
|
|
Рис. 42
(Введен дополнительно, Изм. № 9).
Конструкция теплоизоляционная комплектная для изоляции дымовых сборных металлических труб, состоящая из минераловатных плит марки 125 или прошивных матов и стеклопластика.
КТК-БК-ПМ(ММС)-стеклопластик
|
|
|
|
|
Рис. 43
(Введен дополнительно, Изм. № 9).
(Введено дополнительно, Изм. № 9).
Узлы
сопряжения элементов металлической защитной оболочки изолируемых
сооружений и оборудования цилиндрической формы
|
Наименование объекта |
Вид сопряжения |
Примечание |
|
1 |
2 |
3 |
|
Трубопроводы. Продольные и поперечные швы защитных оболочек |
|
В продольных швах горизонтальных и вертикальных трубопроводов при диаметре изоляции не менее 200 мм |
|
|
В продольных швах горизонтальных и вертикальных трубопроводов при диаметре изоляции более 200 мм и в поперечных швах горизонтальных трубопроводов при диаметре изоляции более 600 мм |
|
|
|
В поперечных швах горизонтальных трубопроводов при диаметре изоляции менее 600 мм и при устройстве температурных швов при любом диаметре изоляции |
|
|
|
В поперечных швах прямых участков горизонтальных трубопроводов при диаметре изоляции менее 200 мм и в поперечных швах криволинейных участков трубопроводов наружных установок |
|
|
|
В поперечных швах криволинейных участков трубопроводов наружных установок |
|
|
|
В поперечных швах горизонтальных и вертикальных трубопроводов при диаметре изоляции свыше 600 мм |
|
|
|
В поперечных швах вертикальных трубопроводов: · при диаметре изоляции менее 600 мм (а) · при диаметре изоляции более 600 мм (б) |
|
|
|
В торцовых швах горизонтальных и вертикальных трубопроводов у фланцевых соединений |
|
|
Аппараты горизонтальные и вертикальные. Продольные и поперечные швы защитных оболочек |
|
В поперечных швах горизонтальных аппаратов |
|
|
В поперечных швах горизонтальных аппаратов |
|
|
|
В продольных швах горизонтальных аппаратов |
|
|
|
При креплении днищ горизонтальных аппаратов к цилиндрической части |
|
|
|
В торцовых швах в горизонтальных аппаратах у фланцевых соединений |
|
|
|
В поперечных швах вертикальных аппаратов |
|
|
|
В продольных швах вертикальных аппаратов |
|
|
|
При креплении верхнего "а" и нижнего днищ "б" и "в" вертикальных аппаратов к его цилиндрической части |
|
|
|
А-А в продольных швах днищ вертикальных и горизонтальных аппаратов |
|
|
|
Б-Б для соединения шва накладки днища вертикальных и горизонтальных аппаратов В-В при креплении накладки к днищу вертикальных и горизонтальных аппаратов |
|
|
Сооружения и оборудование цилиндрической формы. |
|
В узлах врезки трубы (люка, штуцера) на вертикальной стенке объекта |
|
|
В узлах сопряжения тепловой изоляции с элементами смотровых люков |
Теплоизоляционный
материал и изделия,
применяемые при изготовлении индустриальных конструкций
промышленной тепловой изоляции
|
Наименование стандарта |
Обозначение стандартов |
|
1. Цилиндры и полуцилиндры теплоизоляционные из минеральной ваты на синтетическом связующем. Технические условия |
ГОСТ 23208-83 |
|
2. Маты прошивные из минеральной ваты теплоизоляционные. Технические условия |
ГОСТ 21880-94 |
|
3. Плиты теплоизоляционные из минеральной ваты на синтетическом связующем. Технические условия |
ГОСТ 9573-82 |
|
4. Маты теплоизоляционные из минеральной ваты вертикально-слоистые. Технические условия |
ГОСТ 23307-78 |
|
5. Изделия теплоизоляционные из стеклянного штапельного волокна. Технологические условия |
ГОСТ 10499-78 |
|
6. Полотно холстопрошивное из отходов стеклянного волокна |
ТУ 6-11-454-77 |
|
7. Холсты из микро-, ультра-, супертонких, стекло-микрокристаллических стеклянных штапельных волокон из горных пород |
РСТ УССР 5013-81 |
|
8. Изделия минераловатные с гофрированной структурой для промышленной тепловой изоляции |
ТУ 36.16.22-8-86 |
|
9. Маты минераловатные рулонированные на синтетическом связующем |
ТУ 36.16.22-10-89 |
|
10. Полотно игло-пробивное стеклянное теплоизоляционное |
ТУ 6-11-570-83 |
|
11. Пакеты минераловатные прошивные |
ТУ 36 УССР 86-88 |
|
12. Маты минераловатные прошивные строительные |
ТУ 21-31-64-88 |
(Измененная редакция, Изм. № 1, Изм. № 2, Изм. № 3, Изм. 4, Изм. 7, Изм. № 8).
Материалы
защитных оболочек, применяемые
при изготовлении индустриальных конструкций промышленной
тепловой изоляции
|
Наименование стандартов |
Обозначение стандартов |
|
1. Листы из алюминия и алюминиевых сплавов |
ГОСТ 21631-76 |
|
2. Ленты из алюминия и алюминиевых сплавов. Технические условия |
ГОСТ 13726-78 |
|
3. Сталь тонколистовая оцинкованная, с непрерывных линий. Технические условия |
ГОСТ 14918-80 |
|
4. Сталь рулонная холоднокатаная с полимерным покрытием (металлопласт) |
ТУ 14-1-1114-74 |
|
5. Стеклопластик рулонный РСТ |
ТУ 6-11-145-80 |
|
6. Фольга алюминиевая дублированная для теплоизоляционных конструкций |
ТУ 36.16.22-49-90 |
|
7. Армопластмассовые материалы для защитных покрытий тепловой изоляции трубопроводов |
ТУ 36.16.22-54-91 |
|
9. Стеклотекстолит покровный листовой СТПЛ |
ТУ 36-1583-83 |
|
10. Фольгоизол технические условия |
ГОСТ 20429-84 |
|
11. Фольгорубероид для защитной гидроизоляции утеплителя трубопроводов |
ТУ 21 ЭССР 69-83 |
|
12. Стеклоцемент текстолитовый для теплоизоляционных конструкций |
ТУ 36-940-85 |
|
13. Сталь текстолитовая холоднокатаная гальванически оцинкованная и сталь гальванически оцинкованная с полимерным покрытием |
ТУ 14-1-4210-86 |
|
14. Пленка огнестойкая из вторичного поливинилхлоридного сырья |
ТУ 63-032-3-88 |
|
15. Рубероид. Технические условия |
ГОСТ 10923-82 |
(Измененная редакция, Изм. № 1, № 2, № 4, № 7).
Изделия
и материалы, применяемые для
изготовления индустриальных конструкций промышленной
тепловой изоляции
|
Наименование |
Обозначение стандартов |
Указания |
|
1. Заклепки с полукруглой головкой. Технические условия |
ГОСТ 10299-80 |
Для крепления шплинтов и бандажей к оболочкам |
|
2. Заклепки комбинированные СТД 984 и СТД 985 |
ТУ 36-1598-77 |
То же |
|
3. Винты самонарезающие с полукруглой головкой для металла и пластмассы |
ГОСТ 10621-80 |
Для крепления продольных кромок листов оболочек |
|
4. Пряжки бандажные |
ТУ 36-1492-77 |
Для фиксации бандажа на конструкции |
|
5. Листы из алюминия и алюминиевых сплавов |
ГОСТ 21631-76 |
Применяются для изготовления оболочек, бандажей, планок, диафрагм, шплинтов и пряжек и т.д. |
|
6. Сталь тонколистовая оцинкованная с непрерывных линий. Технические условия |
ГОСТ 14918-80 |
Применяется для изготовления оболочек, бандажей, планок, диафрагм, пряжек и т.д. |
|
7. Лента стальная упаковочная |
ГОСТ 3560-73 |
Применяется лента окрашенная для изготовления бандажей |
|
8. Ленты из алюминия и алюминиевых сплавов. Технические условия |
ГОСТ 13726-78 |
Применяются для изготовления оболочек, бандажей, планок, шплинтов, диафрагм и т.д. |
|
9. Сталь горячекатанная круглая. Сортамент |
ГОСТ 2590-88 |
Применяется для изготовления шпилек |
|
10. Проволока стальная низкоуглеродистая общего назначения |
ГОСТ 3282-74 |
Применяется для крепления блочных конструкций на время хранения и транспортировки |
|
11. Лента алюминиевая узкая |
ТУ 15-06-269-81 |
|
(Измененная редакция, Изм. № 1, № 7).
Клеящие
и лакокрасочные материалы, применяемые для изготовления
индустриальных конструкций промышленной тепловой изоляции
|
Наименование |
Обозначение стандартов |
Указания |
|
*) |
|
|
|
1. Дисперсия поливинилацетатная гомополимерная грубодисперсная |
ГОСТ 18992-80 |
Применяется для приклеивания тепловой изоляции к защитным оболочкам |
|
2. Грунтовки ФЛ-ОЗК и ФЛ-ОЗЖ. Технические условия |
ГОСТ 9109-81 |
Применяются для антикоррозионного покрытия бандажей, изготовленных из ленты стальной упаковочной |
|
3. Грунтовки фосфатирующие |
ГОСТ 12707-77 |
То же |
|
4. Эмали ХВ-124 и ХВ-125. Технические условия |
ГОСТ 10144-89 |
² |
|
5. Эмали марки ХВ-714. Технические условия |
ГОСТ 23626-79 |
² |
|
6. Лак БТ-577. Технические условия |
ГОСТ 5631-70 |
² |
|
7. Пудра алюминиевая пигментная |
ГОСТ 5494-71 |
² |
*) Допускается по согласованию с заказчиком применение других клеящих материалов, обеспечивающих надежность крепления теплоизоляционного слоя с защитной оболочкой.
(Измененная редакция, Изм. № 7).
Материалы и инструменты, применяемые при упаковке и приемочном контроле индустриальных конструкций промышленной тепловой изоляции
|
Наименование |
Обозначение стандартов |
Указания |
|
1. (Отменен, Изм. № 8). |
|
|
|
2. Рубероид. Технические условия |
ГОСТ 10923-82 |
Применяется при упаковке индустриальных конструкций |
|
3. Пленка полиэтиленовая. Технические условия |
ГОСТ 10354-82 |
То же |
|
4. Бумага двухслойная упаковочная. Общие технические условия. |
ГОСТ 8828-89 |
² |
|
5. Проволока стальная низкоуглеродистая общего назначения. Технические условия |
ГОСТ 3282-74 |
² |
|
6. Шпагат технический. Технические условия |
ГОСТ 17308-88 |
² |
|
7. Линейки измерительные металлические. Технические требования |
ГОСТ 427-75 |
Применяются при приемочном контроле индустриальных конструкций |
|
8. Рулетки измерительные металлические. Технические условия |
ГОСТ 7502-89 |
То же |
|
9. Штангенциркули. Технические требования |
ГОСТ 166-89 |
² |
|
10. Щупы. Технические условия |
ТУ 2-034-225-87 |
² |
(Измененная редакция, Изм. № 7, № 8).