Руководящий документ распространяется на пассажирские, грузовые и грузовые малые лифты. Руководящий документ не распространяется на лифты: - специального назначения; - судовые; - для работ в зданиях и помещениях, отнесенных к категории А и В по взрывопожарной опасности; - для работы в помещениях с агрессивными парами или газами, вызывающими коррозию; - для работы в условиях конденсации влаги в шахте или машинном помещении, выпадения инея или образования льда на оборудовании. Руководящий документ предназначен для специалистов и электротехнического персонала, выполняющего электроизмерительные работы на лифтах.
| Обозначение: | РД ИАЦ 2.004-97 |
| Название рус.: | Лифты пассажирские и грузовые. Методические указания по испытанию сопротивления изоляции, защитного заземления и петли фаза-нуль |
| Статус: | действует |
| Дата актуализации текста: | 05.05.2017 |
| Дата добавления в базу: | 01.09.2013 |
| Дата введения в действие: | 01.04.1997 |
| Утвержден: | 20.02.1997 ИКЦ Инжтехлифт |
РУКОВОДЯЩИЙ ДОКУМЕНТ
ЛИФТЫ ПАССАЖИРСКИЕ И ГРУЗОВЫЕ
МЕТОДИЧЕСКИЕ
УКАЗАНИЯ
ПО ИСПЫТАНИЮ СОПРОТИВЛЕНИЯ ИЗОЛЯЦИИ,
ЗАЩИТНОГО ЗАЗЕМЛЕНИЯ
И ПЕТЛИ ФАЗА-НУЛЬ
РД ИАЦ 2.004-97
Дата введения 1997-04-01
Предисловие
1. Разработан Головным инженерно-консультативным центром (ИКЦ) «Инжтехлифт» и инженерным центром по независимой технической экспертизе эскалаторов и лифтов (ИЦ «НЕТЭЭЛ»).
2. Согласован письмом Госгортехнадзора России от 03.02.97 г. № 12-17/83.
3. Утвержден и введен в действие 20 февраля 1997 г.
4. Введен впервые.
Настоящий руководящий документ разработан на основании «Правил устройства и безопасной эксплуатации лифтов», «Правил устройства электроустановок», «Правил эксплуатации электроустановок потребителей», «Правил техники безопасности при эксплуатации электроустановок потребителей» в качестве методических указаний с учетом специфики выполнения электроизмерительных работ на лифтах.
Настоящий руководящий документ распространяется на пассажирские, грузовые и грузовые малые лифты.
Руководящий документ не распространяется на лифты:
- специального назначения;
- судовые;
- для работ в зданиях и помещениях, отнесенных к категории А и В по взрывопожарной опасности;
- для работы в помещениях с агрессивными парами или газами, вызывающими коррозию;
- для работы в условиях конденсации влаги в шахте или машинном помещении, выпадения инея или образования льда на оборудовании.
Руководящий документ предназначен для специалистов и электротехнического персонала, выполняющего электроизмерительные работы на лифтах.
В настоящем руководящем документе использованы ссылки на следующие стандарты и нормативные документы:
ГОСТ 8.513-84 Государственная система обеспечения единства измерений. Поверка средств измерений. Организация и порядок проведения
ГОСТ 12.1.009-76 ССБТ Электробезопасность. Термины и определения
ГОСТ 12.1.019-79 ССБТ. Электробезопасность. Общие требования
ГОСТ 12.1.030-81 ССБТ. Электробезопасность. Защитное заземление и зануление
ГОСТ 12.1.038-82 ССБТ. Электробезопасность. Предельные допустимые уровни напряжения прикосновения и токов
ГОСТ 12.2.003-91 ССБТ. Оборудование производственное. Общие требования безопасности
ГОСТ 12.2.007.0-75 ССБТ. Изделия электротехнические. Общие требования безопасности
ГОСТ 2933-93 Аппараты электрические низковольтные. Методы испытаний
ГОСТ 10434-82 Соединения контактные электрические. Классификация. Общие технические требования
ГОСТ 21130-75 Изделия электрические. Зажимы заземления и знаки заземления. Конструкция и размеры
ГОСТ 21242-75 Выводы контактные электротехнических устройств плоские и штыревые. Конструкция и размеры
ГОСТ 23792-79 Соединения контактные электрические сварные. Основные типы, конструктивные элементы и размеры
ГОСТ 24753-81 Выводы контактные электрических устройств
ГОСТ 25030-81 Зажимы контактные безвинтовые. Технические требования. Методы испытаний
ГОСТ 25034-85 Зажимы контактные винтовые. Классификация. Технические требования. Методы испытаний
РД-10-49-93 Методические указания по выдаче специальных разрешений (лицензий) на виды деятельности, связанные с обеспечением безопасной эксплуатации объектов котлонадзора и подъемных сооружений
РД-10-72-94 Лифты пассажирские, больничные и грузовые. Методические указания по проведению обследования технического состояния лифтов, отработавших нормативный срок службы
РД-10-98-95 Методические указания по проведению технического освидетельствования пассажирских, больничных и грузовых лифтов
«Правила устройства и безопасной эксплуатации лифтов», Госгортехнадзор России, 1992 г. (ПУБЭЛ)
«Правила устройства электроустановок», Главэнергонадзор, 1987 г. (ПУЭ)
«Правила эксплуатации электроустановок потребителей», Главэнергонадзор, 1993 г. (ПЭЭП)
«Правила техники безопасности при эксплуатации электроустановок потребителей», Главэнергонадзор, 1992 г. (ПТБ при ЭЭП)
Постановление Правительства Российской Федерации № 965 от 26.10.1995 г.
В настоящем руководящем документе применяются следующие термины с соответствующими определениями:
3.1 Электроустановки в отношении мер электробезопасности разделяются на:
- электроустановки выше 1 кВ в сетях с эффективно заземленной нейтралью (с большими токами замыкания на землю);
- электроустановки выше 1 кВ в сетях с изолированной нейтралью (с малыми токами замыкания на землю);
- электроустановки до 1 кВ с глухозаземленной нейтралью;
- электроустановки до 1 кВ с изолированной нейтралью.
3.2 Коэффициентом замыкания на землю в трехфазной электрической сети называется отношение разности потенциалов между неповрежденной фазой и землей в точке замыкания на землю другой или двух других фаз к разности потенциалов между фазой и землей в этой точке до замыкания.
3.3 Глухозаземленной нейтралью называется нейтраль трансформатора или генератора, присоединенная к заземляющему устройству непосредственно или через малое сопротивление (например, через трансформаторы тока).
3.4 Изолированной нейтралью называется нейтраль трансформатора или генератора, не присоединенная к заземляющему устройству или присоединенная к нему через приборы сигнализации, измерения, защиты, заземляющие дугогасящие реакторы и подобные им устройства, имеющие большое сопротивление.
3.5 Заземлением какой-либо части электроустановки или другой установки называется преднамеренное электрическое соединение этой части с заземляющим устройством.
3.6 Защитным заземлением называется заземление частей электроустановки с целью обеспечения электробезопасности.
3.7 Рабочим заземлением называется заземление какой-либо точки токоведущих частей электроустановки, необходимое для обеспечения работы электроустановки.
3.8 Занулением в электроустановках напряжением до 1 кВ называется преднамеренное соединение частей электроустановки, нормально не находящихся под напряжением, с глухозаземленной нейтралью генератора или трансформатора в сетях трехфазного тока, с глухозаземленным выводом источника однофазного тока, с глухозаземленной средней точкой источника в сетях постоянного тока.
3.9 Замыканием на землю называется случайное соединение находящихся под напряжением частей электроустановки с конструктивными частями, не изолированными от земли, или непосредственно с землей.
3.10 Заземляющим устройством называется совокупность заземлителя и заземляющих проводников.
3.11 Заземлителем называется проводник (электрод) или совокупность металлически соединенных между собой проводников (электродов), находящихся в соприкосновении с землей.
3.12 Искусственным заземлителем называется заземлитель, специально выполняемый для целей заземления.
3.13 Естественным заземлителем называются находящиеся в соприкосновении с землей электропроводящие части коммуникаций, зданий и сооружений производственного или иного назначения, используемые для целей заземления.
3.14 Магистралью заземления или зануления называется соответственно заземляющий или нулевой защитный проводник с двумя или более ответвлениями.
3.15 Заземляющим проводником называется проводник, соединяющий заземляемые части с заземлителем.
3.16 Нулевым защитным проводником в электроустановках напряжением до 1 кВ называется проводник, соединяющий зануляемые части с глухозаземленной нейтралью генератора или трансформатора в сетях трехфазного тока, с глухозаземленным выводом источника однофазного тока, с глухозаземленной средней точкой источника в сетях постоянного тока.
3.17 Нулевым рабочим проводником в электроустановках до 1 кВ называется проводник, используемый для питания электроприемников, соединенный с глухозаземленной нейтралью генератора или трансформатора в сетях трехфазного тока, с глухозаземленным выводом источника однофазного тока, с глухозаземленной средней точкой источника в трехпроводных сетях постоянного тока.
В электроустановках до 1 кВ с глухозаземленной нейтралью нулевой рабочий проводник может выполнять функции нулевого защитного проводника.
3.18 Зоной растекания называется область земли, в пределах которой возникает заметный градиент потенциала при стекании тока с заземлителя.
3.19 Зоной нулевого потенциала называется зона земли за пределами зоны растекания.
3.20 Напряжением на заземляющем устройстве называется напряжение, возникающее при стекании тока с заземлителя в землю между точкой ввода тока в заземляющее устройство и зоной нулевого потенциала.
3.21 Напряжением относительно земли при замыкании на корпус называется напряжение между этим корпусом и зоной нулевого потенциала.
3.22 Напряжением прикосновения называется напряжение между двумя точками цепи тока замыкания на землю (на корпус) при одновременном прикосновении к ним человека.
2.23 Напряжением шага называется напряжение между двумя точками земли, обусловленное растеканием тока замыкания на землю, при одновременном касании их ногами человека.
3.24 Током замыкания на землю называется ток, стекающий в землю через место замыкания.
3.25 Сопротивлением заземляющего устройства называется отношение напряжения на заземляющем устройстве к току, стекающему с заземлителя в землю.
3.26 Эквивалентным удельным сопротивлением земли с неоднородной структурой называется такое удельное сопротивление земли с однородной структурой, в которой сопротивление заземляющего устройства имеет то же значение, что и в земле с неоднородной структурой.
Термин «удельное сопротивление», применяемый в настоящих Правилах, для земли с неоднородной структурой следует понимать как «эквивалентное удельное сопротивление».
3.27 Защитным отключением в электроустановках до 1 кВ называется автоматическое отключение всех фаз (полюсов) участка сети, обеспечивающее безопасные для человека сочетания тока и времени его прохождения при замыканиях на корпус или снижении уровня изоляции ниже определенного значения.
3.28 Двойной изоляцией электроприемника называется совокупность рабочей и защитной (дополнительной) изоляции, при которой доступные прикосновению части электроприемника не приобретают опасного напряжения при повреждении только рабочей или только защитной (дополнительной) изоляции, при которой доступные прикосновению части электроприемника не приобретают опасного напряжения при повреждении только рабочей или только защитной (дополнительной) изоляции.
3.29 Малым напряжением называется номинальное напряжение не более 42 В между фазами и по отношению к земле, применяемое в электрических установках для обеспечения электробезопасности.
3.20 Разделительным трансформатором называется трансформатор, предназначенный для отделения сети, питающей электроприемник, от первичной электрической сети, а также от сети заземления или зануления.
3.31 Выключателем безопасности называется электротехническое устройство, выполняющее коммутацию электрической цепи и предназначенное для контроля условий безопасности.
3.32 Рабочим выключателем (переключателем) называется электротехническое устройство (выключатель, переключатель, датчик, центральный этажный аппарат и т.п.), выполняющий коммутацию электрической цепи и не предназначенный для контроля условий безопасности.
4.1 Общие требования по выполнению работ
4.1.1 В соответствии с требованиями ПУБЭЛ перед вводом в эксплуатацию каждый лифт должен подвергаться испытаниям, в том числе должны быть выполнены электроизмерения сопротивления изоляции электрооборудования и электрических цепей лифта, защитного заземления и петли фаза-нуль.
Сроки и нормы испытаний приведены в приложениях В, Г, Д.
4.1.2 Электроизмерительные работы должны проводиться специалистами специализированных (независимых) организаций (инженерными центрами), не выполняющими работы по ремонту и техническому обслуживанию лифтов, имеющие разрешение (лицензию) органа госгортехнадзора, энергонадзора и электролабораторию, зарегистрированную в энергонадзоре в установленном порядке.
Допускается при отсутствии в регионе инженерного центра выполнять электроизмерительные работы на лифтах специализированной по лифтам монтажной или эксплуатационной организацией. Работы должны выполняться специалистами электролаборатории, зарегистрированной в энергонадзоре в установленном порядке.
4.1.3 Электроизмерительные работы должны проводиться в следующие сроки:
- после монтажа и реконструкции - не менее, чем за пять дней до работы комиссии по приемке лифта;
- после ремонта, требующего частичного освидетельствования, а также периодически, не реже одного раза в 12 месяцев - после окончания работ по подготовке электрооборудования к техническому освидетельствованию.
4.1.4 Результаты электроизмерительных работ должны отражаться в протоколах (приложение А).
4.1.5 Протоколы должны быть вложены в паспорта лифтов. Копии протоколов должны храниться в организации, выполнившей электроизмерительные работы, в том числе:
- Протоколы № 1, № 2 - не менее 12 месяцев;
- Протокол № 3 - не менее 72 месяцев.
4.2 Общие технические требования
4.2.1 Лифты должны быть спроектированы, изготовлены, смонтированы и введены в эксплуатацию в соответствии с требованиями ПУБЭЛ и ПУЭ.
4.2.2 Эксплуатация лифтов должна отвечать требованиям ПУБЭЛ, ПЭЭП и ПТБ при ЭЭП.
4.2.3 Техническая характеристика электрического оборудования, электропроводок и их исполнение должны соответствовать параметрам лифта по напряжению и частоте питающей сети, токовым нагрузкам, надежности, а также условиям его эксплуатации, хранения и транспортирования.
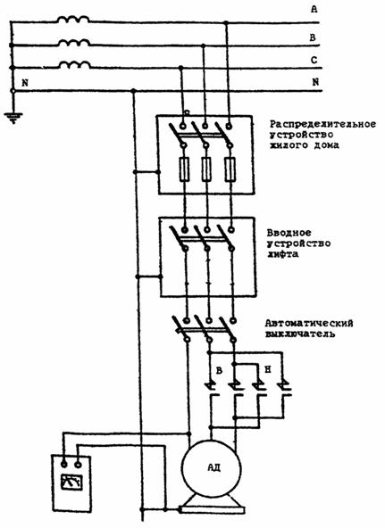
4.2.4 Напряжение от источника питания должно подаваться в машинное помещение лифта через вводное устройство с ручным приводом, которым должен оборудоваться каждый лифт.
При размещении двух и более лифтов в общем машинном помещении в это помещение должен быть осуществлен ввод не менее двух питающих линий.
При отсутствии машинного помещения электроснабжение должно быть подано в помещение, где расположено вводное устройство.
Электрооборудование и электроснабжение лифта должны отвечать требованиям «Правил устройства электроустановок».
4.2.5 При размещении электрооборудования в разных помещениях в соответствии с п. 4.3.2 ПУБЭЛ должны быть предусмотрены несамовозвратные выключатели для отключения лифта.
4.2.6 Вводное устройство может быть рассчитано как на снятие напряжения с лифта под нагрузкой, так и без нагрузки.
При применении вводного устройства, предназначенного для снятия напряжения без нагрузки или с нагрузкой не более 2 А, должен быть предусмотрен дополнительный выключатель силовой цепи и цепи управления, рассчитанный на коммутацию цепей под нагрузкой.
Допускается дополнительно оборудовать вводное устройство приводом для дистанционного отключения (дистанционное включение вводного устройства не допускается), при этом должны быть выполнены следующие условия:
- вводное устройство должно быть рассчитано на отключение электрических цепей под нагрузкой;
- выключатель для дистанционного отключения должен быть несамовозвратным;
- около каждого выключателя для дистанционного отключения вводного устройства должна быть предусмотрена сигнализация о его положении: «Включено», «Отключено»;
- должна быть исключена возможность дистанционного отключения при нахождении в кабине людей;
- доступ посторонних лиц к выключателю дистанционного отключения должен быть исключен.
4.2.7 В качестве вводного устройства может быть использован автоматический выключатель, если он оборудован ручным приводом, при этом его включение должно быть возможно только вручную.
4.2.8 Вводное устройство должно отключать все питающие фазы и полностью снимать напряжение с электрических цепей, за исключением цепей:
- освещения шахты, машинного и блочного помещений;
- освещения кабины;
- вентиляции кабины;
- вызова обслуживающего персонала из кабины;
- двусторонней переговорной связи из кабины;
- ремонтной связи.
При этом для отключения указанных цепей должны быть предусмотрены отдельные выключатели, расположенные в машинном помещении, а при его отсутствии - в запираемом шкафу. Выключатель освещения блочного помещения должен быть расположен в блочном помещении.
Цепи освещения кабины и ее вентиляции, вызова обслуживающего персонала из кабины, двусторонней переговорной связи из кабины и ремонтной связи допускается включать после вводного устройства, если предусмотрены дополнительные специальные выключатели для отключения силовой цепи и цепи управления. При этом вводное устройство не должно быть оборудовано приводом для дистанционного отключения и в качестве вводного устройства не должен применяться автоматический выключатель.
Допускается цепи вспомогательного освещения кабины, вызова обслуживающего персонала из кабины, двусторонней переговорной связи из кабины и ремонтной связи подключать к другим электрическим сетям здания или сооружения.
4.2.9 На одной из посадочных (погрузочных) площадок допускается установка выключателя для дистанционного отключения (включения) силовой и (или) цепей управления при включенном вводном устройстве; при этом должны быть предусмотрены мероприятия, исключающие возможность отключения электрических цепей при нахождении в кабине людей. Доступ посторонних лиц к этому выключателю должен быть исключен.
4.2.10 Напряжение силовых электрических цепей должно быть:
не более 660 В - в машинном помещении;
не более 415 В переменного тока частоты 60 Гц, 440 В переменного тока частоты 60 Гц и 460 В постоянного (выпрямленного) тока - в кабине, шахте и на посадочных (погрузочных) площадках, а также на площадках, где установлено электрооборудование при отсутствии машинного помещения. Напряжение цепей управления, освещения и сигнализации должно быть не более 254 В.
4.2.11 При питании от понижающего трансформатора через выпрямительное устройство цепей управления постоянного тока, имеющих выключатели безопасности, один из полюсов этого устройства на стороне выпрямленного напряжения должен быть заземлен. При этом один вывод обмотки электромагнитных аппаратов в цепи управления должен быть наглухо подключен к заземленному полюсу. Вторичную обмотку понижающего трансформатора в этом случае заземлять не допускается.
4.2.12 При применении бесконтактной аппаратуры для управления лифтами должны быть соблюдены следующие условия:
4.2.12.1 Сложные системы управления группой лифтов должны состоять из отдельных групп блоков управления, при этом:
- каждый лифт должен управляться отдельной группой блоков, допускающей работу этого лифта независимо от состояния других лифтов и их блоков;
- должна быть предусмотрена возможность легкого отсоединения блоков лифта без нарушения работы остальных лифтов.
4.2.12.2 Блоки питания системы управления с логическими элементами должны иметь защиту от КЗ, перегрузок и снижения выходных напряжений с сигнализацией о ее срабатывании. Защита должна быть построена так, чтобы при КЗ, перегрузке или снижении напряжения в одной выходной цепи отключались все выходные цепи блока питания.
4.2.12.3 Если общая точка системы управления с логическими элементами не заземлена, в блоке питания необходимо предусмотреть контроль замыкания на землю каждой выходной цепи с соответствующей сигнализацией.
4.2.12.4 Блоки питания должны допускать дистанционное включение и отключение.
4.2.12.5 Станции управления лифтами, собираемые из отдельных блоков, должны быть снабжены аппаратурой, указывающей прохождение основных сигналов, или гнездами, позволяющими присоединять измерительную аппаратуру для контроля этих сигналов.
4.2.12.6 Конструкции станций управления и комплектных устройств должны обеспечивать свободный доступ к проводам, кабелям и входным рядам зажимов.
4.2.12.7 При установке станций управления в шкафах не рекомендуется устанавливать какую-либо аппаратуру, кроме сигнальной, на дверях шкафов.
4.2.12.8 Цепи кнопок, ключей управления, путевых и конечных выключателей должны быть гальванически разделены. Разделение может быть произведено с помощью входных согласующих элементов или с помощью реле, контакты которых предназначены для работы в цепях с малыми токами.
4.2.12.9 Цепи напряжением 220 В и выше должны прокладываться отдельно от цепей напряжением ниже 220 В бесконтактных элементов и присоединяться к отдельным, специально выделенным рядам зажимов или разъемным контактным соединителям.
4.2.13 Изолированные проводники различных цепей: силовых, управления, освещения, сигнализации и др., относящиеся к одному лифту, независимо от рода тока и напряжения, если напряжение не более 480 В, допускается прокладывать совместно (в одном пучке, одной трубе, одном кабеле и т.п.) при условии, что изоляция всех проводников рассчитана на наибольшее напряжение.
Должны быть проложены отдельно от других цепей лифта провода и кабели цепей освещения шахты и электрической сети, по которой осуществляется электроснабжение лифта.
Если возможно отрицательное влияние различных цепей друг на друга (возникновение индуктивных наводок и помех и т.п.), то при совместной прокладке должно быть применено экранирование проводов и кабелей.
4.2.14 Присоединительные зажимы электрических машин, аппаратов и клеммных наборов должны соответствовать типу и сечению применяемого провода (кабеля).
4.2.15 Провода, подходящие к зажимам клеммных реек, а также к зажимам электрооборудования, должны иметь маркировку.
4.2.16 Шахта и приямок лифта, машинное и блочное помещения, площадки перед дверями шахты, проходы и коридоры, ведущие к этим помещениям и площадкам, должны быть оборудованы стационарным электрическим освещением.
Освещение приямка грузового малого лифта не требуется. Остекленную, огражденную сеткой или частично огражденную шахту допускается стационарным электрическим освещением не оборудовать, если наружное освещение обеспечивает нормированную освещенность внутри шахты.
Питание электрического освещения, кроме освещения кабины, должно быть осуществлено от осветительной сети здания (сооружения).
Кабина лифта должна иметь электрическое рабочее освещение, а в случаях, предусмотренных п. 6.6.3 ПУБЭЛ, и вспомогательное освещение.
Кабины грузового малого и тротуарного лифтов допускается электрическим освещением не оборудовать.
4.2.17 Освещенность должна быть не менее:
- 30 лк - при лампах накаливания и 75 лк - при люминесцентных лампах на уровне пола кабины, в которой допускается транспортировка людей (от рабочего освещения), на уровне пола машинного и блочного помещений, а также посадочных (погрузочных) площадок;
- 20 лк - при лампах накаливания и 50 лк - при люминесцентных лампах на уровне пола кабины.
4.2.18 Электрическое освещение шахты может быть включено непостоянно.
Электрическое освещение шахты должно быть включено в следующих случаях:
- при нахождении кабины на уровне посадочной (погрузочной) площадки - при открытых любых дверях шахты, кроме дверей шахты этой площадки;
- при нахождении кабины между посадочными (погрузочными) площадками - при открытых любых дверях шахты и (или) кабины. Допускается не включать освещение шахты при нахождении кабины между посадочными (погрузочными) площадками с открытой дверью при отсутствии в кабине людей и при закрытых дверях шахты;
- при проведении в шахте работ и осмотров.
Освещение шахты может быть включено (отключено) автоматически и (или) выключателем ручного действия, установленным в машинном помещении, а при его отсутствии - в запираемом шкафу.
4.2.19 Для освещения шахты должны применяться лампы накаливания.
4.2.20 Для включения (отключения) электрического освещения машинного и блочного помещений в этих помещениях в непосредственной близости от входа должны быть установлены выключатели.
4.2.21 В машинном и блочном помещениях, на крыше кабины, в приямке или под кабиной должно быть установлено не менее одной штепсельной розетки для переносных ламп на напряжение не более 42 В.
4.2.22 Электропроводка в машинном помещении, шахте лифта (подъемника) и кабине должна соответствовать следующим требованиям:
- электропроводка должна выполняться изолированными проводами или кабелями с резиновой или равноценной ей изоляцией; применение силовых и контрольных кабелей с изоляцией из пропитанной кабельной бумаги не допускается;
- сечение жил кабелей и проводов должно быть не менее 1,5 мм2 для медных жил и 2,5 мм2 для алюминиевых жил.
На участках цепей управления от этажных рядов зажимов и рядов зажимов на кабине до аппаратов, устанавливаемых в шахте и на кабине, а также на участках цепей управления, обеспечивающих безопасность пользования лифтом или подверженных частым ударам и вибрации, должны применяться провода и кабели с медными жилами. При применении проводов и кабелей с медными многопроволочными жилами сечение их может быть снижено: в цепях присоединения аппаратов безопасности до 0,5 мм2, в остальных цепях до 0,35 мм2;
- внутренний монтаж лифтовых аппаратов и комплектных устройств должен выполняться медными проводами;
- концы проводов должны иметь маркировку согласно проекту,
4.2.23 Токопровод к кабине, а также к противовесу в случае установки на нем выключателя ловителей или других аппаратов должен выполняться гибкими кабелями или гибкими проводами с медными жилами сечением не менее 0,75 мм2, заключенными в общий резиновый или равноценный ему шланг.
В токоподводе должно быть предусмотрено не менее 5 % резервных жил от общего числа используемых, но не менее двух жил.
Кабели и шланги должны быть рассчитаны на восприятие нагрузок от собственного веса. Допускается их усиление закреплением к несущему стальному тросу.
4.2.24 Кабели и шланги токоподвода должны быть размещены и укреплены таким образом, чтобы при движении кабины исключалась возможность их зацепления за находящиеся в шахте конструкции и их механического повреждения. При применении для токоподвода нескольких кабелей или шлангов они должны быть скреплены между собой.
5.1 Защитное заземление или зануление должны отвечать следующим требованиям «Правил устройства электроустановок».
5.1.1 Для защиты людей от поражения электрическим током при повреждении изоляции должна быть применена, по крайней мере, одна из следующих защитных мер: заземление, зануление, защитное отключение, разделительный трансформатор, малое напряжение, двойная изоляция, выравнивание потенциалов.
5.1.2 Заземление или зануление электроустановок следует выполнять при:
- номинальных напряжениях выше 42 В, но ниже 380 В переменного тока и выше 110 В постоянного тока, но ниже 440 В постоянного тока - только в помещениях с повышенной опасностью, особо опасных и в наружных установках.
Заземление или зануление электроустановок не требуется при номинальных напряжениях до 42 В переменного тока и до 110 В постоянного тока.
5.1.3 Для заземления электроустановок в первую очередь должны быть использованы естественные заземлители. Если при этом сопротивление заземляющих устройств или напряжение прикосновения имеет допустимые значения, а также обеспечиваются нормированные значения напряжения на заземляющем устройстве, то искусственные заземлители должны применяться лишь при необходимости снижения плотности токов, протекающих по естественным заземлителям или стекающих с них.
5.1.4 Электроустановки до 1 кВ переменного тока могут быть с глухозаземленной или с изолированной нейтралью, электроустановки постоянного тока - с глухозаземленной или изолированной средней точкой, а электроустановки с однофазными источниками тока - с одним глухозаземленным или с обоими изолированными выводами.
В четырехпроводных сетях трехфазного тока и трехпроводных сетях постоянного тока глухое заземление нейтрали или средней точки источников тока является обязательным.
5.1.5 В электроустановках до 1 кВ с глухозаземленной нейтралью или глухозаземленным выводом источника однофазного тока, а также с глухозаземленной средней точкой в трехпроводных сетях постоянного тока должно быть выполнено зануление. Применение в таких электроустановках заземления корпусов электроприемников без их зануления не допускается.
В обоснованных случаях рекомендуется выполнять защитное отключение (для переносного ручного электроинструмента), некоторых жилых и общественных помещений, насыщенных металлическими конструкциями, имеющими связь с землей).
5.1.6 Трехфазная сеть до 1 кВ с изолированной нейтралью или однофазная сеть до 1 кВ с изолированным выводом, связанная через трансформатор с сетью выше 1 кВ, должна быть защищена пробивным предохранителем от опасности, возникающей при повреждении изоляции между обмотками высшего и низшего напряжений трансформатора. Пробивной предохранитель должен быть установлен в нейтрали или фазе на стороне низшего напряжения каждого трансформатора. При этом должен быть предусмотрен контроль за целостностью пробивного предохранителя.
5.1.7 В электроустановках до 1 кВ в местах, где в качестве защитной меры применяются разделительные или понижающие трансформаторы, вторичное напряжение трансформаторов должно быть: для разделительных трансформаторов - не более 380 В, для понижающих трансформаторов - не более 42 В.
При применении этих трансформаторов необходимо руководствоваться следующим:
1) разделительные трансформаторы должны удовлетворять специальным техническим условиям в отношении повышенной надежности конструкции и повышенных испытательных напряжений;
2) от разделительного трансформатора разрешается питание только одного электроприемника с номинальным током плавкой вставки или расцепителя автоматического выключателя на первичной стороне не более 15 А;
3) заземление вторичной обмотки разделительного трансформатора не допускается. Корпус трансформатора в зависимости от режима нейтрали сети, питающей первичную обмотку, должен быть заземлен или занулен. Заземление корпуса электроприемника, присоединенного к такому трансформатору, не требуется;
4) понижающие трансформаторы со вторичным напряжением 42 В и ниже могут быть использованы в качестве разделительных, если они удовлетворяют требованиям, приведенным в позициях 1 и 2 настоящего пункта. Если понижающие трансформаторы не являются разделительными, то в зависимости от режима нейтрали сети, питающей первичную обмотку, следует заземлять или занулять корпус трансформатора, а также один из выводов (одну из фаз) или нейтраль (среднюю точку) вторичной обмотки.
5.2 Части, подлежащие заземлению или занулению
5.2.1 К частям, подлежащим заземлению или занулению относятся:
- корпуса электрических машин, трансформаторов, аппаратов, светильников и т.п.;
- приводы электрических аппаратов;
- вторичные обмотки измерительных трансформаторов;
- каркасы распределительных щитов, щитов управления, щитков и шкафов, а также съемные или открывающиеся части, если на последних установлено электрооборудование напряжением выше 42 В переменного тока или более 110 В постоянного тока;
- металлические конструкции распределительных устройств, металлические кабельные конструкции, металлические кабельные соединительные муфты, металлические оболочки и броня контрольных и силовых кабелей, металлические оболочки проводов, металлические рукава и трубы электропроводки, кожухи и опорные конструкции шинопроводов, лотки, короба, струны, тросы и стальные полосы, на которых укреплены кабели и провода (кроме струн, тросов и полос, по которым проложены кабели с заземленной или зануленной металлической оболочкой или броней), а также другие металлические конструкции, на которых устанавливается электрооборудование;
- металлические оболочки и броня контрольных и силовых кабелей и проводов напряжением до 42 В переменного тока и до 110 В постоянного тока, проложенных на общих металлических конструкциях, в том числе в общих трубах, коробах, лотках и т.п. Вместе с кабелями и проводами, металлические оболочки и броня которых подлежат заземлению или занулению;
- металлические корпуса передвижных и переносных электроприемников;
- электрооборудование, размещенное на движущихся частях станков, машин и механизмов.
5.2.2 Установка в заземляющих (зануляющих) проводниках предохранителей, контактов и других размыкающих элементов, в том числе бесконтактных, не допускается.
5.2.3 Не требуется преднамеренно заземлять или занулять:
- корпуса электрооборудования, аппаратов и электромонтажных конструкций, установленных на заземленных (зануленных) металлических конструкциях, распределительных устройствах, на щитах, шкафах, щитках, станинах станков, машин и механизмов, при условии обеспечения надежного электрического контакта с заземленными или зануленными основаниями;
- конструкции, при условии надежного электрического контакта между этими конструкциями и установленными на них заземленным или зануленным электрооборудованием. При этом указанные конструкции не могут быть использованы для заземления или зануления установленного на них другого электрооборудования;
- съемные или открывающиеся части металлических каркасов камер распределительных устройств, шкафов, ограждений и т.п., если на съемных (открывающихся) частях не установлено электрооборудование или если напряжение установленного электрооборудования не превышает 42 В переменного тока или 110 В постоянного тока;
- корпуса электроприемников с двойной изоляцией;
- металлические скобы, закрепы, отрезки труб механической защиты кабелей в местах их прохода через стены и перекрытия и другие подобные детали, в том числе протяжные и ответвительные коробки размером до 100 см, электропроводок, выполняемых кабелями или изолированными проводами, прокладываемыми по стенам, перекрытиям и другим элементам строений.
5.2.4 Заземление лифтов (подъемников) должно отвечать следующим требованиям:
- заземление электрических машин и аппаратов, установленных на звуко- и виброизолирующих опорах, должно быть выполнено гибким проводом;
- для заземления кабины следует использовать одну из жил кабеля или один из проводов токопровода. Рекомендуется использовать в качестве дополнительного заземляющего проводника экранирующие оболочки и несущие тросы кабелей, а также стальные несущие тросы кабины;
- металлические направляющие кабины и противовеса, а также металлические конструкции ограждения шахты должны быть заземлены.
5.3 Электроустановки напряжением до 1 кВ с глухозаземленной нейтралью
5.3.1 Нейтраль генератора, трансформатора на стороне до 1 кВ должна быть присоединена к заземлителю при помощи заземляющего проводника. Сечение заземляющего проводника должно быть не менее указанного в приложении Б.
Использование нулевого рабочего проводника, идущего от нейтрали генератора или трансформатора на щит распределительного устройства, в качестве заземляющего проводника не допускается.
Указанный заземлитель должен быть расположен в непосредственной близости от генератора или трансформатора. В отдельных случаях, например, во внутрицеховых подстанциях заземлитель допускается сооружать непосредственно около стены здания.
5.3.2 Вывод нулевого рабочего проводника от нейтрали генератора или трансформатора на щит распределительного устройства должен быть выполнен: при выводе фаз шинами - шиной на изоляторах, при выводе фаз кабелем (проводом) - жилой кабеля (провода). В кабелях с алюминиевой оболочкой допускается использовать оболочку в качестве нулевого рабочего проводника вместо четвертой жилы.
Проводимость нулевого рабочего проводника, идущего от нейтрали генератора или трансформатора, должна быть не менее 50 % проводимости вывода фаз.
5.3.3 Сопротивление заземляющего устройства, к которому присоединены нейтрали генераторов или трансформаторов или выводы источника однофазного тока, в любое время года должно быть не более 2, 4 и 8 Ом соответственно при линейных напряжениях 660, 380 и 220 В источника трехфазного тока или 380, 220 и 127 В источника однофазного тока.
5.4 Электроустановки напряжением до 1 кВ с изолированной нейтралью
5.4.1 Сопротивление заземляющего устройства, используемого для заземления электрооборудования, должно быть не более 4 Ом.
При мощности генераторов и трансформаторов 100 кВА и менее заземляющие устройства могут иметь сопротивление не более 10 Ом. Если генераторы или трансформаторы работают параллельно, то сопротивление 10 Ом допускается при суммарной их мощности не более 100 кВА.
5.5 Заземлители
5.5.1 В качестве естественных заземлителей рекомендуется использовать:
- проложенные в земле водопроводные и другие металлические трубопроводы, за исключением трубопроводов горючих жидкостей, горючих или взрывчатых газов и смесей;
- обсадные трубы скважин;
- металлические и железобетонные конструкции зданий и сооружений, находящиеся в соприкосновении с землей;
- металлические шунты гидротехнических сооружений, водоводы, затворы и т.п.;
- свинцовые оболочки кабелей, проложенные в земле. Алюминиевые оболочки кабелей не допускается использовать в качестве естественных заземлителей.
Если оболочки кабелей служат единственными заземлителями, то в расчете заземляющих устройств они должны учитываться при количестве кабелей не менее двух;
- заземлители опор ВЛ, соединенные с заземляющим устройством электроустановки при помощи грозозащитного троса ВЛ, если трос не изолирован от опор ВЛ;
- нулевые провода ВЛ до 1 кВ с повторными заземлителями при количестве ВЛ не менее двух;
- рельсовые пути магистральных неэлектрифицированных железных дорог и подъездные пути при наличии преднамеренного устройства перемычек между рельсами.
5.5.2 Заземлители должны быть связаны с магистралями заземлений не менее чем двумя проводниками, присоединенными к заземлителю в разных местах. Это требование не распространяется на опоры ВЛ, повторное заземление нулевого провода и металлические оболочки кабелей.
5.5.3 Для искусственных заземлителей следует применять сталь.
Искусственные заземлители не должны иметь окраски.
Наименьшие размеры стальных искусственных заземлителей приведены ниже:
Диаметр круглых (прутковых) заземлителей, мм:
неоцинкованных 10
оцинкованных 6
Сечение прямоугольных заземлителей, мм 48
Толщина прямоугольных заземлителей, мм 4
Толщина полок угловой стали, мм 4
Не следует располагать (использовать) заземлители в местах, где земля подсушивается под действием тепла трубопроводов и т.п. Траншеи для горизонтальных заземлителей должны заполняться однородным грунтом, не содержащим щебня и строительного мусора.
В случае опасности коррозии заземлителей должно выполняться одно из следующих мероприятий:
- увеличение сечения заземлителей с учетом расчетного срока их службы;
- применение оцинкованных заземлителей;
- применение электрической защиты.
В качестве искусственных заземлителей допускается применение заземлителей из электропроводящего бетона.
5.6 Заземляющие и нулевые защитные проводники
В качестве заземляющих и нулевых защитных проводников могут быть использованы:
- специальное предусмотренные для этой цели проводники;
- металлические конструкции зданий (фермы, колонны и т.п.);
- арматура железобетонных строительных конструкций и фундаментов;
- металлические конструкции производственного назначения (подкрановые пути, каркасы распределительных устройств, галереи, площадки, шахты лифтов, подъемников, элеваторов, обрамления каналов и т.п.);
- стальные трубы электропроводок;
- алюминиевые оболочки кабелей;
- металлические кожухи и опорные конструкции шинопроводов, металлические короба и лотки электроустановок;
- металлические стационарные открыто проложенные трубопроводы всех назначений, кроме трубопроводов горючих и взрывоопасных веществ и смесей, канализации и центрального отопления.
Приведенные в п. 5.6.1 проводники, конструкции и другие элементы могут служить единственными заземляющими или нулевыми защитными проводниками, если они по проводимости удовлетворяют требованиям настоящей главы и если обеспечена непрерывность электрической цепи на всем протяжении использования.
Заземляющие и нулевые защитные проводники должны быть защищены от коррозии.
5.6.2 Использование металлических оболочек трубчатых проводов, несущих тросов при тросовой электропроводке, металлических оболочек изоляционных трубок, металлорукавов, а также брони и свинцовых оболочек проводов и кабелей в качестве заземляющих или нулевых защитных проводников запрещается. Использование для указанных целей свинцовых оболочек кабелей допускается лишь в реконструируемых городских электрических сетях 380/220 В.
В помещениях и в наружных установках, в которых требуется применение заземления или зануления, эти элементы должны иметь надежные соединения на всем протяжении. Металлические соединительные муфты и коробки должны быть присоединены к броне и к металлическим оболочкам пайкой или болтовыми соединениями.
5.6.3 Магистрали заземления или зануления и ответвления от них в закрытых помещениях и в наружных установках должны быть доступны для осмотра.
Требование о доступности для осмотра не распространяется на нулевые жилы и оболочки кабелей, на арматуру железобетонных конструкций, а также на заземляющие и нулевые защитные проводники, проложенные в трубах и в коробках, а также непосредственно в теле строительных конструкций (замоноличенные).
Ответвления от магистралей к электроприемникам до 1 кВ допускается прокладывать скрыто непосредственно в стене, под чистым полом и т.п. с защитой их от воздействия агрессивных сред. Такие ответвления не должны иметь соединений.
В наружных установках заземляющие и нулевые защитные проводники допускается прокладывать в земле, в полу или по краю площадок, фундаментов технологических установок и т.п.
Использование неизолированных алюминиевых проводников для прокладки в земле в качестве заземляющих или нулевых защитных проводников не допускается.
5.6.4 Заземляющие и нулевые защитные проводники в электроустановках до 1 кВ должны иметь размеры не менее приведенных в приложении Б.
5.6.5 В электроустановках до 1 кВ и выше с изолированной нейтралью проводимость заземляющих проводников должна составлять не менее 1/3 проводимости фазных проводников, а сечение - не менее приведенных в приложении Б. Не требуется применения медных проводников сечением более 25 мм, алюминиевых - 35 мм, остальных - 120 мм. В производственных помещениях с такими электрическими магистралями заземления из стальной полосы должны иметь сечение не менее 100 мм. Допускается применение круглой стали того же сечения.
5.6.6 В электроустановках до 1 кВ с глухозаземленной нейтралью с целью обеспечения автоматического отключения аварийного участка проводимость фазных и нулевых защитных проводников должна быть выбрана такой, чтобы при замыкании на корпус или на нулевой защитный проводник возникал ток КЗ, превышающий не менее чем:
- в 3 раза номинальный ток плавкого элемента ближайшего предохранителя;
- в 3 раза номинальный ток нерегулируемого расцепителя или уставку тока регулируемого расцепителя автоматического выключателя, имеющего обратно зависимую от тока характеристику.
При защите сетей автоматическими выключателями, имеющими только электромагнитный расцепитель (отсечку), проводимость указанных проводников должна обеспечивать ток не ниже уставки тока мгновенного срабатывания, умноженной на коэффициент, учитывающий разброс (по заводским данным), и на коэффициент запаса 1,1.
При отсутствии заводских данных для автоматических выключателей с номинальным током до 100 А кратность тока КЗ относительно уставки следует принимать не менее 1,4, а для автоматических выключателей с номинальным током более 100 А - не менее 1,25.
Полная проводимость нулевого защитного проводника во всех случаях должна быть не менее 50 % проводимости фазного проводника.
Если требования настоящего параграфа не удовлетворяются в отношении значения тока замыкания на корпус или на нулевой защитный проводник, то отключение при этих замыканиях должно обеспечиваться при помощи специальных защит.
5.6.7 В электроустановках до 1 кВ с глухозаземленной нейтралью нулевые защитные проводники рекомендуется прокладывать совместно или в непосредственной близости с фазными.
5.6.8 Нулевые рабочие проводники должны быть рассчитаны на длительное протекание рабочего тока.
Рекомендуется в качестве нулевых рабочих проводников применять проводники с изоляцией, равноценной изоляции фазных проводников. Такая изоляция обязательна как для нулевых рабочих, так и для нулевых защитных проводников в тех местах, где применение неизолированных проводников может привести к образованию электрических пар или к повреждению изоляции фазных проводников в результате искрения между неизолированным нулевым проводником и оболочкой или конструкцией (например, при прокладке проводов в трубах, коробах, лотках). Такая изоляция не требуется, если в качестве нулевых рабочих и нулевых защитных проводников применяются кожухи и опорные конструкции комплектных шинопроводов и шины комплектных распределительных устройств (щитов, распределительных пунктов, сборок и т.п.), а также алюминиевые или свинцовые оболочки кабелей.
5.6.9 В производственных помещениях с нормальной средой допускается использовать в качестве нулевых рабочих проводников металлические конструкции, трубы, кожухи и опорные конструкции шинопроводов для питания одиночных однофазных электроприемников малой мощности, например: в сетях до 42 В; при включении на фазное напряжение одиночных катушек магнитных пускателей или контакторов; при включении на фазное напряжение электрического освещения и цепей управления и сигнализации на кранах.
5.6.10 Не допускается использовать в качестве нулевых защитных проводников нулевые рабочие проводники, идущие к переносным электроприемникам однофазного и постоянного тока. Для зануления таких электроприемников должен быть применен отдельный третий проводник, присоединяемый во вторичном соединителе ответвительной коробки, в щите, щитке, сборке и т.п. к нулевому рабочему или нулевому защитному проводнику.
5.6.11 В цепи заземляющих и нулевых защитных проводников не должно быть разъединяющих приспособлений и предохранителей.
В цепи нулевых рабочих проводников, если они одновременно служат для целей зануления допускается применение выключателей, которые одновременно с отключением нулевых рабочих проводников отключают все провода, находящиеся под напряжением.
Однополюсные выключатели следует устанавливать в фазных проводниках, а не в нулевом рабочем проводнике.
5.6.12 Нулевые защитные проводники линий не допускается использовать для зануления электрооборудования, питающегося по другим линиям.
Допускается использовать нулевые рабочие проводники осветительных линий для зануления электрооборудования, питающегося по другим линиям, если все указанные линии питаются от одного трансформатора, проводимость их удовлетворяет требованиям настоящей главы и исключена возможность отсоединения нулевых рабочих проводников во время работы других линий.
В таких случаях не должны применяться выключатели, отключающие нулевые рабочие проводники вместе с фазными.
5.6.13 В помещениях сухих, без агрессивной среды, заземляющие и нулевые защитные проводники допускается прокладывать непосредственно по стенам.
Во влажных, сырых и особо сырых помещениях и в помещениях с агрессивной средой заземляющие и нулевые защитные проводники следует прокладывать на расстоянии от стен не менее, чем 10 мм.
5.6.14 Заземляющие и нулевые защитные проводники должны быть предохранены от химических воздействий. В местах перекрещивания этих проводников с кабелями, трубопроводами, железнодорожными путями, в местах их ввода в здании и в других местах, где возможны механические повреждения заземляющих и нулевых защитных проводников, эти проводники должны быть защищены.
5.6.15 Прокладка заземляющих и нулевых защитных проводников в местах прохода через стены и перекрытия должна выполняться, как правило, с их непосредственной заделкой. В этих местах проводники не должны иметь соединений и ответвлений.
5.6.16 У мест ввода заземляющих проводников в здания должны быть предусмотрены опознавательные знаки.
5.6.17 Использование специально проложенных заземляющих или нулевых защитных проводников для иных целей не допускается.
5.7 Соединения и присоединения заземляющих и нулевых защитных проводников
5.7.1 Соединения заземляющих и нулевых защитных проводников между собой должны обеспечивать надежный контакт и выполняться посредством сварки.
Допускается в помещениях и в наружных установках без агрессивных сред выполнять соединения заземляющих и нулевых защитных проводников другими способами, обеспечивающими требования ГОСТ 10434 по 2-му классу соединений. При этом должны быть предусмотрены меры против ослабления и коррозии контактных соединений. Соединения заземляющих и нулевых защитных проводников электропроводок и ВЛ допускается выполнять теми же методами, что и фазных проводников.
Соединения заземляющих и нулевых защитных проводников должны быть доступны для осмотра.
5.7.2 Стальные трубы электропроводок, короба, лотки и другие конструкции, используемые в качестве заземляющих или нулевых защитных проводников, должны иметь соединения, соответствующие требованиям ГОСТ 10434, предъявляемым ко 2-му классу соединений.
Должен быть также обеспечен надежный контакт стальных труб с корпусами электрооборудования, в которые вводятся трубы, и с соединительными (ответвительными) металлическими коробками.
5.7.3 Места и способы соединения заземляющих проводников с протяжными естественными заземлителями (например, с трубопроводами) должны быть выбраны такими, чтобы при разъединении заземлителей для ремонтных работ было обеспечено расчетное значение сопротивления заземляющего устройства. Водомеры, задвижки и т.п. должны иметь обходные проводники, обеспечивающие непрерывность цепи заземления.
5.7.4 Присоединение заземляющих и нулевых защитных проводников к частям оборудования, подлежащим заземлению или занулению, должно быть выполнено сваркой или болтовым соединением. Присоединение должно быть доступно для осмотра. Для болтового присоединения должны быть предусмотрены меры против ослабления и коррозии контактного соединения.
Заземление или зануление оборудования, подвергающегося частому демонтажу или установленного на движущихся частях или частях, подверженных сотрясениям или вибрации, должно выполняться гибкими заземляющими или нулевыми защитными проводниками.
5.7.5 Каждая часть электроустановки, подлежащая заземлению или занулению, должна быть присоединена к сети заземления или зануления при помощи отдельного ответвления. Последовательное включение в заземляющий или нулевой защитный проводник заземляемых или зануляемых частей электроустановки не допускается.
5.7.6 Заземляющие и нулевые защитные проводники должны иметь покрытие, предохраняющее от коррозии.
Открыто проложенные стальные заземляющие проводники должны иметь черную окраску.
5.7.7 Для определения технического состояния заземляющего устройства должны периодически проводиться:
- измерение сопротивления заземляющего устройства и не реже 1 раза в 12 лет выборочная проверка осмотром со вскрытием грунта элементов заземлителя, находящегося в земле;
- проверка состояния цепей между заземлителями и заземляемыми элементами, а также соединений естественных заземлителей с заземляющим устройством;
- измерение напряжения прикосновения в электроустановках, заземляющие устройства которых выполнены по нормам на напряжение прикосновения.
- на подстанциях воздушных электрических сетей напряжением 35 кВ и ниже - не реже 1 раза в 6 лет.
5.7.8 Измерения напряжения прикосновения должны проводиться после монтажа, переустройства и капитального ремонта заземляющего устройства, но не реже 1 раза в 6 лет. Кроме того, на предприятии ежегодно должны производиться: уточнение тока однофазного КЗ, стекающего в землю с заземлителя электроустановки; сравнение их с требованиями ПУЭ. В случае необходимости должны выполняться мероприятия по снижению напряжения прикосновения.
5.7.9 На каждое находящееся в эксплуатации заземляющее устройство должен иметься паспорт, содержащий схему устройства, основные технические данные, данные о результатах проверки его состояния, о характере ремонтов и изменениях, внесенных в конструкцию данного устройства.
5.7.10 Использование земли в качестве фазного или нулевого провода в электроустановках напряжением до 1000 В запрещается.
5.7.11 При использовании в электроустановке защитного зануления должна производиться проверка состояния нулевого защитного проводника, а также его соединения с защищаемым оборудованием.
5.7.12 В электроустановках напряжением до 1000 В с глухим заземлением нейтрали, в целях обеспечения автоматического отключения аварийного участка, заземляющее проводники должны быть выбраны таким образом, чтобы при замыкании на корпус или нулевой провод возникал ток короткого замыкания, превышающий не менее чем:
- в 3 раза номинальный ток плавкой вставки ближнего предохранителя, т.е.
Iк.з. > 3´Iн.п,
где:
Iк.з. - ток однофазного короткого замыкания;
Iн.п - номинальный ток плавкой вставки предохранителя;
- в 3 раза номинальный ток расцепителя автоматического выключателя, имеющего обратнозависимую от тока характеристику, т.е.
Iк.з. > 3 ´ Iн.р.,
где:
Iк.з. - ток однофазного короткого замыкания;
Iн.р. - номинальный ток расцепителя автоматического выключателя.
При защите сетей автоматическими выключателями, имеющими только электромагнитный расцепитель (отсечку), проводник должен быть выбран таким образом, чтобы в петле «фаза-нуль» был обеспечен ток короткого замыкания, равный величине уставки тока мгновенного срабатывания, умноженной на коэффициент, учитывающий разброс (по заводским данным), и на коэффициент запаса
Iк.з. > 1,1 ´ Кр´ Iм.в.,
где:
Iк.з. - ток однофазного короткого замыкания;
Iм.в. - ток мгновенного срабатывания автоматического выключателя;
Кр - коэффициент разброса.
При отсутствии заводских данных для автоматов с номинальным током до 100 А кратность тока короткого замыкания относительно величины уставки следует принимать равной - 1,4, для прочих автоматов - 1,25.
Iк.з. > 1,1 ´ 1,4 ´ Iм.в.
Полная проводимость заземляющих проводников во всех случаях должна быть не менее 50 % проводимости фазного проводника.
В связи с этим проводники, специально предназначенные для заземления, рекомендуется прокладывать совместно или в непосредственной близости с фазными. Использование свинцовых оболочек кабелей в качестве заземляющих проводников не допускается.
Для проверки обеспечения отключения замыканий между фазными и нулевыми проводами ток замыкания определяется по приближенной формуле

где Uф - фазное напряжение сети;
Zт - полное сопротивление трансформатора;
Zн = rн + Хн - полное сопротивление проводов линии петли «фаза-нуль»,
где rн - активное сопротивление;
Хн - индуктивное сопротивление.
Полное сопротивление петли «фаза-нуль» от трансформаторной подстанции до электродвигателя лифта состоит из активных и реактивных сопротивлений:
- питающего трансформатора и других последовательно включенных в цепь аппаратов;
- фазного провода сети;
- нулевого провода (или сети заземления), а также сопротивлений в месте замыкания в контактах аппаратов и других частей сети;
Сопротивление так же зависит от:
- конструктивного выполнения сети в целом (кабель, воздушная линия, проводки в стальных трубах и т.д.);
- взаимного расположения фазных и нулевых (или заземляющих) проводников, т.е. от расстояния между ними;
- материала, длины, температуры проводников и их сечений;
- наличия в цепи иных токопроводящих частей, соединенных с системой заземления и снижающих ее сопротивление.
При измерении сопротивления петли «фаза-нуль» автоматически учитываются все факторы, от которых это сопротивление зависит, включая проводимость всякого рода параллельных путей протекания тока замыкания, металлоконструкций, оболочек, кабелей и т.п.
Измерение дает возможность проверить правильность выбора плавких вставок предохранителей и уставок расцепителей автоматов.
Существует несколько различных методов измерения сопротивления петли «фаза-нуль»:
1 Метод вольтметра и амперметра.
2 Метод непосредственного измерения сопротивления петли «фаза-нуль» измерителем заземления типа МС-08 и т.д.
Для измерений петли «фаза-нуль» выпущен прибор типа М-417, позволяющий производить измерения без отключения оборудования.
Прибор М-417 применяется при напряжении 380 В.
Диапазон измерений - 0,1 - 2 Ом.
Прибор обеспечивает автоматическое размыкание измерительной цепи в течение не более 0,3 с, а также сигнализацию отсутствия обрыва заземляющей сети.
В основу схемы прибора положен метод измерения падения напряжений на известном сопротивлении, включенном на фазное напряжение последовательно в цепь петли «фаза-нуль».
На передней панели расположены: измерительный стрелочный прибор, кнопки - «Проверка калибровки» и «Измерение», ручка - «Калибровка», сигнальные лампы - Z = бесконечность и «Z > 2 Ом», предохранитель «ПР 20А» и контактные зажимы.
5.7.13 Сети напряжением до 1000 В с изолированной нейтралью, связанные через трансформаторы с сетями свыше 1000 В, должны быть защищены от возможности появления в них высокого напряжения при повреждении изоляции между обмотками высшего и низшего напряжения трансформатора.
Защита сети напряжением до 1000 В с изолированной нейтралью от возможного перехода в эту сеть высшего напряжения достигается при помощи установки пробивного предохранителя.
Пробивной предохранитель состоит из металлических дисков, изолированных один от другого слюдяной прокладкой определенной толщины с отверстиями. Один диск соединяется с нейтралью, а другой с заземляющим устройством.
Нарушение изоляции между обмотками трансформатора приводит к появлению на всех фазах и нейтрали вторичной обмотки высокого напряжения, при котором воздушные промежутки в слюдяной прокладке пробиваются.
В сетях с изолированной нейтралью должно производиться защитное заземление лифта.
Сопротивление защитного заземления не должна превышать 4 Ом.
Измерение сопротивления заземления проводиться не реже 1 раза в год, летом при наибольшем просыхании или зимой при наибольшем промерзании почвы.
Существует несколько различных методов измерения сопротивления заземляющего устройства.
В данной инструкции рассматривается метод измерения с помощью измерителя сопротивления заземления типа М-416.
Прибор М-416 предназначается для измерения сопротивления заземляющих устройств, активных сопротивлений, а также может быть использован для определения удельного сопротивления грунта.
Предел измерения от 0,1 до 1000 см. Прибор М-416 рассчитан для работы при температуре окружающего воздуха от минус 25 °С до плюс 60 °С и относительной влажности 95 плюс 3 % при температуре плюс 35 °С.
Принцип действия прибора основан на компенсационном методе измерения с применением вспомогательного заземления и потенциального электрода (зонда).
6.1 Указания мер безопасности
6.1.1 Электроизмерительные работы на лифтах должны проводиться персоналом, обученным по специальной программе, аттестованным комиссией предприятия по знанию правил, норм и инструкций, в том числе по электробезопасности на квалификационную группу не ниже III.
6.1.2 Допуск к работе должен быть оформлен приказом по предприятию при наличии на руках удостоверения об аттестации.
6.1.3 Повторная проверка знаний должна проводиться комиссией предприятия не реже одного раза в 12 месяцев.
6.1.4 Перед началом работ, а также периодически, должны проводиться инструктажи по технике безопасности с записью в специальном журнале.
6.1.5 Работы должны проводиться в соответствии с утвержденным планом, составленным на основании договоров с Заказчиком.
6.1.6 Для проведения работ должны применяться приборы, приспособления, инструмент и средства измерения, прошедшие поверку в соответствии с ГОСТ 8.513, а также основные и защитные средства, отвечающие требованиям ПТБ при ЭЭП.
6.1.7 Перед началом работ должны быть выполнены организационные и технические мероприятия, в том числе:
6.1.7.1 Выдано задание на производство работ;
6.1.7.2 Осуществлен допуск и надзор во время работы;
6.1.7.3 Произведены необходимые отключения и приняты меры от ошибочного включения, проверено отсутствие напряжения на испытуемых участках, в необходимых случаях наложено переносное заземление.
6.1.7.4 Вывешены запрещающие и предупреждающие плакаты.
6.1.7.5 Оформлено окончание работ, составлен технический отчет.
Примечание: Выполнение мероприятий по п. 6.1.7.2 - 6.1.7.4 должно быть обеспечено лицом, ответственным за исправное состояние лифта (электромехаником). После окончания работ электромеханик должен восстановить электрические цепи, проверить и включить лифт в работу.
6.1.8 Персонал, принимающий участие в выполнении электроизмерительных работ, должен выполнять требования инструкции по охране труда для электротехнического персонала, а также для электромеханика по лифтам.
6.2 Указания по измерению сопротивления изоляции электропроводки и электрооборудования лифта.
6.2.1 Перед измерением сопротивления изоляции необходимо закоротить полупроводниковые выпрямители, отключить конденсаторы, микропроцессорные платы и другие устройства, содержащие элементы микроэлектроники в целях предотвращения выхода их из строя.
6.2.2 Для выполнения измерений необходимо использовать мегаомметр (типа M1101) с рабочим напряжением 1000 В, а для лифтов иностранного производства (ОТИС и др.) - до 500 В.
6.2.3 Сопротивление изоляции силовой цепи должно быть измерено по участкам от вводного устройства до электродвигателя, при этом участком считается проводка между двумя коммутационными аппаратами. Допускается измерение по участкам, собранным принудительным наключением коммутационных аппаратов.
Сопротивление изоляции проводов должно быть измерено отдельно для каждой фазы относительно «земли» (нулевого провода), а также между фазами.
6.2.4 Для проверки изоляции обмоток электродвигателей и трансформаторов необходимо отключить проводку на их клеммниках. Измерения произвести между обмоткой и землей и между обмотками.
6.2.5 Сопротивление изоляции цепей управления и сигнализации должно быть испытано по всем участкам (от подключения к силовой цепи до электрооборудования, установленного в машинном помещении, шахте, в кабине и на кабине, а также на посадочных площадках).
Допускается производить измерение отдельных ветвей цепей методом принудительного наключения контактов коммутационных аппаратов данных ветвей.
6.2.6 Для присоединения мегаомметра следует применять гибкие раздельные провода сечением 1,5 - 2,5 мм2 с сопротивлением изоляции не менее 100 МОм.
6.2.7 Рукоятку мегаомметра следует вращать со скоростью 120 об/мин, показания прибора следует записывать после установления стрелки прибора.
При вращении рукоятки запрещается прикасаться к зажимам прибора и местам присоединения проводов.
При выполнении измерений прибор должен находиться в горизонтальном положении.
6.2.8 Перед началом измерений необходимо проверить исправность мегаомметра. Для этого следует перемкнуть клеммы «земля» и «линия» и при вращении рукоятки убедиться, что стрелка прибора остановилась на «нуле».
Разомкнуть клеммы и убедиться, что при вращении рукоятки стрелка прибора показывает «бесконечность».
6.2.9 Для производства измерений один провод закрепляется в зажиме «Линия», второй в зажиме «Земля».
При измерении сопротивления изоляции относительно «земли» провод от зажима «Земля» должен присоединяться к контуру сети заземления или корпусу проверяемого оборудования, а провод от зажима «Линия» к токоведущей жиле проверяемой петли.
При измерении сопротивления изоляции между фазами оба провода от прибора присоединяются к токоведущим жилам проверяемых фаз.
6.2.10 У мегаомметров типа М1101 имеется третий зажим Э («экран»), который используется для исключения влияния поверхностных токов утечки на результат измерения сопротивления изоляции. Им пользуются в случаях, когда поверхность замеряемого участка изоляции сильно увлажнена. Провод от зажима «Экран» подсоединяется к броне кабеля.
6.2.11 Схема подключения мегаомметра для измерения сопротивления изоляции силовой цепи приведена на рис. К1 приложения К.
6.3 Проверку полного сопротивления цепи петли «фаза-нуль» следует производить с помощью прибора М-417. Для этого:
- установить прибор на горизонтальную поверхность, открыть крышку и вынуть соединительные провода;
- ручку «Калибровка» поставить в левое крайнее положение;
- присоединить соединительные провода к зажимам прибора;
- один провод с помощью пружинного зажима присоединить к корпусу испытуемого объекта, в данном случае к корпусу эл. двигателя, обеспечив в месте соединения надежный контакт, а второй провод присоединить к одной из фаз на клеммнике эл. двигателя лифта, и в режиме управления из машинного помещения включить лифт в работу и отправить в любом направлении. При отсутствии обрыва заземляющей цепи на приборе, загорается сигнальная лампочка «Z = бесконечности», если последняя не загорается, это свидетельствует о наличии обрыва заземляющей цепи;
- нажать кнопку «Проверка калибровки» и с помощью ручки «Калибровка» установить ручку прибора на нуль;
- отпустить кнопку «Проверка калибровки» и нажать кнопку «Измерение». Отсчитать показания на шкале прибора. Время измерения не более 4 - 7 с с интервалом между измерениями не менее 0,5 мин;
- загорание сигнальной лампы «Z > 2 Ом» при нажатии кнопки «Измерение» свидетельствует о сопротивлении петли «фаза-нуль», измеряемого объекта больше 2 Ом;
- повторные измерения производить только после проверки калибровки.
Схема подключения прибора приведена на рис. К2 приложения К.
6.4 Проверку сопротивления защитного заземления производить с помощью прибора М-416. Для этого:
- установить прибор на ровной поверхности, открыть крышку;
- регулятор чувствительности повернуть вправо до упора;
- установить переключатель в положение «контроль измерения» и нажать кнопку. Стрелка индикатора должна находиться за красной риской в правой части шкалы.
Если стрелка не доходит до красной риски шкалы, необходимо заменить источник питания.
Для замены источника питания снять крышку, заменить сухие элементы, закрыть крышку и закрепить ее винтами.
- установить переключатель в положение «контроль 5 Ом», нажать кнопку и вращением ручки «реохорд» добиться установки стрелки индикатора на нулевую отметку.
На шкале реохорда при этом должно быть показание 5 + 0,35 Ом.
При измерении располагать прибор следует в непосредственной близости от измеряемого заземлителя, так как при этом на результат измерения меньше сказывается сопротивление проводов, соединяющих прибор с заземлителем.
Электроды, образующие вспомогательный заземлитель и потенциальный электрод (зонд), устанавливаются на расстояниях, указанных на рис. К3 и К4 приложения К. Глубина погружения электродов в грунт должна быть не менее 500 мм.
Вспомогательный заземлитель и зонд должны быть выполнены в виде стержней диаметром не менее 12 мм.
Во избежание увеличения переходного сопротивления заземлителя и зонда, электроды следует забивать в грунт прямыми ударами, стараясь их не раскачивать.
Подключение прибора можно производить по трехзажимной (рис. К3) или четырехзажимной (рис. К4) схемам. При подключении прибора по трехзажимной схеме должна быть установлена перемычка между клеммами 1 и 2.
В результат измерений по трехзажимной схеме входит сопротивление провода, соединяющего прибор с заземлителем. Поэтому такое включение применяется при измерении сравнительно больших (больше 1 Ом) сопротивлений, или когда точное измерение не требуется.
При подключении прибора по четырехзажимной схеме погрешность, вносимая соединительными проводами, исключается.
Независимо от применяемой схемы, измерение производится в следующем порядке:
- переключатель В1 установить в положение «X1», а регулятор чувствительности повернуть влево (в сторону уменьшения чувствительности);
- нажать кнопку и вращать ручку «Реохорд», при увеличении чувствительности до наибольшего значения, установить стрелку индикатора на нуль;
- результат измерения равен произведению показания шкалы реохорда на множитель шкалы переключателя. Если измеряемое сопротивление окажется более 10 Ом, переключатель установить в положение «Х5», «X20», «X100» и повторить операции.
Перед началом измерения необходимо определить место забивания в землю вспомогательных электродов (металлических стержней). При этом следует убедиться в отсутствии вблизи намеченных мест проложенного кабеля.
Признаками наличия трассы кабеля являются опознавательные знаки (пикеты) в виде столбов или надписей на стенах зданий и постоянных сооружений. Пикетные столбики устанавливаются на прямолинейных участках трассы через 100 м, на всех поворотах трассы и в местах нахождения соединительных муфт.
Расстояние между положенным кабелем и фундаментами зданий должно быть не менее 0,6 м.
При проведении измерений необходимо соблюдать правила уличного движения. Соединяющие провода (длиной более 10 и 20 м) не должны мешать движению транспорта и пешеходов.
6.5 Проверка заземления элементов электрооборудования лифтов включает в себя:
- осмотр сети защитного заземления для определения надежности и правильности ее конструктивного выполнения;
- проверку переходных сопротивлений в контактах сети заземляющей проводки.
Соединения заземляющих проводников между собой должны обеспечивать надежный контакт и выполняться посредством сварки.
Длина нахлестки (длина сварочных швов) должна быть равной двойной ширине при прямоугольном сечении заземляющих проводников.
Присоединение заземляющих проводников к корпусам элементов электрооборудования лифта должно быть выполнено сваркой или надежным болтовым соединением.
Заземление электрических машин и аппаратов, установленных на звуко- и виброизоляционных опорах должно быть выполнено гибким проводом.
Присоединение заземляющих проводников к металлическим оболочкам кабелей и проводов следует выполнять пайкой. При этом должно быть выполнено механическое крепление припаиваемого проводника при помощи скрутки, хомутом и др.
При невозможности присоединения заземляющих проводников к металлическим трубам эл. проводки сваркой, болтовым соединением или пайкой, оно может быть выполнено при помощи хомутов, контактная поверхность которых должна быть облужена.
Трубы в местах накладки хомутов должны быть зачищены.
Для заземления электрооборудования, установленного в шахте лифта, используются металлоконструкции шахты.
Для заземления кабины следует использовать одну из жил подвесного кабеля.
Металлический каркас кабины используется в качестве заземляющего проводника для заземления электрооборудования кабины.
Корпус магнитной отводки, панель кнопочного аппарата, корпус светильника кабины должны быть соединены с каркасом кабины гибким проводом.
При использовании в качестве проводника заземляющего проводника различных металлоконструкций лифта для заземления элементов электрооборудования, при удовлетворительном переходном сопротивлении, необходимость измерения переходного сопротивления самой металлоконструкции отпадает.
Подлежащие заземлению элементы электрооборудования, не относящиеся к лифту, но установленные в машинном, блочном помещении и в шахте лифта, также подлежат проверке.
Проверка переходных сопротивлений в контактах сети заземляющей проводки производиться омметром типа М-372.
Омметр М-372 предназначен для измерения сопротивления заземляющей проводки, установления факта обрыва ее, а также для обнаружения аварийного напряжения на оборудовании.
Прибор позволяет производить измерения сопротивления до 50 Ом и обнаруживать наличие переменного напряжения от 60 до 380 В.
В корпусе прибора помещен сухой элемент напряжением 1,5 В.
Подключение прибора к измеряемому объекту производиться с помощью специального щупа, имеющего изолированную рукоятку и струбцины с гибким проводником. Проводник должен иметь сопротивление не более 0,035 Ом. При производстве измерений щуп следует держать за изолированную рукоятку.
6.6 Проверку переходных сопротивлений в контактах сети заземляющей проводки следует производить следующим способом:
- места соединения струбцины с заземляющей проводкой и острия щупа (напильник) с заземленным объектом предварительно зачистить до металлического блеска;
- привернуть струбцину к общей шине заземляющей сети, медным проводом сечением 1,5 мм2 и длиной 3 м (или сечением 2,5 - 4 мм2 и длиной 5 - 8 м) присоединить ее к зажиму прибора;
- корректором установить стрелку прибора на нуль;
- нажать кнопку и рукояткой «установка» установить стрелку прибора на бесконечность. Кнопку отпустить;
- соединить щуп (напильник) с зажимом прибора медным проводом сечением 1,5 мм2 и длиной 3 м;
- прижать острие щупа (врезаться гранью напильника) к заведенному объекту;
- не нажимая кнопки убедиться в отсутствии напряжения на проверяемом объекте (при отсутствии напряжения стрелка прибора останется без движения). При отклонении стрелки прибор немедленно отключится. Запрещается нажимать кнопку при наличии напряжения на проверяемом объекте;
- если стрелка прибора не отклонится, нажать на кнопку и произвести отчет в омах.
Переходное сопротивление при проверке наличия цепи между заземлителями (заземленным нулевым приводом) и заземленными элементами определяется как разность между показанием прибора с соединительными проводами.
Внутреннее сопротивление прибора и соединительных проводов измеряется по шкале прибора посредством замыкания между собой присоединенных к прибору проводов и нажатия кнопки.
(обязательное)
ТЕХНИЧЕСКИЙ ОТЧЕТ
|
|
|
Мегаомметр типа зав. № Измеритель заземления зав. № Омметр типа зав. № Измеритель полного сопротивления петли фаза-нуль |
проверен Госповерителем в 19 г. кв. проверен Госповерителем в 19 г. кв. проверен Госповерителем в 19 г. кв. проверен Госповерителем в 19 г. кв. |
ПРОТОКОЛ № 1
проверки
сопротивления изоляции
силового электрооборудования цепей
управления и сигнализации, силовой и осветительной электропроводки
|
|
Наименование участка сети или электрооборудования |
Марка и сечение провода |
Способ прокладки |
Сопротивление, МОм |
Рекомендации |
|||||
|
относит. земли |
между фазами |
|||||||||
|
А-0 |
В-0 |
С-0 |
А-В |
А-С |
В-С |
|||||
|
1 |
2 |
3 |
4 |
5 |
6 |
7 |
8 |
9 |
10 |
11 |
|
1. |
Силовая часть лифта: от руб-ка ввода до автом. 1 А, до предохран. тр-ра |
|
|
|
|
|
|
|
|
|
|
|
от автомата 1 А до обмотки М. скорости эл. двигателя, до эл. магнита тормоза |
|
|
|
|
|
|
|
|
|
|
|
от автомата 1 А до обмотки Б. скорости эл. двигателя |
|
|
|
|
|
|
|
|
|
|
|
|
|
|
|
|
|
|
|
|
|
|
|
|
|
|
|
|
|
|
|
|
|
|
|
|
|
|
|
|
|
|
|
|
|
|
2. |
Электродвигатели: обмотка статора эл. двиг. Б.-М. скорости |
|
|
|
|
|
|
|
|
|
|
|
от автомата 2 А до эл. двиг. привода дверей |
|
|
|
|
|
|
|
|
|
|
|
обмотка статора эл. двиг. привода дверей |
|
|
|
|
|
|
|
|
|
|
|
обмотка статора эл. двиг. вентиляции |
|
|
|
|
|
|
|
|
|
|
|
|
|
|
|
|
|
|
|
|
|
|
|
|
|
|
|
|
|
|
|
|
|
|
3. |
Трансформаторы: от переход. до тр-ра 380-95-85 (380-100) |
|
|
|
|
|
|
|
|
|
|
|
обмотка тр-ра |
|
|
|
|
|
|
|
|
|
|
|
от предохранителя тр-ра 380-220 |
|
|
|
|
|
|
|
|
|
|
|
обмотка тр-ра |
|
|
|
|
|
|
|
|
|
|
|
от предохран. до тр-ра 380-24 |
|
|
|
|
|
|
|
|
|
|
|
обмотка тр-ра |
|
|
|
|
|
|
|
|
|
|
|
|
|
|
|
|
|
|
|
|
|
|
|
|
|
|
|
|
|
|
|
|
|
|
|
|
|
|
|
|
|
|
|
|
|
|
4. |
Тормозной эл. магнит |
|
|
|
|
|
|
|
|
|
|
5. |
Магнитная отводка |
|
|
|
|
|
|
|
|
|
|
6. |
Цепь кнопок вызова |
|
|
|
|
|
|
|
|
|
|
7. |
Цепь управления |
|
|
|
|
|
|
|
|
|
|
8. |
Цепь управления - цепь освещения шахты |
|
|
|
|
|
|
|
|
|
|
9. |
Цепь управления - цепь сигнализ. - сил. цепь |
|
|
|
|
|
|
|
|
|
|
|
эл. двигатель привода дверей |
|
|
|
|
|
|
|
|
|
|
10 |
Цепь сигнализации |
|
|
|
|
|
|
|
|
|
|
11 |
Цепь освещения кабины |
|
|
|
|
|
|
|
|
|
|
12 |
Цепь освещения шахты |
|
|
|
|
|
|
|
|
|
|
|
|
|
|
|
|
|
|
|
|
|
|
|
|
|
|
|
|
|
|
|
|
|
|
|
|
|
|
|
|
|
|
|
|
|
|
|
|
|
|
|
|
|
|
|
|
|
|
|
|
|
|
|
|
|
|
|
|
|
|
|
|
|
|
|
|
|
|
|
|
|
ПРОТОКОЛ № 2
осмотра и проверки элементов заземления (зануления) оборудования
|
№№ п/п |
Наименование элементов оборудования |
Заключение |
Рекомендации |
|
1 |
2 |
3 |
4 |
|
|
Металлоконструкции шахты, направл. |
|
|
|
|
Станина эл. двигателя |
|
|
|
|
Корпус эл. двигателя |
|
|
|
|
МТ, МР от НКУ до эл. двигателя |
|
|
|
|
Шкаф НКУ |
|
|
|
|
МТ-МР к эл. тормозу |
|
|
|
|
Кронштейн концевого выключателя |
|
|
|
|
МТ, МР и концевой выключатель |
|
|
|
|
Каркас панели НКУ |
|
|
|
|
Каркас рубильника ввода |
|
|
|
|
Кожух рубильника |
|
|
|
|
МТ, МР от НКУ в шахту |
|
|
|
|
Кронштейн трансформатора 380-95-85 |
|
|
|
|
Корпус тр-ра 380-95-85 |
|
|
|
|
Кронштейн тр-ра 380-24 |
|
|
|
|
Корпус и вторичная обмотка тр-ра 380-24 |
|
|
|
|
Кронштейн тр-ра 380-220 |
|
|
|
|
Корпус тр-ра 380-220 |
|
|
|
|
Кронштейн трансформатора |
|
|
|
|
Кронштейн ВНУ |
|
|
|
|
Корпус светового табло |
|
|
|
|
Корпус блока групповой работы |
|
|
|
|
Кожух переключателя режима работ |
|
|
|
|
Корпус светильника освещения шахты |
|
|
|
|
Корпус магнитной отводки |
|
|
|
|
Корпус ДК, ДТО, СПК, ВЛ |
|
|
|
|
Корпус ВКЗ, ВКО |
|
|
|
|
МТ, МР от руб. до панели управления |
|
|
|
|
МТ, МР по шахте |
|
|
|
|
МТ, МР по кабине |
|
|
|
|
Корпус дверн. конт. шахты (ДШ, ДЗ) |
|
|
|
|
Корпус вызывных аппаратов |
|
|
|
|
Корпус светильника в машинном помещении |
|
|
|
|
Панель кнопочного аппарата кабины |
|
|
|
|
Корпус этажного переключателя, датчика |
|
|
|
|
Каркас кабины |
|
|
|
|
Корпус эл. двигателя привода дверей |
|
|
|
|
Тросик подвесного кабеля |
|
|
|
|
Струна открытой проводки |
|
|
|
|
Полюс выпрямительного устройства |
|
|
|
|
Вторичная обмотка тр-ра |
|
|
|
|
Вывод обмоток эл. магнитных аппаратов |
|
|
|
|
|
|
|
ПРОТОКОЛ № 3
Измерения
полного сопротивления петли фаза-нуль
|
№№ п/п |
Наименование измеряемого участка цепи или заземленного эл. оборудования |
Расчетная мощность, А |
Установленная защита |
Полное сопротивление петли фаза-нуль |
Фактический ток короткого замыкания |
Рекомендации |
|
|
номинальный ток плавкой вставки расцепителя авт. |
установка тока мгновенного срабатывания автомата |
||||||
|
|
|
КВт |
А |
А |
Ом |
А |
|
|
|
|
|
|
|
|
|
|
|
|
|
|
|
|
|
|
|
|
|
|
|
|
|
|
|
|
|
|
|
|
|
|
|
|
|
|
|
|
|
|
|
|
|
|
|
|
|
|
|
|
|
|
|
|
|
|
|
|
|
|
|
|
|
|
|
|
|
|
|
|
|
|
Одновременно проверено: а) отсутствие предохранителей и автоматов в нулевых проводах; б) соответствие плавных вставок предохранителей и уставок автоматов требованиям ПУЭ и технических условий; в) сечение нулевых проводов. ЗАКЛЮЧЕНИЕ В результате проведенного осмотра, проверки и испытания установлено: 1 Сопротивление изоляции силового электрооборудования, цепей управления и сигнализации, силовой и осветительной электропроводки соответствует (не соответствует) требованиям ПЭЭП, ПУЭ. 2 Заземление элементов оборудования лифта соответствует (не соответствует) требованиям ПЭЭП, ПУЭ. 3 Полное сопротивление петли фаза-нуль соответствует (не соответствует) ПЭЭП, ПУЭ. Испытания провели специалисты: ____________ /____________/ подпись Ф.И.О. ____________ /____________/ подпись Ф.И.О. |
|||||||
(обязательное)
Таблица Б1
|
Наименование |
Медь |
Алюминий |
Сталь |
||
|
в зданиях |
в наружных установках |
в земле |
|||
|
Неизолированные проводники: |
|
|
|
|
|
|
сечение, мм2 |
4 |
6 |
- |
- |
- |
|
диаметр, мм |
- |
- |
5 |
6 |
10 |
|
Изолированные провода: сечение, мм2 |
1,5* |
2,5 |
- |
- |
- |
|
Заземляющие и нулевые жилы кабелей и многожильных проводов в общей защитной оболочке с фазными жилами: |
|
|
|
|
|
|
сечение, мм2 |
1 |
2,5 |
- |
- |
- |
|
Угловая сталь: |
|
|
|
|
|
|
толщина полки, мм |
- |
- |
2 |
2,5 |
4 |
|
Полосовая сталь: |
|
|
|
|
|
|
сечение, мм2 |
- |
- |
24 |
48 |
48 |
|
толщина, мм |
- |
- |
3 |
4 |
4 |
|
Водогазопроводные трубы (стальные): |
|
|
|
|
|
|
толщина стенки, мм |
- |
- |
2,5 |
2,5 |
3,5 |
|
Тонкостенные трубы (стальные): толщина стенки, мм |
- |
- |
1,5 |
2,5 |
Не допускается |
_____________
* При прокладке проводов в трубах сечение нулевых защитных проводников допускается применять равным 1 мм, если фазные проводники имеют то же сечение.
(обязательное)
Таблица В1
|
Наименование испытания |
Вид испытания |
Нормы испытания |
Указания |
|
Проверка срабатывания защиты машин до 1000 В при системе питания с заземленной нейтралью |
К*; Т**, М** |
При замыкании на корпус должен возникнуть ток однофазного короткого замыкания, превышающий номинальный ток плавкой вставки ближайшего предохранителя или расцепителя автоматического выключателя. Превышение должно быть не меньше, чем указано в ПУЭ |
Производится у машин напряжением выше 42 В, работающих в опасных и особо опасных условиях, а также у всех машин напряжением 380 В и более непосредственным измерением тока однофазного короткого замыкания на корпус с помощью специальных приборов или измерением полного сопротивления петли фаза-нуль с последующим определением тока однофазного короткого замыкания. Полученный ток сравнивается с номинальным током защитного аппарата с учетом коэффициентов ПУЭ |
___________
* К - производятся в сроки, устанавливаемые системой ППР, для двигателей ответственных механизмов и работающих в тяжелых условиях (в отношении опасности поражения людей электрическим током в соответствии с классификацией, приведенной в ПУЭ) - не реже 1 раза в 2 года.
** Т, М - производятся в сроки, устанавливаемые системой ППР.
(обязательное)
Таблица Г1
|
Наименование испытания |
Вид испытания |
Нормы испытания |
Указания |
|
Проверка наличия цепи между заземлителями и заземляемыми элементами |
К*, Т* |
Не должно быть обрывов и неудовлетворительных контактов в проводке, соединяющей аппаратуру или нулевой провод с заземлителями. Сопротивление не нормируется |
Производится также при каждой перестановке оборудования и после каждого ремонта заземлителей. Обычно сопротивление контакта заземляющих проводников не превышает 0,05 Ом. Для оценки результата измерения, при необходимости, определяется сопротивление и расчетным путем. Измеренное значение не должно превышать расчетное более чем в 1,2 раза. У лифтов проверка наличия цепи должна производиться не реже 1 раза в год |
|
Определение сопротивления заземляющего устройства |
к, т, м* |
не более 40 м |
Для получения возможно более реальных результатов измерения рекомендуется проводить в периоды наибольшего удельного сопротивления грунта. Измерение проводить не реже 1 раза в год. |
_________
* К, Т, М - вид ремонта, установленный системой ППР.
(обязательное)
Таблица Д1
|
Наименование испытания |
Вид испытания |
Нормы испытания |
Указания |
|
Проверка срабатывания защиты при системе питания с заземленной нейтралью |
К*, Т*, М* |
При замыкании на корпус или нулевой провод должен возникнуть ток однофазного короткого замыкания, превышающий номинальный ток плавкой вставки ближайшего предохранителя или расцепителя автоматического выключателя. Превышение должно быть не менее, чем в 3 раза |
Проверяется на всех заземленных установках непосредственным измерением тока однофазного короткого замыкания на корпус и металлические конструкции с помощью специальных приборов или измерением полного сопротивления петли фаза-нуль с последующим определением тока однофазного короткого замыкания. Полученный ток сравнивается с номинальным током защитного аппарата с учетом коэффициентов, определяемых требованиями ПУЭ. Измерения проводить не реже 1 раза в 6 лет. |
___________
* К, Т, М - сроки ремонта устанавливаются системой ППР.
(обязательное)
Таблица Е1
|
Сечение токопроводящей жилы, мм2 |
Ток, А, для проводов, проложенных |
|||||
|
открыто |
в одной трубе |
|||||
|
двух одножильных |
трех одножильных |
четырех одножильных |
одного двухжильного |
одного трехжильного |
||
|
0,5 |
11 |
- |
- |
- |
- |
- |
|
0,75 |
15 |
- |
- |
- |
- |
- |
|
1 |
17 |
16 |
15 |
14 |
15 |
14 |
|
1,2 |
20 |
18 |
16 |
15 |
16 |
14,5 |
|
1,5 |
23 |
19 |
17 |
16 |
18 |
15 |
|
2 |
26 |
24 |
22 |
20 |
23 |
19 |
|
2,5 |
30 |
27 |
25 |
25 |
25 |
21 |
|
3 |
34 |
32 |
28 |
26 |
28 |
24 |
|
4 |
41 |
38 |
35 |
30 |
32 |
27 |
|
5 |
46 |
42 |
39 |
34 |
37 |
31 |
|
6 |
50 |
46 |
42 |
40 |
40 |
34 |
|
8 |
62 |
54 |
51 |
46 |
48 |
43 |
|
10 |
80 |
70 |
60 |
50 |
55 |
50 |
|
16 |
100 |
85 |
80 |
75 |
80 |
70 |
|
25 |
140 |
115 |
100 |
90 |
100 |
85 |
|
35 |
170 |
135 |
125 |
115 |
125 |
100 |
|
50 |
215 |
186 |
170 |
150 |
160 |
135 |
|
70 |
270 |
225 |
210 |
185 |
195 |
175 |
|
95 |
330 |
275 |
255 |
225 |
245 |
215 |
|
120 |
385 |
315 |
290 |
260 |
295 |
250 |
|
150 |
440 |
360 |
330 |
- |
- |
- |
|
185 |
510 |
- |
- |
- |
- |
- |
|
240 |
605 |
- |
- |
- |
- |
- |
|
300 |
695 |
- |
- |
- |
- |
- |
|
400 |
830 |
- |
- |
- |
- |
- |
(обязательное)
Таблица Ж1
|
Сечение токопроводящей жилы, мм2 |
Ток, А, для проводов, проложенных |
|||||
|
открыто |
в одной трубе |
|||||
|
|
двух одножильных |
трех одножильных |
четырех одножильных |
одного двухжильного |
одного трехжильного |
|
|
2 |
21 |
19 |
18 |
15 |
17 |
14 |
|
2,5 |
24 |
20 |
19 |
19 |
19 |
16 |
|
3 |
27 |
24 |
22 |
21 |
22 |
18 |
|
4 |
32 |
28 |
28 |
23 |
25 |
21 |
|
5 |
36 |
32 |
30 |
27 |
28 |
24 |
|
6 |
39 |
36 |
32 |
30 |
31 |
26 |
|
8 |
46 |
43 |
40 |
37 |
38 |
32 |
|
10 |
60 |
50 |
47 |
39 |
42 |
38 |
|
16 |
75 |
60 |
60 |
55 |
60 |
55 |
|
25 |
105 |
85 |
80 |
70 |
75 |
65 |
|
35 |
130 |
100 |
95 |
85 |
95 |
75 |
|
50 |
165 |
140 |
130 |
120 |
125 |
105 |
|
70 |
210 |
175 |
165 |
140 |
150 |
135 |
|
95 |
255 |
215 |
200 |
175 |
190 |
165 |
|
120 |
295 |
245 |
220 |
200 |
230 |
190 |
|
150 |
340 |
275 |
255 |
- |
- |
- |
|
185 |
390 |
- |
- |
- |
- |
- |
|
240 |
465 |
- |
- |
- |
- |
- |
|
300 |
535 |
- |
- |
- |
- |
- |
|
400 |
645 |
- |
- |
- |
- |
- |
(обязательное)
Ток однофазного короткого замыкания зависит от полного сопротивления цепи «фаза-нуль» и рассчитывается по следующей формуле:

где Vф - фазное напряжение;
zт - сопротивление трансформатора;
Zc - полное сопротивление сети (фазный - нулевой провод);
1,1 - коэффициент запаса.
Полное сопротивление цепи «фаза-нуль» состоит из активных и реактивных сопротивлений:
а) питающего трансформатора;
б) фазного провода сети;
в) нулевого провода,
а также сопротивлений в месте замыкания, в контактах аппаратов и других частей сети.
Полное сопротивление цепи «фаза-нуль» зависит от:
а) конструктивного выполнения сети в целом (кабель, воздушная линия, проводки в стальных трубах и т.д.);
б) взаимного расположения фазных и нулевого проводников;
в) материала, длины, температуры проводников и размера их сечений;
г) наличия в цепи иных токопроводящих частей, соединенных с системой зануления и снижающих ее сопротивление.
При медных и алюминиевых проводах их внутренними индуктивными сопротивлениями можно пренебречь, учитывая их незначительную величину.
При использовании в качестве нулевых проводников четвертых жил проводов и кабелей, алюминиевых оболочек, стальных труб электропроводок внешним индуктивным сопротивлением в практических расчетах можно пренебречь вследствие его малой величины.
Однолинейная схема питания электроприемника

От подстанции с трансформатором 400 кВА питается линия из трех участков с двумя распределительными пунктами. Зануление выполнено четвертой жилой кабеля и проводов.
Ток короткого замыкания определяют по формуле

где Vф = 220 В;
zт = 0,195 Ом
Сопротивление фазного провода определяют по формуле
![]()
где r - удельное сопротивление провода;
l - длина провода;
s - сечение провода
Участок 1:
![]()
Участок 2:
![]()
Участок 3:
![]()
Полное сопротивление фазного провода:
![]()
Сопротивление нулевого провода
Участок 1:
![]()
Участок 2:
![]()
Участок 3:
![]()
Полное сопротивление нулевого провода:
![]()
Полное сопротивление фазного и нулевого проводов
Zе = Rф + Rн = 0,13 + 0,224 = 0,354 Ом
Однофазный ток короткого замыкания определяется по формуле

С целью обеспечения автоматического отключения аварийного участка ток КЗ должен быть не менее чем:
- в 3 раза номинального тока плавкого элемента ближайшего предохранителя;
- в 3 раза номинального тока нерегулируемого расцепителя или уставку тока регулируемого расцепителя автоматического выключателя, имеющего обратно зависимую от тока характеристику.
При защите сетей автоматическими выключателями, имеющими только электромагнитный расцепитель, ток КЗ должен быть не ниже уставки тока мгновенного срабатывания, умноженной на коэффициент, учитывающий разброс (по заводским данным) и на коэффициент запаса 1,1.
При отсутствии заводских данных для автоматических выключателей с номинальным током до 100 А кратность тока КЗ относительно уставки следует принимать не менее 1,4, а для автоматических выключателей с номинальным током 100 А - не менее 1,25.
В нашем примере электроприемником является электродвигатель мощностью 7 кВт.
Для защиты от токов короткого замыкания использован автоматический выключатель АЗ114/1 (или АЕ2036-10РУЗ) с характеристиками:
- ток теплового расцепителя Iпл = 25 А;
- ток уставки срабатывания электромагнитного расцепителя Iуст = 250 А.
Проверим условия, обеспечивающие защиту:
1 Iкз ³ 3Iпл
Iкз = 477,3 А 3Iпл = 3×25 = 75 А
477,3 > 75 - условие выполняется
2 Iкз ³ 1,4×1,1 Iуст
Iуст = 250 А 1,4×1,1 Iуст = 1,4×1,1×250 = 385 А
477,3 > 385 - условие выполняется.
Вывод: Автоматический выключатель с выбранными характеристиками обеспечивает защиту от тока короткого замыкания.
(обязательное)
Рис. К1
а) измерение относительно «земли», «нуля»
б) измерение между фазами
Примерная схема электроснабжения лифта, подключение прибора М-417. Вторичная обмотка ТП 380/220 трансформатора подстанции
Рис. К2
Рис. К3 Подключение приборов по трехзажимной схеме
Рис. К4 Схема измерения с исключением погрешности, вносимой соединительными проводами
СОДЕРЖАНИЕ