Стандарт распространяется на сборные железобетонные ригели и балки покрытий и перекрытий. Стандарт устанавливает основные нормы и правила входного контроля, транспортирования, складирования, монтажа, сдачи-приемки монтажных и демонтажных работ при возведении зданий и сооружений различного назначения, а так же контроля качества их выполнения и консервации конструкций при временном прекращении монтажных работ.
| Обозначение: | СТО НОСТРОЙ 2.7.56-2011 |
| Название рус.: | Ригели и балки покрытий и перекрытий сборные железобетонные с предварительно напряженной арматурой. Технические требования к монтажу и контролю их выполнения |
| Статус: | действует |
| Дата актуализации текста: | 05.05.2017 |
| Дата добавления в базу: | 01.09.2013 |
| Утвержден: | 30.12.2011 Совет Национального объединения строителей (24) |
| Опубликован: | Издательство БСТ (2011 г. ) |
| Ссылки для скачивания: |
НАЦИОНАЛЬНОЕ ОБЪЕДИНЕНИЕ СТРОИТЕЛЕЙ
Стандарт организации
РИГЕЛИ И БАЛКИ ПОКРЫТИЙ И ПЕРЕКРЫТИЙ
СБОРНЫЕ ЖЕЛЕЗОБЕТОННЫЕ
С ПРЕДВАРИТЕЛЬНО НАПРЯЖЕННОЙ АРМАТУРОЙ
Технические требования к монтажу
и контролю их выполнения
СТО НОСТРОЙ 2.7.56-2011
Москва 2012
Предисловие
|
1 РАЗРАБОТАН |
ОАО «ЦНИИПромзданий» |
|
2 ПРЕДСТАВЛЕН НА УТВЕРЖДЕНИЕ |
Комитетом по промышленному строительству Национального объединения строителей, протокол от 23 декабря 2011 г. № 15 |
|
3 УТВЕРЖДЕН И ВВЕДЕН В ДЕЙСТВИЕ |
Решением Совета Национального объединения строителей, протокол от 30 декабря 2011 г. № 24 |
|
4 ВВЕДЕН |
ВПЕРВЫЕ |
Настоящий стандарт разработан в рамках Программы стандартизации Национального объединения строителей и направлен на реализацию Градостроительного кодекса Российской Федерации, Федерального закона от 27 декабря 2002 г. № 184-ФЗ «О техническом регулировании», Федерального закона от 30 декабря 2009 г. № 384-ФЗ «Технический регламент о безопасности зданий и сооружений», Федерального закона от 23 ноября 2009 г № 261-ФЗ «Об энергосбережении и о повышении энергетической эффективности и о внесении изменений в отдельные законодательные акты Российской Федерации», приказа Министерства регионального развития Российской Федерации от 30 декабря 2009 г № 624 «Об утверждении Перечня видов работ по инженерным изысканиям, по подготовке проектной документации, по строительству, реконструкции, капитальному ремонту объектов капитального строительства, которые оказывают влияние на безопасность объектов капитального строительства».
Целью разработки стандарта является конкретизация общих положений СП 48.13330.2011 «СНиП 12-01-2004. Организация строительства» и СП 70.13330.2011 «СНиП 3.03.01-87. Несущие и ограждающие конструкции» применительно к монтажу железобетонных балок и регелей.
При разработке стандарта использованы действующие нормативные документы, современные зарубежные и отечественные технологии (Э.Н. Кодыш «Учет влияния работы железобетонных конструкций в стадии монтажа на эксплуатационный период», А.Д. Киреев «Технология возведения зданий и специальных сооружений»), а также опыт и наработки авторов стандарта.
Авторский коллектив: канд. техн. наук Н.Г. Келасьев, докт. техн. наук, проф. Н.Н. Трекин, докт. техн. наук, проф. Э.Н. Кодыш, И.В. Гузь (ОАО «ЦНИИПромзданий»); канд. техн. наук, проф. А.А. Гончаров (МГСУ).
СТАНДАРТ НАЦИОНАЛЬНОГО ОБЪЕДИНЕНИЯ СТРОИТЕЛЕЙ
|
РИГЕЛИ
И БАЛКИ ПОКРЫТИЙ И ПЕРЕКРЫТИЙ Технические требования к монтажу и контролю их выполнения Precast reinforced concrete cross-bars and beams of roof and floor
slabs Specification to erection and control of their performance |
1.1 Настоящий стандарт распространяется на сборные железобетонные ригели и балки покрытий и перекрытий с предварительно напряженной арматурой.
1.2 Стандарт устанавливает основные нормы и правила входного контроля, транспортирования, складирования, монтажа, сдачи-приемки монтажных и демонтажных работ при возведении зданий и сооружений различного назначения, а так же контроля качества их выполнения и консервации конструкций при временном прекращении монтажных работ.
В настоящем стандарте использованы нормативные ссылки на следующие стандарты и своды правил:
ГОСТ 3242-79 Соединения сварные. Методы контроля качества
ГОСТ 13015-2003 Изделия железобетонные и бетонные для строительства. Общие технические требования. Правила приемки, маркировки, транспортирования и хранения
ГОСТ 14098-91 Соединения сварные арматуры и закладных изделий железобетонных конструкций. Типы, конструкция и размеры
ГОСТ 17624-87 Бетоны. Ультразвуковой метод определения прочности бетона
ГОСТ 18105-2010* Бетоны. Правила контроля и оценки прочности
________
*Вводится в действие на территории Российской Федерации с 01.09.2012 вместо ГОСТ Р 53231-2008.
ГОСТ 18980-90 Ригели железобетонные для многоэтажных зданий. Технические условия
ГОСТ 22690-88 Бетоны. Определение прочности механическими методами неразрушающего контроля
ГОСТ 23407-78 Ограждения инвентарные строительных площадок и участков производства строительно-монтажных работ. Технические условия
ГОСТ 23616-79 Система обеспечения точности геометрических параметров в строительстве. Контроль точности
ГОСТ 24258-88 Средства подмащивания. Общие технические условия
ГОСТ 24259-80 Оснастка монтажная для временного закрепления и выверки конструкций зданий. Классификация и общие технические требования
ГОСТ 24893.0-81 Балки обвязочные железобетонные для зданий промышленных предприятий. Технические условия
ГОСТ 26433.0-85 Система обеспечения точности геометрических параметров в строительстве. Правила выполнения измерений. Общие положения
ГОСТ 26433.1-89 Система обеспечения точности геометрических параметров в строительстве. Правила выполнения измерений. Элементы заводского изготовления
ГОСТ 26433.2-94 Система обеспечения точности геометрических параметров в строительстве. Правила выполнения измерений параметров зданий и сооружений
ГОСТ 26887-86 Площадки и лестницы для строительно-монтажных работ. Общие технические условия
ГОСТ 28570-90 Бетоны. Методы определения прочности по образцам, отобранным из конструкций
ГОСТ Р 53778-2010 Здания и сооружения. Правила обследования и мониторинга технического состояния
СТО НОСТРОЙ 2.7.55-2011 Плиты покрытий и перекрытий сборные железобетонные с предварительно напряженной арматурой для пролетов до 7,2 м. Технические требования к монтажу и контролю их выполнения
Примечания - При пользовании настоящим стандартом целесообразно проверить действие ссылочных стандартов и сводов правил в информационной системе общего пользования -на официальных сайтах национального органа Российской Федерации по стандартизации и НОСТРОЙ в сети Интернет или по ежегодно издаваемым информационным указателям, опубликованным по состоянию на 1 января текущего года. Если ссылочный документ заменен (изменен), то при пользовании настоящим стандартом следует руководствоваться новым (измененным) документом. Если ссылочный документ отменен без замены, то положение, в котором дана ссылка на него, применяется в части, не затрагивающей эту ссылку.
В настоящем стандарте применены термины в соответствии с СТО НОСТРОЙ 2.7.55, а также следующие термины с соответствующими определениями:
3.1 балка: Конструктивный элемент, обычно в виде бруса, работающий главным образом на изгиб.
3.2 ригель: Линейный несущий элемент строительных конструкций зданий или сооружений, расположенный горизонтально или наклонно, соединяющий вертикальные элементы и служащий опорой для прогонов или плит, устанавливаемых в перекрытиях или покрытиях зданий.
Примечание - Соединения ригелей с вертикальными элементами (стойками и колоннами) осуществляются жестко или шарнирно.
4.1 Ригели и балки покрытий и перекрытий, применяемые при возведении здания или сооружения, должны соответствовать проекту и отвечать требованиям ГОСТ 18980, ГОСТ 24893.0.
Ригели и балки подразделяются на типы:
- по конструктивному решению: двухполочные, однополочные, с опиранием плит поверху;
- по способу опирания на колонну: с подрезкой (на скрытую консоль), без подрезки (на колонну или открытую консоль).
4.2 Оформление исполнительной документации при производстве монтажных работ необходимо осуществлять в соответствии с РД 11-02-2006 [1] и РД 11-05-2007 [2].
4.3 Все работы по монтажу ригелей и балок, начиная с входного контроля материалов и заканчивая сдачей-приемкой здания в целом или его отдельных частей, а также консервации и демонтажу, следует выполнять в соответствии с требованиями настоящего стандарта.
5.1 При поступлении ригелей и балок на строительную площадку необходимо выполнить следующие операции входного контроля:
- проверку наличия сопроводительного документа о качестве ригелей и балок и их соответствии заданному типу (марке) - ГОСТ 18980, ГОСТ 24893.0 (серия 1.420-35.95 [3], серия 1.420-8/81 [4], серия 1.020-1/87 [5]);
- проверку наличия маркировки на ригелях и балках в соответствии с ГОСТ 13015 и их соответствие данным, указанным в сопроводительном документе;
- предварительное визуальное обследование ригелей и балок для установления отсутствия недопустимых дефектов и повреждений (трещин, повреждений бетона в зоне анкеровки напрягаемой арматуры, сколов, наплывов бетона и др., приведенных в приложении А) и наличия выпусков арматурных стержней для стыковки.
5.2 После разгрузки ригелей и балок должны быть выполнены сплошной визуальный контроль и выборочные измерения по определению геометрических параметров, качества поверхностей, наличия трещин раскрытием более 0,1 мм, прочности бетона ригелей и балок.
5.2.1 Измерения по определению геометрических параметров, качества поверхностей, наличия трещин и прочности бетона ригелей и балок должны проводиться не менее чем на 10 % конструкций, но не менее трех.
5.2.2 Значения фактических отклонений геометрических параметров ригелей и балок, указанных в рабочих чертежах, не должны превышать допустимых отклонений, приведенных в таблице 1.
5.2.3 Качество поверхностей и внешний вид изделий в зависимости от категории, указанной в заказе на поставку, должны отвечать требованиям, приведенным в таблице 2.
Правила выбора средств измерений и выполнения измерений для контроля параметров, указанных в 5.2.1, установлены в ГОСТ 26433.0; ГОСТ 26433.1; ГОСТ 26433.2.
5.2.4 Поставленные на монтаж изделия не должны иметь:
- жировых и ржавых пятен на лицевых поверхностях;
- трещин на поверхностях, за исключением усадочных и других поверхностных технологических шириной более 0,1 мм;
- наплывов бетона на открытых поверхностях стальных закладных изделий, выпусках арматуры и монтажных петлях.
|
В миллиметрах |
|
Вид геометрического параметра |
Наименование геометрического параметра |
Предельное отклонение |
|
Отклонение от линейного размера |
Длина ригеля (балки): - до 4000 - от 4000 до 8000 - свыше 8000 |
±5 ±6 ±8 |
|
Размер поперечного сечения ригеля (балки): - до 250 - от 250 до 500 - свыше 500 |
±4 ±5 ±6 |
|
|
Размер, определяющий положение: - строповочного отверстия или монтажной петли -закладного изделия на плоскости ригеля: опорного дополнительного |
|
|
|
15 |
||
|
5 10 |
||
|
Несовпадение плоскостей ригеля и элемента закладного изделия |
5 |
|
|
Отклонение от прямолинейности боковых граней ригеля на всей их длине: - до 4000 - от 4000 до 8000 - свыше 8000 |
- |
5 6 8 |
|
Отклонение от плоскостности опорной части ригеля |
- |
3 |
5.2.5 Выборочный контроль прочности бетона ригелей и балок следует выполнять по ГОСТ 18105 путем определения класса бетона по прочности на сжатие.
5.2.5.1 Прочность бетона ригеля или балки должна соответствовать отпускной прочности, установленной в зависимости от наличия предварительно напряженной арматуры и времени года, но не менее 70 % от проектного значения в теплое время года и не менее 85 % от проектного значения в зимний период.
|
В миллиметрах |
|
Характеристика бетонной поверхности |
Категория |
Диаметр раковин |
Высота (глубина) наплыва (впадин) |
Глубина сколов |
Длина сколов на 1 м ребра |
|
Предназначенная под окраску, выходящая внутрь жилых и общественных зданий |
А2 |
1 |
1 |
5 |
50 |
|
Предназначенная под окраску, выходящая внутрь производственных и вспомогательных зданий |
А3 |
4 |
2 |
5 |
50 |
|
Лицевая неотделываемая |
А6 |
15 |
5 |
10 |
100 |
|
Нелицевая, невидимая в условиях эксплуатации |
А7 |
20 |
- |
20 |
- |
5.2.5.2 Контроль прочности бетона выполняют с использованием метода упругого отскока (склерометры), метода ударного импульса и метода скалывания ребра по ГОСТ 22690 или ультразвукового метода по ГОСТ 17624.
5.2.5.3 В ригеле или балке с наименьшими значениями прочности бетона, близкими к проектному или ниже проектного значения, используют дополнительно метод отрыва со скалыванием по ГОСТ 28570.
Примечание - Могут применяться другие методики определения прочности бетона методом отрыва со скалыванием, например, по СТО 02495307-005-2008 [6].
Класс бетона по прочности на сжатие вычисляют с учетом действительного среднего квадратического отклонения о, полученного по результатам не менее 6 измерений, выполненных в одном изделии.
5.3 При обнаружении недопустимых дефектов или отклонений, превышающих установленные допуски представителем завода-изготовителя, строительной
организацией, автором проекта и представителем проектной организации составляется акт (наиболее распространенные дефекты приведены в приложении А).
Решение о возможности использования ригелей или балок (партии изделий) при условии выполнения необходимого ремонта (усиления) принимается после обследования на соответствие требованиям ГОСТ 18980 и ГОСТ 24893.0.
6.1 Транспортирование и хранение ригелей и балок должно осуществляться в соответствии с требованиями настоящего стандарта и ГОСТ 13015.
Выбор транспортных средств производят на стадии разработки проекта производства работ (ППР) с учетом массы и размеров ригелей и балок, дальности перевозки, дорожных условий.
6.2 Ригели и балки следует транспортировать и хранить в горизонтальном положении в штабелях высотой не более 2 м. Положение при складировании - близкое к проектному. Главное требование - обеспечение устойчивости штабелей. В штабеле должно быть не более трех рядов. Возможно использование для складирования инвентарных кондукторов.
6.3 Доставка ригелей и балок на строительную площадку осуществляется железнодорожным или автомобильным транспортом. При доставке железнодорожным транспортом разгрузку изделий производят на прирельсовый склад, где осуществляется первичный входной контроль и сортировка изделий с последующей подачей (по потребности) на приобъектный склад.
6.4 При перевозке железнодорожными платформами ригели и балки укладывают горизонтальными рядами с поперечными прокладками.
Крепление ригелей и балок при транспортировке железнодорожным транспортом производят по правилам транспортирующей организации, а при транспортировке изделий, не включенных в правила, крепление производится при помощи стоек, скрепленных с нижним и верхним поперечными брусками. Нижний брусок, кроме того, прибивают к полу платформы четырьмя гвоздями длиной не менее 150 мм. Стойки закрепляют двумя парами растяжек из проволоки диаметром 6 мм в шесть нитей.
6.5 Автомобильный транспорт рекомендуется использовать при перевозках на расстояния до 500 км. Для перевозки ригелей и балок используют, как правило, специализированные автотранспортные средства (панелевозы).
Примечания
1 Наибольшее распространение получили автопоезда, состоящие из седельного тягача и специализированного полуприцепа.
2 По погрузочной высоте (расстояние от плоскости, по которой осуществляется опирание перевозимого груза, до уровня земли) полуприцепы подразделяются на три типа: высокорамные, погрузочная высота которых больше высоты расположения седельно-сцепного устройства и больше диаметра колес полуприцепа; низкорамные, погрузочная высота которых меньше высоты расположения седельно-сцепного устройства и меньше диаметра колес полуприцепа; полунизкорамные, погрузочная высота которых меньше высоты расположения седельно-сцепного устройства и больше диаметра колес полуприцепа.
Перевозку ригелей и балок на большие расстояния рекомендуется производить в специально смонтированных контейнерах. При их отсутствии крепление ригелей производится при помощи специальных приспособлений (см. 6.4).
6.6 Деревянные подкладки и прокладки в штабеле должны устанавливаться строго по одной вертикали вблизи монтажных петель со стороны торцов изделий. Ширина прокладки назначается с учетом прочности древесины на смятие. Толщина прокладки должна обеспечивать наличие зазора не менее 20 мм от верха монтажной петли.
6.7 Штабели изделий (см. а) и б) рисунка 1), рассортированные по маркам, располагают на приобъектном складе в зоне действия монтажного крана в соответствии с утвержденным стройгенпланом. Расстояние между соседними штабелями должно быть не менее 0,2 м. Проходы между штабелями должны иметь ширину не менее 1 м. В штабеле должно быть не более трех рядов.
6.8 Необходимый запас конструкций определяют в зависимости от производственной потребности, дальности перевозки и условий поступления конструкций. Запас времени между поставкой и монтажом конструкций принимают до двух недель. При определении запаса конструкций учитывают также необходимость резерва на случай непредвиденных задержек в поставках и время, необходимое на комплектование конструкций.

а)
прямоугольные ригели; б) ригели с полками
1 - ригель; 2 - прокладка; 3 - подкладка
Рисунок 1 - Схема складирования балок и ригелей
7.1 Монтаж ригелей и балок осуществляют, как правило, в одном потоке с плитами перекрытий и покрытий с использованием самоходных стреловых кранов с гуськами или башенных кранов, грузоподъемность которых выбирается по наиболее тяжелому изделию и монтажной оснастке.
Выбор крана производится по методике, приведенной в приложении Б.
7.2 При отсутствии или ограниченных размерах стройплощадки* монтаж конструкций может осуществляться непосредственно с транспортных средств - «с колес».
________
*Стесненные городские условия.
При этом необходимо:
- наличие проекта организации монтажных работ в условиях затрудняющих складирование монтируемых конструкций;
- наличие почасового графика поставки монтируемых конструкций на строящийся объект, увязанного с технологической последовательностью их монтажа;
- выполнение требований раздела 5.
7.3 Монтажные работы должны предусматривать:
- подготовительные работы;
- строповку ригеля и балки;
- подъем и перемещение ригеля и балки к месту укладки;
- установку в положение, близкое к проектному;
- выверку и закрепление изделия в проектном положении.
7.4 Подготовительные работы должны включать следующие операции и процессы:
- проверку наличия на изделии маркировки и ее соответствие проекту;
- визуальную проверку отсутствия механических повреждений;
- очистку закладных деталей, опорных зон и проверку наличия антикоррозионного покрытия закладных деталей;
- нанесение на изделие монтажной разметки (при необходимости);
- проверку наличия акта освидетельствования (приемки) ранее выполненных работ;
- очистку опорных поверхностей ранее смонтированных конструкций (стен, колонн);
- нанесение разметки, определяющей проектное положение ригеля или балки на опорах.
7.5 Для строповки ригелей и балок с монтажными петлями используют двухветвевой строп. Необходимая длина стропа определяется из условия обеспечения угла не более 90° между ветвями стропа. Разрывное усилие для используемого каната должно не менее чем в шесть раз превышать усилие, действующее в канате при подъеме изделия.
Примечание - Для строповки ригелей и балок, не имеющих петель или других строповочных приспособлений, используют двухветвевой строп с дополнительными кольцевыми стропами или обвязочными захватами, а также траверсы со специальными захватами.
Конструкции строповочных устройств для монтажа ригелей и балок приведены в приложении В.
7.6 Укладка ригелей и балок производится с тех же поэтажных подмостей, которые применялись для монтажа колонн или кладки стен.
7.7 Укладку ригелей и балок в направлении перекрываемого пролета надлежит выполнять с соблюдением установленных нормами размеров глубины опирания их на опорные конструкции или зазоров между сопрягаемыми элементами. Глубина опирания балок зависит от конструктивного решения здания.
Установку изделий в поперечном направлении перекрываемого пролета следует выполнять по разметке, совмещая риски продольных осей устанавливаемых элементов с рисками осей колонн или рисками разбивочных осей.
Ригели и балки в каркасных зданиях следует укладывать насухо на опорные поверхности несущих конструкций.
Выверку ригелей и балок в вертикальной плоскости следует выполнять путем совмещения рисок геометрических осей на опорах относительно вертикали.
Не допускается применение не предусмотренных проектом подкладок для выравнивания укладываемых ригелей по отметкам без согласования с проектной организацией.
7.8 Сварку стыков, включая закладные детали и выпуски арматуры (ГОСТ 14098, ГОСТ 3242), следует выполнять после проверки правильности установки элементов.
Замоноличивание стыков (если это предусмотрено проектом) производится после приемки сварных соединений и выполнения антикоррозионного покрытия сварных соединений и поврежденных участков покрытия закладных изделий. Бетонные смеси, применяемые для замоноличивания стыков, должны отвечать требованиям проекта с учетом изменения состава и технологии производства работ в зависимости от климатических условий. Наибольший размер зерен крупного заполнителя в бетонной смеси не должен превышать 1/3 наименьшего размера сечения стыка.
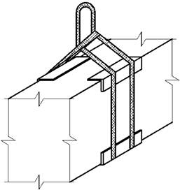
7.9 Сварка и замоноличивание стыков должны производиться с передвижных инвентарных подмостей, имеющих огражденные площадки (см. рисунок 2).

Рисунок 2 - Передвижная площадка монтажника
8.1 Сдача выполненных работ по монтажу ригелей и балок производится в комплексе со сдачей-приемкой всех видов общестроительных работ по возведению здания в целом или его отдельных частей.
8.2 В ходе сдачи-приемки проверяется полнота и правильность оформления исполнительной документации, включая акты на скрытые работы в соответствии с РД 11-02-2006 [1] и РД 11-05-2007 [2]. Оценка качества выполненных работ на объекте производится с учетом имевших место нарушений, отраженных в исполнительной документации.
8.3 При оценке качества монтажа отдельных элементов следует использовать геодезические приборы и измерительные устройства, позволяющие определять отклонения положения ригелей или балок от проектных геометрических параметров с погрешностью, не превышающей 0,2 от значения предельного (допустимого) отклонения.
Выбор средств измерений осуществляют в соответствии с ГОСТ 23616 и ГОСТ 26433.1.
8.4 Отклонения от проектного положения смонтированных ригелей и балок не должны превышать предельных отклонений:
а) от совмещения ориентиров (рисок геометрических осей, граней) в нижнем сечении установленных элементов с установочными ориентирами - 8 мм;
б) от совмещения ориентиров (рисок геометрических осей) в верхнем сечении установленных элементов с установочными ориентирами при высоте элемента на опоре:
- до 1 м - 6 мм;
- от 1,0 до 1,6 м - 8 мм;
в) от симметричности (половина разности глубины опирания концов элемента) в направлении перекрываемого пролета при длине элемента:
- до 4 м - 5 мм;
- от 4 до 8 м - 6 мм;
-от 8 до 16 м - 8 мм.
Измеряемые геометрические параметры изображены на рисунке 3.

Рисунок 3 - Схема допустимых отклонений ригеля от проектных параметров
9.1 Демонтаж ригелей и балок должен выполняться с учетом конструктивных и других особенностей здания и исключать возможность повреждения инженерных сетей или строительных конструкций здания.
Примечание - Необходимость демонтажа ригеля или балки может возникнуть при реконструкции здания, повреждении элемента в процессе возведения, эксплуатации, а также разборке здания.
9.2 Демонтаж выполняется в обязательном порядке на основе ППР, обеспечивающего безопасное ведение работ.
9.3 При демонтаже ригеля или балки с использованием крана после съема плит перекрытия или покрытия осуществляется строповка (для строповки и подъема элемента используются приспособления, указанные в 7.5) и прорезаются опорные сварные соединения. Контроль отсутствия креплений осуществляют вертикальным или горизонтальным смещением элемента в опорных зонах с помощью специальных приспособлений (рычажный инструмент или домкрат).
9.4 Демонтаж ригелей и балок в ходе реконструкции здания осуществляют в соответствии с технологической картой, разработанной на основе предварительно выполненного специального проекта, содержащего технические решения по переопиранию конструкций, не подлежащих демонтажу.
9.5 В проекте демонтажа железобетонных изделий должна быть предусмотрена утилизация железобетонных элементов.
Примечание - Рекомендации по утилизации демонтируемых железобетонных изделий, включая ригели и балки, приведены в пункте 9.5 СТО НОСТРОЙ 2.7.55.
10.1 Состав работ по консервации недостроенного объекта зависит от предполагаемого срока консервации, стадии и периода производства работ (зимний, летний) и определяется в специально разработанном ППР с обязательным обеспечением устойчивости положения ранее смонтированных элементов.
10.2 До консервации объекта в обязательном порядке должна быть выполнена обратная засыпка пазух фундаментов и защита от намокания материалов и конструкций, изменяющих свои свойства при насыщении водой, особенно в период ее замерзания.
10.3 При консервации на зимний период необходимы устройство временного кровельного покрытия и защита от возможности попадания влаги на несущие конструкции в сочетании с низкотемпературным воздействием.
Для железобетонных ригелей и балок (их номенклатура приведена в приложении Г) недопустимым является скопление влаги в зонах расположения закладных деталей, выпусков арматуры и сварных соединений с несущими конструкциями.
10.4 При консервации малоэтажных зданий с фундаментами мелкого заложения для предотвращения деформаций при промерзании основания целесообразно устраивать утепленную отмостку по периметру здания и утепление пола подвала.
10.5 В зимний период должна быть организована еженедельная проверка сохранности защитных конструкций.
10.6 При расконсервации объекта до возобновления строительных работ необходимо выполнить обследование всех строительных конструкций в соответствии с ГОСТ Р 53778 с составлением дефектной ведомости, выполнением необходимых поверочных расчетов, определением категории технического состояния конструкций и разработкой рекомендаций по устранению обнаруженных дефектов и повреждений.
11.1 Монтажники при производстве работ обязаны выполнять требования безопасности согласно СП 12-135-2003 [7].
11.2 Погрузочно-разгрузочные работы следует выполнять механизированным способом, используя подъемно-транспортное оборудование и средства малой механизации.
11.3 Строительная площадка, расположенная в населенном пункте, должна быть ограждена в соответствии с требованиями ГОСТ 23407.
11.4 Средства подмащивания, приставные лестницы и другие приспособления должны обеспечивать безопасность производства работ и отвечать требованиям ГОСТ 26887, ГОСТ 24259, ГОСТ 24258.
11.5 Рабочие места и проходы к ним, размещенные на перекрытиях или покрытиях, расположенных на высоте более 1,3 м и на расстоянии менее 2 м от границы перепада по высоте, должны иметь защитные или страховочные ограждения, а при расстоянии более 2 м - соответствующие сигнальные ограждения.
11.6 После установки конструкции в проектное положение необходимо произвести ее закрепление (постоянное или временное) согласно требованиям проекта. При этом должна быть обеспечена устойчивость и неподвижность смонтированной конструкции при воздействии монтажных и ветровых нагрузок. Крепление следует производить за ранее закрепленные анкера или конструкции, обеспечивая геометрическую неизменяемость монтируемого здания или сооружения.
11.7 Монтаж ригелей и балок на свежеуложенную кладку не допускается.
Примеры распространенных дефектов ригелей и балок массового применения
А.1 В таблице А.1 приведены примеры дефектов ригелей и балок, которые охватывают наиболее часто встречающиеся.
А.2 Причины возникновения дефектов ригелей и балок, приведенных в таблице А.1, могут быть уточнены после проведения экспертизы.
Таблица А.1
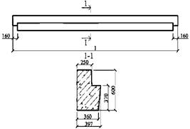
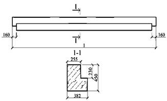
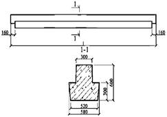
Выбор крана для монтажа ригелей и балок
Б.1 Исходными данными при выборе кранов являются габариты и объемно-планировочное решение здания, параметры и рабочее положение грузов, технология монтажа, условия производства работ. При этом рассматриваются как базовые модели кранов, так и их модификации с различными видами сменного оборудования, приведенные в приложении Д СТО НОСТРОЙ 2.7.55.
Б.2 Выбору предшествует определение организационных методов монтажа, характеризующих направление и последовательность установки элементов, уяснение места расположения и схемы движения кранов.
Б.3 Выбор башенного крана производят путем определения трех основных предельных технических параметров: грузоподъемности, высоты подъема крюка и вылета стрелы.
Расчетная схема показана на рисунке Б.1.
Б.3.1 Грузоподъемность Q, т, определяется по формуле:
|
Q = qэл + qcnh, |
(Б.1) |
где qэл - масса наиболее тяжелого элемента, т;
qcnh - суммарная масса строповочного устройства, монтажных приспособлений, элементов усиления, т.
Б.3.2 Высота подъема крюка Н, м, определяется по формуле:
|
H = h1 + h2 + h3 + h4, |
(Б.2) |
где h1 - высота последнего монтажного горизонта от уровня стоянки крана, м;
h2 - высота подъема элемента над опорой (h2 = 1 м);
h3 - высота (толщина) элемента, м;
h4 - высота строповки, м.
Б.3.3 Вылет стрелы L, м, определяется по формуле:
|
L = B + b + 1, |
(Б.3) |
где В - ширина здания, м;
b - расстояние от здания до оси рельсового пути, рассчитанное из условия обеспечения безопасного расстояния (не менее 1 м) от здания до наиболее выступающей части крана, м.
Б.4 После предварительного выбора крана в соответствии с расчетной схемой (см. Б.3) определяют вылеты при монтаже критических элементов (самого тяжелого, самого удаленного и др.) и по графику грузоподъемности выбранного крана проверяют возможность монтажа указанных элементов.
Б.5 Выбор самоходного стрелового крана для монтажа ригелей и балок, являющихся открытыми конструкциями, осуществляют по двум параметрам - грузоподъемности и высоте подъема крюка, которые определяют так же, как при выборе башенного крана (формулы Б.1 и Б.2). Вылет крана при этом близок к минимальному значению, при котором кран имеет минимальный запас по грузоподъемности и обеспечиваются лучшие экономические показатели монтажного процесса.
Расчетная схема выбора крана показана на рисунке Б.2.

Н- высота
подъема крюка; h1 - высота последнего монтажного горизонта от
уровня стоянки крана;
h - высота подъема элемента над опорой (h2 = 1 м); h3
- высота (толщина) элемента;
h4 - высота строповки; В - ширина здания; b -
расстояние от здания до оси рельсового пути,
рассчитанное из условия обеспечения безопасного расстояния (не менее 1 м) от
здания до наиболее
выступающей части крана; L - вылет стрелы
Рисунок Б.1 - Расчетная схема для выбора башенного крана

Н - высота
подъема крюка; h1 - высота последнего монтажного горизонта от
уровня стоянки крана;
h2 - высота подъема элемента над опорой (h2 = 1
м); h3 - высота (толщина) элемента;
h4 - высота строповки; L - вылет стрелы
Рисунок Б.2 - Расчетная схема выбора крана для монтажа открытых конструкций
Строповочные приспособления для монтажа ригелей и балок
В.1 Для подъема балок и ригелей, не имеющих строповочных петель, в комплекте с обычным двухветвевым стропом используют два кольцевых стропа (см. рисунок В.1).
В.2 Для повышения производительности кранового оборудования используют устройства с дистанционной зацепкой и отцепкой крюков. В простых устройствах этого типа крюк поворачивается с помощью рычага или канатика (см. рисунок В.2).
В.3 Для дистанционной расстроповки используют также штырево-строповые устройства, в которых для захвата балки или ригеля используется канатный строп, а штыревой замок служит для расстроповки элемента на расстоянии. После установки элемента на место и ослабления стропа штырь выдергивается и грузозахватное устройство освобождается (см. рисунок В.3).
В.4 Для исключения горизонтальных усилий в строповочных узлах и удобного расположения разного типа захватов используют траверсы.

Рисунок В.1 - Обвязка балки кольцевым стропом

а) строповка
балки; б) расстроповка балки
1 - обойма; 2 - грузовой крюк; 3 - тяга
Рисунок В.2 - Устройство с дистанционной отцепкой крюков

а) с
штыревым устройством, отдельным от заякоривающего валика;
б) с совмещенным заякоривающим валиком
1 - строп; 2 - штыревое устройство; 3 - заякоривающий валик
Рисунок В.3 - Штыревые строповочные устройства
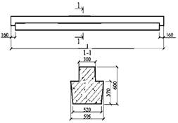
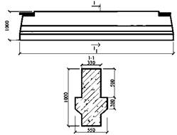
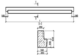
Номенклатура ригелей и балок массового применения
Г.1 В таблице Г.1 приведены характеристики ригелей и балок массового применения для оценки их габаритов и весовых показателей.
Таблица Г.1
|
Эскиз изделия |
Марка ригеля |
Длина 1, мм |
Масса, т |
|
Ригели серии 1.420-35.95 [3] |
|||
|
|
Б39-1 (в крайнем пролете) |
4980 |
3,50 |
|
Б40-1 (в крайнем и среднем пролетах) |
5280 |
3,70 |
|
|
Б41-1 (в среднем пролете) |
5480 |
3,80 |
|
|
Б39лев.-1 (в крайнем пролете) |
4980 |
3,20 |
|
|
Б39пр.-1 (в крайнем пролете) |
4980 |
3,20 |
|
|
Б40Клев.-1 (в крайнем и среднем пролетах) |
5280 |
3,30 |
|
|
Б40Кпр.-1 (в крайнем и среднем пролетах) |
5280 |
3,30 |
|
|
Б40Слев.-1 (в крайнем и среднем пролетах) |
5280 |
3,40 |
|
|
Б40Спр.-1 (в крайнем и среднем пролетах) |
5280 |
3,40 |
|
|
Б41лев.-1 (в среднем пролете) |
5480 |
3,60 |
|
|
Б41пр.-1 (в среднем пролете) |
5480 |
3,60 |
|
|
|
Б42-1 (в крайнем пролете) |
7980 |
5,75 |
|
Б43-1 (в крайнем пролете) |
8280 |
5,95 |
|
|
Б43-2 (в среднем пролете) |
8280 |
5,95 |
|
|
Б44-1 (в среднем пролете) |
8480 |
6,10 |
|
|
Ригели по ГОСТ 18980, серия 1.420-8/81 [4] |
|||
|
|
1РЖ10.112-145АтУ...1РЖ10.112-85А1У-д |
11180 |
12,00 |
|
1РЖ10.110-145АтУ...1РЖ10.110-85А1У-д |
10980 |
11,70 |
|
|
1РЖ10.108-145АтУ...1РЖ10.108-85А1У-д |
10780 |
11,50 |
|
|
1РЖ10.82-215АтУ...1РЖ10.82-120А1У-д |
8180 |
8,90 |
|
|
1РЖ10.80-215АтУ...1РЖ10.80-120А1У-д |
7980 |
8,60 |
|
|
1РЖ10.78-215АтУ...1РЖ10.78-120А1У-д |
7780 |
8,30 |
|
|
|
1РЖ8.82-145АтУ...1РЖ8.82-85А1У-д |
8180 |
6,80 |
|
1РЖ8.80-145АтУ...1РЖ8.80.-85А1У-д |
7980 |
6,50 |
|
|
1РЖ8.78-145АтУ...1РЖ8.78-85А1У-д |
7780 |
6,30 |
|
|
1РЖ8.52-215АтУ...1РЖ8.52-85А1У-д |
5180 |
4,30 |
|
|
1РЖ8.50-215АтУ...1РЖ8.50-85А1У-д |
4980 |
4,10 |
|
|
1РЖ8.48-215АтУ...1РЖ8.48-85А1У-д |
4780 |
4,10 |
|
|
|
1РЖ10.52-320АтУ...1РЖ10.52-180А1У-д |
5180 |
5,40 |
|
1РЖ10.50-320АтУ...1РЖ10.50-120А1У-д |
4980 |
5,20 |
|
|
1РЖ10.48-320АтУ...1РЖ10.48-180А1У-д |
4780 |
4,90 |
|
|
|
2РЖ8.52-215...2РЖ8.52-85-д |
5180 |
4,20 |
|
2РЖ8.50-215...2РЖ8.50-85-д |
4980 |
4,00 |
|
|
2РЖ8.48-215...2РЖ8.48-85-д |
4780 |
3,90 |
|
|
2РЖ8.82-145АтУ...2РЖ8.82-85А1У-д |
8180 |
6,80 |
|
|
2РЖ8.80-145АтУ...2РЖ8.80-85А1У-д |
7980 |
6,50 |
|
|
2РЖ8.78-145АтУ...2РЖ8.78-85А1У-д |
7780 |
6,20 |
|
|
Ригели по ГОСТ 18980, серия 1.020-1/87 [5] |
|||
|
|
РДП 4.26-60...РДП 4.26-110 |
2560 |
1,11 |
|
РДП 4.56-50 АтV...РДП 4.56-110 АтV |
5560 |
2,55 |
|
|
РДП 4.68-50 АтV...РДП 4.68-70 АтV |
6760 |
3,12 |
|
|
|
РОП 4.26-40...РОП 4.26-60 |
2560 |
1,05 |
|
РОП 4.56-30...РОП 4.56-60 |
5560 |
2,35 |
|
|
РОП 4.68-30...РОП 4.68-40 |
6760 |
2,87 |
|
|
|
РЛП 4.26-45...РЛП 4.26-60 |
2560 |
0,84 |
|
РЛП 4.56-45...РЛП 4.56-60 |
5560 |
1,89 |
|
|
|
Р 3.56 |
5540 |
0,75 |
|
Р 3.26 |
2540 |
0,35 |
|
|
|
РДП 6.86-50АтУ...РДП 6.86-110 АтV |
8560 |
5,88 |
|
РДП 6.56-50АтУ...РДП 6.56-110 АтV |
5560 |
3,78 |
|
|
РДП 6.26-50...РДП 6.26-110 |
2560 |
1,65 |
|
|
|
РОП 6.86-30АтV…РОП 6.86-60АтV-Ф |
8560 |
5,00 |
|
РОП 6.56-40АтV…РОП 6.56-60АтV |
5560 |
3,35 |
|
|
РОП 6.26-60 |
2560 |
1,45 |
|
|
|
РЛП 6.56-45АтV...РЛП 6.56-60АтV |
5560 |
2,65 |
|
РЛП 6.26-60 |
2560 |
1,20 |
|
|
|
РДР 6.86-50АтV...РДР 6.86-110АтV |
6560 |
5,50 |
|
РДР 6.56-50АтV...РДР 6.56-180АтV-т |
5560 |
1,43 |
|
|
РДР 6.26-50...РДР 6.26-180-т |
2560 |
1,70 |
|
|
|
POP 6.86-30АтV...РОР 6.86-60АтV-Ф |
8560 |
5,10 |
|
POP 6.56-40АтV...POP 6.56-100АтV-т |
5560 |
3,30 |
|
|
POP 6.26-60...POP 6.26-100-т |
2560 |
1,50 |
|
|
|
РЛР 6.56-45АтV...РЛР 6.56-100АтV-т |
5560 |
2,60 |
|
РЛР 6.25-60...РЛР 6.26-100-т |
2560 |
1,20 |
|
|
|
РП 12 |
1480 |
0,25 |
|
РП 24 |
2680 |
0,47 |
|
|
РП 2518 |
2530 |
0,47 |
|
|
|
РВ 32-4,5 В3 |
3190 |
0,51 |
|
РВ 36-4,5 В3 |
3590 |
0,23 |
|
|
|
РВ 56-3 В3 |
559 |
1,34 |
|
РВ 60-3 В3 |
5990 |
1,44 |
|
|
РВ 64-3 В3, РВ 64-4,5 В3 |
6390 |
1,53 |
|
|
|
РМ 60-3 В3, РМ 60-3-1 В3 |
5990 |
1,20 |
|
РМ 64-3 В3, РМ 64-3-1 В3 |
6390 |
1,27 |
|
|
|
РВ 40-1,3 В3 |
3990 |
0,48 |
|
|
РВ 46-2,5 В3 |
4590 |
1,31 |
|
РД 11-02-2006 |
Требования к составу и порядку ведения исполнительной документации при строительстве, реконструкции, капитальном ремонте объектов капитального строительства и требования, предъявляемые к актам освидетельствования работ, конструкций, участков сетей инженерно-технического обеспечения |
|
РД 11-05-2007 |
Порядок ведения общего и (или) специального журнала учета выполнения работ при строительстве, реконструкции, капитальном ремонте объектов капитального строительства |
|
серия 1.420-35.95 |
Конструкции многоэтажных производственных зданий с сетками колонн 6×6 м и 9×6 м под нагрузки соответственно до 2500 кгс/м2 и 1500 кгс/м2 |
|
серия 1.420-8/81 |
Конструкции двухэтажных производственных бескрановых зданий с сетками колонн первого этажа 6×6, 9×6, 12×6 м, второго этажа 18×6, 18×12, 24×6, 24×12 м, нагрузкой на перекрытие до 5 тс/м2 и железобетонными двухэтажными колоннами |
|
[5] Типовая РД серия 1.020-1/87 |
Конструкции каркаса межвидового применения для многоэтажных общественных зданий, производственных и вспомогательных зданий промышленных предприятий |
|
«Конструкторско-технологическое бюро бетона и железобетона» СТО 02495307-005-2008 |
Бетоны. Определение прочности методом отрыва со скалыванием |
|
СП 12-135-2003 |
Безопасность труда в строительстве. Отраслевые типовые инструкции по охране труда |
|
Строительные конструкции и изделия бетонные, железобетонные, керамзитобетонные, МТСК-3 гипсобетонные, пенобетонные. |
|
Ключевые слова: ригель, балка, покрытия, перекрытия, предварительно напряженная арматура, технические требования к монтажу, контроль выполнения |