Меню
Навигация
Novatika
Первая линия

Устройство несущей "стены в грунте" из монолитного железобетона (при разработке грунта экскаватором, оборудованным грейферным ковшом)

Технологическая карта предназначена для использования при сооружении несущей "стены в грунте" из монолитного железобетона с разработкой грунта траншей экскаватором, оборудованным грейферным ковшом для следующих конструктивных параметров: - глубина заложения "стены в грунте" до 20,0 м; - ширина траншеи (толщина стены) - 600 и 800 мм.

Обозначение: Технологическая карта 125-05 ТК
Название рус.: Устройство несущей "стены в грунте" из монолитного железобетона (при разработке грунта экскаватором, оборудованным грейферным ковшом)
Статус: не установлен срок действия
Дата актуализации текста: 05.05.2017
Дата добавления в базу: 01.09.2013
Дата введения в действие: 08.08.2005
Утвержден: 08.08.2005 ОАО ПКТИпромстрой (PKTIpromstroy OAO )
Опубликован: ОАО ПКТИпромстрой (2005 г. )
Ссылки для скачивания:

ОТКРЫТОЕ АКЦИОНЕРНОЕ ОБЩЕСТВО
ПРОЕКТНО-КОНСТРУКТОРСКИЙ И ТЕХНОЛОГИЧЕСКИЙ
ИНСТИТУТ ПРОМЫШЛЕННОГО СТРОИТЕЛЬСТВА
ОАО ПКТИпромстрой

УТВЕРЖДАЮ

Генеральный директор, к.т.н.

____________ С.Ю. Едличка

«____» ____________ 2005 г.

ТЕХНОЛОГИЧЕСКАЯ КАРТА

УСТРОЙСТВО НЕСУЩЕЙ «СТЕНЫ В ГРУНТЕ»
ИЗ МОНОЛИТНОГО ЖЕЛЕЗОБЕТОНА
(ПРИ РАЗРАБОТКЕ ГРУНТА ЭКСКАВАТОРОМ,
ОБОРУДОВАННЫМ ГРЕЙФЕРНЫМ КОВШОМ)

125-05 ТК

Главный инженер

________ А.В. Колобов

Начальник лаборатории

________ Б.И. Бычковский

2005

СОДЕРЖАНИЕ

1 ОБЩИЕ ДАННЫЕ

1.1 Технологическая карта предназначена для использования при сооружении несущей «стены в грунте» из монолитного железобетона с разработкой грунта траншей экскаватором, оборудованным грейферным ковшом (далее грейфером) для следующих конструктивных параметров:

- глубина заложения «стены в грунте» до 20,0 м;

- ширина траншеи (толщина стены) - 600 и 800 мм.

1.2 Геологические условия, при которых возможно эффективное применение технологической карты, должны быть определены из отчета по инженерно-геологическим изысканиям. Кроме того, траншея не должна прорезать песчаники и моренные грунты, содержащие валуны размером более 300 мм, и грунты строительной группы выше третьей.

В процессе инженерно-геологических изысканий должно производиться и обследование близлежащих зданий и сооружений с выдачей рекомендаций по укреплению грунтов и обеспечению несущей способности фундаментов зданий и сооружений.

1.3 В состав рассматриваемых картой работ включены:

- разработка траншеи экскаватором, оборудованным плоским грейфером;

- установка в траншею ограничителей захваток и армокаркасов;

- укладка бетона в траншею методом вертикально перемещающейся трубы (ВПТ).

1.4 Привязка настоящей карты к проектируемому объекту и местным условиям заключается в корректировке всех параметров, связанных со строительной группой грунтов, с глубиной и шириной траншеи, с конструкцией разделительных элементов и армокаркасов, а также корректировкой ведомости объемов работ, калькуляции, календарного плана производства работ.

При привязке карты к сооружаемому объекту в г. Москве необходимо учитывать требования, изложенные в «Организационно-технологическом регламенте строительства (реконструкции) объектов в стесненных условиях существующей городской застройки», введенным в действие Управлением развития генплана г. Москвы в 2002 г.

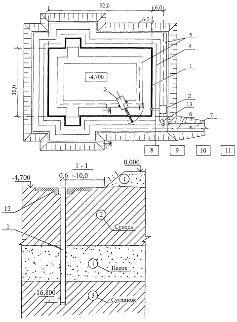
В качестве примера для настоящей карты принято здание с произвольными габаритными размерами в плане согласно рисунку 1, для которого рабочие чертежи «стены в грунте» не разрабатываются, в связи с чем привязку по глубине и ширине траншеи следует считать ориентировочной.

1.5 Способ сооружения ограждающих и несущих конструкций методом «стена в грунте» может применяться для любой конфигурации и размера в плане. Глубина заложения «стены в грунте» ограничивается требованиями проекта и возможностями имеющегося в наличии оборудования.

1 - «стена в грунте»;

2 - экскаватор ЭО-5123А с грейфером;

3 - кран ДЭК-251;

4 - трубопроводы для подачи воды и глинистого раствора;

5 - дорожные плиты;

6 - временная автодорога;

7 - съезд;

8 - растворный узел;

9 - арматурный двор;

10 - прорабская;

11 - бытовка для рабочих;

12 - форшахта из монолитного железобетона;

13 - автосамосвал.

Рисунок 1 - Стройгенплан

1.6 Противопоказаниями применения «стены в грунте» являются крупнообломочные грунты с незаполненными пустотами, карсты, плывуны, текучие илы, артезианские водоносные пласты с избыточным напором, превышающим гидростатическое давление глинистой суспензии, которая используется для удержания стенок траншеи от обрушения.

1.7 Применение способа «стена в грунте» целесообразно при возведении подземных сооружений в стесненных условиях существующей застройки и реконструкции действующих предприятий. Наибольший эффект достигается в тех случаях, когда «стена в грунте», прорезая водоносные пласты, заглубляется в водоупорный слой. В этом случае появляется возможность работы в котловане производить без устройства водопонижения.

1.8 Способ сооружения «стены в грунте» может быть использован при строительстве наружных стен подземных частей насосных станций, гаражей, загрузочных бункеров, спецсооружений, подвалов жилых зданий, бортов подводящих и отводящих каналов и т.д.

1.9 Возможности применения «стены в грунте» значительно расширяются при использовании буроинъекционных грунтовых анкеров в качестве временных или постоянных средств, обеспечивающих устойчивость и прочность стен.

1.10 Технологическая карта разработана с учетом специфических особенностей строительства с использованием «стены в грунте» и применительно к оборудованию, которое изготавливается заводами страны. Для расширения возможностей использования грузоподъемных механизмов, землеройной техники и оборудования производство работ осуществляется в пионерном котловане, чтобы тем самым обеспечить требуемую глубину «стены в грунте».

1.11 Форма использования карты предусматривает обращение ее в сфере информационных технологий с включением в базу данных по технологии и организации строительных процессов автоматизированного рабочего места технолога строительного производства (АРМ ТСП), заказчика и подрядчика.

2 ОРГАНИЗАЦИЯ И ТЕХНОЛОГИЯ СТРОИТЕЛЬНОГО ПРОЦЕССА

2.1 До начала разработки траншеи должны быть выполнены следующие работы:

- вынесены с трассы «стены в грунте» и рабочей зоны все подземные и надземные коммуникации после их отключения соответствующей организацией;

- спланирована строительная площадка и уложены железобетонные плиты;

- ограждена строительная площадка временным ограждением в пределах опасной зоны согласно ГОСТ 23407-78;

- размещены бытовые и подсобные помещения для рабочих и ИТР;

- оборудованы места для складирования материалов, конструкций, изделий и инвентаря, а также для установки строительной техники;

- разработан котлован в пятне объекта до отметки минус 4,700;

- сооружена форшахта на участке длиной не менее 30 м с тем, чтобы ее объем можно было использовать в качестве временной емкости, аккумулирующей избыток глинистого раствора, вытесняемого из захватки при ее бетонировании;

- смонтировано и отлажено оборудование для приготовления и очистки глинистого раствора и организован контроль за его качеством;

- сооружена накопительная емкость;

- произведена разбивка траншеи на захватки с закреплением границ и номеров несмываемой краской, наносимой на бетонную поверхность форшахты.

2.2 При невозможности выноса коммуникаций разрешается производить работы только после их отключения под непосредственным руководством прораба или мастера, а в охранной зоне кабелей или газопровода, кроме того, под наблюдением работников электро- или газового хозяйства. Готовность объекта к производству работ «стена в грунте» должна определяться актом комиссии, назначенной руководителем организации.

2.3 Экскаватором ЭО-5123А (ЭО-5124) либо другими экскаваторами, отвечающими соответствующим технологическим требованиям, оборудованным грейфером на напорной штанге, разрабатывается захватка № 1 под глинистым (бентонитовым) раствором, уровень которого должен постоянно поддерживаться не ниже низа форшахты путем добавления глинистого (бентонитового) раствора из резервной емкости. Разрабатываемый грунт грузится в автосамосвалы и вывозится в установленные места. Технические характеристики экскаваторов с грейферным ковшом приведены в таблице 1.

Таблица 1 - Технические характеристики экскаваторов, оборудованных грейферным ковшом

№ п/п

Наименование показателей

Ед. изм.

Экскаваторы

Примечание

ЭО-5123А

ЭО-5124

ЭО-3323

ЭО-4121

ЭО-4124

1

2

3

4

5

6

7

8

9

1

Емкость ковша

м3

0,6; 0,8

0,6; 0,8

0,5

2,5

0,8; 2,5

 

2

Ширина ковша

м

0,6; 0,8

0,6; 0,8

0,6

0,6

0,6

 

3

Наибольшая глубина копания

м

20

20

8,4

10,4

10,6

 

4

Длина захвата челюстей

м

2,5

 

 

1,8

1,8

 

5

Радиус копания

м

3,6

 

 

8,9

8,6

 

6

Производительность

м3

10,3

10,0

6,73

 

 

 

7

Высота экскаватора с оголовком

м

30

 

 

5,9

9,87

 

8

Усилие на кромке зуба челюстей ковша

кН

186,4

 

100

 

106

 

9

Угол разворота штанги в поперечном направлении

град.

2

 

 

 

 

 

10

То же, в продольном направлении

град.

2

 

 

 

 

 

11

Допустимый при работе угол наклона экскаватора

град.

2

 

 

 

 

 

12

Среднее давление на грунт

МПа

0,1

0,11

 

0,65

0,065

 

13

Группа разрабатываемого грунта

 

I - IV

I - IV

I - IV

I - IV

I - IV

 

2.4 Экскаватор может перемещаться на следующую захватку после очистки глинистого раствора в траншее и сдачи-приемки предшествующей захватки под бетонирование.

2.5 Краном ДЭК-251 со стрелой 19 м либо другими кранами с соответствующими грузовысотными характеристиками устанавливаются железобетонные разделительные элементы или временные трубы-ограничители. В этом случае сначала опускают в траншею и подвешивают с опиранием на форшахту нижнюю секцию, жестко стыкуют ее с верхней секцией, поддерживая краном в вертикальном положении, а затем опускают в проектное положение. При этом разделительные элементы должны заглубляться в дно траншеи на 0,2 - 0,4 м. Если же под действием собственной массы разделительный элемент не достигает проектной отметки, допускается кратковременное включение вибропогружателя при условии сохранения устойчивости стен траншеи и допустимости его применения в местных условиях.

Перед установкой разделительные элементы должны быть очищены от бетона и смазаны маслом отработанным, солидолом или антиадгезионной смазкой.

2.6 Арматурный каркас устанавливается тем же краном. Проектное положение каркасов обеспечивается путем подвешивания на специальных элементах, опирающихся на форшахту. Если каркасы состоят из двух секций по высоте, то сначала подвешивают нижнюю секцию, стыкуют ее с верхней, а затем опускают до проектного положения.

2.7 Как правило, арматурные каркасы и разделительные трубы-ограничители изготавливаются на всю высоту. При монтаже они должны устанавливаться строго вертикально с участием геодезиста.

2.8 При бетонировании стен под защитой глинистого раствора ограничители между захватками и арматурный каркас необходимо установить в траншее не более чем за 8 часов до укладки бетона. Краном ДЭК-251 устанавливается бетонолитная труба с приемным бункером так, чтобы низ трубы не доходил до дна траншеи на 0,2 - 0,3 м.

2.9 Бетонируется захватка № 1 методом ВПТ в следующем порядке:

- вверху бетонолитной трубы устанавливается мягкий пыж, а в горловину воронки - конический клапан. При отсутствии клапана пыж удерживается в верхнем положении при помощи подвески;

- бункер загружается бетонной смесью и краном подается к воронке. Если бетонолитная труба не имеет специального подъемного механизма, то бункер прикрепляется к воронке стропами для возможности вертикального перемещения бетонолитной трубы;

- воронка заполняется бетонной смесью;

- извлекается конический клапан или освобождается от подвески пыж. Бетонная смесь, вытесняя из трубы глинистый раствор, поступает в траншею;

- бетонная смесь подается из бункера равномерно, не допуская полного опорожнения воронки. Для этого бункер должен оборудоваться винтовым затвором с регулируемым открытием. После опорожнения бункера и до опорожнения воронки бетонолитная труба опускается в уложенную бетонную смесь до прекращения движения бетонной смеси в трубе.

Для продолжения бетонирования вновь загруженная воронка вместе с бетонолитной трубой приподнимается вверх. Когда высота подъема превысит длину звена бетонолитной трубы, верхнее звено отсоединяется. При этом уровень бетонной смеси в оставшейся части трубы должен совпадать с ее верхом.

2.10 При бетонировании необходимо выполнять следующие условия:

а) бетонолитная труба по всей длине должна быть постоянно заполнена бетонной смесью;

б) нижний конец бетонолитной трубы должен быть заглублен в бетонную смесь не менее 1 м после укладки первой порции смеси и не менее 2 м - в дальнейшем.

При транспортировке бетонной смеси автобетоносмесителями разгрузка ведется непосредственно в воронку с соблюдением всех требований, перечисленных выше;

в) вытесняемая из траншеи глинистая суспензия в процессе бетонирования должна откачиваться насосом производительностью 30 м3/ч в накопительную емкость;

г) верхний слой бетонной смеси толщиной до 300 мм, загрязненный суспензией, удаляется;

д) интенсивность бетонирования основной захватки не должна быть меньше 8 м3/ч, промежуточной - 20 м3/ч при транспортировке бетона в автосамосвалах и времени доставки 30 мин.

При возможности доставки бетона в автобетоносмесителях этому способу следует отдавать предпочтение.

Схема производства работ приведена на рисунке 2.

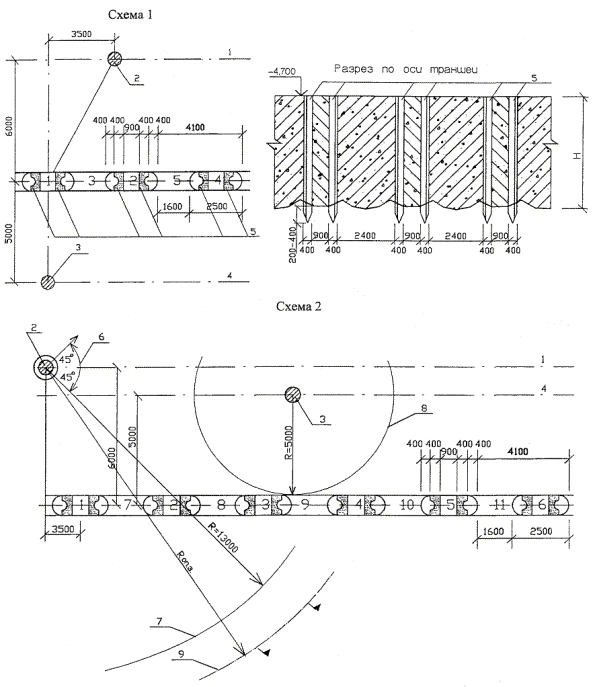
2.11 Технологическая карта предусматривает две возможные схемы очередности работ по захваткам, представленные на рисунке 3. Схема № 1 применяется при небольшой длине строящейся «стены в грунте», когда невозможно обеспечить одновременную работу землеройного и кранового механизмов. В этом случае на каждой захватке последовательно производят все работы до полной ее готовности.

Схема № 2 рассчитана на одновременную работу экскаватора и крана при соблюдении условия не пересечения их зон действия. Работа по схеме № 2 возможна при условии сохранения устойчивости стенок траншеи в течение нескольких дней и при достаточно протяженной «стене в грунте».

Внимание! При производстве работ по схеме № 2 опасные зоны крана и экскаватора накладываются одна на другую, поэтому производить работы необходимо, соблюдая требования СНиП 12-03-2001, СНиП 12-04-2002, ПБ 10-382-00 «Правила устройства и безопасной эксплуатации грузоподъемных кранов» Госгортехнадзора России, а также «Рекомендаций по установке и безопасной эксплуатации грузоподъемных кранов, строительных подъемников, грузоподъемных кранов-манипуляторов и подъемников (вышек) при разработке ПОС и ППР», ОАО ПКТИпромстрой, 2004 г.

1 - форшахта из монолитного железобетона; 2 - экскаватор ЭО-5123А; 3 - грейферный ковш; 4 - автосамосвал МАЗ-503А; 5 - кран ДЭК-251; 6 - автобетоносмеситель; 7 - место приема глинистого раствора; 8 - армокаркасы; 9 - бетонолитные трубы; 10 - разделительные элементы; 11 - бункер для бетона; 12 - приемная воронка; 13 - насос 30 м3/час; 14 - граница опасной зоны; 15 - дорожные плиты

Рисунок 2 - Схема производства работ

1 - 11 - очередность бетонирования захваток;

1 - ось движения крана ДЭК-251; 2 - место установки крана ДЭК-251; 3 - место установки экскаватора ЭО-5123А; 4 - ось движения экскаватора; 5 - разделительные элементы; 6 - нерабочая зона действия крана ДЭК-251; 7 - зона действия крана; 8 - зона действия экскаватора; 9 - граница опасной зоны; Н - расчетная глубина траншеи

Рисунок 3 - Очередность работ по захваткам

Грузовысотные характеристики для крана ДЭК-251 с длиной стрелы L = 19 м

Техническая характеристика монтажного крана ДЭК-251

Длина стрелы, м

19

Грузоподъемность, т

макс 14,7

 

мин. 2,8

Вылет стрелы, м

макс. 18,0

 

мин. 5,4

Высота подъема крюка в м, при вылете стрелы:

мин. - 18,5

 

макс - 9,6

Масса крана, т

36,6

2.12 При работе по любой из приведенных схем разработку грунта из промежуточной захватки можно начинать только после того, когда на прилегающих к ней основных захватках закончены все работы и бетон в них набрал прочность не менее 1,5 МПа.

Кран и экскаватор следует располагать с противоположных сторон «стены в грунте», но при стесненных условиях оба механизма могут находиться с одной стороны, при этом необходимо предусматривать специальные площадки для разъезда.

3 ТРЕБОВАНИЯ К КАЧЕСТВУ И ПРИЕМКЕ РАБОТ

3.1 Высокое качество и надежность сооружаемой «стены в грунте» должны обеспечиваться строительными организациями путем осуществления комплекса технических, экономических и организационных мер эффективного контроля на всех стадиях сооружения «стены в грунте».

3.2 Контроль качества строительно-монтажных работ должен осуществляться специальными службами строительной организации, оснащенными техническими средствами, обеспечивающими необходимую достоверность и полноту контроля.

3.3 Производственный контроль качества строительно-монтажных работ должен включать входной контроль рабочей документации и оборудования, операционный контроль отдельных строительных процессов или производственных операций в процессе их выполнения и по завершении и оценку соответствия выполненных работ, результаты которых становятся недоступными для контроля после начала выполнения последующих работ.

3.4 При входном контроле рабочей документации должна производиться проверка ее комплектности и достаточности содержащейся в ней технической информации для производства работ.

При входном контроле разделительных элементов, изделий, материалов и оборудования следует проверять внешним осмотром соответствие их требованиям стандартов или других нормативных документов и рабочей документации, а также наличие и содержание паспортов, сертификатов и других сопроводительных документов.

Результаты входного контроля должны регистрироваться в «Журнале входного учета и контроля качества получаемых деталей, материалов, конструкций и оборудования».

3.5 Операционный контроль должен осуществляться в ходе выполнения строительных процессов или производственных операций и обеспечивать своевременное выявление дефектов и принятие мер по их устранению и предупреждению.

При сооружении «стены в грунте» принимается представленный в таблице 2 примерный минимальный перечень технологических процессов, которые подлежат контролю.

Таблица 2 - Перечень технологических процессов, подлежащих контролю

№ п/п

Наименование технологических процессов, подлежащих контролю

Предмет контроля

Способ контроля и инструмент

Время проведения контроля

Ответственный за контроль

Примечание

1

Разработка грунта и заполнение траншеи бентонитовым раствором

Вертикальность стенок траншеи, заполнение траншеи бентонитовым раствором

Шаблон, метр стальной

Каждая захватка

Прораб

Геодезическая служба

2

Приготовление бентонитового раствора

Состав бентонитового раствора

Прибор СПВ-5

Один раз в смену, каждая захватка

Мастер

Строительная лаборатория

Прибор ЦС-1 (или ЦС-2)

Ареометр АГ-1

3

Укладка бетонной смеси в траншею

Подвижность бетонной смеси, правильность бетонирования

Конус

Один раз в смену

Мастер

То же

Шаблон

3.6 Предельные отклонения контролируемых параметров «стены в грунте» согласно СНиП 3.02.01-87 приведены в таблице 3.

Таблица 3 - Предельные отклонения контролируемых параметров

№ п/п

Контролируемые параметры

Предельные отклонения, см

Примечания

1

Вертикальность стенок траншеи

± 0,005Н

Н - глубина траншеи

2

Уровень бентонитового глинистого раствора

Выше уровня подземных вод, но не ниже 0,2 м от верха обделки устья траншеи

 

3

Осадка конуса в бетонной смеси

± 2

 

4

Величина заглубления бетоновода в бетонную смесь

± 10

 

3.7 Контроль качества работ и поступающих материалов должен осуществляться в процессе устройства «стены в грунте».

Бентонитовые глины, применяемые для приготовления глинистых растворов, должны отвечать следующим показателям качества, представленным в таблице 4.

Таблица 4 - Требования к бентонитовым глинам

№ п/п

Технические требования

Предельные отклонения

Контроль (метод и объем)

Примечания

1

Число пластичности

Не менее 0,2

Измерительный, 1 проба на 500 м3

 

2

Содержание частиц размером, мм:

Не более 10 %

крупнее 0,05

 

менее 0,005

Не менее 30 %

 

 

 

менее 0,001

Не менее 10 %

 

 

При определении качества бентонитового раствора проба его должна отбираться с поверхности, с середины глубины траншеи и у дна ее по каждой захватке.

В процессе возведения подземных сооружений способом «стена в грунте» должны контролироваться качество траншеи, правильность установки разделительных элементов и арматуры, а также качество заполнения полостей и пазух тампонажным раствором.

Параметры качества глинистого раствора должны отвечать следующим требованиям:

- толщина глинистой корки не более 4 мм;

- условная вязкость по СПВ-5 не более 30 сек;

- водоотдача (по ВМ-6) не более 17 см3 за 30 мин;

- плотность при использовании бентонитовых глин 1,03 - 1,10 г/см3, при использовании глин других видов 1,10 - 1,25 г/см3;

- стабильность не более 0,05 г/см3;

- статическое напряжение сдвига СНС1 = 20 - 50 мг/см2;

- суточный отстой воды не более 4 %;

- содержание песка не более 4 %;

- величина показателя реакции среды (рН) 9 - 11.

3.8 Для контроля прочности бетона перед бетонированием необходимо отобрать среднюю пробу бетонной смеси для образцов-кубов с размерами 150´150´150 или 200´200´200 в количестве 6 штук от партии бетона, укладываемой в течение одной смены.

Перед укладкой бетонной смеси в траншею проверяются:

- объем доставленной бетонной смеси - с помощью специального щупа;

- консистенция бетонной смеси - по ГОСТ 10181.1-81;

- состояние (однородная или расслоившаяся масса) проверяется визуально. Расслоившаяся бетонная смесь дополнительно перемешивается.

3.9 По окончании возведения «стены в грунте» при оценке соответствия выполненых работ производится исполнительная геодезическая съемка расположения оси стены, ее размеров. Допустимые отклонения приведены в таблице 5.

Таблица 5 - Допустимые отклонения

№ п/п

Наименование показателей

Ед. изм.

Допустимые отклонения

Контроль

Примечания

1

Смещение осей сооружения в плане

см

± 3

Измерительный, ежесменно, не менее чем через 10 м по длине стены

 

2

Тангенс угла отклонения стены от вертикали

 

0,005

3

Толщина стены

см

+10

4

Глубина стены

см

+20

По результатам съемки составляется акт.

4 ТРЕБОВАНИЯ БЕЗОПАСНОСТИ И ОХРАНЫ ТРУДА, ЭКОЛОГИЧЕСКОЙ И ПОЖАРНОЙ БЕЗОПАСНОСТИ

4.1 Работы по устройству «стены в грунте» должны выполняться под руководством ответственных руководителей работ (начальника участка, прораба, мастера), назначенных приказом. На них также возлагается ответственность за выполнение мероприятий по безопасности работ и промсанитарии, охране труда, экологической и пожарной безопасности.

4.2 На местах производства работ должны быть вывешены плакаты с графическим изображением схем строповки разделительных элементов, армокаркасов, бетонолитных труб, бункеров и т.п., а также таблица масс поднимаемых грузов и предельных вылетов стрелы крана.

4.3 Все опасные зоны работ должны быть обозначены предупредительными и указательными знаками по ГОСТ Р 12.4.026-2001, хорошо видимыми в любое время суток. Находиться в этих зонах посторонним лицам запрещается.

Границы опасных зон при подъеме краном вертикально располагающихся грузов определяются по формуле:

Rоп.з. = Rвылета + Lгр. + 0,5Вгр. + а,

где: Rвылета - радиус принятого вылета стрелы крана, м;

Lгр - горизонтальная проекция на землю траектории вертикально поднимаемого груза после его возможного падения (наибольший габарит перемещаемого груза);

Вгр. - наименьший габарит перемещаемого груза;

а - минимальное расстояние отлета груза (предмета). Минимальное расстояние отлета груза (предмета) принимается по таблице Г.1 СНиП 12-03-2001.

4.4 Устье разработанной траншеи, заполненной глинистым раствором, должно надежно закрываться специальным настилом из щитов.

4.5 Не допускается дополнительная, не предусмотренная проектом нагрузка на грунт в пределах призмы обрушения. Переход людей через открытую траншею должен допускаться только по специальным мосткам с перилами высотой 1,1 м.

4.6 Экскаватор для работы должен устанавливаться на спланированной площадке. При его работе запрещается производить какие-либо работы и находиться людям в зоне вблизи движущихся частей и рабочих органов машины, ограниченной радиусом действия, увеличенным на 5 м. Погрузка грунта в автосамосвалы при помощи экскаватора должна производиться со стороны заднего или бокового борта.

Работы в пределах охранных зон инженерных сетей (водопровода, канализации, кабелей связи, газопровода, электрокабелей и др.) допускается производить при наличии письменного разрешения эксплуатирующих организаций.

4.7 Разделительные элементы, армокаркасы и бетонолитные трубы во время перемещения должны удерживаться от раскачивания и вращения оттяжками из пенькового каната. При этом рабочим следует находиться вне контура устанавливаемого элемента (груза) со стороны, противоположной подаче их краном. Поданный элемент (конструкцию) опускают над местом его установки не более чем на 0,3 м выше поверхности форшахты, после чего рабочие наводят его на место установки в траншее. В процессе установки в траншею разделительных элементов и армокаркасов, состоящих из одной или нескольких секций по высоте, снимать строповочные приспособления разрешается лишь после проверки надежности установки конструкции на специальных прокладках, опирающихся на форшахту. При этом над поверхностью форшахты конструкция не должна возвышаться более, чем на 1/4 своей общей высоты, если проектом не предусмотрены специальные крепления расчалками или подкосами.

4.8 Пожарную безопасность на строительной площадке, участках работ и рабочих местах следует обеспечивать в соответствии с требованиями ППБ 01-03 «Правила пожарной безопасности в Российской Федерации».

4.9 Электробезопасность на строительной площадке, участках работ и рабочих местах должна обеспечиваться в соответствии с требованиями СНиП 12-03-2001, а гигиенические требования - СанПиН 2.2.3.1384-03.

4.10 На территории строящихся и реконструируемых объектов не допускается непредусмотренное проектной документацией сведение древесно-кустарниковой растительности и засыпка грунтом корневых шеек и стволов растущих деревьев и кустарника. Сохраняемые деревья должны был ограждены коробами из досок толщиной 40 мм высотой 2.0 м.

4.11 В зоне производства планировочных работ почвенный слой должен предварительно сниматься и складироваться в специально отведенных местах с последующим использованием для рекультивации земель.

4.12 Запрещается применение оборудования, являющегося источником повышенного выделения вредных веществ в атмосферный воздух, почву и водоемы и повышенных уровней шума и вибрации.

4.13 Выпуск воды со стройплощадок непосредственно на склоны без надлежащей их защиты от размыва не допускается. Производственные и бытовые стоки, образующиеся на стройплощадке, должны очищаться и обезвреживаться согласно указаниям ПОС и ППР.

4.14 Контроль содержания вредных веществ в воздухе рабочей зоны, а также контроль освещенности, предельных величин вибрации и шума, норм температуры, относительной влажности и скорости движения воздуха на рабочих местах следует осуществлять приборами, применяемыми для санитарно-гигиенической оценки опасных или вредных производственных факторов.

4.15 В сложившихся стесненных условиях производства работ в г. Москве необходимо осуществлять мероприятия и работы по охране окружающей природной среды согласно требований «Правил подготовки и производства земляных работ, обустройства и содержания строительных площадок в г. Москве» (Постановление Правительства Москвы № 857-ПП от 7.12.04 г.) и СанПиН 2.2.3.1384-03 «Гигиенические требования к организации строительного производства и строительных работ».

5 ПОТРЕБНОСТЬ В МАТЕРИАЛЬНО-ТЕХНИЧЕСКИХ РЕСУРСАХ.

5.1 Потребность в машинах, оборудовании и механизмах приведена в таблице 6.

Таблица 6 - Ведомость машин, механизмов и оборудования

№ п/п

Наименование

Тип, марка, ГОСТ

Техническая характеристика

Назначение

Количество на звено, шт.

1

2

3

4

5

6

1

Кран гусеничный

ДЭК-251

Стрела 19 м

Подача изделий и материала

1

2

Экскаватор

ЭО-5123А

Емкость ковша грейфера 0,8 м

Разработка грунта

1

3

Растворомешалка

РМ-750

-

Приготовление раствора

1

4

Ситогидроциклонная установка

4СГУ-2

-

Просеивание раствора

1

5

Насосы

Шр

-

Подача раствора

2

С-885

2

6

Бетонолитное оборудование

-

-

Подача раствора

2

7

Автосамосвалы

МАЗ-5549 или МАЗ-5551

г/п = 8,5 т

Транспортировка грунта

По расчету (от дальности рейса)

8

Бункер с вибратором

БПВ-2,0 ГОСТ 21807-76*

Vб = 2,0 м3

Для перегрузки бетона

2

Р = 6,0 т

9

Трансформатор сварочный

ТС-500

 

Сварка арматуры

1

10

Трансформатор для подключения вибраторов

ТСЗИ-2,5

Р = 41 кг

Питание вибраторов

1

11

Автокран

КС-3571

 

Погрузочно-разгрузочные работы

1

12

Компрессор

ДК-9М

-

Подача воздуха

1

13

Эрлифт

-

-

 

1

14

Лебедка с гидроприводом

-

-

-

1

15

Автобетоносмеситель

СБ-92

 

Транспортировка бетона

1

16

Вибратор с гибким валом

ИВ-117А

Частота, Гц

285

Уплотнение бетона

3

Напряжение, В

40

Частота сети, Гц

50

17

Приемная воронка

 

 

Для приема бетона

1

5.2 Потребность в технологической оснастке, инструменте, инвентаре и приспособлениях приведена в таблице 7.

Таблица 7 - Ведомость технологической оснастки, инструмента, инвентаря и приспособлений.

№ п/п

Наименование

Марка, ГОСТ, ТУ или организация-разработчик, номер рабочего чертежа

Техническая характеристика

Назначение

Количество на звено (бригаду), шт.

1

Строп двухветвевой

2СК-6,3/2500

г/п = 6,3 т

Для подъема бункеров с бетоном

2

ГОСТ 25573-82*

в = 2500 мм

2

Строп двухветвевой

2СК-10/5000

г/п = 10,0 т

Для монтажа армокаркасов и бетоноводов

2

ГОСТ 25573-82*

в = 5000 мм

3

Монтажное полотенце

 

г/п = 5 т

Для разгрузки бетоноводов

2

4

Строп кольцевой

СКК1-6,3/3000 ГОСТ 25573-82*

г/п = 6,3 т

в = 3000 м

Для разгрузки армокаркасов

2

5

Лопата совковая

 

 

 

4

6

Шаблон

 

 

 

2

7

Конус

 

 

 

2

8

Метр стальной

 

 

 

5

9

Ареометр

 

 

Контроль бентонитового раствора

1

10

Прибор

СПВ-5

 

1

11

Прибор

ЦС-1 (ЦС-2)

 

1

5.3 Потребность в основных материалах, конструкциях и полуфабрикатах на устройстве основной и вспомогательной захваток «стены в грунте» длиной 4,1 м приведена в таблице 8.

Таблица 8 - Потребность в материалах, изделиях и конструкциях.

№ п/п

Наименование материалов, изделий и конструкций

Ед. изм.

Исходные данные

Потребность на измеритель конечной продукции

Объем работ в нормативных единицах

Норма расхода

1

Железобетонные разделительные элементы

шт.

2

 

2

2

Армокаркасы

шт.

2

 

2

3

Бетон БГТ-300; В-6; МРЗ-150

м3

46,24

 

46,24

4

Бентонитовый раствор

м3

 

 

45,9

5

Железобетонные дорожные плиты (с учетом двукратной оборачиваемости) 3´1,2´0,16

м3

 

 

0,9

6

Дизельное топливо для экскаватора

кг

 

60,0

276,0

7

Дизельное топливо для крана ДЭК-251

кг

 

40,8

980,0

6 ТЕХНИКО-ЭКОНОМИЧЕСКИЕ ПОКАЗАТЕЛИ

6.1 Организация и методы труда рабочих.

6.1.1 Устройство «стены в грунте» из монолитного железобетона принято вести по захваткам, длина которых устанавливается:

по грунту: - основная захватка - 2,5 м;

                   - вспомогательная захватка - 1,6 м;

по бетону: - основная захватка - 0,9 м;

                   - вспомогательная захватка - 2,5 м.

6.1.2. Для расчетов при подготовке калькуляции и календарного плана производства работ принимаются условия раздельной (не совмещенной по времени) работы экскаватора и гусеничного крана согласно схеме № 1 на рисунке 3.

6.1.3. Для выполнения работ по сооружению «стены в грунте» принята комплексная бригада в составе:

                        машиниста экскаватора 6 разр.        - 1

                        помощника машиниста 5 разр.         - 1

                        машиниста крана 6 разр.                   - 1

                        монтажника (бетонщика) 5 разр.     - 1

                        монтажника (бетонщика) 4 разр.     - 1

                        монтажника (бетонщика) 3 разр.     - 1

                        рабочего 4 разр.                                  - 1

                        рабочего 2 разр.                                  - 2

6.2 Калькуляция затрат труда и машинного времени

6.2.1 Затраты труда и машинного времени на сооружение основной и вспомогательной захваток «стены в грунте» подсчитаны по «Единым нормам и расценкам на строительные, монтажные и ремонтно-строительные работы», введенным в действие в 1987 г., и представлены в таблице 9.

6.3 Календарный график производства работ.

6.3.1 Продолжительность строительства основной и вспомогательной захваток «стены в грунте» определяется календарным графиком производства работ согласно таблице 10.

Таблица 9 - Калькуляция затрат труда и машинного времени на производство работ по устройству «стены в грунте» из монолитного железобетона

№ п/п

Обоснование (ЕНиР и др. нормы)

Наименование технологических процессов

Ед. изм.

Объем работ

Нормы времени

Затраты труда

рабочих, чел.-ч

машиниста, чел.-ч., (работа машин, маш.-ч.)

основная захватка

вспомогательная захватка

основная захватка

вспомогательная захватка

рабочих, чел.-ч

машиниста, чел.-ч., (работа машин, маш.-ч.)

рабочих, чел.-ч

машиниста, чел.-ч., (работа машин, маш.-ч.)

1

Техническая производительность 10 м3

Разработка грунта в траншее экскаватором с плоским грейфером

м3

34,0

27,2

-

0,15

-

5,1

-

4,1

(0,075)

(2,55)

(2,1)

2

Е12-29 л

Установка железобетонных ограничителей в траншею

шт.

2

-

8,4

2,1

16,8

4,2

-

-

(2,1)

(4,2)

3

Е12-72

Установка армокаркасов в траншею

шт.

1

1

0,48

0,16

0,48

0,16

0,48

0,16

(0,16)

(0,16)

(0,16)

4

Е12-73 № 2

Установка бетонолитной трубы

1 установка

1

1

0,48

0,16

0,48

0,16

0,48

0,16

(0,16)

(0,16)

(0,16)

5

Е12-73 № 3

Укладка бетонной смеси бадьями

м3

12,24

34,0

0,51

0,17

6,24

2,08

17,34

5,78

(0,17)

(2,08)

(5,78)

6

Е12-73 № 5

Снятие бетонолитной трубы

1 снятие

1

1

0,3

0,1

0,3

0,1

0,3

0,1

(0,1)

(0,1)

(0,1)

7

Е14-22 № 4а

Приготовление бентонитового раствора и его очистка

м3

25,5

20,4

0,67

-

17,1

-

13,7

-

6. 4 Технико-экономические показатели по сооружению «стены в грунте»:

- производительность в м за 1 смену при раздельной работе крана и экскаватора

...........................................................................1,17

- производительность в м за 1 смену при совмещении работ крана и экскаватора ............................................................................... 1,4

- трудозатраты на сооружение 1 м2 «стены в грунте», чел.-ч ........ 1,27

- продолжительность строительства, час:

                   основной захватки ...........…..................................... 13

                   вспомогательной захватки .................................... 11,5


Таблица 10 - Календарный график производства работ по устройству «стены в грунте» из монолитного железобетона


7 ПЕРЕЧЕНЬ НОРМАТИВНО-ТЕХНИЧЕСКОЙ ЛИТЕРАТУРЫ

1 СНиП 12-01-2004 «Организация строительства».

2 СНиП 12-03-2001 «Безопасность труда в строительства. Часть 1. Общие положения».

3 СНиП 12-04-2002 «Безопасность труда в строительстве. Часть 2. Строительное производство».

4 СНиП 3.02.01-87 «Земляные сооружения, основания и фундаменты».

5 СНиП 3.03.01-87 «Несущие и ограждающие конструкции».

6 ГОСТ Р 12.4.026-2001 «ССБТ. Цвета сигнальные, знаки безопасности и разметка сигнальная. Назначение и правила применения. Общие технические требования и характеристики Методы испытаний».

7 ПБ 10-382-00 «Правила устройства и безопасной эксплуатации грузоподъемных кранов» Госгортехнадзора России, М., 2000 г.

8 ПБ 01-03 «Правила пожарной безопасности в Российской Федерации», МЧС России, М., 2003 г.

9 Правила технической эксплуатации электроустановок потребителей. Приказ Минэнерго от 13.01.2003 г. № 6.

10 «Рекомендации по установке и безопасной эксплуатации грузоподъемных кранов строительных подъемников, грузоподъемных кранов-манипуляторов и подъемников (вышек при разработке ПОС и ППР». ОАО ПКТИпромстрой, М., 2004 г.

11 Единые нормы и расценки на строительные, монтажные и ремонтно-строительные работы.

12 Организационно-технологический регламент строительства (реконструкции) объектов в стесненных условиях существующей городской застройки. Управление развития генплана г. Москвы, 2002 г.

13 Правила подготовки и производства земляных работ, обустройства и содержание строительных площадок в г. Москве. Постановление Правительства Москвы № 857-ПП от 07.12.2004.

14 СанПиН 2.2.3.1384-03 «Гигиенические требования к организации строительного производства и строительных работ».