Указания предназначены для персонгала, занимающегося наладкой и обслуживанием устройств переключения ответвлений обмоток под нагрузкой SДV, SCV, SAV (производства ГДР) и РС-4 (производства НРБ) трансформаторов РПН.
| Обозначение: | СО 34.46.606 |
| Название рус.: | Методические указания по наладке устройств переключения ответвлений обмоток под нагрузкой (производства НРБ и ГДР) трансформаторов РПН |
| Статус: | действует |
| Дата актуализации текста: | 05.05.2017 |
| Дата добавления в базу: | 01.09.2013 |
| Дата введения в действие: | 30.03.1981 |
| Утвержден: | 30.03.1981 ПО Союзтехэнерго |
| Опубликован: | СПО Союзтехэнерго (1981 г. ) |
| Ссылки для скачивания: |
МИНИСТЕРСТВО ЭНЕРГЕТИКИ И ЭЛЕКТРИФИКАЦИИ СССР
ГЛАВНОЕ ТЕХНИЧЕСКОЕ УПРАВЛЕНИЕ ПО ЭКСПЛУАТАЦИИ ЭНЕРГОСИСТЕМ
ПРОИЗВОДСТВЕННОЕ
ОБЪЕДИНЕНИЕ
ПО НАЛАДКЕ, СОВЕРШЕНСТВОВАНИЮ ТЕХНОЛОГИИ
И ЭКСПЛУАТАЦИИ ЭЛЕКТРОСТАНЦИЙ И СЕТЕЙ
«СОЮЗТЕХЭНЕРГО»
МЕТОДИЧЕСКИЕ
УКАЗАНИЯ
ПО НАЛАДКЕ УСТРОЙСТВ ПЕРЕКЛЮЧЕНИЯ
ОТВЕТВЛЕНИЙ ОБМОТОК ПОД НАГРУЗКОЙ
(ПРОИЗВОДСТВА
НРБ И ГДР)
ТРАНСФОРМАТОРОВ РПН
СО 34.46.606
![]()
СЛУЖБА
ПЕРЕДОВОГО ОПЫТА И ИНФОРМАЦИИ
СОЮЗТЕХЭНЕРГО
Москва 1981
Составлено электроцехом Донтехэнерго
Составители инженеры А.П. ГОСТЕВ, В.Л. КУЗНЕЦОВ, С.Г. САВЕЛЬЕВ
Настоящие Методические указания предназначены для персонала, занимающегося наладкой и обслуживанием устройств переключения ответвлений обмоток под нагрузкой SДV, SCV, SAV (производства ГДР) и РС-4 (производства НРБ) трансформаторов РПН.
Методические указания согласованы с Всесоюзным научно-исследовательским, проектно-конструкторским и технологическим институтом трансформаторостроения (ВИТ).
УТВЕРЖДАЮ:
Заместитель главного инженера
ПО «Союзтехэнерго»
А.Д. ГЕРР
30 марта 1981 г.
В настоящее время в отечественном трансформаторостроении в большом количестве внедряются устройства переключения ответвлений под нагрузкой производства Германской Демократической Республики и Народной Республики Болгарии, поставляемые по кооперации СЭВ. Доля этих устройств в общем парке достигает 23 % и более.
В Методических указаниях приведены объем и методика проведения испытаний и проверок устройств РПН в процессе монтажа и капитального ремонта трансформаторов, технические данные и принцип действия переключающих устройств приведены в приложениях.
В Методических указаниях не рассматриваются вопросы эксплуатации и ремонта переключающих устройств; условия технического обслуживания РПН изложены в [1], а вопросы наладки автоматических регуляторов и аппаратуры дистанционного управления в [2, 3].
В Методических указаниях приняты следующие условные обозначения: РПН (ПУ) - устройство регулирования напряжения под нагрузкой (переключающее устройство); ПМ - приводной механизм; РО - регулировочная обмотка; ВН - обмотка высшего напряжения; НН - обмотка низшего напряжения.
Условные обозначения рассматриваемых устройств РПН строятся следующим образом.
Устройство РПН производства ГДР:

Устройство РПН производства НРБ:

1.1.1. Наладку устройств РПН должен производить специально обученный персонал.
Перед началом наладочных работ необходимо проверить наличие технической документации завода-изготовителя и ознакомиться с:
- инструкцией по монтажу и эксплуатации ПУ;
- инструкцией по монтажу и эксплуатации ПМ;
- паспортом или сертификатом на ПУ;
- проектными схемами управления ПМ.
Устройство и принцип работы ПУ приведены в приложении 1, характерные неисправности - в приложении 2.
1.1.2. При выполнении работ по наладке устройств РПН необходимо:
- руководствоваться действующими «Правилами техники безопасности при эксплуатации электроустановок»;
- выполнять противопожарные мероприятия в соответствии с действующими инструкциями.
|
Наименование операции |
Пункты Методических указаний по проведению операций |
Примечание |
|
|
при монтаже трансформатора |
после капитального ремонта трансформатора |
||
|
Внешний осмотр ПУ и ПМ |
|
||
|
Контроль наличия и целости аварийной мембраны |
|
||
|
Контроль соответствия показаний указателей положений ПМ и ПУ |
|
||
|
Осмотр избирателя и внешней части корпуса контактора |
При монтаже осмотр производится в случае ревизии активной части трансформатора |
||
|
Контроль работоспособности стрелочного маслоуказателя (реле уровня масла) |
|
||
|
Контроль доливки (заливки) масла в бак контактора |
|
||
|
Прогонка ПУ с помощью рукоятки |
Во всем диапазоне регулирования |
|
|
|
Измерение коэффициента трансформации трансформатора |
|
||
|
Измерение сопротивления токоограничивающих резисторов |
Не выполняется |
Мостом Р-333 |
|
|
Снятие неполной круговой диаграммы ПУ |
Не выполняется |
|
|
|
Снятие полной круговой диаграммы ПУ |
Не выполняется |
|
|
|
Осциллографирование работы контактора |
Не выполняется |
|
|
|
Контроль качества масла в баке контактора |
|
||
|
Контроль работоспособности струйного реле |
|
||
|
Примечания: 1. В течение гарантийного срока при отсутствии нарушений условий транспортирования или других факторов, могущих вызвать дефекты, вскрывать крышку бака контактора не следует. Истечение гарантийного срока ПУ, находящегося в эксплуатации, не является основанием для проведения внеочередных работ по проверке и наладке устройств РПН. 2. После замены контактов контактора (см. табл. П1.1) наладочные работы выполняются в объеме, как и после капитального ремонта трансформатора, за исключением пп. 1.3.4, 1.3.5. |
|||
При внешнем осмотре ПУ доступные сборочные единицы и детали необходимо проверить на отсутствие трещин, вмятин, поломок и других дефектов; обратить внимание на отсутствие течи масла через уплотнения.
При осмотре ПМ следует проверить: надежность крепления, отсутствие механических повреждений элементов ПМ (контактор, автоматический выключатель, ряды зажимов и т.д.); состояние монтажа проводов и кабелей, монтажных соединений на рядах зажимов и коммутационных аппаратах; наличие и правильность надписей на аппаратах и маркировке проводников; особое внимание следует обратить на состояние контактных поверхностей и легкость хода подвижной части контакторов ПМ. При затирании или залипании подвижной части произвести ревизию контакторов.
1.3.2. Контроль наличия и целости аварийной мембраны
Аварийная мембрана не должна иметь повреждений и вмятин.
Для осмотра мембраны на ПУ типа РС-4 необходимо удалить крепежные винты с транспортной заглушки. Эта же заглушка является рабочей.
Устройства РПН производства ГДР могут транспортироваться без аварийной мембраны. Поэтому необходимо удалить транспортную заглушку, установить мембрану и рабочую заглушку.
1.3.3. Контроль соответствия показаний указателей положений ПМ и ПУ
Снять транспортную заглушку указателя положений на верхнем фланце ПУ и установить рабочую.
Сравнить показания указателей положения ПМ и ПУ.
Приводной механизм и переключающее устройство должны находиться в одном положении. Кроме того, для ПУ типа РС-4 должны совпадать красные риски под контрольным окном червячного редуктора верхнего фланца ПУ, при этом ролики контроллеров S11, S12 и S13 должны быть отпущены и находиться в среднем положении (см. п. 2.1.9).
На ПУ производства ГДР должна быть видна стрелка указателя нормального положения в ПМ ЕМ-1.
Смотровое стекло указателя положения на верхнем фланце ПУ не должно иметь повреждений.
1.3.4. Осмотр избирателя и внешней части корпуса контактора
При осмотре избирателя необходимо обращать внимание на следующее:
- на изоляционных деталях не должно быть механических повреждений и поломок;
- крепежные детали должны быть надежно затянуты и законтрены;
- отсутствие перекосов, смещений, поломок и других дефектов;
- отсутствие натяжения гибких связей, отводов путем проверки легкости их прогиба.
Проверить отсутствие течи масла из корпуса контактора.
1.3.5. Контроль работоспособности стрелочного маслоуказателя
Стрелочный маслоуказатель является ответственным устройством, обеспечивающим предупредительную сигнализацию при снижении уровня масла в отсеке расширителя РПН.
Проверку работы маслоуказателя произвести до его установки на расширитель.
Для этого довернуть рычаг маслоуказателя и проконтролировать индикатором замыкание контактов геркона при достижении стрелкой отметки «мин», в других положениях контакты должны быть разомкнуты.
1.3.6. Контроль доливки (заливки) масла в бак контактора
Доливку масла в бак контактора следует производить до уровня пробки для выпуска воздуха, расположенной на верхнем фланце ПУ. Пробку для выпуска воздуха закрыть после появления масла в ней, чем будет обеспечено наличие воздушной подушки под крышкой контактора.
Вентиль между контактором и расширителем опломбировать в открытом положении.
1.3.7. Измерение коэффициента трансформации трансформатора
Измерение коэффициента трансформации произвести во всем диапазоне регулирования. Это даст возможность проверить правильность подсоединения отводов РО к избирателю и убедиться в том, что замкнуто нужное плечо контактора.
При кратковременном исчезновении напряжения на вольтметре, подключенном ко вторичной обмотке (что свидетельствует о несоответствии положения контактора - обрыв цепи избирателем), поднять выемную часть контактора и замкнуть другое плечо переключением механизма быстродействия.
1.3.8. Снятие неполной круговой диаграммы ПУ
При снятии неполной круговой диаграммы определяются моменты срабатывания контактора по его щелчку.
Для снятия круговой диаграммы приводным механизмом управляют с помощью рукоятки. Угол поворота (количество оборотов) выходного ПМ следует фиксировать в момент срабатывания контактора.
Для ПУ производства ГДР нормы на круговую диаграмму приводятся в градусах, поэтому необходимо изготовить съемный лимб (рис. 1.1), который следует установить на крышке ПМ, а на вертикальном валу укрепить стрелку, совместив ее с нулем лимба.
Неполная круговая диаграмма должна соответствовать нормам завода-изготовителя (приложение 3).
Если выявлено несоответствие круговой диаграммы нормам, следует произвести регулирование.
Для этого освободить верхнюю карданную муфту ПУ РС-4 или нониусную муфту для устройств производства ГДР и выполнить следующее.
Например, если при переключении ПУ в сторону увеличения номера положения от момента работы контактора до окончания переключения было произведено четыре оборота вала, а в сторону уменьшения номера положения - два оборота (для ПУ РС-4), то необходимо вращением рукоятки повернуть выходной вал ПМ на половину разницы отсчитанных оборотов в сторону увеличения номера положения, т.е. на один оборот, после чего сочленить муфту и снять круговую диаграмму повторно.
Для ПУ производства ГДР следует выполнить аналогичные операции, снимая диаграмму в градусах поворота выходного вала.
Рис. 1.1. Приспособление для снятия круговой диаграммы (лимб)
1.3.9. Снятие полной круговой диаграммы ПУ
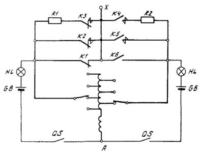
Снятие полной круговой диаграммы ПУ следует производить методом сигнальных ламп. Для этого необходимо снять крышку контактора и подключить внешнюю схему к токоограничивающим резисторам в соответствии с рис. 1.2.
Управляя ПМ вручную, зафиксировать углы поворота (количество оборотов) выходного вала в моменты размыкания и замыкания контактов избирателя по сигнальным лампам. Моменты срабатывания контактора следует фиксировать на слух по щелчку.
Рис. 1.2. Схема снятия круговой диаграммы переключающих устройств:
К1, К6 - главные контакты: К2, К5 - вспомогательные контакты; К3, К4 - дугогасительные контакты; R1, R2 - резистор токоограничивающий; HL - лампа сигнальная; OS - рубильник
Круговая диаграмма должна соответствовать нормам завода-изготовителя (см. приложение 3). При нарушении диаграммы следует руководствоваться указаниями п. 1.3.8.
Емкостный способ снятия круговой диаграммы устройства РПН описан в приложении 4.
1.3.10. Осциллографирование работы контактора
Схемы осциллографирования работы контакторов приведены на рис. 1.3 - 1.5. и в приложении 5.
Для устройств РПН производства ГДР схему осциллографирования необходимо подключить непосредственно к токоограничивающим резисторам, которые расположены в верхней части контактора и к которым имеется свободный доступ.
Рис. 1.3. Схема осциллографирования работы контакторов переключающего устройства SAV:
GB - аккумуляторная батарея; К1, К6 - главные контакты; К2, К5 - вспомогательные контакты; К3, К4 - дугогасительные контакты; G - гальванометр; QS - рубильник; R1, R2 - резистор токоограничивающий; R3 - магазин резисторов
В устройствах производства НРБ необходимо подключать схему к отводам резисторов, расположенных в нижней части блока резисторов. Для этого изготовить медные или латунные щупы длиной около 1000 мм и диаметром 6 - 8 мм. Один конец щупа заострить (радиус скругления 1,5 - 2 мм), на другой поставить винт или гайку для подсоединения внешней схемы. На щуп надеть изоляционную трубку и опустить его между блоком резисторов и бакелитовым цилиндром на неподвижные главные контакты. Для осциллографирования трех фаз контактора одновременно необходимо иметь шесть щупов, при поочередном осциллографировании достаточно двух.
Пользоваться щупами следует осторожно, чтобы не повредить лаковое покрытие бакелитового цилиндра и перемычки токоограничивающих резисторов.
Для ПУ типа SDVI, устанавливаемых на стороне ВН трансформатора, обмотки которого собрали в треугольник, осциллографирование работы трех фаз контактора одновременно невозможно из-за взаимного влияния контакторов. Поэтому в контакторе одной из фаз следует установить эластичные изолирующие прокладки (например, из лакоткани в 2 - 3 слоя) между подвижными и неподвижными вспомогательными и дугогасительными контактами обоих плеч контактора и осциллографировать работу двух других фаз. Затем прокладки переставить и произвести осциллографирование работы третьего контактора.
Во всех случаях при осциллографировании ПМ должен управляться от электрической схемы, а уровень масла в баке контактора должен быть не ниже уровня контактных систем.

Рис. 1.4. Схема осциллографирования работы контакторов переключающего устройства SDV:
Пр - прокладки; К1, К6 - главные контакты; К2, К5 - вспомогательные контакты; К3, К4 - дугогасительные контакты; GB - аккумуляторная батарея; R1, R2 - резистор токоограничивающий; R3 - магазин резисторов; QS - рубильник; G - гальванометр
Рис. 1.5. Схема осциллографирования работы контакторов переключающих устройств РС-4 или SCV:
R1, R2 - резистор токоограничивающий; R3, R4, R5 - магазин резисторов; G - гальванометр; GB - аккумуляторная батарея; QS - рубильник; К1, К6 - главные контакты; К2, К5 - вспомогательные контакты; К3, К4 - дугогасительные контакты
При несоответствии осциллограммы нормам завода-изготовителя следует получить консультацию на заводе-изготовителе трансформатора.
При производстве работ, связанных со вскрытием крышки контактора, должны быть приняты меры, предотвращающие попадание воды, грязи и посторонних предметов в бак контактора.
1.3.11. Контроль качества масла в баке контактора
Отобрать пробу масла из бака контактора через сифонные устройства, предварительно слив не менее двойного объема масла, находящегося в сливном трубопроводе. Качество масла должно по всем показателям соответствовать залитому в бак трансформатора; пробивное напряжение должно быть не ниже указанного в инструкциях заводов-изготовителей РПН.
Произвести доливку необходимого объема масла в расширитель контактора.
1.3.12. Контроль работоспособности струйного реле защиты контактора
Выполнить с помощью кнопок, расположенных на реле. Замыкание контактов реле проконтролировать омметром. После опробования контактную систему реле вернуть в исходное положение [4].
Протокол проверки ПУ приведен в приложении 6, перечень приборов, используемых при наладке ПУ - в приложении 7.
2.1.1. Произвести осмотр ПМ в соответствии с п. 1.3.1.
2.1.2. Проверить наличие защитного заземления корпуса ПМ.
2.1.3. Проверить сопротивление изоляции цепей управления, указателя положения и двигателя в соответствии с действующими нормами [2, 5].
2.1.4. Проверить наличие смазки в редукторе ПМ, при необходимости произвести доливку согласно указаниям по ПМ.
2.1.5. Произвести прогонку ПМ во всех положениях с помощью рукоятки. Увеличение вращающего момента на рукоятке допускается только перед работой контактора при взводе пружин механизма быстродействия и на время работы предызбирателя.
2.1.6. Проверить работоспособность счетчика числа переключений и указателя положений в ПМ.
2.1.8. Проверить расцепление механизма редуктора и выходного вала при выходе за крайние положения, через 4 - 6 оборотов выходного вала. При обратном движении должно происходить автоматическое сочленение редуктора и вала.
2.1.9. При прогонке ПМ проверить надежное замыкание контактов контроллера S11 (S12) во время переключения и срабатывание контроллера S13. По окончании переключения ролики 3 должны быть в среднем положении и все контакты S11, S12 разомкнуты, как показано на рис. 2.1.
При необходимости предусмотрена возможность регулирования шайбы контроллера S11, S12 ослаблением болтов 5.
Следует иметь в виду, что по окончании регулирования необходимо снять неполную круговую диаграмму ПУ (см. п. 1.3.8).
В результате регулирования, когда ПМ находится в «нормальном положении», должно наблюдаться совпадение следующих элементов:
- ролики контроллеров S11, S12, S13 должна находиться в среднем положении (все контакты S11, S12 разомкнуты);
- под контрольным окном на червячном редукторе верхнего фланца ПУ должны совпадать риски;
- показания указателей положения ПМ и ПУ должны совпадать.
2.1.10. Установить ПМ в положение 6 и включить автоматический выключатель питания. После его включения должна загореться сигнальная лампа НL2.
Проверить работоспособность ПМ от кнопок местного управления. Отключение автоматического выключателя дистанционным расцепителем после начала движения ПМ свидетельствует о неправильном чередовании фаз в цепях питания.
Рис. 2.1. Контроллер приводного механизма МЗ-4:
1 - командная шайба контроллера S11, S12; 2 - командная шайба контроллера S13; 3 - ролик контроллера; 4 - контроллер; 5 - болты
В этом случае необходимо поменять местами две фазы питания в ПМ.
При опробовании ПМ от электрической схемы необходимо обращать внимание на четкость работы контакторов. При наличии признаков залипания или затирания следует произвести их полную ревизию. Особое внимание обратить на надежность работы контактора однократности переключения К4, так как отказ его в работе приводит к безостановочному переключению в одно из крайних положений.
Во время переключения в ПМ должна загораться сигнальная лампа HL1.
2.1.11. Убедиться, что при установленной рукоятке невозможно управление ПМ от кнопок.
2.1.12. Проверить автоматическое прохождение промежуточных положений (при их наличии).
2.1.13. Проверить доводку ПМ до нормального положения, в сторону которого было начато переключение, при исчезновении питания во время переключения с последующим его восстановлением. Для этого во время движения ПМ отключить автоматический выключатель питания и затем включить его снова.
2.1.14. Проверить действие электрических блокировок в крайних положениях при управлении ПМ от кнопок и блокировок от рассогласований трех однофазных ПУ при дистанционном управлении.
2.1.15. Убедиться в прохождении ПМ только одного положения при длительной команде на переключение от кнопок управления.
2.1.16. Проверить возможность управления от кнопок, расположенных на двери шкафа ПМ при закрытом ее положении.
2.1.17. Проверить исправность блока питания дистанционного указателя положений, отсутствие обрывов в блоке сопротивлений и работоспособность указателя во всем диапазоне.
2.1.18. Обеспечить питание схемы обогрева независимо от времени года, так как ПМ оборудован термостатом. Включение обогрева производится автоматически при понижении температуры в шкафу ПМ примерно до +10 °С.
2.1.19. Проверить надежность работы ПМ при напряжении питания 0,85Uном.
2.2.1. Выполнить работы по пп. 2.1.1 - 2.1.7, 2.1.11.
2.2.2. Убедиться в работе механических упоров при выходе ПМ за крайние положения через 1 - 2 оборота рукоятки.
2.2.3. При прогонке ПМ вскрыть крышки переключателей Д и Д´ и проверить надежность замыкания контактов 1 - 2 и 1´ - 2´ во время переключения и их размыкание после завершения переключения. О завершении переключения свидетельствует появление стрелки в окошке указателя «нормального положения».
При необходимости предусмотрена возможность регулирования переключателя Д ослаблением крепежных винтов и перемещением его по высоте. Регулирование должно быть произведено с особой тщательностью, так как при отказе Д или Д´ возможен уход ПМ в одно из крайних положений при работе электрической схемы (рис. П1.8).
При проведении регулирования не допускается изгибать лопатки, приводящие в движение переключатели Д и Д´.
2.2.4. Установить ПМ в положение 6 и включить автоматический выключатель питания.
Проверить работоспособность ПМ от кнопок местного управления. При неправильном чередовании фаз в цепях питания ПМ должен останавливаться сразу после начала движения. В этом случае необходимо поменять местами две фазы питания в цепях ПМ.
При опробовании ПМ от электрической схемы необходимо обращать внимание на четкость работы контакторов. При наличии признаков залипания или затирания произвести их полную ревизию.
2.2.5. Проверить действие электрических блокировок в крайних положениях при управлении ПМ от кнопок и блокировок от рассогласований трех однофазных ПУ при дистанционном управлении.
2.2.6. Убедиться в прохождении ПМ только одного положения при длительной команде на переключение от кнопок управления.
2.2.7. Проверить возможность управления от ключа, расположенного на двери шкафа ПМ при закрытом ее положении.
2.2.8. Проверить исправность блока питания дистанционного указателя положений, отсутствие обрывов в блоке сопротивлений и работоспособность указателя во всем диапазоне.
2.2.9. Обеспечить питание схемы обогрева независимо от времени года, так как ПМ оборудован термостатом. Включение обогрева должно производиться автоматически при понижении температуры в шкафу ПМ примерно до +7 °С.
2.2.10. Проверить надежность работы ПМ при напряжении питания 0,85 Uном.
После капитального ремонта трансформатора, кроме работ по пп. 2.1, 2.2, заменить смазку в редукторе, произвести полную ревизию контакторов и восстановить лакокрасочные покрытия ПМ.
1.1. Общие сведения
1.1.1. Переключающие устройства (ПУ) типа РС-4 производства НРБ и SDV, SCV, SAV производства ГДР представляют собой переключатели ответвлений обмоток трансформатора с активными токоограничивающими резисторами.
1.1.2. Основными элементами ПУ являются механизм переключения, состоящий из контактора, избирателя и предызбирателя, и приводной механизм.
К вспомогательному оборудованию устройств РПН относятся:
- струйное реле защиты контактора;
- аварийная мембрана;
- расширитель;
- указатель уровня масла в отсеке РПН расширителя;
- воздухоосушительный фильтр.
1.1.3. Контактор, избиратель и предызбиратель представляют собой сборную конструкцию. В ее верхней части расположен контактор с токоограничивающими резисторами, установленный в изоляционном бакелитовом цилиндре (баке). Для возможности обслуживания контактор выполнен выемным. Бак контактора герметичен, поэтому загрязненное масло контактора не попадает в трансформатор. В нижней части конструкции между двумя фланцами расположены избиратель и предызбиратель.
1.1.4. Избиратель служит для бестокового выбора требуемого ответвления регулировочной обмотки (РО). Предызбиратель (реверсор) увеличивает диапазон регулирования реверсированием РО или введением обмотки грубой ступени (РПН с грубой ступенью), число ступеней которой равно или отличается на одну от числа ступеней РО.
После установки избирателя на новое ответвление нагрузка на него переводится с помощью контактора.
Все рассматриваемые ПУ снабжены контакторами с пружинным переключающим механизмом быстродействия опрокидывающегося (тумблерного) типа. По кинематической схеме контакторы устройств ГДР рычажные, а контакторы устройств НРБ - роторные.
Последовательность работы контактов контактора показана на рис. П1.1.
В положении «мост» (рис. П1.1, г) ток нагрузки проходит по двум параллельным ветвям, и два соседних ответвления обмоток РО оказываются кратковременно замкнутыми через токоограничивающие резисторы. При этом появляется циркулирующий ток, значение которого в стационарном режиме определяется напряжением ступени регулирования и сопротивлением токоограничивающих резисторов.
Рис. П1.1. Последовательность работы контактов контактора (а - ж):
К1, К6 - главные контакты; К2, К5 - вспомогательные контакты; К3, К4 - дугогасительные контакты; R - резистор токоограничивающий
В соответствии с рассмотренной схемой работают все устройства РПН производства ГДР. Для этой схемы характерно, что главные контакты не участвуют в коммутации тока.
В ПУ типа РС-4 производства НРБ отсутствуют вспомогательные контакты, поэтому главные контакты коммутируют ток, обусловленный падением напряжения на токоограничивающих резисторах.
1.1.5. В зависимости от номинального тока и назначения схемы контакторов несколько различаются (рис. П1.2 - П1.5).
Все контакторы производства ГДР с номинальным током более 400 А имеют сдвоенные дугогасительные, вспомогательные и главные контакты. Главные контакты выполнены розеточными. Для контакторов на токи более 800 А (рис. П1.3) в цепи вспомогательных контактов включены делители тока, облегчающие условия работы контактов при отключении тока, обусловленного падением напряжения на токоограничивающих сопротивлениях. Делители тока расположены на нижнем фланце ПУ под избирателем.
На однофазных ПУ типа SAVI на 1600 А применен сдвоенный контактор и делитель тока ДТ1 (рис. П1.4), предназначенный для выравнивания тока между контакторами во время коммутаций.
Контактор ПУ типа РС-4 выполнен без вспомогательных контактов, причем дугогасительные контакты замыкаются только во время переключения. Устройства РПН типа РС-4 выпускаются как в трехфазном, так и в однофазном исполнении. Для устройств в однофазном исполнении избиратель выполнен однофазным, а контактор трехфазным, у которого контакты всех фаз соединены параллельно.
Технические характеристики ПУ производства ГДР и НРБ приведены в табл. П1.1.
1.1.6. Для своевременного отключения трансформатора и предотвращения развития аварии при повреждении контакторов устройств РПН применяются струйные реле ÜRF-25/10 производства ГДР и RS-1000 производства НРБ. В отличие от газового струйное реле не работает при уходе масла и заполнении корпуса реле воздухом или газом.
Реле устанавливается в трубопроводе между баком контактора и расширителем и срабатывает при заданной скорости струи масла в сторону расширителя. Струйное реле действует на отключение трансформатора (блока), и перевод его действия на сигнал на работающем трансформаторе не допускается.
Рис. П1.2. Контактор переключающего устройства SDVI-630-41/41-W19:
К1, К6 - главные контакты; К2, К5 - вспомогательные контакты; К3, К4 - дугогасительные контакты; R - резистор токоограничивающий
Рис. П1.3. Контактор переключающих устройств SDVI-110D-41/123-W19; SDVI-1250-41/41-W19:
К1, К6 - главные контакты; ДТ - делитель тока; К2, К5 - вспомогательные контакты; К3, К4 - дугогасительные контакты; R - резистор токоограничивающий
Рис. П1.4. Контактор переключающего устройства SAVI-1600-245/245-013 спец:
К1, К6 - главные контакты; К2, К5 - вспомогательные контакты; К3, К4 - дугогасительные контакты; R - резистор токоограничивающий; ДТ1, ДТ2 - делитель тока
Рис. П1.5. Контактор переключающего устройства РС-4:
К2, К3 - дугогасительные контакты; К1, К4 - главные контакты; R - резистор токоограничивающий
Таблица П1.1
Технические характеристики переключающих устройств
|
Номинальный ток, А |
Класс напряжения, кВ |
Механическая износостойкость контактов контактора, число переключений |
Число переключений |
Количество ступеней регулирования |
|||
|
до замены масла в контакторе |
до ревизии контактора |
до замены контактов контактора |
|||||
|
SAVI-1600-245/245-013 спец |
1600 |
220 |
200000 |
50000 |
100000 |
50000 |
13 |
|
SAVI-1100-41/123-W19 спец |
1100 |
35 |
300000 |
50000 |
100000 |
50000 |
19 |
|
SDVI-630-41/41-W19 |
630 |
35 |
200000 |
25000 |
50000 |
50000 |
19 |
|
SDVI-1250-41/41-W19 |
1250 |
35 |
200000 |
25000 |
50000 |
50000 |
19 |
|
РС-4 |
200 |
35-220 |
500000 |
30000 |
100000 |
400000 |
|
|
|
400 |
35-220 |
500000 |
30000 |
100000 |
400000 |
До 27 |
|
|
630 |
35-220 |
500000 |
30000 |
50000 |
150000 |
|
Помимо струйного реле на крышке контактора устанавливается алюминиевая аварийная мембрана, которая разрушается при резком повышении давления в баке контактора в аварийных ситуациях.
Защита избирателя осуществляется газовым реле РГЧЗ-66 или BF-80/Q трансформатора.
1.1.7. Для контакторов устройств РПН предусматриваются расширители, выполненные в виде отсека в общем расширителе трансформатора. Расширители трансформатора и контактора разделены перегородкой во избежание попадания продуктов разложения масла, образующихся при работе контактора, в трансформатор.
Расширитель контактора снабжается стрелочным указателем уровня масла, действующим на сигнал.
1.1.8. Устройства РПН производства ГДР и НРБ комплектуются приводными механизмами (ПМ) ЕМ-1 и МЗ-4 соответственно, которые имеют конструктивные и схемные различия (табл. П1.2).
Таблица П1.2
Технические характеристики приводных механизмов
|
МЗ-4 |
ЕМ-1 |
|
|
Способ управления |
Ручное, местное, дистанционное, автоматическое |
|
|
Тип указателя положений |
Логометр |
Логометр |
|
Способ торможения привода |
Закорачивание статорных обмоток двигателя |
|
|
Мощность двигателя, кВт |
0,55; 0,75; 1,1 |
0,6 |
|
Частота вращения двигателя, об/мин |
1410 |
1400 |
|
Момент на выходном валу, Н·М |
12,0 17,0 24,0 |
98,0 |
|
Число оборотов вала на одно переключение |
33 |
6 |
|
Число оборотов рукоятки на одно переключение |
33 |
15 |
|
Время переключения, с |
4,5 |
|
|
Число рабочих положений |
До 38 |
До 35 |
|
Обогрев привода (вид управления, мощность, Вт) |
Автоматический, 2´125 |
Автоматический, 200 |
1.2. Электрическая схема приводного механизма МЗ-4*
*Схемы управления ПМ, приведенные в настоящем приложении, даны с учетом типовых решений ВГПИ «Энергосетьпроект».
1.2.1. Основными элементами схемы приводного механизма МЗ-4 (рис. П1.6) являются:
- электродвигатель М;
- контакторы направления вращения К1, К2;
- тормозной контактор К3;
- контактор однократности переключения К4;
- автоматический выключатель питания с дистанционным расцепителем F1;
- конечные выключатели Q1, Q2;
- блокирующий выключатель при ручном управлении Q3;
- контроллер «повышение» («понижение») S12, S11;
- выключатель для мертвых положений S14;
- ключ выбора режима S5.
Рис. П1.6. Схема управления приводным механизмом МЗ-4
Примечания: 1. При использовании датчика температуры Т-35-03 (контакты ВТ) накладку SX зашунтировать.
2. Схема приводного механизма дана в соответствии с заводским чертежом № 57246-0000, сх. 3.1.
3. Контакты S1 (1, 2), S2 (3, 4) срабатывают при переключении привода в крайние положения; контакты S1 (5, 6), S2 (7, 8) срабатывают при выходе привода за крайние положения.
4. Позиционные буквенные обозначения в приводе даны в соответствии с заводским чертежом.
5. В качестве KLI применить реле РП-256 с tвозвр = 0,8 с. Перемычку между зажимами 1,6 - 2,6 снять.
1.2.2. Электрическая схема ПМ позволяет осуществлять автоматическое, дистанционное и местное управление.
Для местного управления ключ выбора режима S5 устанавливается в положение «местное». При нажатии на командную кнопку S1 (переключение в сторону 1-го положения) срабатывает контактор К1 и становится на самоподпитку через замыкающие контакты 9 - 10. Контактами 13 - 14, 15 - 16 контактор К1 размыкает пусковую цепь контактора К2, а замыканием контактов в силовой цепи двигателя подает питание к обмотке тормозного контактора К3.
Контактор К3 срабатывает и подает питание на электродвигатель. После запуска привода включаются замыкающие контакты 1 - 2 контроллера S11, которые создают цепь для удерживания К1. Одновременно с контактами 1 - 2 или сразу после них замыкаются контакты 5 - 6 контроллера S11, которые подают питание на обмотку контактора однократности переключения К4. Контактор К4 удерживается через контакты 9 - 10 контактора К1 и контакты 1 - 2 контактора К4 и размыкает цепи пускателей направления вращения. При завершении процесса переключения размыкаются контакты 1 - 2 и 5 - 6 контроллера S11. При этом отключается контактор К1, размыкая цепи питания электродвигателя и контакторов К3, К4.
При возврате контактора К3 происходит торможение электродвигателя закорачиванием статорных обмоток. Схема возвращается в исходное состояние. Переключение в сторону n положения совершается аналогично после нажатия на командную кнопку S2. В этом случае работают контактор К2 и контроллер S12.
1.2.3. Независимо от длительности командного импульса ПМ совершает переключение только на одну ступень, что достигается с помощью контактора однократности переключения К4. Если командный импульс имеет большую продолжительность, чем время одного переключения (длительное нажатие на кнопку S1 или S2), то после выключения контактора К1 или К2 контактор К4 остается включенным через собственные контакты 1 - 2 или 7 - 8.
При этом пусковая цепь контакторов К1 и К2 оказывается разомкнутой контактами 9 - 10 и 15 - 16 контактора К4.
1.2.4. В приводном механизме предусмотрено автоматическое завершение процесса переключения при исчезновении напряжения питания с последующим восстановлением. При останове ПМ в промежуточном положении остаются замкнутыми контакты контроллера S11 или S12 (в зависимости от направления движения), чем обеспечивается доводка до ближайшего положения, в направлении которого было начато переключение.
1.2.5. Автоматическое прохождение промежуточных ступеней осуществляется с помощью выключателя S14, который, размыкая контакты с - d, обесточивает обмотку контактора К4. Контактор К4 отключается и контактами 9 - 10 (15 - 16) создает удерживающую цепь для К1 (К2). После прохождения промежуточных ступеней контакты с - d S14 замыкаются и приводной механизм останавливается.
1.2.6. Для обеспечения правильного функционирования ПМ снабжен электрическими блокировками.
Блокировка при неправильном направлении вращения выполнена с помощью контактов 1 - 2 (3 - 4) контроллеров S11 (S12) и замыкающих контактов 7 - 8 контакторов К1, К2. В случае неправильного направления вращения (например, замкнута кнопка S1, а приводной механизм вращается в сторону n-го положения) собирается цепь включения дистанционного расцепителя, отключающего автоматический выключатель питания.
Конечная электрическая блокировка выполнена с помощью конечных выключателей Q1, Q2. Контакты 1 - 2 (3 - 4) Q1 (Q2) размыкают цепи управления контакторов К1, К2 при подходе ПМ к конечным положениям. В случае отказа контактов 1 - 2 (3 - 4) конечных выключателей Q1 (Q2) в цепях управления КМ1 (КМ2) контактами 5 - 6 (7 - 8) Q1 (Q2), замыкающимися после контактов 1 - 2, 3 - 4, подается питание на обмотку дистанционного расцепителя, который отключает автоматический выключатель питания.
При установке рукоятки ручного управления ПМ обесточиваются цепи управления и силовые цепи с помощью выключателя Q3, чем исключается возможность запуска электродвигателя при ручном управлении.
1.2.7. При дистанционном и автоматическом управлении работа ПМ происходит аналогично. Контроль положений ПМ осуществляется по логометрическому указателю положений.
Для контроля длительности процесса переключения в схеме автоматического управления ПМ должно быть применено реле РП-265 (КL1) с выдержкой времени на возврат 0,8 с. Это требование обусловлено следующими соображениями.
После подачи регулятором команды на переключение ПМ должен стать на самоподпитку, что обеспечивается замыканием контактов контроллера S11, S12. Затем должен сработать контроллер S13 и через реле KL1 передать в регулятор сигнал «привод пошел».
При обратной последовательности работы контроллеров S11, S12 и S13 (что может наблюдаться в эксплуатации) сигнал «привод пошел» поступает в регулятор раньше, чем ПМ станет на самоподпитку. Поэтому регулятор снимает команду, ПМ останавливается и регулятор воспринимает это как застревание ПМ в промежуточном положении.
Выдержка времени на возврат реле KL1 даст возможность независимо от последовательности работы контроллеров S11, S12 и S13 обеспечить правильное функционирование ПМ в схеме автоматического регулирования.
1.2.8. На рис. П1.7 приведена схема управления тремя ПМ типа МЗ-4. Цепи контроля синхронной работы выполнены на коммутаторах Е2 и реле KL6, KL7.
1.3. Электрическая схема приводного механизма ЕМ-1
1.3.1. Основными элементами схемы приводного механизма ЕМ-1 (рис. П1.8) являются:
- электродвигатель М;
- контакторы направления вращения А2, А3;
- контактор однократности переключения А1;
- тормозной контактор А4;
- автомат питания Р;
- конечные выключатели Е1, Е2, Е3, Е4 в цепях управления и в силовых цепях;
- блокирующий выключатель при ручном управлении;
- путевой выключатель Д, Д´.
Рис. П1.7. Схема управления приводными механизмами МЗ-4
Примечания: 1. Снять следующие перемычки в приводных механизмах: АВМа 1.6 - 2.6; 2.6 - 2.7; 2.7 - 2.8; 2.8 - 2.9; 2.2 - 2.2а. АВМв 1.6 - 2.6; 2.6 - 2.7; 2.7 - 2.8; 2.8 - 2.9; 2.2 - 2.2а; 1.3 - 2.1. АВМс 1.6 - 2.6; 2.6 - 2.7; 2.7 - 2.8; 2.8 - 2.9; 1.5 - 2.1. На ключах SAC снять перемычки 1 - 3 и зажим 3 ключа подключить к зажиму 2.8.
2. При использовании датчиков температуры Т-35-03 (контакты Вт) накладку SX зашунтировать.
3. В качестве KL1a, KL1b, KL1c применить реле РП-256 с tвозвр = 0,5 ÷ 0,8 с; KL6, KL7 - РП-256 с tвозвр = 1,1 с
Рис. П1.8. Схема управления приводным механизмом ЕМ-1
Примечания: 1. Схема выполнена на основании заводского чертежа № 73450а RUSS.
2. В приводном механизме снять перемычку R-R´.
3. При использовании датчика Т-35-03 (контакты ВТ) накладку SX зашунтировать.
4. Позиционные буквенные обозначения в приводе даны в соответствии с заводским чертежом.
1.3.2. Электрическая схема ПМ позволяет осуществлять автоматическое, дистанционное и местное управление.
Местное управление осуществляется кнопками, расположенными в шкафу приводного механизма.
При нажатии на командную кнопку G1 (переключение в сторону n положения) срабатывает контактор А3, размыкая контактами 13 - 14 пусковую цепь контактора А2 и замыкая контактами 1 - 2, 3 - 4, 5 - 6 силовую цепь электродвигателя. Замыканием контактов 15 - 16 А3 подается напряжение на обмотку тормозного контактора А4. Контактор А4 срабатывает и подает питание на электродвигатель. После запуска электродвигателя происходит замыкание контактов 1 - 2, 1´ - 2´ путевого выключателя Д, Д´ и контактов 1 - 2 блокировки фиксированного направления вращения. Таким образом собираются цепи самоподпитки контактора А3 и цепь включения контактора однократности переключения А1. Контактор А1 срабатывает и становится на самоподпитку через замыкающие контакты 5 - 6. Размыкающие контакты 9 - 10 контактора А1 размыкают пусковую цепь контактора А3.
При завершении процесса переключения размыкаются контакты 1´ - 2´ путевого выключателя Д´ и размыкают цепь самоподпитки контактора А3. Контактор А3 отключается, размыкая контактами 1 - 2, 3 - 4, 5 - 6 цепи питания электродвигателя, а контактами 9 - 10, 15 - 16 цепи питания контакторов А1 и А4. При возврате контактора А4 происходит торможение электродвигателя закорачиванием статорных обмоток. Схема возвращается в исходное положение. Переключение в сторону 1-го положения совершается аналогично после нажатия на кнопку G-2. В этом случае работает контактор А2 и замыкаются контакты 2 - 3 блокировки фиксированного направления вращения приводного механизма.
1.3.3. Независимо от длительности командного импульса ПМ совершает переключение только на одну ступень, что достигается с помощью контактора однократности переключения А1. Если командный импульс имеет большую продолжительность, чем время одного переключения (длительно нажата кнопка G1 или G2), то после выключения контактора А3 или А2 контактор А1 остается включенным через собственные контакты 1 - 2 или 3 - 4. При этом пусковая цепь контакторов А2 и А3 оказывается разомкнутой контактами 9 - 10 и 11 - 12 контактора А1.
1.3.4. В приводном механизме ЕМ-1 (в отличие от МЗ-4) не предусмотрена возможность автоматического завершения операции переключения при кратковременном исчезновении напряжения питания с последующим его восстановлением. Кроме того, схемой не предусматривается автоматическое прохождение «мертвых» ступеней.
1.3.5. Для обеспечения правильного функционирования ПМ снабжен электрическими блокировками.
Блокировка при неправильном направлении вращения выполнена с помощью магнитоуправляемого контакта (геркона) и замыкающих контактов 11 - 12 контакторов А2, А3. В случае неправильного направления вращения (например, замкнуты контакты кнопки 6 - 1, а приводной механизм вращается в сторону n-го положения) происходит отключение цепи самоподпитки контактора направления вращения контактами геркона. Контактор направления вращения отключает своими контактами цепи питания электродвигателя.
Конечная электрическая блокировка выполнена с помощью конечных выключателей Е1, Е2, Е3, Е4.
При отказе конечных выключателей в цепях управления работают выключатели в силовых цепях электродвигателя.
При установке рукоятки ручного управления приводным механизмом обесточиваются цепи управления контакторов с помощью выключателя 1, чем исключается возможность запуска электродвигателя при ручном управлении.
1.3.6. Дистанционное переключение приводного механизма осуществляется со щита управления с помощью ключа управления. Автоматическое управление приводным механизмом выполняется с помощью блока автоматического регулирования.
Контроль положения приводного механизма при дистанционном или автоматическом управлении осуществляется по логометрическому указателю положения.
1.3.7. Контакты коммутаторов 01, 02 используются для контроля синхронной работы тремя ПМ (рис. П1.9) в случае использования однофазных переключающих устройств SAVI-1600. При рассогласовании приводных механизмов на 1, 2 или 3 положения схема контроля синхронной работы обеспечивает отключение фазы управления, чем исключается возможность дальнейших операций устройствами РПН. Четкая работа схемы обеспечивается при рассогласовании приводных механизмов не более чем на 3 положения.
Рис. П1.9. Схема управления приводными механизмами ЕМ-1
Примечания: 1. При использовании датчиков температуры Т-35-03 (контакты ВТ) накладку SX зашунтировать.
2. Во всех приводных механизмах снять перемычку R - R1
Контакты коммутатора 03 используются для блокирования работы автоматического регулятора в крайних положениях приводного механизма.
|
№ п.п |
Вид неисправности |
Вероятная причина |
Метод устранения |
|
1. |
ПМ не запускается при всех видах управления |
1. Разомкнуты контакты ручной блокировки при снятой рукоятке управления |
1. Отрегулировать контакты ручной блокировки на замыкание при снятой рукоятке и на размыкание при установленной рукоятке |
|
2. Обрыв в цепях управления ПМ |
2. Проверить последовательно все цепи управления и устранить обрыв |
||
|
3. Повреждение электродвигателя |
3. Проверить сопротивление изоляции электродвигателя и сопротивление обмоток постоянному току. При обнаружении повреждения электродвигатель заменить |
||
|
4. Отключен ароматический выключатель питания в ПМ |
4. Включить автоматический выключатель питания и проверить наличие напряжения на всех фазах |
||
|
2. |
Останов ПМ в промежуточном положении |
1. Исчезновение напряжения в цепях питания ПМ |
1. Восстановить питание ПМ. При восстановлении питания ПМ МЗ-4 будет доведен до нормального положения автоматически. Для ПМ ЕМ-1 доводку до нормального положения осуществить повторной подачей команды от ключа дистанционного управления или кнопки местного управления |
|
2. Короткое замыкание в цепях управления или силовых цепях электродвигателя ПМ с отключением питания |
2. Устранить короткое замыкание и довести ПМ до нормального положения |
||
|
3. Повреждение кинематической схемы ИМ (заклинивание ПМ) |
3. Снять питание с ПМ. Устранить причину, вызвавшую заклинивание ПМ в промежуточном положении |
||
|
Непрерывное переключение ПМ при кратковременной подаче команды для всех видов управления |
1. Залипание контактора направления |
1. Произвести полную ревизию контактора. Удалять с магнитной системы и контактов смазку, грязь, пыль |
|
|
То же при длительной команде в местном управлении |
2. Отказ в работе контактора однократности (обрыв в обмотке, заклинивание подвижной части) |
2. Выявить причину отказа контактора и устранить |
|
|
3. Для ПМ типа ЕМ-1: отказ в работе переключателя Д и, как следствие, отказ контактора однократности |
3. Отрегулировать работу переключателей Д и Д´ в соответствии с п. 2.2.3 настоящих Методических указаний |
||
|
контакты Д´ постоянно замкнуты |
|||
|
4. |
То же при длительной команде и дистанционном управлении |
1. Для ПМ типа МЗ-4 причины те же, что и указанные в п. 3 |
1. См. п. 3 |
|
2. Для ПМ типа ЕМ-1 однократность переключения при длительной команде не обеспечивается заводской схемой |
|||
|
5. |
Прекращение движения ПМ после подачи команды на переключение для всех видов управления |
1. Неправильное чередование фаз питания ПМ |
1. Восстановить правильное чередование фаз в цепях питания ПМ |
|
2. Малая длительность команды на переключение для ПМ типа МЗ-4 |
2. Увеличить длительность команды на переключение |
||
|
6. |
ПМ проходит без остановок промежуточные положения, номера которых не соответствуют паспортным (для ПМ типа МЗ-4) |
Разрегулирование выключателя для прохождения промежуточных положений S14 |
Проверить взаимодействие выключателя S14 с ползуном коммутатора, при необходимости произвести регулирование |
|
7. |
Несоответствие показаний указателей положения на щите управления и в ПМ |
1. Отсутствие питания в цепях указателя положений |
1. Проверить отсутствие обрывов в цепях указателя положений и надежность замыкания контактов коммутатора |
|
2. Несоответствие полярности в цепях питания |
2. Устранить несоответствие |
||
|
8. |
Работа схемы управления ПМ в 1 (2-м) положении при подаче команды в 1-ю (2-ю) сторону (выход за крайние положения) |
1. Короткое замыкание в цепях конечных выключателей |
1. Устранить короткое замыкание |
|
2. Отказ конечных выключателей |
2. Провести ревизию и отрегулировать конечные выключатели |
||
|
9. |
Нехарактерный шум и скрежет в шкафу ПМ во время переключения |
1. Загрязнение и разрегулирование контакторов |
1. Произвести осмотр и ревизию дефектных контакторов |
|
2. Отсутствие смазки в редукторе |
2. Заполнить редуктор ПМ смазкой. Проверить отсутствие течи масла |
||
|
10. |
Отключение трансформатора только струйным реле защиты контактора во время переключения РПН |
1. Отсутствие воздушной подушки под крышкой контактора |
1. Закрыть кран между баком контактора и расширителем. Открыть пробку для выпуска воздуха и через сифонное устройство слить масло до уровня пробки. Пробку для выпуска воздуха закрыть; открыть кран между расширителем и контактором и опломбировать его в открытом положении |
|
2. Увеличение времени переключения контактора |
2. Получить консультацию на заводе-изготовителе трансформатора |
||
|
3. Выход контактора из «замка» и перегрев элементов токоограничивающих резисторов |
3. То же |
Таблица П3.1
Нормы на круговую диаграмму ПУ производства НРБ1
|
Тип ПУ |
Число оборотов выходного вала |
Число оборотов выходного вала на переключение |
||
|
до размыкания контактов избирателя |
до замыкания контактов избирателя |
до срабатывания контактора |
||
|
РС-4 |
4 - 12 |
12 - 21 |
25 - 29 |
33 |
1 На отдельные партии ПУ нормы могут отличаться от приведенных. При наладке необходимо пользоваться нормами, приведенными в сертификате и заводских инструкциях на данное ПУ.
Таблица П3.2
Нормы на круговую диаграмму ПУ производства ГДР1
|
Тип ПУ |
Размыкание контактов избирателя (от начала процесса переключения), град., не менее |
Замыкание контактов избирателя (до момента срабатывания контактора), град., не менее |
Срабатывание контактора (до завершения процесса переключения) град., не менее |
Число оборотов выходного вала на переключение |
|
SCVI-110 |
300 |
330 |
450 |
6 |
|
SАVI-1600 |
315 |
350 |
440 |
6 |
|
SDVI-630 |
160 |
180 |
440 |
6 |
|
SDVI-1250 |
300 |
340 |
440 |
6 |
1 На отдельные партии ПУ нормы могут отличаться от приведенных. При наладке необходимо пользоваться нормами, приведенными в сертификате и заводских инструкциях на данное ПУ.
Емкостный способ снятия круговой диаграммы позволяет производить работы без вскрытия крышки контактора, а также проверять диаграмму работы предызбирателя без непосредственного доступа к нему. Это создает существенные преимущества предлагаемого способа по сравнению с традиционным способом снятия круговых диаграмм.
Суть его заключается в следующем.
Измеритель емкости подключают к вводу X или А трансформатора (рис. П4.1) и производят измерение суммарной емкости регулировочной и общей частей обмотки на положении, ближайшем к реверсу. Затем вручную медленно производят переключение РПН в сторону реверса.
Рис. П4.1. Схема снятия круговой диаграммы переключающего устройства емкостным способом:
1 - предызбиратель; 2 - контактор; 3 - измеритель емкости; 4 - регулировочная обмотка; 5 - общая часть обмотки
В момент размыкания контактов предызбирателя произойдет отключение регулировочной части обмотки от общей, что приведет к изменению емкости и, следовательно, к резкому изменению показаний прибора. Восстановление показаний прибора свидетельствует о замыкании контактов предызбирателя.
В моменты изменения показаний прибора фиксируются углы поворота (число оборотов) выходного вала ПМ, которые используются для построения круговой диаграммы предызбирателя.
Круговая диаграмма избирателя снимается аналогично, однако в связи с тем, что изменение емкости при этом происходит только за счет отключения неработающего плеча контактора и незначительно, следует применять более чувствительные приборы.
В качестве измерителей емкости используются мосты Р-5026, Р-595. Схема включения такая же, как при измерении tgδ трансформатора. Испытательное напряжение - не более 2 - 3 кВ.
При снятии диаграммы работы предызбирателя могут применяться приборы ПКВ-7.
При трехфазных устройствах РПН схему подключают к нулевому выводу трансформатора. В этом случае пофазное снятие круговых диаграмм невозможно. Однако можно определить, удовлетворяет ли круговая диаграмма всех трех фаз нормам завода-изготовителя.

Рис. П5.1. Типовая осциллограмма работы контактора переключающего устройства РС-4:
tb1 £ 4 мс; tb2 £ 4 мс; tb3 £ 3 мс; t1 ³ 12 мс; tm = 0,1 - 6 мс; t2 ³ 12 мс; tобщ = 30 - 50 мс; tпр1 £ 4 мс; tпр2 £ 4 мс; tвч + tпр3 £ 8 мс

Рис. П5.2. Типовая осциллограмма работы контакторов переключающих устройств SAV, SCV, SDV:
t1 = 10 - 30 мс; t2 = 20 - 42 мс; t3 = 10 - 20 мс; tобщ = 45 - 85 мс; tb1 + tb2 £ 12 мс; tb3 + tвибр £ 12 мс
ПЭО __________________________
_______________________________
станция (п/ст)
ПРОТОКОЛ ПРОВЕРКИ ПЕРЕКЛЮЧАЮЩЕГО УСТРОЙСТВА1. Тип ПУ ______________________________________________________________ 2. Заводской № __________________________________________________________ 3. Тип ПМ ______________________________________________________________ 4. Заводской № __________________________________________________________ 5. Тип трансформатора ___________________________________________________ 6. Внешний осмотр ______________________________________________________ ________________________________________________________________________ ________________________________________________________________________ ________________________________________________________________________ ________________________________________________________________________ ________________________________________________________________________ 7. Прогонка ПУ вручную во всем диапазоне регулирования. Проверка работы упоров и механических расщепителей. Проверка работы электрических блокировок ________________________________________________________________________ ________________________________________________________________________ ________________________________________________________________________ 8. Снятие круговой диаграммы ПУ. Снятие круговой диаграммы ПУ производилось при движении ПУ с _______ положения до _______ положения в обратно. Работа контактов контактора определялась на слух. Работа контактов избирателя определялась с помощью сигнальных ламп.
9. Осциллографирование работы контактора Временные характеристики работы контактора согласно осциллограмме сведены в таблицу
________________________________________________________________________ ________________________________________________________________________ ________________________________________________________________________ ________________________________________________________________________ ________________________________________________________________________ 10. Проверка защитного реле ______________________________________________ ________________________________________________________________________ ________________________________________________________________________ Заключение _____________________________________________________________ ________________________________________________________________________ ________________________________________________________________________ Проверку производили: ___________________________________________________ Руководитель работ: _____________________________________________________ |
||||||||||||||||||||||||||||||||||||||||||||||||||||||||||||||||||||||||||||||||||||||||||||||||||||||||||||||||||||||||||||||||||||||||||||||
1. Вольтметр Э-514:
600 В - 1 шт.
30 - 150 В - 1 шт.
2. Мост постоянного тока Р-333 - 1 шт.
3. Мост переменного тока Р-5026 - 1 компл.
4. Осциллограф светолучевой Н-105, Н-115 - 1 компл.
5. Магазин резисторов к осциллографу - 1 шт.
6. Аккумуляторная батарея 12 - 24 В - 8 шт.
7. Щупы контактные - 2 шт.
8. Лимб - 1 шт.
9. Лампы накаливания - 4 шт.
10. Рубильники
11. Провода соединительные
1. Инструкция по эксплуатации трансформаторов. М.: Энергия, 1978.
4. Инструкция по эксплуатации газовых реле BF-80/Q и струйных реле ÜRF-25/10 защиты трансформаторов и устройств РПН. М.: СПО Союзтехэнерго, 1979.
5. Нормы испытаний электрооборудования. М.: Атомиздат, 1978.
6. Порудоминский В.В. Устройства переключения трансформаторов под нагрузкой. М.: Энергия, 1974.
7. Якобсон И.А. Наладка быстродействующих переключающих устройств силовых трансформаторов. М.: Энергия, 1976.
8. Голунов А.М., Мазур А.Л. вспомогательное оборудование трансформаторов. М.: Энергия, 1978.
9. РТМ 16.800.723-80. Трансформаторы силовые масляные общего назначения 110 - 750 кВ. Транспортирование, выгрузка, хранение, монтаж и введение в эксплуатацию. М.: СПО Союзтехэнерго, 1981.
СОДЕРЖАНИЕ