В Методических указаниях учтены дополнения и уточнения существующих методов проверок, изложена методика проверок новых устройств и элементов, приведено краткое описание защиты и отдельных ее элементов. Методические указания рекомендуются для персонала служб релейной защиты энергосистем и наладочных организаций, занимающихся наладкой устройств релейной защиты.
| Обозначение: | СО 34.35.656 |
| Название рус.: | Методические указания по наладке и эксплуатации дифференциально-фазных защит ДФЗ-504 и ДФЗ-201 |
| Статус: | действует |
| Дата актуализации текста: | 05.05.2017 |
| Дата добавления в базу: | 01.09.2013 |
| Дата введения в действие: | 30.04.1982 |
| Утвержден: | 01.01.1982 ПО Союзтехэнерго |
| Опубликован: | СПО Союзтехэнерго (1982 г. ) |
| Ссылки для скачивания: |
МИНИСТЕРСТВО ЭНЕРГЕТИКИ И ЭЛЕКТРИФИКАЦИИ СССР
ГЛАВНОЕ ТЕХНИЧЕСКОЕ УПРАВЛЕНИЕ ПО ЭКСПЛУАТАЦИИ ЭНЕРГОСИСТЕМ
ПРОИЗВОДСТВЕННОЕ ОБЪЕДИНЕНИЕ
ПО НАЛАДКЕ, СОВЕРШЕНСТВОВАНИЮ ТЕХНОЛОГИИ
И ЭКСПЛУАТАЦИИ ЭЛЕКТРОСТАНЦИЙ И СЕТЕЙ
«СОЮЗТЕХЭНЕРГО»
МЕТОДИЧЕСКИЕ
УКАЗАНИЯ
ПО НАЛАДКЕ И ЭКСПЛУАТАЦИИ
ДИФФЕРЕНЦИАЛЬНО-ФАЗНЫХ
ЗАЩИТ ДФЗ-504 И ДФЗ-201
МУ 34-70-002-82
СО 34.35.656

СОЮЗТЕХЭНЕРГО
Москва 1982
РАЗРАБОТАНО Сибтехэнерго
ИСПОЛНИТЕЛИ А.М. БОГИДАЕВ, Э.И. РАДЗИОН (электроцех)
УТВЕРЖДЕНО Производственным объединением по наладке, совершенствованию технологии и эксплуатации электростанций и сетей «Союзтехэнерго»
Заместитель главного инженера А.Д. ГЕРР
|
МЕТОДИЧЕСКИЕ
УКАЗАНИЯ |
МУ 34-70-002-82 |
Срок действия установлен
с 30.04.82 г. до 30.04.87 г.
Настоящие Методические указания составлены на основании технической информации Чебоксарского электроаппаратного завода по защитам ДФЗ-504 и ДФЗ-201, материалов ВНИИЭ и института «Энергосетьпроект», опыта наладки и эксплуатации этих защит в энергосистемах.
В Методических указаниях учтены дополнения и уточнения существующих методов проверок, изложена методика проверок новых устройств и элементов, приведено краткое описание защиты и отдельных ее элементов.
Методические указания рекомендуются для персонала служб релейной защиты энергосистем и наладочных организаций, занимающихся наладкой устройств релейной защиты.
Перед непосредственной наладкой панели следует подобрать комплект проектной и заводской документации, подготовить протокол для внесения данных по наладке.
Необходимо получить от ЦС РЗА уставки и указания об условиях работы защиты.
Следует обращать особое внимание на соответствие заводской и проектной схем, правильность подключения цепей тока, цепей напряжения «звезды», цепей связи с приемопередатчиком, с другими устройствами релейной защиты и автоматики, выходными цепями и цепями сигнализации (рис. 1, 3 - см. вклейку, рис. 2, 4).
Изменения в схемах защит должны быть согласованы с МС РЗАИ и ЦС РЗА.

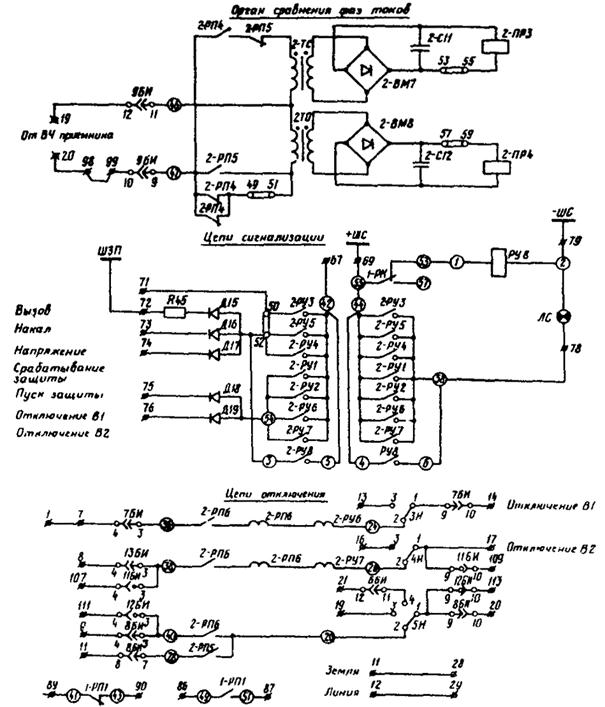
Рис. 2. Цепи постоянного тока защиты дфз-504:
Примечания: 1. Контакты реле показаны в обесточенном состоянии защиты. 2. Для перевода защиты на обходной выключатель рабочие крышки с испытательных блоков 6БИ, 7БИ, 8БИ переставляются в испытательные блоки 10БИ, 11БИ, 12БИ.
Условные обозначения:
зажимы комплектов
аппаратов с внутренней перемычкой;
зажимы сборки
панелей;
зажимы
приемопередатчика УПЗ-70;
контакты
испытательного блока замкнуты;
контакты
испытательного блока разомкнуты

Рис. 4. Цепи постоянного тока защиты ДФЗ-201:
Примечания: 1. Контакты реле показаны в обесточенном состоянии защиты. 2. Для перевода защиты на обходной выключатель рабочие крышки с испытательных блоков 6БИ, 7БИ, 8БИ переставляются в испытательные блоки 10БИ, 11БИ, 12БИ. 3. Схема защиты показана применительно к ее работе при использовании только контактного пуска передатчика.
Условные обозначения:
зажимы комплектов
аппаратов с внутренней перемычкой;
зажимы сборки
панели;
зажимы
приемопередатчика УПЗ-70;
контакты
испытательного блока замкнуты;
контакты
испытательного блока разомкнуты
Для наладки и проверки панели защит должны быть подготовлены измерительные приборы, инструмент, приспособления, соединительные провода, комплектные испытательные устройства и запасные части.
По части позиций в Методических указаниях приведено несколько типов приборов, что позволяет выбирать приборы в зависимости от их наличия.
При выполнении наладочных работ на панелях защит ДФЗ-504 и ДФЗ-201 при одновременной наладке других устройств РЗА необходима комплексная организация работ.
Если выполняется наладка отдельной панели, а другие устройства РЗА при этом находятся в работе, то необходимо руководствоваться Указаниями [6].
При подготовке рабочего места для проверки и наладки защиты должны быть приняты меры, предотвращающие возможность ошибочного отключения присоединений, находящихся в работе.
Для этого должны быть отключены накладки и на ряду зажимов отсоединены провода цепей отключения.
Токовые цепи на время выполнения работ на панели должны быть закорочены на ряду зажимов.
Следует иметь в виду, что защиты ДФЗ-504 и ДФЗ-201 могут иметь ВЧ канал, который совмещен с каналом ВЧТО или ВЧ связи. Кроме этого, часть проверок этих защит производится совместно с приемопередатчиком. Это должно быть учтено при организации работ по наладке и проверке.
При внешнем осмотре следует проверять:
а) надежность крепления и правильность установки панели, аппаратуры панели;
б) отсутствие механических повреждений, состояние изоляции выводов реле и другой аппаратуры;
в) надежность контактных соединений на рядах зажимов, на выводах комплектов панели, испытательных блоках, резисторах, а также надежность паек на конденсаторах, резисторах, диодах и т.п.
При осмотре монтажа панели необходимо проверять:
а) состояние монтажа проводов и правильность выполнения концевых разделок контрольных кабелей;
б) наличие и правильность надписей на панелях и аппаратуре, наличие и правильность маркировки кабелей, жил кабелей, проводов;
в) правильность подключения цепей ВЧ приемопередатчика, УРОВ, АПВ, цепей отключения, сигнализации и осциллографа;
г) соответствие монтажа панели особенностям схемы защиты, например, возможность перевода защиты на обходной выключатель при выводе в ремонт основного выключателя, наличие промежуточных трансформаторов тока и т.д.
После внешнего осмотра и проверки монтажа должны быть произведены внутренний осмотр, чистка и проверка механической части аппаратуры. При этом необходимо произвести:
а) проверку состояния уплотнения кожухов и целости стекол;
б) проверку наличия и целости деталей, правильности их установки и надежности крепления;
в) чистку от пыли и посторонних предметов;
г) проверку надежности контактных соединений;
д) проверку затяжки болтов, стягивающих сердечники трансформаторов, дросселей и т.п.;
е) проверку состояния изоляции соединительных проводов и обмоток аппаратуры;
ж) проверку состояния контактных поверхностей;
з) проверку механических характеристик аппаратуры (люфтов зазоров, растворов, прогибов и пр.).
При внутреннем осмотре необходимо откинуть подвижные платы и произвести осмотр паек. Осматриваются контактные соединения в гнездах разъемов реле и проверяется их надежность.
Поляризованные реле целесообразно замаркировать и установить на место.
2.2.1. Условия проверки
При проверке механического состояния релейной аппаратуры защит необходимо проверить:
а) ход подвижных систем;
б) осевые и контактные зазоры;
в) возврат подвижных систем в исходное положение;
г) состояние контактных систем;
д) совместный ход подвижных и неподвижных контактов.
Для всех реле особое внимание необходимо уделять чистоте контактных поверхностей. Грязные и подгоревшие контакты следует зачищать мелким надфилем или производить легкое соскабливание инструментом с острыми краями. После этого контакты следует полировать воронилом.
Чистка контактов наждачным полотном или другими абразивными материалами не рекомендуется. Следует избегать касания контактов пальцами.
Регулирование механической части реле тока, напряжения, промежуточных и указательных реле следует производить в соответствии с директивными документами [2, 3].
2.2.2. Регулирование поляризованных реле РП-7
При проверке механического состояния поляризованных реле необходимо проверять:
а) надежность затяжки винтов;
б) зазор между контактами, который должен быть не менее, 4 мм;
в) наличие зазора между хвостовиком якоря и правой полюсной надставкой;
г) чистоту зазора между крылышками якоря и постоянным магнитом: этот зазор должен просматриваться на свет и дополнительно проверяться мегаомметром на напряжение 500 В при различных положениях якоря; при этом не должна образовываться электрическая цепь.
Из-за наличия в реле сильного постоянного магнита возможно попадание стальных опилок в воздушный зазор между крылышками якоря и полюсом постоянного магнита.
Удаление опилок из воздушного зазора следует производить либо с помощью стальной иглы, либо, если это не удается, снятием колодки и протиранием полюса магнита и крылышек якоря чистой тряпкой. После установки колодки на место необходимо произвести регулирование реле.
В поляризованных реле РП-7, используемых в защитах, предусмотрено регулирование с преобладанием.
2.2.3. Регулирование кодовых реле КДР-1, КДР-3, КДР-1М, кдр-3м
Вначале следует произвести регулирование контактных систем кодовых реле сгибанием или разгибанием отдельных контактных пластин реле.
Зазор между замыкающими контактами должен быть не менее 0,8 - 1,2 мм. При наличии давления со стороны подвижных контактов на неподвижные (не связанные с якорем) расстояние отхода контактных пластинок неподвижных контактов от ограничительных пластинок должно быть не менее 0,2 - 0,4 мм. При отсутствии давления на неподвижные контакты их контактные пластины должны касаться ограничительных пластинок.
При замыкании контактов должно обеспечиваться надежное соприкосновение контактов подвижных и неподвижных пластин. При отсутствии тока в обмотке реле не должно быть зазора между пружинными пластинами подвижных контактов и изоляционной пластиной на якоре реле.
Изменение времени срабатывания и возврата реле КДР-1 осуществляется увеличением или уменьшением давления контактных пружин, а также изменением угла изгиба якоря. Для увеличения времени срабатывания реле или уменьшения времени его возврата необходимо увеличить давление контактных пружин или слегка разогнуть якорь. Уменьшение времени срабатывания реле или увеличение его при возврате реле достигается обратным путем.
У реле КДР-3М регулирование времени действия легче всего осуществлять прогибом передней части якоря и в небольших пределах увеличением или уменьшением давления контактных пружин.
Необходимо следить за тем, чтобы при регулировании реле прогибы контактов и зазоры между контактами остались в допустимых пределах.
При регулировании следует иметь в виду, что увеличение времени срабатывания реле влечет за собой одновременно увеличение напряжения его срабатывания и, наоборот, уменьшение времени срабатывания уменьшает это напряжение.
2.3.1. Условия проверки
Состояние изоляции цепей панели целесообразно проверять до подсоединения кабелей при всех вставленных крышках испытательных блоков.
2.3.2. Объем проверки
Проверка изоляции должна производится со сборки зажимов панели в следующем объеме:
а) измерить сопротивление изоляции цепей переменного тока, переменного напряжения, постоянного тока и сигнализации относительно корпуса панели и между собой. Измерение производится мегаомметром на 1000 В. Сопротивление изоляции должно быть не менее 5 мом;
б) измерить сопротивление изоляции цепей вторичной обмотки трансформатора 2-ТМ относительно корпуса панели и цепей попеременного тока, переменного напряжения и постоянного тока, а трансформаторов 1-СТН, 1-ТН0 в защите ДФЗ-504 и 1-ТН0, 1-ТН2 в защите ДФЗ-201 относительно указанных цепей, за исключением цепей постоянного тока. Измерение производится мегаомметром на 500 В;
в) измерить сопротивление изоляции между обмотками трансформаторов 2-ТС и 2-ТО относительно цепей постоянного тока и корпуса панели. Измерение производить мегаомметром на 500 В.
2.3.3. Измерение сопротивления изоляции поляризованных реле
Для измерения сопротивления изоляции, поляризованные реле следует снять с панели. Изоляция проверяется между обмотками, контактами и магнитопроводом реле мегаомметром на 500 В.
Сопротивление изоляции между всеми токоведущими частями и магнитопроводом реле должно быть не менее 100 МОм.
В защитах ДФЗ-504, ДФЗ-201 проверка реле постоянного тока должна производиться в следующем объеме:
а) определить напряжение срабатывания и возврата реле 1-РП1, 1-РП2, 2-РП3 - 2-РП9;
б) определить напряжение срабатывания указательных реле 2-РУ2 - 2-РУ5;
в) определить время действия реле 1-РП1, 1-РП2, 2-РП3 - 2-РП9;
г) определить ток срабатывания указательных реле 2-РУ1, 2-РУ6, 2-РУ7;
д) определить ток удерживания реле 2-РП6, а также проверить полярность включения обмоток этого реле при использовании последовательных обмоток.
Напряжение срабатывания и возврата реле постоянного тока необходимо проверять с учетом реальной схемы их включения. При проверке приемопередатчик отделяется от релейной части защиты. Для этого следует снять крышки испытательных блоков 7БИ - 9БИ, 13БИ.
Напряжение срабатывания промежуточных и указательных реле должно быть в пределах 0,6 - 0,7Uном, для кодовых реле может составлять 0,5 - 0,7Uном.
Ток срабатывания указательного реле 2-РУ1 должен быть 0,7Iном.
Время действия реле постоянного тока панелей защит ДФЗ-504, ДФЗ-201 должно соответствовать данным табл. 3.1.
Таблица 3.1
|
Время действия, с |
||
|
при срабатывании |
при возврате |
|
|
1-РП1 |
- |
≤ 0,008 |
|
1-РП2 |
- |
0,5 - 0,6 |
|
2-РП3 |
- |
0,15 - 0,25 |
|
2-РП4 |
- |
≤ 0,008 (0,013)* |
|
2-РП5 |
≤ 0,013 |
- |
|
2-РП6 |
≤ 0,01 |
- |
|
2-РП7 |
≤ 0,015 |
0,1 - 0,2 |
|
2-РП8 |
≤ 0,02 |
- |
|
2-РП9 |
- |
0,2 - 0,3 |
* В скобках приведены данные для защиты ДФЗ-201
Измерения должны производиться при номинальном напряжении оперативного тока электронным секундомером.
Параметры реле постоянного тока панелей защит ДФЗ-504, ДФЗ-201 следует измерять, руководствуясь табл. 3.2
Таблица 3.2
Перед началом проверки пускового органа необходимо выставить заданные уставки по токам обратной и нулевой последовательностей. При использовании в защите только фильтра токов обратной последовательности в комплекте 1 необходимо снять перемычку 7 - 9 и установить перемычку 9 - 11 в защите ДФЗ-504 и соответственно перемычки 9 - 11 и 7 - 9 в защите ДФЗ-201.
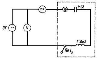
Проверку фильтра первой гармонической составляющей необходимо произвести только для защиты ДФЗ-504 путем снятия зависимости сопротивления фильтра от частоты Z = f (f).
Собрать схему (рис. 5), снять перемычку 12 - 14 комплекта 1. Генератор звуковой частоты подключить к выводу 56 и накладке переключения уставки по I2. При изменении частоты от 0 до 150 Гц определить сопротивление фильтра. Резонанс (минимум сопротивления) должен иметь место при частоте 50 ± 3 Гц. Подстройку резонансной частоты произвести изменением воздушного зазора дросселя 1-Др2.
Рис. 5. Схема проверки фильтра первой гармонической составляющей
Частота на выходе звукового генератора может отличаться от указанной на шкале на 3 - 7 Гц, а иногда и более. Поэтому для проверки настройки фильтров с большей точностью целесообразно контролировать частоту на выходе звукового генератора частотомером.
При проверке необходимо применять звуковой генератор с выходной мощностью около 2 Вт.
Снять перемычку 12 - 14, на выходе фильтра на выводы 13 - 14 подключить вольтметр, вместо перемычки 8 - 10 включить амперметр в защите ДФЗ-504; снять накладку переключения уставки по I2, на выводы 12 - 13 подключить вольтметр, вместо перемычки 8 - 10 включить амперметр в защите ДФЗ-201.
На вход панели через испытательный блок 6БИ следует подать ток IAB = 1 А в защите ДФЗ-504 и через аналогичный блок подать ток IAB = 5 А в защите ДФЗ-201. Измерить ЭДС на выходе фильтра, которая должна быть 10,5 В ± 10 % в защите ДФЗ-504 и 1,7 В ± 10 % в защите ДФЗ-201.
Одновременно проверить правильность включения первичных обмоток трансформатора компенсации 1-ТК по показаниям амперметра, включенного в цепь его вторичной обмотки вместо накладки 8 - 10. При правильном включении трансформатора 1-ТК ток в его вторичной обмотке должен равняться нулю.
Проверить коэффициент трансформации трансформатора 1-ТК при подаче на вход панели через испытательный блок 6БИ поочередно тока IBC и ICA, равного 1 А, в защите ДФЗ-504 и соответственно 5 А в защите ДФЗ-201. При этом ток в его вторичной обмотке не должен отличаться более чем на 5 % от тока на входе панели.
Затем
на входе панели через испытательный блок 6БИ установить ток iC0
такого значения при котором ЭДС на выходе фильтра была бы такого же значения,
как и при питании панели током IAB. При правильно настроенном фильтре ток iC0
должен быть в раз больше тока IAB.
Если
соотношения токов отличаются более чем на 6 %, то необходимо произвести
регулирование фильтра. Регулирование должно производиться следующим образом.
Измерить ЭДС на выходе фильтра при подаче на вход панели тока iC0, в раза большем
тока IAB, и
провод между резистором 1-R20 и
трансформатором 1-ТФП перемещать по резистору 1-R20 в
ту или иную сторону до тех пор, пока ЭДС на выходе фильтра не достигнет такого
же значения как при токе IAB. Если перемещением этого провода установить требуемое значение
ЭДС не удается, то надо переместить провод между резистором 1-R20 и перемычкой 8 - 10 комплекта 1.
При правильно настроенном фильтре напряжение, измеренное между проводами с резистора 1-R20 на трансформатор 1-ТФП и с резистора 1-R20 на перемычку 8 - 10, должно составлять 2/3 падения напряжения на всей рабочей части резистора 1-R20, а напряжение, измеренное между проводами с резистора 1-R20 на перемычку 8 - 10 и с резистора 1-R20 на трансформатор 1-ТК, должно составить 1/3 падения напряжения. Полное значение сопротивления рабочей части резистора 1-R20, определяемое делением измеренного напряжения на подаваемый ток, должно составлять 9,0 Ом ± 10 % в защите ДФЗ-504 и 0,295 Ом ± 10 % в защите ДФЗ-201.
На панель через испытательный блок 6БИ подать ток IAB. Вместо перемычки 58 - 60 включить миллиамперметр; постоянные ток с панели снять.
При плавном изменении тока IAB измерить ток срабатывания реле 1-ПР1 и 1-ПР2. Ток срабатывания реле 1-ПР1 должен быть 1,7 мА, а реле 1-ПР2 - 2,6 мА. Отклонение от указанных значений не должно превышать ±8 %. Коэффициент возврата обоих реле должен быть не менее 0,45. Проверить ток срабатывания реле 1-ПР2 при наличии на панели постоянного тока, значение которого должно составлять 3,6 - 4,0 мА.
При срабатывании и возврате реле необходимо вести наблюдение за четкостью переключения якоря реле с одного неподвижного контакта на другой. Якорь реле при срабатывании должен четко переключаться, не оставаясь в промежуточном положении.
Затем проверить срабатывание и возврат реле 1-ПР1 и 1-ПР2 по току IAB на входе панели и при поданном постоянном токе. При номинальном напряжении постоянного тока ток срабатывания реле 1-ПР2 должен быть равен
![]()
Значение полученного тока при номинальном напряжении постоянного тока не должно отличаться более чем на ±6 %.
Ток срабатывания реле 1-ПР1 при поданном на панель постоянном токе должен быть в два раза меньше тока срабатывания реле 1-ПР2.
Коэффициенты возврата реле 1-ПР1 и 1-ПР2 по току на входе панели несколько выше, чем по току в их обмотках, что объясняется нелинейностью характеристики выпрямителей.
Данная проверка позволяет косвенно установить исправность всех элементов нагрузки фильтра и правильность работы схемы пускового органа при различных видах нессимметричных КЗ.
Вместо перемычки 58 - 60 включить миллиамперметр. Установить перемычку 9 - 11 комплекта 1 в защите ДФЗ-504 и 7 - 9 в защите ДФЗ-201.
На
панель защиты через испытательный блок 6БИ подать токи двухфазного КЗ Ibc, Ica и
всех трех видов однофазного КЗ Ia0, Ib0, IС0. При каждом из
указанных видов КЗ на входе панели установить такой ток, при котором ток в
обмотках реле 1-ПР1 и 1-ПР2 имеет такое же значение, как при подаче тока IAB, и
равный току срабатывания реле 1-ПР2. Для этого ток на панели должен быть больше
уставки на переключателе чувствительности по току обратной последовательности в
раз
при двухфазном КЗ и в три раза при однофазном КЗ.
Токи в обмотках реле 1-ПР1 и 1-ПР2 при всех видах КЗ не должны отличаться больше чем на 7 % от среднего значения всех шести измерений.
На панели защиты через испытательный блок 6БИ подать ток Ic0. Снять перемычку 12 - 14 комплекта 1 в защите ДФЗ-504 и накладку переключателя по I2 в защите ДФЗ-201. Ток срабатывания реле 1-ПР2 по току нулевой последовательности при поданном постоянном токе и заданной уставке на переключателе чувствительности не должен отличаться от уставки более чем на 15 %. При большем отклонении тока срабатывания реле 1-ПР2 необходимо проверить исправность трансформатора 1-ТН0 и выпрямительного моста.
Проверку следует производить при подаче на вход панели тока Iab и Ic0 и поданном на панель постоянном токе при нескольких значениях тока в интервале от 1,05 тока срабатывания реле 1-ПР2 до тока 3Iном. При всех значениях тока на контактах реле не должно быть искрения и они не должны вибрировать, а якорь реле должен четко переключаться с одного неподвижного контакта на другой.
Проверка стабилизирующего действия трансформатора 1-СТП в защите ДФЗ-504 и трансформатора 1-ТН2 в защите ДФЗ-201 должна производиться путем снятия зависимости напряжения на обмотках реле 1-ПР1 и 1-ПР2 при подаче на вход панели через испытательный блок 6БИ тока Iab в интервале от 0,5 до 5Iном. Напряжение на обмотках реле определяется по формуле
Uр = 2000 · Iр · 10-3 В,
где Iр - ток в обмотках реле 1-ПР1 и 1-ПР2, измеренный между выводами 58 - 60. При токе Iab, равном 5Iном, напряжение Uр не должно превышать 70 В.
Проверку стабилизирующего действия трансформатора 1-ТН0 следует производить при подаче на вход панели через испытательный блок 6БИ тока Ic0, равного 5Iном. Установить перемычку 7 - 9, снять перемычку 12 - 14 в защите ДФЗ-504. Установить перемычку 9 - 11 и снять накладку переключателя по I2 в защите ДФЗ-201. Напряжение на обмотках реле 1-ПР1 и 1-ПР2 не должно превышать 80 В.
Проверку необходимо выполнять совместно с приемопередатчиком при поданном на панель и приемопередатчик постоянном токе.
Для исключения влияния органа управления на работу передатчика снять крышку испытательного блока 13БИ и заменить контрольным штепселем с закороченными выводами 6 - 8. Кроме того, снять контактный пуск с ВЧ передатчика, для чего якорь реле 1-РП1 зафиксировать в положении срабатывания.
Проверку производить плавным увеличением от нулевого значения напряжения Ua-bc. При этом по осциллографу, подключенному на выход передатчика, нагруженного на 100 Ом, зафиксировать моменты появления ВЧ импульсов и появления непрерывного ВЧ сигнала, когда отдельные импульсы сливаются.
Напряжение пускового органа в момент появления ВЧ импульсов должно быть больше напряжения срабатывания реле 1-ПР1, а в момент установления непрерывного ВЧ сигнала меньше напряжения срабатывания 1-ПР2. Тем самым обеспечиваются надежный пуск ВЧ передатчика при срабатывании реле 1-ПР2 и отстройки от напряжений небаланса нормального режима.
При этой же проверке фиксируется напряжение безынерционного пуска по электронному вольтметру на выходе передатчика, при котором передатчик отдает 90 % полной мощности, и напряжение безынерционного пуска, при котором передатчик отдает 10 % полной мощности. Отношение этих напряжений должно составлять не более 1,7.
Проверку реле следует производить в соответствии с Инструкцией [2].
4.11.1. Расчет отпаек автотрансформатора
Расчет вторичных уставок реле сопротивления производится по формуле
![]()
где Zср.п - первичное сопротивление срабатывания защиты;
nт и nн - коэффициенты трансформации соответственно трансформаторов тока и напряжения.
Выбор положения переключателей при значении сопротивления уставки Zуст производится по формуле

где Zуст.мин - минимальное сопротивление срабатывания при N = 95 и угле максимальной чувствительности.
Уставка по сопротивлению срабатывания реле может быть выставлена в пределах 30 ÷ 130 Ом/ф при Iном = 1,0 А и 6 ÷ 26 Ом/ф при Iном = 0,5 А в защите ДФЗ-504; 3,5 ÷ 30 Ом/ф в защите ДФЗ-201. При введении смещения зоны работы реле в третий квадрант накладку 1-Н2 комплекта 1 установить в положение «б - в».
4.11.2. Проверка фильтра второй гармонической составляющей
Снять накладку 1-Н3, при вынутом блоке нуль - индикатора 1-Ш2 подключить генератор звуковой частоты к точке «а» накладки 1-Н3 и «12» разъема блока Ш2. При изменении частоты от 50 до 150 Гц определяется сопротивление фильтра. Минимальное значение тока по миллиамперметру на выходе генератора должно быть при частоте 100 ± 3 Гц. При необходимости следует подстроить фильтр изменением воздушного зазора дросселя 1-Др1.
4.11.3. Проверка схемы сравнения
Проверка состоит в установке допустимого значения небаланса по току. Установить переключатель уставки в цепях напряжения в положение, соответствующее включению 95 % вторичных витков; потенциометр 1-R23 полностью ввести и закоротить цепи напряжения UАC на выводах 48 - 50 комплекта 1.
Накладки 1-Н1, 1-Н2 установить в положение «а - б». Вместо накладки 1-Н3 включить микроамперметр, внутреннее сопротивление которого не должно превышать 1,0 кОм на вход панели через испытательный блок 6БИ подать ток IAC, равный 1 А в защите ДФЗ-504, и 5 А в защите ДФЗ-201. Резистором 1-R24 установить ток небаланса в пределах от 8 до 15 мкА.
4.11.4. Проверка блока питания
Подать напряжение постоянного тока на выводы 1 - 11 испытательного блока 7БИ. Проверку необходимо производить при вставленном блоке нуль-индикатора 1-Ш2. При изменении напряжения постоянного тока в пределах от 0,80Uном до 1,1Uном напряжение между выводами 1-Ш2/19 ÷ 1-Ш2/13 должно быть плюс 15 ± 1,5 В, а между выводами 1-Ш2/13 ÷ 1-Ш2/17 минус 15 ± 1,5 В. Реле 1-РК должно быть в положении срабатывания.
4.11.5. Проверка нуль-индикатора НИ
Снять накладки 1-Н1, 1-Н2 и 1-Н3. Через резистор МЛТ-0,5-2,0 кОм подать напряжение +15 В на вывод «б» накладки 1-Н3. На выводы 1 - 11 испытательного блока 7БИ подать напряжение постоянного тока, равное Uном. Измерить напряжение в контрольных точках относительно точки 1-Ш2/13, которое должно соответствовать данным табл. 4.1.
Таблица 4.1
|
Напряжение, В |
||
|
при отсутствии сигнала в точке «б» |
при наличии сигнала в точке «б» |
|
|
1-ОУ1/10 |
+11,5 ÷ +14,5 |
-11,5 ÷ -14,5 |
|
1-ОУ2/4 |
+0,2 ÷ +0,15 |
-0,2 ÷ -0,5 |
|
1-ОУ2/10 |
-13,5 ÷ -16,0 |
+13,5 ÷ +16,0 |
|
1-Ш2/16 |
0 ÷ 3,0 |
+25,0 ÷ +28,0 |
4.11.6. Проверка поляризованных реле
Проверку поляризованных реле 1-РС1, 1-РС2 и 1-РК произвести аналогично указанному в пп. 2.2 и 2.3.
Ток срабатывания реле должен быть 1,7 мА. Отклонение от этого значения не должно превышать ±8 %. Коэффициент возврата должен быть в пределах 0,45 ÷ 0,6.
4.11.7. Определение угла максимальной чувствительности
На панель защиты подать ток IAC и напряжение UAC такого значения, чтобы сопротивление на выводах было равно 0,8 ÷ 0,9Zуст. Поддерживая постоянными значения тока и напряжения и изменяя фазорегулятором угол между их векторами, определить углы φ1 и φ2, при которых срабатывает реле сопротивления. Угол максимальной чувствительности определяется по формуле
![]()
При необходимости угол максимальной чувствительности может быть выставлен в пределах 78 ÷ 88 эл. град в защите ДФЗ-504 и в пределах 65 ÷ 75 эл. град в защите ДФЗ-201 изменением положения резисторов 1-R18, 1-R19.
4.11.8. Проверка заданной уставки по сопротивлению срабатывания
Накладки 1-Н1, 1-Н3, 1-Н4 установить в положение «а - б», а накладку 1-Н2 - в положение «а - б» при отсутствии смещения и «б - в» при наличии смещения.
На панель через испытательный блок 6БИ подать ток IAC, равный 0,5 - 1Iном, и через испытательный блок 7БИ напряжение UAC, равное 100 В. С помощью фазорегулятора установить угол между векторами тока IAC и напряжения UAC, равный углу максимальной чувствительности. Изменяя подводимое напряжение UAC, следует добиться срабатывания реле. Сопротивление срабатывания и возврата реле определить по формуле
![]()
где U - напряжение срабатывания или возврата реле;
I - ток в реле.
В случае несоответствия сопротивления срабатывания реле заданной уставке более чем на ±3 % следует изменить число витков на регулировочной доске трансформатора 1-Тн.
4.11.9. Снятие угловой характеристики реле
Угловую характеристику срабатывания реле Zср = f(φ) снять при токе IAC, равном 0,5 А, b изменении угла между векторами напряжения и тока от 0 до 360 эл. град через 30 эл. град. По данным измерений построить характеристику Zср = f(φ) в осях R и x и уточнить значения угла максимальной чувствительности и сопротивления смещения.
4.11.10. Снятие характеристики сопротивления срабатывания реле от тока
Снятие характеристики Zср = f(I) произвести при заданном угле максимальной чувствительности. Указанную характеристику Zср = f(I) определить при изменении тока от минимального его значения, при котором начинает работать реле, до максимально возможного значения тока КЗ. При этом напряжение не должно превышать 110 В.
По характеристике Zср = f(I) определить ток точной работы реле.
Измеренное значение тока точной работы не должно превышать 0,15 А в защите ДФЗ-504 и 2,8 А в защите ДФЗ-201.
4.11.11. Проверка срабатывания реле сопротивления при закороченных цепях напряжения
На испытательном блоке 7БИ закоротить выводы 6 - 8 в сторону панели. На панель через испытательный блок 6БИ подать ток IAC.
Определить при введенном смещении начальный ток срабатывания реле, который должен быть равен 0,3 А в защите ДФЗ-504 и 3,5 А в защите ДФЗ-201.
4.11.12. Проверка четкости работы контактной системы реле
Проверку четкости работы контактной системы реле произвести при заданном угле максимальной чувствительности и при поданном на панель постоянном токе.
При изменении сопротивления срабатывания реле в пределах от 0,1 до 0,9Zуст и токах 0,7 - 3Iном контакты реле должны работать четко, без вибраций и искрений.
Проверку следует производить после установки заданных уставок на переключателе коэффициента К комбинированного фильтра токов прямой и обратной последовательностей.
Выходные цепи органа управления ВЧ передатчиком при всех проверках, за исключением проверки чувствительности, должны быть отделены от приемопередатчика, для чего следует снять крышку испытательного блока 13БИ. Необходимо обращать внимание на наличие при всех проверках стабилизаторов напряжения органа управления.
Проверку производить подачей тока IBC на вход панели через испытательный блок 6БИ. Электронный вольтметр и электронный осциллоскоп должны быть подключены к выводам 5 - 7 испытательного блока 13БИ.
При проверке определяется значение тока, при котором загорается каждый из стабилизаторов, затем следует проверить правильность полярности включения стабилизаторов и ограничение напряжения на выходе органа управления при больших токах на входе панели защиты.
Для определения значения тока, при котором загораются стабилизаторы напряжения, каждый из них поочередно вынимается из соответствующей ламповой платы. Момент загорания стабилизатора, оставленного включенным в схеме, определяется с помощью электрического осциллоскопа по изменению формы одной из полуволн кривой напряжения на выходе органа управления. Ток IBC, соответствующий загоранию одного стабилизатора, при любом коэффициенте K комбинированного фильтра должен находиться в пределах 1,1 ÷ 1,6 А в защите ДФЗ-504 и 4,5 ÷ 6,5 А в защите ДФЗ-201. Видимое свечение, появляющееся при загорании стабилизаторов, может наступать при несколько больших значениях тока.
Напряжение на выходе органа управления, соответствующее загоранию стабилизатора, не должно превышать 160 В. Ограничение величины напряжения следует проверять при нескольких значениях тока IBC в интервале от 2 до 5 А в защите ДФЗ-504 и от 10 до 25 А в защите ДФЗ-201. При максимальном значении тока напряжение не должно превышать 180 В.
Проверка правильности полярности включения стабилизаторов напряжения должна производиться с помощью электронного осциллографа по форме кривой напряжения на выходе органа управления. При увеличении тока IBC до 4 - 5 А в защите ДФЗ-504 и 16 - 20 А в защите ДФЗ-201 на обоих стабилизаторах должно наблюдаться видимое свечение, а форма кривой напряжения должна иметь вид, показанный на рис. 6, а. При неправильной полярности включения стабилизатора будет ограничиваться только одна из полуволн, как изображено на рис. 6, б.
Рис. 6. Форма кривой напряжения на стабилизаторах органа управления:
а - при правильной полярности обоих стабилизаторов; б - при неправильной их полярности
Частотный фильтр имеется только в органе управления ВЧ передатчиком в защите ДФЗ-504 и поэтому характеристика U = f(f) снимается только для этой защиты в целях определения правильности подобранной нагрузки комбинированного фильтра токов. При правильно подобранной нагрузке на выходе органа управления будет пропускаться напряжение основной частоты 50 Гц и задерживаться или пропускаться с большим затуханием напряжения всех других частот.
Для проверки следует снять перемычку 10 - 12 комплекта 2, к выводам 5 - 7 испытательного блока 13БИ подключить электронный вольтметр.
На вход фильтра на выводы 10 - 14 комплекта 2 подать от звукового генератора напряжение 5 - 20 В. При изменении частоты входного напряжения в пределах от 20 до 200 Гц производится измерение выходного напряжения фильтра по электронному вольтметру. По результатам измерений определяется частота настройки фильтра, которая не должна отличаться от 50 Гц более чем на ±1,0 Гц. Подстройка частоты производится изменением воздушного зазора дросселя 2-Др3.
Правильность настройки контролируется определением коэффициента K фильтра при подключенной нагрузке.
На вход панели через испытательный блок 6БИ подать ток IBC, равный 0,5 А в защите ДФЗ-504 и 3,0 А в защите ДФЗ-201, зафиксировать ток, протекающий по нагрузке фильтра, по показаниям миллиамперметра, включенного вместо перемычки между выводами 10 - 12 и 6 - 8 комплекта 2 соответственно в защитах ДФЗ-504 и ДФЗ-201.
Затем на вход панели через тот же испытательный блок подать ток IA0 такого значения, чтобы показание миллиамперметра точно соответствовало предыдущему показанию. По результатам этих измерений определяется значение коэффициента K фильтра из выражения

Для большей точности следует произвести еще несколько измерений при токе IBC, равном 0,45 и 0,55 А в защите ДФЗ-504 и 2,7 и 3,3 А в защите ДФЗ-201, определить среднее значение коэффициента K, которое не должно отличаться от заданного более чем на ±8 %. При отклонении коэффициента K больше допустимого значения необходимо выполнить регулирование фильтра. Для этого на вход панели подать ток
![]()
а общие хомутики резисторов 2-25R', 2-25R" в защитах ДФЗ-504, ДФЗ-201 перемещать в ту или иную сторону до тех пор, пока показание миллиамперметра станет таким же, как при токе IBC, равном 0,5 А в защите ДФЗ-504 и 3,0 А в защите ДФЗ-201. В том случае, когда перемещением хомутиков не удается установить требуемое значение, нужно перемещать хомутик, соединяющий резистор и вторичную обмотку трансформатора 2-ТФМ.
После регулирования коэффициента K фильтра необходимо проверить распределение падений напряжения на сопротивлениях 2-25R' и 2-25R". Для этого следует отключить накладку на переключателе коэффициента K и через испытательный блок 6БИ подать ток IAB, что обеспечивает протекание тока по всему сопротивлению 2-25R' и 2-25R". Ток IAB подается такого значения, чтобы стрелка вольтметра, подключенного к хомутикам, соединяющим резистор 2-25R' и вторичную обмотку трансформатора 2-ТФМ и резистор 2-25R" с обмоткой трансформатора 2-ТМ, отклонялась на всю шкалу. При переключении вольтметра на хомутики, соединяющие резистор 2-25R' со вторичной обмоткой трансформатора 2-ТФМ и резистор 2-25R' с обмоткой трансформатора 1-ТН0, его показание должно составлять 2/3 напряжения, измеренного в предыдущем случае. При отклонении от этого соотношения регулирование следует производить изменением положения хомутика, соединяющего резистор 2-25R' с обмоткой трансформатора 1-ТН0. После регулирования необходимо снова проверить отстройку фильтра I1 + KI2 от токов нулевой последовательности измерением коэффициента K, как указывалось выше.
Проверку стабильности коэффициента K следует производить при токах IBC в пределах от 0,05 до 5 А в защите ДФЗ-504 и от 3,0 до 25 А в защите ДФЗ-201. Коэффициент K не должен отличаться больше чем на ±20 % от значения, измеренного при настройке фильтра.
Проверка угла производится подачей на вход панели тока IBC = 0,5 А в защите ДФЗ-504 и тока IBC = 3,0 А в защите ДФЗ-201.
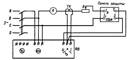
Измерение угла между векторами тока на входе панели и напряжения на выходе органа управления следует производить прибором ВАФ-85 по схеме рис. 7.
Рис.
7. Схема измерения угла между векторами тока
на входе панели и напряжения
на выходе
органа управления:
ФВ - вольтамперфазоиндикатор ВАФ-85;
ТК - измерительные клещи прибора ВАФ-85
Стрелку прибора ВАФ-85 необходимо установить в положение 1 переключателя пределов измерений. После перевода этого переключателя на шкалу U и приведения в нулевое положение стрелки прибора ВАФ-85 измеряемый угол определяется вращением фазорегулятора по шкале.
Угол сдвига φу между векторами тока IBC = 0,5 А на входе панели и напряжения на выходе органа управления при коэффициенте K = 10 в защите ДФЗ-504 должен составлять 28 ± 5 эл. град. Этот же угол при IBC = 3 А в защите ДФЗ-201 должен составлять 24 эл. град. при K = 4, 20 эл. град при K = 6 и 17 эл. град при K = 8 с допустимым отклонением ±5 эл. град.
Стабильность угла φу должна сохраняться при изменении тока IBC от 0,5 до 5,0 А в защите ДФЗ-504 и от 3,0 до 25 А в защите ДФЗ-201. При изменении тока в указанных пределах угол φу не должен отличаться от значения, измеренного при токе IBC = 0,5 А, больше чем на +7 и -4 эл. град в защите ДФЗ-504 и при токе IBC = 3,0 А больше чем на +3 и -10 эл. град в защите ДФЗ-201.
Следует отметить, что при увеличении тока сопротивление резистора (см. рис. 7) будет изменяться и при больших значениях тока станет соизмеримым с активно-индуктивным сопротивлением. Это приведет к тому, что фаза тока на входе панели может несколько измениться относительно напряжения источника питания, что вызовет изменение фазы напряжения на выходе органа управления относительно напряжения источника питания. Поэтому, проверяя стабильность угла φу, необходимо при всех измерениях проверять нулевое положение шкалы переводом переключателя пределов измерений на шкалу 1. При отклонении показания от нуля необходимо вновь установить нулевое положение, как указано выше.
Если измеренный угол φу будет изменяться в несколько больших пределах, чем указано выше, следует сверить значения угла φу данной панели с соответствующими значениями угла φу панели, установленной на другом конце линии. Если при любых значениях токов разница φу не будет превышать 10 эл. град это можно считать допустимым.
При проверке чувствительности орган управления следует отделять от ВЧ передатчика, для чего снять крышку испытательного блока 13БИ. Для измерения напряжения Uу на выходе органа управления подключить электронный вольтметр. Перед проверкой необходимо снять заземляющий провод с соответствующего зажима вольтметра.
К панели защиты через испытательный блок поочередно подается ток IBC и IA0, равный 0,3 А в защите ДФЗ-504 и 2,0 А в защите ДФЗ-201. Измеряется напряжение Uу.
По
полученным данным определяется напряжение
на выходе органа управления ВЧ
передатчиком при симметричном трехфазном токе прямой последовательности по
формуле
![]()
или
![]()
где UBC и UA0 - напряжения на выходе органа управления, измеренные при подаче токов IBC и IA0;
K - действительный коэффициент комбинированного фильтра.
По этим значениям находится среднее значение напряжения Uу при симметричном трехфазном токе прямой последовательности.
Параллельно нагрузке комбинированного фильтра нормально подключены сопротивления цепей управления лампы Л2 ВЧ передатчика, что несколько снижает чувствительность органа управления. Поэтому для проверки влияния цепей управляющей лампы Л2 необходимо дополнительно проверить чувствительность при вставленной крышке испытательного блока 13БИ и включенном постоянном токе на приемопередатчике. Напряжение Uу на выходе органа управления при токах IBC и IA0 0,3 А в защите ДФЗ-504 и 2,0 А в защите ДФЗ-201 не должно уменьшаться больше чем на 10 % по сравнению с напряжением, измеренным при этих же токах со снятой крышкой испытательного блока. При большем снижении напряжения необходимо проверить значения сопротивлений цепей управляющей лампы Л2 ВЧ передатчика.
Напряжение на выходе органа управления при подключенном к нему ВЧ передатчике в защите ДФЗ-504 при коэффициенте K = 10 и токе прямой последовательности 0,3 А должно быть не менее 6,5 В.
В защите ДФЗ-201 это напряжение при коэффициенте K = 8 и токе прямой последовательности 2,0 А должно быть не менее 8,0 В. Если оно окажется меньше, то следует произвести перерегулирование комбинированного фильтра, уменьшив коэффициент K в допустимых пределах, указанных выше.
Орган сравнения фаз токов следует проверять после полностью завершенной наладки ВЧ канала защиты. Зависимость длительности импульсов тока на выходе приемника от управляющего напряжения γ = f = (Uу) необходимо определить для двух режимов работы:
а) приемопередатчик работает на нагрузку 100 Ом;
б) приемопередатчик работает на ВЧ канал.
При работе на нагрузку 100 Ом приемопередатчик должен отделяться от ВЧ канала переключением накладки на специальной колодке приемопередатчика с выводов «Пост - Линия» на вывод «Пост - 100 Ом».
На панель защиты и приемопередатчик подать постоянный ток, между выводами 9 - 10 испытательного блока 9БИ включить миллиамперметр для измерения тока на выходе приемника. Между выводами 11 - 12 этих же испытательных блоков установить перемычку. На выходе органа управления включить электронный вольтметр для измерения Uу Реле 1-РП10, 2-РП5 зафиксировать в положении срабатывания. На панель защиты через испытательный блок подать регулируемый ток IBC. Передатчик пустить с помощью переключателя Tн.
Длительность импульсов тока на выходе приемника определяется в электрических градусах промышленной частоты по значению тока, измеряемого миллиамперметром при различных значениях напряжения Uу до 120 В.
Определение длительности импульсов тока на выходе приемопередатчика γ производится по выражению
![]()
где Iпр - ток на выходе приемника при работающем передатчике;
Iпок - ток на выходе приемника при остановленном передатчике, равный 20 мА.
По данным измерений и расчетов построить характеристику γ = f(Uу) и на ней найти точку, при которой длительность импульсов тока на выходе приемника на 15 эл. град. меньше, чем при напряжении Uу, равном 100 В. Соответствующее этой точке напряжение условно называется напряжением полной манипуляции ВЧ передатчика. Типовая характеристика γ = f(Uу) приведена на рис. 8.
Длительность импульсов тока на выходе приемника при напряжении Uу = 100 В у приемопередатчиков УПЗ-70 и ПВЗД должна составлять 130 - 165 эл. град. При большей длительности импульсов тока на выходе приемника возникают затруднения при настройке реле 2-ПР4.
При работе на ВЧ канал приемопередатчик должен переключаться на выводы «Пост - Линия». При напряжении Uу = 100 В следует проверить длительность импульсов тока на выходе приемника. При этом уменьшение длительности импульсов не должно превышать 10 эл. град по сравнению с их длительностью при включении приемопередатчика на 100 Ом. Уменьшение длительности импульсов более чем на 10 эл. град, как правило, свидетельствует о наличии отраженных ВЧ сигналов. Для устранения этого необходимо выполнить более тщательное согласование всех элементов ВЧ канала.
Рис. 8. Кривая зависимости длительности импульсов тока на выходе приемника от значения напряжения Uу
При двухчастотной настройке приемопередатчика длительности импульсов тока на выходе приемника при работе своего передатчика и передатчика на противоположном конце линии не должны отличаться более чем на 5 - 8 эл. град. При большем отклонении фазная характеристика органа сравнения фаз получается несимметричной.
Равенство длительности импульсов при работе своего передатчика и передатчика на противоположном конце линии достигается подбором конденсаторов С50, С51 и резисторов R86, R87 цепи нагрузки детектора приемопередатчика УПЗ-70.
Фазная характеристика должна сниматься поочередно для каждого полукомплекта защиты при передаче обоими передатчиками ВЧ сигналов прямоугольной формы. Типовая фазная характеристика приведена на рис. 9.
Рис. 9. Фазные характеристики защиты при различных значениях напряжения постоянного тока
Перед снятием фазной характеристики необходимо установить заданную уставку по углу блокировки βбл защиты. Следует обращать внимание, чтобы при снятии фазной характеристики и определении углов блокировки защиты поддерживалось номинальное напряжение постоянного тока, а ток на выходе приемника при остановленном передатчике составлял 20 мА. Необходимо также во время снятия фазной характеристики не допускать колебаний нагрузки по линии и изменения напряжений на шинах. Невыполнение этих условий может привести к несимметрии и искривлению фазной характеристики, особенно на линиях большой протяженности.
На панель защиты и приемопередатчик подать постоянный ток. Для измерения тока вместо накладки, последовательно включенной с реле 2-РП4, включить миллиамперметр.
Реле 1-ПР1 и 2-РП5 фиксируются в положении срабатывания. Для контроля взаимного расположения ВЧ прямоугольных импульсов от своего передатчика и передатчика на противоположном конце линии на выход передатчика включить электронный осциллоскоп. Пуск передатчика производится переключателем Тн.
Для получения от своего передатчика прямоугольных импульсов, изменяющихся по фазе, используются установки, позволяющие осуществлять изменение угла между векторами тока и напряжения. В случае, если установка позволяет осуществлять изменение фазы напряжения относительно тока, то изменяющееся по фазе напряжение, равное 100 В, следует подать через испытательный блок 13БИ на управляющую лампу Л2. Если установка не производит разделение первичного и вторичного напряжений, то необходимо пользоваться разделительным трансформатором. Если с помощью установки можно осуществлять изменение фазы тока относительно напряжения, то на вход панели через испытательный блок следует подать изменяющийся по фазе ток такого значения, при котором напряжение Uу = 100 В.
Перед снятием фазной характеристики необходимо проверить синусоидальность формы кривой напряжения Uу при изменении его фазы от 0 до 360 эл. град. Для этого при напряжении Uу = 100 В и при работающем передатчике контролируется форма ВЧ импульсов прямоугольной формы по электронному осциллоскопу и ток на выходе приемника по миллиамперметру. При изменении фазы напряжения Uу от 0 до 360 эл. град форма ВЧ импульсов и ток на выходе приемника не должны изгоняться. Значение этого тока должно равняться току, измеренному ранее при проверке длительности его импульса при напряжении Uу = 100 В.
На конце линии, где снимается фазная характеристика, взаимное расположение ВЧ импульсов проверяется по электронному осциллоскопу. Начальное положение отсчета углов по фазоиндикатору определяется следующим образом. Имитируется КЗ вне зоны защиты, когда ВЧ прямоугольные импульсы сдвинуты один относительно другого на 180 эл. град. При этом паузы от одного передатчика заполнены импульсами от другого. Ток в реле 2-РП4 органа сравнения фаз равен нулю. Изменяя фазу напряжения Uу, следует найти два значения углов по разные стороны от приближенного начального положения, при которых ток в обмотке реле 2-ПР4 был одинаковым. Угол, равный полусумме этих углов, будет соответствовать начальному положению отсчета. Относительно этого начального положения необходимо определить все другие углы. Угол между ВЧ импульсами изменяется от 0 до 360 эл. град через каждые 30 эл. град. При этом ручку фазорегулятора следует вращать только в одном направлении, чтобы исключить люфты. При каждом значении угла фиксируется ток в обмотке реле 2-ПР4. По полученным данным строится фазная характеристика. Аналогично снимается фазная характеристика для полукомплекта на противоположном конце линии. На линиях с ответвлениями при наличии полного или неполного полукомплекта защиты с управляемым передатчиком на ответвлении фазная характеристика и углы блокировки на каждом полукомплекте должны проверяться поочередно с каждым из двух других полукомплектов.
После снятия и построения фазной характеристики по заданному углу блокировки защиты определяются токи срабатывания реле 2-ПР4 на обеих ее ветвях. Реле 2-ПР4 настраивается на среднее значение полученных токов. Вновь имитируется КЗ вне зоны защиты. Изменяя фазу напряжения Uу в обе стороны от 180 эл. град. производится определение углов срабатывания реле на обеих ветвях фазной характеристики, а по ним и углов блокировки. Изменение угла блокировки достигается перестройкой реле 2-ПР4, а также изменением сопротивления в цепи тормозной обмотки. Коэффициент возврата реле по току при включенной тормозной обмотке должен быть не ниже 0,6. Не следует добиваться высокого коэффициента возврата этого реле, так как это приводит к нечеткой работе реле и вибрации контактов.
При наличии несимметрии фазной характеристики за угол блокировки должен приниматься меньший из углов, при которых срабатывает реле 2-ПР4.
Затем следует проверить четкость работы контактной системы реле 2-ПР4 при изменении тока в его обмотке от 1,1 значения тока срабатывания до максимального, что достигается изменением сдвига фаз между ВЧ прямоугольными импульсами обоих передатчиков. При изменении тока в указанных пределах не должно быть искрения и вибрации контактов реле, а его якорь должен четко переключаться с одного неподвижного контакта на другой.
Проверка тока срабатывания и возврата реле 2-ПР3 должна производиться при питании органа сравнения фаз токов переменным синусоидальным напряжением, которое подается через испытательный блок 9БИ. Вместо накладки последовательно с реле включается миллиамперметр. Реле 1-ПР4 фиксируется в положении срабатывания. Ток срабатывания реле должен быть в пределах 1,0 ÷ 1,05 мА, а коэффициент возврата не ниже 0,45. Одновременно следует проверить четкость работы контактной системы при наличии на панели постоянного тока.
Целесообразно после снятия фазной характеристики и регулирования реле 2-ПР4 проверить ток срабатывания и возврата при питании органа сравнения фаз токов переменным напряжением аналогично проверке реле 2-ПР3. Измерения должны производиться при снятом и поданном на панель постоянном токе. Такая проверка позволяет отказаться от снятия фазной характеристики при техническом обслуживании защиты. Последнее допустимо, если результаты этой проверки и определения длительности импульсов тока на выходе приемника при техническом обслуживании будут совпадать с результатами проверки при новом включении защиты, так как это будет указывать на отсутствие изменений фазной характеристики и углов блокировки защиты.
Проверка взаимодействия реле должна производиться совместно с приемопередатчиком при напряжении постоянного тока, пониженном с помощью потенциометра до 80 % номинального напряжения панели защиты. При выборе реостата для потенциометра следует учитывать, что защиты ДФЗ-504 и ДФЗ-201 вместе с приемопередатчиками УПЗ-70, ПВЗД потребляют ток 1,0 - 1,5 А.
Проверить взаимодействие элементов схемы замыканием контактов реле от руки по принципиальной схеме цепей постоянного тока защиты. Пуск ВЧ передатчика контролируется по прибору «ток приема» при снижении до нуля тока на выходе приемника. Следует обращать внимание на четкость и надежность замыкания контактов, отсутствие искрения контактов при коммутациях. Проверяется четкость выпадения флажков при срабатывании указательных реле.
По окончании проверки взаимодействия реле необходимо проверить действие защиты на световые табло и звуковые сигналы.
При питании цепей напряжения защиты через реле - повторители во время наладки при новом включении проверяется несрабатывание защиты при кратковременном исчезновении постоянного тока.
Повышенным напряжением следует испытывать цепи переменного напряжения и тока, цепи постоянного тока и сигнализации.
Испытаниям не подвергаются цепи, измерение сопротивления изоляции которых производится мегаомметром на 500 В в соответствии с п. 2.3.
Изоляция панели должна быть испытана относительно земли переменным напряжением 1000 В частотой 50 Гц в течение 1 мин.
До и после испытания изоляции цепей должно быть произведено измерение сопротивления изоляции мегаомметром на 1000 В. Изоляция панели считается выдержавшей испытание, если значения ее сопротивлений, полученные до и после испытания, будет одинаковыми.
При профилактическом контроле и восстановлениях допускается производить испытания изоляции мегаомметров на 2500 В.
При имитации КЗ в защищаемой зоне следует вставить крышку испытательного блока 13БИ, включить электронный секундомер для измерения времени срабатывания защиты. Останов секундомера осуществляется контактами реле 2-РП7.
Имитация КЗ производится при питании цепей тока и напряжения от постороннего источника при номинальном напряжении постоянного тока.
Имитируются два вида повреждения: несимметричное КЗ, симметричное КЗ.
Пуск защиты при несимметричных КЗ осуществляется от реле 1-ПР1, 1-ПР2, а пуск ВЧ передатчика производится как безынерционно в момент появления тока в обмотках пусковых реле, так и размыканием замыкающего контакта реле соответственно 1-ПР1.
В защитах ДФЗ-504, ДФЗ-201 для имитации несимметричных КЗ на вход панели через испытательный блок 6БИ следует подать ток IBC такого значения, чтобы ток в обмотке реле 1-ПР2 в четыре раза превышал ток его срабатывания. Реле 1-РС и 1-РТ2 выводятся из работы, а реле 2-РП5 фиксируется в положении срабатывания. Время срабатывания также измеряется при безынерционном и контактном пусках ВЧ передатчика.
Пуск защиты при симметричных КЗ осуществляется фиксацией предшествующего несимметричного режима в результате кратковременного размыкания размыкающих контактов реле 1-ПР1 и 1-ПР2, а также срабатыванием реле 1-РС, 1-РТ1 и 1-РТ2.
Время срабатывания защиты при симметричных КЗ измеряется в защитах ДФЗ-504, ДФЗ-201 отдельно при действии реле 1-РТ1, 1-РС и 1-РТ1, 1-РТ2.
В защите ДФЗ-504 для имитации симметричного КЗ на вход панели через испытательные блоки следует подать ток IAC = 0,8 А и напряжение UAC, соответствующее 0,5Zуст реле 1-РС. Реле 1-ПР1, 1-ПР2 и 1-РТ2 в защите ДФЗ-504 следует вывести из работы, зафиксировать время срабатывания защиты в этом режиме.
В защите ДФЗ-201 на вход панели через испытательные блоки подать ток IAC = 3,0 А и напряжение UAC, соответствующее 0,5Zуст реле 1-РС. Реле 1-ПР1, 1-ПР2 и 1-РТ2 следует вывести из работы, измерить время срабатывания защиты.
Затем в защитах ДФЗ-504, ДФЗ-201 подать ток IAC такого значения, чтобы ток в обмотке реле 1-РТ2 в четыре раза превышал ток срабатывания. Реле 1-РС, 1-ПР2 вывести из работы, измерить время срабатывания защиты.
Время срабатывания защит при симметричных и несимметричных КЗ при использовании безынерционного пуска ВЧ передатчика не должно превышать 0,05 с в защите ДФЗ-504 и 0,06 с в защите ДФЗ-201, а при использовании только контактного пуска - 0,065 с в защите ДФЗ-504 и 0,085 с в защите ДФЗ-201.
Для всех защит время срабатывания защиты при неблагоприятном времени подключения органа сравнения фаз токов к приемнику может увеличиваться не более чем на 0,015 с.
Имитация КЗ вне защищаемой зоны защиты производится при тех же режимах, которые указаны в п. 9.1, но со снятой крышкой испытательного блока 13БИ. Во всех случаях не должно происходить срабатывания защиты.
К зажимам панели необходимо присоединить все внешние цепи. Проверить действие защиты на выходные реле резервных защит и цепи устройства АПВ, а также взаимодействие защиты с другими устройствами РЗА. Проверить полярность подведенных цепей оперативного постоянного тока. Цепи защиты подключить к трансформаторам тока и напряжения. Произвести проверку действия защит на отключение выключателей.
Перед проверкой защиты рабочим током и напряжением линии необходимо произвести осмотр всех реле, проверить надежность контактных соединений на переключателях, выводах реле, на рядах зажимов и испытательных блоках, выявить и устранить неизолированные жилы кабелей, проверить наличие заземлений в цепях тока и напряжения. Необходимо произвести обязательный контроль целостности токовых цепей путем пофазного измерения сопротивления постоянному току каждой группы трансформаторов тока.
При выполнении всех операций с испытательными блоками в цепях тока и напряжения необходимо соблюдать особую осторожность. Необходимо убедиться, что выходные цепи защиты выведены накладками.
Правильность подключения должна проверяться фазировкой напряжения на зажимах панели и напряжения на шинках напряжения или на заведомо правильно собранных цепях напряжения. Измеряются фазные и линейные напряжения «звезды», проверяется чередование фаз напряжений.
Прибором ВАФ-85 необходимо измерить вторичные токи в фазах, снять их векторную диаграмму. По измеренным значениям вторичных токов и значению тока в первичной цепи определяется коэффициент трансформации трансформаторов тока и сравнивается с заданным. Сравниваются направление мощности по снятой векторной диаграмме вторичных токов с действительным направлением мощности в линии и с показаниями щитовых амперметров. Ток небаланса в нулевом проводе, значение которого не должно превышать 0,02 А, измеряется миллиамперметром с небольшим внутренним сопротивлением. Если предусмотрена возможность перевода защиты на обходной выключатель, необходимо снять векторную диаграмму вторичных токов трансформаторов тока обходного выключателя.
Реле сопротивления 1-РС по цепям напряжения следует переключить на вторичную обмотку трансформатора 1-Тн, имеющую 1 % витков. Для этого следует установить накладку 1-Н4 в положение «б - в», накладку 1-Н2 перевести в положение «а - б».
Направленность реле сопротивления рекомендуется проверять одним из следующих способов.
На вход панели через испытательный блок 6БИ поочередно подать ток фаз IA, IB и IC. При этом крышка испытательного блока 7БИ цепей напряжения остается в рабочем положении. Зафиксировать поведение реле сопротивления 1-РС.
По второму способу на вход панели через испытательный блок 7БИ подать сочетания напряжений UABC, UBCA, UCAB. При этом крышка испытательного блока 6БИ токовых цепей остается в рабочем положении. Зафиксировать поведение реле сопротивления 1-РС.
По результатам проверки и предварительному анализу векторных диаграмм вторичных токов определить правильность включения реле сопротивления 1-РС.
После проведения указанной проверки восстановить нормальную схему включения реле сопротивления 1-РС.
Правильность настройки фильтра следует проверить измерением тока Iр в обмотках реле 1-ПР1, 1-ПР2 при прямом и обратном чередовании фаз тока. Для этого вместо накладки последовательно с обмотками этих реле включить миллиамперметр.
При подаче на вход панели через испытательный блок 6БИ прямого чередования фаз токов ток небаланса в обмотках реле 1-ПР1, 1-ПР2 должен быть меньше тока возврата реле 1-ПР2. Для получения токов обратной последовательности на испытательном блоке 6БИ следует поменять местами фазы В и С.
Ток небаланса должен быть также меньше тока возврата реле 1-ПР2 и при заданном максимальном токе нагрузки линии. Значение этого тока небаланса определяется по току, измеренному в обмотке реле и умноженному на отношение тока максимальной нагрузки к току, протекающему по линии при проверке.
Ток, протекающий в обмотках реле 1-ПР1, 1-ПР2 при обратном чередовании фаз токов, должен быть больше тока срабатывания реле 1-ПР2.
Правильность включения и настройки комбинированного фильтра токов следует проверять измерением напряжения с помощью электронного вольтметра на выходе органа управления ВЧ передатчиком при прямом и обратном чередовании фаз токов, подводимых к панели защиты.
Отношение напряжений, измеренных при обратном и прямом чередовании фаз токов должно примерно соответствовать коэффициенту K комбинированного фильтра. Следует отметить, что это отношение сохраняется до значения тока около 0,7 А в защите ДФЗ-504 и 3,0 А в защите ДФЗ-201, так как при больших значениях тока обратной последовательности вступают в действие стабилизаторы напряжения органа управления ВЧ передатчиком.
На одной из подстанций через испытательный блок токовых цепей 6БИ на выводы А - О подается ток фазы IA, затем ток фаз Ib и IC, а на другой подстанции также через испытательный блок 6БИ на те же зажимы А - О поочередно подводятся токи всех трех фаз IA, Ib и IC. Для фиксации тока в обмотке реле 2-ПР4 вместо накладки включается миллиамперметр. Взаимное расположение ВЧ импульсов обоих передатчиков контролируется с помощью электронного осциллоскопа, подключенного на выходе приемопередатчика. Реле 2-РП5 зафиксировано в положении срабатывания. Высокочастотные передатчики на обеих подстанциях пускаются переключателем Тн.
При подключении к защите на обеих подстанциях токов одноименных фаз токи на выходе приемника и в обмотке реле 2-ПР4 должны быть равны нулю, а на экране осциллоскопа должны отсутствовать провалы между ВЧ импульсами обоих передатчиков. При подведении к выводам А - 0 на подстанциях токов разных фаз токи в обмотке реле 2-ПР4 должны соответствовать значениям, полученным при снятии разной характеристики для углов 60 эл. град. и 300 эл. град, отличающихся от 180 эл. град на угол 120 эл. град, а по взаимному расположению ВЧ импульсов на экране осциллоскопа можно определить, на каком конце линии вектор тока, поданного на защиту, опережает на 60 эл. град. вектор тока в защите другого конца линии.
На одной из подстанций установить перемычки 5 - 8 и 6 - 7 на испытательном блоке 13БИ реле 2-РП5 зафиксировать в положении срабатывания. Пуск передатчика осуществляется переключателем Тн. При правильном подключения цепей тока к панели защиты на выходе приемника и в реле 2-ПР4 должен появиться ток. Вставить рабочую крышку испытательного блока 13БИ. При таком же подключении цепей тока и запущенных передатчиках ток в органе сравнения фаз должен быть равен нулю.
При обмене ВЧ сигналами необходимо иметь в виду, что этот обмен возможен при определенном минимальном токе нагрузки, который определяется следующим образом:
![]()
где Iср. 2-ПР3 - ток срабатывания реле 2-ПР3;
K - заданный коэффициент комбинированного фильтра токов органа управления ВЧ передатчиком;
nтт - установленный коэффициент трансформации трансформаторов тока.
При обмене ВЧ сигналами следует фиксировать ток на выходе приемника по прибору «ток приема». На одной из подстанций кнопкой «Пуск» пустить передатчик и зафиксировать ток по прибору на обеих подстанциях. Отпустить кнопку и пустить передатчик аналогичным образом на другой подстанции, а затем зафиксировать ток по прибору. При этом показания (по прибору) уменьшаются примерно вдвое.
Кнопкой «Пуск» пустить одновременно ВЧ передатчики на обеих подстанциях. Ток приема (по прибору) должен быть равен нулю. Равенство токов приема нулю при одновременно запущенных обоих ВЧ передатчиках является основным показателем исправности канала дифференциально-фазных защит. После обмена ВЧ сигналами работы с приемопередатчиком и на панели защиты должны быть прекращены.
Перед включением защиты в работу следует проверить положение всех накладок и перемычек, флажков указательных реле и испытательных блоков.
Результаты проверки защиты от постороннего источника и под нагрузкой следует записать в журнал по релейной защите. Отметить также завершение всех работ по ВЧ каналу. Провести инструктаж оперативного персонала по вводимой в работе защите, сделать заключение о возможности включения защиты в работу.
В соответствии с Решением № Э-6/79 «О введении в действие «Правил технического обслуживания устройств РЗА» [4] установлены следующие виды технического обслуживания:
а) проверка при новом включении - Н;
б) первый профилактический контроль - К1;
в) профилактическое восстановление - В;
г) частичное профилактическое восстановление - 4В;
д) профилактический контроль - К;
е) опробование - O;
ж) внеочередная проверка;
з) послеаварийная проверка.
Объем технического обслуживания защит приводится в табл. 11.1.
Таблица 11.1
Оперативное обслуживание дифференциально-фазных защит ДФЗ-504, ДФЗ-201 должно проводиться в соответствии с действующей общей инструкцией по эксплуатации защит и автоматики линий.
Ввод в работу и вывод из работы защит ДФЗ-504 и ДФЗ-201 следует производить одновременно с обеих сторон защищаемой линии по распоряжению диспетчера энергосистемы.
Защита должна быть выведена из работы:
а) при срабатывании указательных реле 2-РУ4 - «Напряжение», 2-РУ5 - «Накал»;
б) при отклонении показаний приборов приемопередатчика от норм, указанных в табличке на приемопередатчике;
в) перед снятием и подачей оперативного постоянного тока на панель защиты или на приемопередатчик;
г) перед операциями с испытательными блоками в цепях тока и напряжения.
11.4.1. Ввод в работу:
а) установить накладки 3Н, 4Н, 5Н в положение «Сигнал»;
б) вставить рабочие крышки испытательных блоков 6БИ - 9БИ, 13БИ.
Примечание. В защитах ДФЗ-504, ДФЗ-201 испытательные блоки 10БИ, 11БИ, 12БИ, предназначенные для обходного выключателя, в нормальном режиме имеют нерабочие крышки и в дальнейшем не упоминаются;
в) включить питание приемопередатчика и прогреть его в течение 5 - 8 мин;
г) произвести обмен сигналами между защитами, установленными на защищаемой линии;
д) поднять флажки указательных реле;
е) установить накладки 3Н, 4Н, 5Н в положение «Отключение»
11.4.2. Вывод из работы
а) установить накладки 3Н, 4Н, 5Н в положение «Сигнал»;
б) вынуть рабочие крышки испытательных блоков 6БИ - 9БИ, 13БИ;
в) отключить питание приемопередатчика.
1. Общие положения
Дифференциально-разные ВЧ защиты ДФЗ-504 и ДФЗ-201 предназначены для применения в качестве основных быстродействующих защит линий электропередачи напряжением 110 - 500 кВ. Защиты работают при всех видах КЗ и не реагируют на перегрузки, качания и асинхронный ход. Защиты правильно работают в неполнофазных режимах, используются в сочетании с устройствами ОАПВ или ТАПВ. Они применяются для защиты линий, как без ответвлений, так и с ответвлениями.
Защита ДФЗ-201 используется только на линиях 110 - 220 кВ.
Релейная часть защит ДФЗ-504 и ДФЗ-201 предназначена для работы с ВЧ приемопередатчиками ПВЗД и УПЗ-70.
Принцип
действия защит основан на сравнении фаз токов обеих концов линии, получаемых от
комбинированного фильтра токов прямой и обратной последовательностей типа . Фаза тока
передается с одного конца линии на другой посредством токов высокой частоты по
каналу, в качестве которого используется защищаемая линия.
Защита состоит из трех основных органов:
а) пускового;
б) управления (манипуляции) ВЧ передатчиком;
в) сравнения фаз токов.
Пусковой орган осуществляет пуск ВЧ передатчика, подготовку действия защиты на отключение и производит необходимые переключения в схеме органа сравнения фаз.
Орган
управления (манипуляции) ВЧ передатчиком обеспечивает работу последнего с
интервалами в половину периода промышленной частоты. Высокочастотный передатчик
генерирует токи высокой частоты отдельными импульсами. Фаза импульсов
определяется фазой напряжения на выходе комбинированного фильтра токов прямой и
обратной последовательностей .
Орган
сравнения фаз токов по сдвигу фаз между ВЧ импульсами передатчиков обоих концов
линии, т.е. по сдвигу фаз между векторами токов по концам защищаемой линии
определяет, где находится место повреждения - в зоне действия защиты или вне
ее. При КЗ на защищаемой линии фазы совпадают и сдвиг фаз равен нулю, а при
внешнем повреждении фазы между ВЧ импульсами сдвинуты на 180 эл. град.
Вследствие этого при КЗ вне защищаемой зоны ВЧ передатчики обоих концов линии работают неодновременно. Высокочастотные импульсы, генерируемые ими, сдвинуты по фазе примерно на полпериода промышленной частоты. Поэтому промежутки между ВЧ импульсами передатчика одного конца линии заполняются такими же импульсами, приходящими с противоположного конца линии, и защита блокируется.
При повреждении в защищаемой зоне ВЧ передатчики работают одновременно и генерируемые ими импульсы примерно совпадают по фазе. В этом случае ВЧ импульсы накладываются один на другой и промежутки между ними остаются незаполненными. В перерывах между импульсами на выходе приемника появляется ток приема, что в свою очередь вызывает срабатывание в органе сравнения фаз реле 2-ПР4.
Значение
тока в обмотке этого реле зависит от угла сдвига фаз между ВЧ импульсами,
генерируемыми передатчиками по концам линии. Зависимость тока в обмотке реле
органа сравнения фаз от угла между суммарными векторами токов обоих концов
линии определяется фазной характеристикой, приведенной на рис. 9.
Как
видно из фазной характеристики, изменяя значение тока срабатывания реле 2-ПР4,
можно изменять углы сдвига фаз между векторами токов на концах линии, при
которых защита срабатывает или блокируется. Предельное отклонение угла сдвига по
фазе ВЧ импульсами от 180 эл. град, при котором защита еще блокируется,
называется углом блокировки βбл защиты.
При
КЗ в защищаемой зоне суммарные векторы токов по концам линии могут быть
сдвинуты по фазе на некоторый угол. Этот угол определяется в основном разными
сдвигами между ЭДС эквивалентных генераторов по обоим концам линии и разницей
углов полных сопротивлений в схемах замещения прямой и обратной последовательностей.
Следует учитывать, что токи прямой и обратной последовательностей, питающих
место повреждения с обеих сторон неодинаковы. Поэтому суммарный вектор токов
на одном из
концов линии может быть сдвинут по фазе относительно другого даже и в том
случае, когда составляющие
и
на одном конце линии совпадают по фазе с
соответствующими токами другого конца линии, но отношение токов
и
в местах установки
двух полукомплектов защиты имеет разные значения. Кроме того, на угол между
векторами токов
по концам линии влияют угловые
погрешности трансформаторов тока, а в значение угла между ВЧ импульсами, на
который реагирует защита, входит дополнительная погрешность, обусловленная
запаздыванием в передаче ВЧ сигнала с одного конца линии на другой.
Следовательно, угол сдвига фаз между суммарными векторами токов
, при котором
защита срабатывает, желательно принимать возможно большим.
Предельные значения этого угла ограничиваются, однако, условиями надежной блокировки защиты при внешних КЗ. С учетом допустимых погрешностей трансформаторов тока и запаздывания в передаче ВЧ сигнала с одного конца линии на другой, обусловленного конечной скоростью распространения электромагнитных волн, которая дает погрешность в изменении фаз токов, равную 6 эл. град. на 100 км линии, углы блокировки βбл защиты принимаются равными:
а) для защиты ДФЗ-504 ±50; ±57; ±65 эл. град.;
б) для защиты ДФЗ-201 ±45; ±52; ±60 эл. град.
2. Пусковой орган
Пусковой орган защит срабатывает как при несимметричных, так и при симметричных КЗ.
К пусковым в защитах ДФЗ-504, ДФЗ-201 относятся реле 1-ПР1, 1-ПР2, 1-РС, 1-РТ1 и 1-РТ2.
С помощью пускового органа осуществляется пуск ВЧ передатчика и защиты.
В защитах ДФЗ-504 и ДФЗ-201 пуск ВЧ передатчика и защиты при несимметричных КЗ выполняется от поляризованных реле 1-ПР1 и 1-ПР2, реагирующих на ток обратной последовательности или одновременно на токи обратной и нулевой последовательностей. При симметричных КЗ пуск передатчика и защиты производится от токовых реле 1-РТ1, 1-РТ2, реле сопротивления 1-РС и поляризованных реле 1-ПР1 и 1-ПР2, для которых достаточна длительность предшествующего несимметричного режима 0,005 с.
В защите ДФЗ-201 предусматривается возможность замены на линиях небольшой протяженности реле полного сопротивления 1-РС на реле минимального напряжения 1-РН.
Каждая защита имеет два независимых пуска ВЧ передатчика: контактный и безынерционный.
Высокочастотный передатчик пускается от контактов реле 1-РП1 и 1-РТ1. Управление пуском ВЧ передатчика осуществляется через лампу Л1, которая нормально открыта, так как ее управляющая сетка имеет нулевой потенциал по отношению к катоду. При контактном пуске или при нажатии на кнопку «Пуск» на катод этой лампы подается положительное смещение и лампа Л1 запирается, а передатчик пускается. Реле 1-ПР1 обладает более высокой чувствительностью, чем 1-ПР2. При включенной тормозной обмотке у последнего ток его срабатывания в два раза выше, чем у реле 1-ПР1. Поэтому при внешних КЗ, сопровождающихся срабатыванием реле 1-ПР2 хотя бы на одном конце линии, обеспечивается надежный пуск ВЧ передатчиков на обоих концах.
Таким образом, контактный пуск осуществляет пуск ВЧ передатчика, как при симметричных, так и при любых видах несимметричных КЗ.
Безынерционный пуск ВЧ передатчика происходит при появлении выпрямленного напряжения на обмотках пусковых поляризованных реле. Это выпрямленное напряжение подается на управляющую сетку лампы Л1. Потенциал управляющей сетки этой лампы по отношению к каждому становится отрицательным, и она запирается. При этом пускается передатчик - напряжение срабатывания безынерционного пуска принимается несколько большим, чем напряжение срабатывания реле 1-ПР1, но меньшим, чем реле 1-ПР2.
Безынерционный пуск ускоряет пуск ВЧ передатчика в момент возникновения КЗ и полностью дублирует контактный пуск только при любых видах несимметричных КЗ.
Обмотки реле 1-ПР1 и 1-ПР2 в защите ДФЗ-504 через выпрямительный мост 1-ВМ5, фильтр первой гармонической составляющей, состоящий из дросселя 1-Др2 и конденсатора 1-С8, и стабилизирующий трансформатор 1-СТП подключены к фильтру тока обратной последовательности. В защите ДФЗ-201 эти реле подключаются к фильтру тока обратной последовательности через насыщающийся трансформатор 1-ТН2. В обеих защитах насыщающийся трансформатор 1-ТН0, включенный в нулевой провод токовых цепей, используется только в тех случаях, когда чувствительность пускового органа по току обратной последовательности недостаточна. Насыщение трансформаторов 1-ТН2 и 1-ТН0 ограничивает напряжение на выпрямителях при больших токах КЗ.
В защитах по-разному выполнено изменение уставок. Так, в защите ДФЗ-504 изменение уставок по напряжению и току обратной последовательности осуществляется включением сопротивлений последовательно с выпрямительным мостом, а в защите ДФЗ-201 уставка по току обратной последовательности изменяется путем изменения коэффициента трансформации трансформатора 1-ТН2. Таким же образом изменяется во всех защитах уставка по току нулевой последовательности.
В защитах реле сопротивления 1-РС включено через трансреактор на ток IAC и через трансформатор на напряжение UAC. Характеристика срабатывания реле в комплексной плоскости сопротивлений х, R представляется окружностью, смещенной относительно начала координат для устранения мертвой зоны. Угол максимальной чувствительности реле в защите ДФЗ-504 составляет 78 - 88 эл. град, а в защите ДФЗ-201 - 65 - 75 эл. град.
3. Орган управления ВЧ передатчиком
Орган
управления ВЧ передатчиком состоит из комбинированного фильтра токов прямой и
обратной последовательностей типа , промежуточного повышающего
трансформатора и специально подобранной нагрузки. Для ограничения напряжения
при больших токах КЗ используются стабилизаторы напряжения, которые
ограничивают напряжение на выходе органа управления до 170 - 180 В.
Комбинированный
фильтр токов состоит из трансформатора с воздушным
зазором (трансреактора) 2-ТФМ и резисторов 2-R25'
и 2-R25". В отличие от фильтра токов обратной последовательности
пускового органа в данном фильтре не требуется специальный трансформатор для
компенсации ЭДС от токов нулевой последовательности, так как нулевая точка
токовой цепи схемы защиты собрана непосредственно на сопротивлениях фильтра.
Поэтому токи всех трех фаз протекают непосредственно по этим сопротивлениям и
суммарное падение напряжения на них от токов нулевой последовательности равно
нулю.
Коэффициент K фильтра определяется из выражения

где R - рабочая часть сопротивления фильтра;
Xm - сопротивление взаимной индукции между каждой из первичных обмоток трансформатора 2-ТФМ и его вторичной обмоткой, определяемое как отношение напряжения последней к токам в первичных обмотках.
Изменение коэффициента K фильтра осуществляется переключением числа витков вторичной обмотки трансформатора 2-ТФМ, т.е. изменением сопротивления взаимной индуктивности Xm.
Нагрузка комбинированного фильтра токов в защите ДФЗ-504 содержит конденсатор 2-С15 и частотный фильтр, состоящий из дросселя 2-Др3, конденсаторов 2-С13, 2-С14 и резисторов 2-R21, 2-R22 и 2-R26.
В защите ДФЗ-201 эта нагрузка состоит из конденсатора 2-С13 и резистора 2-R22.
В защите ДФЗ-504 емкость конденсатора 2-С15, входное сопротивление частотного фильтра и сопротивление 2-R26 выбраны из условия обеспечения равенства:
![]()
где Zф - полное сопротивление комбинированного фильтра токов, измеренное со стороны выхода при разомкнутой первичной цепи;
-
результирующее сопротивление нагрузки, приведенное к первичной стороне
трансформатора 2-ТМ;
φф, φн - углы полных сопротивлений.
При
разных коэффициентах K
сопротивление Zф имеет различные значения. Поскольку при этом изменяется число
витков вторичной обмотки трансформатора 2-ТФМ, то для сохранения указанного
равенства одновременно с изменением коэффициента K
изменяются и коэффициент трансформации трансформатора 2-ТМ, что соответствует
изменению сопротивления .
При выполнении условия приведенного выше равенства емкостная составляющая результирующего сопротивления нагрузки при частоте 50 Гц компенсирует индуктивную составляющую сопротивления комбинированного фильтра. В выходной цепи фильтра при этом имеет место резонанс напряжений, что обеспечивает высокую чувствительность органа управления ВЧ передатчиком при всех видах КЗ.
При увеличении тока на входе комбинированного фильтра сопротивление стабилизаторов напряжения уменьшается. При отсутствии нагрузки комбинированного фильтра постоянство фазы напряжения, которым управляется ВЧ передатчик, при изменении тока на входе фильтра не было бы обеспечено. Последнее недопустимо по условиям работы защиты при КЗ в защищаемой зоне, когда значения токов КЗ на концах линии могут значительно различаться. Сопротивление фильтра и его нагрузка обеспечивают постоянство фазы напряжения на выходе органа управления ВЧ передатчиком при любом сопротивлении стабилизаторов напряжения, т.е. независимо от значения тока на входе комбинированного фильтра. Частотный фильтр пропускает на выходе органа управления напряжение основной частоты 50 Гц и задерживает или пропускает с большим затуханием напряжения всех других частот.
Частотная характеристика органа управления ВЧ передатчиком приведена на рис. 10.
Из характеристики следует, что гармонические составляющие, кратные трем и выше, практически не вызывают появления напряжения на выходе органа управления ВЧ передатчиком.
Длительность импульсов токов высокой частоты зависит от значения напряжения Uу на выходе органа управления. Зависимость ψ = f(Uу) представлена на рис. 11.
Рис. 10. Частотная характеристика органа управления ВЧ передатчиком
Рис. 11. Кривая зависимости длительности ВЧ импульсов ψ передатчика от напряжения Uу
При малых значениях напряжения Uу угол блокировки из-за увеличения длительности ВЧ импульсов несколько увеличивается. При КЗ в защищаемой зоне надежная работа защиты обеспечивается при напряжении Uу = 7 ÷ 9 В.
4. Орган сравнения фаз токов
Орган сравнения фаз токов состоит из двух самостоятельных органов - рабочего и сигнального.
Рабочий орган содержит поляризованное реле 2-ПР4, трансформатор 2-ТО, выпрямительный мост и сглаживающий конденсатор.
Сигнальный орган содержит поляризованное реле 2-ПР3, трансформатор 2-ТС, выпрямительный мост и сглаживающий конденсатор.
К приемнику постоянно подключен сигнальный орган, и через первичную обмотку трансформатора 2-ТС непрерывно протекает анодный ток выходной лампы приемника, равный 20 мА. Наличие сигнального органа обеспечивает возможность проведения ежедневной проверки исправности ВЧ канала.
При возникновении КЗ контактами 2-РП4 или 2-РП5 осуществляется переключение выхода приемника с сигнального органа на рабочий. С помощью реле 2-РП4 подключение рабочего органа к приемнику ускоряется на 5 - 10 мс, так как это реле управляется реле 1-ПР2 пускового органа. В тех случаях, когда от указанного ускорения можно отказаться, целесообразно для повышения надежности блокировки защиты при внешних КЗ осуществлять переключение только контактами реле 2-РП5, для чего необходимо снять перемычку между зажимами 49 - 51 комплекта 2 в защите ДФЗ-504. В защите ДФЗ-201 переключение выхода приемника с сигнального органа на рабочий производится только контактами реле 2-РП5.
Уставка угла устройства блокировки защиты определяется током срабатывания реле 2-ПР4 при включенной тормозной обмотке и изменяется включением разных сопротивлений в цепи тормозной обмотки. С помощью этого включения можно получать три уставки угла блокировки и уменьшить время возврата реле 2-ПР4.
5. Оперативные цепи
В защитах предусмотрела установка отдельного выходного промежуточного реле 2-РП6. Во избежание преждевременного размыкания цепей отключения выключателей линии контактами реле 2-РП6 последнее имеет самоудерживающие последовательные обмотки в цепях отключения. Однако следует иметь в виду, что это самоудерживание оказывается ненужным и даже вредным на линиях, оборудованных воздушными выключателями. Поэтому удерживающие обмотки реле 2-РП6 необходимо исключать из схемы. В схеме защит предусмотрена возможность отключения выключателя через выходные промежуточные реле панели резервных защит или через выходные промежуточные реле устройства ОАПВ. Перевод действия защиты через панель резервных защит или устройство ОАПВ осуществляется с помощью накладки 5Н. Перемычка между зажимами 22 и 23 в защитах не устанавливается для исключения действия реле 2-ПР7, так как недопустим останов ВЧ передатчика при отключении одной фазы в цикле ОАПВ. При действии защиты на отключение через устройство ОАПВ удерживающие обмотки реле 2-РП6 не должны использоваться.
Схема защит может использоваться при наличии на подстанции УРОВ. При использовании на линии устройства ОАПВ пуск УРОВ осуществляется от выходных реле устройства ОАПВ. При переводе защиты на обходной выключатель, а также при отсутствии устройства ОАПВ пуск УРОВ производится от выходного промежуточного реле 2-РП6. Для обеспечения действия УРОВ от защиты при симметричных КЗ на защищаемой линии контакт реле 2-РП4 шунтируется контактом 2-РП6.
Останов ВЧ передатчика осуществляется с помощью реле 2-РП7. При действии выходных реле панели резервных защит или выходных реле устройства ОАПВ команда на срабатывание реле 2-РП7 подается через зажимы 24, 25 в защите ДФЗ-504 и через зажимы 25, 26, 27 в защите ДФЗ-201. Действие от УРОВ на это реле осуществляется через зажим 23.
В схеме защит предусмотрена блокировка, предотвращающая неправильное действие защиты при кратковременном снятии оперативного постоянного тока. Блокировка выполнена с использованием промежуточного реле 2-РП8, которое размыкает цепь отключения при исчезновении постоянного тока и восстанавливает цепь отключения при подаче постоянного тока с некоторым замедлением после срабатывания реле 2-ПР4.
При наличии такой блокировки не требуется использование реле-повторителей разъединителей, имеющих замедление при возврате.
С помощью испытательных блоков предоставляется возможность перевода защиты на обходной выключатель. В нормальном режиме, когда защита подключается к трансформаторам тока линии, в испытательные блоки 6БИ - 8БИ должны быть вставлены рабочие крышки, а в испытательные блоки 10БИ - 12БИ - холостые крышки. При переводе защиты на обходной выключатель в испытательные блоки 7БИ и 8БИ должны быть вставлены холостые крышки, а в испытательные блоки 10БИ - 12БИ - рабочие крышки. Снимается рабочая крышка с испытательного блока 6БИ. Цепи перевода защиты выполнены с учетом наличия устройства ОАПВ на защищаемой линии, а также УРОВ на подстанции. На обходном выключателе предполагается только устройство ТАПВ. В связи с последним, при наличии на линии устройства ОАПВ в случае перевода защиты на обходной выключатель контактом испытательного блока 12БИ замыкается цепь между зажимами 22 и 23.
6. Сигнализация
В защитах ДФЗ-504 и ДФЗ-201 с помощью указательных реле контролируется:
а) срабатывание защиты - 2-РУ1;
б) пуск защиты - 2-РУ2;
в) вызов оперативного персонала при проверке ВЧ канала - 2-РУ3;
г) неисправность цепей напряжения - 2-РУ4;
д) неисправность цепей канала ламп ВЧ приемопередатчика - 2-РУ5;
е) действие защиты на отключение выключателей - 2-РУ6, 2-РУ7.
3. Проверка реле постоянного тока
|
Реле |
Uср (Iср) |
Uв |
tср |
tв |
Примечание |
|
В (А) |
в |
с |
с |
||
|
1-РП1 |
- |
tв ≤ 0,008 с |
|||
|
1-РП2 |
- |
tв = 0,5 - 0,6 с |
|||
|
2-РП3 |
- |
||||
|
2-РП4 |
- |
tв ≤ 0,013 с |
|||
|
2-РП5 |
- |
tср ≤ 0,013 с |
|||
|
2-РП6 |
- |
tср ≤ 0,01 с |
|||
|
2-РП7 |
tв = 0,1 - 0,2 с tср ≤ 0,015 с |
||||
|
2-РП8 |
- |
tср ≤ 0,02 с |
|||
|
2-РП9 |
tв = 0,2 - 0,3 с |
||||
|
2-РУ1 |
- |
- |
- |
||
|
2-РУ2 |
- |
- |
- |
||
|
2-РУ3 |
- |
- |
- |
||
|
2-РУ4 |
- |
- |
- |
||
|
2-РУ5 |
- |
- |
- |
||
|
2-РУ6 |
- |
- |
- |
||
|
2-РУ7 |
- |
- |
- |
4. Проверка электрических характеристик пускового органа
4.1. Накладки на переключателях чувствительности реле 1-ПР1 и 1-ПР2 установить в положение:
по току обратной последовательности I2 ______________________________
по току нулевой последовательности 3I0 ______________________________
4.2. Проверка фильтра первой гармонической составляющей:
снять перемычку 12 - 14; U = ______ В
|
f, Гц |
0 |
20 |
30 |
40 |
50 |
60 |
70 |
80 |
100 |
150 |
|
I мА |
||||||||||
|
Z Ом |
4.3. Проверка фильтра тока обратной последовательности
4.3.1. Измерение ЭДС на выходе фильтра. Подан ток IAB = Iном.
Снята перемычка 12 - 14. Напряжение на выводах U13 - 14 = _______ В.
Норма 10,5 ± 10 % В.
4.3.2. Проверка коэффициента трансформации и правильности включения трансформатора 1-ТК
|
Подан ток |
Ток между выводами 3 - 10 комплекта 1, А |
Примечание |
|
|
Наименование |
Значение, А |
||
|
IAB |
Ток должен быть равен нулю |
||
|
IBC |
nтт = 1/1. Норма ≤ 5 % |
||
|
ICA |
|||
4.3.3. Измерение тока IC0
При
напряжении U13 - 14 = _______ В, ток IC0
должен быть равен току IAB.
Норма ≤ 6
%.
4.4. Проверка токов срабатывания и возврата реле 1-ПР1 и 1-ПР2 при двухфазном КЗ. Подан ток IAB, пуск по 3I0 выведен
|
Параметры |
1-ПР1 |
1-ПР2 |
||||
|
Ток в обмотке реле, мА |
Ток на входе панели, А |
Ток в обмотке реле, мА |
Ток на выходе панели, А |
|||
|
без торможения |
с торможением |
без торможения |
с торможением |
|||
|
срабатывание |
||||||
|
Возврат |
||||||
|
Коэффициент возврата |
||||||
Примечание. Iср. 1-ПР1 = 1,7 мА; Iср. 1-ПР2 = 2,6 мА при наличии на панели постоянного тока; Iср. 1-ПР2 = 3,6 - 4,0 мА;
![]()
4.5. Совместная проверка фильтра тока обратной последовательности и его нагрузки
При уставке I2 = __________ А, Iср. 1-ПР2
|
Подан ток |
IAB |
IBC |
ICA |
IA0 |
IB0 |
IC0 |
Примечание |
|
Iср. 1-ПР2 на входе панели, А |
Норма 7 % |
||||||
|
Примечание. При поданном на панель постоянном токе |
|||||||
4.6. Проверка токов срабатывания реле 1-ПР1, 1-ПР2 при однофазном КЗ
Подан ток IC0, снята перемычка 12 - 14 комплекта 1.
|
Уставка по току |
03 |
04 |
05 |
|
Iср А |
|||
|
Iв А |
|||
|
Kв |
На панель подан постоянный ток.
4.7. Проверка отсутствия искрения и вибрации контактов реле 1-ПР1 и 1-ПР2
На панель подан постоянный ток. Проверка производится при значениях тока в интервале от 1,05Iср.1-ПР2 до 3Iном.
4.8. Проверка стабилизирующего действия трансформаторов 1-СТП и 1-ТН0
|
Подан ток |
Значение |
Ток в реле Iр 1-ПР1, Iр 1-ПР2, А |
Напряжение Uр на обмотках реле 1-ПР1, 1-ПР2, В |
Примечание |
|
IAB |
Uр ≤ 70 В |
|||
|
IC0 |
Uр ≤ 80 В |
Uр = 2000 · Iр · 10-3.
4.9. Проверка токовых реле 1-РТ1 и 1-РТ2
|
Реле |
Iср, А |
IB А |
KB |
|
1-РТ1 |
|||
|
1-РТ2 |
Проверено отсутствие вибрации и искрения контактов реле до тока _________ А.
4.10. Проверка безынерционного пуска ВЧ передатчика
|
Питание защиты |
IAB А |
I2 А |
3I0 А |
|
Появление ВЧ импульсов |
|||
|
Появление непрерывного сигнала |
Напряжение безынерционного пуска на выводах 52 - 58 комплекта 1 составляет U = ________В.
Отношение пускового напряжения, при котором передатчик отдает 90 % полной мощности, к пусковому напряжению, при котором передатчик отдает 10 % полной мощности, составляет __________ ≤ 1,7.
4.11. Проверка реле сопротивления 1-РС
4.11.1. Расчет отпаек трансформатора

4.11.2. Проверка фильтра второй гармонической составляющей.
Снять накладку 1-Н3
|
f Гц |
50 |
70 |
80 |
90 |
100 |
110 |
120 |
130 |
150 |
|
I мА |
|||||||||
|
Z Ом |
4.11.3. Проверка схемы сравнения
Установить на Tн 95 % витков, 1-R23 ввести, поставить перемычку между выводами 48 - 50. Накладки 1-Н1, 1-Н2 установить в положение «а - б», вместо накладки 1-Н3 включить микроамперметр.
Резистором 1-R24 установлен ток небаланса _________ мкА.
4.11.4. Проверка блока питания
подать на панель постоянный ток.
|
Подано напряжение |
Напряжение между выводами 1-Ш2/19 - 1-Ш2/13 |
Напряжение между выводами 1-Ш2/13 - 1-Ш2/17 |
Примечание |
|
0,8Uном |
+15 ± 1,5 В |
||
|
1,0Uном |
-15 ± 1,5 В |
||
|
1,1Uном |
Реле 1-РК должно быть в положении срабатывания.
4.11.5. Проверка нуль-индикатора
Снять накладки 1-Н1, 1-Н2, 1-Н3.
Подать через резистор МЛТ-0,5-2,0 +15 В на вывод «б» накладки 1-Н3, подать на панель постоянный ток.
|
Контролируемые точки |
Напряжение, В |
|||
|
При отсутствии сигнала в точке «б» |
при наличии сигнала в точке «б» |
|||
|
Факт |
Норма |
Факт |
Норма |
|
|
1-ОУ1/10 |
+11,5 ÷ +14,5 |
+11,5 ÷ -14,5 |
||
|
1-ОУ2/4 |
+0,2 ÷ +0,15 |
-0,2 ÷ -0,5 |
||
|
1-ОУ2/10 |
-13,5 ÷ -16,0 |
+13,5 ÷ +16,0 |
||
|
1-Ш2/16 |
0 ÷ 3,0 |
+25,0 ÷ +28,0 |
||
4.11.6. Проверка поляризованных реле
|
Параметры |
1-РС1 |
1-РС2 |
1-РК |
Примечание |
|
Iср мА |
Iср = 1,7 ± 8 % мА |
|||
|
Iв мА |
||||
|
Kв |
4.11.7. Снятие характеристик Zср = f(φ), Z = f(I)

4 11.8. Проверка срабатывания реле при закороченных цепях напряжения
Закрыть выводы 6 - 8 на испытательном блоке 7БИ.
Подать ток IAC = _________ А. Iср = __________ А.
Норма Iср ≤ 0,3 А.
4.11.9 Проверка четкости работы контактной системы реле
Проверка четкости работы контактной системы реле при изменении сопротивления срабатывания в пределах от 0,1 до 0,9Zу.
5. Проверка электрических характеристик органа управления ВЧ передатчиком
5.1. Проверка действия стабилизаторов напряжения 2-СТ1 и 2-СТ2
Электронный осциллоскоп и вольтметр включены на выводы 5 - 7 блока 13БИ.
5.1.1. Измерение тока IBC на входе панели при загорании одного стабилизатора и вынутом из ламповой платы другом стабилизаторе
|
Вставлен стабилизатор |
Левый |
Правый |
Примечание |
|
IBC А |
1,1 - 1,6 А |
||
|
Uзаж В |
≤ 160 В |
5.1.2. Проверка правильности полярности включения стабилизаторов при токе IBC = ________ А электронным осциллоскопом.
Полярность включения _______________
5.1.3. Проверка ограничения напряжения на выходе органа управления
IBC = ________ А, Uу = __________________ В (≤ 180 В).
5.2. Проверка настройки комбинированного фильтра
Заданный коэффициент K = _______
|
IBC А |
IА0 А |
I2-ТМ мА |
K |
Kср |
Примечание |
|
0,45 |
K ± 8 % |
||||
|
0,5 |
|||||
|
0,55 |
Ток вторичной обмотки 2-ТМ измеряется между выводами 10 - 12 комплекта 2.
![]()
При токах IBC проверяется стабильность коэффициента K
|
IBC А |
0,05 |
0,1 |
1,0 |
2,5 |
5,0 |
Примечание |
|
K |
±20 % |
5.3. Проверка угла между векторами тока на входе панели и напряжения на выходе органа управления
|
IBC А |
0,3 |
0,5 |
1,0 |
2,0 |
3,0 |
5,0 |
Примечание |
|
φэл. град |
От -4 до +7 эл. град От φ при IBC = 0,5 А |
При K = 10 φ = 28 ± 5 эл. град.
5.4. Проверена чувствительность органа управления
5.4.1. При отключенном ВЧ передатчике.
Крышка испытательного блока 13БИ снята
|
Напряжение |
IBC = 0,3 А |
IA0 = 0,3 А |
|
U5 - 7 В |
Напряжение при симметричном трехфазном питании и токе 0,3 А определяется из выражений:
![]()
![]()
5.4.2. При подключенном ВЧ передатчике и включенном постоянном токе. Крышка испытательного блока 13БИ вставлена
|
Напряжение |
IBC = 0,3 А |
IA0 = 0,3 А |
|
U5 - 7 В |
6. Проверка электрических характеристик органа сравнения фаз токов
6.1. Проверка зависимости длительности γ импульсов тока на выходе приемника от значения управляющего напряжения
Высокочастотный пост нагружен на 100 Ом. Подан ток IBC. Между выводами 9 - 10 блока 9БИ включен миллиамперметр, установлена перемычка 11 - 12
|
Uу в |
2 |
5 |
8 |
10 |
20 |
30 |
40 |
50 |
100 |
120 |
|
Iпр мА |
||||||||||
|
γимп эл. град. |
![]()
Напряжение полной манипуляции Uм = _________ В.
При Uу = 100 В γ = 130 ÷ 165 эл. град.
Ток покоя Iп = _____________ мА.
Длительность импульса на выходе приемника при работе своего передатчика на канал 1 при I ____________ мА γ = ______________эл. град.
Длительность импульса на выходе приемника при подаче импульса с противоположной стороны
γ = _________ эл. град, Iпр = __________ мА, Iп = __________ мА.
6.2. Снятие фазной характеристики
С испытательного блока 13БИ снята крышка. Между выводами 57 - 59 включен миллиамперметр
Uу = 100 В, Uбат = __________ В
|
ψ эл. град |
30 |
60 |
90 |
120 |
150 |
180 |
210 |
240 |
270 |
300 |
330 |
360 |
|
Iр мА |
при Uбат =

6.3. Проверка углов, токов срабатывания и возврата реле 2-ПР4
|
Ветви характеристики |
левая |
Правая |
|
Iср мА |
||
|
Iв мА |
||
|
kв |
||
|
Ψэл. град. |
||
|
Углы блокировки β, эл. град. |
6.4. проверка токов срабатывания и возврата реле 2-ПР3 и 2-ПР4 при питании переменным синусоидальным напряжением
С испытательного блока 9БИ снята крышка.
|
Параметры |
2-ПР3 |
2-ПР4 |
Примечание |
|
|
Постоянный ток |
||||
|
снят |
подан |
|||
|
Iср мА |
Iср. 2-ПР3 = 1,0 ÷ 1,05 мА |
|||
|
Iв мА |
||||
|
Kв |
||||
6.5. Проверено отсутствие искрения и вибрации контактов реле 2-ПР4 при токах в обмотке реле до 6 мА.
7. Проверка взаимодействия реле
Проверка производилась совместно с приемопередатчиком при напряжении постоянного тока U = 0,8Uном.
взаимодействие реле, а также действие световой и звуковой сигнализации при срабатывании указательных реле правильное.
8. Комплексная проверка защиты при питании от постороннего источника
8.1. Имитация КЗ в зоне действия защиты
|
Вид КЗ |
Фаза |
Выведено реле |
Подводимый ток |
tср с |
Примечание |
|
Несимметричное |
ВС |
|
4Iср. 1-ПР2 |
||
|
Симметричное |
СА |
|
ICA Zр = 0,5Zу |
||
|
Симметричное |
АВ |
|
4Iср. 1-ПР2 |
8.2. Имитация КЗ вне зоны действия защиты произведена при тех же режимах, что и в п. 8.1, но со снятой крышкой испытательного блока 13БИ. В этих случаях защита не срабатывает, срабатывания реле 2-ПР4 не происходит.
9. Проверка защиты током нагрузки линии
9.1. Проверка правильности подключения цепей напряжения
9.2. Снятие векторной диаграммы токов
Основные значения по щитовым приборам:
P = _____________ МВт:
Q = _____________ Мвар
I = ______________ кА
U = _____________ кв

Значения:
|
IA = __________________ А |
φ = _____________ эл. град. |
|
IB = __________________ А |
φ = _____________ эл. град. |
|
IC = __________________ А |
φ = _____________ эл. град. |
|
I0 = __________________ мА |
9.3. Проверка направленности реле 1-РС
Накладка 1-Н4 установлена в положение «б - в».
|
Напряжение |
UBC |
UCA |
UAB |
|
Положение контактов реле |
9.4. Проверка правильности включения фильтра тока обратной последовательности пускового органа
|
Чередование фаз |
Iр 1-ПР1 Iр 1-ПР2 мА |
Примечание |
|
Прямое |
Iв 1-ПР2 |
|
|
Обратное |
Iср 1-ПР2 |
9.5. Проверка правильности включения комбинированного фильтра токов
|
Чередование фаз |
I мА |
|
|
Прямое |
|
|
|
Обратное |
9.6. Проверка совпадения фазировки цепей токов на обеих подстанциях
Включены и пущены кнопками КН приемопередатчики. Якорь реле 2-РП5 притянут к сердечнику и закреплен. Установлена перемычка между выводами 5 - 7 испытательного блока 7БИ
|
На зажимы A - 0 |
На подстанции |
На подстанции |
Векторные диаграммы токов |
|||||
|
На подстанции |
На подстанции |
Iпр мА |
I2-ПР4 мА |
Iпр мА |
I2-ПР4 мА |
На подстанции |
На подстанции |
|
|
А |
А |
А |
||||||
|
В |
В |
|||||||
|
с |
с |
|||||||
|
P |
||||||||
|
В |
А |
|||||||
|
В |
||||||||
|
с |
||||||||
|
С |
А |
|||||||
|
В |
||||||||
|
С |
||||||||
9.7. Проверка фазировки органа манипуляции
|
Перемычки 5 - 6 и 7 - 8 блока 13БИ |
Iпр мА |
Iр 2-ПР4 мА |
|
Перекрещены |
||
|
Включены нормально |
9.8. Обмен ВЧ сигналами между подстанциями
|
Ток приема |
Кнопка «пуск» нажата на подстанции |
Кнопка «пуск» нажата на подстанции |
Кнопка «пуск» нажата одновременно с обоих концов |
|
На подстанции |
|||
|
Iпр мА ________________ |
|||
|
На подстанции |
|||
|
Iпр мА ________________ |
Заключение. Защита налажена, опробована и может быть введена в работу.
Испытания проводили: _________________
Руководитель бригады __________________
1. Комплексное устройство для проверки релейной аппаратуры и защиты У-5052, У-5053, УПЗ-1, УПЗ-2.
2. Генератор звуковой частоты ГЗ-56/1, ГЗ-104, ГЗ-33.
3. Мегаомметр на 500 В М4100/3.
4. Мегаомметр на 1000 В М4100/4.
5. Мегаомметр на 2500 В М4100/5.
6. Вольтамперфазометр ВАФ-85.
7. Мост постоянного тока ММВ, Р333.
8. Электронный секундомер Ф209, Ф738, ЭМС-54.
9. Электрический секундомер НВ-58Л.
10. Осциллоскоп электронный С1-75, С1-49, С1-1.
11. Вольтметр электронный ВЗ-13, ВЗ-38.
12. Комбинированные приборы Ц-4311, Ц-4312, Ц-4313, Ц-434.
13. Вольтметр переменного тока 7,5 - 60 В Э-515/2, Э-59.
14. Вольтметр постоянного и переменного тока 150 - 300 В Э-515/3, Э-59.
15. Амперметр переменного тока 2,5 - 5 А Э-514/2, Э-59.
16. Амперметр переменного тока 0,25 - 1 А Э-513/4, Э-59.
17. Комплект инструментов релейщика КИР-1, КИР-2.
18. Испытательная установка ИВК-2 для проверки и изоляции переменным напряжением 1000 В.
19. Микромперметр М95, М901, М-1200.
1. Общая инструкция по проверке устройств релейной защиты, электроавтоматики и вторичных цепей. М.: Энергия, 1975.
2. Инструкция по проверке и наладке реле тока и напряжения серии ЭТ, РТ, ЭН, РН. М.: СПО Союзтехэнерго, 1979.
3. Инструкция по проверке промежуточных и указательных реле. М.: Энергия, 1969.
4. Решение № Э-6/79 «О введении в действие «Правил технического обслуживания устройств РЗА». Правила технического обслуживания устройств релейной защиты, электроавтоматики, дистанционного управления и сигнализации электростанций и линий электропередачи 35 - 330 кВ. М.: СПО Союзтехэнерго, 1979.
5. Руководящие указания по дифференциально-фазной защите линий 110 - 330 кВ. Вып. 9. М.: Энергия, 1972.
6. Указания по организации работ на панелях и в цепях устройств релейной защиты, электроавтоматики (системной и противоаварийной), управления и сигнализации на электрических станциях и подстанциях. М.: СПО Союзтехэнерго, 1977.
7. Кочетов В.В., Сапир Е.Д. и Якубсон Г.Г.
Наладка и эксплуатация релейной части дифференциально-фазных высокочастотных защит линий 400 - 500 кВ (ДФЗ-401 и ДФЗ-402). М.: Госэнергоиздат, 1962.
8. Вавин В.Н. Инструкция по наладке и проверке релейной части дифференциально-фазной высокочастотной защиты ДФЗ-2. М.: Энергия, 1966.
9. Кожин А.Н., Рубинчик В.А. Релейная защита линий с ответвлениями. М.: Энергия, 1967.

Вклейка к работе № 313/85 «РЕКОМЕНДАЦИИ ПО РАЗРАБОТКЕ СИСТЕМ АВТОМАТИЧЕСКОГО РЕГУЛИРОВАНИЯ ТЭС (Технические требования) 1988 г.
Обобщенная структурная схема АР энергоблока с прямоточным котлом
СОДЕРЖАНИЕ