| Обозначение: | СО 34.35.650 |
| Название рус.: | Методика наладки и проверки реле частоты РЧ-1, РЧ-2 |
| Статус: | действует |
| Дата актуализации текста: | 05.05.2017 |
| Дата добавления в базу: | 01.09.2013 |
| Дата введения в действие: | 01.06.1983 |
| Утвержден: | СПО Союзтехэнерго |
| Опубликован: | СПО Союзтехэнерго (1983 г. ) |
| Ссылки для скачивания: |
МИНИСТЕРСТВО ЭНЕРГЕТИКИ И ЭЛЕКТРИФИКАЦИИ СССР
ГЛАВНОЕ ТЕХНИЧЕСКОЕ УПРАВЛЕНИЕ ПО ЭКСПЛУАТАЦИИ ЭНЕРГОСИСТЕМ
ПРОИЗВОДСТВЕННОЕ
ОБЪЕДИНЕНИЕ
ПО НАЛАДКЕ, СОВЕРШЕНСТВОВАНИЮ ТЕХНОЛОГИИ
И ЭКСПЛУАТАЦИИ ЭЛЕКТРОСТАНЦИЙ И СЕТЕЙ
«СОЮЗТЕХЭНЕРГО»
МЕТОДИКА НАЛАДКИ
И ПРОВЕРКИ РЕЛЕ ЧАСТОТЫ
РЧ-1, РЧ-2
МТ 34-70-003-82

Москва 1983
РАЗРАБОТАНО Производственным объединением по наладке, совершенствованию технологии и эксплуатации электростанций и сетей «Союзтехэнерго».
ИСПОЛНИТЕЛЬ Е.Л. Саратовская.
УТВЕРЖДЕНО Производственным объединением по наладке, совершенствованию технологии и эксплуатации электростанций и сетей «Союзтехэнерго».
Заместитель главного инженера А.Д. Герр.
СОДЕРЖАНИЕ
|
МЕТОДИКА НАЛАДКИ И ПРОВЕРКИ РЕЛЕ ЧАСТОТЫ РЧ-1, РЧ-2 |
МТ-34-70-003-82 |
Срок действия установлен
с 01.06.83 г.
до 01.06.88 г.
Методика составлена с учетом документов завода-изготовителя, а также обобщения опыта проверки и эксплуатации реле РЧ-1, РЧ-2 в энергосистемах.
Кроме того, в данной Методике учтены все изменения в конструкции, устройстве и схеме реле, внесенные заводом-изготовителем.
В Методике изложены методы проверки реле при новом включении, приведены периодичность и объем технического обслуживания в процессе эксплуатации.
В приложениях 1 - 5 дается описание работы реле и вспомогательного устройства, приведены технические данные и протокол проверки реле и вспомогательного устройства.
Методика предназначена для персонала наладочных организаций, служб релейной защиты и автоматики.
Полупроводниковые реле частоты серии РЧ (РЧ-1, РЧ-2), выпускаемые Чебоксарским электроаппаратным заводом с 1970 г., применяются в устройствах релейной защиты и противоаварийной автоматики в качестве органа, реагирующего на изменение частоты переменного тока.
Реле частоты серии РЧ используются в качестве пусковых реле автоматов частотной разгрузки (АЧР) при снижении частоты ниже допустимого значения, а также в делительных устройствах, защитах от разгона генераторов, в схемах самосинхронизации.
В настоящее время заводом-изготовителем выпускаются реле частоты, питающиеся как от постоянного, так и переменного оперативного тока. Питание реле от переменного оперативного тока осуществляется через устройство ВУ-3.
Реле предназначено для работы в вертикальном положении, при температуре окружающей среды от минус 40 до плюс 40 °С, во взрывобезопасной среде, без попадания в него воды, масла, эмульсии.
Методика составлена с учетом следующих документов:
- Методических указаний по проверке промежуточных, указательных реле и реле импульсной сигнализации (М.: СПО Союзтехэнерго, 1981);
- Общей инструкции по проверке устройств релейной защиты, электроавтоматики и вторичных цепей (М.: Энергия, 1975);
- Правил технического обслуживания устройств релейной защиты, электроавтоматики, дистанционного управления и сигнализации электростанций и линий электропередачи 35 - 330 кВ (М.: СПО Союзтехэнерго, 1979);
- Правил технического обслуживания устройств релейной защиты и электроавтоматики электрических сетей 0,4 - 20 кВ (М.: СПО Союзтехэнерго, 1979);
- Сборника директивных материалов по эксплуатации энергосистем (электротехническая часть). Раздел третий. Системные вопросы и электроснабжение, п. 3.3. (М.: СПО Союзтехэнерго, 1978).
При проверке и наладке реле необходимо выполнять требования «Правил техники безопасности при эксплуатации электроустановок» (М.: Энергия, 1980) и «Правил технической эксплуатации электрических станций и сетей», гл. VII (М.: Энергия, 1977).
Для проверки реле необходимо иметь следующие приборы:
- генератор технической частоты (ГТЧ). В качестве ГТЧ могут быть использованы генераторы ГТЧ-1, ГПЧ-68 или любой другой генератор, удовлетворяющий следующим требованиям: форма кривой напряжения на выходе генератора не должна иметь искажений, превышающих 5 % амплитуды основной синусоиды (искажения до 5 % незаметны для глаза), мощность нагрузки, подключаемой к ГТЧ, не должна превышать его номинальную выходную мощность (40 В × А для ГПЧ-68; 100 В × А для ГТЧ-1);
- частотомер. Для проверки реле частоты рекомендуется использовать цифровые частотомеры (например Ф-205, Ф-246 или другие частотомеры класса точности 0,2 или 0,5) с диапазоном измерения частот 45 - 55 Гц;
- мегаомметр на 1000 В;
- электрический секундомер;
- вольтметр переменного тока со шкалой на 150 В;
- универсальный прибор для измерений при проверке блока питания, полупроводниковой части схемы (тестер);
- рубильники, провода для сборки схемы, пинцет, отвертки, гаечные ключи, надфиль.
Приборы, которыми производится настройка, должны иметь клеймо поверки.
Конструктивно все элементы реле размещены на основании корпуса, съемной и откидной платах, лицевой панели. Реле закрывается крышкой.
Откидная плата связана с корпусом жгутом гибких проводов; съемная плата - разъемом с двумя рядами по восемь гнезд. Связь с внешними цепями осуществляется через два четырехлистных ряда выводов, позволяющих выполнить переднее или заднее присоединение.
На основании корпуса (рис. 4.1) расположены: входной трансформатор Т, дроссель фильтра 3L, конденсаторы С1, С7, реле К, переключающая колодка с контактными выводами.
Токоограничивающие резисторы блока питания 3R, 4R, 5R, 6R, вынесены на заднюю стенку основания реле в целях снижения температуры внутри кожуха реле.
На откидной плате (см. рис. 4.1) расположены элементы измерительных цепей срабатывания и возврата реле: дроссели 1L, 2L и конденсаторы 2С - 5С, 6С, 8С, создающие выдержку времени реле на срабатывание. На задней стенке откидной платы установлен дроссель 4L. Откидная плата крепится к основанию реле с помощью двух винтов.
На откидной плате установлена лицевая панель реле частоты. На лицевой панели размещены гнезда, к которым подсоединены отводы обмоток дросселей 1L, 2L, обеспечивающие ступенчатое изменение уставок срабатывания и возврата реле; резисторы 1R и 2R плавного регулирования уставок; перемычки для установки нужной уставки по времени срабатывания реле (для РЧ-1) и кнопка S для опробования логической схемы.
Рис. 4.1. Схема расположения элементов реле частоты:
1 - основание корпуса; 2 - откидная плата; 3 - лицевая панель РЧ-1; 4 - лицевая панель РЧ-2
Остальные элементы схемы реле частоты, в том числе все диоды, транзисторы и большинство резисторов, смонтированы на съемной плате с печатным монтажом. К откидной плате съемная плата крепится двумя стопорными винтами, проходящими через середину откидной платы.
Все элементы реле снабжены маркировкой и поясняющими надписями, показано положение перемычек, что соответствует обозначениям элементов в заводской документации и в данной Методике.
Принцип действия реле и вспомогательного устройства описан в приложении 1.
В приложении 2 приведены технические данные реле и вспомогательного устройства, в приложении 3 - основные данные элементов, входящих в схему реле и вспомогательного устройства.
5.1. Внешний осмотр и механическая ревизия
Перед проверкой и настройкой реле необходимо:
- провести тщательный внешний осмотр в целях выявления дефектов и повреждений отдельных элементов и внутреннего монтажа, которые могут появиться при транспортировании;
- проверить механическую надежность паек с помощью пинцета;
- проверить исправность разъема печатной платы, надежность фиксации разъема;
- проверить затяжку всех резьбовых соединений, надежность крепления всех деталей. Проверить также затяжку винтов на магнитопроводах трансформатора Т и дросселей 1L - 4L и закрепление магнитных шунтов дросселей 1L и 2L (поскольку сердечник трансформатора и дросселей стягивается винтами небольшого диаметра, значительных усилий при проверке их затяжки прилагать не следует);
- зафиксировать обмотки дросселей 1L и 2L на магнитопроводе, поскольку изменение положения этих обмоток может вызвать уход уставки реле на 0,2 - 0,3 Гц;
- проверить резисторы плавного регулирования уставки реле 1R, 2R. При этом необходимо убедиться в легкости хода, отсутствии затираний и надежности фиксации резисторов;
- провести внешний осмотр и проверить механическое состояние выходного реле: отсутствие трения в подвижных частях, а также перекосов и заклинивания якоря на протяжении всего хода подвижной системы. Контактирование должно осуществляться как можно ближе к центру контакта. При отпущенном якоре воздушные зазоры должны быть: между якорем и плоскостью заднего керна сердечника не более 0,05 мм, регулирование производится перемещением сердечника (вверх или вниз) при отпущенных винтах, крепящих его к скобе; между якорем и плоскостью немагнитной пластинки на керне сердечника - около 1 мм. При отпущенном якоре торец винта должен касаться верхней плоскости якоря; зазор между подвижными и неподвижными контактами при отпущенном якоре должен быть не менее 1 мм. Регулирование производить подгибанием упорной пластинки и пластинки неподвижного контакта в месте их закрепления в изоляционных колодках; зазор между пластинкой подвижного контакта и рамкой толкателя при отпущенном якоре должен быть около 0,2 - 0,3 мм. Провал контактов - 0,2 - 0,3 мм;
- проверить состояние съемной печатной платы.
При этом обращается особое внимание на отсутствие отслоений контактных дорожек, трещин на контактных дорожках, каких-либо посторонних перемычек - (олово, канифоль, винты, гайки и т.д.) между соседними дорожками или между дорожками и корпусом устройств или корпусами радиоэлементов, отсутствие металлизированных обрамлений печатной платы.
Паяная поверхность должна быть без воронок, загрязнений, без видимых инородных вкраплений. Припой должен заливать место соединения со всех сторон, заполняя щели и зазоры между проводами и контактами. Надежность пайки проверяется путем подергивания пинцетом элементов печатной платы реле.
Исправность и правильность установки радиоэлементов проверяется по их внешнему виду, отсутствию подгаров, наличию зазоров между элементами, правильности крепления элементов (посадка на клей, крепеж гайками или винтами и т.д.).
В случае обнаружения каких-либо неисправностей или дефектов на печатной плате необходимо устранять их только в условиях лаборатории. Проведение перепайки без снятия с панели недопустимо.
При исправлении пайки или замене элементов необходимо строго соблюдать меры предосторожности: не перегревать место пайки на печатной плате, так как это может привести не только к порче элемента, но и к большим наплывам припоя, замыканию между контактными дорожками, отслоению дорожек. Пайка и крепление элементов должны производиться в соответствии с правилами пайки и монтажа печатных плат и радиоэлементов.
5.2. Проверка сопротивления изоляции
5.2.1. Предварительная проверка сопротивления изоляции реле
Перед подачей напряжения на реле необходимо:
- снять плату с полупроводниковыми элементами;
- соединить между собой выводы реле 1, 3, 2, 4 (соответственно «плюс» и «минус» постоянного оперативного тока и выходные контакты);
- соединить между собой выводы 5, 6 и переключатель уставок цепи возврата;
- зашунтировать непосредственно на выводах конденсаторы 4С и 5С (измерительную цепь срабатывания);
- зашунтировать непосредственно на выводах конденсаторы 6С - 8С (элемент выдержки времени);
- «заклинить» реле К в положении срабатывания.
Проверить сопротивление изоляции на корпус реле:
- цепей переменного напряжения (вывод 7 - корпус);
- цепей постоянного оперативного тока (вывод 1 - корпус);
- вторичных цепей напряжения (переключатель уставок - корпус);
- конденсаторов 6С - 8С (выводы конденсаторов - корпус).
Проверить сопротивление изоляции между:
- цепями переменного напряжения и цепями постоянного оперативного тока (вывод 7 - вывод 1 реле);
- цепями переменного напряжения и вторичной обмоткой выходного трансформатора Т (вывод 7 - переключатель уставок).
Измерение сопротивления изоляции производится мегаомметром на 1000 В и должно быть не менее 10 МОм.
5.2.2. Окончательная проверка сопротивления изоляции реле.
При окончательной проверке сопротивления изоляции необходимо:
- установить плату с полупроводниковыми элементами на место.
При установленных полупроводниковых элементах КАТЕГОРИЧЕСКИ ЗАПРЕЩАЕТСЯ проверять сопротивление изоляции между выводами реле по принципу «каждый с каждым», а также между переключателями уставок и цепями оперативного тока (выводами 5, 6 реле и цепями оперативного тока).
Проверить сопротивление изоляции цепей переменного напряжения (вывод 7) и цепей постоянного оперативного тока (вывод 1) на корпус и между собой. Измерение сопротивления изоляции производится мегаомметром на 1000 В. Сопротивление изоляции должно быть не менее 10 МОм;
- снять временные перемычки с конденсаторов 4С, 5С, 6С - 8С;
- установить откидную плату в рабочее положение;
- закрыть реле кожухом. Проверить электрическую прочность изоляции на корпус переменным напряжением 1000 В в течение 1 мин. Проверка производится в соответствии с указаниями «Общей инструкции по проверке устройств релейной защиты, электроавтоматики и вторичных цепей» (М.: Энергия, 1975);
- снять временную перемычку между контактами выходного реле (выводы 2 и 4) и цепями оперативного тока. Проверить сопротивление изоляции между контактами реле и цепями оперативного тока мегаомметром на 1000 В;
- снять все временные перемычки.
5.2.3. Проверка сопротивления изоляции ВУ-3.
Для этого необходимо:
- соединить между собой зажимы 1 и 3 устройства;
- зашунтировать непосредственно на выводах конденсатор С.
Проверить сопротивление изоляции выводов 1, 3 и вывода 2 относительно корпуса и между собой. Измерение сопротивления изоляции производится мегаомметром на 1000 В и должно быть не менее 50 МОм.
5.3. Проверка выходного реле
При проверке выходного реле необходимо снять плату с полупроводниковыми элементами, «плюс» подать на вывод 4а, «минус» - на вывод 4в, разъема.
Напряжение срабатывания выходного реле должно быть 12,5 - 14 В. Напряжение возврата - не менее 1,5 В.
При необходимости регулирование реле производится в соответствии с рекомендациями «Методических указаний по проверке промежуточных, указательных реле и реле импульсной сигнализации».
5.4. Снятие электрических характеристик реле и ВУ-3
5.4.1. Проверка цепей питания
При проверке цепей питания плату с полупроводниковыми элементами установить на место.
При питании реле от постоянного оперативного тока (без ВУ-3) напряжением 220 В соединить выводы 9 и 10 переключающей колодки перемычками.
При питании реле от постоянного оперативного тока (без ВУ-3) напряжением 110 В соединить выводы 10 и 11 переключающей колодки перемычками.
Перемычки расположены на переключающей колодке, установленной на основании внутри реле.
Подать на выводы 1 и 3 реле постоянное напряжение. При значениях напряжений на выводах 1 и 3 реле, равных 0,8Uном, Uном, 1,1Uном, измерить напряжение в нескольких точках схемы реле, указанных в табл. 5.1. Значения измеренных напряжений должны соответствовать приведенным в табл. 5.1.
Таблица 5.1
|
Расположение точки |
Напряжение в точке схемы относительно нулевой шинки, B |
|
|
1 |
«Плюс» оперативного постоянного тока, зажим 1 реле |
4,8 - 6,4 |
|
4а |
Правый вывод обмотки реле К, коллектор транзистора V32, точка 4а разъема |
18,7 - 24,3 |
|
4в |
Левый вывод обмотки реле К, точка 4в разъема |
18,7 - 24,3 |
|
Минус 12 В* |
Точка «минус» 12 В на печатной плате |
11,5 - 12,5 |
|
* Требуемое значение устанавливается подбором R33. |
||
При питании реле от переменного оперативного тока через вспомогательное устройство ВУ-3 блок питания реле оперативным током следует проверять совместно с ВУ-3. При этом соединить выводы 10, 11, 12 переключающей колодки перемычками. Измерить напряжение в тех же точках схемы, что и без ВУ-3, при подаче переменного напряжения на выводы 1 и 3 ВУ-3, равного 0,4Uном, Uном, 1,3Uном. Напряжения в указанных точках должны соответствовать значениям, приведенным в табл. 5.1.
В дальнейшем при питании реле от переменного оперативного тока все проверки производить совместно с ВУ-3.

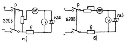
Рис. 5.1. Принципиальная схема реле РЧ-1

Рис. 5.2. Принципиальная схема реле РЧ-2
Все напряжения измеряются относительно нулевой шинки в точке 8в разъема. Измерения производятся вольтметром с внутренним сопротивлением на используемом пределе не менее 50 кОм. При измерении напряжения в точке 1 «плюс» прибора подключить к точке 1. Во всех остальных случаях «плюс» прибора подключается к нулевой шинке.
При значительных отклонениях измеренных напряжений от нормальных проверить исправность резисторов 3R, 4R, 5R, 6R, R33, R34, стабилитронов V22, V23, конденсаторов С5, С6.
5.4.2. Проверь исправности цепей переменного напряжения. Подключить необходимые отпайки ступенчатого изменения уставок дросселей измерительных цепей срабатывания и возврата реле. Цифры, указанные у отпаек, ориентировочно соответствуют частоте срабатывания (возврата) реле при крайнем левом положении движка резисторов плавного регулирования 1R (2R) повернутого до отказа против часовой стрелки. Перевод движка резистора плавного регулирования в крайнее правое положение (до отказа по часовой стрелке) приводит к повышению частоты срабатывания (возврата) реле примерно на 1 Гц, т.е., если для реле РЧ-1 задана уставка 47,6 Гц, следует подключить отпайку 47. Аналогично для реле РЧ-2.
Подать на выводы 7 и 8 реле переменное напряжение Uном частотой 50 Гц.
Измерить напряжения в точках схемы, указанных в табл. 5.2, относительно нулевой шинки (к нулевой шинке подсоединяются в точке 8в разъема).
Таблица 5.2
|
Расположение точки |
Напряжение в точке схемы относительно нулевой шинки, В |
|
|
7а |
Вывод измерительной цепи возврата, точка 7а разъема |
38,0 |
|
8а |
Вывод вторичной обмотки входного трансформатора Т, точка 8а разъема |
41,0 |
|
7в |
Вывод вторичной обмотки входного трансформатора, точка 7в разъема |
37,5 |
|
5а |
Движки резисторов плавного регулирования 1R и 2R, точка 5а (4в) разъема |
66,0 |
|
«Минус» |
Переключатель уставок реле в измерительной цепи возврата |
110,0 |
|
6а |
Выход измерительной цепи срабатывания, точка 6а разъема |
36,0 |
|
«Минус» |
Переключатель уставок реле в измерительной цепи срабатывания |
110,0 |
Напряжение измеряется вольтметром с внутренним сопротивлением не менее 1 кОм/В. Значения напряжений должны соответствовать значениям, приведенным в табл. 5.2 (допустимые отклонения ± 20 %).
При значительных отклонениях измеренных напряжений от нормы необходимо проверить: трансформатор Т, дроссели 1L, 2L, 3L, конденсаторы 2С - 5С, диоды V1, V2, резисторы R1 - R5 (см. приложение 4).
5.4.3. Проверка работоспособности полупроводниковой части схемы.
Подать на выводы 7 и 8 реле номинальное переменное напряжение частотой 50 Гц, а на выводы 1 и 3 номинальное напряжение оперативного тока.
Нажать на кнопку S, выходное реле должно сработать.
Измерить напряжение на обмотке выходного реле (оно должно быть в пределах 19 ¸ 25 В).
Если выходное реле не сработало или напряжение на обмотке реле ниже указанного, проверить схему реле, руководствуясь описанием работы схемы и рекомендациями по проверке отдельных элементов реле (см. приложение 4).
5.4.4. Настройка уставок реле на частоту срабатывания.
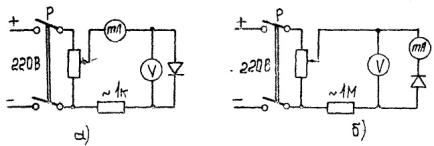
Схемы проверки времени срабатывания реле частоты приведены на рис. 5.3.
Частота срабатывания реле зависит от полярности подключения ГТЧ к выводам 7 - 8 реле. Это обусловлено наличием второй гармонической составляющей на выходе ГТЧ, на которую реагируют РЧ-1, РЧ-2 по своему принципу действия, что приводит к неточной настройке реле.
Рис. 5.3. Схемы проверки времени срабатывания реле частоты:
а - при питании от источника переменного оперативного тока; б - при питании от источника постоянного оперативного тока напряжением 110 В; в - при питании от источника постоянного оперативного тока напряжением 220 В.
Поэтому перед настройкой уставок необходимо осуществить контроль формы кривой напряжения на выходе ГТЧ с помощью осциллографа (искажения основной синусоиды до 5 % незаметны для глаза) или анализатора несинусоидальности при собранной схеме проверки частоты срабатывания. После проверки формы кривой напряжения осциллограф или анализатор несинусоидальности отключить.
Далее подключить необходимую отпайку дросселя 1L измерительной цепи срабатывания. Движок резистора плавного регулирования вывести в крайнее левое положение.
Перемычки выдержки времени поставить в положение, соответствующее времени срабатывании 0,15 с.
Прогреть реле частоты и ГТЧ. На выводы 7 и 8 реле подать переменное напряжение 100 В, а на выводы 1 и 3 - напряжение постоянного тока. Реле частоты прогревается в течение 1 ч при закрытой крышке. Генератор технической частоты прогреть в течение времени, указанного в заводской инструкции.
Параллельно реле частоты подключить частотомер. При настройке реле на частотомере поддерживать номинальное напряжение. Напряжение на частотомер подавать на тот предел, на котором будет производиться настройка реле (100 В). Показания частотомера сверяются с показаниями диспетчерского частотомера, разность показаний не должна превышать погрешности частотомера.
Отключить измерительную цепь возврата (выводы 5 и 6 разомкнуты).
С помощью ГТЧ устанавливается частота переменного напряжения на выводах 7 и 8 реле, равная заданной уставке. Потенциометром плавного регулирования частоты срабатывания путем поворота по часовой стрелке добиться срабатывания реле и отметить показания частотомера, подключенного к реле (fср.прям). Поменять полярность питания реле частоты и потенциометром плавного регулирования частоты срабатывания путем поворота по часовой стрелке, добиться срабатывания реле и отметить показания частотомера, подключенного к реле (fср.обрат).
Уставка срабатывания реле определяется fср как среднее арифметическое измеренных значений частоты срабатывания при пря/мом и обратном подключении проводов к ГТЧ:
![]()
Число измерений частоты срабатывания - не менее пяти при прямом и обратном подключении проводов к ГТЧ, при необходимости произвести подрегулирование резистором 1R.
Одновременно проверяется по цепи срабатывания частота возврата реле (она должна превышать частоту срабатывания не более чем на 0,1 Гц).
После окончания настройки реле положение движка резистора 1R зафиксировать стопорной гайкой и еще раз проверить частоту срабатывания реле.
Настройку реле на частоту возврата для пуска АПВ после АЧР производить при замкнутых между собой выводах 5 и 6 реле. Движок резистора плавного регулирования 2R предварительно установить в крайнее правое положение и затем повернуть против часовой стрелки до возврата реле.
Во всем остальном настройка реле на частоту возврата производится так же, как настройка на частоту срабатывания.
Уставка определяется как среднее арифметическое измеренных значений частоты при прямом и обратном подключении проводов к ГТЧ
![]()
Число измерений при прямом и обратном подключении проводов к ГТЧ - не менее 5.
5.4.5. Снятие зависимости частоты срабатывания и возврата реле при изменении переменного напряжения и напряжения оперативного тока.
Зависимость частоты срабатывания и возврата реле снимается при изменении переменного напряжения в пределах от 20 до 130 В для РЧ-1 и от 20 до 150 В для РЧ-2 при номинальном напряжении постоянного тока или при номинальном напряжении переменного оперативного тока (при питании через ВУ-3). На ГТЧ устанавливается требуемое напряжение выхода и при плавном изменении частоты определяется уставка на ГТЧ при срабатывании реле, после чего без изменения уставки на ГТЧ устанавливается напряжение выхода 100 В и измеряется частота частотомером. Измерение частотомером при напряжениях, отличных от номинального, не допускается из-за погрешности частотомера. Характеристики снимаются повторно при пониженном (0,8Uном) и повышенном (1,1Uном) напряжении постоянного тока и при 0,4Uном и 1,3Uном при питании реле от ВУ-3.
5.4.6. Проверка поведения реле при подаче и снятии переменного напряжения.
Подать на выводы 7 и 8 реле переменное напряжение 100 В, частота которого на 0,1 - 0,15 Гц выше уставки срабатывания. Снятие переменного напряжения производится размыканием и закорачиванием цепей напряжения на входе реле (по несколько раз каждым способом).
Во избежание повреждения ГТЧ замыкание цепей следует производить кратковременно, последовательно с реле включить резистор сопротивлением 1 - 1,5 кОм. При подаче и снятии переменного напряжения реле не должно срабатывать.
5.4.7. Проверка поведения реле при подаче и снятии напряжения оперативного тока.
Проверка поведения реле осуществляется при подведенном на выводы 7 и 8 реле переменном напряжении 100 В, частота которого на 0,1 - 0,15 Гц выше уставки срабатывания.
Несколько раз подается и снимается напряжение оперативного тока. Реле при этом не должно срабатывать.
5.4.8. Проверка поведения реле при подаче и снятии одновременно переменного напряжения и напряжения переменного оперативного тока (для реле с ВУ-3).
Переменное напряжение устанавливается равным 100 В с частотой на 0,1 - 0,15 Гц выше уставки срабатывания. Напряжение переменного оперативного тока равно номинальному.
Подача переменного напряжения и напряжения оперативного тока производится через один рубильник (переключатель).
Как при подаче, так и при снятии напряжения реле не должно срабатывать.
5.4.9. Проверка времени срабатывания реле.
Перемычки уставки выдержки времени для реле РЧ-1 ставятся в положение, соответствующее времени срабатывания. На реле подать напряжение оперативного тока.
Переменное напряжение 100 В, частота которого на 0,3 - 0,5 Гц ниже частоты срабатывания, подать на выводы 7 и 8 реле с помощью рубильника, на один из полюсов этого рубильника завести цепь пуска секундомера с тем, чтобы он пускался при подаче напряжения на реле. Вместо рубильника можно использовать промежуточное реле или ключ. Останов секундомера осуществляется непосредственно контактом реле частоты.
Измерения производить не менее пяти раз.
Время срабатывания реле РЧ-1 должно быть: на 1-й уставке - не более 0,15 с; на 2-й - в пределах 0,3 ¸ 0,08 с; на 3-й - 0,5 ¸ 0,1 с.
При проверке времени срабатывания реле РЧ-2 к конденсаторам С4 и С5 на время проверки подключить через ключ дополнительный конденсатор (Cдоп = 2200 - 3000 пФ), имитирующий изменение частоты срабатывания реле на 0,3 Гц (рис. 5.4). При разомкнутом ключе подать на реле напряжение частотой на 0,3 - 0,5 Гц ниже частоты срабатывания реле. После этого ключом подключить Cдоп. Время с момента замыкания ключа до момента срабатывания реле является временем срабатывания реле (оно должно быть не более 0,1 с).
5.4.10. Проверка мощности потребления реле.
Включить в цепь переменного напряжения реле амперметр. Подать на выводы 7 и 8 реле номинальное напряжение переменного тока и определить потреблении мощности измерительной цепью.

Рис. 5.4. Схема проверки времени срабатывания реле РЧ-2
Аналогично, включив амперметр в цепь постоянного оперативного тока при номинальном напряжении питания, определить потребление мощности этой цепью.
При питании реле переменным оперативным током потребление мощности реле определять с учетом потребления устройством ВУ-3.
5.4.11. Окончательная проверка реле.
Проверить положение перемычек, переключателей уставок, надежность крепления печатной платы. Реле закрыть кожухом и опломбировать.
Периодичность проведения технического обслуживания реле РЧ-1, РЧ-2 в зависимости от их размещения приведена в табл. 6.1.
Таблица 6.1
|
Количество лет эксплуатации |
||||||||||||||||||
|
Цикл технического обслуживания, лет |
0 |
1 |
2 |
3 |
4 |
5 |
6 |
7 |
8 |
9 |
10 |
11 |
12 |
13 |
14 |
15 |
16 |
|
|
Подстанции 35 - 330 кВ |
|
|
|
|
|
|
|
|
|
|
|
|
|
|
|
|
|
|
|
В помещениях щитов управления, релейных щитов и т.п. |
6 |
Н |
К1 |
- |
ЧВ, К |
- |
- |
В |
- |
- |
ЧВ, К |
- |
- |
В |
- |
- |
ЧВ, К |
- |
|
В шкафах наружной установки |
6 |
Н |
К1 |
- |
ЧВ, К |
- |
- |
В |
- |
- |
ЧВ, К |
- |
- |
В |
- |
- |
ЧВ, К |
- |
|
Электростанции |
|
|
|
|
|
|
|
|
|
|
|
|
|
|
|
|
|
|
|
В помещениях: I категории (ГЩУ, БЩУ, релейные щиты) |
8 |
Н |
К1 |
- |
- |
ЧВ, К |
- |
- |
- |
В |
- |
- |
- |
ЧВ, К |
- |
- |
- |
8 |
|
II категории (КРУ 6 кВ, РУСН 0,4 кВ) |
6 |
Н |
К1 |
- |
ЧВ, К |
- |
- |
В |
- |
- |
ЧВ, К |
- |
- |
В |
- |
- |
ЧВ, К |
- |
|
Электрические сети 0,4 - 20 кВ |
|
|
|
|
|
|
|
|
|
|
|
|
|
|
|
|
|
|
|
В помещениях: |
|
|
|
|
|
|
|
|
|
|
|
|
|
|
|
|
|
|
|
I категории (каменные, бетонные и другие с температурой окружающей среды не ниже +1 °С) |
6 |
Н |
|
К1 |
К |
- |
- |
В |
- |
- |
К |
- |
- |
В |
- |
- |
К |
|
|
II категории (ячейки КРУН, комплектные трансформаторные подстанции и др.) |
6 |
Н |
|
К1 |
- |
К |
- |
В |
- |
К |
- |
К |
- |
В |
- |
К |
- |
|
|
Примечание. Условные обозначения: Н - проверка при новом включении; К1 - первый профилактический контроль; К - профилактический контроль; В - профилактическое восстановление; ЧВ - частичное профилактическое восстановление. |
||||||||||||||||||
1. Реле РЧ-1, РЧ-2
На рис. П1.1 показана структурная, а на рис. 5.1, 5.2 принципиальные схемы реле РЧ-I, РЧ-2.
Напряжение сети Uc через разделительный трансформатор Т и фильтр Ф (состоит из дросселя 3L и конденсатора 1С, устраняет влияние высших гармонических составляющих на работу реле) подается на фазосдвигающую схему. Фазосдвигающая схема состоит из двух частотно-зависимых измерительных цепей (срабатывания И1 и возврата И2) и делителя А.
Измерительная цепь через элемент И1 служит для задания уставки реле по частоте срабатывания, а через элемент И2 - по частоте возврата (через внешние контакты ЧАПВ).
В каждую измерительную цепь включены дроссель, два конденсатора и резистор (в цепь срабатывания - 1L, 4С, 5С и R3; в цепь возврата - 2L, 2С, 3С, R2). Индуктивность дросселя и емкость конденсаторов создают резонансную цепь. В дросселях 1L и 2L имеются отпайки для ступенчатого изменения индуктивности его цепей. Одна из секций в каждом дросселе зашунтирована соответственно переменными резисторами 1R и 2R. Это позволяет плавно изменять индуктивность дросселя. Кроме того, индуктивность дросселя может изменяться перемещением магнитных шунтов, что осуществляется, как правило, при настройке реле на заводе-изготовителе. Изменением индуктивности дросселя достигается изменение резонансной частоты измерительной цепи и, следовательно, частоты срабатывания реле.
Рис. П1.1. Структурная схема реле частоты
Активный делитель А, состоящий из резисторов R4 и R5, служит для создания опорного напряжения U2, относительно которого производится измерение углов сдвига фаз токов цепей И1 и И2, зависящих от частоты сети на входе реле.
Напряжение с выхода измерительной цепи И1 и делителя А подается на фазочувствительную схему реле. Фазочувствительная схема включает в себя два формирователя импульсов Ф1 и Ф2, дифференцирующий Д и логический Л элементы.
Формирователи импульсов предназначены для выработки прямоугольных импульсов Uф1, Uф2 с частотой питающей сети. Оба формирователя выполнены одинаково. Первый формирователь Ф1 состоит из транзистора V24, диодов V4, V5, V7, V9 и резисторов R7, R9, R11. Второй формирователь Ф2 состоит из транзистора V25, диодов V3, V6, V8 и резисторов R6, R8, R10. Диоды V5 и V4 образуют вход первого формирователя Ф1. На диод V5 подается переменное напряжение с измерительной цепи срабатывания, на диод V4 - с измерительной цепи возврата (если замкнуты между собой выводы 5 и 6 реле). При отрицательной полуволне переменного напряжения, поданного на входной диод, - он закрыт, при положительной - открыт. В последнем случае потенциал точки Б1 (см. рис. 5.1) положительнее, чем потенциал нулевой шинки. Состояние транзистора V24 определяется состоянием входных диодов V4 и V5.
Если оба входных диода закрыты, то транзистор V24 открыт под действием тока, протекающего по цепи: нулевая шинка - эмиттер V24 - V7 - R7 - шинка «минус» 12 В. Если один из входных диодов открыт и потенциал точки Б1 положительнее, чем потенциал базы V24, то диод V7 закрывается, отделяя базу V24 от шинки «минус» 12 В. При этом потенциал базы V24 положительный и равен по значению падению напряжения на диоде V9. Следовательно, транзистор V24 закрыт. Таким образом, при положительной полуволне переменного напряжения измерительной цепи транзистор V24 закрыт (импульс Uф1), при отрицательной - открыт (пауза - рис. П1.2). Точно также при положительной полуволне U2, совпадающего по фазе с напряжением питающей сети, транзистор V25 закрыт (импульс Uф2), при отрицательной - открыт (пауза).
При поданном на реле переменном напряжении транзисторы V24 и V25 переключаются с частотой питающей сети. Моменты переключения (т.е. угол сдвига импульсов один относительно другого) определяются углом сдвига между напряжением на выходе измерительной цепи U1 и напряжением U2.
С помощью дифференцирующего элемента Д из переднего фронта импульса Uф2 формируется короткий импульс Uд. Роль дифференцирующего элемента выполняет конденсатор С2.

Рис. П1.2. Время - импульсные диаграммы реле частоты
Вместе с импульсом Uф1 с формирователя Ф1 импульс Uд подается на логический элемент Л (роль которого выполняет транзистор V26), причем взаимное положение импульсов Uф1 и Uд во времени зависит от частоты. Транзистор V26, база которого подключена к коллектору транзистора V24, открыт под действием тока, протекающего по цепи: нулевая шинка - эмиттер V26 - база V26 - V10 - R14 - шинка «минус» 12 В. Открытие транзистора V26 происходит в момент начала положительной полуволны напряжения на выходе измерительной цепи U1. Таким образом, логический элемент Л пропускает импульс Uд только в случае отсутствия в это время на входе импульса Uф1. Если частота fс превышает частоту срабатывания реле fср, то в каждом полупериоде напряжения на выходе элемента Л выдается импульс U1д. При fс< fср такой импульс отсутствует.
Далее с помощью расширителя импульсов (РИ) импульс расширяется во времени. Одновременно РИ выполняет функции инвертора и элемента выдержки времени для создания задержки на срабатывание реле.
Расширитель импульсов работает следующим образом; V27 при отсутствии на реле переменного напряжения длительно открыт под действием тока по цепи: нулевая шинка - эмиттер V27 - база V27 - V10 - R14 - шинка «минус» 12 В. При подведенном к реле переменном напряжении положительное смещение, подаваемое с конденсатора С1, закрывает диод V10 и ток по указанной выше цепи протекать не может. В этом случае транзистор V27 может кратковременно открываться под действием импульсов зарядного тока конденсатора С2. Этот конденсатор дозаряжается до напряжения 18 В при закрытии транзистора V25 (если V25 открыт, то конденсатор С2 заряжен до 6 В). Импульс зарядного тока протекает по конденсатору С2 в момент закрытия транзистора V25, т.е. в момент начала положительной полуволны напряжения U2.
Однако транзистор V27 может открываться зарядным током конденсатора С2 только при закрытом транзисторе V26. Открытый транзистор V26 шунтирует переход эмиттер-база V27, запрещая этим открытие V27. Следовательно, при поданном на реле переменном напряжении транзистор V27 может кратковременно (один раз в период) открываться только в тех случаях, когда транзистор V26 открывается после протекания зарядного тока конденсатора С2. Поскольку транзистор V26 открывается в момент начала положительной полуволны напряжения U1, а зарядный ток конденсатора С2 протекает в момент начала положительной полуволны напряжения U2, транзистор V27 периодически открывается только в том случае, когда напряжение U1 отстает от напряжения U2, т.е. когда частота в сети выше уставки реле (см. рис. П1.2). Если напряжение U1 совпадают по фазе с U2 или опережает его, транзистор V27 остается закрытым, что и является командой для срабатывания реле.
Далее сигнал подается на усилитель У, предназначенный для фиксации, усиления и передачи на исполнительный орган (ИО) команды на срабатывание, полученной от логического элемента. Кроме того, в состав усилителя входят конденсаторы, создающие задержку на срабатывание реле.
Транзистор V29 открыт под действием тока по цепи: нулевая шинка - эмиттер V29 - база V29 - R19 - переход коллектор - эмиттер V28 - R22 - шинка «минус» 12 В. При открытом транзисторе V29 диод V17 открыт, а диод V18 закрыт. Поэтому база транзистора V30 заведомо положительнее его эмиттера, подключенного к средней точке делителя R29 - R30. Следовательно, транзистор V30 типа п-р-п надежно открыт. Через открытые транзисторы V30 и V28 открыты соответственно транзисторы V31 и V29. При открытом транзисторе V31 база транзистора V32, который входит в исполнительный орган реле, положительнее его эмиттера и транзистор V32 надежно закрыт.
При закрытии транзистора V28 прерывается путь для тока, открывающего транзистор V29, и последний закрывается, что приводит к закрытию транзистора V31 (так же, как и транзистор V29, закрывается при закрытии транзистора V28). Закрытие транзистора V31 создает возможность для протекания тока, открывающего входной транзистор V32 по цепи: нулевая шинка - эмиттер V32 - база V32 - R31 - R28 - шинка «минус» 12 В. Транзистор V32 открывается, что приводит к срабатыванию реле частоты.
Таким образом, для срабатывания реле частоты необходимо, чтобы закрылся транзистор V28 на время, большее уставки реле по времени срабатывания.
Состояние V28 определяется состоянием V27. Если V27 длительно открыт, то диод V13 открыт, а диод V14 закрыт. При этом база транзистора V28 оказывается положительнее его эмиттера (подключенного к средней точке делителя R22 - R23 с потенциалом около - 6 В) и транзистор V28 типа п-р-п открыт.
Если V27 длительно закрыт, то диод V13 также закрыт, а V14 открыт. База транзистора V28, подключенная к делителю R17 - V14 R18, отрицательнее его эмиттера и транзистор V28 закрыт.
При кратковременном открытии один раз в период транзистора V27 открываются также раз в период транзисторы V28, V29. Поскольку V29 шунтирует конденсаторы 6С - 8С, последние разряжаются каждый период и транзистор V30 не закрывается, т.е. реле не срабатывает. Как показано выше, транзистор V27 длительно закрывается при снижении частоты в сети до частоты уставки реле. Именно в этот момент происходит закрытие входного транзистора V28, что приводит к срабатыванию реле частоты.
Таким образом, для срабатывания реле частоты необходимо, чтобы закрылся транзистор V28 на время, большее времени заряда конденсаторов 6С - 8С, т.е. больше уставки реле по времени срабатывания.
Для подачи напряжения постоянного оперативного тока на полупроводниковую часть схемы и на выходное реле К используется блок питания, состоящий из двух стабилитронов V22, V23, фильтра 4L - С5, С6 и резисторов R33, R34 и 3R, 4R, 5R, 6R.
Фильтр 4L - С5, С6 предназначен для сглаживания напряжения на выводах 1 и 3 при питании реле от переменного оперативного тока (через вспомогательное устройство ВУ-3). Кроме того, фильтр исключает возможность неправильного срабатывания реле при подаче и снятии переменного оперативного тока.
Стабилитрон V23 создает уровень напряжения +6 В относительно нулевой шинки. От стабилитрона V22 подается напряжение 22 В на выходное реле К, а через резисторы R33, R34 подается напряжение на шинку «минус» 12 В. Резисторы 3R, 4R, 5R, 6R являются ограничивающими и используются при питании реле от постоянного оперативного тока. При напряжении 220 В используются резисторы 3R, 4R, 5R, 6R при напряжении 110 В - только резисторы 5R, 6R.
В схеме реле предусмотрено блокирование, запрещающее срабатывание реле при снижении переменного напряжения на выводах 7 и 8 до 20 В и ниже. В этом случае снимается положительный потенциал с отрицательного вывода диода V10. Диод открывается и под действием тока, протекающего через него, остается длительно открытым выходной транзистор V27 фазочувствительной схемы. Реле частоты поэтому сработать не может.
Предусмотрена возможность введения в схему замедления на срабатывание реле (РЧ-1) до 0,3 - 0,5 с (собственное время срабатывания реле 0,15 с). Замедление обеспечивается включением между первым и вторым каскадами усилителя конденсаторов большой емкости, которые начинают заряжаться после срабатывания первого каскада усилителя. Второй каскад срабатывает после их зарядки.
Для проверки работоспособности схемы реле предусмотрена кнопка S, шунтирующая дроссель 1L измерительной цепи срабатывания. При нажатии на кнопку сопротивление цепи становится активноемкостным, ток в цепи опережает напряжение входа. Это соответствует снижению частоты в сети, и реле должно сработать.
Схема реле РЧ-2 в основном аналогична схеме реле понижения частоты. Отличие состоит в фазочувствительной схеме (см. рис. 5.2). Последнее вызвано тем, что схема работает на задних фронтах импульсов. В связи с этим конденсатор С2 перенесен в цепь коллектора транзистора V24, а база транзистора V26 включена на делитель, образованный резисторами R13 и R35. В реле отсутствуют уставки по времени срабатывания, поэтому вместо трех емкостей установлена одна 6С, а, кроме того отличаются обмоточные данные дросселей 1L и 2L. В остальном реле идентичны.
Вспомогательное устройство ВУ-3 предназначено для питания реле РЧ-1, РЧ-2 от цепей напряжения переменного тока и обеспечивает нормальную работу реле при глубоких посадках напряжения. Устройство состоит (рис. П1.3) из трансформатора напряжения Т, первичная обмотка которого имеет ряд отводов для включения на различное напряжение переменного тока 100, 127, 220 В. Вторичная обмотка трансформатора через конденсатор С и дроссель L подключена к выпрямителю. Полное сопротивление дросселя и емкостное сопротивление конденсатора представляют собой балластное сопротивление, которое меняется в зависимости от режима работы. Параметры дросселя и конденсатора выбраны так, чтобы при минимальном значении напряжения (35 ¸ 40 В) и частоте 47,5 Гц соблюдалось условие XL = Хc. В этом случае значение сопротивления балластного резистора будет минимальным и равным активному сопротивлению дросселя. С ростом напряжения в связи с насыщением стали сердечника дросселя условия резонанса нарушаются, балластное сопротивление растет, приобретая емкостный характер.
При подключении ВУ-3 к реле выводы 1 и 3 ВУ-3 подключаются соответственно к выводам 1 и 3 реле.

Рис. П1.3. Принципиальная схема вспомогательного устройства ВУ-3
1. Реле частоты РЧ-1, РЧ-2
Номинальное напряжение переменного тока, В............................................ 100
Номинальная частота, Гц................................................................................. 50
Номинальное напряжение, В:
постоянного оперативного ток................................................................... 110; 220
переменного оперативного тока................................................................. 100; 127; 220
Диапазон уставок на срабатывание, Гц:
РЧ-1................................................................................................................ 50 ¸ 45
РЧ-2................................................................................................................ 50 ¸ 55
Диапазон уставок на возврат, Гц:
РЧ-1................................................................................................................ 46 ¸ 51
РЧ-2................................................................................................................ 55 ¸ 50
Уставки по времени срабатывания, с:
РЧ-1................................................................................................................ 0,15; 0,3; 0,5
РЧ-2................................................................................................................ Не более 0,1
Время возврата, с............................................................................................... Не более 0,15
Разность между частотой срабатывания и возврата реле при использовании
одной измерительной цепи, Гц........................................................................ Не более 0,05
Изменение частоты срабатывания при изменении напряжения оперативного тока
от 0,8 до 1,1 Uном и изменении переменного напряжения, Гц:
Для РЧ-1 от 0,4 до 1,3Uном................................................................................ Не более 0,2
от 0,2 до 1,3Uном................................................................................ Не более 0,3
Для РЧ-2 от 0,6 до 1,5Uном................................................................................ Не более 0,2
от 0,45 до 1,5Uном.............................................................................. Не более 0,3
от 0,2 до 1,5Uном................................................................................ Не более 0,4
Примечание. Частота срабатывания реле РЧ-1 с уменьшением напряжения контролируемой сети увеличивается Частота срабатывания реле РЧ-2 с уменьшением напряжения контролируемой сети уменьшается.
Изменение частоты срабатывания, при изменении температуры окружающей среды, Гц:
от 0 до +40 °С...................................................................................... Не более 0,2
от -20 до +40 °С.................................................................................. Не более 0,25
от -40 до +40 °С.................................................................................. Не более 0,35
от +20 до +40 °С................................................................................. Не более 0,1
Потребляемая мощность реле и устройств при номинальных напряжениях:
измерительной цепью, В × А............................................................. Не более 5
вспомогательной цепью при оперативном постоянном токе, Вт. Не более 20
цепью переменного тока устройства, питающего вспомогательные
и измерительные цепи реле, В × А.................................................... Не более 15
Разрывная мощность контактов в цепи постоянного тока
с индуктивной нагрузкой, Вт............................................................................. 60
Ток, при котором гарантируется разрывная мощность, А............................. До 2
Масса реле, кг...................................................................................................... Не более 5,8
Габаритные размеры, мм.............................................................................................................................. 210´179´218
2. Вспомогательное устройство ВУ-3
Номинальное напряжение переменного тока В.............................................. 100; 127; 220
Напряжение выпрямленного тока при номинальном напряжении
переменного тока, В........................................................................................... 100 ± 4
Диапазон напряжений, в котором обеспечивается нормальная работа реле 0,4 ¸ 1,3Uном
Потребляемая мощность в цепи переменного тока при номинальном напряжении
переменного тока и включенном реле частоты, В × А.................................... Не более 15
Масса вспомогательного устройства, кг.......................................................... Не более 2,8
Габаритные размеры, мм.............................................................................................................................. 135´185´146
Все обозначения даны в соответствии с принципиальными схемами рис. 5.1 и 5.2. Схема расположения элементов, входящих в реле, дана на рис. 4.1.
|
Наименование элемента |
Тип |
Обозначение на схеме |
Технические данные |
Примечание |
|
Элементы, установленные на печатной плате |
||||
|
Резисторы |
МЛТ-0,5 |
R26, R35 |
10 кОм ± 10 % |
R35 для РЧ-2 |
|
|
R6 - R9, R13 |
39 кОм ± 10 % |
|
|
|
|
R10, R11 |
18 кОм ± 10 % |
|
|
|
|
R12 |
12 кОм ± 10 % |
|
|
|
|
R14, R15 |
36 кОм ± 5 % |
|
|
|
|
R16 |
22 кОм ± 10 % |
|
|
|
|
R17, R25 |
62 кОм ± 5 % |
|
|
|
|
R18, R20, R27 |
33 кОм ± 10 % |
|
|
|
|
R30 |
1,2 кОм ± 5 % |
|
|
|
|
R24 |
30 кОм ± 10 % |
|
|
|
|
R28 |
27 кОм ± 10 % |
|
|
|
|
R31 |
0,68 кОм ± 10 % |
|
|
|
|
R32 |
3,3 кОм ± 10 % |
|
|
|
|
R33 |
(300 ¸ 2700) Ом ± 5 % |
Подбирается при калибровке |
|
|
|
|
R34 |
1,5 кОм ± 5 % (20 ¸ 470) Ом ± 5 % |
Подбирается при калибровке |
|
|
МЛТ-2 |
R2 - R5 |
5,6 кОм ± 5 % |
|
|
Диоды |
Д226Б |
V1, V2 |
|
|
|
|
Д223Б |
V3, V20 |
|
|
|
Стабилитроны |
Д816А |
V22 |
|
|
|
|
Д815А |
V23 |
|
|
|
Транзисторы |
МП42Б |
V24, V27, V29, V31 |
|
|
|
|
МП113А |
V28, V30 |
|
|
|
|
МП26Б |
V32 |
|
|
|
Конденсаторы |
МБМ |
С1, С4 |
0,5 мкФ ± 10 %, 160 В |
|
|
|
|
С2, С3 |
0,05 мкф ± 10 %, 160 В |
|
|
|
К-50-12 |
С5, С6 |
100 мкФ, 50 В |
|
|
Разъем |
РП14-16 |
- |
|
|
|
Элементы, установленные на основании реле: а) на передней стенке |
||||
|
Дроссель |
|
3L |
W = 3300 вит., ПЭВ-2/0,20, Ш 12´24, зазор 2 мм |
|
|
Трансформатор |
|
Т |
W¢2 = 1500 вит., ПЭВ-2/0,08 W²2 = 1500 вит., ПЭВ-2/0,224, Ш 12´24 |
Для РЧ-1 |
|
|
|
|
W¢2 = 1000 вит., ПЭВ-2/0,08 W²2 = 1000 вит., ПЭВ-2/0,224 |
Для РЧ-2 |
|
Конденсаторы |
МБГЧ-1-1 |
1С |
2 мкф ± 10 %, 250 В |
|
|
|
МБГО-1 |
7С |
10 мкФ ± 10 %, 160 В |
Для РЧ-1 |
|
Выходное реле |
РП-220 |
К |
W = 9000 вит., ПЭВ-2/0,21, R4 = 1400 Ом |
|
|
Диод |
Д226Б |
V21 |
U = 220 В |
|
|
б) на задней стенке |
||||
|
Резисторы |
ПЭВ-10 |
ЗR - 6R |
2,7 кОм ± 5 % |
|
|
Элементы, установленные на откидной плате: а) с внешней стороны реле |
||||
|
Дроссель |
|
1L, 2L |
|
Для РЧ-1 |
|
|
|
|
|
Для РЧ-2 |
|
Конденсаторы |
МБГО-2 |
6С |
2 мкФ ± 10 %, 160 В |
Для РЧ-2 |
|
|
|
6С, 8С |
4 мкФ ± 10 %, 160 В |
Для РЧ-1 |
|
|
КСГ-2 |
2С, 3С, 4С, 5С |
0,1 мкФ ± 2 %, 500 В |
|
|
б) с задней стороны реле |
||||
|
Дроссель |
|
4L |
W = 1250 вит., ПЭВ-2/0,20, Ш 7´10, зазор 0,5 мм |
|
|
Элементы, установленные на лицевой панели |
||||
|
Резисторы |
ППЗ-41 |
1R, 2R |
1 кОм ± 5 % |
|
|
Кнопка |
|
S |
|
|
|
Вспомогательное устройство |
||||
|
Выпрямительный прибор |
КЦ-402Ж |
V |
|
|
|
Конденсатор |
МБГЧ-1-2А-250 |
С1 |
2 мкФ ± 10 %, 250 В |
|
|
L |
W = 1210 вит., ПЭВ-2/0,28, отводы от 990, 1100 вит., Ш 9´18 |
|
||
|
Трансформатор |
|
Т |
W1 = 1400 вит., отводы от 650, 800 вит. W2 = 650 вит., ПЭВ-2/0,365, Ш 16´37 |
|
Проверка отдельных элементов реле выполняется, если параметры реле в целом не соответствуют техническим дачным и требованиям настоящей Методики. При проверке всех элементов необходимо убедиться в правильности монтажа, отсутствии обрывов, механических повреждений, замыканий.
4.1. Проверка входного трансформатора.
Исправность входного трансформатора Т оценивается по результатам измерений коэффициента трансформации и тока холостого хода.
Для измерения коэффициента трансформации Т необходимо на его первичную обмотку (выводы 7 и 8 реле) подать напряжение 100 В от ЛАТР и измерить напряжение на вторичных полуобмотках (точки 8а и 8в, 8в и 7в). Нагрузка должна быть отсоединена, вынута съемная плата и отключены дроссель 3L и конденсатор 1С на нижнем выводе конденсатора. Измерение напряжения на первичной и вторичной обмотках Т следует производить вольтметрами одной системы (с сопротивлением не менее 10000 Ом. Может быть использован прибор Ц4312 на пределе измерения напряжения 60 В).
Измерение напряжений на вторичных обмотках трансформатора следует производить на выводах разъема. При напряжении на первичной обмотке 100 В напряжения между точками 8а и 8в; 8в и 7в должны быть по 50 В, а между точками 8а и 7в - 100 В. Допустимые отклонения - 5 %.
Ток холостого хода Т измеряется в первичной обмотке при отсоединенной нагрузке. Миллиамперметр включается в рассечку провода, подсоединенного к выводу 7 реле. При напряжении 100 В ток холостого хода должен быть 2,5 - 3,0 мА.
2. Проверка дросселей.
Перед проверкой исправности дросселей 1L и 2L измерительных цепей следует убедиться в правильности вывода отпаек от их обмоток. Для этого измеряют сопротивления между соседними отпайками (гнездами). Сопротивление одной секции регулировочной части обмотки (рис. П4.1) составляет 55 - 70 Ом для РЧ-1 и 45 - 55 Ом для РЧ-2. Если выводы перепутаны, то между двумя соседними гнездами сопротивление будет 110 Ом для РЧ-1 и 90 Ом для РЧ-2. В дальнейшем в целях обнаружения неправильно выведенных отпаек удобно производить измерения между каждой из крайних и всеми другими отпайками.

Рис. П4.1. Дроссель измерительной цепи
Исправность дросселей 1L, 2L, 3L проверяется по значениям их сопротивлений на частоте 50 Гц. Для измерений сопротивления дроссель должен быть выделен из схемы. Полное сопротивление обмотки исправного дросселя при подаче на него напряжения 50 В должно быть равно: 17 - 20 кОм для дросселей 1L, 2L для РЧ-1 и 15 - 17 кОм для РЧ-2; 0,7 - 1,2 кОм для дросселя 3L.
В некоторых пределах сопротивление дросселя можно изменить, регулируя воздушный зазор сердечника. Для увеличения сопротивления зазор следует уменьшить, для уменьшения сопротивления - увеличить.
Активное сопротивление обмотки исправных дросселей 1L и 2L должно составлять 3000 Ом для РЧ-1, 2500 Ом для РЧ-2, 200 Ом - для дросселя 3L.
Исправность дросселя 4L оценивается по значению его активного сопротивления, которое составляет 36 - 37 Ом.
3. Проверка полупроводниковой платы.
Если возникают сомнения в правильности работы полупроводниковой платы, то сначала следует проверить правильность установки элементов на печатной плате, качество пайки, отсутствие замыканий, правильность монтажа, затем при поданном на реле номинальном напряжении питания измерить напряжения питания, поступающие в схему реле между точками схемы 8в - 2а, 8в - 4в, которые должны быть:
U8в-2а = (4,8 ¸ 6,4) В; U8в-4в = (18,7 ¸ 24,3) В; U8в-«минус» 12 В = (11,5 ¸ 12,5) В.
Если напряжение на выводах 8в - «минус» 12 В (на выводе 8в разъема и на лепестке, установленном на проводнике «минус» 12 В печатной платы) не соответствует указанному значению, необходимо подбором в эту цепь дополнительного резистора добиться, чтобы при номинальном напряжении оперативного тока U8в-«минус» 12 В находилось в пределах 11,5 ¸ 12,5 В.
Убедиться, что при изменении напряжения оперативного тока от 0,8Uном до 1,1Uном на выводах 1 - 3 реле и переменного напряжения от 0,4Uном до 1,3Uном (на входных выводах ВУ-3) значения напряжения U8в-2а, U8в-4в и U8в-«минус» 12 В остаются неизменными.
Несоответствие напряжений питания указанным значениям свидетельствует о неисправности стабилитронов V22, V23 (Д816А, Д815А).
4. Проверка состояния транзисторов в различных режимах работы реле.
Ориентировочные значения измеренных напряжений на транзисторах схемы (эмиттер-коллектор), соответствующие исправной полупроводниковой части реле, приведены в табл. П4.1.
Таблица П4.1
|
Напряжение на транзисторах Uэк, В |
||||||||
|
V24 |
V23 |
V27 |
V28 |
V29 |
V30 |
V31 |
V32 |
|
|
I. На реле подано номинальное напряжение оперативного тока |
|
|
Не более 0,5 |
|
|
-22,0 |
||
|
II. На реле поданы номинальные переменное напряжение и напряжение оперативного тока. Частота сети выше уставки |
-2,5 |
-5,5 |
-11,5 |
-0,3 |
-10,5 |
-5,5 |
-0,3 |
-22,0 |
|
III. На реле поданы номинальные переменное напряжение и напряжение оперативного тока. Частота сети ниже уставки. |
-2,5 |
-5,5 |
-11,5 |
+0,45 |
-12,0 |
+0,45 |
-2,8 |
-0,05 |
При отличии напряжения Uэк от указанных в табл. П4.1 более чем на ± 0,5 В необходимо руководствоваться данными табл. П4.2 для режима I и табл. П.3 для режима II.
Таблица П4.2
|
Напряжение Uэ.к. больше 0,5 В |
Что следует проверить |
|
V24 |
Полярность и исправность V7, V9 и V24. Сопротивления резисторов R7, R9, R11. |
|
V25 |
Полярность и исправность V6, V8 и V25. Сопротивления резисторов R6, R8, R10. |
|
V27 |
Полярность и исправность V10, V11, V12, V13, V27. Сопротивления резисторов R14, R15, R16. |
|
V28 |
Полярность и исправность V13, V14, V15, V28. Сопротивления резисторов R17 - R20, R22, R23. |
|
V29 |
Полярность и исправность V16 и V29. Сопротивление резистора R21. |
|
V30 |
Полярность и исправность V17, V18, V19 и V30. Сопротивления резисторов R24 - R27, R29 и R30. |
|
V31 |
Полярность и исправность V20 и V31. Сопротивление резистора R28. |
|
V32 |
Полярность и исправность V32. Сопротивления резисторов R31 и R32. Контакт в разъеме (зажим 4а). |
Таблица П4.3
|
Неисправность |
Что следует проверить |
|
Напряжение Uэ.к. транзистора V24 или V25 превышает 0,5 В |
Полярность и исправность V3, V4, V5, сопротивления резисторов R3, R4 и R5. Наличие контакта в разъемах 5а и 6а, 6в. |
|
Напряжение Uэ.к. транзистора V27 не превышает 0,5 В |
Надежность пайки выводов R1, С1, V11, V12, С2, V26, R12, R13. Полярность и исправность V11, V12 и V26. |
|
Напряжение Uк-8в транзистора V28 больше 0,5 В |
Полярность и исправность V13. |
|
Напряжение Uк-8в транзистора V30 меньше 0,5 В |
Полярность и исправность V17. Значения сопротивлений и исправность С4, 6С, 7С, 8С. |
|
Напряжение Uэ.к. транзистора V31 больше 0,5 В и выходное реле работает |
Надежность пайки и значения сопротивлений С4, 6С, 7С, 8С, R31 и R32. Правильность включения V32. Контакт в разъеме 1а, 1в. |
Для проверки исправности транзистора необходимо убедиться в его способности полностью открываться и надежно закрываться. Эти проверки можно делать, не выпаивая транзистор из схемы. Чтобы проверить надежность закрытия транзистора, необходимо соединить его эмиттер с базой накоротко. При этом напряжение между эмиттером и коллектором исправного транзистора должно быть равно напряжению, приложенному к коллектору. Измерения следует производить при поданном постоянном напряжении. Вольтметр должен иметь сопротивление на используемом пределе не менее 50 кОм. Обозначения выводов транзисторов даны на плате с полупроводниковыми элементами. Ниже приведены ориентировочные значения напряжений Uэ.к. между эмиттером и коллектором транзисторов при соединении эмиттера с базой:
Транзистор..... V24 V25 V27 V28 V29 V30 V31 V32
Uэ.к......................... 6 12 12 6 12 6 3 22
Для проверки открытия транзистора следует соединить его базу через резистор сопротивлением 40 - 50 кОм с шинкой «минус» 12 В (для V28 и V30 типа п-р-п с шиной «плюс» 6 В). При этом исправный транзистор должен быть полностью открыт, и напряжение между эмиттером и коллектором должно составлять 0,02 - 0,2 В.
5. Проверка диодов
Предварительно исправность диода определяется омметром. У исправного диода сопротивление при подключении напряжения в обратном направлении значительно выше, чем при подключении напряжения в прямом направлении. Диод можно считать исправным, если сопротивление его в прямом направлении менее 200 - 250 Ом, а в обратном - более 10 - 15 кОм. Для достоверной оценки исправности диода необходимо проверить падение напряжения на диоде при протекании тока в прямом направлении и значение обратного тока через диод при подключении напряжения в обратном направлении. Проверка в прямом направлении производится по схеме, приведенной на рис. П4.2, а, в обратном направлении по схеме, приведенной на рис. П4.2, б. Значения проверочных токов и падений напряжения в прямом направлении, а также токов и проверочных напряжений в обратном направлении для исправных диодов разных типов приведены в табл. П4.4. Для проверки диоды должны быть выпаяны из схемы.
Таблица П4.4
|
Прямое направление |
Обратное направление |
|||
|
Проверочный ток, мА |
Падение напряжения (не более), В |
Проверочное напряжение, В |
Ток (не более), мкА |
|
|
Д226Б |
300 |
1 |
220 |
20 |
|
Д223Б |
50 |
1 |
150 |
1 |

Рис. П4.2. Схемы проверки исправности диодов:
а - в прямом направлении; б - в обратном направлении
6. Проверка стабилитронов
Для проверки исправности стабилитронов необходимо измерить напряжение стабилизации при номинальном и максимально допустимом токах. Проверка стабилитрона V22 производится по схеме, приведенной на рис. П4.3, a, V23 - по схеме, приведенной на рис. П4.3, б.
Один из выводов стабилитрона должен быть отсоединен от схемы реле. Сопротивление резистора R в схеме на рис. П4.3, а должно составлять примерно 1 кОм, в схеме на рис. П4.3, б - 100 Ом; сопротивление вольтметра по схеме рис. П4.3, а - не менее 50 кОм, по схеме рис. П4.3, б - не менее 1 кОм.
Номинальные напряжения стабилизации при номинальных и наибольших значениях тока приведены в табл. П4.5.
Рис. П4.3. Схемы проверки стабилитронов:
а - V22; б - V23
Таблица П4.5
|
Тип |
Номинальное напряжение стабилизации, В |
Номинальный ток, мА |
Наибольший ток, мА |
|
|
V22 |
Д816А |
22,0 ± 2,2 |
150 |
230 |
|
V23 |
Д815А |
5,6 ± 0,9 |
1000 |
1400 |
7. Проверка резисторов.
Проверка резистора заключается в измерении его сопротивления любым омметром. Перед проверкой следует убедиться в соответствии установленного резистора, указанному в спецификации.
8. Проверка конденсаторов.
Проверка электролитических конденсаторов заключается в оценке сохранения конденсатором заряда. Конденсатор отключается от схемы реле и заряжается до напряжения 20 В (с соблюдением полярности). Источник питания и вольтметр отсоединяются от конденсатора. Через 10 - 15 с измеряется напряжение на выводах конденсатора, которое должно составлять в первый момент не менее 15 - 18 В. Сопротивление вольтметра на используемом пределе должно составлять не менее 50 кОм.
Для проверки неэлектролитических конденсаторов необходимо измерить сопротивление конденсатора переменному току и определить его емкость.
Сопротивление конденсатора измеряется на переменном напряжении с помощью амперметра и вольтметра. Емкость конденсатора (Ф) определяется по формуле
![]()
где Ic - ток в конденсаторе, А;
Uc - 50 В - напряжение, приложенное к конденсатору;
f - промышленная частота.
|
Министерство энергетики и электрификации СССР ________________________________ Предприятие_____________________ ________________________________ |
|
Объект ___________________________ __________________________________ Присоединение ____________________ __________________________________ « » ___________________ 198__ г. |
I. Основные технические данные.
|
Тип |
Обозначение на схеме |
Назначение |
Напряжение, В |
Заводской номер |
|
|
оперативного тока |
контролируемой сети |
||||
|
РЧ-ВУ-3 |
|
|
|
|
|
2. Заданные уставки __________________________________________________
(кем, когда,
____________________________________________________________________
номер документа)
fср = Гц;
fв = Гц;
fср = с.
3. Внешний осмотр и механическая ревизия.
Проверено отсутствие повреждений отдельных элементов и внутреннего монтажа реле и ВУ-3, состояние съемной платы (отсутствие замыканий, печатный монтаж), исправность и надежность фиксации разъемов, отсутствие затираний и надежность фиксации резисторов плавного регулирования уставок реле, затяжка винтов и резьбовых соединений всех элементов реле и ВУ-3, механическое состояние и качество паяных соединений выходного реле К.
Результаты проверки ________________________________________________
__________________________________________________________________
4. Проверка сопротивления изоляции.
4.1. Предварительная проверка сопротивления изоляции реле.
Плата с полупроводниковыми элементами снята.
Соединены выводы реле 1, 3, 2, 4; выводы 5, 6 и переключатель уставок цепи возврата; выводы конденсаторов 4С , 5С, 6С - 8С.
Реле К «заклинено» в положении срабатывания.
Проверено сопротивление изоляции мегаомметром на 1000 В:
а) относительно корпуса выводов 7, 1, переключателя уставок, конденсаторов 6С - 8С;
б) относительно вывода 7, вывода 1 и переключателя уставок.
Сопротивление изоляции ________ МОм (должно быть ³ 10 МОм).
4.2. Окончательная проверка сопротивления изоляции реле.
1. Плата с полупроводниковыми элементами установлена на место. Проверено сопротивление изоляции мегаомметром на 1000 В между выводами 7 и 1 каждого вывода на корпус.
2. Сняты перемычки с 4С, 5С и 6С - 8С. Откидная плата установлена в рабочем положении. Реле закрыто кожухом. В течение 1 мин переменным напряжением 1000 В проверена электрическая прочность изоляции между выводами реле и корпусом.
3. Снята временная перемычка между контактами выходного реле (выводы 2 и 4) и цепями оперативного тока. Мегаомметром на 1000 В проверено сопротивление изоляции между контактами реле и цепями оперативного тока.
4.3. Проверка сопротивления изоляции ВУ-3.
Закорочены выводы 1 и 3 конденсатор С.
Проверено сопротивление изоляции выводов 1, 3 и вывода 2 относительно корпуса. Сопротивление изоляции ___________ МОм.
Проверено сопротивление изоляции между выводами 1, 3 и 2.
Сопротивление изоляции __________ МОм.
5. Проверка выходного реле К.
Плата с полупроводниковыми элементами снята, «плюс» подастся на выводы 4а; «минус» - на 4в разъема.
|
Напряжение срабатывания, В |
Напряжении возврата, В |
||
|
измеренное |
требуемое |
измеренное |
требуемое |
|
|
12,5 - 14,0 |
|
Не менее 1,50 |
6. Электрические характеристики реле и ВУ-3.
Проверка цепей питания.
Плата с полупроводниковыми элементами установлена:
а) при питании реле от постоянного оперативного тока (без ВУ-3) перемычки на переключающей колодке установлены между выводами 9 - 10 для Uном = 220 В и между выводами 10 - 11 для Uном = 110 В.
|
Точки измерения напряжения |
Значения напряжений в контрольных точках при напряжениях на входе реле, В |
Требуемое значение, S |
||
|
0,8Uном = _____ |
Uном = _____ |
1,1Uном = ___ |
||
|
1 - 8в |
|
|
|
4,8 - 6,4 |
|
4а - 8в |
|
|
|
18,7 - 24,3 |
|
4в - 8в |
|
|
|
18,7 - 24,3 |
|
«Минус» 12 В - 8в* |
|
|
|
11,5 - 12,5 |
|
* Требуемое значение устанавливается с помощью резистора R33. |
||||
б) при питании реле от переменного оперативного тока перемычки установлены между выводами 10, 11, 12.
Переменное напряжение подано на выводы для Uном = _________ В устройства ВУ-3.
|
Точки измерения напряжения |
Значения напряжений при напряжениях на входе ВУ-3, В |
Требуемое значение, В |
||
|
0,4Uном = ____ |
Uном = _______ |
1,3Uном = ____ |
||
|
1 - 8в |
|
|
|
4,8 - 6,4 |
|
4а - 8в |
|
|
|
18,7 - 24,3 |
|
4в - 8в |
|
|
|
18,7 - 24,3 |
|
«Минус» 12 В - 8в* |
|
|
|
11,5 - 12,5 |
|
* Требуемое значение устанавливается с помощью резистора R33. |
||||
7. Проверка исправности цепей переменного напряжения.
|
Точки измерения напряжения |
Значения напряжений при номинальном напряжении на входе реле, В |
Требуемое значение, В |
|
7а - 8в |
|
38,0 |
|
8а - 8в |
|
41,0 |
|
7в - 8в |
|
37,5 |
|
5а - 8в |
|
66,0 |
|
«минус» - 8в |
|
110,0 |
|
6а - 8в |
|
36,0 |
|
«минус» - 8в |
|
110,0 |
8. Проверка работоспособности полупроводниковой части реле.
Uном = ______ В; Uном = _____ В
|
Положение кнопки S |
Напряжение на обмотке реле К, В |
Действие реле, К |
|
Не нажата |
0 |
Не сработало |
|
Нажата |
19 - 25 |
Сработало |
9. Проверка реле на рабочих уставках.
|
Питание реле |
Напряжение контролируемой сети, В |
Напряжение оперативного тока, В |
Частота срабатывания, Гц |
|
|
по шкале срабатывания |
по шкале возврата |
|||
|
От цепей оперативного тока |
0,2Uном = |
0,8Uном = Uном = 1,1Uном = |
|
|
|
0,4Uном = |
0,8Uном = Uном = 1,1Uном = |
|
|
|
|
0,6Uном = |
0,8Uном = Uном = 1,1Uном = |
|
|
|
|
0,8Uном = |
0,8Uном = Uном = 1,1Uном = |
|
|
|
|
Uном = |
0,8Uном = Uном = 1,1Uном = |
|
|
|
|
1,3Uном = |
0,8Uном = Uном = 1,1Uном = |
|
|
|
|
1,5Uном = (для РЧ-2) |
0,8Uном = Uном = 1,1Uном = |
|
|
|
|
От ВУ-3 |
0,2Uном = |
0,4Uном = Uном = 1,3Uном = |
|
|
|
0,4Uном = |
0,4Uном = Uном = 1,3Uном = |
|
|
|
|
0,6Uном = |
0,4Uном = Uном = 1,3Uном = |
|
|
|
|
0,8Uном = |
0,4Uном = Uном = 1,3Uном = |
|
|
|
|
Uном = |
0,4Uном = Uном = 1,3Uном = |
|
|
|
|
1,3Uном = |
0,4Uном = Uном = 1,3Uном = |
|
|
|
|
1,5Uном = (для РЧ-2) |
0,4Uном = Uном = 1,3Uном = |
|
|
|
10. Настройка времени действия реле.
Uном = ______ В; Uном = _____ В
f = (fср - 0,3) Гц для РЧ-1;
f = (fср + 0,3) Гц для РЧ-2.
|
Реле |
РЧ-1 |
РЧ-2 |
||
|
Уставка срабатывания по шкале, с |
0,15 |
0,30 |
0,50 |
- |
|
Время срабатывания, с |
|
|
|
|
11. Проверка поведения реле при подаче и снятии переменного напряжения, постоянного напряжения оперативного тока.
|
Наименование |
Переменное напряжение 100 В (fср ± 0,1) Гц |
Постоянное напряжение оперативного тока Uном = ______ В |
Переменное напряжение 100 В (fср ± 0,1) Гц и переменное напряжение оперативного тока (для реле с ВУ-3) |
||||
|
Подавалось Uном = _________ В |
Снималось Uном = ________ В (выводы закорочены) |
Снималось Uном @ ________ В |
Подавалось Uном @ _________ В |
Снималось Uном @ _______ В |
Подавалось |
Снималось |
|
|
Действие реле |
|
|
|
|
|
|
|
12. Проверка потребления реле при номинальных напряжениях.
|
Наименование |
Напряжение, В |
Ток, А |
Мощность, В × А |
Нормативная мощность, В × А, не более |
|
Измерительная цепь |
100 |
|
|
5 |
|
Цепь переменного оперативного тока |
|
|
|
15 |
|
Цепь постоянного оперативного тока |
|
|
|
20 |
13. Дополнительные проверки.
_________________________________________________________________
_________________________________________________________________
_________________________________________________________________
14. Повторный осмотр реле, проверка положения перемычек, переключателей уставок
15. Заключение ______________________________________________________
Проверку производили _____________________________________________
_____________________________________________
Руководитель работ ____________________________________________