Меню
Навигация
Novatika

Система стандартов безопасности труда. Средства индивидуальной защиты органов дыхания. Методы испытаний. Часть 8. Определение устойчивости к запылению доломитовой пылью

Стандарт устанавливает метод испытания СИЗОД на устойчивость к запылению с использованием порошка доломита DRB 4/15.

Обозначение: ГОСТ Р ЕН 13274-8-2009
Название рус.: Система стандартов безопасности труда. Средства индивидуальной защиты органов дыхания. Методы испытаний. Часть 8. Определение устойчивости к запылению доломитовой пылью
Статус: действует
Дата актуализации текста: 05.05.2017
Дата добавления в базу: 01.09.2013
Дата введения в действие: 01.12.2010
Утвержден: 15.12.2009 Федеральное агентство по техническому регулированию и метрологии (879-ст)
Опубликован: Стандартинформ (2010 г. )
Ссылки для скачивания:

ФЕДЕРАЛЬНОЕ АГЕНТСТВО
ПО ТЕХНИЧЕСКОМУ РЕГУЛИРОВАНИЮ И МЕТРОЛОГИИ

НАЦИОНАЛЬНЫЙ
СТАНДАРТ
РОССИЙСКОЙ
ФЕДЕРАЦИИ

ГОСТ Р ЕН
13274-8-2009

Система стандартов безопасности труда

СРЕДСТВА ИНДИВИДУАЛЬНОЙ ЗАЩИТЫ
ОРГАНОВ ДЫХАНИЯ

Методы испытаний

Часть 8

Определение устойчивости к запылению
доломитовой пылью

EN 13274-8:2002
Respiratory protective devices -
Methods of test - Part 8: Determination
of dolomite dust clogging
(IDT)

Москва

Стандартинформ

2010

Предисловие

Цели и принципы стандартизации в Российской Федерации установлены Федеральным законом от 27 декабря 2002 г. № 184-ФЗ «О техническом регулировании», а правила применения национальных стандартов Российской Федерации - ГОСТ Р 1.0-2004 «Стандартизация в Российской Федерации. Основные положения»

Сведения о стандарте

1 ПОДГОТОВЛЕН Техническим комитетом по стандартизации средств индивидуальной защиты ТК 320 «СИЗ» на основе собственного аутентичного перевода стандарта, указанного в пункте 4

2 ВНЕСЕН Техническим комитетом по стандартизации средств индивидуальной защиты ТК 320 «СИЗ»

3 УТВЕРЖДЕН И ВВЕДЕН В ДЕЙСТВИЕ Приказом Федерального агентства по техническому регулированию и метрологии от 15 декабря 2009 г. № 879-ст

4 Настоящий стандарт идентичен региональному стандарту ЕН 13274-8:2002 «Средства индивидуальной защиты органов дыхания. Методы испытаний. Часть 8. Определение устойчивости к запылению доломитовой пылью» (EN 13274-8:2002 «Respiratory protective devices - Methods of test - Part 8: Determination of dolomite dust clogging»).

Наименование настоящего стандарта изменено относительно наименования указанного регионального стандарта для приведения в соответствие с ГОСТ Р 1.5-2004 (пункт 3.5).

При применении настоящего стандарта рекомендуется использовать вместо ссылочных региональных стандартов соответствующие им национальные стандарты, сведения о которых приведены в дополнительном приложении В

5 ВВЕДЕН ВПЕРВЫЕ

Информация об изменениях к настоящему стандарту публикуется ежегодно в издаваемом информационном указателе «Национальные стандарты», а текст изменений и поправок - в ежемесячно издаваемых информационных указателях «Национальные стандарты». В случае пересмотра (замены) или отмены настоящего стандарта соответствующее уведомление будет опубликовано в ежемесячно издаваемом информационном указателе «Национальные стандарты». Соответствующая информация, уведомление и тексты размещаются также в информационной системе общего пользования - на официальном сайте Федерального агентства по техническому регулированию и метрологии в сети Интернет

СОДЕРЖАНИЕ

1 Область применения. 3

2 Нормативные ссылки. 3

3 Термины и определения. 3

4 Общие положения. 3

5 Общие требования при испытаниях. 3

6 Подготовка образцов. 3

7 Метод испытаний. 4

7.1 Сущность метода. 4

7.2 Испытательное оборудование. 4

7.3 Условия проведения испытаний. 5

7.4 Методики проведения испытаний. 5

Приложение А (обязательное) Результаты испытаний. Неопределенность измерений. 8

Приложение В (справочное) Сведения о соответствии ссылочных международных стандартов национальным стандартам Российской Федерации. 8

Введение

Настоящий стандарт разработан как дополнение к стандартам на соответствующие средства индивидуальной защиты органов дыхания. Метод испытаний описан как для изделий в сборе, так и для их элементов. Если отступления от метода испытания, приведенного в настоящем стандарте, являются обязательными, то эти отступления должны быть описаны в стандарте на соответствующее СИЗОД.

НАЦИОНАЛЬНЫЙ СТАНДАРТ РОССИЙСКОЙ ФЕДЕРАЦИИ

Система стандартов безопасности труда

СРЕДСТВА ИНДИВИДУАЛЬНОЙ ЗАЩИТЫ ОРГАНОВ ДЫХАНИЯ

Методы испытаний

Часть 8

Определение устойчивости к запылению доломитовой пылью

Occupational safety standards system. Respiratory protective devices.
Test methods. Part 8. Determination of dolomite dust clogging

Дата введения - 2010-12-01

1 Область применения

Настоящий стандарт устанавливает метод испытания СИЗОД на устойчивость к запылению с использованием порошка доломита DRB 4/15*.

_____________

* В РФ утвержден тип ГСО гранулометрического состава (доломитовый порошок ДП 10), по дисперсному составу идентичный DRB 4/15.

2 Нормативные ссылки

В настоящем стандарте использована нормативная ссылка на следующий стандарт:

ЕН 132 Средства индивидуальной защиты органов дыхания. Определения, термины и пиктограммы (EN 132, Respiratory protective devices - Definitions of terms and pictograms)

3 Термины и определения

В настоящем стандарте применены термины и определения, приведенные в ЕН 132.

4 Общие положения

Чтобы обеспечить реализацию настоящего стандарта, в стандарте на соответствующее СИЗОД необходимо указывать следующие данные:

- количество образцов (включая, при необходимости, предфильтры);

- механическое воздействие;

- температурное воздействие;

- подготовку образцов;

- информацию об установке образца в испытательной пылевой камере (например, ориентация, держатель, муляж головы);

- информацию о состоянии СИЗОД перед началом испытания (например, фильтр, батарея, в случае СИЗОД с принудительной подачей воздуха);

- какая методика испытания используется (А, В, С);

- регламентируемое произведение концентрации пыли на время экспозиции до достижения предельного сопротивления воздушному потоку;

- номинальную скорость воздушного потока (если применимо, например, для СИЗОД с несколькими фильтрами);

- частоту дыхания;

- температуру и влажность воздуха для дыхания;

- критерий соответствия/несоответствия.

5 Общие требования при испытаниях

Все значения, приведенные в настоящем стандарте, являются номинальными. Допускается отклонение ± 5 % от указанной температуры, не оговоренное в настоящем стандарте как максимальное или минимальное. При этом температура окружающей среды при испытаниях должна составлять (24 ± 8) °С. Все другие значения температур должны задаваться с точностью ± 1 °С.

6 Подготовка образцов

Перед проведением испытаний проверяют СИЗОД/элемент и убеждаются, что оно находится в том состоянии, которого требует стандарт на соответствующее СИЗОД. При необходимости подбирают подходящий держатель и убеждаются, что СИЗОД/элемент может быть на нем закреплено. При необходимости сравнивают сопротивление дыханию с держателем и без него.

7 Метод испытаний

7.1 Сущность метода

Сущность метода состоит в определении времени достижения регламентированного стандартом на соответствующее противоаэрозольное СИЗОД/элемент сопротивления постоянному воздушному потоку в процессе его запыления. При этом произведение концентрации пыли на время экспозиции до достижения им предельного сопротивления должно быть не менее значения, указанного в стандарте на соответствующее СИЗОД.

7.2 Испытательное оборудование

Выбирают подходящее средство крепления СИЗОД/элемента, например держатель или голову-манекен Шеффилда. Необходимо убедиться, что СИЗОД/элемент крепится герметично. При расчете результатов учитывают сопротивление самого держателя.

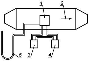
Схема типичной конструкции испытательной установки представлена на рисунке 1. Площадь сечения рабочей зоны испытательной пылевой камеры - (650´650) мм. Рекомендуемая камера для испытаний по показателю устойчивости к запылению с использованием порошка доломита DRB 4/15 показана на рисунке 2. Окно позволяет установить СИЗОД/элемент в камере. Определяющими параметрами испытания являются линейная скорость и распределение размеров частиц (рисунок 3), и эти параметры следует контролировать, если геометрия камеры отличается от приведенной здесь.

1 - сжатый воздух; 2 - воздушный фильтр; 3 - инжектор; 4 - испытательная пылевая камера;
5 - фильтр; 6 - расходомер;
7 - насос; 8 - сброс; 9 - распределитель пыли;
10 - точка захвата порошка доломита; 11 - направление потока воздуха

Рисунок 1 - Типичная конструкция испытательной установки

1 - окно; 2 - направление потока воздуха

Рисунок 2 - Размеры рекомендуемой испытательной пылевой камеры

1 - процентная доля частиц > D (размер частиц в мкм)

Рисунок 3 - Распределение размеров взвешенных в воздухе
частиц порошка доломита (по массе) вблизи точки тестирования

7.3 Условия проведения испытаний

В качестве аэрозоля используется пыль доломитового порошка DRB 4/15. Порошок доломита не применяют в замкнутом цикле и не используют повторно.

Постоянный поток воздуха должен проходить через пылевую камеру с расходом 60 м3/ч и линейной скоростью 4 см/с в рабочей зоне (рисунок 2). Распределение частиц доломитовой пыли по размерам представлено на рисунке 3.

Концентрация пыли в испытательной камере измеряют, пропуская воздух со скоростью 2 дм3/мин через пробоотборник, снабженный предварительно взвешенным высокоэффективным фильтром (с диаметром открытой поверхности - 37 мм), расположенным вблизи испытуемого СИЗОД/элемента.

Температура воздуха - (23 ± 2) °С.

Относительная влажность воздуха - (45 ± 15) %.

7.4 Методики проведения испытаний

7.4.1 Общие положения

Выбор методики испытаний (А, В и С) зависит от типа испытуемого СИЗОД/элемента.

Примечание - Методику А применяют для фильтров противоаэрозольных, методику В применяют для СИЗОД с принудительной подачей воздуха, а методику С применяют для полумасок фильтрующих для защиты от аэрозолей.

7.4.2 Методика А - Постоянный поток

Противоаэрозольный фильтр устанавливают в соответствующий держатель и подключают к насосу, который в ходе испытания прокачивает через него непрерывный поток воздуха (рисунок 4).

Размещают противоаэрозольный фильтр так, чтобы его входная поверхность была расположена параллельно потоку воздуха в испытательной пылевой камере.

Измеряют сопротивление держателя при заданной скорости воздушного потока и записывают изменение сопротивления воздушному потоку или устанавливают новую нулевую точку.

Перед началом испытания не менее 5 минут распыляют порошок доломита DRB 4/15, чтобы он равномерно распределился по объему испытательной пылевой камеры, а концентрация пыли стала постоянной.

Пропускают непрерывный поток воздуха со скоростью, указанной в 7.3 настоящего стандарта, через противоаэрозольный фильтр и непрерывно отслеживают сопротивление воздушного потока. Продолжают испытание до тех пор, пока произведение измеренной концентрации на время экспозиции или сопротивление воздушному потоку не будет равно значению, указанному в стандарте на соответствующий противоаэрозольный фильтр.

1 - испытуемый фильтр; 2 - направление потока воздуха;
3 - манометр; 4 - насос; 5 - счетчик или расходомер;
6 - сброс

Рисунок 4 - Схема установки для методики А

Примечание - Например, регламентируемое произведение концентрации пыли на время экспозиции, равное 263 мг · ч/м3 для противоаэрозольного фильтра, при концентрации пыли 400 мг/м3 определяет время испытания - 39,5 мин.

Отключают насос и аккуратно извлекают фильтр из испытательной пылевой камеры.

7.4.3 Методика В - Синусоидальный поток (выдыхаемый воздух без подогрева и увлажнения)

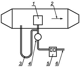
СИЗОД с принудительной подачей воздуха подключают к дыхательной машине, работающей в условиях окружающей среды (рисунки 5, 6)

1 - лицевая часть на голове-манекене Шеффилда; 2 - дыхательная машина;
3 - место входа воздуха в СИЗОД (все СИЗОД находятся в испытательной пылевой камере);
4 - направление потока воздуха

Рисунок 5 - Схема установки для методики В (все СИЗОД
находятся в испытательной пылевой камере)

1 - лицевая часть на голове-манекене Шеффилда; 2 - дыхательная машина;
3 - место входа воздуха в СИЗОД; 4 - направление потока воздуха

Рисунок 6 - Схема установки для процедуры В (в испытательной пылевой
камере находится только место входа воздуха в СИЗОД)

Размещают СИХОД/элемент так, чтобы рабочая поверхность была расположена параллельно потоку воздуха в испытательной пылевой камере.

В зависимости от конструкции СИЗОД с принудительной подачей воздуха размещают его одним из следующих способов:

- лицевую часть надевают на голову-манекен Шеффилда, а затем всю конструкцию помещают в испытательную пылевую камеру (рисунок 5);

- лицевую часть надевают на голову-манекен Шеффилда, расположенную за пределами испытательной пылевой камеры, и воздух подают на рабочую поверхность, находящуюся внутри камеры (рисунок 6).

В обоих случаях крепят лицевую часть на голове-манекене Шеффилда.

Перед началом испытания не менее 5 минут распыляют порошок доломита DRB 4/15, чтобы он равномерно распределился по объему испытательной пылевой камеры, а концентрация пыли стала постоянной.

Включают блок принудительной подачи воздуха (если он входит в комплектацию СИЗОД). Настраивают дыхательную машину на нужную частоту и объем и запускают ее, чтобы она работала до тех пор, пока произведение измеренной концентрации на время экспозиции или сопротивление воздушному потоку не будет равно значению, указанному в стандарте на соответствующее СИЗОД.

Примечание - Например, одно из регламентируемых произведений концентрации пыли на время экспозиции, равное 200 мг · ч/м3, при концентрации пыли 400 мг/м3 определяет время испытания - 30 мин.

Останавливают дыхательную машину и отключают блок принудительной подачи воздуха (если СИЗОД оснащено им). Аккуратно извлекают СИЗОД.

7.4.4 Методика С - Синусоидальный поток (подогретый и увлажненный выдыхаемый воздух)

Полумаску фильтрующую для защиты от аэрозолей подключают к дыхательной машине, которая вдыхает воздух в условиях окружающей среды и выдыхает увлажненный и подогретый воздух (рисунок 7).

1 - фильтрующая полумаска на голове-манекене Шеффилда; 2 - направление потока воздуха;
3 - увлажнитель, нагреватель; 4 - дыхательная машина; 5 - манометр

Рисунок 7 - Схема установки для методики С

Размещают полумаску так, чтобы рабочая поверхность полумаски фильтрующей для защиты от аэрозолей была расположена параллельно потоку воздуха в испытательной пылевой камере.

Помещают полумаску, закрепленную и герметизированную на голове-манекене Шеффилда, полностью в испытательную пылевую камеру. Настраивают дыхательную машину на нужную частоту и объем и запускают ее, чтобы она работала до тех пор, пока произведение измеренной концентрации на время экспозиции или сопротивление воздушному потоку не будет равно значению, указанному в соответствующем стандарте на фильтрующую полумаску. При этом температура и влажность воздуха во рту головы-манекена Шеффилда (на выдохе) должны соответствовать заданным условиям.

Примечание - Например, регламентируемое произведение концентрации пыли на время экспозиции, равное 833 мг · ч/м3, при концентрации пыли 400 мг/м3 определяет время испытания - 125 мин.

Перед началом испытания не менее 5 минут распыляют порошок DRB 4/15, чтобы он равномерно распределился по объему испытательной пылевой камеры, а концентрация пыли стала постоянной.

Останавливают дыхательную машину и аккуратно извлекают СИЗОД.

Приложение А
(обязательное)

Результаты испытаний. Неопределенность измерений

Для каждого из необходимых измерений, выполняемых в соответствии с настоящим стандартом, необходимо произвести соответствующую оценку неопределенности измерений. Оценку неопределенности производят и указывают при описании результатов испытаний, чтобы пользователь отчета об испытаниях (протокола) мог оценить достоверность данных.

Приложение В
(справочное)

Сведения о соответствии ссылочных международных стандартов
национальным стандартам Российской Федерации

Таблица В.1

Обозначение ссылочного стандарта

Степень соответствия

Обозначение и наименование соответствующего национального стандарта

ЕН 132

MOD

ГОСТ Р 12.4.233-2007 «Система стандартов безопасности труда. Средства индивидуальной защиты органов дыхания. Термины и определения»

 

Ключевые слова: безопасность труда, средства индивидуальной защиты органов дыхания, устойчивость к запылению, испытания, доломитовая пыль