Стандарт распространяется на самоспасатели фильтрующие, предназначенные для защиты от монооксида углерода, и устанавливает минимальные требования к противогазовому фильтру, применяемому в фильтрующих самоспасателях. В стандарт включены методы лабораторных и практических испытаний эксплуатационных свойств для оценки соответствия требованиям настоящего стандарта. Стандарт не распространяется на следующие типы СИЗОД: - пожарные; - военные; - медицинские; - авиационные; - дыхательные аппараты, для аварийно-спасательных подземных работ; - для подводных работ.
| Обозначение: | ГОСТ Р ЕН 404-2011 |
| Название рус.: | Система стандартов безопасности труда. Средства индивидуальной защиты органов дыхания. Самоспасатель фильтрующий для защиты от монооксида углерода с загубником. Общие технические условия |
| Статус: | действует |
| Дата актуализации текста: | 05.05.2017 |
| Дата добавления в базу: | 01.10.2014 |
| Дата введения в действие: | 01.12.2012 |
| Утвержден: | 25.10.2011 Федеральное агентство по техническому регулированию и метрологии (492-ст) |
| Опубликован: | Стандартинформ (2013 г. ) |
| Ссылки для скачивания: |
ФЕДЕРАЛЬНОЕ АГЕНТСТВО
ПО ТЕХНИЧЕСКОМУ РЕГУЛИРОВАНИЮ И МЕТРОЛОГИИ
|
|
НАЦИОНАЛЬНЫЙ |
ГОСТ Р ЕН
|
Система стандартов безопасности труда
СРЕДСТВА ИНДИВИДУАЛЬНОЙ ЗАЩИТЫ
ОРГАНОВ ДЫХАНИЯ.
САМОСПАСАТЕЛЬ ФИЛЬТРУЮЩИЙ
ДЛЯ ЗАЩИТЫ ОТ МОНООКСИДА УГЛЕРОДА
С ЗАГУБНИКОМ
Общие технические условия
EN 404:2005
Respiratory protective devices
for self-rescue - Filter self-rescuer
from carbon
monoxide with mouthpiece assembly
- General specifications
(IDT)
|
|
Москва Стандартинформ 2013 |
Цели и принципы стандартизации в Российской Федерации установлены Федеральным законом от 27 декабря 2002 г. № 184-ФЗ «О техническом регулировании», а правила применения национальных стандартов Российской Федерации - ГОСТ Р 1.0-2004 «Стандартизация в Российской Федерации. Основные положения»
Сведения о стандарте
1 ПОДГОТОВЛЕН Техническим комитетом по стандартизации средств индивидуальной защиты ТК 320 «СИЗ» на основе собственного аутентичного перевода на русский язык европейского регионального стандарта, указанного в пункте 4
2 ВНЕСЕН Техническим комитетом по стандартизации средств индивидуальной защиты ТК 320 «СИЗ»
3 УТВЕРЖДЕН И ВВЕДЕН В ДЕЙСТВИЕ Приказом Федерального агентства по техническому регулированию и метрологии от 25 октября 2011 г. № 492-ст
4 Настоящий стандарт идентичен европейскому региональному стандарту ЕН 404:2005 «Средства индивидуальной защиты органов дыхания для эвакуации. Фильтрующий самоспасатель с загубником для защиты от монооксида углерода» (EN 404:2005 «Respiratory protective devices for self-rescue - Filter self-rescuer from carbon monoxide with mouthpiece assembly).
Наименование настоящего стандарта изменено относительно наименования указанного европейского регионального стандарта для приведения в соответствие с ГОСТ Р 1.5-2004 (пункт 3.5).
При применении настоящего стандарта рекомендуется использовать вместо ссылочных европейских региональных стандартов соответствующие им национальные стандарты Российской Федерации, сведения о которых приведены в дополнительном приложении ДА
5 ВВЕДЕН ВПЕРВЫЕ
Информация об изменениях к настоящему стандарту публикуется в ежегодно издаваемом информационном указателе «Национальные стандарты», а текст изменений и поправок - в ежемесячно издаваемых информационных указателях «Национальные стандарты». В случае пересмотра (замены) или отмены настоящего стандарта соответствующее уведомление будет опубликовано в ежемесячно издаваемом информационном указателе «Национальные стандарты». Соответствующая информация, уведомление и тексты размещаются также в информационной системе общего пользования - на официальном сайте Федерального агентства по техническому регулированию и метрологии в сети Интернет
СОДЕРЖАНИЕ
ГОСТ Р ЕН 404-2011
НАЦИОНАЛЬНЫЙ СТАНДАРТ РОССИЙСКОЙ ФЕДЕРАЦИИ
Система стандартов безопасности труда
СРЕДСТВА ИНДИВИДУАЛЬНОЙ ЗАЩИТЫ ОРГАНОВ ДЫХАНИЯ.
САМОСПАСАТЕЛЬ ФИЛЬТРУЮЩИЙ ДЛЯ ЗАЩИТЫ ОТ МОНООКСИДА
УГЛЕРОДА С ЗАГУБНИКОМ
Общие технические условия
Occupational safety standards system.
Respiratory protective devices for self-rescue. Filter self-rescuer from carbon
monoxide with mouthpiece assembly.
General specifications
Дата введения - 2012-12-01
Настоящий стандарт распространяется на самоспасатели фильтрующие, предназначенные для защиты от монооксида углерода, и устанавливает минимальные требования к противогазовому фильтру, применяемому в фильтрующих самоспасателях.
В настоящий стандарт включены методы лабораторных и практических испытаний эксплуатационных свойств для оценки соответствия требованиям настоящего стандарта.
Стандарт не распространяется на следующие типы СИЗОД:
- пожарные;
- военные;
- медицинские;
- авиационные;
- дыхательные аппараты для аварийно-спасательных подземных работ;
- для подводных работ.
В настоящем стандарте использованы нормативные ссылки на следующие стандарты.
ЕН 132 Средства индивидуальной защиты органов дыхания. Определения терминов и пиктограммы (EN 132 Respiratory protective devices - Definitions of terms and pictograms)
EH 134 Средства индивидуальной защиты органов дыхания. Номенклатура составных частей (EN 134 Respiratory protective devices - Nomenclature of components)
EN 13274-2 Средства индивидуальной защиты органов дыхания. Методы испытаний. Часть 2. Практические испытания эксплуатационных свойств (EN 13274-2 Respiratory protective devices - Methods of test - Part 2: Practical performance test)
В настоящем стандарте применены термины и определения в соответствии с ЕН 132 и ЕН 134.
Фильтрующий самоспасатель (далее - самоспасатель) представляет собой фильтрующее СИЗОД в соответствующем контейнере, предназначенное для защиты от монооксида углерода. Стандарт не распространяется на СИЗОД, предназначенные для использования в условиях недостатка кислорода (т. е. при концентрации кислорода менее 17 % по объему). Фильтрующий самоспасатель состоит из загубника с фильтром. Загубник фильтрующего самоспасателя соединен с фильтром(ами) непосредственно или через соединительный шланг.
Фильтрующие самоспасатели классифицируют в соответствии с минимальным временем защитного действия, определяемым в условиях испытаний с помощью дыхательной машины в соответствии С 7.6.1.
Таблица 1 - Классы фильтрующих самоспасателей
|
Минимальное время защитного действия, мин |
||
|
FSR1А |
FSR1В |
60 |
|
FSR2A |
FSR2B |
75 |
|
FSR3A |
FSR3B |
90 |
|
FSR4A |
FSR4B |
120 |
В классе 1 - 4 указывают минимальное время защитного действия, приведенное в таблице 1. Буквы «А» и «В» указывают воздушный поток 30 и 40 дм3/мин, соответственно. Фильтрующие самоспасатели, соответствующие требованиям к эксплуатации в условиях высокого риска механических повреждений, маркируют буквой «R».
Примечание - Реальное время защитного действия может отличаться от времени защитного действия, определенного в соответствии с настоящим стандартом, как в большую, так и в меньшую сторону, в зависимости от условий эксплуатации.
Все испытуемые образцы во всех испытаниях должны удовлетворять следующим требованиям. При ссылке на номер пункта методов испытаний следует применять все подпункты, если не указано иное.
Примечание - Требования к проведению испытаний и методы испытаний основаны на конструкции существующих фильтрующих самоспасателей с гопкалитом и поглотителем влаги. Следует учитывать влияние конструкции самоспасателей с другими фильтрующими материалами.
Требования настоящего стандарта следует учитывать при взаимодействии между пользователем, самоспасателем и при возможности в условиях эксплуатации, в которых используется этот самоспасатель. Самоспасатель должен удовлетворять 6.3 и 6.19.
Конструкция самоспасателя должна обеспечивать возможность его осмотра в соответствии с информацией, предоставляемой изготовителем.
Самоспасатель должен быть достаточно прочным для эксплуатации в условиях высокого риска механических повреждений, соответствующих его классификации.
Конструкция самоспасателя должна исключать выступающие элементы, острые кромки и заусеницы, которые могут зацепляться в узких проходах или контактировать с пользователем.
Части самоспасателя, которые могут контактировать с кожей человека, не должны иметь острых кромок и заусениц.
Конструкция фильтрующего самоспасателя должна обеспечивать легкий способ очистки внешней поверхности переносного контейнера.
Если фильтрующий самоспасатель оборудуется противоаэрозольным фильтром для защиты от грубодисперсных частиц, то этот фильтр должен легко сниматься.
Конструкция самоспасателя должна обеспечивать его работоспособность в любом положении.
Испытания проводят в соответствии с 7.3 и 7.5.
Необходимо обеспечить надлежащую защиту от коррозии переносного контейнера и запорного устройства. Используемые материалы должны выдерживать температурные и механические воздействия, оказываемые на человека, использующего самоспасатель, или на автомобили и другие транспортные средства, в которых хранятся самоспасатели.
Испытания проводят в соответствии с 7.4.3 и 7.5.2.
Открытые части самоспасателя, подверженные удару при использовании самоспасателя, не должны изготавливаться из алюминия, магния, титана или их сплавов.
Материалы, которые могут контактировать с кожей пользователя, не должны вызывать раздражения кожи или оказывать иное неблагоприятное воздействие на здоровье пользователя.
Испытания проводят в соответствии с 7.3 и 7.5.
Для предотвращения образования электростатического заряда на неметаллических переносных контейнерах сопротивление электрической изоляции не должно превышать 109 Ом.
Испытания проводят в соответствии с 7.6.6.
Материалы не должны менять своих свойств при использовании чистящих и дезинфицирующих средств, рекомендованных изготовителем.
Испытания проводят в соответствии с 7.3.
Масса готового к использованию фильтрующего самоспасателя, надетого на голову пользователя, не должна превышать 750 г.
Масса всего фильтрующего самоспасателя, включая переносной контейнер, не должна превышать 2000 г.
Измерение массы проводят в лабораторных условиях.
Испытания проводят в соответствии с 7.1.
Все соединения фильтрующего самоспасателя должны быть газонепроницаемыми.
Испытания проводят в соответствии с 7.6.1 и 7.6.2.
Все соединения фильтрующего самоспасателя должны быть достаточно прочными и выдерживать силу растяжения 50 Н в течение 10 с. Соединения незащищенных соединительных шлангов должны выдерживать силу растяжения 250 Н в течение 10 с.
Испытания проводят в соответствии с 7.3, 7.5.1 и 7.6.10.2.
Для удобного, безопасного и при необходимости постоянного ношения самоспасателя пользователем необходимо использовать переносной контейнер. В качестве средства переноски также можно использовать дополнительные средства переноски, например сумку.
Испытания проводят в соответствии с 7.5.2.
Если самоспасатель предназначен для ношения на пользователе, усилие разрыва для средств переноски должно быть не менее 400 Н и не должно превышать 800 Н.
Испытания проводят в соответствии с 7.6.10.3.
Ремни крепления фильтрующего самоспасателя должны быть удобными и безопасными при использовании. Ремни крепления должны быть регулируемыми и/или растяжимыми.
Испытания проводят в соответствии с 7.5.1.
Все ремни крепления должны выдерживать силу растяжения 50 Н в течение 10 с в направлении, в котором на ремни крепления действует сила растяжения при использовании самоспасателя.
Испытания проводят в соответствии с 7.6.10.2.
Конструкция фильтрующего самоспасателя должна обеспечивать его быстрое и простое надевание в соответствии с информацией, предоставляемой изготовителем, в течение не более 20 с без чрезмерных усилий. Необходимо обеспечить защиту запорного устройства от непреднамеренного открытия. При визуальном осмотре самоспасателя должно быть видно, использовался самоспасатель или нет.
Испытания проводят в соответствии с 7.5.1.
Любой элемент самоспасателя, используемый для извлечения фильтрующего самоспасателя из переносного контейнера или контейнера для хранения, должен выдерживать силу растяжения 400 Н, прилагаемую в течение 10 с в направлении, в котором на элемент самоспасателя действует сила растяжения при обычном извлечении фильтрующего самоспасателя.
Испытания проводят в соответствии с 7.6.10.2.
Необходимо выявить негерметичности в контейнере, предназначенном для защиты самоспасателя от загрязнения, с помощью методов, указанных производителем. Испытания проводят в соответствии с 7.6.4.
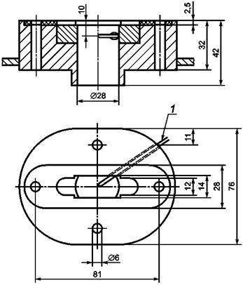
6.12.1 Загубник
Лицевая часть представляет собой загубник, удерживаемый зубами, с губным уплотнением. Через загубник вдыхается и выдыхается воздух, при этом нос закрыт носовым зажимом. Загубник должен быть плотно подогнан. Необходимо исключить возможность непреднамеренного перекрывания соединительных шлангов при использовании загубника.
Носовой зажим должен исключать возможность вдыхания воздуха носом. Носовой зажим должен быть закреплен на фильтрующем самоспасателе таким образом, чтобы при надевании загубника привлечь внимание человека к носовому зажиму.
Испытания проводят в соответствии с 7.3 и 7.5.1.
6.12.2 Соединительный шланг
Соединительные шланги, если они установлены, должны обеспечивать свободное движение головы, а также при пережатии подбородком или рукой не должны препятствовать или перекрывать поступление воздуха. Соединительные шланги могут растягиваться или сжиматься. Шланг не должен разрываться при растяжении не менее 20 % от длины шланга, остаточная линейная деформация шланга не должна превышать 10 %.
Испытания проводят в соответствии с 7.5.1 и 7.6.9.
Клапаны, если они установлены, должны работать в любом положении. При проведении испытаний в соответствии с 7.6.7 необходимо обеспечить соответствие требованиям 6.18.1, 6.18.2 и 6.18.4. Испытания проводят в соответствии с 7.6.1, 7.6.2 и 7.6.7.
Конструкция фильтрующего самоспасателя должна быть такой, чтобы слюна или конденсат не оказывали влияния на работу фильтрующего самоспасателя и не наносили вреда пользователю. Испытания проводят в соответствии с 7.5.1.
При проведении испытаний в соответствии с 7.6.2 после испытаний в соответствии с 7.3 самоспасатель должен сохранять свою механическую целостность и не должен представлять опасности для пользователя.
6.16.1 Устойчивость к механическому воздействию
После предварительной подготовки в соответствии с 7.4.2 фильтрующий самоспасатель должен соответствовать требованиям 6.15 и 6.18.
6.16.2 Эксплуатация в условиях высокого риска механических повреждений (дополнительно)
Данные испытания являются дополнительными.
Если самоспасатель предназначен для эксплуатации в условиях высокого риска механических повреждений, необходимо провести испытания фильтрующего самоспасателя в бетономешалке.
После предварительной подготовки в соответствии с 7.4.3 фильтрующий самоспасатель должен соответствовать требованиям к эксплуатационным характеристикам согласно 6.18. Маркировка должна соответствовать 8.1.4.
6.16.3 Температурное воздействие
После температурного воздействия в соответствии с 7.4.4 и выдерживания при комнатной температуре эксплуатационные характеристики должны соответствовать требованиям 6.18.
6.16.4 Устойчивость к транспортировке
После транспортных испытаний фильтрующего самоспасателя в соответствии с 7.5.2 проводят испытания фильтрующего самоспасателя согласно требованиям, приведенным в таблице 3 настоящего стандарта.
Содержание диоксида углерода во вдыхаемом воздухе («мертвое пространство») в среднем не должно превышать 2 % по объему.
Испытания проводят в соответствии с 7.6.8.
6.18.1 Минимальное время защитного действия
Фильтрующий самоспасатель должен соответствовать требованиям, приведенным ниже для соответствующего класса, при проведении испытаний с воздушным потоком, указанным в таблице 2.
Таблица 2 - Минимальное время защитного действия
|
Воздушный поток, дм3/мин |
Минимальное время защитного действия, мин |
||
|
Тип А |
Тип В |
||
|
FSR1 |
30 |
40 |
60 |
|
FSR2 |
30 |
40 |
75 |
|
FSR3 |
30 |
40 |
90 |
|
FSR4 |
30 |
40 |
120 |
Примечание - Скорость воздушного потока при испытаниях фильтрующих самоспасателей регламентирована на основании практического опыта различных стран, в которых подобные самоспасатели используются в различных отраслях горнодобывающей промышленности.
Испытания проводят в соответствии с 7.6.1.
6.18.2 Содержание монооксида углерода во вдыхаемом воздухе
Концентрация монооксида углерода во вдыхаемом воздухе для самоспасателя типа В не должна превышать средневзвешенное значение по времени 200 см3/м3 за каждый отдельный интервал времени длительностью 5 мин. Общее содержание монооксида углерода во вдыхаемом воздухе для самоспасателя типа А не должно превышать 400 см3 в течение минимального времени защитного действия. Общее содержание монооксида углерода во вдыхаемом воздухе для самоспасателя типа В не должно превышать 200 см3 в течение минимального времени защитного действия.
Испытания проводят в соответствии с 7.6.1 и 7.6.2.
6.18.3 Температура и влажность
Температура вдыхаемого воздуха для самоспасателя типа А не должна превышать 90 °С по сухому термометру и 50 °С по влажному термометру в течение минимального времени защитного действия.
Температура вдыхаемого воздуха для самоспасателя типа В не должна превышать 85 °С по сухому термометру и 50 °С по влажному термометру в течение минимального времени защитного действия.
Испытания проводят в соответствии с 7.6.1 и 7.6.2.
6.18.4 Сопротивление дыханию
Сопротивление на вдохе для самоспасателя типа А не должно превышать 1200 Па в течение минимального времени защитного действия. Сопротивление на выдохе не должно превышать 350 Па в течение минимального времени защитного действия.
Сопротивление на вдохе для самоспасателя типа В не должно превышать 700 Па в течение минимального времени защитного действия. Сопротивление на выдохе не должно превышать 250 Па в течение минимального времени защитного действия.
Испытания проводят в соответствии с 7.6.1, 7.6.2 и 7.6.3.
Кроме описанных испытаний необходимо провести модельные испытания эксплуатационных свойств в реальных условиях. Эти испытания эксплуатационных свойств позволяют проверить самоспасатель на наличие недостатков, которые не могут быть обнаружены иными методами, описанными в настоящем стандарте.
Если при выполнении работ испытатель не смог завершить выбранную операцию вследствие несоответствия самоспасателя заявленному назначению, то самоспасатель считается непригодным для проведения соответствующих работ.
После завершения работы испытатель должен ответить на вопросы, приведенные в подразделе 6.6 ЕН 13274-2. Испытательная лаборатория должна использовать эти ответы для определения пригодности самоспасателя.
Если по какой-либо причине невозможно провести испытания эксплуатационных свойств под землей, в испытательной лаборатории необходимо провести модельные испытания, максимально приближенные к реальным, описать их и предоставить результаты для того, чтобы можно было повторить эти испытания в других испытательных лабораториях и оценить результаты.
Испытания проводят в соответствии с 7.5.
Если не оговорено применение специальных измерительных приборов и методов измерения, то испытания проводят с использованием средств измерений утвержденных типов на аттестованных испытательных установках.
К проведению испытаний эксплуатационных свойств привлекают испытателей, не имеющих в анамнезе медицинских противопоказаний для данного вида деятельности. Лицо, отвечающее за проведение испытаний, должно принять решение о необходимости медицинского освидетельствования и медицинского контроля до и во время испытаний.
Примечание - Сводные сведения об испытаниях приведены в таблице 6.
Все значения величин, приведенные в настоящем стандарте, являются номинальными. Допускается отклонение ±5 % от указанного значения температуры, не оговоренного в стандарте как максимальное или минимальное. При этом, если не указано иное, температура воздуха при испытаниях должна составлять от 16 °С до 32 °С, но при испытаниях на механическую прочность - от 10 °С до 30 °С, а значения температур должны задаваться с точностью ±1 °С.
Визуальный осмотр проводят в испытательной лаборатории до проведения лабораторных испытаний или испытаний эксплуатационных свойств. При проведении осмотра, возможно, потребуется разобрать самоспасатель в соответствии с инструкцией по эксплуатации, предоставляемой изготовителем. При визуальном осмотре проверяют маркировку самоспасателя и информацию, предоставляемую изготовителем.
7.4.1 Общие положения
В соответствии с данными, приведенными в таблице 6, перед проведением испытаний требуется выполнить предварительную подготовку образцов, методы проведения которой приведены в 7.4.2, 7.4.3, 7.4.4 или 7.5.2.
7.4.2 Устойчивость к механическому воздействию Испытывают три образца фильтрующего самоспасателя.
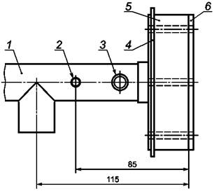
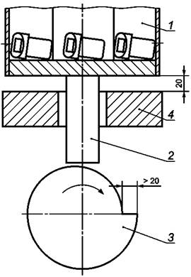
Схема установки, представленная на рисунке 7, состоит из стального корпуса 1, закрепленного на вертикально перемещающемся поршне 2, который кроме того может подниматься на 20 мм с помощью вращающегося кулачка 3 и опускаться обратно на стальную пластину 4 под действием собственной массы по мере вращения кулачка. Масса стального корпуса должна составлять не менее 10 кг.
Масса стальной пластины, на которую падает стальной корпус, должна как минимум в 10 раз превышать массу стального корпуса. Это достигается приворачиванием болтами стальной пластины к твердому полу.
Фильтрующие самоспасатели должны быть помещены на бок в стальной корпус 1 так, чтобы они не касались друг друга во время испытания и обеспечивали возможность движения по горизонтали на 6 мм и свободного движения по вертикали.
Установка должна работать со скоростью приблизительно 80 - 100 об/мин при общем количестве оборотов 50000. Фильтрующие самоспасатели следует испытывать в состоянии после поставки, включая переносные контейнеры и уплотнения.
7.4.3 Испытания, моделирующие эксплуатацию в условиях высокого риска механических повреждений
Испытывают три образца фильтрующего самоспасателя.
Бетономешалка, используемая для проведения испытаний, должна удовлетворять следующим требованиям:
- диаметр бетонораздаточной бадьи приблизительно 70 см;
- глубина бетонораздаточной бадьи приблизительно 70 см;
- две внутренние лопатки на расстоянии примерно 17 см от дна;
- частота вращения примерно 25 об/мин.
В бетономешалку помещают три образца фильтрующего самоспасателя в состоянии после поставки и проводят испытания до достижения общего количества оборотов 800.
Примечание - В случае необходимости при проведении испытания следует обеспечить защиту запорного устройства от непреднамеренного открытия.
7.4.4 Температурное воздействие
Испытывают восемь образцов фильтрующего самоспасателя. При подземных эвакуационных испытаниях следует дополнительно испытать два образца фильтрующего самоспасателя.
При проведении последующих испытаний каждый фильтрующий самоспасатель проходит следующий термический цикл:
a) нагревание до (70 ± 3) °С при относительной влажности воздуха не более 20 % в течение 72 ч;
b) нагревание до (70 ± 3) °С при относительной влажности воздуха (95 - 100) % в течение 72 ч;
c) охлаждение до минус (30 ± 3) °С в течение 24 ч.
7.5.1 Эвакуационные испытания
7.5.1.1 Общие положения
Эвакуационные испытания проводят в испытательной лаборатории с использованием четырех образцов самоспасателя при участии четырех испытателей.
Подземные эвакуационные испытания (дополнительно) проводят с использованием четырех образцов самоспасателя при участии четырех испытателей.
При проведении эвакуационных испытаний, когда фильтрующий самоспасатель используется испытателем в условиях, адекватных ситуациям эвакуации, необходимо определить, работает ли фильтрующий самоспасатель удовлетворительно. При этом в атмосфере нет монооксида углерода. При проведении испытаний испытатель выполняет различные виды работ.
До проведения испытаний испытатели должны быть проинструктированы о правильном способе открытия и надевания фильтрующего самоспасателя в соответствии с информацией, предоставляемой изготовителем.
Во время испытаний у каждого испытателя должен быть сопровождающий.
До проведения испытаний необходимо записать следующие данные об испытателях:
- имя;
- возраст;
- рост;
- вес.
Необходимо записывать температуру и относительную влажность в процессе проведения испытаний, а также массу готового к использованию фильтрующего самоспасателя.
При проведении этих испытаний необходимо записывать сведения, касающиеся видов работ и продолжительности их выполнения. В ходе испытаний испытатель должен дать субъективную оценку фильтрующего самоспасателя, а после испытания следует записать комментарии по следующим вопросам:
- конструкция;
- материалы;
- совместимость с кожей;
- удобство надевания;
- обращение;
- лицевая часть;
- ловушка для слюны.
7.5.1.2 Образцы для испытаний
В ходе эвакуационных испытаний используют только самоспасатели, прошедшие лабораторные испытания.
7.5.1.3 Испытатели
К проведению испытаний привлекают испытателей, не имеющих в анамнезе медицинских противопоказаний для данного вида деятельности. Лицо, отвечающее за проведение испытаний, должно принять решение о необходимости медицинского освидетельствования и медицинского контроля до и во время испытаний.
7.5.1.4 Эвакуационные испытания в испытательной лаборатории Испытания проводят в специальной комнате, предназначенной для испытаний.
Испытания проводят при температуре окружающей среды от 20 °С до 30 °С и при нормальной относительной влажности воздуха. В окружающей атмосфере не должно быть дыма. Циркуляция воздуха должна быть незначительной.
Упражнения необходимо прерывать после истечения минимальной продолжительности испытания или в случае, если испытатель не способен завершить упражнения.
Эксплуатационные испытания делят на последовательные этапы (упражнения 7, 9, 13 и 8 в соответствии с ЕН 13274-2). В ходе каждого из этих этапов испытатель выполняет следующие упражнения:
- ходьба в течение 1 мин на беговой дорожке со скоростью 8,0 км/ч (общее расстояние 133 м) - упражнение 7;
- ходьба в течение 4 мин на беговой дорожке со скоростью 4,0 км/ч (общее расстояние 267 м) - упражнение 9;
- ходьба в течение 23 мин по специальной комнате, предназначенной для испытаний, - упражнение 13.
Упражнения в специальной комнате, предназначенной для испытаний, включают спуски и подъемы по пандусам различной высоты и подъем по лестнице 15 м со скоростью примерно 10 м/мин. Необходимо выполнить несколько подъемов и спусков по стационарной лестнице для набора высоты подъема 15 м.
- ходьба в течение 2 мин на беговой дорожке со скоростью 2,4 км/ч (общее расстояние 80 м) с наклоном 20 % - упражнение 8.
Количество этапов зависит от класса СИЗОД.
7.5.1.5 Подземные эвакуационные испытания (дополнительно)
Для фильтрующих самоспасателей, применяемых в горнодобывающей промышленности, проводят дополнительные подземные испытания. При невозможности проведения подземных испытаний их необходимо провести в специальной комнате, предназначенной для испытаний.
Общая продолжительность испытаний для всех упражнений соответствует минимальному времени защитного действия в соответствии с классом, указанным в таблице 1. Все следующие упражнения необходимо выполнить хотя бы один раз.
|
Описание упражнения |
Продолжительность, в процентах от минимального времени защитного действия фильтрующего самоспасателя |
|
Пандус, наклон приблизительно 15 % (13,5 градусов) |
Подъем - 25 Спуск - 25 |
|
Лаз, имитирующий пропласток, высота максимально 1 м |
По горизонтали - 20 |
|
Лаз, имитирующий пропласток, наклон приблизительно 15 %, (13,5 градусов) |
Подъем - 10 Спуск - 10 |
|
Подъем в шахте |
По вертикали - 10 |
Последовательность различных этапов упражнения может быть изменена. Не требуется связывать различные этапы упражнения.
7.5.2 Транспортные испытания
Испытывают 20 самоспасателей: 10 самоспасателей надевают на испытателей, другие 10 самоспасателей перевозят на транспортных средствах.
Испытательная лаборатория проводит испытания фильтрующих самоспасателей в соответствующей шахте. Транспортные испытания проводят под землей предпочтительно на глубине не менее 500 м. Эти испытания включают различные действия испытателей.
Визуальный осмотр транспортируемых фильтрующих самоспасателей проводят в испытательной лаборатории не менее одного раза в месяц и ежедневно в шахте. Записывают все результаты и процедуры технического обслуживания с указанием даты и индивидуального номера самоспасателя.
Самоспасатель должен переноситься испытателем или перевозиться на транспортных средствах в течение 120 смен. В качестве испытателей используют водителей транспортных средств, рабочих забоя и проходчиков, инспекторов и обслуживающий персонал. Испытатели должны носить фильтрующие самоспасатели в течение всей смены.
Описывают условия окружающей среды для проведения испытаний, например, указывают температуру, относительную влажность, глубину, условия ношения самоспасателей испытателями и размещение самоспасателей на транспортных средствах, чтобы другие испытательные лаборатории могли проверить и оценить полученные результаты.
Обслуживание испытуемых самоспасателей проводят в соответствии с указаниями по эксплуатации изготовителя. Отбирают самоспасатели с видимыми повреждениями и исключают их из процесса испытаний. Такие самоспасатели отправляют в испытательную лабораторию с указанием причины повреждения.
После завершения испытаний испытатели оставляют свои комментарии. Эти комментарии испытательной лабораторией учитываются при заключительной оценке фильтрующего самоспасателя.
По окончании 120 смен фильтрующие самоспасатели проверяют в испытательной лаборатории:
- самоспасатели с видимыми повреждениями исключают из дальнейших испытаний;
- образцы, выбранные в произвольном порядке из оставшихся самоспасателей, испытывают в соответствии с таблицей 3. В каждом испытании испытывают одинаковое количество фильтрующих самоспасателей, которые использовались испытателями, и фильтрующих самоспасателей, которые размещались на транспортных средствах.
Таблица 3 - Испытания самоспасателей после завершения транспортных испытаний
|
Номер пункта требований |
Число образцов |
|
7.3 |
все |
|
7.6.1 и 7.6.3 |
2 |
|
7.6.2 |
2 |
|
7.6.7 |
2 |
|
7.5.1.4 |
2 |
|
7.5.1.5 (дополнительно) |
(2) |
Самоспасатели с видимыми повреждениями, исключенные из дальнейших испытаний, испытывают более подробно. Испытательная лаборатория должна учитывать результаты этих испытаний в заключительной оценке фильтрующих самоспасателей.
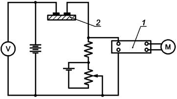
7.6.1 Испытания минимального времени защитного действия по монооксиду углерода
Испытывают восемь фильтрующих самоспасателей. Среди самоспасателей, прошедших испытания, моделирующие эксплуатацию в условиях высокого риска механических повреждений, испытывают дополнительно два фильтрующих самоспасателя.
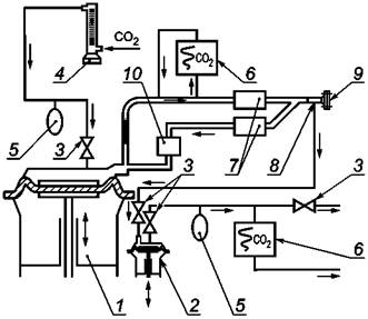
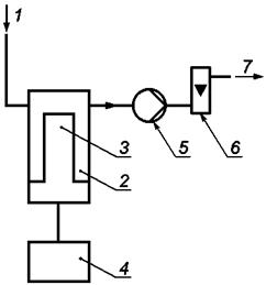
Схематическое устройство испытательных установок, необходимых для данных испытаний, представлено на рисунках 1 и 5. Испытательные установки состоят из дыхательной машины с электромагнитными клапанами, управляемыми дыхательной машиной, увлажнителей, испытательной камеры, адаптера, измерителей потока воздуха и монооксида углерода, выпуска, пробоотборных портов, анализаторов, предназначенных для определения содержания монооксида углерода, и измерителей давления и температуры.
Конструкция адаптера (рисунки 2 - 4 и 6) не является обязательной. Спецификации пробоотборных портов и точек измерения указаны подробно.
Испытания фильтрующего самоспасателя проводят на испытательной установке с использованием дыхательной машины, настройки которой устанавливают перед испытаниями в соответствии с таблицей 4.
Таблица 4 - Настройки дыхательной машины
|
Минутная вентиляция при 23 °С и давлении 100 кПа |
|||
|
дм3/мин |
цикл/мин |
дм3/ход |
|
|
А |
30 |
20 |
1,5 |
|
В |
40 |
20 |
2,0 |
Для проведения испытания фильтрующий самоспасатель прикрепляют к соответствующему адаптеру. Условия проведения испытаний приведены в таблице 5.
Таблица 5 - Условия проведения испытаний
|
Условия проведения испытаний |
Единицы измерения |
Тип А |
Тип В |
|
Постоянный поток испытательной атмосферы |
дм3/мин |
³ 100 |
³ 130 |
|
Температура выдыхаемого воздуха |
°С |
(37,0 ± 0,5) |
(37,0 ± 0,5) |
|
Относительная влажность выдыхаемого воздуха |
% |
95 - 100 |
95 - 100 |
|
Содержание паров воды в испытательной камере |
г/м3 |
20,7 |
27,0 |
|
Температура испытательной атмосферы |
°С |
(25 ± 1) |
(28 ± 1) |
|
Концентрация монооксида углерода |
% по объему |
0,25 |
0,25 |
Обеспечивают подачу в испытательную камеру непрерывного потока испытательной атмосферы. Увлажнение испытательной атмосферы и выдыхаемого воздуха осуществляется с помощью увлажнителей. Монооксид углерода подается в испытательную камеру через регулирующий клапан и измеритель потока. Концентрацию монооксида углерода в испытательной камере непрерывно измеряют и регистрируют рядом с зоной дыхания фильтрующего самоспасателя.
Перед началом испытаний регулируют температуру выдыхаемого воздуха и измеряют температуру в ходе испытаний в точке измерения температуры на адаптере. Влажность испытательной атмосферы в испытательной камере непрерывно проверяют рядом с зоной дыхания фильтрующего самоспасателя.
Примечание - Следует учитывать, что на испытательную атмосферу в испытательной камере оказывает влияние испытуемый фильтрующий самоспасатель.
Общий объем «мертвого пространства» газовой линии испытательной установки (за исключением дыхательной машины) не должен превышать 2000 см3.
Точка измерения температуры вдыхаемого воздуха показана на рисунке 3. Измерение температуры производят с помощью низкоинерционной термопары (например, термопары NiCr-Ni с проволокой диаметром 0,2 мм).
Температуру по влажному термометру вдыхаемого воздуха измеряют в точке, указанной на рисунке 2 или 5. Метод определения температуры по влажному термометру вдыхаемого воздуха описан в приложении В.
Постоянно измеряют и регистрируют данные о сопротивлении дыханию, температуре вдыхаемого воздуха по влажному и сухому термометру, объемной доле и общем содержании монооксида углерода во вдыхаемом воздухе (см3/м3 и см3).
7.6.2 Испытания при высокой концентрации монооксида углерода
Испытывают три фильтрующих самоспасателя. Среди самоспасателей, прошедших испытания, моделирующие эксплуатацию в условиях высокого риска механических повреждений, испытывают дополнительно один фильтрующий самоспасатель.
Испытания проводят в соответствии с 7.6.1, но при использовании концентрации монооксида углерода 1,5 % по объему в испытательной атмосфере. Оценку опасности для испытателя проводят при достижении максимальной температуры вдыхаемого воздуха. Для этого самоспасатель извлекают из испытательной установки, и испытатель проверяет его на уровень комфорта при дыхании.
7.6.3 Сопротивление дыханию
Сопротивление дыханию измеряют на соответствующем порте адаптера (рисунок 2) с помощью быстродействующего датчика давления.
Результаты измерений корректируют с учетом конструкции адаптера.
7.6.4 Герметичность
Данное испытание проводят в соответствии с инструкциями производителя.
7.6.5 Материалы
Испытание свойств материалов проводят вместе с температурным воздействием и испытанием на механическую прочность при переноске и транспортировке.
7.6.6 Сопротивление электрической изоляции неметаллических переносных контейнеров
Испытывают два образца самоспасателя.
Испытания на сопротивление электрической изоляции проводят с использованием переносного контейнера, если позволяют размеры, или образца для испытаний, представляющего собой прямоугольную пластину с размерами в соответствии с рисунком 8, на пластине размещают два параллельных электрода, выполненных при помощи электропроводящей краски с растворителем, не оказывающим существенного влияния на сопротивление изоляции.
На поверхности образца для испытаний не должно быть повреждений. Поверхность очищают дистиллированной водой, затем изопропиловым спиртом (или другим растворителем, смешивающимся с водой и не влияющим на материал образца для испытаний), затем еще раз очищают дистиллированной водой и высушивают. К поверхности нельзя прикасаться без средств индивидуальной защиты рук. Затем выполняют предварительную подготовку образца для испытаний в течение 24 ч при температуре (23 ± 2) °С и относительной влажности (50 ± 5) %.
Испытания проводят в условиях окружающей среды, аналогичных условиям окружающей среды при предварительной подготовке.
На электроды в течение 1 мин подают напряжение постоянного тока (500 ± 10) В.
Во время испытаний напряжение должно быть постоянным, чтобы зарядный ток, образующийся вследствие колебаний напряжения, был пренебрежимо малым по сравнению с током, проходящим через образец для испытаний. В некоторых случаях требуется использование батарей или аккумуляторов.
Сопротивление электрической изоляции вычисляют путем деления напряжения постоянного тока, приложенного к электродам, на силу тока, протекающего между электродами при воздействии напряжения в течение 1 мин.
Соответствующие методы испытаний описаны в приложении А.
7.6.7 Клапаны вдоха и выдоха
Испытывают два образца фильтрующего самоспасателя.
Фильтрующий самоспасатель испытывают с использованием дыхательной машины в соответствии с 7.6.1, но при этом фильтрующий самоспасатель устанавливают в испытательную камеру и ориентируют его в положение, принятое испытательной лабораторией как наиболее критическое для использования специального адаптера (если необходимо). Типовая конструкция такого адаптера представлена на рисунке 9.
7.6.8 Содержание диоксида углерода во вдыхаемом воздухе («мертвое пространство»)
Испытывают два образца фильтрующего самоспасателя.
Основное испытательное оборудование состоит из дыхательной машины с электромагнитными клапанами, управляемыми дыхательной машиной, адаптера, измерителя потока и анализатора диоксида углерода.
Оборудование должно обеспечивать воздействие на фильтрующий самоспасатель дыхательного цикла дыхательной машины. Для этих испытаний фильтрующий самоспасатель надежно и герметично закрепляют на соответствующем адаптере (рисунки 11 - 13).
Воздух подают в самоспасатель из дыхательной машины, настроенной на 20 циклов/мин и на 1,75 дм3/ход, а в выдыхаемом воздухе содержание диоксида углерода составляет 4,5 % по объему.
Схема типовой испытательной установки показана на рисунке 10.
Для предотвращения образования диоксида углерода вследствие конструкции испытательной установки устанавливают абсорбер диоксида углерода на линии вдоха между электромагнитным клапаном и дыхательной машиной.
Диоксид углерода подают в дыхательную машину через измеритель потока, компенсирующий мешок и обратный клапан.
Непосредственно перед электромагнитным клапаном небольшое количество выдыхаемого воздуха непрерывно отбирают через пробоотборную линию и подают в анализатор, предназначенный для определения содержания диоксида углерода, и возвращают в линию выдыхаемого воздуха.
Чтобы измерить содержание диоксида углерода во вдыхаемом воздухе, 4,5 % объема воздуха, вдыхаемого за один ход дыхательной машины, отбирают в указанном месте при помощи вспомогательной дыхательной машины и подают в анализатор, предназначенный для определения содержания диоксида углерода.
Общий объем «мертвого пространства» газовой линии испытательного оборудования (за исключением дыхательной машины) не должен превышать 2000 см3.
Содержание диоксида углерода во вдыхаемом воздухе непрерывно измеряют и регистрируют.
Испытания проводят до достижения постоянного содержания диоксида углерода во вдыхаемом воздухе.
7.6.9 Соединительные шланги
7.6.9.1 Общие положения
Испытывают два самоспасателя в соответствии с 7.6.9.2 и 7.6.9.3.
При проведении эвакуационных испытаний в испытательной лаборатории испытывают четыре самоспасателя.
При проведении подземных эвакуационных испытаний (дополнительно) испытывают четыре самоспасателя.
7.6.9.2 Растяжение
При проведении испытания на растяжение гофрированные шланги подвешивают. Измеряют длину шланга (без соединительных элементов) - длина а. Затем к шлангу прилагают силу в 10 Н (длина b) в течение 5 мин.
Вычисляют удлинение (b - а) в %.
7.6.9.3 Остаточная линейная деформация
Для проведения испытаний на остаточную линейную деформацию гофрированный шланг испытывают непосредственно после испытаний, описанных в 7.6.9.1, с применением силы в 10 Н в течение 48 ч. После восстановительного периода в 6 ч снова измеряют длину шланга (длина с).
Вычисляют остаточную линейную деформацию (с - а) в %.
Испытания на остаточную линейную деформацию повторяют через семь дней.
7.6.10 Испытание на растяжение и усилие разрыва
7.6.10.1 Общие положения Испытывают два образца самоспасателя.
Испытания на растяжение и усилие разрыва проводят на разрывной машине, оборудованной измерителем.
7.6.10.2 Испытания на растяжение
Фильтрующий самоспасатель или его элементы, подлежащие данным испытаниям, крепят в разрывной машине с помощью подходящих адаптеров.
7.6.10.3 Усилие разрыва
Испытывают самый слабый элемент и ориентацию средств переноски (ремень, заклепки, швы, замки и др.). Силу растяжения увеличивают со скоростью примерно 10 Н/с.
8.1 Общие положения
8.1.1. Маркировка на фильтрующем самоспасателе должна быть четко различимой и стойкой и содержать следующие сведения.
8.1.2 Фирменное наименование, торговую марку или другое обозначение изготовителя или поставщика.
8.1.3 Обозначение, идентифицирующее тип самоспасателя.
8.1.4 Обозначение, соответствующее классу самоспасателя.
Примеры - Маркировка фильтрующего самоспасателя, соответствующего минимальному времени защитного действия 60 мин при воздушном потоке 30 дм3/мин, предназначенного для тяжелых условий эксплуатации:
FSR 1 AR.
Маркировка фильтрующего самоспасателя, соответствующего минимальному времени защитного действия 90 мин при воздушном потоке 40 дм3/мин:
FSR 3 B.
8.1.5 Номер и дату утверждения настоящего стандарта.
8.2 Маркировка должна содержать следующую информацию:
a) фильтр самоспасателя:
- номер партии;
- дату изготовления (месяц и год);
- массу.
b) фильтрующий самоспасатель:
- номер партии;
- массу.
8.3 Если в процессе старения надежность работы компонентов самоспасателя ухудшается, указывают дату изготовления и срок годности.
8.4 Узлы и компоненты самоспасателя, обеспечивающие безопасность, должны быть промаркированы так, чтобы их можно было легко отличить.
8.5 Для элементов, которые не могут быть надежно промаркированы, соответствующие сведения должны быть указаны в информации, предоставляемой изготовителем.
9.1 К каждому поставляемому самоспасателю прилагают информацию, предоставляемую изготовителем.
9.2 Информация, предоставляемая изготовителем, должна быть на официальном(ых) языке(ах) страны назначения.
9.3 Информация, предоставляемая изготовителем, должна содержать все сведения, необходимые опытному и квалифицированному персоналу, по следующим вопросам:
- применение (ограничения);
- информацию о том, что самоспасатель предназначен только для одноразового использования;
- R, если самоспасатель соответствует требованиям к самоспасателям, предназначенным для эксплуатации в условиях высокого риска механических повреждений, что входит в обозначение класса;
- метод проверки перед использованием;
- надевание и крепление;
- указания по эксплуатации (предпочтительно в виде отдельной инструкции);
- периодичность проведения проверок;
- правила хранения;
- срок годности, если применимо;
- требования по утилизации.
9.4 Необходимо обратить особое внимание на следующее:
- самоспасатель используется только для персональной эвакуации;
- не обеспечивается защита от недостатка кислорода;
- после контакта с открытым пламенем защита, возможно, не будет обеспечена.
9.5 Указывают сведения о возможных осложнениях, например:
- самоспасатель не должен иметь повреждений;
- надевать самоспасатель необходимо в соответствии с информацией, предоставляемой изготовителем;
- разговаривать при использовании самоспасателя не допускается.
9.6 Информация, предоставляемая изготовителем, должна быть однозначной. Если это необходимо, приводят рисунки, нумерацию отдельных частей и их обозначения.
9.7 Предоставляют пояснения к используемым символам.
9.8 Указывают наименование и адрес изготовителя или его уполномоченного представителя.
Таблица 6 - Перечень показателей, проверяемых при испытаниях фильтрующих самоспасателей
|
Наименование |
Предварительная подготовка образцов |
Номер пункта методов испытаний |
Наименование |
Количество образцовa |
|
|
6.3 |
Конструкция |
ПП |
Визуальный осмотр |
Все |
|
|
ПП |
Эвакуационные испытания в испытательной лаборатории |
2 |
|||
|
ТИ |
2 |
||||
|
ПП |
Подземные эвакуационные испытания |
(2) |
|||
|
ТИ |
(2) |
||||
|
ПП |
Транспортные испытания (на испытателе) |
10 |
|||
|
ПП |
Транспортные испытания (на транспортном средстве) |
10 |
|||
|
6.4 |
Материалы |
ПП |
Визуальный осмотр |
Все |
|
|
ПП |
Эвакуационные испытания в испытательной лаборатории |
2 |
|||
|
ТИ |
2 |
||||
|
ПП |
Подземные эвакуационные испытания |
(2) |
|||
|
ТИ |
(2) |
||||
|
ПП |
Транспортные испытания (на испытателе) |
10 |
|||
|
ПП |
Транспортные испытания (на транспортном средстве) |
10 |
|||
|
ПП |
Сопротивление электрической изоляции неметаллических переносных контейнеров |
2 |
|||
|
6.5 |
Чистка и дезинфекция |
Визуальный осмотр |
Все |
||
|
ПП |
Транспортные испытания (на испытателе) |
10 |
|||
|
ПП |
Транспортные испытания (на транспортном средстве) |
10 |
|||
|
6.6 |
Масса |
ПП |
Общие положения |
3 |
|
|
6.7 |
Соединения |
Визуальный осмотр |
Все |
||
|
ПП |
Эвакуационные испытания в испытательной лаборатории |
2 |
|||
|
ТИ |
2 |
||||
|
ПП |
Подземные эвакуационные испытания |
(2) |
|||
|
ТИ |
(2) |
||||
|
ПП |
Испытания на растяжение |
2 |
|||
|
6.8 |
Средства переноски |
ПП |
Транспортные испытания (на испытателе) |
10 |
|
|
ПП |
Усилие разрыва |
2 |
|||
|
6.9 |
Ремни крепления |
ПП |
Эвакуационные испытания в испытательной лаборатории |
2 |
|
|
ТИ |
2 |
||||
|
ПП |
Подземные эвакуационные испытания |
(2) |
|||
|
ТИ |
(2) |
||||
|
ПП |
Испытания на растяжение |
2 |
|||
|
6.10 |
Использование |
ПП |
Эвакуационные испытания в испытательной лаборатории |
2 |
|
|
ТИ |
2 |
||||
|
ПП |
Подземные эвакуационные испытания |
(2) |
|||
|
ТИ |
(2) |
||||
|
ПП |
Транспортные испытания (на испытателе) |
10 |
|||
|
ПП |
Транспортные испытания (на транспортном средстве) |
10 |
|||
|
ПП |
Испытания на растяжение |
2 |
|||
|
6.11 |
Герметичность |
ТИ |
Герметичность |
20 |
|
|
6.12.1 |
Загубник |
Визуальный осмотр |
Все |
||
|
ПП |
Эвакуационные испытания в испытательной лаборатории |
2 |
|||
|
ТИ |
2 |
||||
|
ПП |
Подземные эвакуационные испытания |
(2) |
|||
|
ТИ |
|||||
|
6.12.2 |
Соединительный шланг |
ПП |
Эвакуационные испытания в испытательной лаборатории |
2 |
|
|
ТИ |
2 |
||||
|
ПП |
Подземные эвакуационные испытания |
(2) |
|||
|
ТИ |
(2) |
||||
|
ПП |
Соединительные шланги |
2 |
|||
|
6.13 |
Клапаны вдоха и выдоха |
ТИ |
Клапаны вдоха и выдоха |
2 |
|
|
6.14 |
Ловушка для слюны |
ПП |
Эвакуационные испытания в испытательной лаборатории |
2 |
|
|
ТИ |
2 |
||||
|
ПП |
Подземные эвакуационные испытания |
(2) |
|||
|
ТИ |
(2) |
||||
|
6.15 |
Целостность устройства при очень высокой концентрации монооксида углерода |
MB |
Испытания при высокой концентрации монооксида углерода |
1 |
|
|
ТИ |
2 |
||||
|
ТЭ |
(1) |
||||
|
6.16.1 |
Устойчивость к механическому воздействию |
ПП |
Устойчивость к механическому воздействию |
3 |
|
|
6.16.2 |
Эксплуатация в условиях высокого риска механических повреждений |
ПП |
Испытания, моделирующие эксплуатацию в условиях высокого риска механических повреждений |
(3) |
|
|
6.16.3 |
Температура |
ПП |
Температурное воздействие |
8 + (2) |
|
|
6.16.4 |
Устойчивость к транспортировке |
ПП |
Транспортные испытания (на испытателе) |
10 |
|
|
Транспортные испытания (на транспортном средстве) |
10 |
||||
|
6.17 |
Содержание диоксида углерода во вдыхаемом воздухе («мертвое пространство») |
ПП |
Содержание диоксида углерода во вдыхаемом воздухе («мертвое пространство») |
2 |
|
|
6.18.1 |
Минимальное время защитного действия |
ПП |
Минимальное время защитного действия по монооксиду углерода |
2 |
|
|
MB |
2 |
||||
|
ТИ |
2 |
||||
|
ТВ |
2 |
||||
|
ТЭ |
(2) |
||||
|
6.18.2 |
Содержание монооксида углерода во вдыхаемом воздухе |
ПП |
Минимальное время защитного действия по монооксиду углерода |
2 |
|
|
ТИ |
2 |
||||
|
ТВ |
2 |
||||
|
MB |
2 |
||||
|
ТЭ |
Испытания при высокой концентрации монооксида углерода |
(2) |
|||
|
MB |
1 |
||||
|
ТИ |
2 |
||||
|
ТЭ |
|||||
|
6.18.3 |
Температура и влажность |
ПП |
Минимальное время защитного действия по монооксиду углерода |
2 |
|
|
ТИ |
2 |
||||
|
ТВ |
2 |
||||
|
MB |
2 |
||||
|
ТЭ |
Испытания при высокой концентрации монооксида углерода |
(2) |
|||
|
MB |
1 |
||||
|
ТИ |
2 |
||||
|
ТЭ |
(1) |
||||
|
6.18.4 |
Сопротивление дыханию |
ПП |
Минимальное время защитного действия по монооксиду углерода |
2 |
|
|
ТИ |
2 |
||||
|
ТВ |
2 |
||||
|
MB |
2 |
||||
|
ТЭ |
(2) |
||||
|
MB |
Испытания при высокой концентрации монооксида углерода |
1 |
|||
|
ТИ |
2 |
||||
|
ТЭ |
(1) |
||||
|
6.19 |
Определение эксплуатационных свойств |
ПП |
Эвакуационные испытания в испытательной лаборатории |
2 |
|
|
ТИ |
2 |
||||
|
ПП |
Подземные эвакуационные испытания |
(2) |
|||
|
ТИ |
(2) |
||||
|
ПП |
Транспортные испытания (на испытателе) |
10 |
|||
|
ПП |
Транспортные испытания (на транспортном средстве) |
10 |
|||
|
8 |
Маркировка |
ПП |
Визуальный осмотр |
Все |
|
|
9 |
Информация, предоставляемая изготовителем |
ПП |
Визуальный осмотр |
Все |
|
|
Сокращения: ПП - после поставки; MB - после механического воздействия (7.4.2); ТЭ - после испытаний, моделирующих эксплуатацию в условиях высокого риска механических повреждений, дополнительное (7.4.3); ТВ - после температурного воздействия (7.4.4); ТИ - после транспортных испытаний (7.5.2). |
|||||
|
а Большинство образцов используется в нескольких испытаниях, испытания с номером в скобках являются дополнительными. |
|||||
1 - дыхательная машина; 2 - электромагнитные клапаны; 3 - увлажнитель (выдыхаемый воздух);
4 - охладитель; 5 - адаптер; 6 - пробоотборный порт для взятия проб на монооксид углерода
(вдыхаемый воздух); 7 - диафрагма датчика давления; 8 - измеритель потока испытательной атмосферы;
9 - измеритель потока монооксида углерода; 10 - увлажнитель (испытательная атмосфера);
11 - испытательная камера (размеры приблизительно 30´30´26 см); 12 - пробоотборный порт на
содержание монооксида углерода в испытательной атмосфере на вдохе фильтрующего самоспасателя;
13 - испытуемый образец (максимальная разность давлений на вдохе фильтрующего самоспасателя по
отношению к давлению среды в испытательной камере 50 Па); 14 - датчик давления с плоттером;
15 - средство измерения температуры с плоттером; 16 - анализатор монооксида углерода и устройство
записи (вдыхаемый воздух, см3/м3 и см3); 17 - анализатор монооксида углерода
(испытательная атмосфера); 18 - измеритель влажности (испытательная атмосфера); 19 - сброс;
20 - измеритель влажности (вдыхаемый воздух)
Рисунок 1 - Схема испытательной установки для проведения испытаний по
монооксиду углерода с использованием адаптера
1 - трубка; 2 - диафрагма датчика давления;
3 - дополнительная точка измерения температуры (температура по влажному термометру);
4 - стенка испытательной камеры; 5 - корпус адаптера; 6 - крышка адаптера
Рисунок 2 - Схема типового адаптера
1 - термопара (термопара NiCr-Ni, Æ 0,2 мм)
Рисунок 3 - Схема корпуса типового адаптера
1 - поперечное сечение в соответствии с профилем загубника
Рисунок 4 - Схема крышки типового адаптера
1 - дыхательная машина; 2 - система клапанов; 3 - анализатор монооксида углерода; 4 - увлажнитель;
5 - охладитель; 6 - электромагнитные клапаны; 7 - измеритель точки росы;
8 - средства измерения температуры и давления выдыхаемого воздуха;
9 - средства измерения температуры и давления вдыхаемого воздуха; 10 - испытательная камера;
11 - сброс; 12 - макет головы для фильтрующего самоспасателя; 13 - подача монооксида углерода;
14 - измеритель потока; 15 - увлажнитель; 16 - измеритель потока; 17 - сброс воздуха
Рисунок 5 - Схема испытательной установки для проведения испытаний по
монооксиду углерода с использованием макета головы
1 - порт измерения давления; 2 - измерительный порт для термопары
Рисунок 6 - Схема альтернативного подсоединения средств измерения температуры
и
давления вдыхаемого и выдыхаемого воздуха
1 - стальной корпус; 2 - поршень; 3 - кулачок; 4 - стальная пластина
Рисунок 7 - Схема установки для проведения испытаний на устойчивость к
механическому воздействию
Рисунок 8 - Схема образца с электродами для проведения испытаний на сопротивление
электрической изоляции
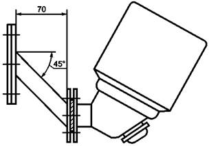
Рисунок 9 - Схема типового адаптера для клапана вдоха и выдоха для использования на
испытательной установке при испытаниях фильтрующих самоспасателей
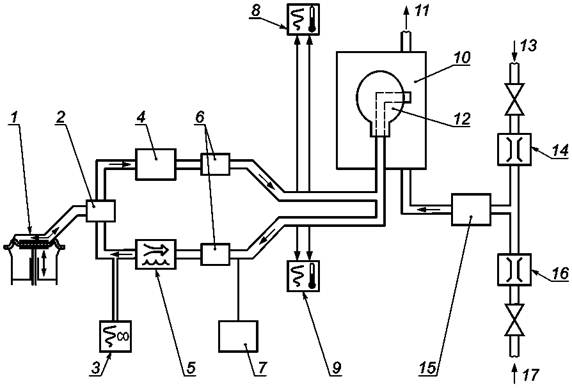
1 - дыхательная машина; 2 - вспомогательная дыхательная машина; 3 - обратный клапан;
4 - измеритель потока; 5 - компенсатор; 6 - анализатор диоксида углерода; 7 - электромагнитный клапан;
8 - пробоотборный порт для вдыхаемого воздуха; 9 - корпус и крышка адаптера фильтра
(см. рисунки 11 - 13); 10 - абсорбер для диоксида углерода
Рисунок 10 - Схема типовой испытательной установки для определения содержания
диоксида углерода во вдыхаемом воздухе
1 - трубка; 2 - корпус адаптера; 3 - крышка адаптера; 4 - пробоотборный порт для вдыхаемого воздуха
Рисунок 11 - Схема типового адаптера для определения содержания диоксида углерода
во вдыхаемом воздухе

1 - пробоотборный порт
Рисунок 12 - Схема корпуса типового адаптера для определения содержания диоксида
углерода во вдыхаемом воздухе
1 - поперечное сечение в соответствии с профилем загубника
Рисунок 13 - Схема крышки типового адаптера для определения содержания диоксида
углерода во вдыхаемом воздухе
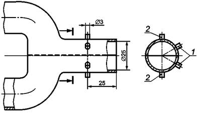
Метод измерения сопротивления электрической изоляции неметаллических переносных контейнеров
А.1 Метод с использованием вольтметра и амперметра
Ток измеряют непосредственно с помощью амперметра или гальванометра (см. рисунок А.1), либо опосредованно с помощью усилителя постоянного тока, который определяет ток, измеряя падение напряжения, соответствующее сопротивлению (см. рисунок А.2). Напряжение измеряют вольтметром. В некоторых случаях отношение напряжения к току измеряют с помощью прибора, непосредственно показывающего сопротивление (см. рисунок А.3).
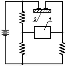
А.2 Сравнительный метод
Неизвестное сопротивление сравнивают с известным сопротивлением посредством определения отношения токов при одинаковом напряжении, подаваемом на два сопротивления (см. рисунок А.4) или с помощью выравнивания двух сопротивлений в мосте Уитстона (см. рисунок А.5).
Для этих методов неизвестное сопротивление превышает любое откалиброванное сопротивление, подключенное последовательно для потребления практически всего напряжения.
Метод с использованием вольтметра и амперметра
1 - амперметр или гальванометр с шунтом; 2 - образец; V - вольтметр
Рисунок А.1 - Измерение тока с помощью амперметра или гальванометра
1 - усилитель постоянного тока; 2 - образец; V - вольтметр постоянного тока; М - вольтметр с индикацией
Рисунок А.2 - Измерение тока с помощью усилителя постоянного тока
1 - усилитель постоянного тока; 2 - образец; V - вольтметр постоянного тока; М - вольтметр с индикацией
Рисунок А.3 - Измерение тока с помощью усилителя постоянного тока
Сравнительный метод
1 - микроамперметр или гальванометр с шунтом; 2 - образец;
V - вольтметр постоянного тока (дополнительно)
Рисунок А.4 - Определение отношения токов при одинаковом напряжении
на двух последовательных сопротивлениях
1 - детектор; 2 - образец
Рисунок А.5 - Метод моста Уитстона
Метод определения температуры вдыхаемого воздуха по влажному термометру
Схема установки показана на рисунке В.1.
Обеспечивают постоянный отбор проб воздуха из линии вдоха с постоянной скоростью потока 0,1 дм3/мин и подачу этого воздуха через блок головок датчиков. Все пробоотборные линии и блок головок датчиков нагревают как минимум на 10 °С выше ожидаемой температуры точки росы. При проведении испытаний записывают температуру точки росы. Температуру по сухому термометру измеряют в соответствии с 7.6.1.
Температуру по влажному термометру определяют с использованием следующего метода.
При температуре точки росы пар является полностью насыщенным. Соответственно относительная влажность RH равна:
(В.1)
Давление насыщенного пара при температуре t определяется по следующей формуле:
где е" - давление насыщенного пара, мбар;
t - температура по сухому термометру, °С;
G - постоянная, равная 7,5;
Н - постоянная, равная 237,3;
I - постоянная, равная 0,78571.
После измерения температуры по сухому термометру и определения относительной влажности по формулам (В.1) и (В.2) рассчитывают психрометрическую разность. Затем с помощью стандартных психрометрических таблиц определяют температуру по сухому термометру.
1 - вход пробоотборной линии; 2 - блок головок датчиков из нержавеющей стали; 3 - детекторная головка;
4 - блок управления и индикации; 5 - насос для отбора пробы; 6 - измеритель потока (0,1 дм3/мин.); 7 - сброс
Рисунок В.1 - Схема для определения температуры вдыхаемого воздуха по влажному термометру
Таблица ДА.1
|
Обозначение ссылочного международного стандарта |
Степень соответствия |
Обозначение и наименование соответствующего национального стандарта |
|
ЕН 132 |
MOD |
ГОСТ Р 12.4.233-2007 «Система стандартов безопасности труда. Средства индивидуальной защиты органов дыхания. Термины и определения» |
|
ЕН 134 |
- |
* |
|
ЕН 13274-2 |
- |
* |
|
* Соответствующий национальный стандарт отсутствует. До его утверждения рекомендуется использовать перевод на русский язык данного европейского регионального стандарта. Перевод данного европейского регионального стандарта находится в Федеральном фонде технических регламентов и стандартов. Примечание - В настоящей таблице использовано следующее условное обозначение степени соответствия стандартов: - MOD - модифицированные стандарты. |
||
Ключевые слова: фильтрующие самоспасатели, загубники, технические требования, методы испытаний, маркировка