Меню
Навигация
Novatika
Novatika
Первая линия

Технические условия на капитальный ремонт. Правила построения, изложения и оформления. Порядок согласования, утверждения и регистрации

Стандарт распространяется на технические условия на капитальный ремонт оборудования электростанций, подстанций, тепловых и электрических сетей. Стандарт устанавливает правила построения, изложения и оформления, а также порядок согласования, утверждения и регистрации ТУ.

Обозначение: ОСТ 34-38-446-84
Название рус.: Технические условия на капитальный ремонт. Правила построения, изложения и оформления. Порядок согласования, утверждения и регистрации
Статус: не действует
Заменяет собой: ОСТ 34-38-446-78
Дата актуализации текста: 05.05.2017
Дата добавления в базу: 01.09.2013
Дата введения в действие: 31.10.2008
Утвержден: 11.04.1984 Министерство энергетики и электрификации СССР (USSR Ministry of Energy and Electrical Power 138)
Ссылки для скачивания:

УТВЕРЖДЕНО

Приказом Министерства энергетики

и электрификации СССР

от 11.04.84 № 138

ЛИСТ УТВЕРЖДЕНИЯ

ТЕХНИЧЕСКИЕ УСЛОВИЯ НА КАПИТАЛЬНЫЙ РЕМОНТ.
ПРАВИЛА ПОСТРОЕНИЯ, ИЗЛОЖЕНИЯ И ОФОРМЛЕНИЯ.
ПОРЯДОК СОГЛАСОВАНИЯ, УТВЕРЖДЕНИЯ И РЕГИСТРАЦИИ

ОСТ 34-38-446-84

Главный инженер

ЦКБ НПО «Союзэнергоремонт»                                            Г.А. Уланов

Руководитель разработки

Заведующий КТО стандартизации                                         В.П. Грибов

Исполнитель

Ведущий конструктор                                                             Р.Д. Рабкова

СОГЛАСОВАНО

Главный инженер

Главтехуправления                                                                  В.В. Нечаев

Заместитель начальника

ВПО «Союзэнергоремонт»                                                     В.И. Барило

ВПО «Союзатомэнерго»

IВ0-9-24/379 от 02.02.84.

В.И. Куркович

Зам. главного инженера

Союзтехэнерго

№ 11126 от 13.01.84.

Г.Г. Яковлев

Главный инженер

Главный инженер

Союзэнергоремтреста                                                             Е.В. Леонтьев

Заместитель директора

ВНИИМАШ

№ 69/31-2013 от 12.03.84.

Б.Н. Волков

ОТРАСЛЕВОЙ СТАНДАРТ

ТЕХНИЧЕСКИЕ УСЛОВИЯ НА
КАПИТАЛЬНЫЙ РЕМОНТ

Правила построения, изложения
и оформления.

Порядок согласования, утверждения
и регистрации

ОСТ 34-38-446-84

Взамен ОСТ 34-38-446-78

Приказом Министерства энергетики и электрификации СССР от 11.04.84 № 138

срок введения установлен с 01.07.84

Настоящий отраслевой стандарт распространяется на технические условия (ТУ) на капитальный ремонт оборудования электростанций, подстанций, тепловых и электрических сетей.

Стандарт устанавливает правила построения, изложения и оформления, а также порядок согласования, утверждения и регистрации ТУ.

Стандарт обязателен для всех организаций (предприятий) Министерства энергетики и электрификации СССР.

1. ОСНОВНЫЕ ПОЛОЖЕНИЯ

1.1. Технические условия на капитальный ремонт - нормативно-технический документ (НТД), который должен содержать все необходимые требования к деталям, составным частям изделия и изделию в целом при дефектации1), ремонте и контроле после ремонта.

1) Дефектация - определение технического состояния изделия и выбор способов ремонта, обеспечивающих достижение установленных требований к отремонтированному изделию.

1.2. Технические условия разрабатывают на капитальный ремонт:

одного конкретного изделия (одной марки);

нескольких конкретных изделий, либо составных частей изделий, обладающих общими конструктивными признаками (групповые ТУ);

а также на вид работы (антикоррозионная защита, обмуровочные работы и др.).

1.3. Если общие требования, которым должны удовлетворять отремонтированные узлы (составные части) в изделиях данного класса, подкласса или группы, целесообразно изложить в отдельном документе, исключив их из ТУ на ремонт изделия конкретного типа, то разрабатывают «Общие технические условия на ремонт» (ОТУ); ОТУ должны содержать разделы, перечисленные в п. 2.1 настоящего стандарта.

Целесообразность разработки ОТУ, как правило, определяют рабочие группы Техсовета НПО «Союзэнергоремонт» по видам оборудования совместно с отделом стандартизации ЦКБ НПО «Союзэнергоремонт» (в дальнейшем ЦКБ). По оборудованию АЭС решение принимает Минатомэнерго СССР.

(Измененная редакция, Изм. № 1).

1.4. Технические условия должны разрабатываться на основе:

рабочей конструкторской документации;

материалов по исследованию и изучению неисправностей, возникающих при испытаниях и эксплуатации изделий данного типа и аналогичных изделий других типов;

опыта ремонта аналогичных изделий.

1.5. Требования, устанавливаемые в ТУ, должны соответствовать требованиям действующих стандартов, распространяющихся на данное изделие и не должны противоречить требованиям стандартов и технических условий на изделия, материалы и вещества, применяемые при ремонте данного изделия.

1.6. В ТУ не включают технические требования на ремонт комплектующих частей изделия (электродвигателей, приводов, контрольно-измерительных приборов, запорной арматуры и др.), а приводят только ссылку на действующие НТД (при наличии), в которых содержатся эти требования.

1.7. Если отдельные требования установлены в стандартах или ТУ, распространяющихся на данное изделие, то в ТУ на капитальный ремонт эти требования не повторяют, а в соответствующих разделах ТУ дают ссылку на эти стандарты или их разделы. Ссылки на отдельные пункты стандарта не допускаются. При необходимости, содержание этих пунктов излагают в ТУ без ссылки на источник.

1.8. В ТУ допускаются ссылки на НТД на данное изделие или на НТД, действующие в системе Министерства энергетики и электрификации СССР и органов государственного надзора.

1.9. Перечень документов, упомянутых в ТУ, должен приводиться в справочном приложении к ТУ по форме, указанной в обязательном приложении 1 настоящего стандарта.

1.10. В ТУ не допускается включать требования, относящиеся к организации производства и технологии ремонта.

1.11. Способы установления дефектов, ремонта и технические требования к отремонтированным составным частям изделия и изделию в целом, параметры, определяющие эксплуатационные характеристики изделия после ремонта, а также другие показатели, включенные в ТУ, должны быть технически обоснованы или экспериментально проверены.

В случае необходимости к проекту ТУ прилагают «Ведомость обоснования технических требований, принятых в ТУ». Форма ведомости по ГОСТ 2.602-68.

2. ПОСТРОЕНИЕ, ИЗЛОЖЕНИЕ И ОФОРМЛЕНИЕ ТУ

2.1. Технические условия должны состоять из разделов, располагаемых в следующей последовательности:

введение;

общие технические требования;

требования безопасности (только для ОТУ);

требования к составным частям;

требования к сборке и к отремонтированному изделию;

испытания, контроль, изменения;

консервация;

маркировка;

упаковка, транспортирование, хранение (при необходимости);

комплектность;

гарантии.

В технических условиях на капитальный ремонт, проводимый на месте установки, раздел «Упаковка, транспортирование, хранение» допускается не приводить, о чем в техническом задании (ТЗ) делается соответствующая запись.

2.2. При разработке ТУ на ремонт специальных видов сооружений электростанций (дымовые трубы, градирни, газоходы), а также при разработке ТУ на антикоррозионные покрытия допускается не включать разделы:

требования к составным частям;

консервация;

маркировка;

упаковка, транспортирование, хранение.

2.3. В разделе «Введение» указывают:

область распространения и сферу действия ТУ;

наименование и обозначение конструкторской документации на изделие, на основании которой разработаны ТУ;

перечень принятых в ТУ терминов, сокращений и обозначений, не установленных государственными стандартами, отраслевыми стандартами и другими НТД. Допускается термины и определения помещать в справочном приложении к ТУ.

Допускается приводить подраздел «Общие технические сведения».

2.3.1. Раздел «Введение» должен начинаться словами: «Настоящие технические условия распространяются на капитальный ремонт (указать наименование, тип, марку или условное обозначение изделия; для групповых ТУ дополнительно дается ссылка на обязательное приложение, в котором перечисляются все типоразмеры), фраза должна кончаться словами: «... в течение полного срока службы, равного ... годам».

Наименование изделия на титульном листе, в основной надписи и при первом упоминании в разделе «Введение» должно быть одинаковым с наименованием его в основном конструкторском документе.

При необходимости ограничения сферы действия ТУ следует применять выражение: «ТУ обязательны для предприятий (организаций) Министерства энергетики и электрификации СССР, производящих ремонт, принимающих из ремонта, а также для предприятий (организаций), разрабатывающих ремонтную документацию».

2.3.2. При изложении общих технических сведений приводят:

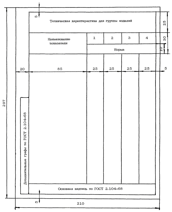
2.3.2.1. Назначение и техническую характеристику изделия (для групповых ТУ в виде таблицы, помещаемой в обязательном приложении). Форма таблицы приведена в справочном приложении 2.

2.3.2.2. Рисунок общего вида с номерами позиций, расположенных в возрастающем порядке (без пропусков) по часовой стрелке, начиная с первой.

Рисунок должен размещаться на листе формата А4 (допускается на листе формата А3) ГОСТ 2.301-68.

Допускается рисунок не приводить, если это не затрудняет чтение документа.

2.4. В разделе «Общие технические требования» приводят:

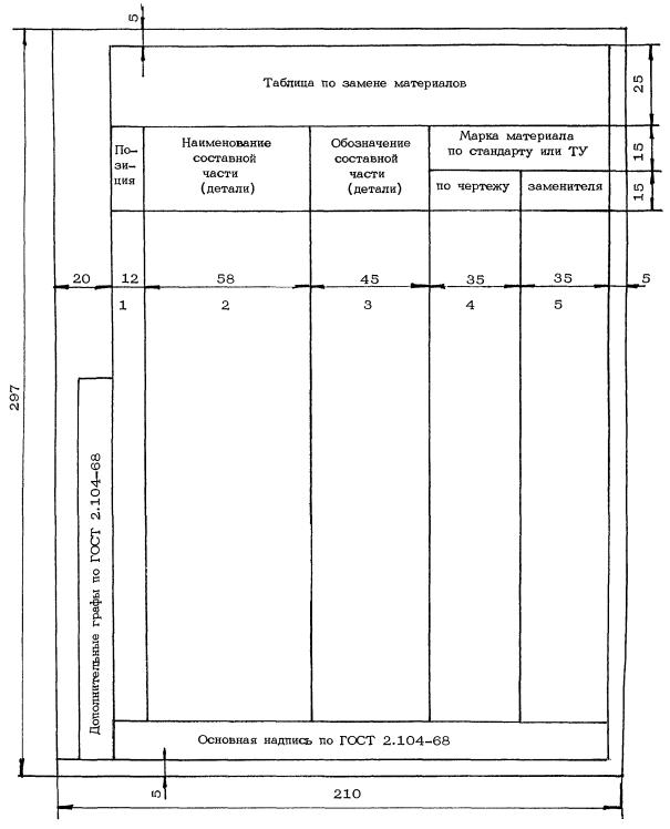
2.4.1. Требования к материалам, в том числе к материалам-заменителям основных составных частей (деталей) изделия. Сведения о материалах-заменителях (при необходимости) помещают в обязательном приложении к ТУ для оборудования, подведомственного Госгортехнадзору СССР, и в справочном приложении - для всего прочего оборудования. Форма таблицы по замене материалов приведена в обязательном приложении 3.

В ОТУ допускается сведения о материалах и их заменителях не помещать, а давать ссылки на конструкторскую документацию на изделия и на НТД, определяющий порядок замены материалов.

2.4.2. Требования к деталям, которые нецелесообразно приводить в картах дефектации и ремонта (в дальнейшем «Карты»). При большом объеме требований допускается приводить их в отдельных таблицах, помещаемых в обязательных приложениях к ТУ. Например, таблица норм на объемные включения, допускаемые в швах сварных соединений при контроле просвечиванием, таблица допустимых размеров и количества дефектов для сварных соединений и др.

2.4.3. Требования к метрологическому обеспечению производства, требования к точности измерений, установленных в ТУ характеристик изделия (его составных частей) при его ремонте и контрольных испытаниях после ремонта.

Перечень приведенных в ТУ средств измерения (СИ) с указанием наименования, условного обозначения и НТД на их изготовление или поставку. Для нестандартизованных СИ необходимо указывать организацию-изготовителя и обозначение основного конструкторского документа.

Не допускается указывать нестандартизованные СИ, не прошедшие метрологическую аттестацию.

Перечень СИ, приведенных в ТУ, должен помещаться в рекомендуемом приложении к ТУ. Форма перечня приведена в обязательном приложении 4.

2.4.4. Требования к дефектации сопряжений составных частей в собранном виде (при необходимости).

2.4.5. Требования временной защиты от механических повреждений, увлажнений, коррозии и др.

2.4.6. Номенклатуру составных частей, заменяемых независимо от их технического состояния, которую оформляют в виде ведомости, помещаемой в обязательном приложении к ТУ.

2.4.7. Требования к разборке изделия.

2.4.8. Требования к очистке составных частей перед дефектацией.

2.4.9. Требования к дефектации и контролю стандартных изделий (крепежных деталей, шпонок и т.д.).

2.5. В разделе «Требования безопасности» (ТБ), как правило, дается только ссылка на НТД на поставку изделия, имеющую раздел ТБ или на стандарты ССБТ. При изложении раздела следует руководствоваться ГОСТ 1.5-85.

Вопросы безопасности труда при ремонте оборудования в ТУ помещать не допускается.

(Измененная редакция, Изм. № 1).

2.6. Раздел «Требования к составным частям» должен состоять из подразделов, наименования которых являются наименованиями рассматриваемых составных частей.

Количество составных частей устанавливает предприятие-разработчик.

В подразделе следует проводить:

2.6.1. Рисунок составной части на отдельном листе формата А4 (при необходимости - А3).

2.6.2. Таблицу норм зазоров и натягов (при необходимости).

Нормы зазоров и натягов

Обозначение сопряжения

Позиция сопрягаемой составной части

Наименование сопрягаемой составной части

Обозначение составной части

Размер по черт., мм

Зазор (+), натяг (-), мм

допустимый после капитального ремонта

2.6.3. Карты деталей, рассматриваемой составной части.

Количество деталей, на которые составляются карты, устанавливает предприятие-разработчик с учетом их возможного износа, технической и экономической целесообразности их восстановления.

Форма карты приведена в обязательном приложении 5.

2.6.4. На рисунке составной части указывают: номера позиций составных частей (деталей), на которые составляются карты и (при наличии) сопряжения, в которых рассматриваются зазоры (натяги), обозначаемые строчными буквами русского алфавита за исключением букв П, О, X, Ъ, Ы, Ь, Щ, У, Ц, Ш.

Номера позиций и обозначение сопряжений указывают в пределах подраздела.

Номера позиций указывают по часовой стрелке в порядке возрастания без пропусков.

2.6.5. В картах помещают рисунок детали (неразъемной составной части), на котором указывают:

2.6.5.1. Контролируемые поверхности или зоны контроля, на которых возможны дефекты; их обозначают прописными буквами, начиная, с буквы А, кроме П, О, X, Ъ, Ы, Ъ, Щ, У, Ц, Ш. Обозначение поверхности, зоны контроля соединяют с рассматриваемой поверхностью, с зоной контроля линией - выноской с точкой на поверхности.

Сечения, разрезы и рассматриваемые поверхности одной и той же буквой обозначать не допускается.

2.6.5.2. Сварные швы (при их наличии) обозначают арабскими цифрами со знаком «№». Обозначение швов должно начинаться с единицы в каждой карте. Допускается сквозная нумерация швов, соответствующая конструкторской документации. Однотипным сварным швам1) присваивается один и тот же номер.

Места пересечения сварных швов должны обозначаться номерами пересекающих швов через черточку (№ - №). Обозначение сварного шва соединяют с рассматриваемым швом линией - выноской с полустрелкой¾).

1) Определение однотипных швов - см. РТМ-1с-81 (раздел 1).

2.6.6. В картах на специальные (нестандартные) изделия допускается давать общие тематические наименования, например: «Крепежные изделия», «Золотники и буксы узлов регулирования турбин» и т.п.

Номера позиций, рисунка и количество на изделие не указываются.

2.6.7. В групповых ТУ в картах допускается не указывать количество на изделие.

2.6.8. Нумерация карт должна быть сквозная в пределах ТУ.

2.6.9. Графы карт следует заполнять в соответствии с обязательным приложением 5.

2.6.10. В конце каждого подраздела после карт (при необходимости) приводят требования к сборке и к отремонтированной составной части (специальные требования по подготовке составных частей к сборке, требования к точности пригонки сопрягаемых составных частей, значения усилий запрессовки и моментов затяжки резьбовых соединений, специальные требования к стопорению составных частей, к уплотнениям, специальные требования к регулированию составных частей, предельные значения регулируемых величин, указания по балансировке, обкатке, стендовым и другим испытаниям составных частей, требования к защитным покрытиям, смазке и др.).

2.7. В разделе «Требования к сборке и к отремонтированному изделию» следует приводить требования аналогичные требованиям, заложенным в п. 2.6.10, относящиеся к изделию в целом и показатели назначения, эргономические, безопасности, надежности.

2.7.1. Показатели назначения должны определять основные функции, для выполнения которых предназначено отремонтированное изделие, например: производительность, мощность, давление (напор), разряжение, перегрев (недогрев), скорость, ток, напряжение и т.д.

В составе показателей назначения должны быть приведены показатели экономного использования, характеризующие свойства отремонтированного изделия в части технического совершенства по уровню или степени потребления тепла (топлива) и энергии при эксплуатации, например: удельный расход топлива, пара, электроэнергии, допустимые присосы воздуха, коэффициент полезного действия при заданном режиме эксплуатации и др.

2.7.2. Эргономические показатели должны характеризовать систему «человек-машина», например: уровень шума, уровень вибрации, уровень радиации, уровень напряженности магнитного и электрического полей и т.д.

2.7.3. Показатели безопасности должны характеризовать особенности изделия, обуславливающие при его использовании безопасность обслуживающего персонала, например: время срабатывания защитных устройств, электрическая прочность изоляции токоведущих частей изделия, с которыми возможно соприкосновение обслуживающего персонала, температура поверхности изоляции и т.д.

2.7.4. Показатели надежности должны характеризовать свойства изделия непрерывно сохранять работоспособность в течение определенного времени. В ТУ должны быть: средняя наработка на отказ, средний срок службы между капитальными ремонтами, коэффициент готовности.

2.7.5. Приводимые показатели должны исключать дублирование друг друга.

2.7.6. Показатели, указанные в пп. 2.7.1, 2.7.2, 2.7.3, должны приниматься в соответствии с НТД и конструкторской документацией на изделие или в соответствии с НТД, действующей в Минэнерго СССР, и уточняться на стадиях рассмотрения и согласования ТУ.

2.7.7. Приводимые в ТУ показатели надежности должны характеризовать среднюю статистическую надежность для всего парка отремонтированного однотипного оборудования в отрасли.

Показатели должны назначаться в соответствии с НТД на изделие или приниматься как средние, достигнутые в Минэнерго СССР для данного типа оборудования.

ПО «Союзтехэнерго» (при необходимости) должно представлять эти показатели разработчику ТУ.

2.7.8. При назначении показателей следует учитывать возможность их проверки существующими в Минэнерго СССР методами и средствами контроля в период ремонта, при выдаче из ремонта и во время подконтрольной эксплуатации после ремонта.

2.8. В разделе «Испытания, контроль, измерения» излагают объем и порядок проведения контроля и испытаний (вид, метод, условия проведения, применяемые СИ) при сдаче изделия в ремонт, в процессе ремонта и при приемке его из ремонта.

Последовательность изложения методов контроля и испытаний должна, как правило, соответствовать последовательности изложения требований в разделе «Общие технические требования», подразделах, содержащих требования к сборке и к отремонтированной составной части, в разделе «Требования к сборке и к отремонтированному изделию».

Допускается давать ссылку на НТД (при наличии), в которой приводятся методы контроля и испытаний.

Допускается методы контроля, испытаний, СИ указывать в таблице. Форма таблицы приведена в обязательном приложении 6.

2.9. В разделе «Консервация» приводят требования к консервации в соответствии с требованиями стандартов «Единой системы защиты от коррозии и старения материалов и изделий».

2.10. В разделе «Маркировка» излагают требования к маркировке отремонтированного изделия и (или) его составных частей, в том числе:

место нанесения маркировки (непосредственно на изделие, бирке, таре);

содержание маркировки (наименование ремонтного предприятия или товарный знак, обозначение ТУ, дату ремонта);

способ нанесения маркировки (гравировка, травление, краской и др.).

2.11. Раздел «Упаковка, транспортирование, хранение» должен состоять из подразделов:

«Упаковка», «Транспортирование», «Хранение».

2.11.1. В подразделе «Упаковка» приводят:

требования к применяемой при упаковке таре, способам упаковки, надписям и манипуляционным знакам по ГОСТ 14192-77;

перечень документов, вкладываемых в тару при упаковке.

2.11.2. В подразделе «Транспортирование» указывают:

условия транспортирования в соответствии с ГОСТ 15150-69;

требования к выбору транспортных средств;

требования к способам крепления и укрытия изделия на транспортных средствах.

2.11.3. В подразделе «Хранение» указывают:

требования, определяющие место хранения в соответствии с ГОСТ 15150-69 (навес, закрытый склад и др.);

защиту изделия от влияния внешней среды;

температурный режим хранения;

сроки хранения (при необходимости);

условия складирования.

2.12. В разделе «Комплектность» должны быть перечислены: документация, входящая в комплект сдаваемого в ремонт и выдаваемого из ремонта изделия и (при необходимости) принадлежности, инструмент и запасные части.

2.13. В разделе «Гарантии» следует указывать обязательства ремонтного предприятия по обеспечению соответствия отремонтированного изделия или его составных частей требованиям, установленным в ТУ и ОТУ (при наличии).

2.13.1. Первый пункт раздела должен быть следующего содержания: «Исполнитель ремонта гарантирует соответствие отремонтированного (указать наименование изделия или составной части, на ремонт которого (которой) распространяются настоящие ТУ) и его составных частей требованиям настоящих ТУ (если есть ОТУ указать их обозначение) при соблюдении заказчиком правил транспортирования, хранения (при необходимости) и эксплуатации».

2.13.2. Второй пункт раздела должен быть следующего содержания: «Гарантийный срок эксплуатации (до аварии, отказов 1 или 2 степени) - 12 месяцев с момента ввода (указать наименование изделия или составной части) в эксплуатацию и не более 18 месяцев с момента выдачи из ремонта, а также не более чем до первого ремонта, выполняемого без участия исполнителя, назначившего гарантию или без согласования с ним.

При выполнении ремонта несколькими исполнителями гарантия распространяется в пределах выполненного объема работ каждым исполнителем».

2.14. Технические условия составляют на листах формата А4 по ГОСТ 2.301-68 с основной надписью по ГОСТ 2.104-68 (формы 2 и 2а) с титульным листом по ГОСТ 2.105-79 с учетом следующих дополнений:

на поле 5 ниже обозначения ТУ указывают (при необходимости) обозначение документа, взамен которого выпущены данные ТУ; срок действия ТУ или срок введения для ТУ, имеющих в разделе «Введение» пункт «ТУ разработаны на изделие, выпущенное до ...» (указывается по согласованию с заводом-изготовителем дата);

в правой части поля 6 располагают подпись руководителя организации-разработчика и (при необходимости) подписи руководителей организаций-соисполнителей.

(Измененная редакция, Изм. № 1).

2.15. Технические условия выполняют в соответствии с ГОСТ 2.105-79.

2.15.1. Схемы и рисунки необходимо выполнять в соответствии со стандартами ЕСКД:

рисунки должны быть наглядными, четкими, возможно минимального размера, должны обеспечивать неискажаемое представление о форме и соотношениях составных частей;

на рисунках на полках линий-выносок, проводимых от изображений составных частей, указывают обозначение только тех составных частей (поверхностей, сварных швов), о которых упоминают в тексте ТУ. Рисунки должны иметь сквозную нумерацию.

2.15.2. На первом (заглавном) листе с основной надписью по форме 2 ГОСТ 2.104-68 помещают содержание.

В конце текста ТУ, перед приложениями, располагают подписи руководителя службы стандартизации ЦКБ, ответственных исполнителей. Ниже подписей организации-разработчика ставятся подписи организации-соисполнителя.

В конце ТУ помещают «Лист регистрации изменений» по форме 2 ГОСТ 2.503-74.

(Измененная редакция, Изм. № 1).

3. ПОРЯДОК РАЗРАБОТКИ, СОГЛАСОВАНИЯ, УТВЕРЖДЕНИЯ И РЕГИСТРАЦИИ ТУ

3.1. Устанавливается четыре стадии разработки ТУ:

1-я стадия - разработка и утверждение технического задания на разработку ТУ;

2-я стадия - разработка проекта ТУ (первой редакции) и рассылка его на отзыв;

3-я стадия - обработка отзывов, разработка проекта ТУ (окончательной редакции), согласование и представление на утверждение;

4-я стадия - утверждение ТУ и регистрация.

(Новая редакция, Изм. № 1).

3.2. Технические условия разрабатывают по ТЗ, составленному организацией-разработчиком в соответствии с ГОСТ 1.2-85.

Допускается выпускать одно ТЗ на несколько ТУ на ремонт однородных изделий, в том числе на несколько групповых ТУ. В этом случае в ТЗ указывают перечень всех изделий.

Техническое задание согласовывается с заказчиком (ремонтным предприятием, электростанцией и т.д.) и (или) с одним из энергоремонтных трестов или производственных объединений (ПО). Утверждается ТЗ ПО «Союзэнергоремонт», если исполнителем является ЦКБ или его филиалы и ЦКБ - в остальных случаях.

Для оборудования АЭС ТЗ утверждается Минатомэнерго СССР.

(Измененная редакция, Изм. № 1).

3.3. Проект ТУ должен быть направлен на отзыв с сопроводительным письмом.

Перед отправкой на отзыв проект ТУ должен пройти метрологическую экспертизу в организации-разработчике.

(Измененная редакция, Изм. № 1).

3.3.1. Проект ТУ, прошедший метрологическую экспертизу, должен быть подписан лицом, ответственным за ее проведение, в свободной графе основной надписи.

3.4. Отзывы следует давать в виде обоснованных конкретных замечаний и предложений по соответствующим пунктам проекта ТУ в соответствии с ГОСТ 1.2-85.

Рассмотрение проектов, представленных на отзыв и экспертизу, не должно превышать 30 дней со дня их поступления.

(Измененная редакция, Изм. № 1).

3.5. Организация-разработчик проекта ТУ составляет сводку отзывов по форме, приведенной в ГОСТ 1.2-85. Редакционные замечания, не влияющие на технические требования, в сводку отзывов не вносятся. Организация-разработчик проекта ТУ на основании сводки отзывов составляет окончательную редакцию проекта ТУ.

При наличии замечаний или разногласий между разработчиком и ремонтным предприятием по существу проекта ТУ, не снятых энергоремонтным трестом (или ПО), организация-разработчик совместно с энергоремонтным трестом (или ПО) проводит согласительное совещание, на которое приглашаются представители заинтересованных организаций (предприятий). Состав участников совещания должен обеспечить всестороннее обсуждение рассматриваемых вопросов.

Организация-разработчик ТУ высылает участникам совещания уточненную редакцию проекта ТУ, составленную на основании обработанной сводки отзывов и (или) сводку отзывов. Документы (проект и (или) сводку отзывов) и приглашение следует рассылать с учетом того, чтобы они были получены участниками не менее чем за десять дней до начала совещания.

Решения согласительного совещания следует оформлять протоколом, подписанным председателем и секретарем совещания.

В протоколе или в отдельном списке должны быть указаны участники совещания.

При разногласиях по отдельным пунктам проекта ТУ в протоколе должно быть указано, что по этим пунктам представители организаций имеют особое мнение.

Особые мнения оформляют в соответствии с ГОСТ 1.0-68.

Протокол согласительного совещания должен быть разослан организациям-участникам совещания.

На основании решений, принятых на совещании, организация-разработчик составляет окончательную редакцию проекта ТУ.

Если после согласительного совещания организации (предприятия), согласующие ТУ, имеют особое мнение, то окончательное решение по разногласиям принимает ВПО «Союзэнергоремонт», а по оборудованию АЭС - Минатомэнерго СССР.

(Измененная редакция, Изм. № 1).

3.6 Проект ТУ рассылается на согласование с сопроводительным письмом, сводкой отзывов и протоколом согласительного совещания (при его проведении).

3.7. Окончательную редакцию проекта ТУ, кроме ТУ на оборудование АЭС согласовывают с:

заводом (предприятием)-изготовителем изделия или организацией-разработчиком конструкторской документации по указанию завода-изготовителя;

заказчиком ТУ;

одним из трестов или ПО по указанию ВПО «Союзэнергоремонт»;

базовой организацией по стандартизации - ЦКБ;

головной организацией по стандартизации и метрологии - ВПО «Союзтехэнерго»;

Главтехуправлением.

3.8. Проекты ТУ на оборудование АЭС согласовывают с:

заводом (предприятием)-изготовителем изделия или организацией-разработчиком конструкторской документации (при необходимости);

заказчиком ТУ;

другими организациями по согласованию с Минатомэнерго.

(Новая редакция, Изм. № 1).

3.8.1. (Исключен, Изм. № 1).

3.9. Общие ТУ согласовывают с ЦК профсоюза работников электростанций и электротехнической промышленности, если требования безопасности, приводимые в общих ТУ, отличаются от требований, заложенных в НТД на поставку или ССБТ.

Если в разделе ТБ ОТУ дается только ссылка на НТД на поставку или ССБТ, то ОТУ с ЦК профсоюза не согласовывают.

3.10. Перечень конкретных согласующих организаций (предприятий) в соответствии с пп. 3.7 - 3.9 должен быть указан в ТЗ.

3.11. Технические условия утверждает ВПО «Союзэнергоремонт», а для оборудования АЭС - Минатомэнерго СССР в течение пяти дней после представления на утверждение.

При утверждении рекомендуется устанавливать срок действия ТУ (см. п. 2.14 настоящего стандарта).

(Измененная редакция, Изм. № 1).

3.12. Утвержденные ТУ в трех экземплярах (дубликат и две копии) не позднее пятнадцати дней после их утверждения организация-разработчик направляет на отраслевую регистрацию ЦКБ.

3.13. Утвержденным ТУ присваивается обозначение, состоящее из:

индекса документа - ТУ;

условного цифрового обозначения Минэнерго СССР - 34;

условного цифрового обозначения Главного управления, в чьем ведении находится организация-разработчик проекта ТУ (ВПО «Союзэнергоремонт» - 38);

пятизначного регистрационного номера, присваиваемого ЦКБ;

двух последних цифр года утверждения.

Например, ТУ 34-38-20ХХХ-83.

3.14., 3.15. (Исключены, Изм. № 1).

4. ИЗДАНИЕ ТУ. ПЕРЕСМОТР ТУ

4.1. Обеспечение заинтересованных предприятий копиями ТУ осуществляется в соответствии с ГОСТ 1.7-85.

(Измененная редакция, Изм. № 1).

4.2. Две копии ТУ организация-разработчик должна направлять в Информэнерго. Копии должны быть выполнены в масштабе подлинника на белой бумаге или на кальке машинописным способом, черной тушью или электрографическим способом.

В копиях, выполненных электрографическим способом, должны быть четкие нерасплывшиеся линии, надписи, знаки. Нечеткую графику, надписи, знаки допускается подправлять тушью или черной пастой.

4.3. Учет, хранение и обращение ТУ, входящих в комплект конструкторской документации, внесение в них изменений производят в порядке, установленном ГОСТ 2.501-68, ГОСТ 2502-68 и ГОСТ 2.503-74.

4.4. По истечении срока действия ТУ подлежат проверке и пересмотру.

4.5. Пересмотр ТУ (разработка новых ТУ взамен действующих) осуществляется в соответствии с годовым планом отраслевой стандартизации.

(Измененная редакция, Изм. № 1).

ПРИЛОЖЕНИЕ 1

Обязательное

Форма перечня документов, упомянутых в ТУ

Документы в перечень следует записывать в следующей последовательности:

государственные стандарты, при этом графы 1 и 3 не заполнять;

отраслевые стандарты;

технические условия;

конструкторские, эксплуатационные, ремонтные и другие документы.

Стандарты, упомянутые в приложении 3 «Таблица по замене материалов» в графе 4, в перечень не вносят, если они отсутствуют в действующем указателе стандартов.

ПРИЛОЖЕНИЕ 2

Справочное

Форма таблицы
«Техническая характеристика для группы изделий»

ПРИЛОЖЕНИЕ 3

Обязательное

Форма таблицы по замене материалов

ПРИЛОЖЕНИЕ 4

Обязательное

Форма
«Перечень средств измерения, упомянутых в ТУ»

ПРИЛОЖЕНИЕ 5

Обязательное

Форма «Карта дефектации и ремонта»

Первый лист

Форма «Карта дефектации и ремонта»

Последующие листы

При заполнении карты указывают:

на поле 1 - рисунок детали или неразъемной составной части, (допускается приводить на отдельном листе);

в графе 2 - условное обозначение контролируемой поверхности, зоны контроля или номер сварного шва, которые приводятся на рисунке;

в графе 3 - возможные дефекты рассматриваемой поверхности или сварного шва;

в графе 4 - вид контроля в соответствии с ГОСТ 16504-81, для сварных швов - методы контроля в соответствии с ГОСТ 3242-79 и контрольный инструмент (если он отличается от указываемого в графе 7);

в графе 5 - заключение и рекомендуемый способ ремонта. Рекомендуемый способ ремонта должен быть наиболее простым, экономичным, прогрессивным и обеспечивать надежную эксплуатацию составной части; требования к технологии ремонта в графе не приводят;

в графе 6 - проверяемые размеры: диаметры, толщины стенок, ширину шпоночного паза и т.д., допуски формы и расположения поверхностей, шероховатость поверхностей и др., а также (при необходимости) требования к твердости, прочности и плотности.

В обозначение шероховатости поверхности должен входить символ Ra или Rz.

Для сварных швов - тип сварного шва и обозначение стандарта на него.

В графе 7 - обозначение средств измерения в соответствии с государственными стандартами и другой НТД и (при необходимости) метод контроля требований, изложенных в графе 6.

ПРИЛОЖЕНИЕ 6

Обязательное

Форма таблицы
«Методы контроля и средства измерения»

 

СОДЕРЖАНИЕ

1. Основные положения. 2

2. Построение, изложение и оформление ТУ.. 3

3. Порядок разработки, согласования, утверждения и регистрации ТУ.. 8

4. Издание ТУ. Пересмотр ТУ.. 10

Приложение 1. Форма перечня документов, упомянутых в ТУ.. 11

Приложение 2. Форма таблицы «Техническая характеристика для группы изделий». 12

Приложение 3. Форма таблицы по замене материалов. 13

Приложение 4. Форма «Перечень средств измерения, упомянутых в ТУ». 13

Приложение 5. Форма «Карта дефектации и ремонта». 14

Приложение 6. Форма таблицы «Методы контроля и средства измерения». 17