Стандарт устанавливает единые требования и методы их оценки для измерителей ошибок цифровых трактов передачи, образованных в аппаратуре синхронной цифровой иерархии и имеющих электрические стыки с целью обеспечения единства измерений и взаимозаменяемости приборов различных производителей, а также возможности применения на Взаимоувязанной сети связи России.
| Обозначение: | ОСТ 45.135-99 |
| Название рус.: | Измерители показателей ошибок в цифровых трактах передачи синхронной цифровой иерархии. Технические требования. Методы испытаний |
| Статус: | не определен законодательством |
| Дата актуализации текста: | 05.05.2017 |
| Дата добавления в базу: | 01.09.2013 |
| Дата введения в действие: | 30.06.2003 |
| Утвержден: | 03.12.1999 Госкомсвязи России (7377) |
| Опубликован: | ЦНТИ Информсвязь (1999 г. ) |
| Ссылки для скачивания: |

ГОСУДАРСТВЕННЫЙ КОМИТЕТ РОССИЙСКОЙ
ФЕДЕРАЦИИ ПО СВЯЗИ И ИНФОРМАТИЗАЦИИ
СТАНДАРТ ОТРАСЛИ
ИЗМЕРИТЕЛИ ПОКАЗАТЕЛЕЙ ОШИБОК
В ЦИФРОВЫХ ТРАКТАХ ПЕРЕДАЧИ
СИНХРОННОЙ ЦИФРОВОЙ ИЕРАРХИИ
Технические требования. Методы испытаний
ОСТ 45.135-99
ЦНТИ «ИНФОРМСВЯЗЬ»
Москва - 1999
Предисловие
1 РАЗРАБОТАН Центральным научно-исследовательским институтом связи (ЦНИИС) Госкомсвязи России
ВНЕСЕН Научно-техническим управлением и охраны труда Госкомсвязи России
2 УТВЕРЖДЕН Государственным комитетом по связи и информатизации Российской Федерации
3 ВВЕДЕН В ДЕЙСТВИЕ информационным письмом Госкомсвязи России от 03.12.1999 г. № 7377
4 Разрабатывается впервые
СОДЕРЖАНИЕ
Введение
Настоящий стандарт разработан в дополнение к ОСТ 45.91-96 с учетом Рекомендаций Международного союза электросвязи (МСЭ-Т) G.703, G.826, М.2101, О.150, О.172, О.181 [1; 8 - 12] в части нормирования и измерений показателей ошибок в трактах синхронной цифровой иерархии.
ОСТ 45.135-99
СТАНДАРТ ОТРАСЛИ
ИЗМЕРИТЕЛИ ПОКАЗАТЕЛЕЙ ОШИБОК В ЦИФРОВЫХ ТРАКТАХ ПЕРЕДАЧИ СИНХРОННОЙ ЦИФРОВОЙ ИЕРАРХИИ
Технические требования. Методы испытаний
Дата введения 31.12.1999 г.
Настоящий стандарт устанавливает единые требования и методы их оценки для измерителей показателей ошибок цифровых трактов передачи, образованных в аппаратуре синхронной цифровой иерархии и имеющих электрические стыки в соответствии с [1], с целью обеспечения единства измерений и взаимозаменяемости приборов различных производителей, а также возможности применения на Взаимоувязанной сети связи России.
Стандарт распространяется на измерители показателей ошибок (далее приборы), предназначенные для использования при настройке, вводе в эксплуатацию, техническом обслуживании в процессе эксплуатации и сертификационных испытаниях цифровых трактов передачи, образованных в аппаратуре синхронной цифровой иерархии (СЦИ) со скоростью передачи 155520 кбит/с (STM-1), а также аппаратуры цифрового группообразования и аппаратуры линии передачи с данной скоростью передачи.
Стандарт не распространяется на измерители показателей ошибок в части измерений сигналов СЦИ на оптических стыках аппаратуры, если эти функции предусмотрены в данных приборах.
В настоящем стандарте использованы ссылки на следующие стандарты:
ГОСТ 5237-83 Аппаратура электросвязи. Напряжения питания и методы измерения
ГОСТ 18145-81 Цепи на стыке С2 аппаратуры передачи данных с оконечным оборудованием при последовательном вводе-выводе данных. Номенклатура и технические требования
ГОСТ 22261-94 Средства измерений электрических и магнитных величин. Общие технические условия
ГОСТ 22348-86 Сеть связи автоматизированная единая. Термины и определения
ГОСТ 22670-77 Сеть связи цифровая интегральная. Термины и определения
ГОСТ 23675-79 Цепи стыка С2-ИС системы передачи данных. Электрические параметры.
ГОСТ 26886-86 Стыки цифровых каналов передачи и групповых трактов первичной сети ЕАСС. Основные параметры
ГОСТ 30428-96 Совместимость технических средств электромагнитная. Радиопомехи индустриальные от аппаратуры проводной связи. Нормы и методы испытаний
ГОСТ 26.003-80 Система интерфейса для измерительных устройств с байт-последовательным, бит-параллельным обменом информацией. Требования к совместимости
ОСТ 45.91-96 Измерители показателей ошибок в цифровых каналах и трактах передачи. Технические требования. Методы испытаний.
ОСТ 45.90-96 Стыки цифровых каналов и трактов первичной сети Взаимоувязанной сети связи Российской Федерации. Методы испытаний основных параметров
ОСТ 45.134-99 Приборы для измерения дрожания и дрейфа фазы в цифровых сигналах электросвязи. Технические требования. Методы испытаний
В настоящем стандарте применяются следующие термины с соответствующими определениями:
3.1 Виртуальный контейнер - информационная структура, используемая в СЦИ для поддержки соединений на уровне тракта.
3.2 Затухание несогласованности - двадцать десятичных логарифмов отношения модуля суммы входного (выходного) сопротивления цепи и сопротивления нагрузки к модулю разности этих сопротивлений.
3.3 Интервал измерений - интервал времени, последовательно повторяющийся в течение цикла измерений, за который в приборе осуществляется регистрация ошибок и определение показателей ошибок с возможностью их отображения и вывода на печать.
3.4 Коэффициент ошибок по битам - отношение числа ошибочно принятых бит (двоичных символов) к общему числу бит измеряемого сигнала в заданном временном интервале.
3.5 Коэффициент ошибок по блокам - отношение числа ошибочно принятых блоков к общему числу блоков синхросигнала в заданном временном интервале.
3.6 Ошибка - расхождение между символом в переданном цифровом сигнале и соответствующим символом в принятом цифровом сигнале.
3.7 Показатели ошибок - характеристики, основанные на анализе потока ошибок в зависимости от времени и сравнении результата с заданными порогами (более подробно рассмотрено в приложении А).
3.8 Прозрачность структуры цифрового сигнала - передача цифрового сигнала без изменения каких-либо бит, причем каждому биту этого сигнала разрешено принимать любое значение на входе измеряемого объекта.
3.9 Размещение СЦИ - процедура, при помощи которой выполняется адаптация компонентных сигналов в виртуальные контейнеры.
3.10 Синхронная цифровая иерархия (СЦИ, SDH) - иерархическая совокупность цифровых транспортных структур, стандартизованных для транспортирования по физическим сетям передачи соответствующим образом адаптированной нагрузки.
3.11 Синхронный транспортный модуль (STM) - информационная структура, используемая в СЦИ для поддержки соединений на уровне секции. Состоит из информационной нагрузки и секционного заголовка (SOH), входящих в структуру цикла, который повторяется каждые 125 мкс. Информация соответствующим образом подготавливается для последовательной передачи со скоростью, которая синхронизируется с сетью. Базовый STM (STM-1) имеет скорость 155520 кбит/с и содержит одну группу административных блоков (AUG) и секционный заголовок (SOH) [3].
3.12 Цикл измерений - полное время измерений, устанавливаемое в приборе для автоматизированных измерений показателей ошибок в измеряемом объекте.
3.13 Цифровой тракт - комплекс технических средств, предназначенный для передачи цифровых сигналов электросвязи нормализованного числа цифровых каналов со скоростью передачи, характерной для данного тракта передачи.
Используются также другие термины по ГОСТ 22348, ГОСТ 22670 и Рекомендациям МСЭ-Т (приложение Г)
МСЭ-Т - Международный союз электросвязи, сектор стандартизации в области связи
СЦИ (SDH) - синхронная цифровая иерархия (Synchronous Digital Hierarhy)
STM-1 - синхронный транспортный модуль (Synchronous Transport Module)
VC - виртуальный контейнер
ТУ - технические условия
КОП - многопроводный магистральный канал общего пользования
CMI - двухуровневый код с инверсией посылок.
ТИ (UI) - тактовый интервал (единичный интервал - Unit Interval), соответствующий обратной величине номинальной скорости передачи
ПЦИ (PDH) - плезиохронная цифровая иерархия (Plesiochronous Digital Hierarhy)
ПСП - псевдослучайная последовательность
ГИС - генератор измерительного сигнала
ТЗ - техническое задание
ИО - измеритель ошибок
5.1.1 Электропитание приборов должно осуществляться от сети переменного тока
частотой (50 ± 2,5) Гц и напряжением 220 (+22 -33) В с содержанием гармоник до
10 % в соответствии с ГОСТ
5237 или от встраиваемых источников постоянного тока.
5.1.2 По устойчивости к климатическим и механическим воздействиям приборы должны соответствовать требованиям 3-й группы ГОСТ 22261 (для работы в отапливаемых помещениях).
5.1.3 Приборы по требованиям к времени установления режима, конструкции, надежности, электрической прочности и сопротивлению изоляции и другим требованиям электробезопасности, требованиям к электромагнитной совместимости (радиоэлектронной защите), маркировке, упаковке и хранению в части, не оговоренной в настоящем стандарте, должны соответствовать ГОСТ 22261.
5.1.4 Приборы должны подвергаться испытаниям для утверждения типа в соответствии с ПР 50.2.009 [13].
5.1.5 Приборы должны подвергаться сертификационным испытаниям в системе «Электросвязь» в соответствии с [14].
5.1.6 Аппаратура должна иметь маркировку с обозначением товарного знака, типа, децимального номера, порядкового номера и года изготовления, знака сертификата соответствия Госкомсвязи России.
5.1.7 Упаковка аппаратуры должна обеспечивать выполнение требований по транспортированию и хранению в соответствии с ТУ. На упаковочной таре, а также на самом изделии и в его паспорте должен быть указан номер сертификата соответствия Госкомсвязи Российской Федерации.
5.1.8 Прибор в отношении создаваемых им радиопомех должен соответствовать требованиям ГОСТ 30428 для группы А (эксплуатация вне жилых помещений).
5.1.9 Комплектность аппаратуры, включая состав эксплуатационной документации, должна быть оговорена в ТУ. Сопроводительная документация должна быть выполнена на русском язык и должна быть достаточной для изучения принципов работы составных частей и в целом комплекса аппаратуры, их настройки и обслуживания.
В состав комплекта документации должно входить:
техническое описание;
руководство по эксплуатации.
5.1.10 В зависимости от назначения (для измерения с прекращением связи или без прекращения связи) приборы могут состоять из передающей и приемной части или только приемной части.
5.1.11 Кроме измерения показателей ошибок, приборы могут одновременно обеспечивать измерение одной или более характеристик дрожания и дрейфа фазы, а также измерение показателей ошибок в цифровых трактах, образованных в аппаратуре плезиохронной иерархии.
Примечание - Требования к измерениям параметров дрожания и дрейфа фазы должны соответствовать ОСТ 45.134, а к измерениям показателей ошибок в цифровых трактах плезиохронной иерархии ОСТ 45.91.
5.1.12 Приборы, предназначенные для работы в автоматизированных измерительных комплексах, должны удовлетворять требованиям по взаимодействию через КОП - систему интерфейса по ГОСТ 26.003 или через стык С2 - по ГОСТ 18145 и ГОСТ 23675. Тип интерфейса устанавливается в ТЗ.
5.2.1 Входное и выходное сопротивление приборов, предназначенных для измерений показателей ошибок с прекращением связи в измеряемом тракте STM-1, должно быть равно 75 Ом с затуханием несогласованности не менее 15 дБ в диапазоне частот от 8 до 240 МГц.
5.2.2 Входное сопротивление и затухание несогласованности входа приборов, предназначенных для измерений показателей ошибок без прекращения связи в цифровых каналах и трактах, должно быть рассчитано на подключение к измеряемому тракту в защищенных измерительных точках (имеющих развязывающие устройства) [4] и соответствовать значениям, указанным в 5.2.1. При этом в приборах должно обеспечиваться дополнительное усиление входного сигнала для компенсации затухания развязывающих устройств в защищенных точках контроля измеряемой аппаратуры (до 20 дБ) и затухания стыковой цепи.
Максимальное
вносимое затухание стыковой цепи, когда приборы должны правильно работать (как
в режиме с прекращением связи, так и в режиме без прекращения связи), если они
подключены к выходу стыков через стыковую цепь в виде коаксиальной пары, должно
быть 12,7 дБ на частоте 78 МГц. Вносимое затухание кабеля на других частотах
пропорционально
.
5.2.3 Приборы должны обеспечивать измерение показателей ошибок при использовании (на входе и выходе измеряемого канала или тракта) сигналов в коде СМI в виде импульсов, нормируемых в Рекомендации МСЭ-Т G.703 [1] для стыка на 155,520 Мбит/с. Маски импульсов, соответствующих двоичным 0 и 1 для данного стыка, приведены на рисунках 1а и 1б.
5.2.4 Собственное фазовое дрожание на выходе прибора должно быть не более 0,01 - 0,05 ТИ в зависимости от назначения прибора, устойчивость входа к дрожанию/дрейфу фазы должна соответствовать требованиям Рекомендации МСЭ-Т G.825 [7] к входной части электрического стыка STM-1, приведенным на рисунке 2 и в таблице 1.
5.3.1 Номинальная скорость тактовой частоты измерительного сигнала должна быть равна 155520 кбит/с.
5.3.2 Измерительные сигналы на выходе передающей части прибора должны представлять собой структурированные цифровые сигналы, сформированные в виде циклов, выбираемые оператором в зависимости от типа подлежащего измерению тракта STM-1, который рассматривается с точки зрения прозрачного транспортирования [3, 12].
5.3.3 Структурированный цифровой измерительный сигнал должен соответствовать структуре сигнала STM-1, образованной по Рекомендации МСЭ-Т G.707 [3], и в которую вставляется соответствующая испытательная последовательность (5.3.5).
Рисунок 1а - Шаблон импульса, соответствующего двоичному «0» для цифрового стыка 155520 кбит/с

Рисунок 1б - Шаблон импульса, соответствующего двоичной «1» для цифрового стыка 155520 кбит/с
Рисунок 2 - Размах максимально допустимого фазового дрожания/дрейфа на входе измерителя показателей ошибок цифрового стыка в зависимости от частоты фазового дрожания/дрейфа
Таблица 1 - Размах максимально допустимого фазового дрожания/дрейфа на входе измерителя показателей ошибок цифрового стыка в зависимости от частоты фазового дрожания/дрейфа
|
Максимально допустимый размах дрожания/дрейфа фазы (в ТИ) |
Частота дрожания/дрейфа фазы (Гц) |
||||||||||||||
|
А0 |
А1 |
А2 |
А3 |
А4 |
f0 |
f12 |
f11 |
f10 |
f9 |
f8 |
f1 |
f2 |
f3 |
f4 |
|
|
STM-1e |
2800 |
311 |
39 |
1,5 |
0,075 |
12 мк |
178 мк |
1,6 м |
15,6 м |
0,125 |
19,3 |
500 |
3,25 к |
65 к |
1,3 М |
5.3.4 Должны предусматриваться две структуры измерительного сигнала:
· структура без размещения.
· структура с размещением.
Структуры измерительного сигнала с размещением должны обеспечиваться в приборах, в которых предусматривается возможность измерений аппаратуры цифрового группообразования (или части цифрового тракта) между входом СЦИ и выходом ПЦИ для обеспечения совместной работы с приборами, соответствующими ОСТ 45.91.
Структуры измерительного сигнала, предназначенные для различных режимов измерений и приведенные в Рекомендации МСЭ-Т 0.181 [12], описаны в приложении Б.
· псевдослучайных последовательностей двоичных символов (битов), наиболее полно имитирующих реальные информационные сигналы и в то же время заранее известных,
· свободно программируемых 16-ти битовых последовательностей.
Длина ПСП должна быть равна (2n - 1) бит. Число n зависит от вида структуры измерительного сигнала и указано при характеристике последних в приложении А. Правила построения ПСП должны соответствовать ОСТ 45.91 и Рекомендации МСЭ-Т О.150 [10].
5.3.6 Для целей проверки должен быть предусмотрен неструктурированный бесцикловый сигнал в виде испытательных последовательностей по 5.3.5, или, если прибор является универсальным, т.е. предназначенным также для трактов ПЦИ и удовлетворяющим требованиям ОСТ 45.91 по структуре измерительного сигнала, то в приборе может быть предусмотрен бесцикловый измерительный сигнал только для трактов ПЦИ.
· от собственного тактового генератора на номинальной частоте цифрового измерительного сигнала, указанной в 5.3.1 с погрешностью не более ±1,5·10-5·f кГц с возможностью сдвига до ±1·10-4·f;
· от внешнего тактового сигнала в виде импульсов прямоугольной формы с погрешностью частоты не более ±50·10-6·f и амплитудой 50 мВ - 1 В;
· от других цифровых сигналов, если это предусмотрено в ТЗ;
· от синхронизирующего сигнала, выделенного из принятого сигнала.
5.4.2 Для ГИС, предназначенных для измерения показателей ошибок, должна быть предусмотрена возможность введения в измерительный сигнал калиброванных ошибок в пределах коэффициента ошибок по битам и по блокам как в испытательную последовательность в структуре сигнала, так и в служебные биты (биты заголовков): B1, B2, В3, HP REI и MS REI. Введение ошибок В3 должно предусматриваться только для структур измерительного сигнала с размещением. Определения видов вводимых ошибок приведены в приложении А. Диапазон вводимого коэффициента ошибок должен быть не менее чем: от 10-7 до 10-3.
5.4.3 Должно предусматриваться генерирование следующих аварийных сигналов (дефектов): LOS, LOF, MS-AIS, MS-RDI, RS-TIM, AU-AIS, AU-LOP, HP-RDI, НР-ТIМ (определения даны в приложении А). Возможность введения тех или иных аварийных сигналов определяется структурой измерительного сигнала.
5.4.4 Для целей проверки ряда параметров прибора желательно, чтобы был предусмотрен выход тактового сигнала, соответствующего выходному сигналу прибора.
5.5.1 Приемная часть прибора, измеритель ошибок (далее - ИО), должна работать с внутренним выделителем тактовой частоты из принимаемого сигнала, а также от внешнего сигнала (как в ГИС - по 5.4.1).
Прибор должен позволять выполнять измерения при подаче на вход сигнала с отклонением тактовой частоты от номинального значения в пределах не менее, чем на ±50·10-6.
5.5.2 В ИО должны обеспечиваться:
5.5.2.1 Регистрация ошибок (метод регистрации ошибок выбирается из указанных в данном подпункте в соответствии с [12] и назначением прибора):
а) по битам в испытательной последовательности,
б) по блокам измерительного или рабочего сигнала (значения величины блоков для сигналов СЦИ, рекомендованные в [12], приведены в таблице 2. Выбор величины блока при регистрации ошибок должен определяться структурой измерительного сигнала);
в) по ошибкам В1, В2, В3, HP REI, MS REI (возможность регистрации тех или иных ошибок определяется структурой измерительного сигнала; определения и критерии регистрации даны в приложении А).
5.5.2.2 Счет числа ошибок в течение установленного периода измерения.
5.5.2.3 Вычисление и индикацию коэффициента зарегистрированных ошибок за установленный интервал времени (для установленного типа ошибки).
5.5.2.4 Регистрация аварийных сигналов (дефектов) в соответствии с 5.4.3.
5.5.2.5 Анализ потока зарегистрированных ошибок по односекундным интервалам времени в соответствии с Рекомендацией МСЭ-Т G.826 [8] за установленный период времени и индикация: ЕВ, ВВЕ, ES, EFS, SES и UAS, определения и критерии регистрации которых даны в приложении А.
Примечание - Показатели ошибок по 5.5.2.5 должны вычисляться в пределах времени готовности (приложение А).
Таблица 2 - Значения величины блоков для анализа показателей ошибок СЦИ
|
Тип тракта СЦИ |
Значение величины блока |
Критерий обнаружения ошибки |
|
|
48960 кбит/с |
VC-3 |
6120 битов |
В3 |
|
150336 кбит/с |
VC-4 |
18792 бита |
В3 |
|
155520 кбит/с |
STM-1 |
19440 бит* |
В3 |
|
* Величина блока относится к регенераторной секции [10] |
|||
5.5.3 Диапазон измерения коэффициента ошибок должен быть не менее чем: от 10-3 до 10-8.
5.5.5 В ИО должно устанавливаться значение интервала измерений и цикла измерений в пределах не менее, чем от 1 минуты до 1 месяца. Должен быть предусмотрен также стартстопный режим работы (запуск и прекращение цикла измерений вручную).
5.5.6 Результаты измерения должны выводиться на индикатор или внешнее устройство одним или несколькими из следующих способов:
за текущий интервал измерения;
за последний интервал измерений;
с начала цикла измерений;
наихудшее значение из результатов для интервалов измерения с начала цикла измерений;
за весь цикл измерений.
Общие требования к методам испытаний, их последовательности, нормальным условиям испытаний, а также методы испытания при изменении напряжения и частоты электропитания, на устойчивость к климатическим и механическим воздействиям, на прочность при транспортировании, на электробезопасность и электромагнитную совместимость должны соответствовать ГОСТ 22261.
6.2.1 Перечень рекомендуемых для проведения испытаний средств измерений приведен в приложении В.
6.2.2 Требования к используемым приборам приведены в тексте методик испытаний конкретных параметров и в приложении В.
6.2.3 Рекомендуемые типы средств измерений могут быть заменены другими, соответствующими необходимым требованиям по метрологическим характеристикам.
6.2.4 Средства измерений, применяемые при испытаниях, должны иметь эксплуатационную техническую документацию и отметку об очередной поверке. Запрещается применять средства измерений, срок обязательной поверки которых истек.
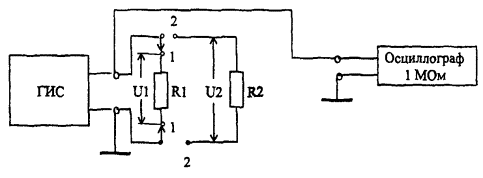
6.3.1 Выходное сопротивление ГИС (5.2.1) измеряется с помощью резисторной схемы (рисунок 2) при разных значениях нагрузки (Rн и R1) и определяется по формуле:
![]()
где U1 - амплитуда выходного сигнала при подключении номинальной нагрузки Rн,
U2 - амплитуда выходного сигнала при подключении измененной нагрузки R1 = Rн/2 Ом.
Измерение амплитуды выходного сигнала следует проводить прибором с высокоомным входом. Для этой цели может быть использован осциллограф, включенный по схеме, приведенной на рисунке 3, через согласующую схему, работающий в диапазоне частот, с верхним пределом диапазона частот не менее чем 250 МГц.
6.3.2 Сопротивление входа (5.2.1) ИО (для согласованного включения) измеряют по схеме, приведенной на рисунке 4. Значение R1 устанавливается равным ожидаемому значению входного сопротивления ИО. Значение напряжения U1 и U2 определяется по милливольтметру с высокоомным входом.
Генератор сигналов должен обеспечивать синусоидальный измерительный сигнал не менее чем до 240 МГц. Измерения проводятся на нескольких частотах в пределах диапазона с напряжением порядка 0,5 - 1 В.
Вначале проводится измерение напряжения U1 при замкнутом ключе П и записывается значение U1’. Затем ключ размыкается, напряжение генератора повышается до получения U2 = U1’ и записывается значение U1”.
Входное сопротивление на данной частоте вычисляют по формуле:
![]()
Затухание несогласованности входа и выхода прибора может быть вычислено по формуле:
![]()
ГИС - генератор испытательного сигнала
Рисунок 3 - Схема измерения выходного сопротивления прибора
Рисунок 4 - Измерение входного сопротивления прибора
Проверка частоты сигнала на выходе ГИС (5.4.1) осуществляется с помощью частотомера (рисунок 5), подключаемого к выходу тактовой частоты прибора.
Осуществляя регулировку расстройки частоты в приборе в пределах, оговоренных в технической документации, проверяют, укладывается ли в допуск измеренное значение тактовой частоты сигнала. Погрешность частотомера должна быть не более ±1·10-6·f.
Рисунок 5 - Схема для измерения частоты сигнала
Правильность структуры измерительного сигнала проверяется путем совместной работы с заведомо исправным ИО того же назначения, тип которого внесен в Госреестр. При соединении испытываемого ГИС и исправного ИО и установке аналогичных режимов работы не должно наблюдаться появления ошибок и должен осуществляться адекватный счет ошибок при ручном введении их на ГИС.
Проверка работы ГИС от внешнего тактового сигнала (5.4.1) проводится по схеме, приведенной на рисунке 5, с помощью генератора синусоидальных сигналов, от которого подаются сигналы с необходимой частотой и амплитудой (с допусками согласно технической документации). Частота тактового сигнала контролируется частотомером. Работа ГИС контролируется путем измерения правильности формирования испытательных последовательностей в соответствии с 6.5.
Форма импульса (5.2.3) цифрового сигнала (амплитуда, длительность, время нарастания и спада импульса) на выходе ГИС проверяется с помощью осциллографа по схеме, приведенной на рисунке 6, в режиме бесциклового измерительного сигнала. Устанавливаются испытательные последовательности в виде одних единиц или одних нулей (могут быть и другие периодические последовательности, где отчетливо видны импульсы, соответствующие двоичным «1» и «0»).
Применяемый осциллограф должен иметь время нарастания переходной характеристики не более 0,2 нс, а точность измерения по оси X и Y - не хуже ±3 %. Вход осциллографа должен быть или высокоомным (тогда генератор нагружается на 75 Ом ± 5 %), или низкоомным. При необходимости, если входное сопротивление осциллографа равно 50 Ом, осциллограф должен подключаться к ГИС через согласующую схему.
Если имеющиеся в осциллографе способы синхронизации развертки не позволяют увидеть импульс, на осциллограф должен быть подан синхросигнал. Способ и сигнал синхронизации при наблюдении сигналов зависят от типа применяемого осциллографа, а также от имеющихся дополнительных выходов ГИС.
При использовании осциллографа с внешней синхронизацией для деления тактовой частоты, что требуется для просмотра сигнала в коде CMI, может потребоваться использование вспомогательного ГИС, показанного на рисунке 6 пунктиром. Последний синхронизируется от тактового сигнала проверяемого ГИС, а выходной сигнал в виде импульсов, соответствующих двоичным «1» в коде CMI, используется для синхронизации осциллографа при наблюдении импульсов, соответствующих двоичным «1» и «0». При необходимости наблюдения других комбинаций «1» и «0» на осциллограф должен подаваться синхросигнал соответствующей частоты.
Рисунок 6 - Схема для измерения параметров импульсов
Форма сигнала может быть проверена с помощью диаграммы. Для этого испытательная последовательность в режиме бесциклового измерительного сигнала устанавливается в виде ПСП (223 - 1). На осциллографе наблюдается диаграмма, которая должна находиться в пределах шаблона, показанного на рисунке 7. Амплитуда импульса на маске приведена к единице, а шкала времени размечена в долях периода повторения импульсов (Т).
|
Точка |
Время |
Амплитуда |
|
а |
0,25 Т/2 |
0,00 |
|
b |
-0,05 Т/2 |
0,25 |
|
с |
-0,05 Т/2 |
0,25 |
|
d |
-0,20 Т/2 |
0,00 |
|
f |
-0,05 Т/2 |
-0,25 |
|
е |
-0,05 Т/2 |
-0,25 |
Рисунок 7 - Шаблон диаграммы сигнала для цифрового стыка 155520 кбит/с
Правильность формирования кода выходного сигнала ГИС (5.2.3) проверяется при наличии неструктурированного бесциклового сигнала с помощью осциллографа по схеме, приведенной на рисунке 6. Для удобства наблюдения кода на экране устанавливается структура испытательной последовательности в виде 1 с одним или несколькими нулями.
При отсутствии неструктурированного бесциклового сигнала или осциллографа, позволяющего видеть кодированный сигнал, проверка проводится по методике 6.5.
Правильность введения ошибок (5.4.2) в выходной сигнал ГИС (значение калиброванных ошибок) может проверяться по методике 6.5 путем измерения количества ошибок в измерительном сигнале эталонным ИО при введенных вручную ошибках.
Собственное фазовое дрожание сигнала на выходе ГИС в режиме без введения фазового дрожания (5.2.5) проверяется при помощи анализатора спектра, подключаемого к выходу генератора по схеме, приведенной на рисунке 8. Проверка проводится при установлении структуры выходного сигнала в виде последовательности нулей. На экране анализатора наблюдается спектр исследуемого сигнала.
Принимая во внимание то, что размах собственного фазового дрожания много меньше тактового интервала (ТИ), его можно определить в ТИ по формуле:
g = 0,32·β/a,
где a - амплитуда основной спектральной составляющей;
β - наибольшая амплитуда паразитных составляющих в диапазоне частот, отстоящих от частоты основной спектральной составляющей до ± (5 - 10) %.
Полоса обзора анализатора спектра устанавливается шириной до 15 - 20 % от частоты основной спектральной составляющей, полоса пропускания 10 - 30 Гц. При необходимости должна применяться согласующая схема.
Рисунок 8 - Схема проверки собственного фазового дрожания
Устойчивость ИО к фазовому дрожанию входного сигнала (5.2.5) проверяется по схеме, приведенной на рисунке 9, путем подачи от эталонного ГИС сигнала с введенным фазовым дрожанием, соответствующим максимально допустимому значению, указанному в 5.2.5.
Рисунок 9 - Схема проверки устойчивости ИО к фазовому дрожанию
Проверка погрешности счета ошибок, проверка измерения коэффициента ошибок (5.5.3 - 5.5.4) и чувствительности входа прибора (5.2.2) проводится по схеме, приведенной на рисунке 10, с помощью эталонного ГИС (можно использовать ГИС испытываемого прибора после проверки его параметров), по сигналу с калиброванной ошибкой. Проверка проводится как при внутренней, так и при внешней синхронизации ИО от сигнала с заданными допусками по частоте и амплитуде.
Измерения проводятся в зависимости от цели испытаний в различных режимах работы, за фиксированный интервал времени или путем ввода заданного коэффициента ошибок или при ручном вводе ошибок. Проверка должна проводиться при введении затухания во входной сигнал со значением, обеспечивающим подачу на вход сигнала с уровнем, минимально допустимым согласно технической документации.
Измеренные значения коэффициента ошибок и количества ошибок сравниваются с расчетными для заданных условий измерения.
Проверка индикации дефектов (аварийных сигналов) проводится путем ввода этих состояний вручную от эталонного генератора (допускается проверка индикации некоторых состояний при линейных испытаниях).
Рисунок 10 - Схема проверки измерения ошибок ИО
А1. Критерии для входа в состояние неготовности и выхода из него (Рекомендации МСЭ-Т G.826, М.2101.1 [8, 9])
А1.1 Период времени неготовности - количество секунд неготовности (unavailable seconds US)1 - время в секундах, которое начинается с началом 10 последовательных секунд, пораженных ошибками (SES). Эти десять секунд считаются частью времени неготовности. Новый период времени готовности начинается с началом десяти последовательных событий, не являющихся SES. Эти 10 секунд считаются частью времени готовности.
Здесь и далее в скобках указаны международные обозначения показателей ошибок и других понятий, используемые в зарубежных средствах измерений.
А1.2 Время готовности (available seconds AS) - время в секундах, равное разности периода измерений Тизм и периода времени неготовности:
AS = Тизм - US
А2 Показатели ошибок, нормируемые в долговременных нормах на цифровые сетевые тракты первого и более высоких порядков (Рекомендация МСЭ-Т G.826 [8])
А2.1 Коэффициент ошибок по секундам с ошибками (ESR)
Отношение секунд с ошибками (ES) к общему количеству секунд в течение времени готовности за фиксированный интервал измерения.
Секунда с ошибками (ES)
Односекундный интервал с одним или более блоками с ошибками.
Блок с ошибками (ЕВ)
Блок, в котором один или более бит являются ошибочными.
Примечание - Рекомендуемые значения величины блоков для трактов синхронной иерархии указаны в таблице 2 настоящего стандарта.
А2.2 Коэффициент ошибок по секундам, пораженным ошибками (SESR)
Отношение секунд, пораженных ошибками, (SES) к общему количеству секунд в течение времени готовности за фиксированный интервал измерения.
Секунда, пораженная ошибками (SES)
Односекундный интервал, содержащий ³ 30 % блоков с ошибками или, по меньшей мере, один дефект. SES входит в совокупность ES. Перечень дефектов для STM-1 - по А.3.2.
А2.3 Коэффициент фоновых ошибок по блокам (BBER)
Отношение фоновых ошибок по блокам (ВВЕ) ко всему количеству блоков, в течение времени готовности за фиксированный интервал измерения. При счете общего количества блоков исключаются все блоки в течение SES.
Фоновая ошибка по блокам (ВВЕ)
Блок с ошибками, не являющийся частью SES.
A3 Параметры, используемые для оценки показателей ошибок, критерии их оценки
А3.1 Аномалии, относящиеся к измерению качественных показателей
Потеря циклового синхронизма (OOF)
Критерий для обнаружения аномалии OOF должен соответствовать критерию, определенному в Рекомендации G.783 [6].
Ошибки В1
Должны контролироваться ошибки проверки на четность, оцениваемые с помощью байта B1 (BIP-8) сигнала STM-1. Если любая из восьми проверок на четность покажет ошибку, считается, что соответствующий блок имеет ошибку.
Ошибки В2
Должны контролироваться ошибки проверки на четность, оцениваемые с помощью байтов В2 (ВГР-24´N) сигнала STM-N. Если любая из 24 проверок на четность N раз покажет ошибку, считается, что соответствующий блок имеет ошибку.
Ошибки В3
Должны контролироваться ошибки проверки на четность, оцениваемые с помощью байта В3 (ВIP-8) сигнала VC - n (n = 3, 4). Если любая из восьми проверок на четность покажет ошибку, считается, что соответствующий блок имеет ошибку.
Индикация ошибки дальнего конца мультиплексной секции (MS-REI)
Должна контролироваться индикация об ошибке MS-REI, если она поддерживается измеряемым объектом, содержащаяся в битах от 1 до 8 байта M1 в контролируемом MSON (заголовке мультиплексной секции).
Индикация ошибки дальнего конца тракта высшего порядка (HP-REI)
Должна контролироваться индикация об ошибке HP-REI, содержащаяся в битах от 1 до 4 байта G1 сигнала VC - n (n = 3, 4).
Индикация ошибки дальнего конца тракта низшего порядка (LP-REI)
Должна контролироваться индикация об ошибке LP-REI, содержащаяся в битах от 1 до 4 байта G1 сигнала VC-3.
Должна контролироваться индикация об ошибке LP-REI, содержащаяся в бите 3 байта V5 сигнала VC-12.
Ошибки BIP-2
Должны контролироваться ошибки по четности в битах 1 и 2 (BIP-2: чередующаяся четность битов-2) байта V5 сигнала VC-12). Если любая из двух проверок на четность покажет ошибку, считается, что соответствующий блок имеет ошибку.
Ошибка испытательной последовательности (TSE)
TSE возникает, когда обнаруживается одна или более ошибок по битам в испытательной последовательности в группе последовательных бит, связанных с трактом, и соответствующих одному блоку, контролируемому соответствующей BIP.
А3.2 Дефекты, относящиеся к измерению качественных показателей
Пропадание сигналя (LOS)
Дефект LOS (для электрического стыка) имеет место, когда у приходящего сигнала нет переходов через нуль в течение периода времени, эквивалентного N импульсов (значение N подлежит дальнейшему изучению).
Измерительная аппаратура должна быть способна обнаруживать дефект LOS на своих стыках PDH по G.703 [1], когда это предусмотрено. Соответствующие критерии определены в Рекомендации G.775 [5].
Пропадание циклового синхросигнала (LOF)
Критерий для обнаружения дефекта LOF должен соответствовать критерию, определенному в Рекомендации G.783 [6].
ПРИМЕЧАНИЕ - Когда в измерительной аппаратуре выполняется синхронное размещение байта вешнего сигнала 2 Мбит/с, она должна быть способна обнаруживать пропадание щитового синхросигнала для этого цифрового сигнала в соответствии со стратегией, описанной в Рекомендации G.706 [2].
Сигнал индикации аварийного состояния мультиплексной секции (MS-AIS)
Критерий для обнаружения дефекта MS-AIS должен соответствовать критерию, определенному в Рекомендации G.783 [6].
Индикация дефекта дальнего конца для мультиплексной секции (MS-RDI)
Критерий для обнаружения дефекта MS-RDI должен соответствовать критерию, определенному в Рекомендации G.783 [6].
Пропадание Указателя административного блока (AU-LOP)
Критерий для обнаружения дефекта AU-LOP должен соответствовать критерию, определенному в Рекомендации G.783.
Сигнал индикации аварийного состояния административного блока (AU-AIS)
Критерий для обнаружения дефекта AU-AIS должен соответствовать критерию, определенному в Рекомендации G.783 [6].
Индикация дефекта дальнего конца для тракта высшего порядка (HP-RDI)
Критерий для обнаружения дефекта HP-RDI должен соответствовать критерию, определенному в Рекомендации G.783 [6].
Несоответствие идентификатора трассы тракта высшего порядка (HP-TIM)
Критерий для обнаружения дефекта HP-TIM при помощи информации, содержащейся в байте J1 сигнала VC - n (n = 3, 4), изучается.
Пропадание сверхциклового синхросигнала компонентного блока (TU-LOM)
Критерий для обнаружения дефекта TU-LOM должен соответствовать критерию, определенному в Рекомендации G.783 [6].
Пропадание Указателя компонентного блока (TU-LOP)
Критерий для обнаружения дефекта TU-LOP должен соответствовать критерию, определенному в Рекомендации G.783 [6].
Сигнал индикации аварийного состояния компонентного блока (TU-AIS)
Критерий для обнаружения дефекта TU-AIS должен соответствовать критерию, определенному в Рекомендации G.783 [6].
Индикация дефекта дальнего конца для тракта низшего порядка (LP-RDI)
Критерий для обнаружения дефекта LP-RDI должен соответствовать критерию, определенному в Рекомендации G.783 [6].
Пропадание синхронизации последовательности (LSS)
Критерий для LSS должен соответствовать критерию, определенному в Рекомендации О.150 [10].
А3.3 Оценка ES и SES по информации об аномалиях и дефектах без прекращения связи от оконечного оборудования тракта
В таблицах А.1, А.2 и А.3 приведены справочные данные по критериям оценки ES/SES по информации от индикаторов появления аномалии и дефекта:
· для уровней трактов высшего и низшего порядка (НО и LO)
· уровня мультиплексной секции.
В таблицы включена также получаемая без прекращения связи информация об аномалиях и дефектах оконечного оборудования тракта дальнего конца. Если эта информация имеется в применяемом оборудовании, имеется возможность контроля обоих направлений на одном конце.
На рисунке А.1 приведена блок-схема, иллюстрирующая обнаружение аномалий и дефектов и выработку показателей ошибок.
Рисунок А.1 - Блок-схема, иллюстрирующая обнаружение аномалий и дефектов и выработку показателей ошибок
Таблица А.1 - Критерии оценки параметров ES и SES без прекращения связи для уровня трактов низшего порядка (LO)
Таблица А.2 - Критерии оценки параметров ES и SES без прекращения связи для уровня трактов высшего порядка (НО)
Таблица А.3 - Критерии оценки параметров ES и SES без прекращения связи для уровня секций
Введение
В данном приложении описываются структуры измерительных сигналов, рекомендованные в [12].
Структура измерительного сигнала представляет собой испытательную последовательность, которая подается в структуру сигнала СЦИ (SDH), определенную в Рекомендации G.707 [3].
Все AU-n и TU-m, включенные в структуру измерительного сигнала и не используемые для измерения качественных показателей, конфигурируются с правильными установками байт заголовка и верными указателями в соответствии с Рекомендацией G.707 [3]. Это не исключает введения AU-AIS (сигнал индикации аварийного состояния) или TU-AIS в данные AU-n и TU-m.
Для уверенности в совместимости с аппаратурой сети СЦИ (SDH) при транспортировании измерительных сигналов установлены особые обозначения сигналов в соответствии с Рекомендацией G.707 [3]. Значение FEH (байт С2) используется для трактов высшего порядка, а значение 110 (биты 5, 6, 7 байта V5) для трактов низшего порядка при применении измерительных сигналов от TSS1 до TSS4 или других, таких как размещение фиксированного повторяющегося байта, не определенного в Рекомендации G.707 [3].
Б1 Структура измерительного сигнала TSS1, подаваемого во все байты контейнера С-4 высшего порядка
Для испытания элементов сети (NE), обеспечивающих Соединение тракта высшего порядка (НРС) и использующих структуру AU-4, структура измерительного сигнала TSS1 представляет собой ПСП (псевдослучайную двоичную испытательную последовательность) длиной (223 - 1) бит, которая подается во все байты контейнера С-4 (рисунок Б.1).
RSOH - заголовок регенераторной секции
MSOH - заголовок мультиплексной секции
POH - заголовок тракта
Рисунок Б.1 Структура измерительного сигнала TSS1
Б2 Структура измерительного сигнала TSS2, подаваемого во все байты контейнера С-3 высшего порядка
Для испытания элементов сети (NE), обеспечивающих Соединение тракта высшего порядка (НРС) и использующих структуру AU-3, структура измерительного сигнала TSS2 (рисунок Б.2) представляет собой ПСП (псевдослучайная двоичная испытательная последовательность) длиной (215 - 1) бит, которая подается во все байты контейнера С-3 высшего порядка.
Рисунок Б.2 Структура измерительного сигнала TSS2
Б3 Структура измерительного сигнала TSS3, подаваемого во все байты контейнера С-3 низшего порядка
Для испытания элементов сети (NE), обеспечивающих функции НРС (соединение тракта высшего порядка) и LPC (соединение тракта низшего порядка) структура измерительного сигнала TSS3 (рисунок Б.3) представляет собой ПСП (псевдослучайная двоичная испытательная последовательность) длиной 223 - 1 бит, которая подается во все байты контейнера С-3 низшего порядка.
TUG-3 - группа компонентных блоков 3-го порядка
Рисунок Б.3 Структура измерительного сигнала TSS3
Б4 Структура измерительного сигнала TSS4, подаваемого во все байты контейнеров низшего порядка (С-12)
Для испытания элементов сети (NE), обеспечивающих функции НРС и LPC (соединение тракта высшего порядка) и LPC (соединение тракта низшего порядка) структура измерительного сигнала TSS4 (рисунок Б.4) представляет собой ПСП (псевдослучайная двоичная испытательная последовательность) длиной (215 - 1) бит, которая подается во все байты контейнера низшего порядка (С-12).
Рисунок Б.4 Структура измерительного сигнала TSS4
Б5 Структура измерительного сигнала TSS5, подаваемого во все биты компонентного сигнала ПЦИ (PDH), размещенного в контейнере С-4
Для испытания элементов сети (NE), обеспечивающих только функции LPA-4 (адаптация тракта низшего порядка, т.е. встраивание сигнала ПЦИ в синхронный контейнер, включая цифровое выравнивание) и использующих структуру AU-4, структура измерительного сигнала TSS5 (рисунок Б.5) представляет собой ПСП (псевдослучайная двоичная испытательная последовательность) длиной (223 - 1) бит, которая подается во все биты компонентного сигнала ПЦИ (PDH), размещенного в контейнере С-4.
Рисунок Б.5 Структура измерительного сигнала TSS5
Б6 Структура измерительного сигнала TSS6, подаваемого во все биты компонентного сигнала ПЦИ (PDH), размещенного в контейнере С-3 высшего порядка
Для испытания элементов сети (NE), обеспечивающих только функции LPA-3 (адаптация тракта низшего порядка, т.е. встраивание сигнала ПЦИ в синхронный контейнер, включая цифровое выравнивание) и использующих структуру AU-3, структура измерительного сигнала TSS6 (рисунок Б.6) представляет собой ПСП (псевдослучайная двоичная испытательная последовательность) длиной (215 - 1) бит, которая подается во все биты компонентного сигнала ПЦИ (PDH), размещенного в контейнере С-3 высшего порядка.
Рисунок Б.6 Структура измерительного сигнала TSS6
Б7 Структура измерительного сигнала TSS7, подаваемого во все биты компонентного сигнала ПЦИ (PDH), размещенного в контейнере С-3 низшего порядка
Для испытания элементов сети (NE), обеспечивающих только функции LPA-3 (адаптация тракта низшего порядка, т.е. встраивание сигнала ПЦИ в синхронный контейнер, включая цифровое выравнивание) и использующих структуру AU-4, структура измерительного сигнала TSS7 (рисунок Б.7) представляет собой ПСП (псевдослучайная двоичная испытательная последовательность) длиной (223 - 1) бит, которая подается во все биты компонентного сигнала ПЦИ (PDH), размещенного в контейнере С-3 низшего порядка.
Рисунок Б.7 Структура измерительного сигнала TSS7
Б8 Структура измерительного сигнала TSS8, подаваемого во все биты компонентного сигнала ПЦИ (PDH), размещенного в контейнере низшего порядка (С-12)
Для испытания элементов сети (NE), обеспечивающих функции LPA-m (m = 12), структура измерительного сигнала TSS8 (рисунок Б.8) представляет собой ПСП (псевдослучайная двоичная испытательная последовательность) длиной (215 - 1) бит, которая подается во все биты компонентного сигнала ПЦИ (PDH), размещенного в контейнере низшего порядка (С-12, С-2).
Рисунок Б.8 Структура измерительного сигнала TSS8
|
Наименование |
Тип |
Нормативно-технические характеристики |
Примечание |
|
1 Осциллограф |
С1-129 |
0 - 1000 Гц; время нарастания переходной характеристики 0,4 нс; 0,05 - 10 В; измерение двух сигналов; погрешность измерения напряжения и временных интервалов £ 3 % |
|
|
2 Генератор сигналов (для измерения входного сопротивления) |
Г4-164 |
0,1 Гц - 640 МГц; 0,03 мкВ - 2 В |
|
|
3 Сетевой тестер (генератор цифровых сигналов с введением фазового дрожания, измеритель показателей ошибок трактов SDH) |
ANT-20 |
Скорость передачи 155520 кбит/с. Диапазон размаха вводимого фазового дрожания 0 - 20 ТИ. Частота вводимого фазового дрожания и погрешности - по Рекомендации МСЭ-Т О.172 |
|
|
4 Частотомер электронно-счетный |
Ч3-63/1 |
0,1 Гц - 1500 МГц (синус) 0,1 Гц - 200 МГц (импульс); 0,03 (0,1) - 10 В, погр. 5·10-7·f |
|
|
5 Анализатор спектра |
С4-74 |
300 Гц - 300 МГц; 300 нВ - 3 В, динамический диапазон 70 - 80 дБ, полоса обзора 20 Гц - 150 МГц |
|
|
6 Милливольтметр |
В3-62 |
10 кГц - 1500 МГц; 0,7 мВ - 300 В; погрешность ±1,5 %; 300 кОм, 2,5 пФ |
|
|
7 Согласующая схема |
УС-Е1, Е2 |
120 Ом сим. /75 Ом несим.: 1 кГц - 3 МГц, внос. затух. £ 0,5 дБ, затух. несогласов. на сим. входе ³ 30 дБ |
Изделие ЗАО «Технодалс» ЯЕАК 458353.004 |
|
8 Согласующая схема |
|
75 Ом /50 Ом: затухание должно быть фикс. £ 6 дБ с погрешн. ±0,02 дБ, 0 - 300 МГц |
Использовать устройства согласования (переходы соглас.) 75 → 50 Ом к осциллографам |
|
9 Схемы измерения входного и выходного сопротивления |
|
Резисторы с точностью не хуже ±5 % |
Подлежит разработке |
|
10 Аттенюатор |
Д2-32 |
Затухание 20 дБ ± 0,5 дБ; диапазон частот до 1 ГГц |
|
[1] Рекомендация МСЭ-Т G.703. Физические/электрические характеристики иерархических цифровых стыков, 10/98.
[2] Рекомендация МСЭ-Т G.706. Процедуры цикловой синхронизации и циклической проверки по избыточности (CRC), относящиеся к основным структурам циклов, определенных в Рекомендации G.704, 04/91.
[3] Рекомендация МСЭ-Т G.707. Стык сетевого узла для синхронной цифровой иерархии (SDH), 03/96.
[4] Рекомендация МСЭ-Т G.772. Цифровые защищенные точки контроля, 03/93.
[5] Рекомендация МСЭ-Т G.775. Критерии обнаружения и снятия дефектов пропадания сигнала (LOS), индикации аварийного состояния (AIS), индикации дефекта дальнего конца (RDI), 10/98.
[6] Рекомендация МСЭ-Т G.783. Характеристики функциональных блоков аппаратуры синхронной цифровой иерархии (SDH), 04/97.
[7] Рекомендация МСЭ-Т G.825. Управление дрожанием и дрейфом фазы в цифровых сетях, основанных на синхронной цифровой иерархии (09/97 - окончательная редакция).
[8] Рекомендация МСЭ-Т G.826. Параметры и нормы показателей ошибок для международных первичных и более высокого порядка цифровых трактов с постоянной скоростью передачи, 02/99.
[9] Рекомендация МСЭ-Т М.2101.1. Допустимые пределы качественных показателей при вводе в эксплуатацию и техническом обслуживании международных трактов СЦИ (SDH), и мультиплексных секций, 04/97.
[11] Рекомендация МСЭ-Т О.172. Аппаратура для измерения дрожания и дрейфа фазы тактовых сигналов в цифровых системах, основанных на синхронной цифровой иерархии (06/98 - окончательная редакция).
[12] Рекомендация МСЭ-Т О.181. Аппаратура для оценки показателей ошибок на стыках STM-N (05/96).
Ключевые слова: измерители показателей ошибок, цифровые тракты, синхронная цифровая иерархия, технические требования, методы испытаний