Стандарт описывает принципы выбора, размещения и координации устройств защиты от импульсных перенапряжений, предназначенных для подсоединения к силовым цепям переменного тока частотой 50-60 Гц или постоянного тока и к оборудованию на номинальное напряжение до 1000 В (действующее значение) переменного тока или 1500 В постоянного тока.
| Обозначение: | ГОСТ Р МЭК 61643-12-2011 |
| Название рус.: | Устройства защиты от импульсных перенапряжений низковольтные. Часть 12. Устройства защиты от импульсных перенапряжений в низковольтных силовых распределительных системах. Принципы выбора и применения |
| Статус: | введен впервые |
| Дата актуализации текста: | 05.05.2017 |
| Дата добавления в базу: | 01.09.2013 |
| Дата введения в действие: | 01.01.2013 |
| Утвержден: | 06.12.2011 Федеральное агентство по техническому регулированию и метрологии (699-ст) |
| Опубликован: | Стандартинформ (2013 г. ) |
| Ссылки для скачивания: |
ФЕДЕРАЛЬНОЕ АГЕНТСТВО
ПО ТЕХНИЧЕСКОМУ РЕГУЛИРОВАНИЮ И МЕТРОЛОГИИ
|
|
НАЦИОНАЛЬНЫЙ |
ГОСТ Р МЭК |
УСТРОЙСТВА ЗАЩИТЫ
ОТ ИМПУЛЬСНЫХ ПЕРЕНАПРЯЖЕНИЙ
НИЗКОВОЛЬТНЫЕ
Часть 12
УСТРОЙСТВА ЗАЩИТЫ ОТ ИМПУЛЬСНЫХ
ПЕРЕНАПРЯЖЕНИЙ В НИЗКОВОЛЬТНЫХ СИЛОВЫХ
РАСПРЕДЕЛИТЕЛЬНЫХ СИСТЕМАХ.
ПРИНЦИПЫ ВЫБОРА И ПРИМЕНЕНИЯ
IEC 61643-12:2002
Low-voltage surge protective devices -
Part 12:
Surge protective devices connected to low-voltage power distribution systems -
Selection and application principles
(IDT)
|
|
Москва Стандартинформ 2013 |
Цели и принципы стандартизации в Российской Федерации установлены Федеральным законом от 27 декабря 2002 г. № 184-ФЗ «О техническом регулировании», а правила применения национальных стандартов Российской Федерации - ГОСТ Р 1.0-2004 «Стандартизация в Российской Федерации. Основные положения»
1 ПОДГОТОВЛЕН Автономной некоммерческой организацией «Научно-технический центр «Энергия» (АНО «НТЦ «Энергия», г. Москва и Обществом с ограниченной ответственностью «Всероссийский научно-исследовательский и конструкторско-технологический институт низковольтной аппаратуры» (ООО «ВНИИэлектроаппарат»), г. Ставрополь, на основе собственного аутентичного перевода на русский язык международного стандарта, указанного в пункте 4
2 ВНЕСЕН Техническим комитетом по стандартизации ТК 331 «Низковольтная аппаратура распределения, защиты и управления»
3 УТВЕРЖДЕН И ВВЕДЕН В ДЕЙСТВИЕ Приказом Федерального агентства по техническому регулированию и метрологии от 6 декабря 2011 г. № 699-ст
4 Настоящий стандарт идентичен международному стандарту МЭК 61643-12:2002, издание 1.0 «Низковольтные устройства для защиты от импульсных перенапряжений. Часть 12. Устройства для защиты от импульсных перенапряжений в низковольтных силовых распределительных системах. Принципы выбора и применения» (IEC 61643-12:2002 «Low-voltage surge protective devices - Part 12: Surge protective devices connected to low-voltage power distribution systems - Selection and application principles».
При применении настоящего стандарта рекомендуется использовать вместо ссылочных международных стандартов соответствующие им национальные стандарты Российской Федерации и межгосударственные стандарты, сведения о которых приведены в дополнительном приложении ДА
Информация об изменениях к настоящему стандарту публикуется в ежегодно издаваемом указателе «Национальные стандарты», а текст изменений и поправок - в ежемесячно издаваемых информационных указателях «Национальные стандарты». В случае пересмотра (замены) или отмены настоящего стандарта соответствующее уведомление будет опубликовано в ежемесячно издаваемом информационном указателе «Национальные стандарты». Соответствующая информация, уведомление и тексты размещаются также в информационной системе общего пользования-на официальном сайте Федерального агентства по техническому регулированию и метрологии в сети Интернет
Настоящий стандарт разработан с целью прямого применения в Российской Федерации международного стандарта МЭК 61643-12 «Низковольтные устройства для защиты от импульсных перенапряжений. Часть 12. Устройства для защиты от импульсных перенапряжений в низковольтных силовых распределительных системах. Принципы выбора и применения».
МЭК 61643-12 входит в серию стандарта МЭК 61643.
Требования и информационные материалы, содержащиеся в стандарте, позволяют осуществить ориентировочные расчеты по подбору УЗИП с необходимыми параметрами для защиты общих линий и конкретных электропотребителей в электроустановках зданий и сооружений различного назначения (производственные, жилые и административные здания и сооружения), оптимизировать построение защиты от импульсных перенапряжений грозового характера и возникающих вследствие коммутационных перенапряжений.
Приложения А, В, С, D, Е, F, G, Н, I, J, К и L носят исключительно информационный характер и позволяют на основе приведенных в них материалов по расчетам параметров возникающих перенапряжений, расчетам необходимых параметров УЗИП, примеров их применения, материалов по подбору необходимой резервной защиты выполнять подбор необходимой защитной аппаратуры объекта энергоснабжения от импульсных перенапряжений.
Настоящий стандарт предоставляет информацию для оценки, со ссылкой на МЭК 61024-1, МЭК 61662 и МЭК 60364, необходимости в применении УЗИП в низковольтных системах, выбора и координации УЗИП с учетом всех внешних условий, в которых они будут применяться. Примерами этих условий являются: защищаемое оборудование и характеристики систем, уровень изоляции, перенапряжения, способ установки, размещение УЗИП, координация УЗИП, режим отказа УЗИП и последствия отказа оборудования.
Настоящий стандарт также дает руководство для оценки риска, связанного с необходимостью применения УЗИП и определения энергетической стойкости УЗИП. Руководство по требованиям к координации изоляции изделия обеспечивается серией стандартов МЭК 60664.
Требования безопасности (огнестойкость, защита от сверхтоков и защита от электрического удара), требования к монтажу и установке приведены в стандарте МЭК 60364.
Серия стандартов МЭК 60364 предоставляет непосредственную информацию по условиям установки и монтажа УЗИП. Стандарт МЭК/ТО 62066 дает дополнительную информацию по научной основе защиты от импульсных перенапряжений.
0.2 Пояснения к структуре настоящего стандарта
Нижеприведенный перечень характеризует структуру настоящего стандарта и дает краткую справку об информации, содержащейся в каждом разделе и приложении. Главные разделы дают базовую информацию о факторах, учитываемых при выборе УЗИП. Потребители, желающие получить более подробную информацию, чем содержится в разделах 4 и 7, могут обратиться к соответствующим приложениям.
В разделе 1 оговорена область применения настоящего стандарта.
В разделе 2 приведен перечень нормативных ссылок на действующие стандарты.
В разделе 3 даны определения терминов, приводимых в настоящем стандарте.
В разделе 4 приведены параметры систем и соответствующих им УЗИП. К воздействиям грозового характера приравнены воздействия временных перенапряжений и импульсов, возникающих при коммутациях.
В разделе 5 приведен перечень параметров, применяемых для выбора УЗИП, и даны некоторые пояснения относительно этих параметров. Пояснения связаны с данными, приведенными в МЭК 60364.
Раздел 6 является основным в настоящем стандарте. В нем описаны воздействия и связанные с ними (как приведено в разделе 4) характеристики УЗИП (как приведено в разделе 5). На отводящей линии защита, обеспечиваемая УЗИП, может иметь обратное воздействие на установку. На разных этапах подбора УЗИП могут возникнуть проблемы координации при установке в одной линии нескольких УЗИП, применяемых в установке (уточнения по вопросам координации могут быть в приложении F).
В разделе 7 приведен анализ рисков (возникающих, когда применение УЗИП экономически выгодно).
Планируемый к введению раздел 8, в котором будут рассмотрены вопросы координации между вспомогательными и основными силовыми цепями, - в стадии рассмотрения.
Приложение А относится к информации по выбору и пояснениям процедур испытаний, применяемых в МЭК 60364-1.
В приложении В приведены примеры соотношений между двумя важными параметрами УЗИП - Uc и Up, применяемыми для варисторов на основе окиси цинка, а также примеры соотношений между Uc и связанным номинальным напряжением.
Приложение С дополняет информацию по импульсным помехам в низковольтных сетях, представленную в разделе 4.
Приложение D посвящено расчетам распределения грозового тока между различными заземленными системами.
Приложение Е посвящено расчетам временных перенапряжений, возникающих при авариях в высоковольтных системах.
Приложение F дополняет информацию, приведенную в разделе 6, по координации между несколькими УЗИП, примененными в системе.
В приложении G приведены специфические примеры применения настоящего стандарта.
В приложении Н приведены специфические примеры применения анализа рисков.
Приложение I дополняет информацию, приведенную в разделе 4, касающуюся перенапряжений в системах.
Приложение J дополняет информацию, приведенную в разделе 5, касающуюся выбора УЗИП.
Приложение К дополняет информацию, приведенную в разделе 6, касающуюся применения УЗИП в низковольтных системах.
Приложение L дополняет информацию, приведенную в разделе 7, касающуюся параметров применяемых при анализе рисков.
НАЦИОНАЛЬНЫЙ СТАНДАРТ РОССИЙСКОЙ ФЕДЕРАЦИИ
УСТРОЙСТВА ЗАЩИТЫ ОТ ИМПУЛЬСНЫХ ПЕРЕНАПРЯЖЕНИЙ НИЗКОВОЛЬТНЫЕ
Часть 12
Устройства защиты от импульсных перенапряжений в
низковольтных силовых распределительных системах.
Принципы выбора и применения
Low-voltage surge
protective devices. Part 12.
Surge protective devices connected to low-voltage power distribution systems.
Selection and application principles
Дата введения - 2013-01-01
Настоящий стандарт описывает принципы выбора, размещения и координации устройств защиты от импульсных перенапряжений (далее - УЗИП), предназначенных для подсоединения к силовым цепям переменного тока частотой 50 - 60 Гц или постоянного тока и к оборудованию на номинальное напряжение до 1000 В (действующее значение) переменного тока или 1500 В постоянного тока.
Примечание 1 - Для УЗИП специальных назначений, например для электрических тяговых установок и т. п., могут понадобиться дополнительные требования.
Примечание 2 - Следует заметить, что также применяются части МЭК 60364.
Примечание 3 - Настоящий стандарт распространяется только на УЗИП и не касается элементов УЗИП, встроенных в оборудование.
В настоящем стандарте использованы нормативные ссылки на следующие международные стандарты. При датированных стандартах должно применяться только то издание, которое указано. При недатированных ссылочных документах следует использовать последнее издание (включая изменения к нему) ссылочного документа.
МЭК 60038 Стандартные напряжения по МЭК (IEC 60038, IEC standard voltage)
МЭК 60364-4-41 Электрические установки зданий. Часть 4-41. Защита для обеспечения безопасности. Защита от электрического удара (IЕС 60364-4-41, Electrical installations of buildings - Part 4-41: Protection for safety - Protection against electrical shock)
МЭК 60364-4-44 Электрические установки зданий. Часть 4-44. Защита для обеспечения безопасности. Защита от резких отклонений напряжения и электромагнитных возмущений (IEC 60364-4-41, Electrical installations of buildings - Part 4-41: Protection for safety - Protection against voltage disturbances and electromagnetic disturbances)
МЭК 60364-5-53 Электрические установки зданий. Часть 5-53. Выбор и установка электрического оборудования. Изоляция, коммутация и управление (IEC 60364-5-53, Electrical installations of buildings - Part 5-53: Selection and erection of electrical equipment - Isolation, switching and control)
МЭК 60529 Степени защиты, обеспечиваемые корпусами (Код IP) (IEC 60529, Degrees of protection provided by enclosures (IP Code))
МЭК 60664-1 Координация изоляции оборудования в низковольтных системах. Часть 1. Принципы, требования и испытания (IEC 60664-1, Insulation coordination for equipment within low-voltage systems - Part 1: Principles, requirements and tests)
МЭК 61000-4-5 Электромагнитная совместимость. Часть 4-5. Методики испытаний и измерений. Испытание на невосприимчивость к выбросу напряжения (IEC 61000-4-5, Electromagnetic compatibility (EMC) - Part 4: Testing and measurement techniques - Section 5: Surge immunity test)
МЭК 61008-1 Выключатели автоматические, работающие на остаточном токе, без встроенной защиты от сверхтоков бытовые и аналогичного назначения (RCBO’s). Часть 1: Общие правила (IEC 61008-1, Residual current operated circuit-breakers without integral overcurrent protection for household and similar uses (RCCBs). Part 1. General rules)
МЭК 61009 (все части) Выключатели автоматические, работающие на остаточном токе, со встроенной защитой от сверхтоков бытовые и аналогичного назначения (RCBO’s) (IEC 61009 (all parts), Residual current operated circuit-breakers with integral overcurrent protection for household and similar uses (RCBOs))
МЭК 61024-1 Защита зданий от удара молнии. Часть 1. Основные принципы (IEC 61024-1, Protection of structures against lightning - Part 1: General principles)
МЭК 60312-1 Защита от наведенного электромагнитного импульса, вызванного молнией. Часть 1. Основные принципы (IEC 60312-1, Protection against lightning electromagnetic impulse - Part 1: General principles)
МЭК/ТО 60312-4 Защита от наведенного электромагнитного импульса, вызванного молнией. Часть 4. Защита оборудования в существующих зданиях (IEC/TS 60312-1, Protection against lightning electromagnetic impulse - Part 4: Protection of equipment in existing structures)
МЭК 61643-1 Устройства защиты от перенапряжений низковольтные. Часть 1. Устройства защиты от перенапряжений, подсоединенные к низковольтным системам распределения электроэнергии. Требования и испытания (IEC 61643-1, Surge protective devices connected to low-voltage power distribution systems - Part 1: Performance, requirements and testing methods)
МЭК/ПИ 61662 Оценка риска повреждений от удара молнии (IEC/TR 61662, Assessment of the risk of damage due to lightning)
В настоящем стандарте применены следующие термины с соответствующими определениями:
3.1
|
устройство защиты от импульсных перенапряжений (УЗИП) (surge protective device) (SPD): Устройство, которое предназначено для ограничения переходных перенапряжений и отвода импульсов тока. Это устройство содержит по крайней мере один нелинейный элемент. [МЭК 61643-1, статья 3.1] |
3.2
|
собственная потребляемая мощность Рс (standby power consumption Рс): Мощность, потребляемая УЗИП при подаче максимального длительного рабочего напряжения Uc при сбалансированных напряжениях и фазных углах при отсутствии нагрузки. [МЭК 61643-1, статья 3.12] |
3.3
|
максимальное длительное рабочее напряжение Uc (maximum continuous operating voltage Uc): Максимальное напряжение действующего значения переменного или постоянного тока, которое длительно подается на выводы УЗИП. Оно равно номинальному напряжению. [МЭК 61643-1, статья 3.11] |
3.4
|
уровень напряжения защиты Up (voltage protection level Up): Параметр, характеризующий УЗИП в части ограничения напряжения на его выводах, который выбран из числа предпочтительных значений. Данное значение должно быть выше наибольшего из измеренных ограниченных напряжений. |
3.5
|
измеренное предельное напряжение (measured limiting voltage): Максимальное значение напряжения, измеренного на выводах УЗИП при подаче импульсов заданной формы волны и амплитуды. [МЭК 61643-1, статья 3.16] |
3.6
|
остаточное напряжение Ures (residual voltage Ures): Пиковое значение напряжения, появляющегося на выводах УЗИП вследствие прохождения разрядного тока. [МЭК 61643-1, статья 3.17] |
3.7
|
характеристика временного перенапряжения (ВПН) (temporary overvoltage (TOV) characteristic): Поведение УЗИП, когда оно подвергается
временному перенапряжению UT в течение заданного
промежутка времени Примечание 1 - Названная характеристика может выражать либо способность выдерживать ВПН без недопустимых изменений параметров или функции, либо повреждение, как описано в МЭК 61643-1, подпункт 7.7.6.2. Примечание 2 - UT - значение перенапряжения, указанное изготовителем, при котором УЗИП обладает определенной характеристикой в течение заданного промежутка времени (что может выражать либо способность выдерживать ВПН без недопустимых изменений параметров или функций, либо повреждение, не представляющее опасности для персонала, оборудования или устройства). [МЭК 61643-1, статья 3.18, модифицирована] |
3.8 временное перенапряжение сети UTOV (ВНП) (temporary overvoltage of the network UTOV): Перенапряжение промышленной частоты относительно большой продолжительности, возникающее в определенном месте сети. ВПН могут быть вызваны повреждениями внутри низковольтной (НН) системы (UTOV, LV) либо внутри высоковольтной (ВН) системы (UTOV,NV).
Примечание - Временные перенапряжения, как правило, длительностью до нескольких секунд, как правило, возникают в результате коммутаций либо повреждений (например, внезапное отключение нагрузки, повреждение в однофазной цепи и т. д.) и/или в результате нелинейности (эффект феррорезонанса, гармоники и т.д.).
|
номинальный разрядный ток In (nominal discharge current In): Пиковое значение тока, протекающего через УЗИП, с формой волны 8/20. Применяют в классификации УЗИП при испытаниях класса II, а также при предварительной обработке УЗИП при испытаниях классов I и II. [МЭК 61643-1, статья 3.8] |
|
импульсный ток Iimp (impulse current Iimp): Определяется пиковым значением тока Iреак и зарядом Q. Испытания проводят в рабочем циклическом режиме. Применяют при классификации УЗИП для испытаний класса I. [МЭК 61643-1, статья 3.9, модифицирована] |
|
комбинированная волна (combination wave): Комбинированная волна, создаваемая генератором, который подает в разомкнутую цепь импульс напряжения 1,2/50 и в короткозамкнутую цепь - импульс тока 8/20. Напряжение, амплитуда тока и формы волны, подаваемой к УЗИП, определяются генератором и полным сопротивлением УЗИП, к которому прикладывается импульс. Отношение пикового напряжения разомкнутой цепи к пиковому току короткого замыкания составляет 2 Ом; оно определено как условное полное сопротивление Z1,. Ток короткого замыкания обозначен Iзс. Напряжение разомкнутой цепи обозначено Uoc. [МЭК 61643-1, статья 3.24] |
|
импульс тока 8/20 (8/20 current impulse): Импульс тока с фактическим значением фронта 8 мкс и полупериодом 20 мкс. [МЭК 61643-1, статья 3.23] |
|
импульс напряжения 1,2/50 (1,2/50 voltage impulse): Импульс напряжения с фактическим значением фронта (время подъема от 10 % до 90 % пикового значения) 1,2 мкс и полупериодом 50 мкс. [МЭК 61643-1, статья 3.22] |
3.14
|
температурный сбой (thermal runaway): Рабочее условие, при котором установившееся состояние рассеяния энергии УЗИП превышает способность корпуса и соединений рассеивать тепловую энергию, ведущее к повышению температуры внутренних элементов, приводящему к повреждению устройства. [МЭК 61643-1, статья 3.25] |
3.15
|
тепловая стабильность (thermal stability): Способность УЗИП сохранять термостабильность после испытания в рабочем режиме, вызвавшем превышение температуры, когда температура УЗИП со временем понижается и УЗИП работает при заданных максимальном длительном рабочем напряжении и условиях температуры окружающего воздуха. [МЭК 61643-1, статья 3.26] |
3.16
|
разъединитель УЗИП (SPD disconnector): Устройство (внутреннее или наружное), предназначенное для отсоединения УЗИП от силовой системы. Примечание 1 -Данное разъединительное устройство не обладает способностью к разъединению. Оно предназначено для предупреждения устойчивой неисправности системы и применяется для указания о повреждении УЗИП. Кроме функции разъединения оно может выполнять функции защиты от сверхтока и тепловой защиты. Эти функции могут быть объединены в одном устройстве либо распределены по отдельным устройствам. Примечание 2 - Разъединители УЗИП выполняют тройную функцию: тепловую защиту (например, при температурном сбое варисторов и т .п.), внутреннюю защиту от сверхтока и защиту от непрямого контакта. Эти функции могут быть объединены в одном устройстве либо распределены по отдельным устройствам. Каждый разъединитель может быть встроен в УЗИП или расположен снаружи. Они могут быть подключены либо в цепь УЗИП, либо в цепь источника питания. [МЭК 61643-1, статья 3.29, модифицирована] |
3.17
|
типовые испытания (type tests): Испытания, проводимые по завершении разработки новой конструкции УЗИП для установления характерных параметров и доказательства соответствия требованиям определенного стандарта. Проведенные однажды, они не нуждаются в повторении до тех пор, пока изменение конструкции не повлечет изменения характеристик. В этом случае повторные испытания проводят только по измененным характеристикам. [МЭК 61643-1, статья 3.31] |
|
контрольные испытания (routine tests): Испытания, проводимые на каждом УЗИП, его частях или материалах для подтверждения того, что изделие соответствует конструкторской документации. [МЭК 61643-1, статья 3.32] |
3.19
|
приемочные испытания (acceptance tests): Испытания УЗИП или их представительных образцов, проводимые по предварительной договоренности между изготовителем и потребителем. [МЭК 61643-1, статья 3.32] |
3.20
|
степень защиты, обеспечиваемая оболочкой (код IP) (degrees of protection provided by enclosure (code IP): Степень защиты от доступа к опасным частям, от проникновения твердых инородных частиц и/или воды (см. МЭК 60529). [МЭК 61643-1, статья 3.30] |
3.21
|
падение напряжения (в процентах) (voltage drop) (in percent): ∆U = [(Uвход - Uвых) / Uвход] 100, где Uвход, Uвых - соответственно входное и выходное напряжения, измеренные одновременно при подключенной полной активной нагрузке. Данный параметр применяют исключительно для двухвводных УЗИП. [МЭК 61643-1, статья 3.20] |
3.22
|
потери при включении (insertion loss): Потери при включении УЗИП, определяющиеся отношением напряжений на выводах, измеренных сразу же после подключения испытуемого УЗИП к системе до и после включения. Результат выражается в процентах. [МЭК 61643-1, статья 3.21] |
Примечание - Требования и испытания - в стадии рассмотрения (3.21).
3.23
|
способность двухвводного УЗИП выдерживать перенапряжения со стороны нагрузки (load- side surge withstand capability for a two-port SPD): Способность двухвводного УЗИП выдерживать перенапряжения на выходных выводах, выражающаяся в снижении нагрузок на УЗИП. [МЭК 61643-1, статья 3.19] |
3.24
|
устойчивость к токам короткого замыкания (short-circuit withstand): Максимальный ожидаемый ток короткого замыкания, который способен выдержать УЗИП. Примечание - Данная статья касается постоянного и переменного токов частотой 50/60 Г ц. Два значения тока короткого замыкания могут быть заданы для двухвводных или одновводных УЗИП с раздельными вводными и выводными зажимами: одно соответствует внутреннему короткому замыканию (замкнувшему внутреннюю токоведущую часть), а другое соответствует наружному короткому замыканию непосредственно на выводных зажимах (при повреждении нагрузки). По МЭК 61643-1 проводят испытания только для внутренних коротких замыканий. Вопрос о наружных коротких замыканиях - в стадии рассмотрения. [МЭК 61643-1, статья 3.28, модифицирована] |
|
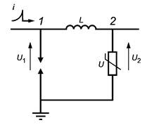
одновводное УЗИП (one-port SPD): УЗИП, включенное параллельно в защищаемую цепь. Может иметь отдельные вводной и выводной выводы без включенного последовательно полного сопротивления между выводами. Примечание - На рисунке 1 представлено несколько типичных одновводных УЗИП, на рисунке 1с - общий символ обозначения одновводного УЗИП. Одновводное УЗИП может быть подсоединено параллельно с источником питания (рисунок 1а) либо последовательно (рисунок 1b). В первом случае ток нагрузки не проходит через УЗИП. Во втором случае ток нагрузки проходит через УЗИП, и превышение температуры под нагрузкой и максимально допустимый ток нагрузки могут быть определены как для двухвводного УЗИП. На рисунках 3b - 3d показано срабатывание одновводных УЗИП разных типов при воздействии импульса тока 8/20, прикладываемого с помощью генератора комбинированной волны. [МЭК 61643-1, статья 3.2, модифицирована] |
|
двухвводное УЗИП (two-port SPD): УЗИП с двумя комплектами выводов - вводным и выводным - с включенным последовательно между выводами специальным полным сопротивлением. Примечание - Измеренное предельное напряжение может быть выше на вводах, чем на выводах. Поэтому защищаемое оборудование следует подсоединять к выводным зажимам. На рисунке 2 представлены типичные двухвводные УЗИП. На рисунках 3е и 3f показано срабатывание двухвводного УЗИП при воздействии импульса тока 8/20, прикладываемого с помощью генератора комбинированной волны. [МЭК 61643-1, статья 3.3, модифицирована] |
3.27
|
УЗИП коммутирующего типа (voltage switching type SPD): УЗИП, которое в отсутствие перенапряжения сохраняет высокое полное сопротивление, но может мгновенно изменить его на низкое в ответ на скачок напряжения. Общим примером элементов, служащих коммутирующими устройствами, являются разрядники, газовые трубки, тиристоры (кремниевые выпрямители) и управляемые тиристоры. Такие УЗИП иногда называют «разрядники». Примечание - Устройство коммутирующего типа имеет дискретную U/I характеристику. На рисунке 3с показано срабатывание УЗИП коммутирующего типа при воздействии импульса, подаваемого генератором комбинированной волны. [МЭК 61643-1, статья 3.3, модифицирована] |
3.28
|
УЗИП ограничивающего типа (voltage limiting type SPD): УЗИП, которое при отсутствии перенапряжения сохраняет высокое полное сопротивление, но постепенно снижает его с возрастанием волны тока и напряжения. Общим примером элементов, служащих нелинейными устройствами, являются варисторы и диодные разрядники. Такие УЗИП иногда называют «ограничители». Примечание - Устройство ограничивающего типа имеет постоянную U/I характеристику. На рисунке 3b показано срабатывание типичного УЗИП ограничивающего типа при воздействии импульса, прикладываемого с помощью генератора комбинированной волны. [МЭК 61643-1, статья 3.5, модифицирована] |
3.29
|
УЗИП комбинированного типа (combination type SPD): УЗИП, содержащие элементы как коммутирующего, так и ограничивающего типов, которые могут коммутировать и ограничивать напряжение, а также выполнять обе функции; их действие зависит от характеристик подаваемого напряжения. Примечание - На рисунках 3d и 3е показано срабатывание нескольких типичных УЗИП комбинированного типа при воздействии импульса комбинированной волны. [МЭК 61643-1, статья 3.6, модифицирована] |
|
а - одновводные УЗИП; b - одновводное УЗИП с раздельными вводными и выводными зажимами; с - общий символ обозначения одновводного УЗИП |
Рисунок 1 - Примеры обозначений одновводных УЗИП
|
а - двухвводное УЗИП с тремя выводами; b - двухвводное УЗИП с четырьмя выводами; с - общий символ обозначения двухвводного УЗИП; Z - полное сопротивление, включенное последовательно между вводными и выводными зажимами |
Рисунок 2 - Примеры обозначений двухвводных УЗИП
|
а - форма прикладываемого импульса комбинированной волны; b - форма ограничения прикладываемого импульса УЗИП ограничивающего типа; с - форма ограничения прикладываемого импульса УЗИП коммутирующего типа; d - форма ограничения прикладываемого импульса одновводным УЗИП комбинированного типа; е - форма ограничения прикладываемого импульса двухвводным УЗИП комбинированного типа; f - форма ограничения прикладываемого импульса двухвводным УЗИП ограничивающего типа с развязывающим фильтром Примечание - Уровни напряжения на рисунках приведены для примера и не являются действительными. |
Рисунок
3 - Срабатывание одновводного и двухвводного УЗИП при воздействии импульса
комбинированной волны
3.30
|
виды защиты (modes of protection): Защитный элемент УЗИП может подсоединяться между фазами или между фазой и землей, или между фазой и нейтралью, или между нейтралью и землей, или в любой из комбинаций. Эти варианты относятся к видам защиты. [МЭК 61643-1, статья 3.7] |
3.31
|
сопровождающий ток If (follow current If): Ток, подаваемый электрической силовой системой и проходящий через УЗИП после разрядного токового импульса. Сопровождающий ток существенно отличается от длительного рабочего тока Iс. [МЭК 61643-1, статья 3.13] |
|
максимальный разрядный ток (Imах) для испытаний класса II (maximum discharge current (Imax) for class II test): Пиковое значение тока, протекающего через УЗИП, имеющего форму волны 8/20 и значение согласно испытательному циклу в рабочем режиме испытаний класса II. Imах > In. [МЭК 61643-1, статья 3.10] |
3.33
|
деградация (degradation): Изменение первоначальных рабочих параметров УЗИП под воздействием перенапряжения, эксплуатации или неблагоприятных условий окружающей среды. Примечание - Деградация измеряется способностью противостоять условиям, на которые он рассчитан, в течение всего срока службы. Для выявления соответствия требованиям к деградации проводят два вида типовых испытаний. Первое - это испытание в рабочем режиме, второе - испытание на старение. Оба эти испытания могут быть скомбинированы. Испытание в рабочем режиме проводят прикладыванием к УЗИП заданного числа заданных волн тока установленной формы. Допустимые изменения характеристик УЗИП приведены в МЭК 61643-1. Испытание на старение проводят при заданной температуре с прикладываемым к УЗИП напряжением заданного значения и длительности прикладывания. Допустимые изменения характеристик УЗИП приведены в настоящем стандарте (испытание - в стадии рассмотрения). В ходе испытаний намечено определить ожидаемый срок службы УЗИП после монтажа, что также предполагает установить следующее: - условия замены; - размещение и доступность; - допустимый процент отбраковок; - рабочую технологию. [МЭК 61643-1, статья 3.27, модифицирована] |
3.34
|
устройство дифференциального тока (УДТ) (residual current device) (RCD): Механическое коммутационное устройство или комплекс устройств, которые вызывают размыкание контактов, когда дифференциальный или несбалансированный ток достигнет заданного значения в заданных условиях. [МЭК 61643-1, статья 3.37] |
3.35 номинальное напряжение системы (nominal voltage of the system): Напряжение, на которое рассчитана система или оборудование и к которому относятся определенные рабочие характеристики (например, 230/400 В). В нормальных условиях системы напряжение на выходных выводах может отличаться от номинального напряжения, определяемого допусками систем питания.
Примечание 1 - В настоящем стандарте применяется допуск ±10 %.
Номинальное напряжение системы между фазой и землей называют Un (см. МЭК 60038).
Примечание 2 - Напряжение между фазой и нейтралью системы называется U0.
3.36 классификация импульсных испытаний (impulse test classification)
3.36.1 испытание класса I (class I test): Испытание, проводимое с номинальным разрядным током (In) (см. 3.9), импульсом напряжения 1,2/50 (см. 3.13) и максимальным импульсным током Iimp для испытаний класса I (см. 3.10).
3.36.2 испытание класса II (class II test): Испытание, проводимое с номинальным разрядным током In (см. 3.9), импульсом напряжения 1,2/50 (см. 3.13) и максимальным разрядным током Imах для испытаний класса II (см. 3.32).
3.36.3 испытание класса III (class III test): Испытание, проводимое с комбинированной волной (1,2/50, 8/20), см. 3.11.
3.37
|
номинальный ток нагрузки IL (rated load current IL): Максимальный длительный номинальный переменный (действующее значение) или постоянный ток, который может подаваться к нагрузке, защищаемой УЗИП. Примечание - Данное определение относится только к УЗИП с раздельными вводными и выводными зажимами. [МЭК 61643-1, статья 3.14, модифицирована] |
3.38
|
защита от сверхтока (overcurrent protection): Устройство для защиты от сверхтока (например, автоматический выключатель или плавкий предохранитель), которое может быть частью электроустановки, расположенной вне и до УЗИП. [МЭК 61643-1, статья 3.36] |
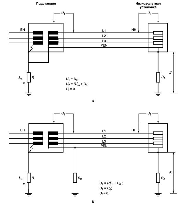
3.39 максимальное длительное рабочее напряжение силовой системы в месте подсоединения УЗИП Ucs (maximum continuos operating voltage of the power system at the SPD location Ucs): Максимальное напряжение переменного (действующее значение) или постоянного тока, которому может подвергнуться УЗИП в точке его подсоединения в систему. В нем учитывается только регулирование напряжения и/или его снижение либо повышение. Оно непосредственно связано с U0.
Его также называют действующим максимальным напряжением системы (см. рисунок 6).
Примечание - Данное напряжение не учитывает наличия гармоник, повреждений, ВПН или переходных процессов.
3.40
|
разрядное напряжение УЗИП коммутирующего типа (sparkover voltage of a voltage-switching SPD): Значение максимального напряжения в искровом промежутке УЗИП перед разрядом между электродами. Примечание - В основе УЗИП коммутирующего типа могут быть другие элементы, кроме искровых промежутков (например, кремниевые элементы). [МЭК 61643-1, статья 3.38, модифицирована] |
3.41 грозозащитная система (ГЗС) (lightning protection system (LPS): Полная система защиты здания и его оборудования от грозовых воздействий.
При оценке электрооборудования сточки зрения применяемого УЗИП следует учитывать два фактора:
- характеристики низковольтной силовой распределительной системы (в том числе ожидаемые уровни и типы перенапряжений и токов), в которой будет использован УЗИП;
- характеристики оборудования, которому требуется защита.
Низковольтные силовые распределительные системы в основном характеризуются типом заземления систем (TNC, TNS, TNC-S, ТТ, IT) и номинальным напряжением (см. 3.35). Могут возникать разные типы перенапряжений и токов. В настоящем стандарте перенапряжения классифицированы по трем группам:
- грозовые;
- коммутационные;
4.1.1 Грозовые перенапряжения и токи
В большинстве случаев грозовой фактор является определяющим в выборе класса испытаний УЗИП и соответствующих значений тока и напряжения (Iimр, Imах или Uoc согласно МЭК 61643-1).
Непосредственно для выбора УЗИП необходимо провести оценку формы волны и амплитуды тока (или напряжения) грозовых импульсов. В этой ситуации важно определить уровень напряжения защиты УЗИП, являющийся адекватным для осуществления защиты электрооборудования.
Примечание - Например, в регионах, подверженных частым грозовым явлениям, может понадобиться УЗИП, способное выдержать испытания класса I или класса II.
Обычно (например, в случаях прямого попадания молнии в электролинию или наведенных импульсов) наибольшие нагрузки испытывает электроустановка снаружи здания. Внутри здания перенапряжения понижаются по мере удаления от ввода электроустановки до внутренних цепей. Понижение достигается благодаря изменению конфигурации цепи и полных сопротивлений.
Необходимость в защите от грозовых импульсных перенапряжений зависит:
- от местной интенсивности ударов молнии Ng (среднее годовое количество ударов молнии на 1 км2 в год в регионе расположения объекта). Современные грозовые локационные системы могут предоставлять информацию по Ng с достаточной точностью;
-от уязвимости электроустановки, включая подводящие системы. Считается, что подземные системы менее подвержены действию, чем воздушные (наземные).
Даже в случае, когда энергоснабжение осуществляется с помощью подземного кабеля, для обеспечения защиты можно рекомендовать применение УЗИП.
При определении необходимости защиты установки от импульсных перенапряжений необходимо учитывать следующее:
- наличие грозозащитной системы вблизи установки;
- недостаточность длины кабеля для обеспечения адекватного отделения установки от воздушной части сети;
- высокие импульсные перенапряжения атмосферного характера, ожидаемые в воздушных линиях, подающих среднее напряжение к трансформатору, к которому подсоединена установка;
- возможность повреждения подземного кабеля от прямого попадания молнии в условиях высокого удельного сопротивления земли;
- размеры здания с подведенным силовым кабелем, увеличивающие риск прямого попадания ударов молнии в здание. Опасность прямых ударов в другие подводящие или отводящие системы (линии телефонной связи, антенные системы и т. д.), приводящая к повреждению силовых систем и оборудования;
- наличие других наземных коммуникаций.
В случае, когда от одной подающей системы запитаны несколько зданий, не имеющих защитных УЗИП, электрические системы этих зданий могут испытывать высокие перенапряжения.
Для электроустановок с УЗИП в сооружениях, оборудованных наружными грозозащитными системами, в случае прямого попадания молнии в здание обычно достаточно выполнить расчеты с использованием данных о сопротивлении заземления постоянному току (например, заземления здания и силовой распределительной системы, труб и т. д.), чтобы определить ток, проходящий через УЗИП.
В приложениях С и I дана дополнительная информация о грозовых перенапряжениях.
4.1.2 Коммутационные перенапряжения
Коммутационные перенапряжения, с точки зрения пикового тока и напряжения, бывают, как правило, ниже, чем грозовые перенапряжения, однако они более продолжительны. Тем не менее в некоторых случаях, в частности, в глубине здания или вблизи источников коммутационных перенапряжений коммутационные нагрузки могут быть выше грозовых перенапряжений. Чтобы сделать правильный выбор УЗИП, необходимо знать энергию, связанную с коммутационными перенапряжениями. Длительность коммутационных перенапряжений, включая переходные напряжения вследствие коротких замыканий или срабатывания предохранителей, может быть больше, чем длительность грозовых перенапряжений.
В приложении С приведена дополнительная информация о коммутационных перенапряжениях.
4.1.3 Временные перенапряжения (ВПН) Utov
4.1.3.1 Общие положения
Любой УЗИП в ходе эксплуатации может подвергнуться временному перенапряжению Utov, которое превысит длительное рабочее напряжение силовой системы.
ВПН имеет два параметра: значение и время.
Длительность перенапряжения в первую очередь зависит от заземления силовой системы (это относится как к высоковольтной, так и к низковольтной системе), к которой подключен УЗИП. При определении параметров ВПН следует учитывать максимальное длительное рабочее напряжение силовой системы (Ucs).
В приложении I приведена информация о временных перенапряжениях.
Таблица 1 - Максимальные значения ВПН согласно МЭК 60634-4-44
|
Возникновение UTOV |
Система |
Максимальные значения (UT0V, BH) |
|
Между фазой и землей |
ТТ, IT |
U0 + 250 В в течение более 5 с |
|
U0 + 1200 В в течение до 5 с |
||
|
Между нейтралью и землей |
ТТ, IT |
250 В в течение более 5 с |
|
1200 В в течение до 5 с |
||
|
Вышеуказанные значения являются предельными относительно короткого замыкания в высоковольтной сети и могут быть рассчитаны в зависимости от типа сети согласно приложению Е |
||
|
Возникновение UTOV |
Система |
Максимальные значения UTOV |
|
Между фазой и нейтралью |
ТТ и TN |
|
|
Вышеуказанное значение относится к потерям нейтрального проводника в низковольтной сети |
||
|
Между фазой и землей |
Система IT (система ТТ, см. примечание 1) |
|
|
Вышеуказанное значение относится к случайному заземлению фазного проводника в низковольтной сети |
||
|
Между фазой и нейтралью |
ТТ, IT и TN |
1,45 U0 в течение до 5 с |
|
Вышеуказанное значение относится к короткому замыканию (КЗ) между линией и нейтралью. |
||
|
Примечание 1 - Было показано, что ВПН высокого порядка могут также возникнуть в течение до 5 с в системах ТТ. Дополнительную информацию см. в приложении Е. Об этом не сказано в МЭК 60364-4-44. Примечание 2 - Максимальные значения ВПН в месте размещения трансформатора могут отличаться от указанных в таблице (быть больше или меньше). Дополнительную информацию см. в приложении Е. Примечание 3 - Потерю нейтрального проводника не учитывают при выборе УЗИП. |
||
4.1.3.2 Стандартизованные значения
В МЭК 60364-4-44 указаны максимальные значения Utov, ожидаемые в низковольтных сетях (расчет этих значений приведен в приложении Е).
В зависимости от многих факторов, например местоположения УЗИП, типа сети и т. д., возможны более низкие значения.
Максимальные значения (см. также рисунок 4), приведенные в таблице 1, зависят от местоположения трансформатора в электроустановке потребителя (см. примечание 2 к таблице 1).
Дополнительную информацию см. в приложении Е.
|
а - область UTOV, HH между фазой и нейтралью - короткое замыкание в установке НН для систем ТТ, TN и IT; b - область UTOV, HH между фазой и землей - случайное заземление фазного проводника в установке НН для системы IT (ТТ см. примечание 1) и область UTOV, HH между фазой и нейтралью - потеря нейтрали в установке НН для систем ТТ и TN; с - максимальное значение UTOV, HH в установке потребителя между фазой и нейтралью в случае короткого замыкания в сети ВН для систем ТТ и IT; d - неопределяемая область |
Рисунок 4 - Максимальные значения UTOV согласно МЭК 60634-4-44
Вопрос в стадии рассмотрения.
В настоящее время оборудование, способное выдерживать импульсные перенапряжения, соответствует МЭК 60664-1, оборудование, устойчивое к микросекундным импульсным помехам, соответствует МЭК 61000-4-5.
УЗИП, рассматриваемые настоящим стандартом, устанавливают вне защищаемого оборудования.
Функции УЗИП можно описать следующим образом:
- в силовых системах при отсутствии импульсных перенапряжений УЗИП не должно оказывать заметного влияния на рабочие характеристики системы, в которую УЗИП включено;
- в силовых системах при возникновении импульсных перенапряжений УЗИП отвечает на импульсы понижением полного сопротивления и, пропуская импульсный ток через себя, ограничивает напряжение до его защитного уровня. Токовые импульсы могут вызвать прохождение через УЗИП силового сопровождающего тока;
- в силовых системах при возникновении импульсных перенапряжений УЗИП после подавления импульсов восстанавливает состояние высокого полного сопротивления и прерывает любой силовой сопровождающий ток.
Характеристики УЗИП заданы для выполнения вышеуказанных функций в нормальных условиях эксплуатации. Условия нормальной эксплуатации определяются напряжением переменного тока силовой системы, током нагрузки, высотой (давлением), влажностью и температурой окружающего воздуха.
Исходя из назначения УЗИП, могут возникнуть дополнительные требования, например:
- к защите УЗИП от прямого прикосновения (в соответствии с МЭК 60364-4-41);
- к безопасности в случае повреждения УЗИП.
УЗИП может быть повреждено либо разрушено, если значение импульсного перенапряжения превысит максимальную энергию и разрядный ток, на которые оно рассчитано. Согласно настоящему стандарту повреждения УЗИП подразделяют на два вида: обрыв цепи и короткое замыкание.
При обрыве цепи защищаемая система теряет защиту. В этом случае отказ УЗИП обычно трудно обнаружить, поскольку оно уже не влияет на систему. Для гарантии своевременной замены поврежденного УЗИП до возникновения следующего перенапряжения потребуется индикаторная функция.
В режиме короткого замыкания система сильно зависит от поврежденного УЗИП. От источника питания ток короткого замыкания проходит через поврежденное УЗИП. Энергия, рассеиваемая при прохождении тока короткого замыкания, может оказаться избыточной и вызвать возгорание. Испытание на способность выдерживать ток короткого замыкания приведено в МЭК 61643-1. В том случае, когда защищаемая система не имеет адекватного устройства для отключения поврежденного УЗИП от цепи, может потребоваться соответствующее разъединяющее устройство, применяемое совместно с УЗИП, действующее в режиме короткого замыкания.
УЗИП классифицируют согласно МЭК 61643-1 по следующим параметрам:
- числу вводов: одновводные или двухвводные;
- типу конструкции: коммутирующие напряжение, ограничивающие напряжение, комбинированного типа;
- классу испытаний: класса I, класса II и/или класса III;
- местоположению: внутренней установки или наружной установки;
- доступности: доступные, недоступные;
- способу установки: стационарные или переносные;
- разъединителю: его местоположению (наружной установки, внутренней установки, наружной и внутренней установки, без разъединителя) и защитным функциям (с тепловой защитой, защитой от тока утечки, защитой от сверхтока);
- защите от сверхтока: с защитой, без защиты;
- степени защиты, обеспечиваемой оболочками (код IP);
- диапазону температур.
Примечание - По определению наружное расположение означает расположение вне дополнительных оболочек, помещений и т. п. Поэтому такие УЗИП подвержены воздействию внешних условий. Внутреннее расположение означает расположение внутри дополнительных оболочек, помещений и т. п. Поэтому такие УЗИП подвергаются воздействию внутренних условий.
Некоторые из вышеуказанных вариантов связаны с используемой технологией и определяются изготовителем.
5.3.2 Типичная конструкция и компоновка
Основные защитные элементы, используемые в УЗИП, принадлежат к двум категориям:
- элементам, ограничивающим напряжение: варисторы, лавинные или ограничительные диоды и т. д.;
- элементам, коммутирующим напряжение: воздушные искровые разрядники, газовые разрядники, тиристоры (кремниевые управляемые выпрямители), симисторы и т. д.
Типичные конструкции УЗИП на основе этих элементов представлены на рисунке 5:
- отдельный элемент, ограничивающий напряжение (см. рисунок 5а): УЗИП ограничивающего типа;
- отдельный элемент, коммутирующий напряжение (см. рисунок 5b): УЗИП коммутирующего типа;
- комбинация элементов, ограничивающих и коммутирующих напряжение (см. рисунки 5с и 5d): УЗИП комбинированного типа.
|
а - элементы, ограничивающие напряжения; b - элементы, коммутирующие напряжение; с - элементы, ограничивающие напряжение, в последовательном соединении с элементами, коммутирующими напряжение; d - элементы, ограничивающие напряжение, в параллельном соединении с элементами, коммутирующими напряжение |
Рисунок 5 - Примеры элементов и комбинаций элементов
Не все УЗИП имеют только основные элементы. Они могут дополнительно включать в себя индикаторы состояния, разъединители, плавкие предохранители, катушки индуктивности, конденсаторы и другие элементы.
Кроме того, УЗИП может быть скомпоновано как одновводное (см. 3.25) или двухвводное (см. 3.26) устройство.
5.4.1 Условия эксплуатации по МЭК 61643-1
Нормальные условия эксплуатации:
- частота от 48 до 62 Гц переменного или постоянного тока;
- высота не более 2000 м;
- рабочая температура и температура хранения: нормальный диапазон от минус 5 °С до плюс 40 °С, расширенный диапазон от минус 40 °С до плюс 70 °С;
- относительная влажность в условиях температуры помещения от 30 % до 90 %.
Примечание 1 - Потребитель определяет местоположение УЗИП (вне помещения, внутри помещения и т. д.) и выбирает диапазон температурных условий: нормальный или расширенный.
Примечание 2 - В МЭК 61643-1 также приведены данные относительно максимального длительного рабочего напряжения УЗИП (см. 6.2.1).
Аномальные условия эксплуатации:
- размещение УЗИП в аномальных условиях эксплуатации может потребовать от изготовителя специального подхода к конструкции и назначению;
- солнечная радиация: в большинстве случаев УЗИП не подвергаются влиянию солнечной радиации. Как правило, влияние солнечной радиации не учитывают в типовых испытаниях. Если УЗИП подвергаются влиянию солнечной радиации, это следует учитывать при испытаниях.
Примечание - Как правило, степень защиты оболочки УЗИП должна быть выше, чем IP2X. В некоторых случаях применяют другие степени защиты (например, для УЗИП наружной установки).
5.4.2 Перечень параметров для выбора устройств защиты от импульсных перенапряжений
Ниже представлен неисчерпывающий перечень параметров, необходимых потребителю для правильного выбора УЗИП:
a) Uc и Iс - максимально длительное рабочее напряжение и максимально длительный рабочий ток;
b) Uт - временное перенапряжение;
c) In - номинальный разрядный ток (только для испытаний классов I и II);
d) Imax - для испытаний класса II, Iimp - для испытаний класса I, Uoc - для испытаний класса III;
e) Up - уровень напряжения защиты;
f) деградация (в стадии рассмотрения);
g) режимы отказа;
h) устойчивость к короткому замыканию;
i) максимальный длительный ток нагрузки (для двухвводных УЗИП или для одновводных УЗИП с раздельными вводными и выводными выводами);
j) падение напряжения для двухвводных УЗИП или для одновводных УЗИП с раздельными вводными и выводными выводами).
Примечание - Некоторые из вышеперечисленных параметров определены для каждого вида защиты.
На рисунке 6 показана взаимосвязь между Up, U0, Uc и Ucs.
Рисунок 6 - Взаимосвязь между Up, U0, Uc и Ucs.
5.5.1 Информация, касающаяся напряжений промышленной частоты
5.5.1.1 Максимально длительное рабочее напряжение Uc и длительный рабочий ток Iс.
Uc - выбираемое напряжение для сведения к минимуму в нормальных условиях эксплуатации любых изменений характеристик УЗИП (старение, температурный сбой и т. п.).
Iс- значение тока, проходящего через УЗИП при прикладывании Uc. Ток, проходящий через вывод заземления (РЕ), если имеется, называют остаточным током утечки. Его учитывают при выборе УЗИП для исключения ненужного срабатывания устройств максимального тока или других защитных устройств (например, УДТ) (см. МЭК 60364-5-53, подпункт 5.3.1.212).
Дополнительную информацию о влиянии конфигурации системы на срабатывание устройств сверхтока или других защитных устройств см. в приложении J.
5.5.1.2 Временные перенапряжения UT
UT применяют для определения характеристик УЗИП в условиях временного перенапряжения.
Наиболее удобно их определять с помощью кривой. На практике, чтобы охарактеризовать УЗИП с точки зрения Uт, достаточно несколько пар значений напряжения тока промышленной частоты или постоянного тока и времени (до нескольких секунд). Обычная длительность ВПН по разным стандартам составляет 200 мс и 5 с.
Пример кривой показан на рисунке J.1.
Характеристику UT приводит изготовитель. Вопрос о стандартизации испытания на построение кривой UТ - на рассмотрении. Ее можно построить опытным путем (при прикладывании напряжения U в течение определенной длительности времени, по истечении которой не должно быть значительных изменений в работоспособности УЗИП, равно как и изменений, представляющих опасность для персонала, устройств и оборудования) либо определить путем вычислений. Когда такая характеристика неизвестна, потребитель должен принять UT = Uc (т. е. следует применять значение Uс, превышающее все ожидаемые временные перенапряжения, происходящие в системе).
Примечание 1 - В настоящий момент МЭК 61643-1 распространяется только на временные перенапряжения в режиме повреждения, т. е. когда УЗИП не в состоянии долгое время выдерживать временное перенапряжение.
Примечание 2 - Выбор УЗИП с высокой способностью выдерживать временные перенапряжения и низким уровнем напряжения защиты может быть затруднителен.
Потребитель может выбрать наиболее приемлемое для него УЗИП путем сравнения значений временного перенапряжения УЗИП (Uт) и действительных значений временного перенапряжения в месте установки (UTOV). учитывая при этом характеристики времени UT и UTOV.
5.5.2 Информация, касающаяся импульсных токов, уровней напряжения защиты и других характеристик
Приведенные ниже факторы относятся к характеристикам напряжения, тока и времени формы волны импульса. При испытании в зависимости от ожидаемых перенапряжений, которым будет подвергнуто УЗИП, применяют разные формы волны импульса и уровни напряжения защиты. UTOV
Во введении к МЭК 61643-1 по поводу выбора соответствующего класса испытаний УЗИП сказано следующее:
- испытания класса I предназначены для имитации частично наведенных импульсов грозового тока. Рекомендуется подвергать испытанию класса I УЗИП, в основном предназначенные для размещения в местах повышенного воздействия, например линейные вводы в здания, защищенные грозозащитными системами;
- испытания классов II и III проводят для УЗИП, подвергаемых кратковременным импульсам. Такие УЗИП обычно применяют в местах, менее подверженных воздействию прямых импульсов.
Примечание - При испытании класса II к УЗИП прикладывают импульсный ток. При испытаниях класса III к УЗИП прикладывают напряжение, а результирующий ток зависит от характеристик УЗИП.
При выборе УЗИП необходимо учитывать как класс испытаний, так и значение импульса, на которое рассчитано УЗИП.
5.5.2.1 In - номинальный разрядный ток (8/20) (для УЗИП, испытуемых согласно классам I и II)
Этот ток является одним из испытательных параметров для определения измеренного предельного напряжения для УЗИП, испытуемых согласно классам I и II. Этот ток (15 циклов) применяют также при предварительной подготовке к испытанию в рабочем режиме по классам I и II.
In ниже, чем Imах, и соответствует току, ожидаемому наиболее часто в данной электроустановке.
Предпочтительными значениями для In являются: 0,05; 0,10; 0,25; 0,50; 1,00; 1,50; 2,00; 2,50; 3,00; 5,00; 10,00; 15,00 и 20,00 кА.
5.5.2.2 Iimр и Imах (для УЗИП, испытуемых согласно классам I и II)
Iimр, Imах и кратные им значения являются испытательными параметрами при испытании в рабочем режиме согласно классам I и II соответственно. Они относятся к максимальным значениям разрядных токов, возникающих очень редко в месте размещения УЗИП в системе. Imах связано с испытаниями класса II, Iimр связано с испытаниями класса I.
Предпочтительные значения Iimр (Ipeak, Q) согласно МЭК 61643-1 приведены в таблице 2.
Таблица 2 - Предпочтительные значения Iimр
|
Ipeak, кА |
1,0 |
2,0 |
5,0 |
10,0 |
20,0 |
|
Q, А∙с |
0,5 |
1,0 |
2,5 |
5,0 |
10,0 |
Примечание - Как правило, Iimр связано с большей длительностью волны, чем In. В общем, In < Ipeak.
5.5.2.3 Уровень напряжения защиты, обеспечиваемый УЗИП
5.5.2.3.1 Измеренное предельное напряжение
а) Испытания классов I и II
Измеренное предельное напряжение определяют при проведении двух испытаний:
- измерение остаточного напряжения при разных значениях тока с импульсом 8/20;
- измерение разрядного напряжения с импульсом 1,2/50.
Измеренное предельное напряжение - это наибольшее значение:
- либо остаточного напряжения для диапазона тока 0,1 In - Ipeak или In (выбирают большее) для испытания согласно классу I или 0,1 In - 1,0 In для испытания согласно классу II;
- либо разрядного напряжения.
УЗИП ограничивающего типа
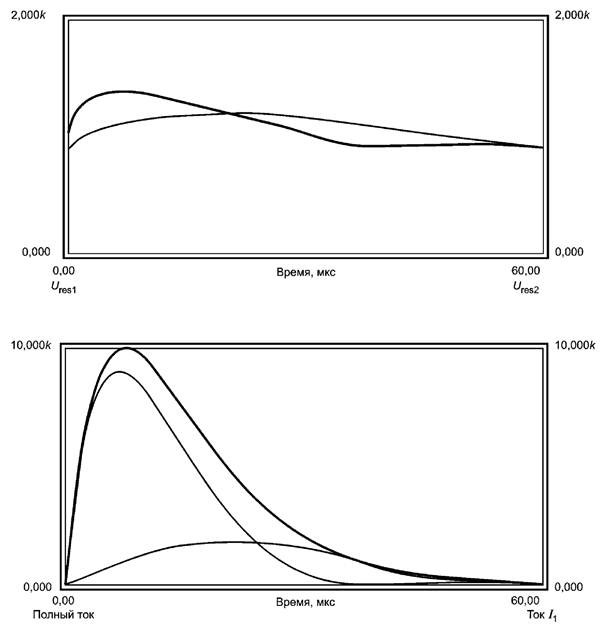
На рисунке 7 показана типичная кривая Ures/I для варисторов на основе окиси цинка. Из рисунка следует, что остаточное напряжение УЗИП при Imах следует также учитывать. Если это напряжение выше, чем уровень напряжения защиты, и особенно, если оно выше, чем импульсное выдерживаемое напряжение защищаемого оборудования, тогда существует опасность, что УЗИП выдержит такую нагрузку, однако оборудование останется незащищенным. Поэтому соответственно следует выбирать уровень напряжения защиты и импульсный ток, выдерживаемый УЗИП.
УЗИП коммутирующего типа
Импульсное разрядное напряжение разрядника (газоразрядная лампа и т. п.) зависит от скорости возрастания (dU/dt) прикладываемого переходного напряжения.
Обычно повышение скорости возрастания (dU/dt) переходного напряжения приводит к повышению импульсного разрядного напряжения. Поскольку импульсное разрядное напряжение является статистической величиной при заданном dU/dt, существует разброс в измеренных значениях (см. рисунок 8).
|
Um - измеренное предельное
напряжение равно Ures при In для УЗИП,
испытуемого по классу II. U > Um, когда I = Imах
> In, |
Рисунок 7 - Типичная кривая Ures/I варисторов на основе окиси цинка
|
а - повышение скорости возрастания - 10 кВ/мкс; b - понижение скорости возрастания - 1 кВ/мкс; δt - разброс по времени разрядника; δU - разброс по напряжению разрядника |
Рисунок 8 - Типичная кривая разрядника
b) Испытания класса III
Для испытаний УЗИП по классу III применяют генератор комбинированной волны. Тогда максимальное значение, измеренное в ходе испытания, используют как измеренное предельное напряжение.
5.5.2.3.2 Уровень напряжения защиты Up
Up устанавливает изготовитель. По определению оно не менее наибольшего значения измеренного предельного напряжения. Выбор данного значения изготовителем должен учитывать допуск на изготовление.
Предпочтительными значениями уровней напряжения защиты являются: 0,08; 0,09; 0,10; 0,12; 0,15; 0,22; 0,33; 0,4; 0,5; 0,6; 0,7; 0,8; 0,9; 1,0; 1,2; 1,5; 1,8; 2,0; 2,5; 3,0; 4,0; 5,0; 6,0; 8,0; 10,0 кВ.
В приложении В представлена типичная взаимосвязь между номинальным напряжением системы и уровнем напряжения защиты УЗИП для варистора на основе окиси цинка.
5.5.2.4 Режимы отказа УЗИП
Данные режимы применяют при определении совместимости УЗИП с другим оборудованием, его назначением и устройствами, применяемыми совместно с УЗИП.
Режим отказа УЗИП зависит от величины, числа и формы волны импульса тока и напряжения, предельной отключающей способности силовой системы и значения напряжения, прикладываемого к УЗИП во время отказа. Настоящий стандарт устанавливает два режима отказа УЗИП:
- короткое замыкание;
- разомкнутая цепь.
Иногда УЗИП на какой-то период времени может войти в неопределенное состояние. Это состояние связано с поглощением энергии и в конечном счете приводит (само по себе или вместе с разъединителем или защитой от сверхтока) к состоянию разомкнутой цепи или короткого замыкания. Согласно настоящему стандарту данное состояние УЗИП временно и как таковое не несет определенной направленности.
Дополнительная информация о том, каким образом результат действия устройства для защиты от сверхтока либо любого другого защитного устройства зависит от конфигурации системы, приведена в приложении J.
Изменения в характеристиках УЗИП не считаются отказом и рассматриваются в 5.5.2.8.
5.5.2.5 Стойкость к короткому замыканию
УЗИП отдельно или вместе с разъединителем, или с защитой от сверхтока считается стойким к короткому замыканию, если оно сохраняет способность выдерживать ток короткого замыкания, установленный изготовителем, и выдерживает испытания, не создавая опасности для окружающей среды (в частности, для устройств, расположенных рядом). Необходимо убедиться в том, что УЗИП не расположено в таком месте, где вероятный ток короткого замыкания выше, чем ток, который способен выдержать УЗИП. Также следует проверить, что соответствующий разъединитель или защита от сверхтока, предложенные изготовителем, имеются в наличии и исправно работают.
5.5.2.6 Номинальный ток нагрузки IL (для двухвводных УЗИП или для одновводных УЗИП с раздельными вводными и выводными выводами)
Необходимо проверить, чтобы нагрузка, подсоединенная после двухвводного или одновводного УЗИП, включенного последовательно с источником питания, соответствовала номинальному току нагрузки.
Примечание - Следует обратить внимание на тип нагрузки. Например, некоторые нагрузки могут иметь такие броски тока, которые соответствуют трехкратному действующему значению тока. Эти пиковые токи могут вызывать дополнительный нагрев последовательных элементов двухвводных УЗИП.
5.5.2.7 Падение напряжения (для двухвводных УЗИП или для одновводных УЗИП с раздельными вводными и выводными выводами).
Следует проверить, чтобы установка двухвводного УЗИП или одновводного с раздельными вводными и выводными выводами не вызвала падения напряжения, выходящего за допустимые пределы, в оборудовании, подключенном после УЗИП.
5.5.2.8 Изменение характеристик УЗИП
Отдельные УЗИП могут войти в неопределенное состояние под действием нагрузок, превышающих указанные в стандартных испытаниях. В этом случае некоторые их характеристики могут отличаться от рассчитанных значений, например: Uр, In, Iс и т. д. В частности, это может произойти с УЗИП, токоведущие части которого соединены параллельно, когда одна из токоведущих частей может отсоединиться вследствие импульса. В этом случае потребитель может быть не осведомлен об изменениях в характеристиках. В любом случае при отсутствии четкой индикации о возникновении названной ситуации такое состояние УЗИП следует исключить, предусмотрев это в конструкции.
При проведении анализа рисков (см. раздел 7) идентифицированные перенапряжения, которым подвержена система (см. раздел 4), и характеристики УЗИП (см. раздел 5) могут быть точно определены.
При применении УЗИП в силовой распределительной системе можно воспользоваться информационной схемой, представленной на рисунке 9.
Рисунок 9 - Информационная схема применения УЗИП
6.1.1 Возможные виды защиты и типы электроустановок
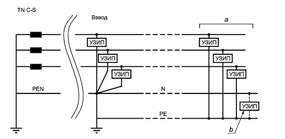
Когда защищаемое оборудование имеет достаточную устойчивость к перенапряжениям или расположено рядом с главным распределительным щитом, одного УЗИП может быть достаточно. В этом случае УЗИП должно быть установлено как можно ближе к вводу электроустановки. Для данного местоположения УЗИП должно иметь достаточную устойчивость к импульсным перенапряжениям. На рисунках К.1 - К.5 (приложение К) показаны типичные схемы соединений УЗИП, расположенных у ввода электроустановки для разных типов систем. На рисунке К.5 (приложение К) представлен частный случай системы TN C-S.
В таблице 3 указаны возможные виды защиты, которые могут потребоваться для различных низковольтных систем.
Примечание 1 - Если более одного УЗИП подсоединено к одному и тому же проводнику, необходимо обеспечить координацию между ними.
Примечание 2 - Число видов защиты зависит от типа защищаемого оборудования (например, если оборудование не заземлено, может быть необходима защита между фазой и землей или между нейтралью и землей), устойчивости оборудования по каждому виду защиты, структуры электрической системы и заземления и характеристик приходящего импульса перенапряжения. Например, защиты между фазой/нейтралью и проводником РЕ или между фазой и нейтралью обычно бывает достаточно, и междуфазная защита, как правило, не требуется.
Примечание 3 - Установка УЗИП до электросчетчика поставщика электроэнергии должна производиться по согласованию с поставщиком.
Таблица 3 - Возможные виды защиты для различных низковольтных систем
|
Расположение УЗИП |
ТТ |
TN-C |
TN-S |
IT |
|
Между фазой и нейтралью |
X |
|
X |
Ха) |
|
Между фазой и проводником РЕ |
X |
|
X |
X |
|
Между фазой и проводником PEN |
|
X |
|
|
|
Между нейтралью и проводником РЕ |
X |
|
X |
Ха) |
|
Между фазами |
X |
X |
X |
X |
|
а) Когда нейтраль распределена. |
||||
Рекомендуется, чтобы силовые сети и сети сигнализации входили в здание в одном месте (вводе) и были связаны общей шиной. Это особенно важно для зданий, выполненных из неэкранирующего материала (дерева, кирпича, бетона и т. п.).
Дополнительную информацию см. в приложении К.
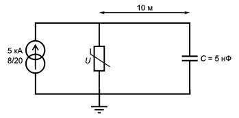
6.1.2 Влияние явления колебаний на защищаемое расстояние
Когда УЗИП применяют для защиты специфичного оборудования либо когда оно размещено на главном распределительном щите, оно не может обеспечить достаточную защиту некоторых видов оборудования, в этом случае его следует устанавливать как можно ближе к защищаемому оборудованию. Если расстояние между УЗИП и защищаемым оборудованием чрезмерно велико, то колебания могут привести к тому, что напряжение на выводах оборудования, которое обычно до двух раз выше, чем Uр, в определенных условиях может даже превысить этот уровень, что может привести к отказу защищаемого оборудования, несмотря на наличие УЗИП (см. рисунки К.8 - К.10 (приложение К)). Допустимое расстояние (называемое защищаемым расстоянием) зависит от типа УЗИП, типа системы, крутизны и формы волны приходящего импульса перенапряжения и подключенной нагрузки.
В частности, такое удвоение возможно только в том случае, когда оборудование соответствует нагрузке с высоким полным сопротивлением или если это оборудование имеет встроенный разъединитель. Рисунок 10 иллюстрирует явление удвоения напряжения в таких условиях.
Как правило, колебания можно не учитывать, если расстояние меньше 10 м. На рисунках К.9 и К.10 (приложение К) приведены примеры, когда при расстоянии 10 м удвоение возможно, но только в силу того, что нагрузка чисто емкостная. Иногда оборудование имеет внутренние защитные элементы (например, варисторы), которые будут в значительной степени уменьшать колебания даже на более длинном расстоянии. В этом случае необходимо избежать проблем координации между УЗИП и защитным элементом внутри оборудования.
Дополнительную информацию см. в приложении К.
6.1.3 Влияние длины соединительных проводов
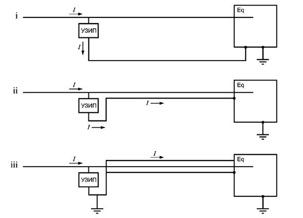
Для достижения оптимальной защиты от перенапряжения соединительные провода УЗИП должны быть как можно короче. Длинные провода ухудшают защиту УЗИП. Поэтому может возникнуть необходимость выбора УЗИП с более низким уровнем напряжения защиты для обеспечения ее надежности. Остаточное напряжение, подаваемое на оборудование, будет суммой остаточного напряжения УЗИП и падения индуктивного напряжения на соединительных проводах. Два напряжения могут не достигнуть пикового значения в один и тот же момент времени, но с практической целью могут быть просто сложены. На рисунке 10 показано влияние индуктивности соединительных проводов на напряжение, измеренное между точками подключения УЗИП, при протекании импульсного разрядного тока.
Как правило, индуктивность проводящих проводов принимается равной 1мкГн/м. Падение индуктивного напряжения, вызванное импульсом со скоростью подъема тока 1кА/мкс, будет приблизительно 1 кВ/м длины подводящего проводника. Более того, если крутизна dI/dt больше, падение напряжения увеличится.
Насколько это возможно, лучше использовать схему b, показанную на рисунке 10, где влияние этой индуктивности в значительной степени снижено. Схема с может быть использована, когда нельзя использовать схему b.
Примечание - Если путь обратного тока имеет магнитную связь с проводами входящего тока путем размещения проводов в непосредственной близости, индуктивность уменьшится (см. рисунок 10, схема с).
Дополнительную информацию смотри в приложении К.
|
Схема a: L1, L2 - индуктивности, соответствующие длине подводящих проводов I1,I2; Isurge - кривая разрядного тока в функции времени; VSPD - напряжение на зажимах УЗИП во время импульса; VAB - напряжение между точками А и В при импульсе, равное VSPD плюс падение напряжения на индуктивности L1 + L2. Использования этой схемы следует, по возможности, избегать, особенно если любое из значений L1 или L2 велико. Схема b - предпочтительная. Схема с - приемлема при невозможности использовать схему b. |
Рисунок 10 - Влияние длины соединительных проводов УЗИП
6.1.4 Необходимость дополнительной защиты
В некоторых случаях достаточно одного УЗИП, например, если перенапряжения на входе в сооружение невелики. В этом случае лучше установить УЗИП на вводе электросети (см. 6.1.1).
Дополнительная защита вблизи оборудования, подлежащего защите, может быть необходима в некоторых особых случаях, например в местах, где:
- имеется очень чувствительное оборудование (электронное, компьютеры);
- расстояние между УЗИП, размещенным на вводе, и защищаемым оборудованием слишком велико (см. 6.1.2);
- имеются электромагнитные поля внутри сооружения, создаваемые разрядами молнии и внутренними источниками помех.
Необходимо учитывать стойкость к перенапряжениям (Uw, см. МЭК 60664-1) самого чувствительного оборудования системы, подлежащего защите. Уровень напряжения защиты UP2 УЗИП, размещенного наиболее близко к оборудованию, следует выбирать по меньшей мере на 20 % ниже уровня стойкости оборудования к перенапряжению. Если уровень напряжения защиты (Uр1) УЗИП на вводе в сочетании с действием, описанным в 6.1.2, в силу расстояния между УЗИП и оборудованием обеспечивает напряжение на зажимах оборудования ниже 0,8Uw, нет необходимости в установке дополнительного УЗИП вблизи оборудования (см. рисунок 11).
Дополнительную информацию см. К.1.2 и рисунок К.9 (приложение К).
|
Если Uр1 k < 0,8Uw, требуется только УЗИП 1 (размещенное на вводе в установку), если Uр1 k > 0,8Uw, дополнительно к УЗИП 1 должно устанавливаться УЗИП 2 с Uр2 < 0,8Uw, где k - коэффициент (1< k < 2, см. 6.1.2) с учетом возможных колебаний. Eq - оборудование, подлежащее защите, обладающее стойкостью к перенапряжению Uw по определению МЭК 60664-1. |
Рисунок 11 - Необходимость дополнительной защиты
Примечание - Устойчивость оборудования к электромагнитным помехам согласно МЭК 61000-4-5 может отличаться от стойкости к перенапряжению согласно МЭК 60664-1 (Uw). Причиной этого является то, что при испытании по МЭК 61000-4-5 применяют генератор комбинированной волны и часть импульсного тока может протекать через оборудование (особенно, если оно имеет низкое полное сопротивление). В этом случае потребуется тщательная координация (см. 6.2.6).
Потенциально разрушительные коммутационные перенапряжения могут генерироваться внутри зданий. В этом случае могут потребоваться дополнительные УЗИП.
Когда на одних и тех же подводящих проводах используют два УЗИП, они должны быть согласованы.
6.1.5 Выбор места размещения УЗИП в зависимости от класса испытаний
В точке ввода в зависимости от входящих импульсов могут использоваться УЗИП, испытанные по классам I, II или III. Рассмотрение электрических нагрузок, входящих в состав импульса, является ключом для правильного выбора УЗИП. УЗИП, испытанные по классам II и III, подходят также для размещения вблизи защищаемого оборудования.
6.1.6 Концепция зоны защиты
В целях разработки и применения соответствующей защиты от импульсных перенапряжений может быть полезным рассмотрение очередности зон защиты, как это описано в МЭК 61000-5-6 (в стадии рассмотрения) и в МЭК61312-1.
Данная концепция планирования предполагает, что наведенные представляющие опасность параметры, вызываемые коммутациями в силовых распределительных системах и прямыми/непрямыми ударами молнии, уменьшаются поэтапно от незащищаемых средств до защищаемого чувствительного оборудования (дистанция между этапами должна быть в соответствии с 6.1.2).
Пример разделения силовой распределительной системы здания на защищаемые зоны и размещения УЗИП показан на рисунке К.11 (см. приложение К).
УЗИП выбирают согласно следующей схеме в шесть этапов, приведенных в 6.2.1 - 6.2.6.
Рисунок 12 - Информационная схема для выбора УЗИП
6.2.1 Выбор Uc, UТ и In/Iimp/Imax/Uoc для устройств защиты от импульсных перенапряжений
Uc и UТ должны соответствовать следующему критерию.
Uc должно, за исключением системы IT, быть выше максимального длительного рабочего напряжения Ucs (равного kU0), которое может возникнуть в системе (см. приложение J и предлагаемые значения в приложении В).
Uс > Ucs.
На практике это приводит к следующим требованиям (см. МЭК 60364-5-53):
- согласно рисунку К.2 (приложение К) в системах ТТ Uc должно быть не менее 1,5U0;
- как следует из рисунка К.3 (приложение К) в системах TN и ТТ Uc должно быть не менее 1,1U0;
- в системах IT Uc должно быть, по крайней мере, таким же, как межфазное напряжение U.
Примечание 1 - U0 - это напряжение между линией и нейтралью низковольтной системы.
Примечание 2 - В разветвленных системах IT могут потребоваться более высокие значения Uc.
Примечание 3 - МЭК 60364-5-53 - в стадии пересмотра.
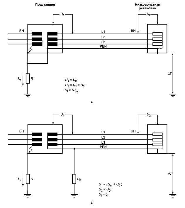
Значения UT должны быть выше временного перенапряжения (ВПН), которое ожидается в установке вследствие повреждений низковольтной системы, как показано на рисунке 13.
UT > UTOV, LV.
Примечание - UTOV, LV длительностью свыше 5 с можно считать длительным рабочим напряжением (Uc). Например, в системе IT Uc УЗИП, включенного между фазой и землей, по крайней мере, равно максимальному межфазному напряжению системы (1,73U0) в результате замыканий на землю большой длительности (несколько часов).
|
а - зона UTOV, LV между фазой и нейтралью для систем ТТ, TN и IT при повреждении в низковольтной установке (короткое замыкание); b - зона UTOV, LV между фазой и землей для системы IT (ТТ) при повреждении в низковольтной установке (случайное заземление) и зона UTOV, LV между фазой и нейтралью для систем ТТ и TN при повреждении в низковольтной установке (потеря нейтрали); с - максимальное значение (UTOV, LV при размещении потребителя между фазой и землей для систем ТТ и IT при повреждении в высоковольтной системе; d - неопределенная область; ■ - значения UT для УЗИП |
Рисунок 13 - Соотношение UT и UTOV
Примечание 1 - Как показано на рисунке, возможно выбрать УЗИП со следующими характеристиками: UT = UC ≥ UTOV, LV max.
В частности, это характерно для систем IT.
Выбор энергетической стойкости УЗИП (выбор Iimp, Imах или Uoc в зависимости от класса испытаний) должен основываться на анализе рисков (см. раздел 7), который сравнивает вероятность возникновения импульсов, стоимость оборудования, подлежащего защите, и приемлемую норму отказов, и завершаться анализом координации, когда используют более одного УЗИП.
Примечание 2 - При необходимости можно использовать более высокие значения, чем предпочтительные, указанные в 5.5.2.
В некоторых случаях, когда значение ВПН слишком велико, может быть трудно подобрать УЗИП, способное предоставить адекватную защиту оборудования от импульсных перенапряжений. Если вероятность возникновения ВПН достаточно мала, тогда можно использовать УЗИП, не стойкое к ВПН, в таких случаях для защиты применяют соответствующие разъединительные устройства.
Для определения местоположения УЗИП (на вводе, вблизи оборудования и т. д.) необходимо знать защитное расстояние, т. е. допустимое расстояние между УЗИП и защищаемым оборудованием, на котором УЗИП обеспечивает достаточную защиту. Это расстояние зависит от характеристик УЗИП (Up и т. д.), места его установки в здании (длины проводников и т. д.), характеристик системы (типа и длины проводов и т. д.) и характеристик оборудования (стойкости к импульсным перенапряжениям и т. д.). Дополнительные сведения содержатся в 6.1.2 и 6.1.3, где описывается рассматриваемое явление.
Примечание - Разработчик зон защиты должен быть осведомлен о защитном расстоянии между УЗИП и защищаемым оборудованием (см. 6.1.6).
6.2.3 Ожидаемый срок службы и режим отказа
6.2.3.1 Ожидаемый срок службы
В зависимости от типов импульсных перенапряжений и их частоты воздействия срок службы УЗИП может быть длительным либо краткосрочным. Например, если спустя несколько секунд после установки УЗИП с максимальным разрядным током Imах 20 кА формой волны 8/20 через него пройдет грозовой ток 30 кА формой волны 8/20, вероятнее всего случится отказ УЗИП, и в этом случае срок его службы будет составлять несколько секунд. Этот крайний случай показывает, что любой ожидаемый срок службы, устанавливаемый изготовителем, может основываться только на стандартизованных испытаниях и не может быть гарантирован.
Можно вести речь только о предполагаемом сроке службы. Например, УЗИП с максимальным разрядным током 10 и 20 кА формой волны 8/20 могут выйти из строя спустя несколько секунд после установки, если через них пройдет грозовой ток 30 кА. Как правило, срок службы у УЗИП на 20 кА больше, чем у УЗИП на10 кА.
В итоге необходимо выбирать УЗИП, которое:
- не имеет значительного износа после стандартизованных испытаний на износ;
- учитывает UTOV, ожидаемые импульсы перенапряжения и необходимую координацию с другими УЗИП;
- не вызовет поражения огнем или электротоком при своем отказе.
6.2.3.2 Режимы повреждений
Сам по себе режим повреждения зависит от типа импульса и перенапряжения. Во избежание нарушения подачи питания или его прекращения необходима координация между УЗИП и любой защитой от сверхтока, расположенной до УЗИП.
6.2.4 Взаимодействие УЗИП с другими устройствами
Информацию по данному вопросу см. также в частях стандарта МЭК 60364.
6.2.4.1 Нормальные условия
Длительный рабочий ток Iс не должен создавать опасных условий поражения для персонала (непрямой контакт и т. д.) или помех для другого оборудования (например, УДТ).
Примечание 1 -Для УДТ IС должен составлять не более 1/3 номинального отключающего дифференциального тока (1∆n /3). Следует учитывать совокупные действия нескольких УЗИП и их взаимодействие с другими устройствами.
Примечание 2 - Если УЗИП расположено со стороны нагрузки УДТ, плавкого предохранителя или автоматического выключателя, оно не в состоянии обеспечить какую-либо защиту этих устройств от ложного расцепления, непредусмотренного срабатывания или повреждения вследствие импульсного перенапряжения.
6.2.4.2 Условия отказа
УЗИП может быть оснащено необходимыми разъединительными устройствами, чтобы не создавать помех для других защитных устройств, таких как УДТ, плавкие предохранители или автоматические выключатели.
6.2.4.3 Координация по импульсным перенапряжениям между УЗИП и УДТ или устройствами защиты от сверхтока, такими как плавкие предохранители или автоматические выключатели
Способность УЗИП и УДТ противостоять импульсам перенапряжений при использовании их в сетях не устанавливают, за исключением УДТ типа S, которые в соответствии с МЭК 61008-1 и МЭК 61009 должны выдерживать импульс 3 кА формой волны 8/20 без расцепления.
При координации УЗИП с каким-либо устройством защиты от сверхтока или УДТ рекомендуется, чтобы при номинальном разрядном токе In это устройство защиты от сверхтока или УДТ не срабатывали.
Однако при токе, большем In, вполне приемлемо, чтобы устройство защиты от сверхтока сработало. Взводимое устройство защиты от сверхтока, такое как автоматический выключатель, не должно повреждаться импульсом.
В этом случае благодаря тому, что такое устройство защиты от сверхтока срабатывает через определенное время, через него пройдет полный импульс, даже если оно сработает. Таким образом, УЗИП должно иметь достаточную энергетическую стойкость. Срабатывание УДТ или устройства защиты от сверхтока вследствие этого явления не должно рассматриваться как отказ УЗИП, поскольку электроустановка все еще защищена. Если перерыв в энергоснабжении неприемлем для пользователя, нужно использовать специальную компоновку устройств или другие устройства защиты от сверхтока.
Примечание 1 - В условиях подверженности действию больших токов, например в системах молние-защиты или воздушных линиях, допускается срабатывание устройств защиты от сверхтока при значениях ниже In, если действительная стойкость устройства защиты от сверхтока, применяемого в установке, выше, чем In. В этом случае выбор номинального разрядного тока УЗИП зависит исключительно от параметров импульса.
Примечание 2 - Если произойдет пробой УЗИП коммутирующего типа, качество подачи питания может снизиться. Вообще сопровождающий ток вызывает срабатывание устройства защиты от сверхтока, если УЗИП коммутирующего типа без самогашения. В этом случае требуется координация с устройствами защиты от сверхтока, включенными до УЗИП.
6.2.5 Выбор уровня напряжения защиты Up
При выборе предпочтительного значения уровня напряжения защиты УЗИП следует учитывать импульс перенапряжения, выдерживаемый защищаемым оборудованием, и номинальное напряжение системы. Чем ниже уровень, тем лучше защита. Этот уровень ограничен учетом Uc и Uт, деградацией УЗИП и координацией с другими УЗИП.
Примечание - Уровень напряжения защиты для УЗИП ограничивающего типа относится к установленному значению Iреаk Для испытаний класса I и In - для испытаний класса II. Выбор уровня напряжения защиты для испытаний класса III определяют при испытании комбинированной волной (Uoc).
Уровень напряжения защиты для УЗИП коммутирующего или комбинированного типа также относится к разрядному напряжению.
6.2.6 Координация между выбранным устройством защиты от импульсных перенапряжений и другими устройствами защиты от импульсных перенапряжений
6.2.6.1 Общие положения
Как уже было сказано, некоторые электроустановки требуют применения двух и более УЗИП, чтобы снизить воздействия импульса тока на защищаемое оборудование до приемлемого значения (нижний уровень напряжения защиты) и переходной ток внутри здания.
Для распределения импульса тока между двумя УЗИП в соответствии с их энергостойкостью необходима координация.
Пример показан на рисунке 14.
Полное сопротивление Z между двумя УЗИП (в основном индуктивное) может быть физическим целым (специальный элемент, включенный в линию для облегчения разделения энергии между двумя УЗИП) или представлять индуктивность длины кабеля между двумя УЗИП (в основном считается 1 мкГн/м). Когда Z представляет физическое сопротивление, индуктивностью линии можно пренебречь ввиду ее малого значения по сравнению с Z. В таком случае Z представлено схематически для обоих случаев на рисунке 14.
Примечание 1 - Рисунок 14 показывает наиболее жесткий вариант, когда оборудование не подсоединено. В этом случае через оборудование ток не идет, и весь импульс принимают два УЗИП. Особое внимание следует уделить ситуации, когда импульс возникает между зажимами УЗИП и нагрузкой.
Примечание 2 - В этом примере соединительные провода не принимаются во внимание. Практически они могут влиять на разделение импульса между двумя УЗИП.
Примечание 3 - Когда прямой и обратный соединительные провода близко соединены, петля меньше и удельная индуктивность ниже, чем 1 мкГн/м. Она может уменьшаться до 0,5 мкГн/м.
Примечание 4 - Значение 1 мкГн/м учитывает индуктивность прямого и обратного проводников.
|
Eq -
защищаемое оборудование при нормальной эксплуатации; О/с - разомкнутая
цепь (оборудование отключено от питания); |
Рисунок 14 -Типичный пример применения двух УЗИП - электрическая схема
6.2.6.2 Вопросы координации
Вопрос координации в общем виде состоит в том, какая часть тока I при поступлении входящего импульса / должна пройти через УЗИП 1 и какая через УЗИП 2, кроме того, способны ли оба УЗИП выдержать такую нагрузку.
Если расстояние между двумя УЗИП невелико относительно длительности импульса, влияние индуктивности будет незначительным и УЗИП 2 может быть перегружено.
Необходимая координация достигается выбором соответствующих
УЗИП для снижения значения импульса до
приемлемого уровня, принимая во внимание полное сопротивление между двумя УЗИП.
Это, безусловно, также снижает остаточное напряжение второго УЗИП до нужного
значения.
Такая координация необходима, чтобы избежать:
- излишнего запаса при конструировании и выборе УЗИП 2;
- некоторых электромагнитных помех, которые могут возникнуть
в здании, если импульс слишком
высок.
Однако недостаточно связывать координацию только с токами, необходимо учитывать также энергию.
Чтобы убедиться в правильной координации двух УЗИП, необходимо выполнить следующее требование, называемое критерием энергии.
Координация по энергии достигнута, если для всех значений импульсного тока между 0 и Imах 1 (Ipeak 1) часть энергии, рассеиваемой через УЗИП 2, не более его максимальной энергетической стойкости Emax 2.
Дополнительную информацию см. в приложении К.
6.2.6.3 Примеры из практики
Исследование координации может быть сложным. Если все УЗИП поставлены одним и тем же изготовителем, целесообразно запросить у изготовителя информацию относительно расстояния или полного сопротивления между избранными УЗИП для их должной координации.
В противном случае необходимо провести исследование координации, при этом предлагаются четыре варианта:
- выполнить испытания прикладыванием импульсного тока от нуля до значения, соответствующего Еmах 1, как с длинной, так и короткой формой волны, учитывая, что допуск на компоненты может оказать значительное влияние на результат (испытание в стадии рассмотрения);
- выполнить моделирование, учитывая действительные особенности схемы электроустановки, располагая точными данными о характеристиках УЗИП;
- произвести аналитическое исследование сравнением кривых зависимости U/I двух УЗИП, если они оба ограничивающего типа;
- использовать «метод сквозного тока» (МСТ), который в большинстве случаев дает заниженный результат.
Приложение F и приложение К содержат дополнительные сведения об этих явлениях, аналитических исследованиях и МСТ.
6.3.1 Разъединительные устройства
Один разъединитель может сочетать три основные функции отключающего устройства (тепловую защиту, защиту от короткого замыкания и защиту от непрямого контакта) либо необходимо использовать три разъединителя.
Они могут быть установлены внутри самого УЗИП или могут быть установлены последовательно с ним. Некоторые функции могут выполняться резервной системой защиты, и тогда эта защита размещается на некотором расстоянии от УЗИП. То, куда включены разъединители, - в цепь УЗИП или в электросеть - зависит от координации с устройствами защиты от сверхтока и от баланса между необходимостью непрерывности подачи питания и необходимостью непрерывности защиты (см. J.2 (приложение J)). Могут понадобиться и другие функции разъединителя, например при высоких временных перенапряжениях.
Функцию разъединителя могут выполнять плавкий предохранитель, автоматический выключатель, УДТ или устройство аналогичного назначения.
Устройства такого типа обычно дают информацию о количестве обнаруженных импульсов и иногда об их величине и форме волны. Счетчики событий могут использоваться для определения опасности местоположения объекта или решения вопроса размещения. Некоторые усовершенствованные счетчики дают статистические данные, такие как частота событий, время и дата, связанная с событием энергия и т. д.
Примечание 1 - Потребитель должен знать, что при низком пороговом уровне информация, выдаваемая таким устройством, может ввести в заблуждение.
Примечание 2 - В настоящий момент стандартов, которые бы распространялись на такие устройства, нет.
Этот прибор связан с разъединителем, чтобы снабдить потребителя информацией о том, в рабочем ли состоянии УЗИП или не функционирует согласно назначению. Его применяют для предупреждения о необходимости замены УЗИП. Одни индикаторы состояния являются локальными, другие - дистанционными. Они могут подавать электрические, видео или аудиосигналы.
Существует два вида анализа рисков. Базовый анализ проводят для определения необходимости применения УЗИП. Второй тип - для определения энергетической стойкости УЗИП, расположенного на вводе или вблизи оборудования (энергостойкость других УЗИП, если они имеются, определяется исследованием координации между ними) (см. приложение L).
Вопрос о целесообразности применения УЗИП зависит от широкого спектра параметров, рассматриваемых потребителем. Параметры, которые следует учитывать, приведены в приложении L. Если принимается принципиальное решение о применении УЗИП, необходимо также принять решение о степени подверженности оборудования воздействиям для определения классификации и местоположения УЗИП. Метод оценки риска при возникновении грозовых импульсов предложен в МЭК 61662. МЭК 61662 постоянно совершенствуется в части вопросов, касающихся УЗИП. В тех случаях, когда проведение полного анализа слишком сложно, используют упрощенную методику, основанную на МЭК 61662. Методика для коммутационных импульсных перенапряжений - в стадии рассмотрения.
Типовая информация,
предоставляемая по запросу
для специалистов, и пояснения к методам испытаний
А.1 Информация, предоставляемая по запросу
А.1.1 Данные системы:
- U0, Ucs;
- частота;
- временное перенапряжение UTOV;
- уровень изоляции защищаемого оборудования.
Примечание - Потребитель должен знать, что стойкость изоляции может меняться в зависимости от крутизны и длительности импульса перенапряжения. Например, устройство, выдерживающее импульс 4 кВ 1,2/50, может выдержать только импульс напряжения меньшего значения с более длинной волной;
- ток короткого замыкания системы в месте установки УЗИП;
- тип распределительной системы (IT, ТТ, TN и т. д.).
А.1.2 Условия эксплуатации
Условия режима отказа:
- приоритет непрерывности энергоснабжения;
- приоритет защиты;
- то и другое.
Аномальные условия:
- условия окружающей среды;
- система: возможное увеличение Ucs в месте установки УЗИП (например, вследствие регулирования напряжения).
А.1.3 Рассмотрение применения УЗИП:
a) подсоединение:
- фаза-земля,
- нейтраль-земля,
- фаза-нейтраль,
- фаза-фаза;
b) тип защищаемого оборудования:
- трансформаторы,
- электрические машины,
- устройства, включая электронные,
- другое оборудование,
- кабели (тип и длина) и т. д;
c) максимальная длина провода между УЗИП и защищаемым оборудованием (защитное расстояние).
Примечание - Это расстояние должно быть как можно короче;
d) максимальная длина проводников (подводящих проводов) от выводов УЗИП с учетом соединения УЗИП со всеми проводниками (фазными, нейтральными, заземляющими).
А.1.4 Характеристики УЗИП:
- максимальное длительное рабочее напряжение Uc;
- уровень напряжения защиты Up;
- испытательные характеристики: классы I, II или III;
- устойчивость к коротким замыканиям при отказе УЗИП;
- условия установки УЗИП (наружная, внутренняя и т. д.);
- число вводов;
- степень защиты, обеспечиваемая оболочкой (код IP);
- номинальный разрядный ток In (классы испытаний I и II);
- максимальный длительный ток нагрузки (если применим);
- максимальный импульсный ток IImp, максимальный разрядный ток Imах или напряжение разомкнутой цепи Uoc (для испытаний классов I, II и III соответственно);
- характеристика временных перенапряжений UT;
- режим отказа
и дополнительно для двухвводных УЗИП:
- максимальный длительный ток нагрузки IL (если применим);
- падение напряжения в процентах.
А.1.5 Дополнительное оборудование и принадлежности:
- тип монтажа;
- ориентация монтажа;
- разъединитель УЗИП (при необходимости);
- поперечное сечение соединительных проводов.
А.1.6 Особые аномальные условия
Например: частые срабатывания.
А.2 Информация для специалистов
Все перечисления А.1.4 и А.1.5.
Кроме того, в зависимости от технологии:
- характеристика ВПН UT;
- остаточное напряжение в функции тока;
- возможности для монтажа, схемы установочных отверстий, изолирующие основания, кронштейны;
- типы выводов УЗИП и допустимый размер подсоединяемых проводников;
- размеры и масса.
А.3 Пояснение методик испытаний, применяемых в МЭК 61643-1
А.3.1 Определение Ures для УЗИП, испытуемых по классам I и II
Необходимо, чтобы остаточное напряжение определялось с помощью генератора комбинированной волны 8/20 в следующей последовательности значений кратности номинального тока в обеих полярностях: 0,1 In; 0,2 In; 0,5 In; 1 In и 2 In. К УЗИП прикладывают по крайней мере один импульс при Imах или Iреаk (при условии, что Imах или Iреаk превышает In) при той полярности, которая показала более высокие остаточные напряжения в предыдущем испытании.
Первый цикл проводят при одной полярности, второй - при противоположной полярности для проверки наличия кумулятивного эффекта в этом УЗИП.
Независимо от класса испытаний I или II форма волны всегда должна быть 8/20, поскольку ее применяют для сравнения. Ее используют при выборе УЗИП, когда сравнивают его защитные характеристики с импульсным выдерживаемым напряжением защищаемого оборудования. Типичной формой волны для испытаний класса I является Iimp, определяемый Iреаk и Q, однако данная форма волны не слишком отличается от формы волны 8/20 с точки зрения скорости нарастания тока. Поэтому форму волны 8/20 применяют в качестве общей базы для сравнения защитных характеристик УЗИП.
Между 0,1 In и 2 In берут множество значений, чтобы обнаружить критическую зону, которая может возникнуть (критическая зона возникает в том случае, когда понижение тока ведет к повышению остаточного напряжения). Важно отметить, что остаточное напряжение при In является условным значением, которое может не быть наибольшим (например, если УЗИП имеет критическую зону).
Значение Up, указанное в маркировке, недостаточно для установления координации изоляции и координации между УЗИП. Изготовитель в своей технической документации должен предусмотреть кривую или таблицу значений остаточных напряжений.
Достаточно выполнить одно измерение между 2 In и Imах или Iреаk, чтобы получить кривую остаточных напряжений до Imах или Iреаk с достаточным числом точек.
Примечание - Когда 2 In больше, чем Imах или Iреаk, испытание можно проводить при 1,2 In.
А.3.2 Форма волны импульса для оценки Ures
Форму волны 8/20 применяют для испытания одновводных УЗИП, имеющих допустимое отклонение тока 5 %. Такой импульс не должен оказывать влияния на Ures, появляющееся на одновводном УЗИП.
Двухвводные УЗИП, как правило, должны иметь последовательное полное сопротивление, например катушку индуктивности для развязывающего фильтра. Кроме того, на катушке со стороны оборудования может быть установлен шунтирующий конденсатор для создания эффекта низкочастотного фильтра. В таких случаях импульсная волна с отклонением будет значительно изменять Ures согласно значению отклонения. Именно по этой причине допустимое отклонение при испытании двухвводных УЗИП ограничено 5 %.
А.3.3 Влияние развязывающего фильтра на определение Ures
Когда с двухвводными устройствами применяют развязывающий фильтр, может иметь место взаимодействие, которое исказит наблюдаемое Ures и может дать неправильный результат. Двухвводное устройство в виде развязывающего фильтра будет выдавать пиковое значение Ures после окончания прикладывания импульса. Точно так же развязывающий фильтр будет действовать и возвращать сохраненную энергию в конце импульса. Результирующие форма импульса и пиковое значение напряжения зависят от параметров как развязывающего фильтра, так и испытуемого устройства.
Для определения наихудшего значения Ures испытательный импульс следует прикладывать при максимальном значении переменного тока питания с той же полярностью. В этот момент времени все компоненты испытуемого УЗИП находятся под максимальным напряжением. Тогда значение Ures будет соответствовать сумме Umax и постепенно нарастающего напряжения вследствие приложенного импульса. Это значение может быть определено путем приложения напряжения постоянного тока, равного Umax, через управляющий диод. Испытательный импульс прикладывают между диодом и двухвводным устройством. В зависимости от конструкции двухвводного устройства может быть необходимо предусмотреть альтернативный источник переменного тока для питания внутренней рабочей или диагностической электроники.
Примечание - Это испытание не подходит для УЗИП с разделительными трансформаторами.
А.3.4 Испытание в рабочем режиме для устройств защиты от импульсных перенапряжений, испытуемых по классам I и II типовых испытаний
Прежде всего проводят предварительную подготовку, чтобы убедиться в отсутствии износа устройства.
Предварительную подготовку проводят, прикладывая 15 импульсов 8/20 при номинальном разрядном токе вместо обычных 20 импульсов, применяемых при испытании высоковольтных разрядников. Это обосновано тем, что испытание в рабочем режиме само по себе жестче (например, по числу импульсов и их форме), чем рекомендуемое в МЭК 60099-4.
Предварительную подготовку проводят, прикладывая Uc. Синхронизацию каждого импульса по частоте 50/60 Гц проводят через 30°, начиная от 0°. Это необходимо соблюдать потому, что некоторые УЗИП, например искровые разрядники, чувствительны в отношении этого угла, особенно в том, что касается сопровождающего тока.
15 импульсов прикладывают тремя группами по 5 импульсов. Между каждой группой импульсов оставляют достаточно времени (30 мин) для охлаждения образца.
После такой предварительной подготовки прикладывают по одному дополнительному импульсу на каждом из следующих уровней тока:
0,1 Imах (соответственно Iimp), 0,25 Imах (соответственно Iimp), 0,5 Imах (соответственно Iimp), 0,75 Imах (соответственно Iimp) и Imах (соответственно Iimp) для нахождения возможной критической зоны. Между импульсами проводят тепловое охлаждение. Критическая зона соответствует значению тока ниже Imах (соответственно Iimp), которое может вызвать отказ УЗИП, в то время как при Imах (соответственно Iimp) оно сохраняет работоспособность. Типичный пример - варистор на основе окиси цинка, соединенный параллельно с искровым разрядником. Если разрядник не сработает, полный импульс прикладывают к варистору. Этот варистор может быть не способным противостоять нагрузке, подобно разряднику, и может выйти из строя.
Примеры соотношения между Uc и
номинальным напряжением, применяемым в системах,
и пример соотношения между Up и Uc для варисторов на основе окиси цинка
В.1 Соотношение между Uc и номинальным напряжением системы
Таблица В.1 - Соотношение между Uc и номинальным напряжением системы
|
Номинальное напряжение системы согласно МЭК 60664-1 |
Примеры Uc на основе значений, указанных в МЭК 60364-5-53 |
||||
|
Трехфазная, четырехпроводная система, с заземленной нейтралью |
Трехфазная, трех- или четырехпроводная система, без заземления |
Uc min для УЗИП, установленных между фазой и проводом РЕ или PEN в системах TNa) или между фазой и нейтралью в системах ТТа) |
Uc min для УЗИП, установленных между фазой и землей или нейтралью и землей в системах ТТа) |
Uc min для УЗИП, установленных между фазой и землей или нейтралью и землей в системах IT |
Uc min для УЗИП, установленных между фазами в системах ТТ, TN или IT |
|
Системы ТТ и TN |
Система IT |
С регулированием напряжения до 10 % |
Со значением 1,5 U0 |
Со значением 1,73 U0 |
С регулированием напряжения до 10 % |
|
В |
В |
В |
В |
В |
В |
|
120/208 |
- |
132 |
180 |
- |
229 |
|
127/220 |
220 |
140 |
191 |
220 |
242 |
|
- |
230, 240 |
- |
- |
240 |
264 |
|
- |
260, 277, 347 |
- |
- |
347 |
382 |
|
220/380, |
380,400 |
253 |
345 |
400 |
440 |
|
230/400 |
|
|
|
|
|
|
240/415, |
415 |
286 |
390 |
415 |
484 |
|
260/440 |
|
|
|
|
|
|
277/480 |
440, 480 |
305 |
416 |
480 |
528 |
|
а) В ряде случаев могут потребоваться более высокие значения (например, потеря нейтрали в системах ТТ). |
|||||
В.2 Соотношение между Up и Uc для варисторов на основе окиси цинка
Отношение Up/Uc - параметр, характеризующий УЗИП. Данное отношение зависит от применяемых компонентов. В таблице В.2 приведены типичные значения отношения Up/Uc для компонентов варистора на основе окиси цинка, которые изменяются в функции размера варистора и в функции прикладываемого тока In.
|
Таблица В.2 - Соотношение между Up и Uc для варисторов на основе окиси цинка |
||
|
In (8/20), кА |
Диаметр, мм |
Up/Uc для ZnO варисторов |
|
1,0 |
14 |
3,3 |
|
2,5 |
20 |
3,8 |
|
5,0 |
32 |
4,1 |
|
10,0 |
40 |
4,6 |
|
20,0 |
60 |
4,6 |
Более высокое или более низкое отношение может быть получено по другим технологиям. Изготовитель может предусмотреть нужное отношение для конкретного изделия.
Примечание - Другие параметры, например устойчивость к импульсным перенапряжениям, также меняются в зависимости от технологии.
Окружающая среда - Импульсные
перенапряжения
в низковольтных системах
Примечание 1 -Ядерный электромагнитный импульс (ЯЭМИ) в стандарте не рассматривается, он требует отдельного рассмотрения.
Примечание 2 - Импульсные перенапряжения, рассматриваемые в настоящем стандарте, - это те, которые в два раза превышают пиковое рабочее напряжение и имеют длительность от долей микросекунды до миллисекунды. Здесь не рассматриваются перенапряжения меньшего порядка, равно как и переходные процессы большей длительности, вызываемые работой силового оборудования и режимами повреждения. Поскольку подобные низкоамплитудные длительные броски не подавляются общепринятыми УЗИП, то потребуются иные методы защиты, чем рассматриваемые в настоящем стандарте.
Примечание 3 - Приводимая здесь информация является обзором будущего стандарта МЭК 62066, который будет опубликован в виде технического отчета. В настоящий момент цель публикации - это предоставление информации. Когда стандарт будет опубликован, на него будут сделаны непосредственные ссылки, в частности будут добавлены чертежи.
Импульсные перенапряжения, появляющиеся в низковольтных системах, являются следствием трех видов явлений:
a) природные явления, например удар молнии, который может попасть непосредственно в силовую систему, либо, ударив в любой близлежащий объект, навести перенапряжение;
b) преднамеренное действие в отношении силовой системы, такое как нагрузка или коммутация конденсаторов, включенных в передающие или распределительные системы потребителей, либо как операции конечных пользователей;
c) непреднамеренные события, такие как повреждения в энергосистеме и их устранение или связь между различными системами, например взаимодействие между энергосистемами и системами связи/управления.
С.1 Грозовые перенапряжения
Гроза - неотвратимое явление, которое посредством различных механизмов воздействует на низковольтные системы (силовые системы, а также системы связи/управления). Очевидным взаимодействием является прямой удар в систему, но и другие связующие механизмы тоже могут стать причиной перенапряжения в системе. Три типа связующих механизмов позволяют говорить как о причине, вызывающей перенапряжения в низковольтных системах. Хотя речь идет о перенапряжениях, важным аспектом этой темы являются токи, связанные с перенапряжениями, или токи, являющиеся первопричиной перенапряжений. Это следующие три типа категорий:
a) прямые удары в силовую систему, которые могут прийтись на первичную сторону распределительного трансформатора среднего/низкого напряжения, на низковольтную распределительную систему (воздушные или подземные линии), а также на подводящие ответвления к отдельным зданиям;
b) непрямые удары: удары в близлежащие объекты, которые могут вызвать перенапряжения в низковольтной распределительной системе посредством индуктивной связи или общих маршрутов кабельных сетей. Хотя перенапряжения и импульсные токи вследствие таких ударов менее высокие, чем связанные с прямыми ударами, они случаются значительно чаще;
c) прямые удары в систему молниезащиты или в не связанные с ней части здания конечного потребителя (конструкционная сталь, неэлектрические узлы и коммуникации, например водоводы, тепло- и воздуховоды, лифтовые шахты и т. д.). Такие удары могут иметь два вида последствий: индуктивная связь от грозовых токов, проводимая посторонними частями, и передача грозового тока от здания в низковольтную систему, неизбежная в силу необходимой защиты, осуществляемой УЗИП, установленным между проводами низковольтной системы и местным заземлением, или так называемой эквипотенциальной связью электроустановки.
Для конкретного случая значение перенапряжения, появившегося на объекте конечного пользователя, отражает характеристики пути связи, такие как вид системы и расстояние между точкой удара молнии и объектом конечного пользователя, способ заземления, сопротивление провода заземления, наличие УЗИП вдоль трассы и наличие ответвлений системы распределения.
С.1.1 Грозовые перенапряжения, передающиеся от высоковольтных систем
В стадии рассмотрения.
С.1.2 Перенапряжения, вызванные прямыми ударами молнии в низковольтные распределительные системы
Действующее полное сопротивление грозового канала высоко, и грозовой ток можно практически считать идеальным источником тока. Поэтому производимые перенапряжения определяются мгновенным действующим полным сопротивлением и грозовым током.
Для удара в линию в первый момент напряжения определяют полным собственным сопротивлением (импульсным сопротивлением) линии. Ток I сначала делят на два, и генерированный импульс напряжения U составляет:
U = 0,5 ZI,
где U - импульсное напряжение;
Z - полное импульсное сопротивление линии;
I - импульсный ток.
Если допустить умеренный импульсный ток 10 кА и полное импульсное сопротивление 400 Ом, то ожидаемый импульс напряжения составит 2000 кВ.
Поэтому, что касается низковольтных линий, перекрытия обычно будут происходить между всеми линейными проводами и в большинстве случаев также между линией и землей. После перекрытия действующее полное сопротивление уменьшается на значение, зависящее от соответствующего сопротивления заземления.
Однако даже для более низкого действующего полного сопротивления, к примеру 10 Ом, напряжение на линии составит 100 кВ, если допустить, например, что грозовой ток составляет 10 кА.
В комбинированной воздушной/кабельной системе перенапряжения могут несколько снизиться вследствие того, что кабели по сравнению с воздушной линией имеют более низкое полное импульсное сопротивление. Значение снижения зависит от длительности тока и общей емкости системы относительно земли. Однако обычно этого снижения недостаточно, чтобы избежать перенапряжений, превышающих нормальный уровень сопротивления изоляции в низковольтных системах. Таким образом, следует ожидать, что прямой удар молнии может вызвать повреждения в таких системах.
С.1.3 Наведенные перенапряжения в низковольтных распределительных системах
Под влиянием изменения электромагнитных полей во время грозового удара во всех видах воздушных линий возникают перенапряжения даже на значительном расстоянии от разряда молнии. В качестве грубого приближения возможные перенапряжения могут быть вычислены по следующей формуле
![]()
где I - грозовой ток;
h - высота проводов над землей;
k - коэффициент зависимости от скорости обратного хода грозового разряда в грозовом канале;
d - расстояние от места разряда молнии.
Изменение параметра k невелико (от 1,0 до 1,3).
Для среднего грозового тока 30 кА и для линии высотой 5 м над землей напряжение будет превышать 5 кВ на расстояние 1 км от разряда молнии. Ток 100 кА даст предполагаемое перенапряжение 1,8 кВ на расстоянии 10 км в подобном случае.
С.1.4 Перенапряжения, вызванные разрядами молний в грозозащитных системах
В стадии рассмотрения.
С.2 Коммутационные перенапряжения
Указанные перенапряжения, с точки зрения тока, напряжения и длительности, бывают обычно ниже, чем грозовые перенапряжения. Тем не менее в некоторых случаях, особенно внутри сооружений или вблизи источников коммутаций, коммутационные перенапряжения могут быть выше, чем грозовые. Необходимо владеть информацией об энергии коммутационных импульсов для выбора подходящего УЗИП. Длительность коммутационных импульсов, включая переходные процессы вследствие коротких замыканий и срабатывания предохранителей, может быть гораздо больше, чем длительность грозового импульса. Обычно любая коммутационная операция, возникновение короткого замыкания, отключение и т. д. в электроустановке сопровождается переходными процессами, в ходе которых могут возникнуть перенапряжения. Любое внезапное изменение в системе может вызвать колебания высокой частоты (определяемые резонансными частотами сети), продолжающиеся до тех пор, пока система не стабилизируется снова в своем новом устойчивом состоянии.
Значение коммутационного перенапряжения зависит от многих параметров, например типа цепи, вида коммутационной операции (замыкание, размыкание, возврат в исходное положение), нагрузок, автоматического выключателя или плавкого предохранителя.
Частоту колебаний во время коммутационных операций определяют характеристики системы, иногда может возникнуть явление резонанса. В таких случаях возможно очень высокое перенапряжение. Вероятность резонанса с гармониками промышленной частоты системы обычно мала. Однако, если собственная частота отключаемой части системы близка к одной или более резонансным частотам остальной части системы, состояние временного резонанса возможно.
С.2.1 Общие положения
Типичная форма коммутационных импульсов определяется реакцией низковольтной электроустановки. В большинстве случаев - это круговая волна. Обычная частота - несколько сотен килогерц в микросекунду. Максимальная скорость нарастания - несколько киловольт в микросекунду. Длительность импульсов находится в широком диапазоне времени. Если исключить коммутационные перенапряжения, вызванные срабатыванием плавких предохранителей, типичной длительностью (временем полупериода) является от 1 до 50 мкс. Статистический анализ показывает, что вероятность возникновения импульсов большей длительности (более 100 мкс) мала.
С.2.2 Коммутации автоматических выключателей и переключателей
Автоматические выключатели и переключатели широко применяются в каждой электроустановке как для защиты электрооборудования отключением его при перегрузке и коротком замыкании, так и для управления работой электрооборудования включением и отключением его. Частота возникновения перенапряжений при коммутациях зависит от области применения, т. е. чаще в промышленном применении и реже в быту.
Коммутируемые токи при омических нагрузках находятся в диапазоне номинального тока электрооборудования. Однако коммутируемые токи в оборудовании с отключаемым источником питания намного выше номинального тока. Например, в телевизоре мощностью 100 Вт номинальный ток равен 0,4 А, в то время как ток включения - около 20 А, что в 50 раз больше.
В механическом коммутационном устройстве при ручной или электромагнитной операции расцепления при каждой коммутации образуется электрическая дуга. Высокочастотное колебание, генерированное внезапным изменением напряжения, взаимодействует с индуктивностями и емкостями в окружающей среде выключателя. Это колебание накладывается на напряжение между фазными проводниками и между фазным проводником и землей, и полное напряжение оказывает воздействие на изоляцию электрооборудования относительно открытых токоведущих частей и других цепей. В отличие от переходных перенапряжений, передающихся через общественную распределительную сеть к установкам потребителя, коммутационные переходные процессы, генерируемые в пределах установки потребителя автоматическими выключателями и переключателями, воздействуют на электрооборудование без значительного ослабления, поскольку амплитуды этих переходных процессов относительно высоки.
С.2.2.1 Коммутации автоматических выключателей и переключателей в сооружениях потребителей
Обычно более высокие амплитуды генерируются при отключении, чем при включении оборудования. При отключении коммутационный импульс со стороны нагрузки имеет более высокую амплитуду и мощность, чем со стороны питания. Однако это главным образом проблема конструкции данного вида оборудования, в частности изоляции. Перенапряжения также будет испытывать оборудование, подключенное параллельно. Перенапряжение со стороны питания более важно для всей системы и для конкретного оборудования, чем перенапряжение со стороны нагрузки.
С.2.2.2 Коммутации автоматических выключателей и переключателей в системе питания (низковольтной и высоковольтной)
Переходные перенапряжения, воздействующие на электрооборудование, могут наблюдаться в любой системе питания. В подземных системах питания почти все переходные процессы генерируются электромеханическими коммутационными устройствами аналогичных источников питания.
В высоковольтных и низковольтных электроустановках коммутации индуктивностей, таких как трансформаторы, реактивные катушки, катушки контакторов и реле, установленных параллельно с источником питания, могут вызвать коммутационные перенапряжения с амплитудами, достигающими нескольких киловольт. То же самое явление вследствие самоиндукции наблюдается там, где линейные индуктивности, такие как витки проводов и линейные катушки сопротивления, входящие в систему энергоснабжения, являются частью кабельной сети.
Со стороны подачи питания коммутационные перенапряжения могут быть вызваны также применением импульсных систем регулирования, дугой между щетками двигателя и контактными кольцами, внезапным уменьшением нагрузки электрооборудования или трансформаторов и рабочим отключением конденсаторных блоков, используемых для корректировки коэффициента мощности.
Частота и энергия таких перенапряжений могли бы в некоторых редких случаях быть значительно выше атмосферных перенапряжений с точки зрения воздействия на низковольтные электроустановки.
Временные перенапряжения вследствие переключений в низковольтном энергоснабжении могут достигать максимальных значений в несколько киловольт, хотя можно допустить, что максимальные значения ограничиваются определенными условиями при работе низковольтной питающей сети. В тех системах энергоснабжения, где установлен контроль перенапряжений защитными устройствами, можно ожидать, что максимальная амплитуда в 6 кВ обычно не превышается в пределах низковольтной электроустановки потребителя.
Еще одним явлением, сравнимым с коммутационными перенапряжениями, являются КЗ и замыкания на землю в высоковольтных системах питания. КЗ на землю могут вызвать перенапряжения между фазой и землей в проводах неаварийной линии в диапазоне межфазного напряжения. Более того, в таких случаях могут также возникнуть временные перенапряжения. Такие переходные процессы передаются от высоковольтной системы энергоснабжения низковольтной системе.
С.2.3 Срабатывание плавких предохранителей (токоограничивающих предохранителей)
Плавкие предохранители широко используют в системах распределения электроэнергии для защиты от сверхтоков и отключения коротких замыканий. Если предохранитель срабатывает, например, в распределительной системе для отключения КЗ, это действие создает перенапряжение, которое имеет приблизительно треугольную форму волны и имеет относительно низкую частоту. Перенапряжение возникает между фазными проводниками системы, а также между фазным проводником и защитным проводником заземления по причине заземленного нейтрального провода, а в системе IT - конденсаторов заземления. Таким образом, перенапряжение воздействует на изоляцию по отношению к открытым токоведущим частям и другим цепям. Конечно, такое происходит реже, чем перенапряжения, вызванные коммутацией рабочих токов.
Такое перенапряжение также передается через шины другому электрооборудованию, получающему питание от этой же распределительной системы.
По сравнению с другими импульсами, вызванными оперативными коммутациями, возникновение импульсов вследствие срабатывания плавких предохранителей - довольно редкое явление. Однако в случае отключения короткого замыкания может быть генерирован очень мощный импульс перенапряжения. На это главным образом влияют скорость возрастания тока КЗ, характеристика плавкого предохранителя и его номинальный ток, а также индуктивность цепи.
Отключение КЗ в фидере распределительной системы плавким предохранителем, установленным вблизи шин, является задачей относительной, поскольку перенапряжение, вызванное коммутацией плавкого предохранителя, воздействует на все другое электрооборудование, подключенное к тем же шинам. Опыт, основанный на статистических данных, показывает, что в бытовых низковольтных сетях питания такое КЗ случается очень редко. Однако этот вид КЗ имеет некоторую значимость, когда рассматриваются промышленные системы распределения, где КЗ не такой уж редкий случай.
С.3 Временное перенапряжение вследствие повреждений
Расчет отдельного грозового тока
|
RN - сопротивление заземления нейтрали; RE, G -
сопротивление заземления здания, в которое ударила молния;
IL - грозовой ток, протекающий через пораженное молнией здание; Iм - ток, текущий в электросети, равный
Примечание - Для этого расчета сопротивление системы заземления соседних зданий должно быть не более сопротивления системы заземления RE, G здания, пораженного молнией. |
Рисунок D.1 - Упрощенный расчет суммы отдельных грозовых токов в системе распределения энергии
Временные перенапряжения,
возникающие в низковольтной
системе вследствие короткого замыкания между
высоковольтной системой и землей
Е.1 Общие положения
При повреждении на стороне высокого напряжения понижающего трансформатора (например, внутреннее повреждение трансформатора или перекрытие искрового зазора, см. примечание далее) ток Im протекает через сопротивление R заземления трансформатора. В зависимости от взаимосвязи между сопротивлением заземления и низковольтной сетью высокое UTOV,HV может воздействовать на низковольтную сеть в течение периода, равного времени ликвидации повреждения в высоковольтной сети (от 10 мс до нескольких часов).
Примечание - Временные перенапряжения на стороне низкого напряжения трансформатора могут быть результатом:
- повреждения изоляции между высоковольтной и низковольтной частями в результате чрезмерно высокого роста потенциала со стороны открытых токоведущих частей высокого напряжения;
- прямого контакта между высоковольтной и низковольтной частями вследствие внутреннего повреждения понижающего трансформатора или падения проводника высокого напряжения на линии низкого напряжения;
- связи между соединениями заземления, что приводит к перенапряжению на нейтральной точке низкого напряжения и, следовательно, на проводах низкого напряжения, и даже на соединениях заземления потребителей или в ближайшей телекоммуникационной системе.
Дополнительные сведения об условиях возможного временного перенапряжения см. в МЭК 60364-4-44. В таком случае УЗИП, включенное между фазовыми проводниками и землей, может быть чрезмерно перегружено и может не выдержать нагрузки. Следующий пример для системы ТТ поясняет это. Это может также произойти в системах TN или IT (см. другие примеры).
Е.2 Пример системы ТТ - Расчет возможных временных перенапряжений
Е.2.1 Возможные нагрузки на оборудование в низковольтных установках как следствие замыканий на землю в системе высокого напряжения
Р - ВН система высокого напряжении; S - НВ система низкого напряжения; Т - трансформатор
Рисунок
Е.1 - Временное перенапряжение промышленной частоты,
вызванное замыканием на землю в высоковольтной системе
Определение полных сопротивлений:
- ZEHV - полное сопротивление устройства заземления высоковольтной системы (при наличии нулевой точки звезды в высоковольтной системе);
- ZELV- полное сопротивление устройства заземления низковольтной системы (сумма ZELVA и ZELVB):
- ZLV, ZN - сопротивление линии и сопротивление нейтрального проводника соответственно.
Замыкание на землю в высоковольтной системе воздействует на напряжения в низковольтной системе, если нулевая точка звезды трансформатора со стороны низкого напряжения заземлена (см. рисунок Е.1). А также, если не существует общего проводника заземления обеих узловых точек звезды трансформатора, замыкание на землю (пробой втулки искрового зазора трансформатора или повреждение внутри трансформатора) вызовет повышение напряжения в нулевой точке звезды низковольтной системы. Ток заземления высоковольтной системы, протекающий через полное сопротивление ZELVA, является причиной повышения напряжения в нулевой точке звезды трансформатора. Поэтому значение ZELVA и значение тока заземления определяют значение временного перенапряжения промышленной частоты в низковольтной системе.
Е.2.2 Характеристики высоковольтной системы
Е.2.2.1 Системы высокого напряжения с ограниченным током замыкания на землю
При заземлении высоковольтной системы индуктивной заземлительной катушкой (катушкой Петерсона) ток замыкания на землю ограничивается до Iеагth 50 - 60 А для гарантии самогашения дуги.
Поэтому остаточное полное сопротивление заземления высоковольтной системы находится в диапазоне ZEHV от 100 до 500 Ом, и ток замыкания на землю определяется исключительно по ZEHV.
Энергия короткого замыкания и сопротивления ZLVA и ZLVB влияния не оказывают.
Е.2.2.2 Системы высокого напряжения с низкоомной заземленной нейтралью
Для исключительно подземных систем ограничение тока замыкания на землю не является больше возможностью его самогашения (короткое замыкание в кабеле повреждает его изоляцию). По этой причине растет число высоковольтных систем, действующих с низкоомной заземленной нейтралью. В основном сопротивление заземления ZEHV должно ограничить ток короткого замыкания на землю Iearth приблизительно до 2 кА.
Для высоковольтной системы с номинальным напряжением Un 20 кВ сопротивление заземления ZEHV, равное приблизительно 5 Ом, удовлетворяет этому требованию. Небольшие трансформаторы для подстанций часто не имеют дорогостоящей защиты от сверхтоков. Поэтому для отключения токов короткого замыкания обычно применяют плавкие предохранители. Время отключения составляет порядка 100 мс в зависимости от номинального тока плавкого предохранителя.
Е.2.3 Временные перенапряжения в низковольтной системе вследствие замыканий в высоковольтной системе
Е.2.3.1 Высоковольтная система с ограниченным током замыкания на землю
В системах низкого напряжения, получающих питание от высоковольтной системы с ограниченным током замыкания на землю, сопротивление ZELVA устройства заземления на трансформаторе должно быть в пределах 2,5 - 5 Ом. При токе замыкания на землю Iearth 50А напряжение между нейтралью и землей UTOV,HV возрастет от 125 до 250 В. В системе ТТ эти временные перенапряжения воздействуют на изоляцию и элементы защиты от перенапряжений, если они установлены.
Максимальный ток, обусловленный UTOV,HV через элемент защиты от перенапряжений, установленный между нейтралью и землей, определенно меньше 50 А. Поэтому искровые промежутки между нейтралью и землей должны быть способны отключать малые переменные токи.
Е.2.3.2 Высоковольтные системы с низкоомной заземленной нейтралью
Если допустить, что обычная система 20 кВ имеет следующие параметры:
- ZEHV = 5 Ом;
- Рк.з = 100 мВА;
- Un = 20 кВ,
а низковольтная система имеет следующие характеристики:
- ZELVA = 1 Ом;
- Un = 230 В;
- ZELVB = 5 Ом, ZLV = ZN = 10 мОм, то на ZELVA при UTOV,HV, равном приблизительно 1200 В, имеет место временное перенапряжение.
Максимальный ток через элемент защиты от перенапряжений, установленный между нейтралью и землей, зависит от отношения ZELVA к сумме ZELVB и ZN. Для этого примера можно вычислить ток, равный приблизительно 200 А.
Е.2.4 Выводы
Любая высоковольтная система с ограниченным током замыкания на землю вызывает временные перенапряжения промышленной частоты UTOV,HV = 250 В в низковольтной системе на неопределенное время.
Максимальный ток, вызываемый UTOV,HV через элемент защиты от перенапряжений между нейтралью и землей, составляет 50 А.
Системы высокого напряжения с низкоомной заземленной нейтралью вызывают временные перенапряжения в системах низкого напряжения UTOV,HV приблизительно до 1200 В.
Ток, обусловленный UTOV,HV через элемент защиты от перенапряжений между нейтралью и землей, зависит от отношения сопротивления устройства заземления в трансформаторной подстанции к сопротивлению устройства заземления нейтрали низковольтной системы вне трансформаторной подстанции. Этот ток находится в диапазоне нескольких сотен ампер.
Е.3 Значения временных перенапряжений согласно МЭК 60364-4-44
Параметры системы в отношении временного перенапряжения для конкретного случая применения должны быть известны пользователю для оценки лучшего соотношения между защитой оборудования и возможным отказом УЗИП. МЭК 61643-1 предлагает решить этот вопрос путем проведения дополнительного испытания УЗИП приложением временного перенапряжения для проверки, не приведет ли отказ УЗИП к опасной ситуации. Значение UTOV,HV зависит от тока короткого замыкания Im и сопротивления заземления трансформатора R. В случае систем с многочисленным заземлением этим сопротивлением является сеть заземления, как она выглядит из точки короткого замыкания. Максимальными значениями по МЭК 60364-4-44 являются:
U0 + 250 В (действующее) с интервалом времени свыше 5 с для высоковольтных систем с большим временем отключения, например высоковольтные системы с заземлением через индуктивность.
U0 + 1200 В (действующее) с интервалом времени до 5 с для высоковольтных систем с коротким временем отключения, например высоковольтные системы с не отключаемым заземлением.
На рисунках использованы следующие символы, взятые из МЭК 60364-4-44:
Im - часть тока короткого замыкания на землю в высоковольтной системе, который протекает через заземляющий электрод открытых токоведущих частей трансформаторной подстанции;
R - сопротивление заземляющего электрода открытых токоведущих частей трансформаторной подстанции;
U0 - напряжение между фазой и нейтралью низковольтной системы;
Uf - напряжение короткого замыкания в низковольтной системе между открытыми токоведущими частями и землей;
U1 - напряжение нагрузки на низковольтном оборудовании трансформаторной подстанции;
U2 - напряжение нагрузки на низковольтном оборудовании в системе потребителя.
Рисунок Е.11 и расчеты в разделе Е.3 заимствованы из МЭК 60364-4-44.
Данная схема иллюстрирует типичный случай применения в США.
Рисунок Е.2 - Системы TN
Рисунок Е.3 - Системы ТТ
Рисунок Е.4 - Система IT, пример а
Рисунок Е.5 - Система IT, пример b
Рисунок Е.6 - Система IT, пример с1
Рисунок Е.7 - Система IT, пример с2
Рисунок Е.8 - Система IT, пример d
Рисунок Е.9 - Система IT, пример е1
Рисунок Е.10 - Система IT, пример е2
Е.4 Значения временных перенапряжений для системы TN С-S (США)
|
Р - высокое напряжение; S - низкое напряжение; Т - трансформатор; М - счетчик; С - катушка; G - искровой разрядник; L - нагрузка |
Рисунок Е.11 - Система TN-C-S (США)
На рисунке Е.11 показано деление силового сопровождающего тока в случае короткого замыкания на высоковольтной стороне распределительного трансформатора. В этом примере допускается, что сопротивление заземления трансформатора и ввода потребителя составляет 15 Ом.
U1 = U0 (U0 - максимальное рабочее напряжение вторичной сети).
ZL - полное сопротивление фазных проводников между трансформатором и рабочим щитом.
Измеренные зазоры имеют напряжение пробоя от 1500 до 2500 В.
Для этого примера был взят типичный случай распределительной сети США 23 кВ/13,2 кВ, соединенной звездой, с максимальным током короткого замыкания Im 10 кА. Полное сопротивление ZL, равное 0,041 Ом, является типичным для трехпроводных вторичных сетей, которые могут использоваться в качестве воздушных линий однофазных распределительных трансформаторов от 3 до 25 кВА в трехфазной установке. Для расчета были взяты медные провода длиной приблизительно 60 м, сечением 4/0 AWG (эквивалентное сечение по МЭК 60999-1 составляет 25 мм2). Предположение о делении тока короткого замыкания основано на расчетах и рабочих измерениях в имитированных условиях короткого замыкания в распределительной сети с несколькими заземлениями.
В данном примере:
- U0 = 132 В;
- U1 = U0= 132 В;
- U2 = U0 + 0,2 ImZL= 132 + 0,2∙10000∙0,04 = 214 В.
Несмотря на то что из вышесказанного видно, что перенапряжение составляет 1,78 номинального напряжения системы, если допустить, что R > RB, можно показать, что для одних и тех же заданных условий короткого замыкания можно получить значение U2 = 294 В или 2,45 номинального напряжения системы.
ВПН будет сохраняться до тех пор, пока посредством плавкого предохранителя или автоматического выключателя, или размыкателя не будет ликвидировано короткое замыкание. Срабатывание этих устройств может происходить от 0,016 до 1,5 с в зависимости от предельной отключающей способности устройства. Чем короче рабочие проводники и ниже уровень токов короткого замыкания, тем менее жесткие будут условия.
Хотя на данном примере показано, что первичное короткое замыкание может вызвать ВПН порядка 2,45 номинального напряжения системы, на практике это происходит чрезвычайно редко. Распределительным сетям не свойственно испытывать действующие токи короткого замыкания 10 кА. Уровень токов короткого замыкания в распределительных сетях обычно ниже 4 кА. Таким образом, ВПН может быть значительно снижено. Вторичные сети большой протяженности - необычное явление. Чем меньше рабочая длина проводников, тем ниже уровень перенапряжений. Как правило, протяженность вторичных сетей не более 30 м. Поэтому при токе короткого замыкания 4 кА и протяженности вторичных сетей менее 30 м ВПН будет составлять приблизительно 1,24 номинального напряжения системы, или 148,4 В.
Правила и принципы координации
F.1 Общие положения
Согласно 6.2.6 координацию между УЗИП проводят для достижения энергетического критерия. Это основано на максимальной энергетической стойкости второго УЗИП. Тем не менее иногда эта энергия, как указано в МЭК 61643-1, зависит от формы волны и испытаний. Как правило, испытания проводят только с одной формой волны, например 8/20 (для испытаний класса II). По этой причине проще всего получить значение Еmах непосредственно от изготовителя (часто его указывают в технической документации).
Для определения удовлетворительной энергетической стойкости УЗИП необходимо знать значения двух величин:
- Еmахs для формы волны тока малой длительности, например 8/20 (для испытаний класса II);
- Еmах L для формы волны тока большой длительности, например для испытаний класса I.
В некоторых методиках значения Emax S и Emax L могут быть одинаковы.
УЗИП характеризуют два тока: Imах для коротких волн (при испытаниях класса II) и Iimp для длинных волн (при испытаниях класса I) с соответствующими им значениями энергетической стойкости Еmахs и Еmах L. Отдельные УЗИП могут испытываться по классу I или II.
Необходимо скоординировать УЗИП 1 и УЗИП 2 по их максимальной энергетической стойкости Еmах для соответствующих форм волны импульса. Это означает, что необходимо рассмотреть два случая:
- координацию с формами волны большой длительности;
- координацию с формами волны малой длительности.
Как правило, координации легче достигнуть с короткими формами волны.
Примечание - Для УЗИП коммутирующего типа необходимо также рассматривать формы волны большой длительности. Этот вопрос - в стадии рассмотрения.
F.2 Аналитическое исследование: простой случай координации двух устройств защиты от импульсных перенапряжений на основе цинкооксидных варисторов
F.2.1 Общие положения
Следующие рассуждения касаются только одновводных ограничивающих УЗИП, испытуемых по классам I и II, если известна кривая Ures (I). Данные кривые получают путем измерений с формой волны 8/20, изготовитель приводит их в технической документации на УЗИП. УЗИП класса III и двухвводные УЗИП нуждаются в особом рассмотрении (вопрос в стадии изучения).
Приведенный ниже пример помогает уяснить вопрос координации. В первую очередь это относится к УЗИП 1 и УЗИП 2 на основе цинкооксидных варисторов, которые поддаются аналитическому исследованию. Следует заметить, что подобное аналитическое исследование основано исключительно на разделении тока. Чтобы убедиться в том, что энергетический критерий соблюдается, необходимо провести сложные дополнительные расчеты.
Случай 1. Когда два варистора одного и того же диаметра (и поэтому с одним и тем же номинальным разрядным током In и одинаковой энергостойкостью: одинаковыми Imах и Iimp), но с разными уровнями напряжения защиты Up1 и Uр2 (разной толщины), тогда мы имеем следующие равенства:
- In1 = In2;
- Imах1 = Imах2;
- Iimp1 = Iimp2.
Возможные кривые приведены на рисунке F.1.
Рисунок F.1 - Два цинкооксидных варистора с одинаковым номинальным разрядным током
Если Up1 > Up2 , то кривая а соответствует УЗИП 1, а кривая b - УЗИП 2.
Такая координация в основном приемлема для короткой формы волны, если расстояние между варисторами превышает несколько метров (как правило, от 5 до 10 м).
На длинных волнах эффект разделения понижен, поэтому УЗИП 2 должен быть способен выдерживать полный приходящий импульс i. УЗИП 2 способен выдерживать полную нагрузку, поскольку у него такая же конструкция, как у УЗИП 1.
Если Up1 < Uр2, то кривая а соответствует УЗИП 2, а кривая b - УЗИП 1, таким образом большая часть тока потечет через УЗИП 1. В этом случае ток, идущий через УЗИП 2, будет меньше, чем пришедший ток.
Энергетические критерии будут выполнены в обоих случаях, так как УЗИП 1 и УЗИП 2 имеют одинаковые токопроводящие возможности.
Этот первый случай был рассмотрен для объяснения данного механизма, так как мало что можно получить, имея два УЗИП с одинаковой энергетической стойкостью.
Случай 2. Два варистора имеют различные номинальные разрядные токи.
Для данного использования УЗИП практическим является случай, когда In1 > In2 и Еmах1 > Еmах2. Кроме того, УЗИП 1 и УЗИП 2 могут иметь такие характеристики, что Ures1(In1) < Ures2(In2). В этом случае кривые Ures(I) показаны на рисунке F.2. На рисунке F.2 не показано сопротивление, так как его трудно учесть в аналитическом исследовании. Из рисунка F.2 следует, что при короткой форме волны согласование будет хорошим, так как большая часть тока пройдет через УЗИП 1, но при длинной форме волны будет трудно определить координацию. Координация при длинной форме волны и значении входящего тока ниже, чем ток в точке пересечения этих двух кривых (см. рисунок F.2), может быть не достигнута. Большая часть входящего тока течет через УЗИП 2, так как кривая Ures2 ниже кривой Ures1 при данном уровне тока. Поэтому имеется необходимость в установке между УЗИП 1 и УЗИП 2 индуктивного сопротивления.
Следовательно, необходимо сравнивать эти кривые Ures(I) с I, равным от 0,1In2 до Imах1, чтобы проверить, не пересекают ли они друг друга, вместо того, чтобы только сравнить Ures1(In1) и Ures2(In2) (Uр1 и Up2 соответственно), которые даны в технической документации изготовителя. Значение тока в точке пересечения Icr (если она существует) должно быть как можно ниже.
В этом случае энергетический критерий выполняется с большой степенью вероятности: чем ниже Icr,тем больше вероятность успеха. Если имеются сомнения, необходим расчет энергии, проходящей через УЗИП 2, с учетом сопротивления между этими УЗИП и длинной формы волны. Такой расчет выполнить аналитически непросто.
Если невозможно получить такие кривые из-за недостатка информации или из-за того, что требуется простой и быстрый результат, то необходимо сравнить кривые Ures1 и Ures2 на одном и том же уровне. В таком случае условием простой и хорошей координации является Ures1 (In2) < Ures2 (In2). Заниженные кривые, приведенные на рисунке F.2, соответствуют этому случаю, но с таким варистором, возможно, будет необоснованный запас. Кроме того, у этого варистора могут быть проблемы в части стойкости к нагрузкам, идущим от сети в виде временных перенапряжений.
В этом случае, даже если через УЗИП 2 проходит небольшой ток, энергетический критерий может не выполняться для импульсов большой длительности. Может возникнуть необходимость в дополнительном расчете энергии через УЗИП 2. Кроме того, необходимо проверить, что защита оборудования все еще обеспечивается (так как малый ток в УЗИП 2 может привести к высокому напряжению вследствие нелинейности варистора).
|
а - кривая, соответствующая УЗИП 2; b - кривая, соответствующая УЗИП 1 (пересекает кривую для УЗИП 2); с - заниженная кривая, соответствующая УЗИП 1 (не пересекает кривую для УЗИП 2); d - диапазон импульсного тока для волн большой длительности; е - диапазон импульсного тока для волн малой длительности |
Рисунок F.2 - Два цинкооксидных варистора с разными номинальными разрядными токами
F.2.2 Заключение
В каждом случае, когда требуется координация двух цинкооксидных варисторов, следует провести пять этапов действий:
a) определить перенапряжения, ожидаемые при отсутствии в цепи УЗИП при воздействии длинными и короткими волнами;
b) выбрать УЗИП 1, способное выдержать такую нагрузку. Если не представляется возможным получить информацию на этапе, указанном в перечислении а), тогда нужно использовать максимально выверенный УЗИП (см. анализ риска) и получить значения Imах1 и Iimp1 у изготовителя, а затем сопоставить эти значения с данными, приведенными в перечислении а);
c) выбрать УЗИП 2 согласно требуемым защитным характеристикам;
d) сравнить кривые Ures (I) при I в диапазоне 0,1In - Imах1- Затем найти точку пересечения Icr. Если ток Icr достаточно мал (как правило, 0,1 In2), то нет необходимости вычислять энергию для УЗИП 2. Энергетический критерий будет выполнен независимо от расстояния между двумя УЗИП. Если есть какое-то сомнение, то нужно рассчитать энергию, проходящую через УЗИП 2, учитывая сопротивление между двумя УЗИП, и проверить соблюдение энергетического критерия. Если подобных кривых нет, выбрать УЗИП 2 по упрощенным требованиям.
Если УЗИП 2 имеет такой же номинальный разрядный ток, то Ures1(In) < Ures2(In).
Если УЗИП 2 имеет меньший номинальный разрядный ток, то Ures1(In2) < Ures2(In2). Было бы разумно вычислить энергию в УЗИП 2 для проверки соблюдения энергетического критерия и проверить, что защита все еще обеспечивается;
e) повторять подбор до тех пор, пока действие по перечислению с) не даст положительный результат.
Примечание 1 - Значения напряжения при очень малых токах (обычно называемого эталонным напряжением) не используют для координации.
Примечание 2 - В любом случае (с цинкооксидными варисторами или без них) принцип ЭМС (элекромагнитной совместимости) требует, чтобы ток, протекающий через УЗИП 2, был как можно меньше.
Примечание 3 - Кривые Ures (I) дают максимальные значения. Необходимо учитывать отклонения характеристик вследствие допусков изготовителя.
Примечание 4 - Предыдущие исследования могут быть обобщены для более чем двух УЗИП.
F.3 Аналитическое исследование: пример координации между устройствами защиты от импульсных перенапряжений на основе разрядника и устройствами защиты от импульсных перенапряжений на основе цинкооксидного варистора
F.3.1 Общие положения
Еще один общий пример - применение разрядника в качестве УЗИП 1 и цинкооксидного варистора в качестве УЗИП 2 (см. рисунок F.3). В этом случае координация достигается, когда пробой происходит до того как УЗИП 2 будет испытывать перенапряжение.
До пробоя имеем: U1 = Ures2(i) + L di/dt.
Поскольку значение Ures2(i) вообще неизвестно, применяют следующую формулу, которая дает заниженный результат:
U1 = Uref2(i) + L di/dt (Uref2(i) - классификационное напряжение цинкового варистора 2). Классификационное напряжение - параметр, характеризующий варистор, который расположен рядом с точкой излома характеристики U/i.
Так как U1, превышает динамическое разрядное напряжение разрядника (Udyn), координация достигается, и лишь малая часть тока протекает через УЗИП 2. Она зависит от характеристик цинкооксидного варистора (УЗИП 2), динамического разрядного напряжения разрядника (УЗИП 1), скорости возрастания и значения приходящего импульса/и разделяющего расстояния d между УЗИП 1 и УЗИП 2 (используется индуктивность L как часть полного сопротивления Z, поскольку считается, что в этом случае активным сопротивлением R можно пренебречь).
F.3.2 Пример расчета приблизительных значений, требующихся для разделительной индуктивности между разрядником и варистором
Ограниченность физического пространства, например, внутри современной сотовой базовой радиостанции такова, что УЗИП на основе металл-оксидных варисторов, установленное ниже, может ограничить переходный режим до уровня напряжения значительно ниже напряжения срабатывания, установленного выше УЗИП, на основе разрядника. Это будет предупреждать срабатывание разрядника и позволит энергии импульса полностью воздействовать на УЗИП на основе окиси металла. При большем пространстве длина кабелей между УЗИП будет больше и по этой причине может обеспечивать достаточную индуктивность для работы искрового разрядника.
Всегда сохраняется возможность того, что случайный импульс разойдется параллельными путями и уменьшится до уровня, при котором напряжение будет недостаточным для срабатывания разрядника. В этом случае установленный ниже УЗИП должен иметь достаточную мощность для самостоятельного поглощения всей энергии.
На более высоких энергетических уровнях несрабатывание искровых разрядников позволяет избыточной энергии достигать нижестоящих УЗИП и вызывать их разрушение. Координация достигается гарантией последовательного разделяющего сопротивления, достаточного для обеспечения срабатывания разрядника на всех энергетических уровнях выше предела нижестоящего УЗИП.
Значение индуктивности, требующейся для координации, можно легко подсчитать. Прежде всего должны быть известны параметры разрядника. Искровые разрядники обычно срабатывают до 4 кВ в течение 200 нс.
Далее следует знать параметры нижестоящего УЗИП. Типичное устройство на номинальное напряжение 275 В переменного тока начнет ограничение приблизительно при 430 В. УЗИП может иметь значение In = 5кА на основе испытаний класса II при воздействии импульса в течение от 8 до 20 мкс.
Однако следует помнить, что разрядник классифицируется для испытаний класса I, для времени воздействия от 10 до 350 мкс или эквивалентного длинного импульса. Пиковый ток нижестоящего УЗИП должен быть понижен до уровня, соответствующего классу применяемого УЗИП. Коэффициент снижения должен быть приблизительно 4:1. Поэтому значение номинального пикового тока понижается от 5 до 1,25 кА. Значение времени 10 мкс
дает приращение исходя
из 125 А/мкс.
Теперь требуемую индуктивность для обеспечения надежной работы разрядника можно вычислить по формуле
U
+ IR,
где U - напряжение срабатывания искрового разрядника;
-
скорость роста случайного импульса;
IR - падение напряжения на нижестоящем УЗИП (причем R является нелинейной величиной).
В этом случае:

Предположив, что разрядник сработает в пределах 200 нс, ток, протекающий через нижестоящий УЗИП, будет равен
I = 0,2 мкс ∙ 125 А/мкс = 25 А.
Тогда напряжение I ∙ R будет порядка 600 В.
Поэтому:
![]()
или L = 27,2 мкГн.
Эта индуктивность может быть единой общей величиной, обусловленной длиной силового кабеля 27,2 м, полагая, что его индуктивность составляет 1 мкГн на метр длины или это может быть комбинация длины и индуктивности кабеля меньшего значения.
|
L - индуктивность; I - воздействующий импульс перенапряжения; U - цинко-оксидный варистор; U1 - УЗИП 1 (разрядник); U2 - УЗИП 2 (варистор); 1,2 - точки подключения УЗИП и индуктивности в линию сети |
Рисунок F.3 - Пример координации УЗИП на основе искрового разрядника и УЗИП на основе цинкооксидного варистора
На этом примере могут быть получены общие условия для расчета данного типа координации.
F.3.3 Заключение
При выборе УЗИП 1 на основе разрядника необходимо выбрать УЗИП 2, выполнив следующие требования:
- для приходящего импульса, соответствующего испытательной волне класса I
Udyn < Uref2 + LIpeak2/10;
- для приходящего импульса, соответствующего испытательной волне класса II:
Udyn < Uref2 + LImax2/8.
Эти нормы дают заниженный результат. Если меньшее значение L является неизбежным, то необходимо компьютерное моделирование для проверки достижения координации.
Примечание - В других случаях можно получить более точные результаты, особенно при использовании длинных форм волны.
F.4 Аналитическое исследование: общая координация УЗИП 1 и УЗИП 2
Исследование случая применения двух варисторов либо схемы разрядник-варистор ясно показывает сложность проблемы координации. Учитывая тот факт, что кривые зависимости U/I известны редко и что в действительности приходится иметь дело с широким диапазоном допусков, становится ясно, что аналитические исследования подходят только для простых случаев. Коль скоро требуется рассчитать энергию, проходящую через УЗИП 2, проще сделать моделирование.
Главный интерес такого аналитического метода состоит в том, что он позволяет пользователю лучше понять суть явления.
Общие правила, приведенные выше, и особенно энергетический критерий, данный в 6.2.6, применяются независимо от технологии УЗИП.
Для достижения приемлемой координации обычно проводят моделирование или испытания, выполняемые изготовителем или потребителем, либо используют упрощенную методику, представленную ниже. Бывает, что УЗИП с неизвестными характеристиками размещены внутри оборудования. Поскольку оборудование может заменяться в ходе эксплуатации установки, необходимо следить за тем, чтобы оборудование УЗИП не испытывало перенапряжения из-за недостатка координации.
F.5 Метод сквозной энергии
F.5.1 Общие положения
Координация по стандартным параметрам импульса, как это описано в МЭК 61312-4, - процедура для выбора и координации УЗИП. Главным преимуществом этого метода является возможность рассмотрения любого УЗИП в качестве черного ящика (см. рисунок F.4). Здесь для данного импульса на вводных зажимах определяют не только напряжение разомкнутой цепи, но и выходной ток (например, в короткозамкнутую цепь) (принцип «сквозной энергии»). Эти выходные характеристики превращаются в эквивалентное напряжение - «комбинированная волна в 2 Ом» (напряжение разомкнутой цепи 1,2/50, ток короткого замыкания - 8/20). Преимуществом этого является отсутствие необходимости в специальных знаниях внутренней конструкции УЗИП.
|
Преобразование в сравнимый стандартный импульс - 1,2/50, 8/20 с Zi, равным 2 Ом. Входное Uoc УЗИП 1 не более выходного Uoc УЗИП; 2 U- напряжение нагрузки |
Рисунок F.4 - Сквозная энергия - метод координации по стандартным параметрам импульса
Цель данного метода координации - сделать входные значения УЗИП 2 (например, разрядный ток) сравнимыми с выходными значениями УЗИП 1 (например, уровень напряжения защиты).
При ступенчатой защите следует считать, что эквивалентный входной смешанный импульс, который может быть уменьшен последующим УЗИП (без повреждения) не менее чем эквивалентный выходной смешанный импульс предшествующего УЗИП. Для надежной координации должен быть определен эквивалентный смешанный импульс для наихудшего случая перенапряжения Imах, Umax, сквозная энергия).
Наихудший случай для конструкции представляет короткое замыкание. Но для целей координации это слишком трудоемко. Более практично задействовать «напряжение нагрузки» (далее - «противодействующее напряжение»).
УЗИП, установленное после искрового разрядника, как правило,
содержит цинковый варистор. Остаточное напряжение такого УЗИП в любом случае
выше пикового значения номинального напряжения промышленной частоты (например,
в системе переменного тока с номинальным напряжением 240 В пиковое значение
напряжения будет
240
В = 340 В, которое ниже классификационного напряжения, установленного УЗИП).
Это максимальное значение напряжения питания соответствует наименьшему возможному остаточному напряжению УЗИП. Поэтому это максимальное напряжение может быть взято в качестве минимально возможного противодействующего напряжения.
Использование тока короткого замыкания вместо предполагаемого противодействующего напряжения привело бы к увеличению габаритов разделительного элемента.
Примечание 1 - Метод дает хорошие результаты, когда характеристики УЗИП 1 настолько отличаются от характеристик УЗИП 2, что условия импульса УЗИП 2 как бы оказывают воздействие на ток. В случае координации между искровым разрядником и варистором на основе окиси металла это условие выполняется.
Примечание 2 - Существуют ограничения в применении этого метода:
- для получения заниженного результата разделительный элемент должен быть включен в методику как часть УЗИП 2;
- для получения заниженного результата, противодействующее напряжение берется равным нулю, где УЗИП 2 содержит коммутирующий элемент;
- если УЗИП 2 содержит коммутирующий элемент, имеется вероятность, что результат будет заниженным вследствие того, что этот метод недостаточно точно моделирует коммутирующий элемент. В таком случае нужно проявить осторожность при использовании этого метода;
- форма волны импульса, пришедшего на вход электроустановки, должна рассматриваться как имеющая идентичные формы тока и напряжения (10/350 или 8/20). Значение импульсного тока i, в основном, известно. Значение импульсного напряжения U зависит от полного сопротивления импульса системы;
- при исследовании следует тщательно учитывать допуски на характеристики УЗИП.
F.5.2 Методика
Описанный ниже метод обычно дает заниженный результат для разделительного элемента (сопротивления) между УЗИП 1 и УЗИП 2. Это означает, что если между УЗИП 1 и УЗИП 2 установить такое сопротивление, то координация в основном выполняется лучше, чем прогнозируемая расчетом.
Данный метод заключается в том, чтобы представить выход каждого УЗИП в качестве эквивалентного генератора комбинированной волны (ГКВ), определяемого напряжением холостого хода Uoc 1,2/50 и током короткого замыкания Isc 8/20, при полном сопротивлении генератора 2 Ом (Uoc = 2ISC).
УЗИП, испытуемые по классу III, уже испытаны таким ГКВ, для УЗИП, испытуемых по классу II, необходимо допустить, что Isc = Imах.
УЗИП, установленное ближе к вводу, может быть испытано по классу I для случая прямого удара молнии в здание или по классу II.
Напряжение на выходе каждого УЗИП должно иметь в основном форму волны, которая прямо не связана с формами волны 1,2/50 и 8/20. В таком случае необходимо нормализовать фактические формы волны для преобразования их в формы 1,2/50 и 8/20.
Это выполняется путем следующих расчетов:
- амплитудное значение u =
,
и ![]()
- амплитудное значение i =
,
и ![]()
Примечание - Элементы формул и данные в таблицах должны быть согласованы.
Эти данные затем приводят в таблице F.1.
|
Таблица F.1 |
|
|
|
|
Напряжение |
|
|
|
|
Ток |
|
|
|
Та же таблица для ГКВ с амплитудой 1В (таблица F.2).
|
Таблицa F.2 |
|
|
|
|
Напряжение |
1 |
|
|
|
Ток |
0,5 |
|
|
Разделив значения каждой графы таблицы F.1 на значения соответствующих граф таблицы F.2, получим новую таблицу F.3.
Таблица F.3
|
Напряжение |
|
|
|
|
Ток |
|
|
|
Максимальное значение в таблице F.3 дает значение Uoc(гкв), эквивалентное значению Uoc ГКВ, что соответствует значению на выходе УЗИП. После того как далее установленный УЗИП был испытан по классу III генератором комбинированной волны (ГКВ), имеющим напряжение холостого хода Uoc test (или эквивалентным ГКВ в случае испытаний по классу II), можно сразу сказать, является ли координация удовлетворительной. Достаточно проверить, что Uoc test > Uoc.ГКВ.
Значение на выходе УЗИП для данной нагрузки на входе должно быть рассчитано с использованием программного обеспечения моделирования. Нет необходимости проводить расчеты каждый раз, так как такие расчеты может сделать изготовитель. Для каждого изделия изготовитель может подсчитать выходной эквивалентный импульс ГКВ для данной нагрузки (Iimp для испытаний класса I или Imах для класса II, или Uoc mах ГКВ для испытаний класса III) с учетом допусков на характеристики УЗИП и любых критических зон (иногда самое главное перенапряжение на выходе УЗИП является результатом не максимальных значений Iimp, Imах и Iocmах, а более низких значений).
Примечание - В данном приложении рассматриваются предположительные системы для устройств бытового и промышленного назначения, а также для радиомачт, в которых установлены УЗИП. Это приложение призвано предоставить информацию по выбору УЗИП для редких случаев применения и проиллюстрировать принципы выбора, содержащиеся в настоящем стандарте.
G.1 Бытовое назначение
Вид сети среднего напряжения: воздушные линии протяженностью 10 км.
Вид сети низкого напряжения (230/400 В): воздушные линии протяженностью 1000 м; подземные кабельные линии протяженностью 200 м.
Интенсивность ударов молнии (Ng): 2 удара/ км2/год (см. 4.1.1).
Местоположение защищаемого здания: ровное место.
Структура электроустановки: установка на вводе защищена УДТ типа S (устойчивость 3 кА 8/20, см. 6.2.4.3). Устойчивость к току короткого замыкания на вводе электроустановки составляет 3 кА. На вводе в здание (в подвальном помещении) расположен главный распределительный щит и один вспомогательный - на первом этаже.
Заземление защищаемого здания: 50 Ом.
Система заземления сети низкого напряжения: система ТТ. Одна фаза и распределенная нейтраль.
Вид защищаемых устройств: стиральная машина с электронным управлением, компьютер, сигнализация на входе, видеомагнитофон и телевизор и т. д.
В результате анализа риска (см. раздел 7) возможно возникновение интереса к применению УЗИП (высокое значение Ng, воздушные линии как со стороны среднего, так и низкого напряжения трансформатора, электронные устройства и т. д.).
Средний ожидаемый уровень грозовых токов, наведенных в воздушных линиях, трансформируется на вводе в номинальный разрядный ток In не менее 5 кА 8/20 на один провод.
Требуемый уровень защиты на входе устройств сигнализации (чувствительное оборудование) - Up не более 1,5 кВ. Это можно достичь одновводным УЗИП (см. 3.25) со значением Up, равным 1,5 кВ, испытуемым по классу II.
Если на вводе требуется обеспечить устойчивость к токам короткого замыкания значением 3 кА (действующее значение), то устойчивость УЗИП к токам короткого замыкания должна быть не менее 3 кА (действующее значение) (см. 5.5.2.4). С этой целью изготовитель рекомендует использовать плавкий предохранитель или автоматический выключатель с УДТ (резервная защита) с предельными отключающими характеристиками. При использовании на вводе автоматического выключателя с УДТ типа S непрерывность защиты не гарантирована от приходящих разрядов 8/20 значением свыше 3 кА.
Никакой дополнительной защиты при непрямом контакте не требуется ввиду наличия УДТ. Тепловой разъединитель входит в состав самого УЗИП (см. 6.3.1).
Вследствие того, что это система ТТ и во избежание очень высокого перенапряжения, рекомендуется применение УЗИП с тремя видами защиты (фаза-нейтраль, нейтраль-земля и фаза-земля) (см. 6.1.1).
Для других защищаемых устройств необходима только защита между фазой и нейтралью, поскольку они не соединены с землей, за исключением моечных машин, где заземление присутствует в целях безопасности. В таком случае может понадобиться защита между фазой и землей и между нейтралью и землей.
Другие УЗИП должны соответствовать более низкому импульсному току. Тогда In, равное 2 кА, для испытаний по классу II достаточно. Каталог изготовителя предлагает Up, равное 0,8 кВ.
Расстояние 20 м достаточно для обеспечения разделения между УЗИП, расположенным на вводе, и УЗИП, расположенным на первом этаже. Однако для обеспечения адекватного разделения расстояния 10 м недостаточно между УЗИП, расположенным на вводе, и другими УЗИП, расположенными в подвальном помещении, вследствие низкого значения Up = 0,8 кВ (см. 6.2.6). Тогда лучше выбрать другое УЗИП с Up, равным 1,5 кВ, например для других УЗИП, расположенных в подвальном помещении.
Для этих УЗИП ток короткого замыкания в месте их размещения низок, и изготовитель включил необходимые разъединители (тепловые и короткого замыкания) (см. рисунок G.1).
Рисунок G.1 - Бытовая электроустановка
Примечание - Может потребоваться дополнительная защита, если телевизионная антенна заземлена.
Ввиду того что расстояние между УЗИП на вводе и другими устройствами, особенно на первом этаже, довольно велико (10 и 20 м соответственно), рядом с защищаемыми устройствами необходимы другие УЗИП (см. 6.1.2). Одно должно быть расположено рядом со стиральной машиной, другое - рядом с магнитофоном и телевизором. Еще одно подсоединено к распределительному щиту на первом этаже и, кроме того, непосредственно на разъем компьютера (расстояние между щитом и компьютером небольшое).
G.2 Промышленное назначение
Рекомендации по применению УЗИП на объектах промышленного назначения - в стадии рассмотрения.
Примеры расположения сетей, электрооборудования и УЗИП - см. рисунки G.2 и G.3.
|
MV - линия среднего напряжения; МВ - главное здание; В 1, В 2 - производственные здания; ЕВ 1, ЕВ 2 - эквипотенциальные соединительные шины; РВ, РВ1,РВ2 - распределительные щиты; Eq - электрооборудование и нагрузки; TN С, TN C-S - системы питания и заземления |
Рисунок G.2 - Пример распределительных сетей промышленного объекта
Рисунок G.3 - Электрическая схема промышленной электроустановки
G.3 Система молниезащиты
Состав системы молниезащиты и дополнительная информация:
- радиовышка, оборудованная системой молниезащиты;
- вид сети среднего напряжения - воздушная линия протяженностью 10 км;
- вид сети низкого напряжения - воздушная линия протяженностью 500 м;
- Ng - шесть ударов/км2/год;
- место размещения защищаемого здания - на вершине возвышенности;
- структура электроустановки - заземленная нейтраль у подножия возвышенности.
Применение местного защитного заземления оборудования:
- заземление защищаемого оборудования - 10 Ом;
- заземление трансформатора среднего/низкого напряжения - 10 Ом;
- система заземления сети низкого напряжения - система ТТ; одна фаза с распределенной нейтралью.
Вид защищаемых устройств - электронное оборудование.
Вследствие критического характера электроустановки (анализ риска см. в разделе 7) необходимо применять УЗИП, испытанные по классу I. УЗИП подсоединяются между фазой и местным заземлением, между нейтралью и местным заземлением и между фазой и нейтралью. Эти УЗИП должны иметь способность минимум 20 кА по классу I, так как на них приходится большая часть прямого грозового тока, ударяющего в радиовышку (см. приложение D). Другое такое же УЗИП можно использовать с противоположной стороны воздушной линии для защиты трансформатора. Защитный уровень УЗИП со стороны оборудования должен составлять 1,5 кВ, а защитный уровень УЗИП, подсоединенного со стороны трансформатора, может быть таким же или выше (до 4 кВ), так как трансформатору не нужна защита со стороны низкого напряжения.
Может также возникнуть необходимость применения УЗИП со стороны среднего напряжения трансформатора. Этот вопрос рассматривается в МЭК 60099-5.
Рисунок G.4 - Установка с системой молниезащиты
Примеры применения анализа риска
Вопрос - в стадии рассмотрения.
Примечание - Настоящее приложение распространяется на раздел 4 настоящего стандарта. Там, где информация относится к специфическому подпункту, это обозначается знаком (ххх) в нижеследующем тексте.
I.1 Грозовые перенапряжения и токи (см. 4.1.1)
I.1.1 Аспекты силовой распределительной системы, влияющие на необходимость применения УЗИП
Раздел 443 МЭК 60364-4-44 указывает на то, что, если к установке подходит подземный кабель или если ее питает воздушная линия, когда грозовой уровень ниже 25, нет необходимости в применении УЗИП, пока приемлемый риск, основанный на применении установки, чрезвычайно низок. Эти рекомендации основываются на определенных допущениях относительно средней установки.
Если факторы, специфические для рассматриваемой установки, являются необычными, то может возникнуть потребность в защите от импульсов.
Некоторые из этих факторов рассматриваются в I.1.1 и I.1.2.
Должен быть проведен анализ риска, основанный на вероятности входящих импульсов и экономическом балансе между защитой и последствиями.
I.1.1.1 Грозовая активность
Самое существенное значение в определении риска от воздействия молний на электроустановку имеет интенсивность ударов молний Ng в месте расположения объекта. Однако если Ng неизвестно, может быть использована грубая оценка, полученная из грозового уровня Nk (Nk - количество грозовых дней за год, взятое из изогрозовых карт) данной зоны с использованием упрощенной формулы Ng = 0,04 Nk 1,25.
Ng дает высоко локализованную информацию о грозовой активности, обеспечивающую точную оценку риска как в какой-нибудь специфической зоне, так и вдоль трассы какой-либо обслуживающей системы. Эта величина учитывает также сезонные изменения и изменения значения импульса. Это факторы, которые не входят в определение Nk, отсюда значение Nk, равное 25, не может быть использована для определения потребности в УЗИП.
I.1.1.2 Уязвимость электроустановки
Даже там, где энергоснабжение осуществляется по подземному кабелю, этот кабель не всегда достаточно защищает установку, особенно в случае прямого или близкого удара молнии, что не рассматривается в МЭК 60364-4-44, раздел 443.
Вот почему снабжение по подземному кабелю не может быть использовано само по себе для определения потребности в УЗИП.
I.1.2 Разделение импульсного тока внутри сооружения
Рисунок I.1. показывает типичный случай разделения тока импульса при прямом ударе молнии в сооружение.
Примечание - Грозовой импульсный ток обладает двумя главными параметрами. Первый - время быстрого возрастания, которое применяют для определения значения напряжения вследствие явления индукции. Второй - большая длительность, что в основном относится к энергии удара. Высокочастотные явления не имеют места в этот поздний период, что дает возможность использовать омическое сопротивление для расчета распределения токов.
Где невозможна точная оценка (например, расчетным путем), можно допустить, что 50 % общего грозового тока I входит в заземленную оконечность системы грозозащиты рассматриваемого сооружения. Другие 50 % тока Is распределяются среди входящих в сооружение линий обслуживающих систем, например внешние проводящие части, силовые электрические и коммуникационные линии и т. д. Значение тока в каждой обслуживающей системе Ii может быть оценено по формуле Ii = Is /n (n - число обслуживающих систем).
Для оценки тока Iv в каждом отдельном проводнике неэкранированного кабеля ток Ii, протекающий по кабелю, делят на число проводников m, тогда Iv = Ii /m.
В экранированном кабеле оба конца экрана должны быть соединены с землей непосредственно или через УЗИП. В этом случае основная часть разрядного тока, протекающего по кабелю, пройдет по экрану (обычно 50 %) и меньшая часть - по внутренним проводникам. В любом случае УЗИП следует устанавливать как можно ближе к точке заземления экрана.
Примечание 1 - Предпочтительное значение Iреаk или Imах для УЗИП соответствует Iv.
Примечание 2 - Прямой удар молнии в воздушные линии может рассматриваться аналогично.
При выборе УЗИП для силовых линий необходимо отметить, что, как правило, газовые трубы отсутствуют и очень часто водяные трубы бывают неметаллическими, по крайней мере, снаружи здания. В таком случае силовые линии могут пропускать основную часть грозового тока.
На рисунке I.1 приведен типичный случай, когда 50 % всего тока протекает по заземлению здания и 50 % - через внешние обслуживающие системы.
Примечание - Значения в скобках применяют при отсутствии металлических труб.
Рисунок I.1 - Пример отвода грозового тока во внешние обслуживающие системы (система ТТ)
I.2 Коммутационные перенапряжения (см. 4.1.2)
Подробную информацию по перенапряжениям, вызванным коммутационными импульсами, см. С.2.
I.3 Временные перенапряжения UTOV (см. 4.1.3)
Временные перенапряжения, создаваемые короткими замыканиями в системе низкого напряжения, можно определить двумя коэффициентами:
- k1, - отношение максимального напряжения к номинальному напряжению системы. k1 обычно бывает в диапазоне от 1,05 до 1,1. Это лежит в диапазоне нормального регулирования уровня напряжения.
- k2 - максимальное значение перенапряжения силовой системы, которое превышает Ucs силовой системы. Напряжение в незакороченной фазе может меняться от приблизительно 1,25 до теоретического значения 1,73 для короткого замыкания в трехфазной низковольтной системе.
Примечание - В однофазных, трехпроводных (с расщепленной фазой) системах значение k2 может быть равно двум.
Полное временное перенапряжение можно выразить формулой:
Примечание 1 - Временные перенапряжения обычно вызываются такими явлениями, как короткие замыкания в низковольтных распределительных системах энергоснабжения, при коммутации конденсаторов, а также остановке и пуске двигателей. Длительность таких перенапряжений обычно невелика. Перенапряжения, вызванные короткими замыканиями в трехфазной системе питания длятся от менее чем 0,05 до не более 5 с. Пуск однофазного электродвигателя с плохим соединением нейтрали может вызывать избыточное перенапряжение в течение периода времени, как правило, не более 5 с. Поэтому длительность временного перенапряжения определяется настоящим стандартом от 0,05 до 5 с.
Примечание 2 - В некоторых сетях бывает необходимо определить кратковременное (менее чем 5 с) временное перенапряжение U0 + 1200 В (см. МЭК 60364-4-44) в результате короткого замыкания в высоковольтной системе (UTOV, LV). Такие высокие значения напряжения приводят к повреждению УЗИП. В таких случаях следует провести соответствующее испытание для проверки того, что повреждение не создало опасности для персонала, оборудования или устройств. Данное значение U0 + 1200 В является максимальным значением временного перенапряжения в течение максимального периода времени 5 с. Данное значение может быть или его может не быть, это зависит от типа системы заземления низковольтной установки и от типа высоковольтной системы (см. приложение Е). Кроме того, временные перенапряжения длительностью свыше 5 с, характеризуемые по МЭК 60364-4-44, могут также привести к повреждению ввиду большой длительности.
В настоящем стандарте ВПН, появляющиеся в результате коротких замыканий в низковольтной системе, обозначаются UTOV, LV, а в высоковольтной системе - UTOV, LV.
На основе вышеприведенной формулы можно теоретически вычертить кривую зависимости напряжения от времени для UTOV в сети. На практике фактические значения UTOV в сети, в частности в месте установки УЗИП, не всегда известны. Довольно трудно в таких случаях начертить вышеупомянутую кривую, поскольку известно лишь несколько типичных точек. В основном известны только стандартные максимальные значения, и поэтому кривая ограничивается несколькими точками. Значения времени, представляющие интерес при выборе УЗИП, составляют 200 мс и 5 с.
Стандартные максимальные значения UTOV см. на рисунке 4.
Критерии выбора устройств защиты от импульсных перенапряжений
Примечание - Данное приложение расширяет информацию, приведенную в разделе 5.
J.1 Характеристика временного перенапряжения UT (см. 5.5.1.2)
Примечание - Временные перенапряжения могут длиться несколько секунд. Временные перенапряжения длительностью свыше 5 с считаются постоянным состоянием для УЗИП, время свыше 5 с на кривой соответствует постоянному значению Uc.
Рисунок J.1 - Типичная кривая UT для УЗИП
J.2 Режимы отказа устройств защиты от импульсных перенапряжений (см. 5.5.2.4)
Когда УЗИП входит в режим отказа, необходимо учитывать влияние режима отказа на электроустановку. Если режимом отказа УЗИП является разомкнутая цепь (режим, созданный нелинейным компонентом самого УЗИП или внутренним либо внешним разъединительным устройством, включенным последовательно с УЗИП, которые вместе подключены параллельно с источником питания), тогда в случае отказа УЗИП может быть гарантирована непрерывность подачи питания. Однако особое внимание следует обратить на способность УЗИП к разъединению до срабатывания резервной защиты системы. В этом случае следует внимательно отнестись к координации между разъединителем УЗИП и резервной защитой.
Для двухвводных УЗИП или одновводных, включенных последовательно в распределительную сеть, непрерывность подачи питания обеспечивается через встроенный (внутренний) разъединитель или минуя его, как указано на рисунке J.2.
D - разъединитель; S - УЗИП; L - линия
Рисунок J.2 - Внутренний разъединитель двухвводного УЗИП
Основной особенностью УЗИП, представленного на рисунке J.2a, является то, что после срабатывания разъединителя оборудование остается подключенным к питанию. Однако оно более не защищено. Если не применяется индикатор короткого замыкания (дистанционный и/или местный), для того чтобы сигнализировать о разъединении, то потребитель не знает, что оборудование больше не защищено и поэтому гораздо более чувствительно в отношении приходящего импульса.
Главная особенность УЗИП, приведенного на рисунке J.2b состоит в том, что после срабатывания разъединителя электрооборудование отключено от сети, но также отключено от главного источника импульсов.
Для того чтобы снизить риск потери защиты или питания вследствие отключения, возможно использование параллельно соединенных УЗИП, оборудованных разъединителями, как показано на рисунке J.3.
D -
разъединитель; S - комплектный УЗИП, включающий два защитных компонента
(варистор) и два согласованных разъединителя
Рисунок J.3 - Применение параллельных УЗИП
Если режимом отказа УЗИП является короткое замыкание (обеспечиваемое самим УЗИП или каким-либо дополнительным устройством), которое отключает резервную защиту, в этом случае ситуация подобна описанному выше случаю, представленному на рисунке J.2b.
Если изготовитель не объявляет особый режим отказа, нужно допускать, что УЗИП подвержен вышеперечисленным режимам отказа. Для того чтобы получить только один тип режима отказа (режим короткого замыкания или разомкнутой цепи), обычно используется дополнительное устройство, такое как выключатель сверхтока, представленный на рисунке J.3.
Неопределенное состояние, что является временным состоянием, может иметь место во время отказа УЗИП. Для того чтобы получить определенное состояние (разомкнутая цепь или короткое замыкание), требуются дополнительные устройства (например, термовыключатель).
Примечание - В МЭК 60364-4-41 приведены применимые нормы безопасности.
Применение устройств защиты от импульсных перенапряжений
Примечание - Данное приложение расширяет информацию, приведенную в разделе 6.
К.1 Местоположение и защита, предоставляемая УЗИП (см. 6.1)
К.1.1 Возможные способы защиты и установки (см. 6.1.1)
На рисунках К.1 - К.5 показаны альтернативные варианты заземления (см. рисунки 5а и 5b).
Примечание 1 - Наиболее практично применять оба варианта для поддержания как невысокого уровня защиты, так и минимальной нагрузки на электроустановку при условии, что соединения между проводом РЕ и общей точкой заземления УЗИП должны быть как можно короче.
Применяемая электроустановка должна обеспечивать решение следующих пяти вопросов:
Примечание 2 - Следующие вопросы актуальны прежде всего для стационарно установленных УЗИП, включенных между фазой или нейтралью и землей. Для других УЗИП могут потребоваться другие правила.
a) определения пути разрядного тока;
b) идентификации проводов, которые вызывают дополнительное падение напряжения на зажимах электрооборудования (рисунки К.6а и К.6b).
Примечание 3 - На рисунке К.6 Ures является остаточным напряжением для УЗИП, испытанных по классу I или II, или чаще ограничивающим напряжением;
c) определения трассы для проводников каждой части электрооборудования во избежание ненужных индуктивных витков, см. рисунки К.6с, К.6d и К.7.
Примечание 4 - Если невозможно иметь единственную точку заземления, тогда необходимо установить два УЗИП, как показано на рисунке К.6d;
d) установления эквипотенциальной связи между оборудованием и УЗИП;
e) выбора УЗИП согласно требованиям координации.
Необходимо принять меры по ограничению индуктивной связи между защищенными и незащищенными частями установки.
Взаимоиндуктивность может быть снижена разделением источника индуктивности и сети, на которую она может воздействовать, ограничением площади витков и выбором угла изгиба и направления витков (см. рисунок К.7). Когда токоведущий провод является частью витков, индуктируемое напряжение может быть уменьшено путем прокладки этого провода как можно ближе к кабелю (см. рисунок К.7а).
Вообще лучше отделить защищенные провода от незащищенных. Должны быть приняты меры, чтобы избежать взаимного пересечения и взаимовлияния силовых кабелей и кабелей связи (см. рисунок К.7b).
На рисунке К.7 приведено несколько примеров приемлемой установки УЗИП с точки зрения электромагнитной совместимости.
|
1 - начало электроустановки; 2 - распределительный щит; 3 - главный зажим заземления или шина; 4 - устройства для защиты от перенапряжений; 5а, 5b - варианты присоединения УЗИП к заземлению; 6 - оборудование, подлежащее защите; F - защитное устройство, указанное изготовителем УЗИП (например, плавкий предохранитель, автоматический выключатель, УДТ); RA - заземляющий электрод (заземляющее сопротивление) установки; Rg - заземляющий электрод (заземляющее сопротивление) системы питания |
Рисунок К.1 - Установка УЗИП в системах TN
|
1 - начало электроустановки; 2 - распределительный щит; 3 - главный зажим заземления или шина; 4 - устройства для защиты от перенапряжений; 5а, 5b - варианты присоединения УЗИП к заземлению; 6 - оборудование, подлежащее защите; F - защитное устройство, указанное изготовителем УЗИП (например, плавкий предохранитель, автоматический выключатель, УДТ); RA - заземляющий электрод (заземляющее сопротивление) установки; Rg - заземляющий электрод (заземляющее сопротивление) системы питания |
Рисунок К.2 - Установка УЗИП в системах ТТ (УЗИП после УДТ)
|
1 - начало электроустановки; 2-распределительный щит; 3 - главный зажим заземления или шина; 4 - устройства для защиты от импульсных перенапряжений; 4а - устройство для защиты от импульсных перенапряжений согласно МЭК 60364-5-534 или искровой разрядник; 5а, 5b - варианты присоединения УЗИП к заземлению; 6 - оборудование, подлежащее защите; 7 - устройство защиты от дифференциального тока (УДТ); F - защитное устройство, указанное изготовителем УЗИП (например, плавкий предохранитель, автоматический выключатель, УДТ); RA - заземляющий электрод (заземляющее сопротивление) установки; Rg - заземляющий электрод (заземляющее сопротивление) системы питания |
Рисунок К.З - Установка УЗИП в системах ТТ (УЗИП до УДТ)
|
1 - начало электроустановки; 2 - распределительный щит; 3 - главный зажим заземления или шина; 4 - устройства для защиты от перенапряжений; 5а, 5b - варианты присоединения УЗИП к заземлению; 6 - оборудование, подлежащее защите; F - защитное устройство, указанное изготовителем УЗИП (например, плавкий предохранитель, автоматический выключатель, УДТ); RA - заземляющий электрод (заземляющее сопротивление) установки; Rg - заземляющий электрод (заземляющее сопротивление) системы питания; О/ - разомкнутая цепь или иное |
Рисунок К.4 - Установка УЗИП в системах IT без распределенной нейтрали
|
а - дополнительные внутренние УЗИП, встроенные при необходимости; b - УЗИП, которое может потребоваться, чтобы избежать повышения потенциала нейтрали |
Рисунок К.5 - Типовое местоположение УЗИП на вводе электроустановки в системах TN C-S
|
Eq - оборудование. Варианты а, с и d установки УЗИП применимы во всех случаях. Вариант b применим, если Uw1 и Uw2 достаточно низки (см. 6.1.3). Примечание - Ток I проходит через УЗИП, и магнитное поле тока входит в виток, образованный подводящими проводами оборудования. Это добавляет индуктированное напряжение к остаточному напряжению УЗИП. Такое комбинированное напряжение возникает на зажимах оборудования. |
Рисунок К.6 - Общий вариант установки одновводных УЗИП
|
i - плохой вариант из-за большой площади витков - результат высокое dφ/dt вызванное dl/dt; ii - лучший вариант - малая площадь витков - результат низкое dφ/dt; iii - самый лучший вариант - экранирование кабеля приводит к dφ/dt = 0 внутри экрана |
Рисунок
К.7а - Примеры правильной и неправильной установок УЗИП
с точки зрения электромагнитной связи
|
i - неправильная установка - индуктивная связь устанавливается в точке, помеченной звездочкой; ii - правильная установка - кабели до и после УЗИП разделены |
Рисунок К.7b - Примеры правильной и неправильной установок УЗИП с точки зрения индуктивной связи
К.1.2 Воздействие явления колебания на защитное расстояние (см. 6.1.2)
Недостаточно использовать УЗИП поблизости от защищаемого оборудования. Из соображений электромагнитной совместимости лучше установить УЗИП на вводе электроустановки (удобнее преобразовать ток на вводе, чтобы избежать электромагнитных помех вследствие разрядных токов) и защитить электроустановку (от электроразряда между проводниками и т. д.) При необходимости поблизости от оборудования может быть установлено другое УЗИП, если оборудование находится вне зоны защитного расстояния УЗИП, установленного на вводе. В этом случае вопросы координации нуждаются в изучении (см. 6.2.6).
Причина необходимости в дополнительной защите от перенапряжений заключена в вероятности того, что колебания или блуждающие волны, вызванные разрядными импульсами, могут вызвать более высокие напряжения, чем ожидались на защищаемом оборудовании. На рисунке К.8 приводится пример физической и электрической схем такой системы.
Рисунок
К.8 - Физическая и электрическая схемы системы, в которой защищаемое
оборудование отделено
от УЗИП, осуществляющего защиту
Напряжение, воздействию которого подвергается оборудование, зависит от частоты импульса и длины проводников. В зависимости от значения r колебания между L и С могут повысить напряжение u' на зажимах оборудования до ku. Значение k зависит от многих параметров. Там, где оборудование имеет нагрузку с высоким сопротивлением, k меньше 2.
Схема цепи, приведенная на рисунке К.9, представляет источник импульса, генерирующего импульс 5 кА 8/20, прикладываемый к УЗИП на основе цинкового варистора, который отделен от оборудования емкостной нагрузкой 5 нФ. Данная цепь рассчитана на срабатывание в условиях, представленных на рисунке К.10. Этим показано, как напряжение на зажимах защищаемого оборудования может достигнуть двойного значения на зажимах УЗИП.
Рисунок К.9 - Возможное колебание между цинковым варистором УЗИП и защищаемым оборудованием
Рисунок К.10 – Пример удвоения напряжения
К.1.3 Концепция зоны защиты (см. 6.1.6)
На рисунке К.11 приведен пример деления силовой распределительной системы здания на зоны защиты и размещение устройств для защиты от перенапряжений согласно МЭК 61312-1 для случая прямого попадания молнии.
|
LPZ - зона молниезащиты; PZ - зона защиты; PDS - силовая распределительная система; УЗИП - устройство для защиты от перенапряжений |
Рисунок К.11 - Деление здания на зоны защиты
Зоны защиты определяются следующим образом:
- зона молниезащиты ОА(МЭК 61312-1);
- зона, в которой объекты подвергаются прямому удару молнии, и поэтому им, возможно, придется выдерживать полный грозовой ток. Здесь имеет место незатухающее электромагнитное поле;
- зона молниезащиты ОВ (МЭК 61312-1);
- зона, где объекты не подвержены прямому удару молнии, но имеет место незатухающее электромагнитное поле. Случаются коммутационные импульсные перенапряжения, и проходят грозовые токи;
- зона защиты 1 - зона, где объекты частично подвергаются прямым ударам молнии. Проводимые импульсные грозовые токи и/или коммутационные импульсы снижены по сравнению с зонами ОА и ОВ;
- зона защиты 2 - остаточные грозовые импульсные токи и/или коммутационные импульсные перенапряжения снижены по сравнению с зоной 1;
- зона защиты 3 - броски, вызванные колебательными процессами, взаимодействием электромагнитных полей и внутренними коммутационными импульсами, уменьшены по сравнению с зоной защиты 2.
Направленные угрожающие параметры снижаются размещением УЗИП в границах зон защиты. Координация этих УЗИП должна выполняться в соответствии с 6.2.6. Рабочие параметры этих устройств согласованы с угрожающими параметрами в месте их установки (см. 6.2.1 и 6.1.5).
Примечание - Если согласно МЭК 61312-1 должны применяться УЗИП, испытанные по классу I, их устанавливают на границе зоны грозозащиты ОВ с зоной защиты 1.
Всякий раз, когда в соответствии с 6.1.4 устанавливают УЗИП, создается новая зона защиты.
К.2 Выбор устройств защиты от импульсных перенапряжений
К.2.1 Выбор Uc(см. 6.2.1)
Для большинства УЗИП временные перенапряжения длительностью более 5 с следует считать постоянной нагрузкой. Поэтому Uc следует выбирать с учетом как нормальных условий, так и условий короткого замыкания (временные перенапряжения), длящихся более 5 с.
a) нормальные условия:
1) между фазой и нейтралью:
Uc УЗИП между фазой и нейтралью должно быть выше, чем Ucs (обычно 1,10 U0, т. е 10 % на регулирование напряжения или 1,15, если оставлять еще 5 % про запас на возможную деградацию УЗИП или другие аномальные условия системы,
2) между фазами:
Uc УЗИП между фазами должно быть выше, чем Ucs (как правило, 1,10U0 ).
Примечание - В некоторых случаях в зависимости от пределов регулирования
напряжения (например, в очень больших помещениях) Ucs может превышать установленные пределы, указанные выше
(10 % и 10 % соответственно).
В ряде случаев регулирование напряжения более точное
(например, 5 %). В таком случае могут быть достаточны более низкие значения
(например, Uc
может быть выше, чем лишь 1,05 U0
(соответственно 1,05 U0),
3) между фазами и землей или нейтралью и землей:
- для систем ТТ и TN Uc УЗИП между фазой и землей или нейтралью и землей должно быть выше, чем Ucs (как правило, 1,10 U0);
- для систем IT см. аномальные условия, указанные ниже.
Примечание - Если обслуживающая система получает питание от
трансформатора с центральным отводом одной из вторичных обмоток, имеются два
значения Uc:
одно 1,0 Ucs,
а другое
Ucs.
Наличие гармоник может повысить пиковое значение напряжения обслуживающей системы, поэтому может возникнуть необходимость в увеличении значения Uc по сравнению с тем, которое могло бы быть выбрано без учета наличия гармоник;
b) аномальные условия (условия короткого замыкания).
Иногда может возникнуть необходимость в расчете специальных режимов короткого замыкания при выборе Uc для УЗИП, включенных между фазой и землей, чтобы избежать выхода из строя слишком большого числа УЗИП при возникновении короткого замыкания в системе. Для систем IT учет подобных условий является существенным.
В условиях короткого замыкания на землю в системах ТТ и TN напряжение между фазой и землей может превысить Ucs вследствие короткого замыкания со стороны как высокого, так и низкого напряжения системы, и это зависит от заземления в части максимального значения напряжения. Дополнительную информацию по данному вопросу см. в 4.1.3.2. В этом случае выбор Uc зависит от фактического значения напряжения, установленного такими условиями короткого замыкания.
Невозможно использовать значение Uc , так как оно достаточно большое для того, чтобы никакое короткое замыкание в системе не вызвало бы повреждения УЗИП, поскольку в этом случае защитный уровень будет низким. В общем случае значение Uc независимо от конфигурации системы должно быть больше, чем 1,5 U0.
При коротких замыканиях на землю в системах IT напряжение между фазой и землей, как правило, равно
U0. Такие короткие замыкания в низковольтной
системе могут иметь достаточно большую длительность, чтобы рассматривать их как
длительный режим.
В этом случае рекомендуется значение Uc больше, чем напряжение между фазами.
Примеры взаимосвязи между Uc УЗИП и номинальным напряжением энергетической системы даны в приложении В.
К.2.2 Вопросы координации (см. 6.2.6.2)
Для лучшего понимания проблемы на рисунке К.12 показан типичный пример координации двух цинковых варисторов, разделенных катушкой индуктивности. УЗИП 2 имеет более низкие значения Up и In. Вследствие влияния индуктивности на фронт импульса основной ток проходит через УЗИП 1, а ток через УЗИП 2 будет постепенно увеличиваться с постоянной времени, определяемой индуктивностью и характеристикой УЗИП 2. Таким образом, со временем все большая и большая часть тока будет проходить через УЗИП 2.
На рисунке К.12 показан общий ток, токи, проходящие через УЗИП1 и УЗИП 2 на напряжения на зажимах УЗИП 1 и УЗИП 2.
Эта максимальная энергостойкость Еmах в настоящем стандарте определяется как максимальная энергия, которую УЗИП способен выдерживать без деградации. Ее можно получить по результатам испытаний (энергия, измеренная при испытании в рабочем режиме при Iimp для испытаний класса I или Imax для испытаний класса II) или рассчитать по информации изготовителя как Imax (для испытаний класса II) или Iреак (для испытаний Класса I), Ures (Imax) или Ures (Ipeak).
Расстояние d между двумя УЗИП, соответствующее сопротивлению Z, может быть использовано в качестве разделительного элемента.
Для УЗИП ограничивающего типа такое разделительное полное сопротивление вообще эффективно только для коротких форм волны. Для длинных волн разделительное сопротивление редко бывает достаточным. Дополнительное разделение может быть обеспечено использованием сосредоточенного полного сопротивления либо применением комплексного сопротивления или активного сопротивления.
Рисунок К.12 - Координация двух цинкооксидных варисторов
В случае, когда вводное УЗИП коммутирующего типа, следует учитывать две другие характеристики:
- возможное существование «критической зоны» означает, что для тока ниже, чем Iimp, напряжение на зажимах разрядника может быть таким низким, что зазор не пробьется и разрядник неспособен защитить УЗИП 2. Очень важно, чтобы пробой зазора происходил на фронте импульса;
- для более продолжительного времени фронта разделительный элемент может быть менее эффективным, чем для волн 8/20 или 10/350. Длительные временные фронты в настоящее время изучаются.
Необходимо связать координацию с двумя типами импульсов:
- координация с импульсами длинных волн (как при испытаниях класса I);
- координация с импульсами коротких волн (как при испытаниях класса II).
Примечание - Следует подчеркнуть, что максимальная энергостойкость двух скоординированных УЗИП равна, по меньшей мере, значению более низкой энергостойкости двух УЗИП. Когда новое УЗИП (УЗИП 2) включено в систему, уже имеющую УЗИП (УЗИП 1), необходимо иметь гарантию того, что достигнута правильная координация.
К.2.3 Случаи из практики (см. 6.2.6.3)
Координация в электроустановке всегда сложнее для изучения, чем на простом примере, приведенном выше. Фактически:
- наличие проводников или дополнительных устройств, например разъединителей, может добавить индуктивности в цепь. Разделение тока между УЗИП может также потребовать исследования. В этом случае требуется схема фактической установки;
- допуски характеристик компонентов, используемых в УЗИП, могут привести к неопределенности действительного значения остаточного напряжения при любом токе. Кроме того, значение, которое обычно получают от изготовителя, -это защитный уровень Up, который предусматривает резерв, так что действительное напряжение может быть на 25 % ниже, чем указано;
- энергетическая стойкость Еmах УЗИП может быть различной для длинных и коротких волн. Обычно такое значение дается для одного класса испытаний (класс I - длинные волны и класс II - короткие волны). Иногда энергетическая стойкость не приводится, и ее требуется рассчитать.
Если стоимость защиты (согласно определению группы Е, приведенной ниже) менее ущерба, связанного с последствиями перенапряжений в незащищенном объекте (согласно определению групп А - D), использование УЗИП целесообразно.
L.1 Группа А - условия окружающей среды
А.1 Удары молнии и величина Ng (годовая интенсивность молниевых ударов - количество ударов молнии на квадратный километр в год, см. 4.1.1. и I.1, приложение I);
- прямой удар в систему молниезащиты здания либо в систему электропитания или линии коммуникаций;
- индуктивная связь или связь через активное сопротивление.
Оценка риска требует рассмотрения всех видов прямых и косвенных способов индуцирования энергии молнией, включая вход через систему молниезащиты, подводящие линии энергопитания, информационные кабели, радиочастотные кабели, волноводы и неэлектрические проводники, например трубы водоснабжения. Волоконно-оптические кабели обычно нечувствительны к перенапряжениям при условии, что они не имеют металлических проводников, проходящих через зоны защиты.
А.2 Силовая коммутация цепей и степень серьезности последствий коммутации
Электронное оборудование, расположенное вблизи от сети или включенное в ту же самую сеть, что и силовое коммутационное оборудование, такое как контроллеры двигателей, может претерпевать повреждения или деградацию вследствие переходных процессов, возникающих при коммутации нагрузки. Кроме того, переходные процессы могут быть вызваны как силовыми коммутациями, таки неполадками системы или внутренними нарушениями в нагрузке.
А.3 Подверженность воздействию и связь с системами молниезащиты окружающих зданий
Повреждение может быть вызвано временной связью с грозовыми токами, проходящими в системе от молниезащиты близлежащих зданий или оборудования, в том числе ростом потенциала земли, связанного с рассеянием токов. Подобное распределение энергии обычно происходит через кабельную сеть и непосредственно потребителем не контролируется. Рассеянная энергия зависит от значений сопротивлений заземления местной сети.
A.4 Размещение здания или оборудования:
- топография;
- экранирование соседними сооружениями и деревьями.
Объекты на вершине или склонах высокого холма более чувствительны к прямым ударам молнии, чем аналогичные объекты в долинах или зонах более низкого природного воздействия. Установки с высокими башнями коммуникации также имеют повышенный риск привлечь молнию. Небольшие и невысокие объекты могут быть защищены соседними более высокими объектами от прямого удара молнии. Однако такая защита не влияет на передачу энергии через кабели, входящие в объект.
L.2 Группа В - оборудование и объекты
B.1 Категории оборудования по стойкости в отношении импульсов и уровню невосприимчивости
Изготовители могут создавать электротехническое и электронное оборудование с различными уровнями устойчивости в отношении импульсов напряжения. Чем ниже уровень, тем больше риск. Если изготовитель не дает иных указаний, можно предположить, что оборудование не обладает какой-либо особой невосприимчивостью. Правильно спроектированная защита призвана сделать максимальным отвод энергии в точках кабельного ввода и минимальной передачу ее оборудованию.
В.2 Системы заземления:
- активное и полное сопротивление заземления;
- схема расположения и близость;
- связь с другими системами заземления.
Самое важное - получить эквипотенциальную связь заземления, в том числе и через УЗИП.
Отдельные системы заземления должны рассматриваться с осторожностью.
В.3 Схема энергетической системы:
- воздушная;
- подземная;
- смешанная.
Хотя подземные силовые кабели низковольтной системы представляют меньший риск, чем воздушные линии, прямой удар молнии вблизи подземных кабелей может вызвать значительные перенапряжения, особенно в грунтах с повышенным сопротивлением. Конструктору следует определить длину подземного кабеля, будет ли он воздушным на каком-то расстоянии от объекта или будет ли воздушной сеть среднего напряжения.
Для линий низкого и среднего напряжений совокупная длина и высота являются важными параметрами. Чем длиннее и выше линии, тем больше риск привлечения молнии, и поэтому больше риск передачи энергии молнии на объект или в здание.
L.3 Группа С - экономика и перерывы в работе
С.1 Снижение работоспособности или эксплуатационные потери
Разрушение и повреждения вызывают оперативные трудности в работе.
Ухудшение рабочих характеристик может быть качественным компонентом, дополняющим прямые финансовые потери. Например, там, где задействована высокая автоматизация или компьютеризация, возврат к ручному управлению может быть попросту невозможен.
С.2 Утрата отдельных операций
Это включает расходы реального времени на эксплуатационную непригодность оборудования, компьютерной техники, средств связи и информационно-технологических систем и связанные с этим потери доходов и/или снижение эффективности производства. Критические системы, такие как экстренные службы, определенные центральные информационные системы, могут нести очень высокие прямые и косвенные потери, связанные с утратой отдельных операций.
Коммерческие предприятия при простое несут прямые убытки. Предполагаемое время операций по ремонту и восстановлению будет зависеть от наличия персонала, запасных частей, методик и информации.
С.3 Ремонт или замена оборудования или установок
В стоимость физического ущерба включены замена оборудования, прямые и косвенные затраты на восстановление. Постепенная деградация компонентов оборудования также может произойти вследствие повторяющихся импульсов небольших значений, что является причиной отказов, кажущихся случайными.
Такие события могут не связывать сразу же и непосредственно с грозой или с коммутациями в сети в момент отказа. Такие кумулятивные эффекты могут привести к увеличению расходов на текущее и профилактическое техническое обслуживание.
С.4 Экстренные службы
Повреждение оборудования или травмы персонала могут сделать необходимым пользование услугами экстренных служб, таких как пожарная, неотложная помощь, полиция и т. д., что влечет расходы для фирмы, частного лица или сообщества. Повреждения пожарных сигнальных систем и систем связи экстренных служб уменьшают эффективность работы таких служб. Системам связи экстренных служб обычно требуется защита высокого уровня.
L.4 Группа D - Безопасность
Если риск нарушения безопасности для людей заключается в нарушении свойств электрической изоляции, то следует рассмотреть вопрос об использовании УЗИП.
Безопасность персонала - ключевой вопрос для разработчиков и монтажников. Забота о здоровье людей и соответствующие нормы безопасности должны соблюдаться в каждой стране.
L.5 Группа Е - Стоимость защиты:
- проект установки;
- материалы и устройства;
- установка УЗИП.
Стоимость защиты включает в себя УЗИП, технический проект, сопровождение и электромонтаж.
МЭК 61662 предлагает метод оценки риска, относящегося к перенапряжениям вследствие молнии. Метод оценки риска, относящегося к перенапряжениям коммутационного происхождения, находится в стадии рассмотрения.
Сведения о соответствии
ссылочных международных стандартов
ссылочным национальным стандартам Российской Федерации
и действующим в этом качестве межгосударственным стандартам
|
Обозначение ссылочного международного стандарта |
Степень соответствия |
Обозначение и наименование национального стандарта Российской Федерации или межгосударственного стандарта |
|
МЭК 60038 |
NEQ |
ГОСТ 29322-92 «Стандартные напряжения» |
|
МЭК 60364-4-41 |
MOD |
ГОСТ Р 50571.3-94 «Электроустановки зданий. Часть 4. Требования по обеспечению безопасности. Защита от поражения электрическим током» |
|
МЭК 60364-5-534 |
MOD |
ГОСТ Р 50571.26-2002 «Электроустановки зданий. Часть 5. Выбор и монтаж электрооборудования. Раздел 534. Устройства для защиты от импульсных перенапряжений» |
|
МЭК 60529 |
NEQ |
ГОСТ 14254-96 «Степени защиты, обеспечиваемые оболочками (Код IP)» |
|
МЭК 61000-4-5 |
MOD |
ГОСТ Р 51317.4.5-99 «Совместимость технических средств электромагнитная. Устойчивость к микросекундным импульсным помехам большой энергии. Требования и методы испытаний» |
|
МЭК 61008-1 |
MOD |
ГОСТ Р 51326.1-99 «Выключатели автоматические, управляемые дифференциальным током, бытового и аналогичного назначения без встроенной защиты от сверхтоков. Часть 1. Общие требования и методы испытаний» |
|
МЭК 61009 (все части) |
MOD |
ГОСТ Р 51327.1-99 «Выключатели автоматические, управляемые дифференциальным током, бытового и аналогичного назначения со встроенной защитой от сверхтоков. Часть 1. Общие требования и методы испытаний». ГОСТ Р 51327.2.1-99 «Выключатели автоматические, управляемые дифференциальным током, бытового и аналогичного назначения со встроенной защитой от сверхтоков. Часть 2-1. Применяемость основных норм к АВДТ, функционально независящим от напряжения сети» |
|
МЭК 61009 (все части) |
MOD |
ГОСТ Р 51327.2.2-99 «Выключатели автоматические, управляемые дифференциальным током, бытового и аналогичного назначения со встроенной защитой от сверхтоков. Часть 2-2. Применяемость основных норм к АВДТ, функционально зависящим от напряжения сети» |
|
МЭК 61643-1 |
MOD |
ГОСТ Р 51992-2002 «Устройства для защиты от импульсных перенапряжений в низковольтных силовых распределительных системах. Часть 1. Требования к работоспособности и методы испытания» |
|
Примечание - В настоящей таблице использованы следующие условные обозначения степени соответствия стандартов: - MOD - модифицированные стандарты; - NEQ - неэквивалентные стандарты. |
||
Ключевые слова: перенапряжения импульсные, номинальный разрядный ток, импульсный ток, разъединитель УЗИП, одновводное УЗИП, двухвводное УЗИП, грозовые перенапряжения и токи, коммутационные перенапряжения, временные перенапряжения