Настоящее пособие (РМ) содержит методические рекомендации по проектированию схем автоматизации и структурных схем контуров контроля и управления, включаемых в состав рабочей документации систем автоматизации (СА) по рекомендациям ГОСТ 21.408 и РМ 4-59. Эти рекомендации применимы также при разработке указанных схем на стадии "проект (рабочий проект)", а также для схем автоматизации и структурных схем контуров контроля и управления при разработке документации технического обеспечения автоматизированных систем управления технологическими процессами (АСУТП) по ГОСТ 34.201. При разработке РМ учтены также требования и рекомендации стандартов, утвержденных после выхода ГОСТ 21.408. Рекомендации пособия при разработке СА объектов, на которые распространяются требования СНиП 3.05.07 и ГОСТ 21.408. (Уточненный перечень объектов - см. РМ 4-59, приложение 2). Для остальных объектов настоящее пособие применяют в той мере, в которой оно не противоречат специальным требованиям нормативных документов по созданию СА этих объектов
| Обозначение: | РМ 4-2-96 |
| Название рус.: | Системы автоматизации. Схемы автоматизации. Указания по выполнению. Пособие к ГОСТ 21.408-93 |
| Статус: | действует |
| Заменяет собой: | РМ 4-2-92 |
| Дата актуализации текста: | 05.05.2017 |
| Дата добавления в базу: | 01.09.2013 |
| Дата введения в действие: | 01.09.1996 |
| Опубликован: | ГПКИ Проектмонтажавтоматика (1996 г. ) |
| Ссылки для скачивания: |
СИСТЕМЫ АВТОМАТИЗАЦИИ
СХЕМЫ АВТОМАТИЗАЦИИ
УКАЗАНИЯ ПО ВЫПОЛНЕНИЮ
Пособие к ГОСТ 21.408-93
РМ4-2-96
ГПКИ «ПРОЕКТМОНТАЖАВТОМАТИКА»
1996
|
СИСТЕМЫ АВТОМАТИЗАЦИИ Схемы автоматизации Указания по выполнению Пособие к ГОСТ 21.408-93 |
РМ4-2-96 |
Дата введения 01.09.96
Настоящее пособие (РМ) содержит методические рекомендации по проектированию схем автоматизации и структурных схем контуров контроля и управления, включаемых в состав рабочей документации систем автоматизации (СА) по рекомендациям ГОСТ 21.408 и РМ4-59. Эти рекомендации применимы также при разработке указанных схем на стадии «проект (рабочий проект)», а также схем автоматизации и структурных схем контуров контроля и управления при разработки документации технического обеспечения автоматизированных систем управления технологическими процессами (АСУТП) по ГОСТ 34.201. При разработке РМ учтены также требования и рекомендации стандартов, утвержденных после выхода ГОСТ 21.408.
Рекомендации пособия применяют при разработке СА объектов, на которые распространяются требования СНиП 3.05.07 и ГОСТ 21.408. (Уточненный перечень объектов - см. РМ4-59, приложение 2). Для остальных объектов настоящее пособие применяют в той мере, в которой оно не противоречат специальным требованиям нормативных документов по созданию СА этих объектов.
1.1. Схема автоматизации является основным техническим документом, определяющим структуру (иерархию) пунктов контроля и управления, функции систем контроля и управления автоматизируемого объекта, оснащение СА техническими средствами: приборами и средствами автоматизации, щитами, пультами, вычислительной техникой и т.п.
Схемы автоматизации включают в основной комплект рабочей документации марки А... по ГОСТ 21.408 стадии «рабочая документация». На их основе осуществляется разработка остальной документации этой стадии.
1.4. Технические решения по автоматизации объекта, отраженные на схемах автоматизации, должны отвечать требованиям СНиП 3.05.07, нормам технологического проектирования конкретного объекта, а также правилам и нормам безопасности и охраны труда для данного производства (например, «Общим правилам взрывобезопасности для взрывопожароопасных химических, нефтехимических и нефтеперерабатывающих производств»).
При строительстве промышленных объектов с применением прогрессивных методов монтажа оборудования технические решения должны предусматривать возможность выполнения работ по монтажу СА этими методами (например, при комплектно-блочном методе строительства объектов следует соблюдать рекомендации ВСН 516, ВСН 519).
1.5. Схему автоматизации допускается совмещать со схемой соединений (монтажной), выполняемой в составе основного комплекта марки ТХ по ГОСТ 21.401, или с другими схемами подобного назначения (например, со схемами инженерных систем). В этом случае следует соблюдать дополнительные рекомендации, приведенные в разделе 5.
1.6. При разработке рабочей документации допускается использовать схемы автоматизации, разработанные на стадии проект с соблюдением следующих условий:
1) если при утверждении проекта в эти схемы (или соответствующие технологические схемы) не были внесены существенные изменения;
2) если технические решения по автоматизации объекта, отраженные на этих схемах не устарели к моменту разработки рабочей документации.
При разработке схем с помощью средств САПР следует соблюдать рекомендации п. 3.1.13 РМ4-59.
1.8. Все приведенные в данном РМ примеры схем автоматизации не могут служить образцами для определения объема автоматизации технологических процессов и состава контуров контроля и управления. Они приведены лишь для иллюстрации методов оформления схем и служить справочными данными не могут.
Во всех случаях разработки схемы на часть ТОУ производят оценку возможности последующего применения этих схем в других комплектах рабочей документации и (при необходимости) выпускают их по рекомендациям РМ4-59, п. 2.12.
2.2. На схеме автоматизации изображают:
1) схему технологического процесса объекта автоматизации - оборудование и коммуникации автоматизируемого объекта (ТОУ);
2) системы автоматизации - контуры контроля, автоматического регулирования и управления и входящие в них технические средства. При этом под контуром контроля, регулирования и управления понимается совокупность отдельных функционально связанных или независимых приборов и других технических средств, выполняющих определенную задачу по контролю, регулированию, сигнализации, управлению и т.п.;
3) линии связи между отдельными техническими средствами автоматизации в контурах или между контурами (при необходимости);
4) необходимые пояснения (таблицы условных обозначение, применяемости; ссылки на схемы и чертежи смежных комплектов РД, о применяемости повторяющихся элементах схемы и т.п.
2.3. Системы управления электроприводами оборудования, не имеющие связи с контурами контроля и автоматического регулирования физико-химических параметров ТОУ, на схемах автоматизации, как правило, не показывают.
2.4. Схемы автоматизации выполняют двумя способами:
1) развернутый, при котором на схеме изображают состав и место расположения технических средств автоматизации каждого контура контроля и управления;
2) упрощенный, при котором на схеме изображают основные функции контуров контроля и управления (без выделения входящих в них отдельных технических средств автоматизации и указания места расположения).
изображать на схеме то оборудование и коммуникации, которые оснащают средствами автоматизации одного контура (или взаимосвязанных контуров), но изображение которых в технологической (инженерной) рабочей документации приведено в разных схемах и чертежах или в разных основных комплектах.
Пример: для ТОУ котельной установки рекомендуется приводить тепловую схему установки по ГОСТ 21.606 и изображать на ней: воздуховоды и газоходы на основании чертежей расположения оборудования, а также газопроводы по чертежам основного комплекта марки ГСВ (по ГОСТ 21.609);
упрощать изображение оборудования, не показывая на схеме оборудование (полностью или отдельные его части), коммуникации и их элементы, которые не оснащаются техническими средствами автоматизации и не влияют на работу СА.
Пример: конденсатоотводчики, глушители шума в сантехсистемах, грязевики, предохранительные устройства.
- оборудование - по ГОСТ 2.790, ГОСТ 2.791, ГОСТ 2.792, ГОСТ 2.793, ГОСТ 2.794, ГОСТ 2.795, ГОСТ 21.205;
- коммуникации в зависимости от транспортируемых сред в соответствии с приложением 3 ГОСТ 14202;
- пересечения трубопроводных коммуникаций - по ГОСТ 21.206;
- трубопроводную запорную арматуру, используемую в системах автоматизации (не регулирующую) - по ГОСТ 21.205.
При необходимости изображения видов, разрезов и сечений оборудования их выполняют по ГОСТ 2.305, штриховку - по ГОСТ 2.306.
2.5.3. Рядом с изображением технологического оборудования должны быть даны поясняющие надписи (либо наименование оборудования, либо их позиции, если таковые имеются на технологической схеме).
2.5.4. На коммуникациях наносят стрелки по ГОСТ 2.721, указывающие направления потока веществ. Коммуникации, идущие к начальным или конечным аппаратам и устройствам, в которых нет приборов и средств автоматизации, на схеме обрывают. В месте обрыва ставят стрелки и дают пояснение. Пример. «От насосов» или «К фильтру».
2.5.5. На концах линий и коммуникаций, переходящих с одного листа схемы на другой лист или схему, указывают наименования этих линий или присвоенные им обозначения и в скобках - номер листа или обозначение схемы, где показано продолжение этих линий.
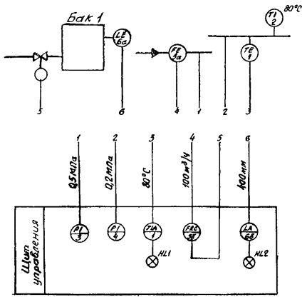
2.5.6. Технологическое оборудование допускается не изображать на схеме в случаях, когда точки контроля и управления в технологических цехах немногочисленны (например, в рабочей документации по диспетчеризации). В этом случае, в верхней части схемы вместо изображения технологического оборудования приводят таблицу по рисунку 1, в графах которой указывают наименование оборудования и коммуникаций.
Рисунок 1
В этом случае схему автоматизации рекомендуется выполнять развернутым способом.
2.6. Контуры контроля, автоматического регулирования и управления, входящие в них технические средства и одиночные приборы изображают по ГОСТ 21.404. Буквенные обозначения измеряемых величин и функциональных признаков приборов или контуров указывают в верхней части окружности (овала).
Более подробные рекомендации по изображению систем автоматизации, а также линий связи между контурами и отдельными приборами, в зависимости от способа выполнения схем автоматизации, приведены в следующих разделах РМ.
2.8. Однотипные объекты управления (отделения, системы, установки, агрегаты, аппараты), не связанные между собой и имеющие одинаковое оснащение системами автоматизации, относящиеся к ним технические средства автоматизации изображают на схемах один раз.
На схемах дают пояснения.
Пример. «Схема составлена для агрегата 1; для агрегатов 2 - 5 схемы аналогичны».
При выполнении схемы автоматизации на нескольких листах или при разработке схем автоматизации на части технологических систем, на взаимосвязанных схемах (или последующих ее листах) дают соответствующие ссылки.
Пример. «Схему автоматизации компрессора см. 16315-АХТ-015» или «Схему автоматизации реактора см. лист 2».
2.9. На схеме автоматизации (на первом листе, если схема выполнена на нескольких листах) дают пояснения, на основании какого документа она разработана.
Пример. «Схема автоматизации разработана на основании схемы 34652-ТХ ... «ВНИИВПроект».
условные обозначения технологических коммуникаций;
условные обозначения приборов и средств автоматизации, которые не представляется возможным изобразить по действующим стандартам;
буквенно-цифровые сокращения, принятые для условных обозначений отдельных блоков или устройств (или выполняемых ими функций) агрегатированных комплексов, вычислительных машин, комплектов (пунктов) телемеханики и т.п.;
резервные буквенные обозначения, примененные для обозначения отсутствующих в ГОСТ 21.404 контролируемых величин или функциональных признаков приборов.
Примечание. Применение буквы N для обозначения пусковой аппаратуры по ГОСТ 21.404 можно не оговаривать.
2.11. Толщину линий на схеме выбирают на основании требований ГОСТ 2.303 и ГОСТ 21.404.
В частности, рекомендуется использовать линии следующей толщины:
1) контурные (для агрегатов, установки, технологических аппаратов) - 0,2 - 0,5 мм;
2) коммуникаций - 0,5 - 1,5 мм;
3) обозначений приборов и средств автоматизации - 0,5 - 0,6 мм;
4) линий связи - 0,2 - 0,3 мм;
5) прямоугольников, изображающих щиты, пульты, агрегатированные комплексы и т.п. - 0,5 - 1 мм;
6) выносок - 0,2 - 0,3 мм.
При одинаковой толщине линий различного назначения их рекомендуется вычерчивать (для выделения) по толщине в противоположных (большем и меньшем) пределах.
2.12. Размеры цифр и букв для позиций, позиционных обозначений и надписей выбирают на основании ГОСТ 2.304.
Рекомендуется применять следующие размеры шрифта:
1) для позиций - цифры - 3,5 мм; буквы (строчные) - 2,5 мм;
2) для позиционных обозначений - буквы и цифры - 3,5 мм;
3) для пояснительного текста и надписей - 3,5 ... 5 мм.
2.13. Расстояние между параллельными линиями связи должно быть не менее 3 мм.
2.14. Пояснение и текстовые надписи на схеме выполняются согласно требованиям ГОСТ 2.316 и ГОСТ 21.101.
В надписях и текстах не допускаются сокращения слов за исключением общепринятых, а также установленных ГОСТ 7.12 и приложением к ГОСТ 2.316.
3.1.1. При развернутом способе на схеме автоматизации изображают все контуры систем автоматизации, входящие в каждый контур приборы и средства автоматизации и место их расположения: на ТОУ, по месту вблизи оборудования и коммуникаций, на устройствах пунктов управления: щитах, постах, пультах, комплексах технических средств и т.п. В составе контуров изображают приборы и средства автоматизации, имеющиеся у заказчика (на складе или демонтируемых при реконструкций СА и используемые в новых системах).
3.1.2. На схемах не приводят вспомогательное оборудование и аппараты, участвующие в реализации функций контроля и управления: реле, аппаратуру электро- и пневмопитания, аппараты подготовки проб для приборов контроля состава и качества вещества и т.п.
3.1.3. Приборы, встраиваемые в технологические коммуникации, показывают в разрыве линии изображения коммуникаций в соответствии с рисунком 2, устанавливаемые на технологическом оборудовании с помощью закладных устройств (бобышек, штуцеров, гильз и т.п.) показывают рядом с изображением этого оборудования или коммуникации - в соответствии с рисунком 3.
Рисунок 2
Рисунок 3
3.1.4. Остальные технические средства автоматизации показывают условными графическими обозначениями в прямоугольниках, расположенных в нижней части схемы (ниже изображения ТОУ). Каждому прямоугольнику присваивают заголовки по приведенным ниже рекомендациям.
Первым располагают прямоугольник, в котором показаны внещитовые приборы, конструктивно не связанные с технологическим оборудованием с заголовком «Приборы местные», ниже - прямоугольники, в которых показаны щиты и пульты, а также комплексы технических средств (при необходимости).
Заголовки прямоугольников, предназначенных для изображения щитов и пультов, указывают в соответствии с наименованиями, принятыми в эскизных чертежах общих видов, для комплексов технических средств - в соответствии с их записью в спецификации оборудования.
3.1.5. Приборы и средств автоматизации, условные обозначения которых не представляется возможным построить с помощью ГОСТ 21.404, допускается обозначать произвольными условными обозначениями с обязательным пояснением их на схеме. При этом:
для буквенных обозначений измеряемых величин и функциональных признаков приборов используют приведенные в нем резервные буквы;
электроаппараты, включаемые в состав контуров контроля и управления (сигнальные лампы, гудки звонки), а также электродвигатели приводов оборудования, изображают условными обозначениями по соответствующим стандартам ЕСКД: ГОСТ 2.722, ГОСТ 2.732, ГОСТ 2.741.
3.1.6. Для однотипных технологических объектов (или их частей), имеющих общие щиты, пульты, комплексы с аппаратурой и приборами, на схеме рекомендуется показывать технологическое оборудование одного объекта (части). Приборы и средства автоматизации, устанавливаемые на щите, показывают полностью для всех объектов.
При этом возможны следующие варианты:
- приборы, применяемые для контроля (регулирования) однотипны, контролируемые параметры имеют одинаковые значения; при этом все повторяющиеся приборы показывают на щите один раз, а около их обозначения проставляется количество в штуках (рисунок 4);
- приборы, применяемые для контроля (регулирования) однотипны, контролируемые параметры имеют различные значения; при этом следует показывать на щите все приборы. Около линий связи, соединяющих приборы и средства автоматизации с управляемым объектом (без показанного технологического оборудования), дают пояснения. Пример. «От реакторов 2 - 3» (рисунок 5).
Пример выполнения схемы автоматизации для однотипных технологических объектов с приборами, устанавливаемыми на общем щите (контролируемые параметры имеют одинаковые значения)
Рис. 4
Пример выполнения схемы автоматизации для однотипных технологических объектов с приборами, устанавливаемыми на общем щите (контролируемые параметры имеют различные значения)
Рис. 5
3.1.7. При использовании многоточечного прибора для контроля какого-либо параметра в нескольких однотипных аппаратах на схеме показывают только один технологический аппарат и один датчик, а около прибора показывают линии связи от остальных датчиков (рисунок 5).
3.1.8. Прямоугольники, изображающие комплексы технических средств (агрегатированных комплексов типа «Номинал», КТС «ЛИУС-2» и др. средств микропроцессорной техники), рекомендуется разделять горизонтальными линиями на части, число которых соответствует количеству блоков или устройств, выполняющих основные функции по обработке информационных сигналов и выдачи сигналов управления. В этом случае кроме наименования всего комплекса рекомендуется приводить сокращенные наименования или типы отдельных его блоков, выполняющих функции измерения, регулирования, сигнализации и др. Указанные наименования или типы блоков наносят с левой стороны прямоугольника рядом с наименованием комплекса (рисунок 7).
Точки входа и выхода сигналов на прямоугольниках соответствующих блоков показывают кружками диаметром 1,5 - 2 мм. Для удобства пользования схемой и подсчета общего количества используемых каналов разрешается около кружков указывать количество и буквенно условное обозначение используемых каналов. Принятые условные обозначения блоков и каналов должны быть обязательно пояснены на схеме.
Пример пневматической управляющей установки «Номинал» показан на рисунке 6, в которую входит стойка «Номинал 2», «Номинал 2А» и «Ритминал С3».
Колонка цифр в левой части показывает предельное количество точек, для которых можно реализовать указанные функции, колонка цифр в правой части показывает фактическое количество таких точек, использованных для автоматизации данного технологического процессов выбранными стойками.
Аналогично вышеописанному оформляется схема автоматизации с применением персональной электронной вычислительной машины (ПЭВМ). Примеры выполнения такой схемы приведены на рисунке 8, в приложении 1.
Пример изображения на схеме автоматизации измерения температуры в нескольких однотипных аппаратах с помощью многоточечного прибора
Рис. 6
Пример выполнения схемы автоматизации с применением пневматического комплекса «Номинал»
Рис. 7
Пример выполнения схемы автоматизации с применением электронной вычислительной машины (технологическая часть схемы условно не показана)
Рис. 8
Пример. ТИ - телеизмерение, ТС - телесигнализация, ТУ - телеуправление и т.д.
Все принятые условные обозначения должны быть расшифрованы на схеме.
блокировки при их небольшом объеме (не более 3 - 4х) показывать в виде линий связи между контактными устройствами приборов и приводами оборудования (или между взаимосвязанными приводами) в случае их однозначного воздействия;
при многорежимном управлении электроприводами с большим количеством взаимозависимостей - не изображать блокировки между различным оборудованием, включение и отключение которого производят по различным взаимозависимостям в одном и том же режиме или в разных режимах по нескольким (более 3 - 4) параметрам или при сложной комбинации включений и отключений взаимосвязанного оборудования. В этом случае приводят указания на обозначения принципиальных электрических схем, в которых они отражены все блокировки и режимы;
приводить на поле схемы автоматизации (или последующими ее листами) схемы (таблицы) блокировочных зависимостей;
изображать системы управления по правилам изображения агрегатированных комплексов, средств ЭВМ, телемеханики (см. пп. 3.1.8; 3.1.9).
3.1.11. При расположении изображения щита или комплекса технических средств только на одном листе прямоугольник щита справа замыкается линией. При необходимости изображения их на последующих листах одной схемы или последующих схемах автоматизации изображения этих прямоугольников не замыкается с правой стороны. В этом месте делают соответствующую надпись.
Пример: При расположении изображения щита на трех листах на первом листе делают надпись: «Лист 2», на втором листе - «Лист 3», на третьем листе прямоугольник щита замыкается линией.
Аналогичные надписи выполняют на взаимосвязанных схемах автоматизации, имеющих общие пункты управления. В этом случае вместо номера листа пишут обозначение последующей схемы. Наименование щита, располагаемое слева на листах 2 и 3 или последующих схемах выполняется так же, как на листе 1.
3.1.12. При разработке в рабочей документации сложных многоуровневых систем автоматизации с применением на каждом уровне различного оборудования (например, проектнокомпануемых комплексов для локальных информационно-управляющих систем на нижнем или среднем уровне управления и ПЭВМ - на верхнем) рекомендуется дополнительно разрабатывать схемы структурные комплекса технических средств (КТС). Содержание схемы структурной КТС принимают по РД 50-34.698, пример выполнения схемы приведен в приложении 4.
3.1.13. При разработке проектно-сметной документации систем автоматизации для объектов, проектируемых с применением узлов или блоков агрегатированного оборудования, необходимо дополнительно учитывать следующие указания:
3.1.13.1. Приборы и средства автоматизации, располагаемые на блоке оборудования, изображают на схеме блока (схеме автоматизации, совмещенной схеме с оборудованием блока). Линии связи от приборов на блоке выводят на изображение контура (границы) блока.
Такие схемы могут быть разработаны как в конструкторской документации блока, так и предусмотрены в основных комплектах рабочих чертежей соответствующих ТОУ технологических или инженерных марок, а также разработаны в виде задания (части задания) на изготовление блока.
3.1.13.2. Блоки на схеме автоматизации ТОУ изображают в виде прямоугольника, к которому подведены линии, обозначающие подключаемые к блоку технологические коммуникации (рисунок 8). Внутри прямоугольника приводятся надписи, указывающие наименование и тип блока, а также обозначение схемы автоматизации из конструкторской документации блока или схемы блока по технологической (инженерной) документации.
3.1.13.3. В контуре прямоугольника показываются номера (обозначения) линий связи от приборов, установленных на блоке. Расположение номеров линий связи в прямоугольнике должно соответствовать их расположение на схемах блока. Эти линии соединяют с изображениями приборов и средств автоматизации, расположенные в пунктах управления.
3.1.13.4. Схему автоматизации блока выполняют в виде фрагмента технологической схемы с изображением установленных на блоке приборов и средств автоматизации. Правила изображения технологического оборудования и коммуникаций, а также приборов и средств автоматизации принимают по данному РМ. Линии связи от приборов, входящих в блоки, к приборам и средствам автоматизации, установленным вне блока, рекомендуется выносить на одну - две базовые линии, расположенные (по возможности) ниже технологического оборудования. Концы линий связи маркируют порядковыми номерами слева направо, начиная с цифры 1.
Пример выполнения схемы автоматизации с применением блоков агрегированного оборудования
Рис. 9
3.2.1. Линии связи между приборами и средствами автоматизации на схеме автоматизации изображаются одной тонкой сплошной линией независимо от вида сигналов и количества проводов или труб.
3.2.2. Подвод линий связи к символу прибора допускается изображать в любой точке окружности (сверху, снизу, сбоку).
3.2.3. Линия связи должны изображаться по возможно кратчайшему расстоянию с минимальным числом изгибов и пересечений.
3.2.4. Допускается пересечение линиями связи изображений технологического оборудования. Пересечение линиями связи обозначений приборов и средств автоматизации не допускается.
3.2.5. При пересечении, ответвлении и слиянии линиями связи следует рассматривать два случая:
1) пересечение (ответвление, слияние) без функционального взаимодействия (без соединения) друг с другом;
2) пересечение (ответвление, слияние) без функционального взаимодействия (с соединением) друг с другом.
В случае функционального взаимодействия (соединения) линий связи в месте пересечения ставится точка.
Примером пересечения (ответвления) линий связи с соединением их и без соединения служит линия блокировки (рисунок 9). Точки ставят в местах пересечения линий блокированных с линиями связи параметров вызывающих останов или запрет пуска компрессора и линий управления электродвигателем компрессора. В местах пересечения линии блокировки с линиями связи параметров, которые подлежат только сигнализации и не вызывают останова компрессора, точка не ставится.
Примером слияния линий связи является изображение обвязки многоточечного прибора для измерения температуры (см. рисунок 6).
3.2.6. Линии связи должны четко отобразить функциональные связи приборов (элементов) от начала прохождения сигнала (воздействия) до конца. При необходимости указания направления передачи сигнала на линиях связи допускается накосить стрелки.
Пример выполнения на схеме автоматизации пересечения линий связи с соединением и без соединения друг с другом
Рис. 10
3.2.7. Для сложных объектов с большим количеством применяемых приборов и средств автоматизации, когда изображение непрерывных линий связи затрудняет чтение схемы, допускается их изображать с разрывом (адресный метод изображения линий связи). Места разрывов линий связи нумеруют арабскими цифрами в порядке их расположения в прямоугольнике с заголовком «Приборы местные» или «Щит...» (рисунок 11).
Допускается комбинированное выполнение линий связи: непрерывными линиями и адресным методом для тех участков схем, где нанесение непрерывных линий затруднительно.
3.2.8. На участках линий связи со стороны приборов, изображенных в прямоугольниках щитов и пультов или прямоугольнике «Приборы местные» слева, непосредственно у подхода их и первому прямоугольнику, указывают предельные рабочие (максимальные или минимальные) значения измеряемых или регулируемых величин параметров. Эти величины указывают в единицах шкалы выбираемого прибора или в соответствии с ГОСТ 8.417 (СТ СЭВ 1052). Разрежение (вакуум) обозначается знаком «минус».
Для приборов, встраиваемых непосредственно в технологическое оборудование и не имеющих линии связи с другими приборами, предельные значения величин параметров указывают рядом с обозначением приборов (см. рисунок 11, Т1, поз. обозн. 2).
3.2.9. Надписи типа «Регулирование» на линиях связи, идущих к регулирующим органам, а также типа «Управление насосом», «Управление вентилятором», «Управление задвижной» и т.п. на соответствующие линий связи наносить не рекомендуется. При необходимости на линиях связи для систем управления допускается приводить обозначения принципиальных электрических схем управления соответствующими электроприводами (см. п. 3.1.10).
3.2.10. Выносные линии с полками, служащие для записи на них краткого пояснения функций, выполняемых аппаратурой, изображаются как показано на схеме (см. приложение 2).
Пример изображения разрывов линий связи
Рис. 11
3.2.11. На концах линий связи, переходящих с одного листа схемы на другой лист или схему, указывают номер листа или обозначение схемы, где показано продолжение этих линий. Такие пояснения дают на каждом из взаимосвязанных листов или схем (см. рисунок 10).
3.3.1. Позиционные обозначения приборов и средств автоматизации должны состоять, как правило, из двух частей: цифрового обозначения, присваиваемого контуру контроля и управления, и буквенного обозначения (прописными буквами русского алфавита), присваиваемых каждому отдельному элементу, входящему в контур в порядке алфавита в зависимости от последовательности прохождения сигнала (от устройства получения информации к устройствам воздействия на управляемый процесс).
3.3.2. При большом количестве приборов и средств автоматизации допускают применение позиционного обозначения, состоящего из буквенно-цифрового обозначения, где первый знак должен соответствовать условному обозначению измеряемой величины по ГОСТ 21.404, последующие знаки - порядковому номеру контура в пределах этой измеряемой величины.
3.3.3. Местным приборам, не входящим в контуры, например, показывающим термометрам, манометрам и т.п., допускается присваивать позиционные обозначения, состоящие только из цифрового обозначения.
3.3.4. Во избежание разночтений буквы «З» и «О», имеющие начертание, похожее на начертание цифр, применять не допускается.
1) приборы для контроля и регулирования (температуры, давления и разрежения, расхода, количества, уровня, состава и качества вещества);
2) прочие приборы, регуляторы, комплектные устройства.
3.3.6. Контурам, состоящим из нескольких датчиков и одного вторичного прибора, присваивают позиционное обозначение, содержащие общее цифровое обозначение и несколько буквенных обозначений. При этом одинаковым датчикам следует присваивать одинаковые буквенные обозначения, разным - разные. Вторичному прибору присваивают последующее буквенное обозначение.
3.3.7. Порядок присвоения позиционных обозначений приборам и средствам автоматизации в контурах контроля и управления, функционирующих совместно с техническими средствами управляющего вычислительного комплекса (УВК), принимают в соответствии с вышеприведенными пунктами.
3.3.8. Одинаковым по типам и характеристикам местным приборам рекомендуется присваивать одинаковые позиционные обозначения независимо от места их установки.
3.3.9. Одинаковым контурам и их элементам, установленным на однотипном оборудовании, присваивают одинаковые позиционные обозначения. Одинаковым контурам и их элементам, установленным на разнотипном оборудовании, присваивают разные позиционные обозначения.
Для стыковки схем автоматизации с принципиальными электрическими схемами, на которых выходным устройством приборов и средств автоматизации присваивается позиционные обозначения по ГОСТ 2.710 и РМ4-105, позиционные обозначения приборов по спецификации оборудования, изделий и материалов указывают в графе «Примечание» перечня элементов соответствующей принципиальной электрической схемы.
3.3.11. Электроаппаратура (электроизмерительным приборам, сигнальным лампам, табло, гудкам, звонкам, ключам управления, кнопкам, магнитным пускателям и т.п.), изображаемой на схемах автоматизации, присваивают буквенно-цифровые позиционные обозначения, принятые в соответствии с требованиями ГОСТ 2.710 и РМ4-106 в принципиальных электрических схемах.
3.3.12. Позиционные обозначения приборов и средств автоматизации и позиционные обозначения электроаппаратов, изображенных с помощью условных обозначений по ГОСТ 21.404, проставляют в нижней части графического условного обозначения - окружности или овала. Если позиционное обозначение не помещается в окружности, допускается нанесение его вне пределов окружности - с правой стороны (при необходимости со смещением вверх или вниз).
3.3.13. Позиционные обозначения электроаппаратов (ламп, табло, гудков, звонков и т.п.), изображенной на схемах по стандартам ЕСКД, наносят с правой стороны графического условного обозначения (при необходимости со смещением вверх или вниз).
3.4.2. Изображение технологической схемы изделий индивидуального изготовления выполняется по правилам раздела 2, п. 2.5 данного РМ. При этом в случаях, предусмотренным п. 2.5.2, оборудование и коммуникации изображают по ГОСТ 2.780, ГОСТ 2.782, ГОСТ 2.785, ГОСТ 2.788, ГОСТ 2.789.
3.4.3. Приборы и средства автоматизации изображаются развернутым способом, по правилам подраздела 3.1 данного РМ.
3.4.4. Всем приборам и средствам автоматизации, выходные устройства которых изображены на принципиальных электрических схемах, присваивают буквенно-цифровые позиционные обозначения, принятые в соответствии с требованиями ГОСТ 2.710 и РМ4-106 на принципиальных электрических схемах.
3.4.5. Приборам и средствам автоматизации, не имеющим электрических выходных устройств, присваивают условные позиционные обозначения по правилам подраздела 3.3. Эти позиционные обозначения проставляют только в схемах автоматизации и схемах соединений. При этом на поле схемы автоматизации дается пояснение: «Позиционные обозначения приборам ... (перечисляют позиционные обозначения) ... присвоены условно».
3.4.6. При необходимости разработки групповой схемы автоматизации (с таблицей переменных составных частей) ее следует выполнять с соблюдением требований ГОСТ 2.113 и настоящего РМ.
3.5. Пример выполнения схемы автоматизации развернутым способом приведен в приложении 1.
4.1. При упрощенном способе выполнения схем автоматизации на них наносят контуры контроля и управления, а также одиночные приборы, их наносят рядом с изображением технологического оборудования и коммуникации (или в их разрыве) по рисункам 1 и 2. Состав технических средств контура приводят в других листах (документах) основного комплекта.
В нижней части схемы рекомендуется приводить таблицу контуров в соответствии с приложением 3. В таблице контуров указывают номера контуров и номер листа (обозначение документа) основного комплекта, на котором приведен состав каждого контура.
4.2. Контур (независимо от количества входящих в него элементов) изображают в виде окружности (овала), разделенного горизонтальной чертой. В верхнюю часть окружности записывают буквенное обозначение, определяющее измеряемый (регулируемый) параметр и функции, выполняемые данным контуром, в нижнюю - номер контура. Для контуров систем автоматического регулирования, кроме того, на схеме изображают исполнительные механизмы, регулирующие органы и линию связи, соединяющую контур с исполнительными механизмами.
Предельные рабочие значения измеряемых (регулируемых) величин указывают рядом с графическими обозначениями контуров или в дополнительной графе таблицы контуров.
4.3. Состав каждого контура должен быть приведен на:
- принципиальной (электрической, пневматической) схеме контроля, регулирования и управления;
- схеме соединений внешних проводок.
4.4. Когда на указанных схемах сложно привести полный состав элементов контура, разрабатывают структурную схему контура, пример выполнения которой приведен на рисунке 12.
4.5. Пример выполнения схемы автоматизации упрощенным способом приведен в приложении 3.
Пример изображения состава контура измерения, регулирования и сигнализации уровня на структурной схеме КТС
Рис. 12
4.6. Таблица контуров в зависимости от объема автоматизации может располагаться либо на свободном поле схемы автоматизации (приложение 3), либо на последующих листах схемы формата А4 (рисунок 12).
Одиночные приборы в таблицу не вносятся. Контура, имеющие одинаковый состав, который может быть изображен на одном документе, вносят в таблицу один раз. При этом в графе «Номер контура» перечисляют обозначения этих контуров.
4.7. В качестве типовых принципиальных электрических схем для контуров САР, реализуемых на аппаратуре завода МЗТА и Чебоксарского завода, рекомендуются схемы, разработанные в руководящих материалах РМ4-36, РМ4-52 ч. V, РМ4-52 ч. III.
4.8. На схемах соединений внешних проводок может быть показан состав простых контуров с однозначными связями (например: преобразователь термоэлектрический - потенциометр, термопреобразователь сопротивления - мост).
При этом следует соблюдать приведенные ниже правила:
1) схему выполняют с соблюдением общих правил по изображению приборов, проводок и т.п. по РМ4-6 ч. III;
2) приборы, устанавливаемые на щитах, пультах, комплексах, изображают с помощью монтажных символов по аналогии с изображением местных приборов;
3) для проводок, объединяемых в магистральные потоки, подключения к соединительным коробкам, щитам и т.п. показывают условно (без клеммных зажимов). Фактическое их подключение отображают на общей схеме соединений внешних проводок, где показывают структуру объединения проводок от отдельных контуров в потоки. Пример изображения состава контура измерения расхода на схеме соединений внешних проводок приведен на рисунке 14 (тип соединительной коробки поз. 4 и кабеля поз. 5 не указан, так как эти данные показывают на общей схеме соединений внешних проводок).
Пример выполнения таблицы контуров, располагаемой на последующих листах схемы автоматизации
|
№ контура |
Обозначение проектного документа |
Предельное значение измеряемой (регулируемой) величины |
№ контура |
Обозначение проектного документа |
Предельное значение измеряемой (регулируемой) величины |
|
1 |
ХХХ-АХТ-ХХ |
... °С |
13 |
ХХХ-АХТ-ХХ |
... м3/ч |
|
2 |
ХХХ-АТХ-ХХ |
... °С |
14 |
УО4.ХХХ.ХХ |
... м3/ч |
|
3 |
ХХХ-АХТ-ХХ |
... °С |
15 |
ХХХ-АХТ-ХХ |
... м |
|
4 |
ХХХ-АХТ-ХХ |
... °С |
16 |
ХХХ-АХТ-ХХ |
... м |
|
5 |
ХХХ-АОВ-ХХ |
... °С |
17 |
ХХХ-АХТ-ХХ |
... м |
|
6 |
ХХХ-АХТ-ХХ |
... МПа |
18 |
ХХХ-АХТ-ХХ |
мг/л |
|
7 |
ХХХ-АХТ-ХХ |
... МПа |
|
|
|
|
8 |
ХХХ-АОВ-ХХ |
... МПа |
|
|
|
|
9 |
УО4.ХХХ.ХХ |
... МПа |
|
|
|
|
10 |
УО4.ХХХ.ХХ |
... МПа |
|
|
|
|
11 |
ХХХ-АХТ-ХХ |
... м3/ч |
|
|
|
|
12 |
ХХХ-АХТ-ХХ |
... м3/ч |
|
|
|
Рис. 13
Пример изображения состава контура измерения расхода на схеме соединений внешних проводок

|
Приборы местные |
Щит контроля |
|
Поз. обознач. |
Наименование |
Кол. |
Примеч. |
|
1 |
Труба стальная бесшовная |
|
|
|
2 |
Вентиль запорный В-501 dy = 10 мм |
4 |
|
|
3 |
Кабель контрольный КВВГ 5´1,0 |
|
|
|
4 |
Коробка соединительная |
|
|
|
5 |
Кабель контрольный |
|
|
4.10. Схемы структурные контуров рекомендуется разрабатывать для стадии проект (см. РТМ 36.22.8) и для сложных контуров контроля и регулирования, когда:
между приборами и средствами автоматизации имеются сложные взаимосвязи и принципиальные схемы не могут отразить функциональные взаимодействия составляющих элементов контура,
большинство приборов и средств автоматизации контура размещены на щите (пульте) и показывать для такого контура все взаимосвязи на схеме соединений внешних проводок становится нецелесообразно.
4.11. Для каждого контура разрабатывают самостоятельную структурную схему. Структурную схему выполняют с применением условных обозначений по ГОСТ 21.404. При необходимости допускается применение нестандартизованных условных обозначений с пояснением их на схемах. На схеме изображают все элементы контура, места их расположения, направление прохождения сигнала.
Линии связи между элементами указывают условно, одной линией независимо от количества проводов (труб).
Пример изображения состава контура на структурной схеме приведен на рис. 14.
1) основную надпись на документах выполняют по форме 3 ГОСТ 21.101;
2) документам повторного применения присваивают наименования по типу:
Контур САР температуры.
Схема электрическая принципиальная;
Контур измерения расхода.
Схема соединений внешних проводок;
Контур измерения и сигнализации уровня.
Схема структурная КТС;
3) документы повторного применения записывают в ведомость ссылочных и прилагаемых документов по ГОСТ 21.101 (в раздел «Прилагаемые документы»);
4) при наличии в документах повторного применения переменных данных, (позиции и типы приборов, обозначения элементов и цепей, маркировки, типы и длины проводок и т.п.), их представляют в таблице применяемости контуров (рисунок 15).
4.14. Таблицы применяемости контуров разрабатывают самостоятельными текстовыми документами с соблюдением следующих правил:
1) наименование таблиц должно состоять из наименования схемы соответствующего контура (п. 4.13) и слов: «Таблица применяемости»;
2) содержание и форму таблиц устанавливает разработчик, исходя из объема переменных данных;
1) графическое изображение состава контура и его связей;
2) форму таблицы применяемости;
3) основную надпись по ГОСТ 21.101 (форма 1), на которой рекомендуется заполнить графы 4, 7, 8.
Бланк должен быть выполнен на кальке электрографическим способом, обеспечивающим получение хороших четких копий.
Разработка схем контуров в данном случае сводится к заполнению таблицы применяемости необходимыми переменными данными и оставшихся незаполненными граф основной надписи.
Пример выполнения таблицы применяемости схемы контура измерения расхода
|
Поз. диафрагмы |
Поз. дифманометра |
Тип вентиля |
Труба |
Кабель |
||
|
Марка |
Длина |
Марка |
Длина |
|||
|
34а |
34б |
В-501; dу = 10 |
Труба 14´2 ГОСТ 8734-75 |
4 |
КРВГ 5´1 ГОСТ 1508-78 |
6 |
|
35а |
35б |
То же |
То же |
10 |
То же |
12 |
|
36а |
36б |
² |
² |
8 |
² |
10 |
|
37а |
37б |
² |
² |
12 |
² |
18 |
|
38а |
38б |
² |
² |
16 |
² |
20 |
|
39а |
39б |
² |
² |
6 |
² |
8 |
|
134а |
134б |
14нж 19п dy = 10 |
Труба 14´2 17Х18Н9 ГОСТ 9941-81 |
10 |
КРВГ 5´1 ГОСТ 1508-781 |
12 |
|
135а |
135б |
То же |
То же |
6 |
То же |
8 |
|
136а |
136б |
² |
² |
4 |
² |
10 |
|
137а |
137б |
² |
² |
8 |
² |
15 |
Данную рекомендацию затруднительно применять при автоматизации ряда объектов, для которых разные системы ТОУ изображают в рабочей документации нескольких марок.
Например, для технологии нагревательных и термических операций цехов обработки металлов в рабочей документации не разрабатывают схемы соединений по ГОСТ 21.401. При этом на схемах автоматизации требуется изображение как самих печей, так и систем внутреннего газоснабжения, вентсистем подачи воздуха на горение, которые разрабатывают в разных основных комплектах рабочих чертежей.
5.2. Схемы выполняются по правилам, распространяющимся на технологическую (инженерную) рабочую документацию, включая ее обозначение и наименование.
Правила изображения приборов и средств автоматизации и присвоения им позиций принимается по данному РМ.
5.3. Приборы и средства автоматизации на совмещенных схемах допускается изображать как развернутым, так и упрощенным способами.
При изображении приборов развернутым способом допускается не изображать прямоугольники «Приборы местные», нанося условные обозначения установленных по месту приборов на свободном поле схемы. Все местные щиты управления на схеме должны быть изображены.
Прямоугольники щитов и пультов рекомендуется изображать как правило, в нижней части схемы.
5.4. Разработчики СА могут изображать на схеме условные обозначения приборов и средств автоматизации, щитов и пультов, линии связи между средствами автоматизации.
При упрощенном способе изображения контуров могут быть нанесены также и разработчиками схем соединения технологической рабочей документации (схем инженерных систем).
Во всех случаях совмещенные схемы должны иметь согласующие подписи разработчиков СА.
5.5. Схема включается в ведомость ссылочных и прилагаемых документов (в раздел «Прилагаемые документы») «Общих данных» по рабочим чертежам по ГОСТ 21.408 основного комплекта рабочих чертежей СА.
Схема прикладывается к каждому экземпляру основного комплекта рабочих чертежей СА.
На схеме должна быть приведена таблица графических и буквенных условных обозначений приборов и средств автоматизации, которые не представляется возможным построить по действующим стандартам (см. п. 2.10).
5.6. При совмещении схемы автоматизации, выполняемой упрощенным способом, таблицы с указанием номеров контуров и обозначениями проектных документов, в которых раскрыт состав контуров, следует приводить в составе основного комплекта рабочих чертежей СА в качестве самостоятельного документа вместо схем автоматизации. Правила выполнения этих таблиц приведены в разделе 4.


1. Схема автоматизации выполнена на основании чертежа ХХХ-ХХ-ТХ л. 3 ГПН ...
2. Схема разработана для вентсистемы П1 и применима для вентсистем П2 и П3.
3. Условное обозначение трубопроводов приняты по ГОСТ 14202-69.

|
№ контура |
2 |
3 |
4, 5, 6 |
7 |
8 |
|
Обозначение проектного документа |
ХХХ-АТХ-ХХ |
ХХХ-АТХ-ХХ |
ХХХ-АТХ-ХХ |
ХХХ-АТХ-ХХ |
ХХХ-АТХ-ХХ |

1. РАЗРАБОТАН Государственным проектным и конструкторским институтом Проектмонтажавтоматика
Исполнители: Н.А. Рыжов, А.М. Гуров
2. ВЗАМЕН РМ4-2-92
3. ССЫЛОЧНЫЕ НОРМАТИВНО-ТЕХНИЧЕСКИЕ ДОКУМЕНТЫ
|
Обозначение НТД, на который дана ссылка |
Номер пункта, подпункта |
|
ВСН 516-91 |
|
|
ВСН 519-90 |
|
|
ГОСТ 2.113-75 |
|
|
ГОСТ 2.303-68 |
|
|
ГОСТ 2.304-81 |
|
|
ГОСТ 2.305-68 |
|
|
ГОСТ 2.306-68 |
|
|
ГОСТ 2.316-68 |
|
|
ГОСТ 2.701-84 |
|
|
ГОСТ 2.710-81 |
|
|
ГОСТ 2.721-74 |
|
|
ГОСТ 2.722-68 |
|
|
ГОСТ 2.732-68 |
|
|
ГОСТ 2.741-68 |
|
|
ГОСТ 2.780-68 |
|
|
ГОСТ 2.782-68 |
|
|
ГОСТ 2.785-70 |
|
|
ГОСТ 2.788-74 |
|
|
ГОСТ 2.789-74 |
|
|
ГОСТ 2.790-74 |
|
|
ГОСТ 2.791-74 |
|
|
ГОСТ 2.792-74 |
|
|
ГОСТ 2.793-79 |
|
|
ГОСТ 2.794-79 |
|
|
ГОСТ 2.795-80 |
|
|
ГОСТ 7.12-93 |
|
|
ГОСТ 8.417-81 |
|
|
ГОСТ 21.101-93 |
|
|
ГОСТ 21.205-93 |
|
|
ГОСТ 21.206-93 |
|
|
ГОСТ 21.401-88 |
|
|
ГОСТ 21.404-85 |
|
|
ГОСТ 21.408-93 |
|
|
ГОСТ 21.606-95 |
|
|
ГОСТ 21.609-83 |
|
|
ГОСТ 34.201-89 |
Вводная часть |
|
ГОСТ 14202-69 |
|
|
Об.89КБМ |
|
|
РД 50-34.698-90 |
3.12 |
|
РТМ 36.22.8-90 |
|
|
РМ4-6-92 ч. III |
|
|
РМ4-36-85 |
|
|
РМ4-52-80 ч. III |
|
|
РМ4-52-91 ч. V |
|
|
РМ4-59-95 |
|
|
РМ4-106-91 |
|
|
РМ4-206-95 |
|
|
РМ4-239-91 |
|
|
РМ4-261-91 |
|
|
СНиП 3.05.07-85 |
Вводная часть, 1.4 |
СОДЕРЖАНИЕ