Меню
Навигация
Novatika
Первая линия

Организация работы пунктов централизованной охраны

Рассмотрены вопросы организации работы пунктов централизованной охраны (ПЦО), определены задачи ПЦО, должностные обязанности обслуживающего персонала, требования к помещениям (санитарные нормы, охрана и техническая укрепленность, требования к организации режима труда и отдыха при работе с компьютером). Приведены технические характеристики систем передачи извещений, используемых в ПЦО. Определен порядок организации и проведения технического обслуживания оборудования, размещенного в ПЦО, приведен рекомендуемый перечень документации учета и контроля выполняемых работ в ПЦО. Предназначены для руководящего и обслуживающего персонала ПЦО.

Обозначение: Р 78.36.011-2000
Название рус.: Организация работы пунктов централизованной охраны
Статус: утратил силу
Дата актуализации текста: 05.05.2017
Дата добавления в базу: 01.09.2013
Дата введения в действие: 10.06.2014
Утвержден: 12.09.2000 ГУВО МВД России (Security Guard Service Administration at the Russian Federation Ministry of Internal Affairs )
Опубликован: НИЦ Охрана ГУВО МВД России (2000 г. )
Ссылки для скачивания:

МИНИСТЕРСТВО ВНУТРЕННИХ ДЕЛ РОССИЙСКОЙ ФЕДЕРАЦИИ
ГЛАВНОЕ УПРАВЛЕНИЕ ВНЕВЕДОМСТВЕННОЙ ОХРАНЫ

ОРГАНИЗАЦИЯ РАБОТЫ
ПУНКТОВ ЦЕНТРАЛИЗОВАННОЙ ОХРАНЫ

РЕКОМЕНДАЦИИ

(Р 78.36.011-2000)

МОСКВА 2000

Рекомендации разработаны сотрудниками НИЦ «Охрана» ГУВО МВД России М.С. Ковалевым, Н.Н. Котовым, Л.И. Савчук, Е.П. Тюриным и утверждены начальником ГУВО МВД России генерал-лейтенантом милиции Радивилом С.Ф. 12 сентября 2000 года.

Рассмотрены вопросы организации работы пунктов централизованной охраны (ПЦО), определены задачи ПЦО, должностные обязанности обслуживающего персонала, требования к помещениям (санитарные нормы, охрана и техническая укрепленность, требования к организации режима труда и отдыха при работе с компьютером). Приведены технические характеристики систем передачи извещений, используемых в ПЦО. Определен порядок организации и проведения технического обслуживания оборудования, размещенного в ПЦО, приведен рекомендуемый перечень документации учета и контроля выполняемых работ в ПЦО.

Предназначены для руководящего и обслуживающего персонала ПЦО.

НИЦ «Охрана» ГУВО МВД России выражает признательность сотрудникам: В.А. Лютенко, Ю.Н. Зуйкову, В.В. Дубинину (ГУВО МВД России); Н.Е. Козлову, П.М. Снесареву, А.Г. Петрову (УВО при ГУВД г. Москвы); В.Н. Несевре, М.Ю. Задорнову, В.А. Музлову (УВО при ГУВД Московской области); В.Н. Дурнобрагову, И.В. Галкину (УВО при УВД Тульской области); А.А. Орехову, Д.С. Бонадыкову, С.Ю. Романову (УВО при УВД Тверской области), В.А. Маторину, О.Е. Тютюкову, А.Б. Барахнину (УВО при УВД Волгоградской области), УВО при УВД Оренбургской области; А.А. Галкину, К.В. Колесову (ПЦО Перовского района г. Москвы); сотрудникам радиотехнического факультета Воронежского института МВД России за предложения и замечания, высказанные в процессе подготовки и рецензирования настоящих Рекомендаций.

1. ОБЩИЕ ПОЛОЖЕНИЯ

Рекомендации по организации работы пунктов централизованной охраны (далее - Рекомендации) разработаны в соответствии с нормативными актами МВД России и ГУВО МВД России, Положением о вневедомственной охране при органах внутренних дел Российской Федерации.

Пункт централизованной охраны (ПЦО) является структурным подразделением отдела (отделения) вневедомственной охраны при территориальном органе внутренних дел (ОВД) и призван обеспечить:

- прием под охрану с помощью технических средств охраны (ТСО) объектов (обособленных помещений) различных форм собственности, особо ценных объектов культурного наследия народов Российской Федерации и мест хранения личного имущества граждан;

- контроль за сохранностью принятых под охрану материальных ценностей, предупреждение и пресечение преступных посягательств на охраняемые объекты с помощью ТСО;

- обработку информации о нарушениях целостности систем сигнализации заблокированных объектов (квартир), подключенных к системам передачи извещений (СПИ);

- доведение тревожной информации группам задержания (ГЗ), дежурным частям ОВД и пожарной охраны;

- задержание на месте преступления нарушителей (по поступившему в ПЦО сигналу), а также их преследование и задержание при попытке скрыться с места преступления;

- охрану места происшествия и сохранение следов преступления до прибытия оперативно-следственной группы ОВД.

В своей работе личный состав ПЦО руководствуется Конституцией Российской Федерации, Законом Российской Федерации «О милиции», Положением о вневедомственной охране, нормативными актами МВД России, приказами, распоряжениями и указаниями ГУВО МВД России и настоящими Рекомендациями.

Начальствующий и инженерно-технический состав ПЦО входит в штатную численность отдела (отделения) вневедомственной охраны и находится в прямом подчинении начальника ОВО, который несет персональную ответственность за выполнение поставленных задач.

Пункты централизованной охраны организуют в городах, рабочих поселках, районных центрах и на крупных объектах с развитой телефонной сетью (при организации ПЦО на основе систем радиоохраны телефонизация объекта необязательна):

- городские - при наличии в городе одной или нескольких автоматических телефонных станций (АТС), обслуживающих город, райцентр, в которых имеется одно подразделение вневедомственной охраны;

- районные - при наличии в городе нескольких районов и районированных АТС, обслуживающих несколько подразделений вневедомственной охраны;

- микро-ПЦО - при наличии в районе нескольких зон, значительно удаленных от городских (районных) ПЦО и обслуживаемых одним подразделением вневедомственной охраны.

Начальник подразделения охраны определяет объекты (обособленные помещения), подлежащие подключению к пультам централизованного наблюдения (ПЦН) в ПЦО, исходя из:

- их удаленности от зоны действия ПЦО с учетом реальной возможности ГЗ реагировать на вероятные преступления за соответствующее время пресечения противоправных действий;

- наличия маршрутов и постов охраны;

- наличия телефонной и радиосвязи;

- экономической целесообразности;

- технической укрепленности объектов и оборудования их ТСО.

Прием объекта под охрану оформляется заключением договора между отделом (отделением) вневедомственной охраны и собственником. Заключение договора об охране осуществляется только после проведения обследования объекта (обособленного помещения), устранения выявленных при этом недостатков и приведения объекта (помещения) в состояние, отвечающее условиям договора об охране. Объект считается принятым под охрану после подписания обеими Сторонами договора об охране объекта.

Не допускается подключать к ПЦН в ПЦО технически неукрепленные (согласно действующим нормативным и техническим документам) объекты (квартиры), с неисправными или не включенными в Перечень технических средств вневедомственной охраны, разрешенных к применению в (текущем) году (далее - Перечень), ТСО.

2. ТЕРМИНЫ И ОПРЕДЕЛЕНИЯ

В настоящих Рекомендациях применяются следующие основные термины с соответствующими (согласно государственным стандартам, руководящим документам и др.) определениями:

·      Объект охраняемый - объект, охраняемый подразделением охраны и оборудованный действующими техническими средствами охранной, пожарной и (или) тревожной сигнализации.

·      Пункт централизованной охраны - диспетчерский пункт для централизованной охраны ряда рассредоточенных объектов от проникновения нарушителя и пожара с использованием СПИ о проникновении и пожаре.

·      Пульт централизованного наблюдения - самостоятельное техническое средство (совокупность технических средств) или составная часть СПИ, устанавливаемая в ПЦО (пункте установки пульта), для приема от устройств оконечных (УО) пультовых или ретранслятора(ов) извещений о проникновении на охраняемые объекты и (или) пожаре на них, служебных и контрольно-диагностических извещений, обработки, отображения и регистрации полученной информации и представления ее в заданном виде для дальнейшей обработки, а также (при наличии обратного канала) для передачи через УО пультовое на ретранслятор(ы) и УО объектовые команд телеуправления.

·      Комплекс охранной, пожарной и (или) тревожной сигнализации - совокупность совместно действующих технических средств охранной, пожарной и (или) тревожной сигнализации, установленных на охраняемом объекте и объединенных системой инженерных сетей и коммуникаций.

·      Система передачи извещений - совокупность совместно действующих технических средств для передачи по каналам связи и приема в ПЦО извещений о проникновении на охраняемые объекты и (или) пожаре на них, служебных и контрольно-диагностических извещений, а также (при наличии обратного канала) для передачи и приема команд телеуправления.

·      Информационная емкость - количество охраняемых объектов или УО (для СПИ), контролируемых шлейфов сигнализации (ШС) или охраняемых зон (для приборов приемно-контрольных), информацию о (для) которых может передавать (принимать, отображать и т.п.) техническое средство охранной, пожарной или тревожной сигнализации.

·      Информативность - количество видов извещений, передаваемых (принимаемых, отображаемых и т.п.) техническим средством охранной, пожарной или тревожной сигнализации.

·      Ретранслятор - составная часть СПИ, устанавливаемая в промежуточном пункте между охраняемыми объектами и ПЦО (или на охраняемом объекте), для приема извещений от УО объектовых (или ретрансляторов), преобразования сигналов и их передачи на последующие ретрансляторы, УО пультовое (или ПЦН), а также (при наличии обратного канала) для приема от ПЦН, УО пультового (или ретрансляторов) и передачи на УО объектовые (или ретрансляторы) команд телеуправления.

·      Техническое средство охраны - конструктивно законченное, выполняющее самостоятельные функции (аппаратно-программное) устройство, которое входит в состав комплекса, системы охранной, пожарной, охранно-пожарной и (или) тревожной сигнализации.

·      Устройство оконечное объектовое - составная часть СПИ, устанавливаемая на охраняемом объекте, для приема извещений от приборов приемно-контрольных (ППК), шлейфов охранной или тревожной сигнализации, преобразования сигналов и их передачи по каналам связи на ретранслятор, а также (при наличии обратного канала) для приема от ретранслятора команд телеуправления.

·      Устройство оконечное пультовое - составная часть СПИ, устанавливаемая в ПЦО, для приема извещений от ретранслятора(ов), их преобразования и передачи на ПЦН, а также (при наличии обратного канала) для приема от ПЦН и передачи на ретранслятор(ы) и УО объектовые команд телеуправления.

·      Шлейф охранной (пожарной, тревожной) сигнализации - электрическая цепь, которая соединяет выходные цепи охранных (пожарных, тревожных) извещателей, включает в себя вспомогательные (выносные) элементы (диоды, резисторы и т.п.) и соединительные провода и предназначена для выдачи в ППК извещений о проникновении (попытке проникновения), пожаре и неисправности, а в некоторых случаях и для подачи электропитания на охранные извещатели.

·      Автоматизированное рабочее место дежурного пульта управления - диспетчерское рабочее место на основе ПЭВМ, позволяющее дежурному дистанционно управлять системой охраны и безопасности объекта и регистрировать поступающую информацию.

·      Техническое обслуживание систем передачи извещений - комплекс мероприятий, который обеспечивает контроль за техническим состоянием аппаратуры, поддержание ее в исправном состоянии, предупреждение отказов и продление ресурса.

·      Взятие объекта под охрану - выполнение установленных организационных и технических процедур по обеспечению охраны объекта.

·      Снятие объекта с охраны - штатное прекращение выполнения процедур по обеспечению охраны объекта.

·      Рубеж охранной сигнализации - совокупность технических средств охранной сигнализации, последовательно объединенных электрической цепью, которые позволяют выдать извещение о проникновении (попытке проникновения) в охраняемую зону (зоны) на отдельный номер ППК или ПЦН, размещаемых в ПЦО или дежурных частях ОВД, независимо от других технических средств, не входящих в эту цепь.

·      Нарушитель - лицо, которое пытается проникнуть или проникло в помещение (на территорию), защищенное системой охранной, пожарной или охранно-пожарной (или тревожной) сигнализации, без разрешения ответственного лица, пользователя, владельца или жильца.

3. ЗАДАЧИ ПУНКТА ЦЕНТРАЛИЗОВАННОЙ ОХРАНЫ

Основной задачей ПЦО является организация и обеспечение надежной охраны объектов (квартир), подключенных к ПЦН.

Кроме того, на ПЦО возложено решение задач по:

- бесперебойной работе ТСО;

- своевременной регистрации и передаче ГЗ сигналов «Тревога», которые поступают с охраняемых объектов (квартир);

- техническому обслуживанию СПИ, средств связи и аудио- и видеозаписи;

- замене СПИ, которые выработали установленные сроки эксплуатации в соответствии с требованиями нормативных актов;

- внедрению новых технических средств: СПИ, автоматизированных рабочих мест дежурного пульта управления (АРМ ДПУ), территориально-распределенной информаторной самоконтролирующей системы источников резервного питания и т.п.;

- постоянному контролю за работой СПИ, средств проводной связи ПЦО, аудио- и видеозаписывающей, а также контрольно-регистрирующей аппаратуры;

- правильному ведению, сохранности служебной документации и нормативных актов, а также ключей от охраняемых квартир.

4. ДОЛЖНОСТНЫЕ ОБЯЗАННОСТИ СОТРУДНИКОВ ПУНКТА ЦЕНТРАЛИЗОВАННОЙ ОХРАНЫ

В соответствии с приказами МВД России от 31 января 1994 года № 35, от 15 июня 1994 года № 201, от 22 февраля 1999 года № 135 и с учетом задействованной емкости систем для охраны объектов всех форм собственности и мест хранения личного имущества граждан, для каждого ПЦО введено организационно-штатное расписание.

4.1. Начальник ПЦО

Начальник пункта централизованной охраны является непосредственным начальником дежурных ПЦО и пульта управления, инженерно-технического персонала ПЦО; несет персональную ответственность за организацию технической эксплуатации средств сигнализации и связи, обучение и воспитание инженерно-технических работников и электромонтеров ПЦО.

Начальник ПЦО подчиняется начальнику отдела (отделения) вневедомственной охраны и обязан:

- анализировать и планировать работу личного состава ПЦО; разрабатывать должностные обязанности дежурных ПЦО, дежурных пульта управления (ДПУ), инженерно-технического персонала ПЦО и осуществлять контроль за их выполнением;

- разрабатывать правила и схему передачи извещений о срабатывании сигнализации от ДПУ до ГЗ и действия дежурных пульта управления в особых условиях, регулярно проводить проверки своевременности прохождения извещений и контролировать выезды дежурных ГЗ по извещениям о тревоге на охраняемые объекты;

- при отсутствии должностей заместителя начальника отдела по технике и заместителя начальника отдела по квартирам обеспечивать наличие и своевременное составление оперативной картотеки и нести личную ответственность за ее достоверность;

- осуществлять подбор кадров, оказывать практическую помощь подчиненным в овладении специальностью, повышении профессионального мастерства; изучать личные и деловые качества каждого работника, проводить индивидуально-воспитательную работу; подводить итоги деятельности смен, проводить занятия с личным составом ПЦО. Не менее двух раз в год проверять профессиональную пригодность сотрудников к действиям в условиях, связанных с применением физической силы, специальных средств и огнестрельного оружия. Осуществлять взаимодействие с предприятиями связи и электроснабжения;

- изучать и внедрять передовые формы и методы организации работы ПЦО. Совместно с командиром строевого подразделения милиции (СПМ) проводить учебно-тренировочные занятия с личным составом групп по отработке системы выездов по сигналу «Тревога», тактических приемов и порядка действий по предупреждению краж и задержанию нарушителей; принимать участие в разработке графиков по проведению оперативно-тактических тренировок, контролировать их выполнение;

- осуществлять контроль за изучением персоналом ПЦО тактико-технических характеристик ТСО, устанавливаемых на объектах (в квартирах), методом проверки работоспособности, тактики реагирования на срабатывания различных рубежей зашиты;

- обеспечивать бесперебойную работу ПЦН и других технических средств, установленных в ПЦО, их своевременное и качественное обслуживание, соблюдение техники безопасности, дисциплины и законности личным составом. Осуществлять планирование работ по технической эксплуатации СПИ;

- при отсутствии должности заместителя начальника отдела по технике обеспечивать силами электромонтеров ПЦО, дежурных электромонтеров отделов (отделений) систематический контроль за состоянием ТСО на охраняемых объектах, подключенных к СПИ. Организовывать контроль за технической эксплуатацией устройств СПИ, приборов-сигнализаторов, средств звукозаписи и радиосвязи; лично осуществлять проверку выполнения регламентных работ. Своевременно организовывать составление заявок на ЗИП, материалы для обеспечения технической эксплуатации ТСО;

- организовывать работу по выявлению причин неисправностей, не взятий объектов под охрану и срабатываний средств сигнализации на охраняемых объектах (в квартирах); совместно с руководителем отдела принимать организационно-технические меры по их устранению;

- принимать меры по обеспечению инженерно-технического персонала ПЦО измерительной аппаратурой;

- принимать участие в проведении технических осмотров ТСО на охраняемых объектах и в ПЦО, а также в работе комиссий по сдаче их в эксплуатацию;

- проводить обучение инженерно-технических работников (ИТР) и электромонтеров ПЦО, контролировать выполнение ими правил техники безопасности, знать и строго соблюдать правила техники безопасности;

- проводить производственные инструктажи электромонтеров, дежурных ПЦО и пульта управления. Регулярно проверять техническое состояние ТСО на всех закрепленных за ним особо важных объектах;

- при поступлении сигнала «Тревога» с охраняемого объекта или квартиры в соответствии с действующими нормативными актами определять порядок действий личного состава ПЦО, регулярно проводить проверки своевременности передачи сигналов ДПУ дежурному ПЦО;

- решать вопросы развития централизованной охраны в городе, районе, вносить предложения рекомендательного характера о первоочередной телефонизации объектов, подлежащих подключению к ПЦО, по установке, подключению и обслуживанию аппаратуры в помещениях телефонных станций;

- принимать участие в обследовании объектов и определять необходимый объем работ для устранения возможных причин срабатывания ТСО;

- осуществлять ежедневную проверку исправности установленных в ПЦО средств связи, вычислительной техники, принимать меры по обеспечению их постоянной работоспособности;

- принимать участие в проведении служебных расследований по фактам краж и проникновений на охраняемые объекты (в квартиры), проводить мероприятия по устранению причин и условий, способствующих их совершению;

- ежедневно контролировать ведение технической и эксплуатационной документации в ПЦО;

- принимать меры совместно с командиром СПМ по обеспечению надлежащих условий хранения в ПЦО вооружения, средств связи и специальных средств, учета их выдачи и приема, а также по обеспечению ими личного состава ПЦО согласно нормам положенности.

4.2. Дежурный ПЦО

4.2.1 Дежурный пункта централизованной охраны находится в прямом подчинении начальника ПЦО, а во время дежурства - в оперативном подчинении дежурного по горрайоргану внутренних дел.

4.2.2 Дежурный пункта является старшим начальником дежурной смены ПЦО, оперативным начальником ГЗ, патрульно-постовых нарядов милиции вневедомственной охраны, постов и нарядов военизированной и сторожевой охраны.

4.2.3 Дежурный ПЦО несет персональную ответственность за работу ДПУ, ГЗ и патрульных нарядов, за своевременное прохождение извещений о срабатывании охранной сигнализации от дежурных пульта управления до группы задержания, патрульных нарядов, их выезд на объекты, с которых поступил сигнал «Тревога».

4.2.4 Дежурный ПЦО обязан:

- контролировать правильное использование имеющихся в ПЦО ТСО, средств связи и видеозвукозаписи, соблюдение личным составом дежурной смены правил техники безопасности и внутреннего трудового распорядка;

- организовывать работу электромонтеров ПЦО по оперативному устранению неисправностей ТСО в ПЦО (на АТС), квартирах и на объектах, подключенных к СПИ;

- обеспечивать сбор и обобщение информации по ложным срабатываниям, неисправностям ТСО, не взятию объектов (квартир) под охрану в ПЦО за смену;

- регулярно проверять техническое состояние ТСО на всех закрепленных за ним особо важных объектах, контролировать устранение выявленных недостатков;

- знать и строго соблюдать правила техники безопасности при проведении работ по технической эксплуатации ТСО. Проводить обследование, проверять техническую укрепленность на закрепленных за ним объектах.

4.2.5 Дежурный ПЦО осуществляет проверку несения службы каждым нарядом милиции, проводит тренировки по отработке оперативно-тактических задач, присутствует на инструктажах и разводах личного состава милиции.

При заступлении на дежурство принимает по описи документацию, оружие и спецсредства (если они хранятся в ПЦО), ключи от охраняемых квартир.

Изучает дислокацию постов, маршрутов нарядов милиции, патрульно-постовой службы; поддерживает постоянную связь с дежурной частью ОВД, нарядами милиции; при отсутствии извещения от наряда милиции выясняет причины и принимает меры по установлению его местонахождения.

4.2.6 Во время несения службы дежурный ПЦО обязан:

- при заступлении на дежурство проверить готовность к работе дежурной смены ПЦО, нарядов милиции, ознакомиться с оперативной обстановкой в городе, районе и состоянием охраны объектов за истекшие сутки, с соответствием записей в журнале приема (сдачи) объектов под охрану, фактически находящихся под охраной и снятых с охраны, работоспособность средств радио- и телефонной связи, видеозвукозаписи;

- обеспечить своевременный прием под охрану объектов, подключенных к ПЦО, в соответствии с временем, указанным в договоре, и контроль за включением многорубежной защиты особо важных объектов;

- в случае обнаружения неисправности охранной сигнализации (или не взятия объекта под охрану) принимать меры по восстановлению ее работоспособности. При невозможности восстановления исправного состояния ТСО, обеспечить охрану объекта имеющимися в наличии силами;

- при поступлении сигнала «Тревога» с охраняемого объекта немедленно направить туда наряд милиции и сообщить дежурному ОВД. О результатах осмотра объекта и принятых мерах сделать запись в журнале учета срабатываний ТСО и доложить дежурным ОВД и пожарной охраны;

- при поступлении сигнала «Тревога» с охраняемого особо важного объекта немедленно выехать на место для проведения осмотра. О выезде и результатах осмотра объекта доложить дежурному ОВД; при обнаружении следов взлома принять меры по задержанию правонарушителей и вызвать следственно-оперативную группу. При отсутствии следов взлома дверей, окон, стен, потолков и полов организовать охрану объекта;

- при поступлении извещения (ориентировки) о совершении преступления в зонах постов милицейской охраны немедленно ориентировать их на розыск и задержание правонарушителей, сообщить о возможных местах появления, приметах, других данных, способствующих их задержанию;

- при получении извещения от наряда милиции о необходимости отклонения с маршрута для пресечения преступления, преследования и задержания правонарушителей немедленно сообщить дежурному ОВД.

4.3. Старший инспектор охраны - дежурный ПЦО

Старший инспектор охраны - дежурный пункта централизованной охраны вводится в штатное расписание ПЦО отделов (отделений) вневедомственной охраны при задействованной емкости 500 и более пультовых номеров, а также головных ПЦО и находится в прямом подчинении начальника ПЦО и дежурного ПЦО, выполняя при этом обязанности в соответствии с подпунктами 4.2.2 - 4.2.6 настоящих Рекомендаций.

Примечание - При наличии в отделе вневедомственной охраны Центра оперативного управления (ЦОУ) руководство ГЗ возлагается на дежурных ЦОУ (дежурной части) с одновременным исключением из штатного расписания ПЦО должностей: старший инспектор охраны - дежурный пункта централизованной охраны, дежурный ПЦО, помощник дежурного ПЦО.

4.4. Помощник дежурного ПЦО

Помощник дежурного пункта централизованной охраны находится в прямом подчинении начальника ПЦО, старшего инспектора охраны и дежурного ПЦО, выполняя при этом обязанности в соответствии с подпунктами 4.2.2 - 4.2.6 настоящих Рекомендаций.

4.5. Старший инспектор-инженер ПЦО

4.5.1 Старший инспектор-инженер ПЦО подчиняется непосредственно начальнику ПЦО, является руководителем инженерно-технического персонала пункта.

4.5.2 Старший инспектор-инженер ПЦО несет персональную ответственность за:

- бесперебойную работу ТСО, средств видеозвукозаписи, радио- и проводной связи;

- выполнение планов регламентного обслуживания аппаратуры СПИ;

- соблюдение правил техники безопасности ИТР и электромонтерами ПЦО при выполнении монтажных, регламентных и ремонтных работ.

4.5.3 Старший инспектор-инженер ПЦО обязан:

- знать нормативные акты, регламентирующие деятельность ПЦО по охране объектов (квартир), подключенных к СПИ;

- в совершенстве знать технические средства, используемые для централизованной охраны объектов, радио- и телефонной связи, звукозаписи, измерительную аппаратуру и т.д.;

- планировать и руководить работой инженеров и электромонтеров ПЦО по поддержанию в исправном состоянии СПИ и аппаратуры оперативной связи;

- при возникновении неисправностей СПИ и средств связи немедленно принимать меры по их восстановлению;

- организовывать техническую учебу персонала ПЦО;

- своевременно подавать заявки в отдел развития городской телефонной сети (ГТС) на кроссировку подключенных к ПЦО объектов, фиксировать случаи неисправностей линий связи и через руководство ГТС обеспечивать их ремонт в кратчайшие сроки;

- организовывать учет сигналов «Тревога», поступающих в ПЦО, анализировать причины ложных срабатываний, разрабатывать мероприятия по снижению их количества;

- готовить заявки на необходимую аппаратуру, измерительные приборы и эксплуатационные материалы;

- ежедневно участвовать в производственных инструктажах электромонтеров ПЦО, определять объемы и места производства работ по проведению технического обслуживания и ремонта аппаратуры СПИ, выяснять и принимать меры по устранению причин срабатывания ТСО и не взятия объектов (квартир) под охрану, организовывать выполнение неотложных заявленных работ;

- во время отсутствия начальника ПЦО лично проводить инструктажи ДПУ и электромонтеров ПЦО перед заступлением их на смену;

- вести контроль свободной и задействованной емкости СПИ, своевременно уведомлять узлы связи о снятии кроссировки;

- составлять графики выполнения регламентных работ по обслуживанию аппаратуры ПЦО;

- организовывать ведение эксплуатационно-технической документации ПЦО;

- при отсутствии начальника ПЦО выполнять его функции.

4.6. Инженер ПЦО

4.6.1 Инженер ПЦО подчиняется начальнику ПЦО, старшему инспектору-инженеру ПЦО, является непосредственным руководителем электромонтеров ПЦО и организует работу ДПУ.

4.6.2 Инженер ПЦО несет персональную ответственность за:

- организацию всех мероприятий по установке, эксплуатационному обслуживанию и ремонту аппаратуры ПЦО;

- правильное ведение технической документации в ПЦО.

4.6.3 Инженер ПЦО обязан:

- в совершенстве знать всю используемую в ПЦО аппаратуру;

- в совершенстве знать требования приказов, инструкций и других нормативных актов, регламентирующих деятельность ПЦО;

- знать порядок операций и действий на пультовой аппаратуре во всех режимах ее работы для любых видов охранной сигнализации;

- лично контролировать ремонт эксплуатируемой в ПЦО аппаратуры и выполнение монтажных работ по увеличению задействованной емкости систем;

- вести учет и анализ ложных срабатываний ТСО, не взятий объектов (квартир) под охрану в ПЦО;

- разрабатывать, мероприятия по снижению ложных срабатываний сигнализации и не взятий объектов (квартир) под охрану в ПЦО;

- вести служебную переписку с предприятиями связи и электроснабжения;

- контролировать и принимать меры по своевременному проведению кроссировочных работ на кроссах АТС;

- вести претензионную работу по аппаратуре ПЦО;

- инструктировать дежурных и электромонтеров ПЦО по правилам техники безопасности;

- знать порядок организации оперативной связи;

- ежедневно проверять соответствие сведений, содержащихся в распечатке контрольно-регистрирующего устройства, с записями ДПУ в контрольных листах;

- в случае производственной необходимости выполнять обязанности старшего инспектора-инженера ПЦО.

4.7. Старший смены дежурных пульта управления

4.7.1 Старший смены дежурных пульта управления является непосредственным руководителем ДПУ и подчиняется начальнику ПЦО, инженеру ПЦО, а в оперативном отношении - дежурному ПЦО.

4.7.2 Старший смены несет персональную ответственность за:

- своевременное и правильное ведение служебной документации ДПУ;

- достоверность сведений ежедневной информации о состоянии охраны объектов и квартир.

4.7.3 Старший смены ДПУ должен знать:

- требования приказов, инструкций и других нормативных актов, регламентирующих служебную деятельность ДПУ;

- общие положения об устройстве и работе СПИ, автоматизированных систем, объектовой охранной сигнализации, а также о внедряемых новых системах, применяемых в охране объектов и квартир;

- порядок операций и действий в ПЦО во всех режимах работы для используемых ТСО;

- порядок организации оперативной связи с дежурными ПЦО и территориальными органами милиции.

4.7.4 Старший смены ДПУ обязан:

- выполнять все функциональные обязанности ДПУ и осуществлять все операции в ПЦО (при закреплении за ним рабочего места или подмене ДПУ);

- докладывать дежурному ПЦО о приеме смены и передавать сведения о всех не взявшихся под охрану объектах и квартирах, принятых по смене;

- осуществлять постоянный контроль за работой ДПУ, своевременной передачей дежурному ПЦО извещений о тревоге, информации о не взятии под охрану объектов и квартир;

- осуществлять постоянное наблюдение за работой контрольно-регистрирующих устройств и показаниями электронных часов;

- следить за внутренним распорядком в ПЦО и служебных помещениях, а также за соблюдением распорядка дня ДПУ;

- докладывать дежурному ПЦО или начальнику ПЦО о всех недостатках, связанных с охраной объектов (квартир), для принятия мер по их устранению;

- знать правила техники безопасности, правила пожарной безопасности;

- вносить предложения по улучшению работы ПЦО.

4.8. Дежурный пульта управления

4.8.1 Дежурный пульта управления подчиняется начальнику ПЦО, старшему инспектору-инженеру ПЦО, инженеру ПЦО, старшему смены ДПУ, а в оперативном отношении - дежурному ПЦО.

4.8.2 Дежурный пульта управления несет персональную ответственность за:

- осуществление контроля охраны объектов (квартир), подключенных к ПЦН;

- своевременную регистрацию приема и снятия объектов (квартир) с охраны, а также сигналов «Тревога» (поступающих в ПЦО) и немедленную передачу их дежурному ПЦО.

4.8.3 Дежурный пульта управления должен знать:

- требования приказов, инструкций и других нормативных актов, регламентирующих служебную деятельность;

- общие положения об устройстве и работе СПИ, средств охранной сигнализации, установленных на объектах (в квартирах);

- порядок операций и действий на пультах управления во всех режимах их работы (взятие под охрану, снятие с охраны, извещение о тревоге) для ТСО, установленных в ПЦО;

- правила техники безопасности;

- порядок ведения служебной документации;

- основные положения типовых договоров на охрану объектов (квартир);

- порядок организации оперативной связи с дежурным ПЦО.

4.8.4 Дежурный пульта управления обязан:

- при заступлении на дежурство проверить состояние охраны квартир по Книге учета квартир, находящихся на длительной охране;

- проверить исправность средств связи, сверить часы и получить пароль приема под охрану объектов (квартир);

- при обнаружении упущений в работе сдающей дежурство смены требовать устранения выявленных недостатков, доложить о приеме дежурства старшему смены ДПУ (дежурному ПЦО);

- вести постоянное наблюдение за работой СПИ;

- обеспечить своевременный прием под охрану и снятие с охраны объектов (квартир);

- информировать старшего смены ДПУ (дежурного ПЦО) о не сданных под охрану объектах, просрочивших время сдачи под охрану по заключенному договору;

- при обнаружении неисправности СПИ или контрольно-регистрирующего устройства немедленно сообщить об этом дежурному ПЦО и действовать согласно его указанию. Время выхода ТСО из строя и их восстановления зафиксировать в контрольном листе;

- в соответствии с договором, при необходимости, с участием собственника (или квартиросъемщика) проверять состояние охранной сигнализации путем пробного приема объекта или квартиры под охрану;

- при необходимости или сдаче объекта (квартиры) на длительную охрану предлагать собственнику (или квартиросъемщику) проверить факт взятия под охрану с другого телефона, не связанного с охранной сигнализацией, уточнить местонахождение ключей от квартиры и отразить в книге учета квартир, находящихся на длительной охране, продолжительность отсутствия собственника;

- при не взятии объекта (квартиры) под охрану сообщить об этом дежурному ПЦО и сделать соответствующую запись в контрольном листе;

- осуществлять периодически (не менее пяти раз в течение смены) сверку соответствия состояния охраны объектов (квартир) записям в контрольном листе;

- при выходе квартиросъемщика с нарушением шлейфа охранной сигнализации, после сдачи квартиры под охрану (выход через «тревогу»), зафиксировать этот факт в контрольном листе и сообщить дежурному ПЦО;

- немедленно проинформировать дежурного ПЦО (в его отсутствие - дежурного ОВД), группу задержания ПЦО или другой наряд милиции вневедомственной охраны при поступлении сигнала «Тревога» с охраняемого объекта (квартиры), а также сделать соответствующие записи в контрольном листе;

- производить самостоятельно повторное подключение объекта (квартиры) на ПЦН после получения извещения о тревоге. Взятие объекта (квартиры) под охрану должно осуществляться только совместно с дежурным ПЦО;

- вести строго в соответствии с инструкциями контрольные листы и другую необходимую документацию;

- совершенствовать свои профессиональные знания в системе специальной подготовки;

- при необходимости, по указанию руководства отдела (отделения) охраны, информировать собственника (или квартиросъемщика) об изменениях оплаты за услуги вневедомственной охраны;

- знать тактико-технические характеристики СПИ, порядок операций и действий во всех режимах их работы. При пользовании радиосвязью соблюдать правила радиообмена.

4.8.5 Во время работы у пультов запрещается заниматься деятельностью, не связанной со службой, и пользоваться в личных целях теле- и радиоаппаратурой, предназначенной для работы.

4.9. Электромонтер ПЦО

4.9.1 Электромонтер ПЦО подчиняется начальнику ПЦО, старшему инспектору-инженеру ПЦО, а в оперативном отношении - дежурному ПЦО.

4.9.2 Электромонтер ПЦО отвечает за эксплуатационное обслуживание закрепленной за ним аппаратуры и поддержание ее в исправном состоянии.

4.9.3 Электромонтер ПЦО обязан:

- знать в совершенстве закрепленную за ним аппаратуру и средства измерений, методы выявления и оперативного устранения неисправностей;

- знать порядок кроссировки объектов и квартир на АТС;

- проверять ежедневно работоспособность СПИ, средств видео- и звукозаписи, проводной и радиосвязи, контрольно-регистрирующих устройств и источников резервного электропитания, обеспечивая их бесперебойную работу;

- проводить своевременно корректировку показаний электронных часов, используемых в работе ПЦО. (Допускается корректировка часов по сигналам точного времени.);

- устранять своевременно и качественно неисправности и повреждения ТСО, установленных в ПЦО и на АТС, при необходимости производить их ремонт;

- производить регламентное обслуживание закрепленной за ним аппаратуры согласно утвержденному плану, делая соответствующие записи в эксплуатационной документации;

- проводить систематически работу по выявлению и устранению причин ложных срабатываний ТСО;

- содержать в исправном состоянии ЗИП, вести журнал электромонтера ПЦО, в котором своевременно отражать сведения о выполненных работах и израсходованных при этом материалах и комплектующих изделиях;

- участвовать в перезакрытии объектов и квартир в вечернее и ночное время по указанию дежурного ПЦО (при отсутствии дежурных электромонтеров соответствующих служб);

- участвовать в мероприятиях, направленных на улучшение работы ПЦО;

- знать и соблюдать правила техники безопасности при монтаже, ремонте и техническом обслуживании ТСО.

4.10. Старший инженер-программист (старший инженер-электроник)

4.10.1 Старший инженер-программист подчиняется начальнику ПЦО, старшему инспектору-инженеру ПЦО.

4.10.2 Старший инженер-программист несет персональную ответственность за:

- эксплуатацию средств вычислительной и оргтехники отдела (отделения) охраны;

- наличие и исправность средств вычислительной техники;

- закупку, тестирование, установку средств вычислительной техники, а также оргтехники по согласованию с руководителями соответствующих служб отдела (отделения) охраны;

- разработку программных средств для пользования службами отдела (отделения) охраны в повседневной деятельности по согласованию с руководителями соответствующих служб;

- информационную безопасность ПЦО и отдела (отделения) охраны, защиту от несанкционированного доступа к служебной информации, антивирусную защиту;

- своевременное пополнение расходных материалов к средствам вычислительной техники, а также оргтехники;

- ввод в эксплуатацию и обеспечение работоспособности локальных компьютерных сетей;

- установку программных продуктов на средства вычислительной техники;

- своевременное внесение изменений дислокационных карт ПЦО в базу данных (БД), ежедневное создание резервной копии этой базы, а также создание резервных копий базы на каждой рабочей станции локальной компьютерной сети отдела (отделения) охраны.

4.10.3 Старший инженер-программист должен знать:

- нормативные акты, регламентирующие деятельность ПЦО по охране объектов (квартир);

- технические средства, используемые в ПЦО для централизованной охраны: телефонную и радиосвязь, резервное электропитание, измерительную аппаратуру;

- правила техники безопасности при работе на компьютерах;

- особенности работы различных модификаций персональных компьютеров, состоящих на балансе ПЦО;

- основные языки программирования, используемые в программных средствах подразделения вневедомственной охраны;

- алгоритмы программ, используемых при расчете зарплаты, организации БД учета пультовых абонентов.

4.10.4 Старший инженер-программист обязан:

- организовывать взаимодействие служб подразделений охраны в вопросах внедрения и эксплуатации программных продуктов, разработанных по линии этих служб;

- осуществлять текущий ремонт средств вычислительной техники, используя для этой цели банк запасных частей и комплектующих к средствам вычислительной техники в сервисных центрах при наличии гарантии на оборудование или сложных поломках;

- повышать постоянно свой профессиональный уровень, следить за новыми аппаратными и программными средствами, выпускаемыми ведущими фирмами, осваивать более эффективные методы и приемы работы в целях обеспечения надежной охраны вверенных объектов (квартир);

- готовить необходимые в работе ПЦО документы с использованием компьютерной техники.

4.11. Оператор электронно-вычислительных машин

4.11.1 Оператор ЭВМ подчиняется начальнику ПЦО, старшему инспектору-инженеру ПЦО и инженерно-техническому персоналу ПЦО.

4.11.2 Оператор ЭВМ несет персональную ответственность за:

- соответствие дислокационных карт ПЦО с постоянно обновляемой БД квартир и объектов, подключенных к СПИ;

- своевременный расчет заработной платы ДПУ и электромонтеров ПЦО.

4.11.3 Оператор ЭВМ должен знать:

- правила техники безопасности при работе на ЭВМ;

- особенности работы различных модификаций персональных компьютеров, состоящих на балансе ПЦО;

- алгоритмы программ, используемых при расчете зарплаты, организации БД учета пультовых абонентов.

4.11.4 Оператор ЭВМ обязан:

- участвовать в создании и обслуживании единой компьютерной сети;

- оказывать практическую помощь инженерно-техническому персоналу ПЦО в освоении персональных компьютеров и служебных программ;

- готовить необходимую для работы ПЦО документацию с использованием компьютерной техники.

4.12. Группа задержания ПЦО

4.12.1 Милиционер группы задержания ПЦО (старший группы)

Милиционер группы задержания ПЦО (старший группы) обязан:

- после заступления на дежурство быть постоянно готовым к выезду при получении извещения о тревоге, поступившего с охраняемого объекта (квартиры). Знать особенности, уязвимые места, скрытые подходы и подъезды к объектам (квартирам). Ориентироваться в сигналах световых (звуковых) извещателей, в основных и дополнительных рубежах охранной сигнализации и действовать в зависимости от срабатывания конкретного рубежа;

- при каждом выезде по сигналу «Тревога» быть экипированным в средства индивидуальной бронезащиты:

- при получении приказа о выезде на объект по сигналу «Тревога» сделать соответствующую запись в бортовом журнале, кратчайшим путем (соблюдая правила дорожного движения) прибыть на указанный объект, В пути следования уточнить особенности объекта по оперативной карточке. При невозможности в силу чрезвычайных обстоятельств прибыть своевременно на объект, сообщить об этом по рации дежурному ПЦО и действовать согласно его указаниям;

- соблюдая осторожность и приготовившись к отражению внезапного нападения правонарушителя, осмотреть объект по периметру, его уязвимые места (двери, окна, люки, кровлю, чердачные, подвальные и смежные с объектом помещения) и территорию. Запрещается оставлять объект без охраны до вызова представителя собственника, выяснения причины срабатывания и повторной сдачи объекта под охрану;

- при выезде по сигналу «Тревога» на охраняемую квартиру необходимо блокировать подъезд; взять под наблюдение балкон, окна; осмотреть лестничные пролеты, подвальные и чердачные помещения; наружным осмотром или с помощью технических средств определить: открывалась ли дверь квартиры. При наличии лифта одному из членов экипажа ГЗ вместе со служебной собакой подняться на верхний этаж, заблокировать створки лифта на закрытие любым твердым предметом, и опускаясь вниз по лестнице, внимательно осматривать все площадки. Задержать подозрительных лиц, о чем сообщить по радиостанции в ПЦО;

- при обнаружении нарушения целостности объекта, а также проникновения на него посторонних лиц немедленно сообщить дежурному ПЦО. Принять меры к розыску и задержанию правонарушителей, блокированию возможных путей их отхода, установлению очевидцев и сохранению следов преступления;

- не покидать объект до полного выяснения причин срабатывания сигнализации, до прибытия представителя собственника и сдачи объекта под охрану в ПЦО. При невозможности восстановления работоспособности сигнализации по указанию дежурного ПЦО обеспечивать охрану объекта.

4.12.2 Милиционер-водитель

Милиционер-водитель во время дежурства подчиняется старшему группы задержания. Кроме общих задач по обеспечению охраны объектов, он обязан:

- до заступления на дежурство проверить техническое состояние закрепленного транспортного средства, привести его в готовность для выезда на маршрут. (Использовать транспортное средство только по прямому назначению.);

- хорошо ориентироваться в районе расположения объектов, подключенных к системам ПЦО, знать их расположение и особенности, наличие уязвимых мест;

- знать расположение сил и средств на маршруте патрулирования (в зоне поста): нарядов горрайоргана внутренних дел, войсковых нарядов СМВЧ, нарядов ДПС ГИБДД, постов сторожевой и военизированной охраны, общественных пунктов охраны порядка, поддерживать связь с нарядами соседних маршрутов (постов);

- при выезде по сигналу «Тревога» определить кратчайший путь следования и обеспечить своевременное и скрытое прибытие ГЗ к охраняемому объекту в установленное время;

- хорошо знать оперативную обстановку на своем маршруте (на посту, участке, в секторе), расположение и особенности охраняемых объектов, состояние их технической укрепленности, оборудование средствами охранной, пожарной и тревожной сигнализации, уязвимые места и обеспечить их надежную охрану, своевременное пресечение правонарушений и задержание нарушителей;

- при подъезде к объекту заблаговременно выключить проблесковый маячок, остановить автомобиль таким образом, чтобы правонарушители не могли обнаружить прибывший наряд милиции и скрыться с места происшествия;

- приняв меры, исключающие возможность угона служебного автотранспорта, участвовать в осмотре объекта, прилегающей территории, в задержании правонарушителей и охране места происшествия.

4.12.3 Милиционер-кинолог

Милиционер-кинолог, заступив на дежурство, выполняет обязанности в соответствии с подпунктом 4.12.1 настоящих Рекомендаций. Кроме того, он обязан:

- при получении сигнала «Тревога» выехать на объект с закрепленной за ним служебной собакой;

- постоянно совершенствовать свой профессиональный уровень и мастерство, методику осмотра места происшествия и работу со служебно-розыскной собакой;

- регулярно посещать и проводить занятия по дрессировке, тренировке собак, выполнять указания ветврача по сохранению, содержанию и лечению собаки, а также обеспечивать образцовый порядок в помещении для собаки, содержать в надлежащем состоянии снаряжение и предметы ухода за ней. Служебную собаку содержат в питомнике или будке (вольере), находящихся в непосредственной близости от ПЦО.

5. ТРЕБОВАНИЯ К ПУНКТУ ЦЕНТРАЛИЗОВАННОЙ ОХРАНЫ

5.1. Санитарные нормы, охрана и техническая укрепленность помещений ПЦО

К помещениям ПЦО следует предъявлять следующие требования:

- помещения должны отвечать требованиям, предъявляемым к помещениям с нормальной средой (Приказ МВД СССР от 13 января 1989 года № 14);

- отдельно стоящее здание должно иметь ограждение по периметру территории, препятствующее проходу посторонних лиц и проезду транспортных средств;

- для контроля периметра ПЦО с прилегающей к нему территорией (например, автостоянки служебного транспорта) необходимо использовать системы охранные телевизионные;

- входные двери центрального и запасных входов в здание должны быть обеспечены надлежащей защитой от несанкционированного проникновения. Двери должны быть металлическими или деревянными категории и класса устойчивости не ниже VI по ГОСТ Р 51242-98;

- для контроля режима ограничения и доступа посетителей в здание вход должен быть оборудован кодовым замком с переговорным устройством или видеодомофоном, включающим электромагнитный или электромеханический замок, с установкой абонентского устройства у дежурного ПЦО;

- внутренние двери пультовых залов, помещений для хранения ЗИП к СПИ и помещение для контрольно-регистрирующих устройств должны быть оборудованы кодовыми замками. Двери кабинета начальника ПЦО, комнаты электромонтеров, мастерских необходимо оборудовать врезными или накладными замками;

- окна, фрамуги и форточки всех помещений должны быть остеклены и иметь надежные и исправные запоры. (Стекла должны быть целыми и надежно закрепленными в пазах.);

- оконные проемы первого этажа или расположенных выше этажей, примыкающих к пожарным лестницам, балконам, карнизам и т.п., а также помещений, в которых размещены и хранятся материальные или денежные ценности, должны быть обеспечены надлежащей защитой от несанкционированного проникновения. Необходимая защита оконных проемов достигается установкой на них охранительных конструкций категории и класса устойчивости не ниже VI по ГОСТ Р 51242-98 или металлических решеток, изготовленных из стальных прутьев диаметром не менее 16 мм, образующих ячейки размерами 150×150 мм не более;

- при защите оконных проемов решетками их рекомендуется устанавливать с внутренней стороны помещения или между рамами. (В отдельных случаях допускается установка решеток с наружной стороны помещения.) Если все оконные проемы помещения оборудуют решетками, одна из них должна быть выполнена открывающейся с возможностью ее закрытия на замок. (Доступ замку должен быть возможен только из помещения.);

- усиление окон может быть сделано путем применения специальных стекол или защитных пленок, имеющих российские сертификаты соответствия;

- пункт централизованной охраны должен быть размещен (по возможности) вблизи от АТС, а при наличии нескольких АТС - ближе к центру их дислокации. При использовании СПИ, работающих по радиоканалу, ПЦО должен быть равноудален от охраняемых объектов, при этом необходимо обеспечить максимальную высоту антенного устройства без дополнительных затрат на построение отдельного мачтового хозяйства;

- пункт централизованной охраны должен быть обеспечен устойчивой радиосвязью со всеми нарядами милиции охраны.

5.2. Помещения ПЦО и их характеристики

Площадь служебных помещений ПЦО определяют в зависимости от проектируемой емкости систем централизованного наблюдения (СЦН), исходя из реального роста количества охраняемых объектов и квартир, а также развития телефонной сети, и должна соответствовать СНиП 2.09.04-87.

Пункт централизованной охраны должен быть обеспечен сейфами, в которых хранят опечатанные пеналы с ключами от охраняемых квартир и аудиовидеокассеты.

Пункт централизованной охраны должен включать в себя следующие помещения:

Пультовый зал

Площадь на одно рабочее место должна составлять 6 м2 и более, а объем - 20 м3 и более.

Помещения пультового зала должны иметь естественное и искусственное освещение. Естественное освещение должно осуществляться через световые проемы, ориентированные преимущественно на север и северо-восток, искусственное - системой общего освещения и местного освещения рабочего места.

Освещенность на поверхности стола в зоне размещения рабочего документа должна составлять 300 - 500 лк. Допускается устанавливать светильники местного освещения для подсветки документов. Местное освещение не должно создавать на поверхности экрана блики и увеличивать освещенность экрана более 300 лк.

Общее искусственное освещение следует выполнять в виде сплошных или прерывистых линий светильников, расположенных сбоку от рабочих мест, параллельно линии зрения пользователя при их рядном расположении.

Рабочее место с компьютером по отношению к световым проемам должно быть расположено так, чтобы естественный свет не создавал блики на экране видеомонитора.

При оборудовании рабочих мест с компьютерами должно быть учтено расстояние между столами с видеомониторами (в направлении тыла поверхности одного видеомонитора и экрана другого видеомонитора), которое должно составлять 2 м и более, а расстояние между боковыми поверхностями видеомониторов - не менее 1,2 м.

Экран видеомонитора должен находиться на оптимальном расстоянии 600 - 700 мм от глаз пользователя, но не ближе 500 мм с учетом размеров алфавитно-цифровых знаков и символов.

Пультовый зал должен быть оборудован системами отопления, кондиционирования воздуха или эффективной приточно-вытяжной вентиляцией. В помещениях зала необходимо обеспечить оптимальные параметры микроклимата: температуру воздуха 22 - 24 °С, относительную влажность воздуха 40 - 60 %, скорость движения воздуха 0,1 м/с. Уровень шума на рабочем месте не должен превышать 50 дБ. Звукоизоляция ограждающих конструкций помещений должна отвечать гигиеническим требованиям и обеспечивать нормируемые параметры шума.

Поверхность пола в помещениях зала должна обладать антистатическими свойствами, быть ровной, без выбоин, нескользкой, удобной для очистки и влажной уборки. (Влажная уборка должна проводиться ежедневно.)

Помещения пультового зала должны быть оснащены аптечкой первой помощи и углекислотными огнетушителями (согласно норм положенности).

Шкафы, сейфы, стеллажи для хранения дисков, дискет, комплектующих деталей, запасных блоков компьютеров, инструментов следует располагать в подсобных помещениях. Допускается размещение шкафов, сейфов и стеллажей в помещениях пультового зала при условии соблюдения соответствующих требований к площади.

Пультовый зал должен быть оборудован:

- настольными электросветильниками;

- электронными часами;

- удобными креслами;

- прямой связью с дежурными ПЦО;

- телефонами ГТС (для служебных переговоров);

- магнитофонами для записи переговоров.

Помещение дежурной части ПЦО

Помещение дежурной части ПЦО должно быть оборудовано:

- стационарными радиостанциями;

- средствами оперативной связи;

- схемой-картой охраняемого района с нанесением мест дислокации постов и маршрутов патрулирования;

- аудио- и видеозаписывающей аппаратурой;

- металлическими шкафами для хранения ключей от охраняемых квартир.

Размещение аппаратуры и оборудования в помещении дежурной части ПЦО должно обеспечивать возможность проведения эксплуатационного обслуживания их и надлежащие условия работы личного состава.

Кабинет начальника ПЦО

Площадь кабинета начальника ПЦО должна составлять не более 15 % общей площади рабочих помещений.

Кабинеты инженерно-технического персонала ПЦО

Площадь кабинетов инженерно-технического персонала должна составлять 6 м2 и более на одно рабочее место.

Комната отдыха дежурной смены ДПУ

Площадь комнаты отдыха дежурной смены ДПУ следует определять из расчета 0,3 м2 на одного человека, но не менее 12 м2.

Комната для разогрева и приема пищи

Площадь комнаты для разогрева и приема пищи следует принимать из расчета 1 м2 на расчетное число обслуживаемых.

Комната электромонтеров ПЦО и помещение мастерской

Площади комнаты электромонтеров ПЦО и помещения мастерской следует предусматривать из расчета 6 м2 и более на одно рабочее место.

Помещение-кладовая

Помещение-кладовая предназначено для хранения ЗИП к СПИ, приборов и материалов для проведения эксплуатационно-технического обслуживания аппаратуры СПИ, архива программного и информационного обеспечения, архива ПЦО и бумажных носителей.

Помещение для контрольно-регистрирующих устройств, стационарных источников бесперебойного питания и средств звукозаписи

Контрольно-регистрирующие устройства, стационарные источники бесперебойного питания и средства звукозаписи допускается размещать отдельном помещении с соблюдением всех требований технических условий на них или в пультовом-зале с ограничением доступа к ним.

Туалеты с умывальниками, как правило, должны быть размещены на каждом этаже здания.

5.3. Требования к организации режима труда и отдыха при работе с компьютерами

Режимы труда и отдыха при работе с компьютерами регламентированы СанПиН 2.2.2.542-96.

Для обеспечения оптимальной работоспособности и сохранения здоровья людей при работе с компьютером во время дежурной смены должны быть установлены регламентированные перерывы (в зависимости от ее продолжительности).

Продолжительность непрерывной работы на компьютере без регламентированного перерыва не должна превышать 2 ч.

При работе на компьютере в ночную смену (с 22 до 06 ч) продолжительность регламентированных перерывов должна быть увеличена на 60 мин.

При 8-часовой дежурной смене и работе на компьютере регламентированные перерывы следует устанавливать через 2 ч от начала смены и через 1,5 - 2,0 ч после обеденного перерыва продолжительностью 15 мин каждый или продолжительностью 10 мин через каждый час работы.

При 12-часовой дежурной смене и работе на компьютере регламентированные перерывы должны быть установлены в первые 8 ч работы аналогично перерывам при 8-часовой смене, а в течение последующих 4 ч работы - каждый час продолжительностью 15 мин.

При 24-часовой дежурной смене и работе на компьютере регламентированные перерывы должны быть установлены в первые 8 ч работы аналогично перерывам при 8-часовой смене, в последующие 16 ч работы - каждый час продолжительностью 15 мин, плюс 60 мин (при работе в ночное время).

При возникновении у работающих на компьютере зрительного дискомфорта и других неблагоприятных субъективных ощущений (несмотря на соблюдение санитарно-гигиенических, эргономических требований, режимов труда и отдыха) следует применять индивидуальный подход в ограничении времени работы на компьютере, корректируя длительность перерывов для отдыха или сменяя деятельность на другую, не связанную с использованием компьютера.

Персонал ПЦО, использующий в своей работе компьютеры, должен проходить обязательные предварительные (при поступлении на работу) и периодические медицинские осмотры в порядке и в сроки, установленные Минздравмедпромом России и Госсанэпиднадзором России. (К непосредственной работе с компьютером допускаются лица, не имеющие медицинских противопоказаний.)

Женщины со времени установления беременности и в период кормления ребенка грудью к выполнению всех видов работ, связанных с использованием компьютеров, не допускаются.

6. ТЕХНИЧЕСКИЕ ХАРАКТЕРИСТИКИ СИСТЕМ ПЕРЕДАЧИ ИЗВЕЩЕНИЙ

В настоящем разделе приведены описания систем, входящих в Перечень технических средств вневедомственной охраны, разрешенных к применению, и их основные технические характеристики.

6.1. Система передачи извещений «Фобос»

Система передачи извещений «Фобос» предназначена для сбора информации с объектов, оборудованных охранной и пожарной сигнализацией, а также для выдачи информации о состоянии охраняемых объектов ДПУ.

Рекомендуемая область применения системы - организация охраны территориально рассредоточенных объектов, музеев, банков, универмагов, складов и др.

В системе используются проводные каналы связи - абонентские линии АТС, переключаемые на период охраны на аппаратуру системы либо выделенные телефонные линии.

Система «Фобос» обеспечивает:

- высокую информативность (система различает изменения состояния шлейфа и отдельно абонентской линии);

- автоматическую регистрацию сообщений о состоянии объектов и команд телеуправления на печатающем устройстве;

- предварительный контроль состояния шлейфов до сдачи объектов под охрану;

- развитую и гибкую систему команд телеуправления на ПЦН;

- контроль времени прибытия наряда на объект по сигналу «Тревога»;

- высокую безотказность и ремонтопригодность;

- питание УО от телефонной линии;

- удобное рабочее место ДПУ, возможность подключения к компьютеру.

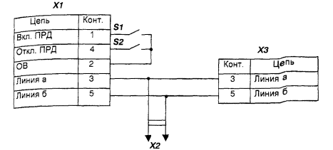
Структурная схема СПИ «Фобос» приведена на рисунке 1.

Структурная схема СПИ «Фобос-А» приведена на рисунке 2.

Рисунок 1 - Структурная схема СПИ «Фобос»

Рисунок 2 - Структурная схема СПИ «Фобос-А»

Таблица 1

Технические характеристики систем передачи извещений «Фобос», «Фобос-А»

Характеристика

СПИ «Фобос»

СПИ «Фобос-А»

Емкость информационная

480 (120×4)

960 (120×8)

Информативность

13

16

Время регистрации извещения, с

5

10

Каналы связи:

 

- УО - ретранслятор

Переключаемая телефонная линия

- ретранслятор - ретранслятор

Специальная линия

- ретранслятор - ПЦН

Канал тональной частоты, специальная линия

Напряжение питания, В:

 

 

- переменного тока (50 Гц)

187 - 242

187 - 242

- постоянного тока (ретранслятор)

54 - 72

44 - 72

Потребляемая мощность (пульт оператора), ВА

20

20

Потребляемый ток (ретранслятор), А

1,5

1,5

Выходное напряжение передатчика, мВ

630 - 770

700 ± 70

Чувствительность приемника, мВ

15 - 45

30

Суммарное сопротивление абонентской линии и ШС, кОм

0 - 1,5

Сопротивление утечки абонентской линии и ШС, кОм

20, не менее

Емкость абонентской линии, мкФ

0 - 0,55

Сопротивление специальной линии, кОм

0 - 1,5

Сопротивление утечки специальной линии, кОм

20, не менее

Емкость специальной линии, мкФ

0 - 0,55

Уровень напряжения в ШС в режиме «Норма», В

20 - 46

37 ± 10

Помехозащищенность в полосе частот 0,3 - 3,4 кГц, мВ

7

7

Длительность нарушения ШС, с:

 

 

- при обрыве

1,0

1,0

- при коротком замыкании (КЗ)

2,0

2,0

- при КЗ цепи контроля прибытия наряда

0,5

0,5

Помехозащищенность ретранслятора по длительности сигнала, с

0,3

0,3

Диапазон рабочих температур, °С:

 

- ПЦН, ретранслятора

От плюс 1 до 40

- УО

От минус 10 до плюс 45

Габаритные размеры, мм:

 

 

- ПЦН

320×250×90

300×350×90

- ретранслятора

490×440×300

540×440×300

-УО

95×95×30

150×110×35

Масса, кг:

 

 

- пульта оператора

3,0

3,0

- ретранслятора

30,0

30,0

-УО

0,3

0,5

6.2. Автоматизированная система передачи извещений «Ахтуба»

Автоматизированная система передачи извещений (АСПИ) «Ахтуба» назначена для сбора, обработки, передачи и регистрации информации о состоянии шлейфов охранно-пожарной сигнализации (ОПС) объектов. Структурная схема АСПИ «Ахтуба» приведена на рисунке 3.

Система «Ахтуба» обеспечивает:

- передачу в ПЦО номера собственника, осуществляющего сдачу объекта под охрану и снятие его с охраны;

- подключение к ретранслятору до 2000 телефонных линий связи;

- подключение к каждой занятой телефонной линии связи до 16 устройств объектовых;

- подключение к каждому ПЦН до 10 ретрансляторов, установленных на разных АТС;

- возможность передачи информации с каждого ретранслятора на четыре ПЦН;

- программирование направления передачи тревожных сообщений с каждого устройства объектового на соответствующий ПЦН;

- оперативную блокировку с ЭВМ ПЦН утерянных ключей-жетонов (система сообщает на ПЦН о попытках снятия объекта с охраны заблокированным ключом-жетоном);

- питание активных извещателей от УО;

- автоматическую подстройку под изменяющиеся параметры линии связи;

- сохранение телефонной связи с объектами на период охраны;

- автоматизированную тактику сдачи под охрану (снятия с охраны) объектов;

- передачу на ПЦН номера нарушенного шлейфа;

- автоматическую регистрацию:

а) Сообщений о состоянии объектов и команд оператора ПЦО на печатающем устройстве;

б) Времени прибытия наряда милиции на объект посредством индивидуального кодового ключа;

- учет суммарного времени нахождения объектов под охраной за любой промежуток времени;

- проверку исправности блока объектового при установке объекта под охрану, уровень напряжения автономного электропитания устройства объектового, целостность шлейфов ОПС;

- высокую степень защиты от попыток несанкционированного доступа к информации, находящейся в БД и передаваемой по телефонным линиям связи;

автоматическое диагностирование и тестирование узлов системы в процессе работы.

Рисунок 3 - Структурная схема АСПИ «Ахтуба»

Таблица 2

Технические характеристики АСПИ «Ахтуба»

Количество УО, работающих по одной телефонной линии

16

Количество ШС

6 + 1

Напряжение в ШС, В

12

Возможность программирования ШС с ПЦН

Есть

Передача на ПЦН номера нарушенного ШС

Есть

Передача на ПЦН номера хозоргана при взятии (снятии)

Есть

Используемые ключи при автоматизированном процессе взятия (снятия)

Брелок типа Touch Memory

Возможность блокирования утерянных ключей

Есть

Возможность взятия (снятия) объекта с ПЦН

Есть

Имитостойкость (наличие защиты от подмены)

Есть

Поддержание протокола обмена других АСПИ

Нет

Информативность, сообщений

40

Напряжение питания, В:

 

- переменного тока 50 Гц, ПЦН

176 - 242

- постоянного тока, ретранслятор

36 - 72

Время работы от резервного питания, ч

24

Диапазон рабочих температур, °С

От плюс 1 до 45

Частота несущей, кГц

18 ± 0,045

Уровень сигнала, В

0,45 ± 0,05

Подстройка под параметры телефонной линии

Автоматическая

6.3. Автоматизированная система централизованного наблюдения «Юпитер»

Автоматизированная система централизованного наблюдения (АСЦН) «Юпитер» предназначена для передачи, приема, отображения и регистрации извещений, получаемых от аппаратуры, установленной в квартирах (на объектах), расположенных в зоне действия четырех АТС, с выдачей информации о состоянии сигнализации на пульт оператора - компьютер типа IBM PC.

Система «Юпитер» обеспечивает:

- использование в качестве каналов связи занятых телефонных линий за счет высокочастотного уплотнения телефонных каналов при работе по линиям АТС;

автоматическую регистрацию сообщений о состоянии объектов и команд телеуправления;

- приоритет регистрации тревожных извещений перед служебными;

- совместную работу с любым IBM-совместимым компьютером;

- работу с абонентским комплектом «Комета-К», устройствами оконечными: «Атлас-3», «Фобос», «Нева», «Центр»;

- возможность выбора тактики применения сигнализации: охрана квартир или объектов, многорубежная охрана.

Структурная схема АСЦН «Юпитер» приведена на рисунке 4.

Условные обозначения:

ББ - блок базовый;

ИО - индивидуальный ответчик;

КПЦО - коммутатор пункта централизованной охраны;

УВС - устройство взятия (снятия);

УОО - устройство оконечное объектовое;

УТ - устройство трансляции;

Ф - фильтр подключения.

Рисунок 4 - Структурная схема АСЦН «Юпитер»

Таблица 3

Технические характеристики АСЦН «Юпитер»

Количество УО, работающих по одной телефонной линии

24 (АК)*, 1 (УОО)**

Количество ШС

3 (АК), 5 (УОО)

Напряжение в ШС, В

11

Возможность программирования ШС с ПЦН

Есть

Передача на ПЦН номера нарушенного ШС

Есть

Передача на ПЦН номера хозоргана при взятии (снятии)

Есть

Используемые ключи при автоматизированном процессе взятия (снятия)

Брелок с индуктивной связью

Возможность блокирования утерянных ключей

Есть

Возможность взятия (снятия) объекта с ПЦН

Есть

Имитостойкость (наличие защиты от подмены)

Есть

Поддержание протокола обмена других АСПИ

ГК*** «Комета»

Информативность, сообщений

10 (АК), 13 (УОО)

Напряжение питания, В:

 

- переменного тока 50 Гц, (аппаратуры, размещенной в ПЦО)

187 - 242

- постоянного тока, (аппаратуры, размещенной на АТС)

46 - 60

Время работы от резервного питания, ч

4

Диапазон рабочих температур, °С

От плюс 5 до 40

Частота несущей, кГц

18 ± 0,18

Уровень сигнала, В

0,45 ± 0,05

Подстройка под параметры телефонной линии

Нет

* - Абонентский комплект.

** - Устройство оконечное объектовое.

*** - Групповой концентратор.

6.4. Радиосистемы передачи извещений «Струна-3», «Струна-3М»

Радиосистемы передачи извещений (РСПИ) «Струна-3», «Струна-3М» предназначены для приема извещений с объектов, оборудованных охранной и попарной сигнализацией, и выдачи информации оператору ПЦН о состоянии охраняемых объектов. Системы работают по радиоканалу, обеспечивая охрану объекта при его удалении от пункта охраны до 3 км («Струна-3»), до 6 км («Струна-3М»). При использовании направленных антенн дальность действия радиосистем может быть увеличена до 15 км.

Структурная схема РСПИ «Струна-3» приведена на рисунке 5.

Рисунок 5 - Структурная схема РСПИ «Струна-3»

Радиосистема «Струна-3» обеспечивает:

- оперативность и простоту развертывания, удобство эксплуатации;

- контроль до 160 объектов по разрешенному радиоканалу;

- большую информативность: «Номер объекта», «Взят», «Снят», «Вход», «Проникновение-вход», «Периметр», «Объем», «Пожар», «Вызов милиции», «Взлом», «Патруль», «Авария резерва», «Авария канала связи»;

- постоянный контроль канала связи со всеми объектами;

- низкий уровень ложных срабатываний за счет использования помехозащищенного кодирования и специальной обработки принимаемых сигналов (возможность исправления до 12 ошибок в принимаемом коде);

- возможность подключения к ПЭВМ (АРМ ДПЦО);

- автоматическую регистрацию сообщений (при отсутствии ПЭ о состоянии объектов и команд, вводимых с пульта управления, на принтере;

- сохранение в памяти ПЦН приходящей информации при временном отключении принтера;

- использование в объектовом оборудовании устройств бесконтактного определения «свой - чужой»;

- определение нарушения канала связи с каждым из объектов в течение 2 мин;

- отображение приходящей информации с помощью жидкокристаллического индикатора;

- автоматизацию процессов сдачи объектов под охрану и снятия с охраны;

- возможность работы ПЦН в режиме без привлечения внимания оператора в случае поступления служебной информации («Взят», «Снят» и т.д.);

- автоматический переход на резервное питание.

Таблица 4

Технические характеристики радиосистем «Струна-3», «Струна-3М»

Емкость системы

160

Количество подсистем

8

Время контроля канала связи с каждым из объектов, мин

2

Диапазон рабочих частот, МГц

166,7 - 167,5

Шаг частоты, кГц

25

Вид модуляции

ЧМ

Стабильность частоты

10×10-6

Мощность передатчика, Вт

1 + 0,5

Уровень побочных излучений, дБ

- 60

Уровень внеполосных излучений, дБ

- 60

Чувствительность приемника при отношении с/ш 12 дБ, мкВ

1 ± 0,5

Избирательность приема по побочным каналам, дБ:

 

- по соседнему

- 70

- по зеркальному

- 70

Напряжение питания, В:

 

- оборудования объектового

220

- «Струна-401»

12

- ретранслятора

220

- ПЦН

220

Диапазон рабочих температур, °С:

 

- оборудования объектового

От минус 30 до плюс 40

- оборудования ПЦН

От плюс 1 до 40

Способ установки рабочей частоты

Программируется

6.5. Радиосистема передачи извещений «Иртыш-3Р»

Радиосистема передачи извещений (РСПИ) «Иртыш-3» предназначена для организации централизованной охраны объектов и передачи служебных извещений по радиоканалу. Радиосистема представляет собой программно-аппаратный комплекс, имеющий в своем составе ПЦН, ретрансляторы и устройства объектовые. Обмен информацией между центральным пультом и устройствами объектовыми осуществляется по эфиру (радиоканалу) и не требует какой-либо привязки к существующим сетям или прокладки новых линий связи. Этим достигается большая гибкость при создании сети охраняемых объектов.

Структурная схема РСПИ «Иртыш-3Р» приведена на рисунке 6.

Условные обозначения:

1 - Блок «Иртыш-324» (осуществляет двухстороннюю связь с ПЦО по радиоканалу);

2 - Блок «Иртыш-324» (используется в качестве ретранслятора для дополнительной передачи сообщений с удаленных объектов);

3 - Блок «Иртыш-324» (осуществляет связь с ПЦО - принимает команды от ПЦО, передает свое состояние через блок-ретранслятор);

4 - Блок «Иртыш-324» (осуществляет двухстороннюю связь с ПЦО и передачу принятых сообщений от блоков «Иртыш-112»);

5 - Блок «Иртыш-112» (осуществляет одностороннюю связь с ПЦО по радиоканалу через блок «Иртыш-424»);

6 - Блок «Иртыш-424Л» (осуществляет двухстороннюю связь с ПЦО по радиоканалу, передачу сообщений по линии от 31 блока «Иртыш-112Л» и транслирует принятую информацию на пульт);

7 - Блок «Иртыш-112Л» (осуществляет двухстороннюю связь с ПЦО по линии через блок «Иртыш-424Л»).

Рисунок 6 - Структурная схема РСПИ «Иртыш-3Р»

Радиосистема «Иртыш-3Р» обеспечивает:

- возможность контроля процесса сдачи (постановки) на охрану непосредственно на объекте;

- возможность оперативной проверки состояния любого объекта с пульта;

- сложность имитации сигналов системы;

- возможность воздействия на объектовое оборудование с ПЦН (изменение паролей, подключение дополнительного оборудования и т.п.).

Таблица 5

Технические характеристики РСПИ «Иртыш-3Р»

Емкость системы

1000

Количество подсистем

30 (по 31 объекту)

Время контроля канала связи с каждым из объектов, мин

1 - 3 («Иртыш-324»)
2 («Иртыш- 112»)

Диапазон рабочих частот, МГц

Под заказ:

430 - 470 («Иртыш-324»)

140 - 172 («Иртыш-112»)

Используемая полоса частот, кГц

25

Вид модуляции

ЧМ

Стабильность частоты

10-5

Мощность передатчика, Вт:

 

- на объекте

5 («Иртыш-324»)

1 («Иртыш-112»)

- ретранслятора

5

- на ПЦН

10

Уровень побочных излучений, дБ

- 60

Уровень внеполосных излучений, дБ

- 60

Чувствительность приемника при отношении с/ш 12 дБ, мкВ

0,3

Избирательность приема по побочным каналам:

 

- по соседнему

- 60

- по зеркальному

- 60

Напряжение питания, В:

 

- оборудования объектового

220 («Иртыш-324»)

12 («Иртыш-112»)

- ретранслятора

220

- ПЦН

Покупной

Диапазон рабочих температур, °С:

 

- оборудования объектового

От минус 10 до плюс 50

- ретранслятора

От минус 10 до плюс 50

Способ установки рабочей частоты

Программируется

6.6. Прибор-сигнализатор «Атлас-6»

Прибор-сигнализатор «Атлас-6» предназначен для организации централизованной охраны объектов по занятым абонентским линиям АТС при работе совместно с системами передачи извещений: «Нева-10», «Нева-10М», «Центр-М», «Центр-КМ», «Атлас-2М1», «Атлас-2М», «Фобос».

Прибор состоит из ретранслятора (1 шт.), устанавливаемого на кроссе ATС, устройств оконечных (15 шт.) и блоков подключения (15 шт.), устанавливаемых на охраняемых объектах.

Прибор «Атлас-6» обеспечивает:

- контроль 15-ти УО по занятым телефонным линиям;

- контроль 2-х ШC каждым УО;

- сохранение телефонной связи с объектом на период охраны;

- организацию двухрубежной охраны объектов с использованием ограниченного количества телефонных линий;

- возможность подключения к УО резервного источника питания.

Таблица 6

Технические характеристики прибора-сигнализатора «Атлас-6»

Емкость информационная

30

Каналы связи:

 

- блок подключения - ретранслятор

Занятая телефонная линия

- ретранслятор - аппаратура пультов

Специальные линии

Напряжение питания, В:

 

- переменного тока (50 Гц) УО

187 - 242

- постоянного тока ретранслятора

43 - 72

- резервного источника УО

10,2 - 13,2

Потребляемый ток от резервного источника, А

0,018

Диапазон рабочих температур, °С:

 

- УО, блока подключения

От минус 35 до плюс 45

- ретранслятора

От плюс 1 до 45

Габаритные размеры, мм:

 

- УО

192×182×82

- блока подключения

86×76×54

- кассеты

80×210×82

- ретранслятора

475×267×169

Масса, кг:

 

- УО

3,3

- блока подключения

0,3

- кассеты

0,4

- ретранслятора

15,0

6.7. Устройство оконечное «Атлас-6/3»

Устройство оконечное «Атлас-6/3» предназначено для работы в составе приборов-сигнализаторов «Атлас-3» и «Атлас-6».

Устройство «Атлас-6/3» обеспечивает:

- круглосуточную охрану объекта с сохранением телефонной связи;

- контроль ШС на обрыв и короткое замыкание;

- возможность подключения тревожной кнопки.

Таблица 7

Технические характеристики УО «Атлас-6/3»

Напряжение питания переменного тока, В

220

Минимальное напряжение, при котором сохраняется режим «Норма», В

110

Потребляемая мощность, Вт

2,5

Резервное питание:

 

- напряжение, В

10,2 - 13,2

- ток, мА

18,0

Шлейф сигнализации:

 

- сопротивление проводов, кОм

1,0, не более

- минимальное сопротивление утечки, кОм

20,0

- выносное сопротивление, кОм

1,5

Длительность нарушения ШС, мс

800

Уровень сигнала передатчика, мВ

500

Несущая частота, кГц

18

Максимальная длина телефонной линии, км

3,5

Диапазон рабочих температур, °С

От минус 30 до плюс 45

Габаритные размеры, мм

190×180×80

Масса, кг

1

6.8. Устройство оконечное абонентское «Атлас-3Т»

Устройство «Атлас-3Т» предназначено для контроля состояния шлейфа охранной (или тревожной) сигнализации и передачи извещений о проникновении (нападении) методом высокочастотного уплотнения абонентской линии городской телефонной сети на блок линейных комплектов «Атлас-3», «Атлас-6» или аналогичный им, установленный на АТС.

Рекомендуемая область применения устройства «Атлас-3Т» - централизованная охрана объектов (квартира, дача, офис, торговое помещение и т.д.). Может служить заменой блоков объектовых «Атлас-3» и «Атлас-6».

Устройство обеспечивает передачу извещений на ПЦН на несущей частоте (18 ± 0,018) кГц, а также контроль состояния ШС по величине сопротивления при сопротивлении изоляции шлейфа не менее 20 кОм и сопротивлении проводов не более 1 кОм.

Таблица 8

Технические характеристики устройства «Атлас-3Т»

Емкость информационная

2

Информативность

5

Номинальное сопротивление оконечного резистора, кОм

5,6

Габаритные размеры составных частей устройства, мм:

 

- блока приемно-контрольного

110×110×60

- блока фильтра

90×65×30

Масса составных частей устройства, г:

 

- блока приемно-контрольного

200

- блока фильтра

100

Диапазон рабочих температур, °С

От плюс 1 до 40

Относительная влажность воздуха при 25 °С, %

80

6.9. Аппаратура уплотнения СПИ «Фобос» «Атлас-Ф»

Аппаратура «Атлас-Ф» предназначена для работы с системой «Фобос», организации связи между ПЦН и ретранслятором по занятой телефонной линии АТС или для организации совместной работы двух СПИ «Фобос» по одной выделенной линии АТС.

Аппаратура «Атлас-Ф» обеспечивает:

- высокочастотное уплотнение канала связи между ПЦН и ретранслятором СПИ «Фобос», позволяющее сократить вдвое количество выделенных линий связи между ПЦО и кроссом АТС (или использовать занятые телефонные линии в качестве каналов связи между ПЦО и кроссом АТС);

- автоматический переход на резервное питание;

- высокую безотказность и ремонтопригодность.

Таблица 9

Технические характеристики аппаратуры «Атлас-Ф»

Максимальное расстояние линии связи, км

5

Каналы связи

Выделенная телефонная линия

Количество каналов связи

2

Напряжение питания постоянного тока, В:

 

- основного источника питания

10,8 - 13,2 или 54 - 72

- резервного источника питания

10,8 - 13,2

Скорость передачи информации, Бод

200

Несущая частота передачи, Гц

1650, 18000

Выходное напряжение передатчика, мВ:

 

- на частоте 1650 Гц

500

- на частоте 18000 Гц

450

Чувствительность приемника, мВ:

 

- на частоте 1650 Гц

350

- на частоте 18000 Гц

20

Помехозащищенность приемника по амплитуде сигнала, мВ:

 

- на частоте 1650 Гц

50

- на частоте 18000 Гц

10

Диапазон рабочих температур, °С

От минус 50 до плюс 50

Габаритные размеры каждого блока, мм

200×150×60

Масса, кг

1,5

6.10. Система охранно-пожарной сигнализации «Атлас-2М1»

Система ОПС «Атлас-2М1» предназначена для контроля состояния ШС на объекте и передачи тревожных извещений в пункт охраны по занятым абонентским и межстанционным линиям ГТС.

Система ОПС «Атлас-2М1» обеспечивает:

- контроль 30-ти ШС с возможностью выбора времени реагирования на изменение состояния;

- передачу тревожных извещений на пульт системы по линиям телефонной сети через несколько АТС без нарушения телефонной связи с объектом;

- звуковую и индивидуальную световую индикацию сигналов «Тревога» на пульте;

- работу выносного табло дежурного с индивидуальной световой индикацией, которое дублирует информацию, поступающую на пульт;

- формирование специальных сигналов: «Взлом», «Резерв», «Авария» при попытке взлома оборудования объектового, при переходе на внешнее питание, а также при выходе из строя линии связи с объектом.

Таблица 10

Технические характеристики системы «Атлас-2М1»

Шлейф сигнализации:

 

- максимальное сопротивление линии, кОм

1

- максимальное сопротивление утечки, кОм

20

- сопротивление выносного резистора, кОм

3

- помехозащищенность, мс

70, 500

Канал связи:

 

- несущая частота сигнала, кГц

18, 19

- вид модуляции

АМ-ЧМ

- уровень передачи устройства трансляции (УТ), устройства переходного (УП), мВ

450 ± 50

- уровень передачи УП при условии подбора межстанционных линий, В

До 14

- чувствительность приемников УП, пульта, мВ

30

- помехозащищенность от кратковременных нарушений линии связи на участке УТ - пульт, мс

500

- длительность опроса, мс

340

- длительность посылок, мс

5

Напряжение питания УТ, пульта, выносного табло дежурного ВИП (сеть переменного тока), В

187 - 242

Напряжение питания УП (станционная батарея АТС), В

54 - 72

Потребляемая мощность, ВА:

 

- УТ, УП, ВИП

15, не более

- пульта

20, не более

Диапазон рабочих температур, °С

От плюс 5 до 40

Габаритные размеры, мм:

 

- УТ, ВИП

360×230×82

- УП

260×190×70

- пульта

420×270×160

Масса, кг:

 

- УТ, ВИП

3,5

- УП

3,0

- пульта

6,0

6.11. Комплекс средств автоматизации деятельности оперативного персонала ПЦО

Комплекс средств автоматизации (КСА) предназначен для автоматизации деятельности оперативного персонала ПЦО.

Комплекс средств автоматизации ПЦО обеспечивает:

- автоматизацию деятельности оперативного персонала ПЦО при работе с системами передачи извещений «Фобос», «Фобос-А» «Фобос-ТР», «Центр-КМ», «Нева-10М», радиосистемами «Струна-3», «Струна-3М», а также ППК «Виста»;

- автоматизацию процесса анализа тревожных и аварийных ситуаций;

- ведение информационной, графической и звуковой БД.

В состав КСА ПЦО входят:

- автоматизированное рабочее место дежурного ПЦО (АРМ ДПЦО);

автоматизированное рабочее место администратора базы данных (АРМ АБД);

- автоматизированное рабочее место дежурного пульта управления (АРМ ДПУ);

- автоматизированное рабочее место администратора системы (АРМ АС).

Структурная схема КСА ПЦО приведена на рисунке 7.

Рисунок 7 - Структурная схема КСА ПЦО

7. ТЕХНИЧЕСКОЕ ОБСЛУЖИВАНИЕ И РЕМОНТ СИСТЕМ ПЕРЕДАЧИ ИЗВЕЩЕНИЙ

7.1. Регламентные работы

Техническое обслуживание (ТО) СПИ, установленных в помещениях ПЦО и АТС, проводят на основании Приказа МВД России от 31 января 1994 года № 35.

Плановое ТО устройств СПИ, установленных в ПЦО и на АТС, проводят со следующей периодичностью:

- в объеме регламента № 1 - 4 раза в месяц;

- в объеме регламента № 2 - 1 раз в 3 месяца.

Неплановое ТО СПИ проводят в целях выявления причин и устранения ложных срабатываний (по указанию инженерно-технического персонала ПЦО), а также в случае ликвидации последствий воздействия на ТСО неблагоприятных климатических и других условий.

Регламентные работы проводят прежде всего на частях системы, расположенных в ПЦО, а затем - в помещениях АТС. Указания о необходимых переключениях на пульте следует передавать ДПУ по телефону.

Все работы по ТО СПИ должны выполняться в соответствии с Правилами технической эксплуатации электроустановок потребителей и Правилами техники безопасности при эксплуатации электроустановок потребителей, нормативными актами МВД России, другими нормативными и техническими документами.

Регламентные работы, связанные со вскрытием пломб завода-изготовителя, выполняют только по истечении гарантийного срока службы. До окончания гарантийного срока службы указанные работы можно проводить только в ремонтной группе с предварительного согласия завода-изготовителя.

Контроль за правильным и своевременным проведением регламентных работ и ведением эксплуатационной документации осуществляет начальник, старший инспектор-инженер и инженер ПЦО.

Трудозатраты на проведение регламентных работ для различных систем и АРМ приведены в таблице 11. Примерные технологические карты выполнения регламентных работ (на примере СПИ «Фобос», «Центр» и АРМ) приведены в Приложении А.

Допускается вносить изменения (отклонения) в технологические карты проведения регламентных работ. (Изменения и отклонения должны быть утверждены начальником ПЦО.)

Технологические карты проведения регламентных работ на СПИ, применяемые в конкретных подразделениях охраны, составляются инженером и утверждаются начальником ПЦО.

Таблица 11

Наименование системы, АРМ

Трудозатраты

Регламент № 1

Регламент № 2

«Центр-М»

1 чел.; 1,06 ч

2 чел.; 1,12 ч

«Центр-КМ», «Центр-К»

1 чел.; 1,35 ч

2 чел.; 0,33 ч

«Нева-10»

1 чел.; 1,06 ч

2 чел.; 1,93 ч

«Нева-10М»

1 чел.; 1,22 ч

2 чел.; 1 ч

«Юпитер»

1 чел.; 1,50 ч

2 чел.; 1,20 ч

«Комета-К»

1 чел.; 1,50 ч

2 чел.; 1,20 ч

«Фобос»

2 чел.; 0,55 ч

2 чел.; 0,70 ч

«Фобос-ТР»

1 чел.; 0,55 ч

2 чел.; 0,70 ч

«Фобос-А»

1 чел.; 0,55 ч

2 чел.; 0,70 ч

«Струна-3», «Струна-3М»

1 чел.; 0,50 ч

2 чел.; 0,50 ч на 1 объект

«Ахтуба»:

 

 

- УОО и ФА

1 чел.; 0,48 ч

1 чел.; 0,95 ч

- мультиплексор и концентратор

1 чел.; 0,60 ч

1 чел.; 3 ч + 0,1 ч на каждый канал при 40 % загрузке

- УФУ

1 чел.; 0,50 ч

1 чел.; 2,50 ч

АРМ ДПУ

1 чел.; 0,30 ч

1 чел.; 1 ч

АРМ ДПЦО

1 чел.; 0,30 ч

1 чел.; 1 ч

АРМ АБД

1 чел.; 0,30 ч

1 чел.; 1 ч

АРМ АС

1 чел.; 0,30 ч

1 чел.; 1 ч

7.2. Нормативы по технической эксплуатации ТСО и оргтехники, используемой в ПЦО

В настоящий подраздел Рекомендаций включены ТСО, вошедшие в Перечень, а также средства оргтехники, записи и связи, используемые в ПЦО. Нормативы составлены в соответствии с приказами МВД России от 31 января 1994 года № 35, от 28 апреля 1998 года № 263.

7.2.1 Перечень ТСО, приведенных к условным установкам

Таблица 12

Наименование ТСО

Количество условных установок

Аппаратура СПИ

«Фобос»:

 

- устройство объектовое

0,1

- пульт оператора

3,4

- ретранслятор

2,4

«Фобос-ТР»:

 

- устройство объектовое с блоком подключения

0,6

- пульт оператора

4,0

- ретранслятор

2,6

«Юпитер»:

 

- групповой концентратор с фильтром подключения и блоком питания

0,3

- кодовый ответчик

0,2

- индивидуальный ответчик с комплектом брелоков

0,2

- пульт оператора

8,0

- коммутатор ПЦО

1,8

- устройство трансляции (УТ)

2,0

- УТ (автоматизированное)

1,5

- УТ («Атлас»)

1,5

- УТ (ПЦН)

2,5

- УТ (ретранслятор)

0,2

«Ахтуба»:

 

- устройство оконечное объектовое и фильтр

 

абонентский

0,2

- мультиплексор и концентратор

2,0

- устройство файловое управляющее

1,7

«Атлас-6»:

 

- устройство оконечное с блоком подключения

0,5

- ретранслятор

2,5

Устройство оконечное УО01061-1-2 «Атлас-6/3»

0,6

Устройство оконечное абонентское УОО01061-1-3 «Атлас-3Т»

0,1

«Атлас-2М1»:

 

- пульт

2,0

-УТ

1,4

- устройство переходное

0,2

- табло выносное дежурного

0,2

Аппаратура уплотнения СПИ «Фобос» «Атлас-Ф»*

0,4

«Струна-3», «Струна-3М»:

 

- устройство объектовое

0,8

- радиопередатчик с антенной

1,8

- пульт управления

7,0

- устройство обработки

1,4

- радиоприемник с антенной

1,7

- устройство сопряжения

0,5

Устройства резервного электропитания

Бензоэлектрический агрегат

10,0

Дизельный агрегат

16,0

Аккумуляторная батарея емкостью до 360 А·ч напряжением:

 

- 24 В

4,0

- 60 В

9,0

Программно-аппаратные средства АРМ ПЦО

АРМ ДПЦО

1,7

АРМ АБД

1,7

АРМ ДПУ

1,7

АРМ АС

1,7

АРМ «Приток»

1,7

АРМ «Виста»

1,7

Средства оргтехники и спецтехники

Персональный компьютер типа IBM PC

5,0

Принтер:

 

- матричный

0,2

- струйный

0,2

- лазерный

0,2

Ксерокс

0,3

Носимые радиостанции

0,2

Стационарные радиостанции

0,5

Магнитофон класса «Электроника-004»

3,0

Фоническое устройство

0,3

Регистрационное устройство

0,3

* - Каждый блок.

Для обеспечения круглосуточного дежурства электромонтеров ПЦО допускается устанавливать следующие условия введения должностей электромонтеров ОПС по обслуживанию СПИ с учетом общей пультовой емкости всех ПЦО подразделений охраны:

1. При общей пультовой емкости до 2000 номеров - 5 ед. электромонтеров;

2. При общей пультовой емкости до 10000 номеров - на первые 2000 номеров аналогично пункту 1, на каждые последующие 500 номеров - дополнительно 0,5 ед. электромонтеров;

3. При общей пультовой емкости более 10000 номеров - на первые 10000 номеров аналогично пункту 2, на каждые последующие 1000 номеров - дополнительно 0,5 ед. электромонтеров.

Примечание - Расчет общей пультовой емкости проводить без учета систем радиоохраны; емкость информаторной системы считать из расчета 200 пультовых номеров на одну выделенную телефонную линию.

7.2.2 Нормы времени

Таблица 13

Нормы времени на входной контроль и ремонт ТСО

Наименование ТСО

Норма времени, ч

на входной контроль

на ремонт

Технические средства передачи тревожных извещений

«Фобос»:

24,0

 

- плата процессора

 

3,0

- блок питания (БП)

 

1,6

- узел центральный (УЦ)

 

2,8

- узел управления

 

1,0

- узел линейных комплектов (УЛК)

 

1,5

- узел фильтров (УФ)

 

1,0

- узел питания (УП)

 

0,8

- устройство оконечное (УО)

 

0,5

«Фобос-ТР»:

12,0

 

- плата процессора

 

3,0

- БП

 

1,6

- плата УЛК

 

2,0

- плата УЦР

 

2,8

- плата УФАМ

 

1,0

- плата УПР

 

0,8

«Юпитер»:

 

 

- УТ (автоматизированное)

1,8

2,5

- УТ («Атлас»)

1,8

2,5

- УТ (ПЦН)

2,4

4,0

- УТ (ретранслятор)

0,3

1,3

- коммутатор ПЦО

0,8

1,0

- абонентский комплект:

3,6

 

- групповой концентратор

 

1,8

- индивидуальный ответчик с комплектом брелоков

 

1,1

- фильтр подключения

 

0,3

- плата питания

 

0,5

«Атлас-6»:

3,9

 

- ретранслятор

 

4,0

- УО

 

1,0

- блок подключения

 

0,3

Устройство оконечное УО01061-1-2 «Атлас-6/3»

3,5

4,0

Устройство оконечное абонентское УОО01061-1-3 «Атлас-3Т»

3,5

4,0

«Атлас-2М1»:

4,7

 

- пульт

 

3,0

- УТ

 

1,2

- устройство переходное

 

0,5

- табло выносное

 

0,1

Аппаратура уплотнения СПИ «Фобос»

 

 

«Атлас-Ф»

0,5

0,5

«Струна-3», «Струна-3М»:

18,0

 

- устройство сопряжения

 

0,1

- радиоприемник

 

2,8

- устройство обработки

 

4,0

- устройство объектовое

 

1,0

- радиопередатчик

 

4,8

Программно-аппаратные средства АРМ ПЦО

АРМ ДПЦО

1,0

2,0

АРМ АБД

1,0

2,0

АРМ ДПУ

1,0

2,0

АРМ АС

1,0

2,0

АРМ «Приток»

1,0

2,0

АРМ «Виста»

1,0

2,0

Средства оргтехники и спецтехники

Персональный компьютер типа IBM PC

5,0

5,0

Принтер:

 

 

- матричный

0,1

2,4

- струйный

0,1

2,5

- лазерный

0,1

3,0

Ксерокс

0,1

3,0

Носимые радиостанции

0,1

5,5

Стационарные радиостанции

0,1

11,0

Магнитофон класса «Электроника-004»

0,3

2,0

Фоническое устройство

0,1

0,3

Регистрационное устройство

0,1

0,2

Годовые нормы расхода материалов для технической эксплуатации ТСО должны быть согласно Приказу МВД России от 31 января 1994 года № 35, для средств спецтехники и оргтехники - приведены в таблице 14.

Таблица 14

Годовые нормы расхода материалов для технической эксплуатации средств спецтехники и оргтехники

Наименование технического средства

Ветошь, кг

Кисть-флейц, шт.

Спирт гидролизный, кг

Спирт-ректификат, кг

Замша техническая, дм2

Припой ПОС40, кг

Канифоль, кг

Персональный компьютер

2,0

1

0,381

0,381

40

-

-

Принтеры:

 

 

 

 

 

 

 

- матричный

0,1

1

0,381

-

-

-

-

- струйный

0,1

1

0,381

-

-

-

-

- лазерный

0,1

1

-

0,476

40

-

-

Ксерокс

1,0

1

-

0,476

40

-

-

Носимые радиостанции (на 100 радиостанций)

0,1

-

-

-

-

0,2

0,10

Стационарная радиостанция

1,0

-

0,381

-

-

0,1

0,05

Магнитофон класса «Электроника-004»

0,1

1

0,381

-

 

0,1

0,05

7.3. Нормы положенности обменных фондов и расходных материалов

7.3.1 Системы передачи информации

Необходимый набор и количество ЗИП для СПИ должен быть согласно Приказу МВД России от 31 января 1994 года № 35 (Таблица 4.2 Приложения 2 к приказу).

7.3.2 Компьютерная техника и оргтехника

При эксплуатации в пункте централизованной охраны АРМ необходимо предусмотреть запасной компьютер, настроенный на работу на любом рабочем месте этого ПЦО. На указанном компьютере должно быть конфигурировано программное обеспечение, сформирована БД и т.д.

Для принтеров и ксероксов, которые эксплуатируются в ПЦО, следует предусмотреть необходимый запас:

- бумаги;

- расходных материалов (лента, тонер, запасные картриджи и др.).

7.4. Списание аппаратуры ПЦО

Технические средства, пришедшие в негодность по причине физического износа, выработки установленных сроков службы, стихийных бедствий, аварий, нарушений нормальных условий эксплуатации и др., а также морально устаревшие, подлежат списанию.

Для проведения процедуры списания аппаратуры назначают комиссию в составе: начальника ОВО, начальника ФЭО ОВО, начальника ПЦО и других членов комиссии по списанию основных средств в соответствии с приказами МВД России № 73-88, 465-92, 203-93.

По истечении установленного срока эксплуатации ТСО, если техническое состояние по определению комиссии позволяет ее дальнейшее использование по прямому назначению, допускается ежегодное продление срока, что должно быть отмечено в соответствующем акте.

После утверждения акта о списании техническое средство считается списанным и подлежит демонтажу. Годные для дальнейшего использования узлы, детали, запасные части и материалы, полученные от разборки списанной аппаратуры, допускается использовать при проведении ремонтных работ.

Все непригодные для использования узлы, детали и материалы, полученные от демонтажа списанных технических средств, должны быть утилизированы в установленном порядке (Приказ МВД России от 20 августа 1998 года № 504).

8. ЭНЕРГОСНАБЖЕНИЕ ПУНКТА ЦЕНТРАЛИЗОВАННОЙ ОХРАНЫ

Пункт централизованной охраны должен обеспечиваться электроэнергией по первой категории электроприемников, согласно требованиям СНиП 2.04.09-84 и РД 78.143-92. То есть должен иметь два независимых взаиморезервируемых электропитающих ввода от разных трансформаторных подстанций с устройством автоматического включения резервного электропитания.

Дежурное (аварийное) освещение устанавливают в помещении дежурного офицера и в пультовом зале ПЦО. Сеть дежурного освещения должна быть самостоятельной от сети рабочего освещения.

В зависимости от типов пультов, установленных в ПЦО, для организации резервного питания в аварийном режиме необходимо использовать источники электропитания с автоматическим или ручным переключением:

- аккумуляторные батареи (щелочные, кислотные);

- бензоагрегаты, дизельные агрегаты (резервные источники переменного тока).

Во избежание порчи или потери информации, записанной на магнитных носителях (дискетах, винчестерах), при импульсных изменениях напряжения питающей сети должны быть предусмотрены устройства, исключающие мгновенное исчезновение или изменение напряжения, источники бесперебойного питания компьютеров на время не менее 20 мин, необходимые для запуска резервного источника питания.

При эксплуатации модемных и факс-модемных устройств в результате воздействия импульсов высокого напряжения, попадающих в интерфейсный порт не по сети питания, а по кабелям (телефонные линии и линии передачи данных), могут повреждаться системные и сетевые платы. Для исключения подобных воздействий рекомендуется применять оборудование, которое может обеспечить защиту от скачков перенапряжения на телефонных линиях и линиях передачи данных (стандартные порты и локальные сети).

Заземление

Устройство заземления должно проектироваться в соответствии с требованиями эксплуатационной документации на оборудование ПЦО и требованиями Правил устройства электроустановок.

Технические средства с напряжением питания переменного тока выше 42 В и постоянного тока выше 110 В подлежат заземлению.

Сопротивление устройства заземления должно быть не более 4 Ом.

Устройства заземления состоят из заземляющих проводников и электродов заземления. В качестве проводников рекомендуется использовать:

- сталь полосовую размером 40×4 или 40×6 мм;

- стать арматурную стержневую диаметром от 10 до 16 мм;

- проволоку стальную оцинкованную диаметром не менее 6 мм;

- изолированный проводник для заземления аппаратуры сечением не менее 1,5 мм2 (для меди) и не менее 2,5 мм2 (для алюминия).

В качестве электродов рекомендуется использовать:

- сталь угловую размером 50×50×5 или 63×63×6 мм;

- стержень из круглой стали диаметром от 10 до 16 мм;

- сталь полосовую размером 40×4 или 40×6 мм.

Допускается использовать естественные устройства заземления:

- водопроводные и другие металлические трубопроводы, проложенные в земле, за исключением трубопроводов горючих жидкостей, горючих или взрывчатых газов и смесей;

- металлические и железобетонные конструкции зданий и сооружений, находящиеся в соприкосновении с землей;

- обсадные трубы скважин;

- свинцовые оболочки кабелей, проложенных в земле.

Алюминиевые оболочки кабелей в качестве естественных заземлителей применять нельзя!

В сухих помещениях без агрессивных сред заземляющие проводники прокладывают по стенам, в остальных помещениях - на расстоянии не менее 10 мм от стен.

Технические средства должны быть подключены к заземлению с помощью отдельного ответвления. Последовательное включение в заземляющий проводник недопустимо.

В каждой электроустановке должен быть предусмотрен главный заземляющий зажим или шина, к которым присоединяют заземляющие и защитные проводники, проводники главной системы уравнения потенциалов, проводники рабочего заземления.

В помещениях ПЦО необходимо предусмотреть установку электрических розеток с заземляющим контактом для подключения персональных компьютеров, настольных ламп, другого оборудования рабочих мест.

Варианты устройств заземления приведены на рисунке 8.

Рисунок 8 - Варианты устройств заземления

9. РАДИОСВЯЗЬ ПУНКТА ЦЕНТРАЛИЗОВАННОЙ ОХРАНЫ

Работа средств радиосвязи ПЦО должна производиться строго в соответствии с частотным планом и радиоданными ГУВД, УВД соответствующего субъекта Российской Федерации на текущий период времени.

9.1. Организация радиосвязи

Радиосвязь в зависимости от обстановки, наличия сил и средств организуют по радионаправлениям и радиосетям. При необходимости радиосвязь может быть организована путем взаимного вхождения в радиосети.

При отсутствии устойчивой радиосвязи допускается осуществление связи посредством промежуточных радиостанций.

В качестве промежуточных радиостанций могут быть использованы радиостанции ближайших подразделений ОВД, автотранспорта, пеших нарядов.

Связь через промежуточные радиостанции может осуществляться путем переприема или ретрансляции передач, при этом ретрансляция может быть односторонней или двухсторонней.

При переприеме на промежуточной радиостанции принимается сообщение одного из корреспондентов, которое затем передается другому.

При небольшом количестве корреспондентов радиосвязь ПЦО организуется на частные радиосети подразделений ОВД. В состав радиосети входят:

- радиостанция дежурной части ГУВД, УВД, ОВД - главная;

- радиостанции, установленные на машинах нарядов милиции охраны общественного порядка;

- радиостанция ПЦО;

- радиостанции, установленные на автотранспорте ГЗ ПЦО и патрулей милиции охраны.

При наличии более 10 корреспондентов организуют радиосети ПЦО, которые обеспечивают радиообмен на специально выделенной частоте.

Состав радиосетей, рабочие и запасные радиочастоты, а также позывные определяются приказом начальника ГУВД, УВД и являются секретными. Позывные ГЗ ПЦО, нарядов милиции оформляют выпиской (с грифом «Секретно») из общей таблицы и хранят в ПЦО в местах, исключающих доступ посторонних лиц.

В состав радиосети входят:

- радиостанция дежурной части ПЦО - главная;

- радиостанции ГЗ ПЦО;

- радиостанции нарядов милиции охраны.

Радиосвязь ПЦО с дежурной частью ГУВД, УВД, ОВД в этом случае обеспечивают путем взаимного вхождения в радиосети.

При организации радиосвязи должны быть учтены следующие обстоятельства:

- характер и рельеф местности, влияющий на дальность радиосвязи;

- возможность подслушивания (перехвата) переговоров и передач;

- возможность взаимных радиопомех, создаваемых работой своих радиостанций, радиорелейной аппаратурой и других радиотехнических средств, расположенных в непосредственной близости друг от друга;

- зависимость от условий прохождения радиоволн;

- воздействие атмосферных и индустриальных помех в пункте приема;

- уменьшение дальности действия радиостанций при работе их в движении вследствие электрических и акустических помех, наклона и качания штыревых антенн, экранизирующего воздействия рельефа местности и электротехнических сооружений (линий электропередачи и др.).

В помещении дежурной части ПЦО необходимо обеспечить наличие не менее двух радиостанций, одна из которых должна быть включена на канал ГУВД, УВД.

Должностные лица, в ведении которых находятся средства радиосвязи, обязаны периодически проверять:

- внешнее состояние радиостанций;

- укомплектованность средств связи и правильность ведения эксплуатационной документации;

- работоспособность радиостанций, аккумуляторных батарей и зарядных устройств.

Неисправная аппаратура в кратчайшие сроки должна быть направлена в мастерскую по ремонту средств связи.

9.2. Правила ведения радиообмена

Разрешается ведение открытых радиопереговоров по следующим вопросам:

·      О разбойном нападении, грабеже, краже и других правонарушениях (вид, место, время).

·      Об обнаружении трупа или лица, находящегося в беспомощном состоянии.

·      О стихийных бедствиях и несчастных случаях (без указания особо важных объектов и числа жертв).

·      О распоряжениях, направленных на пресечение преступления и задержание правонарушителей.

·      О вызове дополнительных сил и средств для обеспечения охраны общественного порядка, предупреждения или пресечения преступления.

·      Об ориентировке на розыск совершивших преступление, а также бежавших из под охраны.

·      О месте нахождения патрульно-постового наряда милиции, изменениях в маршруте патруля или мест дислокации постов.

·      Об угонах автомототранспорта (кроме принадлежащего иностранным гражданам).

·      О принадлежности автотранспорта и месте его стоянки.

·      О дорожно-транспортных происшествиях (кроме происшествий, при которых погибли более пяти человек, пострадали руководящие работники государственных органов, руководители и члены делегаций зарубежных стран, иностранные граждане).

·      О передвижении, задержании или обеспечении беспрепятственного проезда транспортных средств с указанием их вида, марки, государственного номерного знака и внешних признаков.

·      О техническом состоянии имеющихся средств оперативной техники и служебного автотранспорта.

·      О состоянии средств сигнализации, электропитания и телефонной связи на охраняемом объекте, сдаче под охрану или снятии его с охраны.

·      О метеорологических, дорожных условиях.

·      О прохождении спортивно-массовых и подобных им мероприятий и состоянии общественного порядка при их проведении.

·      О мерах по предупреждению дорожно-транспортных происшествий.

Запрещается ведение открытых переговоров на следующие темы:

·      О совершенных преступлениях, предусмотренных главой 1 общей части Уголовного кодекса Российской Федерации.

·      О происшествиях на режимных и оборонных объектах.

·      О принадлежности автотранспортных средств объектам Минобороны России, режимным предприятиям министерств по оборонным отраслям промышленности и другим военным и оборонным объектам.

·      О перекрытии движения, если это связано с выполнением поручений соответствующих служб других ведомств.

·      О сведениях, раскрывающих существо оперативных мероприятий и конкретную обстановку.

·      О фамилиях и званиях должностных лиц.

Передача сведений по указанным темам кодируется с помощью переговорных таблиц, разработанных на местах.

Перед каждым вызовом корреспондента необходимо убедиться в том, что в радиосети не ведутся переговоры другими корреспондентами. При отсутствии радиообмена радиостанцию включают на передачу и осуществляют вызов требуемого корреспондента. Вмешиваться в радиообмен корреспондентов, проводимый с двух радиостанций, и перебивать их работу разрешается главной радиостанции в любых случаях, а остальным радиостанциям - только при чрезвычайных обстоятельствах. Радиообмен между корреспондентами должен быть кратким. Запрещается вести переговоры по личным вопросам и выключать радиостанцию без разрешения главной радиостанции.

10. ДОКУМЕНТАЦИЯ ПУНКТА ЦЕНТРАЛИЗОВАННОЙ ОХРАНЫ

В ПЦО согласно приказам МВД России № 35-94, 201-94 в обязательном порядке должна вестись следующая документация:

Дежурными пульта управления:

·      Контрольные листы.

·      Распечатки информации контрольно-регистрирующих устройств.

·      Журнал учета квартир, взятых на длительную охрану.

Начальником или инженером ПЦО:

·      Журнал учета объектов и обособленных помещений, подключенных в ПЦО.

·      Журнал учета квартир, подключенных в ПЦО.

·      Журнал учета срабатываний ТСО.

·      Журнал учета заявок на ремонт ТСО и закрытие объектов.

·      Журнал учета объектов и квартир, временно снятых с охраны.

·      Журнал загрузки СПИ (ведется для каждой СПИ).

·      Журнал распоряжений.

·      Журнал для записей проверяющих лиц.

·      Оперативные карточки на охраняемые объекты, квартиры.

·      Инструкции о действиях ДПУ в различных ситуациях.

·      Журнал учета ответственных лиц собственников.

·      Графики регламентных работ ПЦН, аппаратуры уплотнения и технических средств, установленных в ПЦО и на АТС.

·      Список телефонов аварийных служб города (района).

·      Поименный список ДПУ и их личных номеров.

·      График работы ДПУ на текущий месяц.

·      Список лиц, имеющих право нахождения в ПЦО, а также его проверки.

Дежурным ПЦО

·      Рабочий журнал дежурного ПЦО.

Милиционером ГЗ ПЦО

·      Бортовой журнал

Все названные журналы должны быть прошнурованы, пронумерованы и опечатаны в соответствии с предъявляемыми требованиями.

10.1. Документация ДПУ

·      Контрольные листы

Контрольные листы ведутся ДПУ по установленной форме. Рекомендуемые формы ведения контрольных листов приведены в Приложениях Б.1 и Б.2.

В разделе 1 (для объектов) ДПУ регистрирует пультовый номер объекта, время сдачи под охрану, фамилию собственника, который сдает объект под охрану, а также снимает его с охраны, время снятия объекта с охраны.

В разделе 1 (для квартир) ДПУ регистрирует пультовый номер квартиры, в графе «Время сдачи под охрану» записывает время и фамилию квартиросъемщика, позвонившего на пульт. В графе «Время взятия под охрану» записывает фактическое время, когда квартира была взята под охрану на ПЦН.

В разделе 2 ДПУ фиксирует поступившие сигналы «Тревога», при этом указывает время поступления на СЦН информации о срабатывании сигнализации на охраняемом объекте (в квартире); время передачи сигнала «Тревога» дежурному ПЦО, дежурному ГУВД, УВД, ОВД, фамилии принявших сообщение; время прибытия наряда милиции на объект; результат внешнего осмотра объекта (квартиры); состояние контрольных ламп; причины срабатывания ТСО и принятые меры; факт перезакрытия объекта (время) или выставления поста физической охраны до перезакрытия; фамилии и инициалы лиц, проводивших перезакрытие объекта (квартиры).

В разделе 3 ДПУ делает записи о проверках состояния ТСО после проведенных регламентных работ и ремонтов с указанием проверяемого пультового номера, времени проверки и фамилии электромонтера, осуществляющего проверку.

В разделе 4 ДПУ фиксирует перечень несданных объектов (квартир), причины несдачи и принятые меры.

В разделе 5 ДПУ фиксирует количество охраняемых объектов и квартир на установленное контрольное время (например, 23:00).

В разделе 6 производятся записи инженерно-технического состава ПЦО и дежурных ПЦО о проверках работы ДПУ в течение дежурной смены.

В разделе 7 указывают количество находящихся под охраной объектов (квартир) во время смены дежурств, а также при подмене ДПУ на время приема ищи и ночного отдыха.

Примечание - Организация подмены ДПУ на время приема пищи и ночного отдыха регламентируется соответствующим приказом начальника ОВО.

·      Распечатки информации контрольно-регистрирующих устройств

Распечатки информации контрольно-регистрирующих устройств о работе ПЦО вместе с контрольными листами хранятся у начальника ПЦО в течение 1 года.

·      Журнал учета квартир, взятых на длительную охрану

Журнал учета квартир, взятых на длительную охрану, ведется на каждом рабочем месте, программные возможности которого не позволяют автоматически переводить квартиры в разряд длительно охраняемых (находящихся под охраной более 3-х суток).

Рекомендуемая форма ведения журнала приведена в таблице 15.

Таблица 15

Форма журнала учета квартир, взятых на длительную охрану

Пультовый номер

Ф.И.О. квартиросъемщика

Адрес

Дата приема под охрану

Время отсутствия

Ф.И.О., адрес и телефон доверенного лица

Дата снятия с охраны, фамилия ДПУ

1

2

3

4

5

6

7

В графе «Время отсутствия» указывают предполагаемое время отсутствия квартиросъемщика (с его слов) при сдаче квартиры под охрану.

По окончании журнала все имеющиеся записи о квартирах, взятых на длительную охрану, переносят в новый журнал. По окончании журнал хранится у инженера ПЦО в течение 1 года.

10.2. Документация начальника или инженера ПЦО

·      Журнал учета объектов и обособленных помещений, подключенных в ПЦО

Рекомендуемая форма ведения журнала приведена в таблице 16.

Таблица 16

Форма журнала учета объектов и обособленных помещений, подключенных в ПЦО

№ п/п.

Наименование объекта, адрес

Вид сигнализации

Номер договора, номер в перечне

Номер ПЦН

Номер приказа о приеме под охрану

Время охраны

1

2

3

4

5

6

7

·      Журнал учета квартир, подключенных в ПЦО

Рекомендуемая форма ведения журнала приведена в таблице 17.

Таблица 17

Форма журнала учета квартир, включенных в дислокацию ПЦО

№ п/п.

Наименование квартиры

Адрес

Номер и дата приказа о приеме под охрану

Номер договора

Номер ПЦН

Вид сигнализации

Примечание

1

2

3

4

5

6

7

8

·      Журнал учета срабатываний ТСО

Рекомендуемая форма ведения журнала приведена в таблице 18.

Таблица 18

Форма журнала учета срабатываний ТСО

Дата и время

Пультовый номер

Наименование и адрес объекта

Ф.И.О. ДПУ

Причины срабатывания

Дата и Ф.И.О. лица, выполнявшего работы

Примечание

1

2

3

4

5

6

7

·      Журнал учета заявок на ремонт ТСО и закрытие объектов

Рекомендуемая форма журнала приведена в таблице 19.

Таблица 19

Форма журнала учета заявок на ремонт ТСО и закрытие объектов

Дата, время заявки

Пультовый номер

Наименование объекта

Причина заявки

Кто сообщил

Причина неисправности

Выполненные работы, дата и время устранения неисправности

Фамилия и роспись выполнявшего работы

1

2

3

4

5

6

7

8

·      Журнал учета объектов и квартир, временно снятых с охраны

Рекомендуемая форма ведения журнала приведена в таблице 20.

Таблица 20

Форма журнала учета объектов и квартир, временно снятых с охраны

Пультовый номер

Наименование объекта

Дата снятия, номер приказа

Причина снятия

Дата взятия, номер приказа

1

2

3

4

5

·      Журнал загрузки СПИ

Рекомендуемая форма ведения журнала приведена в таблице 21.

Таблица 21

Форма журнала загрузки СПИ

Пультовый номер

Наименование объекта, квартиры

Адрес

Способ подключения

Скроссированный телефон, прямой провод

Время охраны

1

2

3

4

5

6

1

 

 

ОУ «Фобос»

 

 

2

 

 

«Атлас-3Т»

 

 

3

 

 

и т.п.

 

 

·      Журнал распоряжений

В этот журнал заносят распоряжения любого характера о деятельности ПЦО, которые должны исполняться ДПУ (постановка под охрану и снятие с охраны объектов, объявление приказов и т.д.). Дежурный пульта управления при заступлении на дежурство обязан ознакомиться с имеющимися распоряжениями.

Рекомендуемая форма ведения журнала приведена в таблице 22.

Таблица 22

Форма журнала распоряжений

№ п/п.

Распоряжение

Дата, подпись начальника

Дата, подпись ДПУ

1

2

3

4

·      Журнал для записей проверяющих лиц

При выявлении проверяющим лицом каких-либо недостатков, начальник ПЦО должен поставить подпись об ознакомлении с ними и затем отчитаться в письменном виде об устранении недостатков.

Рекомендуемая форма ведения журнала приведена в таблице 23.

Таблица 23

Форма журнала для записей проверяющих лиц

Дата, время

Отметка проверяющих

Ф.И.О., должность, звание, роспись

Отметка об устранении недостатков

Ф.И.О., дата, роспись

1

2

3

4

5

·      Оперативные карточки на охраняемые объекты, квартиры

Оперативные карточки на охраняемые объекты, квартиры должны содержать код (пультовый номер), наименования объекта и обособленного помещения, адрес, схему блокировки, пути подхода (подъезда), места возможного проникновения. Карточки ведутся инженером или начальником ПЦО по установленной форме.

·      Инструкции о действиях ДПУ в различных ситуациях

Инструкции о действиях ДПУ в различных ситуациях (находятся в одной папке) должны содержать: функциональные обязанности ДПУ; действия ДПУ при поступлении сигнала «Тревога»; порядок работы с ПЦН; порядок сдачи объектов под охрану (для каждого типа пультов, эксплуатируемых в ПЦО); порядок использования средств радиосвязи; действия при отключении электроэнергии, телефона и др.

Указанные документы утверждаются начальником ОВО и ежегодно обновляются.

·      Журнал учета ответственных лиц собственников

Этот журнал ведется для каждого рабочего места ДПУ. Допускается ведение списков ответственных лиц в виде карточек для каждого объекта.

При наличии АРМ ДПУ с полностью оформленной БД ведение журнала вручную необязательно.

·      Графики регламентных работ ПЦН, аппаратуры уплотнения и технических средств, установленных в ПЦО и на АТС

Графики регламентных работ ПЦН, аппаратуры уплотнения и технических средств, установленных в ПЦО и на АТС, составляются ежемесячно и утверждаются руководителем инженерно-технической службы.

·      Список телефонов аварийных служб города (района)

В списке указываются номера телефонов аварийных служб города (района).

·      Поименный список ДПУ и их личных номеров

Поименный список ДПУ и их личных номеров составляется начальником ПЦО и обновляется при необходимости.

·      График работы ДПУ на текущий месяц

График работы ДПУ на текущий месяц составляется инженером или начальником ПЦО и утверждается начальником ОВО.

·      Список лиц, имеющих право нахождения в ПЦО, а также его проверки

В этот список включают работников ОВО, которые по роду своей деятельности имеют право присутствовать в ПЦО или осуществлять проверку его работы. Лица из числа работников ГУВО, УВО осуществляют инспектирование ПЦО в присутствии ответственных лиц ОВО.

Примечание - При наличии в ПЦО автоматизированных рабочих мест ДПУ, дежурного ПЦО и полностью сформированной БД допускается отсутствие в ПЦО следующих документов в рукописном виде: контрольных листов; дислокации охраняемых объектов; оперативных карточек на объекты (квартиры); журнала учета квартир, закрытых на длительное время; журнала учета ответственных лиц собственников.

10.3. Документация ДПЦО

·      Рабочий журнал дежурного ПЦО

Рекомендуемая форма ведения журнала приведена в таблице 24.

10.4. Документация ГЗ ПЦО

·      Бортовой журнал

Рекомендуемая форма ведения журнала приведена в Приложении В.


Таблица 24

Форма рабочего журнала дежурного ПЦО

1. Поступившие сигналы «Тревога» с охраняемых объектов

№ п/п

Пультовый номер объекта

Время

Передано

Наименование объекта

Адрес объекта

Место нахождения наряда при получении сигнала

Время прибытия на объект

Выявленные причины о срабатывании ТСО

Принятые меры

Кто принимал меры по устранению причины

Кто принял объект под физическую охрану

Время подключения на ПЦН

поступления сигнала

передачи сигнала

кем, Ф.И.О пульт №

кому, Ф.И.О

1

2

3

4

5

6

7

8

9

10

11

12

13

14

15

2. Не принятые под охрану объекты

№ п/п

Пультовый номер объекта

Наименование объекта

Адрес объекта

Причина не взятия под охрану

Передано

Принятые меры

Результат

кем, Ф.И.О.

кому, Ф.И.О.

1

2

3

4

5

6

7

8

9

3. Результаты работы за время дежурства

1. Количество ключей на ПЦН (емкость)

 

12. Выдано ключей от квартир

 

2. Задействованная емкость

 

13. Поступило сигналов «Тревога» с охраняемых квартир

 

3. Охраняется ПЦН объектов

 

14. Перезакрыто квартир

 

4. Принято под охрану ПЦН объектов

 

15. Количество выездов по сигналу «Тревога»

 

5. Не принято объектов под охрану ПЦН

 

16. Пресечено краж с охраняемых объектов (квартир)

 

6. Поступило сигналов «Тревога» с охраняемых объектов

 

17. Задержано и доставлено при этом нарушителей

 

7. Перезакрытие объектов после сигнала «Тревога»

 

18. Раскрыто других преступлений

 

8. Количество квартир, охраняемых ПЦН

 

19. Задержано при этом лиц по подозрению

 

9. Количество ключей от охраняемых квартир на хранении ПЦН

 

20. Задержано за административные правонарушения (за м/х) лиц

 

10. Принято под охрану квартир

 

21. Проверено экипажей ГЗ и стационарных постов

 

11. Принято ключей от квартир

 

22. Проверено сторожевых постов

 

Дежурство сдал _____________________

Дежурство принял ___________________


11. ИНСТРУКЦИИ

11.1. Инструкция ДПУ о порядке приема (сдачи) объектов под охрану

Прием и сдачу объектов под охрану должны осуществлять только лица, назначенные приказом руководителя объекта (собственником, квартиросъемщиком), список которых с указанием фамилии, домашнего адреса заносят в оперативную карточку на охраняемый объект и хранят в ПЦО. (Об изменении ответственного лица или его адреса собственник обязан немедленно сообщить в ПЦО.)

Начальник подразделения охраны устанавливает для собственника пароль, который действует в течение месяца (недели, суток и т.п.), и добавляет его к пультовому номеру объекта. Пароль передается ДПУ собственнику в конце каждого месяца (недели, суток и т.п.) при приеме (сдаче) объекта. (Пароль может быть буквенным или цифровым.)

При использовании системы с ручной тактикой приема (сдачи) объекта под охрану, представитель собственника, сдающий объект под охрану, обязан:

·      Проверить, чтобы в охраняемых помещениях были выключены электроприборы и отсутствовали персонал объекта и посторонние лица.

·      Закрыть все окна, форточки, люки, внутренние двери и др.

·      Включить ТСО и осуществить пробную сдачу объекта под охрану в ПЦО.

·      Позвонить в ПЦО и назвать пультовый номер объекта, пароль и фамилию сдающего.

·      Услышав ответ ДПУ о готовности к приему объекта под охрану, опустить телефонную трубку на рычаг аппарата и переключить тумблер УО в положение «Охрана» или «Вкл.».

·      Включить прибор охранной сигнализации в зависимости от тактики приема помещения под охрану (с открытой или закрытой дверью).

·      Выйти с объекта и закрыть входную дверь. При взятии объекта под охрану световой оповещатель должен загореться ровным светом.

·      В течение пяти минут позвонить в ПЦО с ближайшего телефона и получить подтверждение ДПУ о приеме объекта под охрану. (При неподтверждении о приеме объекта под охрану следует поступать в соответствии с указаниями ДПУ).

При снятии объекта с охраны следует:

а) Не открывая входную дверь, проверить целостность объекта (замков, печатей, пломб), а также исправность охранной сигнализации по свечению контрольной лампы. (Если обнаружены следы вскрытия объекта, немедленно сообщить об этом с ближайшего телефона в ПЦО и далее действовать по указаниям.)

б) Открыть объект, выключить прибор охранной сигнализации, переключить тумблер УО в положение «Выкл.» и сообщить в ПЦО по телефону о снятии объекта с охраны, назвав при этом пультовый номер, пароль и фамилию собственника, снявшего объект с охраны.

в) При наличии дополнительных рубежей охраны, подключенных в ПЦО отдельными пультовыми номерами, выполнить действия, указанные в подпунктах а), б), для всех рубежей охраны (помещений).

Вскрытие объектов в нерабочее время осуществляется только с участием сотрудников милиции.

При использовании систем с автоматической сдачей (приемом) объекта с охраны (под охрану) выполняются действия в соответствии с Инструкцией по эксплуатации СПИ.

При приеме квартиры под охрану необходимо выполнять следующие требования:

1) договор на охрану квартиры подписывают начальник подразделения охраны и собственник;

2) после подписания договора начальник подразделения охраны либо лицо, назначенное ответственным за организацию охраны мест личного имущества граждан, принимает ключи от охраняемой квартиры. Эти ключи помещают в пенал и опечатывают печатью начальника ПЦО либо лица, назначенного ответственным за организацию охраны мест хранения личного имущества граждан. (Опечатанные пеналы с ключами хранят в дежурной части ПЦО, в сейфе.);

3) дежурный ПЦО (при сдаче дежурства) вместе с составленным о вскрытии охраняемой квартиры актом передает начальнику подразделения охраны пенал с ключами, который вновь опечатывается печатью начальника ПЦО;

4) контроль за сохранностью ключей от охраняемых квартир возложен на начальника ПЦО;

5) порядок приема (сдачи) квартир под охрану аналогичен приему (сдаче) объектов.

11.2. Инструкции о действиях персонала ПЦО при получении сигнала «Тревога»

11.2.1 Алгоритм действий персонала ПЦО при получении сигнала «Тревога» с охраняемого объекта (квартиры)

Алгоритм действий персонала ПЦО приведен на рисунке 9.

Рисунок 9 - Алгоритм действий

Цифрами на рисунке 9 обозначены следующие действия:

1 - После поступления сигнала «Тревога» ДПУ ждет подтверждения по телефону о прибытии на объект собственника или квартиросъемщика. Время ожидания подтверждения для собственника должно составлять не более двух минут, для квартиросъемщика - не более одной минуты (устанавливается начальником ПЦО для каждого объекта и квартиры индивидуально с учетом их значимости, дислокации, количества ГЗ).

Примечание - ДПУ передает дежурному ПЦО о тревожных сообщениях, поступивших с охраняемых объектов или квартир, немедленно:

- в ночное время;

- при длительной охране квартир;

- в часы, не характерные для прихода на объект квартиросъемщика или собственника;

- с объектов в нерабочие дни;

- с объектов или квартир, подключенных к автоматизированным СЦН.

2 - После получения подтверждения по телефону о прибытии на объект собственника или квартиросъемщика ДПУ снимает с охраны объект (квартиру).

3 - Если подтверждение о прибытии на объект собственника или квартиросъемщика отсутствует, ДПУ передает информацию о поступлении сигнала «Тревога» ДПЦО.

4 - Дежурный ПЦО направляет на объект или в квартиру ГЗ и передает информацию о поступлении сигнала «Тревога» с охраняемого объекта (квартиры) дежурному ГУВД, УВД, ОВД.

5 - При поступлении сигнала «Тревога» с особо важного объекта дежурный ПЦО направляет дополнительно вторую ГЗ (при ее наличии) на охраняемый объект или квартиру, а также выезжает на место лично.

6 - При поступлении сигнала «Тревога» с объекта (квартиры), оборудованного совмещенной ОПС, дежурный ПЦО передает дополнительно информацию о срабатывании сигнализации дежурному подразделения ГПС.

7 - Дежурный ПЦО принимает информацию от ГЗ о состоянии объекта (квартиры) и причинах срабатывания средств сигнализации. Дежурный пульта управления фиксирует время прибытия ГЗ на объект (в квартиру), состояние объекта (квартиры) и причину срабатывания средств сигнализации, время перезакрытия или выставления физической охраны.

11.2.2 Алгоритм действий персонала ПЦО при получении сигнал «Тревога» с охраняемых объектов (квартир), оборудованных средствами тревожной сигнализации

Алгоритм действий персонала ПЦО приведен на рисунке 10.

Рисунок 10 - Алгоритм действий

Цифрами на рисунке 10 обозначены следующие действия:

1 - После поступления сигнала «Тревога» ДПУ передает немедленно информацию о срабатывании средств тревожной сигнализации дежурному ПЦО.

2 - Дежурный ПЦО передает информацию о срабатывании средств тревожной сигнализации дежурному ГУВД, УВД, ОВД и направляет на охраняемый объект (квартиру) ГЗ.

3 - При поступлении сигнала «Тревога» с особо важного объект дежурный ПЦО направляет дополнительно вторую ГЗ (при ее наличии) на охраняемый объект или квартиру, а также выезжает на место лично.

4 - Дежурный ПЦО принимает информацию от ГЗ о причинах срабатывания средств сигнализации. Дежурный пульта управления фиксирует время прибытия ГЗ на объект (в квартиру), причину срабатывания средств тревожной сигнализации.

11.2.3 Алгоритм действий персонала ПЦО при поступлении на ПЦН сообщения о срабатывании системы пожарной сигнализации

Алгоритм действий персонала ПЦО приведен на рисунке 11.

Рисунок 11 - Алгоритм действий

Цифрами на рисунке 11 обозначены следующие действия:

1 - После поступления сигнала «Тревога» ДПУ передает немедленно информацию о срабатывании систем пожарной сигнализации дежурному ПЦО.

2 - Дежурный ПЦО передает информацию о срабатывании систем пожарной сигнализации дежурному подразделения ГПС и направляет на охраняемый объект (квартиру) ГЗ.

3 - При поступлении сигнала «Тревога» с особо важного объекта ДПЦО направляет дополнительно вторую ГЗ (при ее наличии) на охраняемый объект или квартиру, а также выезжает на место лично.

4 - Дежурный ПЦО принимает информацию от ГЗ о причинах срабатывания систем пожарной сигнализации. Дежурный пульта управления фиксирует время прибытия ГЗ на объект (в квартиру), состояние объекта (квартиры), причину срабатывания систем пожарной сигнализации.

11.3. Инструкция ДПУ о порядке ведения контрольных листов и действий по тревожному сообщению

Настоящая Инструкция устанавливает для всех ПЦО единый порядок ведения контрольных листов и действий ДПУ при осуществлении охраны квартир и объектов.

Рекомендуемые формы ведения контрольных листов приведены в Приложениях Б.1 и Б.2. Допускается иная форма контрольных листов, принятая в конкретном подразделении вневедомственной охраны, при условии Отражения в них всей информации, приведенной в рекомендуемой форме.

1. Общие положения

1.1. Контрольный лист ведут на всех рабочих местах ДПУ, оснащенных диспетчерскими пультами СЦН с ручной тактикой взятия (снятия) «Центр-КМ», СПИ «Фобос» и т.п. Контрольный лист является основным отчетным документом ДПУ, отражающим состояние объекта (квартиры), а также действия персонала ПЦО при поступлении тревожных сообщений, «перезакрытии», «не взятии» объекта (квартиры) под охрану. В контрольном листе фиксируют результаты проверок состояния средств сигнализации с ПЦН электромонтерами, собственниками, а также результаты проверок ведения контрольных листов инженерами ПЦО и дежурными ПЦО.

1.2. Контрольный лист заводят отдельно на каждое рабочее место и ведут в течение одной смены ДПУ. По окончании дежурства контрольный лист сдают начальнику (инженеру) ПЦО на хранение. (Срок хранения - 1 год.)

2. Подготовка контрольного листа к работе

2.1. Для подготовки контрольного листа к работе необходимо заполнить титульный лист, указать в нем наименование ОВО, дату (на какой период заводят, например, 20 - 21 декабря 2000 г.), пароль, фамилию и инициалы ДПУ. В верхней части свободного поля контрольного листа (справа) поставить номера обслуживаемых пультов.

2.2. В контрольном листе в разделах «Учет охраны объектов» и «Учет охраны квартир» поставить обслуживаемые пультовые номера.

2.3. Если при подготовке контрольного листа к работе квартира находилась под охраной, то в графе «Время сдачи, фамилия собственника» ставят буквы «п.о.» или «д.о.» в зависимости от категории (длительности) охраны, а в графе «Время взятия» - число сдачи квартиры под охрану.

3. Регистрация приема (снятия) объектов и квартир с охраны

3.1. При первичной сдаче квартиры в пультовой таблице в графе «Время сдачи, фамилия собственника» записать фамилию квартиросъемщика и время, когда он позвонил на пульт, сообщить ему свой номер и пароль. В графе «Время взятия» записать фактическое время, когда квартира была взята под охрану ПЦН.

3.2. Взятие квартиры под охрану, оборудованной прибором «Атлас» (спаренный телефон), осуществляется сразу же, результат сообщают квартиросъемщику. При поступлении сигнала «Тревога» (предполагаемый выход из помещения квартиросъемщика) по истечении более двух минут ДПУ действует согласно пункту 4 настоящей Инструкции.

3.3. Взятие объектов и квартир, оборудованных УО «Фобос»:

3.3.1 При взятии объекта под охрану набрать на клавиатуре пультовый номер объекта и нажать клавишу Взять сразу. Провести регистрацию номера материально ответственного лица (собственника). При выходе собственника через «тревогу» необходимо повторить взятие объекта под охрану.

3.3.2 При взятии квартиры под охрану набрать на клавиатуре пультовый номер объекта и нажать клавишу Взять сразу или Взять после выхода по предварительному согласованию с квартиросъемщиком. Если в течение четырех минут поступила информация «Не взят», «Авария», «Замыкание», немедленно сообщить результат дежурному ПЦО. В случае, если квартира взята под охрану и после этого поступил сигнал «Тревога», ДПУ действует согласно пункту 4 настоящей Инструкции.

3.4. При снятии объекта (квартиры) с охраны при поступлении сигнала «Тревога» в соответствии с пультовым номером в пультовой таблице (графа «Время снятия, фамилия собственника») записать время поступления этого сигнала, затем после звонка собственника записать его фамилию и фактическое время снятия объекта с охраны. При этом собственник должен назвать условный пультовый номер и пароль, а ДПУ сообщить ему свой идентификационный номер.

3.5. При повторной сдаче или снятии квартиры с охраны всю информацию об этом записывают в свободной строке раздела «Учет охраны квартир» с указанием пультового номера.

4. Дежурный пульта управления при поступлении сигнала «Тревога» обязан:

4.1. Зафиксировать время поступления сигнала «Тревога» в соответствующем разделе контрольного листа.

Дежурный пульта управления передает сообщение о сигнале «Тревога» дежурному ПЦО в следующих случаях:

- при отсутствии информации от квартиросъемщика о его прибытии в течение одной минуты;

- если квартиросъемщик не назвал или неправильно назвал фамилию, пультовый номер или пароль последнего взятия квартиры под охрану;

- в случаях, определенных подпунктом 4.2 настоящей Инструкции, - немедленно.

При этом перед временем поступления сигнала «Тревога» необходимо написать буквы «тр.».

4.2. Информацию о поступлении сигнала «Тревога» с охраняемых объектов (квартир) передает ДПУ немедленно:

- в ночное время;

- с квартир, находящихся на длительной охране;

- в часы, не характерные для прихода на объект собственника;

- с объектов в нерабочие дни;

- с администратора системы «Юпитер» и других, имеющих автоматическую тактику взятия (снятия) и регистрацию сигнала «Тревога»;

- с оборудованных средствами тревожной сигнализации.

4.3. Повторное взятие объекта (квартиры) под охрану, оборудованного средствами тревожной сигнализации, ДПУ осуществляет по указанию дежурного ПЦО после получения им сообщения о результатах выезда по сигналу «Тревога».

4.4. Информацию о поступивших сигналах «Тревога» ДПУ записывает в разделе «Тревоги, поступившие с объектов (квартир) за смену». При этом необходимо отражать время срабатывания, время передачи сигнала «Тревога» дежурному ПЦО, дежурному ГУВД, УВД, ОВД, фамилии принявших сигнал «Тревога», время передачи сигнала «Тревога» наряду милиции и время прибытия его на объект, результаты осмотра, состояние контрольных ламп, установленные причины срабатывания, факт перезакрытия объекта (время), Ф.И.О. лиц, проводивших перезакрытие объекта (квартиры).

5. Действия ДПУ при не взятии квартиры под охрану ПЦН после ее сдачи

Если квартира после ее сдачи под охрану собственником не берется на пульт спустя две минуты, ДПУ обязан:

- передать немедленно сообщение об этом дежурному ПЦО;

- обвести в кружок соответствующий пультовый номер, в графе «Время взятия» написать буквы НВ и выделить красным цветом;

- записать всю необходимую информацию по графам в разделе контрольного листа «Перечень не взявшихся под охрану объектов и квартир».

6. При перезакрытии квартиры дежурным ПЦО с использованием ключей, хранящихся в дежурной части ОБО, ДПУ обязан:

6.1. Зафиксировать время прибытия дежурного ПЦО в квартиру в соответствующем разделе контрольного листа, для чего записать в графе «Время снятия с охраны, фамилия собственника» фамилию дежурного ПЦО и время сообщения.

6.2. После осмотра квартиры по указанию дежурного ПЦО взять квартиру под охрану, о чем сделать запись в разделе «Учет охраны квартир» в свободной строке с обязательным указанием времени перезакрытия.

7. По сообщению электромонтеров, собственников о проверке работоспособности охранной сигнализации с пультом в квартире (на объекте) ДПУ делает отметку об этом в соответствующем разделе контрольного листа.

8. Перед окончанием дежурства ДПУ должен составить отчет о работе пультов за смену. При составлении отчета ДПУ обязан записать:

8.1. В графе «Сдано под охрану» - количество сданных под охрану квартир (сколько раз за смену сданы квартиры) и объектов.

8.2. В графе «Не взялись под охрану» - количество не взявшихся под охрану объектов и квартир раздельно.

8.3. В графе «Количество поступивших сигналов «Тревога» - количество сигналов с охраняемых объектов и квартир раздельно. Сигналы «Тревога», по которым дежурным ПЦО был дан «отбой», при подсчете суммарного количества «тревог» за смену не учитываются. При подсчете за один сигнал «Тревога» считают:

- сигналы «Тревога», поступившие одновременно на один пульт из-за сбоя в работе;

- сигналы «Тревога», поступившие одновременно на ПЦН из-за отключения электроэнергии (при наличии подтверждения от дежурного ПЦО или диспетчера электросети);

- сигналы «Тревога», поступившие одновременно на ПЦН с одной АТС (при наличии записи о подтверждении неисправности аппаратуры АТС оператором узла связи о проводимых профилактических или ремонтных работах или переключениях).

8.4. В графе «Передано по смене объектов, находящихся под охраной» - количество объектов и квартир (раздельно), состоящих под охраной на момент передачи смены.

9. При приеме квартиры под охрану на длительный срок ДПУ обязан:

9.1. Предварительно проверить с квартиросъемщиком работоспособность средств сигнализации и выяснить у него - сданы ли дубликаты ключей от квартиры в ПЦО.

9.2. При отказе квартиросъемщика сдать дубликаты ключей от квартиры в ПЦО, направить его к дежурному ПЦО для решения вопроса о приеме этой квартиры под охрану и далее действовать по указанию ДПЦО.

9.3. Уточнить у квартиросъемщика продолжительность его отсутствия и, по возможности, его местонахождение, Ф.И.О., адрес, домашний и служебный телефоны доверенного лица. Записать указанные сведения в журнале учета квартир, находящихся на длительной охране, заполнив соответственно все графы.

9.4. Сделать запись в соответствующем разделе контрольного листа о приеме квартиры на длительную охрану.

9.5. Предложить квартиросъемщику после сдачи квартиры под охрану проверить с другого телефона взятие ее под охрану.

9.6. Сообщить квартиросъемщику свою фамилию и пароль только при его повторном запросе с другого телефона о состоянии квартиры.

9.7. При отказе квартиросъемщика от повторного запроса с другого телефона сделать об этом отметку в журнале и взять квартиру под охрану с соответствующей регистрацией в контрольном листе для квартир, принятых под охрану на длительный срок.

9.8. К 23.00 ч суток ДПУ обязан выявить квартиры, находящиеся под охраной более трех суток (не имеющих отметок о длительной охране), и оформить их в контрольном листе и журнале учета квартир, находящихся на длительной охране.

10. Сверка находящихся под охраной объектов (квартир) на ПЦН с записями в контрольных листах проводится ДПУ в следующих случаях:

·      При суточном режиме работы:

- при приеме смены;

- при уходе для приема пищи и по возвращении на рабочее место;

- перед уходом на ночной отдых и после него.

·      При 12-часовом режиме работы:

- при приеме смены;

- при уходе для приема пищи и по возвращении на рабочее место.

11.4. Инструкция ДПУ при работе со СПИ «Фобос» в ручном режиме

При заступлении на дежурство ДПУ обязан:

Проверить работоспособность пульта СПИ «Фобос» (наличие всей необходимой индикации на пульте, мониторе и печатающем устройстве). Принять от предыдущей смены документацию и информацию о работе системы и состоянии охраняемых объектов (квартир). Для этого необходимо:

- проверить наличие записей в журнале (контрольном листе) о всей тревожной информации по охраняемым объектам (квартирам);

- сделать запрос на ПЦН о состоянии охраняемых объектов (квартир) со всех подключенных к пульту ретрансляторов. При этом на печатающем устройстве распечатается вся информация. (Эту операцию необходимо проводить каждые 3 часа работы.);

- доложить начальнику (инженеру) ПЦО о всех выявленных неисправностях системы и фактах неправильного оформления документации предыдущей сменой;

- сверить часы ПЦН (кратковременно нажать на клавишу 7 ПЦН).

При взятии объекта под охрану ДПУ обязан:

а) Набрать на клавиатуре ПЦН номер объекта и нажать клавишу Взять сразу. При необходимости произвести регистрацию номера материально ответственного лица. Если собственник вышел с объекта через «Тревогу», следует повторить взятие объекта под охрану.

б) Если объект под охрану не взялся, немедленно сообщить об этом дежурному ПЦО.

При взятии квартиры под охрану ДПУ обязан:

1) набрать на клавиатуре ПЦН пультовый номер квартиры и нажать клавишу Взять сразу или Взять после выхода по предварительному согласованию с квартиросъемщиком;

2) если по истечении четырех минут квартира под охрану не взялась (поступила информация «Не взят», «Авария», «Замыкание»), немедленно доложить об этом дежурному ПЦО;

3) если квартира взялась под охрану и после этого поступил сигнал «Тревога», немедленно сообщить дежурному ПЦО.

При снятии объекта (квартиры) с охраны ДПУ обязан:

1) при поступлении сигнала «Тревога», если в течение определенного времени (например одной минуты) квартиросъемщик (собственник) сообщил фамилию, пультовый номер, пароль, необходимо набрать на клавиатур пультовый номер и нажать клавишу Снять;

2) если в течение определенного времени (например, одной минуты) квартиросъемщик (собственник) не сообщил на пульт о своем прибытии в квартиру (на объект), действовать как по сигналу «Тревога».

При получении сигналов: «Тревога», «Авария» или «Замыкание» ДПУ обязан:

1) при получении сигнала «Тревога» (с квартиры, находящейся на длительной охране, или, если квартиросъемщик не сообщил на пульт о снятии квартиры с охраны, или при поступлении сигнала «Тревога» с объекта в нехарактерное для снятия объекта с охраны время) немедленно передать сигнал «Тревога» дежурному ПЦО (с указанием пультового номера). Попытаться взять квартиру (объект) под охрану нажатием клавиши Взять сразу, о результате сообщить дежурному ПЦО.

2) при поступлении информации «Авария» или «Замыкание» ДПУ должен попытаться взять квартиру (объект) под охрану нажатием клавиши Взять сразу, о результате сообщить дежурному ПЦО.

При получении сообщений: «Отказ ретранслятора», «Восстановление ретранслятора», «Отказ ПЦН», «Наряд» ДПУ обязан:

1) при поступлении сообщения «Отказ ретранслятора» необходимо определить по распечатке номера направлений данного ретранслятора, взятые под охрану, и передать информацию дежурному ПЦО;

2) при поступлении сообщения «Восстановление ретранслятора» передать информацию дежурному ПЦО о восстановлении ретранслятора, с помощью команд запроса состояния установить - не изменилось ли состояние взятых под охрану объектов. При необходимости, с помощью команды «Взять сразу», взять соответствующие направления под охрану;

3) при поступлении сообщения «Отказ ПЦН» кратковременно выключить, а затем включить питание ПЦН. При этом, если индикатор «Отказ ПЦН» не будет светиться, выставить текущее время и проверить работоспособность ПЦН путем запроса состояния какого-либо объекта;

4) при поступлении сообщения «Наряд» передать дежурному ПЦО время прибытия ГЗ на объект;

5) при поступлении сообщения с объекта (квартиры) без предварительного соответствующего указания ГЗ ДПУ обязан действовать как по сигналу «Тревога».

Всю поступающую со СПИ «Фобос» информацию ДПУ должен фиксировать в служебной документации.

11.5. Инструкция ДПУ при работе со СПИ «Фобос» в автоматическом режиме (АРМ «Фобос»)

При заступлении на дежурство ДПУ обязан:

·      Нажать клавишу F6 (меню).

·      После появления меню курсором выделить строку «Смена дежурств» и нажать клавишу Enter.

·      В списке ДПУ выделить курсором свою фамилию и нажать клавишу Enter.

·      Убедиться, что в рабочем окне фамилия ДПУ указана верно.

При взятии объекта (квартиры) под охрану ДПУ обязан:

а) Набрать соответствующий пультовый номер.

б) Нажать клавишу F1 (Взять сразу) или F2 (Взять после выхода).

в) Назвать квартиросъемщику (собственнику) свою фамилию и пароль на текущие сутки.

При снятии объекта (квартиры) с охраны ДПУ обязан:

1) набрать соответствующий пультовый номер;

2) провести анализ соответствия названных пультового номера, фамилии, пароля последнего взятия с представленными в оперативной карточке на квартиру (объект);

3) при совпадении указанных выше данных нажать клавишу F3 (Снять).

4) назвать квартиросъемщику (собственнику) свою фамилию;

5) при несовпадении указанных выше данных действовать как при получении сигнала «Тревога».

При получении сигнала «Тревога» ДПУ обязан:

1) нажать клавишу Tab для выключения звукового сигнала.

2) немедленно передать информацию дежурному ПЦО с указанием пультового номера абонента.

11.6. Инструкция ДПУ при работе на АРМ «Юпитер»

При заступлении на дежурство ДПУ необходимо:

·      Завершить работу пульта нажатием клавиш Esc, Tab, Enter.

·      Нажать клавишу Enter.

·      Выбрать фамилию принимающего смену из списка дежурных, нажав клавишу Enter.

·      Нажать клавишу Enter.

При выдаче компьютером сигнала «Тревога» ДПУ необходимо:

а) Клавишей Tab выделить желтой рамкой верхнюю часть экрана «Тревоги»

6) Клавишей Enter отключить звуковой сигнал.

в) Немедленно передать сигнал «Тревога» в дежурную часть ОВО согласно пультовому номеру и дислокации.

г) Для сброса сигнала «Тревога» нажать клавишу Enter, в открывшемся окне подтверждения клавишей Tab выбрать значение «Да» и нажать клавишу Enter.

Для просмотра оперативной карточки на объект (квартиру) необходимо набрать код объекта (квартиры) и нажать клавишу Enter.

Для просмотра состояния направления необходимо:

1) нажать клавиши F5 и Enter.

2) набрать ключ направления и нажать клавишу Enter.

Для перевзятия устройства трансляции (УТ) необходимо:

1) нажать клавишу F5 и после появления рамки «Просмотр» нажать клавишу Enter. При этом в верхней части экрана появится структура СПИ «Юпитер»;

2) курсором выделить первое опрашиваемое УТ и нажать клавишу Enter;

3) в открывшемся меню курсором выделить пункт «Опросить» и нажать клавишу Enter;

4) в открывшемся окне подтверждения клавишей Tab выбрать значение «Да» и нажать клавишу Enter;

5) повторить действия, указанные в пунктах 2) - 4), для оставшихся УТ.

Чтобы убрать на плане заведомо снятую «тревогу», а именно красный мерцающий квадрат, надо его выбрать «стрелками», нажать клавишу Enter, выбрать «Очистить» и подтвердить нажатием клавиши Enter.

Возможные неисправности и способы их устранения:

- «Неисправность коммутатора ПЦО» - нет связи КПЦО с компьютером (проверить соединительный кабель между ними);

- коммутатор ПЦО издает периодический звуковой сигнал, нет связи КПЦО с компьютером, зависает программа «Юпитер», то есть при нажатии клавишей клавиатуры не возникают никакие изменения на экране монитора. В этом случае необходимо перезагрузить компьютер (нажать клавиши Ctrl - Alt - Delete одновременно или кнопку Reset на системном блоке компьютера), после появления на экране монитора Norton commander нажать клавишу F2 и затем - Enter;

- при запросе, проведенному по коду карточки, информация на экране монитора не появляется. Необходимо выйти из задачи «Юпитер» путем нажатия клавишей Ctrl - Alt - Delete одновременно для перезагрузки компьютера.

11.7. Инструкция ДПУ при работе с АСПИ «Комета-К»

Дежурный пульта управления должен знать назначение, тактико-технические данные, режимы работы и внешние проявления неисправностей системы «Комета-К» (приемного пульта, устройства регистрации и цифропечатающего устройства) и уметь:

1) включать и выключать приемный пульт, устройство регистрации и цифропечатающее устройство;

2) заправлять и снимать бумагу на цифропечатающем устройстве;

3) записывать дату с помощью устройства регистрации;

4) проводить опрос на приемном пульте;

5) включать и отключать направления.

При сдаче дежурства необходимо:

1) отметить в журнале установленного образца общее количество «тревог», поступивших с охраняемых квартир и объектов за время дежурства;

2) сообщить заступающему на дежурство лицу о проводимых работах на направлениях, возникших неисправностях и отключениях аппаратуры;

3) записать дату с помощью устройства регистрации, оторвать лист на цифропечатающем устройстве с записью информации за время дежурства и сдать его начальнику (инженеру) ПЦО;

4) расписаться в журнале о сдаче дежурства.

При заступлении на дежурство необходимо:

1) вызвать закрепленного за системой электромонтера ПЦО для проверки подключения и работоспособности аппаратуры (приемного пульта, устройства регистрации и цифропечатающего устройства);

2) проверить запас бумаги на цифропечатающем устройстве;

3) отметить в журнале:

а) Дату дежурства и время.

б) Ф.И.О. заступившего на дежурство.

в) Ф.И.О. проводившего проверку подключения и работоспособности аппаратуры.

г) Имевшиеся случаи отключения блока или направления, причины этого.

д) Номер приемного пульта при печати на цифропечатающем устройстве;

4) сообщить результаты приемки дежурства начальнику (дежурному) ПЦО.

Обо всех неисправностях и случаях отключения аппаратуры за время дежурства необходимо сообщать начальнику (дежурному) ПЦО.

11.8. Инструкция ДПУ при работе на АРМ «Адемко»

Дежурный пульта управления должен при появлении прерывистого звукового сигнала нажать любую клавишу на клавиатуре для включения монитора (если он был погашен) - на экране появится окно с сообщением, поступившим со сработавшего объекта.

В верхних строках окна должны быть указаны тип сработки, название объекта, адрес и сработавшая зона, а именно: где произошло проникновение и был ли объект поставлен под охрану. В нижней строке окна сообщений о тревоге расположены четыре кнопки: Протокол, Опер, карт., План, Обработать.

Кнопка Обработать подсвечена белым цветом, отличным от других, то есть при нажатии клавиши Enter начинается обработка и передача дежурному ПЦО тревожного сообщения. Появляется новое окно «Карточка тревожного сообщения», обработка «тревоги». В поле «Действия дежурного» необходимо ввести любой символ и нажать клавишу Enter. Появляется окно с сообщением о тревоге, но теперь белым цветом выделена кнопка Протокол. Необходимо нажать клавишу Enter для занесения обработанного тревожного сообщения в протокол и снятия тревожного звукового сигнала (если нет следующего сработавшего объекта). В правом верхнем углу окна должен появиться красный прямоугольник с надписью «Тревог - N», где N - количество необработанных тревог. Повторять указанные выше действия до тех пор, пока не будут обработаны все «тревоги». В протоколе желтым цветом выделены необработанные «тревоги».

Для перемещения в конец протокола необходимо нажать клавиш Alt - F. Для просмотра обработанных извещений следует выбрать нужное и нажать клавишу F3, а для просмотра карточки нажать клавишу F9.

11.9. Инструкция ДПУ при работе с радиосистемами «Струна-3», «Струна-3М»

11.9.1 Начальное включение радиосистемы

Запуск радиосистемы осуществляется нажатием на кнопки Резерв и Сеть в устройстве обработки. На пульте управления должны кратковременно включиться звуковой сигнал и появиться сообщение N «Системы».

Введите с пульта управления номер радиосистемы в виде двух цифр. После ввода номера радиосистемы необходимо нажать клавишу [Е]. На ЖКИ пульта появится сообщение «РСПИ готова к работе». Для выхода в основное меню необходимо нажать клавишу [Е].

При неправильном вводе номера радиосистемы требуется повторить перезапуск системного блока.

11.9.2 Основное меню

Строка основного меню отображает состояние источника питания «С/Р» (сеть или резерв), режим работы «Руч» (ручной) или «Авт» (автоматический), текущую дату и время (например: «С/Р Авт 15/11 15:25»).

В автоматическом режиме игнорируются подача звукового сигнала и отображение на индикаторе во время прихода сообщений: «Взят» или «Снят».

11.9.3 Функция [В] - коррекция времени и даты

При последовательном нажатии клавиш [В] и [Е] на экран выводится надпись: «Время<Ч><М>».

Ввод часов и минут осуществляется двухзначным цифровым набором «часы/минуты» ** - ** + [Е] (например: 15 - 40 + [Е]).

Сохранение набранной информации осуществляется нажатием клавиши [Е], после чего на экран выводится приглашение коррекции даты: «Дата <Ч><М><Г>».

Ввод числа и месяца осуществляется двухзначным цифровым набором, год вводится полностью «число/месяц/год» ** - ** - **** + [Enter] (например: 14 - 12 - 2000 + [Enter]).

Сброс неправильно введенной информации осуществляется нажатием клавиши [F].

11.9.4 Функция [C] - ручной автоматический режим

Изменение состояния контроля объектов и каналов позволяет отключать и включать контроль отдельного объекта или канала. Вход в функцию осуществляется последовательным нажатием клавиш [С] и [Е]. Функция состоит из трех подфункций:

а) Режим работы - ручной или автоматический: «Ручн-0/Авт-1>».

Для перевода в ручной режим необходимо набрать 0 + [Е], в автоматический - 1 + [Е].

После этого консоль перейдет в режим изменения состояния контроля объекта.

б) Отключить (включить) контроль объекта: «Объект<Отк-0/Вкл-1>».

Для отключения (включения) контроля объекта необходимо ввести 0/1, после чего на экране появится приглашение на ввод номера объекта: «Объект». Номер объекта вводится последовательным нажатием трех цифровых клавиш и клавиши [Е]. Информация об изменении состояния контроля объект распечатывается на принтере.

Далее консоль переходит в режим изменения контроля канала:

в) Отключить (включить) контроль канала:

«Канал<Отк-0/Вкл-1>».

Для отключения (включения) контроля канала необходимо ввести 0/1 после чего на экране появится приглашение на ввод номера канала: «Канал». Номер канала вводится последовательным нажатием цифровой клавиши выбранной в пределах 0 - 7, и клавиши [Е]. Информация об изменении состояния контроля канала распечатывается на принтере.

11.9.5 Функция [D] - контроль состояния объектов отдельного канала

Ввод функции осуществляется последовательным нажатием клавиш [D] и [Е], после чего на экране появится приглашение на ввод номера канала: «Канал». Номер канала вводится последовательным нажатием цифровой клавиши, выбранной в пределах 0 - 7, и клавиши [Е]. После этого на экране появится приглашение типа: «В-1, С-2, Т-3, А-4, П-5>».

Набором соответствующей цифры от 1 до 5 можно посмотреть:

[1] - номера «Взятых» объектов в выбранном канале;

[2] - номера «Снятых» объектов в выбранном канале;

[3] - номера «Тревожных» объектов в выбранном канале;

[4] - номера «Аварийных» объектов в выбранном канале;

[5] - распечатку состояния объектов в выбранном канале на принтере.

Выход из функции осуществляется нажатием клавиши [Е].

11.9.6 Сброс всех функций осуществляется клавишей [Е]

Все поступающие на ПЦН сообщения об изменениях в состоянии объектов выводятся на ЖКИ консоли, сопровождаются звуковым сигналом и распечатываются на принтере.

11.9.7 Контроль сообщений, поступивших с объектов

При поступлении на ПЦН сообщения на консоли ПЦН включается звуковой сигнал и на экран консоли выводится поступившее сообщение.

Дежурный пульта управления обязан проконтролировать поступившую информацию.

Выключение звукового сигнала и сброс индикации осуществляют двойным нажатием клавиши [Е], расположенной в крайнем правом нижнем углу консоли.

11.9.8 Контроль текущего состояния объекта

При последовательном нажатии трех цифровых клавиш номера объекта и клавиши [Е] на экран выводится текущее состояние объекта: «В * 321 Снят».

Выход в основное меню из этого шага функции осуществляется двухкратным нажатием клавиши [Е].

Нажатием клавиши [F] можно проконтролировать качество прохождения сигнала: «321 * 1 Хор»,

где цифра 321 обозначает номер контролируемого объекта;

* - мигает в момент каждого прихода сигнала примерно 6 - 8 с;

1 - уровень сигнала от объекта - 4 градации (1 - 4);

Хор - качество приема по соотношению сигнал/помеха - 3 градации («Хор», «Уд», «Неуд»).

Очистка экрана осуществляется нажатием клавиши [Е].

11.9.9 Вывод на принтер текущего состояния всех объектов, контролируемых ПЦН

При последовательном нажатии на клавиши [F] и [Е] на принтере распечатывается информация о текущем состоянии всех объектов, контролируемых ПЦН.

11.10. Инструкция ДПУ при работе с АСПИ «Ахтуба»

1. При заступлении на дежурство ДПУ обязан нажать кнопку Пароль и войти в окно ввода паролей. Установив флажок «Начало дежурства», ввести индивидуальный пароль. В дальнейшем при оставлении рабочего места (для приема пищи, ночного отдыха и др.) нажимать кнопку Пароль для исключения возможности обработки поступающих сигналов под чужой фамилией.

2. Проверить текущее состояние АСПИ «Ахтуба»:

- каналов связи аппаратуры АТС. В исправном состоянии индикатор должен светиться ровным зеленым светом, цифровое показание датчика 100 %. При отклонениях от этих параметров необходимо принять меры к восстановлению связи с АТС;

- канала связи с резервным сервером. При наличии связи индикатор должен светиться ярким светом, при нарушении связи - затененным. Для восстановления связи необходимо нажать кнопку Соединение. При невозможности восстановления связи следует сообщить инженерно-техническому персоналу;

- ознакомиться с состоянием счетчиков путем нажатия соответствующих кнопок выбора.

3. При наличии в списках объектов, не сданных вовремя под охрану и снятых раньше времени с охраны, сообщить дежурному ПЦО. После этого (с разрешения дежурного ПЦО) очистить списки с помощью кнопки Удалить, Указав время доклада дежурному.

4. При поступлении сигнала «Тревога» с объекта (квартиры) поверх главного окна программы должно появиться окно «Тревожный список».

5. При обработке тревожных сообщений необходимо последовательно нажимать кнопки обработки «тревог».

6. При отправке ГЗ на объект необходимо нажать кнопку Группа и выбрать из списка с помощью «мыши» ГЗ, направленную на объект.

7. Для регистрации факта прибытия ГЗ на объект нажать кнопку Прибыла (при регистрации ГЗ на объекте ключом кнопка Прибытие нажимается автоматически).

8. Для ввода доклада ГЗ нажать кнопку Доклад и выбрать из списка с помощью «мыши» форму доклада.

9. Для ввода причин «тревог» нажать кнопку Причины, выбрать из списка с помощью «мыши» причину (если нужно отметить несколько причин, требуется удерживать кнопку Ctrl клавиатуры нажатой) и нажать кнопку ОК.

10. При отправке электромонтера на объект или при принятии других мер необходимо нажать кнопку Меры. Для регистрации отправки электромонтера на объект следует щелкнуть левой кнопкой «мыши» на меню «Отправлен электромонтер», а также на фамилии этого электромонтера, после чего нажать кнопку ОК. Для регистрации других принятых мер необходимо щелкнуть левой кнопкой «мыши» на меню «Другие меры», а также на нужной строке мер, после чего нажать кнопку ОК. Для того чтобы кнопка Меры в тревожном списке зафиксировалась в нажатом состоянии и появилась возможность перейти к следующей стадии обслуживания «тревоги», необходимо выбрать в качестве принятых мер один из пунктов раздела «Другие меры».

11. Для снятия объекта с охраны и удаления записи из тревожного списка требуется нажать кнопку Снят.

12. Для завершения обработки «тревог» по охранным шлейфам необходимо снять с охраны объекты, находящиеся в состоянии «тревоги». Если это сделано не было, появляется соответствующее напоминание и вызывается окно просмотра оперативной карточки на объект.

13. При выдаче сообщения «Нет связи с сервером» в тревожный список вносят только причину выдачи сообщения и принятые меры. Удаление из этого списка сообщений осуществляется с помощью кнопки Снят.

11.11. Инструкция ДПУ о действиях в экстремальных и чрезвычайных ситуациях

При обнаружении пожара (загорания) в здании ПЦО и прилегающей территории ДПУ обязан:

·      Немедленно сообщить об этом дежурному ПЦО, позвонить по телефону 01 и вызвать пожарную команду.

·      Организовать тушение пожара (загорания).

·      Отключить горящие электроприборы (чайник, плитку, телевизор монитор и др.), накрыть их любым плотным материалом (пальто, шинель и т. п). При горении проводки необходимо отключить электрощит, после чего попытаться сбить огонь.

·      Для ликвидации пожара следует использовать внутренние пожарные краны, огнетушители. Покидая зону огня, оставить пожарные краны открытыми.

·      При наличии пострадавших оказать им первую медицинскую помощь, вызвать «скорую» и направить пострадавших в лечебные учреждения.

При отключении электроэнергии на охраняемых объектах (в квартирах), массовых срабатываниях ТСО при штормовых ветрах, грозах и т.д. ДПУ обязан:

·      Немедленно доложить о происшествии дежурному ПЦО.

·      Регистрировать все сработавшие пультовые номера объектов (квартир) л незамедлительно сообщать об этом ГЗ и дежурному ПЦО.

·      Систематизировать сработавшие пультовые номера объектов (квартир) по адресам для ускорения процесса передачи их ГЗ.

·      Связаться с дежурным энергослужбы по телефону __________ и дежурной частью территориальной службы МЧС по телефону ___________ для выяснения причины происшествия.

·      Постоянно докладывать дежурному ПЦО о состоянии охраняемых объектов (квартир).

12. ОРГАНИЗАЦИЯ РАБОТЫ МИКРО-ПЦО

12.1. Назначение и функции

Микро-ПЦО - диспетчерский пункт, предназначенный для охраны ряда сосредоточенных в одном месте объектов от проникновения нарушителя и (или) пожара путем сбора извещений о тревоге (пожаре), поступающих с объектов, и передачи их в ПЦО.

Микро-ПЦО создают в случаях, когда невозможна прямая организация централизованной охраны объектов, например при отсутствии телефонных линий связи. Микро-ПЦО предназначены для охраны гаражных кооперативов, садоводческих товариществ, коттеджей и мест хранения личного имущества граждан.

В микро-ПЦО устанавливают ППК средней или большой емкости, СПИ или РСПИ.

Охрану объектов (квартир) организуют следующим образом:

·      Квартиросъемщик (собственник) сдает квартиру (объект) под охрану в микро-ПЦО тем или иным способом (вручную или автоматически) в зависимости от оборудования микро-ПЦО.

·      Дежурный микро-ПЦО принимает соответствующий объект (квартиру) под охрану, о чем делает запись в журнале.

·      При срабатывании сигнализации на охраняемом объекте (в квартире) Дежурный микро-ПЦО передает сигнал «Тревога» в ПЦО. Различные способы передачи сигналов «Тревога» с микро-ПЦО в ПЦО приведены в пункте 12.2 настоящего раздела Рекомендаций.

12.2. Организация каналов связи микро-ПЦО - ПЦО

Передача сигналов «Тревога» с микро-ПЦО в ПЦО может осуществляться с помощью:

- телефона или радиостанции;

- систем передачи информации по телефонным линиям;

- радиоканала РСПИ;

- специально проложенных линий.

12.2.1 Связь микро-ПЦО с ПЦО с помощью телефона или радиостанции

В микро-ПЦО могут быть установлены любые ППК средней и большой емкости или СПИ, осуществляющие контроль ШС охраняемых объектов. При получении сигнала «Тревога» с охраняемого объекта дежурный оператор микро-ПЦО по телефону или рации передает это извещение в ПЦО. Дежурный ПЦО, получив указанную информацию, передает соответствующие распоряжения ГЗ.

Структурная схема организации связи по этому варианту приведена на рисунке 12.

Рисунок 12 - Структурная схема связи микро-ПЦО - ПЦО по телефону или радиостанции

12.2.2 Связь микро-ПЦО с ПЦО с помощью СПИ

В микро-ПЦО устанавливают ППК средней и большой емкости или СПИ, способные автоматически передавать групповой сигнал извещения о тревоге на любом объекте в ПЦО. После получения тревожного извещения с микро-ПЦО дежурный ПЦО передает соответствующие распоряжения ГЗ. Группа задержания должна прибыть сначала в микро-ПЦО, получить информацию о месте нарушения и только после этого направить на объект, на котором произошло нарушение.

Структурная схема организации связи по этому варианту приведена рисунке 13.

Рисунок 13 - Структурная схема связи микро-ПЦО - ПЦО с помощью СПИ

12.2.3 Связь микро-ПЦО с ПЦО с помощью радиоканала РСПИ

Этот вариант отличается от предыдущего только тем, что передача группового сигнала с ППК осуществляется с помощью СПИ, работающей по радиоканалу.

Структурная схема организации связи по этому варианту приведена на рисунке 14.

Рисунок 14 - Структурная схема связи микро-ПЦО - ПЦО с помощью РСПИ

12.2.4 Связь микро-ПЦО с ПЦО с помощью выделенных линий

На объектах устанавливают УО систем передачи извещений, в микро-ПЦО - ретрансляторы, а в ПЦО - пульты централизованного наблюдения. Связь ретрансляторов с ПЦН осуществляется по выделенной линии.

Структурная схема организации связи по этому варианту приведена на рисунке 15.

Рисунок 15 - Структурная схема связи микро-ПЦО - ПЦО по выделенным линиям

13. МЕРЫ БЕЗОПАСНОСТИ

Ответственность за состояние мер безопасности в ПЦО возлагается на начальника, его заместителя, ИТР и электромонтеров ПЦО в соответствии с их должностными обязанностями.

При осуществлении работ по техническому обслуживанию, ремонту и монтажу ТСО и электроустановок следует руководствоваться действующими Правилами техники безопасности при работах по техническому обслуживанию, ремонту и монтажу средств охранно-пожарной сигнализации и других электроустановок, выполняемых подразделениями вневедомственной охраны при органах внутренних дел (Приказ МВД СССР от 13 января 1989 года № 14).

14. ОРГАНИЗАЦИЯ ПРОВЕДЕНИЯ ПРОИЗВОДСТВЕННЫХ ИНСТРУКТАЖЕЙ И СЛУЖЕБНЫХ ЗАНЯТИЙ ПО ПОВЫШЕНИЮ КВАЛИФИКАЦИИ СОТРУДНИКОВ ПЦО

Производственные инструктажи заступающих на дежурство ДПУ дежурных электромонтеров ПЦО проводят ежедневно по определенной тематике, утверждаемой начальником отдела (отделения) вневедомственной охраны. Кроме того, при инструктировании сотрудников доводят до их сведения сложившуюся оперативную обстановку по городу (району), сообщают пароль на время дежурства, а также подводят итоги работы предыдущей смены ДПУ. За ДПУ закрепляют рабочие места (ПЦН), каждый дежурный пульта управления расписывается в журнале регистрации производственного инструктажа.

Примерная тематика проведения производственных инструктажей с ДПУ следующая:

·      Порядок приема объектов (квартир) под централизованную охрану.

·      Должностные обязанности ДПУ.

·      Договор о централизованной охране квартир подразделениями вневедомственной охраны. Обязанности и ответственность Сторон.

·      Порядок ведения ДПУ контрольных листов ПЦН, рабочих журналов и другой служебной документации.

·      Порядок приема и сдачи дежурства ДПУ.

·      Действия ДПУ при поступлении сигнала «Тревога» с различных систем передачи информации.

·      Техника безопасности на рабочем месте, трудовая дисциплина, правила внутреннего распорядка.

·      Тактико-технические данные и принципы систем передачи информации.

·      Действия ДПУ в экстремальных условиях (выход из строя СПИ, отключение электроэнергии и телефона в ПЦО).

Форма журнала регистрации производственных инструктажей ДПУ и электромонтеров ПЦО приведена в таблице 25.

Таблица 25

Форма журнала регистрации производственных инструктажей ДПУ и электромонтеров ПЦО

Дата проведения инструктажа

Тема инструктажа, Ф.И.О. и должность проводившего инструктаж (роспись)

Ф.И.О. ДПУ, электромонтера

Номера пультов рабочего места

Роспись ДПУ, электромонтера

1

2

3

4

5

Служебные занятия с сотрудниками ПЦО проводятся ежемесячно по тематике, утверждаемой начальником отдела (отделения) вневедомственной охраны, на календарный год.

Проведение служебных занятий осуществляется во время дежурства ДПУ, о чем ведется учет в графиках и табелях работы, а также в журнале учета проведения служебных занятий с ДПУ.

Служебные занятия с ДПУ проводятся с обязательным ведением ими индивидуальных конспектов.

Примерная тематика проведения служебных занятий с ДПУ следующая:

·      Организация вневедомственной охраны в части сохранности государственной и личной собственности, структура подразделений охраны, основные направления дальнейшего совершенствования деятельности охраны.

·      Договор о централизованной охране квартир подразделениями охраны: права, обязанности и ответственность Сторон. Договоры об охране объектов различных форм собственности.

·      Должностные обязанности ДПУ: прием и сдача дежурства ДПУ, порядок приема объектов (квартир) под охрану, ведение служебной документации.

·      Тактико-технические данные и принципы работы систем передачи извещений типа «Центр-КМ» и «Фобос», ведение служебной документации.

·      Тактико-технические данные и принципы работы автоматизированных систем «Комета-К» и «Юпитер», ведение служебной документации.

·      Использование в работе ПЦО компьютерной техники, принципы работы с ней, ведение служебной документации.

·      Использование в работе отделов (отделений) вневедомственной охраны информаторных систем, их тактико-технические данные и принципы работы с ними.

·      Приборы приемно-контрольные, применяемые для охраны объектов (квартир); контрольно-регистрирующие устройства и источники бесперебойного питания, их назначение и тактико-технические характеристики.

·      Должностные инструкции, регламентирующие работу ДПУ и их действия при поступлении сигнала «Тревога» и в чрезвычайных ситуациях.

·      Основные принципы трудового права, трудовой договор, порядок приема на работу. Трудовая дисциплина, правила внутреннего распорядка, ответственность ДПУ за причиненный подразделениям вневедомственной охраны ущерб.

·      Охрана труда, техника безопасности и противопожарный режим в ПЦО. Условия, обеспечивающие безопасность работы ДПУ.

·      Порядок передачи сигналов «Тревога» дежурному ПЦО, а также территориальными органами милиции, собственниками объектов и квартиросъемщиками.

·      Оказание первой медицинской помощи при поражении электрическим током, переломах, кровотечениях, остановке сердца, травматическом шоке, обмороке.

·      Роль и задачи гражданской обороны. Индивидуальные и коллективные средства защиты.

Форма журнала учета проведения служебных занятий с ДПУ приведена в таблице 26.

Таблица 26

Форма журнала учета проведения служебных занятий с ДПУ

№ п/п.

Дата проведения занятия

Тема занятия

Фамилия, инициалы ДПУ

Количество часов

Роспись ДПУ

Ф.И.О. и должность проводившего занятия (роспись)

1

2

3

4

5

6

7

СПИСОК ЛИТЕРАТУРЫ

1. Конституция Российской Федерации.

2. Закон Российской Федерации от 18 апреля 1991 года «О милиции».

3. Постановление Правительства Российской Федерации от 14 августа 1992 года № 589 «Об утверждении Положения о вневедомственной охране при органах внутренних дел Российской Федерации».

4. Приказ МВД России от 13 января 1989 года № 14 «Об утверждении Правил техники безопасности при работах по техническому обслуживанию, ремонту и монтажу средств охранно-пожарной сигнализации и других электроустановок, выполняемых подразделениями вневедомственной охраны при органах внутренних дел».

5. Приказ МВД России от 31 января 1994 года № 35 «Об утверждении нормативных актов по технической эксплуатации подразделениями вневедомственной охраны при органах внутренних дел Российской Федерации».

6. Приказ МВД России от 15 июня 1994 года № 201 «Об утверждении Наставления по организации деятельности строевых подразделений милиции вневедомственной охраны при органах внутренних дел».

7. Приказ МВД России от 28 апреля 1998 года № 263 «О внесении дополнений в Сборник нормативов по технической эксплуатации охранно-пожарной сигнализации подразделениями вневедомственной охраны при органах внутренних дел, утвержденный приказом МВД России от 31 января 1994 г. № 35».

8. Приказ МВД России от 22 февраля 1999 года № 135 «Об организационно-штатной работе в подразделениях вневедомственной охраны при органах внутренних дел Российской Федерации».

9. ГОСТ 26342-84. Средства охранной, пожарной и охранно-пожарной сигнализации. Типы, основные параметры и размеры.

10. ГОСТ Р 50775-95. Системы тревожной сигнализации. Часть 1. Общие требования. Раздел 1. Общие положения.

11. ГОСТ Р 50776-95. Системы тревожной сигнализации. Часть 1. Общие требования. Раздел 4. Руководство по проектированию, монтажу и техническому обслуживанию.

12. ГОСТ Р 51242-98. Конструкции защитные механические и электромеханические для дверных и оконных проемов. Технические требования и методы испытаний на устойчивость к разрушающим воздействиям.

13. СНиП 2.04.09-84. Строительные нормы и правила. Пожарная автоматика зданий и сооружений.

14. СНиП 2.09.04-87. Строительные нормы и правила. Административные и бытовые здания.

15. СанПиН 2.2.2.542-96. Санитарные правила и нормы. Гигиенические требования к видеодисплейным терминалам, персональным электронно-вычислительным машинам и организация работы.

16. РД 78.143-92. Системы и комплексы охранной сигнализации. Элементы технической укрепленности объектов. Нормы проектирования, - М.: НИЦ «Охрана», 1992.

17. Р 78.36.010-2000. Инженерно-техническая защита нетелефонизированных объектов: Рекомендации. - М.: НИЦ «Охрана», 2000.

18. Применение технических средств в борьбе с терроризмом/Арлащенков Ю.П., Ковалев М.С., Котов Н.Н., Тюрин Е.П.; под общей редакцией Радивила С.Ф. - М.: НИЦ «Охрана», 2000.

ПРИЛОЖЕНИЕ А

ПРИМЕРЫ ТЕХНОЛОГИЧЕСКИХ КАРТ ПРОВЕДЕНИЯ РЕГЛАМЕНТНЫХ РАБОТ

РЕГЛАМЕНТ № 1 СЦН «Центр-КМ»

Проверка функционирования

Контрольно-измерительная аппаратура: секундомер.

Инструменты: отвертка, пассатижи, щетка-сметка, кисть-флейц.

Расходные материалы: ветошь, спирт гидролизный.

Трудозатраты: 1 чел.; 1,35 ч.

Технология выполнения

1. При проведении проверки внешнего состояния необходимо:

1.1. Осмотреть диспетчерский полукомплект (ДП) и исполнительный полукомплект (ИП) и проверить качество заземления, чистоту и исправность контрольных гнезд, состояние тумблеров, ключей и кнопок, обратив внимание на надежность их крепления и на состояние надписей на передних панелях блоков.

1.2. Удалить пыль с наружных поверхностей составных частей системы, их лицевых панелей и органов управления. При значительном загрязнении тумблеров, кнопок, защитных линз индикаторных и сигнальных ламп очистить их с помощью мягкой ветоши, смоченной в спирте. (В труднодоступных местах допускается использовать острозаточенную деревянную палочку, обернутую ветошью.)

2. При проведении проверки индивидуальных цепей сигнализации необходимо:

2.1. Перевести тумблер Контроль-Работа в положение «Контроль индикаторных ламп», а ключи не взятых под охрану объектов - в положение «Контроль».

Индикаторные лампы этих объектов и лампа «Контроль сбоев» должны вспыхивать поочередно.

2.2. Вернуть ключи в положение «Выкл.», а тумблер Контроль-Работа - в положение «Работа».

3. При проведении проверки индивидуальных каналов телеуправления и телесигнализации необходимо:

3.1. Перевести ключ какого-либо объекта, который не находится под охраной, в положение «Управление». Не более чем через 10 с должны загореться индикаторная лампа этого объекта и лампа «Внимание! Распределитель остановлен».

3.2. Перевести ключ этого объекта в положение «Контроль». Не более чем через 10 с должен появиться звуковой сигнал тревоги длительностью (1,5 ± 0,4) с. Лампа «Внимание! Распределитель остановлен» должна погаснуть.

3.3. Вернуть ключ объекта в положение «Выкл.» и проверить аналогичным образом индивидуальные каналы телеуправления и телесигнализации всех объектов, которые не находятся под охраной.

Примечание - Индивидуальные каналы телеуправления и телесигнализации взятых под охрану объектов считаются нормально функционирующими, так как при взятии объектов под охрану они проверяются ДПУ.

РЕГЛАМЕНТ № 2 СЦН «Центр-КМ»

Проверка работоспособности

Контрольно-измерительная аппаратура: осциллограф электронно-лучевой, частотомер электронный, секундомер, ампервольтомметр.

Расходные материалы: провод монтажный типа МГШВ.

Трудозатраты: 2 чел.; 0,33 ч.

Технология выполнения

1. При проведении проверки источников питания ДП необходимо:

Измерить постоянные составляющие питающих напряжений на контрольных гнездах блоков питания ДП. Их номинальные значения должны соответствовать гравировкам этих гнезд.

Примечание - Величины питающих напряжений измеряют относительно винтов на лицевых панелях блоков питания, обозначенных знаками «+» и «-».

2. При проведении проверки источников питания ИП необходимо:

Измерить постоянные составляющие питающих напряжений на контрольных гнездах блоков питания ИП. (Они должны быть равны 6 В). При необходимости установить требуемые величины напряжений с помощью переменных резисторов, размещенных на лицевых панелях блоков 16 М.

3. При проведении проверки узла контроля линии связи необходимо:

3.1. Отключить линию связи от ДП. Не более чем через 10 с должна включиться звуковая сигнализация, лампа ИП вспыхивать не должна.

3.2. Подключить линию связи к ДП. Звуковая сигнализация должна выключиться и лампа ИП должна периодически вспыхивать на 32 шаге распределителя ДП.

4. При измерении параметров радиоимпульсов в линии связи необходимо:

4.1. Подключить частотомер к контрольным гнездам блока 6/12 ДП и перевести ключ какого-либо объекта, не взятого под охрану, в положение «Управление». Частота сигнала должна составлять (422 - 448) Гц.

4.2. Вернуть ключ объекта в положение «Выкл», отключить частотомер от контрольных гнезд блока 6/12 ДП и отключить линию связи от ДП.

4.3. Подключить вход осциллографа к контрольным гнездам блока 6/12 ДП, установить длительность развертки, равной 10 мс/см, и засинхронизировать его от исследуемого сигнала (внутренняя синхронизация). На экране должны наблюдаться радиоимпульсы движения распределителя ДП (см. рисунок А.1) с периодом следования (50 + 6) мс и длительностью (25 + 3) мс (в системе «Центр-К» (30 + 3) мс).

Рисунок A.1 - Радиоимпульсы движения распределителя ЦП

Примечание - В дальнейшем, если не будет специальных оговорок, синхронизация осциллографа осуществляется от исследуемого сигнала (внутренняя синхронизация).

4.4. Провести аналогичные измерения для укороченного цикла работы системы. Период следования и длительность радиоимпульсов движения при этом должны быть равны (25 + 3) мс и (12,5 + 1,5) мс соответственно.

4.5. Установить длительность развертки, равной 0,2 мс/см, измерить период сигнала заполнения радиоимпульсов движения (см. рисунок А.2) и вычислить его частоту по формуле .

Рисунок А.2 - Сигнал заполнения радиоимпульсов движения

(Частота сигнала должна составлять (1050 - 1110) Гц.) По окончании проверки подключить линию связи к ДП.

РЕГЛАМЕНТ № 1 СПИ «Фобос»

Проверка функционирования

Контрольно-измерительная аппаратура: секундомер.

Инструменты: отвертка, кисть-флейц.

Расходные материалы: ветошь, спирт гидролизный.

Трудозатраты: 2 чел.; 0,55 ч.

Технология выполнения

1. При проведении проверки внешнего состояния необходимо:

1.1. Осмотреть пульт оператора, блок питания, устройство вывода на печать (УВП), ретранслятор и убедиться в отсутствии механических повреждений корпусов, изоляции проводов и кабелей.

1.2. Проверить надежность крепления ретранслятора и качество его заземления.

1.3. Проверить состояние клавиш управления, защитных экранов, элементов индикации, надежность крепления внешних разъемов составных частей системы. Проверить номинальное значение предохранителей составных частей системы.

1.4. Удалить пыль с наружных поверхностей составных частей системы с помощью мягкой ветоши, смоченной, при необходимости, в спирте.

1.5. Убедиться по распечатке в качестве красящей ленты в УВП, при необходимости заменить ее, протереть ветошью, смоченной в спирте, и смазать маслом направляющие печатающей головки. (Марка масла указана в инструкции по эксплуатации УВП).

1.6. Открыть переднюю крышку ретранслятора и убедиться в исправности механического замка и надежности фиксации печатных плат в ячейках.

2. При контрольной распечатке состояния охраняемых объектов необходимо:

2.1. Нажать на клавиатуре пульта оператора на время 1 - 2 с последовательно следующие клавиши: 1, 0, ЗАПРОС РЕТР. и получить на УВП распечатку всех взятых под охрану объектов первого ретранслятора согласно таблице А.1.

2.2. Нажать на клавиатуре пульта оператора на время 1 - 2 с последовательно следующие клавиши: 2, 0, ЗАПРОС РЕТР. и получить на УВП распечатку всех взятых под охрану объектов второго ретранслятора согласно таблице А.1.

2.3. Нажать на клавиатуре пульта оператора на время 1 - 2 с последовательно следующие клавиши: 3, 0, ЗАПРОС РЕТР. и получить на УВП распечатку всех взятых под охрану объектов третьего ретранслятора согласно таблице А.1.

2.4. Выделить контрольную распечатку и сохранить ее до окончания регламентных работ.

Таблица A.1

Примеры распечатки сообщений на УВП

Команда телеуправления, информация телесигнализации

Формат распечатки на УВП

«Взять сразу»

ЧЧ:ММ П NNNL

«Взять после выхода»

ЧЧ:ММ Я NNNL

«Снять»

ЧЧ:ММ Н NNNL

«Запрос УО»

ЧЧ:ММ 3 NNN

«Запрос ретр. снятых»

НЕ ВЗЯТЫЕ ОБЪЕКТЫ

 

РЕТРАНСЛЯТОР К ЧЧ:ММ

Информация на запрос ретранслятора снятых

CN1N1N1 - CNNNNNN

«Запрос ретр. взятых»

ВЗЯТЫЕ ОБЪЕКТЫ

 

РЕТРАНСЛЯТОР К ЧЧ:ММ

Информация на запрос ретранслятора взятых

BN1N1N1 - BNNNNNN

Установка времени

УСТАНОВКА ВРЕМЕНИ ЧЧ:ММ

«Взят»*)

ЧЧ:ММ BNNN

«Снят»*)

ЧЧ:ММ CNNN

«Наряд»*)

ЧЧ:ММ MNNN

«Не взят»*)

ЧЧ:ММ HNNN

«Тревога»*)

ЧЧ:ММ ТРЕВОГА NNN

«Авария»*)

ЧЧ:MM ANNN

«Замыкание»*)

ЧЧ:ММ XNNN

«Отказ ретранслятора»*)

ЧЧ:ММ АР К

«Восстановление ретранслятора»*)

ЧЧ:ММ ВР К

Метка времени

ВРЕМЯ ЧЧ:ММ

«Отказ ПЦН»*)

Не регистрируется

«Неверный ввод»

Не регистрируется

Контроль времени

Не регистрируется

Контроль индикации

Не регистрируется

Условные обозначения:

NNN - номер УО (000 - 359);

3 - «Запрос УО»;

L - номер собственника (0 - 9);

В - «Взят»;

К - номер ретранслятора (1 - 3);

С - «Снят»;

П - «Взять сразу»;

А - «Авария»;

Я - «Взять после выхода»;

X - «Замыкание»;

Н - «Снять», «Не взят»;

АР - «Отказ ретранслятора»;

М - «Наряд»;

ВР - «Восстановление ретранслятора».

ЧЧ:ММ - текущее время;

 

Примечание - Информация телесигнализации, помеченная *), отображается на пульте оператора соответствующими индикаторами и дублируется работой звукового сигнализатора.

3. При проведении проверки цепей индикации пульта оператора необходимо:

3.1. Убедиться, что единичный индикатор «Час Мин» мерцает с частотой (0,5 - 1) Гц. Это свидетельствует о работоспособности пульта оператора (исходный режим).

3.2. Нажать клавишу 8 на клавиатуре на время 1 - 2 с. При этом единичные индикаторы: «Направление», «Не взят», «Наряд», «Снят», «Авария», «Замыкание», «Отказ ретр.», «Восст. ретр.», «Отказ ПЦН» и все сегменты цифровых индикаторов должны светиться, а звуковой сигнализатор - работать. (Режим контроля индикации прекращается автоматически через (10 + 2) с или вручную с помощью клавиши Сброс.)

4. При проведении проверки режима ввода команд телеуправления необходимо:

4.1. Набрать поочередно следующие комбинации цифр: 0001, 1111, 2222, 3333, 0111, 0222, 0333, 0444, 0555, 0666, 0777, 0888, 0999. При этом индикатор «Час Мин» гаснет, индикатор «Направление» светится, на цифровых индикаторах отображена вводимая комбинация цифр. После набора каждой комбинации и проверки ее по индикаторам следует произвести сброс информации с помощью клавиши Сброс.

4.2. Убедиться в невозможности набора комбинаций, начинающихся с цифр 4, 5 и 6. При этом индикатор «Час Мин» должен мерцать с частотой (0,5 - 1) Гц, на цифровых индикаторах должно высветиться извещение НВ («Неверный ввод»). В некоторых модификациях пульта оператора при нажатии клавиши 6 цифровые индикаторы включаются в постоянный режим «Часы».

ВНИМАНИЕ! Длительность любого набора информации на клавиатуре пульта оператора не должна превышать (10 + 2) с, так как по истечении этого времени происходит автоматический «сброс» пульта оператора в исходное состояние.

5. При проведении проверки режима текущего времени и его установки необходимо:

5.1. Нажать клавишу 7 на клавиатуре на время 1 - 2 с. При этом индикатор «Час Мин» должен светиться постоянно, а на цифровых индикаторах высветится текущее время. Режим контроля текущего времени прекращается автоматически через (10 + 2) с или вручную с помощью клавиши Сброс.

5.2. Нажать клавишу 9 на клавиатуре на время 1 - 2 с. При этом индикатор «Час Мин» должен светиться постоянно.

5.3. Ввести четыре цифры точного времени (ч, мин) с помощью клавиатуры. После набора четвертой цифры цифровые индикаторы должны погаснуть, пульт оператора перейти в исходное состояние, на УВП должно распечататься сообщение «Установка времени» согласно таблице А.1.

5.4. Убедиться, что при переходе часов к каждому новому часу на УВП распечатывается сообщение «Метка времени» согласно таблице А.1.

6. При проведении проверки канонов телеуправления и телесигнализации необходимо:

6.1. Нажать на клавиатуре пульта оператора на время 1 - 2 с клавишу 1 (ввод номера запрашиваемого ретранслятора), повторно нажать клавишу 1 (запрос снятых с охраны объектов) на время 1 - 2 с. При этом индикатор «Час Мин» гаснет, индикатор «Направление» должен светиться, на цифровых индикаторах высветится сообщение «1 1».

6.2. Нажать клавишу Запрос ретр. на клавиатуре на время 1 - 2 с. При этом индикатор «Час Мин» должен мерцать, остальные индикаторы должны погаснуть. На УВП должны распечататься сообщения «Запрос ретр. снятых», а затем о всех снятых с охраны объектах запрашиваемого ретранслятора согласно таблице А.1.

6.3. Набрать на клавиатуре пульта оператора три цифры номера снятого с охраны объекта первого ретранслятора. При этом на цифровых индикаторах должен высветиться номер объекта. Индикатор «Час Мин» должен погаснуть, индикатор «Направление» - светиться.

6.4. Нажать клавишу Запрос УО на клавиатуре на время 1 - 2 с. При этом индикатор «Час Мин» должен мерцать, остальные индикаторы должны погаснуть. На УВП должно распечататься сообщение «Запрос УО» согласно таблице А.1.

6.5. Убедиться, что не более чем через 10 с на индикаторах пульта оператора высветится информация о состоянии запрашиваемого объекта. При этом индикатор «Час Мин» гаснет, индикаторы «Направление» и «Снят» должны светиться, а на цифровых индикаторах высветится номер объекта. На УВП должно распечататься сообщение «Снят» согласно таблице А.1.

6.6. Нажать клавишу Сброс на пульте оператора на время 1 - 2 с.

6.7. Набрать на клавиатуре пульта оператора три цифры номера взятого под охрану объекта первого ретранслятора. При этом на цифровых индикаторах должен высветиться номер объекта. Индикатор «Час Мин» должен погаснуть, индикатор «Направление» - светиться.

6.8. Нажать клавишу Запрос УО на пульте оператора на время 1 - 2 с. При этом индикатор «Час Мин» должен мерцать, остальные индикаторы должны погаснуть. На УВП должно распечататься сообщение «Запрос УО» согласно таблице А.1.

6.9. Убедиться, что не более чем через 10 с на индикаторах пульта оператора высветится информация о состоянии запрашиваемого объекта. При этом индикатор «Час Мин» гаснет, индикаторы «Направление» и «Взят» должны светиться, на цифровых индикаторах высветится номер объекта. На УВП должно распечататься сообщение «Взят» согласно таблице А.1.

6.10. Нажать клавишу Сброс на пульте оператора на время 1 - 2 с.

6.11. Набрать на клавиатуре пульта оператора три цифры номера объекта, отключенного от УО первого ретранслятора. При этом на цифровых индикаторах должен высветиться номер объекта. Индикатор «Час Мин» должен погаснуть, индикатор «Направление» - светиться.

6.12. Нажать клавишу Взять сразу на пульте оператора на время 1 - 2 с. При этом индикатор «Час Мин» должен мерцать, остальные индикаторы должны погаснуть. На УВП должно распечататься сообщение «Взять сразу» согласно таблице А.1*.

6.13. Убедиться, что не более чем через 10 с на индикаторах пульта оператора высветится информация о состоянии запрашиваемого объекта. При этом индикатор «Час Мин» гаснет, индикаторы «Направление» и «Авария» должны светиться, на цифровых индикаторах высветится номер объекта, включится звуковой сигнализатор. На УВП должно распечататься сообщение «Авария» на указанном направлении согласно таблице А.1*.

6.14. Нажать клавишу Сброс на пульте оператора на время 1 - 2 с*.

6.15. Выполнить подпункт 6.11 настоящего Регламента для другого снятого с охраны объекта данного ретранслятора.

6.16. Нажать клавишу Взять после выхода на пульте оператора на время 1 - 2 с. При этом индикатор «Час Мин» должен мерцать, остальные индикаторы должны погаснуть. На УВП должно распечататься сообщение «Взять после выхода» согласно таблице А.1*.

6.17. Убедиться, что не более чем через 265 с на индикаторах пульта оператора высветится информация о состоянии запрашиваемого объекта. При этом индикатор «Час Мин» гаснет, индикаторы «Направление» и «Авария» должны светиться, на цифровых индикаторах высветится номер объекта, включится звуковой сигнализатор. На УВП должно распечататься сообщение «Авария» на указанном направлении согласно таблице А.1*.

6.18. Нажать клавишу Сброс на пульте оператора на время 1 - 2 с.

6.19. Переключить контраверсу старшего разряда переключателя «Номер ретранслятора» первого ретранслятора из положения 0 в положение 1. При этом индикатор «Час Мин» гаснет, индикаторы «Направление» и «Отказ ретр.» должны светиться, на цифровых индикаторах высветится номер ретранслятора, включится звуковой сигнализатор. На УВП должно распечататься сообщение «Отказ ретранслятора» согласно таблице А.1.

6.20. Нажать клавишу Сброс на пульте оператора на время 1 - 2 с.

6.21. Переключить контраверсу старшего разряда переключателя «Номер ретранслятора» первого ретранслятора в положение 0. При этом индикатор «Час Мин» гаснет, индикаторы «Направление» и «Восст. ретр.». должны светиться, на цифровых индикаторах высветится номер ретранслятора, включится звуковой сигнализатор. На УВП должно распечататься сообщение «Восстановление ретранслятора» согласно таблице А.1.

6.22. Нажать клавишу Сброс на пульте оператора на время 1 - 2 с.

6.23. Отключить источник питания пульта оператора от сети переменного тока на время 15 - 20 с.

6.24. Нажать любую клавишу на клавиатуре и, удерживая ее в нажатом положении, включить источник питания пульта оператора. При этом на пульте должен светиться индикатор «Отказ ПЦН» и включится звуковой сигнализатор.

6.25. Отпустить клавишу, убедиться, что звуковой сигнал прекратился, а индикатор «Отказ ПЦН» погас.

6.26. Вернуть пульт оператора в исходное положение, нажав несколько раз клавишу Сброс (определяется количеством ретрансляторов, не подключенных к пульту оператора).

6.27. Нажать клавишу 1 (ввод номера запрашиваемого ретранслятора) на клавиатуре пульта оператора на время 1 - 2 с, а затем клавишу 0 (запрос взятых под охрану объектов) на время 1 - 2 с. При этом индикатор «Час Мин» гаснет, индикатор «Направление» должен светиться, на цифровых индикаторах высветится сообщение «1 0»*.

* - При выполнении указанных операций на объекте телефонная трубка должна находиться на рычаге телефонного аппарата, переключатель  УО должен быть в отжатом состоянии. Допускается проведение проверки с использованием резервных (свободных) ключей системы.

6.28. Нажать клавишу Запрос ретр. на время 1 - 2 с. При этом индикатор «Час Мин» должен мерцать, остальные индикаторы должны погаснуть. На УВП должны распечататься сообщения «Запрос ретр. взятых», а затем о всех взятых под охрану объектах запрашиваемого ретранслятора согласно таблице А.1.

6.29. Выполнить подпункты 6.1 - 6.22, 6.27, 6.28 настоящего Регламента для остальных ретрансляторов.

6.30. Сравнить полученные на УВП распечатки по подпункту 6.28 (по всем ретрансляторам) с контрольными распечатками состояния охраняемых объектов (см. пункт 2 настоящего Регламента).

Примечание - Каналы телеуправления и сигнализации взятых под охрану объектов считаются нормально функционирующими, так как при взятии объектов под охрану они проверяются ДПУ.

РЕГЛАМЕНТ № 2 СПИ «Фобос»

Проверка работоспособности

Контрольно-измерительная аппаратура: милливольтметр В7-38, прибор комбинированный Ц4323, осциллограф С1-94, частотомер ЧЗ-36, источник постоянного тока Б5-49, автотрансформатор ЛАТР-2М.

Инструменты: отвертка, пинцет.

Расходные материалы: ветошь, спирт гидролизный.

Трудозатраты: 2 чел.; 0,7 ч.

Технология выполнения

1. При проведении проверки источника питания пульта оператору необходимо:

1.1. Вскрыть пульт оператора и блок питания.

1.2. Подключить комбинированный прибор к контрольным точкам 13, 14 (правая часть платы, над клавиатурой).

1.3. Нажать клавишу 8 на время 1 - 2 с и измерить с помощью комбинированного прибора напряжение питания плюс 5 В. Значение напряжения не должно превышать (5 + 0,1) В. При необходимости произвести подстройку с помощью соответствующего резистора, установленного на плате блока питания.

2. При проведении проверки источника питания ретранслятора необходимо:

2.1. Открыть переднюю крышку ретранслятора и убедиться, что индикаторы «Работа», «26 В», «5 В» светятся, индикаторы «ПРД» и «ПРМ» светятся периодически в противофазе.

2.2. Измерить напряжение питания плюс 5 В на гнездах Контроль 5 В с помощью комбинированного прибора. Величина напряжения не должна превышать (5 + 0,1) В. При необходимости произвести подстройку с помощью подстроенного резистора «Установка 5 В».

3. При проведении проверки приемно-передающего тракта «пульт оператора - ретранслятор» необходимо:

3.1. Отключить линию связи «пульт оператора - ретранслятор» от соединителя «Линия» на пульте оператора и подключить к нему соединитель X1 устройства проверки, схема которого приведена на рисунке A.3. (Переключатели S1 и S2 устройства проверки должны быть в отжатом положении.)

3.2. Перевести переключатель S1 устройства проверки в нажатое положение, подключить резистор номиналом 620 Ом ± 10 % к гнезду Х2 устройства проверки.

3.3. Измерить напряжение на гнезде Х2 устройства проверки с помощью милливольтметра. Величина напряжения должна быть (0,7 + 0,07) В. При необходимости установить уровень напряжения с помощью резистора R13 (верхний на плате).

Условные обозначения:

S1, S2 - переключатели любого типа; X1 - соединитель ОНЦ-ВГ-4-5/16-В; Х2 - гнездо МГК-1 (или аналогичное); Х3 - розетка ОНЦ-ВГ-4-5/16-Р-М.

Рисунок A.3 - Схема устройства проверки

3.4. Убедиться с помощью осциллографа, что форма напряжения на гнезде Х2 устройства проверки близка к синусоидальной, частота передачи, измеренная с помощью частотомера, должна составлять (1650 + 5) Гц. Переключатель «~/-» осциллографа должен находиться в положении «~».

3.5. Отсоединить устройство проверки, измерительные приборы и резистор от гнезда Х2, подключить линию связи «пульт оператора - ретранслятор» к розетке Х3 устройства проверки и перевести его переключатель S1 в отжатое положение.

3.6. Отключить питание первого ретранслятора и подключить к контрольному разъему платы УЦР устройство коммутации, схема которого приведена на рисунке А.4. Переключатели S1, S2 схемы устройства коммутации должны находиться в отжатом положении. На пульте оператора и УВП должно зарегистрироваться сообщение «Отказ ретранслятора».

Примечание - Все контакты розетки X1 схемы устройства коммутации должны быть изолированы и защищены механически от повреждения.

3.7. Включить питание первого ретранслятора. На пульте оператора и УВП должно зарегистрироваться сообщение «Восстановление ретрансляторов».

3.8. Попросить ДПУ выполнить операции по перевзятию объектов первого ретранслятора согласно контрольной распечатке (см. пункт 2 Регламента № 1 СПИ «Фобос»).

3.9. Подключить милливольтметр к гнезду Х2 устройства проверки (см. рисунок А.3) и перевести переключатель S2 устройства проверки и схемы устройства коммутации (см. рисунок А.4) в нажатое положение.

Условные обозначения:

S1, S2 - переключатели любого типа; X1 - розетка СНО 63-64/95*9Р-24-2.

Рисунок А.4 - Схема устройства коммутации

3.10. Измерить уровень помех в линии связи с помощью милливольтметра (Величина уровня помех не должна превышать 7 мВ.)

3.11. Перевести переключатель S2 схемы устройства коммутации в отжатое положение, а переключатель S1 в нажатое.

3.12. Измерить уровень сигнала в линии связи с помощью милливольтметра. (Уровень сигнала должен быть не менее 45 мВ.)

3.13. Провести качественную оценку формы напряжения на гнезде X2 устройства проверки с помощью осциллографа и убедиться, что она близка к синусоидальной. Частота передачи должна составлять 1650 Гц. Переключатель «~/-» осциллографа должен находиться в положении «~».

3.14. Отключить схему устройства коммутации от контрольного разъема платы УЦР, устройство проверки от пульта оператора и линии связи. Подсоединить линию связи к соединителю «Линия» пульта оператора.

3.15. Ввести команду «Запрос УО» по любому номеру. При этом на пульте оператора и УВП должна зафиксироваться информация о состоянии этого объекта.

4. При проведении проверки звукового сигнализатора необходимо:

4.1. Ввести команду «Взять сразу» с помощью клавиатуры по любому снятому объекту. Убедиться в работе звукового сигнализатора. При необходимости отрегулировать уровень звука с помощью подстроечного резистора R69.

4.2. Нажать клавишу Сброс на пульте оператора на время 1 - 2 с.

5. При измерении потребляемой мощности необходимо:

5.1. Подключить амперметр и вольтметр переменного тока (прибор комбинированный) к пульту оператора со стороны питающей сети.

5.2. Нажать клавишу 8 на пульте оператора на время 1 - 2 с, записать показания приборов и вычислить потребляемую мощность по формуле

P = I · U,

где I - показание амперметра, А;

U - показание вольтметра, В.

При этом мощность, потребляемая пультом оператора, не должна превышать 20 ВА.

5.3. Измерить аналогичным способом мощность, потребляемую каждым транслятором в отдельности, которая не должна превышать 95 Вт.

6. При проведении проверки работоспособности системы при изменении напряжения сети переменного тока необходимо:

6.1. Подключить блок питания пульта оператора к сети переменного тока через автотрансформатор.

6.2. Установить напряжение (187 + 3) В на выходе автотрансформатора с помощью комбинированного прибора и выполнить подпункты 6.1 - 6.2 Регламента № 1 СПИ «Фобос».

6.3. Установить напряжение (242 + 3) В на выходе автотрансформатора с помощью комбинированного прибора и выполнить подпункты 6.1 - 6.2 регламента № 1 СПИ «Фобос».

6.4. Восстановить цепь питания блока питания от сети переменного тока.

6.5. Отключить ретранслятор от станционного источника питания и подключить его к регулируемому источнику постоянного тока.

6.6. Установить напряжение (54 + 1) В на выходе источника постоянного тока с помощью комбинированного прибора и выполнить подпункты 6.1 - 6.2 Регламента № 1 СПИ «Фобос».

6.7. Установить напряжение (72 + 1) В на выходе источника постоянного тока с помощью комбинированного прибора и выполнить подпункты 6.1 - 6.2 Регламента № 1 СПИ «Фобос».

6.8. Восстановить цепь питания ретранслятора от станционного источника питания.

6.9. Выполнить подпункты 6.5 - 6.8 настоящего Регламента для остальных ретрансляторов.

Примечание - Пункты 5 и 6 Регламента № 2 СПИ «Фобос» выполнять при неустойчивой работе системы.

7. При распечатке состояния охраняемых объектов необходимо:

7.1. Нажать на клавиатуре пульта оператора на время 1 - 2 с последовательно следующие клавиши: 1, 0, ЗАПРОС РЕТР. и получить на УВП распечатку всех взятых под охрану объектов первого ретранслятора.

7.2. Нажать на клавиатуре пульта оператора на время 1 - 2 с последовательно следующие клавиши: 2, 0, ЗАПРОС РЕТР. и получить на УВП распечатку всех взятых под охрану объектов второго ретранслятора.

7.3. Нажать на клавиатуре пульта оператора на время 1 - 2 с последовательно следующие клавиши: 3, 0, ЗАПРОС РЕТР. и получить на УВП распечатку всех взятых под охрану объектов третьего ретранслятора.

7.4. Сравнить полученную распечатку с контрольной (см. пункт 2 Регламента № 1 СПИ «Фобос»). При проведении регламентных работ возможны изменения состояния объектов, поэтому все отклонения в содержании распечаток должны быть проанализированы.

РЕГЛАМЕНТ № 1 АСПИ «Ахтуба»

Проверка функционирования

Инструменты: кисть-флейц, отвертка, пылесос, чистящая дискета.

Расходные материалы: ветошь, спирт-ректификат, бязь № 6 750 (ширина полосы 10 см, общая длина 24,3 м), смазка силиконовая.

А. Устройство оконечное объектовое и фильтр абонентский

Трудозатраты: 1 чел.; 0,48 ч.

Технология выполнения

1. При проведении внешнего осмотра, чистки блоков объектовых необходимо:

1.1. Отключить УО объектовое от сети переменного тока и проверить надежность крепления к стене блока объектового, прикладывая к нему небольшое усилие.

1.2. Удалить пыль, грязь и влагу с поверхностей блоков объектовых и источников питания первичной сети (ИППС).

1.3. Осмотреть блоки объектовые и убедиться в отсутствии механических повреждений корпусов.

1.4. Снять крышку, закрывающую клеммы блока объектового, и с внутренней стороны его аккуратно удалить пыль, грязь и следы коррозии.

1.5. Снять крышку, закрывающую батарею резервного питания. Осмотреть состояние батарей источника резервного питания (ИРП). Убедиться в отсутствии налета, окисла. Удалить налет, грязь и следы коррозии с контактов батарейного отсека.

1.6. Снять крышку фильтра абонентского и с внутренней стороны его аккуратно удалить пыль, грязь и следы коррозии.

1.7. Убедиться в надежности крепления проводов на клеммах блоков объектовых; подтянуть винты на клеммах, где крепление ослабло.

2. При проведении проверки работоспособности УО объектового необходимо:

2.1. Перед проверкой на функционирование УО объектового на месте эксплуатации перевести этот объект на ПЦН в режим «Настройка» в соответствии с документом «Сервер ПЦН. Руководство оператора».

2.2. Восстановить ШС.

2.3. Включить ИППС в розетку электросети 220 В/50 Гц. Нажать выключатель Питание на ОБ.

2.4. Нажать кнопку Контроль через 10 - 12 с.

Должны загореться одновременно продолжительностью 1,5 с индикаторы «Охрана», «Милиция», «Контроль», «Разряд батарей» на блоке объектовом и индикатор на устройстве замковом.

Мигание индикатора «Контроль» от одного до шести раз с продолжительностью 1,5 с свидетельствует о том, что есть неисправный(ые) шлейф(ы).

Количество миганий соответствует младшему номеру неисправного (нарушенного) шлейфа.

Отсоединить от УО объектового неисправный шлейф, установить на контакты УО объектового выносной резистор соответствующего номинала, нажать кнопку Контроль. В случае, если индикация неисправного шлейфа сохранится, необходимо произвести ремонт УО объектового. В противном случае потребуется отремонтировать ШС.

2.5. Нарушить первый ШС (открыть окно, дверь и т.п.) и нажать кнопку Контроль. (Индикатор «Контроль» должен мигнуть один раз.) Проконтролировать фиксацию срабатывания всех датчиков, установленных на первом ШС.

2.6. Закоротить выносной элемент ШС и нажать кнопку Контроль. (Индикатор «Контроль» должен мигнуть один раз.)

2.7. Разомкнуть выносной элемент ШС.

2.8. Проверить аналогичным способом фиксирование срабатывания датчиков на втором ШС и далее (по очереди) по всем подключенным ШС.

2.9. Проверить работу устройства замкового и установку УО объектового в режим «Охрана».

Перед сдачей помещения под охрану убедиться в том, что надежно закрыты окна, форточки и двери, проверить состояние ШС в соответствии с подпунктом 2.4 настоящего Регламента.

Коснуться устройства замкового электронным ключом. Не более чем через 10 с кратковременно (однократно) должна загореться индикаторная лампа красным светом на устройстве замковом, что будет свидетельствовать о взятии помещения под охрану.

2.10. Проверить снятие объекта с охраны.

На время продолжительностью около 1 с коснуться устройства замкового электронным ключом. Не более чем через 10 с кратковременно (дважды) должна загореться индикаторная лампа зеленым светом на устройстве замковом, что будет свидетельствовать о снятии помещения с охраны (можно открывать дверь).

2.11. Проверить работу индикации «Нет связи».

Отсоединить от УО объектового линию связи с фильтром абонентским. (Индикатор «Контроль» должен начать мигать.) Подсоединить линию связи. (Индикатор «Контроль» должен перестать мигать.)

2.12. Выключить блок объектовый и закрыть крышками клеммные колодки УО объектового и фильтра абонентского.

Б. Мультиплексор (основной и резервный) и концентраторы

Трудозатраты: 1 чел.; 0,6 ч.

Внимание! Перед проведением технического обслуживания администратор системы должен установить резким технического обслуживания устройств данной АТС.

Технология выполнения

1. При проведении внешнего осмотра, чистки устройств ретранслятора необходимо:

1.1. Отключить питание резервного мультиплексора активного (МА) (индикатор «Активность» не светится) кнопкой Питание.

Отключить кабели питания от электросетей 220 и 60 В.

1.2. Открыть крышку МА.

Продуть пылесосом через жалюзи источники питания и вентилятор. Продуть изнутри корпус, закрыть крышку МА.

1.3. Удалить пыль, грязь и влагу с внешних поверхностей МА.

Осмотреть МА и убедиться в отсутствии механических повреждений корпусов.

1.4. Убедиться (внешним осмотром) в надежности подсоединения подводящих кабелей.

1.5. Подключить кабели питания к электросетям 220 и 60 В. Включить питание МА.

1.6. Убедиться в том, что на ПЦН поступило сообщение о восстановлении связи с резервным МА.

1.7. Отключить питание мультиплексора активного (индикатор «Активность» мигает) кнопкой Питание.

Убедиться в том, что произошло переключение активности. Индикатор «Активность» должен начать мигать на резервном МА. (Сообщение об этом поступило на ПЦН.)

Отключить кабели питания от электросетей 220 и 60 В.

1.8. Выполнить действия, изложенные в подпунктах 1.2 - 1.6 раздела Б настоящего Регламента.

1.9. Провести внешний осмотр и чистку концентраторов интеллектуальных (КИ) и блоков приемопередатчиков последовательно всех концентраторов, установленных на АТС, выполняя действия, изложенные в подпунктах 1.2 - 1.6 раздела Б настоящего Регламента.

Убедиться в том, что после включения энергонезависимые запоминающие устройства в норме.

1.10. После завершения технического обслуживания администратор системы должен убедиться в том, что вся аппаратура функционирует нормально, после чего отключить режим технического обслуживания.

В. Устройство файловое управляющее (УФУ)

Трудозатраты: 1 чел.; 0,5 ч.

Технология выполнения

После проведения внешнего осмотра и чистки наружных поверхностей устройства необходимо:

1) Отключить питание одного из УФУ.

2) Провести внешний осмотр и чистку экрана монитора, клавиатуры, «мыши», коврика для «мыши», системного блока.

3) Включить питание УФУ.

4) Выполнить действия, изложенные в подпунктах 1) - 3) раздела В настоящего Регламента, с другим УФУ.

5) Отключить питание принтера. Провести внешний осмотр и чистку внешних поверхностей принтера.

РЕГЛАМЕНТ № 2 АСПИ «АХТУБА»

Проверка работоспособности

Инструменты: чистящая дискета, отвертка.

Приборы: прибор типа Ц4324, источник питания Б5-47, осциллограф С1-114, пылесос.

Расходные материалы: ветошь, спирт-ректификат, смазка силиконовая.

А. Устройство оконечное объектовое и фильтр абонентский

Трудозатраты: 1 чел.; 0,95 час.

Технология выполнения

1. Выполнить операции, перечисленные в пунктах 1, 2 раздела А Регламента № 1 АСПИ «Ахтуба».

2. При измерении тока потребления от ИРП необходимо:

2.1. Подключить технологический источник питания вместо батареи (ИРП) и последовательно с ним мультиметр в режиме измерения постоянного тока.

2.2. Установить на технологическом источнике питания напряжение (6 ± 0,1) В.

2.3. Восстановить ШС, включить УО объектовое, снять показания амперметра.

2.4. Отключить ИППС от электросети 220 В, снять показания амперметра.

3. При проведении проверки чувствительности УО объектового необходимо

Проконтролировать и при необходимости отрегулировать чувствительность приемника УО объектового. Для этого подключить вход осциллографа к контрольной точке КТ. Убедиться в наличии сигналов опроса УО объектового и установить амплитудное значение этих сигналов (2 ± 0,2) В подстроечным резистором.

Б. Мультиплексор (основной и резервный) и концентраторы

Трудозатраты: 1 чел.; 3 ч + 0,1 ч на каждый канал при 40 % загрузке.

Технология выполнения

1. Выполнить операции, перечисленные в пункте 1 раздела Б Регламента № 1 АСПИ «Ахтуба».

2. При проведении проверки работоспособности устройств ретранслятора необходимо:

2.1. Отключить мультиплексор от электросети 60 В. Убедиться в том, что на ПЦН поступает сообщение «Нет 60 В».

Подключить электропитание 60 В. Убедиться в том, что на ПЦН поступает сообщение «Есть 60 В».

2.2. Отключить мультиплексор от электросети 220 В. Убедиться в том, что мультиплексор переходит на резервное питание без рестарта и сбоев и на ПЦН поступает сообщение «Нет 220 В».

Подключить электропитание 220 В. Убедиться в том что мультиплексор переходит на основное питание без рестарта и сбоев и на ПЦН поступает сообщение «Есть 220 В».

2.3. Открыть крышку корпуса МА. Убедиться в том, что на ПЦН поступает сообщение «Открыт корпус в аппаратуре АТС».

Закрыть крышку корпуса. Убедиться в том, что на ПЦН поступает сообщение «Закрыт корпус в аппаратуре АТС».

2.4. Выполнить действия, указанные в подпунктах 2.1 - 2.3 раздела Б настоящего Регламента, с активным МА.

2.5. Выполнить действия, указанные в подпунктах 2.1 - 2.3 раздела Б настоящего Регламента, с каждым КИ последовательно.

В. Устройство файловое управляющее

Трудозатраты: 1 чел.; 2,5 час.

Технология выполнения

1. Выполнить операции, перечисленные в пунктах 1) - 5) раздела В Регламента № 1 АСПИ «Ахтуба».

2. При проведении очистки внутренних поверхностей УФУ, смазки вентиляторов необходимо:

2.1. Отключить питание одного из УФУ, открыть крышку системного блока.

2.2. Продуть пылесосом через жалюзи источники питания и вентилятор; продуть корпус изнутри.

2.3. Снять вентилятор (cooler) с процессора, смазать его подшипник, установить вентилятор обратно.

2.4. Открыть корпус блока питания, смазать подшипник вентилятора блока питания. Закрыть корпус блока питания; закрыть крышку УФУ.

2.5. Открыть манипулятор «мышь». Очистить валики и резиновый шарик от пыли и грязи, закрыть манипулятор.

2.6. Открыть клавиатуру. Протереть спиртом контактные площадки клавиш. Закрыть клавиатуру.

2.7. Включить питание УФУ, загрузить управляющую программу «Сервер ПЦО». Убедиться в том, что между серверами по сети установилась связь.

2.8. Отключить питание второго УФУ, выполнить действия, указанные в подпунктах 2.1 - 2.7 раздела В настоящего Регламента.

3. При очистке головок флоппи дисководов необходимо

Произвести очистку головок дисководов УФУ с помощью чистящих дискет.

4. При очистке и смазке направляющих валиков печатающих головок принтеров необходимо

Произвести очистку и смазку направляющих валиков печатающих головок принтеров.

5. При проведении проверки работоспособности блока бесперебойного питания (ББП) необходимо:

5.1. Отключить электропитание 220 В от ББП одного из УФУ.

5.2. Измерить время работы ББП от аккумуляторов до подачи аварийного (постоянного) сигнала. (Оно должно быть не менее 20 мин.)

5.3. Включить электропитание 220 В. Убедиться в том, что ББП функционирует нормально (аварийные сигналы отсутствуют).

5.4. Отключить электропитание 220 В от ББП второго УФУ. Выполнить действия, указанные в подпунктах 5.1 - 5.3 раздела В настоящего Регламента.

РЕГЛАМЕНТ № 1 автоматизированных рабочих мест

Проверка функционирования

Инструменты: щетка-сметка, кисть-флейц.

Расходные материалы: ветошь, спирт гидролизный, смазка силиконовая.

Трудозатраты: 1 чел.; 0,3 ч.

Технология выполнения

1. При проведении проверки внешнего состояния необходимо:

1.1. Осмотреть оборудование АРМ, проверить качество заземления, состояние клавиш (кнопок) и разъемов (соединений). Убедиться в работе видеомонитора (наличие информации на экране).

1.2. Удалить пыль с наружных поверхностей АРМ (клавиатуры, монитора, системного блока). При значительном загрязнении кнопок клавиатуры очистить их с помощью мягкой ветоши, смоченной в спирте.

РЕГЛАМЕНТ № 2 автоматизированных рабочих мест

Проверка работоспособности

Инструменты: отвертка, пылесос, кисть-флейц.

Программы: программа-антивирус, программа для проверки и оптимизации жесткого диска компьютера.

Трудозатраты: 1 чел.; 1,0 ч.

Технология выполнения

1. При проведении проверки соединений необходимо:

1.1. Отключить рабочее место от электрической и локальной сетей. Вскрыть корпусы видеомонитора и системного блока компьютера. Проверить качество соединений: разъемов блока питания с дисководами, жестким диском и материнской платой; шин данных с дисководами, жестким диском и материнской платой; плат компьютера с материнской платой.

1.2. При вскрытом корпусе системного блока включить его в электрическую сеть. Проверить работу вентиляторов блока питания и процессора. При необходимости произвести их смазку.

2. При проведении проверки на компьютерные вирусы необходимо

Провести проверку памяти компьютера и файлов на наличие компьютерных вирусов, при необходимости осуществить лечение компьютера.

3. При проведении проверки жесткого диска необходимо:

3.1. Провести оптимизацию жесткого диска компьютера.

3.2. Провести проверку целостности файлов и папок (директорий), наличие сбойных блоков на диске.

3.3. Проверить наличие свободного места на жестком диске для записи протоколов работы, БД (копии БД).

4. При проведении проверки базы данных необходимо

Проверить целостность БД, для чего запустить программу «Администратор БД» и в меню «База», подменю «Проверка целостности БД» нажать клавишу F8. При необходимости восстановить БД из копии.

При отсутствии ошибок по пункту 4 настоящего Регламента сделать копию БД, для чего запустить программу «Администратор БД» и дать команду «Создание копии БД» из меню «База».

РЕГЛАМЕНТ № 1 радиосистем передачи извещений «Струна-3», «Струна-3М»

Проверка функционирования

Инструменты: щетка-сметка, кисть-флейц, набор отверток, пинцет, бокорезы, нож монтерский, паяльник.

Приборы: мультиметр типа DT 830A.

Расходные материалы: индивидуальный комплект ЗИП, ветошь, спирт гидролизный, припой, канифоль, наборы монтажных проводов, крепежа, клеммных наконечников.

Трудозатраты: 1 чел.; 0,5 ч.

Технология выполнения

1. Провести внешний осмотр оборудования, установленного в помещении, для выявления отсутствия механических повреждений и нарушений лакокрасочных покрытий корпусов приборов, отсутствия на них следов коррозии, пыли и грязи, отсутствия повреждений декоративно-защитного короба, а также провисаний, резких изломов или повреждений оболочки антенного фидера внутри объекта. Удалить пыль и грязь с поверхности, выправить и закрепить антенный кабель.

2. Проверить наличие и состояние замков, печатей и пломб (где они предусмотрены), наличие и четкость поясняющих надписей на осматриваемых приборах.

Обратить внимание на индикацию состояния прибора и его резервного источника питания. При необходимости заменить аккумулятор.

3. При обнаружении механических повреждений осматриваемого оборудования или фактов несанкционированного вскрытия приборов опросить пользователя (владельца) и выяснить у него причины этих нарушений, а также его жалобы и замечания по работе оборудования (если они имеются) для принятия соответствующих мер.

Восстановить поясняющие надписи на приборах.

4. Осмотреть состояние и при необходимости восстановить крепление оборудования, установленного на столе и стенах помещения.

Убедиться в надежности присоединения заземляющего провода от прибора к шине защитного заземления проверяемого объекта. При необходимости подтянуть гайку крепления провода.

5. Касанием руки проверить отсутствие нагрева вилки сетевого шнура прибора и розетки сети переменного тока, в которую включен осматриваемый прибор. Наличие нагрева свидетельствует об ухудшении контактов в цепи электропитания и об опасности возникновения пожара. (Обнаруженный недостаток следует устранить немедленно.)

6. При вскрытии прибора (объектовые приборы вскрывать только с ведома дежурного ПЦО) выключить его питание от сети переменного тока, от резервного источника и отключить от электросети.

После вскрытия прибора тщательно проверить соответствие всех предохранителей (установленных в нем) требуемым номинальным значениям тока. Несоответствующие предохранители заменить на исправные номинальные из комплекта поставки.

Проверить правильность и надежность подключения к прибору аккумулятора и провода защитного заземления, устранить обнаруженные люфты.

Убедиться в правильности внешних вводов в прибор кабелей, жгутов и отдельных проводов, в их аккуратной раскладке и надежном подключении внутри прибора согласно рекомендациям Руководства по эксплуатации.

Примечание - При проверке надежности подключений отдельных проводников в целях профилактики обрывов цепей в случае ослабления контактов (особенно проводников с однопроволочными жилами) категорически запрещается их подергивание и покачивание во избежание обрывов в процессе профилактической проверки.

Профилактическую проверку надежности и устранение ненадежных подключений проводов под клеммы приборов допускается производить только путем легкого отпускания и последующего затягивания винта с помощью отвертки со специально подобранной рабочей частью под его шлиц.

Подергивание (покачивание) провода с помощью пинцета разрешается осуществлять только при выявленном или предполагаемом нарушении (обрыве) соответствующей электрической цепи при отыскании и устранении неисправности прибора (шлейфа).

7. После окончания работ включить питание, закрыть и опечатать крышку прибора.

8. При осмотре наружной антенны объекта обратить внимание на отсутствие перекосов в ее установке на мачте и в установке самой мачты на земле или поверхности крыши здания, на правильность крепления фидера антенны (коаксиального кабеля) к мачте (стене здания) и на устройство его ввода в помещение с целью недопущения чрезмерного растяжения кабеля под воздействием собственного веса, провисания кабеля и раскачивания его ветром.

Убедиться в наличии и надежности подключения заземления мачты.

Проверить надежность крепления оттяжек мачты к якорям на крыше (или на земле), отрегулировать их натяжение, попутно устраняя перекос мачты.

Примечание - Работы, связанные с опусканием и подъемом мачты (при необходимости увеличения высоты подвеса или при замене типа антенны, устранении выявленного при измерении КСВ обрыва кабеля и т.п.), допускается выполнять только в хорошую погоду и при соответствующем усилении регламентной группы.

РЕГЛАМЕНТ № 2 радиосистем передачи извещений «Струна-3», «Струна-3М»

Проверка работоспособности

Контрольно-измерительная аппаратура: секундомер.

Трудозатраты: 2 чел.; 0,5 ч на один объект.

Технология выполнения

Работоспособность радиосистем проверяется с каждым из объектов, где установлено объектовое оборудование системы, по отдельности.

На время проверки работоспособности (контроля функционирования) системы между лицами, проводящими работы на объекте и в ПЦО, должна быть организована служебная (оперативная) связь.

Устройство обработки (ПЦН) и принтер в ПЦО должны быть включены раньше объектового оборудования. При этом на ЖКИ пульта управления отображается информация о состоянии его источника питания, о режиме контроля, текущих дате и времени (исходное состояние ПЦН).

1. После установления служебной связи с объектом и включения его УО следует набрать на клавиатуре пульта управления (ПЦН) трехзначный номер контролируемого объекта (первая цифра означает номер канала, две последующие цифры - порядковый номер контролируемого объекта в этом канале). Так, чтобы набрать номер 102, необходимо нажать на клавиатуре пульта управления клавишу Е (на ПЦН - клавишу В). При этом на экране пульта появится сообщение о состоянии интересующего объекта (например: «102 * Хор 2 Снят»).

Символ «*», расположенный справа от набранного номера объекта, появляется только на короткое время при каждом приеме извещения от этого объекта и сопровождается звуковым сигналом.

Периодичность прихода извещений от объекта оценивается как хорошая («Хор», как в этом случае, - более 10 сообщений за 2 мин), удовлетворительная («Уд» - от 10 до 5 сообщений за 2 мин) или неудовлетворительная («Неуд» - менее 5 сообщений за 2 мин).

Цифра, расположенная правее оценки периодичности (на пульте управления цифры от 0 до 4, на ПЦН - от 0 до 3), характеризует уровень радиосигнала от контролируемого объекта (0 - низкий уровень сигнала, 3 - мощный сигнал, 4 - перегрузка).

Слово «Снят» означает состояние объекта (например, «Снят с охраны»).

При малом уровне принимаемого сигнала (0 или 1), а также при неудовлетворительной периодичности приема сообщений от объекта улучшение этих показателей (при исправном антенно-фидерном тракте объекта) достигается путем оптимального подбора места установки передающей антенны внутри помещения (если на объекте используется комнатная антенна) либо замены комнатной антенны на внешнюю, поднятую над крышей здания.

Дальнейшее повышение качественных показателей приема сигнала от объекта возможно за счет применения на объекте направленной антенны (вместо ненаправленной передающей антенны).

Перегрузка приемника в ПЦО мощным сигналом от близко расположенного объекта во всех случаях может быть устранена подбором типа и места установки передающей антенны, а при применении в составе объектового оборудования РПД МА, имеющего на выходе аттенюатор, - включением аттенюатора РПД.

Прием извещений от объекта считается уверенным, если в сообщении о состоянии этого объекта каждые 5 - 19 с появляется символ «*».

2. Для просмотра на ЖКИ пульта аналогичной информации о состоянии других объектов, включенных в контролируемый канал, необходимо (в порядке возрастания номеров объектов) последовательно нажимать на пульте управления клавишу С (на ПЦН - клавишу С для перебора номеров объектов в прямом порядке или клавишу Д для перебора в обратном порядке). При нажатии на клавишу Е пульт управления переводится в исходное состояние.

3. Используя служебную связь с лицами, проводящими регламентные работы на объектовом оборудовании, необходимо проверить совместно с ними правильность формирования и передачи оборудованием, установленным на объекте, всех извещений, а также правильность их приема, обработки и соответствующего отображения на пульте ПЦО.

4. Проверить на пульте управления возможность включения и выключения (взятия на контроль и снятия с контроля) объектов и каналов.

Для указанных операций с объектами на пульте управления в исходном состоянии необходимо нажать клавишу С и два раза клавишу Е.

После появления на экране сообщения «Объект № __» следует ввести трехзначный номер включаемого (отключаемого) объекта и нажать клавишу Е. При этом на экране должно появиться сообщение: «Объект № ХХХ Вкл-1/Отк-0».

Для включения объекта «№ XXX» необходимо нажать клавишу 1, а для его выключения - клавишу 0. При этом нижняя строка указанного выше сообщения изменится на «Включен» или «Отключен».

Для возврата пульта управления в исходное состояние требуется нажать клавишу Е.

Операции включения и выключения (взятие на контроль и снятие с контроля) каналов осуществляются аналогично. Для этого на пульте управления в исходном состоянии необходимо нажать клавишу С и три раза клавишу Е. После появления сообщения «Канал № _» следует набрать номер интересующего канала (цифры от 0 до 7). При этом к предыдущему сообщению добавятся номер канала и вторая строка: «Вкл-1/Откл-0». Для включения «Канал № X» необходимо набрать 1, для его выключения - цифру 0. При этом нижняя строка сообщения изменится на сообщения «Включен» или «Отключен» соответственно.

Проверить включение и отключение контроля объектов и каналов.

5. Включение или отключение контроля объекта осуществляется через функцию F7, включение или отключение канала - через функцию F7 и нажатие клавиши В.

Изменение состояний объекта или канала должно сопровождаться распечатками на принтере.

6. Провести на ПЦН обзор охраняемых объектов по состояниям из меню функции F2.

Нужное для просмотра состояние выбрать нажатием соответствующей цифровой клавиши: 1 - взяты, 2 - сняты, 3 - тревожные, 4 - аварийные, 5 - отключенные. При этом на ЖКИ пульта должны высветиться номера тех объектов, которые в этот момент находятся в заданном состоянии, например: «Снят: 101, 105, 111, 205, 207, 301».

Одновременно на экран может быть выведено до шести номеров. Если после последнего номера в сообщении поставлена запятая (как в приведенном примере), то следует нажать клавишу В. При этом будут выведены номера остальных объектов в состоянии «Снят».

Просмотреть объекты в других состояниях, не выходя из этой функции, только нажатием соответствующих цифровых клавиш.

7. Через функцию F5 подсчитать на ПЦН время охраны контролируемого объекта, для чего требуется ввести его номер и нажать клавишу В. При этом на экран должно быть выведено время охраны этого объекта за определенные сутки, начиная с первой даты, о которой сохранилась запись. К следующей дате необходимо переходить путем нажатия клавиши В.

8. Через функцию F4 просмотреть протокол работы контролируемого объекта, для чего требуется ввести его номер и нажать клавишу В.

При наборе числа и месяца интересующих суток либо при повторном нажатии клавиши В должны быть выведены в хронологическом порядке сохранившиеся записи об изменениях состояния объекта с указанием его номера, даты и времени фиксации состояния.

Для перехода к следующей записи необходимо использовать клавишу В, а к следующей дате - клавишу С.

Для распечатки протокола работы, начиная с записи, отображаемой на экране, следует нажать клавишу D (с выходом из функции).

После просмотра всех записей нажать любую клавишу.

9. Осуществить проверку работоспособности (контроль функционирования) системы в объеме пунктов 1 - 8 настоящего Регламента со всеми включенными в нее объектами.

10. После окончания работ через функцию F4 просмотреть общий протокол работы радиосистемы, нажав после набора F4 клавишу В.

11. Проанализировать полученные показатели качества работы радиосистемы и сравнить их с аналогичными данными за прошедший период.

РЕГЛАМЕНТ № 1 АСЦН «Юпитер»

Проверка функционирования

А. Приемный комплект АСЦН «Юпитер-ПК»

Инструменты: кисть-флейц, отвертка.

Расходные материалы: ветошь.

Трудозатраты: КПЦО - 1 чел.; 0,25 ч;

                            УТ - 1 чел.; 0,3 ч;

                            УТ-Ц - 1 чел.; 0,5 ч.

Технология выполнения

Таблица А.2

Содержание работ

Порядок выполнения

Приборы, инструменты, материалы

Нормы и наблюдаемые явления

1. Внешний осмотр, чистка ПЭВМ

1.1. Отключить устройство от сети и удалить пыль, грязь и влагу с поверхности ПЭВМ

Ветошь, кисть-флейц

Не должно быть механических повреждений

1 .2. Снять крышку системного блока и удалить пыль, грязь

Отвертка, ветошь, кисть-флейц

Не должно быть следов коррозии, грязи

1.3. Подтянуть винты на клеммах, где крепление ослабло

Отвертка

Не должно быть следов коррозии, грязи

2. Проверка работоспособности

2.1. Проверить наличие свободного места, при необходимости удалить отладочную и служебную информацию

 

Наличие на диске свободного места, достаточного для ведения журналов

2.2. Провести проверку диска с использованием программы Scandisk

 

Отсутствие ошибок (их исправление)

2.3. Проверить на наличие вирусов

 

Отсутствие вирусов или лечение компьютера

Б. Абонентский комплект АСЦН «Юпитер-АК»

Инструменты: кисть-флейц, отвертка.

Расходные материалы: ветошь, бензин Б-70.

Трудозатраты: базовый блок                                   - 1 чел.; 0,5 ч;

индивидуальный ответчик            - 1 чел.; 0,25 ч.

Технология выполнения

Таблица А.3

Содержание работ

Порядок выполнения

Приборы, инструменты, материалы

Нормы и наблюдаемые явления

1. Внешний осмотр, чистка устройства

1.1. Отключить устройство от сети и удалить пыль, грязь и влагу с поверхности базового блока и фильтра подключения

Ветошь, кисть-флейц

Не должно быть механических повреждений

1.2. Снять крышки с блоков и удалить с поверхности клемм пыль, грязь и следы коррозии

Отвертка, ветошь, кисть-флейц, бензин Б-70

Не должно быть следов коррозии, грязи

1.3. Проверить соответствие подключения внешних цепей и заземления к клеммам базового блока и фильтра подключения

Отвертка

Должно быть соответствие схеме внешних соединений

1.4. Подтянуть винты на клеммах, где крепление ослабло. Заменить провод, если нарушена его изоляция

Отвертка

 

2. Проверка работоспособности

Подключить базовый блок к сети. Контролировать включение индикатора питания

 

Проконтролировать напряжения в линии на разъеме ХТ1 платы блока питания, подтянуть контакты или восстановить оборванные провода. Заменить предохранитель FU1

РЕГЛАМЕНТ № 2 АСЦН «Юпитер»

Проверка работоспособности

А. Приемный комплект АСЦН «Юпитер-ПК»

Инструменты: кисть-флейц, отвертка.

Расходные материалы: ветошь, бензин Б-70.

Трудозатраты: КПЦО         - 1 чел.; 0,25 ч;

                            УТ               - 1 чел.; 0,3 ч;

                            УТ-Ц          - 1 чел.; 0,5 ч.

Технология выполнения

Таблица А.4

Содержание работ

Порядок выполнения

Приборы, инструменты, материалы

Нормы и наблюдаемые явления

1 . Внешний осмотр, чистка персонального компьютера

1.1. Отключить устройство от сети и удалить пыль, грязь и влагу с поверхности УТ (УТ-Ц), КПЦО и фильтра подключения

Ветошь, кисть-флейц

Не должно быть механических повреждений

1.2. Снять крышки с блоков и удалить пыль, грязь и следы коррозии с поверхности клемм

Отвертка, ветошь, кисть-флейц, бензин Б-70

Не должно быть следов коррозии, грязи

1.3. Проверить соответствие подключения внешних цепей и заземления к клеммам и разъемам УТ (УТ-Ц), КПЦО и фильтра подключения

Отвертка

Должно быть соответствие схеме внешних соединений

1.4. Подтянуть винты на клеммах, где крепление ослабло. Заменить провод, если нарушена его изоляция

Отвертка

 

2. Проверка работоспособности

2.1. Проверить отсутствие на индикаторе надписей НК, 10, 35 или НП при включении КПЦО или после нажатия кнопки Сброс

 

При появлении следующих надписей необходимо:

- НК - заменить ППЗУ DD11 (573 РФ2);

- 10 - заменить м/схему DD12 (537 РУ10);

- 35 - заменить процессор DD7 (1850 ВЕ35);

- НП - заменить м/схему DD13 (580 BB51)

2.2. Проверить отсутствие надписей НО, ОП или ЗП во время работы на индикаторе КПЦО

 

- НО - проверить кабель, соединяющий КПЦО с ПЭВМ;

- НП - перезагрузить ПЭВМ;

- ЗП - проверить работу последовательного порта ПЭВМ

2.3. Проверить свечение индикатора «Исправен» (для УТ)

 

Если индикатор не светится, заменить УТ

2.4. Включить УТ (УТ-Ц). Проверить отсутствие надписей НКС, Т10 или T35 на индикаторе

 

При появлении следующих надписей необходимо:

- НКС - заменить ППЗУ 573 РФ2 или 27 С64 для УТ-Ц;

- Т10 - заменить м/схему 537 РУ10;

- Т35 - заменить процессор 1850 ВЕ35

2.5. Проверить отсутствие надписи Неисправность УТ (генерация) на дисплее ПЭВМ

 

При появлении надписи необходимо:

- поочередно отключать УТ, находящиеся на данной линии, до момента восстановления исправных УТ;

- неисправный УТ заменить или попытаться его перезагрузить выключением (включением) питания

2.6. Проверить отсутствие надписи Сбой связи на дисплее ПЭВМ

 

При появлении надписи необходимо:

- заменить линию связи;

- если есть возможность, поставить на промежуточной АТС ретранслятор

2.7. Проверить отсутствие надписи Неисправность - не включается (выключается) ток шлейфа на дисплее ПЭВМ

 

Заменить неисправный УТ-Ц

Б. Абонентский комплект АСЦН «Юпитер-АК»

Прибор типа Ц4324.

Инструменты: кисть-флейц, отвертка.

Расходные материалы: ветошь, бензин Б-70.

Трудозатраты: базовый блок                                  - 1 чел.; 0,5 ч;

                            индивидуальный ответчик          - 1 чел.; 0,25 ч.

Технология выполнения

Таблица А.5

Содержание работ

Порядок выполнения

Приборы, инструменты, материалы

Нормы и наблюдаемые явления

1. Проверка работоспособности устройства

1.1. Разомкнуть перемычку J1 на плате блока управления. Контролировать включение светодиодов VD39 и VD40

Прибор типа Ц4324, кисть-флейц, отвертка

При отсутствии свечения светодиодов контролировать напряжение в линии на разъеме ХТ3 платы блока питания, исправность предохранителя FU2

1.2. Проконтролировать включение светодиода VD36 на плате блока управления базового блока при включении напряжения питания

 

При отсутствии свечения светодиода проверить линию связи, устранить обрыв, заменить линию связи или фильтр

1.3. Проконтролировать загорание зеленого светодиода VD3 на плате блока питания базового блока. Проверить работу абонентского комплекта при переходе на резервное питание

 

Проверить крепление и исправность контактов и проводов, соединяющих базовый блок и резервный источник питания (РИП), а также исправность РИП

1.4. Проконтролировать включение зеленого светодиода при подключении индивидуального ответчика (ИО) к базовому блоку

 

Проверить крепление и исправность контактов и проводов, соединяющих базовый блок и ИО; исправность ИО; убрать перемычку J5

1.5. Проконтролировать гашение желтых светодиодов при подключении ШС к ИО

 

Проверить крепление и исправность контактов и проводов, соединяющих ИО с оконечным резистором ШС. Измерить сопротивление ШС - должно быть приблизительно (3 ± 0,5) кОм.

ПРИЛОЖЕНИЕ Б.1

(лицевая сторона листа)

КОНТРОЛЬНЫЙ ЛИСТ

ПЦО _______________ района (города) за _________ г.           Пароль _______________

Дежурный ПЦО ____________________________________________________________

Дежурный пульта управления ________________________________________________.

Таблица Б.1.1

Учет охраны объектов

№ ключа

Время сдачи

Фамилия собственника

Время взятия

№ ДПУ

Время снятия

Фамилия собственника

№ ДПУ

1

2

3

4

5

6

7

8

 

 

 

 

 

 

 

 

 

 

 

 

 

 

 

 

 

 

 

 

 

 

 

 

 

 

 

 

 

 

 

 

 

 

 

 

 

 

 

 

 

 

 

 

 

 

 

 

 

 

 

 

 

 

 

 

 

 

 

 

 

 

 

 

Внимание! Таблицы, находящиеся на оборотной стороне Контрольного листа, помещены на страницах 124 - 125 Приложения Б.1.

Таблица Б.1.2

Тревоги, поступившие с объектов за смену

Пультовый номер

Время срабатывания

Передано

Время прибытия наряда на объект

Результаты осмотра. Признаки проникновения, состояние контрольных ламп

Причины срабатывания охранно-пожарной и тревожной сигнализации, принятые меры

Время перезакрытия

Фамилия собственника, проводившего перезакрытие

дежурному ПЦО

дежурному УВД, ОВД

время

кто принял

время

кто принял

1

2

3

4

5

6

7

8

9

10

11

 

 

 

 

 

 

 

 

 

 

 

 

 

 

 

 

 

 

 

 

 

 

Таблица Б.1.3

Перечень объектов, не взявшихся под охрану

Пультовый номер

Время не взятия

Передано дежурному ПЦО

Принятые меры

время

кто принял

1

2

3

4

5

 

 

 

 

 

 

 

 

 

 

Таблица Б.1.4

Проверка объектов электромонтерами после проведения регламентных работ и ремонта

Пульт №

Время

Фамилия электромонтера

Причина проверки, результат

1

2

3

4

 

 

 

 

 

 

 

 

Таблица Б.1.5

Отчет о работе пульта управления

Состояние на 23:00 ч

Количество

Объекты, подключенные на ПЦН

 

Из них:

 

- находятся на временном ремонте

 

- не сдавались под охрану

 

- не взялись под охрану

 

- сдано под охрану

 

Таблица Б.1.6

Отметка дежурных пульта управления при смене дежурства

Время

Количество объектов под охраной

Количество объектов, с которых поступили сигналы «Тревога»

Принял

Сдал

Ф.И.О.

роспись

Ф.И.О.

роспись

09:00

 

 

 

 

 

 

 

 

 

 

 

 

 

18:00

 

 

 

 

 

 

 

 

 

 

 

 

 

Замечания дежурного ПЦО и проверяющих лиц

 

 

 

Проверил ______________________

                                                                                                                                                  (начальник пульта, инженер)

ПРИЛОЖЕНИЕ Б.2

(лицевая сторона листа)

КОНТРОЛЬНЫЙ ЛИСТ

ПЦО _______________ района (города) за _________ г.           Пароль _______________

Дежурный ПЦО ____________________________________________________________

Дежурный пульта управления ________________________________________________.

Таблица Б.2.1

Учет охраны квартир

Пультовый №

Время сдачи под охрану

Фамилия собственника

Время взятия под охрану

Ориентир, время возвращения собственника

Подпись дежурного пульта

Время поступления сигнала «Тревога»

Время снятия с охраны

Фамилия собственника

Подпись дежурного пульта

1

2

3

4

5

6

7

8

9

10

 

 

 

 

 

 

 

 

 

 

 

 

 

 

 

 

 

 

 

 

 

 

 

 

 

 

 

 

 

 

 

 

 

 

 

 

 

 

 

 

 

 

 

 

 

 

 

 

 

 

 

 

 

 

 

 

 

 

 

 

 

 

 

 

 

 

 

 

 

 

 

 

 

 

 

 

 

 

 

 

Внимание! Таблицы, находящиеся на оборотной стороне Контрольного листа, помещены на страницах 127 - 128 Приложения Б.2.

Таблица Б.2.2

Тревоги, поступившие с квартир за смену

Пультовый номер

Время срабатывания

Передано

Время прибытия наряда на объект

Результаты осмотра. Признаки проникновения, состояние контрольных ламп

Причины срабатывания охранно-пожарной и тревожной сигнализации, принятые меры

Время перезакрытия

Фамилия собственника, проводившего перезакрытие

дежурному ПЦО

дежурному УВД, ОВД

время

кто принял

время

кто принял

1

2

3

4

5

6

7

8

9

10

11

 

 

 

 

 

 

 

 

 

 

 

 

 

 

 

 

 

 

 

 

 

 

Таблица Б.2.3

Перечень квартир, не взявшихся под охрану

Пультовый номер

Время не взятия

Передано дежурному ПЦО

Принятые меры

время

кто принял

1

2

3

4

5

 

 

 

 

 

 

 

 

 

 

Таблица Б.2.4

Проверка квартир электромонтерами после проведения регламентных работ и ремонта

Пульт №

Время

Фамилия электромонтера

Причина проверки, результат

1

2

3

4

 

 

 

 

 

 

 

 

Таблица Б.2.5

Отчет о работе пульта управления

Состояние на 23:00 ч

Количество

Квартиры, подключенные на ПЦН

 

Из них:

 

- находятся на временном ремонте

 

- не сдавались под охрану

 

- не взялись под охрану

 

- сдано под охрану

 

Таблица Б.2.6

Отметка дежурных пульта управления при смене дежурства

Время

Количество объектов под охраной

Количество квартир, с которых поступили сигналы «Тревога»

Принял

Сдал

Ф.И.О.

роспись

Ф.И.О.

роспись

09:00

 

 

 

 

 

 

 

 

 

 

 

 

 

18:00

 

 

 

 

 

 

Замечания дежурного ПЦО и проверяющих лиц

 

 

 

Проверил ______________________

                                                                                                                                                  (начальник пульта, инженер)

ПРИЛОЖЕНИЕ В

(лицевая сторона)

Бортовой журнал

«___» __________ 20 ______ г.          Время несения службы с ____ до ____

Показания спидометра:                      Автомобиль № ____________________________

- начало работы __________             Экипаж __________________________________

- окончание работы _______             Водитель _________________________________

Кто проводил инструктаж __________________________________________________

Таблица В.1

Выезды наряда милиции по сигналам «Тревога»

Время получения сигнала «Тревога»

Наименование объекта, адрес, пультовый номер

Время доклада

Результаты осмотра

Время доклада о результатах осмотра, кому доложено

Время убытия на маршрут

1

2

3

4

5

6

 

 

 

 

 

 

 

 

 

 

 

 

Таблица В.2

Выезды наряда милиции по указанию дежурного ПЦО, ОВД для пресечения преступлений, правонарушений, выполнения других задач

Время получения указания, кто передал

Адрес, краткое содержание поручения

Время прибытия на место

Результаты выезда

Время доклада о результатах, кому доложено

Время убытия на маршрут

1

2

3

4

5

6

 

 

 

 

 

 

 

 

 

 

 

 

ПРИЛОЖЕНИЕ В

(оборотная сторона)

Таблица В.3

Объекты, не взявшиеся под охрану

Наименование объекта (пультовый номер)

Адрес

Время передачи под охрану

Меры по охране объекта

1

2

3

4

 

 

 

 

Таблица В.4

Недостатки в технической укрепленности объектов

Наименование объекта

Адрес

Выявленные недостатки

Принятые меры

1

2

3

4

 

 

 

 

Таблица В.5

Контроль за несением службы

Время и место проверки

Замечания, информация

Должность, фамилия, роспись

1

2

3

 

 

 

Результаты работы за время дежурства

Выездов по сигналам «Тревога»

 

Предотвращено краж с охраняемых объектов

 

Произвольные срабатывания сигнализации

 

Задержано и доставлено правонарушителей

 

Предотвращено других преступлений

 

Пробег автомашины, км

 

Замечания по техническому состоянию автомашины и радиостанции

 

Старший наряда ________________               Дежурный ПЦО __________________

                                              (роспись)                                                                                   (роспись)

Проверил __________________________________________________________________

(должность, Ф.И.О., подпись)

СОДЕРЖАНИЕ

1. Общие положения. 1

2. Термины и определения. 3

3. Задачи пункта централизованной охраны.. 4

4. Должностные обязанности сотрудников пункта централизованной охраны.. 4

4.1. Начальник ПЦО.. 5

4.2. Дежурный ПЦО.. 6

4.3. Старший инспектор охраны - дежурный ПЦО.. 7

4.4. Помощник дежурного ПЦО.. 8

4.5. Старший инспектор-инженер ПЦО.. 8

4.6. Инженер ПЦО.. 9

4.7. Старший смены дежурных пульта управления. 9

4.8. Дежурный пульта управления. 10

4.9. Электромонтер ПЦО.. 11

4.10. Старший инженер-программист (старший инженер-электроник) 12

4.11. Оператор электронно-вычислительных машин. 13

4.12. Группа задержания ПЦО.. 13

5. Требования к пункту централизованной охраны.. 15

5.1. Санитарные нормы, охрана и техническая укрепленность помещений ПЦО.. 15

5.2. Помещения ПЦО и их характеристики. 16

5.3. Требования к организации режима труда и отдыха при работе с компьютерами. 18

6. Технические характеристики систем передачи извещений. 18

6.1. Система передачи извещений «Фобос». 18

6.2. Автоматизированная система передачи извещений «Ахтуба». 21

6.3. Автоматизированная система централизованного наблюдения «Юпитер». 22

6.4. Радиосистемы передачи извещений «Струна-3», «Струна-3М». 24

6.5. Радиосистема передачи извещений «Иртыш-3Р». 25

6.6. Прибор-сигнализатор «Атлас-6». 27

6.7. Устройство оконечное «Атлас-6/3». 28

6.8. Устройство оконечное абонентское «Атлас-3Т». 28

6.9. Аппаратура уплотнения СПИ «Фобос» «Атлас-Ф». 29

6.10. Система охранно-пожарной сигнализации «Атлас-2М1». 29

6.11. Комплекс средств автоматизации деятельности оперативного персонала ПЦО.. 30

7. Техническое обслуживание и ремонт систем передачи извещений. 31

7.1. Регламентные работы.. 31

7.2. Нормативы по технической эксплуатации ТСО и оргтехники, используемой в ПЦО.. 32

7.3. Нормы положенности обменных фондов и расходных материалов. 36

7.4. Списание аппаратуры ПЦО.. 36

8. Энергоснабжение пункта централизованной охраны.. 36

Заземление. 37

9. Радиосвязь пункта централизованной охраны.. 38

9.1. Организация радиосвязи. 38

9.2. Правила ведения радиообмена. 39

10. Документация пункта централизованной охраны.. 40

10.1. Документация ДПУ.. 41

10.2. Документация начальника или инженера ПЦО.. 42

10.3. Документация ДПЦО.. 44

10.4. Документация ГЗ ПЦО.. 44

11. Инструкции. 46

11.1. Инструкция ДПУ о порядке приема (сдачи) объектов под охрану. 46

11.2. Инструкции о действиях персонала ПЦО при получении сигнала «Тревога». 47

11.3. Инструкция ДПУ о порядке ведения контрольных листов и действий по тревожному сообщению.. 49

11.4. Инструкция ДПУ при работе со СПИ «Фобос» в ручном режиме. 52

11.5. Инструкция ДПУ при работе со СПИ «Фобос» в автоматическом режиме (АРМ «Фобос») 54

11.6. Инструкция ДПУ при работе на АРМ «Юпитер». 54

11.7. Инструкция ДПУ при работе с АСПИ «Комета-К». 55

11.8. Инструкция ДПУ при работе на АРМ «Адемко». 56

11.9. Инструкция ДПУ при работе с радиосистемами «Струна-3», «Струна-3М». 56

11.10. Инструкция ДПУ при работе с АСПИ «Ахтуба». 58

11.11. Инструкция ДПУ о действиях в экстремальных и чрезвычайных ситуациях. 59

12. Организация работы микро-ПЦО.. 60

12.1. Назначение и функции. 60

12.2. Организация каналов связи микро-ПЦО - ПЦО.. 60

13. Меры безопасности. 62

14. Организация проведения производственных инструктажей и служебных занятий по повышению квалификации сотрудников пцо. 62

Список литературы.. 64

Приложение А Примеры технологических карт проведения регламентных работ. 65

Приложение Б.1 Контрольный лист. 87

Приложение Б.2. 89

Приложение В Бортовой журнал. 90