Руководство распространяется на ремонт двухосных и четырехосных тележек грузовых вагонов
| Обозначение: | РД 32 ЦВ 052-2005 |
| Название рус.: | Ремонт тележек грузовых вагонов |
| Статус: | действует |
| Дата актуализации текста: | 05.05.2017 |
| Дата добавления в базу: | 01.09.2013 |
| Дата введения в действие: | 31.12.2005 |
| Утвержден: | 31.12.2005 ОАО РЖД |
| Ссылки для скачивания: |
ОТКРЫТОЕ АКЦИОНЕРНОЕ ОБЩЕСТВО
«РОССИЙСКИЕ ЖЕЛЕЗНЫЕ ДОРОГИ»
Департамент вагонного хозяйства ОАО «РЖД»
ПРОЕКТНО-КОНСТРУКТОРСКОЕ
БЮРО ВАГОННОГО ХОЗЯЙСТВА
Филиал ОАО «РЖД»
|
|
Утверждаю Вице-президент ОАО «РЖД» ___________ В.А. Гапанович «31» 12 2005 г. |
РУКОВОДЯЩИЙ ДОКУМЕНТ
РЕМОНТ ТЕЛЕЖЕК ГРУЗОВЫХ ВАГОНОВ
РД 32 ЦВ 052-2005
|
Начальник Департамента __________________ H.A. Бочкарев «29» 12 2005 г. |
Зам Директора ВНИИЖТ ____________ С.С. Барбарич «26» 12 2005 г. |
|
Зам. начальника Дирекции по _______________ О.И. Богинский «12» сентября 2005 г. |
Директор ПКБ ЦВ ОАО «РЖД» _____________ А.И. Голышев «10» сентября 2005 г. |
СОДЕРЖАНИЕ
1.1 Настоящий Руководящий документ «Ремонт тележек грузовых вагонов» РД 32 ЦВ 052-2005, далее Руководство, распространяется на ремонт двухосных и четырехосных тележек грузовых вагонов.
Руководство определяет порядок проведения плановых видов ремонта, а также устанавливает нормы и требования, которым должны удовлетворять тележки при выпуске из деповского и капитального ремонтов вагонов. Требования к тележкам при выпуске из текущего отцепочного ремонта грузовых вагонов содержатся в «Руководстве по текущему отцепочному ремонту» РД 32 ЦВ-056-97.
1.2 Техническое обслуживание и ремонт тележек должны производиться на предприятиях, имеющих соответствующее оборудование, квалифицированный персонал на выполнение этих работ.
1.3 Составные части и детали тележки должны иметь знаки и клейма, установленные соответствующими чертежами и стандартами, а также коды железнодорожных администраций государств СНГ, Латвии, Литвы и Эстонии согласно альбому «Знаки и надписи на вагонах грузового парка колеи 1520 мм» № 632 ПКБ ЦВ МПС России.
1.4 Размеры тележек, их составных частей и деталей должны соответствовать установленным настоящим Руководством нормам, а также чертежам завода-изготовителя.
1.5 Технологии обслуживания и ремонта тележек в вагонных депо и на вагоноремонтных заводах (вагоноремонтные предприятия) устанавливаются ОАО «РЖД» или его подразделениями. Изготовление и сборка тележки и ее узлов регламентируется технологическими процессами этих предприятий, техническими требованиями, предъявляемыми к тележкам при изготовлении и другой действующей нормативной документацией.
1.6 Перечень средств измерений, применяемых при контроле технического состояния узлов и деталей тележек, правила пользования ими определяется Руководящим документом «Методика выполнения измерений надрессорной балки, боковых рам, пружин и рессорного комплекта при проведении плановых видов ремонта тележек 18-100» РД 32 ЦВ 050-2005. Порядок ведения учетных и отчетных форм по тележкам устанавливает ЦВ ОАО «РЖД».
1.7 Тележки модели 18-100, оборудованные элементами по проекту М1698 ПКБ ЦВ ОАО «РЖД» должны ремонтироваться по утвержденной нормативной документации.
1.8 При техническом обслуживании и плановых видах ремонта тележек грузовых вагонов должны соблюдаться «Правила по охране труда при техническом обслуживании и ремонте грузовых вагонов в вагонном хозяйстве железных дорог» № 1063р от 26.05.2006 г.
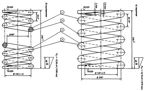
2.1 Основные технические характеристики тележки модели 18-100 приведены в таблице 2.1 и на рисунке 2.1.
2.2 Составными частями тележки 18-100 являются:
- рама тележки, состоящая из двух боковых рам и надрессорной балки со скользунами;
- колесные пары с буксами;
- рессорное подвешивание состоящее из наружных и внутренних пружин, фрикционных клиньев и фрикционных планок;
- тормозная рычажная передача, состоящая из рычагов, триангелей с тормозными башмаками и их подвесками;
- валики, шайбы, шплинты, соединяющие детали тормозной рычажной передачи тележки с боковыми рамами и надрессорной балкой;
- шкворень;
- съемные износостойкие элементы по проекту М 1698 ПКБ ЦВ.
2.3 Тележка четырёхосная модели 18-101, приведенная на рисунке 2.2, состоит из двух двухосных тележек модели 18-100 и соединительной балки.
2.4 Тележка модели 18-578 состоит из деталей тележки модели 18-100, кроме надрессорной балки и изготовленных из высокопрочного чугуна фрикционных клиньев с износостойкими полиуретановыми накладками. На надрессорной балке тележки модели 18-578 установлены скользуны упруго-каткового типа.
2.5 Детали тележки изготовлены из следующих материалов:
- боковые рамы - сталь 20ГЛ, 20ГФЛ, 20ГТЛ ОСТ 32.183-2001;
- надрессорная балка - сталь 20ГЛ, 20ГФЛ, 20ГТЛ ОСТ 32.183-2001;
- фрикционный клин - чугун СЧ-25 ГОСТ 1412;
- пружина рессорного комплекта - сталь 55С2, 60С2 ГОСТ 14959;
- детали тормозной рычажной передачи - Ст 3 ГОСТ 380;
- композиционные колодки ТИИР-300, ТИИР-303;
- фрикционная планка сталь 45 ГОСТ 1050;
- составные фрикционные планки - сталь 30ХГСА ГОСТ 11269;
- шкворень - сталь 3 сп. ГОСТ 380.
- материал износостойких элементов, установленных в узлах трения указан в проекте М 1698 ПКБ ЦВ;
- материал деталей скользунов упруго-каткового типа указан в чертежах тележки модели 18-578.
Новые детали, поступающие на предприятие для ремонта тележек и замены отбракованных, должны иметь сертификат завода-изготовителя.
Таблица 2.1
|
Размеры |
||
|
Модель 18-100 |
Модель 18-101 |
|
|
База тележки, мм |
1850 |
3200 |
|
Статический прогиб под весом брутто, мм |
46 - 50 |
46 - 50 |
|
Статический прогиб под тарой, мм |
9,0 |
9,0 |
|
Конструкционная скорость движения, км/ч |
120 |
120 |
|
Год выпуска в серию |
1957 (1974) |
1964 (1974) |
|
Рессорный комплект |
фрикционно-пружинный |
|
|
Высота пружин рессорного комплекта в свободном состоянии, мм |
249+7-2 |
249+7-2 |
|
Средний диаметр наружной пружины, мм |
170 ± 2,5 |
170 ± 2,5 |
|
Средний диаметр внутренней пружины, мм |
111 ± 1,5 |
111 ± 1,5 |
|
Диаметр прутка: наружный, мм |
30 |
30 |
|
внутренний, мм |
19/21* |
19/21* |
|
Число витков пружин: наружной/внутренней полное |
|
|
|
рабочее |
|
|
|
Рабочая нагрузка, кгс, наружная/внутренняя |
1900/800 |
1900/800 |
|
Нагрузка при полном сжатии, кг, не более: наружная/внутренняя |
3749/1460/1938** |
3749/1460 |
|
Вес пружины, кг, не менее: |
|
|
|
наружной |
14,8 |
14,8 |
|
внутренней |
5,8/7,05* |
5,8/7,05* |
|
Рама тележки |
без связевая |
связевая |
|
Расстояние от головки рельса до опорной поверхности подпятника в свободном состоянии, мм |
806+12-21 |
858+12-10 |
|
Габаритные размеры тележек, мм: |
|
|
|
длина |
2863 |
6056 |
|
ширина |
2590 |
2590 |
|
Тип оси |
РУ 1, РУ 1Ш |
РУ 1, РУ 1Ш |
|
Масса тележки, т |
4,8/4,7* |
12,0 |
Примечание: цифры в скобках - год выпуска моделей
* - выпуск после 1989 года
** - для внутренних пружин диаметром 21 мм.
Рисунок 2.1 Тележка двухосная модель 18-100
Рисунок 2.2 Тележка четырехосная модель 18-101
3.1 Техническое обслуживание и ремонт тележек вагонов предусматривает.
- осмотр тележек под вагонами согласно «Инструкции осмотрщику вагонов» ЦВ - ЦЛ/408;
- текущий отцепочный ремонт тележек согласно «Руководства по текущему отцепочному ремонту» РД 32 ЦВ-056-97;
- деповской, капитальный ремонты тележек согласно настоящего Руководства.
3.2 Капитальный, деповской и текущий отцепочный ремонты тележек грузовых вагонов разрешается производить лицам, сдавшим экзамен в знании настоящего Руководства, местного технологического процесса, организации ремонта тележек и получившим право на выполнение этих работ. Проверочные экзамены проводятся ежегодно.
3.3 Право контроля за качеством технического обслуживания, деповского и капитального ремонтов тележек должны иметь:
- в Службе вагонного хозяйства, в Дирекции по ремонту грузовых вагонов - начальник Службы, начальник Дирекции; главный инженер Службы и главный инженер Дирекции; заместитель начальника Службы и заместитель начальника Дирекции; дорожный ревизор, начальники отделов Службы и Дирекции;
- в отделениях железных дорог начальники вагонных отделов и их заместители;
- в вагонных депо, пунктах технического обслуживания, пунктах подготовки вагонов к перевозкам - начальники вагонных депо, их заместители, главные инженеры, технологи, приемщики вагонов, старшие мастера, мастера, бригадиры, начальники пунктов технического обслуживания и подготовки вагонов к перевозкам, мастера и бригадиры участков ремонта тележек;
- на ремонтных заводах - директора заводов, главные инженеры, их заместители, начальники отделов технического контроля (ОТК) и их заместители, главные технологи, технологи, мастера, бригадиры, инспектора и контролеры вагоносборочных цехов и участков ремонта тележек, инспектора - приемщики вагонов;
- на вагоностроительных заводах - заводские инспектора - приемщики ОАО «РЖД» России.
3.4 При деповском или капитальном ремонте тележки из-под вагона поступают на участок их ремонта, где они должны очищаться и обмываться в моечной машине без колесных пар, которые передаются на колесно-роликовый участок.
Боковые рамы, надрессорная балка тележки, пружинно-фрикционный рессорный комплект, рычажная передача тележки ремонтируются в соответствующих отделениях и участках.
3.5 Колесные пары ремонтируют согласно требованиям «Инструкции по осмотру, освидетельствованию, ремонту и формированию вагонных колесных пар» ЦВ/3429 и «Инструктивных указаний по эксплуатации и ремонту вагонных букс с роликовыми подшипниками» 3-ЦВРК.
3.6 Тормозная рычажная передача ремонтируется в соответствии с требованиями «Инструкции по ремонту тормозного оборудования вагонов» ЦВ-ЦЛ-945.
3.7 Детали и узлы тележки подвергаются дефектоскопированию согласно действующей нормативной документации, утвержденной МПС или ОАО «РЖД» России.
4.1 Контроль технического состояния узлов тележек производится после постановки вагонов на ремонтные позиции, при этом проверяется:
- наличие дефектов и износов колесных пар;
- положение деталей пружинно-фрикционного рессорного комплекта, завышение опорной поверхности фрикционного клина относительно нижней опорной поверхности надрессорной балки, наличие свободного перемещения фрикционного клина и пружин рессорного комплекта до подъёмки вагона;
- состояние деталей тормозной рычажной передачи;
- зазоры между скользунами тележки и рамы вагона.
4.2 После выкатки тележки проверяют состояние узла пятник-подпятник.
4.3 Результаты обследования тележек заносятся в дефектную ведомость формы ВУ-22 и используются при ремонте деталей и узлов, сборке и подкатке отремонтированной тележки под вагон.
4.4 Проверяют срок службы литых деталей тележки.
4.5 Входной контроль деталей тележек может осуществляться на автоматизированных измерительных комплексах типа «СПРУТ».
После очистки раму тележки перемещают на позицию поточной линии или устанавливают на специализированную ремонтную позицию.
5.2 Разборка рамы двухосной тележки производится в следующей последовательности в соответствие с рисунками 5.1, 5.2, 5.3:
- выбить чеки и снять тормозные колодки 17, предохранительные скобы 4;
- снять шплинты 7, 10;
- снять шайбы 9, выбить валики 8, снять вертикальные рычаги 5 и распорную тягу 2;
- выбить шплинты 15, снять шайбу и валики 14, снять серьгу мертвой точки 6, после удаления шплинта 11, шайбы 12 и валика 13:
- вынуть проволоку-фиксатор предохранительной скобы валика подвески башмака, снять шайбы;
- выбить шплинты 13 валиков 16 и валики 16, опустить триангель 1 на предохранительные полочки боковин рамы;
- снять подвески 3 тормозного башмака, снять триангель 1 (одновременно снимают и второй триангель и передают на позицию их ремонта);
- вынуть шкворень 18, приподняв краном или пневматическим подъемником с кантователем надрессорную балку 19, снять клинья фрикционные 20, снять пружинные комплекты 21;
- удалить шплинт 23, свинтить гайку 24 с болта 25 и вынуть его, снять резинометаллический комплект 26, балку опорную 34;
- снять контактную планку 27, регулировочную планку 28;
- удалить шплинт, свинтить гайку 29, снять шайбу 31, болт 32, снять колпаки 33;
- боковины рамы тележки при помощи подъемников с кантователями снимаются с надрессорной балки;
- надрессорная балка остается на подъемнике кантователе.
5.3 Разборка четырехосной тележки производится в следующей последовательности:
- снимается шкворень;
- расшплинтовываются валики, снимают шайбы и валики верхнего горизонтального рычага тормозной передачи;
- при помощи крана снимается соединительная балка;
- снимается «нижний» горизонтальный рычаг тормозной передачи;
- освободившиеся двухосные тележки передаются на участок ремонта и разбираются в порядке, указанном в п.п. 5.1, 5.2.
Рисунок 5.1
Рисунок 5.2
Рисунок 5.3
- РД 32.149-2000 «Феррозондовый метод неразрушающего контроля деталей вагонов» с Изменением № 1;
- РД 32.150-2000 «Вихревой метод неразрушающего контроля деталей вагонов» с Изменением № 1;
- РД 32.159-2000 «Магнитопорошковый метод неразрушающего контроля деталей вагонов» с Изменением № 1.
Перечень деталей тележек, подвергаемых неразрушающему контролю, с указанием зон и методов контроля, а также видов работ, при которых проводят контроль, приведён в РД 32.174-2001 «Неразрушающий контроль деталей вагонов. Общие положения» с Изменением № 1.
6.2 На вагонно-ремонтных предприятиях при продлении срока службы литых деталей тележек грузовых вагонов неразрушающий контроль боковых рам и надрессорных балок проводят двумя методами неразрушающего контроля: первый метод - или феррозондовый, или вихретоковый, или магнитопорошковый; второй метод - акустико-эмиссионный.
Акустико-эмиссионный контроль выполняют на автоматизированных установках, изготовленных ПКБ ЦВ (г. Москва) и Сибирским университетом путей сообщения СГУПС (г. Новосибирск), по методикам:
- № 682-2005 ПКБ ЦВ «Акустико-эмиссионный контроль (диагностирование) боковых рам и надрессорных балок тележек модели 18-100» - для установок ПКБ ЦВ;
- «Технологическая инструкция по проведению акустико-эмиссионного контроля литых деталей тележек грузовых вагонов» - для установок СГУПС.
7.1 Дефектация узлов и деталей тележек грузовых вагонов должна производиться после проведения неразрушающего контроля.
7.2 Дефектацию проводить визуальным и инструментальным способами.
7.3 Наличие трещин во всех деталях тележек не допускается, кроме трещин, которые устраняются при плановых видах ремонтов в соответствии с действующей ремонтной документацией.
7.4 Размеры узлов и деталей тележек, которым они должны соответствовать, при плановых видах ремонта приведены в таблице 7.1.
Таблица 7.1
|
При деповском ремонте с установкой износостойких элементов |
При капитальном ремонте с установкой износостойких элементов |
|
|
Глубина подпятника для балок, изготовленных до 1986 г. (25+1-2), мм, не более |
25+1-2 |
25+1-2 |
|
Глубина подпятника для балок, изготовленных после 1986 г. (30+1-2), мм, не более |
30+1-2 |
30+1-2 |
|
Размер наклонных поверхностей надрессорной балки, более |
175+4-1 |
175+4-1 |
|
Размер упорных поверхностей (челюстей) боковой рамы, мм, не более |
342 |
335+3-1 |
|
Износ колпака скользуна, мм, не более |
2 |
не допускается |
|
Износ скользунов соединительной балки: |
|
|
|
центральных, не более |
2 |
не допускается |
|
концевых, не более |
2 |
|
|
Остаточная высота прилива опорной поверхности буксового проема боковой рамы, мм |
не более 3 |
не более 3 |
|
Клин фрикционный из чугуна. Суммарный износ рабочих поверхностей, мм |
не более 3 или 2 на сторону |
новый |
|
Глубина подпятника соединительной балки, мм, не более |
47,5 |
47,5 |
|
Диаметр подпятника, надрессорной балки на глубине 10 мм, мм, не более |
302,5+1,5 при конусности 1:12,5 |
302,5+1,5 при конусности 1:12,5 |
|
Диаметр подпятника соединительной балки, мм, не более |
457,0 |
457.0 |
|
Износ крайних пятников соединительной балки, мм |
не допускается |
не допускается |
7.5 Литые детали тележек, имеющие износы, превышающие допустимые, подлежат ремонту сваркой и наплавкой в соответствии с инструкциями разработанными ВНИИЖТ утвержденными МПС России или ОАО «РЖД» с последующей механической обработкой до чертежных размеров.
7.6 Триангели рычажной передачи тележек испытывают на растяжение при их изготовлении вновь, периодических видах ремонта вагонов и ремонте сваркой, согласно Руководства по ремонту триангелей Р 001 ПКБ ЦВ-97 РК и Методике испытаний на растяжение 656-2000 ПБ ЦБ.
7.7 Нетиповые чеки крепления тормозных колодок, шайбы крепления рычажной передачи тележек заменяют типовыми, а шплинты - новыми.
7.8 Шарнирные соединения рычажной передачи должны соответствовать требованиям «Инструкции по ремонту тормозного оборудования вагонов», ЦВ-ЦЛ-945.
7.9 Шкворень, имеющий трещины или изгиб более 5 мм, подлежит замене. Износ шкворня по диаметру при деповском ремонте допускается не более 3 мм, при капитальном ремонте износ шкворня не допускается.
7.10 Разница баз боковых рам допускается не более 2 мм.
7.11 Осмотр, освидетельствование и ремонт колесных пар производить в полном соответствии с требованиями «Инструкции по осмотру, освидетельствованию, ремонту и формированию вагонных колесных пар» ЦВ/3429.
7.12 Осмотр и ревизию буксовых узлов колесных пар производить в соответствии с требованиями «Инструктивных указаний по эксплуатации и ремонту вагонных букс с роликовыми подшипниками» 3-ЦВРК.
7.13 Размеры, которым должна соответствовать соединительная балка четырехосной тележки, приведены в «Типовом технологическом процессе на ремонт соединительной балки четырехосной тележки» ТК-232 ПКБ ЦВ.
7.14 Балка опорная для авторежима должна быть установлена на специальные полки боковых рам тележки согласно требованиям «Инструкции по ремонту тормозного оборудования вагонов» ЦВ-ЦЛ-945.
8.1 Боковые рамы перед ремонтом и дефектацией очищают от грязи, отслоившейся ржавчины и разрушившегося лакокрасочного покрытия, обмывают в моечной машине, осматривают на возможность обнаружения трещин, отколов и взносов. Особо тщательное внимание уделяют зонам А и Б, указанным на рисунке 8.1.
8.2 При капитальном или деповском ремонтах под вагон ОАО «РЖД» подкатывают тележки с боковыми рамами, с установленными износостойкими элементами по проекту М 1698 ПКБ ЦБ, пробег устанавливает ОАО «РЖД». Оставшийся срок службы боковых рам должен быть не менее, чем до следующего капитального или деповского ремонта вагона соответственно или до окончания оставшегося срока службы вагона.
8.3 Не допускается ремонт боковой рамы, у которой в буксовом проеме опорная поверхность имеет местный, канавкообразный взнос более 2 мм в тело рамы (максимальная ширина канавки 20 мм, максимальная длина канавки равна ширине опорной поверхности).
8.4 Трещины на боковых рамах тележки, кроме указанных на рисунке 8.2, не допускаются.
Указанные на рисунке 8.2 дефекты в боковой раме разрешается устранять сваркой и наплавкой при плановых видах ремонта согласно разработанной ВНИИЖТ «Инструкции по сварке и наплавке при ремонте грузовых вагонов» ЦВ 201-98.
8.4.1 Трещину направляющего буртика для фрикционного клина дефект 1 разрешается заваривать в соответствии с Инструкцией ЦВ 201-98.
8.4.2 Трещину в кронштейне подвески триангеля длиной не более 32 мм дефект 2 разрешается заварить соответствии с Инструкцией ЦВ 201-98.
8.4.3 Продольную трещину в стенке прилива для валика подвески триангеля дефект 4 разрешается заварить соответствии с Инструкцией ЦВ 201-98.
8.4.4 Откол направляющего буртика для перемещения фрикционного клина и фрикционных планок дефект 3 ремонтируется приваркой нового в соответствии с Инструкцией ЦВ 201-98.
8.4.5 Откол «ушек» в местах крепления фрикционных планок дефект 5 разрешается ремонтировать приваркой нового «ушка». Разрешается приваривать не более двух «ушек», расположенных по диагонали в соответствии с Инструкцией ЦВ 201-98.
8.5 До постановки фрикционных планок измеряют расстояние между стенками рессорного проема боковой рамы и наружными челюстями буксовых проемов. Разница между ними для одной боковой рамы не должна превышать 3 мм. При большей разнице соответствующие буксовые челюсти наплавить с последующей механической обработкой до чертежных размеров, при условии, что ширина буксового проема не более 342 мм при деповском, а при капитальном ремонте 335+3-1 мм.
Рисунок 8.1 Схема осмотра боковой рамы
* Размеры при постановке металлической втулке
(1) - трещины направляющего буртика
(2) - трещины в кронштейне подвески триангеля
(3) - откол направляющего буртика
(4) - трещины продольные в стенках прилива для валика подвески башмака
(5) - откол ушков в местах крепления фрикционных планок
(6) - износ поверхностей направляющих для букс
Рисунок 8.2 Дефекты в боковой раме, разрешенные ремонтировать при плановых видах ремонта
8.6 При плановых видах ремонта в узел подвески тормозного башмака установить новые волокнитовые втулки диаметром (45, 46 и 47 мм) в зависимости от внутреннего диаметра кронштейна на боковой раме.
8.7 Износ направляющих плоскостей для букс допускается по ширине буксового проема не более 4 мм при деповском ремонте, а при капитальном не допускается. Размеры боковых рам грузовых тележек, которым они соответствуют при изготовлении, и с которыми при плановых видах ремонта допускается выпускать их без ремонта, приведены на рисунках 8.3, 8.4.
Ремонт корпусов букс должен проводиться согласно инструкциям, разработанным ВНИИЖТ: ЦВ 201-98 «Инструкция по сварке и наплавке при ремонте грузовых вагонов» и ТИ-05-02/01Б «Технологическая инструкция по восстановлению наплавкой изношенных поверхностей корпусов букс грузовых вагонов». Наружные изношенные поверхности корпуса буксы (опорная и боковые) восстанавливаются до чертежных размеров.
(Измененная редакция, Изм. № 6).
8.8 Изношенные вертикальные направляющие плоскости в буксовом проеме (упорные поверхности) восстанавливаются износостойкой наплавкой с обеспечением твердости 240 ... 300 НВ с последующей станочной обработкой до чертежных размеров (335+3-1 мм).
8.9 При поступлении в ремонт боковых рам, изготовленных по чертежам УВЗ 100.00.002-3 и 100.00.002-4 с приваренными планками на опорных поверхностях, планки удаляют на станке и после дефектоскопирования боковых рам на их опорные поверхности устанавливают сменные прокладки в соответствии с конструкцией боковой рамы.
8.10 При комплектации тележек новыми боковыми рамами приливы на опорных плоскостях в буксовых проемах обработать на станке до остаточной высоты не более 3 мм. У ремонтируемых боковых рам приливы в буксовых проемах обработать на станке на максимальную величину взноса. При этом остаточная высота приливов должна быть не более 3 мм.
Проникновение инструмента в тело боковой рамы не допускается. Прокладки сменные установить в обоих буксовых проемах. На опорные поверхности с высотой приливов не более 3 мм в буксовые проемы боковой рамы черт. 100.00.002-1 или 100.00.002-2 установить прокладки сменные черт. М 1698.02.100 СБ, а на боковую раму черт. 100.00.002-3 или 100.00.002-4 установить прокладки сменные черт. М 1698.03.100 СБ.
Пробег устанавливается в зависимости от типа вагона.
Рисунок 8.3 Размеры боковых рам грузовых тележек мод. 18-100 при их изготовлении и капитальном ремонте
1 - по черт. 1000.00.002-2, 100.00.002-3, 100.00.020-2, 100.00.020-3
2 - по черт. 100.00.002-4
*Разность размеров Н1 и Н2 не более 3 мм.
хх Контроль базового размера производить в точках Б на расстоянии 60 мм.
Ххх Базовый размер, от которого измеряют износ каждой фрикционной планки.
Рисунок 8.4 Размеры боковых рам грузовых тележек мод. 18-100 при выпуске из деповского ремонта
При комплектовании тележек новыми или отремонтированными боковыми рамами с обработанными приливами на величину максимального износа, при остаточной высоте прилива более 3 мм, прокладки сменные не устанавливаются. Для вагона, у которого одна и более боковых рам не имеют прокладок, устанавливается пробег 100 - 120 тысяч километров.
8.11 При поступлении в ремонт боковых рам, на опорных поверхностях которых в буксовых проёмах были установлены прокладки сменные по черт. М 1698.02.100 СБ или М 1698.03.100 СБ, прокладки снимают, боковые рамы дефектоскопируют.
При капитальном ремонте на опорные поверхности устанавливают новые прокладки сменные чертеж М 1698.02.100 СБ или М 1698.03.100 СБ.
При деповском ремонте допускается повторная установка прокладок сменных не имеющих:
- трещин на корпусе прокладки или на износостойкой пластине;
- отколов на износостойкой пластине;
- трещин сварного шва между износостойкой пластиной и корпусом прокладки;
- неравномерного износа опорной поверхности износостойкой пластины относительно неизношенной ее части поверхности более 2 мм.
8.12 Неровности в переходе от обработанной поверхности к необработанной по радиусу 55 мм зачистить.
8.13 Для установки на боковую раму износостойкую прокладку плотно прижимают к опорной поверхности с помощью струбцины или специального приспособления. Более длинные лапки корпуса прокладки располагают против технологических отверстий на стенках боковой рамы. Указанные «лапки» сгибают на цилиндрической оправке (монтировке) и затем заправляют в технологические отверстия ударами молотка. Короткие «лапки» корпуса загибают по полке боковой рамы ударами молотка через оправку.
После загиба «лапок» перемещения прокладки вдоль боковой рамы должны быть не более ±10 мм, а поперек боковой рамы не более ±5 мм.
8.14 Тележки, оборудованные износостойкими прокладками, должны взаимодействовать с корпусами букс, восстановленными до чертежных размеров.
8.15 Комплектацию тележек одного вагона производить боковыми рамами со сменными прокладками во всех буксовых проемах при обработанной высоте прилива не более 3 мм.
8.16 Фрикционные планки боковой рамы тележки толщиной 16 мм независимо от их технического состояния, заменяют на составные по проекту М 1698 ПКБ ЦВ, состоящие из планки неподвижной толщиной 10 мм М 1698.02.001 и планки подвижной толщиной 6 мм М 1698.02.004 или М 1698.02.003.
8.17 База боковой рамы тележки рисунок 8.4 измеряется штангеном базового размера Т.914.01.000 ТУ 32 ЦВ 2018-95.
Разница в размерах боковых рам одной тележки допускается не более 2 мм.
Фактически измеренные величины баз по каждой боковой раме записываются в журнал тележечного отделения.
8.18 После ремонта проверяют размеры боковых рам тележки показанные на рисунках 8.3, 8.4.
8.19 Продление срока службы литых деталей тележек производится по требованиям телеграфного указания МПС № 1255 от 12.08.02 г.
8.20 В соответствии с распоряжением ОАО «РЖД» от 7 сентября 2004 г. № 3255р «Об организации ремонта боковых рам тележек грузовых вагонов» разрешается в специально установленных пунктах производить ремонт опорных поверхностей в буксовых проемах боковых рам со сверхнормативным износом более 2 мм в тело рамы. Пункты ремонта устанавливает ОАО «РЖД». Ремонт боковых рам со сверхнормативным износом в буксовых проемах производить по утверждённой вице-президентом В.А. Гапановичем в 2004 г. «Технологической инструкции по восстановлению боковых рам со сверхнормативным износом опорной поверхности буксового проема» ТИ 11.01.01-25/176 ВНИИЖТ, согласованной Инженерным центром «Сплав» (ИЦ «Сплав») г. Ростов-на-Дону с использованием композиционного материала (КМВН) разработанного ИЦ «Сплав». Постоянный контроль за производством ремонта осуществляют представители ИЦ «Сплав».
9.1 Надрессорные балки перед ремонтом и дефектацией очищают от грязи, отслоившейся ржавчины и разрушившегося лакокрасочного покрытия, обмывают в моечной машине, осматривают на возможность обнаружения трещин, отколов и износов. Опорную поверхность подпятника балки очищают до металлического блеска.
9.2 При осмотре и дефектации надрессорной балки определяют целостность верхних, нижних поясов, вертикальных стенок и колонки при её наличии, опорной части подпятника, исправность приливов для колпаков скользунов и износы трущихся поверхностей.
Поперечные трещины во внутренней колонке, расположенные не ниже 250 мм от зоны внутренней поверхности нижнего пояса надрессорной балки, независимо от их длины ремонту не подлежат. Внутреннюю поверхность балки осматривают с подсветкой через технологические окна верхнего и нижнего поясов.
9.3 При капитальном или деповском ремонтах под вагон подкатывают тележки с надрессорными балками, с установленными износостойкими элементами по проекту М 1698 ПКБ ЦВ. Оставшийся срок службы надрессорных балок должен быть не менее, чем до следующего капитального или деповского ремонта вагона соответственно или до окончания оставшегося срока службы вагона.
9.4 Ремонт подпятника надрессорной балки.
9.4.1 После определения объема ремонта все дефекты подпятника надрессорной балки должны быть отремонтированы.
При плановых видах ремонта разрешается заваривать трещины в подпятнике надрессорной балки. Суммарная длина трещин в подпятнике допускается не более 250 мм, если трещины кольцевые прерывистые, расположенные в разных секторах, на расстоянии от центра не ближе 80 мм.
Ранее установленные в подпятник износостойкие кольца (полукольца) удалить станочной обработкой.
Диаметр подпятника определять от верхней горизонтальной поверхности наружного бурта на глубине 10 мм с учетом конусности 1:12,5 (4 градуса 36 минут).
У надрессорной балки выпуска до 1986 года и с 1986 года диаметр подпятника - 302,5+1,5 мм.
Контроль диаметра подпятника надрессорной балки производить штангенциркулем ШЦ-III-400-0,1 ГОСТ 166-89.
Контроль глубины подпятника надрессорной балки производить штангеном подпятника проект Т 914.06 ПКБ ЦВ или штангенциркулем ШЦ-I-125-0.1 ГОСТ 166-89.
9.4.2 У надрессорной балки, изготовленной до 1986 г. с глубиной подпятника 25+1-2 мм («М» рисунок 9.5) изношенные опорная поверхность, наружный и внутренний бурты подпятника восстанавливают согласно Инструкциям ЦВ 201-98 и ТИ-05-01-06/НБ износостойкой наплавкой с обеспечением твердости 240 ... 300 НВ, с последующей станочной обработкой подпятника до чертежных размеров с обеспечением конусности внутренней поверхности наружного бурта 1:12,5 и диаметром 302,5+1,5 мм на глубине 10 мм («И» рисунок 9.5).
9.4.3 У надрессорной балки, изготовленной с 1986 г., с глубиной подпятника 30+1-2 мм («М» рисунок 9.5) с изношенными опорной поверхностью, наружным и внутренним буртами подпятника, наружный и внутренний бурты наплавляют износостойкой наплавкой согласно Инструкциям ЦВ 201-98 и ТИ-05-01-06/НБ с обеспечением твердости 240... 300 НВ.
Подпятник растачивается на глубину 36 ± 1 мм с обеспечением конусности внутренней поверхности наружного бурта 1:12,5 и диаметром 302,5+1,5 мм на глубине 10 мм («И» рисунок 9.5).
На станочно обработанную плоскую опорную поверхность подпятника устанавливается прокладка по чертежу М 1698.01.005 диаметром 298-1,3 мм фаской вниз.
9.4.4 При поступлении надрессорной балки с установленной ранее прокладкой, подпятник с глубиной 36 ± 1 мм, имеющий износы на наружном и внутреннем буртах, выработки наружного бурта от прокладки, наплавляются согласно Инструкциям ЦВ 201-98 и ТИ-05-01-06/НБ износостойкой наплавкой с обеспечением твердости 240 ... 300 НВ с последующей станочной обработкой согласно чертежа М 1698.01.000 СБ и обеспечением конусности внутренней поверхности наружного бурта 1:12,5 с последующей постановкой прокладки по чертежу М 1698.01.005.
9.4.2 - 9.4.4. (Измененная редакция, Изм. № 6).
9.4.5 Оставшаяся толщина опорной поверхности подпятника не менее 18 мм определяется ультразвуковыми толщиномерами типа УТ-93П, А 1207, А 1208, ТУЗ-1, ТУЗ-2.
9.4.6 При станочной обработке подпятника в месте сопряжения наружного бурта с плоской опорной поверхностью подпятника должна быть обеспечена галтель радиусом 3 ... 4 мм. Отсутствие галтели не допускается.
9.4.7 Прокладка (диск) по чертежу М 1698.01.005 диаметром 298-1,3 мм свободно устанавливается фаской вниз на опорную поверхность подпятника надрессорной балки, изготовленной после 1986 года и расточенной на глубину 36 ± 1 мм. При деповском ремонте допускается постановка прокладки с суммарным износом по толщине до 2 мм, но не более 1,5 мм на сторону.
9.4.8 Разрешается производить ремонт отверстия подпятника под шкворень («Л» рисунок 9.5 и таблица 9.9) с восстановлением внутреннего бурта («К» рисунок 9.5 и таблица 9.9) и постановкой втулки, изготовленной из стали типа Ст3, с приваркой ее по наружному периметру сплошным швом в соответствии с требованиями ТК-231. Внутренний бурт подпятника восстанавливается наплавкой до чертежных размеров.
Верхняя кромка внутреннего бурта или втулки должна располагаться от плоской опорной поверхности на высоте:
- 5+1 мм у подпятника глубиной 25+1-2 или 30+1-2 мм;
- 11+1 мм у подпятника расточенного на глубину 36 ± 1 мм.
9.4.9 За базовую поверхность надрессорной балки при установке на станок принимать опорные поверхности, которыми надрессорная балка опирается на пружины рессорных комплектов.
9.4.10 При подкатке тележки под вагон в подпятник закладывается смазка весом до 100 г типа КТСМ для опор скольжения железнодорожного подвижного состава ТУ 0254-110-01124328-2000 в соответствии с требованиями ВНИИЖТ или смазка графитовая ГОСТ 3333-80, или солидол ГОСТ 1033-79 с добавкой графита смазочного ГОСТ 1033-79.
9.5 Ремонт наклонных плоскостей надрессорной балки.
9.5.1 При плановых видах ремонта плавки, ранее приваренных на наклонных плоскостях, удалить. Наклонные плоскости, с удаленными планками, или изношенные восстановить износостойкой наплавкой с обеспечением твердости 240 ... 300 НВ, согласно разработанным ВНИИЖТ Инструкциям ЦВ 201-98 и ТИ-05-01-06/НБ с последующей станочной обработкой до чертежных размеров.
(Новая редакция, Изм. № 6).
9.5.2 Оставшаяся толщина изношенных наклонных поверхностей надрессорной балки или после удаления планок определяется ультразвуковыми толщиномерами типа УТ-93П, А 1207, А 1208, ТУЗ-1, ТУЗ-2 и должна быть не менее 7 мм.
9.5.3 При любом сверхнормативном износе наклонных плоскостей надрессорной балки (включая провалы и сквозные протертости), разрешается ремонт методом вварки пластин-вставок согласно «Технологической инструкции на ремонт сваркой наклонных плоскостей надрессорной балки тележки ЦНИИ-ХЗ» № 542 ПКБ ЦВ.
9.5.4 При капитальном ремонте изношенные наклонные плоскости восстановить износостойкой наплавкой с обеспечением твердости 240 ... 300 НВ согласно разработанным ВНИИЖТ Инструкциям ЦВ 201-98 и ТИ-05-01-06/НБ с последующей станочной обработкой до чертежных размеров.
При выпуске из деповского ремонта допускается не восстанавливать наклонные плоскости, если они имеют размер нижней опорной поверхности надрессорной балки не менее 166 мм и угол 45° («З» рисунок 9.5 и таблица 9.9), причем величина суммарного просвета между поверхностью надрессорной балки и шаблоном по низу должна быть не более 6 мм. Просвет сверху не допускается.
(Измененная редакция, Изм. № 6).
9.5.5 При плановых видах ремонта разрешается заваривать трещины (1 - 8) надрессорных балок согласно рисунку 9.1 в соответствии с требованиями «Инструкции по сварке и наплавке при ремонте грузовых вагонов» ЦВ 201-98. Общая суммарная длина трещин в подпятнике допускается не более 250 мм, если трещины кольцевые прерывистые, расположенные в разных секторах, на расстоянии от центра не ближе 80 мм.
9.5.6 При всех видах ремонта разрешается:
- заварка трещин в углах между ограничительными буртами (дефект 9, рисунок 9.1) и наклонной плоскостью;
- наплавка изношенных буртов при оставшейся толщине не менее 10 мм;
- наплавка или приварка упорных ребер (дефект 10, рисунок 9.1);
- заварка продольных трещин наклонной плоскости (дефект 8, рисунок 9.1), не выходящих на ограничительные бурты.
9.5.7 При деповском ремонте расстояние между ограничительными буртами для фрикционного клина («е» рисунок 9.5 и таблица 9.9) при износе более 144 мм восстанавливают наплавкой до чертежных размеров.
При капитальном ремонте расстояние между ограничительными буртами («е» рисунок 9.5 и таблица 9.9) восстанавливаются до чертежных размеров.
9.6 Ремонт скользунов надрессорной балки.
9.6.1 Износы, трещины, взломы в опорах скользунов ремонтировать сваркой в соответствии с «Типовым технологическим процессом ремонта скользунов вагонов» ТК-230 ПКБ ЦВ.
9.6.2 Колпак скользуна, показанный на рисунке 9.2, снимают. Неисправное основание скользуна ремонтируют сваркой согласно Инструкции ЦВ 201-98. Изношенную опорную поверхность восстанавливают наплавкой до чертежных размеров с последующей механической обработкой.
9.6.3 При капитальном ремонте устанавливают новые колпаки скользунов по чертежам ПКБ ЦВ ОАО «РЖД» М 1698.01.100 СБ с прокладкой М 1698.01.102 с твердостью 270 ... 370 НВ. Колпаки скользунов на вагоне должны быть одной модели. При деповском ремонте допускается установка колпаков скользунов по чертежам М 1698.01.100СБ с неравномерным максимальным износом плоской опорной поверхности до 2 мм. При износе более 2 мм колпак скользуна заменяют на новый.
9.6.4 Ремонт допустимых трещин в основании опоры скользуна, от технологических окон вдоль балки на наклонных плоскостях, на опорной поверхности подпятника производить по требованию «Инструкции по сварке и наплавке при ремонте грузовых вагонов» ЦВ 201-98.
(1); (2); (3) - трещины опорной поверхности подпятникового места.
(4) - продольные трещины верхнего пояса.
(5) - износ отверстия для постановки шкворня.
(6) - износ внутреннего и наружного буртов подпятникового места.
(7) - трещины боковых опор скользуна.
(8) - трещины наклонной плоскости.
(9) - трещины в углах между ограничительными буртами и наклонной плоскостью.
(10) - износ упорных ребер, ограничивающих пружины.
Примечание - трещины, расположенные к продольной оси балки под углом более 30º относятся к поперечным, под углом менее 30º - к продольным.
Рисунок 9.1 - Дефекты надрессорных балок
1 - колпак скользуна; 2 - сквозной болт; 3 - пружинная шайба; 4 - гайка; 5 - шплинт; 6 - прокладка
Рисунок 9.2 Крепление колпака скользуна тележки модели 18-100
9.7 Ремонт скользунов упруго-каткового типа надрессорной балки черт. 578.00.020-0 СБ ФГУП «ПО УВЗ».
9.7.1 Упруго-катковый скользун черт. 578.00.020-0 СБ ФГУП «ПО УВЗ» устанавливается на надрессорной балке и показан на рисунке 9.3. Скользун состоит из корпуса 1, упругого элемента (демпфера) 2, колпака 3, вкладыша 4 и ролика 5.
Демпфер 2 бочкообразной формы выполнен из полимерного материала, устанавливается в литой корпус.
На демпфер установлен колпак 3 из износостойкого материала, который находится в постоянном контакте с ответной частью скользуна, расположенной на шкворневой балке рамы вагона.
Ролик 5, установленный на поверхности катания (вкладыше) 4 внутри корпуса 1, служит ограничителем прогиба демпфера 2.
В местах контакта колпака 3 с корпусом 1 установлены два сменных износостойких элемента б, выполненных из низколегированной стали 30ХГСА с твердостью 255 ... 341 НВ толщиной 4 мм.
Скользуны устанавливаются на опорные площадки надрессорной балки. Крепление скользунов осуществляется при помощи болтов 7 и стопорных шайб 8.
9.7.2 Технические требования к упруго-катковому скользуну приведены в таблице 9.8.
9.7.3 При плановых видах ремонта ремонт или восстановление деталей скользуна сваркой и наплавкой не допускается. Ремонт производят только заменой деталей скользуна на новые.
9.7.4 При деповском ремонте разрешается установка деталей скользуна с износами, указанными в таблице 9.8 и соответствующие требованиям, определяющим предельное состояние.
При капитальном ремонте детали скользуна с износами или повреждениями заменяются новыми, соответствующими требованиям, указанным в таблице 9.8.
9.7.5 При деповском ремонте контактную пластину скользуна на кузове вагона при максимальном износе 1 мм заменить на новую.
При капитальном ремонте контактную пластину скользуна на кузове вагона заменить на новую.
9.8 При деповском ремонте шкворни, имеющие износи по диаметру более 3 мм, восстановить наплавкой в соответствии с Инструкцией ЦВ 201-98 с последующей механической обработкой до чертежных размеров. Верхнюю часть шкворня обрабатывают по чертежу ПКБ ЦВ согласно рисунку 9.4.
Вагоны всех типов должны иметь шкворни длиной 440 ± 3 мм.
Таблица 9.8
|
Технические требования или размеры, мм |
Указания по использованию при ДР |
||
|
при изготовлении и или при КР |
определяющие предельное состояние |
||
|
1 |
2 |
3 |
4 |
|
Размер «А» от ролика до опорной поверхности колпака, мм |
|
|
|
|
- в свободном состоянии; |
30+2,5-1,5 |
менее 28 |
отрегулировать |
|
- под тарой |
8 ± 2 |
|
прокладками |
|
Высота демпфера |
116 ± 1 |
менее 105 |
бракуется, ремонту не подлежит |
|
Трещины и изломы демпфера |
не допускается |
дефект, нарушающий целостность |
бракуется, ремонту не подлежит |
|
Износ ролика, мм |
не допускается |
2 мм на сторону |
бракуется, ремонту не подлежит |
|
Износ опорной поверхности колпака, мм |
0 |
более 3 |
деталь из ВЧ бракуется, ремонту не подлежит, из стали - подлежит ремонту |
Отверстия подпятника надрессорной балки под шкворень должны быть при капитальном ремонте 54+2-1 мм, а при деповском не более 60 мм.
9.9 При капитальном ремонте шкворни, имеющие механические повреждения, изгибы или взносы, заменить на новые.
При деповском ремонте шкворни, имеющие изгибы не более 5 мм разрешается править в нагретом состоянии до чертежных размеров.
9.10 Разрешается наплавлять разработанные отверстия в кронштейне державки «мертвой точки».
9.11 При сборе тележки проверить размеры надрессорной балки, показанные на рисунке 9.5, которые должны соответствовать размерам, указанных в таблице 9.9.
* размер под тарой вагона
1 - корпус; 2 - демпфер; 3 - колпак; 4 - вкладыш; 5 - ролик; 6 - сменный износостойкий элемент; 7 - болт M24-6g×50,46 ГОСТ 7798-70; 8 - шайба 24 ГОСТ 13463-77; прокладка регулировочная; 10 - надрессорная балка.
Рисунок 9.3 Скользун упруго-каткового типа
Чертеж 578.00.020-0СБ ФГУП «ПО УВЗ»
1. * - Размер для справок
2. Материал: Круг ![]()
3. Допускается смятие концов не более 9° на длине 50 мм.
Рисунок 9.4 Шкворень
Таблица 9.9
|
Размеры надрессорной балки по рабочим чертежам, мм |
Размера надрессорной балки, мм |
||
|
При деповском ремонте |
При капитальном ремонте |
||
|
е |
134+4 |
144,0 |
134 - 138 |
|
З |
175+4-1 |
не менее 166,0 |
174 - 179 |
|
Л |
54+2-1 |
60,0 |
53 - 56 |
|
К |
77-0,74 |
72,0 |
77-0,74 |
9.12 При подкатке тележки под вагон в подпятник закладывается смазка весом до 100 г типа КТСМ для опор скольжения железнодорожного подвижного состава ТУ 0254-110-01124328-2000 в соответствии с требованиями ВНИИЖТ. По согласованию с ЦВ допускается применять смазку графитовую ГОСТ 3333-80, солидол ГОСТ 1033-79 с добавкой графита смазочного ГОСТ 8295-73 и другие смазки.
9.13 Дефекты в соединительной балке четырехосной тележки, разрешенные ремонтировать при плановых видах ремонта, приведены на рисунке 9.6.
Ремонт соединительных балок тележек модели 18-101 производят в соответствии с «Типовым технологическим процессом на ремонт соединительной балки четырехосной тележки» ТК-232 ПКБ ЦВ.
1. *Разность размеров А1 и А2 не более 5 мм.
2. **В скобках - размеры для балок, изготовленных до 1986 года с глубиной подпятника при изготовлении 25+1-2 мм.
Рисунок 9.5 Размеры надрессорных балок грузовых тележек мод. 18-100 при их изготовлении и капитальном ремонте
(1) - Трещины по зоне сварного шва приварки нижнего листа к пятниковой отливке
(2) - Трещины по основному металлу с одной стороны пятниковой отливки (относительно продольной оси)
(3) - Трещина сварного шва, соединяющего лист нижний и подкрылком скользуна
(4) - Излом кронштейна
(5) - Трещины верхней части пятниковой отливки с одной стороны
(6) - Трещины в зоне сварного шва приварки листа верхнего к пятниковой плите
(7) - Трещина верхнего листа балки независимо от длины
(8) - Трещины с нижней стороны пятниковой плиты
(9) - Трещины по сварным швам приварки внутренней центральной диафрагмы
(10) - Трещина сварного шва кронштейна торсиона
(11) - Трещина кронштейна
(12) - Износ отверстия кронштейна
(13) - Износ опорной поверхности пятника
(14) - Износ упорной поверхности пятника
(15) - Износ упорной поверхности подпятника
(16) - Износ опорной поверхности подпятника
(17) - Износ центральных скользунов
(18) - Износ крайних скользунов
Рисунок 9.6 Дефекты в соединительной балке, разрешенные ремонтировать при плановых видах ремонта
10.1 Узел гасителя колебаний тележки состоит из составной фрикционной планки, фрикционного клина и наклонной поверхности надрессорной балки.
10.1.1 Ремонт наклонной поверхности надрессорной балки изложен в разделе 9 настоящей инструкции.
10.1.2 При плановых видах ремонта во фрикционный узел устанавливается клин рисунок 10.1 из чугуна марки СЧ 25 по чертежу М 1698.00.002 ПКБ ЦВ.
Запрещается установка стальных фрикционных клиньев.
Трещины в ребрах жесткости клина не допускаются.
При капитальном ремонте установить новые чугунные клинья, а при деповском ремонте разрешается установка чугунного клина с суммарным износом наклонной и вертикальной плоскостей клина до 3 мм, но не более 2 мм одной из сторон.
10.2 Для контроля размеров и профиля рабочих поверхностей клина применяется шаблон по черт. Т 914-09 ПКБ ЦВ или шаблон Т 914.20 ПКБ ЦВ.
10.3 Допускается по указанию ЦВ ОАО «РЖД» установка клиньев со съемными элементами (полиуретановые или др.) согласно действующей нормативной документации.
При капитальном ремонте установить новые чугунные клинья с новыми полиуретановыми накладками износостойкими.
При деповском ремонте допускается установка чугунного клина с износом вертикальной плоскости до 2 мм, не имеющего трещин, отколов или других дефектов.
Не допускается постановка полиуретановой накладки износостойкой, имеющей трещины, отколы или другие повреждения.
10.4 При капитальном ремонте фрикционные планки заменяются новыми составными по проекту М 1698 ПКБ ЦВ.
10.5 При деповском ремонте фрикционные планки с трещинами, отколами и взносами заменяются новыми по проекту М 1698 ПКБ ЦВ. Допускается постановка неподвижной фрикционной планки толщиной 10 мм с износом 1,5 мм поверхности, взаимодействующей с подвижной планкой. Допускается постановка подвижной фрикционной планки с суммарным износом по толщине 2 мм, но не более 1.5 мм с одной стороны.
Измерение производить от неизношенной поверхности фрикционной планки в соответствии с требованиями, изложенными в Руководящем документе «Методика выполнения измерений надрессорной балки, боковых рам, пружин и рессорного комплекта при проведении плановых видов ремонта тележек 18-100» РД 32 ЦВ 050-2005.
Размеры фрикционного клина грузовой тележки мод. 18-100 при изготовлении
Рисунок 10.1 Клин чертеж М 1698.00.002 ПКБ ЦВ
1 - рама боковая; 2 - планка фрикционная; 3 - заклепка; 4 - втулка
Рисунок 10.2
10.6 Неподвижные фрикционные шишки в вертикальной плоскости должны быть не параллельны, расстояние между планками к низу должно увеличиваться на 4 ... 10 мм согласно рисункам 8.2, 8.3, 8.4, 10.2. Разность размеров Г в точках Ж, размеров Д в точках З не более 3 мм. Контроль размера Е определяется полуразностью размеров Г и Д в точках Ж и З.
Размер Г при толщине фрикционных планок 10 мм - не менее 642 мм.
Размер Г при толщине фрикционных планок 16 мм - не менее 630 мм.
Фрикционные планки, приклепанные к площадкам, должны плотно прилегать к ним, при этом допускается:
- между сопрягаемыми поверхностями (в промежутках между заклепками) местные не плотности не более 1 мм;
- в зоне головок заклепок местный зазор на 1/3 окружности головки заклепки, при проверке которого щуп 1 мм не должен доходить до стержня заклепки;
- западание головки заклепки относительно плоскости планки не более 2 мм.
Заклепки не должны выступать за рабочую поверхность планки. При наличии выступа его следует зачистить заподлицо с поверхностью планки.
Непараллельность фрикционных планок в горизонтальной плоскости не более 3 мм.
10.7 Перед началом клепальных работ поверхность боковой рамы, прилегающая к
поверхности фрикционной планки, допускается зачистить шлифовальной машинкой,
для обеспечения плотного прилегания фрикционной планки к привалочной
поверхности. Обработанная поверхность должна соответствовать
и уширение в нижней части
каждой привалочной поверхности от 2 до 5 мм. Размеры проема в верхней части
должны быть 668-6 мм.
10.8 При установке и креплении неподвижной планки чертеж М 1698.02.001, отверстия в боковой раме под заклепки должны быть диаметром 21+0,84 мм. Планки крепятся заклепками с потайной головкой диаметром 20 мм по ГОСТ 10300-80. Для крепления фрикционной планки толщиной 10 мм длина заклепки 58 мм. Усилие горячей клепки должно быть не менее 25 тс. Температура нагрева заклепки должна быть в пределах 1050 ... 1100 °С. Нагрев рекомендуется производить в угольных, газовых или электрических печах.
10.9 Неподвижные фрикционные планки толщиной 10 мм с одной и более ослабленными заклепками переклёпываются.
Запрещается ослабшие заклепки фрикционных планок заваривать, подтягивать и подчеканивать, они должны быть заменены на новые.
Запрещается выпускать из ремонта боковые рамы с приваренными электросваркой фрикционными планками.
11.1 Пружины снимают с тележки независимо от технического состояния, очищают и осматривают.
При деповском ремонте контролируют диаметр прутков, число витков, высоту пружины в свободном состоянии.
При капитальном ремонте устанавливать пружины, прошедшие проверку в соответствии с методикой проведения испытаний, утвержденной МПС.
Пружины, имеющие дефекты:
- изломы, отколы, трещины витков;
- протёртости, коррозированные повреждения более 10 % площади сечения витков;
- смещение опорных витков;
- уменьшение высоты пружины менее установленной величины приведенные на рисунке 11.1 к установке в рессорный комплект при всех видах ремонта - не допускаются.
Вновь изготовленные предприятиями пружины должны соответствовать ГОСТ 1452 с обязательной термической обработкой и упрочнением наклепом дробью.
Допустимые размеры пружины приведены в таблице 11.1.
Таблица 11.1.
|
Пружина |
Диаметр прутка, мм |
Наружный диаметр, мм |
Внутренний диаметр, мм |
Число витков |
Высота пружины в свободном состоянии, мм |
||
|
полное |
рабочее |
||||||
|
18-100, |
Наружная |
30 |
200* |
140 ± 2,5 |
5,5* |
4,0* |
|
|
18-101 |
Внутренняя |
19/21 |
124 ± 1,5 132 ± 1,5 |
86*/90* |
8,5 7,95* |
7,0 6,45* |
|
Примечание: 1. * Размер для справок;
2. Пружины с диаметром 21 мм выпускаются с 1989 г.
(1) - изломы, отколы, трещины витков
(2) - протертости, коррозированные повреждения более 10 % площади сечения витков
(3) - смещение опорных витков
(4) - уменьшение высоты пружины менее установленной величины
Рисунок 11.1 Пружины с указанными дефектами подлежат браковке.
11.2 Контроль технических параметров пружин должен осуществляться в соответствии с требованиями «Методики выполнения измерений надрессорной балки, боковых рам, пружин и рессорного комплекта при проведении плановых видов ремонта тележек 18-100» РД 32 ЦВ 050-2005.
11.3 Запрещается постановка пружин в одном комплекте с разницей по высоте более 4 мм. В случае смешанного комплектования комплекта пружинами с диаметрами прутка 19 мм или 21 мм количество их в комплекте по обе стороны тележки должно быть одинаково и симметрично расположено (напротив друг друга). Из числа пружин, подобранных для рессорного комплекта, под фрикционные клинья устанавливают пружины, имеющие наибольшую высоту.
При капитальном ремонте устанавливаются пружины с диаметром прутка 21 мм.
11.4 На боковой поверхности опорного витка пружин наносят следующую маркировку:
- условный номер предприятия - изготовителя;
- год и месяц изготовления (приёмки);
- марку стали (марки стали 55С2, 60С2, 55С2А, 60СС2А допускается не наносить).
Знаки маркировки наносят глубиной не более 2 мм штамповкой или другим способом с учетом сохранности знаков в течение всего срока службы пружины.
11.5 Остальные требования, предъявляемые к пружинам указаны в ГОСТ 1452-2003.
12.1 На участке ремонта тележек произвести следующие работы:
- снять с тележки детали и узлы тормозного оборудования;
- определить объем ремонта деталей и узлов тормозного оборудования;
- передать тормозные узлы и детали тележки для ремонта на соответствующие позиции;
- собрать исправные детали и узлы тормоза на отремонтированной раме тележки.
12.2 Ремонт деталей тормозного оборудования тележки производить согласно «Инструкции по ремонту тормозного оборудования вагонов» ЦВ-ЦЛ-945.
13.1 Сварочные и наплавочные работы на надрессорных балках, боковых рамах и других деталях тележек производят в соответствии с Инструкциями, разработанными ВНИИЖТ: ЦВ 201-98, ТИ-05-01-06/НБ, ТИ-05-02/01Б на специальных сварочных позициях, оборудованных кантователями, электросварочным и газосварочным оборудованием и другими приспособлениями.
(Измененная редакция, Изм. № 6).
13.2 Наплавке подвергаются поверхности деталей для последующей станочной или механической обработки до чертежных размеров.
13.3 Наплавка восстанавливаемых поверхностей деталей тележки выполняется износостойкими сварочными материалами:
13.3.1 Износостойкая автоматическая наплавка под флюсом:
- сварочная проволока марки Св-10ХГ2СМФ ТУ 0805-001-18486807-99;
- флюс АН-348А, АН-60 ГОСТ 9087-69, ФК Н-7;
13.3.2 Механизированная или автоматическая наплавка в защитном газе:
- порошковая проволока марки ПП-АН180МН ТУ 127400-002-70182818-05 или сварочная проволока марки Св-10ХГ2СМФ ТУ 0805-001-1848680-99;
- углекислота сварочная 1 сорта ГОСТ 8050-78 или пищевая углекислота при условии использования осушителей газа на основе типа силикагеля;
(Измененная редакция, Изм. № 6).
13.3.3 (Исключен, Изм. № 6).
13.3.4 Ручная наплавка обмазанными электродами:
- электроды марки АНП-13 ТУ 1272-035-01124328-96;
13.3.5 Допускается применение других марок наплавочных материалов обеспечивающих при наплавке твердость 240 ... 340 НВ, если они предусмотрены нормативно-технической документацией, согласованной ВНИИЖТ и утверждённой в установленном порядке.
13.4 Для ремонта деталей сваркой и наплавкой без требований к износостойкости используются следующие сварочные материалы:
(Измененная редакция, Изм. № 6).
13.4.1 Ручная сварка:
- электроды типа Э-50 А марки УОНИ-13/55 ГОСТ 9467-75;
13.4.2 Механизированная сварка:
- проволока сварочная марки Св-08Г2С ГОСТ 2246-70;
- углекислота сварочная 1 сорта ГОСТ 8050-78.
(Измененная редакция, Изм. № 6).
13.5 Механическую обработку наплавленных поверхностей и сварных швов производить на специализированных станках, фрезерных, сверлильных и строгальных станках, оборудованных дополнительными приспособлениями.
(Измененная редакция, Изм. № 6).
13.6 Сварочные и наплавочные работы на соединительных балках четырехосных тележек производят по технологии, предусмотренной «Типовым технологическим процессом на ремонт соединительной балки четырехосной тележки» ТК-232 Часть I, II, III.
13.7 Рабочие места производства наплавки и сварки должны быть оснащены кантователями, вращателями, грузоподъемным оборудованием и местной вытяжной вентиляцией.
Рекомендуемый перечень технологической оснастки, применяемой при ремонте тележки грузового вагона, приведен в приложении А.
14.1 На сборку поступают отремонтированные и скомплектованные узлы и детали тележек, проверенные бригадирами, мастерами, приёмщиками вагонов, а на вагоноремонтных заводах принятые работниками отдела технического контроля, инспекторами-приемщиками.
142 На вагоностроительных заводах тележки вагонов собираются из новых узлов и деталей, прошедших контроль на соответствие их техническим условиям на изготовление.
14.3 Сборка двухосной тележки модели 18-100 производится в обратной последовательности в соответствии с рисунками 5.1, 5.2, 5.3;
надрессорная балка 19 устанавливается на подъемник-кантователь, боковины 30 надвигают на балку при помощи специальных приспособлений или при помощи кран-балки навешивают на концы надрессорной балки;
устанавливают на боковины рамы скомплектованные пружины 21, фрикционные клинья 20 на наиболее высокие пружины, опускают надрессорную балку на пружинно-фрикционный рессорный комплект;
затем в пазы тормозных башмаков 17 необходимо установить отремонтированные или новые подвески 3, подвесить триангели 1 на раму тележки;
установить скобы, поставить валики 11, 14, 16, на них шайбы, валики зашплинтовать шплинтами 13, 15, концы шплинтов развести под углом 90°;
установить вертикальные рычаги 5 и соединить их с триангелями 1 валиками 11 с шайбами и шплинтами;
соединить вертикальные рычаги с серьгой мертвой точки, вставив валик и установив шайбу и шплинт. Шплинт развести;
установить тормозные колодки 17, вставить чеки тормозных колодок в перемычки тормозных башмаков и колодок;
установить распорную тягу, соединить вертикальные рычаги с распорной тягой, поставить валики, шайбы, шплинты;
установить колпаки скользунов 33, вставить болт 32, шайбу 31, болт закрепить гайкой 29, установить и развести шплинт;
установить балку опорную 34 на резинометаллические комплекты 26, планки регулировочную 28 и контактную 27, установить болт 25, шайбу 24, гайку 23.
Балка опорная после установки на тележку должна свободно перемещаться в пазах боковых рам. Допускается постановка планок регулировочных поз. 28 для регулировки зазора между контактной планкой поз. 27 и упором авторежима при подкатке тележки под вагон. Постановку шплинтов поз. 23 производить после сдачи автоматического тормоза.
14.4 Сборка двухосной тележки модели 18-578 производится также как и тележки модели 18-100, только на эту тележку устанавливается надрессорная балка по чертежу 578.00.010-0 СБ ФГУП «ПО УВЗ» с корпусами под упруго-катковые скользуны. Затем производится сборка упруго-катковых скользунов, показанных на рисунке 9.3
14.5 При сборке четырехосной тележки соединяют рычажные передачи двух двухосных тележек нижней тягой, устанавливают соединительную балку на подпятники двухосных тележек, устанавливают шкворень. При сборке верхней тяги и вертикальных рычагов тормозной рычажной передачи валики, шайбы, шплинты ставят по требованиям «Инструкции по ремонту тормозного оборудования вагонов» ЦВ-ЦЛ-945.
14.6 Подкатываемые под раму тележки колесные пары с буксами должны соответствовать требованиям «Инструкции по осмотру, ремонту, освидетельствованию и формированию колесных пар» ЦВ/3429 и «Инструктивными указаниями по эксплуатации и ремонту вагонных букс с роликовыми подшипниками» 3-ЦВРК.
При выпуске грузовых вагонов из капитального ремонта и капитального ремонта с модернизацией с целью продления срока службы обеспечить подкатку колесных пар с толщиной обода колес не менее 40 мм.
14.7 При сборке четырехосной тележки после установки соединительной балки проверяют зазор между нижними поверхностями балки и осями внутренних колесных пар тележек. Это расстояние должно быть не менее 85 мм с каждого конца балки. Измерение производить под тарой вагона после подкатки тележки.
14.8 Запрещается подкатывать колесные пары в тележки с разницей диаметров по кругу катания:
- у одной двухосной тележки более 20 мм;
- у двух двухосных тележек более 40 мм;
- у одной четырехосной тележки более 20 мм. При этом колесные пары с меньшими диаметрами колес должны быть обращены внутрь тележки;
- у двух четырехосных тележек более 40 мм.
14.9 Суммарный зазор между направляющими боковой рамы тележки и корпусом одной буксы должен быть:
- при деповском ремонте - вдоль тележки от 5 мм до 14 мм, а поперек от 5 мм до 13 мм;
- при капитальном ремонте - вдоль тележки от 5 мм до 12 мм, а поперек от 5 мм до 11 мм.
15.1 Промежуточной проверке качества ремонта должны быть подвергнуты:
- колесные пары, подкатываемые под тележку (выполняют руководители колесного участка, цеха);
- буксовые узлы колесных пар, подкатываемых под тележку (выполняют руководители участка ремонта и комплектовки букс с роликовыми подшипниками);
- соединительные балки четырехосных тележек;
- надрессорные балки;
- боковые рамы тележек с фрикционными планками; фрикционные клинья;
- пружины и их комплектование;
- детали тормозной рычажной передачи.
15.2 Проверку качества ремонта должны проводить бригадиры, мастера, приемщики вагонов, руководители вагоноремонтных предприятий, а на заводах работники отдела технического контроля и заводской лаборатории.
15.3 Качество ремонта определяется визуально и с применением шаблонов Т 914 ПКБ ЦВ «Альбом чертежей средств измерения и СДК параметров тележек грузовых вагонов» и других средств измерений.
16.1 Клейма и знаки маркировки должны быть установлены на детали тележки после завершения ремонтных работ, приемки их руководителями участков и приемщиком вагонов в депо, работниками ОТК и инспектором-приемщиком на заводе.
16.2 Клейма (коды) наносить на каждую боковину тележки на участке от начала прилива выше приемочных клейм в соответствии с «Методикой постановки клейм принадлежности государству на составных частях вагонов» 1995 г. рисунок 16.1.
16.3 Места постановки клейм предприятия, производившего ремонт, приведены на рисунке 16.1 и в «Методике испытания на растяжение» № 656-2000 г. ПКБ ЦВ МПС России.
Место маркирования надрессорной балки тележки после ремонта

Место маркирования боковой рамы тележки после ремонта
Рисунок 16.1 Места постановки клейм предприятия, производившего ремонт.
17.1 Окрашивание тележек производить по поверхностям, очищенным от отслоившейся ржавчины, разрушившейся старой краски, шлаков, окалины, жировых и других видов загрязнения.
17.2 Лакокрасочные материалы, применяемые для окраски тележек (эмали, краски) должны соответствовать стандартам и техническим условиям.
17.3 Поверхности деталей тележки, подготавливаемые к окраске должны быть сухими.
17.4 При капитальном ремонте тележки окрашиваются полностью, а при деповском - только в местах с поврежденной окраской.
17.5 Грунтовками для тележек могут быть:
- эмали ПФ-115, ПФ-133;
- масляные краски ГС-1, ГС-2 ГОСТ 6586.
Эти же материалы и их заменители применимы и для окраски тележек.
17.6 Колесные пары окрашивают в соответствии с «Инструкцией по осмотру, освидетельствованию, ремонту и формированию вагонных колесных пар» ЦВ/3429. Корпуса букс окрашивают в соответствии с «Инструктивными указаниями по эксплуатации и ремонту вагонных букс с роликовыми подшипниками» 3-ЦВРК.
На ободах колесных пар наличие краски не допускается.
17.7 Надписи на деталях тележки наносить масляными красками только при помощи трафаретов с закраской мест разрыва букв и цифр. Все надписи наносятся краской белого цвета - на верхних поверхностях боковых рам по центру и на верхней поверхности с обоих концов надрессорной балки после деповского ремонта первая и три последних цифры номера вагона, а после капитального ремонта и строительства - год проведения капитального ремонта и строительства, номер вагоноремонтного предприятия или завода-изготовителя, первая и три последних цифры номера вагона рисунки 17.1 и 17.2.
17.8 На тележках, признанных годными после ремонта с установкой износостойких элементов ставятся клейма букв «РМ», высотой 70 мм, которые наносятся белой краской в прямоугольник (100×100 мм) на верхнем поясе консольной части надрессорной балки и боковых рам тележки рядом с клеймами о производстве плановых видов ремонта рисунки 17.1 и 17.2.
Образец надписи трафарета, наносимой масляной краской:
1. трафарет, наносимый при капитальном ремонте и строительстве вагона
![]()
93 - год проведения капитального ремонта или год постройки вагона
12 - номер вагоноремонтного предприятия или завода-изготовителя вагона
6 - первая цифра номера вагона
546 - три последние цифры номера вагона
2. трафарет наносимый при деповском ремонте вагона
![]()
4 - первая цифра номера вагона
563 - три последние цифры номера вагона.
Рисунок 17.1 Места нанесения трафаретов масляной краской на надрессорной балке
Рисунок 17.2 Места нанесения трафарета на боковой раме тележки после плановых видов ремонта
18.1 Выходной контроль отремонтированных тележек производить по окончании планового вида ремонта и после подкатки под вагон с обязательной записью в «Инструктивных указаниях о порядке ведения журнала приемки отремонтированных тележек грузовых вагонов формы ВУ-32».
18.2 При выпуске всех грузовых вагонов из плановых видов ремонта отремонтированные тележки должны быть укомплектованы надрессорными балками и боковыми рамами, обеспечивающими эксплуатацию вагона до следующего планового ремонта или его исключения из инвентаря по сроку службы, обеспечив в этом периоде эксплуатации вагона срок службы боковых рам и надрессорных балок 30 лет включительно.
18.3 Подборка боковых рам и надрессорной балки (элементов) в тележке должна производиться по возрастным группам, в зависимости от требований, предъявляемых к элементам на период действия «Норм для расчета и проектирования вагонов железных дорог МПС колеи 1520 мм» (несамоходных) (далее по тексту «Нормы») М. ГосНИИВ - ВНИИЖТ:
- тележки нулевой группы, построенные с 1997 года, отвечают требованиям «Норм» издания 1996 г.;
- тележки первой группы, построенные с 1985 г. по 1996 г., отвечающих требованиям «Норм» издания 1983 г.;
- тележки второй группы, построенные с 1974 г. по 1984 г., отвечают требованиям «Норм» издания 1972 г.;
- тележки третьей группы, построенные до 1974 г., отвечают требованиям «Норм» издания 1969 г.
Разрешается в каждой прочностной группе тележек подбирать элементы из других прочностных групп, при этом номер возрастной группы тележки должен устанавливаться по элементу, имеющему самый ранний период изготовления.
18.4 После сборки и подкатки под вагон тележки модели 18-100 завышение хотя бы одного фрикционного клина относительно нижней опорной поверхности надрессорной балки допускается не более 2 мм, а занижение не более 12 мм при деповском ремонте рисунок 18.1. При капитальном ремонте фрикционные клинья одного рессорного подвешивания должны быть занижены относительно нижней опорной поверхности надрессорной балки на 4 - 12 мм. Размер определяется как средняя величина измерений уровней правого и левого клиньев рессорного комплекта относительно опорной плоскости надрессорной балки. Клин должен прилегать к надрессорной балке по всей наклонной поверхности.
а - длина основания (полнота) фрикционного клина;
Б - расстояние между фрикционными клиньями;
В - размер базовый для определения износа наклонных поверхностей;
ΔУ' - завышение или занижение левого клина;
ΔУ" - завышение или занижение правого клина;
Рисунок 18.1 Взаимное расположение надрессорной балки и фрикционных клиньев.
Полное прилегание краев ребер карманов надрессорной балки к упорным поверхностям клиньев допускается только к одному из двух смежных клиньев с каждой стороны тележки.
18.5 Тележка должна быть укомплектована боковыми рамами, с разницей баз не более 2 мм.
18.6 Выходному контролю подвергают все тележки, на которые установлены износостойкие элементы.
18.6.1 При этом проверяют:
- прилегание неподвижной фрикционной планки к привалочной поверхности боковой рамы. Местные зазоры допускаются не более 1 мм;
- прилегание планки подвижной к неподвижной. Местные зазоры допускаются не более 1 мм;
- прилегание прокладки сменной на опорную поверхность буксы. Местные зазоры допускаются не более 1 мм;
- суммарный зазор в буксовом проёме вдоль тележки:
- при деповском ремонте - 5 ... 14 мм
- при капитальном ремонте - 5 ... 12 мм;
- суммарный зазор в буксовом проёме поперек тележки:
- при деповском ремонте - 5 ... 13 мм,
- при капитальном ремонте - 5 ... 11 мм;
18.7 При капитальном ремонте устанавливаются новые:
- составные фрикционные планки (подвижные и неподвижные);
- клинья чугунные;
- износостойкие прокладки.
18.8 При деповском ремонте допускается:
- установка неподвижной фрикционной планки с максимальным износом 1,5 мм поверхности, взаимодействующей с подвижной планкой;
- установка подвижной фрикционной планки с максимальным суммарным износом по толщине (с двух сторон) до 2 мм, но не более 1,5 мм с одной стороны;
- установка чугунного клина с суммарным износом (наклонная и вертикальная плоскости) до 3 мм, но не более 2 мм одной из сторон;
- установка износостойкой прокладки с механическим креплением к опорной поверхности в буксовом проеме боковой рамы с износостойкой пластиной с максимальным неравномерным износом опорной поверхности относительно неизношенной ее части до 2 мм;
- установка прокладки в подпятник фаской вниз с суммарным износом по толщине (с двух сторон) до 2 мм, но не более 1,5 мм с одной стороны.
18.9 Зазор между скользунами тележки и рамы вагона в сумме с обеих сторон каждого конца вагона должен быть не менее 6 мм и не более 16 мм для всех типов четырехосных вагонов, кроме цистерн, вагонов-хопперов для зерна, цемента, минеральных удобрений, окатышей, хопперов-дозаторов ЦНИИ-ДВЗ, зазоры, у которых при плановых видах ремонтов должны быть в пределах 4 - 10 мм, а у хопперов других типов и думпкаров зазор между скользунами должен быть в пределах 6 - 12 мм.
Отсутствие зазоров между скользунами, расположенными по диагонали, не допускаются. Величина суммарного зазора по диагонали должна быть не менее 6 мм.
Для регулирования зазоров применяют регулировочные прокладки из листовой стали толщиной 1,5 - 3,0 мм в количестве не более четырех.
18.10 Зазоры в скользунах при сборке четырехосной тележки модели 18-101 между скользунами соединительной балки и колпаками скользунов надрессорных балок тележек в сумме с обеих сторон каждой тележки допускаются в пределах 4 - 10 мм. При подкатке тележек под вагон зазор между скользунами рамы вагона и соединительной балкой тележки в сумме с обеих сторон каждого конца вагона должен быть не более 12 мм и не менее 4 мм.
При капитальном ремонте зазоры, соответственно, должны быть в пределах 5 - 10 мм и 4 - 10 мм.
18.11 При сборке и подкатке под вагон тележки модели 18-578 (с упруго-катковыми скользунами) зазоры между роликом и скользуном регулируется в соответствии с пунктом 9.7 настоящего Руководства.
18.12 Боковая рама должна плотно опираться на корпуса букс допускаются местные зазоры не более 1 мм.
18.13 Боковые рамы тележки должны иметь одинаковую или с разницей в 2 мм базу, которая определяется шаблоном при сборке и фиксируется в журнале лицами, проводившими сборку.
18.14 Суммарный зазор между направляющими боковой рамы тележки и корпусом одной буксы должен быть:
- при деповском ремонте - вдоль тележки от 5 мм до 14 мм, а поперек от 5 мм до 13 мм;
- при капитальном ремонте - вдоль тележки от 5 мм до 12 мм, а поперек от 5 мм до 11 мм.
18.15 Проверяют наличие кодов принадлежности государству - собственнику на литых деталях тележки на раме вагона.
18.16 Детали тормозной рычажной передачи тележки должны соответствовать требованиям «Инструкции по ремонту тормозного оборудования вагонов» ЦВ-ЦЛ-945.
18.17 При оснащении вагоноремонтных предприятий автоматизированными стендами приёмка тележек грузовых вагонов при плановых видах ремонта производится исходя из технических возможностей стендов с обязательной регистрацией параметров (размеров) в специальных журналах.
19.1 Исключение литых деталей тележек в брак и отправку их в металлолом разрешается производить в вагонных депо и на вагоноремонтных заводах
19.2 Литые детали бракуют в следующих случаях:
- боковые рамы при наличии трещин, не подлежащих ремонту, независимо от размера;
- при сроке эксплуатации более 30 лет (кроме тех, на которые продлен срок службы);
- надрессорные балки - при наличии:
- срока эксплуатации более 30 лет (кроме тех, на которые продлен срок службы);
- трещин в нижних и вертикальных стенках балки;
- трещин на подпятнике общей суммарной длиной более 250 мм;
- трещин от технологических отверстий вдоль оси длиной более 250 мм каждая.
Браковка литых деталей производится в соответствии с требованиями «Технологических инструкций», указанных в п. 6.1.
19.3 Литые детали тележек и соединительные балки четырехосных тележек исключает в металлолом комиссия в составе:
- в вагонных депо - начальника, зам. начальника (старшего мастера), приемщика вагонов и мастера;
- на вагоноремонтных заводах - Главного инженера, начальника ОТК и начальника тележечного цеха.
19.4 Исключение литых деталей тележки оформляют актом, согласно приложения Б.
19.5 Соединительные балки подлежат исключению в металлолом при наличии неисправностей более допустимых, приведенных в «Типовом технологическом процессе на ремонт соединительной балки четырехосной тележки» ТК-232 ПКБ ЦВ.
20.1 Вагоноремонтные предприятия, ремонтирующие тележки грузовых вагонов в соответствии с настоящим Руководством РД 32 ЦВ 052-2005, с Руководящим документом «Ремонт тележек грузовых вагонов модели 18-100 с установкой износостойких элементов в узлах трения» РД 32 ЦВ 072-2005, с Руководящим документом «Ремонт тележек модели 18-578 с упруго-катковыми скользунами грузовых вагонов» РД 32 ЦВ 082-2006, несут гарантийную ответственность до следующего планового ремонта, считая от даты подписания уведомления об окончании ремонта вагона формы ВУ-36.
20.2 На тележки грузовых вагонов, не выдержавшие срока гарантий оформляются акты - рекламации формы ВУ-41 в порядке, установленном МПС России или ОАО «РЖД»
21.1 Техническое содержание вагона на тележках с износостойкими элементами в эксплуатации определяется «Инструкцией осмотрщику вагона» ЦВ-ЦЛ-408.
21.2 Запрещается постановка под вагон тележек с износостойкими элементами имеющими повреждения:
- чугунного фрикционного клина с трещинами, изломами, отколами;
- планок составных фрикционных во фрикционном узле гасителя колебаний с изломами, трещинами, отколами;
- прокладок сменных в буксовом проеме с изломами, трещинами, механическими повреждениями, отколами.
|
Наименование оборудования и приспособлений |
Ед. изм. |
Модель, тип, чертеж |
Кол-во |
Изготовители рекомендуемой оснастки |
|
1 |
2 |
3 |
4 |
5 |
|
1 Кран-балка |
шт. |
Грузоподъемность 1 тс |
1 - 2 |
Собственного изготовления или покупная |
|
2 Шлифовальная машинка |
шт. |
ИП-2014 ТУ 22-166-30-91 |
2 |
|
|
Наплавка наружного бурта подпятника надрессорной балки |
||||
|
3 Универсальный пост для механизированной и ручной сварки, наплавки и резки с вращателем сварочным |
шт. |
ПДГО 5010 У3.1, 255.00.00.000СБ |
1 |
ООО «Транспортная сварка» г. Москва |
|
Наплавка опорной поверхности и внутреннего бурта подпятника, наклонных плоскостей надрессорной балки |
||||
|
4 Установка наплавочная или универсальный пост для механизированной и ручной сварки, наплавки и резки с кантователем |
шт. |
УН-2 или ПДГО 5010 У3.1 кантователь с продольной осью вращения |
1 |
ООО «Транспортная сварка» г. Москва или собств. изготовления |
|
Механическая обработка подпятника надрессорной балки |
||||
|
5 Станок для обработки подпятника |
шт. |
ФБ-1 |
1 |
ООО «Транспортная сварка» г. Москва |
|
Механическая обработка наклонных поверхностей надрессорной балки |
||||
|
6 Станок для обработки наклонных плоскостей |
шт. |
ФБ-2 |
1 |
ООО «Транспортная сварка» г. Москва |
|
Наплавка упорных поверхностей боковой рамы |
||||
|
7 Универсальный пост для механизированной и ручной сварки, наплавки и резки с кантователем |
шт. |
ПДГО 5010 У3.1 кантователь с горизонтальной осью вращения |
1 |
ООО «Транспортная сварка» г. Москва |
|
Механическая обработка буксового проема боковой рамы |
||||
|
8 Станок для обработки буксового проема боковой рамы |
шт. |
ФБ-3 |
1 |
ООО «Транспортная сварка» г. Москва |
|
Наплавка корпуса буксы |
||||
|
9 Комплексный участок механизированного восстановления наплавкой изношенных поверхностей корпусов букс грузовых вагонов |
шт. |
ПДГО 5010 У3.1 02.00.00СБ |
1 |
ООО «Транспортная сварка» г. Москва |
|
Механическая обработка корпуса буксы |
||||
|
10 Горизонтально-фрезерный станок |
шт. |
6Р 82 |
1 |
|
|
Дополнительное оборудование |
||||
|
11 Станок фрезерный двухшпиндельный |
шт. |
СФ 676 |
1 |
|
|
12 Станок строгальный односуппортный |
шт. |
754 |
1 |
|
|
13 Станок обдирочно-шлифовальный |
шт. |
С-634 |
1 |
|
|
14 Станок сверлильный |
шт. |
ОБ-64 |
1 |
|
|
15 Радиально-сверлильный станок |
шт. |
2А53 |
1 |
|
|
16 Токарный станок |
шт. |
1К62 |
1 |
|
|
17 Приспособление для снятия и постановки заклепок |
шт. |
|
2 |
|
|
|
на исключение в металлолом литых деталей тележки модели 18-100 и соединительных балок тележек модели 18-101 «__» _________________ 200_ г. наименование ремонтного пункта, где составлен акт |
|
№ |
Время и место изготовления (месяц, год, клеймо завода изготовителя) |
Код государства |
Дата и место последнего планового ремонта |
Неисправности литых деталей тележек модели 18-100 (ЦНИИ-ХЗ), соединительной балки модели 18-101 |
|
|
|
|
|
|
На основании Руководства РД 32 052-2005 раздела 21 указанные составные части тележек грузовых вагонов забракованы и подлежат отправке в металлолом.
Подписи _________________________________________________________________
Таблица В.1
|
Наименование и назначение |
Номер чертежа |
Проверяемые, допускаемые размеры |
|
1 |
2 |
3 |
|
Штанген подпятника |
Т 914.06.000 |
Контроль диаметра подпятника. Контроль толщины наружного бурта подпятника. Контроль толщины внутреннего бурта |
|
Штангенциркуль |
ШЦ-1-125-0.1 ГОСТ 166-89 |
Контроль наружного диаметра внутреннего бурта и отверстий под шкворень |
|
Штанген подпятника |
Т 914.06.000 |
Контроль глубины опорной поверхности подпятника |
|
Шаблон НП |
Т 914.05.000 |
Контроль размера опорной поверхности призмы (полнота) |
|
-"- |
-"- |
Контроль угла наклона боковых поверхностей призмы |
|
Шаблон направляющих буртов |
Т 914.007 или штангенциркуль ШЦ-ШО-400 ГОСТ 166-89 |
Контроль размера между направляющими буртами |
|
Штангенциркуль |
ШЦ-ШО-250 ГОСТ 166-89 |
Контроль длины и ширины скользуна |
|
Штангенциркуль |
ШЦ-1-125-0.1 ГОСТ 166-89 |
Контроль высоты скользуна |
|
Шаблон буксового проема |
Т 914.004 допускается штангенциркуль ШЩ-ШО-400 ГОСТ 166-89 |
Контроль ширины буксового проема и ширины направляющих букс |
|
Штанген базового размера |
Т 914.01.000 |
Контроль базового размера боковой рамы |
|
Штанген ФП |
Т 914.02.000 |
Контроль размера между фрикционными планками. Контроль уширения и контроль износа фрикционных планок |
|
Штанген |
Т 914.03.000 |
Контроль разности размеров от плоскости установки фрикционной планки до внутренней плоскости наружной челюсти |
|
Щуп № 4 |
ТУ 2-034-022 1197-01191 |
Контроль прилегания фрикционных планок |
|
Шаблон фрикционного клина |
Т 914.09.000 |
Контроль длины основания (полноты) фрикционного клина и контроль угла 90º, контроль угла 45°, износ наклонной и вертикальной плоскостей клина |
|
Штангенциркуль |
ЩЦ-1-125-0.1 ГОСТ 166-89 |
Контроль толщины вертикальной стенки клина |
|
Лупа четырёхкратного увеличения |
Покупная ГОСТ 25706-83 |
Контроль поверхности пружин |
|
Измерительная линейка 300 |
ГОСТ 427-75 |
Контроль высоты пружины в свободном состоянии |
|
Калибр-пробка или калибр-стакан |
Покупная |
Контроль внутреннего диаметра наружных пружин, контроль наружного диаметра внутренних пружин |
|
Штангенциркуль |
ШЦ-1-125-0.1 ГОСТ 166-89 |
Контроль разности между минимальным и максимальным шагом пружины |
|
Угольник |
УП-2-250 ГОСТ 3449-77 или измерительная линейка - 300 ГОСТ 427-75 |
Контроль перпендикулярности опорных поверхностей пружины по отношению к оси |
|
Приспособление |
Т 914.18.000 |
Определение положения клина относительно надрессорной балки в ВЧД |
|
Приспособление |
Т 914.19.000 |
Определение положения клина относительно опорной поверхности надрессорной балки в эксплуатации |
|
|
Т 914.009 |
Шаблон для контроля допустимых износов буксового проема при КР и ДР |
|
Универсальный шаблон |
Т 914.20.000 |
Контроль допустимых размеров фрикционного клина ТУ 32 ЦВ 2505-2000 (без изменений) |
|
Приспособление |
Т 914.21.000 |
Замер зазоров между скользунами |
|
Шаблон |
Т 914.004 |
Контроль ширины направляющих буксового проема ТУ 32 ЦБ 2018-95 |
|
Приспособление |
Т 1328 |
Контроль размеров корпуса буксы ТУ 32 ЦВ 2503-2000 |
|
Приспособление |
Т 1354 или измерительная линейка металлическая 1000 мм ГОСТ 427-75 |
Определение несимметричности направляющих буртов призмы |
Примечание. Порядок выполнения измерений изложен в технических условиях на изготовление шаблонов, а также в руководящем документе: «Методика выполнения измерений надрессорной балки, боковых рам, пружин и рессорного комплекта при проведении плановых видов ремонта тележек 18-100» РД 32 ЦВ 050-2005.
Таблица Г.1
|
Наименование |
Номер |
Дата утверждения |
|
1 |
2 |
3 |
|
1 Тележки двухосные грузовых вагонов магистральных железных дорог колеи 1520 (1524) мм. Технические условия |
ГОСТ 9246 |
ГОСТ 9246-79 |
|
2 Пружина рессорного комплекта |
ГОСТ 1452 |
ГОСТ 1452-2003 |
|
3 Заклепки с полупотайной головкой классов точности В и С |
ГОСТ 10300 |
ГОСТ 10300-80 |
|
4 Инструкция осмотрщику вагонов |
ЦВ-ЦЛ-408 |
10.12.96 г. |
|
5 Руководство по деповскому ремонту грузовых вагонов колеи 1520 мм |
ЦВ/587 |
21.08.98 г. |
|
6 Руководство по капитальному ремонту грузовых вагонов колеи 1520 мм |
ЦБ/627 |
30.12.2005 г. |
|
7 Инструкция по осмотру, освидетельствованию, ремонту и формированию вагонных колесных пар |
ЦВ/3429 |
31.12.76 г. |
|
8 Инструкция по ремонту тормозного оборудования вагонов |
ЦВ-ЦЛ-945 |
27.06.2003 г. |
|
9 Инструкция по эксплуатации тормозов подвижного состава железных дорог |
ЦТ-ЦВ-ЦЛ ВНИИЖТ/277 |
16.05.96 г. |
|
10 Типовой технологический процесс на ремонт соединительной балки четырехосной тележки |
ТК-232 ПКБ ЦВ |
05.06.96 г. |
|
11 Технологическая инструкция на ремонт сваркой наклонных плоскостей надрессорной балки тележки ЦНИИ-ХЗ модели 18-100 |
№ 542 ПКБ ЦВ |
03.10.91 г. |
|
12 Типовой технологический процесс деповского ремонта тележек грузовых вагонов |
ТК-250 |
|
|
13 Шаблон для проверки фрикционного клина |
черт. Т 914.09.000 ПКБ ЦВ |
28.03.96 г. |
|
14 Инструкция по сварке и наплавке при ремонте грузовых вагонов |
ЦВ 201-98 |
|
|
15 Инструктивные указания по эксплуатации и ремонту вагонных букс с роликовыми подшипниками с изменениями и дополнениями |
3-ЦВРК 32 ЦВ-ЦЛ-ВНИИЖТ-11.00.01-25/01-2003 |
01.04.2001 г. |
|
16 Установка износостойких элементов в узлы тележки модели 18-100 при плановых видах ремонта |
М 1698 |
|
|
17 Типовой технологический процесс ремонта скользунов |
ТК-230 |
22.03.96 г. |
|
18 Комплект документов на Типовой технологический процесс ремонта узла пятник-подпятник |
ТК-231 ПКБЦВ |
27.03.96 г. |
|
19 Триангель рычажной передачи тележек грузовых вагонов |
Р001 ПКБ ЦБ-97 РК |
05.11.97 г. |
|
20 Неразрушающий контроль деталей вагонов. Общие положения |
РД 32 174-2001 г. |
|
|
21 Феррозондовый метод неразрушающего контроля |
РД 32 149-2000 г. |
|
|
22 Вихревой метод неразрушающего контроля деталей вагонов |
РД 32 150-2000 г. |
|
|
23 Магнитно-порошковый метод неразрушающего контроля деталей грузовых и пассажирских вагонов |
РД 32 159-2000 г. |
|
|
24 Методика испытаний на растяжение. Детали грузовых и пассажирских вагонов |
№ 656-2000 г. ПКБ ЦВ МПС России |
|
|
25 «Норм для расчета и проектирования вагонов железных дорог МПС колеи 1520 мм» (несамоходных) |
Издание 1996 г. г. Москва ГосНИИВ-ВНИИЖТ |
|
|
26 «Методика выполнения измерений надрессорной балки, боковых рам, пружин и рессорного комплекта при проведении плановых видов ремонта тележек 18-100» |
РД 32 ЦВ 050-2005 |
08.01.2005 г. |
|
27 Стандарт отрасли. Тележки двухосные грузовых вагонов колеи 1520 мм. Детали литые. Рама боковая и балка надрессорная. Технические условия |
ОСТ 32 183 |
ОСТ 32.183-2001 |
|
28 Руководящий документ. Ремонт тележек грузовых вагонов модели 18-100 с установкой износостойких элементов в узлах трения |
РД 32 ЦВ 072-2005 |
12.10.2005 г. |
|
29 Руководящий документ. Ремонт тележек модели 18-100 с упруго-катковыми скользунами грузовых вагонов |
РД 32 ЦВ 082-2006 |
23.10.2006 |
|
30 Унифицированная технологическая инструкция по восстановлению износостойкой наплавкой надрессорных балок грузовых вагонов |
ТИ-05-01-06/НБ |
28.04.2006 г. |
Таблица Г.1. (Измененная редакция, Изм. № 6).