Указания рекомендуют типы конструктивных исполнений косынок, ребер жесткости и диафрагм для металлоконструкций котлов, а также соотношения между основными их размерами.
| Обозначение: | РД 24.031.18-88 |
| Название рус.: | Методические указания. Выбор конструкции косынок, ребер жесткости, диафрагм стальных конструкций паровых котлов |
| Статус: | действует |
| Заменяет собой: | ОСТ 108.360.07-78 ОСТ 108.360.106-78 ОСТ 108.360.107-78 ОСТ 108.360.49-78 |
| Дата актуализации текста: | 05.05.2017 |
| Дата добавления в базу: | 21.05.2015 |
| Дата введения в действие: | 01.01.1991 |
| Утвержден: | 27.12.1988 Министерство тяжелого, энергетического и транспортного машиностроения СССР (ВА-002-1/14209) |
| Ссылки для скачивания: |
РУКОВОДЯЩИЙ ДОКУМЕНТ ПО СТАНДАРТИЗАЦИИ
|
МЕТОДИЧЕСКИЕ УКАЗАНИЯ |
РД |
Дата введения 01.01.91
Настоящие методические указания рекомендуют типы конструктивных исполнений косынок, ребер жесткости и диафрагм для металлоконструкций котлов, а также соотношения между основными их размерами.
Методические указания предназначены для предприятий и организаций Минтяжмаша СССР, занимающихся проектированием и изготовлением этих конструкций.
СОДЕРЖАНИЕ
1.1. Марки сталей выбираются в зависимости от условий эксплуатации с учетом положений РД 24.030.142-88.
1.2. Технические требования - по ОСТ 108.030.30-79.
2.1. Рекомендуется применять косынки шести типов, ребра жесткости пяти типов, диафрагмы шести типов.
2.2. Косынки треугольного типа приведены на черт. 1 - 3:
тип 1 - при отношении В1/Н1 = 1 (см. черт. 1);
тип 2 - при отношении В1/Н1 = 3/5 (см. черт. 2);
тип 3 - при отношении В1/Н1 - 3/4 (см. черт. 3).
Размеры Н1 для косынок типа 1 и 2 выбираются кратными 25, типа 3 - кратными 20; размер b выбирается равным 15 мм, допускается 25 мм.
Для шестиугольных косынок (тип 4, черт. 4) размеры H, В и В1 выбираются кратными 50, размер h - кратным 25.
Для трапециевидных косынок (тип 5 и 6, черт. 5 и 6) размеры Н и В выбираются кратными 50, размеры Н1 и В1 - кратными 25.
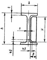
2.3. Конструкции ребер жесткости приведены на черт. 7 - 11 (тип 1 - 5).

a, б - варианты исполнения: все размеры указаны в варианте а

a, б - варианты исполнения; все размеры указаны в варианте а

а, б - варианты исполнения: все размеры указаны в варианте а








Размеры для ребер жесткости типа 1, 3 и 5 определяются по формулам:
|
H = h - (2t + 3); В = (b - s) 2 - 10 - для ребер жесткости типа 3 и 5; В - b - (s + 10) - для ребер жесткости типа 1. |
Основные размеры двутавров (ребра жесткости типа 3 и 5) - по ГОСТ 26020-83, швеллеров (ребра жесткости типа 1) - по ГОСТ 8240-72.
Рекомендуемые размеры для ребер жесткости типа 2 и 4 (см. черт. 8 и 10) приведены в табл. 1 и 2.
Размеры ребер жесткости типа 2 для швеллеров по ГОСТ 8240-72
мм
|
Номер швеллера по ГОСТ 8240-72 |
H |
В |
c |
s1* |
|
10 |
88 |
40 |
4 |
6 |
|
12 |
107 |
45 |
4 |
6 |
|
14 |
128 |
50 |
4 |
о |
|
16 |
145 |
55 |
4 |
6 |
|
20 |
185 |
65 |
6 |
6 |
|
24 |
225 |
80 |
6 |
8 |
|
30 |
285 |
90 |
8 |
8 |
________
Размеры ребер жесткости типа 4 для двутавров по ГОСТ 8239-72
мм
|
Размеры балки по ГОСТ 8239-72 |
H |
В |
c |
|
16 |
145 |
36 |
5 |
|
20 |
185 |
45 |
5 |
|
24 |
225 |
50 |
5 |
|
30 |
285 |
60 |
5 |
|
36 |
340 |
65 |
7 |
|
45 |
425 |
70 |
7 |
|
55 |
522 |
80 |
7 |
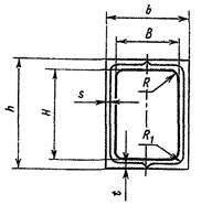
2.4. Конструкции диафрагм должны соответствовать приведенным на черт. 12 - 17 (тип 1 - 6).


Черт. 13

Черт. 14

Черт. 15

Черт. 16

Размеры диафрагм типа 1 и 2 (для швеллеров и двутавров с непараллельными гранями полок) даны в табл. 3 и 4.
Размеры диафрагм типа 1 для швеллеров по ГОСТ 8240-72
мм
|
Номер швеллера по ГОСТ 8240-72 |
Н |
В |
с |
R |
|
10 |
86 |
80 |
4 |
8 |
|
12 |
106 |
92 |
4 |
8 |
|
14 |
126 |
104 |
4 |
8 |
|
16 |
146 |
115 |
5 |
8 |
|
20 |
186 |
138 |
7 |
12 |
|
24 |
225 |
166 |
8 |
12 |
|
30 |
284 |
184 |
9 |
12 |
Размеры диафрагм типа 2 для двутавров по ГОСТ 8239-72
мм
|
Номер балки по ГОСТ 8239-72 |
Н |
В |
с |
R |
|
12 |
106 |
56 |
4 |
8 |
|
14 |
126 |
65 |
4 |
8 |
|
16 |
146 |
73 |
5 |
8 |
|
20 |
186 |
92 |
6 |
12 |
|
24 |
225 |
106 |
7 |
12 |
|
30 |
284 |
126 |
9 |
12 |
|
36 |
340 |
134 |
9 |
14 |
|
55 |
523 |
168 |
10 |
18 |
Размеры диафрагм типа 3, 4 и 5 определяются по формулам;
|
Н = h - (2t + 3), В = b - (2s + 3) - для диафрагм типа 3; В = b - (s + 3); - для диафрагм типа 4 и 5; R = R1; c = 25 мм; допускается 50 мм. |
Основные размеры швеллеров и двутавров - по ГОСТ 8240-72 и ГОСТ 26020-83.
Косынка

Ребро жесткости

Для составных сечений, соединенных листами или планками (см. черт. 17), размер В увеличивается на величину зазора между профилями b1:
|
В1 = В + b1 |
2.5. Толщина s1 определяется расчетом или назначается конструктивно.
При конструктивном выборе толщина косынок и ребер жесткости должна быть равна или больше; l/80 или h/15 для косынок (черт. 18); H/80 или В/15 для ребер жесткости (черт. 19). Причем за толщину принимается меньшая из двух величин, округленная в бо́льшую сторону до толщины листа или полосы по сортаменту.
При конструктивном выборе толщина диафрагм принимается равной толщине наиболее тонкой стенки сечения, округленной в большую сторону до толщины листа по сортаменту.
При использовании диафрагмы в качестве заглушки ее толщина выбирается по минимально возможному катету сварного шва.
2.6. При необходимости все элементы могут выполнятся с отверстиями, диаметры и привязки которых указываются на рабочих чертежах.
2.7. Необходимость подрезки второго угла косынок определяется конструктивно и указывается на чертеже.
2.8. Допускаются другие обусловленные конструктивной необходимостью или экономической целесообразностью тины исполнений косынок, ребер жесткости и диафрагм для металлоконструкций котлов.