Рекомендации распространяются на проектирование стационарных автоматических установок водяного пожаротушения масляных силовых трансформаторов, автотрансформаторов и реакторов новых и реконструируемых ГЭС (ГАЭС), ТЭС, ОРУ и подстанций.
| Обозначение: | РД 34.49.104 |
| Название рус.: | Рекомендации по проектированию автоматических установок водяного пожаротушения масляных силовых трансформаторов |
| Статус: | действует |
| Дата актуализации текста: | 05.05.2017 |
| Дата добавления в базу: | 01.09.2013 |
| Дата введения в действие: | 01.01.1993 |
| Утвержден: | 04.12.1991 Главтехстрой Минэнерго СССР |
| Опубликован: | Гидропроект (1992 г. ) |
| Ссылки для скачивания: |
РЕКОМЕНДАЦИИ ПО ПРОЕКТИРОВАНИЮ
АВТОМАТИЧЕСКИХ УСТАНОВОК
ВОДЯНОГО ПОЖАРОТУШЕНИЯ
МАСЛЯНЫХ СИЛОВЫХ ТРАНСФОРМАТОРОВ
РД 34.15.109-91
МОСКВА 1992
«Рекомендации по проектированию автоматических установок водяного пожаротушения масляных силовых трансформаторов» разработаны объединениями «Гидропроект» и «Теплоэлектропроект» с учетом гидравлических исследований оросителей типа ОПДР-15, проведенных ВНИИПО МВД СССР по договору с объединением «Гидропроект», и согласованной с ГУПО МВД СССР интенсивностью подачи распыленной воды при пожаротушении трансформатора.
ИСПОЛНИТЕЛИ
|
От объединения «Гидропроект»: Главный специалист технического отдела В. Л. Егоров - руководитель темы. Главный специалист-электрик технического отдела Л.М. Зорин |
От объединения «Теплоэлектропроект»: Главный специалист технического отдела Г.А. Котов. Главный специалист-электрик технического отдела В.В. Шатров Начальник группы технического отдела Д.С. Никонов |
Работа одобрена ВНИИПО МВД СССР письмом от 17.02.91 г. № 3.1/469, ВНИПИЭнергопромом 12.12.91 г. № 07026 П/694, Атомэнергопроектом 5.12.91 г. № 21051-6/03-189.
|
Министерство энергетики и электрификации СССР (Минэнерго СССР) |
РУКОВОДЯЩИЙ ДОКУМЕНТ |
РД 34.15.109-91 |
|
Рекомендации по проектированию автоматических установок водяного пожаротушения масляных силовых трансформаторов |
Впервые |
|
Разработаны объединениями: «Гидропроект» «Теплоэлектропроект» |
Утверждены Главтехстроем Минэнерго СССР 4 декабря 1991 г. |
Срок введения 1 января 1993 г. |
1.1. Настоящие рекомендации распространяются на проектирование стационарных автоматических установок водяного пожаротушения (АУВП) масляных силовых трансформаторов, автотрансформаторов и реакторов (в дальнейшем «трансформаторов») новых и реконструируемых ГЭС (ГАЭС), ТЭС, ОРУ и подстанций.
1.2. В рекомендациях используются термины и определения основных понятий пожарной безопасности и пожарной техники по ГОСТ 12.1.033-81 и ГОСТ 12.2.047-86.
1.3. Необходимость оборудования трансформаторов стационарными автоматическими установками пожаротушения определяется:
- «Перечнем зданий, помещений и сооружений предприятий Минэнерго СССР, подлежащих оборудованию установками автоматического пожаротушения и установками автоматической пожарной сигнализации», утвержденным в установленном порядке;
- Правилами устройства электроустановок (ПУЭ).
Оборудование установками автоматического пожаротушения трансформаторов меньшей мощности и меньшего напряжения, чем указано в вышеназванных документах, допускается по требованию заказчика.
1.4. Автоматическая установка водяного пожаротушения (АУВП) трансформатора включает установку водяного пожаротушения (УВП) и систему ее автоматического управления (САУ).
САУ пожаротушения трансформатора может совмещаться с САУ установок водяного пожаротушения другого оборудования и помещений.
2.1. УВП трансформаторов состоит из водопитателя, системы трубопроводов с отдельными секциями (направлениями) по числу единиц трансформаторов (как трехфазных, так и однофазных).
Каждая секция (направление) УВП состоит из подводящего трубопровода, запорно-пускового устройства (ЗПУ) и сухотрубной системы, состоящей из питательного трубопровода и сети распределительных трубопроводов с дренчерными оросителями.
2.2. Установки водяного пожаротушения (УВП) на электростанциях и подстанциях используют систему противопожарного водоснабжения (СВП) с комплексом сооружений, предназначенных для забора, подачи, транспортирования и хранения воды (водоисточники, водопитатели и магистральные трубопроводы, выполняющие функции подводящих трубопроводов УВП).
Указанный комплекс сооружений является, как правило, общим для УВП отдельных пожароопасных объектов и оборудования электростанции (трансформаторы, кабельные сооружения, гидро- и турбогенераторы, склады горючих жидкостей и сгораемых материалов и т.п.).
УВП может быть также автономной для отдельных сооружений и оборудования (трансформаторы на ОРУ, кабельные сооружения).
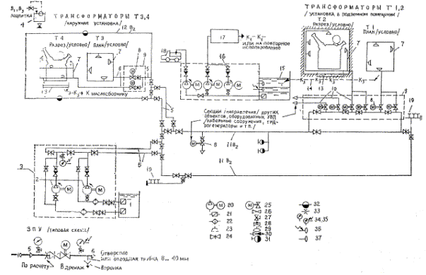
Принципиальная технологическая схема УВП трансформатора с системой отвода стока приведена в рекомендуемом приложении 1.
Принципиальные электрические схемы АУВП трансформатора и системы отвода стока приведены в рекомендуемых приложениях 2 и 3.
2.3. АУВП трансформатора по времени срабатывания классифицируется как инерционная с продолжительностью срабатывания 30 с, но не более 3 минут.
Указанный предел инерционности (время с момента принятия установкой фактора пожара до момента поступления воды из наиболее удаленного оросителя) является критерием при гидравлических расчетах протяженности и диаметров сухотрубной системы УВП.
2.4. Расчетное время пожаротушения одного трансформатора принимается 10 минут, после чего установка отключается вручную. Запас воды должен обеспечивать бесперебойную работу АУВП в течение 30 минут.
Автоматическое отключение АУВП следует предусматривать через 30 минут после начала ее работы при использовании водоисточника, имеющего запас воды более требуемого.
2.5. Расчетный расход воды УВП трансформатора должен приниматься по наибольшему расходу, требующемуся на пожаротушение наибольшего по вместимости масла трансформатора.
Расчетный расход воды в системе противопожарного водопровода (СВП) при пожаротушении трансформатора определяется согласно требованиям письма УПБ и ВОХР Минэнерго СССР от 25.04.88 № ПБ 6/88 (Приложение 11) при открытой установке трансформатора по формуле (4), а при закрытой установке трансформатора в отдельном помещении наземных и подземных зданий - по формуле (5).
Расчетный расход воды в СВП принимается по наибольшему расходу, требующемуся на пожаротушение одного пожароопасного объекта, с учетом предусмотренного проектом использования единой системы водоснабжения для автоматического пожаротушения трансформаторов, кабельных сооружений и других объектов, при площади территории до 150 га.
2.6. В проектах пожаротушения трансформаторов следует предусматривать возможность их ремонта и испытаний УВП в автоматическом, дистанционном и местном режимах управлениях.
Например: фланцевые соединения на распределительных трубопроводах, съемные уплотнения или разборная заделка на рельсовых путях на границе маслоприемника для обеспечения выкатки трансформатора, врезки труб с заглушками или арматурой для промывки системы с учетом отвода и приема промывной воды и т.д.
2.7. Опознавательная окраска оборудования, арматуры и трубопроводов УВП производится в соответствии с требованиями ГОСТ 14202-69 и ГОСТ 12.4.026-76.
2.8. На стадии ТЭО и ТЭР должны быть перечислены трансформаторы, оснащенные АУВП, с описанием примененных технических средств (оборудования, арматуры и средств обнаружения пожара).
На стадии «Проект» должны разрабатываться принципиальные электрическая и технологическая схемы (Приложения рекомендуемые 1, 2 и 3).
На чертежах планов и разрезов следует указывать геометрические размеры (привязки) обвязки трубопроводов, арматуры и оросителей УВП, а при установке трансформаторов в закрытых помещениях следует указывать также привязки пожарных извещателей.
В рабочих чертежах размеры привязок должны согласовываться с чертежами освещения (прокладка проводов, расстановка светильников в помещениях трансформаторов).
2.9. Установка водяного пожаротушения должна быть обеспечена бесперебойным снабжением водой.
2.10. В случаях, когда водоисточник не может обеспечить расчетного количества воды для УВП, должны предусматриваться резервуары с неприкосновенным противопожарным запасом воды, обеспечивающим работу УВП в течение 30 минут.
2.11. Водоисточники и резервуары с противопожарными запасами воды принимаются в соответствии с требованиями СНиП 2.04.02-84 и СНиП 2.04.01-85.
2.12. В качестве водопитателей, входящих в состав УВП, используются пожарные насосы, устанавливаемые в отдельной насосной станции (НС) или в насосных станциях другого назначения, а также водонапорные резервуары, обеспечивающие расчетные расходы и давления воды.
2.13. В системе подводящих трубопроводов УВП, не обеспеченных постоянным давлением, для поддержания необходимого давления воды и восполнения утечек следует предусматривать установку водонапорного бака или соединение с сетями водопроводов различного назначения с гарантированным давлением воды.
На соединительных трубопроводах должны устанавливаться обратные клапаны.
2.14. Емкость водонапорного бака должна приниматься не менее 3 м3.
2.15. Трубопроводы УВП подразделяются на подводящие, питательные и распределительные.
2.15.1. Подводящий трубопровод - трубопровод, соединяющий водопитатель (насосы) с запорно-пусковым устройством секции УВП.
Подводящий трубопровод, как правило, состоит из следующих участков: от водопитателя (насосов) до кольцевой магистрали, кольцевая магистраль, от кольцевой магистрали до запорно-пускового устройства.
2.15.2. Подводящий трубопровод УВП должен быть оборудован отводами с арматурой для передвижной пожарной техники в случае отсутствия на нем гидрантов.
2.15.3. Питательный трубопровод - трубопровод, соединяющий запорно-пусковое устройство с распределительным трубопроводом.
2.15.4. Для УВП трансформатора термин «распределительный трубопровод» определяется как система трубопроводов, на которых установлены дренчерные оросители, обеспечивающие орошение распыленной водой основания и верхней части высоковольтных вводов, поверхности бака трансформатора, бачка-расширителя, выносных охладителей и маслоприемника с нормативной интенсивностью.
2.16. Система подводящих, распределительных и питательных трубопроводов УВП должна выполняться из стальных труб по ГОСТ 10704-76* и ГОСТ 3262-75* со сварными и фланцевыми соединениями. Толщина стенок трубопроводов принимается согласно требованиям СНиП 2.04.09-84.
2.17. В помещениях питательный трубопровод УВП трансформатора следует прокладывать открыто с учетом возможности его осмотра при опробовании установки.
2.18. Прокладку внутренних трубопроводов УВП следует предусматривать открыто по фермам, колоннам, стенам и под перекрытиями. Закладка этих труб в монолитный бетон не допускается.
2.19. Подводящие трубопроводы, как правило, должны объединяться с сетями производственного, противопожарного или хозяйственно-питьевого водопровода.
Устройство самостоятельных подводящих трубопроводов допускается только в том случае, когда объединение их с водопроводами другого назначения экономически нецелесообразно или невозможно по технологическим требованиям.
2.20. Подводящие трубопроводы (наружные и внутренние) должны быть кольцевыми.
Кольцевые подводящие трубопроводы следует разделять задвижками на ремонтные участки. Размещение запорной арматуры должно обеспечивать отключение не более трех запорно-пусковых устройств УВП и пяти пожарных гидрантов на наружной сети или пяти пожарных кранов на внутренней сети, расположенных на одном этаже.
Допускается устройство тупиковых подводящих трубопроводов протяженностью не более 200 м при условии подачи по ним воды не более, чем в три секции. При этом на наружном участке может устанавливаться один пожарный гидрант, а на внутреннем - не более пяти пожарных кранов.
Прокладка подводящих трубопроводов по пожароопасным помещениям, защищаемым УВП, не допускается. Подводящие трубопроводы должны быть всегда заполнены водой и прокладываться в помещениях с температурой воздуха выше +4 °С.
2.21. Питательные и распределительные трубопроводы прокладываются с уклоном не менее 0,01 для труб диаметром до 50 мм, и не менее 0,005 - для труб диаметром более 50 мм в сторону слива.
Спускные устройства устанавливаются в отапливаемых помещениях, колодцах.
Питательные и распределительные трубопроводы являются сухотрубами. Для предотвращения размораживания сухотрубов при попадании в них воды следует предусматривать открытый слив с обеспечением визуального контроля наличия воды, диаметр отверстия в сухотрубе для слива следует принимать от 8 до 10 мм.
2.22. Для снижения давления воды перед оросителями до расчетного следует использовать увеличение сопротивления питательных и распределительных трубопроводов и арматуры за счет уменьшения их расчетных диаметров и устанавливать диафрагмы (в случае необходимости, для окончательной доводки давления, когда изменение диаметра труб ведет к усложнению системы) с диаметром отверстия не менее 40 мм. При этом скорость воды в указанных трубопроводах допускается не более 10 м/с.
Диафрагмы рекомендуется устанавливать во фланцевых соединениях запорно-пусковых устройств со стороны подводящих трубопроводов.
Использование для снижения давления воды специальных клапанов и дросселирование задвижкой не допускается.
2.23. Для наружной установки трансформаторов систему распределительных трубопроводов целесообразно конструктивно выполнять в виде трубной обвязки (рамной конструкции) с фланцевыми соединениями для разборки при выкатке трансформатора.
Конструкция рамы выполняется с учетом размещения оросителей для защиты трансформатора.
Для открыто установленных трансформаторов рама крепится на отдельных бетонных фундаментах, а на ГЭС - к бетонному перекрытию или основанию площадки трансформатора.
Для трансформаторов, установленных в закрытых помещениях, при проектировании системы распределительных трубопроводов следует учитывать возможность трассировки распределительных трубопроводов с креплением на стенах и потолке.
2.24. Трубная обвязка трансформатора распределительными трубопроводами и расстановка на них оросителей должны учитывать минимальные допустимые расстояния до токоведущих частей трансформатора, согласно ПУЭ, а также удобство монтажа и эксплуатации системы.
2.25. Гидравлический расчет трубопроводов УВП следует производить в соответствии с рекомендациями СНиП 2.04.09-84 исходя из необходимости обеспечения минимального рабочего давления у наиболее удаленного и высокорасположенного оросителя.
2.26. Гидравлические расчеты сухотрубной системы (питательного и распределительного трубопровода) с определением времени заполнения сухотруба водой производятся из условий нормированной инерционности и времени открытия ЗПУ, согласно рекомендациям [15].
Для ориентировочных расчетов продолжительность заполнения сухотруба водой можно определить по следующим формулам:
τ = τ0 + t · 0,15 £ 180 [с], (1)
где τ0 - время заполнения сухотруба без учета времени открытия ЗПУ; t - полное время открытия ЗПУ (задвижки с электроприводом); 0,15 - коэффициент, учитывающий накладку временных факторов заполнения сухотрубов и открытия ЗПУ (15 % от полного открытия ЗПУ) [15]; 180 - допустимое время заполнения сухотруба водой;
τ0
= 2[(k + А · L · ω2 + b ·
ω2)3/2 - (k + bω2)3/2/3Аω2
, (2)
где А = 0,001735/d5,3 - удельное сопротивление заполняемого водой трубопровода [с2/м6]; d - расчетный (внутренний) диаметр трубопровода [м]; ω - поперечное сечение трубопровода [м2]; L - длина трубопровода [м]; а и b - коэффициенты, характеризующие тип насоса [м] и [с2/м6]; Нгнас - геометрическая высота размещения оси пожарного насоса относительно отметки забора воды [м]; Нгзпу - геометрическая высота размещения «сухотруба» относительно отметки оси пожарного насоса [м]; k = 1 + Σζ/2g; Σζ - сумма коэффициентов местных сопротивлений.
Значения а и b, характеризующие тип пожарного насоса, определяются из системы уравнений:
(3)
где Н1, 2,..., м и Q1, 2, м3/с - значения с характеристики выбранного насоса.
2.27. Предельная длина наземного сухотруба, обусловленная отрицательными температурами наружного воздуха в зимнее время, должна определяться расчетом [18].
Таблицы для расчетов приведены в рекомендуемом приложении 10.
2.28. В качестве запорно-пусковых устройств УВП могут применяться стальные задвижки с электроприводом, а также быстродействующие клапаны, при согласовании их поставки заводами-изготовителями.
Давление воды перед задвижкой с электроприводом должно быть не менее 0,02 МПа (0,2 кг/см2), а перед клапанами - не менее 0,2 МПа (2 кг/см2).
2.29. На секциях (направлениях) УВП трансформатора, как правило, предусматривается устройство одного питательного трубопровода с установкой запорно-пускового устройства (ЗПУ) без резерва.
Для УВП трансформаторов, размещаемых в здании ГЭС и под ее водосливом, а также в подземных помещениях следует резервировать ЗПУ с трубопроводами подачи воды в распределительную сеть с установкой ремонтной (отключающей) арматуры на магистральном трубопроводе.
Аналогичные решения следует предусматривать для открыто установленных трансформаторов мощностью 400 MB · А и более и напряжением 330 кВ и выше.
2.30. Запорно-пусковые устройства рекомендуется группировать в узлы управления с учетом целесообразной длины питательного трубопровода и нормированной инерционности УВП.
2.31. Узлы управления и отдельные ЗПУ трансформаторов должны располагаться:
- в отдельных помещениях согласно требованиям п. 2.41 СНиП 2.04.09-84;
- открыто, не ближе 15 м до установленного снаружи трансформатора при температуре наружного воздуха +5 °С и выше;
- в производственных помещениях категории Г и Д в местах, удобных для обслуживания и безопасных при пожаре на трансформаторе. Установка перегородок, отделяющих узлы и ЗПУ от производственных помещений, в этом случае не требуется.
2.32. Не допускается размещать узлы управления и отдельные запорно-пусковые устройства в помещениях, подвалах и колодцах, которые при авариях могут быть затоплены водой или залиты нефтепродуктами, а также в помещениях, защищаемых УВП.
2.33. На секциях УВП перед ЗПУ следует устанавливать ремонтные стальные задвижки с ручным приводом.
В качестве ремонтных задвижек в узлах управления допускается использовать разделительные задвижки подводящих кольцевых трубопроводов из расчета отключения на ремонт не более трех секций УВП трансформатора.
2.34. Для защиты трансформаторов распыленной водой следует применять дренчерные оросители типа ОПДР-15 по ТУ 25-09.059-82 (Приложение 4. Обязательное).
2.35. Расположение оросителей на распределительных трубопроводах УВП должно обеспечивать орошение распыленной водой защищаемой поверхности с интенсивностью не менее 0,2 л/с · м2.
2.36. Оросители рекомендуется устанавливать не менее чем в два яруса.
Для орошения высоковольтных вводов устанавливаются отдельные оросители на стояках.
Целесообразно устанавливать оросители под углами 0; 45 и 90 градусов к защищаемой поверхности (см. приложение 12 рекомендуемое).
Установка оросителей на трубопроводе приведена в приложении 5 рекомендуемом.
2.37. Расход воды через отдельный ороситель определяется в зависимости от давления воды перед ним согласно его расходной характеристике Q - Н, приведенной в приложении 6 обязательном.
2.38. Эффективные условия орошения (длина и ширина факела) обеспечиваются при рабочем давлении воды перед оросителями в пределах 0,2 ... 0,6 МПа (2 ... 6 кг/см2), исходя из чего ведется гидравлический расчет трубопроводов.
2.39. Необходимое количество оросителей принимается по картам орошения, приведенным в приложении 7 обязательном, с учетом средней интенсивности, но не менее определяемого расчетом по формуле:
n = S · 0,2/Q, (4)
где п - необходимое для тушения пожара количество оросителей [шт];
S - защищаемая оросителями площадь поверхности [м2];
0,2 - нормативная интенсивность орошения [л/с · м2];
Q - расход воды, подаваемый через ороситель [л/c], определяется согласно приложению 6 обязательному.
2.40. Ведение расчетов с определением необходимого количества оросителей рекомендуется производить в табличной форме.
Таблицу следует приводить на технологическом чертеже с размещением оросителей и графическим отображением зон действия каждого оросителя.
Пример проектного решения расстановки оросителей дан в приложении 12 рекомендуемом.
3.1. Автоматика водяного пожаротушения трансформатора состоит из средств:
- обнаружения пожара;
- управления пожарными насосами, ЗПУ, вентиляцией (при закрытой установке трансформатора);
- сигнализации, контролирующей исправность и срабатывание устройств пожаротушения трансформатора.
3.2. Автоматический пуск УВП трансформатора должен предусматриваться от следующих защит, действующих на отключение трансформатора:
- 2-й ступени газовой защиты;
- дифференциальной защиты;
- устройства контроля изоляции вводов (КИВ) для блочных трансформаторов, соединенных с генераторами без выключателей; для трансформаторов, устанавливаемых в помещениях, и для трансформаторов, устанавливаемых на объектах без постоянного обслуживающего персонала.
Последовательное включение пусковых органов указанных защит, запускающих установку пожаротушения, не допускается.
3.3. Помещение, в котором размещается трансформатор с АУВП, должно быть оснащено автоматической пожарной сигнализацией (АПС) для защиты трансформаторов при возникновении пожара.
АПС помещений, в которых устанавливаются трансформаторы, выполняет следующие функции:
- сигнализация на объектах с постоянным обслуживающим персоналом;
- отключение трансформаторов и пуск установки пожаротушения на объектах без постоянного обслуживающего персонала.
3.4. При срабатывании цепи пуска установки пожаротушения трансформатора от средств обнаружения пожара и при дистанционном управлении должны подаваться сигналы:
- в систему автоматического управления водяного пожаротушения БЩУ, ЦЩУ, ЦПУ и др.;
- на открытие ЗПУ (при установке двух ЗПУ на трансформатор для каждого ЗПУ подается отдельный сигнал);
- на закрытие отсечного клапана расширительного бака трансформатора;
- на отключение вентиляции и закрытие огнезащитных клапанов в помещении, где установлен трансформатор.
3.5. По надежности электроснабжения насосная станция АУВП относится к приемникам электрической энергии 1-й категории и должна быть обеспечена электропитанием от двух независимых источников.
Электрическая схема питания насосных агрегатов должна выполняться таким образом, чтобы при выводе в ремонт одного из источников обеспечивалась подача необходимого расхода воды на пожаротушение.
Взаимо резервируемые кабельные линии питания насосной следует прокладывать по разным трассам, с таким расчетом, чтобы при аварии или пожаре не могли выйти из строя одновременно обе питающие кабельные линии.
3.6. Схема управления пожарными насосами должна обеспечивать:
- пуск и останов пожарных насосов при получении команды от системы автоматического управления водяного пожаротушения;
- пуск и останов пожарных насосов при получении команды от дистанционного управления из помещения оперативного контура (ЦПУ, ЦЩУ, БЩУ и др.);
- сигнализацию в оперативный контур о пуске пожарных насосов и о наличии нормального давления в магистральном трубопроводе;
- обобщенную сигнализацию в оперативный контур об аварии и неисправности в насосной станции пожаротушения;
- пуск и останов (опробование) каждого насосного агрегата из насосной станции;
- останов насоса и блокировка команд на его запуск при срабатывании технологических и электрических защит насосного агрегата;
- контроль питания двигателей насосов и схем их управления;
- пуск резервного (резервных) насоса при отказе в пуске или аварии рабочего (рабочих) насоса;
- контроль питания схемы управления насосной станции пожаротушения.
3.7. Питание привода ЗПУ - задвижки с электроприводом должно осуществляться от сборки переменного тока, имеющей питание от двух независимых источников с АВР.
В случае установки двух задвижек питание электроприводов должно осуществляться от разных сборок переменного тока, имеющих независимые источники питания.
При использовании в качестве ЗПУ быстродействующего клапана соленоид управления клапана должен быть на напряжение 220 В постоянного тока и его управление должно осуществляться от тех же цепей, что и аппаратура формирования сигналов на пожаротушение трансформатора.
3.8. Схема управления ЗПУ должна обеспечивать:
- открытие ЗПУ при получении сигнала, сформированного от защит по пп. 3.2, 3.3 и дистанционного управления УВП трансформатора из помещения оперативного контура (ЦПУ, ЦЩУ, БЩУ и т.п.) с проверкой отключенного состояния трансформатора со всех сторон;
- автоматическое закрытие ЗПУ по истечении расчетного времени в соответствии с п. 2.4;
- местный пуск системы пожаротушения трансформатора со шкафа управления ЗПУ;
- контроль питания привода и схемы управления ЗПУ;
- сигнализацию открытого положения ЗПУ и наличия давления воды в сухотрубах в оперативный контур;
- обобщенный сигнал о неисправности ЗПУ в оперативный контур;
- опробование ЗПУ со шкафа управления ЗПУ.
3.9. Управление вентиляцией помещений, в которых установлены трансформаторы, проектируется в соответствии с технологическими функциями этой вентиляции.
Схема управления вентиляцией помещений с трансформаторами должна обеспечивать:
- приоритетное действие сигналов, сформированных от средств защит по п. 3.2 и от дистанционного управления из помещений оперативного контура на отключение вентиляции и закрытие огнезадерживающих клапанов;
- сигнализацию в оперативный контур об отключении вентиляции и закрытии огнезадерживающих клапанов;
- снятие блокировки и управление вытяжной вентиляцией вручную;
- сигнализацию неисправности цепей питания и управления огнезадерживающими клапанами, выдаваемую в шкаф управления вентиляционной системой.
3.10. Система автоматического управления водяного пожаротушения трансформатора обеспечивает управление установками водяного пожаротушения, а также обеспечивает представление сигнализации в оперативном контуре управления электростанции (ЦПУ, ЦЩУ, БЩУ и др.).
3.11. При получении сигнала САУ ВП на пуск установки пожаротушения трансформатора должны быть обеспечены:
- пуск пожарных насосов;
- запрет (блокировка) операций открытия ЗПУ по всем другим направлениям, включая трансформаторы (снятие блокировки рекомендуется выполнять вручную из помещения оперативного контура);
- останов пожарных насосов по истечении времени в соответствии с п. 2.5;
- световые сигналы на панели оперативного контура о пожаре трансформатора, срабатывании УВП трансформатора, срабатывании блокировки операций открытия ЗПУ по всем направлениям.
3.12. На панели оперативного контура должны быть предусмотрены:
- общий сигнал о неисправности в насосной станции;
- общий сигнал неисправности ЗПУ пожаротушения трансформаторов.
В помещении оперативного контура должны быть предусмотрены средства дистанционного управления пожарными насосами (насосной станции пожаротушения), средства дистанционного пуска УВП трансформатора и средства дистанционного управления вентсистемой и огнезадерживающими клапанами помещения трансформатора.
4.1. Система отвода воды и масла при пожаротушении трансформатора состоит из маслоприемника, маслоотвода и маслосборника.
Пример расчета системы отвода воды и масла при пожаротушении трансформатора изложен в приложении 13.
4.2. Объем стока при пожаротушении трансформатора, не оборудованного АУВП, от гидрантов и передвижной пожарной техники может условно приниматься из расчета интенсивности орошения поверхности трансформатора, равной 0,2 л/с · м2 в течение 0,25 часа.
Для исключения аварийного переполнения емкости маслосборника (в нерасчетном режиме) в проекте должны предусматриваться специальные устройства (сигнализация, переливные трубы, аварийные насосы откачки).
4.3. Система маслоулавливания и очистки замасленных стоков должна обеспечивать необходимую степень очистки.
Отвод замасленных стоков из маслоприемника рекомендуется предусматривать согласно схемам, приведенным в приложениях 1 и 3.
4.3.1. В период нормальной эксплуатации сооружений в маслосборник трансформаторов поступают сточные воды от опробования АУВП трансформаторов, а при наружной установке и от атмосферных осадков.
При установке трансформаторов на ГЭС (ГАЭС) допускается также в маслосборник принимать (откачивать) стоки от пожаротушения кабельных сооружений.
Откачка стоком из маслосборника производится насосом (рабочий, резервный) автоматически по сигналу регулятора-сигнализатора уровня. При этом откачивается аккумулирующий объем стока не менее 10 м3.
4.3.2. При пожаре трансформатора в схеме управления насосной станции системы отвода стока должна предусматриваться блокировка ее автоматической работы в эксплуатационном режиме. В этом случае необходим отстой стока, поступившего при тушении пожара, обеспечивающий разделение воды и масла.
По истечении времени отстаивания насос включается эксплуатационным персоналом вручную для перекачки отстоенной воды.
Выключение работающего насоса производится персоналом по показаниям датчика-сигнализатора разделения сред (вода откачана, идет масло).
Откачку отстоенного масла следует производить специальным масляным насосом в передвижную емкость с последующей отправкой на утилизацию.
ПРИЛОЖЕНИЯ
Рекомендуемое

Примечания: 1. Установка фильтров и байпасов пожарных насосов, а также водонапорного бака определяется конкретной схемой водоснабжения и анализом воды. 2. Допускается упрощенная схема отвода стока при пожаротушении с самосливом дождевой воды через маслоуловитель в канализацию и откачкой масла передвижными насосами в автоцистерну с условием согласования ее с органами санитарного надзора.
Условные обозначения: В1 - хозяйственно-питьевой водопровод; В2 - противопожарный водопровод; В3 - производственный водопровод; К1 - канализация бытовая; K2 - канализация производственная;
1 - водоисточник; 2 - водопитатель; 3 - насосная станция пожаротушения; 4 - водонапорный бак; 5 - подводящий трубопровод; 6 - питательный трубопровод; 7 - распределительный трубопровод; 8 - запорно-пусковое устройство ЗПУ; 9 - узел управления; 10 - секции (направления) УВП; 11 - кольцевая магистраль внутреннего водопровода с пожарными кранами; 12 - наружный водопровод с пожарными гидрантами; 13 - маслоприемник; 14 - маслоотвод; 15 - маслосборник; 16 - насосная станция системы отвода воды; 17 - очистные сооружения замасленных стоков; 18 - автоцистерна; 19 - гребенка с соединительными головками для передвижной пожарной техники; 20 - насос с приводом от электродвигателя; 21 - сетка приемная; 22 - фильтр для жидкости; 23 - ороситель дренчерный ОПДР-15; 24 - задвижка; 25 - задвижка с электроприводом; 26 - вентиль запорный; 27 - кран трехходовой для манометра; 28 - вентиль регулирующий; 29 - привод поплавковый; 30 - клапан обратный; 31 - кран пожарный ПК; 32 - колодец с пожарным гидрантом ПГ; 33 - дроссельная шайба; 34 - манометр показывающий; 35 - манометр электроконтактный; 36 - электрический регулятор-сигнализатор уровня; 37 - сигнализатор разделения сред.
Рекомендуемое

Примечания: 1. Объем управления и сигнализации на местных шкафах управления элементами УВП (насосные агрегаты, ЗПУ) указан в пп. 3.6, 3.8 рекомендаций. 2. Условные обозначения даны в приложении 3.
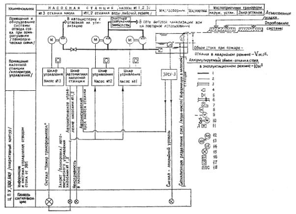
Системы автоматического управления водяного пожаротушения (САУ ВП) электростанции в оперативном контуре (панели из ЦПУ, ЦЩУ, БЩУ)
1 - общий сигнал аварии и неисправности насосной станции; 2 - насосная станция в работе; 3 - дистанционный пуск и останов насосной станции; 4 - автоматический пуск и останов насосной станции; 5 - ЗПУ открыто; рабочее давление в питательном трубопроводе; 6 - общий сигнал неисправности ЗПУ; 7 - автоматическое открытие и закрытие ЗПУ; 8 - дистанционный пуск УВП трансформатора; 9 - на автоматическое открытие и закрытие ЗПУ; 10 - дистанционный пуск УВП трансформатора; 11 - пожар трансформатора; 12 - на пуск и останов насосной станции; 13 - блокировка пуска УВП трансформатора при срабатывании УВП других объектов; 14 - закрытие отсечного клапана расширителя; 15 - ЗПУ открыто; рабочее давление в питательном трубопроводе; 16 - общий сигнал неисправности ЗПУ; 17 - автоматическое открытие и закрытие ЗПУ; 18 - дистанционный пуск УВП трансформатора; 19 - на автоматическое открытие и закрытие ЗПУ; 20 - дистанционный пуск УВП трансформатора; 21 - пожар трансформатора; 22 - на пуск, останов насосной станции, отключение вентиляторов и закрытие огнезащитного клапана; 23 - блокировка пуска УВП трансформатора при срабатывании УВП других объектов; 24 - закрытие отсечного клапана расширителя; 25 - автоматический пуск УВП трансформатора для ГЭС без обслуживающего персонала; 26 - сигнал «Пожар в помещении трансформатора»; 27 - ручное дистанционное управление вентиляторами и огнезащитными клапанами; 28 - автоматическое отключение приточных и вытяжных вентиляционных систем и автоматическое закрытие огнезащитных клапанов; 29 - сигнал об отключении вентиляторов и закрытии огнезащитных клапанов.
Рекомендуемое

Условные обозначения:
1 - линия гидромеханической связи; 2 - линия электрической связи; 3 - воздухопровод; 4 - решетка для выпуска воздуха; 5 - решетка для забора воздуха; 6 - клапан огнезащитный; 7 - вентилятор центробежный; 8 - вентилятор осевой; 9 - привод электромашинный; 10 - задвижка с электроприводом; 11 - извещатель пожарный дымовой ДИП; 12 - электроконтактный манометр; 13 - электрический регулятор-сигнализатор уровня; 14 - сигнализатор разделения сред; 15 - лампа сигнальная; 16 - ключ управления; 17 - кнопочный пост; 18 - пульт пожарной сигнализации.
Обязательное
Министерство приборостроения, средств автоматизации и систем управления
ВПО «Союзспецавтоматика»
ПО «Укрспецавтоматика»
Одесский экспериментальный завод «Спецавтоматика»
ОРОСИТЕЛИ ПЕННЫЕ
Паспорт
ДБЭ 37.000.0С
1. НАЗНАЧЕНИЕ ИЗДЕЛИЯ
Оросители пенные спринклерные (ОПСР) и дренчерные (ОПДР) предназначены для получения распыленной воздушно-механической пены низкой кратности из водного раствора пенообразователя и распределения ее по занимаемой площади с целью тушения очагов пожара или их локализации.
Оросители предназначены для работы в растворозаполненных спринклерных и сухотрубных дренчерных установках и могут эксплуатироваться в производственных и складских помещениях, кабельных туннелях и каналах, в которых проложены маслонаполненные кабели, в подвалах с повышенной влажностью, под навесами и на других объектах народного хозяйства при температуре окружающей среды: от 278 К (плюс 5 °С) до 328 К (плюс 55 °С) - для оросителей ОПСР и от 213 К (минус 60 °С) до 468 К (плюс 195 °С) - для оросителей ОПДР и относительной влажности 100 % при температуре 35 °С.
2. ТЕХНИЧЕСКИЕ ХАРАКТЕРИСТИКИ
Обозначение по ТУ 25-09.059-82
ОПСР-15 (72) ОПДР-15
Условный проход (Dy), мм........................................................................... 15
Давление перед оросителем, МПа (кгс/см2)
наибольшее................................................................................................ 1,0 (10)
наименьшее.............................................................................................. 0,15 (1,5)
Площадь орошения с высоты 4 м при давлении
перед оросителем 0,3 МПа (3 кгс/см2), м2, не менее............................... 12
Кратность пены......................................................................................... 4 - 20
Коэффициент расхода, не менее.............................................................. 0,9
Температура разрушения теплового замка, К (°С)......................... 345 (72) ± 3 %
Время срабатывания теплового замка, с, не более..................... 330 -
Габаритные и присоединительные размеры
приведены на рис. 4.1; 4.2................................................................ - -
Масса, кг, не более......................................................................... 0,34 0,32
Средний срок службы до списания, лет.................................................... 10
Вероятность безотказной работы, за 2000 ч не менее........................... 0,99
Код ОКП........................................................................................ 485485 485485
Цена, руб.......................................................................................... 1,5 1,25
3. КОМПЛЕКТ ПОСТАВКИ
Ороситель - 1 шт.
Паспорт - 1 экз. на ящик.
4. УСТРОЙСТВО И ПРИНЦИП РАБОТЫ
Ороситель пенный спринклерный (рис. 4.1) состоит из распылителя, запорного устройства, теплового замка и диффузора. Распылитель имеет наружную присоединительную резьбу для подсоединения к системе пожаротушения и внутреннее выходное отверстие, через которое при срабатывании теплового замка подается пенный раствор для тушения пожара.
Рис. 4.1. Ороситель пенный спринклерный типа ОПСР
1 - корпус; 2 - кольцо; 3 - диффузор; 4 - прокладка; 5 - клапан; 6 - рычаг; 7 - замок; 8 - ромбик; 9 - рычаг; 10 - винт; 11 - розетка.
Рис. 4.2. Ороситель пенный дренчерный типа ОПДР
1 - корпус; 2 - кольцо; 3 - диффузор; 4 - розетка.
Запорное устройство состоит из клапана 5, прокладки 4, системы рычагов 6, 8, 9. Винтом 10 создается натяг, обеспечивающий герметичность оросителя.
Тепловой замок 7 состоит из двух планок, спаянных между собой легкоплавким припоем, рассчитанным на срабатывание при превышении температуры окружающего воздуха температуры разрушения припоя. К распылителю с помощью пружинного кольца 2 укреплен диффузор 3, предназначенный для создания направленного потока пенного раствора.
На нижнем торце распылителя прикреплена розетка 11, обеспечивающая распределение воздушно-механической пены по площади орошения.
Ороситель пенный дренчерный (рис. 4.2) отличается от оросителя пенного спринклерного отсутствием напорного устройства и теплового замка. Подача пены в сеть дренчерной установки осуществляется при помощи побудительных устройств.
5. ТЕХНИЧЕСКОЕ ОБСЛУЖИВАНИЕ
Не реже одного раза в шесть месяцев необходимо проводить внешний осмотр оросителя и удалять с его деталей (особенно с теплового замка) пыль и грязь. Эту работу следует выполнять с особой осторожностью, чтобы не нарушить герметичность запорного устройства, В случае срабатывания ороситель ремонту или восстановлению не подлежит.
Монтаж, испытания, сдачу в эксплуатацию и эксплуатацию оросителей в составе установок пенного пожаротушения осуществлять в соответствии с ведомственными техническими условиями ВМСН 13-74 и инструкцией ВЭН 28-78.
6. УКАЗАНИЯ ПО ХРАНЕНИЮ И ТРАНСПОРТИРОВАНИЮ
Оросители пенные спринклерные должны храниться и устанавливаться не ближе 1 м от отопительных и нагревательных приборов. Попадание прямых солнечных лучей не допускается.
Условия транспортирования оросителей в упаковке в части воздействия климатических факторов и условий хранения - группа 4 (Ж2) но ГОСТ 15150-69.
Оросители могут транспортироваться в крытых транспортных средствах всеми видами транспорта, кроме воздушного, в соответствии с правилами, действующими на данном виде транспорта.
7. СВИДЕТЕЛЬСТВО О ПРИЕМКЕ
Оросители пенные ОПСР (ОПДР) номер партии ________________ соответствуют ГОСТ 13815-82 и признаны годными для эксплуатации.
М.П. Дата выпуска ________________
Номер партии ________________
Представитель ОТК ___________
(подпись)
8. ГАРАНТИЙНЫЕ ОБЯЗАТЕЛЬСТВА
Предприятие-изготовитель гарантирует соответствие оросителей требованиям ТУ 25-09.059-82 при соблюдении потребителем условий эксплуатации, монтажа, транспортирования и хранения. Гарантийный срок эксплуатации оросителей 18 месяцев со дня ввода их в эксплуатацию, но не более 24 месяцев со дня отгрузки.
Гарантийный срок хранения - 12 месяцев с момента изготовления.
9. СВЕДЕНИЯ О РЕКЛАМАЦИЯХ
При обнаружении неисправности и дефектов, возникших по вине изготовителя, необходимо вызвать представителя предприятия-изготовителя. В случае неявки последнего в течение месяца составляется акт в одностороннем порядке и ороситель с приложением паспорта и акта возвращается изготовителю.
Изготовитель обязан в течение двух месяцев с момента получения акта отгрузить взамен исправный ороситель.
Изготовитель не принимает претензий, если истек гарантийный срок эксплуатации или хранения и при отсутствии паспорта на ороситель.
10. СВИДЕТЕЛЬСТВО ОБ УПАКОВКЕ
Оросители пенные ОПСР (ОПДР) номер партии _________ упакованы согласно требованиям, предусмотренным технической документацией.
Вариант временной защиты ВЗ-0, вариант внутренней упаковки ВУ-1 согласно требованиям ГОСТ 9.014-78.
М.П. Дата упаковки _________________
Упаковку произвел _____________
(подпись)
Изделие после упаковки принял _____________
(подпись)
11. ВЕДОМОСТЬ ЦВЕТНЫХ МЕТАЛЛОВ, СОДЕРЖАЩИХСЯ В ОРОСИТЕЛЕ ПЕННОМ ОПСР (ОПДР)
|
Наименование металла, сплава |
Количество цветных металлов, кг, |
Возможность демонтажа узлов при списании изделия |
||||||||
|
содержащихся в изделии |
подлежащих сдаче в виде лома |
|||||||||
|
после срабатывания изделия |
при полном износе и его списании |
|||||||||
|
Классификация по группам (ГОСТ 1639-78) |
||||||||||
|
I |
IV |
V |
I |
IV |
V |
I |
IV |
V |
||
|
Латунь ЛС (ГОСТ 1020-77) |
- |
- |
0,094 |
- |
- |
0,094 |
- |
- |
0,094 |
Демонтаж возможен |
|
Латунь Л 63* (ГОСТ 931-78) |
- |
0,007 |
- |
- |
0,007 |
- |
- |
0,007 |
- |
|
|
Латунь ЛС 59-1 (ГОСТ 2060-73*) |
- |
- |
0,007 |
- |
- |
- |
- |
- |
0,007 |
|
|
Медь M1 (ГОСТ 495-77*) |
0,0045 |
- |
- |
- |
- |
- |
0,0045 |
- |
- |
|
|
Медь М3 (ГОСТ 495-77*) |
0,002 |
- |
- |
- |
- |
- |
0,002 |
- |
- |
|
* Только для оросителей спринклерных ОПСР.
Рекомендуемое

Рис. 5.1. Присоединение с использованием стальных соединительных частей
1 - ороситель ОПДР-15; 2 - муфта 15 ГОСТ 8966-75; 3 - переход К 57´5 ... 25´3 ГОСТ 17378-83*; 4 - отвод 90° 57´3 ГОСТ 17375-83* (по проекту)

Рис. 5.2. Присоединение с использованием соединительных частей из ковкого чугуна
1 - ороситель ОПДР-15; 2 - футорка 25X15 ГОСТ 8960-75; 3 - муфта 50Х Х25 ГОСТ 8957-75; 4 - патрубок с наружной резьбой (труба 57X3 - Ст. 2-А ГОСТ 10704-76 или труба 60X3,5 ГОСТ 3262-75); 5 - отвод 45° 57X3 ГОСТ 17375-83* (по проекту).
Обязательное

Обязательное
Характеристики оросителя ОПДР-15, приведенные в приложении 7, получены по результатам гидравлических испытаний ВНИИПО [17].
Дуги оросителей, установленных под углами 0 и 180° (рис. 7.1 и 7.5), размещены в плоскости, параллельной сторонам карты орошения с максимальным распылом воды. Для оросителей, установленных под углами 45; 90 и 135° (рис. 7.2 - 7.4), дуги оросителя размещаются в вертикальной плоскости, перпендикулярной плоскости карты орошения.
Средняя интенсивность орошения на площади карты при расположении оросителя на высоте 4 м, рассчитанная ВНИИПО [17], приводится в таблице.
|
Напор перед оросителем Н, МПа |
Средняя интенсивность орошения q4, г/м2 · с |
||||
|
Угол расположения оросителя |
|||||
|
0° |
45° |
90° |
135° |
180° |
|
|
0,1 |
65 |
56 |
61 |
48 |
37,5 |
|
0,2 |
81 |
74 |
82 |
55 |
55 |
|
0,3 |
102 |
109 |
106 |
60 |
83 |
|
0,4 |
118 |
125 |
118 |
62 |
96 |
|
0,5 |
122 |
148 |
126 |
67 |
103 |
|
0,6 |
142 |
150 |
133 |
76 |
111 |
Рис. 7.1. Карта орошения оросителя ОПДР-15, установленного под углом 0°.
Рис. 7.2. Карта орошения оросителя ОПДР-15 установленного под углом 45°.

Рис. 7.3. Карта орошения оросителя ОПДР-15, установленного под углом 90°
Интенсивность орошения в зависимости от высоты расположения оросителя h определяется по формуле
qh = q4S4/Sh,
где q4 - интенсивность орошения при расположении оросителя на высоте 4 м;
S4 - площадь орошения при расположении оросителя на высоте 4 м.
Рис. 7.4. Карта орошения оросителя ОПДР-15, установленного под углом 135°.
Определение средней интенсивности орошения на площади карты без учета ее поверхности на различной длине (для орошения вертикальных поверхностей) дается на примере проектного решения (см. приложение 12).
Рис. 7.5. Карта орошения оросителя ОПДР-15, установленного под углом 180°.
Обязательное
|
Министерство внутренних дел СССР Главное управление пожарной охраны Москва 17.07.87 № 7/6/1776 На № 80-96/388 от 10.06.87 |
Заместителю главного инженера института «Гидропроект» им. С.Я. Жука М.Ф. КРАСИЛЬНИКОВУ 125812, Москва, А-80, Волоколамское шоссе, 2. |
Главное управление пожарной охраны МВД СССР не возражает против проектирования автоматических установок пожаротушения главных силовых трансформаторов ГЭС с интенсивностью орошения распыленной водой 0,2 л/с · м2 (при расчетном времени тушения пожара 10 минут).
Заместитель начальника
Главного управления И.Ф. КИМСТАЧ
Обязательное
Министерство энергетики и электрификации СССР
Главное техническое управление по эксплуатации энергосистем
РЕШЕНИЕ № 3-5/85
Москва 27 сентября 1985 г.
О ПУСКЕ АВТОМАТИЧЕСКИХ УСТАНОВОК ПОЖАРОТУШЕНИЯ ТРАНСФОРМАТОРОВ, АВТОТРАНСФОРМАТОРОВ И ШУНТИРУЮЩИХ РЕАКТОРОВ
В процессе эксплуатации выявлено большое число неправильных действий сигнально-пускового пожарного устройства УСПП 014-3-1 (ДИФ-5), предназначенного для пуска автоматических установок пожаротушения трансформаторов, автотрансформаторов и шунтирующих реакторов.
Для обеспечения надежного пуска указанных установок Главтехуправление решает:
1. Не применять УСПП (ДИФ-5) для пуска автоматических установок пожаротушения трансформаторов, автотрансформаторов и шунтирующих реакторов во вновь сооружаемых, реконструируемых и действующих электроустановках.
2. Приостановить действие § 3.2.56 «Правил устройства электроустановок» / Шестое издание, переработанное и дополненное. - М.: Энергоатомиздат, 1985.
- от сигнальных устройств газовой, дифференциальной защит и устройства КИВ с действием на пуск установок и возможностью перевода их действия на сигнал;
- от УСПП с действием на сигнал и возможностью перевода их действия на пуск установок пожаротушения.
4. Осуществить реконструкцию в соответствии с п. 3 данного Решения цепей пуска установок пожаротушения тех трансформаторов, автотрансформаторов и шунтирующих реакторов, действующих и вновь вводимых в эксплуатацию электроустановок, которые оборудованы УСПП (ДИФ-5).
Заместитель начальника
Главтехуправления К.М. АНТИПОВ
Рекомендуемое
Исходные данные для расчета:
диаметр сухотруба d, мм..................................................... 100; 200; 300;
начальная температура жидкости tж, °С............................ +5; +10; +15; +20;
температура наружного воздуха tв, °C............................... -10; -30; -40; -60;
скорость движения жидкости v, м · с-1............................... 2,5; 5,0; 7,5; 10,0.
Предельная длина сухотруба при d = 100 мм
|
Температура жидкости, °С |
Предельная длина сухотруба при скорости движения жидкости (м · с-1), равной |
|||
|
2,5 |
5,0 |
7,5 |
10,0 |
|
|
tв = -10 °С |
||||
|
5 |
22,5 |
25,9 |
28,0 |
29,7 |
|
10 |
38,0 |
43,6 |
47,3 |
50,1 |
|
15 |
49,6 |
57,0 |
61,8 |
65,5 |
|
20 |
58,8 |
67,5 |
73,2 |
77,5 |
|
tв = -30 °С |
||||
|
5 |
8,6 |
9,8 |
10,7 |
11,3 |
|
10 |
15,8 |
18,1 |
19,6 |
20,8 |
|
15 |
22,0 |
25,2 |
27,3 |
29,0 |
|
20 |
27,3 |
31,4 |
34,0 |
36,1 |
|
tв = -40 °С |
||||
|
5 |
6,5 |
7,5 |
8,1 |
8,6 |
|
10 |
12,2 |
14,1 |
15,2 |
16,1 |
|
15 |
17,9 |
19,8 |
21,5 |
22,7 |
|
20 |
21,7 |
24,9 |
27,0 |
28,6 |
|
tв = -60 °С |
||||
|
5 |
4,4 |
5,1 |
5,5 |
5,9 |
|
10 |
8,5 |
9,7 |
10,5 |
11,2 |
|
15 |
12,1 |
13,9 |
15,1 |
15,9 |
|
20 |
15,4 |
17,7 |
19,2 |
20,4 |
Предельная длина сухотруба при d = 200 мм
|
Температура жидкости, °С |
Предельная длина сухотруба при скорости движения жидкости (м · с-1), равной |
|||
|
2,5 |
5,0 |
7,5 |
10,0 |
|
|
tв = -10 °С |
||||
|
5 |
51,7 |
59,4 |
64,4 |
68,2 |
|
10 |
87,3 |
100,3 |
108,7 |
115,2 |
|
15 |
114,0 |
130,9 |
141,9 |
150,4 |
|
20 |
135,9 |
155,1 |
168,5 |
178,4 |
|
tв = -30 °С |
||||
|
5 |
19,7 |
22,6 |
24,5 |
25,9 |
|
10 |
36,2 |
41,6 |
45,1 |
47,8 |
|
15 |
50,4 |
57,9 |
62,8 |
66,5 |
|
20 |
62,8 |
72,1 |
78,2 |
82,8 |
|
tв = -40 °С |
||||
|
5 |
15,0 |
17,3 |
18,7 |
19,8 |
|
10 |
28,1 |
32,3 |
35,0 |
37,1 |
|
15 |
39,6 |
45,5 |
49,3 |
52,3 |
|
20 |
49,8 |
57,2 |
62,1 |
65,7 |
|
tв = -60 °С |
||||
|
5 |
10,2 |
11,7 |
12,7 |
13,5 |
|
10 |
19,4 |
22,3 |
24,2 |
25,6 |
|
15 |
27,8 |
31,9 |
34,6 |
36,7 |
|
20 |
35,4 |
40,6 |
44,0 |
46,6 |
Предельная длина сухотруба при d = 300 мм
|
Температура жидкости, °С |
Предельная длина сухотруба при скорости движения жидкости (м · с-1), равной |
|||
|
2,5 |
5,0 |
7,5 |
10,0 |
|
|
tв = -10 °С |
||||
|
5 |
84,1 |
96,6 |
104,8 |
110,9 |
|
10 |
142,0 |
163,1 |
176,9 |
187,3 |
|
15 |
185,4 |
212,9 |
230,9 |
244,6 |
|
20 |
219,6 |
252,3 |
273,6 |
289,8 |
|
tв = -30 °С |
||||
|
5 |
32,0 |
36,7 |
39,8 |
42,3 |
|
10 |
58,9 |
67,7 |
73,4 |
77,8 |
|
15 |
82,0 |
94,2 |
102,2 |
108,2 |
|
20 |
102,1 |
117,3 |
127,2 |
134,7 |
|
tв = -40 °С |
||||
|
5 |
24,4 |
28,1 |
30,4 |
32,2 |
|
10 |
45,7 |
52,5 |
56,9 |
60,3 |
|
15 |
64,4 |
74,0 |
80,3 |
85,1 |
|
20 |
81,1 |
93,1 |
101,0 |
106,9 |
|
tв = -60 °С |
||||
|
5 |
16,6 |
19,1 |
20,7 |
21,9 |
|
10 |
31,6 |
36,3 |
39,3 |
41,7 |
|
15 |
45,1 |
51,9 |
56,2 |
59,6 |
|
20 |
57,5 |
66,1 |
71,6 |
75,9 |

Предельно допустимая длина сухотруба при v = 7,5 м/с
№ tж °С tв °С № tж °С tв °С
1 +5 -60 4 +15 -60
2 +5 -40 5 +10 -40
3 +10 -60 6 +15 -40
Обязательное
Москва
25.04.88 № ПБ-6/88
Об определении расчетных расходов воды на пожаротушение электрических станций и подстанций
Управление сообщает, что определение расчетного расхода воды на пожаротушение тепловых, гидроэлектростанций и подстанций следует проводить в соответствии с требованиями СНиП 2.04.02-84, СНиП 2.04.01-85, СНиП II-58-75, СНиП II-106-79 и «Инструкции по проектированию противопожарной защиты энергетических предприятий» РД 34.49.101-87, исходя из следующих вариантов.
1. Тушение пожара в кабельных сооружениях главного корпуса ТЭС, зданий ГЭС, закрытой подстанции, ОПУ подстанции. При этом одновременно должны обеспечиваться расходы:
- автоматической установки пожаротушения наибольшего по площади отсека кабельных сооружений (qауп кс);
- из внутренних пожарных кранов (qпк);
- на наружное пожаротушение из пожарных гидрантов главного корпуса ТЭС, зданий ГЭС, закрытой подстанции, ОПУ подстанции (qпг):
Q1 = qауп кс + qпк + qпг. (1)
2. Тушение пожара на маслосистемах турбогенераторов ТЭС. При этом одновременно должны обеспечиваться расходы:
- стационарной установки охлаждения главного маслобака турбогенератора, наибольшего по вместимости (qогм);
- на охлаждение металлических ферм покрытия в машинных залах (qоф);
- из внутренних пожарных кранов (qпк);
- на наружное пожаротушение главного корпуса из пожарных гидрантов (qпг);
Q2 = qогм + qоф + qпк + qпг. (2)
3. Тушение пожара в гидрогенераторе ГЭС. При этом одновременно должны обеспечиваться расходы:
- автоматической установки пожаротушения гидрогенератора (qауп гг);
- из внутренних пожарных кранов (qпк);
- на наружное пожаротушение из пожарных гидрантов здания ГЭС (qпг);
Q3 = qауп гг + qпк + qпг. (3)
4. Тушение пожара трансформаторов (реакторов), открыто установленных у главных корпусов ТЭС, зданий ГЭС, на открытых подстанциях и ОРУ. При этом одновременно должны обеспечиваться расходы воды:
- автоматической установки пожаротушения наибольшего по вместимости масла трансформатора (реактора) (qауп тр);
- 25 % от расхода на наружное пожаротушение из пожарных гидрантов главного корпуса ТЭС, зданий ГЭС или ОПУ (0,25qпг), но не менее 10 л/с;
Q4 = qауп тр + 0,25qпг. (4)
5. Тушение пожара трансформаторов в здании закрытой подстанции. При этом одновременно должны обеспечиваться расходы:
- автоматической установки пожаротушения наибольшего по вместимости масла трансформатора (qауп тр);
- из внутренних пожарных кранов (qпк);
- на наружное пожаротушение из пожарных гидрантов здания закрытой подстанции (qпг);
Q5 = qауп тр + qпк + qпг. (5)
6. Тушение пожара резервуаров с мазутом. При этом одновременно должны обеспечиваться расходы воды:
- на тушение наибольшего по объему резервуара стационарной автоматической установки пожаротушения при схеме с насосами-дозаторами, стационарной неавтоматической установкой пожаротушения (qтр);
- на охлаждение резервуаров (qор);
- 25 % от суммы расходов на тушение и охлаждение резервуаров 0,25(qтр + qор), не менее 20 л/с;
Q5 = qтр + qор + 0,25 % (qтр + qор). (6)
За расчетный расход воды на пожаротушение электрической станции или подстанции принимается наибольший расход, полученный в указанных вариантах.
Начальник Управления пожарной
безопасности, военизированной
охраны и гражданской обороны
Минэнерго СССР Н.С. НАЗАРЕВСКИЙ
Рекомендуемое
Размещение оросителей для орошения распыленной водой крышки (горизонтальная и наклонная части) трансформатора, высоковольтных вводов и расширительного бака производится с учетом минимальных расстояний до токоведущих частей согласно требованиям ПУЭ п. 4.2.57, что определяет высотное положение оросителей над крышкой: в примере 1,3 и 2,3 м при средней интенсивности на карте орошения соответственно 0,166 и 0,146 л/(с · м2) для крышки трансформатора и 0,23 л/(с · м2) - для расширительного бака.
Рис. 12.1.
Расчеты средней интенсивности орошения проведены в соответствии с экспериментальными данными ВНИИПО МВД СССР [17] и приводятся на рис. 12.1, 12.2, 12.6 - 12.8 настоящего приложения.
Получение расчетной интенсивности орошения крышки трансформатора (не менее 0,2 л/(с · м2) достигается соответствующим размещением оросителей в плане с учетом факела распыла воды и средней интенсивности на карте орошения с полным перекрытием поверхности крышки трансформатора. В примере 3,8 м с перекрытием не менее чем двумя картами, что соответствует общей интенсивности орошения крышки 0,33 ... 0,50 л/(с · м2) на высоте 1,3 м и 0,29 ... 0,33 л/(с · м2) - на высоте 2,3 м.
Рис. 12.2.
Рис. 12.3.
Рис. 12.4.
Рис. 12.5.
Рис. 12.6. Карты орошения оросителя, установленного под углом 90°; Р = 0,3 МПа; высота установки 4,0; 0,3; 1,5; 2,3; 3,0 и 5,6 м.
Таким образом, для орошения крышки трансформатора установлено четыре оросителя под углом 90° (№ 1 - 4), при этом достигнута минимальная интенсивность орошения 0,3 л/(с · м2).

Рис. 12.7. Карты орошения оросителя, установленного под углом 90°; Р = 0,3 МПа, с определением площади карты и средней интенсивности орошения для различной высоты расположения оросителя.
Высоковольтные вводы орошаются на всей высоте, расчетная интенсивность обеспечивается в средней части и у основания вводов.
Интенсивность орошения боковых (вертикальных) граней трансформатора определяется по карте орошения горизонтальной поверхности у основания вертикальной грани (условно вертикальная грань разворачивается в горизонтальную плоскость карты орошения), при этом поверхность карты обрезается по расстоянию от оросителя до вертикальной грани. Средняя интенсивность на усеченной карте орошения подсчитывается по протоколам гидравлических испытаний ВНИИПО [17], (табл. 12.1).
Рис. 12.8. Карты орошения оросителя, установленного под углом 90°; Р = 0,3 МПа, с определением площади карты и средней интенсивности орошения для различной высоты расположения оросителя.

Рис. 12.9. Карты орошения оросителя, установленного под углом 90°; Р = 0,3 МПа, с определением площади карты и средней интенсивности орошения без учета поверхности карты на длине 2,2 м.
Рис. 12.10. Карты орошения оросителя, установленного под углом 45°; Р = 0,3 МПа; высота установки 4,0 и 1,5 м.

Определение средней интенсивности орошения на площади карты
Данные из протокола гидравлических испытаний ВНИИПО [17, с. 39]:
Способ установки,................................................... 90°
Напор перед оросителем, МПа.............................. 0,3
Высота расположения оросителя, м..................... 4,0
Время подачи воды, с............................................. 300
Размер ячейки, м..................................................... 0,4´0,4
Средняя интенсивность орошения:
![]()
где Р - вес воды в мерной емкости, г;
п - количество мерных емкостей;
f = 0,01 м2 - площадь мерной емкости;
τ = 300 с - время замера.
Для всей поверхности карты (табл. 12.1):
q4 = 42636/134 ´ 3 = 106 г/м2 · с = 0,106 л/с · м2.
Для карты без учета поверхности на длине 2,2 м (табл. 12.1):
![]()
Таблица 12.2
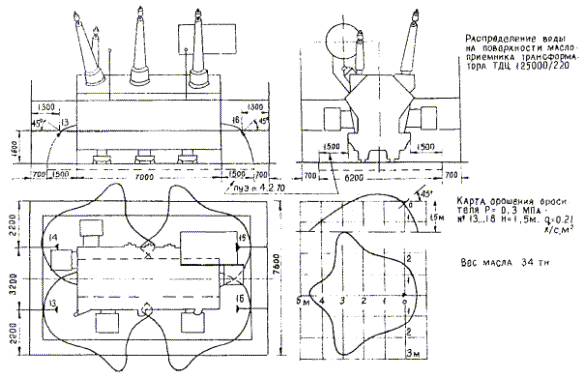
Определение необходимого количества оросителей и расчетного расхода воды при пожаротушении трансформатора ТДЦ 125000/220
|
Наименование защищаемых элементов трансформатора |
Площадь защищаемой поверхности S, м2 |
Нормативная интенсивность поверхности q, л/с · м2 |
Давление воды перед оросителем, кГ/см2 |
Расчетный расход воды через ороситель яруса Q,л/с |
Количество оросителей, шт. |
Расчетный расход воды ярусам, л/с |
Номера оросителей |
|||
|
нормативное |
расчетное |
по расчету n = S · 0,2/Q |
принято конструктивно |
|||||||
|
I |
Высоковольтные вводы (основание), расширительный бачок, крышка (горизонтальная и наклонная части), выносные маслоохладители |
42,1 |
|
2 ... 6 |
3,00 |
4,05 |
3 |
4 |
16,2 |
1 - 4 |
|
II |
Вертикальные боковые (торцевые) грани бака трансформатора, выносные маслоохладители |
13,5 |
|
3,16 |
4,20 |
1 |
2 |
8,4 |
9, 10 |
|
|
III |
То же |
13,5 |
0,2 |
3,26 |
4,25 |
1 |
2 |
8,5 |
11, 12 |
|
|
III |
Вертикальные боковые (фронтальные) грани бака трансформатора, выносные маслоохладители |
46,2 |
|
3,26 |
4,25 |
3 |
4 |
17,0 |
5 - 8 |
|
|
IV |
Площадка маслоприемника, фланцевые разъемы бака трансформатора |
62,0 |
|
3,41 |
4,35 |
3 |
4 |
17,4 |
13 - 16 |
|
|
|
ИТОГО: |
177,3 |
|
- |
- |
- |
11 |
16 |
67,5 |
- |
В рассматриваемом примере приводятся расчеты интенсивности и распределения воды на боковых гранях трансформатора от оросителей, установленных под углом 90° на высоте 5,6 и 3,0 м с расстоянием до вертикальной плоскости 2,2 м для боковых (фронтальных) граней и на высоте 4,0 и 3,0 м с расстоянием 2,2 м - для боковых (торцевых) граней (рис. 12.3, 12.4, 12.6, 12.8, 12.9, табл. 12.1);
Орошение поверхности выносных маслоохладителей с расчетной интенсивностью не менее 0,2 л/с · м2 обеспечивается от оросителей 1 - 12, установленных на I; II и III ярусах распределительных трубопроводов (рис. 12.1 - 12.4).
Для орошения поверхности маслоприемника и фланцевых разъемов бака трансформатора устанавливаются специально четыре оросителя под углом 45° со средней интенсивностью орошения на карте 0,21 л/с · м2 (рис. 12.5, 12.10).
Кроме указанных (специальных) оросителей, поверхность маслоприемника орошается и от всех других оросителей, размещенных на верхних ярусах на расстоянии 3,0; 4,0 и 5,6 м от поверхности маслоприемника. Средняя интенсивность орошения поверхности маслоприемника с учетом всей воды будет превышать более чем в два раза нормированную (0,2 л/с · м2).
Проведенные расчеты с определением необходимого количества оросителей для трансформатора ТДЦ 125000/220 сведены в табл. 12.2.
Рекомендуемое
Исходные данные: Район установки - г. Барнаул.
Нормативная интенсивность дождя q20 = 80 л/с на 1 га продолжительностью 20 минут.
Вес масла G = 34 т; V = 0,85 т/м3.
Расход воды АУВП qаувп = 67,5 л/с.
Маслоприемник: Объем Vмп = 34/0,85 = 40 м3;
площадь Fмп = 10 · 6,2 = 62 м2;
средняя высота Н1 =40/62 = 0,65 м.
Маслоотвод:
Отвод стока (маслоотвод) осуществляется по трубопроводу диаметром не менее 100 мм в специальную емкость-маслосборник (отстойник-маслоотделитель), которую следует рассчитывать на прием 100 % масла наибольшего трансформатора, трехкратный объем воды от расчетного времени пожаротушения и объем дождевых вод при открытой установке трансформатора.
Расчетные расходы и объем маслоприемника системы отвода воды и масла при пожаротушении определяются по следующим соотношениям:
- расчетный расход маслоотвода
Qмот = 0,5Gт · 1000/Vм · tуд + qаувп + qдм, [л/с],
где Gт = 34 т - полный вес масла наибольшего трансформатора; qаувп = 67,5 л/с - расход воды АУВП наибольшего трансформатора;
qдм = q20 · Fмп · t20/10000 · tуд, [л/с],
где qдм - расход дождевых стоков в маслоотводе; t20 = 20 мин = 1200 с - время продолжительности дождя; 1 га = 10000 м2 - нормативная площадь водосбора дождевого стока; tуд = 0,25 ч = 900 с - время удаления 50 % объема масла и полного объема воды из маслоприемника;
qдм = 80 · 62 · 1200/10000 · 900 = 0,66 л/с;
Vм = 0,85 т/м3 - объемный вес трансформаторного масла;
Qмот = 0,5 · 34 · 1000/0,85 · 900 + 67,5 + 0,66 = 22,2 + 67,5 + 0,66 = 90,4 л/с.
Диаметр трубопровода (по таблицам для гидравлического расчета) дается с учетом условий прокладки в двух вариантах:
1) D = 350 мм; уклон 0,004; Q = 90,7 л/с; V = 1,0 м/с; H/D = 0,88;
2) D = 300 мм; уклон 0,009; Q = 90,4 л/с; V = 1,4 м/с; H/D = 0,88.
Маслосборник:
- расчетный объем маслосборника
Vмсб = Gт/Vм + qаувп · 3tаувп/1000 + qдм · t20/1000 + Vакк;
Vмсб - расчетный объем маслосборника, [м3]; 3tаувп = 30 мин = 1800 с - трехкратное время работы АУВП; Vакк - аккумулируемый объем стоков для нормальной работы насосов, равный не менее 10 м3;
Vмсб = 34/0,85 + 67,5 · 1800/1000 + 0,66 · 1200/1000 + 10 = 172,3 м3.
Для устройства маслосборника следует принять резервуар емкостью 200 м3 из типового ряда емкостей.
Справочное
1. ГОСТ 14202-69. Трубопроводы промышленных предприятий. Опознавательная окраска, предупреждающие знаки и маркировочные щитки.
2. ГОСТ 12.4.026-76*. ССВТ. Цвета сигнальные и знаки безопасности.
3. ГОСТ 10704-76. Трубы стальные электросварные.
4. ГОСТ 3262-75. Трубы стальные водогазопроводные.
5. СНиП 2.04.02-84. Водоснабжение. Наружные сети и сооружения. - М., 1985.
6. СНиП 2.04.01-85. Внутренний водопровод и канализация зданий. - М., 1986.
7. СНиП 2.04.05-86. Отопление, вентиляция... и кондиционирование. - М., 1987.
8. СНиП 2.04.09-84. Пожарная автоматика зданий и сооружений. - М., 1985.
9. СНиП 2.04.03-85. Канализация. Наружные сети и сооружения. - М., 1986.
10. Правила устройства электроустановок (ПУЭ). - М.: Энергоатомиздат, 1987.
11. РД 34.49.101-87. Инструкция по проектированию противопожарной защиты энергетических предприятий (с учетом Извещений № 1 и № 2 УПБ и ВОХР Минэнерго СССР от 24.11.88 и 03.10.89 гг.). - М.: Информэнерго. 1987.
12. ВСН 47-85. Нормы проектирования автоматических установок водяного пожаротушения кабельных сооружений. - М.: Минэнерго СССР, 1985.
13. ВНТП 41-85. Нормы технологического проектирования ГЭС и ГАЭС. - М., 1986.
14. ОСТ 25329-81. Установки пожаротушения автоматические и установки пожарной, охранной и охранно-пожарной сигнализации. Обозначения условные графические (с учетом Изменения № 1 от 01.07.87). - М.: Минприбор СССР, 1982.
15. Рекомендации по гидравлическим расчетам заполнения трубопроводов (инерционности), автоматических установок водяного пожаротушения. - М.: Гидропроект им. С.Я. Жука, 1988.
16. Рекомендации по выбору и применению приборов, оборудования и других изделий в проектах установки пожаротушения и пожарной сигнализации. - М.: Теплоэлектропроект, 1985.
17. Отчетная справка по теме: «Провести исследования по определению гидравлических характеристик пенного оросителя типа ОПДР-15 (ТУ 25.09.059-82) по воде при различном расположении относительно линии горизонта на напорах до 0,6 МПа». - М.: ВНИИПО МВД СССР, 1989.
18. Иванов Е.Н., Быковцев А.Ю. Условия бесперебойной работы установок водопенного пожаротушения для Крайнего Севера // Сборник научн. трудов ВНИИПО МВД СССР: Пожаротушение. - М., 1984.
СОДЕРЖАНИЕ