Указания предназначены для персонала специализированных проектных, монтажных и наладочных организаций Минэнерго СССР, для эксплуатационного персонала электростанций и являются основанием для проектирования и проведения химических очисток котлов и энергоблоков веред вводом их в эксплуатацию
| Обозначение: | РД 34.37.404 |
| Название рус.: | Методические указания по предпусковой химической очистке теплоэнергетического оборудования |
| Статус: | действует |
| Заменяет собой: | «Руководящие указания по предпусковой химической очистке теплоэнергетического оборудования» (БТИ ОРГРЭС, 1968 г.) |
| Дата актуализации текста: | 05.05.2017 |
| Дата добавления в базу: | 01.09.2013 |
| Дата введения в действие: | 01.01.1986 |
| Утвержден: | 29.03.1985 Минэнерго СССР (USSR Minenergo ) |
| Опубликован: | СПО Союзтехэнерго (1986 г. ) |
| Ссылки для скачивания: |
МИНИСТЕРСТВО ЭНЕРГЕТИКИ И ЭЛЕКТРИФИКАЦИИ СССР
ГЛАВНОЕ НАУЧНО-ТЕХНИЧЕСКОЕ УПРАВЛЕНИЕ ЭНЕРГЕТИКИ И ЭЛЕКТРИФИКАЦИИ
МЕТОДИЧЕСКИЕ УКАЗАНИЯ
ПО ПРЕДПУСКОВОЙ
ХИМИЧЕСКОЙ ОЧИСТКЕ
ТЕПЛОЭНЕРГЕТИЧЕСКОГО
ОБОРУДОВАНИЯ
МУ 34-70-113-85

СОЮЗТЕХЭНЕРГО
Москва 1986
РАЗРАБОТАНО заводом «Котлоочистка» и трестом «Мосэнергомонтаж»
ИСПОЛНИТЕЛИ А.Д. ЕФРЕМОВ, С.Ф. СОЛОВЬЕВ, Н.И. ШАДРИНА (Котлоочистка), Ю.Е. МИШЕНИН (Мосэнергомонтаж)
УТВЕРЖДЕНО Главным техническим управлением по эксплуатации энергосистем 29.03.85 г.
Заместитель начальника Д.Я. ШАМАРАКОВ
|
МЕТОДИЧЕСКИЕ УКАЗАНИЯ ПО ПРЕДПУСКОВОЙ ХИМИЧЕСКОЙ ОЧИСТКЕ ТЕПЛОЭНЕРГЕТИЧЕСКОГО ОБОРУДОВАНИЯ |
МУ 34-70-113-85 |
Срок действия установлен
с 01.01.86 г.
до 01.01.96 г.
Методические указания предназначены для персонала специализированных проектных, монтажных и наладочных организаций Минэнерго СССР, для эксплуатационного персонала электростанций и являются основанием для проектирования и проведения химических очисток котлов и энергоблоков перед вводом их в эксплуатацию.
С выходом настоящих Методических указаний отменяются «Руководящие указания по предпусковой химической очистке теплоэнергетического оборудования» (М.: БТИ ОРГРЭС, 1968).
При составлении Методических указаний учитывались существенные изменения технологических режимов и опыт, накопленный при проведении предпусковых химических очисток котлов и энергоблоков на электростанциях заводом «Котлоочистка», предприятием «Востокэнергокотлоочистка», ПО «Союзтехэнерго», монтажными и наладочными предприятиями Главтеплоэнергомонтажа, а также БТИ им. Ф.Э. Дзержинского.
1.1. Согласно § 17.2 «Правил технической эксплуатации электрических станций и сетей» (М.: Энергия, 1977), вновь вводимые в эксплуатацию котлы на давление 10 МПа и выше после монтажа должны подвергаться предпусковой химической очистке с включением в контур очистки пароводяного тракта котла, трубопроводов и других элементов питательного тракта.
1.2. Проектом электростанции должно предусматриваться оборудование, необходимое для проведения предпусковых химических очисток. Это оборудование должно быть стационарным и обеспечивать возможность проведения как предпусковых, так и эксплуатационных химических очисток при дальнейшей эксплуатации котла.
Обязательными элементами схемы предпусковой очистки являются насосы для прокачивания моющих растворов, насосы химической очистки (НХО); реагентное хозяйство (РХ); для приготовления и хранения концентрированных растворов; постоянные и временные трубопроводы, очистные сооружения для отработанных промывочных растворов. Проект схемы предпусковой химической очистки должен быть согласован проектной организацией с электростанцией и организацией, которая будет проводить очистку.
1.3. Основным назначением предпусковой химической очистки является обеспечение необходимой чистоты поверхности металла пароводяного и питательного тракта перед пуском оборудования в эксплуатацию.
После выполнения химической очистки количество отложений на поверхностях нагрева для барабанных котлов не должно превышать 70 г/м2, а для прямоточных котлов сверхкритического давления 25 г/м2.
1.4. В соответствии с техническими условиями на поставку котлов заводы-изготовители должны гарантировать: отсутствие окалины на внутренних поверхностях труб, закрытие торцов труб колпачками и заглушками из пластмассы или металла, отсутствие наплывов и заусенцев с внутренней стороны сварочных стыков.
1.5. При разгерметизации труб, элементов котла и питательного тракта в период транспортировки, длительного хранения, укрупнения элементов поверхностей нагрева на монтажной площадке в пароводяном тракте могут появляться продукты атмосферной коррозии, песок, грат, остатки электродов, изоляционных материалов и пр.
В некоторых местах на внутренней поверхности труб и коллекторов может остаться окалина. В незначительном количестве в пароводяном тракте остаются смазочные материалы, применяемые для консервации арматуры и уплотнения заглушек на коллекторах и трубопроводах.
1.6. По окончании монтажа котла в зависимости от уровня выполнения монтажных работ и их длительности на внутренних поверхностях пароводяного тракта котла обнаруживается от 50 до 200 г/м2 загрязнений.
1.7. Предпусковая очистка пароводяного тракта начинается на монтажной площадке. Очистка отдельных трубопроводов и коллекторов диаметром более 100 мм производится различными механическими приспособлениями (скребками, ершами, шарошками, пыжами и т.д.). Для этих же целей используется пескоструйная установка. Очистка элементов пароводяного тракта котла и трубопроводов диаметром менее 100 мм производится продувкой сжатым воздухом и прокаткой шарами.
1.8. Удаление загрязнений из полностью смонтированного оборудования осуществляется при проведении предпусковой химической очистки.
1.9. Предпусковая химическая очистка включает комплекс операций, позволяющих очистить пароводяной тракт от исходных загрязнений и защитить поверхность металла от коррозии на период от очистки до пуска в эксплуатацию.
1.9.1. Монтажные загрязнения и оксиды железа, слабо сцепленные с металлом, удаляются из котла промывкой водой или продувкой паром.
1.9.2. Маслянистые загрязнения и смазочные материалы удаляются из котла при обработке пароводяного тракта котла растворами щелочей, поверхностно-активных веществ или при продувке паром.
1.9.3. Оксиды железа, сильно сцепленные с металлом, являющиеся основой технологической окалины и образующихся на поверхности металла продуктов атмосферной коррозии, удаляются раствором кислоты, растворяющей отложения.
1.9.4. Очищенный металл котла защищается от коррозии обработкой специальными пассивирующими растворами или продувкой высокотемпературным паром.
1.10. Предпусковая химическая очистка, включающая предварительную водную промывку, обезжиривание1, водную промывку1, кислотную обработку, водную промывку, нейтрализацию и пассивацию химическими реагентами, получила название водно-химической или просто химической.
Предпусковая химическая очистка, при которой вместо предварительной водной промывки и пассивации химическими реагентами производится паровая продувка, называется парохимической. При ее проведении выполняются следующие операции: паровая продувка, кислотная обработка, водная промывка, нейтрализация, паровая продувка.
1 Обезжиривание, называемое также щелочением, и последующая водная промывка выполняются только при наличии значительного количества маслянистых загрязнений в котле.
1.11. Для предупреждения коррозии металла пароводяного тракта после химической очистки необходимо: исключить попадание влаги в период восстановления рабочей схемы, проводить гидравлические испытания химически очищенной водой с аммиаком, максимально сокращать продолжительность простоя оборудования в период от окончания очистки до пуска в эксплуатацию.
1.12. Предпусковая химическая очистка с учетом срока защитного действия пассивирующих пленок, образующихся на очищенном металле в процессе пассивации, должна заканчиваться не более чем за 30 дн. до первой растопки котла.
2.1. На ТЭС с энергоблоками, оборудованными котлами высокого и сверхкритического давления, предпусковой химической очистке необходимо подвергать питательные магистрали, деаэратор, подогреватели высокого давления (ПВД) по водяной стороне, первичный и вторичный тракты котла и главные паропроводы.
2.2. На ТЭС, имеющих поперечные связи по питательной воде и пару, при вводе в эксплуатацию одного котла предпусковой химической очистке подлежат первичный и вторичный тракты котла, максимально возможная часть питательной магистрали и главных паропроводов. Участки трубопроводов питательной магистрали и пара, не подвергаемые химической очистке, должны очищаться механическим способом.
2.3. Оборудование и трубопроводы, не подлежащие предпусковой химической очистке, очищаются механическим способом с применением различных приспособлений, продувкой воздухом, паром, промывкой обессоленной водой или конденсатом.
2.4. Из-за сложности обеспечения необходимых скоростей движения промывочного раствора и воды внутри корпуса ПВД с паровой стороны предпусковой химической очистке, как правило, не подвергается.
В отдельных случаях, при возникновении необходимости в химической очистке ПВД с паровой стороны (устанавливается непосредственно на электростанциях), они подвергаются химической очистке отдельно от котла. Для этого организуется циркуляция промывочного раствора в паровом пространстве ПВД, и очистку проводят растворами комплексообразующих реагентов.
3.1. Схемы предпусковых химических очисток должны обеспечивать выполнение следующих основных условий:
3.1.1. Возможность выполнения очистки в полном объеме.
3.1.2. Создание необходимых скоростей движения среды в пароводяном тракте котла при проведении всех технологических операций, а именно:
- при циркуляции промывочных растворов по замкнутому контуру: в недренируемых змеевиках - не менее 1 м/с, в дренируемых - не менее 0,6 м/с; в экранных трубах барабанных котлов - не менее 0,3 м/с;
- при вытеснении моющего раствора и водных промывках: в недренируемых змеевиках - не менее 2 м/с; в дренируемых - 1 м/с;
- при проведении паровых продувок - 90 - 120 м/с. При этом должна быть обеспечена энергия потока с коэффициентом эффективности не менее 1,2 - 1,5 по сравнению с энергией пара при номинальной нагрузке.
3.1.3. В схеме химической очистки должны использоваться станционные трубопроводы и оборудование тепловой схемы для максимально возможного упрощения и удешевления монтажа схемы очистки.
3.1.4. Схема предпусковой очистки должна совмещаться со схемой паровых продувок котла.
3.1.5. Схема очистки должна быть пригодной как для проведения предпусковой очистки различными реагентами, так и для проведения эксплуатационных очисток.
3.2. Схема предпусковой химической очистки представляет собой циркуляционный контур, в который включаются очищаемый пароводяной тракт котла, НХО - для прокачки растворов и воды, трубопроводы их обвязки и вспомогательные элементы.
Для проведения предпусковой водно-химической очистки необходимо также устанавливать: емкости и насосы для приготовления и хранения концентрированных растворов реагентов, насосы для подачи растворов реагентов в контур очистки, емкости и насосы для накопления и подачи технической и обессоленной воды, установки для подачи пара, емкости для сброса дренажных вод, оборудование для сбора и нейтрализации отработанных промывочных растворов.
3.3. К основным элементам схемы предпусковой химической очистки относятся НХО, всасывающий, напорный и сбросной трубопроводы в главном корпусе ТЭС, сбросные трубопроводы на очистные сооружения, очистные сооружения, реагентное хозяйство, трубопроводы подачи реагентов от реагентного хозяйства во всасывающий трубопровод НХО, оборудование и трубопроводы подачи технической и обессоленной воды. Эти элементы схемы должны быть выполнены стационарными и использоваться как для предпусковых, так и для эксплуатационных очисток котлов данной электростанции. Расположение стационарных элементов схемы очистки должно обеспечивать возможность их ремонта.
На ТЭС, где планируется сооружение энергоустановок различной мощности, устанавливаемые стационарные элементы схемы предпусковой очистки должны обеспечивать очистку наибольшего по мощности энергоблока или котла.
Трубопроводы схемы химической очистки, не относящиеся к стационарным элементам, подлежат демонтажу по окончании очистки.
3.4. Схема предпусковой химической очистки должна быть укомплектована насосами, обеспечивающими циркуляцию промывочных растворов по контуру очистки, водную промывку и вытеснение промывочного раствора на сброс. Этим требованиям соответствуют насосы МСК-1500-575 (1500 м3/ч; 575 м вод. ст.; 160 °С; Нвсас = 16 м вод. ст.) для энергоблоков сверхкритического давления; насосы МСК-1000-350 (1000 м3/ч; 350 м вод. ст.; 120 °С; Нвсас = 16 м вод. ст.) - для энергоблоков 100, 150, 200 МВт, насосы 8МСК-7×6 (300 м3/ч, 360 м вод. ст.) и 8 МСК-7×3 (300 м3/ч, 180 м вод. ст.) - для энергоблоков мощностью менее 100 МВт и отдельных котлов паропроизводительностью до 420 т/ч.
3.4.1. Количество устанавливаемых насосов определяется на основании гидродинамического расчета с учетом требуемых скоростей движения среды и сопротивления контура очистки. Один насос устанавливается дополнительно в качестве резервного.
3.4.2. Насосы МСК-1500-575 развивают напор выше рабочего давления пара в промежуточном пароперегревателе энергоблоков сверхкритического давления. Поэтому в схеме очистки должна быть предусмотрена защита от повышения давления сверх 4 МПа в промежуточном пароперегревателе, для чего устанавливается контактный манометр, подающий сигнал на отключение электродвигателя НХО.
3.4.3. Насосы МСК-1500-575 и МСК-1000-350 надежно работают при давлении на стороне всасывания не менее 16 м вод. ст.
3.4.4. Для предупреждения попадания в уплотнения проточной части насосов МСК механических загрязнений на всасывающем трубопроводе насоса необходимо установить фильтры с размером ячейки 2×2 мм.
3.5. По согласованию с дирекцией электростанции и заводами-изготовителями в качестве промывочных могут быть использованы бустерные или конденсатные насосы, которые по своим характеристикам подходят для осуществления химической очистки.
Применение штатных насосов для предпусковой химической очистки не исключает необходимости в установке на ТЭС насосов типа МСК для проведения в дальнейшем эксплуатационных очисток.
3.6. При предпусковых химических очистках целесообразно использовать одноконтурную схему, при которой весь пароводяной тракт котла подвергается очистке одновременно одним раствором.
Выпускаемое серийное энергетическое оборудование (включая энергоблоки 800 МВт) при использовании соответствующих насосов и реагентов позволяет проводить предпусковую очистку по одному контуру. Двухконтурная схема очистки может использоваться лишь в тех случаях, когда:
- необходимо применить два реагента для очистки, так как использование одного из них недопустимо или нерационально для очистки отдельных поверхностей нагрева;
- по условиям гидродинамического сопротивления прокачивание раствора по одному контуру не обеспечивает необходимых скоростей движения раствора.
3.7. Элементы пароводяного тракта котла, не включаемые в контур очистки, отглушаются от него заглушками или отключаются арматурой.
При очистке барабанных котлов по двухконтурной схеме пароперегреватель отглушается от барабана, как правило, заглушками, устанавливаемыми на пароотводящих трубах. При большом количестве таких труб вместо отглушения производят заполнение пароперегревателя обессоленной (химически очищенной) водой для предотвращения попадания в него раствора кислоты, которым проводится очистка экранной системы труб.
3.8. Техническая и обессоленная вода подается по отдельным трубопроводам во всасывающую линию НХО.
3.8.1. Количество технической и обессоленной воды, подаваемой в контур очистки, должно обеспечивать выполнение технологических операций.
3.8.2. Техническая вода подается либо из напорного циркуляционного водовода, либо из других водоводов или емкостей, специально выделенных для ее накопления. Обессоленная вода накапливается в баках запаса конденсата (БЗК) и подается из них насосами БЗК или специально устанавливаемыми для этой цели насосами.
3.8.3. При укомплектовывании схемы очистки насосами МСК-1500-575 или МСК-1000-375 техническая и обессоленная вода должна поступать под напором не менее 16 м вод. ст. Для этого в схеме очистки при необходимости должны устанавливаться соответствующие подпорные насосы с подачей, обеспечивающей расходы, необходимые для выполнения технологических операций.
3.9. После пароводяного тракта котла раствор обычно направляется в аккумуляторный бак деаэратора по трубопроводу, который врезается в люк или в уравнительную линию по пару. Это позволяет исключить попадание раствора в деаэрационную колонку. Исключение деаэрационной колонки из контура очистки обусловливается трудностью удаления взвеси, которая может осесть на внутреннем устройстве деаэрационной колонки в процессе очистки.
Аккумуляторный бак деаэратора используется в контуре очистки как смешивающий подогреватель, промежуточная емкость, сепаратор грубых загрязнений и газообразных продуктов.
3.10. Для предотвращения повторного попадания взвеси в циркуляционный контур штуцера всасывающих трубопроводов питательных насосов наращиваются внутри деаэратора на 300 - 400 мм и обтягиваются металлической сеткой с размерами ячейки 5×5 мм.
3.11. Подогрев растворов и воды может осуществляться в ПВД, деаэраторе или промывочном баке. При очистке первого энергоблока (котла) подача пара производится от временной котельной, при последующих очистках - от паропровода собственных нужд. Подача пара в деаэраторный или промывочный бак осуществляется через специально монтируемые барботажные коллекторы, в ПВД - по временному трубопроводу в паровые линии отборов турбин.
Воду целесообразно подогревать паром одновременно в ПВД и деаэраторе (промывочном баке). При проведении кислотной обработки необходимую температуру раствора рационально поддерживать подогревом в ПВД, что предотвращает разбавление раствора конденсирующимся паром. Подогрев раствора кислоты паром в барабане и коллекторах котла недопустим из-за возможного перегрева раствора до температур, при которых резко снижаются защитные действия ингибиторов.
3.12. При очистке пароводяного тракта котла по одноконтурной схеме должно обеспечиваться прокачивание воды и раствора как параллельно, так и последовательно по нескольким элементам поверхностей нагрева.
Так, в барабанных котлах возможны варианты прокачивания раствора параллельными потоками по экономайзеру и экранам, по экономайзеру и пароперегревателю и т.д.
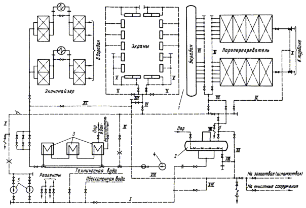
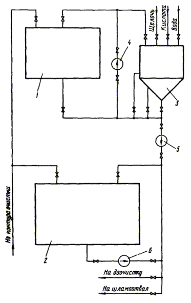
3.12.1. Для получения заданных скоростей движения раствора в экранных трубах, имеющих наибольшее сечение, перспективно использование следующей схемы циркуляции: деаэратор - НХО - ПВД - экономайзер и пароперегреватель - барабан - экраны - деаэратор (рис. 1).
Движение промывочного раствора при одноконтурной схеме может производиться в следующем порядке:
деаэратор - НХО - ПВД - экономайзер и экраны - барабан - пароперегреватель - деаэратор (рис. 2).
Этот вариант схемы наиболее целесообразен при очистке пароводяного тракта барабанных котлов. Однако для снижения затрат на монтаж напорно-сбросных трубопроводов НХО возможна такая последовательность движения промывочного раствора по элементам пароводяного тракта: деаэратор - НХО - пароперегреватель - барабан - экономайзер и экраны - ПВД - деаэратор (рис. 3).
3.12.2. При наличии в барабанном котле промежуточного пароперегревателя его линии соединяют для последовательного прохождения промывочного раствора. В одноконтурной схеме счистки промежуточный пароперегреватель подключается после первичного пароперегревателя.
3.12.3. При вводе в эксплуатацию только котла (без деаэратора и ПВД) в схеме очистки для нормальной работы насосов необходимо предусмотреть специальный бак или использовать один из станционных баков в качестве промежуточной емкости.
В этих условиях в схеме очистки должны быть установлены насосы типа 8МСК, для работы которых не обязательно создание избыточного давления среды на стороне всасывания.
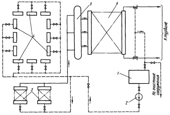
Рис. 1. Принципиальная схема химической очистки барабанного котла при движении промывочного раствора параллельно по экономайзеру (по ходу среды) и пароперегревателю:
1 - деаэратор; 2 - питательный насос; 3 - насос химической очистки; 4 - ПВД; 5 - экономайзер; 6 - нижние коллекторы экранов; 7 - барабан; 8 - пароперегреватель
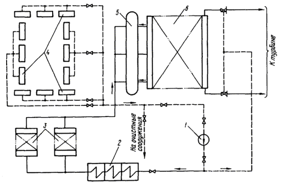
Рис. 2. Принципиальная схема химической очистки барабанного котла при движении промывочного раствора параллельно по экономайзеру (по ходу среды) и экранам:
1 - деаэратор; 2 - питательный насос; 3 - насос химической очистки; 4 - ПВД; 5 - экономайзер; 6 - нижние коллекторы экранов; 7 - барабан; 8 - пароперегреватель
Рис. 3. Принципиальная схема химической очистки барабанного котла при движении промывочного раствора параллельно по экономайзеру (против хода среды) и по экранам:
1 - деаэратор; 2 - питательный насос; 3 - насос химической очистки; 4 - ПВД; 5 - экономайзер; 6 - нижние коллекторы экранов; 7 - барабан; 8 - пароперегреватель
При укомплектовании схемы очистки насосами МСК-1000-375 бак необходимо устанавливать на отметке выше 16 м.
Движение промывочного раствора в одноконтурной схеме с баком осуществляется следующим образом: бак - НХО - экономайзер и экраны - барабан - пароперегреватель - бак (рис. 4).
Иногда для барабанных котлов в качестве промежуточной емкости используют барабан. В этом случае очистка проводится по контуру: барабан - экраны - НХО - экономайзер и пароперегреватель - барабан (рис. 5).
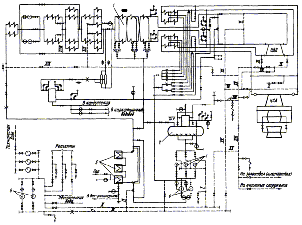
3.12.4. При двухконтурной схеме очистки пароводяного тракта барабанного котла в один контур включают экономайзер и испарительные поверхности, а в другой - пароперегреватель. Прокачка промывочного раствора по контуру с испарительными поверхностями нагрева осуществляется в последовательности: деаэратор - НХО - ПВД - экономайзер и экраны - барабан - деаэратор.
По контуру, включающему пароперегреватель, промывочный раствор прокачивается в последовательности: деаэратор - НХО - пароперегреватель - деаэратор (рис. 6).
3.12.5. Экраны барабанных котлов включаются в контур очистки подсоединением напорно-сбросных трубопроводов к торцевым или боковым штуцерам каждого нижнего коллектора. В котлах, в которых по конструктивным особенностям такое подсоединение невозможно, напорно-сбросные трубопроводы подсоединяются к водоопускным трубам около нижних коллекторов.
Панели экранов барабанных котлов разделяются на несколько самостоятельных, параллельно включенных участков. Количество таких участков зависит от типа котла и определяется условиями получения в трубах экранов необходимых скоростей движения воды. Для большинства котлов каждый участок состоит из 3 - 4 панелей экранов. Для котлов паропроизводительностью 320 - 640 т/ч насосы МСК-1000-375 обеспечивают скорость движения раствора 0,3 м/с по всем панелям одновременно.
Рис. 4. Принципиальная схема химической очистки барабанного котла с применением промежуточного бака:
1 - промежуточный бак; 2 - насос химической очистки; 3 - экономайзер; 4 - нижние коллекторы экранов; 5 - барабан; 6 - пароперегреватель
Рис. 5. Принципиальная схема химической очистки барабанного котла без промежуточного бака:
1 - насос химической очистки; 2 - ПВД; 3 - экономайзер; 4 - нижние коллекторы экранов; 5 - барабан; 6 - пароперегреватель
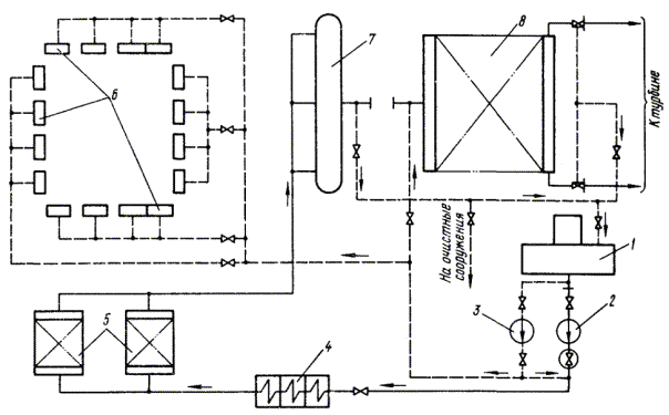
Рис. 6. Принципиальная схема химической очистки барабанного котла по двум контурам:
1 - деаэратор; 2 - питательный насос; 3 - насос химической очистки; 4 - ПВД; 5 - экономайзер; 6 - нижние коллекторы экранов; 7 - барабан; 8 - пароперегреватель
Равномерное распределение скорости движения среды по трубам экранов обеспечивается дросселированием сечения водоопускных труб (стояков) на 90 - 95 %. Дросселирование производится установкой металлической полосы или дроссельных шайб в барабане котла или установкой дроссельных шайб в опускных трубах (стояках).
В котлах ТГМЕ-206, ТГМЕ-464 и других, имеющих водоопускные стояки большого диаметра (426×26 мм), напорно-сбросные трубопроводы подсоединяются к нижним торцам стояков с установкой дроссельных вставок. Это позволяет уменьшить до четырех количество подсоединенных временных трубопроводов.
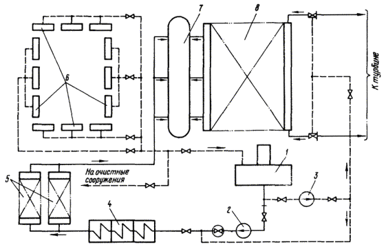
3.12.6. В двухконтурной схеме отвод промывочного раствора при очистке испарительных поверхностей может быть осуществлен либо через барабан по временному трубопроводу, подсоединенному к пароотводящим трубам, либо через часть нижних коллекторов экранов. В последнем случае подсоединение трубопроводов к панелям экранов выполнено таким образом, что одни из них выполняют функции сбросных, другие - напорных. Переключение арматуры позволяет изменять направление потоков (рис. 7).
3.12.7. Требуемые скорости движения воды в змеевиках первичного пароперегревателя обеспечиваются делением его на отдельные участки и организацией промежуточных сбросов, которые выполняются перед поверхностями, характеризующимися значительным снижением скоростей движения среды. Для барабанных котлов паропроизводительностью 500 - 670 т/ч необходимо предусматривать 1 - 2 сброса.
Рис. 7. Принципиальная схема химической очистки экранов барабанного котла:
1 - деаэратор; 2 - питательный насос; 3 - насос химической очистки; 4 - ПВД; 5 - нижние коллекторы экранов
3.13. Энергоблоки с прямоточными котлами очищаются химическим или парохимическим методом при организации циркуляции раствора по одному контуру.
3.13.1. Химическая очистка осуществляется при движении растворов по тракту деаэратор - НХО - ПВД - испарительные поверхности - первичный пароперегреватель - промежуточный пароперегреватель - деаэратор (рис. 8).
3.13.2. Необходимые скорости движения воды на сбросе достигаются разделением поверхностей нагрева на отдельные участки и организацией промежуточных сбросов. Количество таких участков определяется гидродинамическим сопротивлением контура, а иногда наличием в пароводяном тракте котла сложных по конфигурации поверхностей нагрева, в которых могут задерживаться загрязнения, удаленные из предшествующих поверхностей нагрева.
3.13.3. Промежуточные сбросы организуют с помощью одного сбросного или двух напорно-сбросных стояков, к которым подводят трубопроводы от отдельных участков поверхностей нагрева.
Для энергоблоков 300 МВт достаточно одного сбросного стояка; для энергоблоков 500 МВт и выше применяются два стояка, которые используются для подачи и отвода воды. Соединения стояков с поверхностями нагрева в этом случае выполняют таким образом, чтобы входной коллектор отдельного участка соединялся с одним стояком, а выходной коллектор - с другим стояком. Такое подключение позволяет при изменении функции стояков прокачивать воду отдельно через каждый участок, выделяя его из общего контура.
На каждую линию первичного тракта предусматривается не более трех-четырех промежуточных сбросов, а на каждую линию промежуточного пароперегревателя - один - два сброса. В качестве дополнительных сбросных трубопроводов используют растопочные трубопроводы энергоблока.
3.13.4. Для увеличения скорости движения промывочного раствора и воды в змеевиках промежуточного пароперегревателя прямоточного котла применяют также последовательное включение линий.
3.14. Схема парохимической очистки энергоблока с прямоточным котлом выполняется также одноконтурной аналогично схеме водно-химической очистки. При этом дополнительно предусматривается подвод пара от стороннего источника.
Рис. 8. Принципиальная схема химической очистки прямоточного котла:
1 - деаэратор; 2 - питательный насос; 3 - насос химической очистки; 4 - ПВД; 5 - котел; 6 - ЦВД; 7 - ЦСД
3.15. Схема и технология паровых продувок пароводяного тракта основных типов котлов приведены в готовящихся к изданию «Методических указаниях по предпусковой парокислородной очистке и пассивации пароводяного тракта оборудования ТЭС».
4.1. Предпусковую химическую очистку котлов осуществляют водно-химическим или парохимическим методом с использованием различных технологических режимов, отличающихся один от другого составом применяемых на кислотных стадиях растворов кислот и композицией.
При водно-химическом методе предпусковой очистки рекомендуется применять следующие растворы:
- соляной кислоты;
- композиции трилона Б или аммонийной соли этилендиаминтетрауксусной кислоты (ЭДТК) с лимонной кислотой;
- композиции трилона Б с заменителями лимонной кислоты, в качестве которых могут использоваться фталевая, серная кислоты и смесь низкомолекулярных монокарбоновых кислот (концентрат НМК);
- фталевой кислоты.
При парохимическом методе предпусковой очистки рекомендуется применять следующие растворы:
- композиции трилона Б с лимонной кислотой;
- композиции трилона Б с серной или фталевой кислотой.
4.2. Каждый технологический режим имеет свои преимущества и недостатки, определяющие область его применения. При сравнении и выборе технологического режима очистки следует учитывать:
а) необходимость обеспечения эффективной очистки внутренней поверхности труб котла и других элементов тепловой схемы от загрязнений;
б) возможность перевода оксидов железа в растворенное состояние и количество взвешенных веществ, образующихся в растворах в процессе очистки;
в) необходимость обеспечения допустимых коррозионных потерь металла и эффективность применяемых средств защиты металла от коррозии;
г) достаточно высокую растворимость образующихся соединений железа и необходимость предотвращения выпадения труднорастворимых соединений в процессе очистки;
д) возможность применения раствора для очистки оборудования, изготовленного из аустенитных сталей, в частности поверхностей пароперегревателей;
е) сложность монтажа и стоимость схемы очистки для выбранных метода и технологии очистки;
ж) дефицитность и стоимость используемых для очистки реагентов;
з) возможность нейтрализации и обезвреживания сбрасываемых после очистки растворов.
4.3. Для пассивации очищенных поверхностей барабанных и прямоточных котлов при водно-химической очистке независимо от применяемого на кислотной стадии раствора могут использоваться нитритно-аммиачный или гидразинно-аммиачный способ, основное отличие которых заключается в химизме формирования защитной пленки. При парохимическом методе пассивацию выполняют высокотемпературным паром.
4.4. Технологический режим предпусковых очисток растворами композиций трилона Б с заменителями лимонной кислоты должен состоять из следующих основных операций:
а) водная промывка;
б) кислотная очистка ингибированным раствором композиции трилона Б концентрации 1 % с добавками кислот с концентрациями, позволяющими получить показатель рН раствора в контуре 3,0 - 3,5 при температуре 90 - 120 °С в течение 6 - 8 ч;
в) вытеснение раствора композиции технической водой до осветления ее на сбросе;
г) замена технической воды на обессоленную;
д) повторная обработка ингибированным раствором композиции трилона Б концентрации 0,5 % с добавками кислот с концентрацией, позволяющей получить показатель рН 3,0 - 3,5 при температуре 90 - 120 °С в течение 3 - 4 ч;
е) вытеснение раствора композиции обессоленной водой с аммиаком при показателе рН 9,5 - 10 до осветленности воды, равной исходной;
ж) пассивация раствором гидразина 400 - 500 мг/л в аммиачной среде при показателе рН, равном 10 - 10,5, и температуре раствора 120 - 140 °С в течение 8 - 10 ч. Вместо гидразинно-аммиачного раствора можно применять нитритно-аммиачный раствор.
4.5. При очистке композицией трилона Б с фталевой кислотой после предварительной водной промывки проводится обработка раствором гидразин-гидрата с концентрацией 100 - 150 мг/л, показателем рН, равным 10 ÷ 10,5, в течение 2 - 3 ч при температуре 100 - 120 °С. При проведении операций по пп. 4.4,б и д растворами композиций трилона Б с фталевой или серной кислотой возможно повышение показателя рН раствора до 4,0 - 4,4. В этом случае необходимо периодически дозировать раствор серной кислоты для снижения показателя рН раствора до 3,0 - 3,5.
4.6. Наиболее эффективным по сравнению с другими является технологический режим с использованием раствора соляной кислоты. При очистке раствором соляной кислоты достигается наибольшая степень чистоты пароводяного тракта, большая часть удаляемых отложений находится в растворенной форме (количество взвешенных веществ не более 10 - 15 %) за счет высокой растворимости хлоридов железа; взвешенные вещества в растворе соляной кислоты образуются лишь вследствие подтрава окалины. Труднорастворимые соединения - гидроксиды железа могут образоваться лишь при повышении показателя рН раствора кислоты, содержащего соли железа, до 4 - 5; скорость коррозии котельных сталей не превышает допустимых значений.
Соляная кислота недефицитна, намного дешевле других реагентов, нейтрализация отработанных растворов соляной кислоты не представляет трудностей.
Недостатками соляной кислоты являются неприменимость ее для очистки участков из аустенитных сталей, относительно высокое содержание взвеси в растворах, необходимость использования специальных насосов химической очистки.
4.6.1. Условия проведения очистки растворами кислоты: концентрация кислоты 3 - 5 %, минимальная температура 20 - 40 °С, максимальная 50 - 60 °С, скорость движения раствора - в соответствии с п. 3.1.2.
В качестве ингибиторов используются: ПБ-5; КИ-1; В-1 (В-2), которые вводятся в концентрированную (20 - 22 %) соляную кислоту на заводах-изготовителях в концентрациях 0,8 - 1,2 %. При повышении температуры раствора кислоты до 50 - 60 °С в него необходимо дополнительно вводить уротропин в концентрации 0,25 - 0,5 %. Вместо уротропина можно применять дополнительное ингибирование раствора кислоты 0,2 - 0,3 %-ным ингибитором КИ-1. Для усиления защитного действия ингибиторов и удаления маслянистых загрязнений в раствор соляной кислоты можно добавлять 0,2 - 0,3 % смачивателя ОП-7 (ОП-10) и не проводить в этом случае предварительного щелочения (обезжиривания).
Скорость коррозии котельных сталей в ингибированном растворе соляной кислоты в условиях очистки снижается до 12 - 14 г/(м2 · ч) для чистого металла и до 25 - 32 г/(м2 · ч) - для металла под окалиной.
Длительность кислотной стадии очистки раствором ингибированной соляной кислоты составляет в среднем 4 - 8 ч, а при пониженных температурах может быть увеличена до 12 - 14 ч.
4.6.2. Технология водно-химической очистки раствором соляной кислоты состоит из следующих операций:
а) водная промывка;
б) обработка 3 - 5 %-ным раствором ингибированной соляной кислоты при температуре 60 - 65 °С в течение 4 - 8 ч;
в) вытеснение раствора кислоты в течение 10 - 15 мин технической водой, а затем технической водой с добавлением аммиака при показателе рН, равном 9,5 - 10, до осветленности отмывочной воды, равной исходной;
г) замена технической воды на обессоленную или химически очищенную воду с аммиаком (показатель рН равен 10);
д) пассивация, например, 1 %-ным раствором нитрита натрия в аммиачной среде (показатель рН равен 10 - 10,5) при температуре 50 - 60 °С в течение 4 - 6 ч.
4.7. Очистка раствором композиции трилона Б (или двухзамещенной аммонийной солью ЭДТК) с лимонной кислотой характеризуется следующими основными преимуществами: довольно высокой эффективностью растворения оксидов железа и постепенным переводом их в растворимые комплексные соединения с ионами FeII и FeIII, наименьшим количеством образующейся взвеси (количество взвешенных веществ не более 3 - 5 %). В этих растворах при использовании эффективных ингибиторов коррозионные потери котельных сталей могут быть сведены до минимума при температуре до 100 - 130 °С. Образующиеся прочные водорастворимые комплексы предотвращают выпадение труднорастворимых соединений в растворе и на поверхности труб.
Этот раствор применим для очистки аустенитных труб и позволяет использовать для создания циркуляционного контура штатное оборудование (бустерные насосы), что существенно упрощает схему очистки.
Недостатками этого метода являются: дефицитность и высокая стоимость реагентов, особенно лимонной кислоты, сложность нейтрализации и обезвреживания отработанных растворов; кроме того, раствор композиции трилона Б с лимонной кислотой не способен удалять плотную окалину и отложения при загрязненности более 400 - 500 г/м2.
4.7.1. Условия проведения водно-химической очистки раствором композиции трилона Б с лимонной кислотой.
Концентрация основных компонентов - трилона Б и лимонной кислоты - выбирается в зависимости от исходной загрязненности поверхности и может колебаться от 0,5 до 2,0 % для каждого из компонентов. Исходной загрязненностью определяется также число кислотных стадий очистки: при загрязненности до 100 - 150 г/м2 рекомендуется одна кислотная стадия, при загрязненности более 150 г/м2 очистку целесообразнее проводить в две стадии.
Наиболее оптимальным с точки зрения получения необходимого показателя рН раствора и эффективности растворения железоокисных отложений является соотношение компонентов в композиции 1:1. Из практического опыта и стехиометрических расчетов установлено, что для связывания 1 кг оксида железа необходимо израсходовать 2,5 - 3,0 кг трилона Б и лимонной кислоты. При концентрации компонентов по 1 % в среднем удается перевести в раствор 6 - 7 г/кг оксидов железа в пересчете на Fe2O3.
Температура раствора должна быть в пределах 90 - 130 °С, скорость движения раствора - в соответствии с п. 3.1.2.
В качестве ингибиторов необходимо использовать смеси 0,1 % ОП-7 (ОП-10) или катапина КИ-1 с 0,02 % каптакса. Ингибитор ОП-7 (ОП-10) целесообразнее использовать тогда, когда необходимо проводить обезжиривание поверхности труб, так как в этом случае этот процесс можно совместить с кислотной стадией. Вместо каптакса можно применять другие серосодержащие ингибиторы, например тиомочевину и ее производные. Скорость коррозии котельных сталей при использовании смесей ингибиторов снижается до 2 - 5 г/(м2 · ч) для чистого металла и до 10 - 15 г/(м2 · ч) для металла под окалиной.
Длительность кислотной стадии составляет в среднем 4 - 6 ч.
4.7.2. Технология предпусковой очистки раствором композиции трилона Б с лимонной кислотой состоит из следующих операций:
а) водная промывка;
б) обработка ингибированным раствором композиции трилона Б или аммонийной соли ЭДТК с концентрацией 0,7 - 1,0 % и лимонной кислоты с концентрацией 0,7 - 1,0 % при температуре 100 - 120 °С в течение 4 - 6 ч;
в) вытеснение отработанного раствора технической водой до полного осветления;
г) замена технической воды на обессоленную;
д) обработка ингибированным раствором композиции трилона Б или аммонийной соли ЭДТК (0,5 %) и лимонной кислоты (0,5 %) при температуре 100 - 120 °С в течение 3 - 4 ч;
е) вытеснение раствора технической водой с добавлением аммиака до получения показателя рН, равного 9 - 10, и осветление раствора на сбросе;
ж) замена технической воды на обессоленную с аммиаком (показатель рН равен 9,5 - 10);
з) пассивация, например, раствором гидразина с концентрацией 400 - 500 мг/кг в аммиачной среде (показатель рН равен 10 - 10,5) при температуре 120 - 140 °С в течение 6 - 8 ч.
4.8. Композиции трилона Б с заменителями лимонной кислоты несколько менее эффективны, чем растворы композиции трилона Б с лимонной кислотой. Первые из этих композиций позволяют получить достаточную эффективность очистки при исходной загрязненности менее 200 г/м3, однако при этом наблюдается образование большего количества взвешенных веществ в растворе (до 10 %), что обусловлено низкой растворимостью в этих композициях оксида FeIII и неустойчивостью соединений, образующихся с ионами FeIII. Коррозионные потери котельных сталей в растворах этих композиций благодаря использованию тех же ингибиторов, что и для композиции трилона Б с лимонной кислотой, можно снизить до допустимых значений (2 - 5 г/(м2 · ч) для чистого металла и 10 - 15 г/(м2 · ч) для металла под окалиной). Все эти композиции можно применять для очистки участков из аустенитных сталей.
Преимуществом композиции трилона Б с заменителями лимонной кислоты является меньшая дефицитность и стоимость реагентов, в частности кислот, добавляемых к трилону Б. Несколько облегчается обезвреживание и нейтрализация образующихся в процессе очистки растворов за счет меньшей устойчивости образующихся комплексных солей железа.
4.8.1. Общим при использовании данных композиций является следующее: концентрация трилона Б и добавляемой к нему кислоты определяется исходя из степени загрязненности поверхностей и составляет 0,5 - 2,0 %. Степенью загрязненности труб руководствуются также при выборе числа кислотных стадий: одна - при загрязненности менее 150 г/м2, две - при более высокой загрязненности. Количество добавляемой к трилону Б кислоты определяется необходимостью получения для очистки оптимального показателя рН раствора, равного для всех композиций 3 - 3,5.
Практически установлено, что для этих целей на 1 кг трилона Б необходимо добавлять серной кислоты - 1,2 кг, фталевой кислоты - 1,5 кг, концентрата НМК - 2 кг в расчете на 100 %-ную концентрацию этих реагентов.
Температура раствора композиции при очистке должна быть равной 90 - 120 °С, более низкая температура ухудшает качество очистки, а в ряде случаев может привести к выпадению в растворе труднорастворимых соединений. По этим же причинам недопустимо прекращение циркуляции раствора, а скорость движения растворов композиций должна соответствовать п. 3.1.2.
При использовании композиций трилона Б с заменителями лимонной кислоты поддержание скоростей на заданном уровне необходимо также и для полного удаления взвешенных веществ из пароводяного тракта, особенно при сложной конфигурации поверхностей нагрева.
Для этих растворов используются такие же ингибиторы и в тех же концентрациях, что и для раствора композиции трилона Б с лимонной кислотой.
Длительность кислотных стадий при применении композиций трилона Б с заменителями лимонной кислоты составляет в среднем 4 - 8 ч.
4.8.2. Наряду с общими положениями при использовании данных композиций следует учитывать специфические, характерные для каждой композиции свойства.
При использовании в композиции серной кислоты необходимо особенно строго вести дозирование кислоты в процессе очистки, не допускать снижения показателя рН раствора ниже 2,5, так как в этом случае резко возрастают коррозионные потери металла. Передозирование серной кислоты может сопровождаться и другим нежелательным явлением - выпадением из раствора труднорастворимого ЭДТК.
Во избежание передозировки кислоты в качестве ингибиторов целесообразнее применять смесь 0,1 % катапина (КИ-1) с тиомочевиной или ее производной - дифенилтиомочевиной (ДФТМ) в концентрациях 0,3 % - для тиомочевины и 0,1 % - для ДФТМ.
Так как при повышении показателя рН раствора сверх 4,4 резко снижается скорость растворения оксидов железа и ухудшается эффект очистки, в растворах композиций трилона Б с серной и фталевой кислотами, для которых не свойственно образование буферных систем, в процессе очистки необходимо регулярно снижать показатель рН, дозируя серную кислоту.
Для раствора композиции трилона Б с фталевой кислотой рекомендуется перед проведением кислотной стадии проводить обработку раствором гидразин-гидрата для восстановления оксида FeIII до магнетита, растворимость которого в композиции выше.
Недостатком композиции трилона Б с фталевой кислотой является также относительно низкая растворимость фталевой кислоты при невысоких температурах, что осложняет приготовление концентрированных растворов кислоты и делает недопустимым снижение температуры в контуре очистки. Необходимость поддозировки серной кислоты в процессе очистки этой композицией не только усложняет технологический процесс, но и повышает опасность перекисления раствора и, следовательно, увеличивает скорость коррозии. Существенными недостатками раствора композиции трилона Б с концентратом НМК являются сильный и неприятный запах, повышенное содержание взвеси, необходимость получения с завода-изготовителя незамасленного концентрата НМК.
Опытным путем установлено, что на связывание 1 кг оксидов железа расходуется 2,5 - 3 кг компонентов, входящих в состав композиции, причем при концентрации трилона Б 0,8 - 1,0 % и показателе рН раствора, равном 3, раствор композиций трилона Б с заменителями лимонной кислоты способен содержать до 6 - 7 г/кг растворенного железа.
4.9. Предпусковая очистка раствором фталевой кислоты обеспечивает примерно такой же эффект, как и композицией трилона Б с заменителями лимонной кислоты. Растворы фталевой кислоты практически не растворяют оксид FeIII и образуют хорошо растворимые соли лишь с ионами FeII. Этим объясняется повышенное содержание взвешенных веществ (до 10 %) в промывочном растворе даже при проведении предварительной гидразинной обработки, которая для данной технологии становится обязательной.
Коррозионные потери металла в растворах фталевой кислоты велики и лишь при добавлении в кислоту ингибиторов снижаются до допустимых значений, поэтому при очистке раствором фталевой кислоты необходимо применять эффективные ингибиторы. Растворы фталевой кислоты применимы для очистки аустенитных сталей, сама кислота недефицитна и имеет довольно низкую стоимость.
Основными недостатками растворов фталевой кислоты являются: повышенное содержание взвешенных веществ в растворе, низкая растворимость в воде фталевой кислоты, усложняющая приготовление концентрированных растворов, недопустимость прекращения циркуляции раствора и снижения температуры ниже 85 °С, возможность выпадения гидроксида FeIII при повышении рН раствора и окисления фталата FeII при дренировании раствора, сложность обезвреживания отработанных растворов.
4.9.1. Условия проведения очистки растворами фталевой кислоты.
Концентрация кислоты в растворе должна быть равна 2 - 3 %. При загрязненности поверхности труб до 150 г/м2 очистка проводится в одну стадию, при более высокой степени загрязненности - в две: первая с концентрацией реагента 2 - 3 %, вторая - 1 - 1,5 % с использованием ингибиторов на обеих стадиях очистки.
Температура раствора фталевой кислоты поддерживается равной 92 - 100 °С, снижение температуры раствора ниже 85 °С недопустимо не только с точки зрения уменьшения эффективности растворения отложений, но из-за возможного выпадения труднорастворимой фталевой кислоты из раствора. По этой же причине недопустимо прекращение циркуляции раствора в контуре; при применении данной технологии очистки необходимо строго выдерживать скорости движения раствора в соответствии с п. 3.1.2.
Для защиты от коррозии в растворы фталевой кислоты добавляются те же ингибиторы и в таких же концентрациях, что и в растворы композиций трилона Б с лимонной кислотой.
Длительность кислотных стадий очистки: первой - 4 - 6 ч, второй - 3 - 4 ч.
Предпусковая очистка раствором фталевой кислоты должна начинаться с обработки поверхностей нагрева раствором гидразин-гидрата с концентрацией 100 - 150 мг/л при температуре 120 - 150 °С в течение 2 - 3 ч. Первая кислотная обработка начинается непосредственно после гидразинной обработки, и раствор фталевой кислоты вводится в раствор гидразин-гидрата.
В процессе растворения железоокисных отложений растворы фталевой кислоты при исходной концентрации кислоты 2 - 3 % содержат до 6 г/кг растворенного железа, на связывание 1 кг оксидов железа расходуется 5 кг фталевой кислоты.
4.9.2. Технология водно-химической очистки котлов состоит из следующих основных операций:
а) водная отмывка;
б) гидразинная обработка при концентрации гидразина 100 - 150 мг/кг и температуре 120 - 150 °С в течение 2 - 3 ч;
в) кислотная обработка 2 - 3 %-ным ингибированным раствором фталевой кислоты при температуре 92 - 100 °С в течение 4 - 8 ч;
г) вытеснение кислотного раствора технической водой в течение 15 - 20 мин без добавления аммиака, а затем с добавлением аммиака при показателе рН 9,5 - 10 до полного осветления;
д) замена технической воды на обессоленную и отмывка обессоленной водой с аммиаком;
е) пассивация гидразинно-аммиачным раствором при концентрации гидразина 400 - 500 мг/кг, показателе рН раствора 9,5 - 10,5 и температуре 120 - 160 °С в течение 10 - 16 ч.
При проведении кислотных стадий необходимо контролировать показатель рН раствора, значение которого не должно в процессе очистки превышать 4,4. Если показатель рН раствора превысит это значение, в растворе фталевой кислоты начнет образовываться взвесь гидроксида FeIII. Для предотвращения этого явления необходимо правильно выбирать исходную концентрацию фталевой кислоты. При достижении показателем рН раствора значения 4,4 необходимо либо вытеснить кислотный раствор технической водой, либо провести подкисление раствора серной кислотой до значения рН раствора, равного 3,0 - 3,5.
4.10. Парохимический метод очистки при строгом соблюдении расхода и параметров пара, технологического режима очистки способен обеспечить достаточно высокое качество очистки. Этот метод эффективен с точки зрения полноты удаления взвешенных веществ и в сочетании с использованием на кислотной стадии очистки композиции трилона Б с лимонной и серной кислотами применим для оборудования, изготовленного из аустенитных сталей. При применении этого метода существенно сокращается длительность очистки, расход реагентов, обессоленной воды, уменьшается объем емкостей, необходимых для накопления сбросных вод, отсутствует необходимость в проведении послепромывочной пассивации химическим способом.
Недостатком этого метода является применимость его преимущественно для прямоточных котлов, использование дефицитных и дорогостоящих реагентов, невозможность проведения пассивации для всего питательного тракта (конденсатный тракт).
4.10.1. Технология парохимической очистки раствором композиций комплексона с добавлением серной кислоты:
а) продувка паром 3 - 4 МПа при температуре 270 - 400 °С;
б) кислотная обработка ингибированным раствором композиции 1 %-ного комплексона с дозированием серной кислоты для поддержания показателя рН среды равным 3 - 3,5 при температуре 90 - 120 °С в течение 6 - 8 ч;
в) вытеснение кислотного раствора технической водой до полного осветления ее на сбросе;
г) кислотная обработка ингибированным раствором композиций 0,5 %-ного комплексона - с дозированием серной кислоты для поддержания показателя рН среды равным 3 - 3,5 при температуре 90 - 120 °С в течение 3 - 4 ч;
д) вытеснение кислотного раствора технической водой в течение 0,3 - 0,5 ч;
е) продолжение вытеснения кислотного раствора амминированной технической водой при показателе рН 10 - 10,5 до полного осветления отмывочной воды;
ж) дренирование отмывочной воды;
з) продувка паром давлением 3 - 4 МПа при температуре 270 - 400 °С.
5.1. При выборе метода предпусковой очистки учитываются следующие обстоятельства: водно-химическая очистка осуществима на котлах и ТЭС всех типов, парохимическая - предпочтительна для прямоточных котлов и при обязательном наличии на ТЭС источника пара требуемых параметров и расхода; кроме того, парохимический метод очистки становится более предпочтительным в тех случаях, когда на ТЭС отсутствуют емкости для сбора и нейтрализации промывочных растворов необходимого объема и недостаточно количество обессоленной или химически очищенной воды для проведения водно-химической очистки.
5.2. Энергоблоки с барабанными котлами и отдельно барабанные котлы могут подвергаться предпусковой водно-химической очистке при использовании на кислотной стадии растворов следующих кислот или композиций: соляной, фталевой, композиций трилона Б с серной, фталевой кислотами или концентратом НМК. Использование растворов композиций трилона Б с лимонной кислотой для очистки барабанных котлов нецелесообразно из-за высокой стоимости и дефицитности реагентов.
5.3. Для предпусковых очисток прямоточных котлов можно использовать композиции трилона Б с лимонной кислотой и ее заменителями - серной, фталевой кислотами, концентратом НМК, а также монораствор фталевой кислоты. Для очистки котлов энергоблоков мощностью 500 МВт и выше рекомендуется использовать композицию трилона Б с лимонной кислотой. Для энергоблоков мощностью 300 (250) МВт и ниже в целях сокращения затрат на очистку прямоточных котлов целесообразно применять композиции трилона Б с серной, фталевой кислотами, концентратом НМК, а также монораствор фталевой кислоты.
5.4. В табл. 1 приводятся рекомендуемые технологии очисток применительно к котлам определенной паропроизводительности и типа. В качестве основного кислотного раствора указывается наиболее оптимальный, а в качестве дополнительных - кислотные растворы, которые допустимы для данного котла при очистке парохимическим или водно-химическим методом.
Таблица 1
Методы предпусковой очистки котлов
|
Наличие в пароводяном тракте котла стали аустенитного класса |
Раствор |
||
|
Основной |
Возможный |
||
|
160 - 230 |
Нет |
Соляная кислота |
Фталевый ангидрид |
|
320 |
Нет |
Соляная кислота |
Фталевый ангидрид |
|
320 |
Есть |
Фталевый ангидрид |
При одноконтурной схеме очистки: композиция комплексона с серной кислотой, или с концентратом НМК, или со фталевым ангидридом. При двухконтурной схеме очистки: для первого контура - соляная кислота, для второго контура - композиция комплексона с серной кислотой, или с концентратом НМК, или со фталевым ангидридом |
|
420 - 500 |
Нет |
Соляная кислота |
Фталевый ангидрид |
|
420 - 500 |
Есть |
Фталевый ангидрид |
При одноконтурной схеме очистки: композиция комплексона с серной кислотой, или с концентратом НМК, или со фталевым ангидридом. При двухконтурной схеме очистки: для первого контура - соляная кислота, для второго контура - композиция комплексона с серной кислотой, или с концентратом НМК, или со фталевым ангидридом |
|
640 - 670 |
Нет |
Соляная кислота |
Фталевый ангидрид либо композиция комплексона с серной кислотой, или с концентратом НМК или со фталевым ангидридом |
|
640 - 670 |
Есть |
Композиция с серной кислотой |
Фталевый ангидрид. При двухконтурной схеме очистки: для первого контура - соляная кислота; для второго контура - композиция комплексона с серной кислотой, или с концентратом НМК, или фталевым ангидридом |
|
1000 |
Есть |
Композиция комплексона с серной кислотой |
Фталевый ангидрид либо композиция комплексона со фталевым ангидридом или концентратом НМК |
|
1600 |
Есть |
Композиция комплексона с лимонной кислотой |
Композиция комплексона с серной кислотой или со фталевым ангидридом |
|
2500 |
Есть |
Композиция комплексона с лимонной кислотой |
Композиция комплексона с серной кислотой или со фталевым ангидридом |
5.5. Энергоблоки с прямоточными котлами должны очищаться по одноконтурной схеме, поэтому должны использоваться растворы органических кислот или композиций, применение которых допустимо для очистки как перлитных, так и аустенитных сталей.
5.6. Барабанные котлы, поверхности которых изготовлены только из перлитных сталей, должны подвергаться очистке по одноконтурной схеме раствором соляной кислоты.
5.6.1. При наличии в пароперегревателях барабанных котлов сталей аустенитного класса очистка котла может производиться по одно или двухконтурной схеме циркуляции в зависимости от используемых реагентов. Одноконтурная схема предпочтительнее, однако в этом случае нужно использовать для очистки растворы фталевой кислоты или композиций трилона Б с заменителями лимонной кислоты.
5.6.2. При очистке котла по двухконтурной схеме испарительные поверхности очищаются раствором соляной кислоты, а пароперегревательные - одним из следующих растворов: фталевой кислотой или композиций трилона Б с серной, фталевой кислотами или концентратом НМК.
5.6.3. При использовании одноконтурной схемы очистки упрощается и удешевляется монтаж схемы, однако применяются при этом более дорогостоящие и дефицитные реагенты. Двухконтурная схема позволяет уменьшить расход дефицитных реагентов и повысить эффективность очистки недренируемых и сложных по конфигурации участков.
5.6.4. Из рассматриваемых одноконтурных схем очисток барабанных котлов наиболее надежной и предпочтительной является схема, приведенная на рис. 2. В остальных вариантах имеется вероятность переполнения деаэратора промывочным раствором при аварийном останове насосов. Кроме этого, в схемах рис. 1 и 5 не всегда обеспечиваются необходимые скорости движения раствора в недренируемых змеевиках пароперегревателя.
Использование схем очистки без деаэратора и тем более без промежуточного бака допускается лишь в том случае, когда в эксплуатацию вводится только один котел. Отсутствие в контуре промежуточной емкости ухудшает сепарацию взвеси из раствора и ухудшает качество очистки котла. Особенно плохие условия создаются в этом случае для очистки недренируемых участков котла.
Использование барабана в качестве промежуточной емкости допустимо лишь при очистке испарительной части котла. Применение промежуточного бака или емкости необходимо не только для сепарации взвеси из промывочных растворов, но и для предотвращения запаривания насосов циркуляции и перегрева промывочных растворов, так как в этом случае возможны только огневой подогрев раствора. Эту схему очистки можно применять лишь в вынужденных ситуациях.
5.7. Примеры применения рекомендуемых технологий и схем для предпусковых водно-химической и парохимической очисток энергоблоков с котлами 14 МПа и выше приведены в приложении 1.
6.1. Эффективность проведения предпусковой химической очистки во многом определяется правильностью выполнения отдельных технологических операций. Первоначальная водная промывка проводится после опрессовки схемы очистки. Ее основное назначение - удалить из контура очистки грубые и слабо сцепленные с внутренней поверхностью металла загрязнения (в основном песка, ржавчины, грата).
При очистке котлов, имеющих недренируемые поверхности нагрева с большим количеством параллельных змеевиков, водная промывка обеспечивает удаление воздушных пробок, которые могут образовываться в верхних петлях отдельных змеевиков и препятствовать заполнению их водой и промывочными растворами. Удаление воздушных пробок происходит при скоростях воды 1,5 - 2 м/с и давлении 1,5 - 2 МПа путем сжатия газовых пузырей и выноса их потоком воды.
6.2. Для обеспечения необходимого эффекта водная промывка выполняется в дренируемых поверхностях со скоростью не менее 1 м/с, в недренируемых - не менее 2 м/с. Для экранных труб барабанных котлов достаточна скорость движения 0,6 м/с при направлении потока воды сверху - вниз. При очистке барабанных котлов указанные скорости обеспечиваются раздельной промывкой питательного тракта, экономайзера, панелей экранов при выделении их в отдельные группы, пароперегревателя. При очистке прямоточных котлов водная промывка осуществляется по отдельным участкам каждой линии котла. Водная промывка деаэраторного бака производится 2 - 3-кратным заполнением его водой и опорожнением.
При проведении очистки последующих участков необходимо исключить возможность попадания загрязненной воды в очищенные участки. Для водной промывки используется техническая вода. Содержание взвешенных веществ в ней не должно превышать 100 мг/л. При более высоком содержании взвешенных веществ требуется предварительная очистка воды. Продолжительность водной промывки определяется временем, необходимым для достижения осветленности отмывочной воды на сбросе, близкой к исходной.
6.3. При парохимическом методе предпусковой очистки в результате паровой продувки должны быть удалены грубые слабо сцепленные с поверхностью металла загрязнения и подготовлена поверхность перед обработкой ее растворами кислот и композиций. При этом высокие температуры пара способствуют частичному восстановлению оксидов железа до магнетита, что обуславливает увеличение скорости растворения окалины и продуктов атмосферной коррозии в растворах кислот, используемых на кислотных стадиях очистки.
6.3.1. Паровые продувки осуществляются паром давлением 3 - 4 МПа и температурой 270 - 400 °С. Расход пара и его параметры должны быть такими, чтобы энергия парового потока в очищаемом участке не менее чем в 1,2 раза превышала энергию среды при условии прохождения через данный участок пара номинальных параметров. Расход пара определяется по формуле:
![]()
где Gп, Vп - расход (т/ч) и удельный объем (м3/кг) пара на продувку;
Gн, Vн - расход (т/ч) и удельный объем (м3/кг) среды при работе оборудования в номинальном режиме.
До начала паровой продувки производится прогрев всего котла и всех участков продуваемых трубопроводов. Максимальная скорость прогрева трубопроводов и коллекторов первичного пара, питательных трубопроводов должна быть не более 3 °С/мин, а скорость прогрева трубопроводов и коллекторов промежуточного пароперегревателя - не более 8 °С/мин. При применении для подачи пара специальной РОУ температура пара устанавливается сначала в пределах 150 - 200 °С, а затем в соответствии с установленной скоростью прогрева повышается. Продолжительность продувки каждого участка при максимальной температуре - 10 - 20 мин. По окончании паровой продувки контур очистки расхолаживается в соответствии с инструкцией по эксплуатации котла.
6.4. Операция щелочения, или обезжиривания, не является обязательной и проводится только при наличии маслянистых загрязнений на внутренней поверхности труб и оборудования, подлежащего очистке. Для удаления маслянистых загрязнений не всегда требуется проводить щелочение. В частности, при паровой продувке маслянистые загрязнения выгорают и специальной операции по обезжириванию не требуется.
В большинстве случаев обезжиривание поверхности пароводяного тракта можно обеспечить добавлением в раствор кислоты или композиции комплексона с кислотой поверхностно-активного вещества - ОП-7 (ОП-10). Это особенно удобно в том случае, когда ОП-7 (ОП-10) используется в качестве составляющей смеси ингибиторов.
6.5. Для котлов, имеющих поверхности и участки из аустенитных сталей, операцию щелочения при необходимости проводят 1 - 1,5 %-ным раствором аммиака при температуре 90 - 95 °С в течение 4 - 8 ч. Для оборудования, не имеющего участков из аустенитных сталей, щелочение целесообразнее проводить 1 - 2 %-ным раствором едкого натра при температуре 90 - 100 °С в течение 4 - 8 ч. Растворы щелочей готовятся на технической воде. Для обеспечения большего эффекта необходимо осуществлять прокачивание щелочных растворов по отдельным контурам и участкам и выдерживать скорости движения раствора в дренируемых поверхностях нагрева на уровне 0,6 - 1 м/с, в недренируемых - 1 - 1,5 м/с.
6.6. В процессе подготовки к проведению щелочения или кислотной промывки до ввода реагентов производится циркуляция воды по замкнутому контуру и ее подогрев до температуры, необходимой для данной операции. Параметры пара, подаваемого для подогрева, должны обеспечивать подогрев воды в течение 2 - 4 ч. Одновременно с подогревом воды проверяется надежность работы промывочных насосов, системы подогрева, плотность контура очистки, а также распределение потока по отдельным трубам поверхностей нагрева и особенно в змеевиках пароперегревателя.
6.7. По окончании щелочения раствор вытесняется технической водой и производится интенсивная отмывка поверхностей нагрева от щелочного раствора водой на сброс до получения нейтральной реакции.
6.7.1. При проведении кислотной стадии очистки растворами композиций на основе комплексонов техническая вода вытесняется обессоленной или химически очищенной водой до получения жесткости воды не более 250 - 300 мкг-экв/л.
6.7.2. При проведении кислотной стадии очистки растворами соляной и фталевой кислот, которые готовятся на технической воде, после получения нейтральной реакции проводится циркуляция технической воды по замкнутому контуру и нагрев ее до температуры, необходимой для проведения кислотной стадии очистки.
6.8. Независимо от применяемого метода для обеспечения необходимого эффекта химической очистки следует строго выдерживать требуемые концентрации реагентов, температуру, скорость движения растворов и продолжительность их воздействия.
6.8.1. Последовательность приготовления растворов кислот и композиций в циркуляционном промывочном контуре:
а) в циркулирующую и нагретую до заданной температуры воду вводятся концентрированные растворы ингибиторов, которые перемешиваются в контуре с водой в течение 0,5 - 1 ч. Исключение составляет раствор ингибированной соляной кислоты, который вводится первым, если он применяется без дополнительного ингибирования уротропином или ОП-7 (ОП-10);
б) в воду после перемешивания ингибиторов вводят концентрированные растворы кислот и комплексонов в таких количествах, чтобы при заданных расходах среды в месте ввода достигалась необходимая концентрация реагента или заданное значение рН. При использовании композиций трилон Б вводят в контур либо до ввода кислоты, либо одновременно с ней. Только при применении композиции трилона Б с серной кислотой последняя добавляется после введения комплексона.
6.8.2. После достижения необходимых концентраций реагентов и получения необходимого значения рН раствора обработка кислотным раствором продолжается в течение 4 - 8 ч до стабилизации концентрации растворенного железа в промывочном растворе.
6.8.3. По окончании кислотной стадии раствор кислоты должен вытесняться технической водой. Дренирование кислотного раствора нецелесообразно, а при применении фталевой кислоты недопустимо. Вытеснение кислотного раствора осуществляется в очистные сооружения с максимально возможными расходами из всего контура одновременно и заканчивается интенсивными водными отмывками, целью которых является полное удаление раствора кислоты и продуктов ее взаимодействия с отложениями, а также образующейся на кислотной стадии взвеси из пароводяного тракта котла и всего контура очистки.
6.8.4. Водные промывки проводятся технической водой на сброс с такими же скоростями и расходами, как предварительные водные промывки. Для обеспечения полного удаления взвеси водная промывка проводится по отдельным участкам и элементам в той же последовательности, что и предварительные водные промывки.
6.8.5. Вытеснение кислотного раствора и промывка технической водой сопровождаются образованием на очищенной поверхности металла налета продуктов вторичной коррозии, протекающей в слабокислой и нейтральной воде и особенно ощутимой после очистки соляной кислотой. Для предотвращения этого, не дожидаясь полного вытеснения раствора кислот из котла, в промывочную воду необходимо добавлять щелочной реагент. Вводить щелочь следует лишь через некоторое время после начала вытеснения, так как необходимо создать определенный раздел между растворами кислот, содержащими соли и комплексы железа, и щелочной промывочной водой для предотвращения выпадения гидроксидов железа в контуре очистки.
Для прямоточных котлов достаточно начать дозировку щелочного реагента через 10 - 15 мин от начала вытеснения кислотного раствора. В барабанных котлах операция вытеснения кислотного раствора более продолжительна за счет необходимости перемешивать воду в барабане и разбавлять раствор кислоты, поэтому промежуток времени между началом вытеснения кислотного раствора и началом дозирования щелочного реагента в промывочную воду зависит от используемой схемы очистки и в среднем составляет 20 - 25 мин. При этом вытеснение целесообразно начинать с пароперегревателя и экономайзера и сбрасывать раствор через экранные трубы.
6.8.6. Для подщелачивания промывочной воды целесообразно использовать аммиачную воду, добавляя ее в количестве, необходимом для получения показателя рН отмывочной воды, равного 9,5 - 10. Водные промывки по отдельным участкам проводятся до осветленности воды на сбросе, равной исходной, причем подщелачивание воды аммиаком до получения показателя рН, равного 9,5 - 10, проводится в первые 1 - 1,5 ч, а затем количество добавляемого аммиака уменьшается с тем, чтобы в воде показатель рН не превышал 8 и сброс отмывочной воды производился в котлован или водоотводящий канал.
6.8.7. Перед пассивацией и повторными кислотными стадиями, проводимыми растворами композиций, водные промывки на сброс заканчиваются заменой технической воды на обессоленную или химически очищенную. Эта операция производится до получения жесткости отмывочной воды на сбросе, близкой к исходной. Затем контур замыкается и начинается нагрев воды до температуры, необходимой для проведения последующей пассивации или второй кислотной стадии. При превышении жесткостью воды значения 100 мкг-экв/кг и концентрацией железа в растворе значения 100 мг/кг проводится повторное вытеснение загрязненной воды и замена ее на обессоленную или химически очищенную.
6.8.8. Повторная кислотная обработка проводится аналогично первой в соответствии с пп. 6.7 и 6.8. Однако следует учитывать, что при проведении водных промывок перед повторной кислотной обработкой нет необходимости в подщелачивании промывочной воды, и при использовании для повторной кислотной обработки раствора фталевой кислоты не проводится замена технической воды на обессоленную или химически очищенную.
6.9. Заключительной стадией предпусковой химической очистки котла является пассивация. Пассивация проводится для формирования на очищенной поверхности металла равномерной защитной пленки, предохраняющей металл от атмосферной коррозии в период простоя оборудования между окончанием химической очистки и пуском в эксплуатацию.
6.9.1. Для создания защитной пленки на поверхности пароводяного тракта могут использоваться несколько методов. Обработка раствором окислителя поверхности металла позволяет сформировать тонкую защитную пленку оксида железа Fe2O3, а обработка сильным восстановителем - слой магнетита Fe2O4. Восстановление оксидов железа до магнетита имеет место и при проведении пассивации парохимическим методом, т.е. при обработке паром определенных параметров.
6.9.2. При проведении пассивации раствором нитрита натрия в аммиачной среде поверхность металла перед пассивацией должна быть абсолютно чистой, так как защитная пленка образуется за счет окисления самого металла. При пассивации восстановителями и обработке поверхности паром формирование защитной пленки идет за счет восстановления оксидов железа, имеющихся на поверхности металла или в воде, на которой готовится пассивирующий раствор.
6.9.3. Срок защитного действия пассивирующей пленки зависит от условий, в которых будет находиться котел во время простоя, главным образом от влажности воздуха и степени недренируемости отдельных поверхностей нагрева.
6.9.4. Пассивация нитритно-аммиачным методом проводится на обессоленной или химически очищенной воде при концентрации нитрита натрия 1 %, показателе рН 9,5 - 10,5, температуре раствора 50 - 60 °С, продолжительности циркуляции раствора по контуру 4 - 6 ч. Скорость движения раствора должна составлять не менее 0,3 - 0,5 м/с.
6.9.5. Пассивация гидразинно-аммиачным методом должна проводиться на обессоленной или химически очищенной воде при начальной концентрации железа в растворе 20 - 30 мг/кг, что достигается своевременным окончанием водных промывок перед пассивацией. Концентрация гидразина при пассивации должна составлять 400 - 500 мг/кг, показатель рН - 9,5 - 10,5. Эффект этого метода пассивации во многом определяется температурой раствора, которая должна равняться 140 - 160 °С. Если схема и используемые НХО не позволяют повысить температуру раствора до таких значений, пассивацию можно проводить при температурах 120 - 140 °С.
6.9.6. Пассивация высокотемпературным паром производится по всему контуру одновременно со сбросом пара после испарительного тракта, перед ПЭН и после промежуточного пароперегревателя. Температура пара при пассивации должна быть не менее 300 °С*, а длительность пассивации паром 1,5 - 2 ч. По окончании паровой пассивации производится расхолаживание котла в соответствии с эксплуатационной инструкцией.
* Для питательного тракта допускается температура пара не более 270 °С.
6.9.7. После нитритно-аммиачной пассивации котел перед пуском в работу необходимо отмыть от нитритов до остаточного содержания их 1 мг/кг (NO-2) в сбросной воде. Для связывания остатков нитрита натрия следует производить обработку питательной воды гидразином в первый момент растопки котла.
6.10. После окончания всех операций по химической очистке необходимо удалить скопившиеся в коллекторах и емкостях шлам, окалину и произвести осмотр внутренних поверхностей нагрева. Для этого после опорожнения контура производится вскрытие барабана, деаэраторов, коллекторов, к которым присоединялись временные трубопроводы. Осматриваются те коллекторы, в которых наиболее вероятно оседание шлама во время очистки.
После вскрытия и осмотра указанных элементов организуется их тщательная механическая очистка.
6.11. Для оценки состояния очищенных поверхностей нагрева должны вырезаться образцы труб длиною не менее 800 мм. Места вырезок определяются ответственными представителями ТЭС, монтажной организации и организации, проводившей очистку. В барабанных котлах вырезают два образца из экономайзера, четыре из экранных труб, два образца из ширмового и конвективного пароперегревателей.
В прямоточных котлах вырезают образцы труб из экономайзера, НРЧ, ВРЧ, конвективного пароперегревателя, промежуточного пароперегревателя I и II ступени - по два образца (по одному образцу из каждой половины).
Методика определения загрязненности внутренней поверхности труб приведена в приложении 2.
6.12. По результатам предпусковой очистки составляется технический акт, образец которого приведен в приложении 3.
7.1. Реагентное хозяйство предназначено для приема, хранения, приготовления концентрированных промывочных растворов и состоит из емкостей и насосов для перемешивания и подачи этих растворов в контур очистки.
7.2. Количество и вместимость устанавливаемых баков, а также технические характеристики насосов должны обеспечить проведение предпусковой химической очистки энергоблока выбранным реагентом.
7.2.1. Вместимость баков для приготовления концентрированных растворов определяется количеством и растворимостью используемых для очистки реагентов.
7.2.2. Реагенты, поступающие в твердом (кристаллическом) виде, растворяются в специальных баках-мешалках с коническим днищем и крышкой. В крышке имеется люк, в который вставлено съемное сито с глухим днищем, представляющее собой цилиндрическую сетку высотой 1000 - 1500 мм и размером ячейки 3 - 5 мм. На баке-мешалке устанавливаются: водомерное стекло, термогильза и пробоотборник. К баку-мешалке подводятся линии обессоленной воды и греющего пара. Пар подается через змеевик, расположенный в основании цилиндрической части бака-мешалки. Вместимость бака-мешалки должна быть не менее 5 м, оптимальная вместимость 10 м.
Для растворения в баке-мешалке реагентов, поступающих в твердом и пастообразном виде, и перекачки их в баки приготовления реагентов используются кислотостойкие насосы с подачей 45 м3/ч и напором 30 м вод. ст.
7.2.3. Учитывая специфику приготовления смесей ингибиторов, например каптакса (тиурама) с ОП-7 (катапином), необходимо предусмотреть специальный бак-мешалку небольшой вместимости (2 - 3 м3), оборудованный так же, как и бак-мешалка для растворения твердых реагентов.
7.2.4. Реагентные баки должны иметь антикоррозионное кислотостойкое покрытие и наружную теплоизоляцию, а также оборудоваться лестницей, верхним люком и указателями уровня. Всасывающие трубопроводы насосов подключаются к низу баков.
7.2.5. Насосы, баки-мешалки и баки-дозаторы должны обязательно располагаться в помещении. Баки хранения реагентов могут устанавливаться как в помещении, так и под открытым небом. Помещение приготовления растворов реагентов должно быть оборудовано приточно-вытяжной вентиляцией и приборами, контролирующими содержание реагентов в воздухе согласно ГОСТ 12.1.005-76 «Воздух рабочей зоны».
Баки, предназначенные для хранения крепких растворов реагентов, имеющих малую растворимость (фталевый ангидрид, ЭДТК), оборудуются наружным змеевиком для организации парового подогрева.
7.2.6. Подача раствора реагентов в контур очистки осуществляется насосами в кислотостойком исполнении с подачей 60 - 90 м3/ч и напором 50 м вод. ст. Дозировка аммиачной воды в контур очистки осуществляется из бака-хранения насосами с подачей 2 - 6 м3/ч и напором 50 - 80 м вод. ст.
7.2.7. С целью уменьшения количества устанавливаемых баков допускается последовательное приготовление различных реагентов в одном и том же баке после тщательной отмывки бака от приготовленного ранее раствора.
7.2.8. Оборудование для подачи серной кислоты в контур очистки должно включать бак-мерник вместимостью 3 - 5 м3 и насосы-дозаторы с подачей 1 - 3 м3/ч (в зависимости от расхода кислоты). Кислота должна поступать в бак-мерник из хранилища системы водоприготовления. Так как данное оборудование должно располагаться вблизи НХО, целесообразно использовать систему регенерации блочной обессоливающей установки (БОУ).
Серная кислота должна подаваться во всасывающий трубопровод промывочного насоса по отдельному трубопроводу со штуцером, введенным внутрь трубопровода и загнутым вдоль осевой линии в направлении движения потока.
7.2.9. Для подачи гидразина используется эксплуатационная гидразинная установка.
Серная кислота, гидразин, аммиак, едкий натр должны подаваться в баки реагентного хозяйства из химического цеха по соответствующим трубопроводам.
7.2.10. Трубопроводы подачи реагентов в промывочный контур в антикоррозионном исполнении должны иметь постоянный уклон с дренажами для полного опорожнения и оборудоваться обогревающим спутником, если их трассировка предусмотрена вне здания. Трубопроводы, расположенные на эстакаде, по окончании подачи по ним реагентов должны продуваться воздухом для удаления остатков растворов.
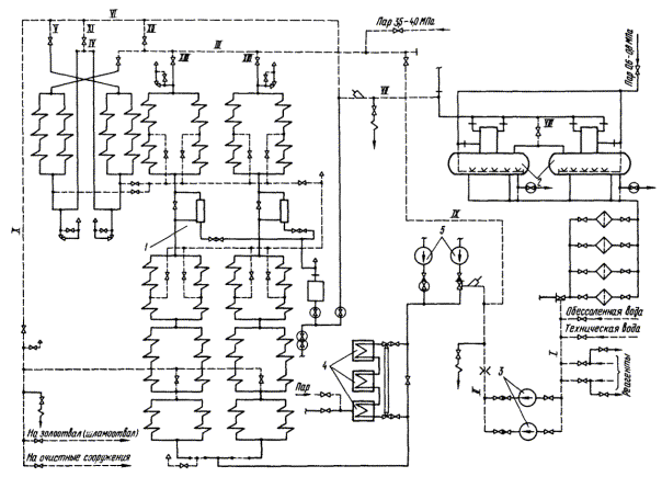
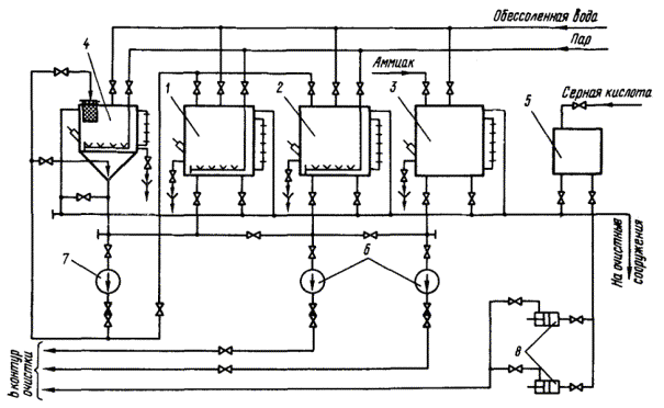
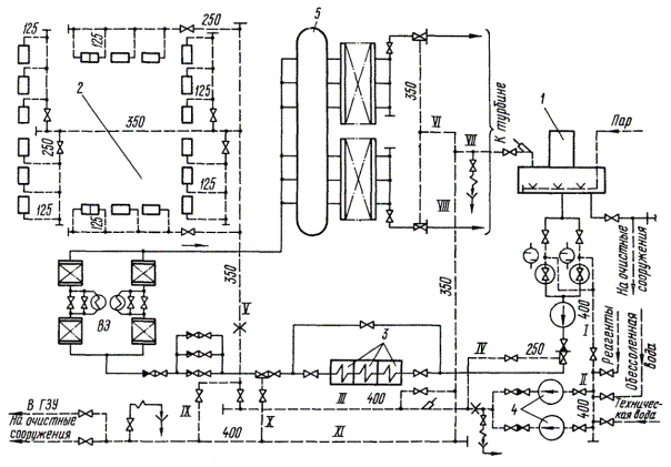
Рис. 9. Схема реагентного узла для химической очистки:
1 - бак соляной кислоты (трилона Б) вместимостью 50 м3; 2 - бак лимонной кислоты (нитрита натрия, фталевого ангидрида); 3 - бак аммиака вместимостью 50 м3; 4 - бак-мешалка вместимостью 8 м3; 5 - бак серной кислоты вместимостью 5 м3; 6 - насосы подачи реагента в контур очистки; 7 - насос для приготовления крепкого раствора; 8 - насосы-дозаторы серной кислоты
Рис. 10. Схема приготовления и ввода фталевого ангидрида:
1 - бак для загрузки фталевого ангидрида вместимостью 10 - 15 м3; 2 - насос рециркуляции и ввода раствора фталевого ангидрида в контур очистки
7.2.11. Реагентное хозяйство для предпусковой химической очистки барабанных котлов паропроизводительностью до 500 т/ч состоит из трех баков вместимостью по 50 м3 и одного бака-мешалки вместимостью 8 м3 (рис. 9).
При очистке энергоблоков 200, 300, 500 и 800 МВт применяется то же оборудование, но вместимость баков увеличивается до 75 м3. При применении солянокислотного способа для энергоблока 200 МВт вместимость бака хранения соляной кислоты должна быть не менее 130 м3.
7.2.12. При промывках фталевым ангидридом вследствие его малой растворимости целесообразнее применять специальную установку (рис. 10) для подачи реагента в контур очистки в виде суспензии, которая монтируется в дополнение к перечисленному выше оборудованию реагентного хозяйства. Окончательное растворение реагента в этом случае происходит в промывочном контуре.
8.1. При выборе способов обезвреживания и нейтрализации сточных вод, образующихся при химических очистках, необходимо учитывать характер сточных вод и требования, предъявляемые к очистным сооружениям.
8.2. Сточные воды характеризуются «залповыми» сбросами и наличием в них веществ, содержание которых на два - три порядка превышает предельно допустимые концентрации (СПДК) для природных водоемов (см. приложение 4).
8.3. Сбор и предварительная очистка сточных вод производится на очистных сооружениях, проектируемых согласно «Руководству по проектированию обработки и очистки производственных сточных вод тепловых электростанций» (М.: Информэнерго, 1975). Принципиальная схема узла очистных сооружений представлена на рис. 11. Схема очистки сточных вод состоит из бака для нейтрализации промывочных растворов, емкости-усреднителя, бака обезвреживания растворов и насосов.
8.3.1. Оборудование очистных сооружений монтируется на открытом воздухе. Территория очистных сооружений должна быть освещена, огорожена и иметь телефонную связь с главным корпусом.
8.3.2. Бак-нейтрализатор выполняется в виде цилиндрической металлической емкости с крышкой и кислотостойким покрытием, оборудуется верхним и нижним люками, внутренней и наружной лестницами, уровнемером. Под крышкой монтируется разбрызгивающее устройство. Допускается выполнение емкости для нейтрализации сточных вод в виде водонепроницаемого котлована.
8.3.3. Емкость-усреднитель в зависимости от местных условий выполняется обвалованной или путем выемки грунта, при этом не обеспечивается водонепроницаемость котлована. Для электростанций, сжигающих твердое топливо, целесообразность сооружения емкости-усреднителя определяется поверочными расчетами в соответствии с п. 8.6.1.
8.3.4. Бак обезвреживания растворов выполняется с коническим днищем, крышкой, верхним и нижним люками, внутренней и наружной лестницами, уровнемером и с кислотостойким покрытием. К баку должны быть подведены линии подачи кислоты, щелочи, технической воды и выполнено устройство для подачи воздуха в виде барботажного устройства.
8.3.5. Насос 4 бака-нейтрализатора (см. рис. 11) служит для откачки раствора в бак обезвреживания, а также для рециркуляции среды в этих баках при аэрации и перемешивании. Насос должен иметь ориентировочную подачу 150 - 300 м3/ч и напор 40 - 60 м вод. ст.
Рис. 11. Принципиальная схема очистки отработанных промывочных растворов:
1 - бак-нейтрализатор; 2 - емкость-усреднитель; 3 - бак обезвреживания; 4 - насос бака-нейтрализатора; 5 - насос откачки шлама и осветленной жидкости; 6 - насос откачки условно чистых стоков
8.3.6. Насос 5 предназначен для откачки шлама и осветленной жидкости после предварительной очистки. Примерные характеристики насоса: подача 5 - 20 м3/ч; напор 40 - 20 м вод. ст.
8.3.7. Насос 6 для откачки условно чистых стоков на подпитку оборотных систем водоснабжения имеет ориентировочную подачу 5 - 50 м3/ч и напор 40 - 20 м вод. ст.
8.3.8. Все трубопроводы схемы очистных сооружений должны быть противокоррозионного исполнения и дренируемыми.
8.4. Эксплуатация очистных сооружений осуществляется в соответствии с «Типовой инструкцией по обслуживанию установок очистки производственных сточных вод тепловых электростанций» (М.: СПО Союзтехэнерго, 1979).
8.4.1. На электростанциях, работающих на газомазутном топливе, сбор и предварительную очистку отработанных растворов допускается проводить с использованием установки нейтрализации обмывочных вод регенеративных воздухоподогревателей (РВП) и конвективных поверхностей нагрева. Однако смешение сточных вод после химической очистки и обмывочных вод РВП недопустимо.
8.4.2. Отмывочная вода после предварительных водных промывок, за исключением первых порций, равных трем объемам промывочного контура, очистке не подвергается и направляется в водоотводящий канал.
8.4.3. Сбор отработанных промывочных растворов производится в баке-нейтрализаторе. Объем бака-нейтрализатора должен обеспечивать трехкратное разбавление кислых и щелочных растворов. Количество сбрасываемых растворов после выполнения химической очистки в зависимости от типа блока (котла) приведено в табл. 2. Ориентировочный состав сточных вод после нейтрализации их в баке-нейтрализаторе в зависимости от используемого способа химической очистки представлен в табл. 3.
Таблица 2
Количество стоков при химической очистке котлов
|
Паропроизводительность котла, т/ч |
Тип схемы очистки |
Объем промывочного контура, м3 |
Объем сбрасываемых стоков, м3 |
|
|
в бак-нейтрализатор |
в емкость-усреднитель |
|||
|
220 |
Одноконтурная |
200 |
2000 |
3200 |
|
320 |
Одноконтурная |
250 |
2300 |
4000 |
|
320 |
Двухконтурная |
|
|
|
|
|
1-й контур |
200 |
2000 |
6400 |
|
|
2-й контур |
150 |
1500 |
|
|
420 - 500 |
Одноконтурная |
300 |
3000 |
4800 |
|
420 - 500 |
Двухконтурная |
|
|
|
|
|
1-й контур |
250 |
2500 |
7200 |
|
|
2-й контур |
200 |
2000 |
|
|
640 - 670 |
Одноконтурная |
500 |
5000 |
8000 |
|
640 - 670 |
Двухконтурная |
|
|
|
|
|
1-й контур |
320 |
3200 |
8600 |
|
|
2-й контур |
220 |
2200 |
|
|
1000 |
Одноконтурная |
500 |
5000 |
8000 |
|
1600 |
Одноконтурная |
700 |
7000 |
11200 |
|
2500 |
Одноконтурная |
1000 |
10000 |
16000 |
|
4000 |
Одноконтурная |
1500 |
15000 |
23000 |
Таблица 3
Состав сточных вод (мг/л) после химической очистки котлов
|
Способ очистки |
||||||
|
Соляно-кислотный |
Комплексонами с добавлением кислот |
Фталево-кислотный |
||||
|
серной |
фталевой |
НМК |
лимонной |
|||
|
Хлориды (Cl-) |
4000 |
- |
- |
- |
- |
- |
|
Сульфаты (SO42-) |
- |
1800 |
- |
- |
- |
- |
|
Железо (Fe2+) |
780 |
780 |
780 |
780 |
780 |
780 |
|
Натрий (Na+) |
260 |
180 |
180 |
180 |
180 |
- |
|
ОП-10 (ОП-7) |
- |
200 |
200 |
200 |
200 |
200 |
|
Формальдегид1* |
320 |
- |
- |
- |
- |
- |
|
Аммонийные соединения (NH4+)2* |
720 |
720 |
720 |
720 |
720 |
720 |
|
Каптакс |
- |
20 |
20 |
20 |
20 |
20 |
|
Гидразин |
- |
30 |
30 |
30 |
30 |
30 |
|
Сухой остаток |
8000 |
5100 |
5400 |
6300 |
5100 |
5800 |
|
Содержание органических веществ2* |
|
|
|
|
|
|
|
ХПК3* мг О2/л |
400 |
1800 |
4800 |
4800 |
3200 |
6200 |
|
БПК (полн.)4* мг O2/л |
240 |
150 |
2100 |
2700 |
1100 |
4100 |
|
Фталевая кислота |
- |
- |
2100 |
- |
- |
4000 |
|
рН |
1,5 |
10 |
10 |
10 |
10 |
6 |
1* Формальдегид образуется при разложении уротропина, используемого в качестве ингибитора.
2* Органические вещества присутствуют в виде соединений кислот с железом, аммонием, натрием и ингибиторов.
3* Химическая потребность в кислороде.
4* Полная биохимическая потребность в кислороде.
8.4.4. Сбор отмывочных вод от предварительной промывки первых трех объемов контура и отмывочных вод производится в открытую емкость-усреднитель. После смешения вода будет иметь нейтральную среду и содержать вышеприведенные вещества, примерно в 100 раз меньших концентрациях, чем концентрации, указанные в табл. 3.
Вода из емкости-усреднителя должна использоваться для подпитки оборотных систем водоснабжения электростанции. На ТЭС с прямоточными системами водоснабжения и в случаях, когда невозможно использовать эти воды на электростанции, сброс их производится в водоотводящий канал.
8.5. Сточные воды, собираемые в баке-нейтрализаторе, очищаются в два этапа: при предварительной очистке удаляются из раствора железо и гидразин, при последующей доочистке - окисляются органические вещества и аммонийные соединения.
8.5.1. Предварительная очистка раствора производится в баке обезвреживания. Разрешается проводить эту операцию в баке-нейтрализаторе, если имеется возможность отделить осадок от раствора.
8.5.2. Железо, содержащееся в отработанных растворах, достаточно полно осаждается из раствора при подщелачивании его едким натром или известью до значений рН 10 - для солянокислотного раствора; рН 11 - для фталевокислотного раствора; рН 11,5 - при использовании композиций с обязательной предварительной аэрацией сбрасываемых растворов в течение не менее 2 сут. Для уплотнения осадка гидрооксидов железа необходимо время для отстаивания. Объем осадка α по отношению к общему объему раствора (%) в зависимости от продолжительности отстаивания определяется по формуле
![]()
где М - сухой остаток раствора, г/л;
Т - продолжительность отстаивания, сут.
Осадок после отстаивания откачивается на шламоотвал или обезвоживается на фильтр-прессе. Осветленную жидкость подкисляют серной кислотой до нейтральной реакции и направляют на доочистку.
8.5.3. При наличии гидразина раствор должен обрабатываться хлорной известью, добавляемой из расчета на 1 мас. ч. гидразина 8 мас. ч. 100 %-ной хлорной извести. Возможно применение других окислителей, например гипохлорита натрия или перекиси водорода. Окислителей можно не добавлять, если раствор выдерживается перед доочисткой в течение 3 - 4 нед. За этот период в результате каталитического действия железа происходит полное окисление гидразина.
8.5.4. В процессе предварительной очистки происходит частичная адсорбция органических соединений хлопьевидным осадком. Кроме того, окисление части органических веществ и аммонийных соединений кислородом воздуха происходит при отстаивании осадка.
8.6. Содержание органических веществ и их способность к окислению определяются значениями ХПК (количество кислорода, требующееся для полного окисления) и БПК (полн.) (количество кислорода, которое поглощают из воды органические вещества за 20 сут и более). Значения этих величин представлены в табл. 4.
Таблица 4
Значения ХПК и БПК (полн.) для веществ, применяемых при химической очистке котлов
|
ХПК, г О2/г вещества |
БПК (полн.), г О2/г вещества |
|
|
Уксусная кислота* |
1,07 |
0,86 |
|
Муравьиная кислота* |
0,35 |
0,276 |
|
Пропионовая кислота* |
1,51 |
1,18 |
|
Масляная кислота* |
1,82 |
1,40 |
|
Формальдегид |
1,07 |
0,72 |
|
Фталевая кислота |
1,44 |
1,0 |
|
Трилон Б |
0,94 |
Биохимически не окисляется |
|
Лимонная кислота |
0,75 |
0,57 |
|
ОП-10 |
2,12 |
0,67 |
|
Каптакс |
2,16 |
0,67 |
|
* Входит в состав концентрата НМК. |
||
Способ доочистки растворов (удаления органических веществ) зависит от существующих на ТЭС оборотных систем водоснабжения.
8.6.1. Очистка в системе гидрозолоудаления сточных вод основана на адсорбционной способности золы. Зола большинства топлив, обладая большой степенью дисперсности, имеет очень развитую поверхность (2 - 5 м2/г) и способна адсорбировать содержащиеся в стоках органические вещества. Наиболее эффективно адсорбируются соединения ЭДТК, ОП-10, каптакса. Органические вещества адсорбируются в молекулярной форме, поэтому предварительного выделения гидроксидов железа из растворов не требуется.
Для обеспечения полной адсорбции должны выполняться следующие условия:
а) для смешения с золой стоки должны подаваться в канал ГЗУ скрубберных установок или электрофильтров;
б) смесь золопульпы и подаваемого на очистку стока должна иметь щелочную или нейтральную реакцию;
в) интенсивность подачи очищенных стоков не должна превышать:
![]()
где Аст - интенсивность подачи стоков, м3/ч;
500 - усредненное количество соединений железа в пересчете на оксид железа III, адсорбируемых поверхностью 1 т сухой золы, г;
Qзол - количество сухой золы, проходящее через канал в месте слива раствора, т/ч;
Сст - концентрация железа в пересчете на оксид железа III в подаваемом на очистку стоке, мг/л.
Более точно интенсивность подачи раствора из бака-нейтрализатора в канал ГЗУ в каждом конкретном случае необходимо определять на основе опытных данных.
На золоотвале адсорбированные примеси будут подвергаться окислению до углекислоты, нитратов, сульфатов, которые перейдут в воду; железо в виде гидроксида останется на золоотвале.
8.6.2. Очистка в системе оборотного охлаждения циркуляционной воды основана на том, что органические вещества и аммонийные соединения, находящиеся в сточных водах, при подаче их в градирни подвергаются окислению благодаря повышенной температуре и интенсивной аэрации воды. При определении интенсивности подачи очищенных стоков в оборотную систему (м3/ч) следует руководствоваться следующей формулой:
![]()
где СПДК - предельно допустимая концентрация вещества, загрязняющего воду, для природных водоемов, мг/л;
Kр - степень разбавления продувочной воды оборотной системы в месте ее слива;
Dпрод - степень продувки оборотной системы, м3/ч;
K - коэффициент окисляемости (для веществ, входящих в состав НМК, значение этого коэффициента составляет: при температуре 15 - 25 °С - 0,006 ч-1; при температуре более 25 °С - 0,01 ч-1, скорость окисления других веществ, которые могут присутствовать в стоках, не исследована, поэтому величину K необходимо принимать условно равной 0);
Vсист - объем воды, циркулирующий в оборотной системе, м3;
Сст - концентрация вещества в растворе, подаваемом на очистку, мг/л.
При этом способе очистки целесообразно аммиак, добавляемый в отмывочную воду, заменять едким натром. В период подачи растворов в систему оборотного охлаждения все мероприятия, проводимые на электростанции для обработки циркуляционной воды, остаются без изменения.
8.6.3. Сточные воды можно направлять в систему хозяйственно-фекальной канализации для совместной очистки их с бытовыми водами на сооружениях биологической очистки. При этом они должны удовлетворять требованиям СНиП II-32-74 «Канализация. Наружные сети и сооружения». Смесь бытовых и производственных сточных вод при поступлении на сооружения биологической очистки в любое время суток не должна иметь: показателя рН ниже 6,5 и выше 8,5; температуру ниже 6 °С и выше 30 °С; общую концентрацию растворенных солей более 10 г/л; БПК (полн.) выше 500 мг/л при поступлении на биологические фильтры и аэротенки-вытеснители и выше 1000 мг/л при поступлении на аэротенки с рассредоточенной подачей воды.
Концентрация отдельных вредных веществ не должна превышать: уксусной кислоты - 45 мг/л, формальдегида - 25 мг/л, комплексоната кальция - 30 мг/л, ОП-7 (ОП-10) - 20 мг/л, фталевой кислоты - 5,7 мг/л, железа - 5,2 мг/л.
Доочистка этим способом должна производиться по согласованию с органами жилищно-коммунального хозяйства или с теми органами, в ведении которых находятся сооружения биохимической очистки.
8.6.4. При невозможности проведения доочистки указанными способами (см. пп. 8.6.2 и 8.6.3) стоки должны подвергаться выдержке и аэрации в баке-нейтрализаторе или емкости-усреднителе до получения показателей, позволяющих сбрасывать их в водоотводящий канал или промливневую канализацию, в соответствии с «Правилами охраны поверхностных вод от загрязнения сточными водами»1.
1 См. справочник «Охрана окружающей среды». - Л.: Судостроение, 1978.
При решении вопроса нейтрализации сточных вод после очистки на конкретной электростанции следует также рассмотреть возможность сжигания стоков совместно с замазученными водами или при обработке ими твердого топлива.
8.7. При химических очистках растворами, содержащими соединения ЭДТК, вместо очистки отработанных растворов целесообразно проводить их регенерацию для многократного использования комплексонов при последующих химических очистках.
8.7.1. Технология регенерации отработанных растворов композиций комплексонов с лимонной кислотой и ее заменителями состоит из следующих основных операций:
а) после проведения кислотной стадии раствор сливается или вытесняется водой в бак, имеющий коническое днище и антикоррозионное покрытие. Объем бака должен быть не меньше объема циркуляционного контура очистки;
б) в течение 2 сут раствор аэрируется либо путем барботажа воздуха, либо путем разбрызгивания раствора при организации рециркуляции его на бак;
в) раствор нейтрализуется едким натром до показателя рН, равного 11,5, для полного выделения из него осадка гидроксида железа III. Отстаивание осадка проводится до начала проведения следующей очистки на электростанции;
г) перед началом следующей очистки осадок, объем которого составит примерно 2 - 5 % объема раствора, откачивается из конусной части бака на шламоотвал или в емкость-усреднитель;
д) в осветленный раствор для компенсации потерь и подкисления добавляется ЭДТК в количестве 10 - 25 % первоначально использованного при проведении первой очистки количества комплексона;
е) после перемешивания раствор по обычной схеме подается в контур очистки для проведения кислотной стадии композицией комплексона с серной кислотой при показателе рН, равном 3,0 - 3,5. В качестве ингибиторов в данном случае целесообразнее применять смесь каптакса (0,02 %) с катапином (0,1 %). По окончании кислотной стадии раствор снова направляется в бак для последующей регенерации.
8.8. При многократной регенерации раствор обогащается сульфатом натрия, что повышает его агрессивность. Поэтому спустя 3 - 5 циклов регенерации после отделения осадка гидроксида железа раствор необходимо подкислить серной кислотой до показателя рН, равного 1,5, для выделения ЭДТК из раствора. После отстаивания осадка раствор сульфата натрия отводится вместе с засоленными водами от водоподготовительной установки. Оставшийся в баке осадок растворяется в воде при добавлении едкого натра или аммиачной воды для повышения показателя рН раствора в баке до 3,5 - 4,5.
8.9. Регенерация раствора комплексонов эффективнее проходит при использовании более концентрированных растворов, поэтому химическую очистку в этих случаях целесообразнее проводить в одну стадию при повышенной концентрации компонентов.
9.1. Расход соляной кислоты, едкого натра, гидразина, нитрита натрия и ингибиторов определяется задаваемой концентрацией и объемом промывочного контура с некоторым запасом, учитывающим потери реагентов при приготовлении, утечках, продувках и т.д. Объем промывочного контура определяется суммированием объемов промываемого оборудования, постоянных и временных трубопроводов схемы промывки.
Расход реагентов рассчитывается по формуле
![]()
где Q - количество реагента, т;
α - коэффициент запаса, принимаемый равным 1,2;
V - объем промывочного контура, м3;
c - концентрация реагента в промывочном контуре, %;
γ - плотность промывочного раствора, принимаемая для разбавленных промывочных растворов равной 1 т/м3;
к - содержание реагента в исходном продукте, %.
9.2. Расход трилона Б (ЭДТК) в композиции с различными кислотами, фталевого ангидрида при очистке монораствором определяется, исходя из количества отложений, которое необходимо удалить с поверхности труб при очистке, по формуле
![]()
где B - удельный расход реагента на растворение 1 кг оксида железа, кг/кг;
d - загрязненность поверхности, г/м2;
s - площадь поверхности промывочного контура, м2.
Значения B принимаются равными для комплексона при использовании в композиции с кислотами - 1,5 кг/кг и для фталевого ангидрида - 5 кг/кг. Количество кислоты, добавляемой к комплексону для получения необходимого значения рН раствора композиции, рассчитывается следующим образом: на одну массовую часть комплексона берется n массовых частей кислоты. Значение n принимается равным: для серной кислоты - 1,2; для лимонной кислоты - 1 и фталевого ангидрида - 1,5, для концентрата НМК - 2.
При составлении заказных спецификаций исходную загрязненность поверхностей промываемого контура следует принимать равной 200 г/м2.
9.3. Расход аммиачной воды (QNH4OH) определяется суммированием расходов ее на выполнение всех операций при проведении предпусковой очистки:
QNH4OH = Q1 + Q2 + Q3 + Q4,
где Q1 - расход аммиачной воды для нейтрализации, совмещенной с водной промывкой; согласно практическим данным, он составляет 0,003 т на 1 м3 воды. Количество прокачиваемой воды при нейтрализации принимается равным 10 объемам промывочного контура;
Q2 - расход аммиачной воды при проведении нитритно-аммиачной пассивации; определяется из расчета получения ее в промывочном контуре 0,3 - 0,5 % (в пересчете на NH3);
Q3 - расход аммиачной воды при проведении гидразинно-аммиачной пассивации; согласно практическим данным принимается равным 0,008 т на 1 м3 промывочного раствора;
Q4 - расход аммиачной воды для приготовления 1,5 - 2 - замещенной аммонийной соли ЭДТК при использовании ее вместо трилона Б; он принимается равным 0,45 т на 1 т ЭДТК.
9.4. Пример расчета реагентов для предпусковой водно-химической очистки энергоблока 300 (250) МВт с котлом ТГМП-344.
Согласно табл. 1, основным методом очистки является раствор композиции комплексона с серной кислотой. В качестве комплексона используется трилон Б.
Объем промывочного контура равен 500 м3, а площадь поверхности, подлежащая очистке, - 27,5 тыс. м2. Загрязненность труб котла оксидами железа равняется 200 г/м2. Технологическим режимом для удаления такого количества загрязнений предусматривается кислотная обработка в две стадии. Концентрация реагентов принимается согласно разд. 4.
Расход реагентов:
трилона Б: ![]()
серной кислоты: 8,7 · 1,2 = 10,4 т;
ОП-7: 0,1 · 500 · 1,2 · 2 = 1,2 т (где 2 - количество кислотных стадий обработки);
каптакса: 0,02 · 500 · 1,2 · 2 = 0,24 т (где 2 - количество кислотных стадий обработки);
аммиачной воды:
а) для нейтрализации:
0,003 · 500 · 10 = 15 т;
б) для пассивации:
0,008 · 500 = 4 т.
Итого расход аммиачной воды:
(15 + 4) · 1,2 = 22,8 т;
гидразин-гидрата: ![]()
До начала предпусковой химической очистки проводятся подготовительные мероприятия, необходимые для обеспечения выполнения всех технологических операций. Качественное проведение подготовительных мероприятий во многом способствует эффективному удалению отложений.
Особое внимание следует уделять качеству монтажа временных трубопроводов, включенных в контур циркуляции, чтобы исключить образование течей, приводящих к потере части промывочного раствора, что осложняет сбор промывочного раствора для его нейтрализации и обезвреживания, а также защиту оборудования, особенно электротехнического, от его воздействия.
Персоналу, участвующему в оперативном обеспечении технологического режима очистки, необходимо до начала работы ознакомиться с программой, расположением основных трубопроводов, арматуры, оборудованием и т.д. Особое внимание следует уделять надежному отключению (отглушению) оборудования и трубопроводов, находящихся в эксплуатации, так как попадание в пароводяной тракт даже незначительного количества промывочного раствора или технической воды может резко ухудшить показатели водного режима и привести к аварийному останову оборудования.
Наряду с монтажом трубопроводов и оборудования проводится подготовка пароводяного тракта котла для выполнения химической очистки.
До начала химической очистки необходимо выполнить:
- проверку арматуры, насосов, емкостей, установленных в контуре циркуляции, и других узлов, предназначенных для выполнения химической очистки; полностью смонтировать схему химической очистки совместно с реагентным хозяйством и другими узлами, участвующими в выполнении химической очистки;
- гидравлическое опробование контура циркуляции, трубопроводов технической и обессоленной воды, греющего пара, концентрированных реагентов на максимальное давление, которое может быть создано соответствующими насосами или средой в процессе выполнения технологических операций;
- проверку на плотность емкостей реагентного хозяйства, деаэраторов, промежуточного бака, узла нейтрализации и очистки отработанных растворов;
- антикоррозионное покрытие внутренних поверхностей емкостей реагентного хозяйства, предусмотренное техническим проектом;
- монтаж средств измерений сопл впрысков, гильз по пароводяному тракту блока;
- подготовку емкостей и оборудования реагентного хозяйства для приема и приготовления концентрированных растворов;
- подготовку емкостей и оборудования очистных сооружений для приема и очистки отработанных промывочных растворов;
- демонтаж регулирующей арматуры и расходомерных устройств, установленных на трубопроводах питательной воды, растопочном узле, и дроссельных шайб на трубопроводах впрысков;
- установку клапанов ПВД в открытое положение;
- отглушение предохранительных клапанов по котлу;
- настройку предохранительных клапанов деаэратора;
- опробование в работе электрифицированной и ручной арматуры, средств измерений для обслуживания схемы химической очистки;
- маркировку арматуры, используемой в оперативном обслуживании контура циркуляции;
- установку сеток на фильтрах, смонтированных на всасывающем коллекторе НХО;
- наращивание всасывающих патрубков питательных трубопроводов, расположенных в деаэраторе, на 300 - 500 мм и установку на них сеток с размером ячеек 30 ÷ 50×30 ÷ 50 мм;
- установку в деаэраторном баке барботажного устройства и трубопровода для подвода греющего пара от коллектора собственных нужд;
- продувку паропроводов собственных нужд и греющего пара в деаэратор и в ПВД;
- монтаж линии опорожнения котла, трубопроводов контура очистки в дренажные баки котельного или турбинного цеха, а также линии откачки раствора из этих баков на узел нейтрализации и очистки;
- освобождение от временных стяжек пружин подвесок на трубопроводах, включенных в контур циркуляции;
- изоляцию временных трубопроводов, а также контура циркуляции в объеме, необходимом для поддержания максимальной температуры промывочного раствора;
- отключение проглушками оборудования и трубопроводов, не подлежащих химической очистке.
На барабанных котлах вследствие особенностей их конструкции необходимо произвести демонтаж внутрибарабанных циклонов, барботажных и промывочных устройств, задросселировать водоопускные трубы (стояки) на 85 - 90 % их сечения, отглушить и байпассировать конденсатор впрыска собственного конденсата.
Кроме того, необходимо выполнить мероприятия, направленные на безопасное обслуживание схемы. С этой целью необходимо очистить территорию в зоне промываемого оборудования, НХО, реагентного хозяйства, лестницы и площадки котла и оборудования энергоблока, перекрыть дренажные каналы, обеспечить достаточное освещение рабочих мест, средств измерений, переходов, лестниц и площадок котла и энергоблока.
Для оперативного управления процессом химической очистки организуется телефонная связь между блочным щитом и пунктами обслуживания НХО, деаэраторов, реагентного хозяйства, очистными сооружениями, экспресс-лабораторией, химическим цехом.
Для организации круглосуточной работы персонала, участвующего в проведении химической очистки, составляются списки с включением в каждую смену: вахтенного персонала энергоблока, сменного персонала химического цеха, бригаду монтажной организации, в том числе мастера, газо- и электросварщика, слесарей, электрика, бригаду для загрузки реагентов, ответственного представителя организации, проводящей химическую очистку, химика-аналитика.
11.1. Организационно-технические мероприятия, обеспечивающие безопасность проведения химической очистки.
Предпусковая химическая очистка оборудования тепловых электростанций в каждом отдельном случае осуществляется только по распоряжению, подписанному председателем пусковой комиссии или его заместителем (см. приложение 5).
В распоряжении указываются:
11.1.1. Общий руководитель работ - лицо, ответственное за безопасное проведение химической очистки. Это лицо осуществляет организацию всей работы по технике безопасности и координацию действий различных организаций, участвующих в проведении химической очистки. Общими руководителями работ могут быть назначены заместители главного инженера электростанции (сетей), начальники цехов и их заместители.
11.1.2. Лица, назначенные ответственными руководителями и производителями работ, осуществляющие управление технологическим процессом очистки. Ответственными руководителями и производителями работ могут назначаться инженерно-технические работники, имеющие для этого достаточную квалификацию. Назначение производится на основании распоряжения по предприятию, работниками которого являются данные лица.
11.1.3. Перечень мероприятий, необходимых для четкого и безопасного проведения химической очистки, с указанием лиц, ответственных за их выполнение.
11.1.4. К распоряжению на предпусковую химическую очистку должны быть приложены: программа и схема проведения очистки, а также посменные списки персонала различных цехов и организаций, участвующего в работах по проведению химической очистки, с указанием лиц, ответственных за соблюдение техники безопасности этим персоналом.
11.1.5. Весь персонал, участвующий в химической очистке, проходит инструктаж по технике безопасности с соответствующей записью в журнале. Проведение инструктажа о мерах безопасности при работе с химическими реагентами обеспечивает начальник химического цеха.
11.2. Техника безопасности при проведении химической очистки.
11.2.1. Химическая очистка производится с применением реагентов, находящихся в жидком, сыпучем, пастообразном и кристаллическом состояниях, Все применяемые реагенты в той или иной степени агрессивны, ядовиты, взрыво- и огнеопасны и могут вызвать химические и тепловые ожоги. Характеристики реагентов, применяемых для предпусковых химических очисток, и меры безопасности при работе с ними приведены в приложении 6.
11.2.2. Весь персонал, принимающий непосредственное участие в химической очистке, должен знать свойства применяемых реагентов и правила обращения с ними, а также должен быть обеспечен необходимыми спецодеждой, спецобувью и индивидуальными средствами защиты в соответствии с приложением 6.
11.2.3. Оборудование, лестницы, площадки промывочной схемы должны быть очищены от посторонних предметов и освещены. В зоне очищаемого оборудования и промывочной схемы присутствие лиц, не участвующих в очистке, запрещается.
11.2.4. Промываемое оборудование, насосы, места хранения реагентов и приготовления моющих растворов, сброса отработанных растворов и другие опасные места должны быть ограждены и вывешены предупреждающие плакаты: «Осторожно - газ, огонь не применять», «Проход закрыт», «Опасная зона».
11.2.5. Места отбора проб должны быть легко доступны, безопасны и хорошо освещены. Отбор проб растворов для анализов должен производиться из исправных пробоотборников после их проверки.
11.2.6. Все горячие части оборудования, трубопроводы, баки и другие элементы, прикосновение к которым может вызвать ожоги у персонала, должны иметь тепловую изоляцию.
11.2.7. Электродвигатели должны иметь заземление. Работа с незаземленными или неправильно заземленными электродвигателями запрещается.
11.2.8. Не допускается совместное размещение реагентов, способных к химическому взаимодействию, например кислот с щелочами, нитрита натрия с гидразином. Места складирования химических реагентов должны быть безопасными в пожарном отношении и огораживаться с вывеской плакатов «Огнеопасно».
11.2.9. На реагентном узле должны быть в наличии и в исправном состоянии противопожарные средства: огнетушители, ящики с песком, кошма, багры, лопаты, а также подведена техническая вода со шлангом.
11.2.10. В зоне промываемого оборудования и в месте приготовления реагентов должны находиться: питьевая вода, 2 - 4 %-ный и 10 %-ный раствор борной кислоты, 3 %-ный раствор уксусной кислоты, 2 - 4 и 10 %-ный раствор питьевой соды, вазелин, марганцовокислый калий, бинты, вата, настойка йода, мыло, полотенце.
11.2.11. Переключение и обслуживание арматуры со случайных подставок, а также с ферм и стропил без устройства прочных подмостей с ограждениями запрещается.
11.2.12. Запрещается нахождение людей и размещение химических реагентов на металлической поверхности крышек промывочных и реагентных баков, в том числе и люка, без устройства на них специальных настилов и ограждений.
11.2.13. Ремонтные работы, а также осмотр барабанов, деаэраторов, коллекторов и прочего оборудования, подвергающегося очистке, должны производиться только после тщательной принудительной вентиляции и определения отсутствия водорода.
11.2.14. Анализы на содержание водорода производятся персоналом химического цеха по заявке через начальника смены химического цеха. Отбор пробы на содержание водорода должен производиться из наиболее застойной зоны.
11.2.15. Вскрытие люков барабанов, деаэраторов и прочих емкостей, где возможно скопление газов, должно производиться с соблюдением мер, предупреждающих возможность появления искры, для чего необходимо пользоваться инструментом из цветного металла и избегать ударов. Обувь персонала не должна иметь железных подковок и гвоздей. При осмотре емкостей следует пользоваться электроприборами на напряжение 12 В.
Для предпусковых химических очисток энергоблоков, укомплектованных барабанными котлами, применяют различные схемы промывок, позволяющие использовать на кислотной стадии монорастворы кислот или их композиции. Типовые схемы, принципиально отличающиеся одна от другой, приведены в разд. 3.
Для предпусковых химических очисток энергоблоков с прямоточными котлами применяются принципиально одинаковые схемы. Целесообразность применения различных кислот определяется конструктивными особенностями поверхностей нагрева котлов разной паропроизводительности. Различия в конкретных схемах промывки одного и того же типа котла обусловливаются лишь узлами тепловой схемы энергоблока.
Ниже приведено шесть примеров предпусковых химических очисток энергоблоков с барабанными и прямоточными котлами паропроизводительностью 420 - 4000 т/ч. В каждом примере дано описание технологии, схемы и технологической карты очистки.
Подготовительные работы, являющиеся в основном одинаковыми для всех типов котлов, приведены в разд. 10 и здесь не рассматриваются.
1. ПРЕДПУСКОВАЯ ВОДНО-ХИМИЧЕСКАЯ ОЧИСТКА ПАРОВОДЯНОГО ТРАКТА КОТЛА ТП-87
Предпусковая водно-химическая очистка пароводяного тракта котла ТП-87 проводится в соответствии с настоящими Методическими указаниями.
Водно-химической очистке подвергается следующее оборудование пароводяного тракта котла: деаэратор 6 кгс/см2, ПВД по водяной стороне, испарительные и перегревательные поверхности нагрева котла, трубопроводы питательной воды и пара.
В качестве основного моющего реагента используется соляная кислота. Очистка пароводяного тракта котла проводится по одноконтурной схеме.
Технология очистки
1. Промывка технической водой отдельных участков пароводяного тракта.
2. Циркуляция технической воды по замкнутому контуру и подогрев ее до 60 - 65 °С.
3. Кислотная обработка 4 %-ным ингибированным раствором соляной кислоты при температуре 60 - 65 °С в течение 4 - 8 ч.
4. Вытеснение кислотного раствора технической водой с добавкой в нее аммиака до достижения показателя рН 9,5 - 10 через 15 - 30 мин после начала вытеснения до полного осветления воды на сбросе.
5. Замена технической воды на обессоленную (химически очищенную) с вводом в нее аммиака до достижения показателя рН 9,5 - 10.
6. Пассивация 1 %-ным раствором нитрита натрия в аммиачной среде (рН 10 - 10,5) при температуре 50 - 60 °С в течение 4 - 6 ч.
7. Дренирование пассивирующего раствора.
Условия выполнения операций приведены в технологической карте.
Схема очистки
Схема водно-химической очистки обеспечивает выполнение технологического режима (рис. 12). Для прокачки промывочного раствора и воды по замкнутому и разомкнутым контурам отдельных участков пароводяного контура смонтированы временные трубопроводы и два насоса МСК-1000-375 (1000 м3/ч; 375 м вод. ст.).
Прокачка промывочных растворов и воды по замкнутому контуру осуществляется в следующем порядке: деаэратор - всасывающие трубопроводы питательных насосов - трубопроводы I, II - НХО - трубопровод III, далее разделение на два параллельных потока:
первый поток: трубопровод IV - напорный трубопровод питательных насосов - ПВД - трубопровод питательной воды - экономайзер;
второй поток: трубопровод V - панели экранов;
объединение двух потоков в барабане и далее - пароперегреватель - трубопроводы свежего пара - трубопроводы VI, VII - деаэратор.
Объем контура очистки - 300 м3.
Разомкнутые контуры прокачки воды организуются при вытеснении промывочного раствора по окончания операции, при водных промывках и дренировании пассивирующего раствора.
При разомкнутых контурах очистки из схемы исключается деаэратор. Техническая или обессоленная вода подается по отдельным трубопроводам во всасывающий коллектор НХО. Для отвода промывочной воды и промывочных растворов используются трубопроводы VIII, IX, X, соединенные с общим коллектором сброса растворов на очистные сооружения.
Разомкнутые контуры организуются отключением неотмываемых поверхностей нагрева и оборудования контура очистки.
В отдельные разомкнутые контуры прокачки выделяются следующие элементы пароводяного тракта: ПВД с коллектором питательной воды; поверхности водяного экономайзера, по три панели экранов; половины пароперегревателя с паропроводами.
Прокачка воды по отдельным разомкнутым контурам (за исключением ПВД) может выполняться в двух направлениях. Подогрев воды и промывочных растворов производится в баке-деаэраторе через барботажное устройство, куда подается пар от коллектора собственных нужд. Контур очистки полностью изолирован от станционного оборудования и трубопроводов, не участвующих в очистке, путем перекрытия соответствующей арматуры или установки заглушек. Концентрированные промывочные растворы от реагентного хозяйства вводятся во всасывающий коллектор НХО насосами подачи реагентов. Для контроля за технологическим режимом очистки в схеме предусмотрены указатели уровня на деаэраторном баке, баках запаса конденсата; пробоотборники на напорном коллекторе НХО, трубопроводах VII, XI; расходомерные шайбы на трубопроводах III, V, термометры на трубопроводах III и VII.
Рис. 12. Схема водно-химической очистки энергоблока с котлом ТП-87:
1 - деаэратор; 2 - котел; 3 - ПВД; 4 - питательные насосы; 5 - барабан; I - XI - временные трубопроводы
Технологическая карта предпусковой водно-химической очистки пароводяного тракта котла ТП-87 раствором соляной кислоты
|
Наименование операции |
Контур циркуляции |
Применяемая вода: концентрация реагента, показатель рН среды |
Температура, °С |
Продолжительность, ч |
Расход среды по контуру, м3/ч |
Расход реагентов, т |
Расход воды, м3 |
Количество воды или раствора (м3), сбрасываемых |
Примечание |
|
||
|
часовой |
на одну операцию |
|||||||||||
|
на золоотвал, (шламоотвал) |
в очистные сооружения |
|
||||||||||
|
1. Водная промывка по участкам: |
|
Техническая вода |
10 - 20 |
3 - 4 |
200 |
- |
200 |
400 |
400 |
- |
Промывка производится 3 - 4-кратным заполнением и опорожнением |
|
|
деаэратор, всасывающие трубопроводы ПЭН |
Разомкнутый |
|
|
|
|
|
|
|
|
|
|
|
|
трубопроводы питательной воды, ПВД |
То же |
То же |
10 - 20 |
1 |
400 |
- |
400 |
400 |
400 |
- |
Промывка производится прокачкой воды по участкам с расходами, обеспечивающими требуемые скорости, и до достижения на сбросе осветленности, близкой к исходной. Содержание взвешенных веществ в исходной воде не должно превышать 100 мг/л |
|
|
поверхности котла, паропроводы |
-"- |
-"- |
10 - 20 |
4 - 5 |
700 |
- |
700 |
3500 |
- |
- |
|
|
|
2. Подогрев технической воды |
Замкнутый |
Техническая вода |
60 - 65 |
2 - 3 |
600 |
- |
- |
- |
- |
- |
Подогрев производится в деаэраторе и ПВД. Уровень в деаэраторе устанавливается минимально возможным по условию работы НХО |
|
|
3. Кислотная обработка: |
|
|
|
|
|
|
|
|
|
|
|
|
|
ввод ингибитора |
Замкнутый |
Уротропин - 0,25 % |
60 - 65 |
0,5 - 1 |
800 - 1000 |
0,9 |
- |
- |
- |
- |
Указана расчетная концентрация соляной кислоты. В месте ввода в контур она не должна превышать указанного значения |
|
|
ввод соляной кислоты |
-"- |
Соляная кислота - 4 % |
60 - 65 |
1 - 1,5 |
800 - 1000 |
72 |
- |
- |
- |
- |
|
|
|
прокачка кислотного раствора |
-"- |
Техническая вода, уротропин -0,25 %, соляная кислота - 4 % |
60 - 65 |
4 - 8 |
800 - 1000 |
- |
- |
- |
- |
- |
Продолжительность операции определяется стабилизацией концентрации железа в растворе |
|
|
4. Вытеснение кислотного раствора: |
|
|
|
|
|
|
|
|
|
|
|
|
|
прокачка технической воды |
Разомкнутый |
Техническая вода |
10 - 20 |
0,2 - 0,3 |
800 - 1000 |
- |
800 - 1000 |
- |
- |
300 |
Прокачка воды производится одновременно по всем элементам контура очистки |
|
|
прокачка технической воды с добавкой аммиака |
-"- |
Аммиак рН 9 - 9,5 |
10 - 20 |
1 - 1,5 |
600 - 800 |
Аммиачная вода - 3,0 |
600 - 800 |
900 |
- |
900 |
Ввод аммиака производится после контроля на отсутствие образования гидроокиси железа в пробе из барабана. Отмывка проводится до осветления воды на сбросе |
|
|
5. Вытеснение технической воды с аммиаком |
Разомкнутый |
Обессоленная (химически очищенная) вода с аммиаком, рН 9 - 9,5 |
10 - 20 |
2 - 2,5 |
300 - 400 |
Аммиачная вода - 3,0 |
300 - 400 |
1000 |
1000 |
- |
Жесткость воды на сбросе не должна превышать 100 мкг-экв/л |
|
|
6. Прокачка обессоленной воды и подогрев ее |
Замкнутый |
Обессоленная (химически очищенная) вода, рН 9,5 - 10 |
40 - 50 |
1 - 2 |
800 - 1000 |
- |
- |
- |
- |
- |
Подогрев производится в деаэраторе и ПВД. Содержание железа в воде не должно превышать 100 мг/л |
|
|
7. Пассивация: |
|
|
|
|
|
|
|
|
|
|
|
|
|
ввод аммиака |
Замкнутый |
рН 10 - 10,5 |
50 - 60 |
0,5 - 1 |
800 - 1000 |
Аммиачная вода - 4,8 |
- |
- |
- |
- |
|
|
|
ввод нитрита-натрия |
Замкнутый |
Нитрит натрия - 1 % |
50 - 60 |
0,5 - 1 |
800 - 1000 |
3,7 |
- |
- |
- |
- |
|
|
|
прокачка пассивирующего раствора |
-"- |
Обессоленная (химически очищенная) вода, рН 10 - 10,5 нитрит натрия - 1 % |
50 - 60 |
4 - 6 |
800 - 1000 |
- |
- |
- |
- |
- |
|
|
|
8. Дренирование пассивирующего раствора |
- |
- |
- |
- |
- |
- |
- |
- |
- |
300 |
Из недренируемых поверхностей пароперегревателя пассивирующий раствор удаляется перед растопкой котла, весь пароводяной тракт отмывается от нитритов до эксплуатационных норм |
|
2. ПРЕДПУСКОВАЯ ВОДНО-ХИМИЧЕСКАЯ ОЧИСТКА ПАРОВОДЯНОГО ТРАКТА КОТЛА ТГМ-96
Предпусковая водно-химическая очистка пароводяного тракта котла ТГМ-96 осуществляется в соответствии с настоящими Методическими указаниями.
Водно-химической очистке подвергается следующее оборудование пароводяного тракта котла: деаэратор 6 кгс/см2, ПВД по водяной стороне, испарительные и перегревательные поверхности нагрева котла, трубопроводы питательной воды и пара.
Очистка поверхностей нагрева экономайзера, экранов, барабана, ПВД с питательными трубопроводами осуществляется раствором соляной кислоты. Поверхности пароперегревателя с трубопроводами пара очищаются раствором фталевого ангидрида.
Очистка пароводяного тракта котла проводится по двухконтурной схеме.
Технология очистки раствором соляной кислоты
1. Промывка технической водой отдельных участков контура очистки.
2. Циркуляция технической воды по замкнутому контуру и подогрев ее до 60 - 65 °С.
3. Кислотная обработка 4 %-ным ингибированным раствором соляной кислоты при температуре 60 - 65 °С в течение 4 - 8 ч.
4. Вытеснение кислотного раствора технической водой с добавкой в нее аммиака до достижения показателя рН 9,5 - 10 через 15 - 30 мин после начала вытеснения до полного осветления воды на сбросе.
5. Замена технической воды на обессоленную (химически очищенную) с вводом в нее аммиака до достижения показателя рН 9,5 - 10.
6. Пассивация 1 %-ным раствором нитрита натрия в аммиачной среде (рН = 10 ÷ 10,5) при температуре 50 - 60 °С в течение 4 - 6 ч.
7. Дренирование пассивирующего раствора.
Технология очистки раствором фталевого ангидрида
1. Промывка технической водой по половине сечения пароперегревателя.
2. Замена технической воды на обессоленную (химически очищенную).
3. Гидразинная обработка при концентрации гидразина 100 - 150 мг/л, температуре 120 - 150 °С в течение 2 - 3 ч.
4. Кислотная обработка 2 - 3 %-ным ингибированным раствором фталевой кислоты при температуре 92 - 100 °С в течение 4 - 8 ч.
5. Вытеснение кислотного раствора технической водой до осветления воды на сбросе.
6. Кислотная обработка 1 - 1,5 %-ным ингибированным раствором фталевой кислоты при температуре 92 - 100 °С в течение 2 - 3 ч.
7. Вытеснение кислотного раствора технической водой с добавлением в нее через 15 - 20 мин после начала вытеснения аммиака до достижения показателя рН 9,5 - 10 и полного осветления.
8. Замена технической воды на обессоленную (химически очищенную) с добавлением в нее аммиака до достижения показателя рН 9,5 - 10.
9. Пассивация гидразинно-аммиачным раствором концентрацией 500 мг/л при показателе рН 9,5 - 10 и температуре 120 - 160 °С в течение 10 - 16 ч.
10. Дренирование пассивирующего раствора.
Схема очистки
Схема (рис. 13) обеспечивает раздельную очистку испарительных и перегревательных поверхностей нагрева двумя различными кислотными растворами по двум контурам. В один контур включены питательный тракт с ПВД, экономайзер, экраны и барабан. В другой контур входит пароперегреватель. Деаэратор включен в оба контура. Выделение поверхностей нагрева в отдельные контуры осуществлено за счет отглушения пароперегревателя от барабана. Для организации прокачки промывочного раствора и воды по замкнутым и разомкнутым контурам смонтированы временные трубопроводы и два насоса МСК-1000×375.
Прокачка промывочного раствора и воды по замкнутому контуру испарительных поверхностей нагрева осуществляется в следующем порядке: деаэратор - всасывающие трубопроводы питательных насосов - трубопровод I - НХО - трубопровод II, далее разделение на два параллельных потока:
первый поток: трубопровод III - напорный трубопровод питательных насосов - ПВД - трубопровод питательной воды - экономайзер;
второй поток: трубопроводы IV, V - панели экранов;
объединение двух потоков в барабане и далее - трубопроводы VI, VII, VIII - деаэратор.
Прокачка промывочного раствора и воды по замкнутому контуру перегревательных поверхностей нагрева производится в следующем порядке: деаэратор - всасывающие трубопроводы питательных насосов - трубопровод I - НХО - трубопроводы II, IX, X - пароперегреватель - трубопроводы XI, VII, VIII - деаэратор. Разомкнутые контуры организуются при выполнении водных промывок, при вытеснении промывочных и дренировании пассивирующих растворов. Разомкнутые контуры организуются при водных промывках следующих элементов: питательного тракта с ПВД, экономайзера, отдельных групп панелей экранов, половины сечения пароперегревателя. Поверхности нагрева могут промываться водой в двух направлениях.
Контуры очистки отглушаются от станционного оборудования и трубопроводов, не участвующих в очистке, перекрытием соответствующей арматуры или установкой проглушек.
Концентрированные промывочные растворы от реагентного хозяйства вводятся соответствующими насосами в контур очистки.
Подогрев среды производится в деаэраторе и ПВД от коллектора пара собственных нужд. Техническая и обессоленная вода подаются во всасывающий коллектор НХО. Отвод сбросных растворов и воды на очистные сооружения производится по трубопроводам XII, XIII, XIV, XV, XVI, XVII. Концентрированные промывочные растворы вводятся от реагентного узла во всасывающий коллектор НХО.
Для контроля за технологическим режимом очистки имеются указатели уровня на деаэраторном баке, баках запаса конденсата; пробоотборники на временных трубопроводах II, VIII, XVI, расходомерные шайбы на трубопроводах II, III, термометры на трубопроводах II, VIII.
Рис. 13. Схема водно-химической очистки энергоблока с котлом ТГМ-96:
1 - котел; 2 - деаэратор; 3 - ПВД; 4 - питательный насос; 5 - насосы химической очистки; I - XIII - временные трубопроводы
Технологическая карта предпусковой водно-химической очистки пароперегревателя котла ТГМ-96 композицией комплексона с фталевым ангидридом
|
Наименование операции |
Контур циркуляции |
Применяемая вода, концентрация реагента, показатель рН среды |
Температура, °С |
Продолжительность, ч |
Расход среды по контуру, м3/ч |
Расход реагентов, т |
Расход воды, м3 |
Количество воды, раствора (м3), сбрасываемых |
Примечание |
|
||
|
часовой |
на одну операцию |
|||||||||||
|
на золоотвал, шламоотвал |
в очистные сооружения |
|
||||||||||
|
1. Водная промывка |
Разомкнутый |
Техническая вода |
10 - 20 |
2 |
1000 |
- |
1000 |
2000 |
2000 |
- |
Пароперегреватель отмывается по половине сечения |
|
|
2. Замена технической воды на обессоленную |
Разомкнутый |
Обессоленная вода |
10 - 20 |
1 |
200 - 300 |
- |
200 - 300 |
300 |
300 |
- |
Вытеснение технической воды проводится до достижения жесткости на сбросе не более 100 мкг-экв/л |
|
|
3. Циркуляция обессоленной воды и ее подогрев |
Замкнутый |
Обессоленная вода |
100 - 105 |
1 - 2 |
800 - 1000 |
- |
- |
- |
- |
- |
Подогрев в деаэраторе. При температуре 40 - 45 °С определяется распределение потока по половине сечения пароперегревателя |
|
|
4. Гидразинная обработка: |
|
|
|
|
|
|
|
|
|
|
|
|
|
ввод гидразина |
Замкнутый |
Гидразин - 100 - 150 мг/л |
120 - 130 |
0,5 |
800 - 1000 |
0,06 |
- |
- |
- |
- |
Указана расчетная концентрация гидразина |
|
|
циркуляция раствора гидразина |
-"- |
Гидразин 100 - 150 мг/л |
120 - 130 |
3 |
800 - 1000 |
- |
- |
- |
- |
- |
К концу обработки концентрация гидразина уменьшается |
|
|
5. Кислотная обработка: |
|
|
|
|
|
|
|
|
|
|
|
|
|
ввод ингибиторов |
Замкнутый |
ОП-7 (ОП-10) - 0,1 %; каптакс - 0,02 % |
95 - 100 |
1 |
1000 |
0,24 - 0,05 |
- |
- |
- |
- |
Ингибиторы вводятся в виде смеси ОП-7 (ОП-10) с каптаксом в раствор гидразина |
|
|
ввод фталевой кислоты |
-"- |
Фталевая кислота - 2 - 3 % |
95 - 100 |
1 |
1000 |
Фталевый ангидрид - 6,4 |
- |
- |
- |
- |
Фталевая кислота вводится в контур в виде раствора фталевой кислоты или сухого продукта небольшими порциями до расчетной концентрации |
|
|
циркуляция кислотного раствора |
|
Гидразин - 30 ÷ 50 мг/л; ОП-7 (ОП-10) - 0,1 % каптакс - 0,02 %; фталевая кислота - 2 - 3 % |
95 - 100 |
6 - 8 |
1000 |
- |
- |
- |
- |
- |
Окончание операции определяется по стабилизации содержания железа в растворе |
|
|
6. Вытеснение кислотного раствора |
Разомкнутый |
Техническая вода |
10 - 20 |
2 |
1000 |
- |
1000 |
2000 |
- |
2000 |
Вытеснение проводится до осветления воды на сбросе |
|
|
7. Циркуляция технической воды и ее подогрев |
Замкнутый |
Техническая вода |
95 - 100 |
2 |
800 - 1000 |
- |
- |
- |
- |
- |
|
|
|
8. Кислотная обработка: |
|
|
|
|
|
|
|
|
|
|
|
|
|
ввод ингибиторов |
Замкнутый |
ОП-7 (ОП-10) - 0,1 % |
95 - 100 |
0,5 |
800 - 1000 |
0,24 |
- |
- |
- |
- |
Ингибиторы вводятся в виде смеси ОП-7 (ОП-10) с каптаксом |
|
|
каптакс - 0,02 % |
|
|
|
0,05 |
|
|
|
|
|
|||
|
ввод фталевой кислоты |
-"- |
Фталевая кислота - 1 - 1,5 % |
95 - 100 |
1 |
1000 |
Фталевый ангидрид - 3,2 |
- |
- |
- |
- |
Фталевая кислота вводится в контур в виде раствора фталевой кислоты или сухого продукта - фталевого ангидрида. Указана расчетная концентрация |
|
|
циркуляция кислотного раствора |
-"- |
ОП-7 (ОП-10) - 0,1 %; каптакс - 0,02 %; фталевая кислота - 1 - 1,5 % |
95 - 100 |
2 - 3 |
1000 |
- |
- |
- |
- |
- |
Окончание операции определяется по стабилизации содержания железа в растворе |
|
|
9. Вытеснение кислотного раствора |
Разомкнутый |
Техническая вода, аммиак, рН 9,5 - 10 |
10 - 20 |
1 - 1,5 |
1000 |
Аммиачная вода - 4,5 |
1000 |
1500 |
- |
1500 |
Аммиак вводится через 0,2 - 0,3 после начала вытеснения |
|
|
10. Вытеснение технической воды |
Разомкнутый |
Обессоленная вода, аммиак, рН 9,5 - 10 |
10 - 20 |
0,5 - 1,0 |
400 - 500 |
Аммиачная вода - 1,5 |
400 - 500 |
- |
- |
500 |
Аммиак в обессоленную воду вводится сразу же после начала подачи обессоленной воды |
|
|
11. Циркуляция обессоленной воды и ее подогрев |
Замкнутый |
Обессоленная вода, рН 9,5 - 10 |
120 - 130 |
2 - 2,5 |
800 - 1000 |
- |
- |
- |
- |
- |
|
|
|
12. Пассивация: |
|
|
|
|
|
|
|
|
|
|
|
|
|
ввод аммиака |
Замкнутый |
Аммиак, рН 9,5 - 10 |
120 - 130 |
0,5 |
800 - 1000 |
Аммиачная вода - 1,6 |
- |
- |
- |
- |
Аммиак вводится при необходимости корректировки показателя рН раствора |
|
|
ввод гидразина |
-"- |
Гидразин - 500 мг/л |
120 - 130 |
0,5 |
800 - 1000 |
0,18 |
- |
- |
- |
- |
Указана расчетная концентрация гидразина |
|
|
циркуляция пассивирующего раствора |
-"- |
Обессоленная вода, гидразин - 500 мг/л, рН 9,5 - 10 |
120 - 130 |
10 |
800 - 1000 |
- |
- |
- |
- |
- |
|
|
|
13. Дренирование пассивирующего раствора |
Разомкнутый |
- |
- |
- |
- |
- |
- |
- |
- |
200 |
|
|
Технологическая карта предпусковой водно-химической очистки питательного тракта, ПВД, экономайзера и экранов котла ТГМ-96 соляной кислотой
|
Наименование операции |
Контур циркуляции |
Применяемая вода, концентрация реагента, показатель рН среды |
Температура, °С |
Продолжительность, ч |
Расход среды по контуру, м3/ч |
Расход реагентов, т |
Расход воды, м3 |
Количество воды, раствора (м3), сбрасываемых |
Примечание |
|
||
|
часовой |
на одну операцию |
|||||||||||
|
на золоотвал, шламоотвал |
в очистные сооружения |
|
||||||||||
|
1. Водная промывка по участкам: |
|
|
|
|
|
|
|
|
|
|
|
|
|
деаэраторный бак, всасывающие трубопроводы ПЭН |
Разомкнутый |
Техническая вода |
10 - 20 |
4 |
200 |
- |
200 |
400 |
400 |
- |
Промывка проводится 3 - 4-кратным заполнением и опорожнением |
|
|
питательный тракт, ПВД |
То же |
-"- |
10 - 20 |
1 |
500 - 600 |
- |
500 - 600 |
600 |
600 |
- |
Промывка проводится прокачкой воды по участкам с расходами, обеспечивающими требуемые скорости, и до осветленности воды на сбросе, близкой к исходной |
|
|
экономайзер, экраны |
-"- |
-"- |
10 - 20 |
4 - 6 |
600 - 700 |
- |
600 - 700 |
4200 |
4200 |
- |
|
|
|
2. Подогрев технической воды |
Замкнутый |
Техническая вода |
65 - 70 |
4 |
800 |
- |
- |
- |
- |
- |
Подогрев проводится в деаэраторном баке и ПВД. Уровень в деаэраторе установить минимально возможным из условия работы насосов. При температуре 40 - 45 °С проверяется распределение потоков по отдельным участкам |
|
|
3. Кислотная обработка: |
|
|
|
|
|
|
|
|
|
|
|
|
|
введение ингибитора |
Замкнутый |
Уротропин - 0,25 % |
60 - 65 |
0,5 |
1000 |
0,75 |
- |
- |
- |
- |
Подогрев производится в ПВД. Растворение уротропина производится в минимально возможном объеме воды |
|
|
введение соляной кислоты |
То же |
Соляная кислота - до 4 % |
60 - 65 |
1,0 - 1,5 |
1000 |
60 |
- |
- |
- |
- |
Указана расчетная концентрация соляной кислоты. В месте ввода в контур она не должна превышать указанного значения |
|
|
циркуляция кислотного раствора |
|
Техническая вода, уротропин - 0,25 %, соляная кислота - до 4 % |
- |
- |
- |
- |
- |
- |
- |
- |
Продолжительность операции определяется стабилизацией концентрации железа в растворе |
|
|
4. Вытеснение кислотного раствора: |
|
|
|
|
|
|
|
|
|
|
|
|
|
прокачка технической воды |
Разомкнутый |
Техническая вода |
10 - 20 |
0,2 - 0,3 |
800 - 1000 |
- |
1000 |
300 |
- |
300 |
Прокачка воды производится одновременно по всем элементам контура |
|
|
прокачка технической воды с аммиаком |
То же |
Техническая вода, аммиак, рН 9 - 9,5 |
10 - 20 |
0,6 - 0,7 |
800 - 1000 |
Аммиачная вода - 2,1 |
800 - 1000 |
700 |
- |
700 |
|
|
|
5. Вытеснение технической воды |
Разомкнутый |
Обессоленная вода, аммиак, рН 9,0 - 9,5 |
10 - 20 |
2 - 2,5 |
300 - 400 |
Аммиачная вода - 2 |
300 - 400 |
1000 |
- |
600 |
Жесткость воды на сбросе из контура должна быть не более 100 мкг-экв/л |
|
|
6. Циркуляция обессоленной воды и ее подогрев |
Замкнутый |
Обессоленная вода |
40 - 50 |
2 |
800 - 1000 |
- |
- |
- |
- |
- |
Подогрев в деаэраторе и ПВД. Содержание железа в воде не должно превышать 100 мг/л |
|
|
7. Пассивация: ввод аммиака |
Замкнутый |
Аммиак, рН 10 - 10,5 |
40 - 50 |
1 |
800 - 1000 |
Аммиачная вода - 5 |
- |
- |
- |
- |
Подогрев в ПВД |
|
|
ввод нитрита-натрия |
-"- |
Нитрит-натрия - 1 % |
40 - 50 |
1 |
800 - 1000 |
3,1 |
- |
- |
- |
- |
|
|
|
циркуляция пассивирующего раствора |
-"- |
Обессоленная вода, нитрит-натрия - 1 %, аммиак, рН 10 - 10,5 |
40 - 50 |
8 |
800 - 1000 |
- |
- |
- |
- |
- |
|
|
|
8. Дренирование пассивирующего раствора |
Разомкнутый |
- |
- |
- |
- |
- |
- |
- |
- |
250 |
Из недренируемых поверхностей пароперегревателя пассивирующий раствор удаляется перед растопкой котла |
|
3. ПРЕДПУСКОВАЯ ПАРОХИМИЧЕСКАЯ ОЧИСТКА ПАРОВОДЯНОГО ТРАКТА ЭНЕРГОБЛОКА 500 МВт
Парохимическая очистка пароводяного тракта выполняется в соответствии с настоящими Методическими указаниями.
Парохимическая очистка проводится на оборудовании, полностью готовом к вводу в эксплуатацию. В контур очистки включаются деаэратор 6 кгс/см2, ПВД по водяной стороне, поверхности нагрева котла, трубопроводы питательной воды и пара. Основным моющим раствором является композиция комплексона (трилон Б или аммонийная соль ЭДТК) с серной кислотой. Оборудование пароводяного тракта энергоблока очищается по одноконтурной схеме.
Технология очистки
1. Продувка отдельных элементов пароводяного тракта паром давлением 1,7 - 4 МПа при температуре 270 - 400 °С с расходом 300 - 350 т/ч, обеспечивающим превышение энергии потока по сравнению с номинальным не менее чем в 1,2 раза.
2. Расхолаживание контура очистки.
3. Кислотная обработка ингибированным раствором композиции 1 %-ного комплексона с добавкой серной кислоты до показателя рН, равного 3 - 3,5, при температуре 90 - 120 °С в течение 6 - 8 ч.
4. Вытеснение кислотного раствора до полного осветления его на сбросе.
5. Кислотная обработка ингибированным раствором композиции 0,5 %-ного комплексона с добавкой серной кислоты до показателя рН, равного 3 - 3,5, при температуре 90 - 120 °С в течение 2 - 3 ч.
6. Вытеснение кислотного раствора обессоленной водой с добавкой в нее аммиака до достижения показателя рН 9 - 10 через 25 - 30 мин после начала вытеснения.
7. Дренирование обессоленной воды из контура.
8. Продувка пароводяного тракта паром давлением 4 МПа при температуре 270 - 400 °С с расходом 300 - 350 т/ч, обеспечивающим превышение энергии потока по сравнению с номинальным не менее чем в 1,2 раза.
Продолжительность обработки 5 - 6 ч.
Расход реагентов:
трилона Б или ЭДТК - 12,6 т;
серной кислоты - 15 т;
аммиачной воды - 5 т;
ОП-7 (ОП-10) - 1,68 т;
каптакса - 0,34 т.
Схема очистки
Временные трубопроводы (рис. 14) смонтированы для подвода в контур очистки и отвода из него пара, прокачки промывочного раствора и воды по замкнутому и разомкнутому контурам. Прокачка воды и промывочных растворов осуществляется двумя насосами МСК-1500×575. Замкнутый контур циркуляции включает следующее оборудование пароводяного тракта: деаэраторы - всасывающие трубопроводы бустерных насосов - трубопровод I - НХО - трубопровод II - напорный трубопровод питательных насосов - ПВД - трубопровод питательной воды - потоки тракта СКД - трубопроводы свежего пара - трубопровод III - половина потока вторичного пароперегревателя (против хода пара) - трубопровод IV - половина потока вторичного пароперегревателя (по ходу пара) - трубопроводы V, VI, VII - трубопровод основного конденсата - трубопровод VIII - деаэраторы. При циркуляции кислотного раствора по замкнутому контуру часть его поступает во вторичный пароперегреватель по трубопроводу IX, минуя тракт СКД.
Разомкнутый контур применяется при вытеснении кислотного раствора и воды при последующей промывке на очистные сооружения или шламоотвал. Для этих целей используются трубопроводы X, XI, ХII. Подача пара в контур очистки осуществляется от коллектора 4 МПа собственных нужд или от специально смонтированного. Продувка поверхностей нагрева контура СКД осуществляется в двух направлениях по отдельным участкам. Продувка вторичного пароперегревателя выполняется в одном направлении.
Подача пара в тракт СКД производится со стороны испарительных поверхностей по трубопроводам ХIII, IX, II в напорный трубопровод питательной воды, а со стороны перегревательных поверхностей - по трубопроводам III, ХIII. Отводы пара из первичного тракта выполняются из трубопроводов узла питания, после экономайзера, входных коллекторов потолочного экрана, после конвективного пароперегревателя и паропроводов. Сброс пара из вторичного тракта производится через трубопроводы холодного пара. Подача обессоленной воды производится от насосов баков обессоленной воды.
Подогрев воды и промывочных растворов осуществляется в деаэраторах и ПВД от коллектора собственных нужд.
Для контроля за технологическим режимом очистки имеются указатели уровня на деаэраторных баках, баках запаса конденсата, пробоотборники на трубопроводах II, VII, X, расходомерная шайба на трубопроводе II, термометры - на трубопроводах II, VII.
Ввод концентрированных растворов осуществляется во всасывающий коллектор НХО от реагентного хозяйства.
Рис. 14. Схема парохимической очистки энергоблока 500 МВт:
1 - котел; 2 - деаэратор; 3 - насосы химической очистки; 4 - ПВД; 5 - питательные насосы; I - XIII - временные трубопроводы
Технологическая карта предпусковой парохимической очистки энергоблока 500 МВт раствором композиции комплексона с серной кислотой
|
Наименование операции |
Контур циркуляции |
Применяемая вода, концентрация реагента, показатель рН среды |
Температура, °С |
Продолжительность, ч |
Расход среды по контуру, м3/ч |
Расход реагентов, т |
Расход воды, м3 |
Количество воды, раствора (м3), сбрасываемых |
Примечание |
|
||
|
часовой |
на одну операцию |
|||||||||||
|
на золоотвал, шламоотвал |
в очистные сооружения |
|
||||||||||
|
1. Водная промывка: |
|
|
|
|
|
|
|
|
|
|
|
|
|
деаэраторный бак, всасывающие трубопроводы ПЭН |
Разомкнутый |
Обессоленная вода |
10 - 20 |
4 |
400 |
- |
400 |
1000 |
1000 |
- |
Промывка проводится трех - четырехкратным заполнением деаэраторного бака |
|
|
ПВД, трубопроводы питательной воды |
То же |
То же |
10 - 20 |
1 |
1500 |
- |
1500 |
1500 |
1500 |
- |
Промывка ведется до полного осветления |
|
|
2. Паровая продувка отдельных участков поверхности нагрева и паропроводов первичного и вторичного трактов |
Разомкнутый |
Пар 3,0 - 4,0 МПа |
270 - 400 |
18 - 24 |
300 - 350 |
- |
- |
- |
- |
- |
Продувка проводится в соответствии с требованиями по ее выполнению для котлов. Каждый участок продувается в течение 15 - 20 мин. После проведения паровой продувки котел расхолаживается согласно инструкции по эксплуатации |
|
|
3. Заполнение контура обессоленной водой |
Замкнутый |
Обессоленная вода |
10 - 20 |
4 |
150 - 180 |
- |
700 |
- |
- |
- |
|
|
|
4. Прокачивание обессоленной воды и ее подогрев |
Замкнутый |
Обессоленная вода |
90 - 120 |
5 |
1500 |
- |
- |
- |
- |
- |
При достижении температуры воды 40 - 45 °С определяется распределение потока по отдельным трубам и участкам котла |
|
|
5. Кислотная обработка: |
|
|
|
|
|
|
|
|
|
|
|
|
|
ввод ингибиторов |
Замкнутый |
ОП-7 (ОП-10) - 0,1 % |
90 - 120 |
1 |
1500 |
0,84 |
- |
- |
- |
- |
Температура воды на выходе из котла не должна быть ниже 90 °С. Ингибиторы вводятся в виде смеси ОП-7 с каптаксом |
|
|
каптакс - 0,02 % |
|
|
0,18 |
- |
- |
- |
- |
|
||||
|
ввод комплексона |
То же |
Комплексон - 1 % |
90 - 120 |
|
1500 - 2000 |
8,4 |
- |
- |
- |
- |
|
|
|
ввод серной кислоты |
-"- |
Серная кислота, рН 3 - 3,5 |
90 - 120 |
1 |
1500 - 2000 |
10 |
- |
- |
- |
- |
Ввод серной кислоты осуществляется с расходом, обеспечивающим показатель рН раствора в указанных пределах на входе в котел |
|
|
циркуляция раствора |
-"- |
ОП-7 (ОП-10) - 0,1 % каптакс - 0,02 % комплексон -1 % серная кислота, рН 3 - 3,5 |
90 - 120 |
4 - 5 |
1500 - 2000 |
- |
- |
- |
- |
- |
Продолжительность операции определяется стабилизацией содержания железа при достижении показателя рН на выходе из котла не выше 4 - 4,5 |
|
|
6. Вытеснение кислотного раствора |
Разомкнутый |
Обессоленная вода |
10 - 20 |
2 |
1000 - 1500 |
- |
1000 - 1500 |
2000 |
- |
2000 |
Вытеснение проводится до осветления на сбросе |
|
|
7. Прокачка обессоленной воды и подогрев ее |
Замкнутый |
Обессоленная вода |
90 - 120 |
5 |
1200 - 1500 |
- |
- |
- |
- |
- |
|
|
|
8. Кислотная обработка: |
|
|
|
|
|
|
|
|
|
|
|
|
|
ввод ингибиторов |
Замкнутый |
ОП-7 (ОП-10) - 0,1 % |
90 - 120 |
1,0 |
1500 - 2000 |
0,84 |
- |
- |
- |
- |
Ингибиторы вводятся в виде смеси ОП-7 с каптаксом |
|
|
каптакс - 0,02 % |
|
|
|
0,18 |
|
|
|
|
|
|||
|
ввод комплексона |
То же |
Комплексон-0,5 % |
90 - 120 |
1,0 - 1,5 |
1500 - 2000 |
4,2 |
- |
- |
- |
- |
|
|
|
ввод серной кислоты |
-"- |
Серная кислота, рН 3,0 - 3,5 |
90 - 120 |
- |
- |
5 |
- |
- |
- |
- |
Ввод серной кислоты осуществляется с расходом, обеспечивающим показатель рН раствора в указанных пределах на входе в котел |
|
|
циркуляция раствора |
|
Обессоленная вода, комплексон - - 0,5 %, ОП-7 (ОП-10) - 0,1 %, каптакс - 0,02 %, серная кислота, рН 3 - 3,5 |
90 - 120 |
2 - 3 |
1500 - 2000 |
- |
- |
- |
- |
- |
Продолжительность определяется стабилизацией содержания железа в растворе до показателя рН на выходе из котла равным 4,0 - 4,5 |
|
|
9. Вытеснение кислотного раствора |
Разомкнутый |
Обессоленная вода, аммиак, рН 9,0 - 10,5 |
10 - 20 |
2 - 3 |
1500 |
Аммиачная вода - 10,5 |
1500 |
3500 |
- |
3500 |
Вытеснение проводится до осветления воды на сбросе, аммиак вводится с расходом, обеспечивающим достижения указанных значений рН. При достижении рН на сбросе 9,0 - 9,5 ввод аммиака прекратить |
|
|
10. Дренирование обессоленной воды |
Разомкнутый |
- |
- |
- |
- |
- |
- |
- |
- |
700 |
При показателе рН меньше 8,5 сброс воды можно проводить на золоотвал (шламоотвал) |
|
|
11. Паровая продувка поверхностей нагрева и паропроводов первичного и вторичного трактов |
Разомкнутый |
Пар 3,0 - 4,0 МПа |
270 - 400 |
10 - 12 |
250 - 300 |
- |
- |
4000 |
- |
- |
В начале продувается отдельные участки по 15 - 20 мин, а в дальнейшем продувка ведется по потокам (линиям) |
|
4. ПРЕДПУСКОВАЯ ВОДНО-ХИМИЧЕСКАЯ ОЧИСТКА ПАРОВОДЯНОГО ТРАКТА ЭНЕРГОБЛОКА 210 МВт
Предпусковая водно-химическая очистка пароводяного тракта энергоблока 210 МВт осуществляется в соответствии с настоящими Методическими указаниями.
Водно-химической очистке подвергается следующее оборудование энергоблока: деаэратор 6 кгс/см2, ПВД по водяной стороне, испарительные и перегревательные поверхности нагрева котла, трубопроводы питательной воды и пара.
В качестве моющего раствора применяется раствор фталевой кислоты. Схема очистки - одноконтурная.
Технология очистки
1. Промывка технической водой отдельных участков пароводяного тракта.
2. Замена технической воды на обессоленную.
3. Гидразинная обработка при концентрации гидразина 100 - 150 мг/л в течение 2 - 3 ч.
4. Кислотная обработка 2 - 3 %-ным ингибированным раствором фталевой кислоты при температуре 92 - 100 °С в течение 4 - 8 ч.
5. Вытеснение кислотного раствора технической водой до осветления воды на сбросе.
6. Кислотная обработка 1 - 1,5 %-ным ингибированным раствором фталевой кислоты при температуре 92 - 100 °С в течение 2 - 3 ч.
7. Вытеснение кислотного раствора технической водой с добавлением в нее через 15 - 20 мин после начала вытеснения аммиака до достижения показателя рН 9,5 - 10 и полного осветления.
8. Замена технической воды на обессоленную с добавлением в нее аммиака до достижения показателя рН 8,5 - 10.
9. Пассивация гидразинно-аммиачным раствором концентрацией 500 мг/л при рН 9,5 - 10 и температуре 120 - 140 °С в течение 10 - 12 ч.
10. Дренирование пассивирующего раствора.
Схема очистки
Схема очистки энергоблока (рис. 15) предусматривает возможность проведения операций при прокачке растворов и воды по замкнутому и разомкнутому контурам.
Для этой цели имеются временные трубопроводы, объединяющие элементы оборудования с НХО и со сбросным трубопроводами.
В качестве НХО используются два насоса МСК-1000×375. Котел очищается одновременно по всем потокам высокого и низкого давления. Схема очистки - одноконтурная. Прокачка по замкнутому контуру осуществляется в следующем порядке: деаэратор - всасывающие трубопроводы питательных насосов - трубопроводы I, II - НХО - трубопроводы III, IV - напорный трубопровод питательных насосов - ПВД - трубопроводы питательной воды - далее параллельно по двум потокам:
первый поток: трубопровод питания котла - экономайзер;
второй поток: трубопроводы VI, VII, VIII, IX, X - панели экранов; объединение двух потоков в барабане в общий поток - далее первичный пароперегреватель - трубопроводы свежего пара - трубопроводы XI, XII, XIII, XIV (задвижка на трубопроводе XIV закрыта) - трубопровод холодного пара - половина потока вторичного пароперегревателя (по ходу пара) - трубопроводы горячего пара - половина потока вторичного пароперегревателя (против хода пара) - трубопровод холодного пара - трубопроводы XV, XVI, XVII - трубопроводы основного конденсата - трубопровод XVIII - деаэратор.
Разомкнутые контуры организуются при проведении водных промывок отдельных участков пароводяного тракта и вытеснении промывочных растворов. Такими участками являются питательный тракт с ПВД, панели экранов, экономайзер, потоки пароперегревателей высокого и низкого давления. Поверхности нагрева котла могут промываться по ходу и против хода рабочей среды. Для промывки пароперегревателя высокого давления по отдельным участкам имеется напорно-сбросной трубопровод VII, соединенный со сбросным трубопроводом XIX и трубопроводами XX, VI, VIII.
Для промывки вторичного пароперегревателя вода подается по трубопроводу XII, помимо контура высокого давления.
Для ускорения водных промывок деаэратора от промывочных растворов используется трубопровод ХХIII. Сброс воды из котла на очистные сооружения осуществляется по трубопроводам XVI, XIX.
Подогрев воды и промывочных растворов производится в деаэраторе и ПВД паром от коллектора собственных нужд.
Техническая вода поступает от напорных циркуляционных водоводов под давлением не менее 16 м вод. ст. Обессоленная вода подается из трех БЗК насосами подпитки контура. Концентрированные промывочные растворы от реагентного хозяйства вводятся соответствующими насосами в контур очистки.
Для контроля за технологическим режимом очистки имеются указатели уровня на деаэраторном баке, БЗК, пробоотборники на временных трубопроводах I, III, ХVII, XIX, термометры на временных трубопроводах III, ХVII, расходомерные шайбы на временных трубопроводах III, XII, VI и на трубопроводах питательной воды.
Рис. 15. Схема химической очистки энергоблока 210 МВт:
1 - котел; 2 - деаэратор; 3 - питательные насосы; 4 - ПВД; 5 - насосы химической очистки; I - ХXII - временные трубопроводы
Технологическая карта предпусковой водно-химической очистки энергоблока 210 МВт раствором фталевой кислоты
|
Наименование операции |
Контур циркуляции |
Применяемая вода, концентрация реагента, показатель рН среды |
Температура, °С |
Продолжительность, ч |
Расход среды по контуру, м3/ч |
Расход реагентов, т |
Расход воды, м3 |
Количество воды, раствора (м3), сбрасываемых |
Примечание |
|
||
|
часовой |
на одну операцию |
|||||||||||
|
на золоотвал, шламоотвал |
в очистные сооружения |
|
||||||||||
|
1. Водная промывка по участкам: |
|
|
|
|
|
|
|
|
|
|
|
|
|
деаэраторный бак, всасывающие трубопроводы, ПЭН |
Разомкнутый |
Техническая вода |
10 - 20 |
4 |
200 |
- |
400 |
400 |
400 |
- |
Промывка производится трех - четырехкратным заполнением и опорожнением |
|
|
питательный тракт, ПВД |
То же |
То же |
10 - 20 |
1 |
600 - 800 |
- |
800 |
800 |
800 |
- |
Промывка производится по отдельным участкам с расходом, обеспечивающим требуемые скорости, до осветленности воды на сбросе, близкой к исходной |
|
|
поверхности нагрева котла, паропроводы |
-"- |
-"- |
10 - 20 |
6 - 8 |
1000 - 1500 |
- |
1500 |
10000 |
10000 |
|
|
|
|
2. Замена технической воды на обессоленную |
Разомкнутый |
Обессоленная вода |
10 - 20 |
2 |
600 - 800 |
- |
800 |
1500 |
1500 |
- |
Вытеснение технической воды проводится до снижения жесткости на сбросе не более 100 мкг-экв/л |
|
|
3. Циркуляция обессоленной воды и ее подогрев |
Замкнутый |
Обессоленная вода |
100 - 105 |
3 - 4 |
800 - 1000 |
- |
- |
- |
- |
- |
Подогрев производится в ПВД и деаэраторе. При достижении температуры 40 - 45 °С определяется распределение потока по отдельным трубам котла |
|
|
4. Гидразинная обработка: |
|
|
|
|
|
|
|
|
|
|
|
|
|
ввод гидразина |
Замкнутый |
- |
120 - 130 |
0,5 |
1000 |
0,14 |
- |
- |
- |
- |
Указана расчетная концентрация гидразина. К концу операции концентрация гидразина может быть значительно ниже |
|
|
циркуляция раствора гидразина |
То же |
Гидразин 100 - 150 мг/л |
120 - 130 |
3 |
1000 |
- |
- |
- |
- |
- |
|
|
|
5. Кислотная обработка: |
|
|
|
|
|
|
|
|
|
|
|
|
|
ввод ингибиторов |
Замкнутый |
ОП-7 (ОП-10) - 0,1 % |
92 - 100 |
0,5 - 1 |
1000 |
0,6 |
- |
- |
- |
- |
Ингибиторы вводятся в виде смеси ОП-7 (ОП-10) с каптаксом непосредственно в раствор гидразина. Подогрев в ПВД |
|
|
каптакс - 0,02 % |
|
|
|
0,12 |
- |
- |
- |
- |
|
|||
|
ввод фталевой кислоты |
То же |
Фталевая кислота 2 - 3 % |
92 - 100 |
1,5 - 2 |
1000 |
Фталевый ангидрид - 16 |
- |
- |
- |
- |
Фталевый ангидрид вводится в контур в виде раствора фталевой кислоты или сухого продукта небольшими порциями. Указана расчетная концентрация |
|
|
циркуляция кислотного раствора |
|
Обессоленная вода, каптакс - 0,02 %; ОП-7 (ОП-10) - 0,1 %; фталевая кислота - 2,5 - 3 % |
92 - 100 |
6 - 8 |
1000 |
- |
- |
- |
- |
- |
Окончание операции определяется по стабилизации содержания железа в растворе |
|
|
6. Вытеснение кислотного раствора |
Разомкнутый |
Техническая вода |
10 - 20 |
2 - 3 |
1000 |
- |
1000 |
3000 |
1000 |
2000 |
Вытеснение производится до осветления воды на сбросе |
|
|
7. Циркуляция технической воды и подогрев ее |
Замкнутый |
Техническая вода |
92 - 100 |
3 |
800 - 1000 |
- |
- |
- |
- |
- |
Подогрев в деаэраторе и ПВД |
|
|
8. Кислотная обработка: |
|
|
|
|
|
|
|
|
|
|
|
|
|
ввод ингибиторов |
Замкнутый |
ОП-7 (ОП-10) - 0,1 %, |
92 - 100 |
1 |
1000 |
0,6 |
- |
- |
- |
- |
Подогрев в ПВД. Ингибиторы вводятся в виде смеси ОП-7 (ОП-10) с каптаксом |
|
|
каптакс - 0,02 % |
|
|
|
0,12 |
|
|
|
|
|
|||
|
ввод фталевой кислоты |
То же |
Фталевая кислота 1 - 1,5 % |
92 - 100 |
1,5 - 2 |
1000 |
Фталевый ангидрид - 8 |
- |
- |
- |
- |
Фталевый ангидрид вводится в контур в виде фталевой кислоты или сухого продукта небольшими порциями во избежание создания местной концентрации выше указанного значения. Указана расчетная концентрация фталевой кислоты |
|
|
циркуляция кислотного раствора |
Замкнутый |
Техническая вода, ОП-7 (ОП-10) - 0,1 %, каптакс 0,02 %, фталевая кислота |
- |
- |
- |
- |
- |
- |
- |
- |
|
|
|
9. Вытеснение кислотного раствора |
Разомкнутый |
Техническая вода, аммиак, рН 9,5 - 10 |
10 - 20 |
2 |
1000 |
Аммиачная вода - 6 |
1000 |
2000 |
- |
2000 |
Аммиак вводится спустя 0,3 - 0,5 ч после начала вытеснения |
|
|
10. Вытеснение технической воды |
Разомкнутый |
Обессоленная вода, аммиак, рН 9,5 - 10 |
10 - 20 |
2 |
600 - 800 |
Аммиачная вода - 4,5 |
600 |
- |
500 |
1000 |
Отмывка производится до полного осветления воды на сбросе. Аммиак вводится сразу же при вытеснении. Отмывка ведется до жесткости на сбросе не более 100 мкг-экв/л |
|
|
11. Циркуляция обессоленной воды и подогрев ее |
Замкнутый |
Обессоленная вода, рН 9,5 - 10 |
120 - 130 |
3 |
1000 |
- |
- |
- |
- |
- |
Подогрев в ПВД и деаэраторе |
|
|
12. Пассивация: |
|
|
|
|
|
|
|
|
|
|
|
|
|
ввод аммиака |
Замкнутый |
Аммиак, рН 9,5 - 10 |
120 - 130 |
1 |
1000 |
Аммиачная вода - 2 |
- |
- |
- |
- |
Подогрев в ПВД. Аммиак вводится для корректировки величины рН раствора |
|
|
ввод гидразина |
То же |
Гидразин 500 мг/л |
120 - 130 |
1 |
1000 |
Гидразин 0,45 |
- |
- |
- |
- |
|
|
|
циркуляция раствора |
-"- |
Обессоленная вода, гидразин |
120 - 130 |
10 - 12 |
1000 |
- |
- |
- |
- |
- |
|
|
|
13. Дренирование раствора |
Разомкнутый |
- |
- |
- |
- |
- |
- |
- |
- |
500 |
Дренирование проводится после расхолаживания контура до температуры, предусмотренной инструкцией по эксплуатации |
|
5. ПРЕДПУСКОВАЯ ВОДНО-ХИМИЧЕСКАЯ ОЧИСТКА ПАРОВОДЯНОГО ТРАКТА ЭНЕРГОБЛОКА 300 (250) МВт
Предпусковая водно-химическая очистка пароводяного тракта энергоблока 300 (250) МВт осуществляется в соответствии с настоящими Методическими указаниями.
Водно-химической очистке подвергается следующее оборудование энергоблока; деаэратор 6 кгс/см2, ПВД по водяной стороне, испарительные и перегревательные поверхности котла, трубопроводы питательной воды и пара. Основным моющим раствором является композиция комплексона (трилон Б или аммонийная соль ЭДТА) с серной кислотой. Оборудование пароводяного тракта энергоблока включено в одноконтурную схему очистки.
Технология очистки
1. Промывка технической водой отдельных контуров.
2. Кислотная обработка ингибированным раствором композиции 1 %-ного комплексона с добавлением серной кислоты до достижения показателя рН, равного 3,0 - 3,5, при температуре 90 - 120 °С в течение 6 - 8 ч.
3. Вытеснение кислотного раствора технической водой до полного осветления ее на сбросе.
4. Кислотная обработка ингибированным раствором композиции 0,5 %-ного комплексона с добавлением серной кислоты до достижения показателя рН, равного 3,0 - 3,5, при температуре 90 - 120 °С в течение 2 - 3 ч.
5. Вытеснение кислотного раствора технической водой с добавкой в нее аммиака до достижения показателя рН, равного 9,0 - 10.
6. Замена технической воды на обессоленную.
7. Пассивация раствором гидразина 500 мг/л в аммиачной среде (рН 10 - 10,5) при температуре 120 - 130 °С в течение 10 - 12 ч.
8. Дренирование пассивирующего раствора.
Схема очистки
Смонтированные временные трубопроводы (рис. 16), объединяющие поверхности нагрева котла с НХО, с коллекторами отвода воды и растворов на золоотвал (шламоотвал) и в бассейн-нейтрализатор, позволяют проводить технологические операции по замкнутому и разомкнутому контурам. Для прокачивания воды и промывочных растворов установлены два насоса МСК-1500×575 (1500 м3/ч, 575 м вод. ст.).
Замкнутый контур циркуляции включает следующие последовательно включенные элементы пароводяного тракта: деаэратор - всасывающие трубопроводы бустерных насосов - трубопроводы I, II - НХО - трубопроводы III, IV - напорный трубопровод питательных насосов - ПВД - трубопроводы питательной воды - потоки тракта СКД - трубопроводы свежего пара - трубопроводы V, VI, VII, VIII, IX - трубопровод холодного пара - половина потока вторичного пароперегревателя - трубопровод горячего пара - трубопровод X и параллельно перемычка между трубопроводами горячего пара - трубопровод горячего пара - половина потока вторичного пароперегревателя - трубопровод холодного пара - трубопроводы XI, XII, XIII - трубопровод основного конденсата - трубопровод XIV - деаэратор. Часть промывочного раствора при циркуляции по замкнутому контуру может поступать в тракт промежуточного пароперегревателя по трубопроводу XV.
Разомкнутые контуры применяются при промывке водой, вытеснении промывочных растворов. Подача технической воды производится во всасывающий трубопровод НХО от напорных циркуляционных водоводов, а обессоленной воды - от БЗК.
Промежуточные сбросы по контуру очистки - трубопроводы XVII, XVIII, XIX - имеются перед котлом, из каждой линии НРЧ, после ВРЧ, из паропроводов свежего пара, из трубопроводов горячего и холодного пара вторичного пароперегревателя.
Схема имеет один напорно-сбросной трубопровод XVII и один напорный трубопровод XV, которые позволяют проводить прокачку воды в двух направлениях для всех поверхностей нагрева, за исключением экономайзера и части НРЧ.
Линии вторичного пароперегревателя включены в контур очистки растворами последовательно.
Подача химических реагентов от реагентного узла производится во всасывающий коллектор НХО. Подогрев среды производится паром в ПВД и в деаэраторе.
Сброс отмывочной воды производится на золоотвал, а промывочных растворов на очистные сооружения по трубопроводам XVI и XX.
Для контроля за технологическим режимом очистки имеются указатели на деаэраторном баке, БЗК, пробоотборники на напорном трубопроводе НХО, сбросном трубопроводе в деаэратор, на очистные сооружения, расходомерные шайбы на трубопроводе III, термометры на трубопроводах XII и XIII.
Рис. 16. Схема химической очистки энергоблока 300 (250) МВт:
1 - котел; 2 - деаэратор; 3 - бустерные насосы; 4 - питательные насосы; 5 - ПВД; 6 - насосы химической очистки; I - ХХ - временные трубопроводы
Технологическая карта предпусковой водно-химической очистки энергоблока 300 (250) МВт раствором композиции комплексона (трилона Б или аммонийная соль ЭДТА) с серной кислотой
|
Наименование операции |
Контур циркуляции |
Применяемая вода, концентрация реагента, показатель рН среды |
Температура, °С |
Продолжительность, ч |
Расход среды по контуру, м3/ч |
Расход реагентов, т |
Расход воды, м3 |
Количество воды, раствора (м3), сбрасываемых |
Примечание |
|
||
|
часовой |
на одну операцию |
|||||||||||
|
на золоотвал, шламоотвал |
в очистные сооружения |
|
||||||||||
|
1. Водная промывка по участкам: |
|
|
|
|
|
|
|
|
|
|
|
|
|
деаэраторный бак, всасывающие трубопроводы ПЭН |
Разомкнутый |
Техническая вода |
10 - 20 |
4 |
300 |
- |
300 |
800 |
800 |
- |
Промывка производится трех - четырехкратным заполнением и опорожнением деаэраторного бака |
|
|
питательный тракт, ПВД |
То же |
-"- |
10 - 20 |
1 |
1000 |
- |
1000 |
1000 |
1000 |
- |
Промывка отдельных участков производится до полного осветления воды на сбросе. Прокачка воды производится в двух направлениях. Расход воды по каждому участку определяется в зависимости от требуемой скорости |
|
|
поверхности нагрева котла, паропроводы |
-"- |
-"- |
10 - 20 |
8 |
1500 - 2000 |
- |
2000 |
15000 |
15000 |
15000 |
|
|
|
2. Замена технической воды на обессоленную |
Разомкнутый |
Обессоленная вода |
10 - 20 |
2 - 3 |
600 - 800 |
- |
800 |
1500 |
1500 |
- |
Вытеснение технической воды проводится для снижения жесткости на сбросе не более 100 мг-экв/л |
|
|
3. Циркуляция обессоленной воды и ее подогрев |
Замкнутый |
Обессоленная вода |
90 - 120 |
3 - 4 |
1000 - 1500 |
- |
- |
- |
- |
- |
Подогрев производится в ПВД. При достижении температуры воды 40 - 45 °С определяется распределение потока по отдельным трубам и элементам котла. Температура воды на выходе из котла не должна быть ниже 90 °C |
|
|
4. Кислотная обработка: |
|
|
|
|
|
|
|
|
|
|
|
|
|
ввод ингибиторов |
Замкнутый |
ОП-7 - 0,1 %, |
90 - 120 |
1 |
1500 |
0,6 |
- |
- |
- |
- |
Продолжительность ввода ингибиторов и комплексона не должна быть менее 0,5 ч |
|
|
каптакс - 0,02 % |
|
|
|
0,12 |
|
|
|
|
|
|||
|
ввод комплексона |
То же |
Трилон Б - 1 % |
90 - 120 |
1 |
1500 |
6 |
- |
- |
- |
- |
Вместо трилона Б возможно применение двухзамещенной аммонийной соли ЭДТК |
|
|
ввод серной кислоты |
-"- |
Серная кислота до рН 3,0 - 3,5 |
90 - 120 |
6 - 8 |
1500 |
7,2 |
- |
- |
- |
- |
Часть раствора (100 - 150 м3/ч) поступает в промежуточный пароперегреватель минуя первичный тракт. Продолжительность операции определяется стабилизацией содержания железа при достижении показателя рН на выходе не выше 4 - 4,5 |
|
|
5. Вытеснение кислотного раствора |
Разомкнутый |
Техническая вода |
10 - 20 |
1,5 - 2 |
1500 |
- |
1500 |
2250 |
- |
2250 |
Вытеснение производится до осветления воды и нейтральной среды на сбросе |
|
|
6. Вытеснение технической воды |
Разомкнутый |
Обессоленная вода |
10 - 20 |
2 |
600 - 800 |
- |
800 |
1500 |
1500 |
- |
|
|
|
7. Циркуляция обессоленной воды и ее подогрев |
Замкнутый |
То же |
100 - 105 |
3 - 4 |
1000 - 1500 |
- |
- |
- |
- |
- |
|
|
|
8. Кислотная обработка: |
|
|
|
|
|
|
|
|
|
|
|
|
|
ввод ингибиторов |
Замкнутый |
ОП-7 - 0,1 % |
90 - 120 |
1 |
1500 |
0,6 |
- |
- |
- |
- |
|
|
|
каптакс - 0,02 % |
|
|
0,12 |
|
|
|
|
|
|
|||
|
ввод трилона Б |
То же |
Трилон Б - 0,5 % |
90 - 120 |
1 |
1500 |
3,0 |
- |
- |
- |
- |
Возможно применение двухзамещенной аммонийной соли ЭДТК |
|
|
ввод серной кислоты |
-"- |
Серная кислота до рН 3 - 3,5 |
90 - 120 |
2 - 3 |
1500 |
3,6 |
- |
- |
- |
- |
Продолжительность операции определяется стабилизацией содержания железа в растворе при показателе рН 4,0 - 4,5 на выходе из контура |
|
|
9. Вытеснение кислотного раствора |
Разомкнутый |
Техническая вода, аммиак, рН 9,5 - 10 |
10 - 20 |
1,52 |
1500 |
Аммиачная вода - 6 |
1500 |
- |
- |
2250 |
Аммиак вводится спустя 0,3 - 0,5 ч после начала вытеснения. Отмывка проводится до полного осветления воды на сбросе |
|
|
10. Вытеснение технической воды |
Разомкнутый |
Обессоленная вода |
10 - 20 |
2 |
600 - 800 |
- |
80 |
- |
500 |
1000 |
|
|
|
11. Прокачивание обессоленной воды и ее подогрев |
Разомкнутый |
Обессоленная вода |
120 - 130 |
- |
- |
- |
- |
- |
- |
- |
|
|
|
12. Пассивация: |
|
|
|
|
|
|
|
|
|
|
|
|
|
ввод аммиака |
Замкнутый |
Аммиак, рН 10 - 10,5 |
120 - 130 |
- |
1500 |
Аммиачная вода - 4,6 |
- |
- |
- |
- |
|
|
|
ввод гидразина |
То же |
Гидразин 500 мг/л |
120 - 130 |
- |
1500 |
0,5 |
- |
- |
- |
- |
|
|
|
циркуляция раствора |
-"- |
Обессоленная вода, гидразин 500 мг/л, рН 10 - 10,5 |
120 - 130 |
- |
1500 |
- |
- |
- |
- |
- |
|
|
|
13. Дренирование раствора |
Разомкнутый |
- |
- |
- |
- |
- |
- |
- |
- |
500 |
Дренирование проводится после расхолаживания контура до температуры, предусмотренной инструкцией по эксплуатации котла |
|
6. ПРЕДПУСКОВАЯ ВОДНО-ХИМИЧЕСКАЯ ОЧИСТКА ПАРОВОДЯНОГО ТРАКТА ЭНЕРГОБЛОКА 1200 МВт
Предпусковая водно-химическая очистка пароводяного тракта осуществляется в соответствии с настоящими Методическими указаниями.
Водно-химической очистке подвергается следующее оборудование энергоблока: деаэраторы 7 кгс/см2, ПВД по водяной стороне, поверхности нагрева котла, трубопроводы питательной воды и пара.
Схема очистки выполнена в одноконтурном варианте. Основным промывочным раствором является композиция комплексона с лимонной кислотой.
Технология очистки
1. Промывка технической водой отдельных участков пароводяного тракта.
2. Замена технической воды на обессоленную.
3. Кислотная обработка ингибированным раствором композиции 1 %-ного комплексона и 1 %-ной лимонной кислоты при температуре 120 °С в течение 4 - 6 ч.
4. Вытеснение кислотного раствора до полного осветления на сбросе.
5. Замена технической воды на обессоленную.
6. Кислотная обработка ингибированным раствором композиции 0,5 %-ного комплексона и 0,5 %-ной лимонной кислоты при температуре 120 °С в течение 3 - 4 ч.
7. Вытеснение кислотного раствора технической водой с добавкой в нее аммиака до достижения показателя рН 10 - 10,5 и осветления на сбросе.
8. Замена технической воды на обессоленную с добавкой аммиака до достижения показателя рН 9,5 - 10.
9. Пассивация раствором гидразина 500 мг/л в аммиачной среде до достижения показателя рН 10 - 10,5 при температуре 120 - 130 °С в течение 6 - 8 ч.
10. Дренирование пассивирующего раствора.
Схема очистки
Схема очистки (рис. 17) обеспечивает выполнение технологических операций, для чего имеются временные трубопроводы, объединяющие стационарное оборудование в единый замкнутый контур циркуляции, а также обеспечивающие сброс из контура очистки загрязненной воды и отработанных растворов на золоотвал (шламоотвал) и в очистные сооружения.
Замкнутый контур циркуляции включает последовательно следующее оборудование: деаэратор - всасывающие трубопроводы питательных насосов - трубопровод I - НХО - трубопроводы II, III - ПВД - трубопровод питательной воды - тракт СКД - трубопроводы свежего пара - трубопроводы IV, V - трубопроводы холодного пара - половина потока вторичного пароперегревателя - трубопроводы горячего пара - трубопроводы VI, VII - трубопроводы горячего пара - половина потока вторичного пароперегревателя - трубопроводы холодного пара - трубопроводы VIII, IX, X - трубопровод основного конденсата - деаэраторы.
Для проведения водных промывок по отдельным участкам поверхностей нагрева котла имеются напорно-сбросные стояки XI, XII, объединенные с напорным трубопроводом II НХО и со сбросными трубопроводами XIII, XIV на очистные сооружения и золоотвал (шламоотвал).
Промежуточные сбросы выполнены: перед и после экономайзера, после НРЧ, из всасывающих трубопроводов насосов рециркуляции, из встроенных задвижек, из трубопроводов свежего пара.
Из-за невозможности создания в трубах промежуточного пароперегревателя требуемых скоростей движения воды он не подвергается начальной водной промывке.
Удаление взвешенных частиц из промежуточного пароперегревателя производится при паровой продувке.
Прокачка воды и промывочных растворов производится двумя насосами МСК-1500×350, один насос является резервным.
Техническая вода подается во всасывающий коллектор насосом циркуляционной воды и подъемными насосами эжекторов, а обессоленная вода двумя насосами аварийного добавка.
Подогрев среды производится в деаэраторах и в двух ПВД.
Рис. 17. Схема химической очистки блока 1200 МВт:
1 - котел; 2 - деаэратор; 3 - ПВД; 4 - питательные насосы; 5 - предвключенные насосы; 6 - насосы рециркуляции; 7 - насос подачи технической воды; 8 - насосы химической очистки; I - XIV - временные трубопроводы
Технологическая карта предпусковой водно-химической очистки пароводяного тракта энергоблока 1200 МВт раствором композиции комплексона с лимонной кислотой
|
Наименование операции |
Контур циркуляции |
Применяемая вода, концентрация реагента, показатель рН среды |
Температура, °С |
Продолжительность, ч |
Расход среды по контуру, м3/ч |
Расход реагентов, т |
Расход воды, м3 |
Количество воды, раствора (м3), сбрасываемых |
Примечание |
|
||
|
часовой |
на одну операцию |
|||||||||||
|
на золоотвал, шламоотвал |
в очистные сооружения |
|
||||||||||
|
1. Водная промывка: |
|
|
|
|
|
|
|
|
|
|
|
|
|
деаэраторный бак, всасывающие трубопроводы ПЭН |
Разомкнутый |
Техническая вода |
10 - 20 |
4 |
400 |
- |
400 |
1000 |
1000 |
- |
Промывка проводится трех - четырехкратным заполнением и опорожнением |
|
|
питательные магистрали, ПВД, котел, паропроводы |
То же |
-"- |
10 - 20 |
8 |
3000 |
- |
3000 |
24000 |
24000 |
- |
Промывка проводится прокачкой воды по участкам с расходами, обеспечивающими требуемые скорости, и до достижения осветленности воды на сбросе, близкой к исходной |
|
|
2. Вытеснение технической воды |
Разомкнутый |
Обессоленная вода |
10 - 20 |
3 |
1200 - 1500 |
- |
1200 - 1500 |
3600 |
3600 |
- |
Вытеснение проводится до снижения жесткости не более 100 мкг-экв/л |
|
|
3. Прокачка обессоленной воды и ее подогрев |
Замкнутый |
Обессоленная вода |
100 - 120 |
4 - 6 |
2000 - 3000 |
- |
- |
- |
- |
- |
При повышении жесткости воды более 400 мкг-экв/л проводится замена ее на чистую и операция повторяется. Подогрев в деаэраторе и ПВД |
|
|
4. Кислотная очистка: |
|
|
|
|
|
|
|
|
|
|
|
|
|
ввод ингибиторов |
Замкнутый |
Обессоленная вода, ОП-7 (ОП-10) - 0,1 % |
100 - 120 |
1,0 |
3000 |
1,8 |
- |
- |
- |
- |
Подогрев в ПВД |
|
|
каптакс - 0,02 % |
|
|
|
0,39 |
|
|
|
|
|
|||
|
ввод комплексона и лимонной кислоты |
То же |
Обессоленная вода, ОП-7 (ОП-10) - 0,1 %. каптакс - 0,02 %, |
100 - 120 |
1,0 |
3000 |
- |
- |
- |
- |
- |
Концентрация лимонной кислоты взята по соотношению комплексона (1:1). Ввод реагентов проводится одновременно |
|
|
комплексон - 1 %, |
- |
- |
- |
18,0 |
- |
- |
- |
- |
|
|||
|
лимонная кислота - 1 % |
- |
- |
- |
18,0 |
- |
- |
- |
- |
|
|||
|
прокачка раствора |
-"- |
Обессоленная вода, ОП-7 (ОП-10) - 0,1 %. каптакс - 0,02 %, комплексон - 1 %, лимонная кислота - 1 % |
100 - 120 |
4 - 6 |
3000 |
- |
- |
- |
- |
- |
Окончание операции определяется по стабилизации содержания железа в растворе. Подогрев в ПВД |
|
|
5. Вытеснение кислотного раствора |
Разомкнутый |
Техническая вода |
10 - 20 |
2 - 3 |
3000 |
- |
3000 |
1500 |
- |
4500 |
Вытеснение раствора производится при отключенном деаэраторе по всасывающему трубопроводу НХО |
|
|
6. Вытеснение технической воды |
Разомкнутый |
Обессоленная вода |
10 - 20 |
2 - 2,5 |
1200 - 1500 |
- |
1500 |
3600 |
3600 |
- |
См. примечание к п. 2 |
|
|
7. Прокачка обессоленной воды и подогрев ее |
Замкнутый |
Обессоленная вода |
100 - 105 |
3 |
3000 |
- |
- |
- |
- |
- |
|
|
|
8. Кислотная очистка: |
|
|
|
|
|
|
|
|
|
|
|
|
|
ввод ингибиторов |
Замкнутый |
ОП-7 (ОП-10) - 0,1 %, |
100 - 120 |
0,5 - 1 |
3000 |
1,8 |
- |
- |
- |
- |
См. примечание к п. 4 |
|
|
каптакс - 0,02 % |
|
0,39 |
|
|
|
|
|
|||||
|
ввод комплексона и лимонной кислоты |
То же |
Комплексон - 0,5 %, |
100 - 120 |
1 |
3000 |
9,0 |
- |
- |
- |
- |
|
|
|
лимонная кислота - 0,5 % |
|
|
|
9,0 |
|
|
|
|
|
|
||
|
прокачка раствора |
-"- |
Обессоленная вода, ОП-7, (ОП-10) - 0,1 %, каптакс - 0,02 %, комплексон - 0,5 %, лимонная кислота - 0,5 % |
100 - 120 |
2 - 3 |
3000 |
- |
- |
- |
- |
- |
|
|
|
9. Вытеснение кислотного раствора: |
|
|
|
|
|
|
|
|
|
|
|
|
|
прокачка технической воды |
Разомкнутый |
Техническая вода |
10 - 20 |
0,3 - 0,4 |
3000 |
- |
3000 |
1000 |
- |
1000 |
|
|
|
прокачка технической соды с аммиаком |
То же |
Техническая вода, аммиак, рН 9,5 - 10 |
10 - 20 |
0,5 |
3000 |
Аммиачная вода - 7,5 |
4500 |
900 |
- |
1500 |
|
|
|
прокачка технической воды |
-"- |
Техническая вода |
10 - 20 |
1 |
3000 |
- |
4500 |
4500 |
1500 |
3000 |
|
|
|
10. Вытеснение технической воды |
Разомкнутый |
Обессоленная вода, аммиак, рН 9,5 - 10 |
10 - 20 |
2 |
1200 - 1500 |
Аммиачная вода - 10 |
1500 |
3000 |
3000 |
- |
Вытеснение вести до жесткости не более 100 мкг-экв/л |
|
|
11. Прокачка обессоленной воды и ее подогрев |
Замкнутый |
Обессоленная вода |
100 - 105 |
3 - 4 |
3000 |
- |
- |
- |
- |
- |
|
|
|
12. Пассивация: |
|
|
|
|
|
|
|
|
|
|
|
|
|
ввод аммиака |
Замкнутый |
Аммиак, рН 9,5 - 10 |
120 - 130 |
1 |
3000 |
Аммиачная вода - 8 |
- |
- |
- |
- |
|
|
|
ввод гидразина |
То же |
Гидразин - 0,05 % |
100 - 130 |
1 |
3000 |
Гидразин-гидрат - 1,5 |
- |
- |
- |
- |
|
|
|
прокачка раствора |
-"- |
Обессоленная вода, гидразин - 0,05 %, рН 9,5 - 10 |
120 - 130 |
10 - 12 |
3000 |
- |
- |
- |
- |
- |
|
|
|
13. Дренирование пассивирующего раствора |
Разомкнутый |
- |
- |
- |
- |
- |
- |
- |
- |
1500 |
Дренирование проводится после расхолаживания до температуры, указанной в инструкции по эксплуатации |
|
Наиболее эффективным и представительным способом оценки состояния труб в настоящее время является выборочная вырезка контрольных образцов с определением содержащегося на их внутренней поверхности количества отложений методом катодного травления.
Основным критерием оценки состояния внутренней поверхности труб до и после предпусковой химической очистки является масса отложений, отнесенная к 1 м2 поверхности, т.е. удельная загрязненность.
Удельную загрязненность определяют по формуле:
![]()
где Kзаг - удельная загрязненность, г/м2;
G - количество отложений, г;
F - площадь внутренней поверхности образца трубы, м2.
Вырезку контрольных образцов производят механическим способом или автогеном. В последнем случае необходимо принять соответствующие меры для предотвращения попадания сварочного грата в трубы поверхностей нагрева. Отложения и металл на расстоянии менее 15 см от концов вырезанного автогеном участка вследствие перегрева и возможного попадания сварочного грата не соответствуют своему исходному состоянию и должны быть отрезаны. Загрязненность определяется для оставшихся участков, которые разрезают на фрезерном или строгальном станках. При этом режущий инструмент (фрезу, резец) нельзя охлаждать эмульсией.
Наиболее точным способом определения исходной загрязненности является катодное травление, при котором снижается перетрав (коррозия) основного металла под отложениями.
Катодное травление производят в емкости, заполненной электролитом (10 %-ным раствором серной кислоты, ингибированным 0,3 %-ным катапином) при температуре 70 - 80 °С. В качестве анода используют свинцовые пластины, на которых происходит в данном случае выделение газообразного кислорода, в качестве катода - испытуемый образец. Последний с помощью контактного провода соединяют с отрицательным полюсом выпрямителя; к положительному полюсу выпрямителя присоединяют через реостат свинцовую пластину. Продолжительность травления зависит от состава и количества отложений и колеблется от 10 до 60 мин.
Возможно применение и других электролитов, например 10 %-ного раствора цитрата аммония. В этом случае травление рекомендуется проводить при температуре 20 °С, а анодом должны служить угольные электроды.
Перед помещением образца в электролит внешнюю сторону трубы осторожно очищают от отложений и прочих загрязнений наждачной бумагой, обезжиривают спиртом или ацетоном и дважды покрывают кислотостойким термостойким лаком. Лаком покрывают и торцы образца. Образец высушивается, взвешивается на аналитических весах и погружается в электролит. Затем подключают выпрямитель и поддерживают плотность тока порядка 2 - 5 А на 1 дм2 поверхности образца. После окончания процесса снимают напряжение, вынимают образец из раствора и отсоединяют от выпрямителя, промывают дистиллятом, высушивают и взвешивают. По потере массы определяют количество отложений, удаленных с поверхности образца, и вычисляют удельную загрязненность.
|
|
УТВЕРЖДАЮ Главный инженер ______ ___________ ГРЭС (ТЭЦ) ______________________ _______________ 19___ г. |
|
__________________________________________________________________________ тип котла, мощность энергоблока Комиссия в составе: начальника котлотурбинного цеха ________________, начальника инициалы, фамилия химического цеха ____________________, главного инженера монтажной организации инициалы, фамилия __________________, главного инженера строительной организации _______________ инициалы, фамилия инициалы, фамилия _________________, шеф-инженера от завода-изготовителя котла _________________, инициалы, фамилия инициалы, фамилия ответственного руководителя от организации, проводящей химическую очистку _________________ составила настоящий акт в том, что в период с ________ по ______ инициалы, фамилия 19__ г. была проведена предпусковая химическая очистка ________________________ тип котла, мощность энергоблока ст. № _______ по утвержденной программе от ____________ 19__ г. Химической очистке подвергалось следующее оборудование: ________________________________ __________________________________________________________________________ __________________________________________________________________________ __________________________________________________________________________ Исходная загрязненность поверхностей нагрева до очистки составляла (г/м2) ________ Для удаления отложений применена следующая технология химической очистки: 1. Водная промывка _________________________________________________________ расход, характеристика воды, __________________________________________________________________________ продолжительность 2. Предварительное щелочение _______________________________________________ наименование реагента, концентрация, температура, __________________________________________________________________________ продолжительность, расход 3. Кислотная обработка ______________________________________________________ наименование реагента, концентрация, показатель рН, температура, __________________________________________________________________________ расход среды, продолжительность содержание железа, меди, взвешенных веществ 4. Повторная кислотная обработка _____________________________________________ см. п. 3 __________________________________________________________________________ __________________________________________________________________________ 6. Нейтрализация ___________________________________________________________ __________________________________________________________________________ наименование реагента показатель рН, концентрация, температура, продолжительность, расход 6. Пассивация ______________________________________________________________ __________________________________________________________________________ наименование реагента показатель рН, концентрация, температура, продолжительность, расход Между химическими операциями проводились водные промывки __________________ __________________________________________________________________________ расход, продолжительность до нейтральной среды и осветленности, близкой исходной воде. По данным химических анализов, в результате химической очистки удалено _____ кг железа в пересчете на Fe2O3. На проведение химической очистки израсходовано следующее количество реагентов и воды 1. _______________________________________________________________________ т. 2. _______________________________________________________________________ т. 3. _______________________________________________________________________ т. 4. _______________________________________________________________________ т. 5. _______________________________________________________________________ т. 6. _______________________________________________________________________ т. 7. Воды _________________________________________________________________ м3. обессоленной, химически очищенной 8. Воды технической _____________________________________________________ м3. По окончании химической очистки были вскрыты и осмотрены поверхности оборудования, подвергавшегося очистке, на основании чего было установлено (внешний вид барабана, коллекторов, деаэратора и т.д.): 1. _________________________________________________________________________ 2. _________________________________________________________________________ 3. _________________________________________________________________________ Осмотр вырезанных образцов труб показал (место вырезки, внешний вид, остаточная загрязненность), что: 1. _________________________________________________________________________ ___________________________________________________________________________ 2. _________________________________________________________________________ ___________________________________________________________________________ 3. _________________________________________________________________________ ___________________________________________________________________________ 4. _________________________________________________________________________ ___________________________________________________________________________ Выводы и рекомендации В результате проведенной химической очистки отложения из пароводяного тракта энергоблока (котла) удалены _________________________________________________ степень удаления отложений, % Комиссия рекомендует ______________________________________________________ ___________________________________________________________________________ ___________________________________________________________________________ ___________________________________________________________________________ оценка качества очистки, замечания по схеме и технологии очистки |
|
|
|
Подписи: _____________________________________ _____________________________________ _____________________________________ |
|
Показатели состава и свойств воды водоема |
Вид водопользования |
|
|
Водоемы, используемые для сохранения и воспроизводства ценных видов рыб, обладающих высокой чувствительностью к кислороду |
Водоемы, используемые для всех других рыбохозяйственных целей |
|
|
Взвешенные вещества |
Содержание взвешенных веществ по сравнению с природными не должно увеличиваться более чем на |
|
|
0,25 мг/л |
0,75 мг/л |
|
|
Для водоемов, содержащих в межень более 30 мг/л природных минеральных веществ, допускается увеличение их содержания в воде водоемов в пределах 5 %. |
||
|
Взвеси со скоростью осаждения более 0,4 мм/с для проточных водоемов и более 0,2 мм/с для водохранилищ к спуску запрещаются |
||
|
Плавающие примеси (вещества) |
На поверхности не должны обнаруживаться пленки нефтепродуктов, масел, жиров и других примесей |
|
|
Окраска, запах и привкусы |
Вода не должна приобретать посторонних запахов и окраски и сообщать их мясу рыб |
|
|
Температура |
Температура воды не должна повышаться по сравнению с естественной температурой водоема более чем на 5 °С с общим повышением температуры не более чем до 20 °С летом и 5 °С зимой для водоемов, в которых обитают холодноводные рыбы (лососевые и сиговые), более чем до 28 °С летом и 8 °С зимой для остальных водоемов В местах нереста налима запрещается повышать температуру воды зимой более чем до 2 °С |
|
|
Реакция |
Показатель рН не должен выходить за пределы значений 6,5 - 8,5 |
|
|
Растворенный кислород |
В зимний (подледный) период не должен быть ниже |
|
|
6,0 мг/л |
4,0 мг/л |
|
|
В летний (открытый) период не должен быть ниже 6 мг/л в пробе, отобранной до 12 ч дня |
||
|
Биохимическая потребность в кислороде (БПК) |
Полная потребность воды в кислороде при 20 °С не должна превышать |
|
|
3,0 мг/л |
3,0 мг/л |
|
|
Если в зимний период содержание растворенного кислорода в воде водоема первого вида водопользования уменьшается до 6,0 мг/л, а в водоемах второго вида до 4,0 мг/л, можно допустить сброс в них только тех сточных вод, которые не изменяют БПК воды |
||
|
Ядовитые вещества |
Не должны содержаться в концентрациях, могущих оказать прямо или косвенно вредное воздействие на рыб и водные организмы, служащие кормовой базой для рыб |
|
Предельно допустимые концентрации (ПДК) ряда веществ в воде водных объектов
|
Наименование ингредиента |
Хозяйственно-питьевое и культурно-бытовое водопользование |
Рыбохозяйственное водопользование |
|
||
|
Лимитирующий показатель |
Предельно допустимая концентрация, мг/л |
Лимитирующий показатель |
Предельно допустимая концентрация, мг/л |
|
|
|
Аммиак |
2 |
2,0 |
2 |
0,05 |
|
|
Аммоний солевой (NH4+) |
- |
- |
2 |
0,5 |
|
|
Гидразин |
1 |
0,01 |
- |
- |
|
|
Железо (Fe3+) |
3 |
0,5 |
- |
- |
|
|
Кальций (катион) |
- |
- |
1 |
180 |
|
|
Каптакс |
3 |
отс. |
2 |
0,05 |
|
|
Масляная кислота |
2 |
В пределах, допустимых расчетом на содержание органических веществ в воде водоемов и по показателям БПК |
|
||
|
Муравьиная кислота |
2 |
|
|||
|
Уксусная кислота |
2 |
|
|||
|
Натрий (катион) |
- |
- |
1 |
120,0 |
|
|
Нитрат-ион (NO3-) |
- |
- |
1 |
40,0 |
|
|
Нитраты (по азоту) |
1 |
10 |
- |
- |
|
|
Нитрит ион (NO2-) |
- |
- |
2 |
0,08 |
|
|
ОП-7 (ОП-10) |
3 |
0,4 (1,5) |
2 |
0,3 (0,5) |
|
|
Сульфаты (анион) |
- |
- |
1 |
100 |
|
|
Тиурам Д |
1 |
1,0 |
- |
- |
|
|
Трилон Б |
- |
- |
1 |
0,5 |
|
|
Уротропин |
1 |
0,5 |
|
|
|
|
Формальдегид |
|
|
2 |
0,1 |
|
|
Фталевая кислота |
2 |
0,5 |
- |
- |
|
|
Фтор в соединениях |
1 |
1,5 |
- |
- |
|
|
Хлор активный |
2 |
отс. |
2 |
отс. |
|
|
Хлориды (анион) |
- |
- |
1 |
300 |
|
|
Примечания: 1. Лимитирующие показатели для водоемов хозяйственно-питьевого и культурно-бытового водопользования: 1 - санитарно-токсикологический; 2 - общесанитарный; 3 - органолептический. Лимитирующие показатели для рыбохозяйственных водоемов: 1 - санитарно-токсикологический; 2 - токсикологический. 2. Настоящие требования к составу и свойствам воды и значения предельно допустимых концентраций приведены в соответствии с приложениями 1, 2 и 3 «Правил охраны поверхностных вод от загрязнения сточными водами», утвержденных Министерством мелиорации и водного хозяйства СССР, Министерством рыбного хозяйства СССР и Главным государственным санитарным врачом СССР 16 мая 1974 г., и данными дополнительного перечня ПДК: № 1194 от 14.11.76 г.; № 1521 от 18.11.76 г.; № 30-1-П от 17.12.76 г. |
|||||
|
_______________ районное энергетическое управление ____________ ТЭЦ (ГРЭС) |
|
РАСПОРЯЖЕНИЕ
|
__________________ 19__ № |
г. ________________________ |
О ПРЕДПУСКОВОЙ ХИМИЧЕСКОЙ ОЧИСТКЕ ЭНЕРГОБЛОКА (КОТЛА) ___ №
|
1. С ________ 19__ г. начать операции по предпусковой химической очистке энергоблока (котла) ________________ ст. № ________________. 2. Общее руководство по проведению всех операций химической очистки возлагается на __________________________ ТЭЦ (ГРЭС) тов. _____________________ должность 3. Техническое руководство по выполнению технологических операций, ведению теплового и химического контроля, приготовлению растворов реагентов и их дозировке осуществляет персонал ___________________________________________________________________________ наименование организации, проводящей химическую очистку Ответственный тов. _______________________________________________________ 4. Оперативное обслуживание оборудования энергоблока, электрифицированной арматуры, поддержание заданных температуры, давления, расходов и подача обессоленной и технической воды, пара и электроэнергии, обслуживание деаэратора, насосов химической воды, насосов дозировки реагентов, наблюдение за системой отвода растворов и воды на очистные сооружения производится вахтенным персоналом ___________________________________ ТЭЦ (ГРЭС) под руководством начальников смен цехов по заявке технического руководителя очистки в смене. 5. Оперативное переключение арматуры по схеме, контроль за правильностью сборки промываемых контуров очистки, регистрация в журнале выявленных дефектов и контроль за их устранением возлагаются на персонал пусконаладочной бригады. Ответственный тов. _______________________________________________________ 6. Ремонт элементов схемы, насосов химической очистки и прочего оборудования производит персонал монтажного управления. Ответственный тов. _______________________________________________________ 7. Доставку реагентов и их загрузку производит персонал монтажного управления. Ответственный тов. _______________________________________________________ 8. Строительное управление ______________________ ТЭЦ (ГРЭС) обеспечивает предпусковую химическую очистку энергоблока реагентами согласно заказной спецификации. Ответственный тов. _______________________________________________________ 9. На время проведения предпусковой химической очистки строительное управление __________________ ГРЭС (ТЭЦ) выделяет круглосуточно дежурный автобус в распоряжение дежурного ________________________ ГРЭС (ТЭЦ). 10. Перед предпусковой химической очисткой руководители подрядных и субподрядных организаций на _____________________ГРЭС (ТЭЦ) предупрежденные о ее начале, обеспечивают вывод персонала, не участвующего в проведении предпусковой химической очистки, из района расположения промываемого оборудования. 11. Персонал, участвующий в предпусковой химической очистке, инструктируется по правилам техники безопасности руководителями соответствующих подразделений и обеспечивается защитными средствами. Ответственными за выполнение мероприятий по технике безопасности при проведении предпусковой химической очистки являются руководители соответствующих организаций. 12. Ответственность за противопожарное состояние и обеспечение мер пожарной безопасности в районе расположения промываемого оборудования возлагается на строительное управление ______________________________ ГРЭС (ТЭЦ). Ответственный тов. _______________________________________________________ 13. Всем организациям к ___________________________________________________ дата представить в штаб предпусковой химической очистки списки персонала, выделенного для дежурства, с ___________ выставить вахты согласно данным спискам. дата 14. Ответственность за прием воды и растворов, последующую их очистку возлагается на ___________________________ ГРЭС (ТЭЦ). Ответственный тов. _______________________________________________________ 15. Вопрос от возможных отклонениях от утвержденной программы предпусковой химической очистки решается руководителем штаба предпусковой химической очистки. Председатель пусковой комиссии ___________________________________________________________________________________________ должность, подпись, инициалы, фамилия |
Техническая соляная кислота содержит 27 - 32 % хлористого водорода, имеет желтый цвет и удушливый запах. Ингибированная соляная кислота содержит 20 - 23 % хлористого водорода и представляет собой жидкость от желтого до темно-коричневого цвета - в зависимости от вводимого ингибитора. В качестве ингибитора коррозии используются ПБ-5, В-1, В-2, катапин КИ-1 и др. Содержание ингибитора в соляной кислоте колеблется в пределах 0,5 - 1,2 %. Скорость растворения Ст3 при 20 °С не превышает 0,2 г/(м2 · ч). Температура замерзания соляной кислоты при концентрации 7,7 % - минус 10 °С и концентрации 21,3 % - минус 60 °С.
Ингибированная соляная кислота, как и техническая, на воздухе дымит, образуя туман; который раздражает верхние дыхательные пути и слизистую оболочку глаз. Длительное воздействие паров соляной кислоты может вызвать катар верхних дыхательных путей и помутнение роговицы глаз. Предельно допустимая концентрация паров кислоты в рабочей зоне (ПДКр.з) 5 мг/м3. Кратковременное воздействие соляной кислоты на кожу не вызывает тяжелых ожогов, но длительное воздействие может привести к тяжелым химическим ожогам. Разбавленная 3 - 7 %-ная соляная кислота не дымит. Попавшую на кожные покровы и в глаза соляную кислоту необходимо немедленно смыть обильной струей воды, и пораженное место кожного покрова обработать 10 %-ным раствором бикарбоната натрия, а глаза 2 %-ным раствором бикарбоната натрия.
Индивидуальные средства защиты: грубошерстный костюм или хлопчатобумажный костюм с кислотостойкой пропиткой, резиновые сапоги, перчатки из кислотостойкой резины, защитные очки. При необходимости дополнительно применяется респиратор РПГ-67В или противогаз марки В.
Ингибированную соляную кислоту транспортируют в стальных негумированных железнодорожных цистернах, автоцистернах, контейнерах.
Соляную кислоту в стеклянных бутылях с деревянными обрешетками транспортируют в крытых железнодорожных вагонах или водным транспортом в три яруса без перестила. Соляную кислоту в стеклянных бутылях с ивовыми корзинами транспортируют в крытых железнодорожных вагонах в два яруса с устройством перекрытия (второго пола) между ярусами, в автомашинах - в один ярус.
Соляную кислоту в полиэтиленовых канистрах и бутылях транспортируют железнодорожным транспортом с перестилом между ярусами, в автомашинах - в один ярус.
Резервуары для длительного хранения ингибированной соляной кислоты должны быть футерованы диабазовой плиткой на кислотоупорной силикатной замазке.
Срок хранения ингибированной соляной кислоты в металлической таре с момента ее изготовления - не более 1 мес, после чего требуется дополнительное введение ингибитора.
Концентрированная серная кислота имеет плотность 1,84 г/см3 и содержит 98 % H2SO4. Температура замерзания серной кислоты при концентрации 4 % - минус 1 °С, концентрации 79 % - минус 28 °С, при концентрации 92 % - минус 25 °С. С водой смешивается в любых соотношениях с выделением большого количества тепла. Поэтому во избежание разбрызгивания при разбавлении необходимо кислоту вливать в воду, а не наоборот. При нагревании образуются пары серного ангидрида, которые, соединяясь с водяными парами воздуха, образуют кислотный туман; ПДКр.з равна 1 мг/м3.
Серная кислота очень опасна в обращении. Попадая на кожу, вызывает сильные ожоги, весьма болезненные и трудно поддающиеся лечению. При вдыхании паров серной кислоты раздражаются и повреждаются слизистые оболочки верхних дыхательных путей. Попадание крепкой серной кислоты и ее растворов в глаза грозит потерей зрения, поэтому при работе с серной кислотой необходимо соблюдать особую осторожность.
При попадании серной кислоты на кожу необходимо удалить ее сухой тканью или ватой, а затем промыть пораженное место большим количеством воды, обработать 10 %-ным раствором бикарбоната натрия и немедленно обратиться в медпункт. При попадании в глаза необходимо немедленно промыть обильной струей воды, обработать 2 %-ным раствором бикарбоната натрия и обратиться в медпункт.
Защитные средства при работе с серной кислотой те же, что и при работе с соляной.
Серная концентрированная кислота поступает и хранится неограниченно долгое время в стальных резервуарах. Емкость для хранения должна быть герметически закрыта.
Аммиак - бесцветный газ с характерным острым запахом. Применяемый на электростанциях аммиак поступает в виде водных растворов, содержащих 22 - 25 % аммиака, имеющих плотность 0,9 г/см3 при 25 °С, температуру замерзания - минус 50 °С. Водный раствор обладает сильными щелочными свойствами. Смесь аммиака с воздухом взрывоопасна. Пределы взрываемости в воздухе по объему: нижний - 15,5 %, верхний - 27 %.
Газообразный аммиак и его водные растворы могут вызвать отравление организма. Высокие концентрации вызывают обильное слезоточение и боль в глазах, удушье, сильные приступы кашля, головокружение, боли в желудке, рвоту, задержку мочи. Высокая концентрация аммиака может вызвать ожоги слизистой оболочки глаз и привести к слепоте. При небольших концентрациях - раздражение глаз и слизистой оболочки носа, чихание, слюнотечение, легкую тошноту, головную боль; ПДКр.з равна 20 мг/м3.
При поражении концентрированным раствором аммиака необходимо немедленно промыть пораженный участок кожи большим количеством воды, обработать 2 - 4 %-ным раствором уксусной или борной кислоты, а затем смазать вазелином. При попадании брызг концентрированного аммиака в глаза необходимо немедленно промыть их большим количеством воды, затем 2 %-ным раствором борной кислоты и обратиться в медпункт.
Индивидуальные средства защиты: хлопчатобумажный костюм, прорезиненный фартук, резиновые перчатки, защитные очки, фильтрующий противогаз марки К.
Водный раствор аммиака поступает в стальных резервуарах, стеклянных и полиэтиленовых бутылях, канистрах. Емкость для хранения должна быть герметически закрыта и иметь теплоизоляцию.
Едкий натр - белое, твердое, очень гигроскопичное вещество плотностью 2,13 г/см3, хорошо растворим в воде (52 % при 20 °С). Температура замерзания при концентрации 6 % - минус 5 °С, концентрации 41,8 % - 0 °С. Как твердое вещество, так и концентрированные его растворы вызывают очень сильные ожоги. Попадание щелочи в глаза может привести к тяжелым заболеваниям и даже потере зрения. ПДКр.з равна 0,5 мг/м3.
При попадании на кожу щелочи (в виде твердого вещества или концентрированных растворов) необходимо удалить ее сухой ватой или кусочком ткани и промыть пораженное место 3 %-ным раствором уксусной или борной кислоты. При попадании щелочи в глаза необходимо немедленно тщательно промыть их струей воды с последующей обработкой 2 %-ным раствором борной кислоты и немедленно обратиться в медпункт.
Спецодежда: хлопчатобумажный костюм, защитные очки, прорезиненный фартук, резиновые перчатки, резиновые сапоги.
Едкий натр в твердом кристаллическом виде привозят и хранят в стальных барабанах; в жидком виде (40 %) транспортируют и хранят в стальных емкостях.
Очищенный концентрат низкомолекулярных кислот (НМК) - жидкость светло-желтого цвета с запахом уксусной кислоты и ее гомологов. Содержание кислот С1 - С4 (муравьиной, уксусной, пропионовой, масляной) не менее 65 %. Очищенный концентрат НМК - горючий продукт с температурой самовоспламенения 425 °С. Основные средства пожаротушения: пенные, углекислотные огнетушители, песок, кошма - при загорании небольшого количества продукта, воздушно-механическая пена - при разливе продукта в большом количестве, химическая или воздушно-механическая пена высокой кратности - при загорании продукта в емкостях-хранилищах.
При попадании на кожу концентрат НМК и его более разбавленные растворы причиняют ожоги. Пары вызывают раздражение слизистой оболочки глаз и дыхательных путей. ПДКр.з равна 5 мг/м3 очищенного концентрата НМК в пересчете на уксусную кислоту.
Индивидуальные средства защиты и меры первой помощи те же, что и при работе с соляной кислотой, дополнительно - противогаз марки А.
Неингибированный очищенный концентрат НМК поставляется в железнодорожных цистернах и стальных бочках вместимостью 200 - 400 л. Емкость для транспортировки и хранения должны быть изготовлены из высоколегированных никелем сталей 1Х18Н10Т, 0,8Х22Н6Т или биметаллов (Ст3 + Х18Н10Т, Ст3 + Х17X13), а также из углеродистой стали и футерованные плиткой из атегмита АТМ-1 или диабазовой плиткой с использованием в качестве связывающего материала замазки «арзамит-5».
Нитрит натрия - белые, слегка желтоватые кристаллы. Температура плавления 271 °С, плотность 2,17 г/см3, при температуре более 320 °С разлагается, хорошо растворим в воде (81,8 г/100 г при 20 °С, 163 г/100 г при 100 °С). При подкислении растворов нитрита натрия происходит разложение его с образованием окислов азота. Окислы азота при вдыхании вызывают кашель, раздражение носоглотки и легких, способны накапливаться в организме. На воздухе кристаллический нитрит натрия и его растворы медленно окисляются до нитратов.
Индивидуальные средства защиты: респиратор, защитные очки, резиновые перчатки. По окончании работы необходимо тщательно вымыть руки и прополоскать полость рта.
Нитрит натрия поставляется в бумажных и полиэтиленовых мешках. Хранится в сухом помещении вдали от отопительных батарей и открытого огня.
Гидразин-гидрат - бесцветная жидкость с запахом, отдаленно напоминающим запах аммиака. Гидразин-гидрат содержит 64 % гидразина, поглощает из воздуха влагу, кислород, углекислоту. Он обладает сильными восстановительными свойствами, является слабым основанием. Гидразин-гидрат хорошо растворяется в воде и спирте, температура кипения 118,5 °С, температура замерзания минус 51,7 °С, плотность 1,03 г/см3, температура вспышки 73 °С.
Гидразин гидрат вступает во взаимодействие с кислородом, с повышением температуры скорость этой реакции увеличивается. Гидразин-гидрат нечувствителен к ударам, детонации, трению, однако способен разлагаться под действием катализаторов. При контакте с окислами металлов, асбестом или углем возможно самовозгорание. Гидразин-гидрат взрывоопасен, горюч. ПДКр.з равна 0,1 мг/м3.
Гидразин-гидрат токсичен. При остром отравлении вызывает поражение центральной нервной системы, ведущее к смертельному исходу.
Соединения гидразина вызывают изменения в печени и крови. Пары гидразин-гидрата и пыль его солей действуют на слизистую оболочку дыхательных путей. Воздействие растворов гидразин-гидрата на кожу (в зависимости от индивидуальной восприимчивости) может привести к дерматитам.
Индивидуальные средства защиты: противогаз марки КД, резиновые перчатки, прорезиненный фартук, резиновые сапоги.
При попадании капель гидразин-гидрата на кожу или в глаза его необходимо немедленно смыть большим количеством воды, затем обработать этиловым спиртом и обратиться в медпункт.
При проливании гидразин-гидрата на пол необходимо надеть противогаз, засыпать это место хлорной известью и смыть большим количеством воды.
Все лабораторные работы с гидразин-гидратом необходимо проводить в вытяжном шкафу.
Не допускается производить отбор проб гидразин-гидрата и его растворов засасыванием в пипетку ртом.
Концентрированные растворы (30 % и выше) гидразин-гидрата транспортируют и хранят в таре из алюминия (марки АД-1) или из стали 1Х18Н9Т. Разбавленные растворы можно перевозить и хранить в сосудах из углеродистой стали. Для предохранения гидразин-гидрата от окисления воздухом тара должна быть снабжена герметическим запорным устройством на прокладках из фторопласта, которое можно вскрывать лишь при заполнении реагентом или его сливе. При отсутствии частого обмена воздухом в таре концентрация гидразин-гидрата при длительном хранении практически не изменяется. Внутренняя поверхность тары должна быть чистой. Очищают ее тщательной промывкой горячей водой и пропариванием. При необходимости перед промывкой водой производят обезжиривание органическим растворителем, например бензином. После смыва гидразин-гидрата тару промывают водой до нейтральной реакции промывных вод по метиловому красному.
Хранят концентрированный гидразин-гидрат либо на открытых складах, либо на складах, оборудованных для хранения горючих материалов.
Этилендиаминтетрауксусная кислота (ЭДТК) и ее динатриевая соль (трилон Б) - порошкообразное вещество белого цвета. Растворимость в воде ЭДТК зависит от количества добавляемой щелочи:
|
Вещество |
Растворимость (г/л) при температуре, °С |
рН |
||
|
22 |
40 |
80 |
||
|
ЭДТК |
2 |
2 |
5 |
1,0 |
|
Однозамещенная соль ЭДТК |
14 |
14 |
21 |
3,5 |
|
Двухзамещенная соль ЭДТК (трилон Б) |
108 |
137 |
236 |
5,5 |
|
Трехзамещенная соль ЭДТК |
465 |
465 |
465 |
8,0 |
|
Четырехзамещенная соль ЭДТК |
600 |
590 |
610 |
10,5 |
Растворы трилона Б очень стойкие, не разлагаются при длительном кипячении.
Заметного физиологического воздействия на организм человека комплексоны не оказывают.
При загрузке реагентов необходимо применять респиратор, рукавицы, защитные очки.
ЭДТК и трилон Б поступают в бумажных мешках с полиэтиленовым вкладышем. Хранятся в закрытом сухом помещении.
Фталевый ангидрид - вещество белого цвета со слабым острым запахом, температура плавления 130,8 °С, кипения 254,5 °С. При растворении в воде образует фталевую кислоту. Растворимость в воде зависит от температуры и составляет при 20 °С - 0,5 %, при 60 °С - 4 %, при 90 °С - 10 % и при 98 °С - 18 %. Пары и пыль фталевого ангидрида оказывают сильное раздражающее действие на слизистую оболочку глаз и верхних дыхательных путей. Попадание фталевого ангидрида на кожу вызывает появление красных пятен, изредка пузырей, напоминающих пузыри при ожоге. ПДКр.з равна 1 мг/м3.
Меры первой помощи при попадании раствора фталевого ангидрида на кожу и в глаза те же, что и при работе с соляной кислотой. Индивидуальные средства защиты: респиратор, фильтрующий противогаз марки А, резиновые перчатки, прорезиненный фартук. По окончании работы необходимо тщательно вымыть руки.
Фталевый ангидрид поступает в бумажных мешках. Хранят в закрытом сухом помещении.
Лимонная кислота - в чистом виде бесцветные прозрачные кристаллы или белый порошок без запаха, хорошо растворяется в воде. Водная лимонная кислота плавится при температуре 70 - 75 °С, безводная - при 153 °С. Токсического воздействия на организм не оказывает.
Концентрированные водные растворы, особенно при повышенных температурах, вызывают химические ожоги.
Спецодежда и меры первой помощи такие же, как и при работе с соляной кислотой.
Лимонная кислота поставляется в виде сухого порошка в картонных и деревянных ящиках, бумажных, матерчатых или полиэтиленовых мешках, бочках. Хранится в сухом закрытом помещении. Маточный раствор транспортируется и хранится в емкостях из нержавеющей стали или гуммированных емкостях.
Уротропин - в чистом виде бесцветные гигроскопичные кристаллы. Технический продукт - белый порошок. Возгоняется с разложением при 230 - 270 °С, горюч, хорошо растворим в воде (81 % при 12 °С). В кислых растворах постепенно разлагается на аммиак и формальдегид.
Обезвоженный чистый продукт иногда именуется сухим спиртом. При попадании на кожу способен вызывать экземы с сильным зудом, быстро проходящие после прекращения работы.
Индивидуальные средства защиты: защитные очки, резиновые перчатки. При работе с уротропином необходимо строго соблюдать правила пожаробезопасности.
Поступает в бумажных мешках. Хранится в закрытом сухом помещении.
Ингибиторы ОП-7 и ОП-10 - вязкие жидкости желтого или желто-коричневого цвета, хорошо растворимые в воде. При встряхивании с водой образуют устойчивую пену, водные растворы их обладают высокой смачивающей способностью и нейтральной реакцией. При вдыхании аэрозоли этих веществ оказывают слабое раздражающее действие, при попадании в рот - вызывают резкое жжение. При попадании ингибиторов на кожу их необходимо смыть струей воды.
Индивидуальные средства защиты: защитные очки, резиновые перчатки, прорезиненный фартук.
Поступают в стальных бочках, могут храниться на открытом воздухе.
Каптакс - желтый горький порошок с неприятным запахом. Температура плавления 179 °С, плотность 1,42 г/см3. Каптакс не растворим в воде. Растворяется в спирте, ацетоне и щелочах. Растворение каптакса наиболее удобно производить в ОП-10, ОП-7, катапине КИ-1.
Длительное воздействие пыли каптакса вызывает головную боль, плохой сон и аппетит, одышку при ходьбе, ощущение горечи во рту, боли в подложечной области, попадание на кожу может вызвать дерматиты.
Индивидуальные средства защиты: респиратор, защитные очки, прорезиненный фартук, резиновые перчатки или силиконовый защитный крем.
По окончании работы следует тщательно вымыть руки и тело, прополоскать рот, вытряхнуть спецодежду.
Поступает в резиновых мешках с бумажными и полиэтиленовыми вкладышами.
Хранится в сухом, хорошо вентилируемом помещении.
Тиурам Д - порошок желтовато-серого цвета. Температура плавления 155 °С, плотность 1,29 г/см3. ПДКр.з равна 0,5 мг/м3.
Тиурам Е (тетраэтилтиурамдисульфид, антабус) - белые или желтоватые кристаллы. Температура плавления 70 °С, при 100 °С разлагается, при 100 °С плохо растворим в воде (0,2 мг/100 мл при 38 °С), растворяется в спирте.
Тиурам М - желтый кристаллический порошок, температура плавления 110 °С. При длительном хранении разлагается с образованием диметилдитиокарбаминовой кислоты.
Растворение тиурама Д, Е, М наиболее удобно производить в водных растворах ОП-7, ОП-10 или катапина.
Все разновидности тиурама являются токсическими веществами, вызывают раздражение дыхательных путей, кожи, желудочно-кишечного тракта. Обладают аллергенными свойствами.
Индивидуальные средства защиты: респиратор, резиновые перчатки, прорезиненный фартук.
При попадании пыли на кожу и в глаза - промыть водой и 2 %-ным раствором бикарбоната натрия. По окончании работы необходимо тщательно вымыть руки и прополоскать рот, вытряхнуть одежду.
Тиурам Д, Е, М поступает в резиновых мешках с бумажным и полиэтиленовым вкладышем. Хранится в сухом, хорошо вентилируемом помещении.
Катапин КИ-1 - прозрачная или слегка мутная жидкость от желтого до коричневого цвета, в которой возможно наличие осадка, растворимого при нагревании, плотность 1,14 г/см3. Горюч, невзрывоопасен, малотоксичен, растворяется в органических и неорганических кислотах, частично в воде. При попадании на кожу и слизистые оболочки может вызвать местные раздражения. При попадании на кожу его следует смыть 2 %-ным раствором бикарбоната натрия и затем водой.
Индивидуальные средства защиты: защитные очки, резиновые перчатки, прорезиненный фартук.
Катапин КИ-1 транспортируют в бочках вместимостью по 100 и 200 л.
Хранят в закрытых неотапливаемых помещениях, исключающих попадание влаги в продукт.
СОДЕРЖАНИЕ