Меню
Навигация
Novatika
Novatika
Первая линия

Методические указания по проектированию обессоливающих установок с сокращенными расходами реагентов и сокращенными стоками

Методические указания содержат исходные данные по проектированию обессоливающих установок с сокращенным расходом реагентов и сокращенными стоками. Даны теоретические основы предлагаемых схем, технико-экономическое сопоставление новой и традиционной технологий, а также примеры расчетов блоков обессиливания для различного типа вод.

Обозначение: РД 34.37.103
Название рус.: Методические указания по проектированию обессоливающих установок с сокращенными расходами реагентов и сокращенными стоками
Статус: действует
Дата актуализации текста: 05.05.2017
Дата добавления в базу: 01.09.2013
Дата введения в действие: 01.01.1986
Утвержден: 01.10.1985 Минэнерго СССР (USSR Minenergo )27.09.1985 Главниипроект (GlavNIIproject )
Опубликован: СПО Союзтехэнерго (1987 г. )
Ссылки для скачивания:

МИНИСТЕРСТВО ЭНЕРГЕТИКИ И ЭЛЕКТРИФИКАЦИИ СССР

ГЛАВНОЕ НАУЧНО-ТЕХНИЧЕСКОЕ
УПРАВЛЕНИЕ
ЭНЕРГЕТИКИ И ЭЛЕКТРИФИКАЦИИ

ГЛАВНОЕ УПРАВЛЕНИЕ
КАПИТАЛЬНОГО СТРОИТЕЛЬСТВА

 

 

 

 

МЕТОДИЧЕСКИЕ УКАЗАНИЯ
ПО ПРОЕКТИРОВАНИЮ
ОБЕССОЛИВАЮЩИХ УСТАНОВОК
С СОКРАЩЕННЫМИ
РАСХОДАМИ РЕАГЕНТОВ
И СОКРАЩЕННЫМИ СТОКАМИ

 

МУ 34-70-126-85

 

 

 

РАЗРАБОТАНО Всесоюзным Государственным научно-исследовательским и проектно-конструкторским институтом (ВНИПИэнергопром) совместно с Азербайджанским инженерно-строительным институтом (АзИСИ)

ИСПОЛНИТЕЛИ Э.Н. ГОУФМАН, Т.Ф. БЫСТРОВА, В.А. ОБРАЗЦОВА, М.И. ИЗМАЙЛОВ (ВНИПИэнергопром), Г.К. ФЕЙЗИЕВ, А.М. КУЛИЕВ, М.Ф. ДЖАЛИЛОВ, Э.А. САФИЕВ (АзИСИ)

УТВЕРЖДЕНО Главным техническим управлением по эксплуатации энергосистем 01.10.85 г.

Заместитель начальника Д.Я. ШАМАРАКОВ

ГлавНИИпроектом 27.09.85 г.

Главный инженер Г.И. ШИРИН

 

ОГЛАВЛЕНИЕ

Введение

1. Теоретические основы предлагаемых схем

1.1. Анализ и выявление путей повышения эффективности процесса Н-катионирования

1.2. Влияние вида обмениваемых ионов на процесс регенерации Н-катионитных фильтров

1.3. Анализ и выявление путей повышения эффективности процессов анионирования при химобессоливании воды

2. Схемы предварительного умягчения воды

2.1. Обработка воды содоизвесткованием

2.2. Обработка воды едким натром и известью

2.3. Обработка воды известкованием с коагуляцией

3. Схемы химического обессоливания воды с сокращенными расходами реагентов

3.1. Схемы химического обессоливания воды с предварительным содоизвесткованием и умягчением

3.2. Схемы химического обессоливания воды с предварительным известкованием и коагуляцией воды

3.3. Схемы химического обессоливания воды с использованием импортных ионитов

4. Технико-экономическая оценка традиционной и новой технологии химического обессоливания

5. Рекомендации по проектированию установок химобессоливания с сокращенными расходами реагентов и сокращенными стоками

6. Примеры расчетов химобессоливающих установок

6.1. Расчет предвключенного водород-катионитного фильтра

6.2. Расчет блоков химобессоливания с предварительным содоизвесткованием воды

6.3. Расчет блоков обессоливания с предварительным известкованием воды

Приложение 1 Условные обозначения

Приложение 2 Качество исходной воды и воды перед химобессоливанием

Приложение 3 Сводка технологических показателей блока химобессоливания при обработке исходных вод различных рек

Список использованной литературы

 

 

 

МЕТОДИЧЕСКИЕ УКАЗАНИЯ ПО
ПРОЕЦИРОВАНИЮ ОБЕССОЛИВАЮЩИХ
УСТАНОВОК С СОКРАЩЕННЫУИ РАСХОДАМИ
РЕАГЕНТОВ И СОКРАЩЕННЫМИ СТОКАМИ

МУ 34-70-126-85

 

Срок действия установлен
с 01.01.86 г.
до 01.01.93 г.

 

Методические указания содержат исходные данные по проектированию обессоливающих установок с сокращенным расходом реагентов и сокращенными стоками. Даны теоретические основы предлагаемых схем, технико-экономическое сопоставление новой и традиционной технологий, а также примеры расчетов блоков обессиливания для различного типа вод.

Представлены схемы предварительного умягчения воды с утилизацией стоков. В качестве предочистки рассматриваются содоизвесткование и известкование с коагуляцией.

Методические указания могут быть использованы соответствующими проектными и эксплуатационными организациями и предприятиями.

ВВЕДЕНИЕ

Высокие требования к охране окружающей среды и необходимость повышения эффективности работы водоподготовительных установок заставляют заново пересматривать существующие схемы химического обессоливания (химобессоливания) воды на ТЭС в целях их совершенствования. На основании теоретических и экспериментальных исследований, проведенных на кафедре теплоснабжения и теплотехники АзИСИ, разработаны совместно с ВНИПИэнергопромом новые технологические схемы умягчения воды с утилизацией засоленных стоков, а также химобессоливания воды с близкими к стехиометрическим расходам реагентов на регенерацию и сокращенными стоками.

Указанные разработки создают наиболее приемлемые условия для быстрого перехода к безотходным технологиям в области водоподготовки, поскольку базируются на применении широко распространенного стандартного оборудования с небольшим изменением его конструкции.

Существующие схемы обессоливания воды характеризуются значительными избытками реагентов (при низких степенях использования обменных емкостей ионитов), сложной и дорогой обработкой жестких регенёрационных стоков.

К существенным преимуществам разработанных схем химобессоливания относится: снижение расхода реагентов до значений, близких к стехиометрическим, и одновременное повышение используемых обменных емкостей ионитов. Кроме того, согласно новым разработкам, отсутствует необходимость в сложных "хвостовых" установках, поскольку отработавшие регенерационные растворы ионитных фильтров представляют собой нейтральные умягченные воды, которые в зависимости от конкретных условий, могут быть направлены в закрытую систему теплоснабжения или без дополнительной обработки выпарены в серийно выпускаемых поверхностных испарителях с получением сухих солей натрия и утилизацией выпара.

Химобессоливающая установка с сокращенными нейтральными стоками впервые внедрена на Али-Байрамлинской ГРЭС в 1979 г.

Аналогичные схемы химобессоливания разработаны для ряда ТЭЦ Мосэнерго. Так, с августа 1982 г. проведено внедрение одной из схем на пятом блоке, а с 1984 г. на шестом блоке фильтров ТЭЦ-21 Мосэнерго (совместная работа ВНИПИэнергопрома, АзИСИ, Мосэнерго, Союзтехэнерго), с 1982 г. работает химобессоливающая установка на ТЭЦ Горьковского автозавода.

1. ТЕОРЕТИЧЕСКИЕ ОСНОВЫ ПРЕДЛАГАЕМЫХ СХЕМ

1.1. Анализ и выявление путей повышения эффективности
процесса
Н-катионирования

В схемах химобессоливания, применяемых в настоящее время, при регенерации Н-катионитных фильтров 1 - 2 %-ной серной кислотой используется в среднем одна треть полных обменных емкостей катионитов, несмотря на то, что кратность расхода кислоты на регенерацию составляет обычно 2 - 3 г×экв/г×экв. Указанное относится главным образом к первой ступени Н-катионирования, где осуществляется поглощение основной массы катионов обрабатываемых вод.

В целях выявления влияния различных факторов на процесс Н-катионирования был проведен ряд теоретических и экспериментальных исследований [l - 3]. На основании полученных данных установлено, что повышение эффективности процесса Н-катионирования может быть достигнуто путем изыскания необходимых условий регенерации. В этих целях было проанализировано и исследовано влияние концентрации и типа кислоты, расхода реагента, скорости и способа его пропускания через фильтр и других факторов.

Повышение используемой обменной емкости катионитов за счет увеличения концентрации серной кислоты при регенерации Н-катионитных фильтров в существующих схемах ограничено опасностью "гипсования" катионита. Применение ступенчатой регенерации с постепенным повышением концентрации серной кислоты до 5 - 7 % приводит к усложнению технологии и позволяет повысить используемую обменную емкость катионита КУ-2 лишь на 35 - 40 % по сравнению с регенерацией 1 %-ным раствором (при этом используемая обменная емкость катионита при кратности расхода кислоты на регенерацию 2 - 3 г×экв/г×экв составляет не более 35 % полной обменной емкости).

Повышение расхода реагента в существующих схемах также не может быть признано эффективным, так как приводит к увеличению эксплуатационных затрат и количества агрессивных стоков, но мало сказывается на восстановлении сильнокислотных катионитов. Исследованиями установлено, что повышение кратности расхода кислоты от 3 до 6 г×экв/г×экв увеличивает используемую емкость в среднем на 15 - 20 %.

Повышение эффективности регенерации путем снижения скорости подачи регенерационного раствора серной кислоты также ограничено в существующих схемах опасностью "гипсования" катионита.

Эффективность процесса Н-катионирования повышается при использовании для регенерации соляной кислоты. Однако применение соляной кислоты в существующих схемах не позволяет устранить наличие жестких регенерационных стоков.

Известно, что прогрессивный по своей сути принцип противотока применительно к существующей конструкции Н-катионитных фильтров не дает значительного положительного эффекта по увеличению обменной емкости и приводит к усложнению конструкции и эксплуатации фильтров. Указанное подтверждается данными [4, 5], из которых следует, что удельные расходы кислоты, а также обменные емкости катионитов при прямоточном и противоточном Н-катионировании на существующих конструкциях фильтров различаются не более чем на 20 %.

Применительно к слабокислотным и полифункциональным катионитам повышение эффективности процесса Н-катионирования связано с особенностью сорбции на них и зависит главным образом от стадии обработки воды и в меньшей степени от стадии регенерации фильтров.

Основной предпосылкой предложенных ниже схем явились результаты исследования влияния типа улавливаемых ионов на процесс регенерации катионита.

1.2. Влияние вида обмениваемых ионов
на процесс регенерации
Н-катионитных фильтров

Согласно теоретическим расчетам [6] для полной регенерации катионита, находящегося в Ca- и Mg-форме, требуемый расход серной или соляной кислоты примерно в 10 раз больше, чем при обмене одновалентных ионов; для полной регенерации катионита, находящегося в Na-форме, необходимый расход кислоты должен превышать теоретический только в 1,2 раза.

Указанное подтверждается результатами экспериментальных исследований регенерируемости катионита КУ-2-8 из различных ионных форм, представленными на рис. 1.

Описание: рис1

Рис. 1. Обменная емкость катионита
КУ-2-8 в различной ионной форме:

1 и 2 - емкость катионита в кальцевой форме;
3 и 4 - емкость катионита в натриевой форме

Из экспериментальных данных, представленных на рис. 1, следует, что если катионит находится в кальциевой форме, то при двукратной расходе серной или соляной кислоты обменная емкость катионита КУ-2-8 составляет соответственно 400 и 700 г×экв/м3 (кривые 1, 2), в то время как даже при 1,2-кратном расходе серной или соляной кислоты обменная емкость катионита КУ-2-8, находящегося в натриевой форме, составляет соответственно 1100 и 1600 г×экв/м3 (кривые 3, 4).

Таким образом, на основе всестороннего исследования установлено, что для резкого снижения расхода кислоты (вплоть до стехиометрического количества) и одновременно для существенного повышения обменной емкости катионитов, последние перед подачей в них растворов кислоты должны находиться в натриевой форме.

Однако следует отметить, что несмотря на то, что при Н-катионировании воды, содержащей только соли натрия, обменная емкость катионитов получается достаточно высокой, этот показатель сам по себе не позволяет сделать окончательного вывода о целесообразности процесса обмена только на ионы натрия. Необходимо было исследование вопроса получения требуемой глубины обработки воды, поскольку это связано с необходимостью высокой степени регенерации катионитов. На основании теоретических исследований установлено, что для получения приемлемых значений остаточного содержания натрия в фильтрате, требуемых при обессоливают воды, степень регенерации выходных слоев катионита должна составлять более 99 %, т.е. необходима полная регенерация этих слоев катионита. Поэтому при Н-катионировании пресных вод необходимо применять такие схемы и конструкции ионитных фильтров, которые при стехиометрическом расходе кислоты позволяют получить требуемую степень регенерации выходных слоев катионита, и тем самым обеспечивать высокое качество фильтрата [2, 3].

Указанным условиям соответствует применение противоточного принципа ионирования. Исследования показали, что наиболее эффективное ионирование достигается путем применения двухпоточно-противоточной технологии [7].

1.3. Анализ и выявление путей повышения эффективности процессов анионирования при химобессоливании воды

Необходимым условием повышения эффективности метода химобессоливания является одновременное снижение удельных расходов кислоты на регенерацию Н-катионитных фильтров и щелочи для регенерации анионитных фильтров до стехиометрических значений.

Исследованием установлено, что при рациональной организации процессов регенерации и анионирования воды имеется возможность снизить расход едкого натра до стехиометрического значения и получить при этом достаточно высокие обменные емкости анионитов (рис. 2) [2, 8].

Описание: рис2

Рис. 2. Обменная емкость слабоосновного и сильноосновного анионита:

1, 2 - емкость слабоосновного анионита в зависимости от кратности расхода щелочи на регенерата) соответственно по SO4- иону и по Cℓ- иону; 3, 4 - емкость сильноосновного анионита в зависимости от кратности расхода щелочи на регенерацию соответственно по SO4-иону и по Cℓ- иону; 5 - емкость слабоосновного анионита в зависимости от суммы анионов сильных кислот Σ (SO4 + Cℓ)

Большое значение для снижения расхода едкого натра имеет выбор способа регенерации при анионировании, а именно, использование противоточного принципа. Однако осуществление этого принципа на обычных противоточных фильтрах имеет ряд серьезных недостатков, в соответствии с чем необходимо применение противоточных фильтров особой конструкции [2]. Этому в наибольшей степени соответствуют двухпоточно-противоточные фильтры [7].

Исследования показали, что слабоосновные аниониты, в частности, АН-31, обладают хорошей регенерируемостью, хотя при этом фронт выходной кривой при обработке у них растянут, в особенности при старении анионитов. Сильноосновные аниониты типа AB-17, напротив, имеют крутой выходной фронт, но обладают плохой регенерируемостью. С учетом этих свойств наиболее целесообразным для повышения эффективности анионирования является сочетание указанных анионитов в двухпоточно-противоточной схеме, что позволяет повысить используемые обменные емкости анионитов, в особенности, АН-31. Согласно такой схеме проскочившие после низкоосновного анионита ионы хлора в процессе обработки будут задержаны в высокоосновном анионите [2, 8].

Другим путем снижения расхода щелочи на регенерацию анионитных фильтров, предусматривающим возможность использования фильтров любой конструкции, в том числе и прямоточных, является разработанный в АзИСИ метод так называемой "развитой" регенерации [9]. Суть предложения сводится к регенерации в две стадии: сначала щелочной частью отработавшего раствора предыдущей регенерации, а затем свежей щелочью. При этом расход свежей щелочи равен стехиометрическому значению, а требуемая для условий прямотока кратность расхода реагента достигается за счет рециркуляции щелочной части отработавшего раствора.

Указанными мероприятиями применительно к процессу анионирования достигается высокая степень регенерации выходных слоев ионитов и повышение их обменной емкости при расходах щелочи, близких к стехиометрическим значениям.

Таким образом, в результате теоретических и экспериментальных исследований установлено, что в целях снижения расходов реагентов на регенерации ионитных фильтров до стехиометрических значений и повышения используемых обменных емкостей ионитов необходимыми условиями являются подача на химобессоливание предварительно умягченной воды, рациональное использование принципа противотока и "развитая" регенерация ионитных фильтров. При этом взамен агрессивных (кислых) и жестких стоков, имеющих место в обычных схемах химобессоливания, в качестве отходов процесса будут получены нейтральные натриевые соли [9].

Преимуществом применения двухпоточно-противоточных фильтров является еще и возможность получения на них при той же скорости потока двойной производительности. Особенно важно это для фильтров, загруженных анионитом АН-31, так как допустимая для этого анионита скорость 20 м/ч является основным фактором, ограничивающим производительность блока фильтров ("цепочек") [7].

2. СХЕМЫ ПРЕДВАРИТЕЛЬНОГО УМЯГЧЕНИЯ ВОДЫ

В соответствии с изложенным на обессоливающую установку подается умягченная вода, обработанная по одной из схем, представленных ниже.

2.1. Обработка воды содоизвесткованием

На электростанциях с открытой системой теплоснабжения согласно схеме рис. 3 вода подвергается содоизвесткованию и коагуляции в осветлителе и собирается в бак осветленной воды, откуда насосами подается на механический фильтр (на схеме не показан) и далее сверху и снизу на двухпоточно-противоточный водород-катионитный фильтр, глубокоумягченная вода отбирается из средней дренажной системы. Однако механический фильтр может не устанавливаться, так как его функции успешно выполняет прямоточный механический водород-катионитный фильтр (МН-фильтр), о чем свидетельствует положительный опыт работы установок химобессоливания Али-Байрамлинской ГРЭС и ТЭЦ Горьковского автомобильного завода.

Описание: рис3

Рис. 3. Схема умягчения с утилизацией стоков
(ТЭЦ с открытой системой водоснабжения):

1 - осветлитель обессоливающей установки; 2 - бак осветленной воды;
3 - насос осветленной воды; 4 - двухпоточно-противоточный водород-катионитный фильтр;
5 - бак отработавшего раствора кислоты и взрыхляющих вод обессоливающей установки;
6 - насос перекачки отработавших вод в осветлитель; 7 - декарбонизатор;
8 - бак декарбонизированной воды; 9 - насос декарбонизированной воды;
10 - исходная вода; 11 - умягченная вода на обессоливание;
12 - взрыхляющие воды обессоливающей установки; 13 - раствор кислоты;
14 - шлем; 15 - растворы соды, извести и коагулянта

Водород-катионитный МН-фильтр регенерируется стехиометрическим количеством кислоты; отработавший раствор собирается в бак отработавшего раствора и равномерно откачивается в осветлитель [10], МН-фильтр не включается в состав блока обессоливания, а работает самостоятельно на коллектор умягченной воды.

Для рекомендуемых ниже схем обессоливания процесс в осветлителе следует вести без избытков соды и извести (ИС и ИИ равны нулю; допускается колебание значений их избытков + 0,1 мг×экв/кг); доза коагулянта DK принята равной 0,4 мг×экв/кг. (Принятые условные обозначения приведены в приложении 1).

Остаточная жесткость содоизвесткованной воды принята равной

 мг×экв/кг

Остаточная щелочность содоизвесткованной воды:

 мг×экв/кг;

где  мг×экв/кг;

 мг×экв/кг.

При наличии закрытой системы теплоснабжения (рис. 4) отработавшие растворы водород-катионитного фильтра направляются в осветлитель подпиточной воды теплосети для совместной обработки с исходной водой, если при этом не увеличивается солесодержание обработанной воды. В противном случае сбросные воды обрабатываются в отдельном осветлителе.

Описание: рис4

Рис.4. Схема умягчения с утилизацией стоков
(ТЭЦ с закрытой системой водоснабжения):

1 - осветлитель обессоливающей установки; 2 - бак осветленной вода;
3 - насос осветленной вода; 4 - двухпоточно-противоточный водород-катионитный фильтр;
5 - бак сбора отработавшего раствора; 6 - насос перекачки отработавшего раствора в осветлитель;
7 - декарбонизатор; 8 - бак декарбонизированной вода; 9 - насос декарбонизированной воды;
10 - осветлитель подпитки теплосети; 10 - бак осветленной вода подпитки теплосети;
12 - исходная вода; 13 - умягченная вода на обессоливание;
14 - осветленная вода на установку теплосети; 15 - шлам;
16 - растворы извести, сода и коагулянта

Доза соды для смеси исходной воды со стоками Н- или МН-фильтров:

 мг×экв/кг.

Концентрация анионов сильных кислот в осветленной воде:

 г×экв/кг.

2.2. Обработка воды едким натром и известью

Содоизвесткование можно заменить обработкой воды едким натром с известью.

Как показали расчеты, а также результаты эксплуатации, общий расход едкого натра на предочистку и обессоливание воды по новой технологии меньше, чем на обессоливание по традиционной схеме.

Доза щелочи для смеси исходной воды со стоками Н- или -фильтров определяется аналогично дозе сода.

В тех случаях, когда стоки Н- или МН-фильтров обрабатываются совместно с исходной водой содоизвесткованием или известью с едким натром целесообразно осуществлять осаждение основной части солей жесткости из отработавших регенерационных растворов перед подачей их в осветлитель (рис. 5). При этом уменьшается расход не только соды или едкого натра, но и кислоты и щелочи для регенерации фильтров обессоливающей установки.

Описание: рис5

Рис. 5. Схема осаждения солей жесткости
из отработавшего раствора:

1 - осветлитель обессоливающей установки; 2 - бак осветленной воды;
3 - насос осветленной воды; 4 - двухпоточно-противоточный водород-катионитный фильтр;
5 - бак сбора отработавшего раствора; 6 - насос подачи отработавшего раствора в сатуратор;
7 - декарбонизатор; 8 - бак декарбонизированной воды; 9 - насос декарбонизированной воды;
10 - сатуратор; 11 - исходная вода; 12 - умягченная вода; 13 - шлам;
14 - растворы извести, соды и коагулянта

Исследованиями, проведенными в АзИСИ, установлено, что процесс осаждения солей жесткости целесообразно организовать в аппаратах (сатураторах, осветлителях, баках с коническим днищем) путем пропуска отработавшего растворе снизу вверх со скоростью 1,0 - 1,5 м/ч через 5 - 15 %-ный раствор суспензии извести.

Тогда дозу соды или щелочи для обработки смеси исходной воды со стоками Н- или -фильтров следует определять по формуле

 мг×экв/кг,

где b - доля осаждения солей жесткости из отработавших растворов перед подачей их в осветлитель.

Для отработавших регенерационных растворов Н- или МН-фильтров b = 0,7 ÷ 0,8.

2.3. Обработка воды известкованием с коагуляцией

В тех случаях, когда сбросные воды обессоливающей установки могут быть направлены на очистные сооружения города или промпредприятия в качестве предочистки перед обессиливанием применяется S известкование с коагуляцией.

3. СХЕМЫ ХИМИЧЕСКОГО ОБЕССОЛИВАНИЯ ВОДЫ
С СОКРАЩЕННЫМИ РАСХОДАМИ РЕАГЕНТОВ

3.1. Схемы химического обессоливания воды
с предварительным содоизвесткованием и умягчением

В рассмотренных схемах на обессоливание поступает вода, прошедшая предварительное содоизвесткование и коагуляцию в осветлителях, а также умягчение на водород-катионитных фильтрах и декарбонизацию.

В зависимости от состава воды могут быть применены схемы обессоливания, представленные на рис. 6 - 10.

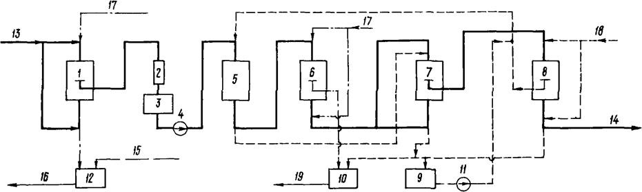
3.1.1. По схеме, представленной на рис. 6, рекомендуется обрабатывать воду с содержанием анионов сильных кислот АСК = 4 ÷ 10 мг×экв/кг.


Описание: рис6

Рис. 6. Схема химического обессоливания для вод с содержанием анионов сильных кислот
АСК = 4 ÷ 10 мг×экв/кг (с предварительным содоизвесткованием):

1 - двухпоточно-противоточный МН-фильтр; 2 - предвключенный прямоточный анионитный фильтр;
3 - двухпоточно-ступенчато-противоточный катионитный фильтр I ступени;
4 - двухпоточно-ступенчато-противоточный катионитный фильтр II ступени;
5 - декарбонизатор; 6 - бак декарбонизированной воды; 7 - насос декарбонизированной воды;
8 - двухпоточно-ступенчато-противоточный анионитный фильтр I ступени;
9 - двухпоточно-ступенчато-противоточный анионитный фильтр II ступени; 10 - прямоточный катионитный фильтр;
11 - бак нейтральных сбросных вод; 12 - бак отработавших щелочных вод; 13 - насос отработавших сбросных вод;
14 - бак сбора взрыхляющих вод и регенерационных вод МН-фильтров; 15 - содоизвесткованная вода;
16 - обессоленная вода; 17 - взрыхляющие воды; 18 - в осветлитель обессоливающей установки;
19 - раствор кислоты; 20 - раствор щелочи; 21 - сбросные воды на испаритель


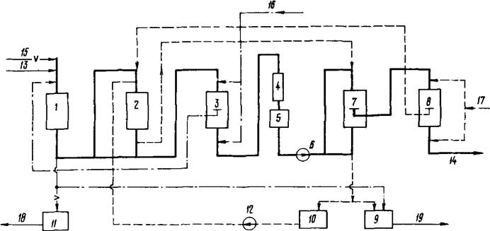
Блок обессоливания включает: предвключенный прямоточный анионитный фильтр (AB-17), двухпоточно-ступенчато-противоточные катионитные фильтры (СУ и КУ-2-8), декарбонизатор, двухпоточно-ступенчато-противоточные анионитные фильтры (AH-31 и AB-17).

В соответствии со схемой на предвключенный анионитный фильтр (Ап) подается умягченная вода со средней нулевой щелочностью при работе группы МН-фильтров на общий коллектор (см. п. 6.1).

Из условия создания благоприятных условий работы катионитных сульфоугольных фильтров необходимо обеспечить у обрабатываемой воды рН = 8,0 ÷ 9,5. Поэтому через Ап-фильтр пропускается примерно половина потока воды, а после смешения с остальной частью умягченной воды весь поток (с рН = 8 ÷ 9,5) направляется на двухпоточно-ступенчато-противоточные катионитные фильтры (Ндсп).

Другим фактором, обеспечивающим необходимый рН воды, поступающей на сульфоугольные фильтры, является наличие в умягченной воде углекислоты, которая также будет способствовать снижению рН воды после предвключенного анионитного фильтра.

Высота расположения средней дренажной системы во всех катионитных фильтрах одинакова и составляет 1,5 м, а высота загрузки ионита различна. Это отличие объясняется следующим образом: после регенерации катионитных фильтров ионы натрия в корпусе  остаются в выходных слоях по ходу регенерационного раствора, т.е. в данном случае - в области средней дренажной системы.

Для того чтобы в процессе фильтрации проскок ионов натрия, оставшихся после регенерации не наступил раньше, чем ионов натрия, поступающих с исходной водой, слой ионита над средней дренажной системой в корпусе  должен быть небольшим. По исследованиям АзИСИ, оптимальная высота слоя катионита над средней дренажной системой составляет 0,4 - 0,5 м.

В этом случае фронт движения ионов натрия, поступающих с исходной водой, будет опережать фронт движения ионов натрия, оставшихся в фильтре после регенерации.

Чтобы получить высокую обменную емкость катионита КУ-2-8 (см. рис. 1) высота слоя катионита в обоих корпусах ( и ) должна быть достаточной для обеспечения кратности расхода кислоты на регенерацию катионита КУ-2-8 - ³ 1,3 г×экв/г×экв, т.е.

Например, при  = 2,5 м,  = 2,0 м и одинаковых диаметрах фильтров; из условий надежности принимаем ЕКУ-2-8 = 1100 г×экв/м3 (по лабораторном данным, рис. 1 ЕКУ-2-8 = 1250 г×экв/м3).

Направление движения регенерационного раствора кислоты обусловлено необходимостью обеспечения высококачественного фильтрата, т.е. хорошей регенерацией выходных слоев катионита. Поскольку регенерационный раствор подается со второго корпуса () на первый (), направление движения его в первом корпусе может быть только сверху вниз из-за опасности забивания щелей нижней дренажной системы мелкими фракциями катионита КУ-2-8. Во втором корпусе подача раствора осуществляется двумя потоками - сверху и снизу.

Анионитные фильтры регенерируются по схеме "развитой" регенерации: отработавший щелочной раствор из бака его сбора подается последовательно сверху вниз на предвключенный анионитный фильтр и далее на . После этого регенерация анионитов продолжается свежим раствором щелочи, который подается по двухпоточно-противоточной схеме на второй корпус , затем на Ап и .

Нейтральная часть отработавшего раствора собирается в бак нейтральных сбросных вод, щелочная часть - в бак отработавших щелочных вод.

Вследствие старения аммонита, либо проскока ионов натрия (NaОСТ = 0,1 ÷ 0,2 мг×экв/кг) несколько возрастает щелочность в обессоленной воде. Поэтому для вод с содержанием анионов сильных кислот около 10 мг×экв/кг и при большом добавке обессоленной воды в питательную после анионитных фильтров требуется дополнительная обработка воды на прямоточном водород-катионитном фильтре. Фильтр загружается катионитом КУ-2-8 и работает самостоятельно в "голодном" режиме регенерации.

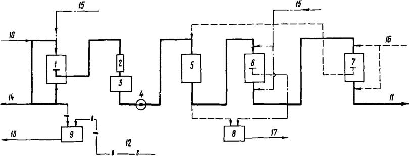
3.1.2. На рис. 7 представлена схема для обработки воды с содержанием анионов сильных кислот АСК = 2 ÷ 4 мг×экв/кг.

Блок обессоливания включает: предвключенный анионитный фильтр (AB-17), двухпоточно-противоточный катионитный фильтр (КУ-2-8), двухпоточно-ступенчато-противоточные анионитные фильтры (AH-31 и AB-17).

Для регенерации катионита КУ-2-8 кратность расхода кислоты принята 1,05 - 1,10 г×экв/г×экв, тогда обменная емкость составит 800 г×экв/м3 (см. рис. 1).

Анионитные фильтры регенерируются по схеме "развитой" регенерации с кратностью расхода щелочи, равной 1,05 - 1,10 г×экв/г×экв.


Описание: рис7

Рис. 7. Схема химического обессоливания для вод с содержанием анионов
сильных кислот АСК = 2 ÷ 4 мг×экв/кг (с предварительным содоизвесткованием):

1 - двухпоточно-противоточный МН-фильтр; 2 - декарбонизатор; 3 - бак декарбонизированной воды;
4 - насос декарбонизированной воды; 5 - предвключенный анионитный фильтр;
6 - двухпоточно-противоточный катионитный фильтр; 7 - двухпоточно-ступенчато-противоточный анионитный фильтр I ступени;
8 - двухпоточно-ступенчато-противоточный анионитный фильтр II
ступени; 9 -бак отработавшего щелочного раствора;
10 - бак мягких сбросных вод; 11 - насос отработавшего раствора; 12 - бак сбора взрыхляющих и регенерационных вод МН-фильтров;
13 - содоизвесткованная вода; 14 - обессоленная вода; 15 - взрыхляющие воды; 16 - в осветлитель обессоливающей установки;
17 - раствор кислоты; 18 - раствор щелочи; 19 - сбросные воды в испаритель


3.1.3. Для вод с содержанием анионов сильных кислот АСК < 2 мг×экв/кг рекомендуется обработка по схеме, представленной на рис. 8.

Блок обессоливания включает: предвключенный анионитный фильтр (AB-17), двухпоточно-противоточный катионитный фильтр (КУ-2-8) и двухпоточно-противоточный анионитный фильтр (AB-17).

Так как анионирование воды предусматривается только на сильноосновном анионите, необходимая кратность расхода щелочи на регенерацию равна 1,5 г×экв/г×экв. Для обеспечения нейтральной среды в сбросных водах обессоливающей установки для регенерации катионитного фильтра принимается аналогичная кратность расхода кислоты. Обменная емкость катионита при этом получается не менее 1200 г×экв/м3.

Если избыточные щелочные воды могут быть использованы в цикле ТЭЦ, расход кислоты снижается до стехиометрического.

Таким образом, данная схема отличается от предыдущих отсутствием стехиометрических расходов реагентов на регенерацию (кратность расхода реагентов составляет 1,5 г×экв/г×экв), а также необходимостью подачи регенерационного раствора щелочи концентрацией 8 - 10 %.


Описание: рис8

Рис. 8. Схема химического обессоливания для вод с содержанием анионов
сильных кислот АСК < 2 мг×экв/кг (с предварительным содоизвесткованием):

1 - двухпоточно-противоточный МН-фильтр; 2 - декарбонизатор; 3 - бак декарбонизированной волы;
4 - насос декарбонизированной воды; 5 - предвключенный прямоточный анионитный фильтр;
6 - двухпоточно-противоточный катионитный фильтр; 7 - двухпоточно-противоточный анионитный фильтр;
8 - бак сбросных вод ионитных фильтров; 9 - бак сбора взрыхляющих вод;
10 - содоизвесткованная вода; 11 - обессоленная вода; 12 - взрыхляющие воды;
13 - сбросные воды в осветлитель; 14 - регенерационные воды МН-фильтров на очистные сооружения;
15 - раствор кислоты; 16 - раствор щелочи; 17 - в испаритель


3.1.4. По схеме, представленной на рис. 9, рекомендуется обрабатывать воду с содержанием анионов сильных кислот АСК = 2 ÷ 4 мг×экв/кг при регенерации катионита раствором соляной кислоты.

Блок обессоливания включает: двухпоточно-противоточный водород-катионитный фильтр Ндп (КУ-2-8), двухпоточно-ступенчато-противоточную ступень анионирования  и  (АН-31 и AB-17).

При необходимости глубокого обессоливания воды дополнительно устанавливается прямоточный водород-катионитный фильтр, работающий в режиме "голодной" регенерации. Особенностью схемы является использование минимального числа фильтров для получения обессоленной воды из исходной воды средней минерализации за счет применения соляной кислоты для регенерации катионитного фильтра.


Описание: рис9

Рис. 9. Схема химического обессоливания для вод с содержанием анионов сильных кислот
АСК = 2 ÷ 5 мг×экв/кг (при использовании соляной кислоты с предварительным содоизвесткованием):

1 - двухпоточно-противоточный МН-фильтр; 2 - декарбонизатор; 3 - бак декарбонизированной воды; 4 - насос декарбонизированной воды;
5 - двухпоточно-противоточный катионитный фильтр; 6- двухпоточно-ступенчато-противоточный анионитный фильтр I ступени;
7 - двухпоточно-ступенчато-противоточный анионитный фильтр II ступени; 8 - бак нейтральных сбросных вод; 9 - бак отработавшего щелочного раствора;
10 - насос отработавшего раствора; 11 - бак сбора взрыхляющих и регенерационных вод МН-фильтра; 12 - содоизвесткованная вода;
13 - обессоленная вода; 14 - взрыхляющие воды; 15 - подача вод в осветлитель; 16 - раствор соляной кислоты;
17 -раствор щелочи; 18 - подача сбросных вод в испаритель


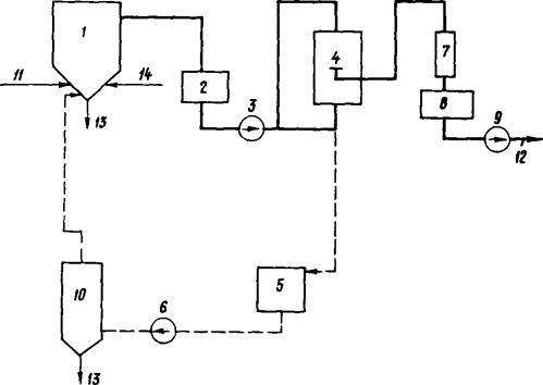
3.2. Схемы химического обессоливания воды с предварительным известкованием и коагуляцией воды

В тех случаях, когда на обессоливающую установку поступает известкованно-коагулированная вода, рекомендуется схемы, представленные на рис. 10 - 12.

Как было сказано выше, для обеспечения высокой обменной емкости, катионит перед регенерацией должен находиться в натриевой форме. Поэтому на катионитные фильтры первой ступени сначала подается 8 - 10 %-ный раствор соли, затем производится отмывка от солей жесткости и регенерация катионита серной кислотой. Жесткие сбросные воды собираются в бак и после перемешивания направляются на очистные сооружения. Анионитные фильтры, как и в предыдущих схемах, регенерируются по схеме "развитой" регенерации.

3.2.1. По схеме, представленной на рис. 10, рекомендуется обрабатывать воду с содержанием анионов сильных кислот АСК = 5 ÷ 10 мг×экв/кг.

Блок обессоливания включает: предвключенный прямоточный катионитный фильтр Нп (КУ-2-8), предвключенный анионитный фильтр Ап (AB-17), двухпоточно-противоточный катионитный фильтр первой ступени  (КУ-2-8), декарбонизатор, двухпоточно-противоточный анионитный фильтр первой ступени  (AH-31), прямоточный катионитный фильтр второй ступени  (СУ), двухпоточно-противоточный анионитный фильтр второй ступени  (AB-17).


Описание: рис10

Рис. 10. Схема химического обессиливания для вод с содержанием анионов
сильных кислот АСК = 5 ÷ 10 мг×экв/кг (с предварительным известкованием):

1 - предвключенный катионитный фильтр; 2 - предвключенный анионитный фильтр; 3 - двухпоточно-противоточный катионитный фильтр I ступени:
4 -. декарбонизатор; 5 - бак декарбонизированной воды; 6 - насос декарбонизированной воды; 7 - двухпоточно-противоточный анионитный фильтр I ступени;
8 - катионитный фильтр II ступени; 9 - двухпоточно-противоточный анионитный фильтр II ступени; 10 - бак мягких сбросных вод;
11 - бак отработавшего раствора: 12 - бак жестких сбросных вод: 13 - насос подачи отработавшего раствора на регенерацию; 14 - известкованная вода;
15 - обессоленная вода; 16 -.раствор соли натрия; 17 - раствор кислоты; 18 - раствор щелочи; 19 - на очистные сооружения; 20 - на испаритель


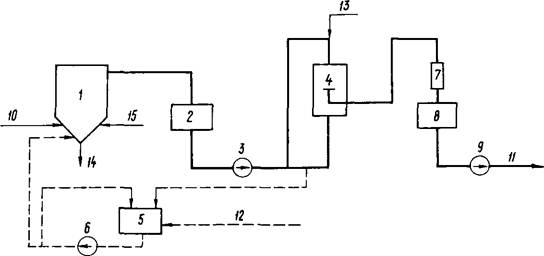
3.2.2. На рис. 11 представлена схема для обработки воды с содержанием анионитов сильных кислот АСК = 3 ÷ 5 мг×экв/кг.

Блок обессоливания включает: катионитный фильтр первой ступени  (КУ-2-8), предвключенный анионитный фильтр Ап (AB-17), двухпоточно-противоточный катионитный фильтр второй ступени  (КУ-2-8), декарбонизатор, двухпоточно-ступенчато-противоточные анионитные фильтры первой и второй ступени  и  (AH-31, AB-17).

Данная схема аналогична предыдущей (см. рис. 10), исключен только прямоточный катионитный фильтр второй ступени .


Описание: рис11

Рис. 11. Схема химического обессиливания для вод с содержанием анионов
сильных кислот АСК = 3 ÷ 5 мг×экв/кг (с предварительным известкованием):

1 - катионитный фильтр I ступени; 2 - предвключенный анионитный фильтр; 3 - двухпоточно-противоточный катионитный фильтр II ступени;
4 - декарбонизатор; 5 - бак декарбонизированной воды; 6 - насос декарбонизированной воды;
7, 8 - двухпоточно-ступенчато-противоточные анионитные фильтры I и II ступени; 9 - бак сбора мягких сбросных вод;
10 - бак отработавшего раствора; 11 - бак жестких сбросных вод; 12 - насос подачи отработавшего раствора на регенерацию;
13 - известкованная вода; 14 - обессоленная вода; 15 -раствор соли; 16 - раствор кислоты; 17 - раствор щелочи; 18 - на очистные сооружения; 19 - на испаритель

3.2.3. Для исходных вод с содержанием анионов сильных кислот АСК £ 3 мг×экв/кг рекомендуется схема обессоливания, представленная на рис. 12.

Описание: рис12

Рис.12. Схема химического обессоливания для вод с содержанием анионов
сильных кислот АСК £ 3 мг×экв/кг (с предварительным известкованием):

I - предвключенный катионитный фильтр; 2 - двухпоточно-противоточный анионитный фильтр I ступени; 3 - декарбонизатор;
4 - бак декарбонизированной воды; 5 - насос декарбонизированной воды; 6 - катионитный фильтр;
7 - двухпоточно-противоточный анионитный фильтр II ступени; 8 - бак отработавшего раствора; 9 - бак мягких сбросных вод;
10 - бак жестких сбросных вод; 11 - насос подачи отработавшего раствора на регенерацию; 12 - известкованная вода;
13 - обессоленная вода; 14 - раствор соли; 15 - раствор кислоты; 16 - раствор щелочи; 17 - на очистные сооружения; 18 - на испаритель


Блок обессоливания включает: двухпоточно-противоточный катионитный фильтр  (КУ-2-8), двухпоточно-противоточный анионитный фильтр первой ступени  (AH-31), декарбонизатор, катионитный фильтр второй ступени  (СУ), двухпоточно-противоточный анионитный фильтр второй ступени  (AB-17).

На ТЭЦ-21 Мосэнерго эксплуатируется блок обессоливания, на котором осуществлена схема перевода катионита в натриевую форму путем обработки катионита раствором соли натрия [14]. Блок обессоливания включает: противоточный катионитный фильтр I ступени (КУ-2-8), анионитный фильтр I ступени (AH-31), катионитный фильтр II ступени (СУ), двухпоточно-противоточный анионитный фильтр II ступени (AB-17).

На обессоливание подается известкованно-коагулированная вода с содержанием анионов сильных кислот АСК = 1,5 мг×экв/кг.

Предусматривалась схема "развитой" регенерации анионитных фильтров, но она не была опробована, так как к моменту пуска блока обессоливания не была смонтирована.

Поскольку реконструкция блока производилась на действующей водоочистке, выполненная схема не является оптимальной.

Однако даже в этих условиях по результатам годичной эксплуатации были получены хорошие показатели, а именно:

- удельные расходы кислоты и щелочи на регенерацию 1,0 ÷ 1,1 г×экв/г×экв;

- обменные емкости EHI - 880 г×экв/м3, EHII - 350 г×экв/м3, EAI - 615 г×экв/м3, EAII - 420 г×экв/м3.

Низкая обменная емкость анионита AH-31 объясняется неполным срабатыванием анионита, так как высота его загрузки была значительно больше необходимой.

3.3. Схемы химического обессоливания воды
с использованием импортных ионитов

Некоторые ТЭЦ получают для водоподготовительных установок импортные иониты. По сообщению ВТИ им. Дзержинского, закупаемые за рубежом иониты являются аналогами отечественных ионитов и могут применяться в рассматриваемых схемах обессоливания в соответствии с их назначением с учетом нижеуказанных отклонений в технологических характеристиках:

- обменная емкость импортных сильнокислотных катионитов на 20 % ниже, чем у катионита КУ-2-8;

- обменная емкость сильноосновных анионитов гелевой структуры (за исключением анионита Dowex и МSA-1) не отличается от анионита AB-17;

- обменная емкость слабоосновных анионитов типов Amberlit IRA-93, Dualit A-378, Dowex MWA-1, Tulsion A-2х-МР составляет 800 - 1000 г×акв/м3.

4. ТЕХНИКО-ЭКОНОМИЧЕСКАЯ ОЦЕНКА ТРАДИЦИОННОЙ
И НОВОЙ ТЕХНОЛОГИИ ХИМИЧЕСКОГО ОБЕССОЛИВАНИЯ

Для определения экономической целесообразности новой технологии обессоливания были выполнены сопоставительные технико-экономические расчеты традиционных обессоливающих установок и обессоливающих установок, работающих по новой технологии обессоливания с сокращенным расходом реагентов и сокращенными стоками. Определялись капитальные, эксплуатационные и удельные приведенные затраты на установки с учетом стоимости очистных сооружений, так как рассматривались схемы очистки воды, разработанные для создания бессточных водоподготовительных установок. В состав очистных сооружений входили испарители поверхностного типа, выпарные аппараты, склады сухих солей.

Расчеты проводились для установок производительностью 100; 300; 500 и 800 т/ч для вода с содержанием анионов сильных кислот 5,5 мг×экв/кг (р. Ока).

Результаты расчетов приведены в таблице и на рис. 13.

Описание: рис13

Рис.13. Удельные приведенные затраты
на получение обессоленной воды:

1 - с учетом очистных сооружений; 2 - при использовании сбросов
на приготовление раствора соли на регенерацию;
Описание: pr1-1 - новая технология; Описание: pr1-3 - традиционная технология

Сопоставление показало, что схема обессоливания с сокращенными расходами реагентов экономически целесообразнее. Новая технология обессоливания позволяет экономить не только кислоту и щелочь, но и соду на значение, эквивалентное значению, необходимому для нейтрализации избыточной кислотности, получаемой при регенерации фильтров блока при традиционном обессоливании.

При наличии на водоподготовке умягчительной Na-катионитной установки экономия от применения новой технологии обессоливания возрастет за счет использования отработавших регенерационных растворов обессоливающей установки для приготовления раствора соли, то есть отпадает необходимость в очистных сооружениях.


Таблица

Капитальные, эксплуатационные и удельные приведенные затраты на схемы химобессоливания
по традиционной технологии и с сокращенным расходом реагентов и сокращенными стоками

Показатель

Производительность установки, м3

100

300

500

800

Тип технологии

Новая

Традиционная

Новая

Традиционная

Новая

Традиционная

Новая

Традиционная

Обессоливающие установки

Капитальные затраты, тыс. руб.

614,4

588,7

951,0

846,6

1407,3

1294,9

1920,5

1707,6

В том числе:

Оборудование

90,0

67,5

141,5

110,0

232,8

165,0

319,0

260,0

Монтаж

122,0

150,0

198,0

170,0

280,0

258,0

400,0

303,7

Фильтрующие материалы

104,5

53,2

186,9

123,7

299,5

185,5

414,3

247,3

Антикоррозионные покрытия

53,2

72,4

88,8

112,4

131,6

158,8

180,0

202,6

КИПиА

117,9

123,4

171,3

178,4

253,7

309,6

332,4

416,0

Электрооборудование

16,5

13,1

22,8

16,3

38,2

27,6

45,8

33,0

Строительная часть

110,3

109,2

141,7

135,8

171,5

190,4

229,0

245,0

Эксплуатационные затраты, тыс. руб.

168,6

173,7

292,7

350,7

477,9

536,5

701,5

829,0

В том числе:

 

 

 

 

 

 

 

 

Расход электроэнергии и тепла

11,1

11,6

29,7

41,3

49,9

63,3

79,2

104,0

Реагенты и фильтрующие материалы

46,3

52,3

112,2

164,1

184,4

244,0

281,7

407,9

Амортизация

49,0

48,1

75,4

71,8

119,3

109,7

160,2

161,0

Текущий ремонт

8,8

8,6

13,6

12,9

21,5

19,7

28,6

26,5

Общестанционные расходы

15,6

15,3

24,0

22,8

38,0

35,0

69,0

46,8

Зарплата

37,8

37,8

37,8

37,8

64,8

64,8

82,8

82,8

Очистные сооружения

Капитальные затраты, тыс. руб.

500,0

750,0

680,0

1000,0

800,0

1300,0

1100,0

1700,0

Эксплуатационные затраты, тыс. руб.

100,0

125,0

135,0

200,0

165,0

262,0

200,0

350,0

Суммарные капитальные затраты, тыс. руб.

1114,4

1338,7

1631,0

1846,6

2207,3

2594,9

3020,5

3417,6

Суммарные эксплуатационные затраты, тыс. руб.

268,6

298,7

427,7

550,7

б4'2-,9

798,5

901,5

1179,0

Удельные приведенные затраты, коп/м3

67,1

76,6

34,4

42,9

30,3.

37,0

26,3

33,1


5. РЕКОМЕНДАЦИИ ПО ПРОЕКТИРОВАНИЮ УСТАНОВОК
ХИМОБЕССОЛИВАНИЯ С СОКРАЩЕННЫМИ РАСХОДАМИ РЕАГЕНТОВ
И СОКРАЩЕННЫМИ СТОКАМИ

5.1. Для двухпоточно-противоточных фильтров:

5.1.1. Уровень расположения средней дренажной системы:

- в Н-катионитных фильтрах - 1,5 м;

- в анионитных фильтрах - 1,0 м.

5.1.2. Высота слоя ионита над средней дренажной системой:

- для катионитных фильтров - не менее 0,4 м;

- для анионитных фильтров - 0,6 м.

5.1.3. Высота слоя анионита - 1,6 м.

5.1.4. Высота слоя катионита КУ-2-8:

- для фильтров Нп и Ндп - 2,0-2,5 м (уточняется расчетом);

- для фильтров  - 2,0 м.

5.1.5. Высота слоя сульфоугля для фильтров  - 2,5 м.

5.2. Типы ионитных материалов, принимаемых в схемах:

- предварительного глубокого умягчения - СУ или КБ-4;

- химобессоливания - СУ, КУ-2, AB-17, AH-31.

5.3. Обменная емкость ионитов принимается, г×экв/м3:

5.3.1. В схемах умягчения для СУ и КБ-4 Н-катионитными фильтрами соответственно 450 и 2500.

5.3.2. В схемах химобессоливания:

- для КУ-2-8 и СУ в схемах с Ндсп при регенерации стехиометрическим количеством серной кислоты соответственно 1100 и 400;

- для КУ-2-8 и СУ в схемах с Ндсп при регенерации стехиометрическим количеством соляной кислоты соответственно 1500 и 450;

- для КУ-2-8 в схемах с Ндсп при последовательной регенерации растворами соли и кислоты - 900;

- для КУ-2-8 в схемах параллельно-точными фильтрами при последовательной регенерации растворами соли и кислоты - 400;

- для НУ-2-8 в схемах с противоточными фильтрами при регенерации стехиометрическим количеством соляной кислоты - 1200;

- для ИУ-2-8 в схемах с двухпоточно-противоточными катионитными фильтрами - 800 при регенерации стехиометрическим количеством серной кислоты;

- для КУ-2-8 и КБ-4 в схемах с фильтрами, включенными после "цепочек" химобессоливания при "голодном" режиме регенерации, соответственно 500 и 2500;

- для СУ в схемах с параллельно-точными фильтрами второй ступени - 300;

- для AB-17 в схемах с фильтрами  при поглощении анионов слабых кислот - 200;

- для АН-31 - в соответствии с графиком рис. 2;

- для AB-17 в схемах с предвключенными фильтрами Адп и  - 500 при условии .поглощения анионов всех кислот.

5.4. Скорость фильтрования обрабатываемой воды:

- для двухпоточно-противоточных фильтров пропорционально высоте слоя ионита, но не более значения, предусмотренного нормами технологического проектирования (НТП);

- для параллельно-точных фильтров - в соответствии с НТП.

5.5. Скорость пропуска регенерационных растворов через ионитные фильтры, м/ч:

- раствора соли в Н-фильтрах - 10;

- раствора кислоты в прямоточных Н-фильтрах - 10 - 15;

- раствора кислоты в МН-фильтрах - 10;

- раствора кислоты в  - 8 - 10; при этом скорость каждого потока принимается пропорционально высоте слоев ионита, расположенных над и под средней дренажной системой, т.е. скорость потока снизу равна 0,75 общей скорости, а сверху - 0,25 общей скорости;

- отработавшего раствора щелочи 10 - 15;

- раствора щелочи в  6 - 8;при этом скорость пропуска раствора снизу равна 0,6 общей скорости потока, сверху - 0,4 общей скорости потока.

5.6. Кратность расхода кислоты и щелочи на регенерацию для схем рис. 6, 7, 9, 10, 11 принята 1,05 - 1,10 г×экв/г×экв.

Кратность расхода кислоты принята:

- для схемы рис. 11 - 1,1 г×экв/г×экв;

- для схемы рис. 8 - 1,5 г×экв/г×экв.

Удельный расход соли на регенерацию в схемах рис. 10 - 12 принят 120 кг/м3.

5.7. Крепость регенерационных растворов:

- соли - в схемах рис. 10 и 11 - 3 - 10 %;

- кислоты - в схемах умягчения рис. 3 и 4 - 0,5 - 2,0 %;

- щелочи - в схемах обессоливания рис. 8 - 8 - 10 %;

- кислоты и щелочи в схемах обессоливания рис. 6, 7, 9, 10 - 12 - 3 - 5 %.

5.8. Для приготовления регенерационных растворов в химобессоливающей установке используется обессоленная, а для регенерации МН-фильтров - умягченная вода, для приготовления раствора соли - осветленная вода.

5.9. Технологические показатели взрыхления ионитного материала перед регенерацией:

- для взрыхления всех фильтров, кроме МН- и -фильтров используется вода от предыдущего фильтра;

- для взрыхления МН- и -фильтров - соответственно осветленная и обессоленная вода;

- интенсивность взрыхления катионитов и анионитов соответственно составляет 3,5 и 3 л/м2×с;

- длительность взрыхления принимается 15 - 20 мин;

- взрыхление анионитов в корпусах Адсп и Ндсп проводится через среднюю дренажную систему; полное взрыхление материала проводится по мере необходимости.

5.10. Удельный расход воды на послерегенерационную отмывку, м33:

- для анионитов - 4 - 5;

- для катионитов - 2 - 3;

- для катионита, после обработки его раствором соли - 1 - 2.

5.11. Скорость фильтрования отмывочной воды, принимается, м/ч:

- для анионитов - 8 - 10; при этом в  скорость потока снизу равна 1/3 скорости фильтрования, сверху - 2/3 скорости фильтрования;

- для катионитов - 10 - 12; в  скорости потоков снизу и сверху равны 1/2 скорости фильтрования.

5.12. Качество отмывочной воды:

- для химобессоливающей установки - обессоленная;

- для умягчительной установки - умягченная;

- для Н-фильтров I ступени после пропуска раствора соли в схемах рис. 10 - 12 - осветленная.

6. ПРИМЕРЫ РАСЧЕТОВ ХИМОБЕССОЛИВАЮЩИХ УСТАНОВОК

6.1. Расчет предвключенного водород-катионитного фильтра

Принимаем:

- диаметр фильтра - 3400 мм;

- высота загрузки сульфоугля - 2,5 м;

- скорость фильтрации потока - 15 м/ч;

- производительность фильтра - 270 м3/ч;

- жесткость содоизвесткованной воды - 1 мг×экв/кг;

- емкость поглощения сульфоугля - 450 г×экв/м3.

Объем обработанной воды за цикл:

 м3

Фильтроцикл:

 ч

Расход кислоты на регенерацию:

 кг

 г/г×экв.

6.2. Расчет блоков химобессоливания с предварительным
содоизвесткованием воды

6.2.1. Расчет блока обессоливания для р. Оки (качество исходной воды для схем, представленных на рис. 6 - 12, дано в приложении 2).

Исходная вода:

Ca = 4,65 мг×экв/кг

 

SO4 = 2,1 мг×экв/кг

 

SiO3 = 30 мг×экв/кг.

Mg = 1,75 мг×экв/кг

 

Сl = 2,0 мг×экв/кг

 

 

Na = 2,4 мг×экв/кг

 

HCO3 = 4,7 мг×экв/кг

 

 

ΣК = 8,8 мг×экв/кг

 

ΣA = 8,8 мг×экв/кг

 

 

Схема обработки: содоизвесткование, умягчение на Н-фильтрах, обессоливание по схеме рис. 6, стоки от Н-фильтров направляются в осветлитель для совместной обработки с исходной водой.

Качество смеси исходной воды со стоками Н-фильтров:

ЖО = 7,4 мг×экв/кг

 

SO4 = 3,1 мг×экв/кг

Na = 2,4 мг×экв/кг

 

Сl = 2,0 мг×экв/кг

ΣК = 9,8 мг×экв/кг

 

HCO3 = 4,7 мг×экв/кг

 

 

ΣA = 9,8 мг×экв/кг

Качество воды после содоизвесткования:

ЖО = 1,0 мг×экв/кг

 

SO4 = 3,5 мг×экв/кг

Na = 5,5 мг×экв/кг

 

Сl = 2,0 мг×экв/кг

ΣК = 6,5 мг×экв/кг

 

Щ = 1,0 мг×экв/кг

 

 

ΣA = 6,5 мг×экв/кг

Качество воды перед обессоливанием:

Na = 5,5 мг×экв/кг

 

Сl = 2,0 мг×экв/кг

 

HSiO3 = 0,2 мг×экв/кг

SO4 = 3,5 мг×экв/кг

 

Щ = 0 мг×экв/кг

 

 

Блок фильтров обессоливания включает:

Ап -  -  - Д -  -

Загрузочные материалы: AB-17 - СУ - КУ-2-8 - Д - AH-31 - AB-17.

Принимаем диаметр фильтров - 3400 мм.

Производительность блока обессоливания - 270 м3/ч.

Предварительно принимаем высоту загрузки в анионитных фильтрах - 1,6 м; в катионитных -  - 2,5 м; в  - 1,9 м.

Определяем показатель, по которому следует вести расчет, из соотношения

Расчет анионитных фильтров

Объем воды за цикл:

 м3.

Расход едкого натра на регенерацию фильтров:

 кг;

ЭNaOH = 40 г/г×экв; m = 1,05 г×экв/г×экв.

Расчет катионитных фильтров

Принимаем высоту загрузки сульфоугля в  2,5 м, тогда необходимая высота загрузки КУ-2  определяем по формуле

Расход кислоты на регенерацию:

 кг;

 = 49 г/г×экв;  = 1,05 г×экв/г×экв.

Примечание. Так как через предвключенный анионитный фильтр пропускается примерно половина потока воды, основное поглощение анионов сильных кислот происходит на анионитном фильтре I ступени, причем емкость поглощения по сульфатам значительно больше, чем по хлоридам, поэтому проскок хлоридов в фильтрат наступает быстрее, особенно при старении анионита. Поэтому, анионитные фильтры второй ступени работают в режиме поглощения как хлоридов, так и анионов слабых кислот. Обменная емкость анионита при этом достигает ЕАВ-17 = 500 г×экв/м.

Программа процесса регенерации блока обессоливания для р. Оки во времени приведена в режимной карте 1.

РЕЖИМНАЯ КАРТА 1

Время операции,
ч
×мин

Наименование операции

Часовой расход воды, раствора,
м3

Продолжительность операции,
мин

Объем воды, раствора,
м3

Качество используемой воды

0 - 00

Взрыхление

98

20

33

Обессоленная

0 - 20

0 - 00

Взрыхление

98

20

33

Умягченная

0 - 20

0 - 20

Взрыхление

115

20

39

-"-

0 - 40

0 - 40

Взрыхление

115

20

39

-"-

1 - 00

1 - 00

Взрыхление Ап

98

20

33

-"-

1 - 20

1 - 20

Пропуск отработавшего раствора щелочи (12 м/ч)

72

90

150

Щелочная

2 - 50

2 - 50

Пропуск свежего раствора щелочи 4 %-ного (8 м/ч)

72

30

32

Обессоленная

3 - 20

3 - 20

Отмывка анионитных фильтров (8 м/ч)

72

145

175

-"-

5 - 45

1 - 00

Пропуск раствора кислоты 3 %-ного (8 м/ч)

72

45

50

-"-

1 - 45

1 - 45

Отмывка катионитных фильтров (10 м/ч)

90

85

123

-"-

3 - 10

Время регенерации с учетом переключений - 6,5 ч.

Расход обессоленной воды на собственные нужды - 380 м3.

Фактическая производительность блока: Qнетто = 4980 м3.

Собственные нужды по обессоленной воде - 7,6 %.

Фильтроцикл:

 ч.

Примечание. На взрыхление фильтра  подается вода из бака обессоленной воды, для фильтра  вода после фильтра , поэтому эти операции выполняются одновременно.

6.2.2. Расчет блока обессоливания для р. Волги.

Исходная вода:

Ca = 2,3 мг×экв/кг

 

SO4 = 1,3 мг×экв/кг

SiO3 = 8 мг×экв/кг.

Mg = 1,0 мг×экв/кг

 

Сl = 1,3 мг×экв/кг

Na = 1,3 мг×экв/кг

 

HCO3 = 2,0 мг×экв/кг

ΣК = 4,6 мг×экв/кг

 

ΣA = 4,6 мг×экв/кг

Схема обработки: содоизвесткование, осветление, умягчение на Н-фильтрах, обессоливание. Стоки Н-фильтров направляются в осветлитель для совместной обработки с исходной водой.

Качество смеси исходной воды со стоками Н-фильтров:

ЖО = 4,3 мг×экв/кг

 

SO4 = 2,3 мг×экв/кг

Na = 1,3 мг×экв/кг

 

Сl = 1,3 мг×экв/кг

ΣК = 5,6 мг×экв/кг

 

HCO3 = 2,0 мг×экв/кг

 

 

ΣA = 5,6 мг×экв/кг

Качество воды после содоизвесткования:

ЖОСТ = 1,0 мг×экв/кг

 

SO4 = 2,7 мг×экв/кг

SiO3 = 4 мг×экв/кг.

Na = 4,0 мг×экв/кг

 

Сl = 1,3 мг×экв/кг

ΣК = 5,0 мг×экв/кг

 

Щ = 1,0 мг×экв/кг

 

 

ΣA = 5,0 мг×экв/кг

Качество воды перед обессоливанием:

 

 

SO4 = 2,7 мг×экв/кг

HSiO3 = 0,06 мг×экв/кг

Na = 4,0 мг×экв/кг

 

Сl = 1,3 мг×экв/кг

 

 

Щ = 0,0 мг×экв/кг

 

 

ΣA = 5,0 мг×экв/кг

а) расчет блока обессоливания по схеме рис. 7 (регенерация серной кислотой):

Блок обессоливания включает: Ап - Ндп -  - . Загрузочные материалы: AB-17 - КУ-2-8 - AH-31 - AB-17.

Принимаем диаметр фильтров: анионитных - 3400 мм; катионитного - 3400 мм.

Производительность блока - 270 м3/ч.

Высоту загрузки в анионитных фильтрах принимаем - 1,6 м; в катионитном - 2,5 м.

Определяем показатель, по которому следует вести расчет из соотношения

, т.е. расчет ведется по катионитным фильтрам.

Расчет катионитных фильтров

Объем воды за цикл:

 м3

Расход кислоты на регенерацию фильтра

 кг;

 = 49 г/г×экв; m = 1,05 г×экв/г×экв.

Расчет анионитных фильтров

Необходимая высота загрузки в анионитных фильтрах

 м;

принимаем hА = 1,6 м (см. п. 5.1.3).

Расход щелочи на регенерацию фильтров:

 кг.

Примечание. По конструктивным соображениям (из условий расположения средней дренажной системы) во всех анионитных фильтрах объем загрузочных материалов на 25 % превышает расчетное значение, поэтому объемная емкость во второй ступени анионирования принимается из расчета поглощения только анионов слабых кислот и составляет примерно 200 г×экв/м3.

Программа процесса регенерации блока обессоливания для р. Волги во времени приведена в режимной карте 2.

РЕЖИМНАЯ КАРТА 2

Время операции,
ч
×мин

Наименование операции

Часовой расход воды, раствора,
м3

Продолжительность операции,
мин

Объем воды, раствора,
м3

Качество используемой воды

0 - 00

Взрыхление

98

20

33

Обессоленная

0 - 20

0 - 00

Взрыхление

98

20

33

Умягченная

0 - 20

0 - 20

Взрыхление Ндп

115

20

39

-"-

0 - 40

0 - 40

Взрыхление Ап

98

20

33

-"-

1 - 00

0 - 40

Пропуск раствора кислоты 3 %-ного (8 м/ч)

72

25

28

Обессоленная

1 - 05

1 - 05

Отмывка катионитных фильтров (10 м/ч)

90

45

68

-"-

1 - 50

1 - 00

Пропуск отработавшего раствора щелочи (12 м/ч)

109

85

150

Щелочная

2 - 25

2 - 25

Пропуск свежего раствора щелочи 4 %-ного (8 м/ч)

72

20

20

Обессоленная

2 - 45

2 - 45

Отмывка анионитных фильтров (8 м/ч)

72

145

175

-"-

5 - 10

Время регенерации с учетом переключений - 6 ч.

Расход, обессоленной воды на собственные нужды - 281 м3.

Фактическая производительность блока - 4259 м3.

Собственные нужды по обессоленной воде - 6,9 %.

Фильтроцикл:

 ч.

Примечание. На взрыхление фильтра  подается вода из бака обессоленной воды, для фильтра  - вода после Ндп, поэтому эти операции выполняются одновременно.

б) Расчет блока обессоливания по схеме рис. 9 (регенерация соляной кислотой):

Блок обессоливания включает:  -  - . Загрузочные материалы: КУ-2-8 - АН-31 - AB-17.

Принимаем диаметр анионитных фильтров 3400 мм; катионитных - 3400 мм.

Производительность блока - 270 м3/ч.

Высоту загрузки в катионитных фильтрах принимаем - 2,0 м.

Объем воды за цикл:

 м3

Расход кислоты на регенерацию фильтра:

 кг;

Расчет анионитных фильтров

Необходимая высота загрузки в анионитных фильтрах:

 м;

принимаем 1,6 м.

Расход щелочи на регенерацию фильтров:

 кг.

Программа процесса регенерации блока обессоливания для р.Волги во времени, приведена в режимной карте 3.

РЕЖИМНАЯ КАРТА 3

Время операции,
ч
×мин

Наименование операции

Часовой расход воды, раствора,
м3

Продолжительность операции,
мин

Объем воды, раствора,
м3

Качество используемой воды

0 - 00

Взрыхление

98

20

32

Обессоленная

0 - 20

0 - 00

Взрыхление

98

20

32

Умягченная

0 - 20

0 - 20

Взрыхление Ндп

98

20

32

-"-

0 - 40

0 - 40

Пропуск раствора кислоты 3 %-ного (8 м/ч)

72

30

36

Обессоленная

1 - 10

1 - 10

Отмывка катионитных фильтров (10 м/ч), 3 м33× (2,0 × 9,1) м3

91

40

55

-"-

1 - 50

0 - 20

Пропуск отработавшего раствора щелочи (12 м/ч)

109

55

100

Щелочная

1 - 15

1 - 15

Пропуск свежего раствора щелочи 4 %-ного (8 м/ч)

72

20

24

Обессоленная

1 - 35

1 - 35

Отмывка анионитных фильтров (8 м/ч), 4 м33× (1,6 × 2 × 9,1) м3

72

100

116

-"-

3 - 15

Время регенерации с учетом переключений - 4 ч.

Расход обессоленной воды на собственные нужды - 231 м3.

Фактическая производительность блока - 5230 м3.

Собственные нужды по обессоленной воде - 4,4 %.

Фильтроцикл:

 ч.

Примечание. На взрыхление фильтра  подается вода из бака обессоленной воды, для фильтра  - вода после фильтра Ндп, поэтому эти операции выполняются одновременно.

6.2.3. Расчет блока обессоливания для р. Енисея

Исходная вода:

Ca = 1,2 мг×экв/кг

SO4 = 0,29 мг×экв/кг

SiO3 = 5 мг×экв/кг.

Mg = 0,4 мг×экв/кг

Сl = 0,24 мг×экв/кг

Na = 0,47мг×экв/кг

HCO3 = 1,6 мг×экв/кг

ΣК = 2,13 мг×экв/кг

ΣA = 2,13 мг×экв/кг

Схема обработки:  содоизвесткование с коагуляцией, осветление, умягчение на Н-фильтрах, декарбонизация, обессоливание по схеме рис. 8. Стоки от Н-фильтров обрабатываются в отдельном осветлителе.

Качество воды после содоизвесткования:

ЖО = 1,0 мг×экв/кг

SO4 = 0,69 мг×экв/кг

HSiO3 = 0,04 мг×экв/кг

Na = 0,93 мг×экв/кг

Сl = 0,24 мг×экв/кг

ΣК = 1,93 мг×экв/кг

Щ = 1,00 мг×экв/кг

 

ΣA = 1,93 мг×экв/кг

Качество воды перед обессиливанием:

 

SO4 = 0,69 мг×экв/кг

Na = 0,93 мг×экв/кг

Сl = 0,24 мг×экв/кг

Щ = 0 мг×экв/кг

ΣA = 0,93 мг×экв/кг

Блок обессоливания включает: Ап - Ндп - Адп. Загрузочные материалы: AB-17 - КУ-2 - AB-17.

Принимаем диаметр анионитных фильтров - 3400 мм, катионитного - 3400 мм.

Производительность блока 270 м3/ч.

Высоту загрузки в анионитных фильтрах принимаем - 1,6 м, в катионитном - определяется расчетным путем.

Расчет анионитных фильтров

Объем воды за цикл:

 м3.

Расход щелочи на регенерацию фильтров:

 кг.

m = 1,5 г×экв/г×экв.

Расчет катионитных фильтров

Необходимая высота загрузки в катионитном фильтре:

 м;

принимаем hН = 2,0 м.

Расход кислоты на регенерацию фильтра

 кг;

m = 1,5 г×экв/г×экв.

Программа процесса регенерации блока обессоливания для р.Енисея во времени приведена в режимной карте 4.

РЕЖИМНАЯ КАРТА 4

Время операции,
ч
×мин

Наименование операции

Часовой расход воды, раствора,
м3

Продолжительность операции,
мин

Объем воды, раствора,
м3

Качество используемой воды

0 - 00

Взрыхление Адп

98

20

33

Обессоленная

0 - 20

0 - 00

Взрыхление Ндп

98

20

33

Умягченная

0 - 20

0 - 20

Взрыхление Ап

98

20

33

-"-

0 - 40

0 - 20

Пропуск раствора кислоты 3 %-ного (8 м/ч)

72

25

30

Обессоленная

0 - 45

0 - 45

Отмывка катионитных фильтров (10 м/ч)

91

40

55

-"-

1 - 25

0 - 40

Пропуск раствора щелочи 8 %-ного (8 м/ч)

72

10

11

-"-

0 - 50

0 - 50

Отмывка анионитных фильтров (8 м/ч)

72

100

116

-"-

2 - 30

Время регенерации с учетом переключений - 3,5 ч.

Расход обессоленной воды на собственные нужды - 212 м3.

Фактическая производительность блока - 13388 м3.

Собственные нужды по обессоленной воде - 1,6 %.

Фильтроцикл:

 ч.

Примечание. На взрыхление фильтра Адп подается вода из бака обессоленной воды, для фильтра Ндп - вода после Ап, поэтому эти операции выполняются одновременно.

6.3. Расчет блоков обессоливания с предварительным известкованием воды

6.3.1. Расчет блока обессоливания для р. Уводь (см. рис. 10)

Исходная вода после известкования с коагуляцией:

Ca = 3,9 мг×экв/кг

 

Щ = 1,0 мг×экв/кг

 

HSiO3 = 0,18 мг×экв/кг

Na = 6,3 мг×экв/кг

 

Сl = 5,2 мг×экв/кг

 

 

ΣК = 10,2 мг×экв/кг

 

SO4 = 4,0 мг×экв/кг

 

 

 

 

ΣA = 10,2 мг×экв/кг

 

 

Блок фильтров обессоливания включает: H(Na) - Ап -  - Д -  -  - . Загрузочные материалы: КУ-2-8 - АВ-17 - КУ-2-8 - AH-31 - СУ - AB-17.

Диаметры всех фильтров принимаем равным - 3400 мм.

Производительность блока: 270 м3/ч.

Высоту загрузки в анионитных фильтрах принимаем равной 1,6 м, высота загрузки в катионитных фильтрах определяется расчетным путем.

Расчет анионитных фильтров

Объем воды за цикл:

 м3.

Расход едкого натра на регенерацию фильтров:

 кг;

Расчет катионитных фильтров

Принимаем высоту загрузки в фильтре  - 1,5 м, в фильтрах Нп и  определяется расчетным путем:

Расход кислоты на регенерацию:

 кг;

Кратность расхода кислоты на регенерацию :

 г×экв/г×экв.

Расход поваренной соли на регенерацию:

 кг,

где n = 120 кг/м3 - удельный расход соли на регенерацию.

Программа процесса регенерации блока обессиливания для р. Уводи во времени приведена в режимной карте 5.

РЕЖИМНАЯ КАРТА 5

Время операции,
ч
×мин

Наименование операции

Часовой расход воды, раствора,
м3

Продолжительность операции,
мин

Объем воды, раствора,
м3

Качество используемой воды

0 - 00

Взрыхление

98

20

33

Обессоленная

0 - 20

0 - 20

Взрыхление

115

20

39

Умягченная

0 - 40

0 - 40

Взрыхление

98

20

33

-"-

1 - 00

1 - 00

Взрыхление

115

20

39

-"-

1 - 20

1 - 20

Взрыхление Ап

98

20

33

-"-

1 - 40

1 - 40

Взрыхление H

115

20

39

-"-

2 - 00

2 - 00

Пропуск 10 %-ного раствора соли

90

15

24

Осветленная

2 - 15

2 - 15

Отмывка фильтра - Н

90

90

120

 

3 - 45

3 - 45

Пропуск 3 %-ного раствора кислоты

72

45

55

Обессоленная

4 - 30

4 - 30

Отмывка катионитных фильтров 3 м33× 60 м3

90

120

180

-"-

6 - 30

2 - 00

Пропуск отработавшего раствора щелочи (12 м/ч)

109

83

150

Щелочная

3 - 25

3 - 25

Пропуск 4 %-ного раствора щелочи

72

30

33

Обессоленная

3 - 55

3 - 55

Отмывка анионитных фильтров (8 м/ч)

72

146

175

-"-

6 - 20

Время регенерации с учетом переключений - 7 ч 15 мин.

Расход обессоленной воды на собственные нужды - 443 м - 16 %.

Осветленная вода - 144 м3.

Фактическая производительность - 2757 м3.

Фильтроцикл:

 ч.

6.3.2. Расчет блока обессоливания для р. Оки (см. рис. 11).

Исходная вода после известкования с коагуляцией:

Ca = 3,4 мг×экв/кг

 

Щ = 1,0 мг×экв/кг

HSiO3 = 0,2 мг×экв/кг

Na = 2,4 мг×экв/кг

 

Сl = 2,0 мг×экв/кг

ΣК = 5,8 мг×экв/кг

 

SO4 = 2,8 мг×экв/кг

 

 

ΣA = 5,8 мг×экв/кг

Блок фильтров обессоливания включает:  - Ап -  - Д -  - . Загрузочные материалы: КУ-2-8 - AB-17 - КУ-2-8 - AH-31 - AB-17. Принимаем диаметры фильтров:  и  - 3000 мм, остальных - 3400 мм.

Производительность блока - 210 м3/ч.

Высоту загрузки в анионитных фильтрах принимаем равной - 1,6 м, высота загрузки в катионитных фильтрах определяется расчетным путем.

Расчет анионитных фильтров

Объем воды за цикл:

 м3.

Расход едкого натра на регенерацию фильтров:

 кг;

Расчет катионитных фильтров

Высота загрузки в катионитных фильтрах:

 м.

Расход кислоты на регенерацию:

 кг;

m = 1,05 г×экв/г×экв.

Кратность расхода кислоты на фильтр Ндсп составит:

 г×экв/г×экв.

Расход поваренной соли на регенерацию фильтра

 кг

где n = 120 кг/м3.

Программа процесса регенерации блока обессоливания для р. Оки во времени приведена в режимной карте 6.

РЕЖИМНАЯ КАРТА 6

Время операции,
ч
×мин

Наименование операции

Часовой расход воды, раствора,
м3

Продолжительность операции,
мин

Объем воды, раствора,
м3

Качество используемой воды

0 - 00

Взрыхление

77

20

26

Обессоленная

0 - 20

0 - 20

Взрыхление

77

20

26

Умягченная

0 - 40

0 - 40

Взрыхление Ндп

115

20

39

-"-

1 - 00

1 - 00

Взрыхление Ап

98

20

33

-"-

1 - 20

1 - 20

Взрыхление H

115

20

39

-"-

1 - 40

1 - 40

Пропуск 10 %-ного раствора соли (10 м/ч)

90

15

22

Осветленная

1 - 55

1 - 55

Отмывка фильтра - Н

90

80

110

-"-

3 - 15

3 - 15

Пропуск 3 %-ного раствора кислоты (8 м/ч)

72

45

50

Обессоленная

4 - 00

4 - 00

Отмывка катионитных фильтров (10 м/ч)

90

75

109

-"-

5 - 15

1 - 20

Пропуск отработавшего раствора щелочи (12 м/ч)

85

105

150

Щелочная

3 - 05

3 - 05

Пропуск 4 %-ного раствора щелочи (8 м/ч)

56

30

27

Обессоленная

3 - 35

3 - 35

Отмывка анионитных фильтров (8 м/ч)

56

160

149

-"-

6 - 15

Время регенерации с учетом переключений - 7 ч.

Расход обессоленной воды на собственные нужды - 485 м3 - 11 %.

Фактическая производительность - 4505 м3.

Фильтроцикл:

 ч.

6.3.3. Расчет блока обессоливания для р. Днепра (рис. 12)

Исходная вода после известкования с коагуляцией:

Ca = 1,9 мг×экв/кг

 

Щ = 1,0 мг×экв/кг

HSiO3 = 0,2 мг×экв/кг

Na = 1,3 мг×экв/кг

 

Сl = 0,55 мг×экв/кг

ΣК = 3,2 мг×экв/кг

 

SO4 = 1,65 мг×экв/кг

 

 

ΣA = 3,2 мг×экв/кг

Блок фильтров обессоливания включает:  -  - Д -  - . Загрузочные материалы: КУ-2-8 - AH-31 - СУ - AB-17. Принимаем диаметры анионитных фильтров - 3000 мм; катионитных - 3400 мм.

Производительность блока - 210 м3/ч.

Высоту загрузки в анионитных фильтрах принимаем равной - 1,6 м, высота загрузки в катионитных фильтрах определяется расчетным путем.

Расчет анионитных фильтров

Объем воды за цикл:

 м3.

Расход едкого натра на регенерацию фильтров:

 кг.

Расчет катионитных фильтров

Определяем высоту загрузки:

 м.

Расход кислоты на регенерацию фильтров:

 кг;

m = 1,1 г×экв/г×экв.

Расход поваренной соли на регенерацию

 кг;

n = 120 кг/м3.

Программа процесса регенерации блока обессоливания для р. Днепра во времени приведена в режимной карте 7.

РЕЖИМНАЯ КАРТА 7

Время операции,
ч
×мин

Наименование операции

Часовой расход воды, раствора,
м3

Продолжительность операции,
мин

Объем воды, раствора,
м3

Качество используемой воды

0 - 00

Взрыхление

77

20

26

Обессоленная

0 - 20

0 - 20

Взрыхление

115

20

39

Умягченная

0 - 40

0 - 40

Взрыхление

77

20

26

-"-

1 - 00

1 - 00

Взрыхление

115

20

39

-"-

1 - 20

1 - 20

Пропуск 10 %-ного раствора соли (10 м/ч)

90

15

22

Осветленная

1 - 35

1 - 35

Отмывка фильтра -  (по линии регенерации)

90

40

55

-"-

2 - 15

2 - 15

Доотмывка фильтра -

90

40

55

-"-

2 - 55

2 - 55

Пропуск 3 %-ного раствора кислоты (8 м/ч)

72

35

35

Обессоленная

3 - 30

3 - 30

Отмывка катионитных фильтров (10 м/ч)

90

75

109

-"-

4 - 45

1 - 20

Пропуск отработавшего раствора щелочи (12 м/ч)

85

50

70

Щелочная

2 - 10

2 - 10

Пропуск свежего 4 %-ного раствора щелочи (8 м/ч)

56

20

19

Обессоленная

2 - 30

2 - 30

Отмывка анионитных фильтров (8 м/ч)

56

95

92

-"-

4 - 05

Время регенерации с учетом переключений - 5,5 ч.

Расход обессоленной воды на собственные нужды - 255 м3 - 4 %.

Осветленная вода - 132 м3.

Фактическая производительность - 6645 м3.

Фильтроцикл:

 ч.

Приложение 1

УСЛОВНЫЕ ОБОЗНАЧЕНИЯ

-

обменная емкость ионита, г×экв/м3;

-

обменная емкость катионитного фильтра I ступени, г×экв/м3;

-

обменная емкость катионитного фильтра II ступени, г×экв/м3;

-

обменная емкость анионитного фильтра I ступени, г×экв/м3;

-

обменная емкость анионитного фильтра II ступени, г×экв/м3;

-

обменная емкость предвключенного анионитного фильтра, г×экв/м3;

-

обменная емкость двухпоточно-противоточного анионитного фильтра I ступени, г×экв/м3;

-

обменная емкость двухпоточно-противоточного анионитного фильтра II ступени, г×экв/м3;

-

обменная емкость двухпоточно-ступенчато-противоточного анионитного фильтра I ступени, г×экв/м3;

-

обменная емкость двухпоточно-ступенчато-противоточного анионитного фильтра II ступени, г×экв/м3;

-

обменная емкость двухпоточно-противоточного катионитного фильтра I ступени, г×экв/м3;

-

обменная емкость двухпоточно-противоточного катионитного фильтра II ступени, г×экв/м3;

-

обменная емкость двухпоточно-ступенчато-противоточного катионитного фильтра I ступени, г×экв/м3;

-

обменная емкость двухпоточно-ступенчато-противоточного катионитного фильтра II ступени, г×экв/м3;

 

-

кратность расхода реагента на регенерацию, г×экв/г×экв;

-

эквивалентная масса серной кислоты, г/г×экв;

-

эквивалентная масса соляной кислоты, г/г×экв;

-

эквивалентная масса едкого натра, г/г×экв;

-

расход серной кислоты на регенерацию, кг;

-

соляной кислоты на регенерацию, кг;

-

расход едкого натра на регенерацию, кг;

-

удельный расход соли на регенерацию, кг/м3;

-

общая жесткость воды, мг×экв/кг;

-

жесткость исходной воды, мг×экв/кг;

-

остаточная жесткость воды после обработки, мг×экв/кг;

-

щелочность воды, мг×экв/кг;

-

щелочность исходной воды, мг×экв/кг;

-

остаточная щелочность воды после обработки, мг×экв/кг;

-

остаточное содержание ионов натрия в воде после обработки, мг×экв/кг;

-

избыток извести, мг×экв/кг;

-

избыток соды, мг×экв/кг;

-

доза коагулянта, мг×экв/кг;

-

доза соды, мг×экв/кг;

-

концентрация в воде анионов сильных кислот, мг×экв/кг;

-

концентрация анионов сильных кислот в исходной воде, мг×экв/кг;

-

концентрация анионов сильных кислот в осветленной воде, мг×экв/кг;

-

сумма всех анионов, мг×экв/кг;

-

сумма всех катионов, мг×экв/кг;

-

предвключенный анионитный фильтр;

-

предвключенный катионитный фильтр;

-

прямоточный катионитный фильтр I ступени;

-

прямоточный катионитный фильтр II ступени;

-

двухпоточно-противоточный катионитный фильтр;

-

двухпоточно-противоточный катионитный фильтр I ступени;

-

двухпоточно-противоточный катионитный фильтр II ступени;

-

двухпоточно-ступенчато-противоточный катионитный фильтр;

-

двухпоточно-ступенчато-противоточный катионитный фильтр I ступени;

-

двухпоточно-ступенчато-противоточный катионитный фильтр II ступени;

-

двухпоточно-противоточный анионитный фильтр;

-

двухпоточно-противоточный анионитный фильтр I ступени;

-

двухпоточно-противоточный анионитный фильтр II ступени;

-

двухпоточно-ступенчато-противоточный анионитный фильтр I ступени;

-

двухпоточно-ступенчато-противоточный анионитный фильтр II ступени;

-

декарбонизатор;

-

производительность блока фильтров, м3/ч;

-

объем воды, проходящей через анионитный фильтр за цикл, м3;

-

объем воды, проходящей через катионитный фильтр за цикл, м3;

-

фильтроцикл, ч;

-

диаметр фильтра, мм;

-

высота загрузочного слоя катионитного фильтра, м;

-

высота загрузочного слоя анионитного фильтра, м;

-

объем загрузки катионитного фильтра, м3;

-

объем загрузки анионитного фильтра, м3;

-

площадь фильтрования двухпоточно-ступенчато-противоточного фильтра I ступени;

-

площадь фильтрования двухпоточно-ступенчато-противоточного фильтра II ступени;

-

удельные приведенные затраты, коп/т;

Описание: pr1-1

-

поток обрабатываемой воды;

Описание: pr1-2

-

раствор кислоты на регенерацию фильтра;

Описание: pr1-3

-

раствор щелочи на регенерацию фильтра;

Описание: pr1-4

-

раствор соли на регенерацию фильтра.


Приложение 2

КАЧЕСТВО ИСХОДНОЙ ВОДЫ И ВОДЫ ПЕРЕД ХИМОБЕССОЛИВАНИЕМ

Для схем, представленных на рис. 6 - 9

Показатель

Единица измерений

р. Енисей

р. Волга

р. Ока

Исходная вода

После содоизвесткования

Исходная вода

После содоизвесткования

Исходная вода

После содоизвесткования

I. Жесткость

мг×экв/кг

1,66

1,0

3,3/4,3 *

1,0

6,4/7,4*

1,0

2. Щелочность

мг×экв/кг

1,6

1,0

2,0

1,0

4,7

1,0

3. Кальций

мг×экв/кг

1,2

0,6

2,3/2,9 *

0,6

4,65/5,25 *

0,6

4. Магний

мг×экв/кг

0,46

0,4

1,0/1,4 *

0,4

1,75/2,15 *

0,4

5. Натрий

мг×экв/кг

0,47

0,73

1,3

1,3

2,4

5,3

6. Сульфаты

кг×экв/кг

0,29

0,69

1,3/2,3 *

2,7

2,1/3,1 *

3,5

7. Хлориды

мг×экв/кг

0,24

0,24

1,3

1,3

2,0

2,0

8. Сумма анионов сильных кислот

мг×экв/кг

0,53

0,93

2,6/3,6 *

4,0

4,1/5,1 *

5,5

9. Кремнекислота

мг/кг

5

-

8

-

30

-

мг×экв/кг

-

0,04

-

0,06

-

0,2

* В числителе указан показатель качества речной воды, в знаменателе - с учетом сбросных вод МН-фильтров.

Для схем, представленных на рис. 10 - 12

Показатель

Единица измерений

р. Днепр

р. Ока

р. Уводь

Исходная вода

После содоизвесткования

Исходная вода

После содоизвесткования

Исходная вода

После содоизвесткования

1. Жесткость

мг×экв/кг

2,4

1,9

6,4

3,4

6,6

3,9

2. Щелочность

мг×экв/кг

2,2

1,0

4,7

1,0

4,4

1,0

3. Кальций

мг×экв/кг

1,8

1,7

4,65

3,2

2,9

3,7

4. Магний

мг×экв/кг

0,6

0,2

1,75

0,2

3,7

0,2

5. Натрий

мг×экв/кг

1,3

1,3

2,4

2,4

6,3

6,3

6. Сульфаты

кг×экв/кг

0,95

1,65

2,1

2,8

3,3

4,0

7. Хлориды

мг×экв/кг

0,55

0,55

2,0

2,0

5,2

5,2

8. Сумма анионов сильных кислот

мг×экв/кг

1,5

2,2

4,1

4,8

8,5

9,2

9. Кремнекислота

мг/кг

30,0

-

30,0

-

27,0

-

мг×экв/кг

-

0,2

-

0,2

-

0,18

Приложение 3

СВОДКА ТЕХНОЛОГИЧЕСКИХ ПОКАЗАТЕЛЕЙ БЛОКА ХИМОБЕССОЛИВАНИЯ
ПРИ ОБРАБОТКЕ ИСХОДНЫХ ВОД РАЗЛИЧНЫХ РЕК

Показатель

Единица измерения

р. Енисей

р. Волга

р. Ока

р. Днепр

р. Ока

р. Уводь

1. Рекомендуемая схема (рис.)

-

8

7

6

12

11

10

2. Содержание анионов сильных кислот перед обессоливанием

мг×экв/кг

0,93 *

4,0

5,5

2,2

4,8

9,2

3. Производительность блока

м3

270

270

270

210

210

270

4. Объем катионита ** (СУ/НУ-2)

м3

17,8/18,2

8,9/22,7

31,6/18,2

18,2/18,2

-/36,4

13,7/40,0

5. Объем анионита AH-3I/AB-I7

м3

-/29,2

14,6/29,2

14,6/29,2

11,4/11,4

11,4/26,0

14,6/29,2

6. Объем воды за фильтроцикл

м3

13600

4550

5360

6800

4990

3200

7. Кратность расхода реагентов

г×экв/г×экв

1,5

1,05

1,05

1,1

1,05

1,05

8. Фильтроцикл

ч

51

17

20

32

24

12

9. Собственные нужды по обессоленной воде

%

1,5

6,9

7,6

4

II

16

* Содержание анионов сильных кислот без учета сбросных вод от МН-фильтров.

** Объем катионита с учетом загрузки МН-фильтров.

Примечание. Удельный расход соли для схем рис. 10 - 12 составляет 120 кг/м3.


Список использованной
литературы

1. ФЕЙЗИЕВ Г.К., Кулиев A.M., Джалилов М.Ф., Сафиев Э.А. Пути создания высокоэффективных схем бессточного обессиливания воды химическими методами. - Химия и технология воды, 1984, т.6, №1, с.68 - 71.

2. А.с. 697170 (СССР). Способ регенерации ионитных фильтров установки для обессоливания и умягчения воды. - Б.И., 1979, №42.

3. ФЕЙЗИЕВ Г.К., Искендеров Э.А. Теплоснабжение на базе теплоэлектроцентралей и районных котельных. - Баку: АзНИИНТИ, 1979, 20 с.

4. ВОДОПОДГОТОВКА - процессы и аппараты / Под ред. О.И. Мартыновой - М.: Атомиздат, 1977, 328 с.

5. СПРАВОЧНИК химика-энергетика / Под общ. ред. С.М. Гурвича - М.: Энергия, 1972, 456 с.

6. СЕНЯВИН М.М., Рубинштейн Р.Н., Галкина Н.К. и др. Теоретические основы деминерализации пресных вод. - М.: Наука, 1975, 326 с.

7. А.с. 676311 (СССР). Способ регенерации ионитных фильтров / Г.К. Фейзиев. - Б.И., 1979, №28.

8. А.с. 814443 (СССР). Способ регенерации анионитных фильтров химобессоливающей установки / Г.К. Фейзиев - Б.И., 1981, №11.

9. А.с. 850599 (СССР). Способ регенерации анионитных и катионитных фильтров обессоливающей установки / Г.К. Фейзиев, М.Ф. Джалилов, А.М. Кулиев, И.Г. Исмайлов - Б.И., 1981, №28.

10. А.с. 643432 (СССР). Способ обессоливания воды / Г.К. Фейзиев - Б.И., 1979, №3.