Меню
Навигация
Novatika
Первая линия

Типовая инструкция по эксплуатации сухих инерционных золоуловителей

Предназначена для персонала, связанного с организацией эксплуатации золоулавливающих установок.

Обозначение: РД 34.27.505-89
Название рус.: Типовая инструкция по эксплуатации сухих инерционных золоуловителей
Статус: действует
Заменяет собой: «Типовая инструкция по эксплуатации сухих инерционных золоуловителей. ТИ 34-70-012-82» (вып. 1983 г.)
Дата актуализации текста: 05.05.2017
Дата добавления в базу: 01.09.2013
Дата введения в действие: 01.01.1990
Утвержден: 25.09.1989 Минэнерго СССР (USSR Minenergo )
Опубликован: СПО Союзтехэнерго (1990 г. )
Ссылки для скачивания:

МИНИСТЕРСТВО ЭНЕРГЕТИКИ И ЭЛЕКТРИФИКАЦИИ СССР

УПРАВЛЕНИЕ
ПО
ОХРАНЕ ПРИРОДЫ

ГЛАВНОЕ ТЕХНИЧЕСКОЕ
УПРАВЛЕНИЕ
ПО
ЭКСПЛУАТАЦИИ ЭНЕРГОСИСТЕМ

 

ТИПОВАЯ ИНСТРУКЦИЯ
ПО
ЭКСПЛУАТАЦИИ СУХИХ
ИНЕРЦИОННЫХ
ЗОЛОУЛОВИТЕЛЕЙ

РД 34.27.505-89

 

 

 

СОЮЗТЕХЭНЕРГО

Москва 1990

 

РАЗРАБОТАНО        предприятием «Южтехэнерго» Производственного объединения по наладке, совершенствованию технологии и эксплуатации электростанций и сетей «Союзтехэнерго»

ИСПОЛНИТЕЛЬ       Е.Т. ДАРОВСКИЙ

УТВЕРЖДЕНО          Главным производственным управлением энергетики и электрификации 25.09.89 г.

Главный инженер Г.Г. ЯКОВЛЕВ

Управлением охраны природы 05.10.89 г.

Начальник И.Г. КАШТАНОВ

 

СОДЕРЖАНИЕ

 

ТИПОВАЯ ИНСТРУКЦИЯ ПО
ЭКСПЛУАТАЦИИ
СУХИХ
ИНЕРЦИОННЫХ
ЗОЛОУЛОВИТЕЛЕЙ

РД 34.27.505-89

Срок действия установлен

с 01.01.90 г.

до 01.01.99 г.

Настоящая Типовая инструкция распространяется на сухие инерционные золоуловители всех типов.

Типовая инструкция предназначена для персонала, связанного с организацией эксплуатации золоулавливающих установок.

С выходом настоящей Типовой инструкции отменяется «Типовая инструкция по эксплуатации сухих инерционных золоуловителей. ТИ 34-70-012-82» (М.: СПО Союзтехэнерго, 1983).

1. ОБЩИЕ ПОЛОЖЕНИЯ

1.1. Настоящая Типовая инструкция предназначена для персонала, осуществляющего эксплуатацию и ремонт сухих инерционных золоуловителей (циклонов, батарейных циклонов).

1.2. Персонал, обслуживающий золоуловители, должен соблюдать действующие «Правила техники безопасности при эксплуатации тепломеханического оборудования электростанций и тепловых сетей» (М.: Энергоатомиздат, 1984), а также меры предосторожности, изложенные в разд. 5 настоящей Типовой инструкции.

1.3. На основании настоящей Типовой инструкции применительно к конкретным условиям электростанции должна быть составлена и утверждена местная производственная инструкция по эксплуатации чертежами общего вида и схемой КИП).

1.4. Инструкцию должны знать и выполнять:

начальник смены котлотурбинного цеха;

старший машинист котельной (энергоблоков);

машинист котла (энергоблока);

машинист-обходчик по золоудалению;

старший мастер по оборудованию участка;

мастер по ремонту оборудования участка золоулавливания;

слесарь по ремонту оборудования золоулавливания.

1.5. Эксплуатация золоуловителей должна вестись в соответствии с требованиями:

настоящей Типовой инструкции;

действующих «Правил эксплуатации установок очистки газа» (М.: Минхиммаш, 1984);

действующих «Правил технической эксплуатации электрических станций и сетей» (М.: Энергия, 1977);

действующих «Правил техники безопасности при эксплуатации тепломеханического оборудования электростанций и тепловых сетей» (М.: Энергоатомиздат, 1984);

«Положения об организации эксплуатации золоулавливающих установок на тепловых электростанциях» (М.: СПО Союзтехэнерго, 1988).

1.6. Сборка, монтаж и приемка из монтажа золоуловителей должны выполняться в полном соответствии со строительными нормами и правилами разработанными для газоочистного оборудования НиП III.10.12-66).

1.7. Включение в работу золоуловителей производится после осмотра и проверки готовности их к эксплуатации (люки закрыты, посторонние предметы убраны, устройства для удаления золы подготовлены к работе).

1.8. Золоуловители должны быть оборудованы:

системой золоудаления;

системой виброотряхивания (для слипающейся пыли).

1.9. Технический осмотр состояния технологической и строительной частей золоуловителей должен проводиться в сроки и в объеме в соответствии с главой 11 «Правил технической эксплуатации электрических станций и сетей».

1.10. Для контроля за эксплуатацией золоуловителей на щите управления котлом (энергоблоком) должен находиться журнал учета дефектов и журнал учета показателей работы золоулавливающей установки, которые ведутся в соответствии с «Положением об организации эксплуатации золоулавливающих установок на тепловых электростанциях».

1.11. На каждую золоулавливающую установку должен быть составлен паспорт, в который заносятся все необходимые сведения (форма паспорта приведена в «Положении об организации эксплуатации золоулавливающих установок на тепловых электростанциях»).

1.12. Персонал должен принимать меры по восстановлению нормальной работы золоуловителя при обнаружении следующих нарушений:

работы с отклонением параметров (гидравлического сопротивления);

прекращения подачи воды на золосмывные аппараты или забивания их золой;

появлением присосов воздуха в золоуловители, превышающих нормативные.

1.13. Характерные неисправности в работе золоуловителей и меры по их устранению приведены в разд. 4.

1.14. Техническое описание золоуловителей приведено в справочном приложении.

2. ЭКСПЛУАТАЦИЯ ЗОЛОУЛОВИТЕЛЕЙ

2.1. Подготовку к включению в работу золоуловителей следует выполнять в такой последовательности:

произвести внутренний осмотр золоуловителей и убедиться в исправности их узлов;

убедиться в отсутствии людей и посторонних предметов в установке;

закрыть и загерметизировать люки;

произвести внешний осмотр золоуловителей, убедиться в целостности тепловой изоляции, отсутствии сквозных отверстий и других возможных мест присосов воздуха;

осмотреть золоспускные устройстваолосмывные аппараты, включая проверку состояния смывных сопл, клапаны, мигалки и др.) и убедиться в их исправности;

проверить исправность контрольно-измерительных приборов (проверка приборов выполняется работниками ТАИ);

проверить исправность узлов отсосной системы для батарейных циклонов ЦБР-150.

Все обнаруженные неисправности должны быть устранены до включения золоуловителей в работу.

Примечание. Первые три операции производятся в случаях, если во время останова золоуловитель был вскрыт или в нем работали люди.

2.2. Перед пуском газов в золоуловители следует подать воду в золосмывные аппараты, при наличии мигалок произвести их регулировку.

2.3. После пуска газов в золоуловители надо убедиться в отсутствии присосов воздуха на участке золоуловителей с помощью химических газоанализаторов (место присосов устанавливают по отклонению пламени свечи, струи дыма или, если применение открытого огня недопустимо, ленты из легкой ткани).

2.4. Включение в работу отсосной системы батарейных циклонов ЦБР-150 производится после перевода котла на твердое топливо.

2.5. После достижения котлом (энергоблоком) номинальной нагрузки проверяется гидравлическое сопротивление золоуловителей. При нормальном состоянии золоуловителей их сопротивление должно соответствовать значению, указанному в паспорте золоуловителя или в режимной карте котла.

2.6. Контроль режима осуществляется по контрольно-измерительным приборам не реже одного раза в смену с записью параметров работы золоуловителей (гидравлическое сопротивление по тягомерам, установленным на газоходах до золоуловителей и после них) в журнал учета показателей работы золоулавливающий установки.

2.7. При отклонении параметров работы золоуловителей от оптимальных, предусмотренных режимной картой котла, должны приниматься меры по выяснению причин нарушения работы и их устранению.

2.8. Проверка эффективности работы золоуловителей должна осуществляться после ввода в эксплуатацию, а также после каждого капитального ремонта. Испытания выполняются специализированными организациями или бригадами энергоуправлений, а также цехами наладки электростанций. Ежегодный контроль эффективности должен осуществляться эксплуатационным персоналом на основе «Методики определения степени очистки дымовых газов в золоулавливающих установках (экспресс-метод: РД 34.02.308-89)» (М.: СПО Союзтехэнерго, 1989).

2.9 Эксплуатационная эффективность золоуловителей определяется по приложению 2 «Правил организации контроля за выбросами в атмосферу на тепловых электростанциях и котельных: РД 34.02.306-88» (М.: СПО Союзтехэнерго, 1988).

2.10. Для обеспечения необходимой эффективности золоуловителей обслуживающий персонал должен систематически следить за:

гидравлическим сопротивлением циклонов или батарейных циклонов;

работой золоспускных устройств и своевременным удалением уловленной золы из бункеров или отдельных золоуловителейолоудаляющие и золосмывные устройства должны работать непрерывно);

работой отсосных дымососов, гидравлическим сопротивлением и плотностью основного газового тракта и отсосных циклонов (для батарейных циклонов ЦБР-150);

состоянием теплоизоляции золоуловителей;

герметичностью верхней трубной доски (батарейных циклонов), плотностью корпусов, золовых бункеров и золоотводящего тракта;

целостностью корпусов и выхлопных труб циклонов и циклонных элементов;

исправностью газораспределительных устройств в подводящих газоходах.

2.11. Для батарейных циклонов ЦБР-150 уход за работой отсосного тракта и отсосных дымососов осуществляется в соответствии с самостоятельной инструкцией.

2.12. После останова котла производится вентиляция золоуловителей воздухом и проверка воздуха на загазованность; для полного опорожнения золовых бункеров от золы золоудаляющие и золосмывные устройства должны оставаться в работе до полного опорожнения бункеров.

3. ОСМОТР ЗОЛОУЛОВИТЕЛЕЙ

3.1. Осмотр золоуловителей, а также золоудаляющих устройств для выявления неисправностей производится один раз в смену. При необходимости и в соответствии с графиком регулируются устройства золоудаления. Данные осмотров заносятся в журнал учета дефектов золоулавливающих установок.

3.2. Не реже одного раза в три месяца должен производиться технический осмотр золоуловителей.

Осмотр осуществляется комиссией, состав которой определяется администрацией электростанции, и включает в себя:

обследование состояния (проверка исправности) золоуловителей, водоспускных устройств, теплоизоляции;

контроль за соответствием режима работы золоуловителей указаниям производственной инструкции;

проверку наличия на рабочем месте машиниста котла производственной инструкции по эксплуатации золоуловителей, наличие и правильность ведения соответствующих журналов.

3.3. По данным осмотров составляются план и график профилактических ремонтов золоулавливающих установок.

3.4. Очистка, осмотр и ремонт внутренних элементов и газового тракта золоуловителей производятся во время остановов котла (энергоблока).

3.5. Система ремонта золоуловителей определяется «Положением о планово-предупредительном ремонте золоуловителей» (М.: СПО ОРГРЭС, 1976), в котором регламентируется планирование работ по ремонту, определены обязанности и ответственность сторон (заказчик и подрядчик) по проведению ремонта, ответственность за своевременный вывод золоуловителей в ремонт, за выполнение объема и качества работ и др.

3.6. Приемка золоуловителей из ремонта, оценка качества ремонта производятся согласно «Правилам организации технического обслуживания и ремонта оборудования, зданий и сооружений электростанций и сетей: РДПр 34-38-030-84» (М.: СПО Союзтехэнерго, 1985) и «Положению об организации эксплуатации золоулавливающих установок на тепловых электростанциях».

4. ХАРАКТЕРНЫЕ НЕИСПРАВНОСТИ И МЕРЫ ПО ИХ УСТРАНЕНИЮ

Неисправность, внешнее проявление и дополнительные признаки

Вероятная причина

Способ устранения

1. Гидравлическое сопротивление золоуловителей превышает расчетное значение

Действительный расход газов превышает расчетное значение

Проверка специальными испытаниями расхода и при подтверждении повышенного расхода и отсутствии запаса по тяге решение вопроса о реконструкции золоуловителей, заключающейся в увеличении их производительности

Повышенные присосы воздуха в газовом тракте до золоуловителей или в самих золоуловителях

Определение мест присосов и устранение их

Забивание золой отдельных циклонов или элементов батарейных циклонов вследствие неравномерного распределения газов между ними

Очистка циклонов и элементов, организация равномерного распределения газов путем установки в подводящих газоходах направляющих лопаток

Образование наростов золы на внутренних поверхностях золоуловителей или их элементов

Очистка внутренних поверхностей золоуловителей; восстановление или улучшение теплоизоляции

2. Увеличение гидравлического сопротивления газового тракта на участке «воздухоподогреватель - дымосос» при сопротивлении золоуловителей, равном или меньшем расчетного

Наличие отложений золы по тракту или других помех потоку газов

Осмотр газового тракта, удаление отложений золы или других помех потоку газов

3. Гидравлическое сопротивление золоуловителей ниже расчетного (при номинальной нагрузке котла)

Действительный расход газов ниже расчетного

Проверка расхода газов, отключение части циклонов или элементов батарейных циклонов

Изношены выхлопные трубы элементов батарейных циклонов

Замена изношенных труб или заварка отверстий

Наличие неплотностей в верхней трубной доске батарейного циклона

Устранение неплотностей в трубной доске с помощью сварки

4. Уменьшение выхода уловленной золы

Уменьшились скорости газов в золоуловителях вследствие сокращения расходов газов (действительный расход газов при номинальной нагрузке котла меньше расчетного)

Отключение (заглушка) части циклонов или элементов батарейных циклонов

Уменьшились размеры частиц золы вследствие более тонкого помола угольной пыли

Переход на работу с повышенным гидравлическим сопротивлением (если позволяет дымосос) путем отключения (заглушки) части циклонов или элементов батарейных циклонов

Наличие присосов воздуха через золовой бункер или золоспускной тракт

Определение мест присосов и устранение их

Вышел из строя дымосос системы рециркуляции батарейных циклонов ЦБР-150

Ремонт и включение в работу дымососа системы рециркуляции

Изношены корпусы и конусные части отсосных циклонов ЦБР-150

Устранение неисправностей в отсосных циклонах

Забита золой коническая часть отсосных циклонов ЦБР-150

Очистка от золы отсосных циклонов

Наличие неплотностей в верхней трубной доске батарейного циклона

Устранение неплотностей с помощью сварки

Износилась часть выхлопных труб элементов батарейного циклона

Отглушены или заменены негодные трубы элементов

5. Из бункеров золоуловителей не поступает зола

Забиты устья бункеров золой или в бункерах образовались своды золы

Очистка бункеров от золы

Не работают затворы-мигалки (при сухом золоудалении)

Регулировка мигалок

Наличие присосов воздуха через золоспускной тракт и золоудаляющие устройства

Устранение присосов воздуха через золоспускной тракт и наладка работы золоудаляющих устройств без присосов

Забиты золоотводящие отверстия конусов всех циклонов или элементов батарейного циклона

Очистка конусов циклонов или элементов батарейного циклона

5. МЕРЫ БЕЗОПАСНОСТИ

5.1. Руководители цехов электростанций, оснащенных сухими инерционными золоуловителями, обязаны для каждой должности определить, какие разделы и пункты настоящей Типовой инструкции, действующих «Правил техники безопасности при эксплуатации тепломеханического оборудования электростанций и тепловых сетей» и при необходимости других правил должен знать соответствующий работник, а также организовать инструктаж и обучение персонала с последующей проверкой знаний ПТБ и оформлением согласно «Руководящим указаниям по организации работы с персоналом на энергетических предприятиях и в организациях» (М.: Энергоатомиздат, 1963).

5.2. Средства защиты, инструмент и приспособления, применяемые при работах на золоуловителях, должны быть испытаны и эксплуатироваться в соответствии с «Правилами безопасности при работе с инструментами приспособлениями» (М.: Энергоатомиздат, 1988).

5.3. Весь персонал, обслуживающий золоуловители, должен быть обучен приемам оказания доврачебной помощи пострадавшим при несчастных случаях.

5.4. Дежурный и ремонтный персонал обязан пользоваться спецодеждой, спецобувью и индивидуальными средствами защиты, выдаваемыми согласно типовым отраслевым нормам, а также носить защитные каски.

5.5. Работы, проводимые внутри газоходов и золоуловителей, должны выполняться по нарядам согласно «Правилам техники безопасности при эксплуатации тепломеханического оборудования электростанций и тепловых сетей».

5.6. Внутренний осмотр золоуловителей и примыкающих к ним газоходов должны проводить не менее чем три человека, два из которых находятся снаружи около люка и должны быть готовы к оказанию помощи лицу находящемуся внутри золоуловителя или газохода.

5.7. Перед внутренним осмотром золоуловителей и газоходов необходимо проверить, нет ли очагов догорания топлива, унесенного дымовыми газами, и наростов в верхней части коробов и газоходов. Горячую золу следует смыть водой, золовые наросты сбить через люки, не заходя внутрь.

Открывать люки следует постепенно во избежание выбросов горячей золы. При открывании персоналу запрещается стоять против люков.

5.8. Допуск к работе внутри золоуловителей разрешается при выведенной из работы котельной установке с выполнением следующих мероприятий:

тщательной вентиляции золоуловителей и газоходов от дымовых газов;

отключения дутьевых вентиляторов и дымососов;

очистки внутренней поверхности от отложений.

5.9. Проводить работы в газоходах и золоуловителях при температуре воздуха в них выше 33 °С допускается только в исключительных случаях. При температуре выше 33 °С осмотр и аварийные работы должны проводиться в теплой спецодежде и валенках, в соответствии с п. 2.8.13 «Правил техники безопасности при эксплуатации тепломеханического оборудования электростанций и тепловых сетей».

5.10. При работе внутри газоходов и золоуловителей запрещается пользоваться переносными лампами напряжением более 12 В.

5.11. В случае забивания золоудаляющих устройств или золовых бункеров золой (снижение температуры золоспускной течки, непоступление золы в золосмывной аппарат и др.) необходимо оградить соответствующее подбункерное пространство в зольном помещении, вывесить на ограждении плакаты «ОСТОРОЖНО! ОПАСНАЯ ЗОНА» и принять срочные меры по удалению золы из золоудаляющих устройств и бункеров с выполнением правил техники безопасности.

5.12. Запрещается вести одновременно работы на верхней трубной доске и в золовом бункере.

5.13. После окончания ремонтных работ в золоуловителях перед закрытием люков руководитель (производитель) работ обязан лично убедиться в отсутствии людей, а также посторонних предметов, инструмента и мусора в золоуловителях.

5.14. Для доступа к люкам, шиберам и заборным устройствам приборов должны иметься стационарные лестницы и площадки с ограждениями.

Приложение

Справочное

ТЕХНИЧЕСКОЕ ОПИСАНИЕ ЗОЛОУЛОВИТЕЛЕЙ

Батарейные циклоны

Батарейный циклон представляет собой пылеулавливающий аппарат, составленный из параллельно включенных циклонных элементов, объединенных в одном корпусе и имеющих общие подвод и отвод газов, а также сборный бункер.

Очистка газов в батарейном циклоне достигается в результате воздействия на твердые частицы сил инерции, возникающих при вращении газового потока в циклонных элементах.

В настоящее время на ТЭЦ получили распространение батарейные циклоны ЦБУ-М, ЦБР-150, БЦ-512 и, в качестве противоизносного золоуловителя, устанавливаемого перед основным золоуловителем, прямоточный циклон.

Батарейный циклон ЦВУ-М (рис. 1) состоит из корпуса 1, в котором расположены циклонные элементы 2. В корпусе размещены под угломодна к другой нижняя трубная доска 3, в которую вставляются корпусы элементов, и верхняя трубная доска 4, к которой крепятся выхлопные трубы 5 циклонных элементов.

Рис. 1. Батарейный циклон с вертикальным расположением циклонных элементов

Трубные доски делят корпус на три камеры, которые сообщаются между собой только через циклонные элементы. Средняя камера неочищенного газа 6 предназначена для распределения по циклонным элементам неочищенного газа. В этой камере размещены входные патрубки циклонных элементов. Верхняя часть корпуса является камерой очищенного газа 7, в которую из выхлопных труб циклонных элементов поступают очищенные газы. Нижняя часть корпуса представляет собой общий для всех элементов золовой бункер 8. Из течки 9, имеющейся в нижней части бункера, уловленная зола поступает в систему золоудаления.

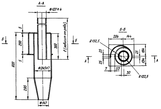
Батарейные циклоны ЦБУ включают циклонные элементы внутренним диаметром 231 мм (рис. 2) с полуулиточным подводом газов и углом охвата улиткой 180 °.

Рис. 2. Циклонный элемент аппарата ЦБУ-М

Техническая характеристика батарейных циклонов ЦБУ-М

Максимальное разрежение (давление) в батарейном циклоне, не более........ 3000 Па

Температура газов по условиям механической прочности, не более................. 400 °С

Превышение температуры очищенных газов на выходе из

батарейных циклонов над температурой точки росы, не менее............................ 10 °С

Условная скорость в сечении цилиндрической части циклонных элементов.. 4,5 м/с

Коэффициент гидравлического сопротивления, отнесенный

к динамическому напору в сечении цилиндрической

части циклонного элемента.......................................................................................... 110

Внутренний диаметр цилиндрической части циклонного элемента................. 231 мм

Степень очистки газов от золы в ЦБУ в зависимости от

фракционного состава........................................................................................ 88 - 90 %.

По условиям компоновки секций предусмотрены три типа исполнения ЦБУ:

I - с вертикальным расположением циклонных элементов (см. рис. 1);

II - с установкой циклонных элементов под углом 45° и восходящим движением газов (рис. 3);

III - с установкой циклонных элементов под углом 45° и подачей газа в рассечку между корпусами (рис. 4).

Рис. 3. Батарейный циклон с установкой циклонных элементов под углом 45° и восходящим движением газов

Рис. 4. Батарейный циклон с установкой циклонных элементов под углом 45° и подачей газа в рассечку между корпусами

Батарейный циклон ЦБР-150 (рис. 5) изготавливается секциями по 40 элементов, расположенных под углом 50° к горизонту. Циклонный элемент (рис. 6) представляет собой чугунную отливку с внутренним диаметром цилиндрической части 152 мм и полуулиточным подводом газов. Особенностью этого аппарата является система рециркуляции газов. Для этой цели часть газов из пылеспускной камеры отсасывается специально установленным дымососом рециркуляции через группу отсосных циклонов и подается в газоход, подводящий газы к ЦБР-150. Отсос газов из пылеспускной камеры способствует повышению степени очистки газов в батарейном циклоне.

Рис. 5. Батарейный циклон ЦБР-150 исполнения 2 с рециркуляцией газов:

1 - циклонный элемент; 2 - камера газов, поступающий на очистку; 3 - камера очищенных газов; 4 - золовая камера; 5 - дымосос рециркуляции; 6 - отсосные циклоны

Техническая характеристика батарейных циклонов ЦБР-150

Максимальное разрежение в батарейном циклоне, не более............................ 5000 Па

Давление, не более................................................................................................. 2500 Па

Температура газов по условиям механической прочности, не более................. 400 °С

Превышение температуры очищенных газов на выходе из

батарейных циклонов над температурой точки росы, не менее............................ 10 °С

Доля отсасываемого объема газов из пылеспускных камер батарейного

циклона в систему рециркуляции в общем объеме очищаемых

газов (через групповые циклоны ЦН-15), не более.................................................... 8 %

Рис. 6. Циклонный элемент аппарата ЦБР-150

Условная скорость в сечении цилиндрической части

циклонных элементов...................................................................................... 3,5 - 4,5 м/с

Коэффициент гидравлического сопротивления, отнесенный

к динамическому напору в сечении цилиндрической части элемента...................... 95

Внутренний диаметр цилиндрической части циклонного элемента................. 150 мм

Степень очистки газов от золы в ЦБР-150 в зависимости

от фракционного состава.................................................................................... 86 - 90 %

По конструкции батарейные циклоны ЦБР-150 выпускаются трех исполнений:

1 - набором от 4 до 12 секций с расположением двух секций в поперечном сечении по ходу газа;

2 - набором от 12 до 24 секций с расположением четырех секций в поперечном сечении по ходу газа;

3 - набором от 24 до 56 секций с расположением восьми секций в поперечном сечении по ходу газа.

Пример условного обозначения циклона:

ЦБР-150-2-16×48 - циклон батарейный с диаметром циклонного элемента 150 мм, исполнения 2, из 16 секций по 48 циклонных элементов в секции, ОСТ 26-14-76.

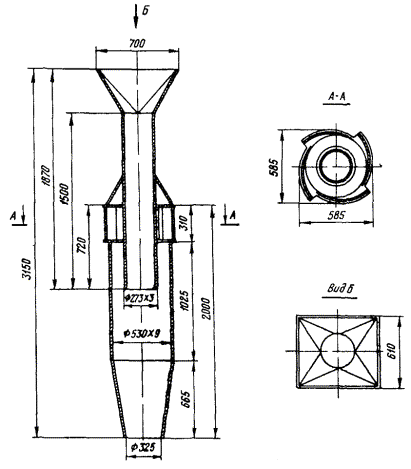
Батарейный циклон БЦ-512 (рис. 7) состоит из корпуса 1, входной 2 и выходной 3 камер, системы пожаротушения 4, бункера 5 и набирается из секций СЭЦ-24, состоящих из четырех рядов одиночных циклонных элементов 6 по шесть в каждом ряду. Батарейный циклон изготовляют одно-, двух-, трех-, четырёх- и шестисекционным. Циклонные элементы (рис. 8) изготовляются из стандартных труб диаметром 530×9 мм и снабжены сварными четырехзаходными улиточными завихрителями газов, обеспечивающими равномерное распределение запыленного потока внутри сепарационного объема, меньший износ и большую интенсивность сепарации по сравнению с завихрителями, имеющими сосредоточенный ввод.

Техническая характеристика батарейных циклонов БЦ-512

Максимальное разрежение (давление) в батарейном циклоне, не более...... 15000 Па

Температура газов по условиям механической

прочности, не более.................................................................................................. 400 °С

Превышение температуры очищенных газов на выходе

из батарейных циклонов над температурой точки росы, не менее....................... 10 °С

Условная скорость в сечении цилиндрической части

циклонных элементов...................................................................................... 3,5 - 4,5 м/с

Коэффициент гидравлического сопротивления, отнесенный

к динамическому напору в сечении цилиндрической

части циклонного элемента.......................................................................................... 130

Внутренний диаметр цилиндрической части циклонного элемента................. 512 мм

Доля отсасываемого объема газов из пылеспускных камер батарейного

циклона в систему рециркуляции в общем объеме очищаемых

газов (через групповые циклоны ЦН-15), не более.................................................... 8 %

Степень очистки газов от золы в БЦ-512 в зависимости

от фракционного состава.................................................................................... 86 - 90 %

Рис. 7. Батарейный циклон БЦ-512 - односекционный

Рис. 8. Циклонный элемент аппарата БЦ-512

Прямоточные циклоны

Прямоточные циклоны используются в качестве противоизносных золоуловителей для отделения крупных частиц высокоабразивной золы и устанавливаются перед эффективными, но чувствительными к износу аппаратами.

Прямоточный циклон (рис. 9) состоит из корпуса 1, к которому тангенциально приварен входной патрубок 2. Коническая часть корпуса заканчивается пылеотводящим отверстием. Для отвода очищенного газа служит отводящий патрубок 3, расположенный по центру в нижней части циклона. Для раскручивания газового потока в начале газоотводящего патрубка предусмотрен специальный направляющий аппарат 4.

Рис. 9. Прямоточный циклон

Для защиты от износа прямоточные циклоны имеют футеровку из термокислотоупорной керамической плитки ТК 230×113×50, что является их важным преимуществом перед циклонами других типов.

Техническая характеристика прямоточного циклона

Максимальное разрежение (давление) в прямоточном циклоне, не более..... 2500 Па

Температура газов по условиям механической прочности, не более................. 200 °С

Превышение температуры очищенных газов на выходе из

прямоточного циклона над температурой точки росы, не менее......................... 20 °С

Условная скорость в сечении цилиндрической части

прямоточного циклона, не более............................................................................... 8 м/с

Коэффициент гидравлического сопротивления, отнесенный к динамическому

напору в сечении цилиндрической части прямоточного циклона............................. 47

Степень очистки газов от золы в прямоточных циклонах в зависимости

от фракционного состава................................................................................... 50 - 60 %.