Меню
Навигация
Первая линия
Novatika

Типовая программа метрологической аттестации каналов телеизмерений оперативно-информационного комплекса автоматизированной системы диспетчерского управления

Обозначение: РД 34.11.408-91
Название рус.: Типовая программа метрологической аттестации каналов телеизмерений оперативно-информационного комплекса автоматизированной системы диспетчерского управления
Статус: действует
Дата актуализации текста: 05.05.2017
Дата добавления в базу: 01.09.2013
Дата введения в действие: 01.01.1992
Утвержден: 10.09.1991 Минэнерго СССР (USSR Minenergo )
Опубликован: СПО ОРГРЭС (1993 г. )
Ссылки для скачивания:

Министерство топлива и энергетики РОССИЙСКОЙ ФЕДЕРАЦИИ

ТИПОВАЯ ПРОГРАММА МЕТРОЛОГИЧЕСКОЙ АТТЕСТАЦИИ
КАНАЛОВ ТЕЛЕИЗМЕРЕНИЙ ОПЕРАТИВНО-
ИНФОРМАЦИОННОГО КОМПЛЕКСА
АВТОМАТИЗИРОВАННОЙ СИСТЕМЫ ДИСПЕТЧЕРСКОГО
УПРАВЛЕНИЯ

РД 34.11.408-91

МОСКВА 1993

РАЗРАБОТАНО предприятием «Сибтехэнерго» фирмы по наладке, совершенствованию технологии и эксплуатации электростанций и сетей ОРГРЭС

ИСПОЛНИТЕЛИ Т.Ш. АЛИЕВ, И.П. ПРИХОДЬКО, И.Л. ШАБАНОВ

УТВЕРЖДЕНО бывшим Главным научно-техническим управлением энергетики и электрификации Минэнерго СССР 10.09.91 г.

Заместитель начальника А.П. БЕРСЕНЕВ

СОГЛАСОВАНО с НПО «СИСТЕМА» Заместитель генерального директора А.Д. ПИНЧЕВСКИЙ

ТИПОВАЯ ПРОГРАММА МЕТРОЛОГИЧЕСКОЙ АТТЕСТАЦИИ КАНАЛОВ ТЕЛЕИЗМЕРЕНИЙ ОПЕРАТИВНО-ИНФОРМАЦИОННОГО КОМПЛЕКСА АВТОМАТИЗИРОВАННОЙ СИСТЕМЫ ДИСПЕТЧЕРСКОГО УПРАВЛЕНИЯ

РД 34.11.408-91

Вводится впервые

Срок действия установлен

с 01.01.1993 г. до 01.01.2003 г.

Настоящая Типовая программа определяет организацию, порядок, основные положения, методы, средства измерений, содержание и объем работ по метрологической аттестации (МА) оперативно-информационного комплекса автоматизированной системы диспетчерского управления (ОИК АСДУ) измерительных каналов телеизмерений (КТИ), которые обеспечивают измерения активной и реактивной модности, частоты, тока, напряжения в режиме нормального времени с минимальным запаздыванием информации с контролируемых пунктов.

Программа соответствует требованиям ГОСТ 8.326-89, ГОСТ 8.437-81, МИ 2002-89, МИ 1805-87, РА 34.11.202-87.

1. ОБЩИЕ ПОЛОЖЕНИЯ

1.1. Структурные схемы КТИ активной и реактивной мощности (Р, Q), частоты (F), тока (I) и напряжения (U) переменного тока. ОИК АСДУ могут быть радиальными или цепочечно-радиальными, имеющими телемеханические комплексы-ретрансляторы.

1.2. Разработку программы метрологической аттестации КТИ ОИК АСДУ в соответствии с МИ 2002-89 осуществляют:

для вновь вводимых в эксплуатацию ОИК АСДУ - организация-разработчик проектной документации;

для ОИК АСДУ, находящихся в эксплуатации - организация, эксплуатирующая ОИК АСДУ или сторонняя организация (ГОМС, БОМС), занимающаяся метрологическим обеспечением ИИС на договорных началах с организацией, представляющей ОИК АСДУ на метрологическую аттестацию.

1.3. Экспериментальные исследования КТИ ОИК АСДУ проводят для оценки их метрологических характеристик (MX) комплектным способом, методом образцовой меры, при котором на вход электрического тракта (ЭТ) НТИ подается образцовый сигнал и выходные значения регистрируются средствами отображения информации.

1.4. Первичный измерительный преобразователь (ПИП) аттестуется на основании данных протоколов поверки.

2. ЦЕЛИ И ЗАДАЧИ МЕТРОЛОГИЧЕСКОЙ АТТЕСТАЦИИ

2.1. Целью метрологической аттестации является экспериментальная оценка в рабочих условиях метрологических характеристик КТИ ОИК АСДУ, обеспечивающих оперативные достоверные измерения электрических параметров (Р, Q, F, U, I) по РД 34.11.207-89 для определения пригодности КТИ к эксплуатации и выдача свидетельства о метрологической аттестации

2.2. Задачи, решаемые при метрологической аттестации КТИ ОИК АСДУ:

определение параметров реальных условий эксплуатации КТИ и их влияние на погрешность измерения (по РД 50-453-84);

экспериментальная оценка количественных показателей метрологических характеристик КТИ, нормирование и представление их в соответствии с ГОСТ 8.009-64, РД 34.11.207-89, МИ 202-80;

проверка соответствия MX, полученных при экспериментальных исследованиях, с требованиями технического задания на КТИ ОИК АСДУ;

установка межповерочных интервалов КТИ в соответствии с требованиями МИ 1872-88, МИ 2002-89;

анализ метрологического обеспечения КТИ в соответствии с МИ 2002-89, ГОСТ 8.437-81, ГОСТ 8.326-89.

3. МАТЕМАТИЧЕСКАЯ МОДЕЛЬ ПОГРЕШНОСТИ КТИ

3.1. Выбор математической модели погрешности измерения КТИ в рабочих условиях эксплуатации осуществляется по ГОСТ 8.009-84.

                        (1)

где

s[dos] - оценка среднего квадратического отклонения (СКО) систематической составляющей основной погрешности КТИ, %,

s[do] - оценка СКО случайной составляющей основной погрешности КТИ, %

 - оценка СКО случайной составляющей основной погрешности, вызванной вариацией, %,

 - оценка СКО объединения дополнительных погрешностей (dдопxz) КТИ, вызванных действием влияющих величин xz, на КТИ, %,

F - число дополнительных погрешностей КТИ;

s[ddyn] - оценка СКО динамической погрешности КТИ, обусловленная влиянием скорости (частоты) изменения входного сигнала КТИ.

3.1.1. Метрологическая аттестация КТИ ОИК АСДУ проводится в условиях эксплуатации энергетического оборудования в базисном режиме с учетом всех дополнительных погрешностей вызванных отклонением влияющих величин от нормальных значений в соответствии с требованиями РД 34.11.201-87.

3.1.2. В базисном режиме работы энергооборудования параметры технологического процесса является стационарными величинами, поэтому в методике не рассматривается влияние динамических погрешностей АСИ на суммарную погрешность КТИ s[ddyn] = 0 по РД 34.11.201-87.

3.1.3. В настоящей Типовой программе под погрешностью КТИ понимается инструментальная составляющая погрешности dinstr по ГОСТ 8.009-84, МИ 1805-87.

3.1.4. В НТД на АСИ, входящих в КТИ, погрешность измерения указывается без разделения на систематическую и случайную составляющие основной погрешности АСИ (которые определяется при обработке результатов экспериментальных исследований КТИ), тогда

                                           (2)

3.2. При проведении метрологической аттестации НТИ оцениваются и нормируются по РД 34.11.201-87, РД 34.11.201-89 следующие метрологические характеристики:

математическое ожидание приведенной погрешности измерения 1-го КТИ (М[d1])

оценка среднего квадратического отклонения (СКО) случайной составляющей приведенной погрешности для 1-го КТИ (s[d1])

границы интервала, в котором с доверительной вероятностью (Ру) находится суммарная приведенная погрешность для 1 - го КТИ (vн[1]; vв[1])

3.3. Доверительная вероятность для оценки границ интервала, в котором находится суммарная приведенная погрешность КТИ, принимается Рд = 0,95, тогда уровень значимости при проверке статистических гипотез L = 0,05 по РД 34.11.201-87.

3.4. Закон распределения дополнительных погрешностей, вызванных отклонением внешних влияющих факторов, и вариации принимается равномерным в соответствии с РД 34.11.201-87.

3.5. Если для АСИ, входящих в состав КТИ, нормированы метрологические характеристики без разделения их на систематическую и случайную составляющие, то по ГОСТ 8.009-84, НИ 1805-87 принимается допущение, что погрешности АСИ являются случайными значениями, распределенными по закону равномерной плотности, т.е. внутри интервала, ограниченного предельными значениями погрешностей, все значения погрешностей равновероятны и для k-го АСИ l-го КТИ тогда

                                                           (3)

3.6. Оценка СКО погрешности l-го КТИ, состоящего из нескольких АСИ, для реальных условий эксплуатации по РД 34.11.207-89, МИ 1805-87 определяется по формуле

                                                         (4)

где k - номер АСИ в составе l-го КТИ;

N - количество АСИ, входящих в состав l-го КТИ;

s[dlk] - оценка СКО погрешности k-го АСИ l-го КТИ,

3.7. Оценка СКО погрешности k-го АСИ l-го КТИ определяется (РД 34.11.201-87) по формуле

                                       (5)

где

 - оценка СКО основной погрешности k-го АСИ l-го КТИ,

 - оценка СКО дополнительной погрешности k-го АСИ l-го КТИ, вызванной влиянием (xz) фактора, %,

z - номер влияющего фактора;

F - количество влияющих факторов.

3.8. Оценка СКО основной погрешности k-го АСИ l-го КТИ, распределенная по закону равномерной плотности распределения согласно п. 3.5, определяется по формуле

                                                           (6)

где

 - предел допускаемого значения основной погрешности k-го АСИ l-го КТИ (по НТД на конкретное АСИ), %,

Кр - коэффициент закона равномерной плотности распределения, погрешности при доверительной вероятности Pд = 1, Кр = 1,73.

3.9. Оценка СКО дополнительной погрешности k-го АСИ l-го КТИ, вызванной влиянием (xz) фактора согласно п. 3.4, определяются по формуле

                                                     (7)

где

 - значение дополнительной погрешности k-го АСИ l-го КТИ от (xz) влияющего фактора, %.

3.10. Дополнительная погрешность измерения за счет изменения влиявшего фактора определяется в соответствии с требованиями РД 50-453-84, РД 34.П.201-87 по формуле

dlk(xz) = epk(xz)Kek(xz),                                                      (8)

где

epk(xz) - наибольшее допускаемое изменение погрешности k-го АСИ l-го КТИ, вызванное отклонением z-го влияющего фактора (xz) от его нормального значения, %;

Kek(xz) - коэффициент, характеризующий отклонение z-го влияющего фактора (xz) от нормального значения (xz норм).

3.10.1. Если диапазон изменения z-го влияющего фактора (xz) от нормального значения влияющего фактора (xz норм) определяется Dxz = xz - xz норм, для которого нормирована метрологическая характеристика k-го АСИ epk, равен диапазону рабочих условий эксплуатации z-го влияющего фактора (xz норм; xz], k-го АСИ l-го КТИ, то

                                            (9)

3.10.2. Если диапазон изменения влияющего фактора Dxz, для которого нормирована метрологическая характеристика k-го АСИ, epk(Dxz), равен части t диапазона рабочих условий эксплуатации k-го АСИ, причем для любой части рабочих условий  нормируется одно и то же значение  тогда Кek определяется по формуле

                                           (10)

где

M(xz) - математическое ожидание влияющего фактора (xz) определяемое по эксплуатационным данным, которого определяется по формуле

                                                     (11)

где

xzd -значение z-го влияющего фактора xz, при d-ом результате наблюдения этого влияющего фактора;

п - количество результатов наблюдения z-го влияющего фактора xz.

3.10.3. Дополнительные погрешности k-го АСИ принимают существенными по ГОСТ 8.009-84, если их наибольшие возможные значения  не различаются более чем на 30 % и выполняется неравенство

                                                        (12)

3.11. Контроль влиявших величин производится с помощью средств измерений, приведенных в табл. 1 в местах:

установки ИПП, устройства телемеханики КП,

установки устройства телемеханики ПУ и ЭВМ.

3.12. При определении суммарной погрешности КТИ в реальных условиях эксплуатации производится суммирование более четырех независимых составляющих погрешности, распределенных по различным законам. В соответствия с центральной предельной теоремой теории вероятности принимается нормальный закон распределения суммарной погрешности (РД 34.11.201-87).

Таблица 1

Наименование средства измерения

Тип

Диапазон измерений

Основная погрешность, %

Назначение

Переносное средство задачи активной и реактивной мощности

УППВ-1

5 А, 100 В

-

Имитатор мощности Р и Q

Ваттметр

Л5106 (Д5056)

0 - 750 Вт

±0,1

Измерение мощности Р и Q

Источник регулируемого стабилизированного тока

АЖ-3

0,5 А

Задатчик переменного тока частоты 50 Гц, напряжением 100 В

Амперметр

Д5054

0 - 5 А

±0,1

Измерение переменного тока

Источник стабилизированного напряжения

ИСН-1

0 - 100 В

-

Задатчик напряжения переменного тока частоты 50 Гц

Вольтметр переменного тока

Д5055, Д57

0 - 100 В

+0,1

Измерение напряжения переменного тока частоты 50 Гц

Измерительный генератор

ГЗ-49

0 - 60 Гц

10,005

Задатчик частоты переменного тока

Усилитель мощности

Д561

0 - 380 В

±2

Для работы с задатчиком ГЗ-49

Программируемый калибратор

П-320

0 - 5 мА

±0,02

Образцовый задатчик тока 0 - 5 мА

Психрометр аспирационный

МВ-4М

20 - 100 %

±4

Измерение влажности воздуха

Барометр-анероид

ВД-49А

40 - 106,7 кПа (300 - 800 мм рт.ст.)

+133.3 Па (±1 мм рт.ст.)

Измерение атмосферного давления

Термометр лабораторный

ТЛ-4

0 - 50 °С

Цена деления ±0,1 °С

Измерение температуры окружающего воздуха

Анализатор гармонических составляющих электрической сети, цифровой

43250

0 - 5 %

±0,5

Для измерения искажения кривой напряжения, уровня высших гармонических составляющих тока и напряжения

0 - 10 %

±1,0

0 - 20 %

±2,0

0 - 40 %

±4,0

Вольтметр самопишущий

Н3093

15 - 600 В

±0,5

Для непрерывного измерения и регистрации напряжения питающей сети

Комплект приборов измерения вибрации

ЭКВ-1

5 - 1000 мкм, 15 - 10000 Гц, 0,1 - 8 Д

±2,0

Для измерения параметров вибрации

Микротесламетр

Г-79

0 - 1000 мкТл, 20 - 20000 Гц

±5,0

Для измерения напряженности магнитного поля

Частотометр самопишущей сети переменного тока

Н3097

48 - 52 Гц

±0,2

Для измерения и регистрации частоты в сети переменного тока

3.13. Характеристиками погрешности КТИ ОИК АСДУ для реальных условий эксплуатации являются нижняя vктм[1]н и верхняя vктм[1]в, границы доверительного интервала, в котором с вероятностью Рд = 0,95 находится суммарная погрешность КТИ, которые определяется согласно РД 34.11.201-87 по формулам

gкти[l]н = -Кнs[d(l)],                                                          (13)

gкти[l]в = +Кнs[d(l)],                                                          (14)

где Кн = 1,96, Рд = 0,95 - для закона нормальной плотности распределения погрешности измерения.

3.14. При расчетах суммарная погрешность l-го КТИ в реальных условиях эксплуатации  может быть получена из формул (5), (6), (7), (13), (14) и представлена в следующем виде

                                    (15)

3.15. Пределы допустимого значения приведенной основной погрешности и дополнительные погрешности АСИ КТИ ОИК АСДУ определяются по технической документации на конкретные технические средства ОИК АОДУ и приведены в табл. 2.

Таблица 2

Наименование влияющей величины

Допустимое значение

1. Измерительные промежуточные преобразователи, устройства телемеханики КП

1.1. Температура окружающего воздуха, °С

20 + 15/ -5/

1.2. Относительная влажность, %

60 + 30/ -40/

1.3. Атмосферное давление, кПа

101 ± 10

2. Устройства телемеханики ПУ и ЭВМ

2.1. Температура окружающего воздуха, °С

20 ± 5

2.2. Относительная влажность воздуха, %

60 ± 20

2.3. Атмосферное давление, кПа

101 ± 10

2.4. Отклонение частоты сети переменного тока, Гц

±0,1

2.5. Отклонение номинального напряжения, %

±5

2.6. Изменение формы кривой тока и напряжения, %

±5

Суммарные допустимые погрешности ПИП и ИШ определяется расчетным путем по пределам основных допустимых и дополнительных погрешностей, возникающих вследствие отклонения значений влияющих факторов за пределы, предусмотренные нормальными условиями (табл. 3).

Суммарная погрешность каждого ПИП и ИШ определяется как геометрическая сумма основной и дополнительной погрешности.

3.16. КТИ ОИК АСДУ считается годным к эксплуатации (по ТПР-29-77), если выполняется условие:

                                        (16)

где 0,8 - коэффициент запаса по точности, учитывающий изменение погрешности КТИ в процессе эксплуатации


Таблица 3

Тип АСИ

Основная допустимая погрешность, %

Дополнительные погрешности технических средств КТИ ОИК АСДУ от влияющих величин, %

Суммарная погрешность

Вариация выходного сигнала при плавном увеличении, уменьшении измеряемой величины

Отклонение температуры окружающего воздуха на каждые 10 °С

Отклонение коэффициента мощности от номинального

Отклонение напряжения в измеряемой цепи

Отклонение напряжения источника питания ИПП

Отклонение частоты напряжения в измеряемой цепи

Отклонение частоты питающего напряжения сети

Отклонение от несинусоидального напряжения в измеряемой сети

Отклонение от воздействия внешнего магнитного поля

Е831/1

1

-

0,8

-

-

0,5

-

-

-

1

1,96

Е831/2

Е831/3

0,5

-

0,4

-

-

0,2

-

-

-

1

Е831/4

1,38

Е849/1

Е849/2

Е849/3

1

-

1

1

1

0,5

-

0,5

1

1

2,99

Е828/1

Е828/2

1

0,5

1

0,5

0,5

-

-

0,5

0,5

2,07

Е828/3

Е828/4

0,5

0,25

0,5

-

0,5

0,5

-

-

0,5

-

1,27

Е825/1

0,5

-

0,5

-

-

0,5

0,5

-

1

0,5

1,73

Е824

0,5

-

0,5

-

-

0,5

0,5

-

1

0,5

1,73

Е825/2

1

-

0,5

-

-

0,5

0,5

-

1,5

0,5

2,45

Е748/1

0,5

-

-

-

-

-

-

-

-

-

0,5

Е748/2

0,25

-

-

-

-

-

-

-

-

-

0,25

Е829/1

Е829/5

1

-

1

1

1

0,5

0,5

-

1

1

2,99

Е830/1

1

-

1

1

1

0,5

0,5

-

1

1

2,99

ИПТА М301-1

0,5

-

0,5

-

-

-

0,5

-

0,5

0,5

1,38

Е829/3

0,5

-

0,5

0,5

0,5

0,25

0,25

-

0,5

0,5

1,5

Е812/2

1

0,5

1

-

1

-

0,5

0,5

1

0,5

2,24

Е729/2

1

0,5

1

1

0,5

-

0,5

-

1

0,5

2,53

Е728

1

0,5

1

1

0,5

-

0,5

-

1

0,5

2,53

Е860

0,5

0,5

0,4

0,5

0,5

0,5

0,5

-

0,5

0,5

1,7

МКТ-2, МКТ-3, ТМ-512, РПТ

1

-

-

-

-

-

-

-

-

-

1

АПД, ЭВМ

-

-

-

-

-

-

-

-

-

-

-

Примечания: 1. Для АПД и ЭВМ основная и дополнительная погрешности не нормируются. Для ИТТ, ИТН производится расчет дополнительной погрешности. Для ИТТ с основной допустимой погрешностью 0,5. По ГОСТ 7746-89 угловая погрешность aт = 30¢


Суммарная погрешность vS = 1 %.

Для ИТТ с основной допустимой погрешностью 0,2. По ГОСТ 7746-89 угловая погрешность aт = 10¢

Суммарная погрешность vS = 0,4 %.

Для ИТН с основной допустимой погрешностью 1. По ГОСТ 1983-89 угловая погрешность aн = 40¢.

Суммарная погрешность vS = 1,5 %.

При невыполнении условия КТИ бракуется и подлежит повторной поверке после устранения причин, вызвавших это.

4. ОБЩИЕ ТРЕБОВАНИЯ К КТИ ОИК АСДУ

4.1. Метрологическую аттестацию КТИ проводят не позднее 6 месяцев после непрерывной эксплуатации в соответствии с требованиями МИ 2002-89.

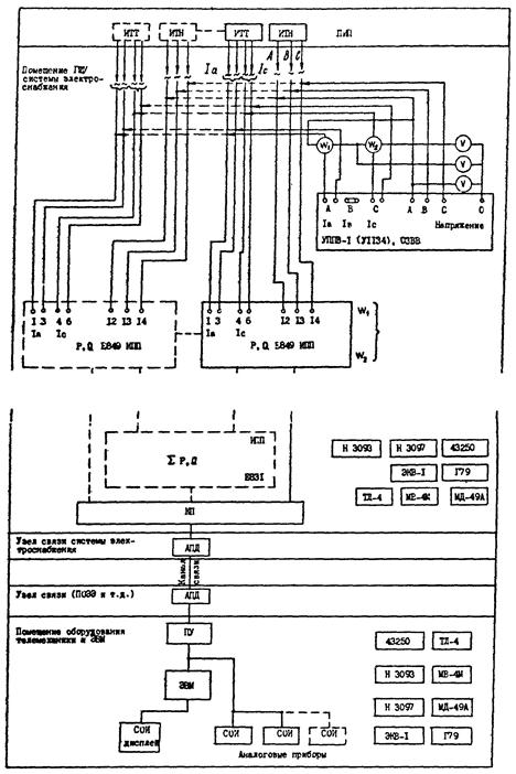
4.1.1. Структурная схема КТИ ОИК АСДУ совместно со средствами измерений и устройствами, применяемыми при метрологической аттестации, приведена на рис. 1.

4.2. Для подготовки КТИ к экспериментальным исследованиям необходимо:

4.2.1. Произвести внешний осмотр АСИ, в результате чего установить:

отсутствие механических повреждений;

укомплектованность АСИ блоками и субблоками;

надежность и качество заземления АСИ.

4.2.2. Включить питание всех АСИ и произвести корректировку нуля ИПП, устройств телемеханики, установленных на КП, ПУ в соответствии с эксплуатационной документацией.

4.2.3. Проверить правильность функционирования КТИ ОИК АСДУ в соответствии с инструкцией По эксплуатации телемеханического устройства.

4.2.4. Произвести расчет измеряемой мощности (Р и Q) КТИ ОИК АСДУ, проверить соответствия этой мощности номинальным значениям (I, U) установленных ИТН и ИТТ и диапазону измерения СОИ (дисплей и аналоговый или цифровой прибор).

4.2.5. Проверить соответствие номинального значения F, U, I диапазону измерений СОИ (дисплей, аналоговый и цифровой прибор), а также правильность выбора ИТТ и ИНН и соответствие номинальным значениям I, U.

4.2.6. Проверить соответствие степени сопряжения погрешности АСИ ОИК АСДУ с погрешностью устройства телемеханики (в идеале погрешности АСИ должны быть меньше или равны погрешности устройства телемеханики).

4.2.7. Проверить готовность к работе образцовых средств задачи входного воздействия, образцовых и вспомогательных средств измерений, средств контроля внешних влияющих факторов.

4.2.8. Произвести подсоединение образцового средства задачи входного воздействия к входу КТИ.

Рис. 1. Структурная схема КТИ ОИК АСДУ при проведении
метрологической аттестации

Примечание: Пунктиром показаны возможные варианты дополнений схемы.

4.2.9. Подготовить протокол наблюдения данных метеорологических исследований КТИ, форма которого приведена в приложении, в соответствии с требованиями МИ 2002-89.

5. ТЕХНИЧЕСКАЯ ДОКУМЕНТАЦИЯ

5.1. Техническую документацию, необходимую при проведении метрологической аттестации КТИ ОЖ АЦДУ, предоставляет энергопредприятие (объединение) в соответствии с требованиями МИ 2002-89 в следующем составе:

техническое задание на ОИК АСДУ;

техническое описание и инструкция по эксплуатации ОИК АСДУ;

акт о вводе ОИК АСДУ в опытную эксплуатацию;

специальные требования, предъявляемые к технике безопасности;

журнал опытной эксплуатации ОИК АСДУ;

структурные схемы КТИ ОИК АСДУ;

протокола поверки АСИ, входящих в КТИ ОИК АСДУ;

проект программы МА КТИ ОИК АСДУ;

проект методики поверни КТИ ОИК АСДУ;

проект перечня КТИ, подлежащих экспериментальным исследованиям при МА;

номенклатуру влияющих величин действующих на АСИ, входящих в КГИ, и их характеристики в виде таблиц, графиков.

5.2. Техническая документация на АСИ, входящие в КТИ ОИК АСДУ, дает возможность ознакомиться с эксплуатацией, наладкой и техническим обслуживанием данного АСИ и телемеханического устройства.

5.3. По результатам анализа проектной документации необходимо дать оценку эксплуатационной документации с точки зрения удобства пользовании ею обслуживающим персоналом, а также НТД с точки зрения полноты охвата материалов, правильности методов и средств поверки (по ГОСТ 8.38-81, ГОСТ 8.216.87, ГОСТ 8.217-88, ГОСТ 8.326-89, МИ 1570-86), установления периодичности поверок (по МИ 1872-88, МИ 2002-89).

6. ОБРАЗЦОВЫЕ СРЕДСТВА ИЗМЕРЕНИЙ

6.1. Образцовые средства измерений должны быть проверены и иметь в паспортах отметку о допуске к применению ими свидетельства о поверке. Допускается замена используемых образцовых средств измерения другими с метрологическими и техническими характеристиками не хуже, указанных в таблице.

6.2. Погрешность образцовых средств измерений, используемых при метрологической аттестации КТИ ОИК АСДУ, должна быть меньше в 4 раза расчетной погрешности КТИ ОЖ без учета ПИП (ТПр 29-77).

6.3. Условия эксплуатации образцовых средств измерений должны соответствовать требованиям НТД на эти средства.

7. ОБЩИЕ ТРЕБОВАНИЯ К ПРОВЕДЕНИЮ ЭКСПЕРИМЕНТАЛЬНЫХ ИССЛЕДОВАНИЙ КТИ ОИК АСДУ.

7.1. Из всей совокупности КТИ (Р, Q, E, U, I) ОИК АСДУ метрологической аттестации подлежат 100 % всех КТИ.

В отличие от совокупности ИК АСУ ТП электростанции (которые находятся в замкнутом объеме, т.е. в одной системе электроснабжения), где осуществляется представительная выборки измерительных каналов, при аттестации КТИ ОКК АСДУ выборка КТИ должна быть исключена по следующим причинам:

объекты электроснабжения, с которых передаются телеизмерения электрических параметров, находятся географически в разных местах, где внешние влияющие факторы отличаются друг от друга;

АСИ, шкалы (диапазоны измерений) КТИ ОИК АОДУ на разных объектах не одинаковы;

на каждом объекте системы электроснабжения количество измеряемых параметров (Р, Q, I, U, F) КТИ ОИК АОДУ невелико (от 3 до 16), поэтому проводить метрологические исследования избирательно (согласно выборке) не имеет смысла.

7.2. Перечень конкретных КТИ ОИК АСДУ, подлежащих экспериментальным исследованиям, должен быть утвержден главным инженером (ПОЭЗ и т.д.).

7.3. Установление количества исследуемых точек по диапазону: Для АСИ с аналоговым принципом измерения число поверяемых точек по диапазону измерения должно быть не менее шести равномерно отстоящих друг от друга, включая точки, лежащие вблизи верхнего и нижнего пределов диапазонов по Hip 66-81 приложение 3.

7.3.1. Для диапазона измерения электрических параметров (Р, Q, I, U, F), характеризующихся расположением нулевого значения измеряемой величины на краю диапазона измерений (нереверсивный), принимается количество исследуемых точек L = 6 (0; 20; 40; 60; 80; 100 % от верхнего предела измерений) по ГОСТ 26.205-88.

7.3.2. Для диапазона измерений электрических параметров прямых и обратных потоков активной и реактивной мощности (Р, Q), характеризующихся расположением нулевого значения измеряемой величины в середине диапазона измерений (реверсивный), принимается количество исследуемых точек L = 6 (-100; -60; -20; +20; +60; +100 %).

7.4. Установление количества наблюдений в исследуемых точках диапазона измерений

7.4.1. Количество наблюдений в исследуемых точках диапазоне измерений в соответствии с требованиями ТПр 66-81, МИ 2002-89 определяется по формуле

                                                               (17)

где n - суммарное количество наблюдений, состоящее из наблюдений при прямом ходе Nм и обратном ходе Nв

Рд - установленная доверительная вероятность, Рд = 0,95.

7.4.2. При проведении экспериментальных исследований КТИ ОИК АСДУ с установленной доверительной вероятностью Рд = 0,95 количество наблюдений должно быть не менее 40, в случае существенности случайной составляющей погрешности и вариации. При отсутствии вариации количество наблюдения должно быть не менее 20 по МИ 2002-89.

7.4.3. Оценка вариации проводится до выполнения экспериментальных исследований КТИ.

7.4.4. Наличие вариации определяется по результатам трех наблюдений в каждой из трех точек, выбранных так, чтобы они были «расположены равномерно по всему диапазону измерений». При этом среднее значение вариации  в единицах измеряемой величины в каждой v-ой точке диапазона измерений определяется как среднее арифметическое значение вариации из трех наблюдений

                                                           (18)

где

Hlgi - значение вариации в v-ой точке диапазона i-го наблюдения, в единицах измеряемой величины.

7.4.5. Значение вариации в v-ой точке диапазона измерений канала в единицах измеряемой величины определяется по формуле

                                                        (19)

где

 - значение измеряемой величины при прямом ходе в v-ой точке диапазона при i-ом наблюдений l-го КТИ;

 - значение измеряемой величины при обратном ходе в v-ой точке диапазона при i-ом наблюдении l-го КТИ.

7.4.6. За оценку вариации  принимается наибольшее из значений вариации для определяемой v-ой точки диапазона i-го КТИ

                                                               (20)

7.4.7. По ГОСТ 8.009-84 и МИ 2002 оценка СКО случайной погрешности, обусловленная вариацией s[dн] принимается существенной

                                                            (21)

где dn - коэффициент, зависящий от числа наблюдений,

при П = 40dn = 4,3;

при Л = 20dn = 3,7.

7.5. Установление требований к режиму измерений

7.5.1. Периодичность обновления информации на СОИ (дисплеи) при измерении электрических параметров осуществляется, как правило, с цикличностью 10 с.

7.6. Экспериментальные исследования:

7.6.1. Для проведения работ по метрологической аттестации КТИ ОИК АСДУ приказом по энергосистеме создается рабочая группа. В рабочую группу входят специалисты энергосистемы и организации, занимающейся метрологическим обеспечением на договорных началах.

7.6.2. Рабочая группа проводит исследования в соответствии с настоящей программой.

7.6.3. Подготовительные работы и операции по экспериментальным исследованиям КТИ проводятся персоналом рабочей группы.

7.6.4. Во время проведения экспериментальных исследований КТИ не допускается регулировка и настройка технических средств ОИК АСДУ.

7.6.5. При отрицательных результатах экспериментальных исследований КТИ последние подвергаются повторным испытаниям после устранения дефекта, неисправности, отказа. Дефект устраняет персонал энергосистемы.

7.6.6. На основании данной Типовой программы должны составляться программы метрологических аттестаций конкретных АСДУ, контроль за исполнением которых должен быть возложен на метрологическую службу этих систем.

7.7. Порядок проведения экспериментальных исследований КТИ ОИК АСДУ:

7.7.1. Экспериментальные исследования КТИ производятся в рабочих условиях при базисном режиме работы технологического оборудования, и нагрузка в цепях измерительных трансформаторов тока и напряжения должна соответствовать номинальным значениям (наличие акта или протокола измерений нагрузок службой РЗА энергопредприятий). При отсутствии протоколов измерений нагрузок измерительных трансформаторов тока и напряжения служба РЗА предприятий в месячный срок до проведения эксперимента обязана провести данную работу и представить протоколы результатов измерений.

7.7.2. Перед проведением экспериментальных исследований проводится инструктаж членов бригады, проводящих исследования по технике безопасности и особенностям эксплуатации оборудования.

7.7.3. В процессе экспериментальных исследований КТИ сигналы от имитаторов должны быть поданы на входы ИПП (преобразователь типа Е), при этом соединительные провода от вторичных цепей измерительных трансформаторов тока и напряжения должны быть предварительно отключены (см. рис. 1).

7.7.4. Перед началом проведения экспериментальных исследований КТИ должна быть установлена и опробована связь с мест подключения имитаторов входных сигналов (образцовое средство задачи входного воздействия) до средства отображения информации.

7.7.5. Персонал энергосистемы отключает линию связи первичного измерительного преобразователя (ИТТ, ИШ) в установленном порядке и подключает образцовое средство задачи входного воздействия.

7.7.6. Результаты экспериментальных исследований КТИ должны быть отражены в протоколе. Форма протокола приведена в приложении.

7.7.7. После окончания экспериментальных исследований оперативный персонал энергосистемы восстанавливает рабочую схему измерений в установленном порядке.

7.8. Проведение экспериментальных исследований:

7.8.1. Измерить и занести в протокол значения климатических условий проведения экспериментальных исследований КТИ, причем измерения атмосферного давления и влажности окружающего воздуха проводить два раза в смену: в начале и в конце. Температуру окружавшего воздуха, напряжение питания и частоту измерять один раз при исследовании каждого канала.

7.8.2. Отсоединить линии связи от входа ИПП (преобразователь типа Е) и подключить к входу ИПП образцовое средство задачи входного воздействия и задать образцовый сигнал, соответствующий первой исследуемой точке. Через промежуток времени, превышающий период обновления информации на средствах отображения информации, результаты наблюдений заносятся в протокол или регистрируются на бланке устройства печати.

После окончания исследований в конкретной точке диапазона измерений значение входного сигнала увеличивается (уменьшается) до значения следующей исследуемой точки.

7.8.3. После занесения в протокол необходимого количества наблюдений производится исследование в следующей точке диапазона измерений.

7.8.4. Результаты наблюдений по каждой исследуемой точке диапазона измерений проходят статистическую проверку на наличие грубых ошибок по СТ СЭВ ЭТб-78, СТ СЭВ 545-77.

7.8.5. При обнаружении грубых ошибок в какой-либо исследуемой точке диапазона измерений ошибочный результат наблюдений аннулируется. Число результатов наблюдений дополняется до необходимого количества средним арифметическим значением в исследуемой точке диапазона измерений.

7.8.6. После окончания экспериментальных исследований каналов оформляются протоколы испытаний, которые должны быть подписаны всеми специалистами, участвующими в экспериментальных исследованиях каналов и метрологической службой энергосистемы.

8. МЕТОДИКА ПРОВЕДЕНИЙ ЭКСПЕРИМЕНТАЛЬНЫХ ИССЛЕДОВАНИЙ КТИ

8.1. Методика проведения экспериментальных исследований КТИ активной и реактивной мощностей (Р, Q) ОИК АСДУ.

8.1.1. Для экспериментальных исследований КТИ активной и реактивной мощности (Р и Q > ОИК АСДУ подключается УППВ-1 (устройство задачи входного воздействия Р и Q) на вход ИШ, при этом измерительные трансформаторы тока и напряжения должны быть отключены в установленном порядке (рис. 2). При исследовании КТИ суммарной мощности (Р и Q) необходимо все токовые цепи фаз А и С соединить между собой согласно и последовательно, а затем концы от фаз А и С подключить к выходу ваттметров W1 и W2 соответственно. В случае расположения ИПП на больших расстояниях (блоки ТЭС) значения параметров SР, SQ полученные от каждого блока ТЭС (P1, P2, ... Pт) (Q1, Q2, ... Qn) необходимо суммировать на ЭВМ и сравнить с суммарным показанием, идущих по каналу телеизмерений на ПУ.

8.1.2. Включается установка УППВ-1 (схема измерения мощности с помощью двух ваттметров) и выставляются штекером токи фаз А и С с пределами 1 А или 5 А (в зависимости от варки и предела измерения токового входа ИПП).

Затем потенциометрами «А», «В», «С» регулировки входа выставляются по вольтметрам напряжения равные 100 В.

Для ваттметров со шкалой 150 делений, переключателя пределов измерений выставляются на предел «+150». Таким образом, для одноамперного преобразователя Е предельное значение мощности 150 Вт, для пятиамперного преобразователя Е значение мощности 750 Вт. В первом случае цена деления ваттметра - 1 Вт, а во втором случае - 5 Вт.

Показания ваттметров должны соответствовать для 100 % диапазона активной мощности Р = 86,6 делений на каждом ваттметре, а для 100 % диапазона реактивной мощности Q = 100 делений на каждом ваттметре.

Рис. 2. Схема проведения метрологических исследований КТИ
активной и реактивной мощностей (Р,
Q) ОИК АСДУ

Примечание - W1, W2 - образцовые ваттметры класса точности ОД (Д51О6)

В случае задачи 100 % диапазона мощности Р и Q необходимо достичь одинаковых показаний обоих ваттметров. Для этого следует ручкой фазорегулятора вращать до тех пор, пока показания ваттметров не станут максимальными и одинаковыми (86,6 делений для активной мощности Р; 100 деления для реактивной мощности Q). Это значит, что для Р (активной мощности) cosj = 1, а для Q (реактивной мощности) sinj = 1, при равных токах фаз А и С, т.е. 1 А или 5 А на выходе УППВ-1. Для случая cosj = -1 и sinj = -1 (реверсивный сигнал с отрицательным значением модности) производится переключение переключателя на ваттметрах на отрицательные пределы измерений, т.е. (минус 150 делений) на обоих ваттметрах, а также меняются местами провода токов фаз А и С на преобразователе Е соответственно.

Затем задавая IA и IC соответственно равным 4; 3; 2; 1; 0 А и получая максимальные одинаковые показания двух ваттметров, согласно расчетным значениям мощности по таблицам данных в инструкциях к преобразователям Е, производится отсчет показаний с СОИ и запись в протоколы наблюдений при метрологических испытаниях. Далее все операции выполняются согласно разд. 7.

8.2. Методика проведения экспериментальных исследований КТИ частоты переменного тока ОИК АСДУ

8.2.1. Для экспериментальных исследований КТИ частоты переменного тока F ОИК АСДУ подключается образцовое средство задачи входного воздействия девиации частоты (13-49 генератор измерительный, через усилитель мощности Ф561 с коэффициентом нелинейных искажений не более 2 % и выходным напряжением до 380 В) на вход ИПП (Е828), при этом должен быть отключен с входа ИПП измерительный трансформатор напряжения в установленном порядке (рис. 3).

Далее, задавая входной сигнал (F) частоты переменного тока 0; 20; 40; 60; 80; 100 % диапазона измерений генератором ГЗ-49, производят запись показаний СОИ в протокол наблюдений при метрологических испытаниях. Далее все операции выполняются согласно разд. 7.

Рис. 3. Схема проведения метрологических исследований КТИ
частоты переменного тока ОИК АСДУ

Примечание. V - вольтметр класса точности 0,1 (Д5055)

Рис. 4. Схема проведения метрологических исследований КТИ
напряжения переменного тока ОИК АСДУ

Примечание. V - вольтметр класса точности 0,1 (Д5055).

Рис. 5. Схема проведения метрологические исследований КТИ
переменного тока ОИК ДСДУ

Примечание. Д - амперметр класса точности 0,1.

8.3. Методика проведения экспериментальных исследований КТИ напряжения переменного тока ОИК АСДУ

8.3.1. Для экспериментальных исследований КТИ напряжения переменного тока подключается образцовое средство задачи входного напряжения переменного тока, рис. 4 (ИСН-1 - источник регулируемого синусоидального напряжения с коэффициентом нелинейных искажения не более 5 % и вольтметр класса точности 0,1) на вход № П (Е825) (при отключенном измерительном трансформаторе напряжения в установленном порядке). Далее все операции выполняются согласно разд. 7.

8.4. Методика проведения экспериментальных исследований КТИ переменного тока ОИК АСДУ

8.4.1. Для экспериментальных исследования КТИ переменного тока (рис. 5) подключается образцовое средство задачи входного воздействия переменного тока (ИСН-1 - источник регулируемого синусоидального тока частоты 50 Гц с коэффициентом нелинейных искажений не более 5 % и амперметр класса точности 0,1) на вход ИПП (Е824) (при отключенном измерительном трансформаторе тока в установленном порядке). Далее все операции выполняются согласно разд. 7.

9. ОБРАБОТКА РЕЗУЛЬТАТОВ ЭКСПЕРИМЕНТАЛЬНЫХ ИССЛЕДОВАНИЙ

9.1. Основными документами экспериментальных исследований являются протоколы наблюдений, полученных при экспериментальных исследованиях КТИ ОИК АСДУ, с последующей их обработкой на ЭВМ.

9.2. Определение метрологических характеристик КТИ и их нормирование производится по ГОСТ 8.009-61; ГОСТ 8.508-61; ГОСТ 8.207-76; СТ СЭВ 876-87 и РД 34.11.206-88.

9.3. Программа обработки данных, полученных в ходе проведения работ по метрологической аттестации КТИ ОИК АСДУ, написана для ЭВМ серии ВС на алгоритмическом языке ПЛ-1 и работает в среде операционной системы ОС ВС версии 6.1 и выше.

Программа хранится на магнитной ленте в виде исходных и загрузочных модулей. Размер оперативной памяти, необходимый для выполнения программы на ЭВМ, зависит от объема обрабатываемой информации и может находиться в пределах от 170 до 250 кБайт. Время обработки данных составляет от 3 до 7 мин.

Примечание. Держателем программы обработки является служба вычислительной техники предприятия «Донтехэнерго».

9.4. В результате обработки наблюдений определяются обобщенные метрологические характеристики КТИ и в соответствии с МИ 1317-86 выражаются интервалом, в котором с установленной вероятностью находятся погрешности КТИ.

Полученные метрологические характеристики КТИ приводятся в свидетельстве о метрологической аттестации КТИ ОИК АСДУ согласно П. 3.16 МИ 2002-89.

10. ОФОРМЛЕНИЕ РЕЗУЛЬТАТОВ МЕТРОЛОГИЧЕСКОЙ АТТЕСТАЦИИ

10.1. Результаты экспериментальных исследований КТИ ОИК АСЗДУ должны быть оформлены протоколом в соответствии с приложением, в котором отражаются все условия и результаты исследований.

10.2. По результатам обработки экспериментальных исследований КТИ ОИК АСДУ разрабатываются: свидетельство о метрологической аттестации; методические указания по поверке КТИ ОИК АСДУ в рабочих условиях эксплуатации.

11. ТРЕБОВАНИЯ ТЕХНИКИ БЕЗОПАСНОСТИ

11.1. Работа по экспериментальному исследованию КТИ ОИК АСДУ проводятся по наряду или распоряжению.

11.2. К работам по экспериментальным исследованиям КТИ ОИК АЦДУ допускаются лица, прошедшие проверю знаний по технике безопасности в объеме, определенном должностной инструкцией, и имеющие отметку в удостоверении о проверке знаний по технике безопасности.

11.3. Персонал, проводящий экспериментальные исследования КТИ ОИК АСДУ, должен пройти инструктаж по технике безопасности и особенностям эксплуатации оборудования на рабочих местах с соответствующей записью в журнале.

11.4. При проведении экспериментальных исследований КТИ ОИК АСДУ должны соблюдаться требования «Правил техники безопасности при эксплуатации электроустановок». (К.: Энергоатомиздат, 1987), ГОСТ 12.2.007.0-75, ГОСТ 12.2.077.3-75, ГОСТ 12.2.007.4-75. ГОСТ 12.2.007.6-75, ГОСТ 12.2.007.14-75, а также правил техники безопасности и инструкций, действующих на энергопредприятиях.

11.5. Во время проведения экспериментальных исследований КТИ ОИК АСДУ, по которым производятся распределения сигнала в цепи защит и блокировок, соответствующие защиты и блокировки по согласованию с оперативным персоналом энергопредприятия отключаются. Отключения осуществляются персоналом энергопредприятия.

11.6. При возникновении аварийных ситуаций на предприятии или изменении режима работы оборудования экспериментальные исследования КТИ ОИК АСДУ приостанавливаются, а персонал выводится в безопасное место.

12. ОРГАНИЗАЦИЯ И РАСПРЕДЕЛЕНИЕ РАБОТ

12.1. Энергосистема (ЕЗС, ОЭС, ПОЗЭ) издает приказ о проведении экспериментальных исследований КТИ ОИК АСДУ, в котором указываются ответственные лица по подготовке и проведению экспериментальных исследования КТИ от предприятия.

12.2. Энергосистема обеспечивает в установленном порядке бригаду Специалистов, проводящую экспериментальные исследования КТИ ОИК АСДУ, спецодеждой и средствами индивидуальной защиты.

12.3. Энергосистема представляет комплект проектной, рабочей и технической документации на КТИ ОИК АСДУ, необходимый для проведения метрологической аттестации.

12.4. Организация, занимающаяся метрологическим обеспечением, проводит анализ проектной и технической документации КТИ ОИК АСДУ, разрабатывает «Программу метрологической аттестации КТИ ОИК АСДУ» согласовывает ее с энергосистемой, утверждает ГОМС ИИС Минтопэнерго Российской Федерации.

12.5. Персонал предприятий энергосистем обеспечивает:

оперативное согласование и получение разрешения ПДП энергосистемы (ПОЭЭ и т.д.) на отключение схемы соответствующего КТИ ОИП АСДУ для проведения экспериментальных исследований;

выполнение организационных и технических мероприятий для обеспечения безопасности работ;

отключение и подключение линий связи от входа преобразователей типа Е (ИНН) в процессе проведения экспериментальных исследований КТИ;

организацию связи между помещением преобразователей типа Е (ИПП) и рабочим местом оператора-технолога устройств отображения информации;

подготовку КТИ и представление их на метрологическую аттестацию.

12.6. Обработку и анализ результатов экспериментальных исследований проводит персонал организации, занимающейся метрологической аттестацией КТИ ОИК АСДУ.

12.7. Образцовые средства измерений и материалы, необходимые для проведения экспериментальных исследований, представляет энергосистема (ПОЭЗ и т.д.). Организация, занимающаяся МА, разрабатывает и передает энергосистеме (ПОЭВ и т.д.) следующую техническую документацию:

программу метрологической аттестации каналов телеизмерения ОИК АСДУ;

методические указания по поверке КТИ ОИК АСДУ в рабочих условиях эксплуатации;

свидетельство о метрологической аттестации КТИ ОИК АСДУ.

12.8. Энергосистема (ПОЭЗ и т.д.) в обязательном порядке выделяет машинное время и дисплей для проведения экспериментальных исследований КТИ ОИК АСДУ.

Приложение

(Рекомендуемое)

ПРОТОКОЛ № _____________
НАБЛЮДЕНИЙ ПРИ МЕТРОЛОГИЧЕСКИХ ИСПЫТАНИЯХ
ИЗМЕРИТЕЛЬНЫХ КАНАЛОВ ИИС

Измерительный канал ____________________ Адрес _____________________ Позиция

_______________________ Условия проведения испытаний: температура окружающего

воздуха - в машзале ИИС, °С, ____________________________ в месте установки ПИП,

°С, __________, относительная влажность, __________________________; атмосферное

давление, гПа, _____________; вибрация: амплитуда, мкм, ______________, частота, Гц

________________, напряженность полей: магнитных, Ам, ________________________,

сопротивление линии связи, Ом, _____________ Электрические помехи: продольная Б,

____________, поперечная В, ______________, частота, Гц, ______________. Парметры

других влияющих величин: ___________________________________________________

 

Значение входного сигнала, %

Ход

Измеренное значение выходного сигнала

1

2

3

4

5

6

7

8

9

10

11

12

13

14

15

16

17

18

19

20

прямой

обратный

Исполнитель_______________

 

В Типовой программе применены следующие сокращения:

АСДУ - автоматизированная система диспетчерского управления;

АСИ - агрегатное средство измерений;

АПД - аппаратура передачи данных;

БОМС - базовая организация метрологической службы;

ГОМС - головная организация метрологической службы;

СТС - информационно-измерительная система;

ИК - измерительный канал;

ИПП - измерительный промежуточный преобразователь;

ИТТ - измерительный трансформатор тока;

ИТН - измерительный трансформатор напряжения;

КП - контролируемый пункт;

КТИ - канал телеизмерений;

НТД - нормативно-техническая документация;

СДУ - объединенное диспетчерское управление;

ОИК - оперативно-информационный комплекс;

ПИП - первичный измерительный преобразователь;

ПУ - пункт управления;

РЗА - релейная защита и автоматика;

СИ - средство измерения;

СОИ - средство отображения информации;

ЦДЛ - центральный диспетчерский пункт;

ЗВМ - электронно-вычислительная машина;

ОЗВВ - образцовый задатчик входного воздействия.

СОДЕРЖАНИЕ

1. Общие положения. 1

2. Цели и задачи метрологической аттестации. 2

3. Математическая модель погрешности КТИ.. 2

4. Общие требования к КТИ ОИК АСДУ.. 10

5. Техническая документация. 12

6. Образцовые средства измерений. 12

7. Общие требования к проведению экспериментальных исследований КТИ ОИК АСДУ. 12

8. Методика проведений экспериментальных исследований КТИ.. 15

8.1. Методика проведения экспериментальных исследований КТИ активной и реактивной мощностей (Р, Q) ОИК АСДУ. 15

8.2. Методика проведения экспериментальных исследований КТИ частоты переменного тока ОИК АСДУ.. 18

8.3. Методика проведения экспериментальных исследований КТИ напряжения переменного тока ОИК АСДУ.. 20

8.4. Методика проведения экспериментальных исследований КТИ переменного тока ОИК АСДУ.. 20

9. Обработка результатов экспериментальных исследований. 21

10. Оформление результатов метрологической аттестации. 21

11. Требования техники безопасности. 21

12. Организация и распределение работ. 22

Приложение. Протокол наблюдений при метрологических испытаниях измерительных каналов ИИС.. 22