Руководящий документ устанавливает методику выполнения измерений массовой концентрации нитратов в пробах природных и очищенных сточных вод фотометрическим методом в диапазоне от 0,005 до 0,800 мг/дм3 в пересчете на азот. При анализе проб воды с массовой концентрацией нитратного азота, превышающей 0,800 мг/дм3, допускается выполнение измерений после соответствующего разбавления пробы водой, не содержащей нитраты.
| Обозначение: | РД 52.24.523-2009 |
| Название рус.: | Массовая концентрация нитратов в водах. Методика выполнения измерений фотометрическим методом с сульфаниламидом и N-(1-нафтил)этилендиамина дигидрохлоридом после восстановления в кадмиевом редукторе |
| Статус: | действует |
| Заменяет собой: | «Методика выполнения измерений "Определение нитратов восстановлением до нитритов" в "Руководстве по химическому анализу поверхностных вод суши"» |
| Дата актуализации текста: | 05.05.2017 |
| Дата добавления в базу: | 01.09.2013 |
| Дата введения в действие: | 01.12.2009 |
| Утвержден: | 10.11.2009 Росгидромет (Rosgidromet ) |
| Опубликован: | Росгидромет, ГУ ГХИ (2009 г. ) |
| Ссылки для скачивания: |
Федеральная служба по гидрометеорологии и мониторингу
окружающей среды (Росгидромет)
РУКОВОДЯЩИЙ ДОКУМЕНТ |
РД |
МАССОВАЯ КОНЦЕНТРАЦИЯ НИТРАТОВ В ВОДАХ.
МЕТОДИКА ВЫПОЛНЕНИЯ ИЗМЕРЕНИЙ
ФОТОМЕТРИЧЕСКИМ МЕТОДОМ С СУЛЬФАНИЛАМИДОМ
И N-(1-НАФТИЛ)ЭТИЛЕНДИАМИНА
ДИГИДРОХЛОРИДОМ
ПОСЛЕ ВОССТАНОВЛЕНИЯ В КАДМИЕВОМ РЕДУКТОРЕ
Ростов-на-Дону
2009
Предисловие
1 РАЗРАБОТАН Государственным учреждением Гидрохимический институт (ГУ ГХИ)
2 РАЗРАБОТЧИКИ Л.В. Боева, канд. хим. наук, Ю.А. Андреев, О.В. Болотова, В.А. Волненко
3 СОГЛАСОВАН с ГУ «НПО «Тайфун» 08.05.2009 и УМЗА Росгидромета 03.11.2009
4 УТВЕРЖДЕН Заместителем Руководителя Росгидромета 10.11.2009
5 АТТЕСТОВАН ГУ ГХИ, свидетельство об аттестации методики выполнения измерений № 177.24-2008 от 15.12.2008
6 ЗАРЕГИСТРИРОВАН ЦМТР ГУ «НПО «Тайфун» за номером РД 52.24.523-2009 от 16.11.2009
7 ВЗАМЕН Методики выполнения измерений «Определение нитратов восстановлением до нитритов» в «Руководстве по химическому анализу поверхностных вод суши», с. 298
СОДЕРЖАНИЕ
Введение
Азот относится к числу биогенных элементов и его соединения имеют особое значение для развития жизни в водных объектах. При отсутствии азотсодержащих соединений в воде рост и развитие водной растительности прекращается, однако избыток этих соединений также приводит к негативным последствиям, вызывая процессы эвтрофикации водного объекта и ухудшение качества воды.
Источниками поступления соединений азота в природные воды являются разложение клеток отмерших организмов, прижизненные выделения гидробионтов, атмосферные осадки, фиксация из воздуха в результате жизнедеятельности азотфиксирующих бактерий. Значительное количество азота может попадать в водные объекты с бытовыми, сельскохозяйственными и промышленными сточными водами.
Понижение содержания соединений азота в водоемах связано, в основном, с потреблением их водными растениями. Некоторую роль в этом процессе играет денитрификация, т.е. перевод связанного азота в свободное состояние.
Минеральные формы азота в водных объектах представлены, главным образом нитратами, нитритами, аммиаком и ионами аммония. Нитраты являются конечным продуктом минерализации органических азотсодержащих веществ, их содержание в воде, как правило, значительно превышает содержание аммонийного и нитритного азота. В незагрязненных водных объектах концентрация нитратного азота обычно не превышает десятых долей миллиграмма в кубическом дециметре. Для нитратов характерно уменьшение содержания в вегетационный период за счет потребления водными растениями и увеличение осенью при отмирании водных организмов и минерализации органических веществ. Максимальное содержание нитратов наблюдается в зимний период.
Содержание нитратов в подземных водах обычно значительно выше, чем в поверхностных.
Предельно допустимая концентрация нитратного азота в природных водах составляет 9,1 мг/дм3 для водных объектов рыбохозяйственного назначения и 10 мг/дм3 - хозяйственно-питьевого и культурно-бытового назначения.
РУКОВОДЯЩИЙ ДОКУМЕНТ
МАССОВАЯ КОНЦЕНТРАЦИЯ НИТРАТОВ В ВОДАХ.
МЕТОДИКА ВЫПОЛНЕНИЯ
ИЗМЕРЕНИЙ
ФОТОМЕТРИЧЕСКИМ
МЕТОДОМ С СУЛЬФАНИЛАМИДОМ
И N-(1-НАФТИЛ)ЭТИЛЕНДИАМИНА
ДИГИДРОХЛОРИДОМ
ПОСЛЕ
ВОССТАНОВЛЕНИЯ В КАДМИЕВОМ РЕДУКТОРЕ
Дата введения - 2009-12-01
1.1 Настоящий руководящий документ устанавливает методику выполнения измерений (далее - методика) массовой концентрации нитратов в пробах природных и очищенных сточных вод фотометрическим методом в диапазоне от 0,005 до 0,800 мг/дм3 в пересчете на азот (далее - нитратный азот). При анализе проб воды с массовой концентрацией нитратного азота, превышающей 0,800 мг/дм3, допускается выполнение измерений после соответствующего разбавления пробы водой, не содержащей нитратов.
1.2 Настоящий руководящий документ предназначен для использования в лабораториях, осуществляющих анализ природных и очищенных сточных вод.
В настоящем руководящем документе использованы ссылки на следующие нормативные документы:
ГОСТ 12.1.005-88 ССБТ. Общие санитарно-гигиенические требования к воздуху рабочей зоны
ГОСТ 12.1.007-76 ССБТ. Вредные вещества. Классификация и общие требования безопасности
ГОСТ 17.1.5.04-81 Охрана природы. Гидросфера. Приборы и устройства для отбора, первичной обработки и хранения проб природных вод. Общие технические условия
ГОСТ 17.1.5.05-85 Охрана природы. Гидросфера. Общие требования к отбору проб поверхностных и морских вод, льда и атмосферных осадков
ГОСТ Р ИСО 5725-6-2002 Точность (правильность и прецизионность) методов и результатов измерений. Часть 6. Использование значений точности на практике
ГОСТ Р 51592-2000 Вода. Общие требования к отбору проб
МИ 2881-2004 Рекомендация. ГСИ. Методики количественного химического анализа. Процедуры проверки приемлемости результатов анализа
Примечание - Ссылки на остальные нормативные документы приведены в разделах 4, Б.3 и Б.4 (приложение Б).
3.1 При соблюдении всех регламентируемых методикой условий проведения измерений характеристики погрешности результата измерения с вероятностью 0,95 не должны превышать значений, приведенных в таблице 1.
Таблица 1 - Диапазон измерений, значения характеристик погрешности и ее составляющих при доверительной вероятности Р = 0,95
|
Диапазон измерений
массовой концентрации нитратного азота |
Показатель
повторяемости (среднеквадратическое отклонение повторяемости) |
Показатель
воспроизводимости (среднеквадратическое отклонение воспроизводимости) |
Показатель
правильности (границы систематической погрешности) |
Показатель
точности (границы погрешности) |
|
От 0,005 до 0,010 включ. |
0,001 |
0,001 |
0,002 |
0,003 |
|
Св. 0,010 до 0,300 включ. |
0,001 + 0,0087 ∙ Х |
0,001 + 0,048 ∙ Х |
0,034 ∙ Х |
0,004 + 0,077 ∙ Х |
|
Св. 0,300 до 0,800 включ. |
0,001 + 0,0087 ∙ Х |
0,018 |
0,034 ∙ Х |
0,004 + 0,077 ∙ Х |
При выполнении измерений в пробах с массовой концентрацией нитратного азота свыше 0,800 мг/дм3 после соответствующего разбавления границы погрешности измерения массовой концентрации нитратного азота в исходной пробе находят по формуле
± Δ = (± Δ1) ∙ η, (1)
где ± Δ1 - показатель точности измерения массовой концентрации нитратного азота в разбавленной пробе, рассчитанный по зависимости, приведенной в таблице 1;
η - степень разбавления.
Предел обнаружения нитратного азота фотометрическим методом с сульфаниламидом и N-(1-нафтил)этилендиамина дигидрохлоридом равен 0,003 мг/дм3.
3.2 Значения показателя точности методики используют при:
- оформлении результатов измерений, выдаваемых лабораторией;
- оценке деятельности лабораторий на качество проведения измерений;
- оценке возможности использования результатов измерений при реализации методики в конкретной лаборатории.
4.1.1 Фотометр или спектрофотометр любого типа (КФК-2, КФК-3, СФ-46, СФ-56 и др.).
4.1.2 Весы лабораторные высокого (II) класса точности по ГОСТ 24104-2001.
4.1.3 Весы лабораторные среднего (III) класса точности по ГОСТ 24104-2001 с наибольшими пределами взвешивания 200 г и 500 г.
4.1.4 Государственный стандартный образец состава водных растворов нитрат-ионов ГСО 7258-96 (далее - ГСО).
4.1.5 Колбы мерные 2-го класса точности исполнения 2, 2а по ГОСТ 1770-74 вместимостью: 100 см3 - 15 шт., 250 см3 - 1 шт., 500 см3 - 2 шт., 1000 см3 - 1 шт.
4.1.6 Пипетки градуированные 2-го класса точности исполнения 1, 2 по ГОСТ 29227-91 вместимостью: 1 см3 - 6 шт., 2 см3 - 3 шт., 5 см3 - 4 шт., 10 см3 - 2 шт.
4.1.7 Пипетки с одной отметкой 2 класса точности исполнения 2 по ГОСТ 29169-91 вместимостью: 5 см3 - 1 шт., 10 см3 - 2 шт., 20 см3 - 1 шт., 25 см3 - 1 шт., 50 см3 - 1 шт.
4.1.8 Цилиндры мерные исполнения 1, 3 по ГОСТ 1770-74 вместимостью: 25 см3 - 3 шт., 50 см3 - 2 шт., 100 см3 - 2 шт., 500 см3 - 1 шт., 1000 см3 - 1 шт.
4.1.9 Пробирки градуированные исполнения 1 (конические) по ГОСТ 1770-74 вместимостью 10 см3 - 2 шт.
4.1.10 Колбы конические Кн исполнения 2 по ГОСТ 25336-82 вместимостью: 50 см3 - 15 - 20 шт., 500 см3 - 2 шт.
4.1.11 Стаканы В-1, ТХС, по ГОСТ 25336-82 вместимостью: 150 см3 - 5 шт., 250 см3 - 2 шт., 600 см3 - 2 шт., 1000 см3 - 2 шт., 2000 см3 - 1 шт.
4.1.12 Редуктор (рисунок 1).
4.1.13 Стаканчики для взвешивания (бюксы) СВ-19/9 и СВ-24/10 по ГОСТ 25336-82 - 2 шт.
4.1.14 Воронки лабораторные, тип В по ГОСТ 25336-82 диаметром 56 мм - 2 шт.
4.1.15 Эксикатор исполнения 2 с диаметром корпуса 190 мм по ГОСТ 25336-82.
4.1.16 Устройство для фильтрования проб с использованием мембранных или бумажных фильтров
4.1.17 Шпатель пластмассовый.
4.1.18 Палочки стеклянные.
4.1.19 Промывалка.
4.1.20 Посуда стеклянная (в том числе темного стекла) для хранения проб и растворов вместимостью 0,1; 0,25; 0,5 и 1,0 дм3.
4.1.21 Посуда полиэтиленовая (полипропиленовая) для хранения проб и растворов вместимостью 0,25 дм3.
4.1.22 Шкаф сушильный общелабораторного назначения.
4.1.23 Холодильник бытовой.
4.1.24 Электроплитка с закрытой спиралью по ГОСТ 14919-83.
Примечание - Допускается использование других типов средств измерений, посуды и оборудования, в том числе импортных, с характеристиками не хуже, чем у приведенных в 4.1.
4.2.1 Калий азотнокислый (нитрат калия) по ГОСТ 4217-77, х.ч.
4.2.2 Аммоний хлористый (хлорид аммония) по ГОСТ 3773-72, ч.д.а.
4.2.3 N-(1-Нафтил)этилендиамин дигидрохлорид (N-(1-нафтил) этилендиаммоний двухлористый) C10H7NHCH2CH2NH2 ∙ 2HCl, по ТУ 6-09-15-420-80, ч.
4.2.4 Сульфаниламид (стрептоцид), ч.
4.2.5 Натрий азотистокислый (нитрит натрия) по ГОСТ 4197-74, х.ч.
4.2.6 Кислота уксусная по ГОСТ 61-75, х.ч.
4.2.7 Кислота соляная по ГОСТ 3118-77, х.ч.
4.2.8 Кислота серная по ГОСТ 4204-77, х.ч.
4.2.9 Квасцы алюмокалиевые по ГОСТ 4329-77, ч.д.а.
4.2.10 Аммиак водный по ГОСТ 3760-79, ч.д.а.
4.2.11 Барий хлорид 2-водный по ГОСТ 4108-72, ч.д.а.
4.2.12 Натрия гидроокись (гидроксид натрия) по ГОСТ 4328-77, ч.д.а.
Размеры даны в миллиметрах
Рисунок 1 - Редуктор
4.2.11 Барий хлорид 2-водный по ГОСТ 4108-72, ч.д.а.
4.2.12 Натрия гидроокись (гидроксид натрия) по ГОСТ 4328-77, ч.д.а
4.2.13 Кальций хлористый обезвоженный (гранулы) по ТУ 6-09-4711-81, ч.
4.2.14 Вода дистиллированная по ГОСТ 6709-72.
4.2.15 Вода бидистиллированная или деионированная.
4.2.16 Фильтры бумажные обеззоленные «белая лента» по ТУ 6-09-1678-86.
4.2.17 Фильтры мембранные «Владипор МФАС-ОС-2», 0,45 мкм, по ТУ 6-55-221-1-29-89 или другого типа, равноценные по характеристикам, или фильтры бумажные обеззоленные «синяя лента» по ТУ 6-09-1678-86.
4.2.18 Универсальная индикаторная бумага по ТУ 6-09-1181-76.
Примечание - Допускается использование реактивов, изготовленных по другой нормативной и технической документации, в том числе импортных, с квалификацией не ниже указанной в 4.2.
4.3.1 Источник постоянного тока (выпрямитель) любого типа, позволяющий получить напряжение на ячейке 3 В при величине тока не менее 2 А.
4.3.2 Вольтметр постоянного тока по ГОСТ 8711-93, позволяющий измерить напряжение 3 В.
4.3.3 Амперметр постоянного тока по ГОСТ 8711-93, позволяющий измерить ток 1 - 2 А.
4.3.4 Печь муфельная по ТУ 79 РСФСР 337-72.
4.3.5 Сосуд типа СЦ вместимостью 4 - 6 дм3 или СП вместимостью 5 дм3 или стакан Н исполнения 1, 2 вместимостью 5000 см3 по ГОСТ 25336-82.
4.3.6 Свинцовая или кадмиевая пластинка площадью 80 - 100 см3.
4.3.7 Кадмий в палочках, ч. или ч.д.а.; или кадмий гранулированный ч. или ч.д.а., сплавленный виде палочки по ТУ 6-09-5434-88.
4.3.8 Кадмий сернокислый (кадмия сульфат) по ГОСТ 4456-75, ч.д.а.
4.3.9 Медь сернокислая, 5-водная (меди сульфат) по ГОСТ 4165-78, ч.д.а.
Выполнение измерений массовой концентрации нитратов фотометрическим методом основано на восстановлении нитратов металлическим кадмием с последующим определением образующихся нитритов. Первичные ароматические амины, в частности сульфаниламид, в присутствии азотистой кислоты образуют диазосоединение, которое, вступая в реакцию азосочетания с N-(1-нафтил)этилендиамином, превращается в интенсивно окрашенный азокраситель. Максимум оптической плотности в спектре азокрасителя наблюдается при 543 нм.
Эффективность кадмия как восстановителя значительно возрастает, если он предварительно обработан раствором соли меди. Восстановленная при этом медь оседает на поверхности кадмия, образуя с ним гальваническую пару. Степень восстановления нитратов зависит от рН раствора и максимальна она в слабощелочной среде.
6.1 При выполнении измерений массовой концентрации нитратов в пробах природных и очищенных сточных вод соблюдают требования безопасности, установленные в национальных стандартах и соответствующих нормативных документах.
6.2 По степени воздействия на организм вредные вещества, используемые при выполнении измерений, относятся ко 2, 3 классам опасности по ГОСТ 12.1.007.
6.3 Содержание используемых вредных веществ в воздухе рабочей зоны не должно превышать установленных предельно допустимых концентраций в соответствии с ГОСТ 12.1.005.
6.4 Работу по получению и омеднению металлического кадмия следует проводить в резиновых перчатках.
6.5 Вредно действующие вещества подлежат сбору и утилизации в соответствии с установленными правилами.
6.6 Дополнительных требований по экологической безопасности не предъявляется.
К выполнению измерений и обработке их результатов допускаются лица с высшим и средним профессиональным образованием, освоившие методику.
При выполнении измерений в лаборатории должны быть соблюдены следующие условия:
температура окружающего воздуха (22 ± 5) °С;
атмосферное давление от 84,0 до 106,7 кПа (от 630 до 800 мм рт. ст.);
влажность воздуха не более 80 % при температуре 25 °С;
напряжение в сети (220 ± 10) В;
частота переменного тока в сети питания (50 ± 1) Гц.
9.1 Отбор проб для определения нитратов производят в соответствии с ГОСТ 17.1.5.05 и ГОСТ Р 51592. Оборудование для отбора проб должно соответствовать ГОСТ 17.1.5.04 и ГОСТ Р 51592. Пробу фильтруют через мембранный фильтр 0,45 мкм, очищенный двукратным кипячением в дистиллированной воде. Чистые фильтры хранят в плотно закрытом бюксе. При отсутствии мембранных допустимо использовать бумажные фильтры «синяя лента», промытые дистиллированной водой. При фильтровании через любой фильтр первые порции фильтрата следует отбросить. Пробы помещают в стеклянную или полиэтиленовую посуду с плотно закрывающейся пробкой. Объем отбираемой пробы не менее 250 см3.
9.2 Нитраты относятся к биохимически нестойким компонентом, поэтому анализ должен быть проведен в день отбора пробы. При охлаждении до 3 - 5 °С допускается хранение проб в течение 3 сут. При консервировании пробы серной кислотой из расчета 0,5 см3 кислоты на 250 см3 пробы допустимо хранение в течение 10 сут. при 3 - 5 °С и в течение 3 сут. при комнатной температуре. Перед выполнением измерений законсервированную кислотой пробу следует нейтрализовать 10 %-ным раствором гидроксида натрия. Более длительное хранение возможно при замораживании проб.
10.1.1 Раствор хлорида аммония, 5 г/дм3
Растворяют 5 г хлорида аммония в 1 дм3 дистиллированной воды. Раствор устойчив в течение 6 мес.
10.1.2 Раствор N-(1 -нафтил)этилендиамина дигидрохлорида
Взвешивают 0,5 г N-(1-нафтил)этилендиамина дигидрохлорида и растворяют его в 0,5 дм3 дистиллированной воды. Раствор устойчив в течение нескольких месяцев при хранении в темной склянке в холодильнике.
10.1.3 Раствор сульфаниламида, 1 %-ный
Взвешивают 5,0 г сульфаниламида, переносят его в мерную колбу вместимостью 500 см3, добавляют 300 см3 дистиллированной воды и 50 см3 концентрированной соляной кислоты. После растворения и охлаждения общий объем раствора доводят до метки на колбе дистиллированной водой. Раствор устойчив в течение нескольких месяцев при хранении в темной склянке в прохладном месте.
10.1.4 Раствор соляной кислоты 1:1
К 50 см3 дистиллированной воды прибавляют 50 см3 концентрированной соляной кислоты и перемешивают.
10.1.5 Раствор соляной кислоты, 0,05 моль/дм3
Приливают 4,4 см3 концентрированной соляной кислоты к 1 дм3 дистиллированной воды и перемешивают.
10.1.6 Раствор серной кислоты 1:1
Отбирают сухим цилиндром 50 см3 концентрированной серной кислоты и осторожно, при перемешивании, приливают кислоту к 50 см3 дистиллированной воды, помещенной в термостойкий стакан.
10.1.7 Раствор гидроксида натрия, 10 %-ный
Растворяют 20 г гидроксида натрия в 180 см дистиллированной воды. При хранении в полиэтиленовой посуде раствор устойчив.
10.1.8 Кадмий металлический омедненный
Кадмий металлический омедненный получают в соответствии с приложением А.
10.2.1 Омедненный кадмий переносят в редуктор, заполненный дистиллированной водой, следя за тем, чтобы он равномерно распределялся по колонке, без пустот и воздушных пузырьков. После заполнения редуктора омедненным кадмием необходимо пропустить через редуктор 1,0 - 2,0 дм3 стабилизирующего раствора с концентрацией нитратного азота 0,2 мг/дм3. Для его приготовления в мерную колбу вместимостью 1 дм помещают 0,8 см3 раствора нитрата калия с концентрацией нитратного азота 250 мг/дм3 (методика приготовления раствора нитрата калия приведена в приложении Б), добавляют 20 см3 раствора хлорида аммония, доводят дистиллированной водой до метки и перемешивают.
10.2.2 Для каждого вновь подготовленного редуктора следует установить оптимальную скорость пропускания пробы. Для этого берут по 100 см3 стабилизирующего раствора и пропускают его через редуктор с различной скоростью (в интервале от 8 до 14 см3/мин). Первые 60 - 65 см3 раствора, прошедшего через редуктор, отбрасывают, последующие 25 см3 отбирают мерным цилиндром в коническую колбу, добавляют 1 см3 раствора сульфаниламида и тщательно перемешивают. Через 5 мин прибавляют 1 см3 раствора N-(1-нафтил)этилендиамина дигидрохлорида и вновь тщательно перемешивают. Через 10 мин измеряют оптическую плотность полученного раствора в кювете с толщиной поглощающего слоя 1 см относительно дистиллированной воды при длине волны 543 нм на спектрофотометре или фотометре с непрерывной разверткой спектра или при 540 нм на фотометре, снабженном светофильтрами. Оптимальной является скорость, при которой оптическая плотность раствора максимальна.
10.2.3 Для определения степени восстановления редуктора следует сравнить оптическую плотность стабилизирующего раствора, полученного при пропускании его через редуктор с оптимальной скоростью, с оптической плотностью раствора с концентрацией нитритного азота 0,20 мг/дм3, к 25 см3 которого добавлены те же реактивы и в том же количестве, что и к раствору нитратов, пропущенному через редуктор.
При необходимости следует провести измерение оптической плотности холостой пробы и ввести поправку на концентрацию нитратного азота в дистиллированной воде.
Степень восстановления равна A(NO3-)/A(NO2-)100, где A(NO3-) и A(NO2-) - оптические плотности растворов нитрата и нитрита, соответственно, за вычетом оптической плотности холостой пробы. Удовлетворительным считается редуктор, для которого степень восстановления превышает 90 % (допустимо использовать редуктор со степенью восстановления не менее 80 %).
При падении степени восстановления редуктора следует кадмий из колонки перенести в стакан и промыть 300 см3 раствора соляной кислоты с концентрацией 0,05 моль/дм3, затем отмыть кадмий от мелких частиц дистиллированной водой. Промывание кадмия следует проводить до тех пор, пока вода над ним после взбалтывания не останется совершенно прозрачной.
Отмытый кадмий загружают в редуктор и вновь проверяют степень восстановления. Если указанная процедура не приведет к повышению степени восстановления, колонку следует заполнить свежей порцией омедненного кадмия.
Продолжительность работы кадмиевого редуктора зависит от состава анализируемой воды и может достигать 1 - 2 сотен проб.
10.3.1 Градуировочные растворы готовят из ГСО с массовой концентрацией нитрат-иона 1,00 мг/см3 (0,2259 мг/см3 нитратного азота).
Для приготовления градуировочного раствора № 1 вскрывают ампулу и ее содержимое переносят в сухую чистую коническую пробирку. С помощью чистой сухой градуированной пипетки вместимостью 5 см3 отбирают 4,45 см3 образца и переносят в мерную колбу вместимостью 100 см3. Объем в колбе доводят до метки дистиллированной водой и перемешивают. Массовая концентрация нитратного азота в градуировочном растворе № 1 составляет 10,05 мг/дм3 (если концентрация нитрат-ионов в ГСО не равна точно 1,00 мг/см3, рассчитывают массовую концентрацию нитратного азота в градуировочном растворе № 1 соответственно концентрации конкретного образца, либо пересчитывают объем стандартного образца, который необходимо отобрать, чтобы получить раствор с концентрацией нитратного азота 10,0 мг/дм3).
Градуировочный раствор № 1 следует хранить в холодильнике в плотно закрытой склянке не более 5 сут.
Для приготовления градуировочного раствора № 2 пипеткой с одной отметкой отбирают 10,0 см3 градуировочного раствора № 1, помещают его в мерную колбу вместимостью 100 см и доводят до метки дистиллированной водой. Массовая концентрация нитратного азота в градуировочном растворе № 2 составляет 1,00 мг/дм3.
Градуировочный раствор № 2 хранению не подлежит.
10.3.2 При отсутствии ГСО допускается в качестве градуировочных растворов использовать аттестованные растворы нитратов, приготовленные из нитрата калия (см. приложение Б).
10.4.1 Установление градуировочной зависимости для измерений в кювете с толщиной поглощающего слоя 5 см
Для приготовления градуировочных образцов в мерные колбы вместимостью 100 см3 с помощью градуированных пипеток вместимостью 1, 5 и 10 см3 приливают 0; 0,5; 1,0; 2,0; 4,0; 6,0 и 8,0 см3 градуировочного раствора № 2 с массовой концентрацией нитратного азота 1,00 мг/дм3. Объемы растворов доводят до меток на колбах дистиллированной водой. Массовая концентрация нитратного азота в полученных образцах составит соответственно 0; 0,005; 0,010; 0,020; 0,040; 0,060; 0,080 мг/дм3. К каждому раствору в мерной колбе приливают по 2 см3 раствора хлорида аммония, перемешивают и далее выполняют измерения согласно 11. Оптическую плотность образцов измеряют в кювете с толщиной поглощающего слоя 5 см. Оптическую плотность холостой пробы вычитают из оптической плотности образцов, содержащих нитраты.
Градуировочные зависимости оптической плотности образцов от массовой концентрации нитратного азота рассчитывают методом наименьших квадратов.
10.4.2 Установление градуировочной зависимости для измерений в кювете с толщиной поглощающего слоя 1 см
Для приготовления градуировочных образцов в мерные колбы вместимостью 100 см3 с помощью градуированных пипеток вместимостью 1; 2 и 5 см3 приливают 0; 0,5; 1,0; 1,5; 2,0 и 3,0 см3 градуировочного раствора № 1 с массовой концентрацией нитратного азота 10; 05 мг/дм3. Объемы растворов доводят до меток на колбах дистиллированной водой. Массовая концентрация нитратного азота в полученных образцах составит соответственно 0; 0,050; 0,101; 0,151; 0,201; 0,302 мг/дм3. Оптическую плотность образцов измеряют в кювете с толщиной поглощающего слоя 1 см. Оптическую плотность холостой пробы вычитают из оптической плотности образцов, содержащих нитраты.
Градуировочные зависимости оптической плотности образцов от массовой концентрации нитратного азота рассчитывают методом наименьших квадратов.
10.4.3 Установление градуировочной зависимости для измерений в кювете с толщиной поглощающего слоя 0,5 см
Для приготовления градуировочных образцов в мерные колбы вместимостью 100 см3 с помощью градуированных пипеток вместимостью 5 и 10 см3 приливают 0; 3,0; 4,0; 5,0; 6,0 и 8,0 см3 градуировочного раствора № 1 с массовой концентрацией нитратного азота 10,05 мг/дм3. Объемы растворов доводят до меток на колбах дистиллированной водой. Массовая концентрация нитратного азота в полученных образцах составит соответственно 0; 0,302; 0,402; 0,503; 0,603 и 0,804 мг/дм3. Оптическую плотность образцов измеряют в кювете с толщиной поглощающего слоя 0,5 см. Оптическую плотность холостой пробы вычитают из оптической плотности образцов, содержащих нитраты.
Градуировочные зависимости оптической плотности образцов от массовой концентрации нитратного азота рассчитывают методом наименьших квадратов.
10.4.4 Градуировочные зависимости устанавливают заново при использовании новых партий N-(1-нафтил)этилендиамина дигидрохлорида, сульфаниламида, замене омедненного кадмия в редукторе или замене измерительного прибора.
10.5.1 Контроль стабильности градуировочной характеристики проводят каждый раз перед анализом серии проб. Средствами контроля являются образцы, используемые для установления градуировочной зависимости по 10.4 (не менее 3 для каждой градуировочной зависимости).
Допускается проводить контроль стабильности градуировочной характеристики для одного диапазона измерений, если другие диапазоны не будут использованы для расчета результатов анализа в данной серии проб. Градуировочная характеристика считается стабильной при выполнении следующих условий
|X - Cг| ≤ σR, (2)
где X - результат контрольного измерения массовой концентрации нитратного азота в образце, мг/дм3;
Сг - приписанное значение массовой концентрации нитратного азота в образце, мг/дм3;
σR - показатель воспроизводимости для концентрации Сг, мг/дм3 (см. таблицу 1).
Если условие стабильности не выполняется для одного градуировочного образца, необходимо выполнить повторное измерение этого образца для исключения результата, содержащего грубую погрешность. При повторном невыполнении условия, выясняют причины нестабильности, устраняют их и повторяют измерение с использованием других образцов, предусмотренных методикой. Если градуировочная характеристика вновь не будет удовлетворять условию (2), устанавливают новую градировочную зависимость.
10.5.2 При выполнении условия (2) учитывают знак разности между измеренными и приписанными значениями массовой концентрации нитратного азота в образцах. Эта разность должна иметь как положительное, так и отрицательное значение, если же все значения имеют один знак, это говорит о наличии систематического отклонения. В таком случае требуется установить новую градуировочную зависимость.
11.1 Мерным цилиндром вместимостью 100 см3 отбирают 100 см3 анализируемой воды, помещают ее в сухой стакан вместимостью 150 см3, добавляют 2 см3 раствора хлорида аммония, перемешивают и пропускают через кадмиевый редуктор с оптимальной скоростью, добавляя пробу порциями объемом 20 - 30 см3. Первые 60 - 65 см3 пробы, прошедшие через редуктор, отбрасывают. Следующую порцию раствора объемом 25 см3 отбирают в мерный цилиндр вместимостью 25 см3. Цилиндр предварительно ополаскивают тем же раствором.
Из цилиндра пробу переносят в сухую коническую колбу вместимостью 50 см3, немедленно добавляют 1 см3 раствора сульфаниламида и тщательно перемешивают. Через 5 мин прибавляют 1 см3 раствора N-(1-нафтил)этилендиамина дигидрохлорида и вновь тщательно перемешивают. Через 10 мин измеряют оптическую плотность каждого из полученных растворов на спектрофотометре или фотометре с непрерывной разверткой спектра при длине волны 543 нм (на фотометре, снабженном светофильтрами - при 540 нм) относительно дистиллированной воды в кювете с толщиной поглощающего слоя 5; 1; см 0,5 см в зависимости от концентрации нитратного азота. Окраска полученных растворов устойчива не более 2 ч.
Если полученное значение оптической плотности превышает значение таковой для последней точки в кювете с толщиной поглощающего слоя 0,5 см, то проводят повторное измерение после разбавления пробы. Для разбавления отбирают аликвоту от 5 см3 до 50 см3 исходной пробы воды пипеткой с одной отметкой, помещают ее в мерную колбу вместимостью 100 см3, доводят до метки дистиллированной водой, добавляют 2 см3 раствора хлорида аммония и перемешивают. Аликвоту для разбавления следует выбирать таким образом, чтобы массовая концентрация нитратного азота в пробе после разбавления находилась в пределах от 0,10 до 0,50 мг/дм3.
Примечание - если известно, что концентрация нитратного азота в пробе превышает 0,5 мг/дм3, целесообразно сразу проводить измерения в разбавленной пробе для продления срока работы редуктора.
11.2 Одновременно с пробами выполняют холостой опыт. Если в пробах нитриты отсутствуют, в качестве холостого опыта используют 25 см3 дистиллированной воды (без пропускания через редуктор), к которой добавляют 1 см3 раствора сульфаниламида, перемешивают, через 5 мин прибавляют 1 см3 раствора N-(1-нафтил)этилендиамина дигидрохлорида, тщательно перемешивают и через 10 мин измеряют оптическую плотность. В том случае, когда нитраты определяются в разбавленной пробе, холостой выполняют со 100 см3 дистиллированной воды, к которой добавлено 2 см3 раствора хлорида аммония. После пропускания через редуктор, эту воду разбавляют дистиллированной водой в 1/η раз, где η - степень разбавления анализируемой пробы воды.
11.3 Если в пробе присутствуют нитриты, то в качестве холостого опыта используют 25 см3 анализируемой пробы воды (без пропускания через редуктор), к которой приливают 0,5 см3 раствора хлорида аммония и 1 см3 раствора сульфаниламида и перемешивают. Через 5 мин прибавляют 1 см3 раствора N-(1-нафтил)этилендиамина дигидрохлорида, тщательно перемешивают и через 10 мин измеряют оптическую плотность. Измерение оптической плотности холостого опыта выполняют в кюветах с той же толщиной поглощающего слоя, что и пробы.
Если анализируемая вода окрашена, следует выполнить измерение собственной оптической плотности воды, к 25 см3 которой добавлено 0,5 см3 раствора хлорида аммония и 1 см3 раствора сульфаниламида. Допускается измерять оптическую плотность пробы после добавления раствора сульфаниламида (до истечения 5 мин), а затем добавлять раствор N-(1-нафтил)этилендиамина дигидрохлорида, возвратив всю пробу обратно в коническую колбу. В том случае, когда выполнение измерений массовой концентрации нитратного азота проводят после разбавления пробы, холостой опыт выполняют на воде, разбавленной в той же пропорции.
11.4 Выполнению измерений мешают значительные количества гумусовых веществ, т.к. они вступают во взаимодействие с медью и кадмием с образованием комплексных соединений, накапливающихся на поверхности металла и нарушающих нормальную работу редуктора. Поэтому при анализе окрашенных вод необходима предварительная обработка исследуемой пробы суспензией гидроксида алюминия, не содержащей нитратов (приготовление суспензии описано в приложении В). Для этого 200 - 250 см3 анализируемой воды помещают в коническую колбу вместимостью 500 см3, приливают 6 - 8 см3 суспензии гидроксида алюминия и встряхивают до обесцвечивания жидкости. Дают пробе отстояться несколько минут и фильтруют через бумажный фильтр «белая лента», промытый дистиллированной водой. Первую порцию фильтрата следует отбросить, а из остальной порции отбирают необходимую для анализа аликвоту и проводят определение нитратов, как описано выше.
При достаточно высокой концентрации нитратного азота уменьшить влияние указанных веществ можно разбавлением пробы бидистиллированной водой таким образом, чтобы концентрация нитратного азота после разбавления составляла не менее 0,040 мг/дм3.
После пропускания пробы анализируемой воды с неизвестной массовой концентрацией нитратного азота, либо после пропускания пробы с высокой концентрацией, за которой должна пропускаться проба с низкой концентрацией нитратного азота, редуктор промывают не менее, чем 100 см3 дистиллированной воды с добавлением хлорида аммония.
12.1 Рассчитывают оптическую плотность Ах, соответствующую массовой концентрации нитратного азота в анализируемой пробе воды
Ах = А - (А1 - А2), (3)
где А - оптическая плотность анализируемой пробы воды;
A1 - оптическая плотность холостого опыта;
А2 - собственная оптическая плотность анализируемой воды; если холостой выполнен с использованием дистиллированной или неокрашенной пробы воды, А2 = 0.
12.2 По соответствующей градуировочной зависимости находят массовую концентрацию нитратного азота в анализируемой пробе воды X, мг/дм3, соответствующую полученному значению оптической плотности Ах.
Если проводилось разбавление исходной пробы воды, то полученный результат умножают на величину η = 100/V, где V - аликвота пробы, взятая для выполнения измерений, см3.
12.3 Результат измерения в документах, предусматривающих его использование, представляют в виде
X ± Δ, мг/дм3 (Р = 0,95), (4)
где ± Δ - границы характеристики погрешности результатов измерений для данной массовой концентрации нитратного азота, мг/дм3 (см. таблицу 1).
Численные значения результата измерения должны оканчиваться цифрой того же разряда, что и значения характеристики погрешности; последние не должны содержать более двух значащих цифр.
12.4 Допустимо представлять результат в виде
X ± Δл (Р = 0,95) при условии Δл < Δ, (5)
где ± Δл - границы характеристик погрешности результатов измерений, установленные при реализации методики в лаборатории и обеспечиваемые контролем стабильности результатов измерений, мг/дм3.
Примечание - Допустимо характеристику погрешности результатов измерений при внедрении методики в лаборатории устанавливать на основе выражения Δл = 0,84 ∙ Δ с последующим уточнением по мере накопления информации в процессе контроля стабильности результатов измерений.
12.4 Результаты измерений оформляют протоколом или записью в журнале, по формам, приведенным в Руководстве по качеству лаборатории.
13.1.1 Контроль качества результатов измерений при реализации методики в лаборатории предусматривает:
- оперативный контроль исполнителем процедуры выполнения измерений (на основе оценки погрешности при реализации отдельно взятой контрольной процедуры);
- контроль стабильности результатов измерений (на основе контроля стабильности погрешности).
13.1.2 Периодичность контроля исполнителем процедуры выполнения измерений, а также реализуемые процедуры контроля стабильности результатов выполняемых измерений регламентируются в Руководстве по качеству лаборатории.
13.2.1 Оперативный контроль исполнителем процедуры выполнения измерений проводят путем сравнения результатов отдельно взятой контрольной процедуры Кк с нормативом контроля К.
13.2.2 Результат контрольной процедуры Кк, мг/дм3, рассчитывают по формуле
Кк = Х" + (η - 1) ∙ Х' - Х - Сд, (6)
где X" - результат контрольного измерения массовой концентрации нитратного азота в пробе, разбавленной в η раз, с известной добавкой, мг/дм3;
X' - результат контрольного измерения массовой концентрации нитратного азота в пробе, разбавленной в η раз, мг/дм3;
X - результат измерения массовой концентрации нитратного азота в рабочей пробе, мг/дм3;
Сд - концентрация добавки, мг/дм3.
13.2.3 Норматив контроля К, мг/дм3, рассчитывают по формуле
(7)
где
- значения
характеристик погрешности результатов измерений, установленные при реализации методики
в лаборатории, соответствующие массовой концентрации нитратного азота в
разбавленной пробе с добавкой (разбавленной пробе, рабочей пробе), мг/дм3.
Примечание - Допустимо для расчета
норматива контроля использовать значения характеристик погрешности, полученные
расчетным путем по формулам ![]()
13.2.4 Если результат контрольной процедуры удовлетворяет условию
процедуру анализа признают удовлетворительной.
При невыполнении условия (8) контрольную процедуру повторяют. При повторном невыполнении условия (8) выясняют причины, приводящие к неудовлетворительным результатам, и принимают меры по их устранению.
14.1 Расхождение между результатами измерений, полученными в двух лабораториях, не должно превышать предела воспроизводимости. При выполнении этого условия приемлемы оба результата измерений и в качестве окончательного может быть использовано их общее среднее значение. Значение предела воспроизводимости R, мг/дм3, рассчитывают по формуле
R = 2,77σR (9)
где σR - показатель воспроизводимости методики, мг/дм3 (см. таблицу 1).
14.2 При превышении предела воспроизводимости могут быть использованы методы оценки приемлемости результатов измерений согласно разделу 5 ГОСТ Р ИСО 5725-6 или МИ 2881.
14.3 Проверка приемлемости проводится при необходимости сравнения результатов измерений, полученных двумя лабораториями.
(обязательное)
Получение кадмия металлического омедненного
А.1 Приготовление растворов
А.1.1 Раствор сульфата меди
10 г сульфата меди растворяют в 0,5 дм3 дистиллированной воды.
А.1.2 Раствор сульфата кадмия
Растворяют 400 г сульфата кадмия в 1 дм3 дистиллированной воды и доводят рН полученного раствора до 2 по универсальной индикаторной бумаге с помощью серной кислоты.
А.1.3 Раствор соляной кислоты, 0,05 моль/дм3
Приливают 4,4 см3 концентрированной соляной кислоты к 1 дм3 дистиллированной воды и перемешивают.
А.2 Получение электролитического кадмия
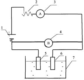
Для проведения электролиза собирают установку по схеме, приведенной на рисунке А.1.
1 - источник постоянного тока; 2 - переменное сопротивление; 3 - амперметр; 4 - вольтметр; 5 - анод (кадмиевая палочка, помещенная в мешочек из марли или неплотной ткани); 6 - катод (свинцовая или кадмиевая пластина); 7 - сосуд с раствором сульфата кадмия
Рисунок А.1 - Схема установки для получения кадмия электролизом
Электролит (раствор сульфата кадмия) помещают в сосуд вместимостью 4 - 6 дм3, в качестве которого могут использоваться сосуды цилиндрической или прямоугольной формы или стаканы (см. 4.3.5). Допустимо использовать аналогичные сосуды из полиэтилена или полипропилена. Высота электролита в сосуде должна быть не менее 12 см, расстояние между электродами не менее 8 - 10 см, напряжение на ячейке устанавливают 3 В при силе тока в цепи 0,8 - 1,2 А. Сила тока регулируется глубиной погружения кадмиевой палочки. Во избежание замыкания электроды не должны касаться дна и стенок электролизера.
Образующиеся в процессе электролиза кристаллы собирают пластмассовым шпателем непосредственно с катода. Не следует допускать, чтобы кристаллы скапливались на дне сосуда. Для предотвращения окисления кристаллы кадмия хранят под водой. Дальнейшему измельчению кадмий подвергать не следует.
Вместо свинцовой или кадмиевой пластины в качестве катода можно использовать кадмиевую палочку. В этом случае следует обязательно поставить стеклянную пластину между электродами, т.к. образующиеся на катоде кристаллы вытягиваются по направлению к аноду. Выход кадмия близок к теоретическому и составляет около 2 г/А∙ч.
А.3 Омеднение кадмия
Помещают 120 г электролитического кадмия в стакан вместимостью 1 дм3, промывают 300 см раствора соляной кислоты 0,05 моль/дм3, затем дистиллированной водой и заливают 500 см3 раствора сульфата меди. Перемешивают до почти полного обесцвечивания раствора сульфата меди (до появления черных мелкодисперсных частиц).
Вместо электролитического кадмия можно использовать также кадмиевые опилки, полученные измельчением кадмиевой палочки грубым напильником или пилой с крупными зубьями. Размер опилок должен быть около 1 мм.
После омеднения кадмий следует тщательно отмыть дистиллированной водой от мелких частиц, не осаждающихся в течение 2 - 3 с после интенсивного перемешивания кристаллов омеднённого кадмия в стакане с водой.
Хранить омеднённый кадмий следует в закрытой склянке под слоем дистиллированной воды, подкисленной соляной кислотой до рН 3.
(рекомендуемое)
Б.1 Назначение и область применения
Настоящая методика регламентирует процедуру приготовления аттестованных растворов нитрата калия, предназначенных для установления градуировочных характеристик приборов и контроля точности результатов измерений массовой концентрации нитратного азота в природных и очищенных сточных водах фотометрическим методом.
Б.2 Метрологические характеристики
Метрологические характеристики аттестованных растворов приведены в таблице Б.1.
Таблица Б.1 - Метрологические характеристики аттестованных растворов
|
Значение характеристики для аттестованного раствора |
|||
|
AP1-N-NO3 |
AP2-N-NO3 |
AP3-N-NO3 |
|
|
Аттестованное значение массовой концентрации нитратного азота, мг/дм3 |
250,0 |
10,00 |
1,000 |
|
Границы погрешности аттестованного значения массовой концентрации нитратного азота (Р = 0,95), мг/дм3 |
0,6 |
0,04 |
0,006 |
Б.3 Средства измерений, вспомогательные устройства, реактивы
Б.3.1 Весы лабораторные высокого (II) класса точности по ГОСТ 24104-2001.
Б.3.2 Колбы мерные 2 класса точности исполнения 2, 2а по ГОСТ 1770-74 вместимостью: 100 см3 - 1 шт., 250 см3 - 1 шт., 500 см3 - 1 шт.
Б.3.3 Пипетки с одной отметкой 2-го класса точности исполнения 2 по ГОСТ 29169-91 вместимостью: 10 см3 - 1 шт., 20 см3 - 1 шт.
Б.3.4 Стаканчик для взвешивания (бюкс) СВ-19/9 по ГОСТ 25336-82
Б.3.5 Воронка лабораторная по ГОСТ 25336-82 диаметром 56 мм.
Б.3.6 Палочка стеклянная.
Б.3.7 Шпатель пластмассовый.
Б.3.8 Эксикатор исполнения 2 с диаметром корпуса 190 мм по ГОСТ 25336-82 с хлоридом кальция.
Б.3.9 Промывалка.
Б.3.10 Склянки из темного стекла для хранения растворов вместимостью 250; 500 см3.
Б.3.11 Шкаф сушильный общелабораторного назначения.
Б.3.12 Холодильник бытовой.
Б.4 Исходные компоненты аттестованных растворов
Б.4.1 Калий азотнокислый (нитрат калия) по ГОСТ 4217-77, х.ч. с содержанием основного вещества KNO3 не менее 99,8 %.
Б.4.2 Вода дистиллированная по ГОСТ 6709-72.
Б.5 Процедура приготовления аттестованных растворов
Б.5.1 Приготовление аттестованного раствора AP1-N-NO3
Для приготовления аттестованного раствора AP1-N-NO3 взвешивают на лабораторных весах в бюксе с точностью до четвертого знака после запятой 0,4510 г нитрата калия, предварительно высушенного в сушильном шкафу при температуре 110 °С в течение 1 ч и охлажденного в эксикаторе над хлоридом кальция. Количественно переносят навеску в мерную колбу вместимостью 250 см3, растворяют в дистиллированной воде, доводят объём раствора до метки на колбе и перемешивают. Переносят раствор в склянку из темного стекла с хорошо притертой стеклянной или пластиковой пробкой.
Полученному раствору приписывают массовую концентрацию нитратного азота 250,0 мг/дм3.
Б.5.2 Приготовление аттестованного раствора AP2-N-NO3
Отбирают пипеткой с одной отметкой 20,0 см3 раствора AP1-N-NO3 и переносят его в мерную колбу вместимостью 500 см3. Объем раствора доводят до метки на колбе дистиллированной водой и перемешивают.
Полученному раствору приписывают массовую концентрацию нитратного азота 10,00 мг/дм3.
Б.5.3 Приготовление аттестованного раствора AP3-N-NO3
Отбирают пипеткой вместимостью 10 см3 с одной отметкой 10,0 см3 раствора AP2-N-NO3 и переносят его в мерную колбу вместимостью 100 см3. Объем раствора доводят до метки на колбе дистиллированной водой и перемешивают.
Полученному раствору приписывают массовую концентрацию нитратного азота 1,00 мг/дм3.
Б.6 Расчет метрологических характеристик аттестованных растворов
Б.6.1 Расчет метрологических характеристик аттестованного раствора AP1-N-NO3
Аттестованное значение массовой концентрации нитратного азота С1, мг/дм3, рассчитывают по формуле
(Б.1)
где m - масса навески нитрата калия, г;
V - вместимость мерной колбы, см3;
14,01 и 101,1 - масса моля азота и нитрата калия, соответственно, г/моль.
Расчет погрешности приготовления аттестованного раствора AP1-N-NO3 Δ1, мг/дм3, выполняют по формуле
(Б.2)
где Δµ - предельное значение возможного отклонения массовой доли основного вещества в реактиве от приписанного значения µ, %;
µ - массовая доля основного вещества (KNO3) в реактиве, приписанная реактиву квалификации «х.ч.», %;
Δm - предельная возможная погрешность взвешивания, г;
Δv - предельное значение возможного отклонения вместимости мерной колбы от номинального значения, см3.
Погрешность приготовления аттестованного раствора AP1-N-NO3 равна

Б.6.2 Расчет метрологических характеристик аттестованного раствора AP2-N-NO3
Аттестованное значение массовой концентрации нитратного азота С2, мг/дм3, рассчитывают по формуле
(Б.3)
где V1 - объем раствора AP1-N-NO3, отбираемый пипеткой, см3;
V2 - вместимость мерной колбы, см3.
Расчет погрешности приготовления аттестованного раствора AP2-N-NO3 Δ2, мг/дм3, выполняют по формуле
(Б.4)
где
- предельное значение
возможного отклонения объема V1 от номинального значения, см3;
- предельное значение
возможного отклонения вместимости мерной колбы от номинального значения, см3.
Погрешность приготовления аттестованного раствора AP2-N-NO3 равна

Б.6.3 Расчет метрологических характеристик аттестованного раствора AP3-N-NO3
Аттестованное значение массовой концентрации нитратного азота С3, мг/дм3, рассчитывают по формуле
(Б.5)
где С2 - приписанное раствору AP2-N-NO3 значение массовой концентрации нитратного азота, мг/дм3;
V3 - объем раствора AP2-N-NO3, отбираемый пипеткой, см3;
V4 - вместимость мерной колбы, см3.
Расчет погрешности приготовления аттестованного раствора AP3-N-NO3 Δ3, мг/дм3, выполняют по формуле
(Б.6)
где
- предельное значение
возможного отклонения объема V3 от номинального значения,
см3;
- предельное значение
возможного отклонения вместимости мерной колбы от номинального значения, см3.
Погрешность приготовления аттестованного раствора AP3-N-NO3 равна

Б.7 Требования безопасности
Необходимо соблюдать общие требования техники безопасности при работе в химических лабораториях.
Б.8 Требования к квалификации операторов
Аттестованный раствор может готовить инженер или лаборант со средним профессиональным образованием, прошедший специальную подготовку.
Б.9 Требования к маркировке
На склянки с аттестованными растворами должны быть наклеены этикетки с указанием условного обозначения аттестованного раствора, массовой концентрации нитратного азота, погрешности ее установления и даты приготовления.
Б.10 Условия хранения
Аттестованный раствор AP1-N-NO3 следует хранить в холодильнике в плотно закрытой склянке не более 6 мес.
Аттестованный раствор AP2-N-NO3 следует хранить в холодильнике в плотно закрытой склянке не более 5 сут.
Аттестованный раствор AP3-N-NO3 хранению не подлежит.
(обязательное)
Приготовление суспензии гидроксида алюминия
В стакане вместимостью 1 дм3 растворяют 63 г алюмокалиевых квасцов (KAl(SO4)2 · 12H2O) в 500 см3 дистиллированной воды. Нагревают раствор примерно до 60 °С и при постоянном перемешивании медленно прибавляют 28 см3 концентрированного раствора аммиака. Дают смеси отстояться в течение 1 ч, а затем промывают несколько раз дистиллированной водой, декантируя жидкость над осадком.
Отмывание осадка ведут до отрицательных результатов пробы на сульфаты с раствором хлорида бария. Для приготовления раствора 6 г хлорида бария растворяют в 90 см3 дистиллированной воды, добавляют 10 см3 концентрированной соляной кислоты и перемешивают. На 10 см3 промывной воды берут 1 см3 раствора хлорида бария.
Федеральная
служба по гидрометеорологии
и мониторингу окружающей среды
ГОСУДАРСТВЕННОЕ УЧРЕЖДЕНИЕ
ГИДРОХИМИЧЕСКИЙ ИНСТИТУТ
|
344090, г. Ростов-на-Дону пр. Стачки, 198 |
Факс: (863) 222-44-70 Телефон (863) 297-51-63 E-mail: ghi@aaanet.ru |
СВИДЕТЕЛЬСТВО
об
аттестации методики выполнения измерений № 177.24-2008
Методика выполнения измерений массовой концентрации нитратов в водах фотометрическим методом с сульфаниламидом и N-(1-нафтил)этилендиамина дигидрохлоридом после восстановления в кадмиевом редукторе,
разработанная Государственным учреждением Гидрохимический институт
и регламентированная РД 52.24.523-2009 Массовая концентрация нитратов в водах. Методика выполнения измерений фотометрическим методом с сульфаниламидом и N-(1-нафтил)этилендиамина дигидрохлоридом после восстановления в кадмиевом редукторе,
аттестована в соответствии с ГОСТ Р 8.563-96.
Аттестация осуществлена по результатам экспериментальных исследований.
В результате аттестации установлено, что методика выполнения измерений соответствует предъявляемым к ней метрологическим требованиям и обладает метрологическими характеристиками, приведенными в таблицах 1 и 2.
Таблица 1 - Диапазон измерений, значения характеристик погрешности измерений и ее составляющих при принятой вероятности Р = 0,95
|
Диапазон измерений
массовой концентрации нитратного азота |
Показатель
повторяемости (среднеквадратическое отклонение повторяемости) |
Показатель
воспроизводимости (среднеквадратическое отклонение воспроизводимости) |
Показатель
правильности (границы систематической погрешности) |
Показатель
точности (границы погрешности) |
|
От 0,005 до 0,010 включ. |
0,001 |
0,001 |
0,002 |
0,003 |
|
Св. 0,010 до 0,300 включ. |
0,001 + 0,0087 ∙ Х |
0,001 + 0,048 ∙ Х |
0,034 ∙ Х |
0,004 + 0,077 ∙ Х |
|
Св. 0,300 до 0,800 включ. |
0,001 + 0,0087 ∙ Х |
0,019 |
0,034 ∙ Х |
0,004 + 0,077 ∙ Х |
Таблица 2 - Диапазон измерений, значения пределов повторяемости и воспроизводимости при принятой вероятности Р = 0,95
|
Диапазон измерений
массовой концентрации нитратного азота |
Предел
повторяемости (для двух результатов параллельных определений) |
Предел
воспроизводимости (для двух результатов измерений) |
|
От 0,005 до 0,010 включ. |
0,003 |
0,003 |
|
Св. 0,010 до 0,300 включ. |
0,003 + 0,024 ∙ Х |
0,003 + 0,13 ∙ Х |
|
Св. 0,300 до 0,800 включ. |
0,003 + 0,024 ∙ Х |
0,050 |
3 При реализации методики в лаборатории обеспечивают:
- оперативный контроль исполнителем процедуры выполнения измерений (на основе оценки погрешности при реализации отдельно взятой контрольной процедуры);
- контроль стабильности результатов измерений (на основе контроля стабильности погрешности).
Алгоритм оперативного контроля исполнителем процедуры выполнения измерений приведен в РД 52.24.523-2009.
Периодичность оперативного контроля и процедуры контроля стабильности результатов выполнения измерений регламентируют в Руководстве по качеству лаборатории.
Дата выдачи свидетельства 15.12.2008.
|
Директор |
|
A.M. Никаноров |
|
Главный метролог |
|
А.А. Назарова |