Инструкция устанавливает единый порядок разработки, оформления, согласования, утверждения, внесения изменений, пересмотра норм расхода сырья и материалов, драгоценных металлов на изготовление изделий основного производства, выполнение научно-исследовательских работ, опытно-конструкторских и экспериментальных работ, порядок разработки планов организационно-технических мероприятий по экономии материалов и драгоценных металлов в отрасли.
| Обозначение: | РД 50-657-88 |
| Название рус.: | Инструкция. Материалы и драгоценные металлы. Порядок нормирования |
| Статус: | действует |
| Дата актуализации текста: | 05.05.2017 |
| Дата добавления в базу: | 01.09.2013 |
| Дата введения в действие: | 01.07.1988 |
| Утвержден: | 16.12.1987 Госстандарт СССР (USSR Gosstandart 538) |
| Опубликован: | Издательство стандартов (1988 г. ) |
| Ссылки для скачивания: |
ИНСТРУКЦИЯ
МАТЕРИАЛЫ И ДРАГОЦЕННЫЕ МЕТАЛЛЫ
ПОРЯДОК НОРМИРОВАНИЯ
РД 50-657-88
ИНСТРУКЦИЯ
|
Материалы и
драгоценные |
РД 50-657-88 |
Дата введения 01.07.88
Настоящая инструкция устанавливает единый порядок разработки, оформления, согласования, утверждения, внесения изменений, пересмотра норм расхода сырья и материалов (в дальнейшем материалов), драгоценных металлов на изготовление изделий основного производства, выполнение научно-исследовательских работ (НИР), опытно-конструкторских (ОКР) и экспериментальных работ; порядок разработки планов организационно-технических мероприятий по экономии материалов (ОТМ), а также единые формы нормативной документации по нормированию материалов и драгоценных металлов в отрасли.
Настоящая инструкция Обязательна для организаций и предприятий Государственного комитета СССР по стандартам (Госстандарта СССР).
1.1. Нормирование расхода материалов и драгоценных металлов - это установление плановой меры их производственного потребления. Нормирование включает разработку и утверждение норм расхода материалов на производство единицы (работы) планируемой продукции по установленной номенклатуре.
1.2. Нормирование расхода материалов и драгоценных металлов предусматривает:
1) установление экономически и технически обоснованных норм расхода в принятых единицах измерения;
2) пересмотр норм расхода в результате внедрения прогрессивных технологических методов, передового опыта в промышленности и анализа данных о фактическом расходе материалов и драгоценных металлов.
1.3. Нормированию подлежат все виды сырья и материалов.
1.4. Норма расхода - это максимально допустимое количество материала на производство единицы продукции (работы) установленного качества в планируемых условиях производства.
1.5. Нормы расхода материалов и драгоценных металлов на планируемый период на производство конкретной продукции должны быть ниже уровня норм текущего года и фактического расхода за отчетный год на единицу продукции и в обязательном порядке учитывать реализацию планов ОТМ по экономии материалов.
Увеличение отдельных норм на планируемый период против фактически достигнутых норм расхода допускается только при изменении конструкции изделий, приводящих к повышению их качества, эксплуатационной надежности и долговечности.
1.6. Нормативы - поэлементные составляющие норм, характеризующие:
1) удельный расход материалов на единицу массы, площади, объема, длины при выполнении производственных процессов;
2) размеры технологических отходов и потерь сырья и материалов по видам производственных процессов.
Нормативы измеряются в натуральных единицах или в процентах.
1.7. Материалы, расходуемые на изготовление изделия, по характеру использования в производственном процессе условно подразделяются на основные и вспомогательные.
1.8. Основными называются материалы, составляющие материальную основу готовой продукции (изделия), из которых изготовляют исходные детали.
1.9. Вспомогательными называются материалы, из которых детали не изготовляют, но которые участвуют и неизбежно расходуются в процессе их изготовления. Вспомогательные материалы входят в состав изделия или содействуют его изготовлению.
Вспомогательные материалы могут входить в массу изделия (например, краски, припои, аноды и др.) или не входить в нее (например, аргон, кислород, ацетилен для газовой сварки, растворители, кислоты, щелочи, смазочные и обтирочные материалы и др.).
1.10. Исходный материал - это материал, предназначенный для изготовления детали или выполнения операции. В качестве исходного материала могут быть применены отходы, образовавшиеся при изготовлении других деталей.
1.11. Заготовка - это часть исходного материала предназначенного для изготовления одной детали (индивидуальная или нескольких деталей (групповая), включающая необходимые для обработки технологические припуски.
1.12. Отходы - остаток исходного сырья, материала при производстве планируемого вида продукции, которые не могут быть использованы в процессе ее изготовления.
Отходы могут быть использованы в качестве исходного материала для изготовления других видов продукции в качестве вторичного сырья. Учет используемых отходов производства должен быть организован на каждом предприятии наряду с учетом первоначально используемых сырья и материалов.
1.13. Потери - это количество исходного сырья или материалов, которое безвозвратно теряется в процессе изготовления продукции.
1.14. Классификация норм расхода материалов и драгоценных металлов
1.14.1. Нормы расхода материалов в производстве классифицируются по следующим основным признакам:
1) степени агрегации;
2) степени укрупнения номенклатуры сырья и материалов;
3) периоду действия.
1.14.2. По степени агрегации различают индивидуальные и групповые (средневзвешенные) нормы расхода.
Индивидуальные нормы определяют расход нормируемого вида сырья и материалов на производство единицы продукции (работы).
Групповые нормы рассчитываются как средневзвешенные величины расхода сырья и материалов по установленной номенклатуре на планируемые объемы производства одноименных видов продукции (приборы радиоизмерительные, приборы электроизмерительные) или работ по объединениям, предприятиям.
1.14.3. По степени укрупнения номенклатуры сырья и материалов нормы расхода подразделяются на специфицированные (для производства) и сводные (для формирования планов экономического и социального развития).
Специфицированные нормы - это расход на производство единицы продукции (работ) конкретных видов сырья и материалов в ассортименте, т.е. типосорторазмерам, маркам, профилям, составу.
Сводные нормы - это расход однородных видов сырья и материалов на изготовление изделия или номенклатурной группы изделий, по которым ведется расчет потребности и составляются балансы при разработке планов экономического и социального развития.
1.14.4. Оперативные (текущие) нормы расхода материалов - это нормы расхода, установленные на изделия, исходя из существующих условий производства продукции (техники, технологии и организации производства).
Оперативные (текущие) нормы действуют с момента их утверждения до изменения условий производства продукции, влияющих на величину этих норм.
1.14.5. Плановые нормы - это нормы расхода материалов на изделия, установленные на определенный период действия норм.
1.14.6. Годовые нормы расхода определяют, исходя из оперативных норм расхода и проектов плана производства с учетом изменений этих норм за счет мероприятий, предусмотренных планом ОТМ по экономии материалов на текущий и планируемый годы.
1.14.7. Ориентировочные нормы - это нормы расхода материалов, разработанные на изделия, включенные в план производства предприятия, на которые к моменту расчета годовой потребности в материалах отсутствует конструкторская документация.
Ориентировочные нормы подлежат замене временными нормами после того, как на изделие будет разработана конструкторская документация.
1.14.8. Временные нормы - это нормы расхода материалов, разработанные на изделие на основании конструкторской документации. По окончании периода подготовки и освоения производства изделия временные нормы расхода материалов заменяют техническими.
1.14.9. Технические нормы расхода материалов - это норма расхода, разработанная на изделия, включенные в план производства предприятия при наличии полного комплекта конструкторско-технической документации и отработанного технологического процесса изготовления изделия.
Технические нормы действуют в течение всего срока изготовления предприятием изделия по данной конструкторской документации. Технические нормы периодически корректируют и переиздают.
1.14.10. Заводские нормы определяют уровень расхода материалов по предприятию.
Подотраслевые и отраслевые нормы расхода материалов - это расход материалов на производство изделий, изготовляемых группой однородных предприятий в пределах подотрасли и отрасли.
1.15.1. Расчеты норм расхода материала и драгоценных металлов для нужд вспомогательного производства, испытания образцов и всех перечисленных в п. 1.15 целей составляются соответствующими службами (ОРТ, ОГМ, ОГЭ, капитального строительства, инструментальным отделом, другими специализированными службами), утверждаются главным инженером предприятия (кроме драгоценных металлов) и представляются в Головной отдел норм и нормативов материальных ресурсов (ГОННМР) в двух экземплярах.
2.1. В производстве применяются следующие основные показатели использования сырья и материалов:
1) коэффициент использования;
2) коэффициент раскроя;
3) расходный коэффициент.
Различают расчетные и фактические показатели использования сырья и материалов.
2.1.1. Коэффициент использования (Kим) характеризует степень использования сырья и материалов в производстве продукции (работы) и определяется по формуле
(1)
где М - масса материала, кг (г, м3, м2, м);
Нр - норма расхода материалов, кг (г, м3, м2, м).
Вычисления проводят с точностью до третьего десятичного знака.
2.1.2. Коэффициент раскроя материала (Kр) характеризует степень использования материала при раскрое и показывает экономическую целесообразность выбора размеров исходного материала.
Коэффициент раскроя (Kр) на два и более видов заготовок определяют по формуле
(2)
где Mзагi - масса материала на i-ю заготовку, кг (г, м3, м2, м);
ni - количество i-х заготовок, полученных при раскрое материала, шт.;
Мл - масса раскраиваемого материала (листа), кг (г, м3, м2, м);
с - общее количество наименований заготовок, получаемых при раскрое листа, ленты.
Вычисления проводят с точностью до второго десятичного знака.
Расчеты коэффициента раскроя производят обязательно.
2.1.3. Расходный коэффициент (Kрас) - показатель, обратный коэффициенту использования и определяется по формуле
(3)
2.1.4. Технологический выход годных деталей, сборочных единиц, изделий по группе технологических операций с установленными операционными выходами годных деталей (Ввг) вычисляют по формуле
(4)
где b1 - операционный выход годных деталей на операции, принятой за начало отсчета, %;
b2, b3 ... ba - операционный выход годных деталей на последующих операциях, %;
a - количество операций технологического процесса, начиная с операции, принятой за начало отсчета.
2.1.5. Технологическая служба предприятия (организации) ежеквартально устанавливает процент выхода годных деталей, сборочных единиц, изделий по операциям и в целом, анализируя фактически достигнутый уровень годных деталей.
Процент операционного выхода годных деталей, сборочных единиц, изделий утверждает главный инженер предприятия.
Процент технологического выхода годных изделий предприятий (организаций) утверждает вышестоящая организация по подчиненности.
Процент выхода годных изделий должен ежегодно пересматриваться с учетом совершенствования организации производства и технологии изготовления деталей, сборочных единиц изделий в соответствии с планом ОТМ, направленных на снижение отходов и потерь.
2.1.6. Норму расхода материала, драгоценного металла рассчитывают по формуле
Hp = M + qi + qp + ql, (5)
где M - масса материала, драгоценного металла, кг (г, м3, м2, м);
qi - отходы материала, драгоценного металла, образующиеся при изготовлении детали на всех операциях технологического процесса, включая заготовительные, кг (г, м3, м2, м);
qp - потери материала, драгоценного металла, образующиеся при изготовлении детали и обусловленные принятым технологическим процессом, кг (г, м3, м2, м);
ql - используемые отходы материала, драгоценного металла в производстве, кг (г, м3, м2, м).
2.1.7. Используемые отходы на предприятии учитывают наряду с исходным материалом. При расчете норм расхода на деталь, полностью изготовляемую из отходов, рассчитывают массу заготовки и при заполнении ведомостей подетальных и специфицированных норм расхода в графе «норма расхода» указывают «из отходов» и проставляют рассчитанную массу заготовки и номер детали, от которой использован отход.
3.1. Основными методами разработки норм расхода материалов и драгоценных металлов в производстве при выполнении экспериментальных работ, работ по НИР, ОКР являются:
1) расчетный;
2) опытный;
3) статистический.
3.2. Расчетный метод является наиболее прогрессивным. Этот метод позволяет устанавливать технически и экономически обоснованные нормы расхода материалов и драгоценных металлов на основе поэлементного расчета объема, площади или длины нормируемой детали с учетом припусков на обработку и технологических отходов и потерь. Расчетный метод используют как в основном производстве, так и при проведении экспериментальных работ, НИР и ОКР.
Расчетный метод подразделяют на расчетно-аналитический и расчетно-графический.
3.2.1. Расчетно-аналитический метод применяется для определения норм расхода материалов, драгоценных металлов, раскраиваемых по длине (штанги, трубы, проволоки и т.п.) и ряда материалов, драгоценных металлов для гальванических и лакокрасочных покрытий, сварки, термообработки и т.п.
3.2.2. Расчетно-графический метод отличается от расчетно-аналитического тем, что базируется на предварительно составленных картах раскроя. Этот метод применяют для нормирования материалов, драгоценных металлов, раскраиваемых по длине и ширине (металлических листов, лент, полос, клееной фанеры, тканей и т.д.). Карты раскроя применяют также при комбинированном раскрое материалов мерных и кратных длин, раскраиваемых только по длине.
3.3. Опытный метод заключается в определении норм расхода материала для изготовления детали или выполнения операции на основе замеров чистого (полезного) расхода материалов, их отходов и потерь опытным путем и применяется в тех случаях, когда из-за отсутствия соответствующих нормативов не представляется возможным применять расчетный метод.
Опытный метод должен основываться на всестороннем анализе резервов экономии на базе изучения передовых приемов и методов работы в области рационального использования материалов.
3.3.1. При проведении замеров чистого расхода материалов необходимо обеспечить соответствие исходных материалов и изготовленных изделий всем требованиям стандартов и технических условий, включающих в себя:
1) исправное состояние оборудования;
2) соблюдение установленного технологического процесса;
3) проведение проверки в объеме, достаточном для получения выводов по результатам проверки.
Этот метод применяют и для проверки существующей нормы расхода материала.
3.3.2. Результаты опытных замеров используют для установления норм расхода материалов и драгоценных металлов. При этом норму расхода определяют как среднепрогрессивную, а не среднеарифметическую.
Среднепрогрессивная норма расхода рассчитывается в следующей последовательности:
1) по результатам десяти замеров определяют среднюю норму расхода;
2) рассчитывают отклонение s, равное 0,25 разности между наибольшим и наименьшим показателями фактического расхода.
По данным фактических расходов, имеющих отклонение от средней нормы расхода не более ±s, определяется среднепрогрессивная норма расхода.
ПРИМЕР. Согласно данным опытно-производственных замеров фактический расход порошка марки АГ-4В изменялся на каждую из десяти деталей от 0,133 до 0,185 кг.
В этом случае средний фактический расход материала на деталь составит
![]()
При этом s = (0,185 - 0,133) × 0,25 = 0,013 кг.
Следовательно, среднепрогрессивная норма расхода порошка марки АГ-4В для данного примера составит
![]()
3.4. Статистический метод расчета норм - это определение нормы расхода материала на основе отчетных данных о расходе их за прошлые периоды с учетом возможных отклонений от этого расхода в планируемом периоде.
Статистический метод определения норм расхода материалов применяют в исключительных случаях, когда невозможно установить норму расхода расчетным или опытным методом.
4.1. Норма расхода материалов, драгоценных металлов разрабатывается предприятием (организацией) на каждое изделие (работу), изготовление которого предусмотрено в плане производства предприятия отдельной позицией.
Нормирование расхода включает в себя разработку подетальных, операционных, специфицированных и сводных норм расхода.
4.2. При определении норм расхода материалов расчетным методом исходными данными являются:
1) основные конструкторские документы;
2) технологическая документация;
3) карты раскроя материалов на детали с учетом отходов;
4) рецептура и регламенты технологических отходов и потерь, операционных процентов выхода годных изделий;
5) государственные стандарты и технические условия на сортаменты материалов и особые условия их поставки;
6) руководящие отраслевые стандарты и технические нормативы, устанавливающие единый порядок и методы нормирования, удельные нормы, величины отходов и потерь материалов по видам обработки;
7) акты опытных проверок фактического расхода материалов;
8) контрольные задания по снижению норм расхода материалов.
4.3. Для установления норм расхода материалов опытным методом на предприятии создается комиссия в составе технолога цеха, мастера участка, представителей ОГТ и БМТН, которая проводит опытные замеры расхода материалов.
Результаты замеров записывают в акт опытной проверки фактического расхода материалов (форма Н-1 приложения 1) и представляют на утверждение главному инженеру предприятия. На основании утвержденного акта опытной проверки устанавливается норма расхода.
4.4. Для установления норм расхода материалов статистическим методом составляют ведомость отчетных данных о фактическом расходе материала в прошлом периоде с учетом возможных изменений условий производства в планируемом году, достоверность которой подтверждается подписью главного бухгалтера предприятия.
4.5. Для установления норм расхода материалов методом приравнивания на предприятии создается комиссия в составе главного (ведущего) конструктора изделия, главного технолога и начальника БМТН (ОМТН) предприятия (организации).
Комиссия устанавливает изделие-аналог, составляет протокол приравнивания нормируемого изделия к изделию-аналогу по форме 2 приложения 1 с указанием коэффициента приравнивания норм расхода. Коэффициент приравнивания устанавливают по каждой группе материалов.
Копию протокола вместе со сводными нормами на изделие представляют в Головной отдел норм и нормативов материальных ресурсов.
4.6. В подетальные нормы расхода материалов включают технологические и организационные отходы и потери, связанные с получением окончательной формы детали, а в операционные нормы расхода - отходы и потери, образующиеся при выполнении заданной операции.
4.7. В подетальные и операционные нормы расхода материалов не разрешается включать следующие отходы и потери:
1) превышающие утвержденные нормативы (в случаях отклонений от этих нормативов в сторону увеличения они должны быть обоснованы и подтверждены расчетами или актами опытных замеров и на них необходимо иметь разрешения);
2) вызываемые несоблюдением технологического процесса изготовления деталей (сборочных единиц) и браком продукции, за исключением технически неизбежных отходов и потерь, для которых утверждены соответствующие нормативы;
3) вызванные поставкой материалов с отступлением от технических и сортаментных характеристик, предусмотренных нормами расхода или не соответствующих требованиям стандартов и технических условий;
4) связанные с хранением материалов на складах и транспортировкой.
4.8. Специфицированные нормы расхода материалов на изделия разрабатываются на базе подетальных и операционных норм расхода на каждое наименование материалов, т.е. по каждому виду, сорту, марке, профилю и размерам, расходуемому на изделие, и служат для расчета годовой и квартальной потребности предприятия (организации) в материалах.
4.9. Сводные нормы расхода материалов составляют по итогам норм определенной группы материалов, взятым из ведомостей специфицированных норм расхода или подетально-специфицированных норм с учетом планируемого их снижения за счет внедрения мероприятий, предусмотренных в плане ОТМ по экономии материалов.
Сводные нормы расхода материалов составляют на период действия, который зависит от стадии освоения изделия в производстве (ориентировочные, временные и технические). По окончании первого и второго периодов ведомости сводных норм переиздаются.
4.10. В сводные нормы расхода материалов на изделие включают:
1) материалы, предусмотренные специфицированными нормами расхода и расходуемые в процессе изготовления изделия;
2) технологические и организационно-технические отходы и потери, связанные с получением окончательной формы детали, сборочной единицы;
3) отходы и потери, учитываемые через коэффициенты запуска;
4) расход и потери материалов, связанные с испытанием готовых изделий (если это предусмотрено техническими условиями);
5) материалы, предусмотренные спецификациями кооперированных поставок полуфабрикатов (деталей, сборочных единиц, изделий) в размерах проверенных и согласованных с предприятиями-поставщиками;
6) шихтовые компоненты, необходимые для производства литья из черных и цветных металлов;
7) материалы, необходимые для изготовления тары и упаковки готовой продукции (в соответствии с утвержденными техническими условиями на поставку), если они не являются покупными изделиями, кроме материалов для оборудования контейнеров и вагонов для отправки товаров народного потребления на дальние расстояния;
8) материалы, необходимые для изготовления эксплуатационной документации, прилагаемой к готовому изделию на поставку.
ПРИМЕЧАНИЕ. Нормы расхода материалов на упаковку изделий в соответствии с утвержденными техническими условиями на изготовление и поставку изделия включаются в сводные нормы расхода материалов отдельным разделом: «Материал на упаковку».
4.11. В сводные нормы расхода материалов на изделие не включают:
1) потери материалов, вызванные несоблюдением технологического процесса изготовления деталей и сборочных единиц, браком продукции по вине предприятия;
2) потери материалов, связанные с его хранением;
3) потери материалов, вызванные поставкой их с отступлением от технических и сортаментных характеристик, предусмотренных нормами расхода и требованиями стандартов и технических условий;
4) комплектующие изделия (покупные), на которые составляются самостоятельные нормы;
5) материалы, необходимые для собственных хозяйственных нужд предприятия;
6) материалы, необходимые для изготовления и испытания образцов и опытных партий новых деталей, изделий;
7) материалы для изготовления оснастки и средств механизации и автоматизации;
8) материалы, необходимые для наладки оборудования по ходу технологического процесса;
9) химикаты и аноды для запуска гальванических ванн;
10) материалы, необходимые для внутрицеховых расходов: ленты для машинописи, бумага оберточная для перекладки деталей, перчатки резиновые, кисти, бязь для фильтрации растворов, прокладки из различных электротехнических материалов, необходимых при работе на оборудовании;
11) материалы, предназначенные для создания нормальных условий труда рабочих, в том числе нужд охраны труда, промсанитарии и гигиены, техники безопасности;
12) материалы, предназначенные для нужд управления. К ним относятся ремонтно-строительные материалы, материалы для уборки помещений и рабочих мест, бумага и прочие конторские принадлежности.
4.12. Нормы расхода на НИР, ОКР, экспериментальные работы, установленные в плане предприятия и организации в млн. руб. (тыс. руб.) разрабатывают на 1 млн. руб. (тыс. руб.) товарного выпуска сроком на 1 год.
Нормы расхода материалов на 1 млн. руб. предназначены для расчета потребности в материалах для изготовления продукции (работ) по предприятиям и организациям комитета в целом.
4.12.1. Нормы расхода материалов на 1 млн. руб. (тыс. руб.) по предприятию (организации) на планируемый год (Нпл) на базе норм расхода текущего года, уточненной по фактическому расходу материалов и фактическому товарному выпуску в млн. руб. (тыс. руб.) за отчетный период и с учетом заданного процента среднего снижения норм рассчитывают по формуле
Нпл = Hут× Kсп (6)
где Hут - уточненная норма, расхода на 1 млн. руб. (тыс. руб.) на текущий год;
Kсп - коэффициент снижения норм расхода материалов на планируемый год.
4.12.1.1. Уточненную норму расхода материалов на 1 млн. руб. (тыс. руб.) на текущий год на базе данных о фактическом расходе материалов, затраченных на выполнение программы (работы) производства за отчетный год, рассчитывают по формуле
(7)
где Рф - фактический расход данного вида материала на выполнение программы (работы) за отчетный год;
Qф - фактический годовой выпуск товарной продукции за отчетный год;
Kст - коэффициент снижения норм расхода материалов на текущий год.
4.12.1.2. Коэффициент снижения норм расхода материалов на планируемый год рассчитывают по формуле
(8)
где Сн - задание по среднему снижению норм расхода на планируемый год.
Норму расхода материалов на планируемый год на 1 млн. руб. (тыс. руб.) по отрасли рассчитывают по формуле
(9)
где Р¢ф - сумма всех фактических расходов данного вида материалов за отчетный год по предприятиям и организациям отрасли;
Q¢ф - сумма всех товарных выпусков за отчетный год по предприятиям и организациям отрасли;
K¢сп - коэффициент снижения норм расхода материалов на планируемый год по отрасли
z = 1 ... k - количество предприятий отрасли.
4.12.2. На НИР, экспериментальные работы и ОКР устанавливают укрупненные нормы расхода материалов на 1 тыс. руб. стоимости этих работ научно-производственными объединениями (НПО), научно-исследовательскими институтами (НИИ), конструкторскими бюро (КБ), специальными конструкторскими бюро (СКБ) в соответствии с положением по расчету норм расхода материалов на производство НИР и ОКР, принятым в отрасли.
4.13. Разрешение на применение остродефицитных материалов на этапе разработки и передачи изделий на изготовление предприятию-изготовителю оформляется предприятием-разработчиком, на последующих этапах - предприятиями, которые являются держателями подлинников. На предприятии-разработчике и предприятии-изготовителе разрешение на применение новых и остродефицитных материалов оформляется:
1) технологическими службами - для технологических нужд при разработке технологических процессов;
2) конструкторскими службами - при разработке конструкторской документации и внесении в нее изменений.
Разрешения на применение новых остродефицитных материалов в изделии должны быть оформлены до представления на рассмотрение и утверждение сводных норм расхода материалов или изменений к ним.
5.1. В целях обеспечения рационального использования материалов, включая драгоценные металлы, и выполнения заданий по среднему снижению их норм расхода разрабатываются планы ОТМ.
5.2. Задания по снижению норм расхода материалов предприятиям (организациям) ежегодно устанавливаются вышестоящей организацией и доводятся до предприятий директивным документом по пересмотру норм расхода материалов и драгоценных металлов.
5.3. Планы ОТМ на уровне предприятий составляются службой главного технолога на основании предложений, разработанных конструкторами, технологами, работниками цеховых служб, рабочими рационализаторами и т.д. и утверждаются главным инженером предприятия, который несет ответственность за правильность составления плана ОТМ и их объемных показателей.
5.4. Организационно-технические мероприятия по экономии материальных ресурсов планируют по следующим направлениям:
1) внедрение экономичных видов сырья и материалов;
2) внедрение заменителей;
3) внедрение новых и совершенствование действующих технологических процессов и оборудования;
4) совершенствование конструкций изделий;
5) внедрение организационных мероприятий и т.д.
5.4.1. К мероприятиям по внедрению экономичных видов сырья и материалов относятся:
1) применение проката из низколегированных сталей и термически упрочненного;
2) применение листовой холоднокатаной стали и листовой стали в рулонах;
3) применение профилей периодической поперечной и продольной прокатки;
4) применение горячекатаных фасонных профилей отраслевого назначения и т.д.
5.4.2. К мероприятиям по внедрению заменителей относятся:
1) применение конструкционных пластмасс;
2) применение изделий из металлокерамики, металлических порошков, биметаллов;
3) применение литья из высокопрочного чугуна и точного литья (по выплавляемым моделям, в оболочковые формы и т.д.);
4) применение заготовок непрерывного литья и т.д.
5.4.3. К технологическим мероприятиям относятся:
1) совершенствование технологии изготовления изделий;
2) сокращение технологических потерь;
3) внедрение прогрессивных методов обработки;
4) использование деловых отходов и др.
5.4.4. К конструкторским мероприятиям относятся:
1) совершенствование конструкций изделий с целью снижения материалоемкости;
2) улучшение качества и повышение срока службы изделий и др.
5.4.5. К организационным мероприятиям относятся:
1) регенерация и повторное использование сырья;
2) обеспечение поставок сырья и материалов мерных и кратных размеров;
3) совершенствование учета расхода и хранения материалов и т.д.
5.5. В план ОТМ включают конкретные мероприятия с указанием сроков их внедрения в производство и предполагаемой экономии от внедрения в натуральном и стоимостном выражениях.
5.6. План ОТМ составляют по видам материальных ресурсов и разделам:
1-й раздел - материалы (прокат черных металлов, алюминиевый, латунный, медный и бронзовый прокаты и т.д.);
2-й раздел - драгоценные металлы (золото, серебро, палладий и т.д.).
В конце каждого вида в целом по предприятию (отрасли) подводятся итоги величины экономии в натуральном и стоимостном выражениях и проводится расчет относительной величины экономии.
5.7. План ОТМ составляют раздельно на гражданскую продукцию (ГР) и непредвиденные работы (НР - спецтематика).
5.8. Планы ОТМ по экономии материальных ресурсов составляются по форме НМ-6, а отчеты об их выполнении составляются по форме НМ-7, которые приведены в приложении 2.
5.9. Отчеты о выполнении планов ОТМ представляют в ГОННМР не позднее 10-го числа месяца, следующего за отчетным полугодием. Допускается передавать данные по телефону с последующим подтверждением документально до 25-го числа месяца, следующего за отчетным полугодием.
5.10. Отчеты о внедрении планов ОТМ по экономии и среднему снижению норм расхода материальных ресурсов утверждаются главным инженером предприятия, который несет персональную ответственность за достоверность приставленных показателей.
6.1. Экономия и среднее снижение норм расхода материалов - это показатель, характеризующий экономию материалов от снижения норм расхода за рассматриваемый период (год, пятилетка и т.д.) за счет осуществления организационно-технических мероприятий.
6.2. Экономия материалов - это количество ресурсов, высвобождаемое в результате более рационального и эффективного их использования за счет реализации в отрасли достижений научно-технического прогресса и совершенствования организации производства.
6.3. Экономию материалов определяют в стоимостном (руб.) и натуральном выражениях в абсолютных (т, кг, м, км и т.д.) и относительных (процентах) величинах.
6.4. Абсолютная величина экономии материалов - это количество ресурса в натуральном выражении, получаемое в результате снижения норм расхода с учетов объема выпускаемой продукции.
6.5. Относительная величина экономии - это снижение расхода материалов в производстве в результате изменения норм расхода в планируемом году относительно базисного, выражаемая в процентах.
6.6. Экономию материалов определяют по всей номенклатуре изделий основного производства.
6.7. Различают плановую экономию и экономию за отчетный период (полугодие, год).
6.7.1. Плановую экономию определяют в натуральном выражении Эпл.н по формуле
(10)
где Н1i - норма расхода текущего года i-го изделия до внедрения мероприятия;
Нzi - норма расхода на планируемый год i-го изделия после внедрения мероприятия;
Упл.i - план производства планируемого года i-го изделия в единицах измерения плана производства.
6.7.2. Относительную плановую экономию определяют по формуле
(11)
6.7.3. Плановая экономия в стоимостном выражении определяется по формуле
(12)
где Ci - цена i-го материала по прейскуранту.
6.7.4. Плановую экономию по отрасли в натуральном выражении определяют по формуле
(13)
где z - количество предприятий.
6.7.5. Относительную экономию по отрасли определяют по формуле
(14)
где П - потребность в материальных ресурсах на планируемый год, рассчитанная по утвержденной норме текущего года.
6.7.6. Плановую экономию материальных ресурсов в стоимостном выражении в целом по отрасли определяют по формуле
(15)
6.7.7. Экономия материалов за отчетный период - это фактически достигнутая величина экономии в производстве за счет снижения норм расхода. При расчете величины экономии материалов за отчетный период за базу принимают утвержденную норму расхода, предшествующего отчетному периоду.
6.7.8. Экономию материалов за отчетный период в натуральном выражении определяют по формуле
(16)
где Н1i - норма расхода i-го изделия, предшествующая отчетному году;
H3i - фактическая норма расхода i-го изделия за отчетный период;
Уфi - фактический выпуск i-го изделия в отчетном периоде.
6.7.9. Величину относительной экономии за отчетный период определяют по формуле
(17)
6.7.10. Экономию материалов за отчетный период в стоимостном выражении определяют по формуле
(18)
6.7.11. Экономию материалов за отчетный период в натуральном выражении в целом по отрасли определяют по формуле
(19)
6.7.12. Величину относительной экономии материалов за отчетный период в целом по отрасли определяют по формуле
(20)
где Пф - фактический расход.
6.7.13. Экономию материалов за отчетный период в стоимостном выражении определяют по формуле
(21)
7.1. Порядок оформления и комплектования норм расхода материалов
7.1.1. Сводные нормы расхода материалов разрабатываются по всей номенклатуре материалов в изготавливаемой продукции. На экспертизу представляются нормы расхода только по ограниченной номенклатуре материалов. По остальным материалам, не вошедшим в указанную номенклатуру, сводные нормы расхода материалов утверждаются главным инженером предприятия.
7.1.2. Сводные нормы расхода материалов брошюруют в отдельные альбомы на каждое изделие, а также на каждый вид исполнения изделия (экспортный, тропический, морской) и на узлы и ЗиПы, блоки, планируемые к самостоятельному выпуску.
7.1.3. Альбомы сводных норм и изменений к ним должны иметь четко отпечатанный текст и оформлены мягким неразборным переплетом. Размеры переплета должны соответствовать формату II ГОСТ 2301-68. Представление норм расхода в скоросшивателях не допускается. Альбомы с одноименной документацией должны быть пронумерованы и каждый из них снабжен полным перечнем документов.
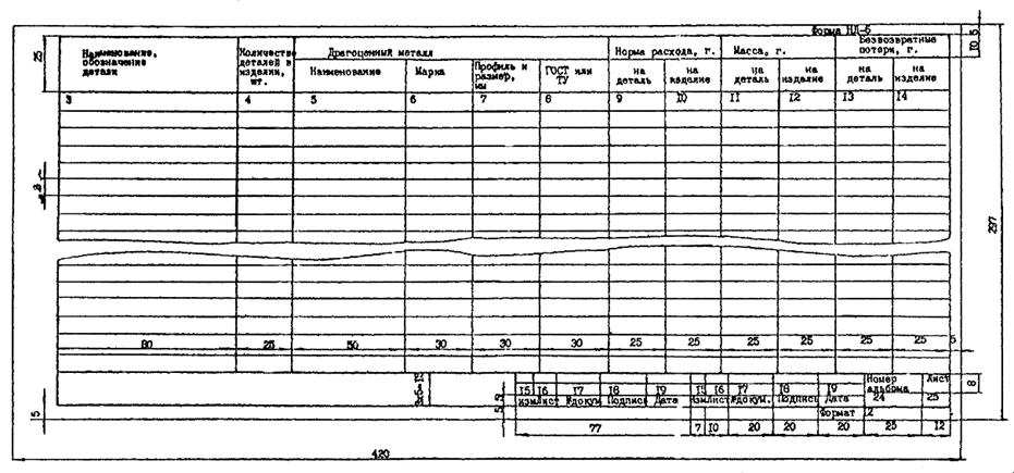
7.1.4. Комплектацию альбомов ведомостей сводных норм расхода материалов по изделиям проводят в следующей последовательности:
1) этикетка, наклеенная на обложку альбома по форме НМ-12 приложения 2;
2) титульный лист по форме НМ-13 приложения 2;
3) оглавление с перечнем групп материалов, вошедших в альбом по форме Н-4 приложения 1;
4) заглавный лист по форме Н-5 приложения 1;
5) ведомость сводных норм расхода материалов по форме НМ-2 приложения 2;
6) ведомость подетальных норм расхода материалов по форме НМ-1 приложения 2 (комплектуется только в первый и второй экземпляры);
7) ведомость расхода этилового спирта на технологические операции одного изделия;
8) ведомость дефицитных материалов по форме Н-6 приложения 1;
9) лист регистрации изменений и вновь введенных листов по форме Н-7 приложения 1.
7.1.5. При заполнении сводных норм расхода материалов и изменений к ним необходимо соблюдать следующие требования:
1) группы материалов располагать в том порядке, в котором они изложены в ограниченной номенклатуре материалов с обязательным подчеркиванием наименования группы;
2) в альбомы сводных норм включать только материалы, применяемые в данном изделии;
3) к каждому наименованию материала проставлять код единиц его измерения в соответствии с табл. 2 приложения 4.
7.1.6. Нумерацию строк по наименованиям внутри альбома вести сквозную, причем нумеровать только те строки, где проставлены числовые значения.
7.1.7. Графы «норма расхода» и «масса» в строке «всего» заполнять суммированием всех входящих в эту группу материалов.
7.1.8. Графы «наименование» и «код» нормируемого изделия заполнять только на первом листе каждой группы материалов.
7.1.9. Каждая группа материалов должна начинаться с нового листа, независимо от количества наименований материалов этой группы, применяемых при изготовлении данного изделия, и в конце каждой группы материалов должно быть оставлено не менее десяти незаполненных строк.
7.1.10. Наименование материалов в ведомости водных норм располагать так, чтобы их коды, нормы расхода и другие числовые значения заполнялись с интервалом не менее одной строки.
7.1.11. Сводные нормы расхода материалов или изменения к ним представляются на экспертизу в четырех экземплярах, которые после рассмотрения и утверждения представляются:
первый и четвертый экземпляры - предприятию (организации);
второй экземпляр - Головному отделу норм и нормативов материальных ресурсов;
третий экземпляр - управлению материально-технического снабжения, оборудования, комплектации и ХО.
Третий и четвертый экземпляры представляются без подетальных норм расхода материалов.
7.1.12. Сроки представления сводных норм расхода или изменений к ним определяются директивным документом о пересмотре норм расхода материалов. Сводные нормы расхода материалов и изменения к ним, поступившие на экспертизу позднее 20 февраля, не будут учтены в расчетах потребности материалов.
7.1.13. Ведомости пооперационных, подетальных, подетально-специфицированных норм подписываются главным технологом и начальником БМТН и утверждаются главным инженером предприятия (организации). Сводные нормы расхода материалов в полном объеме составляются на первый год пятилетки или на год, на который запланирован выпуск этой продукции.
Сводные нормы расхода материалов подлежат ежегодному переизданию. На изделия, имеющие утвержденные сводные нормы расхода материалов в полном объеме, а второй и последующие годы пятилетки, ведомости специфицированных норм расхода материалов включают только те позиции материалов, по которым предусмотрены изменения или которые вновь вводятся в планируемом году.
Ведомости изменений на утвержденные ранее нормы расхода материалов и на новые изделия представляются до 20 ноября года, предшествующего планируемому.
По окончании рассмотрения и согласования ведомости сводных норм и изменений сводных норм расхода материалов утверждаются в управлении по подчиненности и направляются на предприятия.
7.1.14. Сводные нормы расхода материалов утверждают на срок действия:
1) ориентировочные - на полгода с момента их утверждения;
2) временные - на период подготовки и освоения изделия в производстве, но не более чем на полтора года;
3) технические - на планируемую пятилетку.
7.1.15. Для утверждения норм расхода материалов на изделия, рассматриваемые впервые, в случае применения остродефицитных материалов, в обязательном порядке представляется разрешение на применение остродефицитных материалов.
7.1.16. Ориентировочные и временные нормы расхода материалов утверждаются главным инженером предприятия и представляются в ГОННМР в двух экземплярах. На этикетке ниже подписи «Ведомость сводных норм расхода материалов с 19 г.» должно быть указано: временные или ориентировочные.
7.1.17. Для подтверждения правильности разработанных сводных норм предприятия по требованию головного отдела норм и нормативов материальных ресурсов обязаны представить следующие ведомости расчета норм расхода:
1) лакокрасочных материалов и растворителей, разработанных по форме НМ-8 приложения 2;
2) материалов на гальванические покрытия по форме НМ-9 приложения 2;
3) для изготовления литья по форме НМ-10 приложения 2.
ПРИМЕЧАНИЯ:
1. Нормы расхода материалов на литые изделия (полуфакбрикаты) устанавливаются по компонентам и суммарному расходному коэффициенту на тонну годного литья по видам:
чугунное - по видам чугуна;
стальное - по маркам выплавляемой стали;
цветное - по маркам применяемого сплава.
2. Расход шихтовых материалов определяется на основе утвержденного предприятию выпуска литья (по сортаменту), принятой технологии плавки, разработанного баланса металла и соответствующих нормативов расхода компонентов шихты.
7.1.18. На выпуск основной продукции, а также товаров народного потребления и хозяйственного обихода, ЗИПы на изделия по ОКР, НИР и экспериментальные работы предприятия по требованию к вышеперечисленным документам дополнительно представляют следующую документацию: ведомости подетально-специфицированных норм расхода, расчеты, чертежи, акты опытных замеров, карты технологических процессов, карты раскроя детали и другие данные, обосновывающие сводные нормы расхода материалов.
7.1.19. При пересмотре сводных норм расхода материалов предприятия (организации) одновременно с ведомостями сводных норм расхода и ведомостями изменений сводных норм расхода представляют следующую документацию по одному экземпляру:
1) план ОТМ по экономии материалов на текущий год и проект плана ОТМ на планируемый год по форме НМ-6 приложения 2;
ведомость норм и расчета среднего снижения норм расхода материалов на планируемый год по форме НМ-3 приложения 2.
7.1.20. При рассмотрении сводных норм и изменений сводных норм расхода материалов Головным отделом норм и нормативов материальных ресурсов проверяется:
1) соответствие представленных норм номенклатуре изделий по плану производства;
2) комплектация сводных норм расхода, представленных на рассмотрение и утверждение, качество их разработки и оформления в соответствии с требованиями настоящей инструкций и директивными указаниями вышестоящих организаций;
3) обоснованность расчетов норм расхода материалов;
4) снижение норм расхода материалов в соответствии с заданием по среднему снижению и экономии на планируемый год.
После окончания рассмотрения норм расхода материалов составляется протокол экспертизы сводных норм расхода материалов
8.1. Пересмотр норм расхода материалов
8.1.1. Пересмотр норм расхода материалов является плановым мероприятием, предусматривающим снижение утвержденных норм расхода материалов текущего года на планируемый год за счет внедрения ОТМ, направленных на совершенствование конструкции и технологии изготовления изделия.
8.1.2. Пересмотр норм расхода материалов предусматривает снижение утвержденных норм расхода текущего года в планируемом году на величину установленного задания по экономии материалов.
Результатом пересмотра норм расхода является установление плановой экономии на планируемый год, величина которого определяется расчетом среднего снижения норм расхода материалов.
8.1.3. Ежегодно Головной отдел норм и нормативов материальных ресурсов готовит директивный документ о пересмотре норм расхода материальных ресурсов и драгоценных металлов с приложением графика представления сводных норм и изменений к ним на утверждение.
8.2. Изменения утвержденных норм расхода материалов
8.2.1. Комплектацию альбомов ведомостей изменений норм расхода материалов по изделиям проводят в следующей последовательности:
1) этикетка, наклеенная на обложку альбома по форме НМ-14 приложения 2;
2) титульный лист по форме НМ-15 приложения 2;
3) оглавление применяемых материалов по форме Н-4 приложения 1;
4) заглавный лист по форме Н-5 приложения 1;
5) ведомость изменений сводных норм расхода материалов по форме НМ-16 приложения 2;
6) ведомость изменений подетальных норм расхода материалов по форме НМ-1 приложения 2 (в первом и втором экземплярах);
7) ведомость дефицитных материалов по форме Н-6 приложения 1;
8) лист регистрации изменений по форме Н-7 приложения 1 для альбома ведомостей сводных норм расхода.
8.2.2. Изменение сводных норм расхода материалов на все изделия по каждому предприятию брошюруют в альбом раздельно на гражданскую продукцию и НР.
Изделия внутри альбома располагают в соответствии с единицами измерения в следующей последовательности:
1) изделия с единицами измерения «кг» комплект;
2) изделия с единицами измерения «тыс. шт.»;
3) изделия с единицами измерения «тыс. руб.».
8.2.3. Изменения к сводным нормам расхода на каждое изделие должны начинаться с нового листа. Наименование и коды нормируемого изделия и единицы измерения изделия проставляются на первом листе каждого изделия. Каждая группа материалов должна отделяться от предыдущей интервалом в две строки.
8.2.4. Предприятия (организации) после внесения изменений в сводные нормы расхода материалов на «листе регистрации проведения изменений» делают соответствующую запись о проведенном изменении с указанием фамилии исполнителя.
8.2.5. Нумерация строк в альбомах изменений сводных норм расхода материалов ведется без увязки к основному альбому сводных норм расхода.
8.2.6. Одновременно с представлением сводных норм расхода материалов и изменений к ним представляется проект плана организационно-технических мероприятий по экономии материалов и среднему снижению норм их расхода на планируемый год и уточненный план ОТМ на текущий год.
8.2.7. Ведомости изменений сводных норм разрабатываются на сводные нормы расхода материалов и вступают в действие с момента их утверждения до переиздания норм расхода на изделия.
8.2.8. Ведомости изменений сводных норм расхода материалов составляют на основании изменений специфицированных норм расхода два раза в год, в первом квартале - на второе полугодие текущего года, в третьем квартале - на первое полугодие планируемого года.
8.2.9. В промежутке времени от момента завершения пересмотра норм до момента представления оперативных изменений (1 июля) и от 1 июля до момента начала следующего пересмотра предприятия сводные нормы и ведомости изменений норм расхода материалов в ГОННМР не представляют, а руководствуются специфицированными нормами, утвержденными главным инженером предприятия в пределах выделенных предприятию фондов
8.2.10. Изменения норм расхода материалов должны обеспечить ежегодное снижение расхода материалов на заданный процент среднего снижения норм расхода материалов.
8.3. Порядок пересмотра норм расхода материалов на предприятиях
8.3.1. Пересмотр норм расхода материалов на изделия основного производства на предприятии проводят в следующей последовательности:
1) разрабатывают план ОТМ, обеспечивающий выполнение установленных заданий по снижению норм расхода материалов;
2) проверяют правильность расчетов всех подетальных и операционных норм расхода материалов, действующих на момент начала пересмотра норм расхода, по установленной номенклатуре изделий и принимают их за базовые;
3) составляют специфицированные и сводные нормы расхода материалов по установленной номенклатуре изделий, исходя из базовых подетальных пооперационных норм расхода материалов текущего года и планов производства планируемого года;
4) корректируют базовые нормы расхода материалов с учетом величины ожидаемой экономии по плану ОТМ, т.е. разрабатывают нормы расхода материалов на планируемый год;
5) формируют групповые нормы расхода материалов, если это необходимо;
6) проводят расчет среднего снижения норм расхода на планируемый год;
7) проводят расчет среднего снижения норм расхода на планируемый год по всем изделиям и по всем видам материалов, независимо от того, имело ли предприятие задание по снижению норм расхода на данный вид материала;
8) представляют на согласование и утверждение сводные нормы расхода и изменения сводных норм расхода на текущий, планируемый год.
8.3.2. В расчет среднего снижения норм расхода не включают изделия, снятые с производства.
8.3.3. При замене одного материала другим показывают экономию одного и расход другого материала.
8.4. Анализ норм расхода и контроль за соблюдением установленных норм
8.4.1. Правильность установленных технологами операционных и подетальных норм расхода материалов на предприятиях проверяют БМТН, проводя ежемесячно выборочные контрольные замеры, расчеты, взвешивания, оформляя эти проверки актами.
Обнаруженные неточности исправляют, оформляя извещения об изменении норм расхода.
8.4.2. Анализ соблюдения установленных норм расхода материалов сводится к сопоставлению фактического расхода материалов с расчетными нормами расхода и выявлению причин, вызвавших отклонения.
8.4.3. Анализу подлежат в первую очередь нормы расхода на материалы, составляющие наибольший объем в общей потребности и стоимости материалов, потребляемых для выпуска плановой продукции, на дефицитные материалы, не выбираемые цехами в соответствии с утвержденными нормами, на которые предприятию установлены задания по снижению норм расхода.
При этом объем стоимости материалов, нормы расхода которых подлежат анализу, должен составлять не менее 75 % стоимости всех материалов, применяемых для выпуска плановой продукции.
8.4.4. Периодический контроль за правильностью установленных норм расхода материалов на предприятиях осуществляют комиссии Головного отдела норм и нормативов материальных ресурсов. Комиссия проверяет состояние нормирования расхода материалов на предприятии.
По результатам проверки комиссия составляет акт проверки, делает выводы и предложения по улучшению организации нормирования материалов на предприятии. Акт подписывают все члены комиссии. К акту прилагают собранные на предприятии справки, ведомости и другие документы.
С содержанием акта знакомят главного инженера предприятия. Акт проверки составляют в трех экземплярах, из которых один экземпляр остается на предприятии, другой направляется в Госстандарт СССР, третий - в организацию, осуществляющую методическое руководство разработкой норм (ГОННМР).
9.1. Нормы расхода драгоценных металлов и их сплавов устанавливают в весе металла. Нормы расхода азотнокислого серебра, золотохлористоводородной кислоты, дицианоаурата и дицианоаргентата калия, платинохлористоводородной кислоты, палладия двуххлористого, треххлористого родия, двуокиси рутения устанавливают в весе солей (кислот).
Исключение составляют соли и кислоты драгоценных металлов, используемые для гальванического покрытия. В этом случае норму расхода устанавливают в весе металла, включая количество этого металла, содержащегося в солях и кислотах.
9.2. Драгоценные металлы, их сплавы, кислоты и соли включают в норму расхода только при наличии разрешения на их применение, оформленного в установленном порядке.
9.3. Исходными дачными для расчета подетальных норм расхода драгоценных металлов являются:
1) основные конструкторские документы;
2) технологические документы, оформленные в соответствии с государственными стандартами ЕСТД;
3) отраслевые руководящие материалы, устанавливающие удельные нормы расхода драгоценных металлов;
4) технологические и операционные проценты выхода годных деталей (изделий);
5) нормативы предельно допустимых отходов и потерь;
6) методы определения норм расхода;
7) задания по среднему снижению норм расхода;
8) планы ОТМ по экономии драгоценных металлов.
9.4. Нормы расхода драгоценных металлов и их сплавов устанавливаются на единицу готовой детали, изделия, комплекта запасных частей в граммах чистых драгоценных металлов с точностью не менее 0,05 % расчетного значения нормы, что соответствует четырем значащим цифрам.
Например: 0,01234; 0,1234; 1,234; 12,34.
9.5. Подетальные нормы расхода драгоценных металлов (Ндет.д) рассчитываются по формуле
Ндет.д = Мдет.д + qвозвр + qб.п. (22)
где Мдет.д - масса драгоценного металла, г;
qвозвр - возвратные отходы драгоценных металлов, подлежащие сдаче в Государственный фонд (Госфонд), г;
qб.п. - безвозвратные потери драгоценных металлов, г.
9.6. В случаях, когда драгоценный металл применяют в виде соли, кислоты или сплава с недрагоценным металлов, чистый вес выражают в весовых единицах исходного материала и называют полезным расходом.
9.7. Технологией производства должен предусматриваться максимальный сбор отходов и минимальных потерь драгметаллов.
Нормативы возвратных отходов и безвозвратных потерь устанавливаются в процентах к полезному расходу и строго регламентируются в зависимости от вида технологического процесса.
9.8. Нормы расхода драгоценных металлов давятся на подетальные, пооперационные и сводные.
9.9. При нормировании расхода драгоценных металлов применяется расчетный и опытный методы определения норм.
9.10. В качестве исходных материалов при расчете норм необходимо строго руководствоваться утвержденной техдокументацией: техническими условиями, операционными картами технологического процесса, картами раскроя, чертежами на изделия.
9.11. Предприятия должны постоянно проводить мероприятия, направленные на наиболее рациональное расходование драгоценных металлов, обеспечивающих систематическое повышение коэффициента их использования.
9.12. При внедрении мероприятий, позволяющих уменьшить расход драгоценного металла, приказом главного инженера предприятия оформляется временное отклонение от действующих норм. Срок действия временного отклонения - 3 месяца. В течение этого срока предприятие обязано внести изменения в конструкторскую и технологическую документацию и переутвердить нормы в установленном порядке.
9.13. В случае изменения конструкций изделий или повышения требований к их качеству увеличение норм расхода должно быть обосновано расчетом с соответствующим технико-экономическим обоснованием.
9.14. Запрещается применять драгоценные металлы для декоративного покрытия деталей приборов и оборудования промышленного назначения, а также заменять драгоценными металлами цветные металлы, если это не вызвано крайней необходимостью.
9.15. Соли серебра, полученные предприятием для химических анализов, через «Союзреактив» запрещается расходовать для производственных нужд.
9.16. За нерациональное и неэкономичное расходование драгоценных металлов несут ответственность руководитель и главный инженер предприятия, а также руководители цехов, отделов, лабораторий, применяющих драгоценные металлы.
10.1. При расчете нормы расхода драгоценного металла или сплава на изготовление деталей путем механической обработки устанавливаются следующие величины:
1) масса детали, г;
2) масса заготовки, г;
3) масса снятой стружки, г;
4) масса технологических потерь, г;
5) масса технологических отходов, г;
6) количество заготовок из исходных материалов, шт.
ПРИМЕЧАНИЕ. Все таблицы, ссылки на которые приведены в настоящем и последующих разделах, приведены в приложении 4.
Мд = Vд× r (23)
где Vд - объем детали, см3. Рассчитывается по данным конструкторской документации.
r - плотность драгоценного металла или его сплава, г/см3 табл. 1 приложения 4.
10.1.2. Массу заготовки рассчитывают по формулам:
для прутка, проволоки
(24)
для трубы
(25)
где D - диаметр прутка, проволоки или наружный диаметр трубы, мм. Принимается по данным технологического процесса в соответствии с государственными стандартами или техническими условиями на сортамент исходного материала с учетом средних значений допускаемых отклонений;
d - внутренний диаметр трубы, мм;
lз - длина заготовки, мм, которую рассчитывают по формуле
lз = lд + 2Dl, (26)
lд - длина детали, мм. Принимается по номинальным размерам рабочего чертежа или с учетом средних допускаемых отклонений;
Dl - припуск на обработку торцевой поверхности, мм. Принимается согласно табл. 3 приложения 4.
10.1.3. Массу снятой стружки рассчитывают по формулам:
для прутка, проволоки
(27)
для трубы
(28)
где Пр - припуск на отрезок заготовки. Принимается согласно табл. 3, 4, 6 приложения 4.
10.2. При изготовлении деталей путем механической и слесарной обработки образуются следующие виды технологических отходов и потерь:
1) заготовительные отходы, образующиеся при раскрое исходного материала на заготовки (опилки, стружка, концевой отход, образующийся вследствие некратности размеров исходного материала размерам заготовки, концевой остаток материала в патроне, тисках или в другом зажимном устройстве);
2) отходы, образующиеся при обработке заготовок.
Нормативы потерь устанавливаются:
1) при сверлении, токарной и слесарной обработке - в процентах от веса снятой стружки;
2) при штамповке и резке - в г/см2 площади среза;
3) при высадке - в процентах от веса готовых деталей.
Мпот. = 10-2МсNу.пот. (29)
где Nу.пот. - нормативы потерь приведены в табл. 8, 9, 10 приложения 4.
10.2.2. Массу потерь на деталь при высадке рассчитывают по формуле
М¢пот. = 10-2МсN¢у.пот. (30)
где N¢у.пот. - норматив потерь, %. Принимается согласно табл. 11 прил. 4.
10.2.3. Массу отходов на деталь рассчитывают по формуле
Мотх.д. = Нр - (Мд + Мпот.), (31)
где Нр - норма расхода на деталь, г.
10.3. Норма расхода драгоценных металлов рассчитывается исходя из размеров заготовки детали (сечения и длины) и соответствующих нормативов-припусков на обработку деталей.
Норму расхода драгоценного металла рассчитывают по формулам
для прутка и проволоки
(32)
для трубы
(33)
где Lи.м. - длина исходного материала, мм;
n - количество, заготовок из исходного материала. Определяется для прутка, проволоки по формуле
(34)
где А - длина концевого отхода, мм. При раскрое исходного материала рассчитывается по формуле
А = Пзаж. + Пн. (35)
или А = Пзаж., если Пзаж.³ Пн. или
А = Пн., если Пн.³ Пзаж.
где Пзаж. - припуск на зажим, равный минимальной длине исходного материала, необходимого для закрепления заготовки в зажимном устройстве, мм. Принимается согласно табл. 5 приложения 4;
Пн. - отход исходного материала от некратной длины, мм. Принимается равным половине длины заготовки.
Расчет нормы расхода оформляется по форме НД-2 приложения 3.
10.4. Для расчета норм на деталь, изготовляемую из листа, полосы, ленты устанавливают следующие величины:
1) массу детали или заготовки, г;
2) массу исходного материала, г;
3) количество заготовок из исходного материала, шт;
4) массу технологических потерь, г;
5) массу технологических отходов, г.
10.4.1. Масса детали принимается согласно данным на чертеже детали или рассчитывается согласно 10.1.1.
10.4.2. Массу исходного материала рассчитывают по формуле
Ми.м. = 10-3L × B × t × r, (36)
где L, B, t - соответственно длина, ширина и толщина исходного материала, мм, принимается согласно государственным стандартам или техническим условиям на сортамент исходного материала с учетом средних значений допускаемых отклонений.
10.4.3. Количество заготовок, полученных при раскрое исходного материала, определяется по карте технологического раскроя и по формулам:
n = nL × nB
(37) или
(38)
(39) или
(40)
где nL, nB - количество деталей, получающихся при раскрое листа по длине и ширине, шт;
n - количество заготовок, полученных при раскрое исходного материала, шт;
l3, l3 - длина и ширина заготовки, мм;
Пр - припуск на вырезку (штамповку) заготовки, мм.
10.4.4. Норму расхода на деталь, изготовляемую из листа, полосы, ленты, рассчитывают по формуле
(41)
10.4.5. Массу потерь на деталь при резке и штамповке рассчитывают по формуле
Мпот. = 10-2× lp× t × N¢у.пот., (42)
где lp - длина реза, определяемая по карте раскроя, мм;
t - толщина разрезаемого (штампуемого) материала, мм;
N¢у.пот. - норматив потерь, г/см2, принимается согласно табл. 13 приложения 4.
10.4.6. Масса потерь при сверлении, фрезеровании и слесарной обработке штампованных заготовок определяется согласно порядку, изложенному в п. 10.2.1.
10.4.7. Массу отходов рассчитывают по формуле
Мотх. = Нр - (Мд. + М¢пот. + Мпот.), (43)
где М¢пот. - масса потерь при сверлении;
М²пот. - масса потерь при сверлении, фрезеровании и т.д.
Расчет норм расхода оформляется по форме НД-2 приложения 3.
11.1. Нормы расхода припоев, содержащих драгоценные металлы, устанавливаются в граммах припоя на единицу продукции.
11.2. При определении нормы расхода припоев должны быть учтены:
1) масса припоя в соединительном слое;
2) масса расплыва и мениска;
3) потери припоя на угар и другие безвозвратные потери.
Норму расхода припоя на одно соединение (Н) в граммах рассчитывают по формуле
Н = Нс + Нм + Нрас., (44)
где Нс - норма расхода припоя на соединительный слой, г;
Нм - норма расхода припоя на мениск, г;
Нрас. - норма расхода припоя на расплыв, г.
Норма расхода на расплыв (Нрас.) учитывается в общей норме расхода отдельно только в соединениях, где расплыв является самостоятельным элементом шва. Во всех случаях при пайке соединений они должны быть не более 2 % от полезного расхода припоя.
11.2.1. Норму расхода припоя на соединительный слой (Нс) рассчитывают по формуле
Нс = S × Nу (43)
где S - площадь соединительного слоя, см2 принимается по данным конструкторской документации;
Nу - норматив расхода припоя на соединительный слой, г/см2 табл. 14 приложения 4.
При отсутствии норматива расхода, норма расхода припоя на соединительный слой определяется по формуле
(46)
где a - толщина соединительного слоя, мм или величина паяльного зазора (толщина шва; в паяном соединении, внахлестку определяется по табл. 20, паяных соединениях встык, вскос, в угол и соприкасающихся - согласно табл. 22; в телескопическом паяном соединении и соединении втавр (типа ПТЗ и ПТУ) рассчитывают по формуле
(47)
где amax, amin - соответственно наибольшее и наименьшее значение зазора между сочлененными деталями, мм и рассчитывается по формуле
(48)
(49)
где Aв - верхнее предельное отклонение отверстия, мм;
Хв - верхнее предельное отклонение вала, мм;
Ан - нижнее предельное отклонение отверстия, мм;
Xн - нижнее предельное отклонение вала, мм.
ПРИМЕЧАНИЕ. В телескопическом паяном соединении деталей из разнородных материалов, с различающимися коэффициентами термического расширения, за величину паяного зазора (толщину шва) принимать зазор при температуре пайки.
r - удельный вес припоя, г/см3;
k - коэффициент, учитывающий потери на угар при пайке (значение коэффициента, учитывающего потери припоя на угар, устанавливаются опытно-производственным методом, но не более 1,02 %, что соответствует норме потерь - 2 % от полезного расхода припоя).
11.2.2. Норму расхода припоя на мениск (Нм) и расплыв (Нрас.) в граммах определяют по формулам:
Нм = Nу× lм, (50)
Нрас = Nу× lр, (51)
где Nу - норматив расхода припоя на мениск и расплыв, г/пог. см;
l - длина расплыва или мениска, пог. см выбирается по данным конструкторской документации.
Нормативы расхода припоя на мениск приведены в табл. 15, на расплыв в табл. 16 приложения 4.
11.2.3. Норму расхода припоя на пайку проводов внахлестку устанавливают по формуле
Нн = Nу× lн, (52)
где Nу - норматив расхода припоя, г/пог. см устанавливается в зависимости от суммы диаметров проводов и приводятся в табл. приложения 4;
lн - длина участка пайки, см выбирается по данным конструкторской документации.
11.2.4. Норму расхода припоя на пайку проводов одинаковых диаметров в соединениях встык (Нв) рассчитывают по формуле
Нв = Nу× n, (53)
где Nу - удельный расход припоя, г/пайка принимается согласно табл. 17 приложения 4 в зависимости от диаметров соединяемых проводов;
n - количество мест пайки, шт., принимается по данным конструкторской документации.
11.2.5. Норму расхода припоя на пайку проводов разных диаметров в соединениях встык (Нв) рассчитывают по формуле
Н¢в = Nуk × n, (54)
где k - поправочный коэффициент для пайки проводов разных диаметров в соединениях встык, принимается согласно табл. 23 приложения 4.
11.2.6. При установлении нормативов или норм расхода припоя на виды пайки, для которых нормативы не приведены, потери на угар должны учитываться в следующих пределах: при пайке вручную и в электропечах процент не более 2,0; при пайке окунанием и газовыми горелками процент не более 18.
11.2.7. Норму расхода на сборочную единицу рассчитывают по формуле
Н = (Нc + Hм + Нрас)n. (55)
ПРИМЕЧАНИЕ. Норма расхода на расплыв (Нрас) учитывается в общей норме расхода отдельно только в соединениях, где расплыв является самостоятельным элементом шва.
11.2.8. Нормы расхода припоя на пайку детали особо сложной формы, когда невозможно определить площадь пайки детали или толщину соединительного слоя, определяются опытно-производственным путем. Припой взвешивается до и после пайки деталей (изделий). Частное от деления количества израсходованного припоя в граммах на количество деталей (изделий), подвергшихся пайке, дает норму расхода припоя на деталь (изделие).
12.1. При гальванических покрытиях драгоценные металлы расходуются в виде металлов для анодов и солей для приготовления и корректировки электролитов. Нормы расхода драгоценных металлов для гальванических покрытий устанавливаются в граммах металла на единицу продукции.
12.2. Норму рассчитывают в чистом металле по формуле
(56)
где Мпок - масса покрытия детали в чистом металле, г;
Lотх - норматив отходов в % от массы покрытия. Определяется по табл. 28 приложения 4;
Lпот - норматив потерь в % от массы покрытия, определяется по табл. 29 приложения 4.
12.2.1. Массу покрытия детали в чистом металле вычисляют по формуле
Мпок = 10-4× t × S × r, (57)
где t - средняя толщина покрытия детали, см, принимается согласно ГОСТ 9.073-77 и данным конструкторской документации;
S - площадь покрытия детали, см2, принимается по данным конструкторской документации;
r - плотность драгоценного металла, г/см3, принимается согласно государственным стандартам или техническим условиям по качеству исходного материала.
12.2.2. При гальваническом покрытии сплавами, содержащими драгоценный металл, масса драгоценного металла определяется по формуле
Мг.пок = 10-4× t × S × rc× k, (58)
где k - процент содержания драгоценного металла в сплаве;
rc - плотность сплава, г/см3 подсчитывается по формуле
(59)
где r1; r2 - плотность металлов, входящих в сплав, г/см3;
n1, n2 - процентное содержание в сплаве соответствующих металлов.
12.3. Норму
расхода в соли драгоценного металла (
) в граммах рассчитывают по формуле
(60)
где k1 - коэффициент перевода чистого драгоценного металла в соль. Принимается согласно табл. 28 приложения 4.
12.4. Для снижения безвозвратных потерь драгоценных металлов при гальванических покрытиях необходимо после обработки деталей в растворах, содержащих драгоценные металлы, производить промывку их в ванне с непроточной водой (уловители). Рекомендуется устанавливать 2 - 3 ванны-уловителя. Концентрация драгоценных металлов в последней ванне не должна превышать при серебрении - 0,3 г/дм3, а при золочении и палладировании допускаются следы металла.
12.5. Потребность в анодах и солях (содержащих драгоценные металлы) на запуск новых ванн и неснижаемый запас рассчитываются самостоятельно и в нормах расхода на единицу изделия не учитываются. Потребность в серебряных анодах на запуск новой ванны определяется по формуле
A = k × Sр.п× h × n × r, (61)
где A - вес анодов, одновременно загруженных в ванну, г;
Sр.п - рабочая поверхность анода, см2;
h - толщина анода, см;
n - количество анодов, одновременно загружаемых в ванну, шт.;
r - удельный вес металла анодов, г/см3;
k - коэффициент, зависящий от расположения анодов.
При центральном расположении анодов k = 0,5, а при расположении у стенок k = 0,8.
12.6. Потребности в солях, содержащих драгоценные металлы, для запуска ванн определяется по формуле
П = с × V, (62)
где П - масса соли, единовременно загружаемой в ванну, г;
с - концентрация соли в электролите (согласно утвержденному технологическому процессу), г/дм3;
V - объем электролита в ванне, дм3.
12.7. Расчеты норм расхода драгоценных металлов на гальванические покрытия представляются по форме НД-4 приложения 3.
13.1. Нормы расхода драгоценных металлов на детали, получаемые со специализированных заводов в готовом виде, исчисляются в граммах чистого металла на единицу продукции (изделие, комплект и т.д.). При этом сама норма расхода получается как сумма массы детали и затрат на безвозвратные потери драгоценного металла на предприятиях-приготовителях.
13.2. Количество готовых деталей, входящих в единицу продукции, определяется на основании конструкторской спецификации изделия.
13.3. Масса детали (изготовленной по государственному стандарту и общесоюзной нормали) и нормативы безвозвратных потерь драгоценного металла устанавливаются на заводе-изготовителе, утверждаются в установленном порядке и сообщаются заводу потребителю.
13.4. Масса детали и нормативы безвозвратных потерь драгоценных металлов приведены в табл. 30 приложения 4.
13.5. Процент безвозвратных потерь не должен превышать данных табл. 30 приложения 4.
13.6. Расчет подетальных норм расхода драгоценных металлов на готовые детали производится по форме НД-6 приложения 3.
14.1. Активация плат печатного монтажа производится в растворе хлористого палладия, имеющем концентрацию 0,8 - 1,0 г/дм3. В процессе активации выкристализовываются молекулы хлористого палладия из раствора на поверхность диэлектрика.
14.2. Норму расхода хлористого палладия на активацию устанавливают в весе соли и рассчитывают по формуле
H = S × Nу, (63)
где S - площадь поверхности активации платы печатного монтажа, м2;
Nу - удельная норма расхода хлористого палладия, г/см2.
Удельная норма расхода хлористого палладия зависит от концентрации его в активируемом растворе и периодичности фильтрации этого раствора от загрязнений и не должна превышать 0,18 - 0,25 г/м2.
Площадь поверхности активации платы рассчитывается по формуле
S = Sп + Sт, (64)
где Sп - площадь поверхности платы (с двух сторон с учетом технологического припуска 10 мм на сторону по периметру заготовки), м2;
Sт - площадь торцевой поверхности платы.
14.3. Норматив возвратных отходов хлористого палладия при активации плат печатного монтажа составляет 8 - 10 % от нормы расхода.
14.4. Расчет норм расхода хлористого палладия на активацию плат печатного монтажа рассчитывается по форме НД-8 приложения 3.
14.5. Удельная норма расхода хлористого палладия и норматив возвратных отходов устанавливаются на предприятии опытным путем на основании обработки статистических данных за предшествующий период и подтверждаются актами выборочной проверки, которые утверждаются главным инженером предприятия (организации) и прилагаются к форме НД-8.
15.1. Различают следующие методы нанесения серебряного слоя на поверхность стеклянных изделий:
1) кюветный;
2) наполнения сосуда серебрящей жидкостью;
3) пульверизация.
15.2. Норма расхода азотнокислого серебра при химическом серебрении устанавливается в граммах на единицу годной продукции.
15.3. Норма расхода азотнокислого серебра (Н) в граммах на химическое серебрение одного изделия состоит из чистого веса покрытия, возвратных отходов и безвозвратных потерь и определяется по формуле
(65)
где V - объем серебрящего раствора на одно серебрение, л;
c - концентрация азотнокислого серебра в серебрящем растворе, г/л;
n - количество серебрений, необходимое для получения слоя серебра заданной толщины;
k - коэффициенты повторного серебрения;
m - количество деталей, покрываемых за один цикл серебрения, шт.
15.4. Коэффициент повторного серебрения зависит от требований, предъявляемых к качеству отражающего покрытия, устанавливается по результатам опытно-производственной проверки и не должен превышать значения 1,2.
15.5. Объем серебрящего раствора (V) в дм3, необходимый для одного серебрения, при кюветном методе определяется по формуле
V = Vк - Vд, (66)
где Vк - объем кюветы до уровня наполнения серебрящим раствором, дм3;
Vд - объем покрываемой детали, дм3.
15.6. При определении объема учитывается, что слой этого раствора над верхней поверхностью детали, а также расстояние между деталями и стенками кюветы не должны превышать 0,5 см.
15.7. При определении объема серебрящего раствора для серебрения стеклянных пластин методом пульверизации следует учитывать, что удельная норма расхода не должна превышать 0,003 г/см3.
15.8. При серебрении цилиндров, колб и других сосудов объем серебрящего раствора определяется опытно-производственным методом.
Для изделий, внутренняя полость которых имеет правильную геометрическую форму, объем серебрящей жидкости определяется расчетным путем. Для изделий неправильной геометрической формы объем серебрящего раствора можно определить путем замера их объема в мерной посуде.
15.9. Чистый вес покрытия (Но) в граммах определяют по формуле
Но = Sп.п× h × r × 1,575, (67)
где Sп.п - площадь покрываемой поверхности, см2;
h - толщина слоя серебра, см;
r - удельный вес серебра, равный 10,5 г/см3;
1,575 - коэффициент перевода чистого серебра в азотнокислое.
15.10. Нормативы безвозвратных потерь устанавливаются по результатам опытно-производственной проверки и не должны превышать предельных значений, указанных в табл. 31 приложения 4.
15.11. Возвратные отходы определяются как разность между нормой расхода и суммой чистого веса и безвозвратных потерь.
15.12. Расчет норм расхода азотнокислого серебра на химическое серебрение стеклянных изделий ведется по форме НД-5 приложения 3.
16.1. Норма расхода серебра на серебрение керамических деталей методом вжигания устанавливается в граммах азотнокислого серебра на единицу продукции.
16.2. Норма расхода азотнокислого серебра складывается как сумма полезного расхода, возвратных отходов и безвозвратных потерь при серебрении деталей, а также затрат металла на возвратные отходы и безвозвратные потери при приготовлении пасты.
Норма расхода азотнокислого серебра устанавливается с учетом коэффициента технологических потерь, который определяется по каждому изделию на основании пооперационных потерь, утвержденных главным инженером предприятия.
16.3. Расчет нормы ведется в металлическом серебре с последующим пересчетом в азотнокислое серебро с коэффициентом 1,575.
16.4. Чистый вес покрытия (Н¢о) в граммах определяется по формуле
Н¢о = S¢п.п× r × h¢, (68)
где S¢п.п - площадь покрываемой поверхности, см2;
h¢ - толщина покрытия, см;
r - удельный вес серебра, равный 10,5 г/см3.
16.5. Нормативы возвратных отходов и безвозвратных потерь при серебрении керамических деталей устанавливаются в процентах к чистому весу покрытия, при приготовлении пасты - к чистому весу серебра в пасте.
16.6. Нормативы возвратных отходов и безвозвратных потерь при серебрении керамических деталей и при приготовлении пасты устанавливаются опытно-производственным методом, с учетом намечаемых мероприятий по экономии драгоценных металлов. Установленные нормативы не должны превышать предельных значений, приведенных в табл. 32 приложения 4.
16.7. Норма расхода серебра на деталь определяется умножением суммы полезного расхода норм возвратных отходов и безвозвратных потерь при серебрении деталей, норм возвратных отходов и безвозвратных потерь при приготовлении пасты на коэффициент технологических потерь.
16.8. Норма безвозвратных потерь на деталь определяется умножением суммы безвозвратных потерь при серебрении деталей и приготовлении пасты на коэффициент технологических потерь. Норма возвратных отходов на деталь определяется как разность между нормой расхода и суммой полезного расхода и безвозвратных потерь. Расчет норм выполняется на бланке по форме НД-14 приложения 3.
17.1. Норма расхода драгоценного металла на напыление складывается из полезного расхода (Но), возвратных отходов (Нотх) и безвозвратных потерь (Нпот)
Н = Но + Нотх + Нпот. (69)
Чистый вес (полезный расход) напыленной пленки заданной толщины определяют по формуле
Н²о = S² × r × h², (70)
где S² - площадь напыленной пленки, см2;
r - удельный вес драгметалла, г/см3;
h² - средняя толщина напыленной пленки, см.
17.2. Толщина напыляемой пленки обеспечивается весом навески или расходом драгметалла на цикл напыления и соблюдением технологического процесса (режима) напыления.
17.3. Норма расхода на деталь определяется количеством драгметалла, распыляемого за цикл, и числом одновременно загружаемых деталей
(71)
где m - расход драгоценного металла за цикл напыления, г;
n - количество одновременно загружаемых деталей.
17.4. Расход драгоценного металла за цикл напыления определяется главным образом применяемой системой распыления.
17.5. Термическое напыление в вакууме
При использовании испарителя типа «Лодочка» количество испаряемого драгметалла (m) определяют по формуле
m = pr(l2 + R2) × h, (72)
где p - коэффициент, равный 3,14;
r - удельный вес испаряемого драгметалла, г/см3;
h - средняя толщина пленки, см;
l - расстояние от источника до подложки, см;
R - радиус круглой подложки или половина большей стороны прямоугольной подложки, см.
17.6. Нормативы безвозвратных потерь при вакуумном напылении определяются оборудованием и технологией напыления и устанавливаются по результатам опытно-производственной проверки в процентах от нормы расхода и не должны превышать предельного норматива, равного для термического напыления - 7 %.
17.7. Норматив возвратных отходов определяется как разность между нормой расхода драгоценного металла и суммой чистого веса покрытия и нормы безвозвратных потерь по формуле
Нотх = Н - (Н²о + Нпот). (73)
Расчет норм расхода драгоценного металла на вакуумное напыление ведется по форме НД-7 приложения 3.
18.1. Нормы расхода драгоценных металлов устанавливаются сроком на один год и подлежат ежегодному пересмотру с учетом внедрения новых технологических процессов и оборудования, а также улучшения организации производства.
18.2. Проекты сводных норм расхода драгоценных металлов представляются в трех экземплярах предприятиями (организациями) в срок согласно графику по пересмотру норм расхода, но не позднее 1 июня года, предшествующего планируемому.
18.3. Сводные нормы расхода должны быть четко отпечатаны и сброшюрованы в неразборном переплете. Титульный лист сводных норм подписывается в строгом соответствии с указанными фамилиями. Запрещается вносить исправления на титульном листе.
18.4. Альбом сводных норм расхода драгоценных металлов комплектуется в следующем порядке:
1) этикетка, наклеенная на альбом по форме НД-10 приложения 3;
2) титульный лист по форме НД-11 приложения 3;
3) пояснительная записка;
4) техническое обоснование на применение драгоценных металлов, утвержденное главным инженером;
5) копия разрешения на применение драгоценных металлов, сплавов и их солей, которые ранее не применялись (в одном экземпляре);
6) расчет подетальных норм расхода в соответствии с формами приложения 3 (в двух экземплярах);
7) акт опытной проверки фактического расхода драгоценных металлов (в случае установления норм опытным путем);
8) ведомость сводных норм расхода драгоценных металлов по форме НД-1 приложения 3.
18.5. Дополнительно к выше перечисленному предприятия (организации) представляют на экспертизу выборочно до 25 % чертежей на новые изделия; в одном экземпляре расчеты площадей на детали, подвергающиеся покрытиям гальваническим, химическим, вакуумным и металлизации; выборочно эскизы паяных соединений с указанием элементов шва.
18.6. В целом по предприятию (организации) при пересмотре норм расхода представляются в одном экземпляре:
1) ведомость норм расчета среднего снижения норм расхода материалов по форме НМ-3 приложения 2;
2) план организационно-технических мероприятий по экономии драгоценных металлов по форме НМ-6 приложения 2.
18.7. Для формирования сводных норм расхода драгоценных металлов в целом по предприятиям Госстандарта СССР и представления их на утверждение в Министерство финансов СССР предприятия (организации) в обязательном порядке к трем экземплярам, отдельно не сброшюровано в альбом, представляют четко отпечатанную ведомость сводных норм расхода (изменений сводных норм расхода) драгоценных металлов по форме НД-1 приложения 3 для сводки норм расхода в одном экземпляре, для сводок изменений в пяти экземплярах.
18.8. Пояснительная записка должна отражать:
1) методы установления норм расхода (по изделиям);
2) методы изготовления печатных плат;
3) методы изготовления контактов (штамповка, высадка, точение и другие методы);
4) методы изготовления изделий микроэлектроники;
5) расчеты, подтверждающие необходимость применения драгоценных металлов.
18.9. Головной отдел норм и нормативов материальных ресурсов (ГОННМР) рассматривает проект ведомостей сводных норм расхода драгоценных металлов и устанавливает:
1) соответствие представленных норм номенклатуре изделий по плану производства;
2) наличие всей технической документации, предусмотренной настоящей инструкцией;
3) правильность заполнения всех форм в соответствии с указаниями настоящей инструкции;
4) правильность представленных расчетов;
5) коэффициент использования драгоценных металлов;
6) обоснованность всех случаев изменения норм расхода;
7) мероприятия, обеспечивающие снижение норм в планируемом году.
В случаях несоответствия представленных норм ГОННМР возвращает предприятиям ведомости сводных норм расхода на доработку или приглашает представителя предприятия.
Исправления следует вносить четко, аккуратно и заверять подписью исполнителя с указанием даты.
18.10. Сводные нормы расхода драгоценных металлов представляются в ГОННМР в трех экземплярах, после рассмотрения и утверждения сводные нормы расхода рассылаются:
1) первый и третий экземпляры - предприятию;
2) второй экземпляр - головному отделу норм и нормативов материальных ресурсов.
18.11. Проекты сводных норм расхода драгоценных металлов представляются предприятиями (организациями) в сроки согласно графику по пересмотру норм расхода, но не позднее 1 июня года, предшествующего планируемому.
18.12. Полученные предприятием (организацией) утвержденные в срок сводные нормы расхода драгоценных металлов являются основанием для оформления заявок на получение фондов на драгоценные металлы.
18.13. Предприятия (организации) представляют в ГОННМР пояснительную записку, где даны технико-экономические расчеты, а также данные о количестве драгоценных металлов, подлежащих сдаче в Госфонд после окончания работ.
18.14. Ответственность за качество норм и ежегодный пересмотр их несут главные инженеры предприятий (организаций).
19.1. Ведомости изменений сводных норм расхода драгоценных металлов составляются в трех экземплярах два раза в год и должны присылаться не позднее:
1) на первое полугодие планируемого года - 1 ноября текущего года;
2) на второе полугодие текущего года - 1 июня текущего года.
19.2. При внедрении мероприятий, влекущих за собой снижение норм расхода драгоценных металлов, ведомости изменений представляются на утверждение не позднее одного месяца со дня внедрения мероприятий.
19.3. В случае изменения конструкции изделий или повышения требований к их качеству, увеличение норм расхода должно быть обосновано расчетом с соответствующим технико-экономическим обоснованием, подписанным главным конструктором, главным технологом и утвержденным главным инженером предприятия.
19.4. Альбомы изменений сводных норм расхода драгоценных металлов комплектуются в следующем порядке:
1) этикетка, наклеенная на альбом по форме НД-12 приложения 3;
2) титульный лист к ведомости изменений сводных норм расхода драгоценных металлов по форме НД-14 приложения 3;
3) пояснительная записка;
4) техническое обоснование на изменение ведомостей сводных норм расхода драгоценных металлов по форме НД-9 приложения 3;
5) расчет подетальных норм расхода в соответствии с формами приложения 3 (в двух экземплярах);
6) копия извещения об изменении и чертежи, в которых проведены изменения;
7) акты опытной проверки фактического расхода драгоценных металлов (в случае установления норм опытным путем);
8) ведомость сводных норм расхода (изменений сводных норм расхода) драгоценных металлов по форме НД-1 приложения 3.
Все изменения норм расхода драгоценных металлов должны быть подтверждены соответствующим техническим обоснованием.
19.5. Порядок оформления и представления альбомов изменений сводных норм расхода соответствует порядку разд. 18 настоящей инструкции.
Указания по заполнению
граф формы Н-1
«Акт опытной проверки фактического расхода материалов»
5, 6 - номер технологического процесса, согласно которому проводится проверка, дата его утверждения;
7, 8 - наименование модели, типа оборудования или приспособления, применяемого в данном технологическом процессе;
9 - фамилия исполнителя проверяемой операции;
10 - способ измерения расхода материалов и измерительный инструмент;
11 - наименование проводимого измерения (например, взвешивание отходов от вырубки деталей и т.д.);
14 - средняя величина результатов измерения рассчитывается как среднеарифметическая величина;
15 - норма расхода материалов рассчитывается как среднепрогрессивная норма в соответствии с разд. 6 настоящего стандарта;
Графы 1 - 4, 12 - 13, 16 - 20 пояснений не требуют.
Указания по заполнению
граф формы Н-3
«Извещение об изменении норм расхода материалов и драгоценных металлов»
1 - наименование или индекс предприятия, выпускающего извещение;
2 - шифр изменения;
3 - порядковый номер листа извещения;
4 - общее количество листов;
5 - указать, в какие ведомости вносится изменение. Например, в ведомости подетальных норм расхода материалов;
6 - причина изменения;
7 - дата введения в действие извещения;
8 - дата, до наступления которой должны быть внесены изменения в документы;
9 - указывается срок внедрения изменений в производство;
10 - данные о документе или материале до внесения изменения;
11 - данные о документе или материале после внесения изменения;
12 - номера листов документов, в которые вносятся изменения;
13 - номера альбомов ведомостей, в которые должны быть внесены изменения;
14 - обозначение изделий или номера заказов изделий, в нормы которых должны быть внесены изменения;
15 - наименование служб и подразделений предприятия, которым должно быть направлено извещение;
16 - 18 - характер работы, выполняемой лицами, подписывающими и утверждающими извещение, их фамилии, подписи и даты;
19 - 21 - подпись лица, ответственного за внесение изменений в контрольную копию документа, его фамилия, подпись и дата;
22 - общее количество листов приложений.
Указания
по заполнению
граф формы Н-4
«Оглавление к ведомости сводных норм (изменений сводных норм) расхода
материалов».
1 - порядковый номер листа в альбоме;
2 - общее количество листов в альбоме;
3 - пояснений не требует.
Указания по заполнению
граф формы Н-7
«Лист регистрации изменений»
1 - порядковый номер листа в альбоме;
2 - общее количество листов в альбоме;
3 - номер вновь введенного листа;
4 - дата введения нового листа в альбом;
5 - инвентарный номер альбома ведомостей изменений;
6 - номер ведомости изменений сводных норм, которой устанавливается по количеству зарегистрированных в данном альбоме ведомостей изменений;
7 - полугодие или год, с которого начинается действие утвержденных изменений сводных норм, внесенных в данный альбом;
8 - фамилия лица, проводившего изменения;
9 - подпись лица, проводившего изменения;
10 - дата проведения изменения.
Указания по заполнению
граф формы НМ-1
«Ведомость подетальных норм расхода материалов»
1 - наименование изделия;
2 - код, индекс изделия;
3 - обозначение детали по чертежу;
4 - наименование детали по чертежу;
5 - единица измерения материала;
6 - наименование материала;
7 - марка материала по чертежу;
8 - государственные стандарты;
9 - размер профиля, сорт или артикул материала;
10 - государственные или отраслевые стандарты на сортамент материала по чертежу;
11 - масса или чистый расход на деталь;
12 - норма расхода материала на деталь;
13 - коэффициент использования материала - [11] : [12];
14 - количество деталей, идущих на изделие;
15 - [14] ´ [11];
16 - [14] ´ [12];
17 - цех потребитель материала;
18 - 22 - заполнение производится по ГОСТ 2503-74;
23 - характер работы, выполняемой лицами, подписывающими документ;
24 - фамилии лиц, подписывающих документ;
25 - подписи лиц, фамилии которых указаны в графе 21;
26 - дата подписания документа;
27 - порядковый номер, присваиваемый альбому предприятием.
Указания по заполнению
граф формы НМ-2
«Ведомость сводных норм расхода материалов»
1 - наименование изделия или номер заказа;
2 - единица измерения изделия по плану производства;
3 - код изделия из классификатора продукции;
4 - код единицы измерения из общесоюзного классификатора «Система обозначений единиц величин и счета используемых в автоматизированных системах управления народным хозяйством для обработки технико-экономической информации»;
5 - порядковый номер, присваиваемый альбому предприятием;
6 - порядковый номер листа в альбоме;
7 - общее количество листов в альбоме;
8 - наименование материалов, расходуемых на изделие;
9 - единицы измерения материала;
11 - номер строки заполнять только в формах ведомостей, подлежащих обсчету в ВЦ предприятий и ГВЦ;
12 - код материала заполнять из номенклатуры материалов, утвержденной Комитетом;
13 - заполнять только на изделие гражданской продукции;
14 - норма расхода материала на изделие;
15 - масса или чистый расход материала на изделие;
16 - ![]()
Указания по заполнению
граф формы НМ-3
«Ведомость норм и расчета среднего снижения расхода материалов»
4, 5 - наименование группы материала и кода по номенклатуре материалов, утвержденной Комитетом;
6 - вид продукции - гражданская продукция (ГР), литера «А»; непредвиденные расходы (НР) литера «Б»;
9 - наименование продукции (например - приборы контроля), а также наименование изделий или номера заказов на данные изделия;
10 - код изделия по КПР;
11 - единицы измерения норм расхода и массы в соответствии с планом производства;
12, 15 - норма расхода материала на единицу измерения, указанную в графе 11;
13, 16 - масса или чистый расход материала на единицу измерения, указанную в графе 11;
14 -
;
17 -
;
18 - план производства планируемого года в единицах измерения, указанных в плане предприятия;
19 - [12] ´ [18];
20 - [15] ´ [18];
21 - [19] - [20];
22 -
;
Графы 4, 5, 7, 8 пояснений не требуют.
ПРИМЕЧАНИЕ. По каждой группе материалов по графам 19 - 22 подводятся итоги в целом по предприятию (организации).
Указания по заполнению
граф формы НМ-4
«Ведомость специфицированных норм расхода материалов»
1 - код материала по утвержденной Комитетом номенклатуре материалов или локальный код предприятия;
2 - наименование материалов, расходуемых на изделие;
3 - марка материала;
4 - размер профиля, сорт или артикул материала;
5 - государственный отраслевой стандарт или технические условия на марку материала;
6 - государственный отраслевой стандарт или технические условия на сортамент материала;
7 - единица измерения материала;
8 - цех-потребитель материала;
9 - масса или чистый расход материала на изделие;
10 - норма расхода материала на изделие;
11 - наименование изделия или номер заказа;
12 - единица измерения изделия;
13 - 17 - заполнение граф производить согласно ГОСТ 2.503-74;
18 - характер работы, выполняемой лицами, подписывающими документ;
19 - фамилии лиц, подписывающих документ;
20 - подписи лиц, фамилии которых указаны в графе 19;
21 - дата подписания документа;
22 - порядковый номер, присваиваемый данному альбому предприятием;
23 - порядковый номер листа в альбоме;
24 - количество листов в альбоме.
Указания по заполнению
граф формы НМ-5
«Ведомость специфицированных норм расхода материалов»
1 - наименование изделия или номер заказа;
2 - единица измерения изделия;
3 - единица измерения изделия из сводных норм расхода;
4 - масса деталей в изделии из данной марки сплава;
5 - код материала по утвержденной Комитетом номенклатуре материалов или локальный код предприятий;
6 - наименование материала, его марка, сортамент, профиль, размеры, а также государственный, отраслевой стандарт или технические условия на его поставку;
7 - единица измерения материала;
8 - цех-потребитель материала;
9 - масса или чистый расход материала на изделие;
10 - норма расхода материала на изделие;
11 - цена единицы измерения по прейскуранту;
12 - [11] ´ [10];
13 - обозначение прейскуранта, по которому установлена цена единицы измерения;
14 - 18 - заполнение граф производить по ГОСТ 2.503-74;
19 - характер работы, выполняемой лицами, подписавшими документ;
20 - фамилии лиц, подписавших документ;
21 - подписи лиц, фамилии которых указаны в графе 20;
22 - дата подписания документа;
23 - порядковый номер, присваиваемый альбому предприятием;
24 - порядковый номер листа в альбоме;
25 - общее количество листов в альбоме.
Указания по заполнению
граф формы НМ-6
«План организационно-технических мероприятий по экономии материалов»
4 - вид продукции (для изделий «ГР» литера «А», для изделий спецтехники «НР» - литера «Б»);
7 - содержание организационно-технических мероприятий с указанием метода получения экономии;
8 - наименование изделия или номер заказа;
9 - единица измерения изделия;
10 - срок внедрения мероприятий по плану;
11 - план производства изделия текущего года;
12, 13 - наименование и марка материала до и после внедрения;
14 - единица измерения материала;
15, 16 - цена за единицу измерения материала до и после внедрения мероприятий;
17, 18 - норма расхода материала на изделие в единицах плана до и после внедрения;
19 - [17] - [18];
20 - [19] ´ [11];
21 - условногодовая экономия по кварталам;
22 - ([15] ´ [17] ´ [11]) - ([16] ´ [18] ´ [11]).
Графы 1 - 3, 5, 6 пояснений не требуют.
Указания по заполнению
граф формы НМ-7
«Отчет о выполнении плана организационно-технических мероприятий по экономии
материалов»
4 - вид продукции (для изделий «ГР» литера «А», для изделий спецтехники «НР» - литера «Б»);
7 - содержание организационно-технических мероприятий с указанием метода получения экономии;
8 - наименование изделия или номер заказа;
9 - единица измерения изделия;
10 - срок внедрения мероприятий по плану;
11 - план производства изделий текущего года;
12, 13 - наименование и марка материала до и после внедрения;
14 - единица измерения материала;
15, 16 - цена за единицу измерения материала до и после внедрения мероприятий;
17, 18 - норма расхода материала на изделие в единицах плана до и после внедрения;
19 - [17] - [18];
20 - [19] ´ [11];
21 - условногодовая экономия по кварталам;
22 - ([15] ´ [17] ´ [11]) - ([16] ´ [18] ´ [11]);
23 - фактический срок внедрения мероприятий;
25 - заполняется из графы 21 плана ОТМ;
26 - заполняется из плана ОТМ;
27 - [19] ´ [24];
28 - ([15] ´ [17] ´ [24]) - ([16] ´ [18] ´ [24]).
Графы 1 - 3, 5, 6, 24 пояснений не требуют.
Указания по заполнению
граф формы НМ-8
«Ведомость расчета норм расхода лакокрасочных материалов и растворителей»
1 - наименование изделия или номер заказа;
2 - единица измерения изделия по плану производства;
3 - код изделия из классификатора продукции;
4 - код единицы измерения из общесоюзного классификатора «Система обозначений единиц величин и счета, используемых в автоматизированных системах управления народным хозяйством для обработки технико-экономической информации»;
5 - наименование материала из конструкторской или технологической документации;
6 - государственные, отраслевые стандарты или технические условия на материалы;
7 - группа сложности окрашиваемой поверхности;
8 - данные заполнять из конструкторской документации;
9 - данные из технологической документации;
10 - данные из нормативной документации. Удельные нормы расхода материалов проставлять с учетом группы сложности;
11 - расчетная величина, полученная обмером площадей покрываемых деталей или чертежей деталей;
12 - количество сдоев по технологическому процессу;
13 - [10] ´ [11] ´ [12];
14 - 18 - заполнение граф производить по ГОСТ 2.503-74;
19 - характер работы выполняемой лицами, подписывающими документ;
20 - фамилии лиц, подписавших документ;
21 - подписи лиц, фамилии которых указаны в графе 20;
22 - дата подписания документа;
23 - порядковый номер, присваеваемый данному альбому;
24 - порядковый номер листа в альбоме;
25 - количество листов в альбоме.
Указания по заполнению
граф формы НМ-9
«Ведомость расчета норм расхода химикатов и вспомогательных материалов на
гальванические покрытия»
1 - наименование изделия или номер заказа;
2 - единица измерения изделия по плану производства;
3 - код изделия из классификатора продукции;
4 - код единицы измерения из общесоюзного классификатора «Система обозначений единиц величин и счета, используемых в автоматизированных системах управления народным хозяйством для обработки технико-экономической информации»;
5 - вид или шифр покрытия из технологического процесса;
6 - расчетная величина, полученная суммированием площадей деталей (сборочных единиц) с одноименным шифром покрытия;
7 - наименование материала из технологического процесса;
8 - государственные, отраслевые стандарты или технические условия на материалы;
9 - единица измерения материала;
10 - данные из нормативной документации. Удельные нормы расхода материалов проставлять с учетом толщины покрытия;
11 - [10] ´ [6];
12 - итоговое число по данному наименованию материала;
13 - 17 - заполнение проводить по ГОСТ 2.503-74;
18 - характер работы, выполняемой лицами, подписывающими документ;
19 - фамилии лиц, подписавших документ;
20 - подписи лиц, фамилии которых указаны в графе 19;
21 - дата подписания документа;
22 - порядковый номер, присваиваемый альбому предприятием;
23 - порядковый номер листа в альбоме;
24 - общее количество листов в альбоме.
Указания по заполнению
граф формы НМ-10
«Ведомость расчета норм расхода шихтовых материалов для изготовления литья»
1 - наименование изделия или номер заказа;
2 - единица измерения изделия из сводных норм расхода;
3 - масса деталей в изделии из данной марки сплава;
4 - марка сплава и способ литья из чертежа или технологического процесса на деталь;
5 - государственный стандарт или технические условия на литейные сплавы из чертежа или технологического процесса;
6 - вес годного литья (вес обрубленных отливок) на изделие из технологического процесса;
7 - вес металлической завалки на изделие из технологического процесса;
8 -
;
9 - процент безвозвратных потерь из технологического процесса или норматива;
10, 11 - используемые литейные отходы в процентах к металлозавалке (графа 10) и в весовых единицах (графа 11) из расчетов по литейному цеху;
12, 13 - используемые отходы обрабатывающих цехов в процентах к металлозавалке (графа 12) и в весовых единицах (графа 13) из расчетов по металлообрабатывающим цехам;
14 - [7] - ([10] + [12]);
15 - процентное содержание компонента в металле или сплаве;
16 - норма расхода компонента металла или сплава;
17 - наименование компонента в шихте металла или сплава;
18 - 22 - заполнение граф производить по ГОСТ 2.503-74;
23 - характер работы, выполняемой лицами, подписывающими документ;
24 - фамилии лиц, подписывающих документ;
25 - подписи лиц, фамилии которых указаны в графе 24;
26 - дата подписания документа;
27 - порядковый номер, присваиваемый данному альбому;
28 - порядковый номер листа в альбоме;
29 - количество листов в альбоме.
Указания по заполнению
граф формы НМ-16
«Ведомость изменений сводных норм расхода материалов»
1 - наименование изделия или номер заказа;
2 - единицы измерения изделия по плану производства;
3 - код изделия из классификатора продукции;
4 - код единицы измерения из общесоюзного классификатора «Система обозначений единиц величин и счета, используемых в автоматизированных системах управления народным хозяйством для обработки технико-экономической информации»;
5 - порядковый номер, присваиваемый альбому предприятием;
6 - порядковый номер листа в альбоме;
7 - общее количество листов в альбоме;
8 - наименование материалов, расходуемых на изделие;
9 - единицы измерения материала;
11 - номер строки заполнять только в формах ведомостей, подлежащих обсчету в ВЦ предприятий и ГВЦ;
12 - код материала заполнять из номенклатуры материалов, утвержденной Комитетом;
13 - норма расхода материала на изделие;
14 - масса или чистый расход материала на изделие;
15 -
;
16 - причины изменений норм расхода и техническое обоснование изменений.
Указания по заполнению
граф формы НД-1
«Ведомость сводных норм расхода (изменений сводных норм расхода) драгоценных
металлов»
1 - 8 - пояснений не требует;
9 - 10 - данные конструкторской документации;
11 - данные номенклатуры материалов, разработанной и утвержденной Комитетом;
12 - фактический расход на единицу изделия;
13 - 16 - утвержденная норма расхода на текущий год с учетом изменений;
17 - 24 - сводная норма расхода на планируемый год.
Указания по заполнению
граф формы НД-2
«Ведомость расчета норм расхода драгоценных металлов при механической и
слесарной обработке»
1 - 4 - заполняются на основании конструкторской документации и пояснений не требуют;
5, 6, 8 - данные конструкторской документации;
7 - [6] ´ [4];
9, 10 - данные технологической документации;
11 - [8] + [9] + [10];
12 - расчетная величина, определяемая на основании чертежа;
13 - [11] ´ [12];
14 - [13] - [6];
15 - норматив, принятый в соответствии с действующим нормативным документом;
16 - ;
17 - величина, определяемая на основании государственного стандарта или технических условий на драгоценный металл;
18 - [17] : [13];
19 -
;
20 - ([13] + [19]) - ([6] + [16]);
21 - [20] ´ [4];
22 - [6] + [16] + [20];
23 - [22] ´ [4];
24 -
;
25 - 35 - графы заполняются в соответствии с ГОСТ 2.503-74;
36 - количество листов в альбоме.
Указания по заполнению
граф формы НД-3
«Ведомость расчета норм расхода припоев, содержащих драгоценные металлы»
1 - 4 - заполняются на основании конструкторской документации и пояснения не требуют;
5, 7 - 10, 14, 15 - данные конструкторской документации;
6 - данные технологической документации;
11 - [8] ´ [9] (для проводов не определяются);
12, 16 - нормативы, принимаемые в соответствии с действующими нормативными документами;
13 - [12] ´ [11] - для плоскостных разовых и профильных соединений;
[12] ´ [8] - для пайки проводов внахлестку; данные нормативного документа - для пайки проводов встык;
17 - [15] ´ [16];
18 - [13] + [17];
19 - [18] ´ [4];
20 -
;
21 - [20] ´ [4];
22 - 32 - графы заполняются в соответствии с ГОСТ 2.503-74;
33 - количество листов в альбоме.
Указания по заполнению
граф формы НД-4
«Ведомость расчета норм расхода драгоценного металла на гальванические
покрытия»
1 - 4 - заполняются на основании конструкторской документации и пояснений не требуют;
5 - 7 - данные конструкторской и технологической документации;
8 - [7] ´ [4];
9 - [6] ´ [7] ´ r;
10 - [9] ´ [4];
11, 14 - нормативы, принимаемые в соответствии с действующими нормативными документами;
12 -
;
13 - [12] ´ [4];
15 -
;
16 - [15] ´ [4];
17 - [9] + [12] + [15];
18 - [17] ´ [4];
19 - 29 - графы заполняются в соответствии с ГОСТ 2.503-74.
Указания по заполнению
граф формы НД-5
«Ведомость расчета норм расхода азотнокислого серебра на химическое серебрение
стеклянных изделий»
1 - 4 - заполняются на основании конструкторской документации и пояснений не требуют;
5, 9 - 11 - данные технологической документации;
6, 7 - данные конструкторской документации;
8, 12, 17, 20 - нормативы, принимаемые в соответствии с действующими нормативными документами;
13 - [9] ´ [10] ´ [11] ´ [12] - при серебрении кюветным способом, способом полива, способом напыления;
[6] ´ [8] ´ [12] - при серебрении капельно-центробежным способом;
14 - [13] ´ [4];
15 - [6] ´ [7] ´ 10,5 ´ 1,575;
16 - [15] ´ [4].
Указания по заполнению
граф формы НД-6
«Ведомость расчета норм расхода драгоценного металла на детали, получаемые со
специализированных заводов в готовом виде»
1 - 4 - заполняются на основании конструкторской документации и пояснений не требуют;
5, 6, 11 - данные конструкторской документации;
7, 8, 9, 13 - данные технологической документации;
10 - (9) ´ (4);
12 - (11) ´ (4);
14 - (13) ´ (4);
15 - 25 - графы заполняются в соответствии с ГОСТ 2.50374;
26 - количество листов в альбоме.
Указания по заполнению
граф формы НД-7
«Ведомость расчета норм расхода драгоценного металла на нанесение слоя
серебрения в вакууме»
1 - 4 - заполняются на основании конструкторской документации и пояснения не требуют;
5 - 7 - данные конструкторской документации;
8, 9 - данные опытно-производственной проверки;
10 - коэффициент допуска утверждается главным инженером;
11 -
;
12 - [11] ´ [4];
13 - [6] ´ [7];
14 - [13] ´ [4];
15 -
;
16 - [11] - ([13] + [19]);
17 - [16] ´ [4];
18 - данные опытно-производственной проверки (но не более 3 %);
19 - [13] ´ [18] ´ [10];
20 - [19] ´ [4].
Указания по заполнению
граф формы НД-8
«Ведомость расчета норм расхода хлористого палладия»
1 - 4 - заполняются на основании конструкторской документации, пояснений не требуют;
5 - 7 - данные конструкторской документации;
8 - [7] ´ [4];
9 - нормативы, применяемые в соответствии с действующими нормативными документами;
10 - [7] ´ [9];
11 - [10] ´ [4];
12 - [10] - ([15] + [18]);
13 - [12] ´ [4];
14 - данные опытно-производственной проверки;
15 - [10] ´ [14];
16 - [15] ´ [4];
17 - 27 - графы заполняются в соответствии с ГОСТ 2.503-74;
28 - количество листов в альбоме.
Указания по заполнению
граф формы НД-9
«Техническое обоснование изменения сводных норм расхода драгоценных металлов»
1 - 5 - пояснения не требуют;
6, 7 - данные конструкторской документации;
8 - утвержденная норма расхода на текущий год;
9 - сводная норма расхода на планируемый год;
10, 11 - [9] - [8];
12 - объяснение технических причин изменения норм.
Указания по заполнению
граф формы НД-14
«Ведомость расчета норм расхода серебра на серебрение керамических деталей
методом вжигания»
1 - наименование изделия или номер заказа;
2 - единица измерения изделия по плану производства;
3 - код изделия из классификатора продукции;
4 - код единицы измерения из общесоюзного классификатора «Система обозначений единиц, величин и счета, используемых в автоматизированных системах управления народным хозяйством для обработки технико-экономической информации»;
5 - 8 - согласно конструкторской документации;
9 - [7] ´ [8] ´ 10,5 г/см3;
10, 12, 15, 17 - по результатам опытно-производственной проверки в соответствии с данными табл. 32;
11 -
;
13 -
;
14 - [9] + [11] + [13];
16 - ;
18 -
;
19 - определяется на основе пооперационных технологических потерь и утверждается главным инженером предприятия;
20 - ([14] + [16] + [18]) ´ [19];
21 - [20] ´ [6];
22 - [20] ´ 1,575;
23 - [22] ´ [6];
24 - [9] ´ 1,575;
25 - [24] ´ [3];
26 - ([13] + [18]) ´ 1,575 ´ [13];
27 - [26] ´ [6];
28 - [22] - ([24] + [26]);
29 - [28] ´ [6].

Форма Н-2Утверждаю организация __________________ _____________________________ «____» ____________ 19 ______ г. ПРОТОКОЛприравнивания нормируемого изделия _______________________________________________________________________ к изделию-аналогу (наименование изделия) ___________________________________________________________________________ (наименование изделия) Для установления временных (ориентировочных) норм расхода материалов на изделие ___________________________________________________________________ (наименование изделия) комиссия в составе главного (ведущего конструктора) разработки т. _______________, главного технолога т. _______________ и начальника БМТН (ОМТН) т. _____________ (ф.,и.,о.) решили приравнять по всем группам материалов, входящих в нормируемое изделие ________________________, нормы расхода на изделие-аналог ____________________ (наименование изделия) (наименование изделия) со следующими коэффициентами приравнивания по каждой группе материалов:
Главный инженер предприятия ________________ Главный (ведущий) конструктор ________________ Главный технолог ________________ Начальник БМТН (ОМТН) _________________ |

Оглавление к ведомости сводных норм (изменений сводных норм) расхода материалов



(первый лист)

Форма НМ-1
Ведомость подетальных
норм расхода материалов
(последующие листы)

(первый лист)

Форма НМ-2
Ведомость
сводных норм расхода материалов
(последующие листы)

(первый лист)

Форма НМ-3
Ведомость норм и
расчета среднего снижения расхода материалов
(последующие листы)

(первый лист)

Форма НМ-4
Ведомость
специфицированных норм расхода материалов
(последующие листы)


(первый лист)

Форма НМ-6
План
организационно-технических мероприятий по экономии материалов
(последующие листы)

(первый лист)

Форма НМ-7
Ведомость отчета о
выполнении плана организационно-технических мероприятий по экономии материалов
(последующие листы)

(первый лист)

Форма НМ-8
Ведомость расчета
норм расхода лакокрасочных материалов и растворителей
(последующие листы)

(первый лист)

Форма НМ-9
Ведомость расчета
норм расхода химикатов и вспомогательных материалов на гальванические покрытия
(последующие лист)

(первый лист)

Форма НМ-10
Ведомость расчета
норм расхода шихтовых материалов для изготовления литья
(последующие листы)






(первый лист)

Форма НМ-16
Ведомость изменений
сводных норм расхода материалов
(последующие листы)

(первый лист)

Форма НД-1
Ведомость сводных
норм расхода (изменений сводных норм расхода) драгоценных металлов
(последующие листы)

(первый лист)

Форма НД-2
Ведомость расчета
норм расхода драгоценных металлов при металлической и слесарной обработке
(последующие листы)

(первый лист)

Форма НД-3
Ведомость расчета
норм расхода припоев, содержащих драгоценные металлы
(последующие листы)

(первый лист)

Форма НД-4
Ведомость расчета
норм расхода драгоценного металла на гальванические покрытия
(последующие листы)

(первый лист)

Форма НД-5
Ведомость расчета
норм расхода азотнокислого серебра на химическое серебрение стеклянных изделий
(последующие листы)

(первый лист)

Форма НД-6
Ведомость расчета
норм расхода драгоценного металла на детали, получаемые со специализированных
заводов в готовом виде
(последующие листы)

(первый лист)

Ведомость расчета
норм расхода драгоценного металла на нанесение слоя ______________ испарением в
вакууме
(последующие листы)

(первый лист)

Форма НД-8
Ведомость расчета
норм расхода хлористого палладия при активации печатных плат
(последующие листы)

(первый лист)

Форма НД-9
Техническое
обоснование сводных норм расхода драгоценных металлов
(последующие листы)





(первый лист)

Форма НД-14
Ведомость расчета
норм расхода серебра на серебрение керамических деталей методом вжигания
(последующие листы)

Таблица 1
УДЕЛЬНЫЕ ВЕСА, ПРИМЕНЯЕМЫЕ ДЛЯ РАСЧЕТА НОРМ РАСХОДА ДРАГОЦЕННЫХ МЕТАЛЛОВ
|
ГОСТ или ТУ |
Марка |
Удельный вес, г/см3 |
Содержание драгоценных металлов в 1 г соли или припоя |
|
|
1 |
2 |
3 |
4 |
5 |
|
Иридий |
13099-67 |
- |
22,42 |
- |
|
Платина |
13498-79 |
- |
21,45 |
- |
|
Золото |
6835-80 |
- |
19,3 |
- |
|
Радий |
13098-67 |
- |
12,45 |
- |
|
Палладий |
13462-79 |
- |
12,16 |
- |
|
Серебро |
6836-80 |
- |
10,50 |
- |
|
Палладий двухлористый |
ТУ6-09-2035-72 |
ч |
- |
0,6 |
|
Платинохлористоводородная кислота |
ТУ6-09-2026-72 |
ч |
- |
0,376 |
|
Серебро азотнокислое |
1277-75 |
ч |
- |
0,635 |
|
Дицианоаурат калия |
20573-75 |
чДа |
- |
0,666 |
|
0,655 |
||||
|
Дицианоаргентат калия |
ТУ6-09-451-70 |
ч |
- |
0,542 |
|
Золотохлористоводородная кислота |
МРТУ6-09-2237-72 |
ч |
- |
0,478 |
|
Припой серебряный |
ТУ48-1-330-74 |
ПСр999В |
10,5 |
0,999 |
|
Припой серебряный |
ТУ48-1-329-74 |
ПСр72В |
9,9 |
0,720 |
|
Припой серебряный |
19738-74 |
ПСр72 |
10,0 |
0,720 |
|
Припой серебряный |
19738-74 |
ПСр-71 |
9,80 |
0,710 |
|
Припой серебряный |
19738-74 |
ПСр-70 |
9,80 |
0,700 |
|
То же |
То же |
ПСр-65 |
9,45 |
0,650 |
|
» |
» |
ПСр-62 |
9,60 |
0,620 |
|
» |
» |
ПСр-50 |
9,30 |
0,500 |
|
» |
» |
ПСр-50Кд |
9,25 |
0,500 |
|
» |
» |
ПСр-45 |
9,10 |
0,450 |
|
» |
» |
ПСр-40 |
9,25 |
0,400 |
|
» |
» |
ПСр-37,5 |
8,90 |
0,375 |
|
» |
» |
ПСр-25 |
8,70 |
0,250 |
|
» |
» |
ПСр-23ф |
8,30 |
0,250 |
|
» |
» |
ПСр-15 |
8,50 |
0,150 |
|
» |
» |
ПСр-10 |
8,40 |
0,100 |
|
» |
» |
ПСр-3 |
11,40 |
0,030 |
|
» |
» |
ПСр-12М |
8,30 |
0,120 |
|
» |
» |
ПСр-3Кд |
8,70 |
0,030 |
|
» |
» |
ПСр-2,5 |
11,00 |
0,025 |
|
» |
» |
ПСр-2 |
9,50 |
0,020 |
|
» |
» |
ПСр-1,5 |
10,40 |
0,015 |
|
» |
» |
ПСр-1 |
9,40 |
0,010 |
Таблица 2
КОДЫ ЕДИНИЦ ИЗМЕРЕНИЯ НОРМ РАСХОДА
|
Код единицы измерения |
|
|
кг |
166 |
|
т |
168 |
|
м |
005 |
|
м2 |
055 |
|
м3 |
113 |
|
пог. м |
011 |
|
шт. |
796 |
Таблица 3
ПРИПУСК НА ОТРЕЗКУ И ПОДРЕЗКУ ТОРЦОВ ЗАГОТОВКИ ИЗ ПРУТКОВ РЕЗЦОМ
мм
|
Ширина отрезного резца на токарных автоматах |
Припуск на подрезку двух торцов 2Dl |
|
|
До 4 включ. |
1,0 |
0,6 |
|
Св. 4 до 6 » |
1,5 |
0,8 |
|
» 6 » 18 » |
1,8 |
1,0 |
Таблица 4
ПРИПУСК НА ОТРЕЗКУ И ПОДРЕЗКУ ТОРЦОВ ЗАГОТОВОК ИЗ ТРУБ РЕЗЦОМ
мм
|
Толщина стенки |
Припуск на подрезку двух торцов 2Dl |
|||
|
До 3 |
Св. 3 до 5 |
Св. 5 до 10 |
||
|
Припуск на отрезку |
||||
|
До 8 включ. |
1,5 |
1,5 |
- |
0,8 |
|
Св. 8 » 12 » |
1,5 |
2,0 |
2,0 |
1,0 |
|
» 12 » 18 » |
1,5 |
2,5 |
2,5 |
1,0 |
|
» 18 » 25 » |
2,0 |
2,5 |
3,0 |
1,2 |
Таблица 5
ПРИПУСК НА ЗАЖИМ ПРУТКА ИЛИ ТРУБЫ НА РЕВОЛЬВЕРНЫХ И ТОКАРНЫХ СТАНКАХ
мм
|
Припуск на зажим в цанговом патроне |
Припуск на зажим в кулачковом патроне |
|
|
До 10 включ. |
15 |
|
|
Св. 10 » 20 » |
30 |
30 |
|
» 20 » 30 » |
36 |
30 |
Таблица 6
ПРИПУСК НА ОТРЕЗКУ ЗАГОТОВОК ИЗ ЛИСТОВ, ПОЛОС, ЛЕНТ ФРЕЗОЙ
мм
|
Толщина фрезы (припуск на отрезку) |
|
|
Св. 1,4 до 3,0 включ. |
0,8 |
|
» 3,0 » 4,5 » |
1,2 |
|
» 4,5 » 7,0 » |
1,5 |
|
» 7,0 » 10,0 » |
2,0 |
Таблица 7
РАЗМЕРЫ ПЕРЕМЫЧЕК ПРИ ВЫРЕЗКЕ ДЕТАЛЕЙ
мм
|
Толщина материала |
Обозначение перемычек |
Минимальная ширина перемычек при однорядной вырезке |
|||
|
Круглых и овальных деталей диаметром |
Прямоугольных деталей длиной |
||||
|
До 50 |
Св. 50 до 100 |
До 50 |
Св. 50 до 100 |
||
|
До 0,5 включ. |
m |
1,5 |
1,7 |
1,8 |
2,0 |
|
m1 |
1,2 |
1,4 |
1,5 |
1,7 |
|
|
Св. 0,5 до 1,0 включ. |
m |
1,2 |
1,4 |
1,5 |
1,7 |
|
m1 |
0,8 |
1,0 |
1,0 |
1,2 |
|
|
Св. 1,0 до 1,5 включ. |
m |
1,5 |
1,7 |
1,9 |
2,1 |
|
m1 |
1,0 |
1,3 |
1,4 |
1,6 |
|
Примечания:
1. m - боковая перемычка.
2. m1 - перемычка между штампуемыми деталями.
3. При вырезке с поворотом полосы величину перемычек следует увеличивать на 50 % по сравнению с табличными данными.
Таблица 8
ПРЕДЕЛЬНО-ДОПУСТИМЫЕ НОРМАТИВЫ ТЕХНОЛОГИЧЕСКИХ БЕЗВОЗВРАТНЫХ ПОТЕРЬ ПРИ ТОЧЕНИИ ДЕТАЛЕЙ ИЗ ДРАГОЦЕННЫХ МЕТАЛЛОВ И ИХ СПЛАВОВ
|
Марка |
ГОСТ |
Масса детали, г |
|
|||||||||||
|
До 0,1 |
от 0,1 до 0,2 |
от 0,2 до 0,3 |
от 0,3 до 0,4 |
от 0,4 до 0,5 |
от 0,5 до 0,7 |
от 0,7 до 1,0 |
от 1,0 до 2,5 |
от 2,5 до 5,0 |
от 5,0 до 10,0 |
от 10 и выше |
|
|||
|
Предельные нормативы безвозвратных потерь в % от веса снятой стружки |
|
|||||||||||||
|
Серебро |
Ср. 999,9 |
6836-80 |
2,9 |
2,6 |
2,3 |
2,0 |
1,7 |
1,3 |
1,0 |
0,8 |
0,7 |
0,6 |
0,5 |
|
|
Серебряно-медный сплав |
Ср.М 925 |
6836-80 |
2,9 |
2,6 |
2,3 |
2,0 |
1,7 |
1,3 |
1,0 |
0,8 |
0,7 |
0,6 |
0,5 |
|
|
Ср.М 900 |
|
|||||||||||||
|
Ср.М 875 |
|
|||||||||||||
|
Палладий-серебрянный сплав |
Пд.Ср-20 |
13462-79 |
2,9 |
2,6 |
2,3 |
2,0 |
1,7 |
1,3 |
1,0 |
0,8 |
0,7 |
0,6 |
0,5 |
|
|
Серебряно-медный сплав |
Ср.М-500 |
6836-80 |
|
|||||||||||
|
Платино-радиевый сплав |
ПЛРд-10 |
13498-79 |
|
|||||||||||
|
Золото |
Зл 999,9 |
6835-80 |
|
|
|
|
|
|
0,8 |
0,7 |
0,6 |
0,5 |
0,4 |
|
|
|
0,8 |
0,6 |
0,6 |
0,5 |
0,4 |
|||||||||
|
Зл Ср600-400 |
6835-80 |
|
||||||||||||
|
Палладий-серебрянный сплав |
ПдСр-40 |
13462-79 |
3,6 |
3,2 |
2,9 |
2,6 |
2,2 |
1,8 |
1,5 |
1,2 |
0,9 |
0,7 |
0,6 |
|
|
Палладий-иридиевый сплав |
ПдИ-10 |
|
|
|||||||||||
|
Платино-никелевый сплав |
ПлН-4,5 |
13498-79 |
|
|||||||||||
|
Палладий-серебряно-кобальтовый сплав |
ПдСрК-35-5 |
13462-79 |
3,9 |
3,5 |
3,2 |
2,9 |
2,5 |
2,1 |
1,8 |
1,5 |
1,2 |
0,9 |
0,7 |
|
|
Палладий-иридиевый сплав |
ПдИ-18 |
13462-79 |
|
|||||||||||
|
Платино-иридиевый сплав |
ПлИ-10 |
13498-79 |
|
|||||||||||
|
ПлИ-15 |
|
|||||||||||||
|
Платино-иридиевый сплав |
Пл-17,5 |
13498-79 |
4,2 |
3,8 |
|
3,2 |
2,8 |
2,4 |
2,3 |
1,8 |
1,5 |
1,2 |
0,9 |
|
|
ПлИ-25 |
|
|||||||||||||
Примечание. В указанные нормативы включены также потери на оплавку и зашкуривание.
Таблица 9
ПРЕДЕЛЬНО-ДОПУСТИМЫЕ НОРМАТИВЫ ТЕХНОЛОГИЧЕСКИХ БЕЗВОЗВРАТНЫХ ПОТЕРЬ ПРИ СВЕРЛЕНИИ ДЕТАЛЕЙ ИЗ ДРАГОЦЕННЫХ МЕТАЛЛОВ И ИХ СПЛАВОВ
|
Марка |
ГОСТ |
Масса детали, г |
||||||||
|
До 0,6 |
от 0,6 до 1,0 |
от 1,0 до 1,5 |
от 1,5 до 2,0 |
от 2,0 до 2,5 |
от 2,5 |
от 3,0 до 4,0 |
от 4,0 и выше |
|||
|
Предельные нормативы безвозвратных потерь в % от веса снятой стружки |
||||||||||
|
Серебро |
Ср 999,9 |
6836-80 |
2,5 |
2,0 |
1,5 |
1,2 |
1,0 |
0,8 |
0,6 |
0,4 |
|
Серебряно-медный сплав |
СрМ 925 |
|
2,5 |
2,0 |
1,5 |
1,2 |
1,0 |
0,8 |
0,6 |
0,4 |
|
|
СрМ 900 |
6636-80 |
||||||||
|
|
СрМ 873 |
|
||||||||
|
Палладио-серебрянный сплав |
ПдСр-20 |
13462-79 |
||||||||
|
Серебряно-медный сплав |
СрМ 500 |
6636-80 |
2,8 |
2,2 |
1,6 |
1,0 |
0,8 |
0,6 |
0,5 |
0,4 |
|
Платино-радиевый сплав |
ПдРд 10 |
13498-79 |
||||||||
|
Золото |
Зл 999,9 |
6835-80 |
2,5 |
2,0 |
1,5 |
1,2 |
1,0 |
0,8 |
0,6 |
0,4 |
|
Зл 999 |
||||||||||
|
Зл Ср 600-400 |
||||||||||
|
Палладий-серебрянный сплав |
ПдСр-40 |
13498-79 |
2,8 |
2,2 |
1,6 |
1,0 |
0,8 |
0,6 |
0,5 |
0,4 |
|
Палладий-иридиевый сплав |
ПдИ-10 |
|||||||||
|
Платино-никелевый сплав |
ПлИ-4,5 |
|||||||||
|
Палладий-серебряно-кобальтовый сплав |
ПдСрК-35-5 |
13498-79 |
3,0 |
2,8 |
2,2 |
1,6 |
1,0 |
0,8 |
0,6 |
0,5 |
|
Палладий-иридиевый сплав |
ПдИ-18 |
|||||||||
|
Платино-иридиевый сплав |
ПлИ-10 |
|||||||||
|
ПлИ-15 |
||||||||||
|
Платино-иридиевый сплав |
ПлИ-17,5 |
13498-79 |
3,2 |
3,0 |
2,5 |
2,2 |
1,8 |
1,6 |
1,2 |
1,0 |
|
ПлИ-25 |
||||||||||
Примечание. В указанные нормативы включены также потери при снятии заусенцев.
Таблица 10
ПРЕДЕЛЬНО-ДОПУСТИМЫЕ НОРМАТИВЫ ТЕХНОЛОГИЧЕСКИХ ПОТЕРЬ ПРИ ФРЕЗЕРОВАНИИ И СТРОГАНИИ ДЕТАЛЕЙ ИЗ ДРАГОЦЕННЫХ МЕТАЛЛОВ И ИХ СПЛАВОВ В ПРОЦЕНТАХ ОТ МАССЫ СНЯТОЙ СТРУЖКИ
|
Марка |
ГОСТ |
Масса детали, г |
|||||||
|
До 1,0 |
Св. 1,0 до 1,5 |
Св. 1,5 до 2,5 |
Св. 2,5 до 4,0 |
Св. 4,0 до 6,0 |
Св. 6,0 до 10,0 |
Св. 10,0 |
|||
|
Предельные нормативы безвозвратных потерь в % от веса снятой стружки |
|||||||||
|
Серебро |
Ср 999,9 |
6836-80 |
1,400 |
1,281 |
1,169 |
1,050 |
0,931 |
0,819 |
0,700 |
|
Серебряно-медный сплав |
Ср 999 |
6836-80 |
1,436 |
1,314 |
1,199 |
1,077 |
0,955 |
0,840 |
0,718 |
|
СрМ 925 |
|||||||||
|
СрМ 900 |
|||||||||
|
СрМ 875 |
|||||||||
|
СрНМ 2-20 |
6836-80 |
1,508 |
1,380 |
1,259 |
1,131 |
1,003 |
0,882 |
0,754 |
|
|
СрМ 500 |
|||||||||
|
Палладио-серебряный сплав |
ПдСр 20 |
13462-79 |
2,018 |
1,846 |
1,685 |
1,514 |
1,342 |
1,181 |
1,009 |
|
ПдСр 40 |
13462-79 |
1,820 |
1,668 |
1,516 |
1,365 |
1,212 |
1,061 |
0,910 |
|
|
Палладий-иридиевый сплав |
ПдИ-10 |
13462-79 |
2,310 |
2,114 |
1,929 |
1,733 |
1,536 |
1,351 |
1,155 |
|
ПдИ-18 |
» |
2,412 |
2,207 |
2,014 |
1,309 |
1,604 |
1,411 |
1,206 |
|
|
Платино-иридиевый сплав |
ПлИ-17,5 |
13498-79 |
2,636 |
2,412 |
2,201 |
1,977 |
1,753 |
1,542 |
1,318 |
|
ПлИ-25 |
2,706 |
2,476 |
2,260 |
2,030 |
1,799 |
1,583 |
1,353 |
||
|
ПлИ-10 |
2,578 |
2,359 |
2,153 |
1,934 |
1,714 |
1,508 |
1,289 |
||
|
ПлИ-15 |
2,616 |
2,394 |
2,184 |
1,962 |
1,740 |
1,530 |
1,308 |
||
|
Золото |
Зл 999,9 |
6835-80 |
1,366 |
1,252 |
1,139 |
1,024 |
0,911 |
0,797 |
0,683 |
|
Зл 999 |
|||||||||
|
ВлСр600-400 |
1,300 |
1,190 |
1,086 |
0,975 |
0,865 |
0,761 |
0,650 |
||
Таблица 11
ПРЕДЕЛЬНО-ДОПУСТИМЫЕ НОРМАТИВЫ ПОТЕРЬ ПРИ ИЗГОТОВЛЕНИИ ДЕТАЛЕЙ ВЫСАДКОЙ В ПРОЦЕНТАХ ОТ МАССЫ
|
Предельные нормативы потерь, % к массе детали |
|
|
До 0,5 |
0,10 |
|
Св. 0,5 |
0,08 |
Примечание. В нормативы потерь включены потери при отрезке заготовок под высадку.
Таблица 12
ПРЕДЕЛЬНО-ДОПУСТИМЫЕ НОРМАТИВЫ БЕЗВОЗВРАТНЫХ ПОТЕРЬ ПРИ СЛЕСАРНОЙ ОБРАБОТКЕ (ОПИЛОВАНИЕ И СНЯТИЕ ЗАУСЕНЦЕВ) ДЕТАЛЕЙ ИЗ ДРАГОЦЕННЫХ МЕТАЛЛОВ И ИХ СПЛАВОВ
|
Наименование металла или сплава |
Марка |
ГОСТ |
Предельные нормативы безвозвратных потерь от веса снятой стружки, % |
|
1 |
2 |
3 |
4 |
|
Серебро |
Ср 999,9 |
6836-80 |
8,0 |
|
Серебряно-медный сплав |
СрМ 925 |
|
|
|
СрМ 900 |
|||
|
СрМ 875 |
|||
|
СрМ-500 |
|||
|
Палладио-серебрянный сплав |
ПдСр 20 |
13462-79 |
8,0 |
|
Золото |
Зл 999,9 |
6835-80 |
7,0 |
|
Зл 999 |
|
||
|
Золото-серебрянные сплавы |
ЗлСр600-400 |
|
|
|
Платино-радиевый сплав |
Пр-10 |
13498-79 |
|
|
Палладий-серебрянный сплав |
ПдСр-40 |
13462-79 |
6,0 |
|
Палладий-иридиевый сплав |
ПдИ-10 |
||
|
Платино-никелевый сплав |
ПдН-5 |
||
|
Палладий-серебряно-кобальтовый сплав |
ПдСрК-35-5 |
13462-79 |
5,0 |
|
Палладий-иридиевый сплав |
ПдИ-18 |
13498-79 |
5,0 |
|
Платино-иридиевый сплав |
ПлИ-18 |
||
|
ПлИ-10 |
|||
|
ПлИ-15 |
|||
|
ПлИ-17,5 |
|||
|
ПлИ-25 |
Таблица 13
ПРЕДЕЛЬНЫЕ НОРМАТИВЫ БЕЗВОЗВРАТНЫХ ПОТЕРЬ ПРИ ШТАМПОВКЕ ИЛИ РЕЗКЕ ДЕТАЛЕЙ ИЗ ДРАГОЦЕННЫХ МЕТАЛЛОВ И ИХ СПЛАВОВ
|
Марка |
ГОСТ |
Предельные нормативы безвозвратных потерь на 1 кв. см. площади среза, г |
|
|
Серебро |
Ср999,9 |
6836-80 |
0,004 |
|
Серебряно-медный сплав |
СрМ925 |
6836-80 |
|
|
СрМ900 |
|||
|
СрМ875 |
|||
|
Палладиево-серебряный сплав |
ПСр-20 |
13462-79 |
|
|
Серебряно-медный сплав |
СрМ500 |
6836-80 |
|
|
Платино-родиевый сплав |
ПлРд10 |
13498-79 |
|
|
Палладий-серебряный сплав |
ПдСр-40 |
13462-79 |
|
|
Палладий-иридиевый сплав |
ПдИ-10 |
|
0,005 |
|
Платино-никелевый сплав |
ПлН-4,5 |
13498-79 |
|
|
Палладий-серебряно-кобальтовый сплав |
ПдСрК-35-5 |
13462-79 |
|
|
Палладий-иридиевый сплав |
ПлИ 18 |
|
|
|
Платино-иридиевый сплав |
ПлИ-10 |
|
|
|
ПлИ-15 |
|||
|
Платино-иридиевый сплав |
ПлИ-17,5 |
13498-79 |
0,006 |
|
ПлИ-25 |
Таблица 14
Предельные нормативы расхода серебряных припоев на соединительный слой, г/см2 (с учетом 2 % безвозвратных потерь на угар)
|
Марки припоев |
|||||||||||||
|
ПСр3 |
Ср3Кд |
ПСр10 |
ПСр12М |
ПСр15 |
ПСр25 |
ПСр40 |
ПСр45 |
ПСр50 |
ПСр65 |
ПСр70 |
ПСр71 |
ПСр72 |
|
|
1 |
2 |
3 |
4 |
5 |
6 |
7 |
8 |
9 |
10 |
11 |
12 |
13 |
14 |
|
0,005 |
0,006 |
0,004 |
0,004 |
0,004 |
0,004 |
0,004 |
0,004 |
0,005 |
0,005 |
0,005 |
0,005 |
0,005 |
0,005 |
|
0,010 |
0,012 |
0,009 |
0,009 |
0,009 |
0,008 |
0,009 |
0,009 |
0,009 |
0,009 |
0,010 |
0,010 |
0,010 |
0,010 |
|
0,015 |
0,017 |
0,013 |
0,013 |
0,013 |
0,013 |
0,013 |
0,013 |
0,014 |
0,014 |
0,015 |
0,015 |
0,015 |
0,015 |
|
0,020 |
0,023 |
0,018 |
0,017 |
0,017 |
0,017 |
0,018 |
0,017 |
0,019 |
0,019 |
0,020 |
0,020 |
0,020 |
0,020 |
|
0,025 |
0,029 |
0,022 |
0,022 |
0,022 |
0,021 |
0,022 |
0,021 |
0,023 |
0,024 |
0,024 |
0,025 |
0,025 |
0,025 |
|
0,030 |
0,035 |
0,027 |
0,026 |
0,026 |
0,025 |
0,027 |
0,026 |
0,028 |
0,028 |
0,029 |
0,030 |
0,030 |
0,030 |
|
0,035 |
0,040 |
0,031 |
0,030 |
0,030 |
0,030 |
0,031 |
0,030 |
0,032 |
0,033 |
0,034 |
0,035 |
0,035 |
0,035 |
|
0,040 |
0,046 |
0,036 |
0,034 |
0,035 |
0,034 |
0,036 |
0,035 |
0,037 |
0,039 |
0,039 |
0,040 |
0,041 |
0,040 |
|
0,045 |
0,052 |
0,040 |
0,039 |
0,039 |
0,038 |
0,040 |
0,039 |
0,042 |
0,043 |
0,044 |
0,045 |
0,045 |
0,045 |
|
0,050 |
0,058 |
0,044 |
0,043 |
0,043 |
0,042 |
0,044 |
0,042 |
0,046 |
0,047 |
0,049 |
0,050 |
0,050 |
0,050 |
|
0,055 |
0,063 |
0,049 |
0,047 |
0,048 |
0,047 |
0,049 |
0,047 |
0,051 |
0,052 |
0,054 |
0,055 |
0,055 |
0,056 |
|
0,060 |
0,069 |
0,063 |
0,052 |
0,052 |
0,051 |
0,053 |
0,051 |
0,056 |
0,057 |
0,059 |
0,060 |
0,060 |
0,061 |
|
0,065 |
0,075 |
0,058 |
0,056 |
0,056 |
0,055 |
0,058 |
0,056 |
0,060 |
0,062 |
0,054 |
0,065 |
0,065 |
0,066 |
|
0,070 |
0,061 |
0,062 |
0,060 |
0,061 |
0,059 |
0,062 |
0,060 |
0,065 |
0,066 |
0,069 |
0,070 |
0,070 |
0,071 |
|
0,075 |
0,087 |
0,067 |
0,065 |
0,065 |
0,064 |
0,067 |
0,065 |
0,070 |
0,071 |
0,073 |
0,075 |
0,075 |
0,076 |
|
0,080 |
0,092 |
0,071 |
0,069 |
0,069 |
0,063 |
0,071 |
0,069 |
0,074 |
0,076 |
0,078 |
0,080 |
0,080 |
0,081 |
|
0,085 |
0,098 |
0,075 |
0,073 |
0,074 |
0,072 |
0,075 |
0,072 |
0,079 |
0,081 |
0,083 |
0,085 |
0,084 |
0,085 |
|
0,090 |
0,104 |
0,080 |
0,078 |
0,078 |
0,076 |
0,080 |
0,077 |
0,084 |
0,085 |
0,088 |
0,090 |
0,090 |
0,090 |
|
0,095 |
0,110 |
0,084 |
0,082 |
0,082 |
0,080 |
0,084 |
0,081 |
0,068 |
0,090 |
0,093 |
0,095 |
0,095 |
0,096 |
|
0,100 |
0,115 |
0,089 |
0,086 |
0,087 |
0,085 |
0,089 |
0,086 |
0,098 |
0,095 |
0,098 |
0,100 |
0,100 |
0,101 |
|
0,105 |
0,121 |
0,093 |
0,091 |
0,091 |
0,089 |
0,093 |
0,090 |
0,097 |
0,100 |
0,103 |
0,105 |
0,105 |
0,105 |
|
0,110 |
0,127 |
0,098 |
0,095 |
0,095 |
0,093 |
0,098 |
0,095 |
0,103 |
0,104 |
0,108 |
0,111 |
0,110 |
0,111 |
|
0,115 |
0,133 |
0,102 |
0,099 |
0,100 |
0,097 |
0,102 |
0,098 |
0,107 |
0,109 |
0,113 |
0,115 |
0,115 |
0,116 |
|
0,120 |
0,138 |
0,106 |
0,103 |
0,104 |
0,102 |
0,106 |
0,102 |
0,111 |
0,114 |
0,118 |
0,120 |
0,119 |
0,121 |
|
0,125 |
0,144 |
0,111 |
0,108 |
0,108 |
0,106 |
0,111 |
0,107 |
0,116 |
0,119 |
0,122 |
0,125 |
0,125 |
0,126 |
|
0,130 |
0,150 |
0,115 |
0,112 |
0,113 |
0,110 |
0,115 |
0,111 |
0,121 |
0,123 |
0,127 |
0,130 |
0,129 |
0,131 |
|
0,135 |
0,156 |
0,120 |
0,116 |
0,117 |
0,114 |
0,120 |
0,116 |
0,115 |
0,128 |
0,132 |
0,135 |
0,135 |
0,136 |
|
0,140 |
0,161 |
0,124 |
0,121 |
0,121 |
0,119 |
0,124, |
0,120 |
0,120 |
0,133 |
0,137 |
0,140 |
0,140 |
0,141 |
|
0,145 |
0,167 |
0,129 |
0,125 |
0,125 |
0,123 |
0,129 |
0,124 |
0,135 |
0,138 |
0,142 |
0,145 |
0,145 |
0,146 |
|
0,150 |
0,173 |
0,133 |
0,129 |
0,130 |
0,127 |
0,133 |
0,128 |
0,139 |
0,142 |
0,147 |
0,150 |
0,150 |
0,151 |
|
0,155 |
0,179 |
0,138 |
0,134 |
0,134 |
0,131 |
0,138 |
0,133 |
0,144 |
0,147 |
0,152 |
0,155 |
0,155 |
0,157 |
|
0,160 |
0,184 |
0,142 |
0,138 |
0,139 |
0,135 |
0,142 |
0,137 |
0,149 |
0,152 |
0,157 |
0,160 |
0,160 |
0,162 |
|
0,165 |
0,190 |
0,146 |
0,142 |
0,143 |
0,140 |
0,145 |
0,141 |
0,153 |
0,157 |
0,162 |
0,165 |
0,164 |
0,167 |
|
0,170 |
0,196 |
0,151 |
0,147 |
0,147 |
0,144 |
0,151 |
0,146 |
0,158 |
0,161 |
0,166 |
0,170 |
0,170 |
0,172 |
|
0,175 |
0,203 |
0,155 |
0,151 |
0,152 |
0,148 |
0,155 |
0,150 |
0,162 |
0,166 |
0,171 |
0,175 |
0,175 |
0,177 |
|
0,180 |
0,207 |
0,160 |
0,155 |
0,156 |
0,152 |
0,160 |
0,154 |
0,167 |
0,171 |
0,176 |
0,180 |
0,180 |
0,182 |
|
0,185 |
0,213 |
0,164 |
0,159 |
0,160 |
0,157 |
0,164 |
0,158 |
0,172 |
0,175 |
0,181 |
0,185 |
0,185 |
0,187 |
|
0,190 |
0,219 |
0,169 |
0,164 |
0,165 |
0,161 |
0,169 |
0,163 |
0,176 |
0,180 |
0,186 |
0,190 |
0,190 |
0,192 |
|
0,195 |
0,225 |
0,173 |
0,169 |
0,169 |
0,165 |
0,173 |
0,167 |
0,181 |
0,185 |
0,191 |
0,195 |
0,195 |
0,197 |
|
0,200 |
0,231 |
0,177 |
0,172 |
0,173 |
0,169 |
0,177 |
0,171 |
0,186 |
0,190 |
0,196 |
0,200 |
0,199 |
0,202 |
|
0,205 |
0,236 |
0,182 |
0,177 |
0,178 |
0,174 |
0,182 |
0,176 |
0,190 |
0,194 |
0,201 |
0,205 |
0,205 |
0,207 |
|
0,210 |
0,242 |
0,186 |
0,181 |
0,182 |
0,178 |
0,186 |
0,179 |
0,195 |
0,199 |
0,206 |
0,210 |
0,209 |
0,212 |
|
0,215 |
0,248 |
0,191 |
0,185 |
0,186 |
0,187 |
0,191 |
0,184 |
0,200 |
0,204 |
0,211 |
0,215 |
0,215 |
0,217 |
|
0,220 |
0,254 |
0,195 |
0,190 |
0,191 |
0,186 |
0,195 |
0,188 |
0,204 |
0,209 |
0,215 |
0,220 |
0,220 |
0,222 |
|
0,225 |
0,259 |
0,200 |
0,194 |
0,195 |
0,190 |
0,200 |
0,193 |
0,209 |
0,213 |
0,220 |
0,225 |
0,225 |
0,227 |
|
0,230 |
0,265 |
0,204 |
0,198 |
0,199 |
0,195 |
0,204 |
0,197 |
0,213 |
0,218 |
0,225 |
0,230 |
0,230 |
0,232 |
|
0,235 |
0,271 |
0,209 |
0,203 |
0,204 |
0,199 |
0,209 |
0,202 |
0,218 |
0,223 |
0,230 |
0,235 |
0,235 |
0,237 |
|
0,240 |
0,277 |
0,213 |
0,207 |
0,208 |
0,203 |
0,213 |
0,206 |
0,223 |
0,228 |
0,235 |
0,240 |
0,240 |
0,242 |
|
0,245 |
0,282 |
0,217 |
0,211 |
0,212 |
0,207 |
0,217 |
0,209 |
0,227 |
0,232 |
0,240 |
0,245 |
0,244 |
0,247 |
|
0,250 |
0,288 |
0,222 |
0,215 |
0,217 |
0,212 |
0,222 |
0,214 |
0,232 |
0,237 |
0,245 |
0,250 |
0,250 |
0,252 |
Примечание. При применении припоев марок, не содержащихся и таблице, нормативы для них определяются путем сопоставления удельных весов.
Таблица 15
Предельные нормативы расхода серебряных припоев на образование мениска (с учетом 2 % безвозвратных потерь на угар) г/пог. см
|
ПСр2 |
ПСр2,5 |
ПСр3 |
ПСр3кд |
ПСр10 |
ПСр12М |
ПСр15 |
ПСр25 |
ПСр40 |
ПСр45 |
ПСр50 |
ПСр62 |
0Ср70 |
ПСр71 |
ПСр72 |
|
|
МАРКИ ПРИПОЕВ |
|||||||||||||||
|
1 |
2 |
3 |
4 |
5 |
6 |
7 |
8 |
9 |
10 |
11 |
12 |
13 |
14 |
15 |
16 |
|
0,20 |
0,001 |
0,002 |
0,002 |
0,001 |
0,002 |
0,001 |
0,001 |
0,001 |
0,001 |
0,001 |
0,001 |
0,001 |
0,001 |
0,001 |
0,001 |
|
0,30 |
0,003 |
0,004 |
0,004 |
0,003 |
0,003 |
0,000 |
0,003 |
0,003 |
0,003 |
0,003 |
0,003 |
0,003 |
0,003 |
0,003 |
0,003 |
|
0,35 |
0,004 |
0,005 |
0,005 |
0,004 |
0,004 |
0,104 |
0,004 |
0,004 |
0,004 |
0,004 |
0,004 |
0,004 |
0,004 |
0,004 |
0,004 |
|
0,40 |
0,005 |
0,006 |
0,007 |
0,005 |
0,005 |
0,005 |
0,005 |
0,005 |
0,005 |
0,005 |
0,005 |
0,005 |
0,006 |
0,006 |
0,006 |
|
0,45 |
0,007 |
0,008 |
0,008 |
0,006 |
0,006 |
0,006 |
0,006 |
0,006 |
0,007 |
0,007 |
0,007 |
0,007 |
0,007 |
0,007 |
0,007 |
|
0,50 |
0,008 |
0,010 |
0,010 |
0,007 |
0,007 |
0,007 |
0,008 |
0,008 |
0,008 |
0,008 |
0,008 |
0,009 |
0,009 |
0,009 |
0,009 |
|
0,55 |
0,010 |
0,012 |
0,012 |
0,009 |
0,009 |
0,009 |
0,009 |
0,009 |
0,010 |
0,010 |
0,010 |
0,010 |
0,010 |
0,010 |
0,011 |
|
0,60 |
0,012 |
0,014 |
0,015 |
0,011 |
0,011 |
0,011 |
0,011 |
0,011 |
0,012 |
0,012 |
0,012 |
0,012 |
0,012 |
0,012 |
0,012 |
|
0,65 |
0,014 |
0,017 |
0,017 |
0,013 |
0,013 |
0,013 |
0,013 |
0,013 |
0,014 |
0,014 |
0,014 |
0,014 |
0,015 |
0,015 |
0,015 |
|
0,70 |
0,017 |
0,019 |
0,020 |
0,015 |
0,015 |
0,015 |
0,015 |
0,015 |
0,016 |
0,016 |
0,016 |
0,017 |
0,017 |
0,017 |
0,017 |
|
0,75 |
0,019 |
0,022 |
0,023 |
0,017 |
0,017 |
0,017 |
0,017 |
0,017 |
0,019 |
0,018 |
0,019 |
0,019 |
0,020 |
0,020 |
0,020 |
|
0,80 |
0,022 |
0,025 |
0,026 |
0,020 |
0,019 |
0,019 |
0,019 |
0,020 |
0,021 |
0,021 |
0,021 |
0,022 |
0,022 |
0,022 |
0,023 |
|
0,85 |
0,024 |
0,028 |
0,029 |
0,022 |
0,022 |
0,021 |
0,022 |
0,022 |
0,024 |
0,023 |
0,024 |
0,025 |
0,025 |
0,025 |
0,026 |
|
0,90 |
0,027 |
0,032 |
0,033 |
0,025 |
0,024 |
0,024 |
0,025 |
0,025 |
0,027 |
0,026 |
0,037 |
0,328 |
0,028 |
0,028 |
0,029 |
|
0,95 |
0,031 |
0,035 |
0,037 |
0,028 |
0,027 |
0,027 |
0,027 |
0,028 |
0,033 |
0,029 |
0,030 |
0,131 |
0,032 |
0,032 |
0,032 |
|
1,00 |
0,034 |
0,039 |
0,041 |
0,031 |
0,030 |
0,030 |
0,030 |
0,031 |
0,033 |
0,032 |
0,033 |
0,334 |
0,035 |
0,035 |
0,036 |
|
1,05 |
0,037 |
0,043 |
0,045 |
0,034 |
0,033 |
0,033 |
0,033 |
0,034 |
0,036 |
0,036 |
0,037 |
0,038 |
0,039 |
0,039 |
0,039 |
|
1,10 |
0,041 |
0,048 |
0,050 |
0,038 |
0,036 |
0,036 |
0,037 |
0,038 |
0,040 |
0,039 |
0,041 |
0,042 |
0,042 |
0,042 |
0,043 |
|
1,15 |
0,045 |
0,052 |
0,054 |
0,041 |
0,040 |
0,039 |
0,040 |
0,041 |
0,044 |
0,043 |
0,044 |
0,045 |
0,046 |
0,046 |
0,047 |
|
1,20 |
0,049 |
0,057 |
0,059 |
0,045 |
0,043 |
0,043 |
0,044 |
0,045 |
0,048 |
0,047 |
0,048 |
0,049 |
0,050 |
0,050 |
0,051 |
|
1,25 |
0,053 |
0,061 |
0,063 |
0,049 |
0,047 |
0,046 |
0,047 |
0,049 |
0,052 |
0,051 |
0,052 |
0,054 |
0,05 |
0,055 |
0,056 |
|
1,30 |
0,057 |
0,066 |
0,069 |
0,052 |
0,051 |
0,050 |
0,051 |
0,052 |
0,056 |
0,055 |
0,056 |
0,058 |
0,059 |
0,059 |
0,060 |
|
1,35 |
0,062 |
0,072 |
0,074 |
0,056 |
0,055 |
0,056 |
0,055 |
0,057 |
0,060 |
0,059 |
0,060 |
0,062 |
0,064 |
0,064 |
0,065 |
|
1,40 |
0,066 |
0,077 |
0,080 |
0,061 |
0,059 |
0,058 |
0,059 |
0,061 |
0,065 |
0,064 |
0,065 |
0,067 |
0,069 |
0,069 |
0,070 |
|
1,45 |
0,071 |
0,083 |
0,085 |
0,065 |
0,063 |
0,063 |
0,064 |
0,065 |
0,069 |
0,068 |
0,070 |
0,072 |
0,074 |
0,074 |
0,075 |
|
1,50 |
0,076 |
0,088 |
0,092 |
0,070 |
0,070 |
0,007 |
0,069 |
0,70 |
0,074 |
0,073 |
0,075 |
0,077 |
0,079 |
0,079 |
0,080 |
|
1,55 |
0,081 |
0,094 |
0,098 |
0,075 |
0,072 |
0,071 |
0,073 |
0,075 |
0,079 |
0,078 |
0,080 |
0,082 |
0,084 |
0,084 |
0,086 |
|
1,60 |
0,087 |
0,101 |
0,104 |
0,080 |
0,077 |
0,076 |
0,078 |
0,080 |
0,084 |
0,083 |
0,086 |
0,088 |
0,090 |
0,090 |
0,091 |
ПРИМЕЧАНИЯ:
1. Нормативы установлены на единицу длины шва (пог. см) в зависимости от размера мениска.
2. Нормативы рассчитаны по формуле
,
где Нм - норма расхода припоя на образование мениска, г; b - размер катета мениска, мм; r - удельный вес припоя, г/см3; k - коэффициент, учитывающий потери припоя на угар, равный 1,02.
Таблица 16
Предельно нормативы расхода серебряных припоев на усиление шва (расплыва), г/пог. см (с учетом 2 % безвозвратных потерь на угар)
|
МАРКИ ПРИПОЕВ |
||||||||||||||||
|
Высота мм ( ) |
Ширина мм(п) |
ПСр2 |
ПСр2,5 |
ПСр3кд |
ПСр3 |
ПСр10 |
ПСр12 |
ПСр15 |
ПСр25 |
ПСр40 |
ПСр45 |
ПСр50 |
ПСр62 |
0Ср70 |
ПСр71 |
ПСр72 |
|
1 |
2 |
3 |
4 |
5 |
6 |
7 |
8 |
9 |
10 |
11 |
12 |
13 |
14 |
15 |
16 |
17 |
|
0,1 |
1,0 |
0,0073 |
0,0084 |
0,0066 |
0,0087 |
0,0064 |
0,0063 |
0,0065 |
0,0066 |
0,0071 |
0,0070 |
0,0071 |
0,0073 |
0,0075 |
0,0075 |
0,0076 |
|
0,1 |
0,3 |
0,0022 |
0,0025 |
0,0020 |
0,0026 |
0,019 |
0,0019 |
0,0019 |
0,0020 |
0,0021 |
0,0021 |
0,0021 |
0,0022 |
0,0022 |
0,0022 |
0,0023 |
|
0,3 |
2,0 |
0,0436 |
0,0505 |
0,0399 |
0,0523 |
0,0386 |
0,0381 |
0,0390 |
0,0399 |
0,0424 |
0,0418 |
0,0427 |
0,0441 |
0,0450 |
0,0450 |
0,0459 |
|
0,3 |
0,6 |
0,0131 |
0,0151 |
0,0119 |
0,0157 |
0,0115 |
0,0114 |
0,0117 |
0,0119 |
0,0127 |
0,0125 |
0,0126 |
0,0132 |
0,0135 |
0,0135 |
0,0138 |
|
0,1 |
2,0 |
0,0145 |
0,0168 |
0,0133 |
0,0174 |
0,0129 |
0,0127 |
0,0130 |
0,0133 |
0,0142 |
0,0139 |
0,0142 |
0,0147 |
0,0150 |
0,0180 |
0,053 |
|
0,1 |
0,6 |
0,0044 |
0,0050 |
0,0040 |
0,0052 |
0,0038 |
0,0038 |
0,0039 |
0,0040 |
0,0042 |
0,0042 |
0,0043 |
0,0044 |
0,0045 |
0,0045 |
0,0046 |
ПРИМЕЧАНИЯ:
1. Нормативы установлены на единицу длин шва (пог. см в зависимости от размера расплыва).
2. Нормативы рассчитаны по формуле
![]()
где Ну - норма расхода припоя на усиление шва (расплыва);
h - высота расплыва, мм;
b - ширина расплыва, мм;
r - удельный вес припоя, г/см3;
k - коэффициент, учитывающий потери припоя на угар, равный 1,02.
Таблица 17
Предельные нормативы расхода серебряных припоев на пайку проводов равных диаметров встык, г/1 соединение (с учетом 2 % безвозвратных потерь на угар)
|
МАРКИ ПРИПОЕВ |
|||||||||
|
ПСр3Кд |
ПСр25 |
ПСр40 |
ПСр45 |
ПСр50 |
ПСр65 |
ПСр70 |
ПСр71 |
ПСр72 |
|
|
1 |
2 |
3 |
4 |
5 |
6 |
7 |
8 |
9 |
10 |
|
0,5 |
0,006 |
0,006 |
0,007 |
0,007 |
0,007 |
0,007 |
0,007 |
0,007 |
0,007 |
|
0,6 |
0,007 |
0,007 |
0,008 |
0,008 |
0,008 |
0,008 |
0,008 |
0,008 |
0,008 |
|
0,7 |
0,008 |
0,008 |
0,009 |
0,008 |
0,008 |
0,009 |
0,009 |
0,009 |
0,009 |
|
0,8 |
0,008 |
0,008 |
0,009 |
0,009 |
0,009 |
0,010 |
0,010 |
0,009 |
0,010 |
|
0,9 |
0,009 |
0,009 |
0,010 |
0,010 |
0,010 |
0,011 |
0,010 |
0,010 |
0,011 |
|
1,0 |
0,010 |
0,010 |
0,011 |
0,011 |
0,011 |
0,012 |
0,012 |
0,011 |
0,012 |
|
1,1 |
0,010 |
0,010 |
0,011 |
0,012 |
0,012 |
0,013 |
0,013 |
0,011 |
0,013 |
|
1,2 |
0,012 |
0,012 |
0,013 |
0,013 |
0,013 |
0,014 |
0,014 |
0,014 |
0,014 |
|
1,3 |
0,013 |
0,013 |
0,014 |
0,014 |
0,014 |
0,015 |
0,015 |
0,015 |
0,015 |
|
1,4 |
0,014 |
0,014 |
0,015 |
0,015 |
0,015 |
0,016 |
0,016 |
0,016 |
0,016 |
|
1,5 |
0,015 |
0,015 |
0,015 |
0,016 |
0,016 |
0,017 |
0,017 |
0,017 |
0,018 |
|
1,6 |
0,016 |
0,016 |
0,017 |
0,018 |
0,018 |
0,019 |
0,019 |
0,018 |
0,019 |
|
1,7 |
0,017 |
0,017 |
0,018 |
0,018 |
0,018 |
0,019 |
0,019 |
0,019 |
0,020 |
|
1,8 |
0,018 |
0,018 |
0,019 |
0,020 |
0,020 |
0,021 |
0,021 |
0,020 |
0,021 |
|
1,9 |
0,019 |
0,019 |
0,020 |
0,020 |
0,020 |
0,022 |
0,022 |
0,021 |
0,022 |
|
2,0 |
0,020 |
0,020 |
0,021 |
0,022 |
0,022 |
0,023 |
0,023 |
0,022 |
0,023 |
|
2,1 |
0,021 |
0,021 |
0,022 |
0,023 |
0,023 |
0,024 |
0,024 |
0,024 |
0,024 |
|
2,2 |
0,022 |
0,023 |
0,023 |
0,024 |
0,024 |
0,025 |
0,025 |
0,025 |
0,025 |
|
2,3 |
0,022 |
0,022 |
0,023 |
0,024 |
0,024 |
0,025 |
0,025 |
0,025 |
0,026 |
|
2,4 |
0,023 |
0,023 |
0,024 |
0,025 |
0,026 |
0,027 |
0,027 |
0,026 |
0,027 |
|
2,5 |
0,024 |
0,024 |
0,025 |
0,026 |
0,026 |
0,027 |
0,028 |
0,027 |
0,028 |
|
2,6 |
0,025 |
0,025 |
0,026 |
0,027 |
0,027 |
0,027 |
0,028 |
0,028 |
0,029 |
|
2,7 |
0,026 |
0,026 |
0,028 |
0,028 |
0,028 |
0,029 |
0,029 |
0,029 |
0,030 |
|
2,8 |
0,026 |
0,026 |
0,028 |
0,028 |
0,029 |
0,030 |
0,030 |
0,029 |
0,031 |
|
2,9 |
0,027 |
0,027 |
0,029 |
0,029 |
0,030 |
0,031 |
0,031 |
0,030 |
0,032 |
|
3,0 |
0,028 |
0,028 |
0,030 |
0,030 |
0,031 |
0,032 |
0,032 |
0,032 |
0,033 |
ПРИМЕЧАНИЯ:
1. Нормативы установленны на одно соединение.
2. При применении припоев марок, не содержащихся в таблице, нормативы для них определяются путем сопоставления удельных весов.
3. При пайке проводов с различным диаметром норматив определяется по большему диаметру провода.
Таблица 18
Предельные нормативы расхода серебряных припоев на пайку проводов равных диаметров внахлестку, г/пог. см (с учетом 2 % безвозвратных потерь на угар)
|
Диаметр провода (d) |
МАРКИ ПРИПОЕВ |
||||||||
|
ПСр3Кд |
ПСр25 |
ПСр40 |
ПСр45 |
ПСр50 |
ПСр65 |
ПСр70 |
ПСр71 |
ПСр72 |
|
|
1 |
2 |
3 |
4 |
5 |
6 |
7 |
8 |
9 |
10 |
|
0,2 |
0,001 |
0,001 |
0,001 |
0,001 |
0,001 |
0,001 |
0,001 |
0,001 |
0,001 |
|
0,3 |
0,001 |
0,001 |
0,001 |
0,001 |
0,001 |
0,001 |
0,001 |
0,001 |
0,002 |
|
0,4 |
0,002 |
0,002 |
0,001 |
0,001 |
0,002 |
0,002 |
0,002 |
0,002 |
0,002 |
|
0,5 |
0,002 |
0,002 |
0,002 |
0,002 |
0,002 |
0,002 |
0,002 |
0,002 |
0,003 |
|
0,6 |
0,003 |
0,003 |
0,003 |
0,003 |
0,003 |
0,004 |
0,004 |
0,004 |
0,004 |
|
0,7 |
0,004 |
0,004 |
0,005 |
0,005 |
0,005 |
0,005 |
0,005 |
0,005 |
0,005 |
|
0,8 |
0,006 |
0,006 |
0,006 |
0,006 |
0,006 |
0,006 |
0,006 |
0,006 |
0,006 |
|
0,9 |
0,007 |
0,007 |
0,008 |
0,008 |
0,008 |
0,008 |
0,008 |
0,008 |
0,008 |
|
1,0 |
0,009 |
0,009 |
0,009 |
0,009 |
0,009 |
0,010 |
0,010 |
0,010 |
0,010 |
|
1,1 |
0,011 |
0,011 |
0,011 |
0,011 |
0,011 |
0,015 |
0,012 |
0,012 |
0,012 |
|
1,2 |
0,013 |
0,013 |
0,014 |
0,013 |
0,014 |
0,014 |
0,014 |
0,014 |
0,015 |
|
1,3 |
0,015 |
0,015 |
0,016 |
0,016 |
0,016 |
0,017 |
0,017 |
0,017 |
0,017 |
|
1,4 |
0,017 |
0,017 |
0,018 |
0,018 |
0,019 |
0,019 |
0,020 |
0,020 |
0,020 |
|
1,3 |
0,020 |
0,020 |
0,021 |
0,021 |
0,021 |
0,022 |
0,022 |
0,022 |
0,023 |
|
1,6 |
0,023 |
0,023 |
0,024 |
0,024 |
0,024 |
0,025 |
0,026 |
0,026 |
0,026 |
|
1,7 |
0,025 |
0,025 |
0,027 |
0,027 |
0,027 |
0,028 |
0,029 |
0,029 |
0,029 |
|
1,8 |
0,029 |
0,029 |
0,030 |
0,030 |
0,031 |
0,032 |
0,032 |
0,032 |
0,033 |
|
1,9 |
0,032 |
0,032 |
0,031 |
0,034 |
0,034 |
0,036 |
0,036 |
0,036 |
0,037 |
|
2,0 |
0,035 |
0,035 |
0,038 |
0,037 |
0,038 |
0,040 |
0,040 |
0,040 |
0,041 |
ПРИМЕЧАНИЯ:
1. Нормативы установлены на единицу длины шва (пог. см) в зависимости от диаметра провода.
2. Нормативы рассчитаны по формуле ![]()
где Нн - норма расхода припоя на пайку внахлестку, г;
d - диаметр провода, мм;
r - удельный вес припоя, г/см3;
k - коэффициент, учитывающий потери припоя на угар, равный 1,02.
3. При применении припоев марок, не содержащихся в таблице, нормативы для них определяются путем сопоставления удельных весов.
4. При пайке проводов с различным диаметром норматив определяется по большему диаметру проводов.
Таблица 19
ПРЕДЕЛЬНО ДОПУСТИМЫЕ ЗАЗОРЫ ПРИ ПАЙКЕ ПАЗОВЫХ СОЕДИНЕНИЙ, мм
|
Посадка |
Номинальный размер, мм |
|||||||||||
|
До 3 |
от 3 до 6 |
от 6 до 10 |
от 10 до 18 |
от 18 до 30 |
от 30 до 50 |
от 50 до 80 |
от 80 до 120 |
от 120 до 180 |
от 180 до 260 |
от 260 до 360 |
|
|
|
|
0,015 |
0,020 |
0,025 |
0,030 |
0,040 |
0,045 |
0,055 |
0,065 |
0,075 |
0,090 |
0,105 |
|
|
|
0,045 |
0,060 |
0,075 |
0,090 |
0,105 |
0,125 |
|
|
|
|
|
|
Примечание. Зазоры соответствующие посадке Х4, применять при пайке соединений, требующих повышенной прочности, а также рекомендуются для соединений, которые собираются под пайку подгонкой одной детали к другой.
Таблица 20
ПРЕДЕЛЬНО ДОПУСТИМЫЕ ЗАЗОРЫ ПРИ ПАЙКЕ ПЛОСКОСТНЫХ СОЕДИНЕНИЙ (В СОЕДИНЕНИЯХ ВНАХЛЕСТКУ)
|
3,0 |
от 3 до 4 |
от 4 до 5 |
от 5 до 6 |
от 6 до 7 |
от 7 до 8 |
от 6 до 9 |
от 9 до 10 |
от 10 до 12 |
св. 12 |
|
|
|
Толщина соединительного слоя, мм |
0,04 |
0,05 |
0,06 |
0,07 |
0,08 |
0,09 |
0,10 |
0,11 |
0,13 |
0,14 |
|
Таблица 21
ПРЕДЕЛЬНО ДОПУСТИМЫЕ ЗАЗОРЫ ПРИ ПАЙКЕ ПРОФИЛЬНЫХ СОЕДИНЕНИЙ (В СОЕДИНЕНИЯХ ВТАВР, КРОМЕ ПТЗ И ПТЧ)
|
Площадь пайки, кв. см |
до 0,5 |
от 0,5 до 1,0 |
от 1,0 до 1,5 |
от 1,5 до 2,0 |
от 2,0 до 2,5 |
от 2,5 до 3,0 |
от 3,0 до 3,5 |
от 3,5 до 4,0 |
от 4,0 до 4,5 |
от 4,5 до 5,0 |
св. 5,0 |
- |
|
Толщина соединительного слоя, мм |
0,05 |
0,04 |
0,05 |
0,06 |
0,07 |
0,08 |
0,09 |
0,10 |
0,11 |
0,12 |
0,23 |
|
Таблица 22
ПРЕДЕЛЬНО ДОПУСТИМЫЕ ЗАЗОРЫ ПРИ ПАЙКЕ ДЕТАЛЕЙ ВСТЫК, ВСКОС, В УГОЛ
|
Площадь пайки, см2 |
До 0,5 |
от 0,5 до 1,0 |
от 1,0 до 1,5 |
от 1,5 до 2,0 |
от 2,0 до 2,5 |
от 2,5 до 3,0 |
от 3,0 до 3,5 |
от 3,5 до 4,0 |
от 4,0 до 4,5 |
от 4,5 до 5,0 |
от 5,0 |
|
Толщина соединительного слоя, мм |
0,05 |
0,06 |
0,07 |
0,08 |
0,09 |
0,10 |
0,11 |
0,12 |
0,13 |
0,14 |
0,15 |
Таблица 23
ПОПРАВОЧНЫЕ КОЭФФИЦИЕНТЫ ДЛЯ ПАЙКИ ПРОВОДОВ РАЗНЫХ ДИАМЕТРОВ В СОЕДИНЕНИЯХ ВСТЫК
|
Значение поправочного коэффициента К |
|
|
0,30 |
2,12 |
|
0,32 |
2,05 |
|
0,34 |
1,98 |
|
0,36 |
1,91 |
|
0,38 |
1,87 |
|
0,40 |
1,82 |
|
0,42 |
1,76 |
|
0,45 |
1,69 |
|
0,48 |
1,64 |
|
0,50 |
1,61 |
|
0,52 |
157 |
|
0,55 |
1,52 |
|
0,58 |
1,47 |
|
0,60 |
1,45 |
|
0,65 |
1,39 |
|
0,70 |
1,33 |
|
0,75 |
129 |
|
0,80 |
1,24 |
|
0,85 |
1,20 |
|
0,90 |
1,17 |
|
0,95 |
1,13 |
Таблица 24
ПРЕДЕЛЬНО ДОПУСТИМЫЕ ЗНАЧЕНИЯ НОРМАТИВА ВОЗВРАТНЫХ ОТХОДОВ И БЕЗВОЗВРАТНЫХ ПОТЕРЬ ДЛЯ РАЗНЫХ СПОСОБОВ ПАЙКИ И ОБЛУДКИ
|
Способ пайки |
Вид отходов в процентах от полезного расхода припоя |
|
|
возвратные отходы |
безвозвратные потери |
|
|
Вручную |
|
|
|
1. Паяльником |
- |
2 |
|
2. Горелкой |
- |
2 |
|
3. Окунанием в расплавленный припой при полезном расходе - на 1000 шт. деталей от 1 г |
|
|
|
до 50 г |
40 |
2 |
|
менее 1 г |
100 |
2 |
|
На автоматах |
|
|
|
1. Проволочным припоем |
1,5 |
2 |
|
2. Паяльником в расплавленный припой |
5 |
2 |
|
3. Окунанием в расплавленный припой при полезном расходе на 1000 шт. деталей |
|
|
|
от 25 г и выше |
7 |
2 |
|
менее 25 г |
25 |
2 |
|
4. Облудка микроплит окунанием в расплавленный припой |
110 |
2 |
Таблица 25
ПРЕДЕЛЬНЫЕ ЗАЗОРЫ И РЕКОМЕНДУЕМЫЕ РАЗМЕРЫ ПРИПОЕВ, СОДЕРЖАЩИХ ДРАГОЦЕННЫЕ МЕТАЛЛЫ, ДЛЯ ПАЙКИ СОЕДИНЕНИЙ ТЕЛЕСКОПИЧЕСКОГО ТИПА МЕТАЛЛИЧЕСКИХ ИЗДЕЛИЙ (ДЛЯ ПРИПОЕВ НА ОСНОВЕ СЕРЕБРА)
|
Номинальные размеры соединений D(l) мм |
Условный максимальный зазор в соединении при т-ре пайки, мм |
Высота шва, мм h |
Рекомендуемый диаметр проволоки припоя, мм |
|
До 10,0 |
0,08 |
1 |
0,3 |
|
|
|
2 |
0,4 |
|
|
|
3 |
0,5 |
|
|
|
4 |
0,6 |
|
|
|
5 |
0,6 |
|
|
|
6 |
0,7 |
|
Свыше 10,0 до 50,0 |
0,1 |
2 |
0,4 |
|
|
|
3 |
0,5 |
|
|
|
4 |
0,6 |
|
|
|
5 |
0,7 |
|
|
|
6 |
0,8 |
|
|
|
7 |
0,8 |
|
|
|
8 |
0,9 |
|
Свыше 50,0 до 120,0 |
0,15 |
2 |
0,6 |
|
|
|
3 |
0,7 |
|
|
|
4 |
0,8 |
|
Рис. 1 |
5 |
0,9 |
|
|
6 |
1,0 |
||
|
7 |
1,0 |
||
|
8 |
1,2 |
||
|
9 |
1,2 |
||
|
10 |
1,2 |
||
|
11 |
1,5 |
||
|
12 |
1,5 |
||
Таблица 26
ПРЕДЕЛЬНЫЕ ЗАЗОРЫ И РЕКОМЕНДУЕМЫЕ РАЗМЕРЫ ПРИПОЕВ, СОДЕРЖАЩИХ ДРАГОЦЕННЫЕ МЕТАЛЛЫ, ДЛЯ ПАЙКИ СОЕДИНЕНИЙ ТОРЦЕВОГО ТИПА МЕТАЛЛО-КЕРАМИЧЕСКИХ ИЗДЕЛИЙ
|
Номинальные размеры соединение Д/l/, мм |
Размер соединения В, мм |
Рекомендуемая толщина припоя, мм |
Примерная конструкция соединения торцевого типа |
|
От 0,5 до 30,0 |
от 1,0 до 4,0 |
0,05 |
Рис. 2 1. Цилиндр керамический 2. Шайбы припоя 3. Деталь механическая 4. Кольцо компенсаторное
Рис. 3 1. Диск керамический 2. Шайбы припоя 3. Деталь металлическая 4. Кольцо компенсаторное |
|
От 30,0 до 45,0 |
от 4,0 до 6,0 |
0,1 |
|
|
От 45,0 до 75,0 |
от 5,0 до 7,0 |
0,01 |
|
|
От 75,0 до 110,0 |
от 5,0 до 8,0 |
0,1 |
|
|
До 20,0 |
от 1,5 до 2,0 |
0,05 |
|
|
От 20,0 до 40,0 |
от 2,5 до 4,0 |
0,1 |
|
|
От 40,0 до 60,0 |
от 4,0 до 5,0 |
0,1 |
|
|
От 60,0 до 110,0 |
свыше 5,0 |
0,1 |
Примечание. Ширина прокладки из припоя должна быть равна размеру соединения (В).
Таблица 27
ПРЕДЕЛЬНЫЕ ЗАЗОРЫ И РЕКОМЕНДУЕМЫЕ РАЗМЕРЫ ПРИПОЕВ, СОДЕРЖАЩИХ ДРАГОЦЕННЫЕ МЕТАЛЛЫ ДЛЯ ПАЙКИ МЕТАЛЛОКЕРАМИЧЕСКИХ ИЗДЕЛИЙ
|
Номинал, размеры соединений Д/l/, мм |
Условный максимальный зазор соединен. при т-ре пайки, мм |
Высота шва, мм h |
Рекомендуемый диаметр проволоки припоя, мм |
Примерная конструкция соединений телескопического типа |
|
1 |
2 |
3 |
4 |
5 |
|
До 10,0 |
0,06 - 0,08 |
1,0 |
0,3 |
Рис. 4 1. Диск керамический 2. Кольцо припоя 3. Деталь металлическая
Рис. 5 1. Цилиндр керамический 2. Кольцо припоя 3. Деталь металлическая |
|
|
|
1,5 |
0,3 |
|
|
|
|
2,0 |
0,4 |
|
|
|
|
2,5 |
0,4 |
|
|
|
|
3,0 |
0,5 |
|
|
|
|
3,5 |
0,5 |
|
|
|
|
4,0 |
0,5 |
|
|
От 10,0 до 20,0 |
0,08 - 0,1 |
1,0 |
0,4 |
|
|
|
|
1,5 |
0,4 |
|
|
|
|
2,0 |
0,5 |
|
|
|
|
2,5 |
0,5 |
|
|
|
|
3,0 |
0,5 |
|
|
|
|
3,5 |
0,6 |
|
|
|
|
4,0 |
0,6 |
|
|
|
|
4,5 |
0,7 |
|
|
|
|
5,0 |
0,7 |
|
|
От 20,0 до 40,0 |
0,1 - 0,12 |
1,5 |
0,6 |
|
|
|
|
2,0 |
0,6 |
|
|
|
|
2,5 |
0,7 |
|
|
|
|
6,0 |
0,7 |
|
|
|
|
3,5 |
0,7 |
|
|
|
|
4,0 |
0,7 |
|
|
|
|
4,5 |
0,8 |
|
|
|
|
5,0 |
0,8 |
|
|
|
|
5,5 |
0,9 |
|
|
|
|
6,0 |
0,9 |
|
|
От 40,0 до 70,0 |
0,12 - 0,15 |
1,5 |
0,8 |
|
|
|
|
2,0 |
0,8 |
|
|
|
|
2,5 |
0,9 |
|
|
|
|
3,0 |
0,9 |
|
|
|
|
3,5 |
1,0 |
|
|
|
|
4,0 |
1,0 |
|
|
|
|
5,0 |
1,0 |
|
|
|
|
5,5 |
1,1 |
|
|
|
|
6,0 |
1,2 |
|
|
|
|
7,0 |
1,2 |
|
|
От 70,0 до 110,0 |
0,15 - 0,2 |
3,0 |
1,0 |
|
|
|
|
3,5 |
1,0 |
|
|
|
|
4,0 |
1,2 |
|
|
|
|
4,5 |
1,2 |
|
|
|
|
5,0 |
1,4 |
|
|
|
|
5,5 |
1,4 |
|
|
|
|
6,0 |
1,4 |
|
|
|
|
7,0 |
1,6 |
Таблица 28
СОЛИ И КИСЛОТЫ ДРАГОЦЕННЫХ МЕТАЛЛОВ, ПРИМЕНИМЫЕ ДЛЯ ГАЛЬВАНИЧЕСКИХ ПОКРЫТИЙ
|
ГОСТ, ТУ |
Химическая формула |
Молекулярная масса |
Квалификация |
Кол-во соли, эквивалентное 1 г металла |
Кол-во металла в 1 г соли |
||
|
металла |
соли и кислоты |
||||||
|
1 |
2 |
3 |
4 |
5 |
6 |
7 |
8 |
|
1. Золото ГОСТ 6835-80 |
Дицианоаурат калия |
ГОСТ 20573-75 |
K[Au(CN)2] |
288,1 |
|
|
|
|
плотность 19,3 г/см3 |
Золотохлористоводородная кислота |
ТУ6-09-2237-76 |
H(AuCl4)´4H2O |
411,85 |
ч |
2,0898 |
0,4785 |
|
2. Серебро ГОСТ 6836-80 |
Серебро азотнокислое |
ГОСТ 1277-75 |
AgNO3 |
169,87 |
ч |
1,575 |
0,635 |
|
плотность 10,5 г/см3 |
Дицианоаргентат калия |
ТУ6-09-451-75 |
K[Ag(CN)2] |
199,01 |
ч |
1,845 |
0,542 |
|
3. Палладий ГОСТ 13462-79 плотность 12, 16 г/см3 |
Палладий хлористый |
|
PdCl × 2H2O |
|
ч |
2,004 |
0,499 |
|
ТУ6-09-2025-72 |
PdCl2 |
177,30 |
ч |
1,666 |
не менее 59 % |
||
|
4. Платина ГОСТ 13498-79 |
Платинохлористоводородная кислота |
ТУ6-09-2026-74 |
H2PtCl2´ 6H2O |
517,91 |
ч |
2,655 |
не менее 37 % |
|
плотность 21,45 г/см3 |
|||||||
|
5. Родий ГОСТ 13098-67 |
Родий треххлористый |
ТУ6-09-2024-78 |
PhCl2´ 4H2O |
281,32 |
ч |
2,734 |
не менее 37 % |
|
плотность 12,45 г/см3 |
|||||||
Таблица 29
ПРЕДЕЛЬНЫЕ НОРМАТИВЫ БЕЗВОЗВРАТНЫХ ПОТЕРЬ И ВОЗВРАТНЫХ ОТХОДОВ ПРИ ГАЛЬВАНИЧЕСКИХ ПОКРЫТИЯХ (% к чистому весу)
|
Золочение |
Серебрение |
Палладирование |
Платинирование |
Родирование |
|
|
Безвозвратные потери |
0,5 |
0,6 |
0,6 |
0,6 |
0,6 |
|
Возвратные отходы |
2 |
2 |
2 |
1 |
2 |
Таблица 30
ПРЕДЕЛЬНЫЕ ЗНАЧЕНИЯ НОРМАТИВОВ БЕЗВОЗВРАТНЫХ ПОТЕРЬ ДРАГОЦЕННЫХ МЕТАЛЛОВ ДЛЯ ГОТОВЫХ ДЕТАЛЕЙ
|
Безвозвратные потери в % к чистому весу деталей |
|
|
До 0,5 |
0,2 |
|
свыше 0,5 |
0,1 |
Таблица 31
ПРЕДЕЛЬНЫЕ ЗНАЧЕНИЯ НОРМАТИВОВ БЕЗВОЗВРАТНЫХ ПОТЕРЬ ПРИ ХИМИЧЕСКОМ СЕРЕБРЕНИИ СТЕКЛЯННЫХ ИЗДЕЛИЙ
|
Норматив безвозвратных потерь, % |
||
|
от чистого веса покрытия |
от норм расхода |
|
|
Наполнительный |
2 |
- |
|
Кюветный |
- |
5 |
|
Пульверизация |
- |
20 |
Таблица 32
ПРЕДЕЛЬНЫЕ ЗНАЧЕНИЯ НОРМАТИВА ВОЗВРАТНЫХ ОТХОДОВ И БЕЗВОЗВРАТНЫХ ПОТЕРЬ ПРИ СЕРЕБРЕНИИ КЕРАМИЧЕСКИХ ДЕТАЛЕЙ МЕТОДОМ ВЖИГАНИЯ (в % к чистому весу покрытия)
|
При приготовлении пасты, % к весу серебра в пасте |
При серебрении керамики (% к чистому весу покрытия) |
|||
|
вручную |
с применением механических приспособлений |
распылением |
||
|
Возвратные отходы |
3,0 |
5,0 |
10,0 |
20,0 |
|
Безвозвратные потери |
1,0 |
0,75 |
0,75 |
0,75 |
ИНФОРМАЦИОННЫЕ ДАННЫЕ
1. РАЗРАБОТАНА И ВНЕСЕНА Государственном комитетом СССР по стандартам
ИСПОЛНИТЕЛИ
В.Д. Камышов, Т.А. Макляк, С.И. Шикина, К.Б. Чуприкова, М.М. Мишина
2. УТВЕРЖДЕНА И ВВЕДЕНА В ДЕЙСТВИЕ Приказом Государственного комитета СССР по стандартам от 16.12.87 № 538
4. ССЫЛОЧНЫЕ ДОКУМЕНТЫ
|
Обозначение документа, на который дана ссылка |
Номер пункта, подпункта |
|
ГОСТ 1277-75 |
Приложение 4 |
|
ГОСТ 3301-68 |
|
|
ГОСТ 6835-80 |
Приложение 4 |
|
ГОСТ 6836-80 |
Приложение 4 |
|
ГОСТ 13098-67 |
Приложение 4 |
|
ГОСТ 13099-67 |
Приложение 4 |
|
ГОСТ 13462-79 |
Приложение 4 |
|
ГОСТ 13498-79 |
Приложение 4 |
|
ГОСТ 19733-74 |
Приложение 4 |
|
ГОСТ 20573-75 |
Приложение 4 |
Лист регистрации изменений
|
Номер изменения |
Номер листа (страницы) |
Номер документа |
Подпись |
Дата внедрения |
Дата введения изменения |
|||
|
измененного |
замененного |
нового |
аннулированного |
|||||
|
|
|
|
|
|
|
|
|
|
СОДЕРЖАНИЕ