Меню
Навигация
Novatika
Первая линия

Цепи стыка С2 системы передачи данных. Требования к временным характеристикам сигналов при стартcтопной и синхронной передаче

Стандарт распространяется на цепи передачи данных и синхронизации стыка С2 между оконечным оборудованием данных и аппаратурой передачи данных по ГОСТ 18145 и ГОСТ 23675.

Обозначение: ГОСТ Р 50668-94
Название рус.: Цепи стыка С2 системы передачи данных. Требования к временным характеристикам сигналов при стартcтопной и синхронной передаче
Статус: действует
Дата актуализации текста: 05.05.2017
Дата добавления в базу: 01.09.2013
Дата введения в действие: 01.07.1995
Утвержден: 16.05.1994 Госстандарт России (Russian Federation Gosstandart 151)
Опубликован: Издательство стандартов (1994 г. )
Ссылки для скачивания:

ГОСТ Р 50668-94

ГОСУДАРСТВЕННЫЙ СТАНДАРТ РОССИЙСКОЙ ФЕДЕРАЦИИ

 

ЦЕПИ СТЫКА С2 СИСТЕМЫ ПЕРЕДАЧИ
ДАННЫХ

ТРЕБОВАНИЯ К ВРЕМЕННЫМ ХАРАКТЕРИСТИКАМ
СИГНАЛОВ ПРИ СТАРТСТОПНОЙ И
СИНХРОННОЙ ПЕРЕДАЧЕ

 

 

 

ГОССТАНДАРТ РОССИИ

Москва

 

Предисловие

1 РАЗРАБОТАН И ВНЕСЕН Научно-исследовательским институтом «Дельта» Главного управления промышленности средств связи Госкомоборонпрома

2 ПРИНЯТ И ВВЕДЕН В ДЕЙСТВИЕ Постановлением Госстандарта России от 16.05.94 № 151

3 Стандарт соответствует международным стандартам ИСО 7480-91 «Обработка информации. Качество сигналов на стыках ООД/АПД при стартстопной передаче данных» и ИСО 9543-89 «Системы обработки информации. Обмен информацией между системами. Качество сигналов синхронной передачи на интерфейсах ООД/АПД» в части характеристик качества сигналов

4 ВВЕДЕН ВПЕРВЫЕ

 

СОДЕРЖАНИЕ

 

ГОСУДАРСТВЕННЫЙ СТАНДАРТ РОССИЙСКОЙ ФЕДЕРАЦИИ

ЦЕПИ СТЫКА С2 СИСТЕМЫ ПЕРЕДАЧИ ДАННЫХ

Требования к временным характеристикам сигналов при стартстопной и
синхронной передаче

Circuits of the interface C2 of the data transmission system.
Requirements by temporary characteristics of signals by start-stop
and synchronous transmissions

Дата введения 1995-07-01

1 ОБЛАСТЬ ПРИМЕНЕНИЯ

Настоящий стандарт распространяется на цепи передачи данных и синхронизации стыка С2 между оконечным оборудованием данных (ООД) и аппаратурой передачи данных (АПД) по ГОСТ 18145 и ГОСТ 23675.

Стандарт устанавливает требования к временным характеристикам сигналов, определяющим качество синхронизации при стартстопной и синхронной передаче.

2 НОРМАТИВНЫЕ ССЫЛКИ

В настоящем стандарте использованы ссылки на следующие стандарты:

ГОСТ 18145-81 Цепи на стыке С2 аппаратуры передачи данных с оконечным оборудованием при последовательном вводе-выводе данных. Номенклатура и технические требования

ГОСТ 23675-79 Цепи стыка С2-ИС системы передачи данных. Электрические параметры

3 ОПРЕДЕЛЕНИЯ, ОБОЗНАЧЕНИЯ И СОКРАЩЕНИЯ

Стартстопное искажение

Максимум разницы между фактическими и идеальными интервалами времени, измеренными от любого значащего момента модуляции (или восстановления) до значащего момента непосредственно предшествующего стартового элемента (независимо от структуры сигнала), выраженный в процентах к единичному интервалу времени

Синхронное стартстопное искажение (N)

Стартстопное искажение, при определении которого используются единичные и идеальные интервалы времени, соответствующие фактической скорости модуляции (или восстановления)

Суммарное стартстопное искажение (Р)

Стартстопное искажение, при определении которого используются единичные интервалы времени, соответствующие номинальной скорости модуляции. Р = (N+nM), где п - число элементов в знаке; М - точность скорости модуляции

Скорость модуляции

Величина, обратная длительности единичного интервала времени, измеряемой в секундах

Точность скорости модуляции (М)

Разность между фактической скоростью модуляции сигнала и номинальной скоростью модуляции, отнесенная к номинальной скорости модуляции

Минимальная длительность элемента передаваемого сигнала (Q)

Q = (100 - 2N). Выражается в процентах к единичному интервалу времени

Исправляющая способность

Максимально допустимое значение стартстопного искажения на входе приемника, при котором приемник правильно регистрирует символы

Практическая исправляющая способность

(V)

Исправляющая способность, измеренная в реальных условиях взаимодействия ООД и АПД

Минимальная длительность элемента принимаемого сигнала (W)

Минимально допустимая длительность любого элемента сигнала, при которой приемник правильно регистрирует сигнал

Минимальная длительность стартового элемента (Z)

Элемент сигнала синхронизации

Минимально допустимая длительность стартового элемента, при которой приемник должен осуществлять прием знака

Часть сигнала, передаваемого по цепям синхронизации, ограниченная двумя соседними переходами сигнала из состояния «Включено» в состояние «Выключено» (или, наоборот, из состояния «Выключено» в состояние «Включено»)

Коэффициент заполнения элемента сигнала синхронизации

Отношение длительности состояния «Включено» к длительности элемента сигнала синхронизации, выраженное в процентах

4 ТРЕБОВАНИЯ НАЗНАЧЕНИЯ

4.1 Стартстопная передача данных

4.1.1 Для передающих ООД устанавливают две категории качества временных характеристик сигналов:

1-я категория - для взаимодействия стартстопного ООД с асинхронной или стартовой АПД;

2-я категория - для взаимодействия стартстопного ООД с синхронной АПД.

4.1.2 Требования к временным характеристикам сигналов данных передающего ООД

Устанавливают следующие временные характеристики качества стартстопного сигнала данных в цепи 103:

синхронное стартстопное искажение (N);

суммарное стартстопное искажение (P);

минимальную длительность элемента передаваемого сигнала (Q);

точность скорости модуляции (М).

Значения перечисленных характеристик для двух категорий качества приведены в таблице 1.

4.1.3 Требования к исправляющей способности принимающего ООД

Устанавливают следующие временные характеристики качества работы ООД, принимающего сигналы данных по цепи 104:

практическую исправляющую способность (V);

минимальную длительность элемента принимаемого сигнала (W);

минимальную длительность стартового элемента (Z).

Таблица 1

Наименование временной характеристики

Обозначение

Значение, %, для категорий качества

1

2

Синхронное стартстопное искажение

N

Не более 5

Не более 1

Суммарное стартстопное искажение

Р

Не более 7

Не более 3

Минимальная длительность элемента передаваемого сигнала

Q

90

98

Точность скорости модуляции

М

Не более 0,2

Не более 0,2

Примечание - Значения N, P, Q определяют в процентах к единичному интервалу

Значения перечисленных в 4.1.3 характеристик приведены в таблице 2.

Таблица 2

Наименование временной характеристики

Обозначение

Значение, %

Практическая исправляющая способность

V

Не менее 40

Минимальная длительность элемента принимаемого сигнала

W

30

Минимальная длительность стартового элемента

Z

50

Примечание - Значения V, W, Z определяют в процентах к единичному интервалу.

4.2 Синхронная передача данных

4.2.1 Устанавливают две категории качества временных характеристик сигналов:

1-я категория - для взаимодействия ООД и АПД, когда сигналы в цепях синхронизации и данных передаются через стык в разных направлениях (противонаправленная синхронизация);

2-я категория - для взаимодействия ООД и АПД, когда сигналы в цепях синхронизации и данных передаются через стык в одном направлении (сонаправленная синхронизация).

В таблице 3 приведены сочетания цепей данных и синхронизации для противонаправленной и сонаправленной синхронизации.

Таблица 3

Цепь синхронизации

Синхронизация для цепей данных

103

104

113

Сонаправленная

-

114

Противонаправленная

-

115

-

Сонаправленная

128

-

Противонаправленная

4.2.2 Требования к временным характеристикам сигналов в цепях синхронизации и данных передающего ООД

Устанавливают следующие временные характеристики качества сигналов в цепях синхронизации и данных:

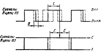
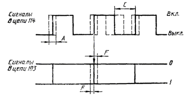
фазовое дрожание сигнала синхронизации в цепи 114 (А);

фазовое дрожание сигнала синхронизации в цепи 113 (В);

коэффициент заполнения элемента сигнала синхронизации в цепях 114 и 113 (С);

точность длительности элемента сигнала синхронизации в цепях 114 и 113 (D);

временное смещение между сигналами в цепях, имеющих сонаправленную синхронизацию (E);

временное смещение между сигналами в цепях, имеющих противонаправленную синхронизацию (F).

Значения перечисленных характеристик для двух категорий качества приведены в таблице 4.

Временная диаграмма сигналов в цепях 103, 113, 114, поясняющая взаимосвязь характеристик качества синхронизации, приведена в приложении А.

4.2.3 Требования к временным характеристикам сигналов в цепях синхронизации и данных принимающего ООД

Устанавливают следующие временные характеристики качества сигналов в цепях синхронизации и данных:

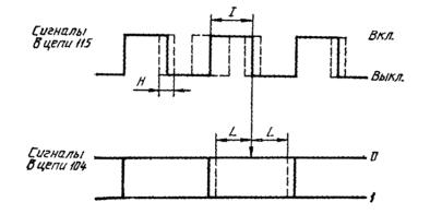
фазовое дрожание сигнала синхронизации в цепи 128 (G);

фазовое дрожание сигнала синхронизации в цепи 115 (H);

коэффициент заполнения элемента сигнала синхронизации в цепях 128 и 115 (I);

точность длительности элемента сигнала синхронизации в цепях 128 и 115 (J);

временное смещение между сигналами в цепях, имеющих сонаправленную синхронизацию (L);

временное смещение между сигналами в цепях, имеющих противонаправленную синхронизацию (K).

Таблица 4

Наименование временной характеристики

Обозначение

Значение, %, для категорий качества

1

2

Фазовое дрожание сигнала синхронизации в цепи 114

А

Не более 30

-

Фазовое дрожание сигнала синхронизации в цепи 113

В

-

Не более 1

Коэффициент заполнения элемента сигнала синхронизации в цепях 114 и 113

С

50 ± 10

50 ± 10

Точность длительности элемента сигнала синхронизации в цепях 114 и 113

D

Не более ± 0,01

Не более ± 0,01

Временное смещение между сигналами в цепях, имеющих сонаправленную синхронизацию

Е

-

Не менее 45

Временное смещение между сигналами в цепях, имеющих противонаправленную синхронизацию

F

Не более 10

-

Примечание - Значения А, В, С, Е, F определяют в процентах к единичному интервалу

Значения перечисленных в 4.2.3 характеристик для двух категорий качества приведены в таблице 5.

Временная диаграмма сигналов в цепях 104, 115, 128, поясняющая взаимосвязь характеристик качества синхронизации, приведена в приложении А.

Таблица 5

Наименование временной характеристики

Обозначение

Значение, %, для категорий качества

1

2

Фазовое дрожание сигнала синхронизации в цепи 128

G

Не более 10

-

Фазовое дрожание сигнала синхронизации в цепи 115

H

-

Не более 30

Коэффициент заполнения элемента сигнала синхронизации в цепях 128 и 115

I

50 ± 10

50 ± 10

Точность длительности элемента сигнала синхронизации в цепях 128 и 115

J

Не более ± 0,01

Не более ±0,01

Временное смещение между сигналами в цепях, имеющих сонаправленную синхронизацию

L

-

Не менее 20

Временное смещение между сигналами в цепях, имеющих противонаправленную синхронизацию

К

Не более 10

-

Примечание - Значения G, H, I, K, L определяют в процентах к единичному интервалу

ПРИЛОЖЕНИЕ А

(Справочное)

ВРЕМЕННЫЕ ДИАГРАММЫ СИГНАЛОВ В ЦЕПЯХ

1 Временная диаграмма сигналов в цепях 103, 113 и 114

Противонаправленная синхронизация

Сонаправленная синхронизация

2 Временная диаграмма сигналов в цепях 104, 115 и 128

Противонаправленная синхронизация

Сонаправленная синхронизация

Ключевые слова: обработка данных, передача данных, старт-стопная передача, синхронная передача, сигналы, оконечное оборудование данных