Стандарт распространяется на разъединители и заземлители переменного тока на напряжение свыше 100 В промышленной частоты 50 и 60 Гц, а также на приводы к этим разъединителям и заземлителям и на их вспомогательное оборудование. В том числе разъединители, заземлители и приводы к ним, предназначенные для экспорта. Стандарт не распространяется на разъединители, заземлители и приводы к ним: специальных исполнений (например, разъединители с ограничителями перенапряжения. А также штепсельные, со встроенными предохранителями, для КРУЭ); для работы в пожаро-взрывоопасных помещениях (например, в газовых шахтах); для частых коммутационных операций; для работы при сильной тряске, вибрациях или ударах (например, на экскаваторах, драгах). Стандарт устанавливает обязательные требования.
| Обозначение: | ГОСТ 689-90 |
| Название рус.: | Разъединители и заземлители переменного тока на напряжение свыше 1000 В. Общие технические условия |
| Статус: | отменен в рф |
| Заменяет собой: | ГОСТ 689-83 «Разъединители и заземлители переменного тока на напряжение от 6 до 750 кВ. Общие технические условия» |
| Дата актуализации текста: | 05.05.2017 |
| Дата добавления в базу: | 01.09.2013 |
| Дата введения в действие: | 01.01.2008 |
| Утвержден: | 27.06.1990 Государственный комитет СССР по управлениию качеством продукции и стандартам (1924) |
| Опубликован: | Издательство стандартов (1990 г. ) ИПК Издательство стандартов (1998 г. ) |
| Ссылки для скачивания: |

ГОСУДАРСТВЕННЫЙ СТАНДАРТ СОЮЗА ССР
РАЗЪЕДИНИТЕЛИ И ЗАЗЕМЛИТЕЛИ
ПЕРЕМЕННОГО ТОКА НА НАПРЯЖЕНИЕ
СВЫШЕ 1000 В
ОБЩИЕ ТЕХНИЧЕСКИЕ УСЛОВИЯ
ГОСТ 689-90
(МЭК 129-84)
ИПК ИЗДАТЕЛЬСТВО СТАНДАРТОВ
Москва
ГОСУДАРСТВЕННЫЙ СТАНДАРТ СОЮЗА ССР
|
РАЗЪЕДИНИТЕЛИ И
ЗАЗЕМЛИТЕЛИ Общие технические условия А. с.
disconnectors and earthing switches for voltages |
ГОСТ (МЭК 129-84) |
Дата введения 01.07.91
Настоящий стандарт распространяется на разъединители и заземлители переменного тока на напряжение свыше 1000 В промышленной частоты 50 и 60 Гц, а также на приводы к этим разъединителям и заземлителям и на их вспомогательное оборудование, в том числе разъединители, заземлители и приводы к ним, предназначенные для экспорта.
Настоящий стандарт не распространяется на разъединители, заземлители и приводы к ним:
специальных исполнений (например, разъединители с ограничителями перенапряжения, а также штепсельные, со встроенными предохранителями, для КРУЭ);
для работы в пожаро-взрывоопасных помещениях (например, в газовых шахтах);
для частых коммутационных операций;
для работы при сильной тряске, вибрациях или ударах (например, на экскаваторах, драгах).
Стандарт устанавливает обязательные требования.
Термины, применяемые в стандарте, и пояснения к ним приведены в приложении.
1.1. Классификация и исполнение разъединителей должны соответствовать указанным в табл. 1.
Таблица 1
|
Исполнение |
|
|
1. По размещению |
В помещениях (категории размещения 2, 3, 4) по ГОСТ 15150 Наружной установки (категория размещения 1) по ГОСТ 15150 |
|
2. По числу полюсов, управляемых одним приводом |
Однополюсное Двухполюсное Трехполюсное |
|
3. По наличию заземлителей |
С одним заземлителем на полюс С двумя заземлителями на полюс Без заземлителей |
|
4. По виду изоляции |
Категория «А» по ГОСТ 9920 Категория «Б» по ГОСТ 9920 Категория «В» по ГОСТ 9920 |
|
5. По виду привода |
С приводом, непосредственно использующим мускульную силу оператора (ручной привод) С двигательным приводом, непосредственно использующим: электрическую энергию в процессе включения или отключения (электродвигательный привод); сжатый газ (воздух) (пневматический привод) |
1.2. Классификация и исполнение заземлителей должны соответствовать указанным в табл. 2.
Таблица 2
|
Исполнение |
|
|
1. По размещению |
В помещениях (категории размещения 2, 3, 4) по ГОСТ 15150 Наружной установки (категория размещения 1) по ГОСТ 15150 |
|
2. По числу полюсов |
Однополюсное Двухполюсное Трехполюсное |
|
3. По виду привода |
С ручным приводом С электродвигательным приводом С пневматическим приводом |
1.3. Условные обозначения
1.3.1. Условное обозначение разъединителя или заземлителя должно содержать:
букву (буквы) для сокращенного обозначения разъединителя или заземлителя;
букву (буквы) для обозначения конструктивной особенности разъединителя или заземлителя;
цифру или букву и цифру для обозначения количества и расположения заземлителей (только для разъединителей, совмещенных с заземлителями);
цифры, обозначающие номинальное напряжение разъединителя или заземлителя в киловольтах;
цифру, обозначающую степень загрязнения по ГОСТ 9920. Цифру не указывают, если степень загрязнения соответствует легкой по ГОСТ 9920;
цифры, обозначающие номинальный ток разъединителя в амперах;
букву (буквы) и цифру, обозначающие климатическое исполнение и категорию размещения разъединителя или заземлителя в соответствии с ГОСТ 15150.
(Измененная редакция, Изм. № 1).
1.3.2. Условное обозначение привода должно содержать:
букву (буквы) для сокращенного обозначения привода;
букву, обозначающую вид привода;
цифры, обозначающие конструктивное исполнение (при наличии);
цифру, обозначающую модификацию (если она есть);
букву (буквы) и цифру, обозначающие климатическое исполнение и категорию размещения по ГОСТ 15150.
1.3.3. Условное обозначение разъединителей устанавливают по следующей структуре:

1.3.4. Условное обозначение отдельно стоящего заземлителя устанавливают по следующей структуре:

1.3.5. Условное обозначение привода устанавливают по следующей структуре:

2.1. Значения номинальных параметров выбирают из числа стандартных значений, приведенных в табл. 3.
Таблица 3
|
Стандартные значения параметров |
|
|
1. Номинальное напряжение Uном (соответствующее наибольшему рабочему напряжению Uн.р.), кВ |
3 (3,6); 6 (7,2); 10 (12); 151 (17,5); 20 (24); 241 (26,5); 271 (30); 35 (40,5); 662 (72,5); 110 (123 или 126); 1322 (145); 150 (170); 220 (245 или 252); 330 (362); 3802 (420); 4002 (420); 500 (525); 750 (787) |
|
2. Номинальный ток Iном, А |
200; 315; 400; 630; 800; 1000; 1250; 1600; 2000; 2500; 3150; 4000; 5000; 6300; 8000; 10000; 112003; 12500; 140003; 16000; 180003; 20000; 224003; 25000; 280003; 31500; 40000; 50000; 63000 |
|
3. Номинальный кратковременный выдерживаемый ток (ток термической стойкости) Iт, кА |
6,3; 8; 10; 12,5; 16; 20; 25; 31,5; 40; 50; 63; 80; 100; 125; 160; 200; 250 |
|
4. Наибольший пик номинального кратковременного выдерживаемого тока (ток электродинамической стойкости) iд, кА |
15; 75; 20; 25; 40; 50; 63; 80; 100; 125; 160; 200; 250; 315; 400; 500; 630 |
|
5. Номинальное избыточное давление сжатого газа (воздуха)4 для пневматических приводов Рном, МПа (кгс/см2) |
0,5 (5)2; 0,6 (6,0); 1,0 (10); 1,5 (15); 1,6 (16)2; 2,0 (20); 2,6 (26); 3,0 (30)2; 4,0 (40); 5,0 (50) |
|
6. Номинальное напряжение цепей питания включающих и отключающих устройств и вспомогательных цепей (управления, блокировки и сигнализации) Uп.ном, В |
Для постоянного тока - 12; 24; 42; 48; 60; 110 или 125; 220 или 250 Для трехфазного переменного тока - 127; 220; 380; 4202; 4602 Для однофазного переменного тока - 100; 220 |
|
7. Номинальная частота5fном, Гц |
50; 60 |
1 По требованию потребителя для разъединителей и заземлителей, предназначенных для работы в цепи генераторов и синхронных компенсаторов.
2 Для изделий, предназначенных для экспорта.
3 При условии согласования с заказчиком.
4 Требования к сжатому газу (воздуху) указывают в технических условиях.
5 Допускается разработка и изготовление разъединителей и заземлителей для цепей генераторного напряжения со значениями частоты, отличными от указанных
3.1. Общие требования
* Термин «изделия» здесь и далее применяется в случаях, когда текст относится одновременно к разъединителям, заземлителям и приводам к ним.
3.1.2. Изделия предназначены для эксплуатации на высоте над уровнем моря до 1000 м в климатических районах и условиях, предусмотренных для этих районов, в соответствии с ГОСТ 15150 и ГОСТ 15543.
Работоспособность изделий наружной установки обеспечивается при максимальном давлении ветра 1000 Па (соответствует скорости ветра 40 м/с) или 700 Па (соответствует скорости ветра 34 м/с).
Допускается нормировать в технических условиях на конкретные типы изделий обеспечение работоспособности при максимальном давлении ветра 700 Па совместно со способностью выдерживать во включенном и отключенном положениях воздействие ветра с максимальным давлением 1000 Па.
Допускается использовать изделия в условиях, отличающихся от указанных в данном стандарте, по согласованию между потребителем и изготовителем.
Конкретные требования по работоспособности изделий при воздействии пыли, по требованию потребителя, следует указывать в технических условиях на конкретные типы.
3.1.3. В отношении стойкости к воздействию климатических факторов внешней среды изделия должны удовлетворять требованиям ГОСТ 15150, ГОСТ 17412 или ГОСТ 15151.
Конкретные требования в части воздействия климатических факторов внешней среды в зависимости от климатических исполнений и категорий размещения следует указывать в технических условиях на конкретные типы изделий.
3.1.4. По стойкости к воздействию механических факторов внешней среды конкретные параметры для изделий, предназначенных для установки в зданиях машинных залов с электрическими машинами мощностью 2500 кВт и выше, следует указывать в технических условиях на конкретные типы.
3.1.5. Массу и габаритные размеры изделий указывают в технических условиях на конкретные типы изделий.
3.1.6. Разъединители должны допускать установку:
на горизонтальной плоскости;
на вертикальной плоскости;
на горизонтальной, вертикальной, а также наклонной плоскости;
на портале (подвесное исполнение).
3.1.7. Значения токов холостого хода трансформаторов, зарядных токов воздушных и кабельных линий, токов нагрузки, которые допускается отключать и включать разъединителями при минимально допустимом расстоянии между полюсами, следует указывать в эксплуатационной документации или технических условиях на конкретные типы вновь разрабатываемых аппаратов**.
** Термин «аппараты» здесь и далее применяется в случаях, когда текст относится одновременно к разъединителям и заземлителям.
3.1.8. Специальные требования к изделиям, предназначенным для работы в условиях повышенной сейсмичности, следует устанавливать в технических условиях на конкретные типы изделий.
3.2. Требования к изоляции
3.2.1. Изоляция аппаратов с нормальным уровнем ограничения перенапряжений на номинальные напряжения до 500 кВ должна соответствовать требованиям ГОСТ 1516.1, а разъединителей и заземлителей на 750 кВ - требованиям ГОСТ 20690.
Дополнительные требования к изоляции аппаратов категории размещения 2, определяемые конденсацией влаги (выпадением росы), а также требования к трекингостойкости полимерной изоляции аппаратов следует устанавливать в технических условиях на конкретные типы аппаратов.
Минимальные изоляционные расстояния должны быть указаны в техническом описании и инструкции по эксплуатации (ТО).
(Измененная редакция, Изм. № 1).
3.2.2. Изоляция вспомогательных цепей и цепей управления приводов должна соответствовать ГОСТ 1516.1.
3.2.4. В условиях загрязнения внешняя изоляция, выполненная из фарфоровых (стеклянных) изоляторов, а также из полимерных до 10 кВ, должна выдерживать испытательное напряжение не ниже указанного в ГОСТ 9984; выполненных из полимерных изоляторов свыше 10 кВ - не ниже указанного в ГОСТ 28856.
(Измененная редакция, Изм. № 1).
3.3. Требования к нагреву
3.3.1. Разъединители в отношении нагрева в продолжительном режиме должны соответствовать требованиям ГОСТ 8024. Низковольтная аппаратура приводов в отношении нагрева должна соответствовать ГОСТ 403.
3.3.2. Вспомогательные контакты и вспомогательные цепи должны пропускать постоянный ток не менее 10 А при напряжении 220 В, а для элементов цепей, в которых ток не превышает 0,5 А, - не менее 1 А
3.4. Требования к механическим характеристикам
2000 - для аппаратов на номинальные напряжения до 35 кВ включ. и на номинальные токи до 6300 А включ.;
1000 - для всех остальных аппаратов.
В случае двигательного привода аппараты должны выдерживать:
90 % циклов, указанных выше, - при номинальных значениях напряжения или давления приводов;
5 % циклов, указанных выше, - при нормированных минимальных значениях напряжения или давления приводов;
5 % циклов, указанных выше, - при нормированных максимальных значениях напряжения или давления приводов.
Примечание. У аппаратов с нормированной механической нагрузкой на выводах эта нагрузка должна быть приложена при проведении всех рабочих циклов.
Диапазон напряжений - от 85 до 110 % Uп.ном.
Диапазон давления для пневматических приводов - от 85 до 110 % Рном.
3.4.3. Аппараты наружной установки должны выдерживать механическую нагрузку на выводы от присоединяемых проводов, с учетом ветровых нагрузок и образования льда, без снижения номинального тока, не менее значений, указанных в табл. 4.
Таблица 4
|
Допустимая механическая нагрузка на выводы, Н |
||
|
на токи до 1250 А включ. |
на токи св. 1250 А |
|
|
От 3 до 10 включ. |
200 |
- |
|
Св. 10 » 35 » |
500 |
800 |
|
» 35 » 150 » |
800 |
1000 |
|
» 150 » 220 » |
1000 |
1200 |
|
» 220 » 750 » |
- |
1500 |
2,5 - для категории размещения 1, а также для разъединителей и заземлителей на напряжение 110 кВ и выше категорий размещения 2, 3, 4; для высокопрочных изоляторов (с применением глинозема) коэффициент запаса - не менее 2;
1,5 - для категорий размещения 2, 3, 4 разъединителей и заземлителей на напряжение до 35 кВ включительно;
1,5 - для полимерных изоляторов всех категорий размещения;
4 - для подвесного исполнения.
Под указанным запасом механической прочности понимается отношение нормированной разрушающей нагрузки изолятора колонки, фермы к расчетной наибольшей сумме следующих нагрузок (с учетом возможной одновременности их действия):
от электродинамических усилий (при предельной амплитуде тока в условиях двухполюсного короткого замыкания);
от усилий, передаваемых от привода;
от механической нагрузки на выводы (направленный вдоль полюса, перпендикулярно оси изолятора), при условии ее нормирования;
от давления ветра наиболее неблагоприятного направления для разъединителей категории размещения 1.
Расчеты запасов механической прочности ведутся по методикам предприятий-разработчиков изделий.
(Измененная редакция, Изм. № 1).
3.5. Требования к стойкости при сквозных токах короткого замыкания
3.5.1. Разъединители во включенном положении должны выдерживать без повреждений, препятствующих их нормальной работе, электродинамическое и термическое воздействие сквозных токов короткого замыкания с параметрами, вплоть до следующих нормированных значений:
номинальный кратковременный выдерживаемый ток (ток термической стойкости) Iт, равный одному из значений, приведенных в табл. 3;
наибольший пик номинального кратковременного выдерживаемого тока (ток электродинамической стойкости) iд, равный 2,5 Iт;
начальное действующее значение периодической составляющей Iнп;
время протекания номинального кратковременного выдерживаемого тока (время короткого замыкания) tк.з, равное:
1 или 2 с - для разъединителей на Uном ³ 330 кВ;
1 или 3 с - для разъединителей на Uном £ 220 кВ.
3.5.2. Заземлители во включенном положении должны выдерживать электродинамическое и термическое воздействие сквозных токов короткого замыкания с параметрами, нормированными для разъединителей, если заземлители и разъединители составляют единое целое, при этом значение tк.з принимают равным 1 с.
Для заземлителей, применяемых отдельно от разъединителей, параметры следует устанавливать в технических условиях на конкретные типы.
Для заземлителей, предназначенных для длительного пропускания тока, в эксплуатационной документации указывают номинальный ток.
3.5.3. Допускается использовать разъединители при времени короткого замыкания t, превышающем нормированное tк.з с одновременным уменьшением величины номинального кратковременного выдерживаемого тока (тока термической стойкости) Iт до значения It, определяемого по формуле
![]()
При t < tк.зItпринимают равным Iт.
3.5.4. Допустимое расстояние от разъединителя до ближайшего опорного изолятора под ошиновку, при котором обеспечивается гарантируемая стойкость, указывают в ТО.
3.6. Вспомогательные коммутационные устройства должны быть способны включать и отключать ток управляемых цепей. В случае, если вспомогательные коммутационные устройства связаны с внешним оборудованием, данные по напряжению и коммутируемому току которого отсутствуют, коммутационные устройства должны быть способны включать и отключать постоянный ток не менее 2 А при напряжении 220 В. Технические требования к вспомогательным коммутационным устройствам указывают в технических условиях на конкретные типы изделий.
3.7. Требования к конструкции
3.7.1. Трущиеся части изделий, требующие периодической смазки, должны, при необходимости, иметь смазочные отверстия или приспособления для смазки.
Рекомендуется во вновь разрабатываемых конструкциях использовать новые материалы и трущиеся узлы, не требующие смазки в течение межремонтного периода.
3.7.2. Металлические части, выполненные из черных металлов и подвергающиеся воздействию климатических факторов внешней среды, должны иметь защитные покрытия. Допускаются отдельные очаги коррозии, если это не влияет на работоспособность изделия.
Способы восстановления покрытий должны быть указаны в технических условиях на конкретные типы изделий или ТО.
3.7.3. Элементы схем управления и питания приводов должны быть расположены в местах, удобных для осмотра и ремонта.
3.7.4. Сечение гибких медных проводников между подвижной частью заземлителя и неподвижной частью заземлителя или разъединителя в случае, если заземлитель и разъединитель составляют единое целое, должно быть не менее 50 мм2.
Допускается, по согласованию с заказчиком, применение иной, не механической блокировки.
3.7.6. Контактные зажимы разъединителей должны удовлетворять требованиям ГОСТ 10434 и ГОСТ 21242.
Зажимы для присоединения внешних вспомогательных цепей (цепей управления, блокировки и сигнализации) должны удовлетворять требованиям ГОСТ 10434 и ГОСТ 19132 и допускать присоединение проводов к ним при помощи отвертки.
Контактные зажимы заземлителей в части присоединительных размеров должны удовлетворять требованиям, указанным в технических условиях на конкретные типы изделий.
(Измененная редакция, Изм. № 1).
3.7.8. В зависимости от наличия свободных вспомогательных контактов приводы могут иметь два исполнения:
с вспомогательными контактами;
без вспомогательных контактов.
Число свободных вспомогательных контактов, установленных в местах, доступных для осмотра и ремонта, следует выбирать из ряда:
4, 8, 12 - для разъединителей и 2, 4 - для заземлителей, если конструкция вспомогательных контактов допускает взаимную перестановку (пересоединение) контактов (замыкающий - размыкающий);
8, 12, 16 - для разъединителей и 4, 8 - для заземлителей, если конструкция вспомогательных контактов не допускает взаимную перестановку (пересоединение) контактов (замыкающий - размыкающий).
3.7.9. Приводы, требующие подогрева, должны иметь подогревательные устройства, как правило, на номинальное напряжение 220 В переменного тока. Температуру, при которой включают устройства, указывают в эксплуатационной документации.
Приводы с автоматическим включением подогревателей изготавливают по требованию потребителя.
3.7.10. Характер движения и направление движения органов управления привода должны соответствовать указанным в табл. 5.
При отклонении от данного требования на приводах должна быть помещена информационная табличка об этом (например, «Включение против часовой стрелки»).
Таблица 5
|
Направление движения органа управления |
|||
|
при включении |
при отключении |
||
|
Вращательное |
По часовой стрелке
|
Против часовой стрелки
|
|
|
Прямолинейное, почти прямолинейное |
Вертикальное |
Снизу вверх
|
Сверху вниз
|
|
Горизонтальное |
Вправо |
Влево |
|
|
От оператора нажим вперед
|
К оператору вытягивание назад
|
||
3.7.11. Разъединители и заземлители, включая их приводы, должны быть сконструированы так, чтобы исключался их выход из включенного или отключенного положения под действием силы ветра, вибраций, ударов умеренной силы или случайного прикосновения к соединительным тягам привода, протечках воздуха в системе пневматического привода, а также под действием электродинамических усилий тока короткого замыкания. Разъединители и заземлители с приводами должны быть сконструированы таким образом, чтобы они могли запираться (фиксироваться) как в отключенном, так и включенном положениях.
Примечание. Эти требования относятся также к устройствам аварийного ручного управления автоматически или дистанционно управляемых разъединителей и заземлителей.
3.7.12. Конструкция изделий для районов с холодным климатом должна в дополнение к требованиям настоящего стандарта соответствовать требованиям ГОСТ 17412. При этом допускается изготовление сварных конструкций из стали ВСт3кп с применением электродов с покрытием УОНИ 13/45 или проволоки Св-08Г2С диаметром до 1,2 мм в среде углекислого газа.
3.7.13. Степень защиты от пыли и дождя приводов, имеющих оболочки, выбирают по ГОСТ 14254 и указывают в технических условиях на конкретные типы изделий.
3.7.15. Валы управления двух- и трехполюсных заземлителей, а также разъединителей на номинальные токи свыше 10000 А, предназначенных для установки в закрытых токопроводах, для предупреждения образования замкнутых электрических контуров должны быть изолированы как между собой, так и от приводов.
3.7.16. Ручные рычажные приводы категории размещения 1 следует изготовлять с рукоятками, длина которых для облегчения оперирования может быть, при необходимости, увеличена насадкой специального удлинителя длиной не более 1,5 м. Конкретные значения для изделий указывает предприятие-изготовитель в инструкции по эксплуатации.
3.8. Требования к уровню радиопомех
3.8.1. Испытания на радиопомехи проводят при наличии соответствующих требований в технических условиях на конкретные типы разъединителей.
3.8.2.
Уровень радиопомех, создаваемых разъединителями на напряжение 110 кВ и выше при
напряжении
не должен превышать
2500 мкВ при частоте настройки измерительной цепи (500 ± 50) Гц.
3.9. Требования надежности
3.9.3. Средний срок службы до первого среднего ремонта должен быть не менее 10 лет при условии невыработки мехресурса.
(Измененная редакция, Изм. № 1).
3.10. Комплектность
3.10.1. В комплект разъединителя с приводом или заземлителя с приводом, или самого привода должны входить: комплектующие детали и сборочные единицы, соединительные элементы, позволяющие производить монтаж полюсов разъединителя в двух-, трехполюсные установки и соединения с приводом, а также индивидуальный комплект ЗИП, указанный в ТО. Индивидуальный комплект ЗИП и соединительные элементы должны входить в комплект изделия при наличии указанного требования в технических условиях на конкретные типы изделий.
К комплекту прилагают эксплуатационную документацию:
паспорт разъединителя;
паспорт заземлителя, если он не составляет единого целого с разъединителем;
паспорт привода (только для двигательного привода);
техническое описание и инструкцию по эксплуатации (ТО).
Количество экземпляров этих документов на одно изделие или на партию устанавливают в технических условиях на конкретные типы изделий.
3.10.2. Ручные приводы со съемными рукоятками (рычагами) комплектуют из расчета одной штуки на четыре привода, если иное количество не предусмотрено заказом потребителя. На партию менее четырех приводов прилагают также одну рукоятку (рычаг).
Двигательные приводы со съемными рукоятками (рычагами) для управления заземлителями комплектуют из расчета одной штуки на три привода, если иное количество не предусмотрено заказом потребителя. На партию менее трех приводов прилагают также одну рукоятку (рычаг).
(Измененная редакция, Изм. № 1).
3.11. Маркировка, упаковка
3.11.1. Каждый разъединитель (полюс), заземлитель (если он не составляет единое целое с разъединителем) и привод должны иметь табличку, содержащую данные в соответствии с табл. 6.
|
Наименование данных |
Условное обозначение |
Единица измерения |
Разъединитель |
Заземлитель |
Привод |
|
Товарный знак предприятия-изготовителя, кроме изделий для экспорта |
|
|
+ |
+ |
+ |
|
Наименование изделия (например, разъединитель) |
|
|
+ |
+ |
+ |
|
Тип изделия |
|
|
+ |
+ |
+ |
|
Порядковый номер по системе нумерации предприятия-изготовителя |
|
|
+1 |
+ |
+ |
|
Номинальное напряжение |
Uном |
кВ |
+ |
|
|
|
Номинальный ток |
Iном |
А |
|
|
|
|
Род тока и номинальное напряжение вспомогательных цепей и цепей управления2 |
Uп.ном |
В |
|
|
+ |
|
Номинальное давление сжатого газа (воздуха) |
Pном |
МПа (кгс/см2) |
|
|
+ |
|
Масса3 |
т |
кг |
+ |
+ |
+ |
|
Испытательное напряжение коммутационных импульсов (при напряжении свыше 330 кВ)4 |
Uс |
кВ |
+ |
+ |
|
|
Ток термической стойкости |
Iт |
кА |
+4 |
+ |
|
|
Обозначение настоящего стандарта или стандарта на конкретный тип изделия |
|
|
+ |
+ |
+ |
|
Год выпуска |
|
|
+ |
+ |
+ |
|
Степень защиты5 по ГОСТ 14254 |
|
|
|
|
+ |
|
Надпись «Сделано в России», только для экспорта |
|
|
+ |
+ |
+ |
1 Для разъединителей на номинальные напряжения до 110 кВ, разъединителей на номинальные напряжения до 20 кВ при номинальном токе до 5000 А и для ручных приводов допускается не указывать. В этом случае должен быть указан месяц выпуска.
2 Для электродвигательных приводов.
3 Если масса изделия превышает 10 кг.
4 Допускается не указывать при наличии этих данных в паспорте.
5 Для приводов, имеющих оболочки.
Примечания:
1. Знак «+» означает, что указание является обязательным.
2. Слово «номинальный» на табличку наносить необязательно.
(Измененная редакция, Изм. № 1).
3.11.2. Катушки элементов привода должны иметь таблички или ярлыки, на которых должны быть указаны:
марка провода;
диаметр провода в миллиметрах;
число витков;
сопротивление (при постоянном токе) в омах при температуре плюс 20 °С.
3.11.3. Способ нанесения маркировки, качество маркировки - по ГОСТ 18620.
3.11.4. Маркировка транспортной тары - по ГОСТ 14192.
3.11.5. Упаковка изделия и (или) их частей (при транспортировании аппаратов в частично разобранном виде) должна исключать возможность их повреждений в процессе транспортирования. Изделия и (или) их части в зависимости от габаритов и особенностей должны быть упакованы по ГОСТ 23216 и ГОСТ 24634 или в специальную транспортную тару. Тип упаковки изделия указывают в технических условиях на конкретные типы.
3.12. Требования безопасности
3.12.1. Требования безопасности к конструкции разъединителей и заземлителей, а также приводов должны соответствовать ГОСТ 12.2.007.0 и ГОСТ 12.2.007.3.
3.12.2. Приводы, разъединители и отдельно стоящие заземлители должны иметь контактную площадку для присоединения заземляющего проводника и заземляющий зажим (болт или болты) с диаметром болта для приводов не менее 10 мм, для разъединителей и заземлителей - не менее 12 мм. Возле контактной площадки должен быть нанесен знак заземления, выполненный в соответствии с требованиями ГОСТ 21130. Допускается наносить знак заземления краской.
Допускается не иметь:
заземляющий зажим и соответствующую ему контактную площадку при условии надежного электрического соединения между цоколем (рамой) разъединителя и заземлителем, составляющим с разъединителем единое целое;
заземляющий зажим на ведомом полюсе разъединителя при условии надежного электрического соединения между ведущим и ведомыми полюсами разъединителя.
3.12.3. Механический указатель включенного и отключенного положения разъединителя (заземлителя) в приводе должен соответствовать ГОСТ 12.2.007.3.
сигнал включенного положения должен появиться только тогда, когда разъединитель или заземлитель будет выдерживать протекание номинального тока и тока короткого замыкания*;
сигнал отключенного положения должен появиться после того, как подвижные контакты достигнут положения, при котором изоляционный промежуток между контактами составит не менее 80 % промежутка при полностью отключенном положении.
* Для вновь разрабатываемых изделий.
4.1. Изделия следует подвергать квалификационным, приемо-сдаточным и периодическим испытаниям.
При необходимости изделия подвергают также типовым испытаниям, которые проводят при изменении конструкции, применяемых материалов или технологии производства, если эти изменения могут оказать влияние на параметры и характеристики изделий, а также по требованию головной организации по испытаниям или заказчика (основного потребителя), если эксплуатацией не подтверждаются характеристики, указанные в технической документации.
4.2. В зависимости от вида испытаний, проверяемых параметров и конструкции изделий объектами испытаний могут быть разъединитель (все три полюса), полюс разъединителя, заземлитель, привод, отдельные элементы и сборочные единицы. Если объектом испытаний является часть разъединителя, заземлителя, функционально связанная с другими такими же частями, то в технических условиях на конкретные типы изделий должны быть указаны меры, принимаемые для воспроизведения (имитирования) влияния других частей на испытуемую, либо по согласованию с потребителем должно быть обосновано, что данное испытание одной части не облегчает условий испытаний изделий.
4.3. Квалификационные испытания
4.3.1. Квалификационные испытания проводят при приемке установочной (головной) серии после освоения технологического процесса производства изделий с целью установления готовности предприятия к производству изделий, отвечающих требованиям технических условий на конкретные типы.
4.3.2. Программа квалификационных испытаний должна включать указанный в табл. 7 объем испытаний.
Количество образцов и последовательность испытаний устанавливают в технических условиях на конкретные типы изделий.
4.4. Приемо-сдаточные испытания
4.4.1. Изделия следует подвергать проверке сплошным контролем.
Допускается ручные приводы подвергать выборочному контролю на стенде в объеме 1 %, но не менее 3 шт. от партии. При этом проверяют функционирование каждого привода по методике предприятия-изготовителя.
4.4.2. Программа приемо-сдаточных испытаний должна включать указанный в табл. 7 объем испытаний.
4.5. Периодические испытания
4.5.1. Периодические испытания следует проводить не реже чем один раз в 5 лет, за исключением испытаний на стойкость при сквозных токах короткого замыкания, которые проводят один раз в 10 лет.
4.5.2. Периодические испытания проводят по программе, включающей перечень видов испытаний, проверок и методику их проведения, а также указания о числе отбираемых для испытаний изделий и о последовательности проведения отдельных видов испытаний.
4.5.3. Программа периодических испытаний должна включать указанный в табл. 7 объем испытаний.
Таблица 7
|
Номер пункта |
Вид испытаний |
||||
|
технических требований |
методов испытаний (контроля) |
приемо-сдаточные |
квалификационные |
периодические |
|
|
1. Внешний осмотр, проверка маркировки и соответствия требованиям сборочного чертежа |
+ |
+ |
+ |
||
|
2. Проверка исправности действия механизмов, а также электрических и (или) пневматических устройств1 |
+ |
+ |
+ |
||
|
3. Испытание изоляции главных цепей одноминутным напряжением промышленной частоты |
+2 |
+ |
+ |
||
|
4. Испытание изоляции вспомогательных цепей и цепей управления |
+ |
+ |
+ |
||
|
5. Испытание изоляции главных цепей напряжением грозовых импульсов |
- |
+ |
+ |
||
|
6. Испытание изоляции в условиях загрязнения |
- |
+ |
- |
||
|
7. Проверка электрического сопротивления главных цепей |
- |
+3 |
+ |
+ |
|
|
8. Определение длины пути утечки внешней изоляции |
- |
+ |
- |
||
|
9. Испытания на нагрев |
- |
+ |
+ |
||
|
10. Проверка механических характеристик |
- |
+ |
+ |
||
|
11. Испытания на надежность |
|
|
|
|
|
|
11.1. Наработка на отказ |
- |
+ |
+ |
||
|
11.2. Механический ресурс |
- |
+ |
- |
||
|
11.3. Ремонтопригодность |
- |
+ |
- |
||
|
12. Испытание блокировочных устройств4 |
+ |
+ |
- |
||
|
13. Испытания на стойкость при сквозных токах короткого замыкания |
- |
+ |
+5 |
||
|
14. Испытание на стойкость к воздействию климатических факторов внешней среды |
- |
+ |
- |
||
|
15. Испытание оболочек приводов |
- |
+ |
+ |
||
|
16. Испытания в условиях образования льда |
- |
+ |
- |
||
|
17. Испытание на прочность при транспортировании |
- |
+ |
- |
||
|
18. Проверка комплектности и упаковки на соответствие требованиям конструкторской документации |
+ |
- |
- |
||
|
19. Проверка требований безопасности |
- |
+ |
- |
||
|
20. Проверка запасов механической прочности изоляторов6 |
- |
+ |
- |
||
1 Проверку по п. 5.3 проводят при приемо-сдаточных испытаниях, по п. 5.6.3 - при квалификационных и периодических испытаниях.
2 Допускается не проводить при приемо-сдаточных испытаниях, если элементы изоляции аппаратов были испытаны отдельно. В этом случае необходимо измерить изоляционные расстояния между разомкнутыми контактами и относительно земли.
3 Допускается проверку не проводить у аппаратов на напряжение 220 кВ и ниже, если проверяют указываемые в конструкторской документации контактное нажатие и усилие затяжки болтов в контактных соединениях.
4 Проверку по п. 5.7.1 проводят при приемо-сдаточных испытаниях, по п. 5.7.2 - при квалификационных испытаниях.
5 Допускается типовые испытания засчитывать в качестве периодических.
6 Допускается проверку не проводить для одноколонковой изоляции разъединителей и заземлителей.
Примечание. Знак «+» означает, что испытание обязательно, знак «-» - испытание не обязательно.
(Измененная редакция, Изм. № 1).
4.6. Типовые испытания
4.6.1. Типовые испытания следует проводить по программе, включающей перечень видов испытаний, проверок и методику их проведения, а также указания о числе изделий, подвергаемых испытаниям, и последовательность проведения отдельных видов испытаний на каждом из испытываемых образцов.
4.7. Допускается в зависимости от конструктивных особенностей изделий (а для приемо-сдаточных испытаний - также от объема производства) проводить испытания без установки отдельных сборочных единиц или деталей, функционально не влияющих на результаты испытаний.
О допустимости проведения таких испытаний указывают в технических условиях на конкретные типы изделий либо в протоколах испытаний.
4.8. Допускается по согласованию с потребителем распространять результаты, полученные при квалификационных и периодических испытаниях на одном типоисполнении изделия, на другие типоисполнения этой же серии.
4.9. Если для управления аппаратами предусмотрены разные типы приводов, то испытания аппаратов проводят со всеми типами приводов. Допускается по согласованию с потребителем сокращать объем испытаний.
4.10. Если привод предназначен для нескольких типов аппаратов, то испытания привода проводят как с самым тяжелым по механическим нагрузкам исполнением аппарата, так и с самым легким, а также с аппаратом, имеющим наибольший механический ресурс. При этом объем испытаний определяют механическим ресурсом испытуемых аппаратов.
5.1. Требования безопасности при проведении испытаний - по ГОСТ 12.3.019.
5.2. Проверка на соответствие требованиям сборочного чертежа
5.2.1. Проверке подлежат:
состояние защитных покрытий и поверхности наружных изоляционных частей, правильность маркировки и клеймения и прочие требования документации, которые могут быть проверены визуально;
габаритные, установочные и присоединительные размеры путем измерения универсальным измерительным инструментом или шаблонами (при квалификационных и типовых испытаниях);
масса изделия с помощью динамометра или весов общего назначения (при квалификационных и типовых испытаниях);
правильность регулировки главных ножей и заземлителей с проверкой установленных характеристик (для аппаратов, отгружаемых полностью собранными);
контактное нажатие в разъемных контактах.
5.3. Проверка исправности действия механизмов изделий на соответствие требованиям конструкторской документации
5.3.1. Проверку исправности действия механизмов при приемо-сдаточных испытаниях проводят пятью циклами (включение-отключение):
разъединителей и заземлителей - по методике, установленной в технических условиях на конкретные типы изделий;
электродвигательных приводов - при нижнем пределе напряжения на зажимах электродвигателя (0,85Uп.ном);
пневматических приводов - при следующих сочетаниях начального избыточного давления сжатого газа (воздуха) в резервуаре привода и напряжения на зажимах включающего (ЭВ) и отключающего (ЭО) электромагнита:
верхний предел избыточного давления (1,1Рном) и нижний предел напряжения (0,85Uп.ном);
нижний предел избыточного давления (0,85Рном) и верхний предел напряжения (1,1Uп.ном);
ручных приводов - на стенде при номинальном моменте на валу привода в объеме 1 %, но не менее 3 шт.
5.5. Испытания изоляции
5.5.1. Испытания изоляции главных цепей разъединителей проводят по ГОСТ 1516.2.
Методы дополнительных испытаний изоляции разъединителей и заземлителей категории размещения 2 на соответствие требованиям, определяемым конденсацией влаги (выпадением росы), устанавливают в технических условиях на конкретные типы изделий.
5.5.2. Испытания изоляции вспомогательных цепей и цепей управления проводят по ГОСТ 1516.2.
5.5.3. Определение длины пути утечки проводят по ГОСТ 9920.
5.5.4. Испытания в условиях загрязнения проводят на полностью собранных разъединителях по ГОСТ 9984, ГОСТ 10390, ГОСТ 28856 и методике, указанной в технических условиях на конкретные типы аппаратов. Допускается испытания проводить на отдельно стоящих изоляторах или изоляционных колоннах.
(Измененная редакция, Изм. № 1).
5.6. Проверка механических характеристик
5.6.1. Общие положения
5.6.1.1. Проверку механических характеристик аппаратов проводят без напряжения и тока в главной цепи. Для испытаний разъединитель (заземлитель) и его привод должны быть установлены в соответствии с чертежом комплекса.
Разъединители и заземлители, допускающие различные положения при эксплуатации (например, вертикальное и горизонтальное), подвергают проверке в полном объеме в положении, создающем наибольшие нагрузки. В другом положении программа может быть сокращена до объема, достаточного для проверки функционирования (собираемости), что должно быть указано в технических условиях на конкретные типы изделий.
5.6.1.2. В объем проверки механических характеристик входят:
проверка характеристик работы механизмов изделий на соответствие требованиям конструкторской документации;
проверка исправности действия механизмов изделий;
испытания на механическую износостойкость.
К проверяемым характеристикам работы механизмов, в зависимости от конструктивных особенностей, относят: минимальные напряжения, давления, усилия (статические моменты) пружин при включении и отключении, время действия, ход контактов, контактные нажатия, электрическое сопротивление, ток потребления электромагнитов управления и др.
Перечень проверяемых характеристик работы механизмов и соответствующие методы проверок приводят в технических условиях на конкретные типы изделий.
5.6.2. Проверка характеристик работы механизмов
Значение характеристик находится как среднее арифметическое значение характеристик, снятых при проведении пяти циклов (включение-отключение).
Если применяют двигательный привод, то эти испытания проводят при номинальных параметрах привода.
Испытания должны состоять из:
50 рабочих циклов при номинальных значениях напряжения питания или избыточного давления сжатого газа (воздуха) приводов;
10 рабочих циклов при нижнем пределе напряжения питания или избыточного давления сжатого газа (воздуха) приводов;
10 рабочих циклов при верхнем пределе напряжения питания или избыточного давления сжатого газа (воздуха) приводов;
50 рабочих циклов при управлении ручным приводом;
определения минимального напряжения срабатывания электромагнитов управления при верхнем пределе избыточного давления сжатого воздуха (по три раза для каждого электромагнита);
определения минимального давления срабатывания механизмов аппарата при включении и отключении (по три раза при каждой операции).
Во время этих испытаний не должны проводиться регулировочные работы. При каждом цикле должно достигаться включенное и отключенное положение.
5.6.4. Испытания на механическую износостойкость
5.6.4.1. Испытания на механическую износостойкость заключаются в выполнении циклов, указанных в п. 3.4.1.
Во время испытаний аппаратов наружной установки к их контактным выводам должна быть приложена перпендикулярно оси изолятора механическая нагрузка, эквивалентная нагрузкам:
от номинальной механической нагрузки на выводы;
от давления ветра наиболее неблагоприятного направления.
Нагрузка, имитирующая механическую нагрузку на выводы от присоединяемых проводов, должна быть направлена вниз под углом 15 - 20° к плоскости, перпендикулярной оси изолятора, в направлении продольной оси полюса разъединителя.
Нагрузку, эквивалентную наибольшему давлению ветра наиболее неблагоприятного направления, следует прикладывать горизонтально в направлении, совпадающем с направлением ветра. Значение нагрузки, ее направление и точка (точки) приложения указывают в технических условиях на конкретные типы аппаратов.
Определение механических характеристик разъединителей или заземлителей (момент на валу, контактное нажатие или вытягивающее усилие размыкаемых контактов и пр.) проводят по методике, установленной в технических условиях на конкретные типы аппаратов.
Испытания по подтверждению номинального момента привода проводят с самым тяжелым аппаратом, предназначенным для работы с данным приводом, при этом момент на аппарате при контактировании доводят до значения номинального момента привода в объеме требований механической износостойкости. Допускается испытания по подтверждению номинального момента привода проводить с имитатором нагрузки, эквивалентным по своим характеристикам нагрузке аппарата.
5.6.4.2. Во время испытания на механическую износостойкость при каждой операции должно достигаться полностью включенное и полностью отключенное положение привода и разъединителя (заземлителя). Во время испытаний допускается смазка трущихся частей, необходимость и периодичность которой указывают в ТО. Не допускается механическая регулировка, замена деталей или подтягивание крепежа.
При испытании аппаратов с двигательными приводами на механическую износостойкость допускается (в случае необходимости) делать перерывы для охлаждения электродвигателя и (или) других электрических устройств привода. Длительность перерыва должна быть достаточной для установления теплового равновесия в электрической цепи привода.
После испытаний на механическую износостойкость изделия должны быть пригодны для дальнейшей исправной работы, причем допускается незначительная регулировка (например, подтягивание крепежа и т.п.).
5.6.4.3. Изделия считают выдержавшими проверку механических характеристик, если выполнены следующие условия:
в процессе испытаний разъединитель (заземлитель) вместе с приводом и другими устройствами работал исправно: разрегулировки, самоотвинчивания, поломки деталей и отказов в выполнении операций не наблюдалось;
все контрольные измерения подтверждают, что характеристики не вышли за пределы, предусмотренные конструкторской документацией;
осмотр изделия после выполнения всей программы испытаний на механическую износостойкость не выявил изменений или повреждений, препятствующих дальнейшей исправной работе.
Если разъединитель имеет контактные поверхности с покрытием серебром, то на них не должно быть повреждения покрытия до обнажения основного металла (в зоне реального контактирования при эксплуатации изделия) после 1000 циклов (включение-отключение).
Для двигательных приводов проверку проводят при ручном оперировании.
(Измененная редакция, Изм. № 1).
5.7. Испытания блокировочных устройств
5.7.1. Испытание блокировочных устройств при приемо-сдаточных испытаниях
5.7.1.1. Для проверки механического блокировочного устройства от неправильных операций на разъединителе необходимо при включенном разъединителе (заземлителе) произвести попытку включения заземлителя (разъединителя). Значение крутящего момента или соответствующего усилия на рукоятке устанавливают в технических условиях на конкретные типы аппаратов.
5.7.1.2. Для проверки механического блокировочного устройства на приводе необходимо при установленной рукоятке управления разъединителем (заземлителем) в положении «включено» произвести попытку перевода рукоятки управления заземлителем (разъединителем). Усилие, прикладываемое к рукоятке, должно быть 240 - 250 Н. При необходимости, учитывают возможность применения удлинителя рукоятки привода.
5.7.1.3. Механическое блокировочное устройство считают выдержавшим испытание, если:
при включенном разъединителе (заземлителе) исключается возможность включения заземлителя (разъединителя);
механизм блокировки остался в исправном состоянии.
5.7.1.4. Для проверки электромагнитного или механического блокировочного устройства при оперировании приводом необходимо:
провести попытку перемещения рукоятки управления из одного конечного положения в другое при отсутствии напряжения на зажимах цепи электромагнитного блок-замка при статическом усилии 240 - 250 Н (без деблокирования механического замка) и проверить невозможность деблокирования привода;
произвести подачу напряжения на зажимы блок-замка, соответствующего 85 % номинального напряжения, (или деблокировать механический замок) и проверить возможность деблокировки привода.
5.7.1.5. Электромагнитное блокировочное устройство считают выдержавшим испытание, если:
невозможен перевод рукоятки (вала) привода из одного конечного положения в другое при отсутствии напряжения на зажимах цепи блок-замка (или деблокирования механического замка) и невозможно деблокирование привода;
при наличии напряжения на зажимах цепи блок-замка (деблокировании механического замка) возможно деблокирование привода;
детали электромагнитного или механического блокировочного устройства после испытания остались в исправном состоянии и позволяют проводить необходимые операции.
5.7.2. Испытание блокировочных устройств при квалификационных испытаниях
Если для управления ручным приводом применяют удлинитель рукоятки, то указанные усилия относятся к наибольшей длине удлинителя.
При управлении разъединителем (заземлителем) двигательным приводом следует провести попытку включения разъединителя (заземлителя), при этом цепи электрических блокировочных устройств необходимо шунтировать. Испытание проводят при максимальном значении напряжения на зажимах цепей (для пневматического привода при максимальном значении давления).
5.7.2.2. Для проверки электромагнитного или механического блокировочного устройства необходимо при включенном разъединителе (заземлителе) и отключенном заземлителе (разъединителе) проверить отсутствие напряжения (давления) на блокировочном устройстве заземлителя (разъединителя) и провести попытку включения заземлителя (разъединителя) в соответствии с п. 5.7.2.1.
Если приводы разъединителя (заземлителя) двигательные, то необходимо подать на зажимы цепи управления номинальное напряжение и при включенном разъединителе (заземлителе) подать команду на включение заземлителя (разъединителя).
5.7.2.3. Блокировочное устройство считают выдержавшим испытание, если:
при включенном разъединителе (заземлителе) невозможно включение заземлителя (разъединителя);
после испытаний блокировочное устройство остается в исправном состоянии и позволяет проводить необходимые операции;
блок-замки остались в исправном состоянии.
5.7.2.4. Электромагнитное и электрическое блокировочное устройство приводов считают выдержавшим испытание, если привод, заблокированный в положении «отключено», невозможно перевести в положение «включено» при двигательном и ручном оперировании.
5.7.3. Для проверки блокировочного устройства ручного и двигательного управления приводом необходимо при установленной рукоятке ручного управления проверить невозможность работы привода от двигателя.
5.8. Испытания в условиях образования льда
5.8.1. Испытания в условиях образования льда проводят на изделиях наружной установки, предназначенных для эксплуатации в районах с умеренным и (или) холодным климатом, установленных в соответствии с чертежом комплекса. Перед испытаниями с наружных поверхностей должна быть удалена смазка таким образом, чтобы отсутствовала жировая пленка, за исключением мест, подвергающихся периодической смазке.
Для измерения толщины корки льда используют контрольные обезжиренные медные трубки диаметром 30 мм, расположенные горизонтально в количестве 2 - 4 шт. на расстоянии 200 - 400 мм от поверхностей, на которые наносится гололед (разъемные контакты, сопрягаемые вращающиеся и трущиеся части, валы).
Разъединители и заземлители испытывают во включенном и отключенном положениях.
5.8.2. Испытания в камере должны быть проведены следующим образом:
понижают температуру в камере до плюс 2 °С и обрызгивают изделия водой температурой 0+3 °С. Интенсивность обрызгивания должна быть 40 - 80 л/ч на 1 м2 по всей площади камеры, при этом искусственный дождь должен падать на изделия сверху под равными углами от 0 до 45° относительно вертикали. Обрызгивание проводят в течение 1 ч, поддерживая температуру в камере плюс 1 - 3 °С;
температуру в камере понижают до минус 3 - 7 °С и продолжают обрызгивание до тех пор, пока на изделиях не образуется лед необходимой толщины. Количество воды при этом должно быть таким, чтобы вызвать обледенение со скоростью 6 мм/ч;
измеряют толщину корки льда по верху контрольных трубок;
после получения льда необходимой толщины обрызгивание прекращают и изделия выдерживают в камере в течение 4 ч при температуре минус 3 - 7 °С;
по окончании выдержки проводят операцию отключения (включения).
После удаления льда повторяют опыт с проведением операции включения (отключения).
5.8.3. Допускается взамен испытаний в камере проводить испытания в естественных условиях. При этом испытания должны быть проведены при температуре окружающего воздуха минус 3 - 20 °С следующим образом:
обрызгивают изделия теплой водой в течение 1 ч. Разность температур окружающего воздуха и воды должна быть такой, чтобы на наружных поверхностях изделий не образовался лед;
после обрызгивания изделия выдерживают не менее 1 ч, затем понижают температуру воды так, чтобы при попадании воды на наружные поверхности образовался лед. Скорость обледенения не регламентируют.
5.8.4. Для изделий на напряжение 110 кВ и выше допускается получать лед по частям, расположенным на разной высоте, при этом контрольные трубки устанавливают вблизи узлов, перемещающихся относительно друг друга. При наличии ветра происходит одностороннее образование льда, в этом случае толщину льда измеряют со стороны наибольшего льдообразования. Допускается проводить опыты при давлении ветра не более 63 Па (соответствует скорости ветра 10 м/с). После получения необходимой толщины льда обрызгивание прекращают и изделие выдерживают в течение 4 ч при температуре минус 3 - 20 °С. После выдержки проводят операцию отключения (включения). Затем после удаления льда опыт повторяют с проведением операции включения (отключения).
5.8.5. Операции включения и отключения в условиях образования льда допускается проводить ручным и, при необходимости, многократным (до 5 раз) ускоренным оперированием приводом любого типа. В случае применения только электродвигательного привода оперирование проводят при номинальном значении напряжения. При ручном оперировании допускается скалывать лед с наружных частей привода и заземлителя.
5.8.6. Разъединитель или заземлитель с приводом считают выдержавшими испытания, если при испытании в условиях образования льда они сохранили работоспособность.
5.9. Испытания на нагрев
5.9.1. Испытания на нагрев главной цепи разъединителя при длительном режиме работы проводят по ГОСТ 8024.
5.9.2. Испытания на нагрев низковольтной аппаратуры приводов проводят по ГОСТ 2933. При этом испытания контактов вспомогательных цепей управления проводят в установившемся тепловом режиме при пропускании тока не менее 10 А по двум любым смежным цепям и не менее 1 А - по остальным цепям.
5.10. Испытания на стойкость при сквозных токах короткого замыкания
5.10.1. Разъединитель (заземлитель) вместе с приводом устанавливают на опорной конструкции в соответствии с чертежом комплекса.
5.10.2. Испытания проводят трехфазным или однофазным током частоты 50 Гц от источника, напряжения и мощность которого достаточны для обеспечения протекания токов необходимых величин и длительности. Напряжение источника должно обеспечивать непрерывность протекания тока в случае ослабления нажатия в контактах или их отброса под действием электродинамических усилий.
Токопроводящий контур по возможности должен воспроизводить наиболее неблагоприятные конфигурации (с точки зрения электродинамических воздействий), имеющие место при практическом использовании разъединителей (заземлителей) в распределительных устройствах.
Испытания трехполюсных разъединителей (заземлителей), как правило, проводят трехфазным током. Если испытательные стенды не позволяют проводить трехфазные испытания, то допускается проводить испытания однофазным током. При этих испытаниях попеременно соединяют последовательно средний и один из крайних полюсов. Разъединители и заземлители с раздельными полюсами испытывают трехфазным или однофазным током с установкой полюсов с наименьшим расстоянием между осями, допускаемым эксплуатационной документацией.
5.10.3. Перед испытаниями проводят проверку исправности действия механизмов путем выполнения трех циклов включение-отключение при отсутствии тока в цепи. При этих операциях проверяют усилие, необходимое для оперирования.
5.10.4. На контактных пружинах должен быть установлен минимальный натяг (для обеспечения минимального контактного нажатия), допускаемый конструкторской документацией.
значение номинального кратковременного выдерживаемого тока за время его протекания - в пределах 1,0 - 1,15Iт;
наибольший пик номинального кратковременного выдерживаемого тока - в пределах 1,0 - 1,1iд;
начальное действующее значение периодической составляющей - в пределах 1,0 - 1,15Iнп.
Время протекания тока должно быть таким, чтобы произведение квадрата номинального кратковременного выдерживаемого тока на время его протекания было в пределах 1,0 - 1,1Iт2 · tкз. Число опытов - 1.
В зависимости от характеристик испытательной установки допускается:
в случае большого затухания периодической составляющей проводить испытания при меньшем среднем квадратическом значении тока Iт с соответствующим увеличением времени протекания (но не более чем до 2tкз);
проводить испытание при увеличенном начальном действующем значении периодической составляющей тока, если это необходимо для получения требуемого наибольшего пика, с соответствующим уменьшением времени протекания тока.
Указанные требования к величине предельного сквозного тока должны быть выдержаны хотя бы в одном из крайних полюсов разъединителя (при испытании трехполюсного разъединителя в трехполюсной схеме). Разница симметричного значения токов между отдельными фазами не должна превышать ±7 %.
После каждого из указанных опытов разъединитель (заземлитель) отключают без чрезмерного увеличения усилия оператора, при этом допускается оперирование толчком (в случае ручного привода) или (в случае двигательного привода) при номинальном гарантируемом напряжении (для электродвигательного привода) или давлении (для пневматического привода).
После указанных испытаний разъединитель (заземлитель) не должен иметь повреждений, препятствующих его дальнейшей исправной работе. Допускается регулировка в соответствии с ТО.
При проведении испытания на протекание тока термической стойкости температура контактных соединений разъединителя должна удовлетворять требованиям ГОСТ 10434. Температуру определяют с помощью термопар или термоиндикаторов. При определении конечных температур следует исходить из начальных температур нагрева, соответствующих длительной работе разъединителя при номинальном токе. Указанные требования относятся к состоянию разъединителя после испытаний. Для заземлителей температуру токоведущих частей не нормируют.
Температура окружающей среды при испытаниях разъединителя (заземлителя) на стойкость при сквозных токах короткого замыкания должна быть от минус 10 до плюс 35 °С. Допускается проводить испытания при более низких температурах, но не ниже минус 20 °С, и более высоких, но не выше плюс 50 °С.
При отсутствии технических возможностей для испытаний полностью собранного разъединителя или его полюса допускается подвергать испытанию неполностью собранный разъединитель или его полюс без привода, а также с некоторыми отступлениями от требований к токоведущему контуру, вызванными условиями испытаний. Испытания объекта в данных условиях проводят по программе, согласованной в установленном порядке. Об отсутствии повреждений контактов в этом случае судят по усилию, требуемому для их размыкания. Допускается небольшое сваривание контактов заземлителя, но такое, чтобы усилие на рукоятке привода при оперировании при этом не превышало значения, нормированного ГОСТ 12.2.007.3.
Разъединитель или заземлитель считают выдержавшим испытание, если при внешнем осмотре не обнаружено повреждений, препятствующих их исправной работе, и разъединитель или заземлитель сохраняет работоспособность.
5.11. Коммутационные испытания разъединителей и заземлителей проводят по требованию заказчика по согласованной с ним программе.
5.12. Испытания на стойкость к воздействию климатических факторов внешней среды проводят по ГОСТ 16962, ГОСТ 17412 или ГОСТ 15151.
5.12.1. Испытание на воздействие верхнего значения температуры среды при эксплуатации проводят по ГОСТ 15151.
Изделия считают выдержавшими испытания, если не обнаружено:
ухудшения внешнего вида (отслаивание, коробление и растрескивание покрытий на поверхности). Допускается небольшое коробление поверхности покрытий, исчезающее после выдержки в нормальных климатических условиях;
растекания и каплепадения пластичных смазок;
утечки масла в узлах, содержащих его;
отказов при проверке исправности действия механизмов и блокировочных устройств в объеме 50 циклов «включено-отключено» при верхнем значении температуры среды.
5.12.2. Испытание на воздействие верхнего значения температуры среды при транспортировании и хранении проводят по ГОСТ 16962 или ГОСТ 15151.
Допускается совмещать его с испытанием на воздействие верхнего значения температуры среды при эксплуатации.
5.12.3. Испытание на воздействие нижнего значения температуры среды при эксплуатации
5.12.3.1. Испытание проводят на разъединителях и заземлителях во включенном положении вместе с их приводами и вспомогательным оборудованием по ГОСТ 16962, ГОСТ 17412, ГОСТ 15151 в следующем порядке:
проводят монтаж и регулировку в соответствии с инструкцией по эксплуатации на испытательном стенде. При этом допускается уменьшать междуполюсное расстояние и расстояние между изделием и приводом до размеров, при которых возможно оперирование изделием в камере;
прикладывают нагрузки, имитирующие тяжение проводов;
измеряют контактное нажатие в разъемных контактах, определяют зависимость усилия (момента) на рукоятке (валу) от угла поворота выходного вала привода при включении и отключении приводом, измеряют сопротивление главной цепи;
разъединитель или заземлитель с приводом помещают в камеру холода;
температуру в камере понижают до нижнего значения, равного нижнему значению при эксплуатации, указанному в технических условиях на конкретные типы изделий. Изделия выдерживают при этой температуре в течение времени, достаточного для охлаждения по всему объему;
в конце выдержки проверяют исправность действия механизмов и блокировочных устройств в объеме 50 циклов «включено-отключено»;
изделия извлекают из камеры, выдерживают при обычных климатических условиях помещения в течение времени, указанного в технических условиях на конкретные типы изделий, и проводят осмотр на соответствие требованиям технической документации со снятием характеристик.
5.12.3.2. Изделия считают выдержавшими испытания, если в процессе испытания они сохранили свою работоспособность, контактные нажатия, сопротивления не изменились более чем на 20 %, момент на валу привода не превосходит номинальный момент, не произошло нарушения внешнего вида (отслаивания, коробления и растрескивания покрытий на поверхности), не обнаружено течи масла.
5.12.3.3. При отсутствии технических возможностей для испытаний полностью собранного аппарата допускается испытания проводить на макетах уменьшенных размеров и (или) на отдельных сборочных единицах аппаратов с имитацией отдельных сборочных единиц и деталей соответствующими устройствами. Техническое обоснование допустимости таких испытаний должно быть приведено в технических условиях на конкретные типы изделий; допускается указывать в протоколах испытаний.
5.12.4. Испытание на воздействие нижнего значения температуры среды при транспортировании и хранении проводят по ГОСТ 16962, ГОСТ 17412 или ГОСТ 15151.
5.12.5. Испытание на воздействие влажности воздуха проводят по ГОСТ 16962 или ГОСТ 15151.
Изделия считают выдержавшими испытание, если не обнаружено:
нарушения или растрескивания лакокрасочных покрытий;
ухудшения качества армированных швов в изоляторах;
коррозии на электрических контактах;
коррозии на металлических деталях и сборочных единицах;
пробоя изоляции и поверхностного перекрытия изоляции токоведущих частей относительно земли для приводов при приложении испытательного напряжения промышленной частоты длительностью 1 мин.
Допускаются на поверхности отдельные очаги коррозии, не влияющие на работоспособность и безотказность изделий, отдельные мелкие вздутия лакокрасочных и неорганических неметаллических покрытий, исчезающие после 12 - 24 ч выдержки их в нормальных атмосферных условиях.
5.12.6. Испытания на воздействие верхнего и нижнего значений температуры среды, влажности воздуха и других климатических факторов допускается проводить в естественных климатических условиях. При этом условия испытаний не должны быть облегчены по отношению к установленным настоящим стандартом требованиям.
5.12.7. Виды испытаний на стойкость к воздействию климатических факторов внешней среды, методы, критерии годности изделий указывают в технических условиях на конкретные типы.
5.12.8. Проверку защиты от пыли и дождя, обеспечиваемой оболочками приводов, а также оснований поворотных колонок разъединителей и заземлителей от попадания внутрь посторонних тел и воды проводят по ГОСТ 14254, ГОСТ 16962 и ГОСТ 15151.
5.14. Испытание на прочность при транспортировании
5.14.1. Испытание изделий массой свыше 20 кг проводят по ГОСТ 23216.
Условия транспортирования и методы испытаний указывают в технических условиях на конкретные типы изделий.
Воздействие горизонтальных нагрузок допускается заменять воздействием вертикальных нагрузок при установке изделия в упаковке на боковую или торцевую стенку.
5.14.4. Изделия считают выдержавшими испытания, если при внешнем осмотре не обнаружено потерь элементов и механических повреждений.
Упаковку считают выдержавшей испытание если при внешнем осмотре не обнаружено повреждений.
5.14.5. Допускается засчитывать в качестве испытания на прочность при транспортировании положительные результаты перевозки изделия в упаковке по железной дороге или автомобильным транспортом от изготовителя заказчику на соответствующие расстояния при наличии документа, составленного заказчиком, подтверждающего положительные результаты транспортирования.
5.14.6. Допускается распространять на разъединители (заземлители) данного типа положительные результаты испытаний на прочность при транспортировании разъединителей (заземлителей) при условии конструктивного подобия сравниваемых изделий или их частей и идентичности упаковок в отношении конструкции, габаритных размеров и массы брутто.
5.15. Методы испытаний изделий, предназначенных для экспорта, устанавливают в технических условиях на конкретные типы.
5.16. Методы испытаний изделий, предназначенных для работы в условиях повышенной сейсмичности, устанавливают в технических условиях на конкретные типы.
5.17. Испытание на радиопомехи
5.17.1. Соответствие разъединителя требованиям п. 3.8 по уровню радиопомех проверяют одним из двух методов:
непосредственным измерением напряжения радиопомех (п. 5.17.2);
испытанием изоляции на отсутствие видимой короны по методике ГОСТ 1516.2.
Примечание. Если испытанием установлено, что измеренное значение напряжения появления видимой короны превышает нормированное значение по ГОСТ 1516.1, то испытание радиопомех не проводят.
во включенном положении, между выводами и заземленным основанием;
в отключенном положении, между одним выводом и остальными выводами, соединенными с заземленным основанием.
Цоколь разъединителя должен быть заземлен. Необходимо принять меры для избежания влияния на измерение заземленных или незаземленных объектов, расположенных вблизи разъединителя, испытательной и измерительной цепи.
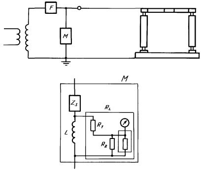
Разъединитель должен быть сухим и чистым. Его температура должна быть приблизительно равна температуре помещения, в котором проводят испытание. Разъединитель не следует подвергать другим испытаниям электрической прочности изоляции в течение 2 ч до проведения испытания на радиопомехи. Испытательная цепь не должна быть источником радиопомех более высоких значений по сравнению с указанными ниже. Схема испытательной цепи приведена на чертеже.
Схема испытательной цепи для испытания разъединителей напряжением радиопомех

F - фильтр; М - измерительный блок; RL - эквивалентное сопротивление r1, соединенное последовательно в комбинации с сопротивлением R2, соединенным параллельно с эквивалентным сопротивлением измерительной установи; Zs- может быть конденсатором или цепью, состоящей из конденсатора и индуктивной катушки, соединенных последовательно; L - используется для шунтирования токов промышленной частоты и для компенсирования паразитной емкости при измерительной частоте
Измерительная цепь должна быть настроена на частоту 0,5 МГц ± 10 %. Допускается использовать и другие частоты в диапазоне 0,5 - 2 МГц. Результаты измерений должны выражаться в микровольтах.
Значение полного сопротивления испытательной цепи должно быть в пределах 30 - 600 Ом. Фазовый угол не должен превышать 20°.
Эквивалентное напряжение радиопомех может быть вычислено для ±300 Ом. При этом считается, что измеренное напряжение прямо пропорционально сопротивлению, за исключением испытуемых образцов большой емкости, для которых поправка, сделанная на этом основании, может оказаться неточной. Поэтому сопротивление 300 Ом рекомендуется использовать для разъединителя с заземленным основанием.
Фильтр F должен иметь высокое полное сопротивление, с тем чтобы сопротивление между высоковольтным проводником и землей не было значительно шунтировано, если рассматривать со стороны испытуемого разъединителя. Этот фильтр также снижает циркулирующие в испытательной цепи радиочастотные токи, генерируемые трансформатором высокого напряжения или возникшие от посторонних источников. Установлено, что рекомендуемое значение его полного сопротивления находится в диапазоне от 10000 до 20000 Ом при измерительной частоте.
Соответствующие средства должны обеспечивать уровень внешнего фона радиопомех (уровень радиопомех, вызванных внешним полем и трансформатором высокого напряжения в процессе намагничивания при полном испытательном напряжении) по меньшей мере на 6 дБ и предпочтительно на 10 дБ ниже нормированного уровня радиопомех для испытуемого разъединителя.
Так как на уровень радиопомех могут влиять волокна или пыль, оседающая на изоляторах, допускается до проведения измерений вытирать изоляторы чистой тканью. Во время испытаний следует записывать атмосферные условия.
Не допускается проводить испытания в условиях относительной влажности, превышающей 80 %.
Испытания проводят по следующей методике:
напряжение,
равное
прикладывается к
разъединителю и выдерживается в течение 5 мин. Затем напряжение ступенями
снижают до
снова ступенями
повышают до первоначального значения и, наконец, ступенями уменьшают до ![]()
Измерение радиопомех проводят на каждой ступени.
Уровень радиопомех, зарегистрированный в последней серии снижения напряжения, наносят в виде графика в зависимости от приложенного напряжения. Полученная таким образом кривая является характеристикой радиопомех разъединителя.
Наибольшее
снижение напряжения на каждой ступени должно быть приблизительно равно ![]()
Разъединитель
считают выдержавшим испытание, если уровень радиопомех при напряжении
не превышает 2500
мкВ.
(Введен дополнительно, Изм. № 1).
6.1. Консервация изделий - по ГОСТ 23216.
6.2. Транспортирование изделия производят любым видом транспорта.
При транспортировании автомобильным транспортом, в вагонах или контейнерах допускается по согласованию между потребителем и изготовителем перевозка изделий без индивидуальной упаковки. При этом должны быть приняты меры против возможных повреждений.
6.3. Условия транспортирования и хранения в части воздействия климатических факторов внешней среды должны соответствовать требованиям ГОСТ 15150 и ГОСТ 23216 и предусматриваться в технических условиях на конкретные типы изделий.
7.1. Эксплуатацию изделий следует проводить в соответствии с ТО, а также в соответствии с:
«Правилами технической эксплуатации электрических станций и сетей», утвержденными Министерством энергетики и электрификации СССР;
«Правилами техники безопасности при эксплуатации электрических станций и подстанций», утвержденными Министерством энергетики и электрификации СССР и Президиумом ЦК профсоюза рабочих электростанций и электротехнической промышленности;
«Правилами технической эксплуатации электроустановок потребителей» и «Правилами техники безопасности при эксплуатации электроустановок потребителей», утвержденными Главгосэнергонадзором;
правилами Госгортехнадзора для разъединителей и заземлителей с пневмоприводом.
7.2. Инструкции по эксплуатации должны содержать следующие сведения: число операций, интервалы времени, после которых следует производить обслуживание определенных частей аппаратов; осмотр, регулировку и замену контактов, допустимое их обгорание, измерение сопротивления главной цепи, указания по обслуживанию, в том числе регулировочные данные для привода; части вспомогательных цепей и вспомогательного оборудования, которые должны быть проверены; сведения о смазке; методы очистки и предотвращения коррозии; перечень специальных инструментов, необходимых для сборки и ремонта (если они используются).
8.1. Изготовитель гарантирует соответствие изделий требованиям настоящего стандарта при соблюдении условий транспортирования, хранения, монтажа и эксплуатации, установленных настоящим стандартом и техническими условиями на конкретные типы изделий.
8.2. Гарантийный срок эксплуатации - 5 лет со дня ввода в эксплуатацию.
На разъединители, предназначенные для экспорта, гарантийный срок эксплуатации - 5 лет со дня ввода в эксплуатацию, но не более 6 месяцев со дня проследования их через Государственную границу.
Справочное
Таблица 8
|
Термин |
Пояснение |
|
1. Разъединитель |
Коммутационное электротехническое изделие (устройство), обеспечивающее в отключенном положении видимый разъединяющий промежуток согласно нормированным требованиям. Разъединитель способен к отключению и включению цепи, когда отключается или включается незначительный ток или когда не происходит никакого значительного изменения напряжения на выводах каждого полюса разъединителя. Он также способен пропускать токи в течение определенного времени в условиях короткого замыкания цепи |
|
2. Разъединяющий промежуток |
Изоляционный промежуток между разомкнутыми контактами или любыми присоединительными к ним токоведущими частями полюса разъединителя, соответствующий требованиям безопасности |
|
3. Вывод |
Токоведущая часть разъединителя или заземлителя, предназначенная для присоединения внешних цепей |
|
4. Полюс |
Часть разъединителя или заземлителя, связанная только с одной электрически независимой частью его главной цепи и не включающая его части, предназначенные для совместного монтажа и оперирования всеми полюсами вместе. Примечание. Разъединитель или заземлитель называется однополюсным, если он имеет только один полюс. Если он имеет более одного полюса, его называют многополюсным (двухполюсным, трехполюсным и т.д.) при условии, что полюсы соединены или могут быть соединены так, что обеспечивается их одновременное срабатывание |
|
5. Заземлитель |
Коммутационное электротехническое изделие (устройство), обеспечивающее во включенном положении заземление участков цепи. Заземлитель способен в течение определенного времени проводить токи в условиях короткого замыкания. Возможно конструктивное сочетание заземлителя с разъединителем |
|
6. Операция |
Переход подвижного контакта (контактов) из одного положения в другое. Примечания: 1. Это может быть или операция включения, или операция отключения. 1. 2. Если необходимо, то операцию в смысле электрической, например, включения или отключения, рассматривают как «коммутационную операцию», а операцию в смысле механической, например, замыкания или размыкания контактов, рассматривают как «механическую операцию» |
|
7. Включенное положение |
Положение, при котором обеспечивается предусмотренная непрерывность главной цепи |
|
8. Отключенное положение |
Положение, при котором обеспечивается предусмотренный изоляционный промежуток между контактами главной цепи |
|
9. Рабочий цикл |
Последовательность операции перехода из одного положения в другое и обратно в первое положение через все другие положения, если они имеются. Примечание. Последовательность операций, не образующих рабочий цикл, рассматривают как «рабочую серию» |
|
10. Привод |
Устройство, предназначенное для создания или передачи силы, воздействующей на подвижные части аппарата, для выполнения его функции |
|
11. Ручной привод |
Привод, в котором передаваемая или создаваемая сила образована за счет мускульной энергии оператора |
|
12. Двигательный привод |
Привод, в котором передаваемая или создаваемая сила образована любыми видами энергии, кроме мускульной энергии оператора. Примечание. В зависимости от вида энергии и конструкции привода применяют термины: «электродвигательный привод», «пневматический привод» и т.д. |
|
13. Блокировочное устройство |
Устройство, делающее операцию разъединителя или заземлителя и привода зависимой от положения или действия одного или нескольких элементов оборудования главной схемы подстанции |
|
14. Орган управления |
Элемент оборудования, непосредственным воздействием на который оператор изменяет состояние оборудования (например, рукоятка для включения или отключения двигателя, кнопка и т.п.). По характеру движения различают органы управления с вращательным и прямолинейным движением |
|
15. Минимальная разрушающая нагрузка |
Для единичных изоляторов и колонок, выполненных из нескольких изоляторов, составляющих единое целое, - это минимальное разрушающее усилие на изгиб изоляторов, установленное в технических условиях на конкретные типы изделий; для колонок, выполненных из нескольких изоляторов, а также в виде пространственных конструкций, - это минимальное разрушающее усилие на изгиб, полученное расчетным путем на основе минимальных разрушающих усилий на изгиб единичных изоляторов, составляющих колонку, установленных в технических условиях на конкретные типы изделий |
|
16. Серия |
Все изделия, изготовленные по конструкторской и технологической документации без изменения ее обозначения |
ИНФОРМАЦИОННЫЕ ДАННЫЕ
1. РАЗРАБОТАН И ВНЕСЕН Министерством электротехнической промышленности и приборостроения СССР
РАЗРАБОТЧИКИ
Э.Н. Якунин, канд. техн. наук (руководитель темы); Е.П. Лобода; Ю.И. Трифонов; М.П. Топельсон; Т.В. Родионова
2. УТВЕРЖДЕН И ВВЕДЕН В ДЕЙСТВИЕ Постановлением Государственного комитета СССР по управлению качеством продукции и стандартам от 27.06.90 № 1924
3. В стандарт введен международный стандарт МЭК 129-84
4. ВЗАМЕН ГОСТ 689-83
5. ССЫЛОЧНЫЕ НОРМАТИВНО-ТЕХНИЧЕСКИЕ ДОКУМЕНТЫ
|
Обозначение НТД, на который дана ссылка |
Номер пункта, подпункта |
Обозначение НТД, на который дана ссылка |
Номер пункта, подпункта |
|
ГОСТ 12.2.007.0-75 |
ГОСТ 15150-69 |
1.1; 1.2; 1.3.1; 1.3.2; 1.3.3; 1.3.4; 1.3.5; 3.1.2; 3.1.3; 6.3 |
|
|
ГОСТ 12.2.007.3-75 |
ГОСТ 15151-69 |
3.1.3; 5.12; 5.12.1; 5.12.2; 5.12.3.1; 5.12.4; 5.12.5; 5.12.8 |
|
|
ГОСТ 12.3.019-80 |
ГОСТ 15543-70 |
||
|
ГОСТ 403-73 |
ГОСТ 16962-71 |
||
|
ГОСТ 1516.1-76 |
ГОСТ 17412-72 |
||
|
ГОСТ 1516.2-76 |
ГОСТ 18620-86 |
||
|
ГОСТ 2933-93 |
ГОСТ 19132-86 |
||
|
ГОСТ 8024-90 |
ГОСТ 20690-75 |
||
|
ГОСТ 9920-89 |
ГОСТ 21130-75 |
||
|
ГОСТ 9984-85 |
ГОСТ 21242-75 |
||
|
ГОСТ 10390-86 |
ГОСТ 23216-78 |
||
|
ГОСТ 10434-82 |
ГОСТ 24634-81 |
||
|
ГОСТ 14192-96 |
ГОСТ 28856-90 |
||
|
ГОСТ 14254-96 |
|
|
6. Ограничение срока действия снято по протоколу № 5-94 Межгосударственного Совета по стандартизации, метрологии и сертификации (ИУС 11-12-94)
7. ПЕРЕИЗДАНИЕ (октябрь 1997 г.) с Изменением № 1, утвержденным в октябре 1993 г. (ИУС 6-95)
СОДЕРЖАНИЕ
|
6. Транспортирование и хранение. 25 7. Указания по эксплуатации. 26 Приложение. Термины, применяемые в стандарте, и пояснения к ним.. 26 |