Стандарт устанавливает состав и правила оформления рабочей документации силового электрооборудования предприятий, зданий и сооружений различного назначения.
| Обозначение: | ГОСТ 21.613-2014 |
| Название рус.: | Система проектной документации для строительства. Правила выполнения рабочей документации силового электрооборудования |
| Статус: | взамен |
| Заменяет собой: | ГОСТ 21.613-88 «Система проектной документации для строительства. Силовое электрооборудование. Рабочие чертежи» |
| Дата актуализации текста: | 05.05.2017 |
| Дата добавления в базу: | 21.05.2015 |
| Дата введения в действие: | 01.07.2015 |
| Утвержден: | 20.10.2014 Межгосударственный Совет по стандартизации, метрологии и сертификации (Inter-Governmental Council on Standardization, Metrology, and Certification 71-П)26.11.2014 Федеральное агентство по техническому регулированию и метрологии (1835-ст) |
| Опубликован: | Стандартинформ (2015 г. ) |
| Ссылки для скачивания: |
МЕЖГОСУДАРСТВЕННЫЙ СОВЕТ ПО СТАНДАРТИЗАЦИИ,
МЕТРОЛОГИИ И СЕРТИФИКАЦИИ
(МГС)
INTERSTATE COUNCIL FOR STANDARDIZATION, METROLOGY AND CERTIFICATION
(ISC)
|
МЕЖГОСУДАРСТВЕННЫЙ |
ГОСТ |
Система проектной
документации для
строительства
ПРАВИЛА ВЫПОЛНЕНИЯ РАБОЧЕЙ
ДОКУМЕНТАЦИИ СИЛОВОГО
ЭЛЕКТРООБОРУДОВАНИЯ
|
|
Москва Стандартинформ 2015 |
Предисловие
Цели, основные принципы и основной порядок проведения работ по межгосударственной стандартизации установлены ГОСТ 1.0-92 «Межгосударственная система стандартизации. Основные положения» и ГОСТ 1.2-2009 «Межгосударственная система стандартизации. Стандарты межгосударственные, правила и рекомендации по межгосударственной стандартизации. Правила разработки, принятия, применения, обновления и отмены»
Сведения о стандарте
1. РАЗРАБОТАН Открытым акционерным обществом «Центр методологии нормирования и стандартизации в строительстве» (ОАО «ЦНС») и Открытым акционерным обществом Ордена Трудового Красного Знамени Всесоюзным научно-исследовательским проектно-конструкторским институтом Тяжпромэлектропроект им. Ф.Б. Якубовского (ОАО ВНИПИ Тяжпромэлектропроект).
2. ВНЕСЕН Техническим комитетом по стандартизации ТК465 «Строительство».
3 ПРИНЯТ Межгосударственным советом по стандартизации, метрологии и сертификации (МГС) (протокол от 20 октября 2014 г. № 71-П)
За принятие проголосовали:
|
Краткое наименование страны по МК(ИСО 3166) 004-97 |
Код страны по МК (ИСО 3166) 004-97 |
Сокращенное наименование национального органа по стандартизации |
|
Беларусь |
BY |
Госстандарт Республики Беларусь |
|
Казахстан |
KZ |
Госстандарт Республики Казахстан |
|
Молдова |
MD |
Молдова-Стандарт |
|
Россия |
RU |
Росстандарт |
|
Таджикистан |
TJ |
Таджикстандарт |
4 Приказом Федерального агентства по техническому регулированию и метрологии от 26 ноября 2014 г. № 1835-ст межгосударственный стандарт ГОСТ 21.613-2014 введен в действие в качестве национального стандарта Российской Федерации с 01 июля 2015 г.
5 ВЗАМЕН ГОСТ 21.613-88
Информация об изменениях к настоящему стандарту публикуется в ежегодном информационном указателе «Национальные стандарты», а текст изменений и поправок - в ежемесячном информационном указателе «Национальные стандарты». В случае пересмотра (замены) или отмены настоящего стандарта соответствующее уведомление будет опубликовано в ежемесячном информационном указателе «Национальные стандарты». Соответствующая информация, уведомление и тексты размещаются также в информационной системе общего пользования - на официальном сайте Федерального агентства по техническому регулированию и метрологии в сети Интернет
ГОСТ 21.613-2014
МЕЖГОСУДАРСТВЕННЫЙ СТАНДАРТ
Система проектной документации для строительства
ПРАВИЛА ВЫПОЛНЕНИЯ РАБОЧЕЙ ДОКУМЕНТАЦИИ
СИЛОВОГО ЭЛЕКТРООБОРУДОВАНИЯ
System of design documents for
construction.
Rules for execution of the working documentation of power electrical equipment
Дата введения - 2015-07-01
Настоящий стандарт устанавливает состав и правила оформления рабочей документации силового электрооборудования предприятий, зданий и сооружений различного назначения.
В настоящем стандарте использованы нормативные ссылки на следующие межгосударственные стандарты:
ГОСТ 2.302-68 Единая система конструкторской документации. Масштабы
ГОСТ 2.303-68 Единая система конструкторской документации. Линии
ГОСТ 2.317-2011 Единая система конструкторской документации. Аксонометрические проекции
ГОСТ 2.702-2011 Единая система конструкторской документации. Правила выполнения электрических схем
ГОСТ 2.709-89 Единая система конструкторской документации. Обозначения условные проводов и контактных соединений электрических элементов, оборудования и участков цепей в электрических схемах
ГОСТ 2.710-81 Единая система конструкторской документации. Обозначения буквенно-цифровые в электрических схемах
ГОСТ 2.721-74 Единая система конструкторской документации. Обозначения условные графические в схемах. Обозначения общего применения
ГОСТ 2.755-87 Единая система конструкторской документации. Обозначения условные графические в электрических схемах. Устройства коммутационные и контактные соединения
ГОСТ 21.001-2013 Система проектной документации для строительства. Общие положения
ГОСТ 21.101-97* Система проектной документации для строительства. Основные требования к проектной и рабочей документации
* На территории Российской Федерации с 1 января 2014 г действует ГОСТ Р 21.1101--2013.
ГОСТ 21.110-2013 Система проектной документации для строительства. Спецификации оборудования, изделий и материалов
ГОСТ 21.114-2013 Система проектной документации для строительства. Правила выполнения эскизных чертежей общих видов нетиповых изделий
ГОСТ 21.205-93 Система проектной документации для строительства. Условные обозначения элементов санитарно-технических систем
ГОСТ 21.210-2014** Система проектной документации для строительства. Изображения условные графические электрооборудования и проводок на планах.
** Вводится в действие одновременно с настоящим стандартом.
ГОСТ 21.608-2014 Система проектной документации для строительства. Правила выполнения рабочей документации внутреннего электрического освещения.
Примечание - При пользовании настоящим стандартом целесообразно проверить действие ссылочных стандартов в информационной системе общего пользования - на официальном сайте Федерального агентства по техническому регулированию и метрологии в сети Интернет или по ежегодному информационному указателю «Национальные стандарты», который опубликован по состоянию на 1 января текущего года, и по выпускам ежемесячного информационного указателя «Национальные стандарты» за текущий год. Если ссылочный стандарт заменен (изменен), то при пользовании настоящим стандартом следует руководствоваться заменяющим (измененным) стандартом. Если ссылочный стандарт отменен без замены, то положение, в котором дана ссылка на него, применяется в части, не затрагивающей эту ссылку.
В настоящем стандарте применены термины по ГОСТ 21.001, а также следующие термины с соответствующими определениями:
3.1 силовое электрооборудование: К силовому электрооборудованию относят:
- комплектные трансформаторные подстанции 6(10)/0,4(0,66) кВ;
- электрические сети для питания электроприемников напряжением до 1кВ в пределах проектируемого здания, сооружения;
- управляющие устройства электроприводов до 1кВ систем вентиляции и кондиционирования воздуха, водоснабжения, канализации и других механизмов общего (например, общецехового) назначения, если электроприводы этих систем и механизмов поставляются без таковых;
3.2 управляющее устройство электропривода: Устройство, предназначенное для формирования управляющих воздействий в электроприводе.
4.1 Рабочую документацию силового электрооборудования зданий и сооружений выполняют в соответствии с требованиями настоящего стандарта, ГОСТ 21.101 и других взаимосвязанных стандартов Системы проектной документации для строительства (СПДС).
4.2 В состав рабочей документации силового электрооборудования включают:
- рабочие чертежи, предназначенные для производства электромонтажных работ (основной комплект рабочих чертежей марки ЭМ);
- эскизные чертежи общих видов нетиповых изделий, конструкций, устройств, монтажных блоков (далее - эскизные чертежи общих видов нетиповых изделий), выполняемые по ГОСТ 21.114 (при необходимости);
- спецификацию оборудования, изделий и материалов, выполняемую по ГОСТ 21.110;
- опросные листы и габаритные чертежи (при необходимости);
- локальную смету (при необходимости).
4.3 В состав основного комплекта рабочих чертежей марки ЭМ, в общем случае, включают:
- общие данные по рабочим чертежам;
- схемы электрические принципиальные (далее - принципиальные схемы) комплектных трансформаторных подстанций (КТП), питающей, распределительной и групповой сетей;
- принципиальные схемы управления электроприводами;
- схемы (таблицы) подключения;
- планы расположения электрооборудования и прокладки электрических сетей;
- кабельно-трубный или кабельный журнал (при необходимости);
- трубозаготовительную ведомость (при необходимости);
- ведомость заполнения труб кабелями и проводами (при необходимости).
Допускается включать в состав основного комплекта рабочих чертежей прямоугольные изометрические проекции систем, полученные визуализацией трехмерной электронной модели систем.
Примечания
1. В рабочих чертежах силового электрооборудования для электроприводов технологического, транспортного и другого оборудования, поставляемого без управляющих устройств, предусматривают только подвод питания.
2. Установку низковольтных комплектных устройств (НКУ) и отдельных аппаратов, поставляемых комплектно с технологическим, транспортным и другим оборудованием или предусмотренных в документации на изготовление оборудования индивидуального изготовления, а также прокладку электрических сетей между ними выполняют в рабочих чертежах установки этого оборудования, а подвод питания - в рабочих чертежах силового электрооборудования.
4.4 Основной комплект рабочих чертежей марки ЭМ допускается в отдельных случаях объединять с другими основными комплектами электротехнических рабочих чертежей. Объединенному основному комплекту рабочих чертежей присваивают одну марку. Например, при объединении чертежей марки ЭМ с рабочими чертежами марки ЭО, допускается присваивать объединенному основному комплекту марку ЭОМ или марку преобладающих рабочих чертежей.
5.1 Общие данные по рабочим чертежам силового электрооборудования выполняют в соответствии с ГОСТ 21.101.
5.2 Ведомость спецификаций, предусмотренную ГОСТ 21.101, в составе общих данных по рабочим чертежам марки ЭМ не выполняют.
5.3 В общих указаниях в дополнение к сведениям, предусмотренным ГОСТ 21.101, приводят итоговые данные (установленная и расчетная мощности) по расчету электрических нагрузок. Итоговые данные по нагрузкам допускается приводить в кВА.
6.1 Принципиальные схемы
6.1.1 Принципиальные схемы комплектных трансформаторных подстанций, питающей, распределительной и групповой сетей выполняют в соответствии с ГОСТ 2.702, ГОСТ 2.709, ГОСТ 2.710, ГОСТ 2.721, ГОСТ 2.755 и требованиями настоящего стандарта.
6.1.2 Боковик принципиальной схемы КТП выполняют по форме 1.
Допускается изменять форму и графы боковика принципиальной схемы КТП при условии, что в измененной форме содержатся все технические данные, предусмотренные формой 1.
Для двухтрансформаторных КТП с устройством автоматического включения резерва, кроме данных, предусмотренных формой 1, указывают нагрузку в аварийном режиме при выходе из строя одного из трансформаторов.
Форма 1

6.1.3 Допускается принципиальную схему КТП выполнять на разных листах.
Пример выполнения принципиальной схемы КТП приведен на рисунке А.1 (приложение А).
6.1.4 Принципиальную схему питающей сети (от трансформаторной подстанции, питающей магистрали до распределительного устройства или электроприемника) выполняют в виде таблицы по форме 2.
Форма 2 - Принципиальная схема питающей сети

6.1.5 Принципиальную схему распределительной и групповой сети (от распределительного шинопровода или распределительного пункта до электроприемника) и схему распределения электроэнергии от распределительного щита до электроприемника выполняют в виде таблицы по форме 3.
Форма 3 - Принципиальная схема распределительной сети

6.1.6 Для сетей, где целесообразно выполнение принципиальных схем с учетом расположения электротехнического оборудования в здании, сооружении, для совмещенных сетей силового электрооборудования и электрического освещения, для лабораторных и других разветвленных сетей с несколькими напряжениями, частотами допускаются отступления от форм 2 и 3 или выполнение принципиальных схем по произвольной форме при условии сохранения всех технических данных предусмотренных формами 2 и 3.
6.1.7 При разработке принципиальных схем по формам 2 и 3 следует придерживаться следующего порядка:
- принципиальную схему выполняют в однолинейном изображении, при этом нулевой рабочий и нулевой защитный проводники отдельной линией не изображают;
- в трехфазных трех-, четырех- и пятипроводных сетях изображение и обозначение фаз указывают только для одно- и двухфазных линий;
- условные графические обозначения электроприемников, пусковых и защитных аппаратов на принципиальной схеме, как правило, не изображают, а указывают над линией их буквенно-цифровые обозначения, типы и технические данные;
- электроприемники, подключаемые непосредственно к питающей магистрали, показывают на принципиальных схемах питающей сети;
- в графе «Магистраль» (форма 2) указывают буквенно-цифровые обозначения магистрали, ее координаты по плану расположения электрического оборудования (при необходимости), тип шинопровода и его номинальный ток (материал и сечение шин - для магистралей нетипового изготовления), напряжение;
- в графе «Распределительное устройство» (форма 3) указывают буквенно-цифровое обозначение распределительного пункта или распределительного шинопровода, его координаты по плану расположения электрооборудования (при необходимости), тип (для НКУ - обозначение габаритного чертежа общего вида), напряжение, Руст (Sycт) и /расч - для пунктов, соединенных «в цепочку»;
- в графе «в графе «/расч или /ном//пуск» кроме указанных параметров (при необходимости) указывают величину потери напряжения DU, %.
На принципиальных схемах не приводят:
- технические данные электрооборудования, марки, сечения и длины кабелей и проводов, обозначения и длины труб, если они поставляются комплектно с технологическим оборудованием или предусмотрены рабочей документацией оборудования индивидуального изготовления;
- марки, сечения и длины проводов в пределах НКУ;
- марки, сечения и длины кабелей и проводов, обозначения и длины труб для электроприемников, для которых всю необходимую информацию о кабелях, проводах и трубах невозможно привести на принципиальной схеме (например, сети с разветвленными цепями управления). Данные об этих кабелях, проводах и трубах помещают в кабельном или кабельнотрубном журнале.
К каждой принципиальной схеме, дополнительно, приводят таблицу потребности кабелей и проводов по форме 4 и таблицу потребности труб по форме 5. Пример выполнения потребности кабелей и проводов приведен на рисунке В.1; пример выполнения таблицы потребности труб приведен на рисунке В.2 (приложение В).
Форма 4 - Потребность кабелей и проводов


Примеры выполнения принципиальных схем питающей и распределительной сетей приведены на рисунках А.2 и А.3 (приложение А).
6.1.8 Размеры граф всех ведомостей, при необходимости, могут быть изменены по усмотрению разработчика.
6.1.9 Для троллейных линий, имеющих секционирование и подпитку, допускается выполнять принципиальную схему по произвольной форме.
6.1.10 При выполнении рабочих чертежей силового электрооборудования с использованием систем автоматизированного проектирования или информационного моделирования зданий, сооружений, формы выходных документов должны быть максимально приближены к формам, приведенным в стандарте. Допускается отступление от форм стандарта, при условии приведения всей информации, указанной в формах.
Допускается принципиальные схемы питающей, распределительной и групповой сетей выполнять в виде таблиц, при этом таблицы должны содержать все технические данные, предусмотренные формами 2 и 3. Пример схемы в виде таблицы представлен на рисунках А.4 и А.5 (приложение А).
6.2 Принципиальные схемы управления электроприводами
6.2.1 Принципиальные схемы управления электроприводами выполняют в соответствии с ГОСТ 2.702, ГОСТ 2.709, ГОСТ 2.710, ГОСТ 2.721, ГОСТ 2.755.
Все элементы или устройства, изображенные на электрической схеме, должны иметь буквенно-цифровые обозначения, присвоенные им в соответствии с ГОСТ 2.710. Пример выполнения принципиальной схемы управления электроприводом приведен на рисунке А.6 (приложение А).
6.2.2 Допускается не выполнять принципиальные схемы управления для несложных электроприводов, в которых используют стандартные серийные пусковые устройства без каких-либо изменений внутренней схемы и не имеющие внешних контрольных цепей (например, магнитный пускатель со встроенной кнопкой, шкаф управления).
6.3 Схемы (таблицы) подключения
6.3.1 Схемы (таблицы) подключения выполняют в соответствии с ГОСТ 2.702 для электроприводов, имеющих разветвленные цепи управления и блокировки с другими механизмами и устройствами, сложную пускорегулирующую аппаратуру. Пример выполнения схемы подключения приведен на рисунке А.7 (приложение А).
6.3.2 Схемы (таблицы) подключения допускается не выполнять:
- для электроприводов механизмов, схемы управления которыми не разрабатывались, в соответствии с 6.2.2;
- для электрооборудования и аппаратов, к которым неправильное подключение проводов исключается (например, асинхронные двигатели с короткозамкнутым ротором).
6.4 Планы расположения электрооборудования и прокладки электрических сетей
6.4.1 Планы расположения электрооборудования и планы прокладки электрических сетей (далее - планы расположения) выполняют на здание или часть здания с учетом технологических узлов и очередей строительства. Масштабы чертежей принимают по ГОСТ 2.302 с учетом обеспечения четкого графического изображения электрооборудования и электрических сетей.
Планы расположения электрооборудования, как правило, совмещают с планами прокладки электрических сетей и устройства заземления (зануления).
6.4.2 На планах расположения указывают:
- координационные оси здания или сооружения и расстояния между ними;
- строительные и технологические конструкции, трубопроводы и другие коммуникации, определяющие трассы прокладки электрических сетей или используемые для их крепления и прокладки в виде контурных очертаний, - сплошными тонкими линиями по ГОСТ 2.303;
- электрооборудование и электрические сети в виде условных графических обозначений по ГОСТ 21.614 с указанием буквенно-цифровых обозначений по принципиальным схемам, кабельным или кабельнотрубным журналам;
- размерные привязки оборудования и электрических сетей к координационным осям здания (сооружения) или к осям технологического оборудования;
- границы и классы взрыво- и пожароопасных зон, категории и группы взрывоопасных смесей;
- наименования отделений, участков цехов, помещений и т.п., если это определяет характер прокладки электрических сетей;
- наименования или обозначения электромашинных помещений, помещений щитов управления, кабельных тоннелей и других электротехнических сооружений;
- электрооборудование, электрические сети и сети заземления (зануления) в виде условных графических обозначений по ГОСТ 21.210 с указанием буквенно-цифровых обозначений по принципиальным схемам, кабельным или кабельно-трубный журналам.
- отметки чистых полов этажей и основных площадок;
- места расположения фитингов и других разделительных уплотнений (при наличии), обозначаемых по ГОСТ 21.210.
При использовании систем автоматизированного проектирования или информационного моделирования зданий, сооружений допускается изображать оборудование по ГОСТ 21.205 и другим стандартам СПДС.
6.4.3 Электрооборудование и электрические сети на планах расположения приводят в следующем составе:
- электроприемники, трансформаторные подстанции, комплектные электротехнические устройства, аппараты и т. п.;
- шинопроводы (магистральные, распределительные, троллейные);
- троллейные линии и участки электрической сети, выполненные шинами на изоляторах;
- трассы открытой прокладки кабелей и проводов на конструкциях, в коробках, на лотках, в трубах, каналах, тоннелях;
- кабельные конструкции, если чертежи их установки не совмещены с планами прокладки проводов и кабелей;
- трубы скрытой прокладки проводов и кабелей в полах, в земле и фундаментах;
- магистрали заземления и зануления.
6.4.4 При необходимости приводят разрезы, аксонометрические проекции по ГОСТ 2.317, узлы установки электрооборудования и прокладки электрических сетей, схемы расположения шинопроводов, а также схемы транспортирования крупногабаритного электрооборудования. Для трубных прокладок, выполняемых блоками и пакетами труб, разрабатывают чертежи на блоки и пакеты.
6.4.5 Размерные привязки и отметки указывают для оборудования, которое по своему характеру имеет фундаменты или монтируется до прокладки труб электропроводки.
При скрытой прокладке электрических сетей (в полах, в земле, в фундаментах) указывают размерные привязки концов труб и отметки заложения и выхода. В фундаментах сложного оборудования указывают дополнительные размерные привязки концов труб к ближайшим фундаментным болтам.
При открытой прокладке электрических сетей по технологическим установкам, сооружениям и строительным конструкциям (галереям, фермам, колоннам) допускается указывать размерные привязки электрических сетей к указанным установкам, сооружениям и конструкциям.
Допускается не проставлять размерные привязки для одиночных устройств (например, пускателей, кнопок, штепсельных розеток) и открыто проложенных кабелей, если места их установки или прокладки ясны без указания размерных привязок.
6.4.6 К плану расположения электрооборудования и прокладки электрических сетей выполняют, при необходимости, спецификацию по форме 7 ГОСТ 21.101.
При этом позиционные обозначения в спецификации должны соответствовать позиционным обозначениям, приведенным на плане расположения электрооборудования. Пример оформления спецификации к плану расположения приведен на рисунке В.3 (приложение В).
Спецификацию к плану расположения не выполняют, если позиции на плане расположения соответствуют позициям спецификации оборудования, выполненной по ГОСТ 21.110.
6.4.7 На два или несколько аналогичных участков сети, состоящих из повторяющихся элементов (например, шинопроводы магистральные, распределительные, троллейные), выполняют групповую спецификацию по форме 8 ГОСТ 21.101, при этом в графе «Кол.» указывают количество на один участок сети (например, шинопровод).
6.4.8 Примеры оформления планов расположения электрооборудования и прокладки электрических сетей приведены на рисунках Б.1, Б.2 и Б.3 (приложение Б).
6.5 Кабельнотрубный и кабельный журналы
6.5.1 Кабельнотрубный журнал выполняют по форме 6.
Форма 6 - Кабельнотрубный журнал

6.5.2 В кабельнотрубный журнал включают кабели, провода и трубы для тех электроприемников, для которых невозможно привести всю необходимую информацию о кабелях, проводах и трубах на принципиальных схемах питающей и распределительной сетей.
6.5.3 При открытых прокладках сетей (без труб) графы кабельнотрубного журнала, относящиеся к трубам, не заполняют или составляют кабельный журнал по форме 6 ГОСТ 21.608.
6.5.4 При выполнении чертежей прокладки кабелей методом трасс выполняют кабельный журнал по форме 7. В графе «Участок трассы кабеля» указывают обозначения участков трассы по плану прокладки электрических сетей.
6.5.5 В кабельном журнале приводят таблицу потребности кабелей и проводов по форме 4, а в кабельнотрубном журнале, кроме того, приводят таблицу потребности труб по форме 5.
Форма 7 - Кабельный журнал для прокладки методом трасс

6.5.6 Силовые и контрольные кабели в кабельном журнале группируют, как правило, по приводам, роду тока, напряжению и т. п. и записывают в порядке возрастания номеров или буквенных кодов. При подходе кабелей к щитам управления в графах "Начало" и "Конец" указывают обозначение щита управления и номер панели, к которой подходит кабель. Длину кабелей, проводов, труб в графах "Длина" в кабельном и кабельнотрубном журналах записывают с учетом надбавки на изгибы, повороты и отходы.
Пример выполнения кабельного и кабельнотрубного журналов приведены на рисунках В.4, В.5 и В.6 (приложение В).
6.6 Трубозаготовительная ведомость
6.6.1 Трубозаготовительная ведомость предназначается для заготовки элементов труб в мастерских электромонтажных заготовок (МЭЗ), заменяет кабельнотрубный журнал в части, относящейся к трубам, и является дополнением к кабельному журналу для прокладки кабелей и проводов в металлических трубах.
6.6.2 Трубозаготовительную ведомость выполняют по форме 8 в следующих случаях:
- для электрических сетей, где преобладает прокладка кабелей и проводов в металлических трубах и где объем трубных прокладок определяет целесообразность заготовки элементов труб в МЭЗ;
- для электрических сетей, прокладываемых в трубах в фундаментах сложного оборудования.
6.6.3 При заполнении трубозаготовительной ведомости в графе «Участок трассы трубы» указывают:
- длины участков труб между вершинами углов в метрах;
- величины углов в градусах и радиусы изгиба в миллиметрах;
- обозначения протяжных ящиков и трубных блоков;
- ссылку на чертеж, в котором дано продолжение трубы.
6.6.4 При наличии нормализованных элементов труб трубозаготовительную ведомость выполняют по той же форме, но в графе «Участок трассы трубы» указывают:
-длины нормализованных прямых отрезков трубы, а в необходимых случаях - длину добавочного отрезка в метрах;
-типы соединительных углов с указанием угла изгиба в градусах;
- обозначения протяжных ящиков и трубных блоков;
- ссылку на чертеж, в котором дано продолжение трубы.
6.6.5 При составлении трубозаготовительной ведомости графы кабельнотрубного журнала, относящиеся к трубам, не заполняют, а дают ссылку на трубозаготовительную ведомость.
6.6.6 В конце трубозаготовительной ведомости приводят таблицу потребности труб по форме 5. Пример выполнения трубозаготовительной ведомости приведен на рисунке В.7 (приложение В).
Форма 8 - Трубозаготовительная ведомость

6.7 Ведомость заполнения труб кабелями и проводами
6.7.1 При прокладке в трубах по два и более кабелей следует составлять ведомость заполнения труб кабелями. В графе "Труба" указывают обозначение трубы и через дефис - диаметр трубы.
Ведомость заполнения труб кабелями и проводами выполняют по форме 9 в случае, когда составляют отдельно кабельный журнал и трубозаготовительную ведомость.
6.7.2 При заполнении граф «Длина проводов, кабелей и труб» на принципиальных схемах и в кабельнотрубных журналах указывают длину с учетом надбавки на изгибы, повороты и отходы.
Пример выполнения ведомости заполнения труб кабелями приведен на рисунке В.8 (приложение В).
Форма 9 - Ведомость заполнения труб кабелями и проводами

7.1 Эскизные чертежи общих видов нетиповых конструкций, предназначенных для установки силового электрооборудования, выполняют и обозначают в соответствии с требованиями ГОСТ 21.114 в объеме, необходимом для разработки конструкторской документации.
7.2 Эскизные чертежи общего вида низковольтных комплектных устройств (НКУ) составляют на нетиповые комплектные устройства.
7.3 Эскизные чертежи общего вида нетиповых НКУ должны содержать изображение конструкции - вид спереди, вид сверху (при необходимости), количество и порядок расположения панелей, габаритные размеры, текстовые указания и надписи, необходимые для общего представления об устройстве.
8.1 Рабочие чертежи электромонтажных конструкций, предназначенных для установки электрооборудования и прокладки электрических сетей, выполняют в случаях отсутствия соответствующих изделий заводского изготовления, типовых чертежей электромонтажных конструкций и чертежей электромонтажных конструкций повторного применения.
Чертеж электромонтажной конструкции выполняют, как правило, в масштабе 1:5, 1:10 или 1:20.
На чертеже электромонтажной конструкции помещают спецификацию по формам 7 и 8 ГОСТ 21.101.
Рабочий чертеж электромонтажной конструкции оформляют основной надписью по форме 4 ГОСТ 21.101.
8.2 Рабочий чертеж должен содержать изображение конструкции - вид спереди, вид сверху (если потребуется), количество и порядок расположения панелей, габаритные и установочные размеры, текстовые указания и надписи, необходимые для общего представления об устройстве.
8.3 Обозначение (сборочного) чертежа электромонтажной конструкций одновременно является обозначением его спецификации.
В обозначение чертежа электромонтажной конструкции включают обозначение соответствующего основного комплекта рабочих чертежей с добавлением к его марке через точку шифра «И» и порядкового номера чертежа.
Пример - 2345-11-ЭМ.И1
8.4 Все электромонтажные конструкции, подлежащие изготовлению в МЭЗ по типовым чертежам, чертежам повторного применения и вновь разработанным чертежам, включают в ведомость электромонтажных конструкций, выполняемую по форме 10.
Форма 10 - Ведомость электромонтажных конструкций

8.5 Первый лист ведомости электромонтажных конструкций оформляют основной надписью по форме 3 ГОСТ 21.101, последующие - по форме 6.
Ведомости электромонтажных конструкций присваивают обозначение, состоящее из обозначения соответствующего основного комплекта рабочих чертежей с добавлением к его марке через точку шифра «ИВК».
Пример - 2345-11-ЭМ.ИВК
8.6 Рабочие чертежи и ведомость электромонтажных конструкций записывают в разделе «Прилагаемые документы» ведомости ссылочных и прилагаемых документов, входящей в общие данные по рабочим чертежам основного комплекта марки ЭМ.
9.1 Опросные листы и габаритные чертежи выполняют в соответствии с данными предприятий - изготовителей оборудования и комплектуют их в виде отдельного выпуска с наименованием «Опросные листы».
Выпуску «Опросные листы» присваивают самостоятельное обозначение, состоящее из обозначения основного комплекта рабочих чертежей марки ЭМ и через точку шифра «ОЛ». Обозначение указывают на титульном листе выпуска опросных листов.
Пример - 2345-11-ЭМ.ОЛ
9.2 Если опросных листов (габаритных чертежей) два и более, то после титульного листа выпуска опросных листов помещают содержание, которое выполняют в соответствии с ГОСТ 21.101. Содержанию присваивают обозначение, состоящее из обозначения выпуска опросных листов и через дефис буквы «С».
Пример - 2345-11-ЭМ.ОЛ-С
9.3 В наименовании опросного листа (габаритного чертежа) указывают его обозначение или порядковый номер в пределах выпуска.
9.4 Изменения в опросные листы (габаритные чертежи) вносят в соответствии с ГОСТ 21.101 с учетом дополнительных требований настоящего стандарта.
Изменения в опросные листы (габаритные чертежи) вносят самостоятельно в пределах каждого опросного листа (габаритного чертежа).
Сведения об изменениях, вносимых в опросные листы (габаритные чертежи), приводят в графе «Примечание» содержания выпуска опросных листов.
9.5 Выпуск опросных листов записывают в разделе «Прилагаемые документы» ведомости ссылочных и прилагаемых документов, входящей в общие данные по рабочим чертежам основного комплекта марки ЭМ.
10.1 Спецификацию оборудования, изделий и материалов (далее - спецификация) выполняют и обозначают по ГОСТ 21.110 с учетом требований настоящего стандарта.
10.2 Спецификацию составляют по разделам в последовательности:
- электрооборудование (КТП, НКУ, пункты и шкафы распределительные, ящики силовые, автоматические выключатели и т. п.);
- кабельные изделия (кабель, провод и т. п.);
- шинопроводы (магистральные, распределительные, троллейные);
- электромонтажные устройства и изделия (изделия для прокладки шин, кабелей, монтажные профили и полосы, фитинги и прочие разделительные уплотнения и т. п.);
- материалы (трубы, прокат черных металлов и т. п.).
Состав и количество разделов спецификации оборудования допускается изменять по усмотрению разработчика.
Запись оборудования (изделий, материалов) в пределах одного раздела рекомендуется выполнять по группам однотипных элементов (в порядке возрастания типов, параметров, цифр, входящих в их обозначение).
10.3 Электроаппараты, входящие в состав НКУ допускается в спецификации не приводить, при условии, что вся необходимая информация для заказа, приведена на опросном листе или другом документе, предназначенного для изготовления НКУ.
Примеры оформления принципиальных схем
Рисунок А.1 - Пример выполнения принципиальной схемы КТП
* В рабочих чертежах данного комплекта не учитывается.
Рисунок А.2 - Пример выполнения принципиальной схемы питающей сети
* Данные о кабелях и трубах см. кабельно-трубный журнал.
** Поставляется комплектно с механизмом.
*** Длины учтены в принципиальной схеме питающей сети.
Рисунок А.3 - Пример выполнения принципиальной схемы распределительной сети
Рисунок
А.4 - Пример выполнения принципиальной схемы групповой сети при использовании
систем
автоматизированного проектирования или информационного моделирования зданий,
сооружений (начало).

Рисунок
А.4 - Пример выполнения принципиальной схемы групповой сети при использовании
систем
автоматизированного проектирования или информационного моделирования зданий,
сооружений (Окончание).
Рисунок
А.5 - Пример выполнения принципиальной схемы групповой сети при использовании
систем
автоматизированного проектирования.
Примеры
оформления планов расположения электрооборудования и
прокладки электрических сетей
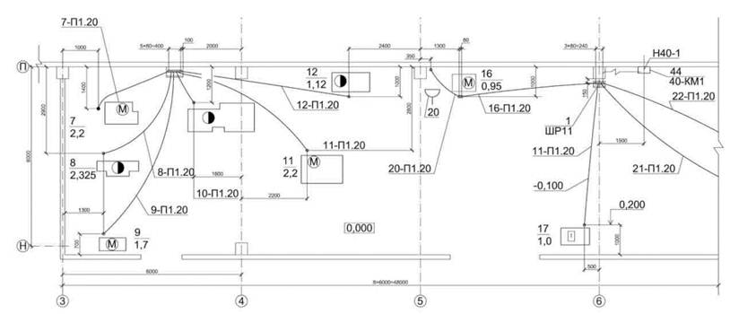
Примечание -Трубы проложить на отм. -0.100 и концы их вывести на 200 мм над уровнем чистого пола.
Рисунок Б.1 - Пример оформления плана расположения электрооборудования
Рисунок
Б.3 - Пример оформления плана расположения электрооборудования при
использовании систем
автоматизированного проектирования или информационного моделирования зданий,
сооружений
Примеры оформления текстовых форм на чертежах
Рисунок В.1 - Пример выполнения таблицы потребности кабелей и проводов
Рисунок В.2 - Пример выполнения таблицы потребности труб
Рисунок В.4 - Пример выполнения кабельного журнала для прокладки кабелей методом трасс
Рисунок В.5 - Пример выполнения кабельнотрубного журнала
Рисунок В.6 - Пример выполнения кабельного журнала
Рисунок В.7 - Пример выполнения трубозаготовительной ведомости
Рисунок В.8 - Пример выполнения ведомости заполнения труб кабелями
Ключевые слова: правила выполнения, рабочая документация, силовое электрооборудование, кабельный журнал, кабельнотрубный журнал