Меню
Навигация
Первая линия
Novatika

Система проектной документации для строительства. Газоснабжение. Наружные газопроводы. Рабочие чертежи

Стандарт распространяется на рабочие чертежи наружных газопроводов (подземные, надземные) для транспортирования природных, попутных нефтяных, искусственных и смешанных газов с избыточным давлением до 1,2 МПа (12 кгс/см2), используемых в качестве топлива и сырья. Стандарт устанавливает состав и правила оформления рабочих чертежей наружных газопроводов для объектов строительства всех отраслей промышленности и народного хозяйства.

Обозначение: ГОСТ 21.610-85
Название рус.: Система проектной документации для строительства. Газоснабжение. Наружные газопроводы. Рабочие чертежи
Статус: действует
Дата актуализации текста: 05.05.2017
Дата добавления в базу: 01.09.2013
Дата введения в действие: 01.07.1986
Утвержден: 14.11.1985 Госстрой СССР (Государственный комитет Совета Министров СССР по делам строительства) (USSR Gosstroy 195)
Опубликован: Издательство стандартов (1986 г. ) ИПК Издательство стандартов (2003 г. )
Ссылки для скачивания:

ГОСТ 21.610-85

МЕЖГОСУДАРСТВЕННЫЙ СТАНДАРТ

СИСТЕМА ПРОЕКТНОЙ ДОКУМЕНТАЦИИ
ДЛЯ СТРОИТЕЛЬСТВА

ГАЗОСНАБЖЕНИЕ
НАРУЖНЫЕ ГАЗОПРОВОДЫ

РАБОЧИЕ ЧЕРТЕЖИ

ИПК ИЗДАТЕЛЬСТВО СТАНДАРТОВ

Москва

МЕЖГОСУДАРСТВЕННЫЙ СТАНДАРТ

Система проектной документации для строительства

ГАЗОСНАБЖЕНИЕ. НАРУЖНЫЕ ГАЗОПРОВОДЫ

Рабочие чертежи

System of building design documents. Gas supply.
Outside gas pipe-lines. Working drawings

ГОСТ
21.610-85

Дата введения 01.07.86

Настоящий стандарт распространяется на рабочие чертежи наружных газопроводов (подземные, надземные) для транспортирования природных, попутных нефтяных, искусственных и смешанных газов с избыточным давлением до 1,2 МПа (12 кгс/см2), используемых в качестве топлива и сырья.

Стандарт устанавливает состав и правила оформления рабочих чертежей наружных газопроводов для объектов строительства всех отраслей промышленности и народного хозяйства.

1. ОБЩИЕ ПОЛОЖЕНИЯ

1.1. Рабочие чертежи наружных газопроводов выполняют в соответствии с требованиями настоящего стандарта и других стандартов Системы проектной документации для строительства (СПДС), а также норм проектирования наружных газопроводов.

1.2. В состав рабочих чертежей наружных газопроводов (основной комплект рабочих чертежей марки ГСН) включают:

- общие данные по рабочим чертежам;

- чертежи (планы, продольные профили) газопроводов.

К основному комплекту рабочих чертежей марки ГСН составляют спецификацию оборудования по ГОСТ 21.110, ведомость потребности в материалах по ГОСТ 21.110.

1.3. Газопроводы на чертежах указывают условными графическими обозначениями по ГОСТ 21.206 и буквенно-цифровыми обозначениями по ГОСТ 21.609.

При отсутствии на чертежах видимых участков газопроводов допускается обозначать подземные газопроводы сплошной толстой основной линией с необходимыми пояснениями в общих данных по рабочим чертежам или на соответствующих чертежах.

1.4. Условные графические обозначения оборудования, арматуры, элементов газопроводов, способов прокладки газопроводов принимают по стандартам Единой системы конструкторской документации (ЕСКД) и по стандартам СПДС, приведенным в приложении.

1.5. Диаметр и толщину стенки газопровода указывают на полке линии-выноски.

В случае, когда на полке линии-выноски указывают буквенно-цифровое обозначение газопровода, диаметр и толщину стенки газопровода указывают под полкой линии-выноски.

1.6. Масштабы изображений на чертежах должны соответствовать приведенным в таблице.

Наименование изображения

Масштаб

Планы газопроводов

1:200, 1:500, 1:1000, 1:2000

Продольные профили газопроводов:

 

- по горизонтали

1:200, 1:500, 1:1000, 1:2000

- по вертикали

1:50, 1:100

2. ОБЩИЕ ДАННЫЕ ПО РАБОЧИМ ЧЕРТЕЖАМ

2.1. Общие данные по рабочим чертежам выполняют по ГОСТ 21.101.

В общих указаниях, входящих в состав общих данных по рабочим чертежам, кроме сведений, предусмотренных ГОСТ 21.101, приводят требования по монтажу, испытаниям, условиям прокладки, окраске и изоляции газопроводов.

3. ПЛАНЫ ГАЗОПРОВОДОВ

3.1. Для разработки планов газопроводов в качестве подосновы используют рабочие чертежи генеральных планов, автомобильных дорог и железнодорожных путей или топографические планы.

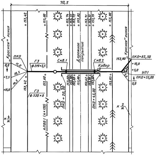
3.2. На планах газопроводов наносят и указывают:

- существующие и проектируемые здания (сооружения) в виде упрощенных контурных очертаний сплошной тонкой линией;

- привязку газопроводов к осям проектируемых зданий (сооружений) или к наружным стенам существующих зданий (сооружений);

- инженерные сети другого назначения, влияющие на прокладку проектируемых газопроводов;

- диаметры и толщины проектируемых газопроводов до и после точек их изменения;

- номера пикетов (ПК);

- сооружения на газопроводах, например колодцы, конденсатосборники, контрольно-измерительные пункты, электрические перемычки, изолирующие фланцевые соединения и электрические защиты: катодные, протекторные, электродренажные.

На планах газопроводов, при необходимости, указывают привязки элементов газопроводов к ближайшим пикетам.

3.3. Планы газопроводов допускается размещать как на отдельных листах, так и совместно с продольными профилями газопроводов.

Пример оформления плана газопроводов приведен на черт. 1.

Черт. 1

4. ПРОДОЛЬНЫЕ ПРОФИЛИ ГАЗОПРОВОДОВ

4.1. Продольные профили газопроводов изображают в виде разверток по осям газопроводов.

4.2. На продольном профиле газопровода наносят и указывают:

- поверхность земли (проектную - сплошной толстой основной линией, фактическую - сплошной тонкой линией);

- уровень грунтовых вод (штрихпунктирной тонкой линией);

- пересекаемые автомобильные дороги, железнодорожные и трамвайные пути, кюветы, а также другие подземные и надземные сооружения в виде упрощенных контурных очертаний - сплошной тонкой линией, коммуникации, влияющие на прокладку проектируемых газопроводов, с указанием их габаритных размеров и высотных отметок;

- колодцы, коверы, эстакады, отдельно стоящие опоры и другие сооружения и конструкции газопроводов в виде упрощенных контурных очертаний наружных габаритов - сплошной тонкой линией;

- данные о грунтах;

- отметки верха трубы;

- глубину траншеи от проектной и фактической поверхности земли;

- футляры на газопроводах с указанием диаметров, длин и привязок их к оси дорог, сооружениям, влияющим на прокладку проектируемых газопроводов, или к пикетам;

- буровые скважины.

Газопроводы диаметром 150 мм и менее допускается изображать одной линией.

4.3. Под продольным профилем газопровода помещают таблицу по форме 1 для подземной прокладки газопровода и по форме 2 - для надземной прокладки.

Допускается, при необходимости, дополнять таблицы другими строками, например «Характеристика грунта: просадочность, набухание», «Коррозионность».

Форма 1

Форма 2

4.4. Отметки дна траншеи под газопровод проставляют в характерных точках, например в местах пересечений с автомобильными дорогами, железнодорожными и трамвайными путями, инженерными коммуникациями и сооружениями, влияющими на прокладку проектируемых газопроводов.

Отметки уровней указывают в метрах с двумя десятичными знаками, длины участков газопроводов - в метрах с одним десятичным знаком, а величины уклонов - в промилле.

4.5. Принятые масштабы продольных профилей указывают над боковиком таблицы.

Пример оформления продольного профиля газопровода приведен на черт. 2.

Черт. 2

ПРИЛОЖЕНИЕ

Справочное

ПЕРЕЧЕНЬ СТАНДАРТОВ НА УСЛОВНЫЕ ОБОЗНАЧЕНИЯ, ПОДЛЕЖАЩИХ УЧЕТУ ПРИ ВЫПОЛНЕНИИ ЧЕРТЕЖЕЙ НАРУЖНЫХ ГАЗОПРОВОДОВ

Обозначение стандарта

Наименование стандарта

ГОСТ 2.721-74

Единая система конструкторской документации. Обозначения условные графические в схемах. Обозначения общего применения

ГОСТ 2.780-96

Единая система конструкторской документации. Обозначения условные графические. Элементы гидравлических и пневматических сетей

ГОСТ 2.784-96

Единая система конструкторской документации. Обозначения условные графические. Элементы трубопроводов

ГОСТ 2.785-70

Единая система конструкторской документации. Обозначения условные графические. Арматура трубопроводная

ГОСТ 21.204-93

Система проектной документации для строительства. Условные графические изображения и обозначения на чертежах генеральных планов и транспорта

ГОСТ 21.205-93

Система проектной документации для строительства. Условные обозначения элементов санитарно-технических систем

ИНФОРМАЦИОННЫЕ ДАННЫЕ

1.  РАЗРАБОТАН Институтом «Мосгазниипроект» Управления топливно-энергетического хозяйства Исполнительного комитета Московского городского Совета народных депутатов

ВНЕСЕН Исполнительным комитетом Московского городского Совета народных депутатов

2.  УТВЕРЖДЕН И ВВЕДЕН В ДЕЙСТВИЕ Постановлением Государственного комитета СССР по делам строительства от 14.11.85 № 195

3.  Стандарт полностью соответствует СТ СЭВ 5047-85

4.  ВВЕДЕН ВПЕРВЫЕ

5.  ССЫЛОЧНЫЕ НОРМАТИВНО-ТЕХНИЧЕСКИЕ ДОКУМЕНТЫ

Обозначение НТД, на который дана ссылка

Номер пункта, приложения

ГОСТ 2.721-74

Приложение

ГОСТ 2.780-96

»

ГОСТ 2.784-96

»

ГОСТ 2.785-70

»

ГОСТ 21.101-97

2.1

ГОСТ 21.110-95

1.2

ГОСТ 21.204-93

Приложение

ГОСТ 21.205-93

»

ГОСТ 21.206-93

1.3

ГОСТ 21.609-83

1.3

6. ПЕРЕИЗДАНИЕ. Август 2003 г.

СОДЕРЖАНИЕ