| Обозначение: | ГОСТ 2379-77 |
| Название рус.: | Пластины из быстрорежущей стали к резцам. Формы и размеры |
| Статус: | действует |
| Заменяет собой: | ГОСТ 2379-67 «Пластинки из быстрорежущей стали к резцам. Формы и размеры» |
| Дата актуализации текста: | 05.05.2017 |
| Дата добавления в базу: | 01.09.2013 |
| Дата введения в действие: | 01.07.1978 |
| Утвержден: | 16.03.1977 Госстандарт СССР (USSR Gosstandart 653) |
| Опубликован: | Издательство стандартов (1985 г. ) |
| Ссылки для скачивания: |
ГОСУДАРСТВЕННЫЙ СТАНДАРТ СОЮЗА ССР
ПЛАСТИНЫ
ИЗ БЫСТРОРЕЖУЩЕЙ
СТАЛИ К РЕЗЦАМ
ФОРМЫ И РАЗМЕРЫ
ГОСТ 2379-77
ГОСУДАРСТВЕННЫЙ КОМИТЕТ СССР ПО СТАНДАРТАМ
Москва - 1985
ГОСУДАРСТВЕННЫЙ СТАНДАРТ СОЮЗА ССР
|
ПЛАСТИНЫ ИЗ БЫСТРОРЕЖУЩЕЙ СТАЛИ К РЕЗЦАМ Формы и размеры HSS tool tips. Shapes and dimensions |
ГОСТ Взамен ГОСТ 2379-67 |
* Переиздание (август 1985 г.) с Изменениями № 1, 2, утвержденными в марте 1982 г., декабре 1984 г. (ИУС 6-82, 3-85)
Постановлением Государственного комитета стандартов Совета Министров СССР от 16 марта 1977 г. № 653 срок введения установлен
с 01.07.78
Несоблюдение стандарта преследуется по закону
1. Пластины из быстрорежущей стали для резцов должны изготовляться форм, указанных в табл. 1.
|
Форма пластин |
Форма пластин |
||||
|
обозначение |
эскиз |
обозначение |
эскиз |
обозначение |
эскиз |
|
41 |
44 |
47 |
|
||
|
43 |
45 |
48 |
|
||
|
49 |
|
57 |
63 |
||
|
50 |
58 |
64 |
|||
|
53 |
59 |
65 |
|||
|
54 |
60 |
66 |
|||
|
55 |
|
61 |
- |
- |
|
|
56 |
|
62 |
|||
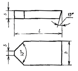
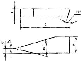
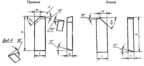
2. Размеры пластин должны соответствовать указанным на черт. 1 - 22 и в табл. 2 - 23.
Таблица 2
|
l |
b |
s |
|
|
4101 |
10 |
10 |
5 |
|
4102 |
12 |
||
|
4103 |
16 |
12 |
6 |
|
4104 |
20 |
16 |
8 |
|
4105 |
25 |
20 |
10 |
|
4106 |
32 |
25 |
12 |
|
4107 |
40 |
30 |
16 |
Правая
Левая

Таблица 3
мм
|
l |
b |
s |
||
|
Правые |
Левые |
|||
|
4301 |
4302 |
10 |
10 |
5 |
|
4303 |
4304 |
12 |
||
|
4305 |
4306 |
16 |
12 |
6 |
|
4307 |
4308 |
20 |
16 |
6 |
|
4309 |
4310 |
25 |
20 |
10 |
|
4311 |
4312 |
32 |
25 |
12 |
|
4313 |
4314 |
40 |
30 |
16 |

Таблица 4
мм
|
l |
b |
s |
т |
||
|
Правые |
Левые |
||||
|
4401 |
4402 |
12 |
10 |
5 |
7 |
|
4403 |
4404 |
16 |
12 |
6 |
9 |
|
4405 |
4406 |
20 |
16 |
8 |
12 |
|
4407 |
4408 |
25 |
20 |
10 |
14 |
|
4409 |
4410 |
32 |
24 |
12 |
16 |
|
4411 |
4412 |
40 |
30 |
16 |
22 |
Таблица 5
мм
|
l |
b |
s |
т |
||
|
Правые |
Левые |
||||
|
4501 |
4502 |
12 |
10 |
6 |
6 |
|
4503 |
4504 |
16 |
12 |
8 |
7 |
|
4505 |
4506 |
20 |
16 |
10 |
9 |
|
4507 |
4508 |
6 |
|||

Таблица 6
мм
|
l |
b |
s |
|
|
4702 |
8 |
18 |
6 |
|
4703 |
10 |
20 |
8 |
мм
|
l |
b |
s |
l1 |
|
|
4801 |
12 |
14 |
6 |
2,0 |
|
4802 |
16 |
16 |
8 |
2,5 |
|
4803 |
20 |
20 |
10 |
|
|
4804 |
25 |
25 |
12 |
3,5 |
|
4805 |
32 |
30 |
14 |
|
|
4806 |
40 |
40 |
16 |
Таблица 8
мм
|
l |
b |
s |
|
|
4901 |
4 |
15 |
3 |
|
4902 |
5 |
4 |
|
|
4903 |
6 |
18 |
5 |
|
4904 |
8 |
20 |
б |
|
4905 |
10 |
25 |
8 |
|
4906 |
12 |
28 |
10 |
|
4907 |
15 |
12 |

Таблица 9
мм
|
l |
b |
s |
||
|
Правые |
Левые |
|||
|
5001 |
5002 |
10 |
12 |
5 |
|
5003 |
5004 |
12 |
16 |
6 |
|
5005 |
5006 |
16 |
20 |
8 |
|
5007 |
5008 |
20 |
25 |
10 |
|
5009 |
5010 |
25 |
32 |
12 |
|
5011 |
5012 |
30 |
40 |
14 |
Таблица 10
мм
|
l |
b |
s |
|
|
5311 |
20 |
7 |
6 |
|
5301 |
9 |
8 |
|
|
5302 |
11 |
||
|
5304 |
13 |
10 |
|
|
5305 |
25 |
15 |
|
|
5306 |
17 |
12 |
|
|
5307 |
30 |
19 |
14 |
|
5308 |
35 |
21 |
16 |
|
5309 |
25 |
||
|
5310 |
29 |

Таблица 11
мм
|
l |
b |
s |
|
|
5401 |
20 |
12 |
12 |
|
5402 |
25 |
16 |
16 |
|
5403 |
30 |
20 |
20 |
|
5404 |
40 |
25 |
25 |
|
5405 |
30 |
32 |

Таблица 12
мм
|
l |
l1 |
b |
s |
|
|
5501 |
6 |
1.0 |
15 |
4 |
|
5502 |
8 |
2,7 |
18 |
6 |
|
5503 |
10 |
3,4 |
20 |
8 |
|
5504 |
12 |
4,1 |
||
|
5505 |
16 |
5,3 |
Таблица 13
мм
|
l |
b |
s |
т |
||
|
Правые |
Левые |
||||
|
5601 |
5602 |
12 |
40 |
6 |
7 |
|
5603 |
5604 |
20 |
12 |
||
|
5605 |
5606 |
16 |
50 |
8 |
9 |
|
5607 |
5608 |
20 |
60 |
10 |
12 |
|
5609 |
5610 |
10 |
30 |
6 |
6 |
|
5611 |
5612 |
16 |
40 |
6 |
9 |
Таблица 14
мм
|
l |
b |
s |
т |
||
|
Правые |
Левые |
||||
|
5701 |
5702 |
12 |
40 |
6 |
6 |
|
5703 |
5704 |
20 |
9 |
||
|
5705 |
5706 |
16 |
50 |
8 |
7 |
|
5707 |
5708 |
20 |
60 |
10 |
9 |
|
5709 |
5710 |
10 |
30 |
6 |
4,5 |
|
5711 |
5712 |
16 |
40 |
6 |
7 |
Таблица 15
мм
|
Типы пластин |
l |
b |
s |
|
|
5801 |
1 |
40 |
12 |
6 |
|
5802 |
1 |
20 |
||
|
5803 |
1 |
16 |
8 |
|
|
5804 |
1 |
50 |
20 |
10 |
|
5805 |
2 |
5 |
||
|
5806 |
2 |
60 |
25 |
6 |
|
5807 |
2 |
32 |
8 |
|
|
5808 |
1 |
30 |
10 |
6 |
|
5809 |
1 |
30 |
16 |
6 |

Таблица 16
мм
|
l |
b |
s |
|
|
5901 |
40 |
20 |
6 |
|
5902 |
16 |
8 |
|
|
5903 |
50 |
20 |
10 |
Таблица 17
мм
|
l |
b |
s |
b1 |
|
|
6001 |
40 |
12 |
6 |
2,5 |
|
6002 |
50 |
16 |
8 |
|
|
6003 |
4,0 |
|||
|
6004 |
60 |
20 |
10 |
|
|
6005 |
6,0 |
|||
|
6006 |
25 |
12 |
10,0 |
Таблица 18
мм
|
l |
b |
s |
т |
|
|
6101 |
40 |
10 |
6 |
1,5 |
|
6102 |
12 |
3,0 |
||
|
6103 |
50 |
16 |
8 |
4,0 |
|
6104 |
60 |
20 |
10 |
5,0 |

Таблица 19
мм
|
l |
b |
b1 |
s |
т |
|
|
6201 |
40 |
12 |
1,0 |
6 |
3 |
|
6202 |
1,5 |
4 |
|||
|
6203 |
50 |
16 |
2,0 |
8 |
|
|
6204 |
3,0 |
5 |
|||
|
6205 |
60 |
20 |
4,1 |
10 |
6 |
|
6206 |
5,3 |
8 |
|||
|
6207 |
25 |
6,8 |
12 |
||
|
6208 |
8,2 |
10 |

Таблица 20
мм
|
l |
b |
s |
|
|
6301 |
25 |
40 |
8 |
|
6302 |
32 |
50 |
|
|
6303 |
42 |
65 |
10 |
|
6304 |
48 |
80 |
12 |
Таблица 21
мм
|
l |
b |
s |
т |
|
|
6401 |
25 |
40 |
8 |
8 |
|
6402 |
32 |
50 |
10 |
|
|
6403 |
42 |
65 |
10 |
12 |
|
6404 |
48 |
80 |
12 |
15 |
Черт. 21
* Размер для справок.
Таблица 22
мм
|
l |
b |
s |
r |
|
|
6501 |
12 |
20 |
5 |
2,0 |
|
6502 |
14 |
25 |
6 |
|
|
6503 |
17 |
30 |
8 |
2,5 |
|
6504 |
22 |
40 |
10 |
|
|
6505 |
26 |
50 |
12 |
Таблица 23
мм
|
l |
b |
s |
|
|
6601 |
14 |
12 |
4 |
|
6602 |
16 |
10 |
|
|
6603 |
18 |
16 |
5 |
|
6604 |
20 |
12 |
|
|
6605 |
22 |
18 |
8 |
|
6606 |
25 |
16 |
|
|
6607 |
30 |
20 |
Пример условного обозначения пластины формы 41 из быстрорежущей стали марки Р6М5:
Пластина 4105-Р6М5 ГОСТ 2379-77.
(Измененная редакция, Изм. № 1, 2).
3. Пластины толщиной s = 6 мм и более изготавливаются с задними углами.
4. Примерное назначение пластин и размеры сечений резцов указаны в рекомендуемом приложении.
5. Пластины должны быть изготовлены из быстрорежущей стали по ГОСТ 19265-73.
6. Предельные отклонения размеров
b, l, s -
по h15, остальных - по ±
.
7. Предельные отклонения на величины главных углов в плане, а также задних углов не должны превышать ±2°.
8. Параметры шероховатости передней, задней и опорной поверхностей Rа £ 5,0 мкм - по ГОСТ 2789-73.
9. Вогнутость или выпуклость пластин по широким опорным поверхностям не должны превышать следующих величин, мм:
Пластины размером до 18..................................... 0,12
» » св. 18 до 30.......................... 0,16
» » св. 30.................................... 0,20
10. Пластины, изготовленные из стали, содержащей кобальт, должны маркироваться буквой К.
11. Упаковка и транспортирование - по ГОСТ 18088-83. Срок действия консервации - 1 год по ГОСТ 9.014-78.
5 - 11. (Введены дополнительно, Изм. № 1).
Рекомендуемое
|
Номера пластин |
Сечения резцов |
Назначение пластин |
|
|
41 |
4101 |
16×10 |
Для токарных проходных отогнутых, проходных упорных и строгальных чистовых резцов |
|
4102 |
16×10; 20×12 |
||
|
4103 |
20×12; 25×16 |
||
|
4104 |
25×16; 32×20 |
||
|
4105 |
32×20; 40×25 |
||
|
4106 |
40×25; 50×32 |
||
|
4107 |
63×40 |
||
|
43 |
4301; 4302 |
16×10 |
Для токарных и строгальных подрезных резцов |
|
4303; 4304 |
20×12 |
||
|
4305; 4306 |
25×16 |
||
|
4307; 4308 |
32×20 |
||
|
4309; 4310 |
40×25 |
||
|
4311; 4312 |
50×32 |
||
|
4313; 4314 |
63×40 |
||
|
44 |
4401; 4402 |
20×12 |
Для токарных и строгальных проходных резцов с j = 45° |
|
4403; 4404 |
25×16 |
||
|
4405; 4406 |
32×20 |
||
|
4407; 4408 |
40×25 |
||
|
4409; 4410 |
50×32 |
||
|
4411; 4412 |
63×40 |
||
|
45 |
4501; 4502 |
20×12 |
Для токарных проходных резцов с j = 60° |
|
4503; 4504 |
25×16 |
||
|
4505; 4506 |
32×20 |
||
|
4507; 4508 |
20×20 |
||
|
47 |
4702 |
20×20 |
Для токарных резьбовых резцов |
|
4703 |
25×25 |
||
|
48 |
4801 |
20×12 |
Для строгальных двухсторонних и фасонных резцов |
|
4802 |
25×16 |
||
|
4803 |
32×20 |
||
|
4804 |
40×25 |
||
|
4805 |
50×32 |
||
|
4806 |
63×40 |
||
|
49 |
4901 |
12×12; 16×10 |
Для токарных отрезных, канавочных и строгальных отрезных-прорезных резцов |
|
4902 |
20×12; 25×16 |
||
|
4903 |
25×16; 32×20 |
||
|
4904 |
25×16; 32×20; 40×25 |
||
|
4905 |
32×20; 50×32 |
||
|
4906 |
32×20; 40×25; 50×32 |
||
|
4907 |
50×32 |
||
|
50 |
5001; 5002 |
20×12 |
К токарным фасочным резцам и строгальным резцам для обработки пазов типа «ласточкин хвост» |
|
5003; 5004 |
25×16 |
||
|
5005; 5006 |
30×20 |
||
|
5007; 5008 |
40×25 |
||
|
5009; 5010 |
50×32 |
||
|
5011; 5012 |
63×40 |
||
|
53 |
5311 |
20×20 |
К долбежным прорезным резцам и долбежным резцам для обработки шпоночных пазов |
|
5301 |
20×12; 25×25 |
||
|
5302 |
25×16; 20×20; 25×25 |
||
|
5304 |
25×16; 20×20; 32×32 |
||
|
5305 |
32×20; 25×25; 32×32 |
||
|
5306 |
32×20; 25×25 |
||
|
5307 |
40×25; 32×32 |
||
|
5308 |
50×32; 32×32; 40×40 |
||
|
5309 |
50×32 |
||
|
5310 |
63×40 |
||
|
54 |
5401 |
20×12 |
Для долбежных проходных двухсторонних резцов |
|
5402 |
25×16 |
||
|
5403 |
32×20 |
||
|
5404 |
40×25 |
||
|
5405 |
50×32 |
||
|
55 |
5501 |
20×25; 25×25 |
Для токарных резьбовых резцов |
|
5502 |
20×20 |
||
|
5503 |
25×25 |
||
|
5504 |
20×20 |
||
|
5505 |
25×25 |
||
|
56 |
5601; 5602 |
20×12 |
Для токарных проходных прямых резцов с j = 45° |
|
5603; 5604 |
20×20 |
||
|
5605; 5606 |
25×16 |
||
|
5607; 5608 |
32×20 |
||
|
57 |
5701; 5702 |
20×12 |
Для токарных проходных прямых резцов с j = 60° |
|
5703; 5704 |
20×20 |
||
|
5705; 5706 |
25×16 |
||
|
5707; 5708 |
32×20 |
||
|
58 |
5801 |
20×12 |
Для токарных проходных прямых с j = 75° и j = 90° радиусных и галтельных резцов |
|
5802 |
20×20 |
||
|
5803 |
25×16 |
||
|
5804 |
32×20 |
||
|
5805 |
20×12 |
Для токарных отрезных резцов |
|
|
5806 |
25×16 |
||
|
5807 |
32×20 |
||
|
59 |
5901 |
20×20 |
Для токарных фасочно-прорезных двухсторонних резцов |
|
5902 |
25×16 |
||
|
5903 |
32×20 |
||
|
60 |
6001 |
20×12 |
К токарным канавочным резцам для проточки под выход резца и шлифовального круга |
|
6002 |
25×16 |
||
|
6003 |
25×16 |
||
|
6004 |
32×20 |
||
|
6005 |
32×20 |
||
|
6006 |
40×25 |
||
|
61 |
6101 |
16×10 |
Для токарных резьбовых резцов |
|
6102 |
20×12 |
||
|
6103 |
25×16 |
||
|
6104 |
32×20 |
||
|
62 |
6201 |
20×12 |
Для токарных резьбовых резцов |
|
6202 |
|||
|
6203 |
25×16 |
||
|
6204 |
|||
|
6205 |
32×20 |
||
|
6206 |
|||
|
6207 |
40×25 |
||
|
6208 |
|||
|
63 |
6301 |
32×32 |
К строгальным чистовым резцам для симметричных призматических направляющих |
|
6302 |
40×40 |
||
|
6303 |
50×50 |
||
|
6304 |
63×63 |
||
|
64 |
6401 |
32×32 |
К строгальным чистовым резцам для несимметричных призматических направляющих |
|
6402 |
40×40 |
||
|
6403 |
50×50 |
||
|
6404 |
63×63 |
||
|
65 |
6501 |
20×20 |
Для строгальных канавочных отогнутых резцов |
|
6502 |
25×25 |
||
|
6503 |
32×32 |
||
|
6504 |
40×40 |
||
|
6505 |
50×50 |
||
|
66 |
6601 |
20×16; 25×16 |
Для токарных проходных резцов в качестве стружколомов |
|
6602 |
25×20; 32×20 |
||
|
6603 |
25×20; 32×20 |
||
|
6604 |
32×25 |
||
|
6605 |
32×25; 40×25 |
||
|
6606 |
40×25; 40×32; 50×32 |
||
|
6607 |
50×40 |