Методические указания распространяются на персонал АО-энерго, межсистемных электрических сетей (МЭС), предприятий МЭС и предприятий, проектных, строительно-монтажных и наладочных организаций, занимающихся эксплуатацией, проектированием и строительством заземляющих устройств (ЗУ) энергообъектов. В Методические указаниях приведены методы контроля и испытаний ЗУ подстанций и опор ВЛ, методы проверки пробивных предохранителей и цепи фаза-нуль (в установках до 1000 В) в процессе эксплуатации и при приемке вновь сооружаемых или реконструируемых ЗУ, а также указаны используемые при этом приборы.
| Обозначение: | РД 153-34.0-20.525-00 |
| Название рус.: | Методические указания по контролю состояния заземляющих устройств электроустановок |
| Статус: | действует |
| Дата актуализации текста: | 05.05.2017 |
| Дата добавления в базу: | 01.09.2013 |
| Дата введения в действие: | 01.09.2000 |
| Утвержден: | 07.05.2000 РАО ЕЭС России (UES of Russia RAO ) |
| Опубликован: | СПО ОРГРЭС (2000 г. ) |
| Ссылки для скачивания: |
РОССИЙСКОЕ АКЦИОНЕРНОЕ ОБЩЕСТВО ЭНЕРГЕТИКИ
И ЭЛЕКТРИФИКАЦИИ «ЕЭС РОССИИ»
МЕТОДИЧЕСКИЕ УКАЗАНИЯ
ПО КОНТРОЛЮ СОСТОЯНИЯ
ЗАЗЕМЛЯЮЩИХ УСТРОЙСТВ
ЭЛЕКТРОУСТАНОВОК
РД 153-34.0-20.525-00

Разработано Новосибирским государственным техническим университетом, Московским энергетическим институтом, Научно-производственной фирмой ЭЛНАП, Открытым акционерным обществом «Фирма по наладке, совершенствованию технологии и эксплуатации электростанций и сетей ОРГРЭС»
Исполнители Ю.В. ЦЕЛЕБРОВСКИЙ, А.А. ЗАХАРОВ, А.Г. ТАРАСОВ, В.Л. ЗАХАРОВ, Е.Л. КАЦ, С.В. НЕСТЕРОВ (НГТУ); Р.К. БОРИСОВ, Е.С. КОЛЕЧИЦКИЙ, И.В. ЖАРКОВ, А.В. ГОРШКОВ (МЭИ - НПФ ЭЛНАП); Е.Ф. КОНОВАЛОВ, В.А. БОРУХМАН, В.В. ПОДОЛЬСКИЙ (АО «Фирма ОРГРЭС»)
Утверждено Департаментом стратегии развития и научно-технической политики РАО «ЕЭС России» 07.05.2000
Первый заместитель начальника А.П. БЕРСЕНЕВ
|
МЕТОДИЧЕСКИЕ
УКАЗАНИЯ ПО КОНТРОЛЮ |
РД 153-34.0-20.525-00 Введено впервые |
Вводится в действие
с 01.09.2000 г.
Настоящие Методические указания распространяются на персонал АО-энерго, межсистемных электрических сетей (МЭС), предприятий МЭС и предприятий, эксплуатирующих электрические сети, электростанций, проектных, строительно-монтажных и наладочных организаций, занимающихся эксплуатацией, проектированием и строительством заземляющих устройств (ЗУ) энергообъектов.
В Методических указаниях приведены методы контроля и испытаний ЗУ подстанций и опор ВЛ, методы проверки пробивных предохранителей и цепи фаза-нуль (в установках до 1000 В) в процессе эксплуатации и при приемке вновь сооружаемых или реконструируемых ЗУ, а также указаны используемые при этом приборы.
1.1. Характеристики ЗУ должны отвечать требованиям обеспечения электробезопасности обслуживающего персонала и обеспечивать в нормальных и аварийных условиях следующие эксплуатационные функции электроустановки:
действие релейных защит от замыкания на землю;
действие защит от перенапряжений;
отвод в грунт токов молнии;
отвод рабочих токов (токов несимметрии и т.д.);
защиту изоляции низковольтных цепей и оборудования;
снижение электромагнитных влияний на вторичные цепи;
защиту подземного оборудования и коммуникаций от токовых перегрузок;
стабилизацию потенциалов относительно земли и защиту от статического электричества;
обеспечение взрыво- и пожаробезопасности.
1.2. Основными параметрами, характеризующими состояние ЗУ, являются:
сопротивление ЗУ (для электроустановок подстанций, электростанций и опор ВЛ);
напряжение на ЗУ при стекании с него тока замыкания на землю;
напряжение прикосновения (для электроустановок выше 1 кВ с эффективно заземленной нейтралью, кроме опор ВЛ).
Дополнительными характеристиками ЗУ, с помощью которых производится оценка его состояния в процессе эксплуатации, являются качество и надежность соединения элементов ЗУ, соответствие сечения и проводимости элементов требованиям ПУЭ и проектным данным, интенсивность коррозионного разрушения.
В соответствии с ПТЭ для контроля ЗУ в электроустановках до 1 кВ с изолированной нейтралью необходимо производить проверку пробивных предохранителей, а в электроустановках до 1 кВ с глухозаземленной нейтралью проверку цепи фаза-нуль.
1.3. Объем и нормы испытаний ЗУ установлены РД 34.45-51.300-97 «Объем и нормы испытаний электрооборудования» (М.: НЦ ЭНАС, 1998).
1.4. Периодичность проверки параметров ЗУ следующая:
проверка ЗУ в полном объеме - не реже 1 раза в 12 лет;
проверка в той части, где возможно изменение ЗУ в результате проведенных работ, - после монтажа, переустройства и капитального ремонта оборудования на электростанциях, подстанциях и линиях электропередачи;
измерение напряжения прикосновения в электроустановках, ЗУ которых выполнено по нормам на напряжение прикосновения, - после монтажа, переустройства и капитального ремонта ЗУ и изменения токов КЗ, но не реже 1 раза в 6 лет (измерения должны выполняться при присоединенных естественных заземлителях и тросах ВЛ);
проверка состояния устройств молниезащиты - один раз в год перед началом грозового сезона;
проверка пробивных предохранителей и цепи фаза-нуль - не реже 1 раза в 6 лет.
1.5. При возникновении на территории объекта КЗ или связанных с ним аварийных ситуаций необходимо провести обследование ЗУ в зоне аварии и на прилегающих к ней участках ЗУ.
1.6. Рекомендуется проводить проверку состояния ЗУ после реконструкции, в особенности при установке на объекте электронных и микропроцессорных устройств.
1.7. Для измерения сопротивления ЗУ и определения напряжения прикосновения многие годы используется ряд приборов, различающихся областью применения, диапазонами измеряемых значений, схемами, помехоустойчивостью, частотой измерительного тока и т.п. Краткие характеристики приборов приведены в приложении 1, там же даны сведения о средствах измерений и контроля, разработанных в последние годы.
При вводе и в процессе эксплуатации контроль состояния ЗУ необходимо осуществлять путем проверки выполнения элементов ЗУ, соединения заземлителей с заземляемыми элементами и естественных заземлителей с ЗУ, коррозионного состояния элементов ЗУ, находящихся в земле, напряжения на ЗУ электроустановок при стекании с него тока замыкания на землю, состояния пробивных предохранителей, цепи фаза-нуль в электроустановках до 1 кВ с глухим заземлением нейтрали, а также измерения сопротивления ЗУ электроустановок, заземлителей опор ВЛ и напряжения прикосновения.
Визуальная проверка проводится с целью контроля качества монтажа и соответствия сечения заземляющих проводников требованиям проекта и ПУЭ.
Измерение сечения проводников производится штангенциркулем. Измеренное сечение сравнивается с расчетным. Сечение заземляющих проводников Sзп (мм2) определяется по формуле
(1)
где Iз - ток замыкания на землю (ток, стекающий в землю через место замыкания), А (для ОРУ подстанций 6 - 35 кВ - ток двойного замыкания на землю Iз(1,1)), для ОРУ подстанций 110 - 1150 кВ - ток однофазного КЗ Iз(1));
t - время отключения замыкания на землю, с (время действия основной защиты и время работы выключателя).
Особое внимание следует уделить заземляющим проводникам от нейтралей трансформаторов, короткозамыкателей, шунтирующих и дугогасящих реакторов. Их сечение должно соответствовать максимальному для данной подстанции.
Уменьшение сечения из-за коррозии происходит в первую очередь непосредственно под поверхностью грунта, поэтому при контроле ЗУ в процессе эксплуатации обязательна выборочная проверка заземляющих проводников со вскрытием грунта на глубину примерно 20 см.
Коррозионные повреждения проводников на большей глубине, а также в сварных соединениях выявляются при измерениях напряжений прикосновения и проверке металлосвязей.
Если к ЗУ подстанции подсоединяется грозозащитный трос ВЛ, то ток через трос может быть равен:
0,2 Iз(1) для стальных тросов;
0,7 Iз(1) для сталеалюминиевых
(здесь Iз(1) - ток однофазного КЗ на проверяемой ВЛ вблизи подстанции, который можно принять равным току КЗ на соответствующем ОРУ).
Допустимые токи Iдоп (кА) для различных марок грозозащитных тросов при времени отключения КЗ, равном 1 с, приведены в табл. 1.
Таблица 1
|
Iдоп кА |
Марка троса |
Iдоп кА |
|
|
ПС25 |
1,5 |
АС-50 |
7,2 |
|
ПС35 |
2,0 |
АС-70 |
10,3 |
|
ПС50 |
3,0 |
АС-95 |
14,4 |
|
ПС70 |
4,5 |
АС-120 |
17,1 |
|
АС-35 |
5,5 |
АС-150 |
22,2 |
При ином времени t допустимый ток Iдопt можно определить по выражению
(2)
При визуальном контроле ЗУ проводится проверка болтовых соединений. Болтовые соединения должны быть надежно затянуты, снабжены контргайкой и пружинной шайбой.
Предварительно составляется рабочий план размещения силового оборудования электроустановки. На плане рекомендуется нанести в масштабе:
всю территорию электроустановки, включая здания и отдельно стоящее оборудование, подлежащее заземлению;
магистрали ЗУ и точки присоединения к нему силового оборудования;
кабельные каналы, колодцы, трубопроводы;
ограждения;
автомобильные и пешеходные дороги.
Образец схемы-плана представлен на рис. 1.
Определение трасс прокладки искусственного заземлителя в грунте осуществляется измерительным комплексом КДЗ-1. Источник переменного тока (ИПТ) 400 Гц подключается к двум разнесенным по территории точкам ЗУ исследуемой электроустановки. Проводятся проверка работоспособности и калибровка измерительной аппаратуры в соответствии с инструкцией по эксплуатации.
С помощью измерителя напряженности магнитного поля ИПМ определяется фон излучения магнитного поля на территории электроустановки при отключенном ИПТ:
на уровне грунта;
в местах присоединения шин заземления к оборудованию;
над кабельными каналами, под кабельными лотками;
в местах прокладки трубопроводов и выхода силовых и информационных кабелей из зданий.
Фиксируется наибольшее значение фона излучения магнитного поля. В дальнейшем устанавливается такое значение тока ИПТ, чтобы уровень магнитного поля полезного сигнала превышал максимальное фоновое не менее чем в 10 раз.
Определяется трасса прокладки магистралей заземления без вскрытия грунта. Для этого ИПТ подключается к различным удаленным одна от другой точкам ЗУ и с помощью ИПМ определяются и наносятся на план места прокладки и соединений поперечных и продольных заземлителей.

Рис. 1. Схема-план заземляющего устройства подстанции:
кабельный канал;
портал;
горизонтальный заземлитель;
молниеотвод;
наземное соединение с заземляющим устройством;
присоединение заземляющего проводника к
оборудованию;
указатель незаземленного оборудования;
обрыв заземляющего проводника
Определяются подземные и наземные (через броню и оболочки кабелей, нулевые провода, трубопроводы и металлоконструкции) связи оборудования с ЗУ. Один из выводов ИПТ подключается к ЗУ, а второй последовательно присоединяется к заземляющим проводникам оборудования, подлежащего заземлению. Установленные связи наносятся на план. Определяется глубина залегания горизонтальных заземлителей и подземных связей. Для этого с помощью датчика ИПМ у поверхности земли фиксируется значение напряженности H1. Датчик ИПМ поднимается над землей на высоту h1, при которой индикатор ИПМ будет показывать значение 0,5H1.Глубина залегания шины заземлителя lз ≈ h1.
Пример определения реальной схемы ЗУ приведен в приложении 2.
Проверку контактных соединений и металлических связей оборудования с ЗУ необходимо осуществлять в:
цепи заземления нейтралей трансформаторов;
цепи заземления короткозамыкателей;
цепи заземления шунтирующих и дугогасящих реакторов;
местах соединения грозозащитных тросов с опорами и конструкциями ОРУ;
местах соединения заземляемого оборудования с ЗУ.
Контактные соединения проверяются осмотром, простукиванием, а также измерением переходных сопротивлений мостами, микроомметрами и по методу амперметра-вольтметра.
Значение сопротивления контактов не нормируется, но практикой установлено, что качественное присоединение к заземлителю обеспечивается при переходном сопротивлении не более 0,05 Ом.
Проверка металлосвязей оборудования с ЗУ выполняется как на рабочих, так и на нерабочих местах. Если заземляющий проводник не подсоединен к ЗУ (нет связи), измеренное значение напряжения во много раз отличается от значений, измеренных на соседних корпусах оборудования.
На подстанциях напряжением 220 кВ и выше рекомендуется дополнительно проверять сопротивление металлосвязи между заземлителем ОРУ и местом заземления нейтрали трансформатора. Это измерение в случае применения измерителя напряжения прикосновения производится по схеме, при которой выводы Т2 и П2 прибора соединяются с точкой заземления нейтрали трансформатора, а выводы Т1 и П1 соединяются с заземлителем ОРУ. Связь считается удовлетворительной, если сопротивление не превышает значения 0,2 Ом.
Заземляющие устройства энергообъектов подвергаются совместному воздействию грунтовой коррозии и токов короткого и двойного замыкания на землю. Воздействие больших токов ускоряет разрушение естественных и искусственных заземлителей.
На энергообъектах как правило разрушаются:
трубопроводы хозяйственного водоснабжения и аварийного пожаротушения;
заземляющие проводники в местах входа в грунт, непосредственно под поверхностью грунта;
сварные соединения в грунте;
горизонтальные заземлители;
нижние концы вертикальных электродов.
Разрушения бывают:
локальные;
местные;
общие.
Локальные коррозионные повреждения заземляющих проводников выявляются при осмотрах (в основном со вскрытием грунта), а также при измерениях напряжения прикосновения и проверке металлосвязи.
Местная коррозия характеризуется появлением на поверхности проводника отдельных, иногда множественных, повреждений в форме язв или кратеров, глубина и поперечные размеры которых соизмеримы и колеблются в пределах от долей миллиметра до нескольких миллиметров.
Общая коррозия возникает в грунтах с большой коррозионной активностью.
Для сплошной поверхностной коррозии характерно равномерное по всей поверхности проводника проникновение в глубь металла с соответствующим уменьшением размеров поперечного сечения элемента. После механического удаления продуктов коррозии поверхность металла оказывается шероховатой, но без очевидных язв, точек коррозии или трещин.
Количественная оценка степени коррозионного износа производится выборочно по участкам контролируемого элемента ЗУ путем измерения характерных размеров, зависящих от вида коррозии. Эти размеры определяются после удаления с поверхности элемента продуктов коррозии.
При сплошной поверхностной коррозии характерными размерами являются линейные размеры поперечного сечения проводника (диаметр, толщина, ширина), измеряемые штангенциркулем.
При местной язвенной коррозии измеряется глубина отдельных язв (например, с помощью штангенциркуля), а также площадь язв на контролируемом участке.
Элемент ЗУ должен быть заменен, если разрушено более 50 % его сечения.
Для выявления тенденции коррозии и прогнозирования срока службы заземлителей рекомендуется произвести измерения электрохимического окислительно-восстановительного потенциала, удельного сопротивления грунта и определить наличие блуждающих токов в земле.
Методика этих измерений приведена в приложении 3.
Измерение сопротивления производится без отсоединения грозозащитных тросов, оболочек отходящих кабелей и других естественных заземлителей. Измерения должны выполняться в периоды наибольшего высыхания грунта. При проведении измерений в условиях, отличающихся от указанных, необходимо применять сезонный коэффициент Кс (см. приложение 3). Сопротивление Rзу определяется по формуле
Rзу = Кс · Rзу изм, (3)
где Rзу изм - сопротивление ЗУ, полученное при измерениях.
Сопротивление ЗУ измеряется по методу амперметра-вольтметра с помощью одного из нижеперечисленных приборов: МС-08, М-416, Ф 4103, ЭКЗ-01, ПИНП, ЭКО-200, АНЧ-3, КДЗ-1, ОНП-1 (см. приложение 1). Принципиальная схема измерений приведена на рис. 2. Токовый и потенциальный электроды следует располагать на одной линии по территории, свободной от линий электропередачи и подземных коммуникаций. Расстояния от подстанции до токового и потенциального электродов выбираются в зависимости от размеров ЗУ и характерных особенностей территории вокруг подстанции.

Рис. 2. Принципиальная схема измерений сопротивления ЗУ:
ЗУ - заземляющее устройство; П - потенциальный электрод; Т - токовый электрод
Если заземлитель подстанции имеет небольшие размеры, а вокруг него имеется обширная площадь, свободная от линий электропередачи и подземных коммуникаций, то расстояния до электродов (токовых и потенциальных) выбираются следующим образом:
Rэт ³ 5Д;
Rэп ≈ 0,5rэт.
Здесь Д - наибольший линейный размер ЗУ, характерный для данного типа заземлителя (для заземлителя в виде многоугольника - диагональ ЗУ, для глубинного заземлителя - длина глубинного электрода, для лучевого заземлителя - длина луча).
Если заземлитель имеет большие размеры, но вокруг него нет обширной площади, свободной от линий электропередачи и подземных коммуникаций, токовый электрод следует разместить на расстоянии rэт ³ 3Д. Потенциальный электрод размещается последовательно на расстоянии rэп, равном 0,1rэт; 0,2rэт; 0,3rэт; 0,4rэт; 0,5rэт; 0,6rэт; 0,7rэт; 0,8rэт; 0,9rэт, и производится измерение значений сопротивления. Далее строится кривая зависимости значения сопротивления от расстояния rэп. Если кривая монотонно возрастает и имеет в средней части горизонтальный участок (как показано на рис. 3), за истинное значение сопротивления принимается значение при rэп = 0,5rэт. Если кривая немонотонная, что является следствием влияния различных коммуникаций (подземных и надземных), измерения повторяются при расположении электродов в другом направлении от ЗУ.

Рис. 3. Зависимость измеренного сопротивления от расстояния потенциального электрода до токового:
а - при достаточном удалении токового электрода; б - при недостаточном удалении токового электрода; 1 - кривая при rэт = 3Д; 2 - кривая при rэт = 2Д
Если кривая сопротивления плавно возрастает, но не имеет горизонтального участка (разница сопротивлений, измеренных при rэп = 0,4rэт и rэп = 0,6rэт, превышает более чем на 10 % значение, измеренное при rэп = 0,5rэт) и отсутствует возможность перемещения токового электрода на большее расстояние, возможен следующий выход.
Проводятся две серии измерений при rэт = 2Д и rэт = 3Д. Кривые наносятся на один график. Точка пересечения кривых принимается за истинное значение сопротивления заземлителя.
При использовании приборов М-416, ЭКЗ-01, ЭКО-200, АНЧ-3 кривые могут не пересечься. В этом случае рекомендуется использовать приборы МС-08, Ф 4103, ПИНП.
При производстве измерений в качестве вспомогательных электродов применяются стальные стержни или трубы диаметром до 50 мм. Стержни должны быть очищены от краски, а в месте присоединения соединительных проводников и от ржавчины. Стержни забиваются или ввинчиваются в грунт на глубину 1,0 - 1,5 м. В случае необходимости токовый электрод выполняется из нескольких параллельно соединенных электродов, размещаемых по окружности, с расстоянием между ними 1,0 - 1,5 м.
При выборе токового электрода необходимо выполнить проверку соответствия сопротивления токовой цепи техническим данным прибора, с помощью которого предлагается произвести измерения. Допустимое сопротивление токовой цепи (с электродом) у различных приборов имеет различные значения и зависит также от выбранного диапазона измерения сопротивления заземления. Для прибора Ф 4103, например, допустимое сопротивление токовой цепи в зависимости от выбранного диапазона измерений меняется от 1 до 6 кОм.
Для проверки сопротивления токовой цепи необходимо в начале всех измерений объединить выводы T1 и П1 прибора, соединить их с токовым электродом и выполнить измерения сопротивления токовой цепи.
При эксплуатации электроустановок может возникнуть необходимость определить сопротивление искусственного заземлителя или сопротивления связи оборудования по ЗУ. Такие измерения можно осуществить с помощью, например, измерительного комплекса КДЗ-1 (приложение 4).
Методика измерения сопротивления заземлителей опор ВЛ без грозозащитного троса практически мало отличается от измерения сопротивления заземлителей подстанции.
Поскольку ЗУ с большими размерами в плане редко применяются на опорах ВЛ, в большинстве случаев удовлетворительные результаты могут быть получены при расположении электродов по двухлучевой схеме при расстоянии между электродами, удовлетворяющем соотношениям:
rэп = rэт = 1,5Д;
rтп = Д,
где rтп - расстояние между токовым и потенциальным электродами.
Расстояние rэп должно измеряться от края ЗУ и во всех случаях должно составлять не менее 30 м от тела опоры.
В случае невозможности или нецелесообразности отсоединения от тела опоры грозозащитного троса измерение сопротивления заземлителя опоры может выполняться:
с помощью токоизмерительных клещей;
методом СибНИИЭ;
импульсным методом МЭИ - ЭЛНАП.
Метод измерения с помощью токоизмерительных клещей заключается в измерении суммарного тока, протекающего по всем заземляющим спускам, ногам или стойкам опоры, и потенциала заземляющего спуска относительно вспомогательного электрода, помещенного в зону нулевого потенциала. Сопротивление заземлителей определяется как отношение потенциала к суммарному току. На ВЛ 110 кВ токи, стекающие в землю по опорам, составляют от нескольких сот миллиампер до нескольких ампер.
Метод СибНИИЭ основан на использовании двух потенциальных (П1 и П2) и двух токовых электродов (сравнительный - СЭ и вспомогательный токовый - ВТ).
Взаимное расположение указанных электродов и контролируемого ЗУ указано на рис. 4.
Рис. 4. Схема взаимного расположения электродов при измерении сопротивления опоры без отсоединения тросов по методу СибНИИЭ
В качестве измерительных приборов при реализации этого метода могут быть использованы серийные измерители заземления, а также приборы из геофизических комплектов. Учитывая очень малые значения измеряемых величин, необходимо использовать усилительные приставки.
Измерения производятся трижды с включением независимого источника тока и измерительных приборов по схемам рис. 5. При этом определяются последовательно три значения сопротивления R1, R2 и R3, соответствующие схемам измерения на рис. 5, а, б, в. Искомое сопротивление ЗУ опоры Rзу (при использовании прибора без усилительной приставки) определяется по формуле
(4)

Рис. 5. Схемы трех последовательно используемых вариантов включения измерительных приборов при измерениях по методу СибНИИЭ (см. рис. 4)
Импульсный метод измерения сопротивления заземлителей МЭИ - ЭЛНАП позволяет выполнять работы по проверке заземления не только отдельно стоящих опор ВЛ и молниеотводов, но также опор с присоединенными грозозащитными тросами и молниеотводов, смонтированных на порталах ОРУ (рис. 6). В качестве источника используется генератор апериодических импульсов, моделирующий по временным параметрам форму импульса тока молнии (например, прибор ИК-1).
В качестве токового электрода используется стальной стержень диаметром 16 - 18 и длиной 800 - 1000 мм, который забивается на глубину 0,5 м в грунт на расстоянии 50 м от объекта измерений. Подсоединение выносного токового электрода осуществляется через изолированные провода.
С помощью пик-вольтметра измеряется напряжение между потенциальным электродом и ЗУ опоры ВЛ при различных расстояниях между ними (см рис. 6). По результатам измерений строится потенциальная кривая U (1) (рис. 7), по которой определяется установившееся значение напряжения (Uуст).
Импульсное сопротивление опоры (молниеотвода) определяется по формуле
(5)
где Iимп - измеренное значение импульсного тока.
Реальное сопротивление заземлителя опоры будет меньше за счет образования зоны коронирования вокруг заземлителя при ударе молнии. Поэтому значение импульсного сопротивления Rзу изм необходимо умножить на коэффициент импульса Ки, определяемый по формуле
(6)
где S - площадь заземлителя, м2;
ρ - удельное сопротивление грунта, Ом · м.
Если удельное сопротивление грунта превышает 300 Ом · м, рекомендуется измерять сопротивление растеканию опор с помощью прибора КДЗ-1, определяя часть тока, идущего в землю.

Рис. 6. Схема измерения сопротивления заземлителей опор ВЛ и молниеотводов:
1 - импульсный источник; 2 - пик-вольтметр; 3 - потенциальный электрод; 4 - токовый электрод; 5 - заземляющее устройство

Рис. 7. Зависимость разности потенциалов между заземляющим устройством опоры и потенциальным электродом от расстояния между ними
При проведении измерений с прибором ИК-1 одновременно может проводиться работа по определению путей растекания токов молнии и измерению потенциалов на прилегающих участках электроустановки при имитации токов молнии. Для этого собирается схема, изображенная на рис. 6, а пик-вольтметр присоединяется между выносным заземлителем и близлежащими заземленными частями электроустановки или энергообъекта. Измеренные значения потенциалов (Uизм) при токе от ИК-1 пересчитываются на ток молнии Iм:
(7)
Напряжение прикосновения Uпр определяется по выражению
(8)
где Iз - значение тока замыкания на землю в месте измерения;
- сопротивление,
измеренное прибором;
Rч - сопротивление тела человека (для установок свыше 1000 В с эффективно заземленной нейтралью Rч = 1 кОм);
Rосн.мин - минимальное из всех измеренных на объекте значений сопротивления основания.
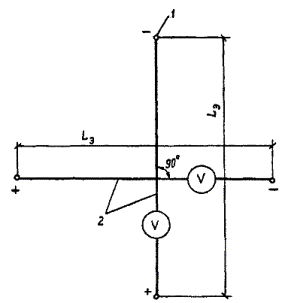
Принципиальные схемы измерительных цепей при определении напряжения прикосновения представлены на рис. 8 (к рабочим относятся места, на которых при выполнении оперативных переключений могут возникнуть КЗ и которые доступны для прикосновения производящему переключения персоналу).

Рис. 8. Схемы измерительных цепей при определении напряжений прикосновения:
а - на рабочем месте; б - на нерабочем месте
В качестве измерительных приборов можно использовать ПИНП, АНЧ-3, ЭКЗ-01, КДЗ-1 или ОНП-1.
Токовый электрод размещается таким образом, чтобы возможно точнее имитировать токовую цепь, возникающую при замыкании на землю.
При измерении напряжения прикосновения на территории ОРУ 110 кВ и выше, питание которого осуществляется от одной или нескольких ВЛ, токовый электрод переносится от края заземлителя не менее чем на 2Д.
Если подстанция располагается на территории промышленного предприятия, на застроенной территории, то для уменьшения наводки напряжения на токовую цепь рабочим током ВЛ токовый электрод переносится не менее чем на 200 м от подстанции и примерно на 100 м в сторону от питающих ВЛ.
Если измерения выполняются на ОРУ 110 кВ, с шин которого осуществляется питание нагрузки, а питание шин в свою очередь осуществляется от автотрансформатора с высшим напряжением 220 - 1150 кВ, токовый электрод можно присоединять к нейтрали питающего автотрансформатора.
Проводники токовой и потенциальной цепей должны подключаться к заземленному оборудованию отдельными струбцинами, при этом проводник токовой цепи присоединяется к заземляющему проводнику. Проводник потенциальной цепи может быть подсоединен к этому же заземляющему проводнику или к любой точке металлоконструкции, т.е. к месту возможного прикосновения.
При измерении на нерабочем месте токовый вывод Т2 прибора присоединяется к заземляющей шинке корпуса ближайшего оборудования, по которой может протекать ток КЗ.
Потенциальная цепь от вывода П1 прибора подсоединяется к пластине, имитирующей стопы ног человека, размером 25 см ´ 25 см, которая располагается примерно в 1 м от оборудования. Основание под пластиной должно быть выровнено и увлажнено 250 мл воды. Пластина должна быть выполнена таким образом, чтобы при измерениях на ней мог располагаться человек, создающий необходимое давление, которое должно быть не менее 50 кгс/см2.
Напряжения прикосновения необходимо измерять в контрольных точках, в которых эти значения определены расчетом при проектировании. Кроме того, рекомендуется производить измерения на всех рабочих и нерабочих местах.
При измерениях на подстанциях 110 кВ и выше выводы П1 и П2 измерительного прибора должны быть шунтированы резистором 1 кОм, как это показано на рис. 8. В приборах ПИНП и ЭКО-200 этот резистор встроен.
Для определения сопротивления основания собирается схема, показанная на рис. 9. Определение сопротивления основания рекомендуется производить у каждой точки измерения. Сопротивление Rосн измеряется мегомметром либо с помощью прибора ОНП-1 (в этом случае к заземляющему проводнику присоединяются выводы П1 и Т1, а к основанию П2, Т2).

Рис. 9. Схема измерения сопротивления основания:
1 - мегомметр; 2 - доска; 3 - поролон; 4 - медная сетка; 5 - мокрая ткань
При измерении значений напряжений прикосновения Uпр.изм на частоте, отличной от промышленной (прибор КДЗ-1), необходимо производить пересчет измеренных значений на истинные значения. При этом значение напряжения прикосновения на частоте 50 Гц (Uпр50) определяется по формуле
(9)
где Кп - коэффициент пересчета значений напряжения прикосновения с частоты 400 Гц на частоту 50 Гц.
В табл. 2 приведены значения Кп в зависимости от длины заземляющего оборудование проводника L.
Таблица 2
|
Длина проводника L, м |
|
|
1 |
0 - 5 |
|
1,05 |
5 - 10 |
|
1,1 |
10 - 15 |
|
1,15 |
15 - 20 |
|
1,2 |
20 - 25 |
|
1,25 |
25 - 30 |
Полученные значения Uпр50 сопоставляются с нормами на напряжение прикосновения.
По измеренному значению сопротивления ЗУ (Rзy) рассчитывается напряжение на ЗУ (Uзу) при стекании с него тока замыкания на землю. Расчет ведется по формуле
Uзу = КсRзу Iз, (10)
где Iз - ток однофазного замыкания на землю для электроустановок напряжением выше 1 кВ в сети с эффективно заземленной нейтралью.
Проверка состояния пробивных предохранителей заключается в проверке целости фарфора, резьбовых соединений и крепления, качества заземления. Разрядные поверхности электродов должны быть чистыми и гладкими, без заусенцев и нагаров. Слюдяная пластинка должна быть целой и иметь толщину в пределах 0,08 ± 0,02 мм при исполнении на 220 - 380 В и 0,21 ± 0,03 мм при исполнении на 500 - 660 В.
У собранного предохранителя измеряется сопротивление изоляции мегомметром до 250 В, которое должно быть не менее 5 МОм.
Перед установкой предохранителя измеряется его пробивное напряжение. Основные значения пробивных напряжений предохранителей ПП-А/3 приведены в табл. 3.
Таблица 3
|
Исполнение |
Пробивное напряжение, В |
Толщина слюдяной прокладки, мм |
|
|
220 - 380 |
I |
351 - 500 |
0,08 ± 0,02 |
|
500 - 660 |
II |
701 - 1000 |
0,21 ± 0,03 |
Для ограничения после пробоя сопровождающего тока в цепь предохранителя включается токоограничивающее сопротивление 5 - 10 кОм.
Если пробивное напряжение соответствует норме, то напряжение снижается и снова повышается до 0,75Uпроб. Если при этом не наступает пробой, то испытательная установка отключается и повторно измеряется сопротивление изоляции. При существенном снижении сопротивления изоляции (более 30 %) необходимо разобрать предохранитель, зачистить подгоревшие разрядные поверхности и повторить испытания, увеличив балластное сопротивление.
Проверка выполняется одним из следующих способов:
непосредственным измерением тока однофазного замыкания на корпус или нулевой провод;
измерением полного сопротивления проводов петли фаза-нуль с последующим вычислением тока однофазного замыкания.
Полное сопротивление петли фаза-нуль Zпет определяется по формуле
Zпет = Zп + Zт, (11)
где Zп - полное сопротивление проводов;
Zт - полное сопротивление трансформатора при однофазном замыкании.
Кратность тока однофазного замыкания на землю по отношению к номинальному току плавкой вставки или расцепителя автоматического выключателя должна быть не менее значения, указанного в ПУЭ.
В эксплуатации проверка проводится только на ВЛ с периодичностью не реже 1 раз в 6 лет.
Проверка цепи фаза-нуль должна осуществляться также при подключении новых потребителей и выполнении работ, вызывающих изменение сопротивления цепи.
При проведении работ по диагностике ЗУ электроустановок, в системах управления, контроля и сигнализации которых используются электронные и микропроцессорные устройства, следует учитывать, что современная электронная аппаратура чувствительна к электромагнитным помехам.
Определение уровня помех следует производить после полного обследования ЗУ и составления подробной исполнительной схемы со всеми имеющимися связями.
Для проведения работ по проверке уровня помех необходимо следующее оборудование: КДЗ-1, ИК-1, ГВЧИ, осциллограф, токоизмерительные клещи.
С помощью перечисленных приборов имитируются следующие воздействия на ЗУ: КЗ, коммутация силового оборудования, разряды тока молнии.
При имитации разряда тока молнии выходные выводы ИК-1 присоединяются между токоотводом молниеприемника и токовым электродом, расположенным на расстоянии не менее 50 м от молниеотвода. Устанавливаются выходной ток ИК-1 (Iист) и потенциалы (Uм) на ЗУ и уровень помех на входных выводах устройств. Значение потенциала определяется по формуле
Uм = КпUизм, (12)
где
(здесь Iизм в килоамперах).
При имитации КЗ выходные клеммы выводы ИПТ (прибор КДЗ-1) подключаются к заземляющему проводнику силового оборудования и выносному токовому электроду, расположенному за пределами ЗУ. Устанавливается выходной ток источника и измеряются токи в кабелях, потенциалы на ЗУ и уровень помех на входных выводах устройств. Реальные значения измеренных величин пёресчитываются на реальный ток КЗ.
Для имитации высокочастотных возмущений в ЗУ, создаваемых коммутацией силового оборудования и токами КЗ, применяется прибор ГВЧИ, подключаемый к заземляющему проводнику силового оборудования и выносному токовому электроду, расположенному на расстоянии не менее 50 м от точки подключения к силовому оборудованию. Устанавливаются выходной ток ГВЧИ и потенциалы UBЧ на ЗУ, а также уровень помех на входных выводах устройств.
Результаты измерений должны быть пересчитаны в соответствии с реальными воздействиями по формуле
Uвч = КпUизм, (13)
где Кп - коэффициент пересчета, равный Iреал/Iизм.
(Здесь Iреал - реальный ток с оборудования в контур заземления при коммутациях или КЗ;
Iизм - значение тока, полученное при проведении измерений в данной точке подключения ГВЧИ).
Значения тока Iреал для различных случаев приведены в табл. 4.
Таблица 4
|
Напряжение в первичной сети Uп, кВ |
||||||||||
|
110 |
220 |
330 |
500 |
750 |
||||||
|
при числе отходящих линий пл |
||||||||||
|
1 |
4 |
1 |
4 |
1 |
4 |
1 |
4 |
1 |
4 |
|
|
Амплитуда импульса тока, проходящего в заземлитель при КЗ на подстанции с ОПН Iопнкз |
0,48 |
1,9 |
0,95 |
3,8 |
1,15 |
6,2 |
2,75 |
11,0 |
4,75 |
19,0 |
|
Амплитуда импульса тока при КЗ на подстанции с вентильными разрядниками (при минимальном значении пробивного напряжения) Iрв(мин)кз |
0,55 |
2,2 |
1,1 |
4,25 |
1,8 |
7,0 |
3,2 |
12,8 |
4,4 |
17,6 |
|
Амплитуда импульса тока при КЗ на подстанции с вентильными разрядниками (при максимальном значении пробивного напряжения) Iрв(макс)кз |
0,88 |
3,5 |
1,8 |
7,1 |
2,2 |
8,7 |
3,3 |
15,3 |
5,4 |
21,5 |
|
Максимальное значение тока при коммутационных процессах Iком.макс |
0,225 |
0,45 |
0,77 |
1,450 |
2,450 |
|||||
|
Наиболее вероятное значение тока при коммутационных процессах Iком.вер |
0,035 |
0,09 |
0,23 |
0,50 |
0,85 |
|||||
Полученные значения воздействующих на устройства уровней помех следует сравнивать с допустимыми уровнями по условиям испытания устройств на помехозащищенность и прочность изоляции.
Работы по измерениям характеристик ЗУ должны производиться в соответствии с действующими Правилами техники безопасности при эксплуатации электроустановок. Работы по измерениям электрических характеристик следует выполнять по нарядам.
При измерениях на действующих энергообъектах с использованием вынесенных токовых и потенциальных электродов должны приниматься меры к защите от воздействия полного напряжения на заземлителе при стекании с него тока однофазного КЗ на землю.
Персонал, производящий измерения, должен работать в диэлектрических ботах, диэлектрических перчатках, пользоваться инструментом с изолированными ручками.
При сборке измерительных схем следует сначала присоединять провод к вспомогательному электроду (токовому, потенциальному) и лишь затем к соответствующему измерительному прибору.
На каждое ЗУ составляются паспорт и протокол проверки состояния ЗУ (см. приложение 6 и 7).
В паспорте должно быть отражено следующее:
дата ввода ЗУ в эксплуатацию (дата реконструкции или ремонта ЗУ);
основные параметры заземлителя (материал, профиль, сечение проводников);
данные по сопротивлению ЗУ;
исполнительная схема ЗУ, выполненная в масштабе, с указанием магистралей искусственного заземлителя, заземляемого оборудования, мест присоединения заземляющих проводников к ЗУ (на исполнительной схеме должны быть показаны все подземные и наземные связи ЗУ);
удельное сопротивление грунта;
данные по напряжению прикосновения;
данные по сопротивлению связи оборудования с ЗУ;
степень коррозии искусственных заземлителей;
сведения по электромагнитной совместимости;
ведомость дефектов, обнаруженных в ходе текущих проверок;
сведения по устранению замечаний и дефектов ЗУ;
заключение о пригодности ЗУ к эксплуатации.
При вводе вновь сооружаемых объектов, реконструкции или текущей проверке ЗУ проводится комплекс измерений и расчетов, на основании которых определяется состояние ЗУ и его соответствие требованиям нормативных документов.
При отклонении параметров ЗУ от нормы или при обнаружении повреждений ремонт и усиление ЗУ в большинстве случаев можно выполнить силами предприятия. Для этого рекомендуются следующие наиболее эффективные меры.
Если сопротивление ЗУ выше нормы:
подключить к ЗУ подстанции все грозозащитные тросы, предварительно проверив их на термическую устойчивость к токам КЗ;
подключить к ЗУ рельсовые пути, соединив их с нейтралями трансформаторов и сварив все стыки, за исключением изолирующих стыков устройств СЦБ (на подходе к подстанции);
соединить ЗУ с водоводами, особенно в тех местах, где трасса водовода пересекается горизонтальными заземлителями; места приварки соединительных электродов к водоводу тщательно изолировать от грунта;
подсоединить к ЗУ артезианские скважины, находящиеся на территории подстанции и вблизи неё, приняв меры к снижению напряжений прикосновения;
проложить за территорией подстанции лучевые заземлители, лучше вдоль линий электропередачи, соединив их с ЗУ и заземлителями (фундаментами) опор ВЛ. Число лучей рекомендуется не более четырех - по одному с каждой стороны подстанции. Ориентировочная суммарная длина лучей l определяется из выражения
(14)
где Rизм - измеренное сопротивление заземления;
S - площадь, занимаемая ЗУ;
Rнорм - нормативное сопротивление.
Если напряжение прикосновения на заземляющем устройстве выше нормы:
при значительном превышении измеренного значения над средним по подстанции произвести откопку заземляющего проводника, отыскать место разрыва (в том числе плохой контакт в сварном соединении) и соединить сваркой;
произвести подсыпку щебня, гальки толщиной 10 - 20 см на площади, за пределы которой человек не выходит при производстве оперативного переключения на данном присоединении;
уложить на глубину 0,1 м сетчатый заземлитель из круглой стали диаметром не менее 6 мм, соединив его с заземляющим проводником. Ячейка сетки 0,5 мм ´ 0,5 мм;
на бетонные плиты, находящиеся постоянно во влажном состоянии, постелить резиновые коврики;
в отдельных случаях временно допускается распоряжением по предприятию обязать персонал производить переключения в изолирующей обуви.
Если обнаружены коррозионные повреждения:
при малом сечении заземляющих проводников произвести их замену на круглые большего сечения, выбранные по термической устойчивости и увеличенные (по диаметру не менее чем на 2 мм) по условиям коррозии;
при заметной коррозии изолировать места входа в грунт заземляющих проводников с помощью ПХВ-ленты на 20 см выше и ниже поверхности грунта;
при обнаружении коррозии сварных соединений очистить от коррозии и изолировать ПХВ-лентой сварные соединения;
при повреждениях водовода заменить трубу и к местам, соответствующим выявленным повреждениям, приварить проводник из круглой стали диаметром не менее 12 мм, проложив его по кратчайшему пути к ближайшему горизонтальному заземлителю.
При обнаружении слабых металлосвязей:
при отсутствии восстановить, используя круглые проводники соответствующего сечения;
проложить связи между ОРУ и местом заземления нейтралей трансформаторов сталью круглого сечения диаметром не менее 12 мм, максимально используя пути перекатки трансформаторов;
использовать для усиления связи грозозащитный трос ВЛ от трансформаторов к ОРУ, проверив его на термическую устойчивость;
проложить дополнительные проводники (не менее двух) из круглой стали диаметром не менее 12 мм между ЗУ различных ОРУ таким образом, чтобы шунтировать ОРУ с обеих сторон.
При прочих ненормальностях, в том числе в работе релейной защиты, автоматики, связи, при КЗ на подстанции по невыясненным причинам, обращаться в специализированные организации.
При реконструкции ЗУ может быть использован численный анализ его по методу МЭИ (приложение 5).
Аппаратура содержит генерирующий (токовый) и измерительный (потенциальный) блоки. С помощью генерирующего блока и присоединяемых к нему токовых проводов имитируются токовые цепи, возникающие при замыканиях на землю в электрической сети. Измерительный блок с присоединенными к нему потенциальными проводами регистрирует при этом возникающие напряжения.
Как правило, выводы генерирующего блока обозначены T1 и Т2, а измерительного блока - П1 и П2.
В настоящее время для измерения используются следующие приборы:
Измеритель сопротивления заземлителя Ф 4103 (ПО «Мегомметр», Украина, г. Умань)
Диапазон измеряемых сопротивлений 0,03 ... 15000 Ом
Сопротивление токовой цепи (с электродом) на
диапазонах, Ом:
0 ... 0,3 1000 Ом
0 ... 1,0 1000 Ом
0 ... 3,0 3000 Ом
0 ... 10 3000 Ом
на всех последующих 6000 0м
Сопротивление потенциальной цели (с электродом) на
диапазонах, Ом:
0 ... 0,3 2000 Ом
0 ... 1,0 2000 Ом
0 ... 3,0 6000 Ом
0 ... 10 6000 Ом
на всех последующих 12000 Ом
Погрешность, вызываемая влиянием Отсутствует
токовой цепи на потенциальную
Устойчивость к помехам:
промышленной частоты и ее гармоник 5 В
скачкам постоянного тока 2 В
Исполнение генерирующего и измерительного блока В одном корпусе
Питание блока:
генерирующего Элемент типа 373 - 9 шт.
измерительного От внешнего
источника постоянного тока 12 В
Масса 3 кг
Измеритель Ф 4103 - наиболее точный специализированный прибор для измерения сопротивления ЗУ. Он позволяет также определять напряжения прикосновения в электроустановках 6 - 35 кВ.
Измеритель напряжения прикосновения ПИНП (МП «Полюс», завод «Мегомметр», Украина, г. Умань)
Имеет увеличенный (по сравнению с Ф 4103) измерительный ток.
Диапазон измеряемых сопротивлений 0,001 ... 10 Ом
Сопротивление токовой цепи (с электродом) До 200 Ом
Сопротивление потенциальной цепи До 10000 Ом (при измерениях (с электродом) напряжения прикосновения не регламентируется)
Погрешность, вызываемая влиянием токовой Отсутствует
цепи на потенциальную
Устойчивость к помехам частотой, Гц
50 0,2 В
150 0,1 В
0,1 ... 10 МГц 0,3 В
скачкам постоянного тока 0,2 В
Исполнение генерирующего и измерительного В одном корпусе
блоков
Питание От сети 220 В 50 Гц
Масса 3,5 кг
Измеритель ПИНП - наиболее точный специализированный прибор для определения напряжений прикосновения в электроустановках напряжением свыше 1000 В.
Измеритель цепи фаза-нуль ЭКО 200 (ПО «Мегомметр», Украина, г. Умань)
Диапазон измеряемых сопротивлений 0,001 ... 6,25 Ом
Сопротивление токовой цепи (с электродом) Менее 5,5 Ом
Сопротивление потенциальной цепи (с электродом) на диапазонах, В:
0 ... 0,5 Менее 600 Ом
0 ... 2,5 3000 Ом
0 ... 5 6000 Ом
на всех последующих 12000 Ом
Погрешность, вызываемая влиянием токовой В приборе не
цепи на потенциальную устраняются
Устойчивость к помехам промышленной От помех не защищен
частоты и ее гармоникам
Исполнение генерирующего и измерительного блоков Раздельное
Питание блока:
генерирующего От сети 220 В 50 Гц*
измерительного 10 элементов типа А 316
Масса блока:
генерирующего 5 кг
измерительного 2 кг
* При использовании трансформатора собственных нужд измеряемой подстанции питание токовой цепи в общем случае следует осуществлять через разделительный однофазный трансформатор 220/220 В мощностью 10 - 100 кВ · А.
Точные результаты с помощью прибора ЭКО 200 можно получить лишь при малых сопротивлениях токовой цепи (единицы Ом) и отсутствии промышленных помех. Большие погрешности в измерениях могут вносить стальные проводники в токовых цепях (полосы ЗУ).
Недостатком измерителя ЭКО 200 является также невозможность одновременного определения тока и напряжения. Эти величины определяются поочередно одним прибором, входящим в измерительный блок комплекта.
Геофизическая аппаратура АНЧ-3 (завод «Вибратор», Молдова, г. Кишинев)
Диапазон измеряемых сопротивлений 0,0001 ... 1,0 Ом
Сопротивление токовой цепи (с электродом) До 2000 Ом
Сопротивление потенциальной цепи (с электродом) До 5000 Ом
Погрешность, вызываемая влиянием токовой цепи Мала из-за низкой
на потенциальную рабочей частоты
Устойчивость к помехам промышленной частоты Подавление 80 дБ
Исполнение генерирующего и измерительного Раздельное
блоков
Питание блока: От встроенных
аккумуляторов:
генерирующего 31 В
измерительного 15 В
Масса блока:
генерирующего 6,5 кг
измерительного 5,5 кг
Достоинством аппаратуры АНЧ-3 является ее комплектная поставка с измерительными проводами (6 катушек) и электродами.
В комплект поставки входят 3 измерительных блока и помимо указанного в таблице генерирующего блока еще стационарный генератор с бензоэлектрическим агрегатом 115 В, 400 Гц, позволяющий создать при соответствующих сопротивлениях токи в токовой цепи от 0,1 до 0,2 А, что повышает помехоустойчивость. Мощность стационарного генератора 500 В · А.
Недостатками аппаратуры АНЧ-3 являются занижение измеренных значений, особенно при протяженных стальных заземлителях, и невозможность определения сопротивления со значением выше 1 Ом.
Прибор для определения напряжения прикосновения (шага) косвенным методом ОНП-1 (ЗАО ЦНИТЭ, г. Новосибирск)
Диапазон измерения сопротивления (шаг квантования, Ом):
диапазон 1 0,001 ... 2,0 (0,001) Ом
диапазон 2 1 ... 2000 (1,0) Ом
Частота измерительного тока 12,5 Гц
Выходное напряжение Не более 15 В
Класс точности 2,5
Регистрация Цифровая
Режим измерения Автоматический
Время установления рабочего режима 30 с
Время установления показаний 10 с
Погрешность, вызываемая влиянием токовой цепи на Мала из-за низкой
потенциальную рабочей частоты
Устойчивость к помехам промышленной частоты Подавление 60 дБ
Напряжение питания:
автономное, от встроенного аккумуляторного блока 9 ± 1 В
сетевое (от блока питания) 220 ± 22 В
Потребляемая мощность Не более 1,2 Вт
Габаритные размеры 254´180´90 (110) мм
Масса со встроенным источником питания 2 кг
Конструктивно ОНП-1 выполнен в виде переносного блока. В комплект поставки входит блок сетевого питания и подзарядки аккумуляторов.
Преимущества перед аналогами:
высокая помехозащищенность;
цифровой отсчёт результата;
автономное питание;
низкие массогабаритные показатели;
не требуется режим калибровки и подстройки прибора перед каждым измерением во время обследования;
снимаются ограничения, связанные с сопротивлением цепи токового электрода (до Rтэ = 3000 у ОНП-1 и Rтэ < 250 у прибора ПИНП, аналога ОНП-1).
Измерительный комплекс для диагностики качества контуров заземления КДЗ-1 (НПФ ЭЛНАП, МЭИ, г. Москва)
Предназначен для проведения диагностики ЗУ электроустановок. В состав комплекса входят ИПТ и ИПМ.
Источник переменного синусоидального тока (ИПТ)
Предназначен для прогрузки систем заземления и зануления переменным током с частотой 200 и 400 Гц с целью диагностики ЗУ.
Технические характеристики:
Напряжение питания 220 В; 50 Гц; = 27 В
Потребляемая мощность Не более 300 Вт
Выходное напряжение 12 В; 400 Гц (дополнительно 200 Гц)
Выходной ток (0 - 10) А; 400 Гц (дополнительно 200 Гц)
Измеритель напряженности магнитного поля малогабаритный ИПМ-203М с антенной-преобразователем Н05
Предназначен для измерения напряженности переменного магнитного поля и переменного напряжения частотой 50; 200 и 400 Гц.
Технические характеристики:
Рабочий диапазон частот 400; 200; 50 Гц
Пределы измерения напряженности 1 мА/м ... 2000 А/м
магнитного поля
Рабочие условия эксплуатации:
температура окружающей среды От -10 до +40 °С
рабочие частоты селективного вольтметра 400; 200; 50 Гц
Пределы измерения переменного 0,01 мВ ... 200 В
напряжения
Измерительный комплекс для определения импульсного сопротивления контуров заземления ИК-1 (НПФ ЭЛНАП, МЭИ, г. Москва)
Предназначен для измерения импульсного сопротивления молниеотводов и опор ВЛ. В состав комплекса входят источник апериодических импульсов ГАИ и пик-вольтметр ВИ.
Генератор апериодических импульсов ГАИ
Представляет собой импульсный источник, предназначенный для имитации импульсов тока молнии с заданными параметрами. Технические характеристики:
Длительность фронта, мкс 8 ± 1,6
Длительность импульса, мкс 20 ± 4
Максимальная амплитуда выходного 250; 125; 61; 25
напряжения, В
Частота следования импульсов, Гц 2 ± 1
Вольтметр импульсный в составе ИК-1
Представляет собой пик-индикатор, предназначенный для измерения максимального значения напряжения в цепях заземления при воздействии апериодических импульсов тока.
Технические характеристики:
Диапазоны измеряемых напряжений 1 ... 5; 5 ... 50; 50 ... 550 В
Полярность измеряемых величин Положительная
Генератор высокочастотных импульсов ГВЧИ
Представляет собой импульсный источник, предназначенный для имитации высокочастотных импульсов напряжения с заданными параметрами.
Технические характеристики:
Частота 0,5; 1; 2 МГц
Форма сигнала Затухающая синусоида
Диапазон изменения максимального 100 ... 1500 В
напряжения
Частота следования импульсов 3 Гц
Вольтметр импульсный в составе ГВЧИ
Представляет собой пик-индикатор, предназначенный для измерения максимального значения напряжения в цепях заземления при воздействии высокочастотных колебаний.
Технические характеристики:
Диапазоны измеряемых напряжений 0,5 ... 5; 5 ... 50; 50 ... 250 В
Области применения различных приборов приведены в таблице.
Приборы для измерения электрических параметров ЗУ
|
Характеристика объекта |
Измеряемый параметр |
|||
|
Сопротивление заземлителя |
Напряжение прикосновения |
Проверка наличия металлосвязи |
||
|
на территории электроустановки |
вне территории электроустановки |
|||
|
Подстанция 6 - 10/0,4 кВ, расположенная в городе или на территории промышленного предприятия |
МС-08 |
ПИНП |
АНЧ-3 |
ПИНП |
|
М-416 |
АНЧ-3 |
ЭКЗ-01 |
АНЧ-3 |
|
|
Ф 4103 |
ЭКЗ-01 |
КДЗ-1 |
ЭКЗ-01 |
|
|
ЭКЗ-01 |
КДЗ-1 |
|
ЭКО-200 |
|
|
КДЗ-1 |
ОНП-1 |
|
КДЗ-1 |
|
|
ОНП-1 |
|
|
ОНП-1 |
|
|
Подстанция 6 - 10/0,4 кВ, отдельно стоящая, питающаяся от ВЛ 6 - 10 кВ |
МС-08 |
Ф 4103 |
АНЧ-3 |
ПИНП |
|
М-416 |
ПИНП |
ЭКЗ-01 |
АНЧ-3 |
|
|
Ф 4103 |
АНЧ-3 |
КДЗ-1 |
ЭКЗ-01 |
|
|
ЭКЗ-01 |
ЭКЗ-01 |
|
ЭКО-200 |
|
|
КДЗ-1 |
КДЗ-1 |
|
КДЗ-1 |
|
|
ОНП-1 |
ОНП-1 |
|
ОНП-1 |
|
|
Подстанция 35/6 - 10 кВ глубокого ввода в кабельные сети |
МС-08 |
ПИНП |
АНЧ-3 |
ПИНП |
|
М-416 |
АНЧ-3 |
ЭКЗ-01 |
АНЧ-3 |
|
|
Ф 4103 |
ЭКЗ-01 |
ЭКО-200 |
КДЗ-1 |
|
|
ЭКЗ-01 |
ЭКО-200 |
КДЗ-1 |
ОНП-1 |
|
|
КДЗ-1 |
КДЗ-1 |
|
|
|
|
ОНП-1 |
ОНП-1 |
|
|
|
|
Подстанция 35/6 - 10 кВ, отдельно стоящая, питающаяся от ВЛ 35 кВ |
МС-08 |
ПИНП |
АНЧ-3 |
ПИНП |
|
М-416 |
АНЧ-3 |
ЭКЗ-01 |
АНЧ-3 |
|
|
Ф 4103 |
КДЗ-1 |
КДЗ-1 |
ЭКЗ-01 |
|
|
ЭКЗ-01 |
ОНП-1 |
|
ЭКО-200 |
|
|
КДЗ-1 |
|
|
КДЗ-1 |
|
|
ОНП-1 |
|
|
ОНП-1 |
|
|
Подстанция 110 - 220 кВ глубокого ввода, расположенная на застроенной территории |
МС-08 |
ПИНП |
АНЧ-3 |
ПИНП |
|
ПИНП |
АНЧ-3 |
ЭКЗ-01 |
АНЧ-3 |
|
|
Ф 4103 |
ЭКЗ-01 |
ЭКО-200 |
ЭКЗ-01 |
|
|
АНЧ-3 |
ЭКО-200 |
КДЗ-1 |
ЭКО-200 |
|
|
КДЗ-1 |
КДЗ-1 |
|
КДЗ-1 |
|
|
ОНП-1 |
ОНП-1 |
|
ОНП-1 |
|
|
Подстанция 110 кВ с незаземленной нейтралью и 110 - 750 кВ с током в нейтрали (в рабочем режиме) до 1 А |
МС-08 |
ПИНП |
АНЧ-3 |
ПИНП |
|
ПИНП |
АНЧ-3 |
ЭКЗ-01 |
АНЧ-3 |
|
|
Ф 4103 |
ЭКЗ-01 |
ЭКО-200 |
ЭКЗ-01 |
|
|
ЭКЗ-01 |
ЭКО-200 |
КДЗ-1 |
ЭКО-200 |
|
|
ЭКО-200 |
КДЗ-1 |
|
КДЗ-1 |
|
|
АНЧ-3 |
ОНП-1 |
|
ОНП-1 |
|
|
КДЗ-1 |
||||
|
ОНП-1 |
||||
|
Подстанция 110 - 750 кВ с током в нейтрали от 1 до 10 А |
Ф 4103 |
ПИНП |
АНЧ-3 |
ПИНП |
|
ПИНП |
АНЧ-3 |
КДЗ-1 |
АНЧ-3 |
|
|
АНЧ-3 |
КДЗ-1 |
|
ЭКЗ-01 |
|
|
КДЗ-1 |
ОНП-1 |
|
ЭКО-200 |
|
|
ОНП-1 |
|
|
КДЗ-1 |
|
|
|
|
|
ОНП-1 |
|
|
Опоры ВЛ 6 - 1150 кВ при отсутствии грозозащитного троса или его изолированной подвески |
МС-08 |
- |
- |
- |
|
М-416 |
||||
|
Ф 4103 |
||||
|
АНЧ-3 |
||||
|
КДЗ-1 |
||||
|
ОНП-1 |
||||
|
Опоры ВЛ 35 - 110 кВ с присоединенным грозозащитным тросом и молниеотводы с прожекторным освещением |
ИК-1 |
- |
- |
- |
В качестве примера рассмотрена методика проведения диагностики ЗУ подстанции с помощью комплекса КДЗ-1.
1. Определяется часть территории подстанции, на которой будут производиться измерения - пример представлен на рис. П2.1. Магистрали заземления, представленные на рис. П2.1, должны быть выявлены в ходе измерений.
Рис. П2.1. Схема прокладки магистралей ЗУ:
1 - магистраль заземления; 2 - ИПТ; 3 - соединительные провода
2. С помощью соединительных проводов ИПТ подключается к двум точкам ЗУ, например к корпусу автотрансформатора AT1 (т. 1) и магистрали заземления здания ЩУ (т. 2), как показано на рис. П2.1.
3. Включается ИПТ, и регулятором устанавливается ток, обеспечивающий магнитное поле на измерительных проводах, напряженность которого превышает максимальное фоновое как минимум в 10 раз.
4. Магистраль искусственного заземлителя определяется следующим образом:
Начиная от т. 1 (см. рис. П2.1) находится направление на поверхности грунта с наибольшим значением напряженности магнитного поля, соответствующее реальному направлению прокладки заземлителя. На рис. П2.1 первый участок искусственного заземлителя соответствует отрезку между точками 1 и 3, второй - отрезку между точками 3 и 4 и т.д. до точки 2.
5. В местах ответвлений искусственного заземлителя повторяются измерения по п. 4 настоящего приложения и определяются остальные магистрали заземлителя, связывающие точки 1 и 2.
6. Постепенным переходом от одного узла ЗУ к другому составляется трасса прокладки шин заземлителя в грунте на исследуемом участке РУ. Для перехода к следующему участку необходимо произвести переключение ИПТ к двум другим точкам ЗУ.
7. Обрывы ЗУ выявляются следующим образом.
Если магистраль заземления имеет обрыв (например, между точками 4 и 5 рис. П2.1), то при перемещении от т. 4 к т. 5 показания ИПМ должны быть на уровне фона, поскольку ток по отрезку между точками 4 и 5 не протекает.
8. Выборочно определяется глубина прокладки горизонтальных шин заземлителя (не менее чем через каждые 10 м последних).
10. Определяются связи между технологическим оборудованием и ЗУ. Например, обследуется связь AT1 с ЗУ (см. рис. П2). Для этого источник ИПТ подключается между проводником, заземляющим корпус AT1 (т. 1 рис. П2.1), и другой точкой ЗУ (т. 4 рис. П2.1). Включается ИПТ и определяется напряженность НΣ на соединительном проводе. С помощью ИПМ определяется доля суммарного магнитного поля НΣ от токов, протекающих:
вниз, в искусственный заземлитель;
по оболочкам силовых и измерительных кабелей;
по трубам или каркасам порталов и других металлоконструкций.
Аналогично производятся измерения для всего оборудования электроустановки. Заполняется табл. П7.1 (см. приложение 7). Одновременно по мере необходимости заполняется табл. П7.2, в которой указывается оборудование, не имеющее связи с ЗУ.
11. На основе измерений по пп. 9 и 10 настоящего приложения составляется схема ЗУ, включающая в себя магистрали искусственного заземлителя, кабельные каналы, порталы и другие металлоконструкции, имеющие связи с ЗУ.
12. Определяется сопротивление связи между электротехническим оборудованием по ЗУ - табл. П7.3 приложения 7.
1. Выбор сезонного коэффициента сопротивления заземлителя
При определении сопротивления ЗУ Rзу расчете напряжения на ЗУ Uзу используется сезонный коэффициент сопротивления заземлителя Кс.
Сезонный коэффициент сопротивления обычно указывается в проекте подстанции. При наличии проектных данных значение сезонного коэффициента Кспринимается таким, каким он указан в проекте.
При отсутствии проектных данных сезонный коэффициент выбирается ориентировочно по табл. П3.1. Сезонный коэффициент сопротивления зависит от:
размеров ЗУ, определяемых его площадью и длиной вертикальных электродов;
электрического строения грунта;
сезонного коэффициента удельного сопротивления грунта Кр (табл. П3.2);
географического района расположения подстанции.
Значения сезонных коэффициентов сопротивления, отсутствующие в табл. П3.1, определяются путем интерполяции (вертикальные электроды длиной 30 и 50 м относятся к глубинным заземлителям).
Таблица П3.1
Сезонные коэффициенты сопротивления заземлителей Кс
|
Электрическое строение грунта |
Кр по табл. П3.2 |
Кс в географических районах |
|||||||||
|
Европейская часть южнее 48-й параллели |
Европейская часть и Западная Сибирь между 48-й и 57-й параллелями, Ленинградская, Новгородская, Сахалинская обл., Приморский край |
Остальная территория России |
|||||||||
|
при длине вертикальных электродов, м |
|||||||||||
|
0 - 6 |
30 |
50 |
0 - 6 |
30 |
50 |
0 - 6 |
30 |
50 |
|||
|
|
Грунтовые воды |
3 |
1,4 |
1,3 |
1,0 |
1,5 |
1,5 |
1,1 |
1,1 |
1,9 |
1,2 |
|
|
20 |
1,9 |
1,5 |
1,1 |
2,8 |
2,1 |
1,1 |
5,4 |
4,8 |
1,4 |
|
|
|
50 |
2,0 |
1,6 |
1,1 |
4,0 |
2,2 |
1,1 |
10 |
8,5 |
1,4 |
|
|
10 |
Однородный |
3 |
1,1 |
1,1 |
1,0 |
1,4 |
1.1 |
1,0 |
2,0 |
1,4 |
1,0 |
|
|
|
20 |
1,4 |
1,1 |
1,0 |
4,4 |
1,2 |
1,0 |
9,2 |
5,9 |
1,0 |
|
|
|
50 |
1,8 |
1,1 |
1,0 |
9,5 |
1,3 |
1,0 |
22 |
14 |
1,0 |
|
|
Подстилающие породы, скальные |
3 |
1,2 |
1,0 |
1,0 |
2,3 |
1,0 |
1,0 |
2,7 |
2,6 |
1,0 |
|
|
20 |
2,9 |
1,1 |
1,0 |
13 |
1,1 |
1,0 |
17 |
16 |
1,0 |
|
|
|
50 |
5,7 |
1,1 |
1,0 |
32 |
1,1 |
1,0 |
43 |
40 |
1,0 |
|
|
|
Грунтовые воды |
3 |
1,2 |
1,1 |
1,0 |
1,2 |
1,2 |
1,0 |
1,5 |
1,5 |
1,2 |
|
|
20 |
1,4 |
1,2 |
1,0 |
1,7 |
1,7 |
1,1 |
2,5 |
2,9 |
1,3 |
|
|
|
50 |
1,5 |
1,3 |
1,1 |
2,3 |
2,0 |
1,1 |
3,9 |
4,5 |
1,3 |
|
|
50 |
Однородный |
3 |
1,1 |
1,1 |
1,0 |
1,3 |
1,2 |
1,0 |
1,5 |
1,3 |
1,0 |
|
|
|
20 |
1,3 |
1,1 |
1,0 |
3,2 |
1,9 |
1,0 |
4,5 |
4,5 |
1,0 |
|
|
|
50 |
1,6 |
1,2 |
1,0 |
6,8 |
2,2 |
1,0 |
11 |
10 |
1,0 |
|
|
Подстилающие породы, скальные |
3 |
1,2 |
1,1 |
1,0 |
2,1 |
1,3 |
1,0 |
2,4 |
2,4 |
1,0 |
|
|
20 |
2,5 |
1,5 |
1,1 |
11 |
1,6 |
1,0 |
14 |
14 |
1,0 |
|
|
|
50 |
4,8 |
2,0 |
1,1 |
28 |
1,6 |
1,0 |
35 |
35 |
1,0 |
|
|
500 |
Грунтовые воды |
3 |
1,1 |
1,0 |
1,0 |
1,1 |
1,1 |
1,1 |
1,2 |
1,2 |
1,1 |
|
20 |
1,3 |
1,1 |
1,0 |
1,4 |
1,4 |
1,3 |
1,6 |
1,8 |
1,4 |
||
|
|
50 |
1,3 |
1,2 |
1,0 |
1,8 |
1,8 |
1,4 |
2,3 |
2,5 |
1,6 |
|
|
Однородный |
3 |
1,1 |
1,0 |
1,0 |
1,2 |
1,2 |
1,2 |
1,3 |
1,4 |
1,2 |
|
|
|
20 |
1,2 |
1,1 |
1,0 |
2,9 |
2,7 |
1,5 |
3,9 |
4,0 |
1,6 |
|
|
|
50 |
1,5 |
1,2 |
1,0 |
5,8 |
4,7 |
1,6 |
8,4 |
8,6 |
1,7 |
|
|
Подстилающие породы, скальные |
3 |
1,2 |
1,1 |
1,0 |
2,0 |
1,8 |
1,2 |
2,2 |
2,3 |
1,2 |
|
|
20 |
2,2 |
1,4 |
1,0 |
11 |
5,4 |
1,3 |
13 |
13 |
1,3 |
||
|
50 |
4,1 |
1,5 |
1,0 |
25 |
10 |
1,5 |
31 |
31 |
1,5 |
||
Таблица П3.2
Сезонные коэффициенты удельного сопротивления грунта Кр
|
КР при влажности* |
|||
|
нормативной |
ниже нормы |
выше нормы |
|
|
Глина |
3 |
2 |
10 |
|
Супесь, суглинок |
5 |
3 |
20 |
|
Песок |
10 |
3 |
50 |
|
* Количество выпавших осадков за предшествующий измерениям период. |
|||
2. Измерение электрохимического окислительно-восстановительного потенциала jов ЗУ и удельного сопротивления грунта ρ
Измерения производятся по схеме, изображенной на рис. П3.1.
Рекомендуется выполнить по 10 - 12 измерений в различных точках каждого ОРУ. Для подстанций 6,10 / 0,4 кВ можно ограничиться 1 - 3 измерениями.
Для измерений потребуются:
пробный электрод из стали (Ст. 3) диаметром 10 мм и длиной 0,6 м;
электрод сравнения, в качестве которого следует использовать хлорсеребряный типа ЭВЛ (1 м) или медносульфатный типа ЭН-1;
милливольтметр (MB) постоянного напряжения с большим входным сопротивлением, например Ф 4318.
Пробный электрод погружается на глубину 0,5 м в грунт таким образом, чтобы не образовалось случайного контакта с заземлителем. Электрод сравнения устанавливается в предварительно очищенный (от травы, щебня и т.п.) и увлажненный грунт на расстоянии 0,5 - 1 м от пробного электрода. Между ними измеряется разность потенциалов jп,с, составляющая обычно 200 - 500 мВ, причем пробный электрод более отрицателен. Затем измеряется разность потенциалов между заземлителем ЗУ и электродом сравнения jз.
Рис. П3.1. Схема измерения электрохимического окислительно-восстановительного потенциала:
1 - пробный электрод длиной 0,5 м, диаметром 10 мм; 2 - электрод сравнения; 3 - заземлитель ЗУ
Если jз отличается от jп,с более чем на 100 мВ, то это означает, что на процессы грунтовой коррозии наложены контактная коррозия и (или) электрокоррозия блуждающими токами. В этом случае для обследования коррозионного состояния следует пригласить специализированную организацию.
После измерения электрохимического потенциала производится оценочное определение удельного сопротивления грунта путем измерения сопротивления пробного электрода Rпэ. Это измерение можно выполнить по схеме рис. 9 настоящих Методических указаний, где вместо пластины подключен пробный электрод, или (при низком сопротивлении грунта) по схеме рис. 2 настоящих Методических указаний приборами МС-08, М-416, Ф 4103 и ОНП-1, располагая токовый электрод на расстоянии 4 м, а потенциальный 2,5 м от измеряемого пробного электрода. Удельное сопротивление грунта ρ определяется по формуле
ρ = 0,6Rпэ.
По измеренному электрохимическому потенциалу определяется номер коррозионной зоны Зк:
![]()
Значения Зк, равные 0; 1; 2, соответствуют большой опасности коррозии; значения Зк, равные 3 и 4, - средней степени опасности; равные 5 - слабой степени опасности. По кривым рис. П3.2, зная срок с момента сооружения подстанции, можно сделать прогноз коррозионного уменьшения сечения заземлителей и на основе этого выводы о состоянии заземлителя и сроках очередной проверки.
В тех местах, где по результатам измерений вычислена наибольшая глубина коррозии, рекомендуется (для Зк < 3 необходимо) произвести вскрытие горизонтальных заземлителей. Если результаты вскрытия соответствуют прогнозируемым, то вносятся коррективы в сроки очередной проверки. Если осмотром и измерениями сечения обнаружено, что глубина коррозии выше прогнозируемой, следует обратиться к специализированной организации.
3. Определение наличия блуждающих токов в земле
Наличие блуждающих токов в земле определяется по результатам измерений разности потенциалов между проложенными в данном районе подземными металлическими сооружениями и землей.
При отсутствии подземных металлических сооружений наличие блуждающих токов следует определять, измеряя разность потенциалов по двум взаимно перпендикулярным направлениям при разносе измерительных электродов на 100 м (рис. П3.3).
При проведении измерения используются медносульфатные электроды сравнения, которые подбираются так, чтобы разность э.д.с. двух электродов не превышала 2 мВ.
Возможны два варианта расположения измерительных электродов на местности: параллельно будущей трассе сооружения, а затем перпендикулярно к оси трассы и в соответствии со сторонами света. Второй вариант удобен в тех случаях, когда изучаются коррозионные условия целого района, а также при сложной трассе подземного сооружения.

Рис. П3.2. Рост средней глубины грунтовой коррозии стали
Рис. П3.3. Схема измерений для обнаружения блуждающих токов в земле:
1 - медносульфатные электроды; 2 - изолированные провода; Lэ - расстояние между измерительными электродами
При проведении измерений необходимо особенно внимательно следить за подключением осциллографа. Если измерительные электроды расположены по предполагаемой трассе сооружения, то измерительный щуп осциллографа должен быть подключен к электроду, направленному в сторону начала трассы. Электроды, установленные перпендикулярно, следует соединять так, чтобы «нижний» электрод подключался к измерительному щупу осциллографа, а «верхний» - к экрану осциллографа. При расположении электродов по второму варианту к измерительному щупу осциллографа подключаются электроды, ориентированные на юг и запад, а к экрану - на север и восток.
Если измеряемая разность потенциалов устойчива, т.е. не изменяется по значению и знаку, значит в земле присутствуют токи почвенного происхождения.
Если измеряемая разность потенциалов имеет неустойчивый характер, т.е. изменяется по значению и знаку или только по значению, это указывает на наличие блуждающих токов от посторонних источников.
С помощью прибора КДЗ-1 определяется доля (a) растекания тока по отходящим от электроустановки коммуникациям в процентах от суммарного тока источника (с учетом геометрических размеров коммуникаций). Указанная работа может быть выполнена с использованием селективных токоизмерительных клещей или ИПМ прибора КДЗ-1. Для этого заполняется табл. П7.2 (см. приложение 7):
с помощью ИПМ фиксируется напряженность магнитного поля непосредственно на проводе, присоединенном к ИПТ, а также на различных расстояниях от него, соответствующих радиусам кабелей, металлоконструкций опор ВЛ, имеющих тросы, и трубопроводов, отходящих от электроустановки; полученные значения напряженности магнитного поля соответствуют 100 % протекания тока;
определяется магнитное поле на каждом из кабелей, трубопроводов и других металлоконструкций, отходящих от электроустановки, без изменения схемы соединений и значения тока ИПТ; результаты измерений записываются в табл. П7.2 приложения 7;
вычисляется процент растекания тока по отходящим от электроустановки коммуникациям;
сопротивление заземлителя Rз оценивается с учетом Rзу доли тока (a), протекающего по отходящим коммуникациям, по выражению
![]()
Численный расчет ЗУ производится в целях анализа и выработки рекомендаций по реконструкции ЗУ энергообъекта.
В ходе расчетов производится сопоставление измеренных значений Rзу, Uпр с расчетными. Определяются значения Rзу при предельно возможных удельных сопротивлениях грунта, а также значения Uпр по всей территории энергообъекта при заданных значениях токов КЗ и времени отключения электрооборудования.
В Московском энергетическом институте разработана специальная программа ORU, позволяющая производить численный анализ ЗУ с удовлетворением следующих технических требований:
1. Возможность расчета ЗУ, состоящих из горизонтальных и вертикальных элементов и имеющих сетку произвольной конфигурации. Программа должна позволять достаточно подробно описывать конфигурацию ЗУ на достаточно большой территории (до 500 м ´ 500 м).
2. Возможность учета наличия элементов, находящихся над землей и шунтирующих элементы ЗУ (заземляемые рамы аппаратов, порталы, заземленные трубы различного назначения, экраны кабелей вторичных цепей и т.п.), а также естественных заземлителей.
3. Возможность учета сопротивления всех элементов ЗУ.
4. Возможность расчета параметров ЗУ:
сопротивления ЗУ при условии эквипотенциальности всех элементов ЗУ (статический режим);
сопротивления ЗУ с учетом продольного сопротивления горизонтальных заземлителей (динамический режим);
распределения токов по всем (подземным и надземным) элементам ЗУ в режиме протекания по нему токов КЗ;
распределения потенциалов по ЗУ в режиме протекания по нему токов КЗ;
распределения потенциала по поверхности земли в режиме протекания по ЗУ токов КЗ. При этом должна иметься возможность расчета распределения потенциала в любой заданной (или выделенной) части ЗУ;
напряжения прикосновения и шагового напряжения в любой точке ЗУ в режиме протекания по нему токов КЗ.
|
«УТВЕРЖДАЮ» Главный инженер _________________________ наименование энергообъекта _________________________ подпись, ф. и. о «____»______________200___ г. дата
ПАСПОРТ
|
|
№ п.п. |
Наименование объекта |
Дата проверки |
Сопротивление растеканию тока, Ом |
Сопротивление растеканию тока без отходящих коммуникаций, Ом |
Степень коррозии заземлителя |
Пригодность к эксплуатации |
Дата следующей проверки |
Примечания |
|
|
|
|
|
|
|
|
|
|
|
|
|
|
|
|
|
|
|
|
Результаты проверки связей оборудования энергообъекта с искусственным заземлителем
|
№ п.п. |
Оборудование |
Дата проверки |
Наличие связи оборудования с заземляющим устройством |
Сопротивление связи между оборудованием по искусственному заземлителю, Ом |
Степень коррозии, % |
Пригодность заземлителя оборудования к эксплуатации |
Дата следующей проверки |
Примечания |
|
|
|
|
|
|
|
|
|
|
|
|
|
|
|
|
|
|
|
|
Результаты контрольных измерений напряжения прикосновения на энергообъекте
|
№ п.п. |
Наименование объекта |
Дата проверки |
Расчетный ток КЗ, кА |
Время срабатывания защиты, с |
Наибольшее значение напряжения прикосновения, В |
Соответствие нормативным документам |
Дата следующей проверки |
|
|
|
|
|
|
|
|
|
|
|
|
|
|
|
|
|
|
|
Перечень изменений |
Вид работ (замена оборудования, ремонт, реконструкция) |
Время проведения работ |
Организация-исполнитель |
Отметка о внесении изменений в исполнительную схему ЗУ |
|
|
|
|
|
|
|
|
|
|
|
|
Ведомость дефектов
|
№ п.п. |
Дата проверки |
Оборудование или группа оборудования |
Обнаруженные дефекты |
Устранение дефектов |
||
|
Организация-исполнитель |
Отметка об устранении дефектов |
Дата |
||||
|
|
|
|
|
|
|
|
|
|
|
|
|
|
|
|
наименование
|
______________________ «_____»__________200___ г. название предприятия 1. Цель измерений ________________________________________________________ ________________________________________________________________________ 2. Погодные условия ______________________________________________________ 3. Средства измерений ____________________________________________________ 4. Результаты проверки и измерений 4.1. Проверка металлосвязей, сечения элементов, контактных соединений, коррозионного состояния ЗУ
4.2. Определение реальной схемы ЗУ 4.2.1. Перечень незаземленного оборудования
4.2.2. Результаты измерений сопротивления связи электрооборудования с ЗУ
Заключение _____________________________________________________________ ________________________________________________________________________ 4.3. Измерение сопротивления ЗУ
Сопротивление ЗУ, определенное по зависимости Rизм = f (rэп/rэт) _______________________, Ом. Сезонный коэффициент сопротивления Кс = _____________. Сопротивление ЗУ Rзу = Кс Rизм = ___________, Ом. Заключение_________________________________________________________ ____________________________________________________________________ 4.4. Проверка напряжения на ЗУ Значение тока, стекающего с заземлителя в землю при однофазном замыкании на землю: Iкз = ____________ кА. Напряжение на ЗУ: Uзу = Rзу Iкз __________________ кВ. Заключение _____________________________________________________________ ________________________________________________________________________ 4.5. Напряжение прикосновения на оборудовании (конструкциях) ОРУ Ток замыкания на землю Iкз = ______________ кА. Время отключения t = _____________ с. Норма напряжения прикосновения _____________ В.
Заключение _____________________________________________________________ ________________________________________________________________________ |
||||||||||||||||||||||||||||||||||||||||||||||||||||||||||||||||||||||||||||||||||||||||||||||||||||||||||||||||||||||||
СОДЕРЖАНИЕ