Требования настоящего стандарта организации (СО), далее типовой технологической инструкции распространяется на капитальный ремонт силовых трансформаторов, автотрансформаторов и реакторов общего назначения классов напряжения 110-1150 кВ мощностью 80 МВ·А и более отечественного производства, выполняемого в условиях эксплуатации.
Типовая технологическая инструкция рекомендуется к применению персоналом электростанций, предприятиями электрических сетей, предприятиями и организациями, производящими ремонт (заводами-изготовителями трансформаторов, участвующими в капитальном ремонте трансформаторов в условиях эксплуатации), принимающими из ремонта и эксплуатирующими отремонтированные трансформаторы, а также организациями, разрабатывающими техническую документацию на ремонт оборудования. В приложениях приведены перечни основного технологического оборудования, приборов, инструмента и основных материалов, используемых при проведении капитального ремонта трансформаторов.
Типовая технологическая инструкция разработана в соответствии с требованиями стандартов на ремонтную документацию, а также с учетом опыта эксплуатации и ремонта новых типов трансформаторов классов напряжения до 1150 кВ включительно и с учетом изменений руководящих документов.
Типовая технологическая инструкция устанавливает требования к материалам, применяемым при ремонте и требования к ведению ремонта.
| Обозначение: | СО 34.46.605-2005 |
| Название рус.: | Типовая технологическая инструкция. Трансформаторы классов напряжения 110-1150 кВ мощностью 80 МВ.А и более. Капитальный ремонт |
| Статус: | действующий |
| Заменяет собой: | РД 34.46.605 «Трансформаторы напряжением 110-1150 кВ, мощностью 80 МВ*А и более. Капитальный ремонт» |
| Дата актуализации текста: | 01.10.2008 |
| Дата добавления в базу: | 01.02.2009 |
| Дата введения в действие: | 01.02.2005 |
| Разработан: | ОАО "ЦКБ Энергоремонт" |
| Утвержден: | ОАО РАО "ЕЭС России" (01.02.2005) |
| Опубликован: | ОАО РАО "ЕЭС России" № 2005 |
Открытое акционерное общество РАО «ЕЭС России»
Открытое акционерное общество «ЦКБ Энергоремонт»
СТАНДАРТ ОРГАНИЗАЦИИ
ТИПОВАЯ ТЕХНОЛОГИЧЕСКАЯ ИНСТРУКЦИЯ.
ТРАНСФОРМАТОРЫ КЛАССОВ НАПРЯЖЕНИЯ 110-1150 кВ МОЩНОСТЬЮ 80 МВ·А И БОЛЕЕ.КАПИТАЛЬНЫЙ РЕМОНТ
Вводится в действие с 01.02.2005 г.
ПРЕДИСЛОВИЕ
1.Разработан ОАО «ЦКБ Энергоремонт»
Исполнители:Ю.В. Трофимов, Л.Л. Федосов, В.Л. Раскин, Л.Г. Федосова.
2. Взамен Руководящего нормативного документа «Типовая технологическаяинструкция. Трансформаторы напряжением 110-1150 кВ, мощностью 80 МВ·А и более.Капитальный ремонт» РДИ 34-38-058-91, «ЦКБ Энергоремонт», 1991 г. (СО 34.46.605(РД 34.46.605))
3. Настоящий стандарт организации (СО) является переизданиемРуководящего нормативного документа «Типовая технологическая инструкция.Трансформаторы напряжением 110-1150 кВ, мощностью 80 МВ·А и более. Капитальныйремонт» РДИ 34-38-058-91, выпущенного в 1991 г. СО переработан в связи сизменениями нормативных документов Госстандарта РФ, органов Государственногонадзора и отраслей промышленности. В СО внесены необходимые изменения понаименованиям, обозначениям и отдельным требованиям нормативных документов, накоторые даны ссылки в СО с сохранением согласования организациями ипредприятиями.
Содержание
Требования настоящего стандарта организации (СО),далее типовой технологической инструкции распространяется на капитальный ремонтсиловых трансформаторов, автотрансформаторов и реакторов (в дальнейшем - трансформаторов)общего назначения классов напряжения 110-1150 кВ мощностью 80 МВ·А и болееотечественного производства, выполняемого в условиях эксплуатации.
Типоваятехнологическая инструкция рекомендуется к применению персоналомэлектростанций, предприятиями электрических сетей, предприятиями иорганизациями, производящими ремонт (заводами-изготовителями трансформаторов,участвующими в капитальном ремонте трансформаторов в условиях эксплуатации),принимающими из ремонта и эксплуатирующими отремонтированные трансформаторы, атакже организациями, разрабатывающими техническую документацию на ремонтоборудования. В приложениях приведены перечни основного технологическогооборудования, приборов, инструмента и основных материалов, используемых припроведении капитального ремонта трансформаторов.
Типоваятехнологическая инструкция разработана в соответствии с требованиями стандартовна ремонтную документацию, а также с учетом опыта эксплуатации и ремонта новыхтипов трансформаторов классов напряжения до 1150 кВ включительно и с учетомизменений руководящих документов.
Типоваятехнологическая инструкция устанавливает требования к материалам, применяемымпри ремонте и требования к ведению ремонта.
2.1. Вкомплект технической документации на капитальный ремонт трансформатора вобязательном порядке, согласно СО 34.20.608-2003*, должны входить:
- ведомостьпланируемых работ по ремонту;
- сетевойграфик ремонта;
- программавывода энергоустановки в ремонт;
- программаприема энергоустановки из ремонта;
- пояснительнаязаписка, включающая обязательный раздел «Требования безопасности при выполненииремонтных работ».
Принеобходимости выполнения неотложных ремонтных работ (неплановые ремонты,работы, выявленные при дефектации оборудования и пр.) и невозможностиразработки проекта производства работ до начала работ, допускается выполнениеработ по настоящему СО.
* Наименования нормативных документов,упомянутых в инструкции, приведены в приложении 6.
2.1.1.Ведомость планируемых работ по ремонту составляется в соответствии стребованиями СО34.04.181.
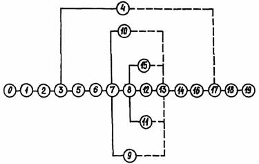
2.2.Последовательность проведения работ при капитальном ремонте трансформатораопределяется сетевой моделью типового технологического процесса (рис. 1).
Подготовкак ремонту трансформатора должна включать проверку комплектности техническойдокументации, подготовку ремонтной площадки, проверку работоспособноститехнологического оборудования, оснастки и инструмента, а также наличиянормативного количества необходимых материалов.

| 1- | подготовка к ремонту; | 11- | ремонт бака; |
| 2- | отключение (отсоединение шин, спусков); | 12- | ремонт и испытание активной части; |
| 3- | демонтаж системы охлаждения; | 13- | сборка трансформатора; |
| 4- | ремонт системы охлаждения; | 14- | заливка трансформаторного масла; |
| 5- | доставка трансформатора на ремонтную площадку; | 15- | ремонт переключающего устройства; |
| 6- | прогрев трансформатора; | 16- | нагрев и испытание трансформатора; |
| 7- | демонтаж вводов и арматуры; | 17- | перемещение трансформатора на место установки; |
| 8- | вскрытие трансформатора; | 18- | монтаж трансформатора на фундаменте; |
| 9- | ремонт и испытание вводов; | 19- | заключительные работы. |
| 10- | ремонт арматуры; |
|
|
Рис.1. Сетевая модель типового технологического процесса капитального ремонтатрансформатора.
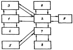
2.3. Ремонтная площадка должна обеспечивать защиту активной части ивводов от пыли и влаги, а также размещение и связь между технологическимиучастками в соответствии со схемой, приведенной на рис. 2.
Ремонтнаяплощадка должна иметь:
-железнодорожный ввод не менее 20 м с якорем для закрепления полиспаста;
-электросборку для одновременного подключения схемы сушки трансформатора,сварочного и паячного оборудования, необходимого электроинструмента;
- подводкусжатого воздуха на 0,5-0,6 МПа (5-6 кгс/см2);
- слесарныеверстаки;
-маслопровод, идущий от маслохозяйства;
-эффективную вентиляционную систему, необходимые средства пожаротушения,плакаты.

1 -место установки трансформатора (демонтаж и монтаж); 2 - участок ремонтаактивной части; 3 - участок изготовления мелких деталей и узлов; 4 - участокремонта системы охлаждения; 5 - участок ремонта арматуры и мелких узлов; 6 -участок ремонта и испытания вводов; 7 - участок ремонта бака и крышки; 8 -участок ремонта расширителя и выхлопной трубы; 9 - участок ремонта и испытанияприборов защиты и контроля
Рис.2. Схема связей между технологическими участками при капитальном ремонте.
2.4. Перед началом ремонта необходимо проверить работоспособностьоборудования и наличие материалов по соответствующим ведомостям оборудования иматериалов технологического процесса.
В приложениях 1 и 2 даны перечниосновного технологического оборудования и материалов, используемых припроведении капитального ремонта.
Приопределении номенклатуры и количества материалов для проведения капитальногоремонта конкретного трансформатора необходимо пользоваться стандартоморганизации «Трансформаторы силовые масляные. Нормы расхода материалов дляремонта» СО 34.10.396-2005, Москва, ОАО «ЦКБ Энергоремонт», 2005 г.
Номенклатуруи количество технологического оборудования следует определять по технологическомупроцессу на ремонт трансформатора.
Настоящиетребования выполнены на основании «Межотраслевых правил по охране труда(правила безопасности) при эксплуатации электроустановок» РД153-34.0-03.150-00, утвержденных приказом Минэнерго России от 27.12.2000 г. №163 и согласованных с Госэнергонадзором Минэнерго России 22.12.2000 г., «Правилпо охране труда на предприятиях и в организациях машиностроения» ПОТР О 14000-001-98, утвержденных Департаментом экономики машиностроенияМинистерства экономики Российской Федерации 12 марта 1998 г., «Правил пожарнойбезопасности для электроэнергетических предприятий» РД 34.03.301-97, а такжеряд других нормативных документов, утвержденных постановлениями Министерства трудаи социального развития Российской федерации, РАО «ЕЭС России» иГосгортехнадзора России, которыми необходимо руководствоваться при ремонтетрансформаторов и комплектующих узлов.
3.1.1.Организация контроля за выполнением инструкций по охране труда для работников ворганизации возлагается на работодателя, контроль за их выполнением -непосредственно на руководителей структурных подразделений.
3.1.2.Работодатель обязан:
-обеспечить разработку по каждому виду работ и наличие на рабочих местахинструкций по охране труда;
-организовать обучение безопасным методам труда и инструктаж по безопасноститруда;
-обеспечить наличие плакатов, указателей и знаков безопасности;
-организовать контроль за соблюдением работающими безопасных приемов работы, завыполнением требований по охране труда, за применением средств индивидуальнойзащиты и др.;
-организовать своевременное расследование несчастных случаев, связанных спроизводством, разработку мероприятий по предотвращению производственного травматизма.
3.1.3. Привыдаче задания администрация (цеха, участка, и др.) обязана проверитьоборудование, механизмы, состояние оснастки и рабочих мест, убедиться в ихисправности, готовности к работе и в обеспечении безопасных условийпроизводства работ.
3.1.4.Рабочие, обслуживающие технологическое оборудование, оснащенноеподъемно-транспортными средствами, допускаются к работе после обучения,аттестации по безопасным методам работы с этим подъемно-транспортнымоборудованием и первичного инструктажа.
3.1.5. Напредприятии должен быть назначен и соответствующим образом аттестованответственный по надзору за безопасной эксплуатацией грузоподъемных машин иответственный за содержание грузоподъемных машин в исправном состоянии.
3.1.6.Вновь поступающие рабочие, независимо от предыдущего стажа и вида работ, могутбыть допущены к работе после прохождения вводного инструктажа и первичногоинструктажа на рабочем месте.
3.1.7.Вводный инструктаж проводится инженером по охране труда. О проведении вводногоинструктажа и проверке знаний делается запись в журнале регистрации вводногоинструктажа с подписью инструктируемого и инструктирующего.
3.1.8.Первичный инструктаж на рабочем месте проводится непосредственным руководителемработ для всех вновь принятых на предприятие работников, переводимых из другогоподразделения, командированным и пр. Инструктаж проводится по инструкциям поохране труда для определенных видов работ.
3.1.9.Допуск к самостоятельной работе фиксируется датой и подписью инструктирующего вжурнале регистрации инструктажа на рабочем месте.
3.1.10.Повторный инструктаж проходят все работающие (кроме лиц, которые не связаны собслуживанием, испытанием, наладкой и ремонтом оборудования, использованиеминструмента и которые освобождены от первичного инструктажа на рабочем месте)не реже чем через шесть месяцев.
Инструктаждолжен проводить непосредственный руководитель с записью о проведенииинструктажа в журнале регистрации инструктажа на рабочем месте.
3.2.1Производственные помещения должны быть оборудованы противопожарными средствамив соответствии с нормативными документами «Правила пожарной безопасности вРоссийской Федерации» ППБ-01-93 и«Пожарная техника для защиты объектов. Основные виды. Размещение иобслуживание» ГОСТ12.4.009-83. К противопожарному инвентарю и оборудованию должен бытьобеспечен свободный доступ.
3.2.2.Рабочие места должны содержаться в чистоте. Для сбора мусора, отходов изоляциии других отходов производства в назначенных местах должна быть установленатара, которая должна регулярно освобождаться.
3.2.3. Нарабочем месте должна быть обеспечена достаточная освещенность, соответствующаяхарактеру и условиям выполняемой работы.
3.2.4.Рабочие места при выполнении электросварочных работ по ремонту бака и другихметаллоконструкций трансформатора должны быть ограждены переноснымищитами-экранами.
3.2.5.Перед выполнением работ внутри бака трансформатора необходимо произвестивентилирование внутреннего объема и проверить отсутствие вредных газов взятиемпробы воздуха на анализ.
3.2.6. Применяемоена предприятии производственное оборудование должно соответствовать требованиямбезопасности.
3.2.7.Электрооборудование и электроустройства должны соответствовать «Правиламустройства электроустановок» СО 153-34.20.120-2003 и эксплуатироваться всоответствии с «Правилами технической эксплуатации электростанций и сетей» СО153-34.20.501-2003.
3.2.8.Эксплуатация грузоподъемных механизмов должна производиться в соответствии с«Правилами устройства и безопасной эксплуатации грузоподъемных кранов» ПБ10-382-00, утвержденными постановлением Госгортехнадзора России от 31.12.99г. № 98.
3.3.1.Производственный контроль за безопасной эксплуатацией кранов долженосуществляться в соответствии с «Правилами организации и осуществленияпроизводственного контроля за соблюдением требований промышленнойбезопасности», утвержденными постановлением Правительства Российской Федерацииот 10.03.99 № 263 и «Правилами устройства и безопасной эксплуатациигрузоподъемных кранов» ПБ10-382-00, утвержденными постановлением Госгортехнадзора России от 31.12.99г. № 98.
3.3.2.Руководители организаций, эксплуатирующие краны, обязаны обеспечить содержаниеих в исправном состоянии и безопасные условия работы путем организациинадлежащего освидетельствования, осмотра, ремонта, надзора и обслуживания.
В этихцелях должно быть:
- назначеныинженерно-технический работник по надзору за безопасной эксплуатацией кранов,грузозахватных приспособлений и тары, инженерно-технический работник,ответственный за содержание грузоподъемных кранов в исправном состоянии, илицо, ответственное за безопасное производство работ кранами;
-установлен порядок периодических осмотров и ремонтов;
-установлен порядок обучения и проверки знаний персонала;
-разработаны должностные инструкции для ответственных специалистов ипроизводственные инструкции для обслуживающего персонала;
-обеспечено выполнение указанных инструкций.
3.3.3.Инженерно-технический работник по надзору за безопасной эксплуатацией крановназначается после обучения и проверки знаний комиссией с участием инспектораГосгортехнадзора и выдачи им соответствующего удостоверения.
3.3.4.Работы с применением грузоподъемных кранов должны выполняться под руководствомлица, ответственного за безопасное производство работ кранами, назначаемогоприказом по предприятию из числа мастеров, начальников участков, бригадиров, враспоряжении которых находятся эти краны.
3.3.5. Дляуправления кранами и их обслуживания владелец обязан назначить крановщиков,слесарей и электромонтеров.
3.3.6.Находящиеся в эксплуатации грузоподъемные машины должны иметь таблички суказанием регистрационного номера, грузоподъемности, даты следующеготехнического освидетельствования.
3.3.7.Перед началом работ по перемещению грузов каждый груз должен быть тщательноосмотрен, проверены устройства для строповки груза в соответствии со схемойстроповки.
3.3.8. Длязацепки и подвешивания груза на крюк с помощью стропов руководство предприятия(приказом или распоряжением) должно назначить обученных и аттестованныхстропальщиков.
В своейработе стропальщик обязан пользоваться «Инструкцией по безопасному производствуработ грузоподъемными машинами» РД10-107-96.
3.3.9.Перед началом работ по подъему и перемещению грузов стропальщик обязан:
- проверитьисправность грузозахватных приспособлений и наличие на них клейм с обозначениемномера, даты испытания и грузоподъемности;
- подобратьгрузозахватные приспособления, соответствующие техпроцессу;
- проверитьналичие вспомогательных приспособлений;
- проверитьосвещенность рабочего места;
- обо всехнесоответствиях, не приступая к работе, обязан доложить лицу, ответственному забезопасное производство работ кранами.
Стропыгрузовые должны соответствовать «Требованиям к устройству и безопаснойэксплуатации» РД10-33-93, утвержденным Госгортехнадзором России 20.10.93 г.
3.3.10. Призацепке груза стропальщик обязан:
-производить зацепку груза в соответствии со схемами строповки;
- непроизводить строповку грузов, масса которых превышает грузоподъемность крана;
- непользоваться поврежденными или немаркированными съемными грузозахватнымиприспособлениями;
- неприменять для зацепки грузов не предусмотренные схемами строповки приспособления:ломы, штыри, проволоку и др.
3.3.11. Приподъеме и перемещении груза стропальщик обязан:
- убедитьсяв отсутствии людей возле груза;
- податьсигнал для подъема груза на высоту 200-300 мм, затем проверить правильностьстроповки, равномерность натяжения стропов, действие тормозов и только послеэтого подать сигнал о подъеме груза на необходимую высоту;
- передгоризонтальным перемещением груза убедиться, что они подняты не менее чем на500 мм выше встречающихся на пути предметов;
-сопровождать при перемещении груз и следить за тем, чтобы он не перемещался надлюдьми.
3.3.12. Приопускании груза стропальщик обязан:
-предварительно осмотреть место, на которое необходимо опустить груз, иубедиться в невозможности его падения;
- сниматьстропы с груза после того, как он надежно установлен, а при необходимости изакреплен.
3.3.13.Если во время работы грузоподъемной машины произошла авария или несчастныйслучай, стропальщик должен немедленно поставить в известность лицо,ответственное за безопасное производство работ кранами, оказать первую помощьпострадавшему, и вместе с крановщиком обеспечить сохранность обстановки аварииили несчастного случая, если это не представляет опасности для жизни и здоровьялюдей и не приведет к осложнению аварийной обстановки.
3.4.1. Кработе со слесарным инструментом допускается обученный персонал, прошедшийвводный инструктаж по охране труда на основании «Типовой инструкции по охранетруда при работе с ручным слесарным инструментом» РД 153-34.0-03.299/5-2001 ипервичный инструктаж на рабочем месте.
3.4.2.Персонал, выполняющий работы с использованием слесарного инструмента обязан:
- привестив порядок рабочую специальную одежду;
- осмотретьрабочее место, убрать все, что может помешать выполнению работ;
- проверитьосвещенность рабочего места;
- проверитьисправность необходимого для работы инструмента: молоток (кувалда) должен бытьнадежно насажен на исправную (без трещин) рукоятку; зубила, обжимки и керны недолжны иметь сбитых или сношенных затылков с заусенцами; набор гаечных ключейдолжен соответствовать размерам болтов и гаек; губки гаечных ключей должны бытьпараллельны, а рабочие поверхности не иметь битых и смятых граней; напильники,шаберы, отвертки, ножовки должны иметь рукоятки длиной не менее 150 мм.
Деревянныерукоятки инструмента должны быть прочно насажены и оборудованы бандажнымикольцами.
Во времяработы необходимо пользоваться только исправным инструментом, предусмотреннымтехнологической картой.
3.5.1. Кработе с электроинструментом допускается обученный персонал, прошедшиймедицинский осмотр и признанный годным для выполнения работ, а также прошедшийвводный инструктаж по охране труда на основании «Типовой инструкции по охранетруда при работе с ручным электроинструментом» РД 153-34.0-03.299/4-2001 ипервичный инструктаж на рабочем месте, ознакомленный с инструкциями по работе синструментом и имеющий II группу поэлектробезопасности.
3.5.2.Перед началом работы необходимо произвести внешний осмотр электроинструмента ипроверку на холостом ходу.
При внешнемосмотре проверить и убедиться в том, что:
-отсутствуют трещины и другие повреждения на корпусе;
- исправенкабель;
- вставнойинструмент имеет правильную заточку, не имеет трещин, выбоин, заусенцев ипрочих дефектов;
-абразивный инструмент огражден защитным кожухом;
-отсутствует круговой огонь при искрении щеток на коллекторе.
3.5.3. Вовремя работы необходимо:
- следитьза тем, чтобы питающий кабель был защищен от случайного повреждения;
-устанавливать и снимать вставной инструмент только после полной остановкиротора электроинструмента;
- приработе шлифовальной машинкой необходимо пользоваться защитными очками илищитком для защиты глаз и лица.
3.5.4.Запрещается:
- превышатьпредельно допустимую продолжительность работы, указанную в паспорте машины;
-обрабатывать деталь, находящуюся на весу или свисающую с упора;
-самостоятельно устранять неисправности электроинструмента;
- сниматьзащитный кожух.
3.6.1. Кработе по выполнению электросварочных работ допускаются лица не моложе 18 лет,прошедшие специальное обучение и имеющие удостоверение на право производстваэлектросварочных работ, прошедшие медицинский осмотр и инструктаж по охранетруда на рабочем месте на основании «Типовой инструкции по охране труда дляэлектросварщиков» РД 153-34.0-03.231-00.
3.6.2.Основными средствами индивидуальной защиты электросварщика являются: спецодеждаи спецобувь, щиток, защищающий лицо и глаза от попадания брызг металла исветового излучения и брезентовые рукавицы.
3.6.3.Перед началом работы необходимо проверить состояние рабочей одежды, произвестиосмотр сварочных проводов, убрать все легковоспламеняющиеся и горючие материалыв радиусе 5 м от места проведения электросварочных работ, опробовать работуместной вентиляции в случае проведения работы внутри бака трансформатора.
3.6.4. Вовремя работы необходимо следить, чтобы брызги расплавленного металла непопадали на работающий персонал и проходящих людей, следить за исправностьюэлектрододержателей и проводов сварочной цепи.
3.6.5.Электросварщику запрещается:
- очищатьсварной шов от шлака без защитных очков;
- свариватьдеталь на весу;
- проводитьэлектросварочные работы с приставных лестниц;
- выполнятьэлектросварочные работы на металлоконструкциях, находящихся под давлением.
3.6.6. Напроведение сварочных работ на маслонаполненном оборудовании или вблизи негопроизводитель работ должен получить письменное разрешение службы пожарнойбезопасности и обеспечить необходимые противопожарные мероприятия.
3.6.7. Припайке отводов, шин во избежание воспламенения наложенной на них изоляции,последнею необходимо покрыть асбестовым полотном или асбестовым шнуром на длине100 мм толщиной не менее 30 мм. Для стекания расплавленного припоя необходимоустановить защитный короб из картона или асбестового листа, который необходимоподдерживать во влажном состоянии.
3.6.8. Недопускается (во избежание ожогов парами воды) производить охлаждение деталейпри пайке прямым смачиванием водой.
3.6.9. Припроизводстве сварочных работ на трансформаторе с маслом необходимо, чтобыуровень масла на трансформаторе был выше места сварки на 200-250 мм. При сваркедля уменьшения или устранения течи масла допускается создавать разряжение внадмасляном пространстве трансформатора. Не допускается производить сварку натрансформаторе без масла.
3.6.10.Запрещается производить сварочные работы на активной части трансформатора и нарасстоянии менее 5 м от разгерметизированного трансформатора.
3.6.11.Сварочные работы на частях и узлах, в которых ранее было масло (расширителе,выхлопной трубе, термосифонном фильтре), необходимо производить при усиленнойциркуляции воздуха через их внутренние полости. Перед сваркой промасленныеповерхности необходимо обезжирить и насухо протереть.
3.6.12. Привыполнении сварочных работ на высоте с лесов и технологических площадокнеобходимо принять меры против загорания настилов и падения расплавленногометалла на находящихся внизу людей.
3.6.13. Припроизводстве газосварочных работ запрещается разводить открытый огонь впределах 10 м от кислородных и ацетиленовых баллонов; необходимо принять меры,исключающие контакт кислорода с маслом.
3.7.1. Кработам на высоте относятся работы, при которых работающий находится на высотеболее 1 м от уровня земли, пола или рабочего настила.
Квыполнению работ на высоте допускаются лица, прошедшие соответствующеемедицинское освидетельствование.
3.7.2. Приработах на высоте до 4 м следует пользоваться переносными лестницами илистремянками, предотвращающими их скольжение по опорной поверхности.
3.7.3.Передвижные деревянные лестницы длиной более 3 м должны иметь не менее двухметаллических стяжных стержней, установленных под ступенями. Общая длинапередвижной лестницы не должна превышать 5 м.
3.7.4.Ступени деревянных лестниц должны быть врезаны в тетивы, которые через каждые 2м должны быть скреплены стальными металлическими стержнями.
Расстояниемежду ступенями переносных и раздвижных лестниц не должно быть более 0,25 м именее 0,15 м.
3.7.5.Одновременное нахождение на переносной лестнице более одного человеказапрещается.
3.7.6.Приставные лестницы должны устанавливаться в рабочее положение под углом 70-75градусов к горизонтальной плоскости.
3.7.7.Переносные лестницы, используемые в работе, должны иметь устройства,предотвращающие возможность сдвига и опрокидывания. Нижние концы лестниц истремянок должны иметь башмаки из резины или другого нескользкого материала.
3.7.8. Навсех лестницах, находящихся в эксплуатации, должны быть указаны: инвентарныйномер, дата следующего испытания, принадлежность участку.
3.7.9.Периодический осмотр деревянных лестниц должен производиться не реже одногораза в месяц.
3.7.10. Вседеревянные переносные лестницы должны испытываться статической нагрузкой послеизготовления, а также периодически при эксплуатации 1 раз в 6 месяцев.
3.7.11. Пристатическом испытании переносные деревянные лестницы устанавливаются на твердомосновании под углом 75 градусов к горизонтальной плоскости.
Поочереднок ступенькам в середине пролета подвешивается груз 1,2 кН. Время выдержки 2мин. После удаления груза на ступеньке и в местах врезки их в тетиву не должнобыть видимых повреждений.
3.7.12. Датаи результаты периодических осмотров и испытаний лестниц должны фиксироваться вжурнале учета и осмотра приспособлений.
3.8.1. Кработе по профессии маляр допускаются лица не моложе 18 лет, прошедшие проверкусостояния здоровья согласно приказу Министерства здравоохранения РФ № 90 от14.03.1996 г. «О порядке проведения предварительных и периодических осмотровработников и медицинских регламентов допуска к профессии», вводный инструктажпо охране труда и первичный инструктаж на рабочем месте.
3.8.2.Окрасочная камера должна быть оборудована в соответствии с «Межотраслевымиправилами по охране труда при окрасочных работах» ПОТ Р М017-2001.
3.8.3.Внутри окрасочной камеры и вблизи ее запрещается курить и использовать открытоепламя.
3.8.4.Перед началом работы маляр обязан:
- надетьисправную спецодежду;
-подготовить рабочее место, материалы и инструмент;
- включитьвентиляцию.
3.8.5.Пролитые лакокрасочные материалы следует засыпать опилками, собрать деревяннымили алюминиевым совком, а затем протереть данное место ветошью, смоченнойрастворителем.
3.8.6.Обтирочные концы, ветошь, загрязненную лакокрасочными материалами, следуетскладировать в металлические ящики с закрывающейся крышкой и утилизировать.
3.8.7. Всеметаллические детали оборудования и приспособлений, используемые при окраскепульверизацией, должны быть надежно заземлены.
3.8.8.Грузоподъемные механизмы, применяемые в окрасочной камере, должны бытьукомплектованы электроприводами и электроаппаратурой, выполненной вовзрывобезопасном исполнении.
3.8.9.Приготовление краски должно производиться только в краскоприготовительномотделении.
3.8.10.Окраска внутренних поверхностей закрытых емкостей (резервуары и др.) должнапроизводиться при обязательном их проветривании переносными вентиляторами иосвещении переносными светильниками. Переносные светильники должны быть вовзрывобезопасном исполнении, иметь металлическую сетку, крюк для подвески ишланговый провод с исправной изоляцией, напряжением электросети не выше 12 В.
3.8.11.Уборку помещений следует производить мокрым способом не реже одного раза всмену, мытье полов растворителями воспрещается.
3.9.1.Подготовка узлов трансформаторов к монтажу, очистка и промывка растворителем,должна производиться в помещениях, оборудованных вентиляцией. При выполненииуказанных работ рабочие должны быть обеспечены респираторами или противогазами.
3.9.2.Хранить нефтепродукты следует в герметично закрытой таре (бочках, канистрах ипр.). Переносить разрешается только в алюминиевых, пластмассовых илиоцинкованных сосудах с крышками.
3.9.3. Припроизводстве запрещается:
- работатьв радиусе 25 м с открытым огнем;
- выполнятьсварочные и другие работы, вызывающие образование искр;
- курить;
- работатьв обуви с металлическими гвоздями или подковами на подошвах;
- применятьметаллические лестницы и подмостки.
3.9.4.Требования при работе с трансформаторным маслом.
Наэнергетических предприятиях маслохозяйство оборудуется баками для хранения масла,насосами, маслообрабатывающим оборудованием, стационарными и переноснымимаслопроводами, средствами пожаротушения. Все указанное оборудование должнонаходиться в исправном состоянии.
Стационарныемаслопроводы в нерабочем состоянии должны полностью заполняться маслом.
Подачамасла к оборудованию и слив из него осуществляется по маслопроводам,предварительно очищенным прокачкой горячего масла.
Размещениемаслоочистительной аппаратуры (центрифуга, фильтр-пресс) должно позволятьобслуживающему персоналу свободный обход аппаратов со всех сторон; расстояниеаппаратов от стен и других машин должно быть с трех сторон не менее 0,75 м, асо стороны управления - не менее 1,5 м. В помещении маслоочистительныхаппаратов должны быть вывешены инструкции о режиме их работы.
3.10.1. Длявыполнения работ внутри бака трансформатора допускаются только специальноподготовленные рабочие и инженерно-технические работники. Они должны бытьобеспечены специальной одеждой и обувью. Одежда должна быть удобной дляпередвижения, защищать тело от переохлаждения, перегрева и загрязнения маслом.Во избежание ушибов, порезов и ссадин работы внутри трансформатора необходимопроизводить в защитной каске, рукавицах и резиновых сапогах.
3.10.2.Перед проникновением внутрь трансформатора необходимо убедиться, что из бакаполностью удалены азот и другие инертные газы и выполнена достаточнаявентиляция бака. Кислородосодержание воздуха в баке должно быть не менее 18 %.
3.10.3. Дляконтроля за состоянием и действием людей внутри трансформатора должен бытьвыделен наблюдающий, который обязан находиться возле входного люка на баке ипостоянно поддерживать связь с работающими внутри людьми.
3.10.4.Освещение внутри трансформатора должно обеспечиваться переносными лампами нанапряжение не более 12 В. Лампа должна иметь защитную сетку.
3.10.5. Приработе на активной части и внутри трансформатора следует соблюдатьосторожность, так как незначительные повреждения и загрязнение изоляционныхдеталей или попадание внутрь посторонних предметов могут стать причинойразвития неполадок при работе трансформатора. Во избежание этого необходимовыполнять следующие требования:
3.10.5.1.Работы должны выполняться квалифицированными и опытными специалистами.
3.10.5.2.Одежда работающих специалистов должна быть чистой и не иметь металлическихзастежек, а обувь не должна иметь металлических гвоздей. Карманы спецодеждыдолжны быть очищены от посторонних предметов.
3.10.5.3.При работе на активной части нельзя наступать на изоляционные детали.
3.10.5.4.Количество применяемых инструментов, приспособлений должно быть учтено ипроверено до начала и после окончания работ на активной части.
Дляобеспечения безопасности при нагреве трансформаторов необходимо выполнятьследующие организационно-технические мероприятия.
3.11.1.Оборудовать место проведения работ противопожарным инвентарем, средствамипожаротушения и телефонной связью. Количество и вид противопожарного инвентаряопределяются в зависимости от местных условий с учетом массы масла итрансформатора, количества и типа работающего оборудования.
3.11.2.Освободить место проведения работ от постороннего оборудования, очистить отгрязи, вывесить предупреждающие плакаты, сделать ограждения.
3.11.3.Получить письменное разрешение местной пожарной охраны на проведение работ.
3.11.4.Организовать круглосуточное дежурство монтажного персонала и постоянныйпротивопожарный пост. В смене должно быть не менее двух электромонтеров, одиниз них должен быть ответственным дежурным.
3.11.5.Разработать письменную инструкцию для дежурного персонала по проведению работ,соблюдению правил безопасности и действиям при возникновении опасности.Оформить журнал проведения работ, в котором дежурный персонал долженрасписываться о принятии и сдаче смены.
3.11.6.Провести производственный инструктаж с дежурным персоналом по безопасности.
3.11.7. Примонтаже индукционной обмотки необходимо, чтобы сечение провода соответствовалотоку по допустимой плотности. В качестве теплоизолирующих материалов необходимоприменять термостойкие материалы. Деревянные стойки для индукционной обмотки воизбежание их воспламенения должны быть покрыты составом, состоящим из смесижидкого стекла с мелом и тальком.
3.11.8. Привыполнении индукционной обмотки неизолированным проводом необходимо, воизбежание замыкания, не допускать их провисания при нагреве. Для этогонеобходимо деревянные стойки ставить не реже, чем через 500 мм, а провода междустойками связывать по высоте между собой шнуром, пропитанным каолином (белойглиной). Гвозди для крепления индукционной обмотки следует забивать в рейку дополовины ее толщины, так чтобы они не касались бака трансформатора.
3.11.9.Применяемые для нагрева дна бака трансформатора электрические печи ивоздуходувки не должны допускать искрообразования. Температура нагревательногоэлемента электрических печей должна быть не более 120°С. Запрещается применениеэлектрических печей и воздуходувок с открытыми нагревательными элементами.
3.11.10. Впроцессе работы необходимо следить за отсутствием течи масла из бакатрансформатора, за нагревом электрических контактов и проводов, за соблюдениемтемпературного режима нагрева трансформатора. Ежедневно необходимо производитьуборку места проведения работ.
3.11.11.Место проведения работ должно быть ограждено. Проводить огнеопасные и другие несвязанные с выполнением технологического процесса работы, а также хранитьлегковоспламеняющиеся материалы на огражденной территории не допускается.
3.12.1.Испытания должны производиться в соответствии с «Правилами техническойэксплуатации электрических станций и сетей РФ», ОРГРЭС, М., 2003 г. и«Межотраслевыми правилами по охране труда (правила безопасности) при эксплуатацииэлектроустановок» ПОТРМ 016-2001, РД 153-34.0-03.150-00, М., 2002 г.
3.12.2. Напредприятии из числа инженерно-технических работников энергослужбы должно бытьприказом (распоряжением) назначено лицо, ответственное за состояниеэлектрохозяйства, которое должно отвечать за выполнение указанных выше Правил.
Приказ оназначении лица, ответственного за электрохозяйство, издается после проверкизнаний правил и инструкций и присвоения этому лицу IV группы по электробезопасности для электроустановокнапряжением до 1000 В или V группы - дляэлектроустановок напряжением выше 1000 В.
3.12.3.Лица, ответственные за электрохозяйство несут ответственность за правильныйподбор электротехнического персонала.
3.12.4. Кэлектротехническому персоналу предъявляются следующие требования:
- послесоответствующей теоретической и практической подготовки персонал должен пройтипроверку знаний и получить допуск к работам в электроустановках;
- лица изэлектротехнического персонала не должны иметь увечий и болезней в стойкойформе. Состояние здоровья определяется медицинским освидетельствованием приприеме на работу и периодическим осмотром в установленные сроки;
- лицам, недостигшим 18-летнего возраста, не разрешается присваивать группу поэлектробезопасности выше второй и они не могут быть допущены к работам вэлектроустановках.
3.12.5.Работы в действующих электроустановках должны проводиться по наряду-допуску,распоряжению, по перечню работ, выполняемых в порядке текущей эксплуатации.
3.12.6. Дляпроизводства работ по высоковольтному испытанию трансформаторов необходимоприменять исправные испытательные установки (электролаборатории) или временныеиспытательные установки, собираемые на месте для проведения каждого испытания.
3.12.7.Передвижные испытательные установки необходимо оборудовать ограждениями,сигнализацией, блокировкой и другими приспособлениями, обеспечивающимипроизводство работ в соответствии с правилами техники безопасности.
3.12.8.Допуск людей к месту проведения испытания должен быть ограничен, посторонниелюди должны быть выведены из зоны проведения высоковольтных испытаний.
3.12.9. Приработе с мегаомметром измерение сопротивления изоляции должно осуществляться наотключенных токоведущих частях, с которых снят заряд путем предварительного ихзаземления.
4.1.Трансформатор следует сдавать в ремонт полностью в рабочем состоянии со всейтехнической, ремонтной и эксплуатационной документацией, а также с комплектомнеобходимых для ремонта запасных частей, деталей, материалов, инвентарнойоснастки и оборудования для выполнения ремонта.
4.2.Запасные вводы хранить:
а) сухие -в заводской упаковке, в сухом помещении;
б)маслонаполненные - в отапливаемом помещении на специальных подставках ввертикальном положении заполненными сухим маслом.
4.3.Запасные охладители хранить в деревянной упаковке в сухом помещении, залитымисухим маслом и герметично закрытыми.
4.4.Запасные маслонасосы системы охлаждения трансформатора хранить в заводскойупаковке, залитыми сухим маслом и герметично закрытыми.
4.5.Запасные вентиляторы системы охлаждения хранить в сухом помещении в заводскойупаковке.
5.1.Отсоединить шины и спуски от отводов, силовые и контрольные кабели отдвигателей и приборов, заземление трансформатора. Произвести частичный демонтажпротивопожарной системы.
5.2.Произвести внешний осмотр трансформатора, выявить дефекты, имеющиеся местатечей отметить мелом или керном. Составить ведомость дефектации.
5.3.Провести предремонтные испытания.
Объемпредремонтных испытаний должен состоять из:
- наружногоосмотра трансформатора и испытания бака на плотность;
- измеренияпотерь холостого хода при пониженном напряжении;
- измерениясопротивления изоляции R60;
- измеренияtgd изоляции обмоток;
-физико-химического анализа и хроматографического анализа масла;
- измерениясопротивления обмоток постоянному току;
- проверкиработы механической части переключающего устройства;
- оценкисостояния бумажной изоляции по степени полимеризации;
- измерениясопротивления короткого замыкания Zk (для трансформаторов мощностью 125 MB·А и выше);
5.4.Перекрыть вентили и задвижки между охладителями и баком трансформатора.
Слить маслоиз маслопроводов, отсоединить маслопроводы от трансформатора и установить нафланцах маслопроводов, задвижек и вентилей бака заглушки с маслоспускнымипробками. Заполнить маслом все маслопроводы и охладители.
5.5.Очистить наружные поверхности контактных зажимов вводов от загрязнений.
5.6.Произвести на всех рельсах разметку мест их сопряжения с катками каретоктрансформатора, приподнять домкратами трансформатор со стороны расширителя,убрать с рельсов подкладки, обеспечивающие наклон трансформатора по осирасположения газового реле. Осмотреть каретки и катки, смазать оси катков.Опустить трансформатор на рельсы проверить надежность закрепления кареток к днубака.
5.7.Закрепить блоки полиспаста за якорь и специальную конструкцию на трансформаторедля перемещения его по поперечной оси. Постепенно разматывая трос с барабаналебедки, пропустить его через оттяжной блок, зарядить полиспаст, закрепитьконец троса за ушко в блоке и выбрать слабину в полиспасте. Тщательно проверитьсостояние кареток и путей перекатки.
5.8.Проверить стыки на крестовинах рельсовых путей, установить на стыках крестовинрельсовых путей вставки и закрепить их.
5.9.Перемещение трансформатора с фундамента на ремонтную площадку осуществлятьследующим образом:
-переместить трансформатор с фундамента на поворотную крестовину;
-приподнять трансформатор на 150 мм, повернуть каретки на 90°, опуститьтрансформатор, закрепить каретки, переставить вставки в крестовинах,переставить полиспаст;
-переместить трансформатор на 40-50 м и переставить полиспаст.
Операцииповорота катков и перекатки по продольной и поперечной осям повторять по всемупути перекатки. Перекатывать трансформатор плавно, без рывков, со скоростью, непревышающей 8 м/мин.
Тяговоеусилие должно быть направлено по направлению оси рельсовых путей.
Примечания: 1. Подъем трансформатора с помощью гидродомкратов осуществлятьплавно, контролируя по манометрам, установленным на этих домкратах,равномерность нагрузки на домкраты - гидродомкраты устанавливать только вместах, указанных в технической документации трансформатора. Установленныегидродомкраты должны иметь предохранительные гайки на головках поршней. Соединительныешланги должны быть предварительно проверены и испытаны и не иметь перегибов.
2.Если трансформатор нельзя доставить на место ремонта с вводами, навеснымирадиаторами (охладителями) расширителем и предохранительными устройствами, топоследние следует снять, предварительно слив масло из бака на 150-200 мм нижеуровня крышки бака. Перед транспортированием необходимо залить масло под крышкубака.
3.Трансформаторы с выносными охладителями к месту ремонта перемещать безохладителей.
4.В отдельных случаях допускается перемещать трансформатор в частичнодемонтированном виде.
5. Охладители к месту ремонта перемещать герметично закрытыми изаполненными сухим маслом.
6.1.Произвести частичный слив масла из трансформатора (по уровень верхнего ярмамагнитопровода).
6.2.Прогреть трансформатор до температуры 60-70°С одним из методов нагрева,указанных в «Трансформаторы силовые. Транспортирование, разгрузка, хранение,монтаж и ввод в эксплуатацию» РД 16.363-87, Москва, СПО Союзтехэнерго, 1987 г.
Примечания: 1. Допускается производить разборку трансформатора на открытомвоздухе в сухую и ясную погоду при относительной влажности воздуха до 65 % (приложение 3).
2.Температура активной части в процессе всего периода разгерметизации должнапревышать температуру точки росы окружающего воздуха не менее чем на 5°С и вовсех случаях должна быть не ниже +10°С.
3.Продолжительность работ, связанных с разгерметизацией бака, проводимых присоблюдении п. 2 не должна превышать значений, указанных в «Инструкции поэксплуатации трансформаторов» СО 153-34.46.501 (РД 34.46.501).
4.Началом вскрытия активной части трансформатора считается начало слива масла, аконцом - начало вакуумирования.
5.В период осмотра и ремонта активной части, а также после ремонта до полнойгерметизации в целях предохранения активной части от увлажнения рекомендуетсяприменять внутри бака продувку сухим подогретым воздухом.
6. Кратковременное вскрытие какой-либо заглушки доустановки термометра для измерения температуры (при вынужденном прогреве) неучитывается при определении продолжительности пребывания активной части навоздухе.
6.3. Осмотретьтрансформатор, о замеченных дефектах сделать запись в ведомости дефектации.
6.4.Ознакомиться по габаритному чертежу трансформатора со схемами строповки вводов,бака и других узлов трансформатора.
6.5.Провести частичный слив масла с подсосом воздуха через технологическийвоздухоосушитель ниже фланца ввода.
6.6.Демонтировать газоотводные трубы, клапаны, вентили, задвижки, недемонтированные ранее расширитель и предохранительную трубу с помощью гаечныхключей, установить заглушки.
6.7.Установить и подключить установку «Суховей» для подачи подогретого и осушенноговоздуха в бак трансформатора.
6.8.Демонтировать вводы:
- упротяжных вводов отвинтить наконечник и установить в наконечник отводарым-болт, закрепить тросик за рым-болт для поддержания отвода при снятии ввода;
- у вводовзажимного исполнения отсоединить внутри бака отвод обмотки от ввода;
- всеотводы подвязать к конструкциям активной части и произвести подчисткуконтактных соединений ввода с обмоткой напильником;
- снятыеизоляционные детали хранить в масле, исключив при этом возможные механическиеповреждения;
- демонтажгерметичных вводов ГБМТ (с баками давления) производить вместе с бакамидавления, предохраняя соединительную трубку от повреждений и резких изгибов(радиус изгиба должен быть не менее 90 мм).
Воизбежание повреждения фарфоровых покрышек вентиль между бачком давления ивводом должен быть открыт.
6.9. Слитьмасло в систему маслохозяйства.
6.10. Снятьустановки трансформаторов тока с бакелитовыми цилиндрами (предварительно проверитьзазоры между цилиндрами и активной частью, которые должны быть не менее 30 мм).
6.11.Установки трансформаторов тока разболтить и поднять, ступенчато чередуявертикальные и горизонтальные перемещения. Установки с трансформаторами токаотсоединить от бакелитовых цилиндров. На установки с трансформаторами токаустановить временные технологические заглушки и залить маслом, а бакелитовыецилиндры установить в емкости с маслом и загерметизировать.
6.12. Узлы,имеющие наклонную ось, (трансформаторы тока, вводы и пр.) демонтировать странсформатора с чередованием горизонтальных и вертикальных перемещений.
6.13. Снятьвводы НН (низкого напряжения), отсоединив гибкие соединения через специальныелюки, а также коробки вводов. Вводы, устанавливаемые в обойме, снимать вместе собоймой.
6.14.Ввинтить до упора домкратные винты для фиксации переключающего устройствапогружного типа, отсоединить крепление переключающего устройства к бакутрансформатора.
6.15.Маркировать отводы, отсоединить их от переключателей напряжения и закрепить заактивную часть. Проверить зазоры между деталями активной части (ярмовымибалками, активной сталью, отводами, креплениями и др.) и баком. Отсоединитьвнутри бака заземляющие шинки, распорные болты, расцепить валы переключающегоустройства, предварительно нанеся риски на муфты сцепления, разобрать системунаправленного движения масла (при наличии), отсоединить переключающееустройство.
6.16.Развинтить разъем бака, отпуская равномерно болты по периметру (развинчиваниеначинать с середины боковых сторон).
6.17.Выполнить строповку верхней части бака (колокола).
6.18.Поднять верхнюю часть бака на высоту 250-300 мм от разъема и выдержать дляпроверки отсутствия мест касания активной части, перекосов, неравномерностинатяжения, исправности тормозов и других механизмов крана. Поднять верхнюючасть бака и установить на ремонтной площадке на деревянные брусья.
6.19.Установить вокруг активной части сборно-разборные стеллажи с перилами на уровневерхнего ярма магнитопровода.
7.1.1.Осмотреть ярмовые балки и прессующие винты. В случае значительной деформацииконсолей, их необходимо демонтировать, отрихтовать, подварить, тщательноочистить, обезжирить и окрасить.
7.1.2.Проверить состояние прессовки магнитопровода. При удовлетворительной прессовкелезвие ножа не должно входить между пластинами от усилия руки.
7.1.3.Внешним осмотром выявить места перегревов, забоин и шлакообразований, состояниеизоляции и схемы заземления магнитопровода.
Признакамиместных перегревов служат цвета побежалости (изменение нормального цвета сталина желтый, фиолетовый, синий). Шлакообразования имеют вид черной спекшейсямассы.
7.1.4.Восстановить в доступных местах разрушенную межлистовую изоляцию конденсаторнойбумагой или путем пропитки бакелитовым лаком с помощью кисточки. Выправитьзабоины и удалить шлакообразования.
7.1.5.Проверить чистоту вентиляционных каналов в магнитной системе. Промыть струейгорячего трансформаторного масла.
7.1.6. Пришпилечной стяжке (см. рис. 3) измерить мегаомметром 3 сопротивление изоляциистяжных шпилек 2 верхнего и нижнего ярм относительно магнитной системы.

1 -магнитопровод, 2 - стяжная шпилька, 3 - мегаомметр
Рис.3. Измерение изоляции прессующих устройств магнитопровода шпилечнойконструкции.
Еслисопротивление изоляции шпильки значительно ниже остальных или равно нулю,необходимо отвинтить гайки, извлечь шпильку из ярмового отверстия вместе сизолирующей бумажно-бакелитовой трубкой и осмотреть ее. Если трубка и шпилькаимеют признаки перегрева (обугливание изоляции, наличие цветов побежалости,оплавление) и при осмотре отверстия в ярме обнаружено замыкание кромок пластин,то верхнее ярмо следует разобрать и при необходимости пластины переизолировать.Поврежденные бумажно-бакелитовые трубки следует заменить.
7.1.7.Шпильки, укомплектованные трубками, электрокартонными и стальными шайбами,вставить в отверстия ярм, навинтить гайки и равномерно затянуть с двух сторон.
7.1.8.Отделить заземляющую шинку.
Проверитьсопротивление изоляции ярмовых балок относительно магнитной системы.
Еслипоказатель качества изоляции соответствует нормам испытания, то заземляющуюшинку установить на место.
Подпрессоватьмагнитопровод, для предотвращения ослабления гаек стяжных шпилек предохранитьих от самоотвинчивания стопорными пластинами или кернением.
7.1.9. Приобнаружении замыкания между заземленными частями конструкции магнитопровода приснятых шинках заземления, устранить замыкание путем создания зазора (не менее 8мм по маслу) или прокладывания электрокартона толщиной более 3 мм в местекасания. При этом должны быть приняты меры, исключающие продавливаниеэлектрокартона. Электрокартонные прокладки надежно закрепить.
7.1.10. Умагнитных систем бесшпилечной конструкции (рис. 4) ярма следует подпрессовыватьподтяжкой гаек на внешних шпильках и полубандажах 1. Мегаомметром 8 необходимопроверить качество изоляции полубандажей 1 и подъемных пластин 3, расположенныхвдоль стержней по отношению к активной стали.
Примечание. Значениесопротивления изоляции стяжных шпилек, бандажей, полубандажей ярм и прессующихколец относительно активной стали и ярмовых балок, а также ярмовых балокотносительно активной стали, измеренного мегаомметром на напряжение 1000-2500В, должно быть не менее 2 МОм, а сопротивление изоляции ярмовых балок не менее0,5 Мом.

| 1 - полубандаж; | 5 - прессующий винт; |
| 2 - электрокартонная прокладка; | 6 - прессующее кольцо; |
| 3 - подъемная пластина; | 7 -стеклобандаж; |
| 4 - ярмовая балка; | 8 - мегаомметр. |
Рис.4. Измерение изоляции прессующих устройств магнитопровода бесшпиличнойконструкции.
7.2.1.Осмотреть доступные части изоляции обмоток на отсутствие мест касаниямеждуфазной изоляции с обмоткой и отводами (расстояние от междуфазной изоляциидо прессующих колец и других заземленных частей должно быть не менее 30 мм).Осмотреть места касания, установить наличие следов электрических разрядов.Осмотреть крепление экранирующих витков. Проверить с помощью отвесавертикальность столбов прокладок (отклонения допустимы в пределах ±5 мм от вертикальной оси прокладок). Отклонения вышедопустимых необходимо устранить.
7.2.2.Определить механическую прочность изоляции следующим образом: отобрать 1-2образца витковой и главной изоляции. Расщепить полосы из электрокартона на слоине более 0,5 мм по толщине, завернуть в фильтровальную бумагу и выдержатьобразцы в течение 8-10 ч при относительной влажности 70-80 %.
По условнойбалльной классификации, установленной практической эксплуатацией:
1-й класс -изоляция эластичная, при полном сгибе вдвое изоляция не ломается;
2-й класс -изоляция твердая, при полном сгибе вдвое образуются трещины;
3-й класс -изоляция хрупкая, при полном сгибе изоляция ломается;
4-й класс -изоляция ветхая, при сгибе до прямого угла изоляция ломается.
При 4-мклассе изоляции обмоток для обеспечения надежной работы трансформатора принятьмеры по замене изоляции обмоток.
Оценкасостояния бумажной изоляции обмоток трансформаторов класса напряжения 110 кВ ивыше должна проводиться по степени полимеризации.
Ресурсбумажной изоляции обмоток считается исчерпанным при снижении степениполимеризации бумаги до 250 единиц.
7.2.3.Опрессовать обмотки гидравлическими домкратами в соответствии с РД 16.363-87 споправками на состояние изоляции обмоток (см. ниже).
7.2.3.1.Провести подготовительные работы:
- проверитьсостояние прессовки обмоток;
-установить требуемое количество рабочих цилиндров на каждое прессующее кольцо,располагая их около прессующих винтов по окружности;
- собратьсхему гидравлической опрессовки, закачать в систему масло и выпустить воздух.Во избежание перекосов гидравлических домкратов необходимо следить, чтобыповерхности поршней и корпусов домкратов соприкасались с опорными поверхностямипрессующих колец по всей плоскости;
- создать всистеме с помощью насоса давление, равное расчетному, откорректированному сучетом состояния изоляции обмоточного провода (приложение 4). Расчет усилия изначения давления по манометру при опрессовке обмоток трансформаторапроизводить согласно местной инструкции по запрессовке.
7.2.3.2.Опрессовку обмоток проводить одновременно на трех стержнях, при этом следуетопрессовывать однотипные обмотки, одного класса напряжения.
Примечания: 1. В случае, когда опрессовка обмоток одновременно на трех стержняхневозможна из-за отсутствия оснастки, допускается выполнять опрессовку обмотокпоочередно на отдельных стержнях в указанной последовательности: крайнийстержень, второй крайний стержень, средний стержень.
2. Воднофазном трансформаторе в первую очередь следует опрессовывать обмотку наглавном стержне, а затем на вспомогательном.
3. Если на заводском чертеже нет специальных указаний об очередностиопрессовки обмоток на стержне, то необходимо первыми опрессовывать обмотки,имеющие большее (общее на всю обмотку) усилие опрессовки; последними - обмоткис наименьшим (общим на всю обмотку) усилием опрессовки. Если две или несколькообмоток на одном стержне магнитопровода должны иметь одинаковое усилиеопрессовки, то в первую очередь следует опрессовывать обмотку, которая расположенапервой от стержня.
7.2.3.3.Первый способ опрессовки обмоток заключается в следующем:
- отвинтитьконтргайки на нажимных винтах, определить очередность опрессовки обмоток;
-установить гидравлические домкраты на прессующие кольца, количество их должнобыть равным количеству нажимных винтов;
-расположить домкраты на прессующем кольце в непосредственной близости отнажимных винтов, как указано на рис. 5;
- выбратьзазор между поршнем гидравлического домкрата и ярмовой балкой с помощьюизоляционных прокладок;
-определить по заводскому чертежу значение усилия опрессовки обмотки на одинвинт, откорректированное с учетом состояния изоляции обмоточного провода,установить соответствующее выбранному усилию опрессовки давление масла вгидравлической системе (см. приложение 4);
-опрессовать обмотки с усилием, рассчитанным по предыдущему пункту, выдержатьнеизменным давление 2-3 мин;
- довинтитьключом нажимные винты до упора в прессующее кольцо;
- завинтитьконтргайки;
- сброситьдавление в системе гидравлических домкратов до нуля, переставить домкраты кдругим обмоткам;
- выполнитьопрессовку других обмоток, соблюдая последовательность, указанную выше.Контроль усилий опрессовки осуществлять по показанию манометра в процессеопрессовки.
Примечания: 1. Если высота выхода поршня гидравлического домкрата не позволяетопрессовать обмотку за один прием (высота усадки обмотки больше, чем допустимаявысота выхода поршня), то опрессовку следует выполнить в два или несколькоприемов.
2.Установку гидравлических домкратов и довинчивание винтов стандартными рожковымиключами следует выполнять с временных стеллажей.

1 -прессующее кольцо; 2 - подкладка нажимного винта; 3 - ось нажимного винта;
4 -гидродомкрат.
Рис.5. Схема установки домкрата.
7.2.3.4.Второй способ опрессовки обмоток заключается в следующем:
-установить по заводскому чертежу значение усилия опрессовки обмотки на одинвинт, откорректированное с учетом состояния изоляции обмоточного провода.Определить соответствующее выбранному рассчитанному усилию давление масла вгидравлической системе (см. приложение 4);
-определить очередность опрессовки обмоток. Установить на прессующее кольцообмотки два гидравлических домкрата (по одному с двух диаметральнопротивоположных сторон);
-расположить гидравлические домкраты на прессующем кольце в непосредственнойблизости от нажимных винтов, как указано на рис. 5;
- отвинтитьконтргайки на нажимных винтах;
- выбратьпрокладками зазор между поршнем гидравлического домкрата и консолью, какуказано на рис. 6. При выборе зазора использоватьспециальную прокладку с выдвижным штоком для осаживания обмоток (см. рис. 7);
-опрессовать обмотки выбранным и рассчитанным на один нажимной винт усилием. Приопрессовке следить, чтобы усадка обмотки в зоне установки гидравлическогодомкрата за один прием опрессовки не превышала 10 мм. Значение усадкиопределить по количеству оборотов освободившегося от нагрузки нажимного винта(при довинчивании его до упора), умноженному на шаг резьбы винта;
- придостижении расчетного давления, выдержать его 2-3 мин. Довинтить ключомнажимные винты (два на фазу, возле которых установлены гидравлические домкраты)до упора в прессующее кольцо;
- сброситьдавление в системе гидравлических домкратов до нуля. Переставить гидравлическиедомкраты к другим двум диаметрально противоположным винтам;
-поочередной перестановкой гидравлических домкратов выполнить опрессовку обмоткив зоне других нажимных винтов данной обмотки, соблюдая последовательностьопераций, указанную в п.7.2.3.4.
Примечания: 1. Если при опрессовке усадка обмотки в зоне установкигидравлического домкрата превышает 10 мм, опрессовку обмоток до получениязаданного усилия выполнить в два или несколько приемов. При выполненииопрессовки соблюдать последовательность работ, но при этом усилие, создаваемоегидравлическим домкратом, ограничить до значения, которое обеспечит усадкуобмотки в зоне установки гидравлических домкратов до 10 мм.
2.Установка гидравлических домкратов и довинчивание нажимных винтов привыполнении опрессовки обмоток вторым способом выполняются с приставных лестницпри производстве работ внутри бака трансформатора и со стеллажей при установкегидравлических домкратов через открытые люки.
3.Опрессовку обмоток гидравлическими домкратами производить от обмотки с большимиусилиями к обмотке с меньшими усилиями опрессовки.
4.Для предотвращения разрывов шлангов при работе необходимо следить, чтобы радиусизгиба шлангов высокого давления был не менее 90 мм.
5.При опрессовке обмоток руководствоваться указаниями чертежей в отношениидопусков на осевые отклонения размеров обмоток.
6. Перед опрессовкой обмоток убедиться в целостности и прочностиподдомкратных прокладок.
1 -консоль; 2 - специальная прокладка; 3 - гидравлический домкрат; 4 - прокладкаиз электрокартона; 5 - прессующее кольцо; 6 - обмотка
Рис.6. Схема опрессовки обмотки гидродомкратами
Рис.7. Прокладки для опрессовки обмоток:
а -цельная; б - с подвижным штоком.
7.2.4. Проверить целостность креплений отводов.Поврежденные детали заменить новыми, предварительно просушенными не менее 48 чпри температуре 100-105°С при остаточном давлении 667 Па (5 мм рт. ст.) ипропитанными маслом под вакуумом при температуре 50°С.
Проверитьсостояние паек контактных соединений. При обнаружении потемнения изоляции вместах паек, необходимо изоляцию срезать на конус (длина конуса должнасоставлять не менее десятикратной толщины изоляции), проверить состояние пайки.При необходимости, соединение перепаять, изолировать место пайки новойизоляцией (бумагой, лакотканью).
Проверитьзатяжку гаек крепления и, при необходимости, затянуть крепеж несущей отводыконструкции и разъемные соединения на отводах. После затяжки крепежа гайки и болтыпредохранить от самоотвинчивания.
Проверитьрасстояния между отводами и от отводов до заземленных частей в соответствии счертежами. При обнаружении несоответствий чертежу, дефекты необходимоустранить.
7.2.5.Проверить соответствие схемы заземления чертежу, а также состояние заземляющихшинок и качество их установки. При наличии подгаров шинок, установить причину иустранить подгары. Шинки с надрывами должны быть заменены шинками, пролуженнымиоловянистым припоем и имеющими такое же сечение. Все шинки заземлениязаизолировать предварительно просушенной лакотканью и одним слоем кипернойленты вполуперекрытие.
Примечание. Шинкизаземления прессующих колец не укорачивать.
7.2.6.Проверить отсутствие замыканий между прессующими кольцами (при раздельной прессовке),а также между прессующими кольцами и активной сталью, отсутствие касаний краевизоляционных цилиндров и реек прессующих колец, проверить правильность инадежность установки заземлений.
7.2.7.Осмотреть состояние бакелитовых цилиндров. Проверить надежность их крепления.
При наличиизначительных дефектов цилиндры следует заменить.
7.2.8.Проверить состояние экранов вводов и боковых ярм, крепление реек изоляционныхбарьеров и экранов. Ослабленные крепления подтянуть (при необходимостипросверлить в экранах новые отверстия и закрепить экраны).
7.2.9.Измерить сопротивление изоляции ярмовых балок, прессующих колец, стяжныхшпилек, обмоток, бандажей и полубандажей ярм относительно активной стали,ярмовых балок относительно активной стали и электростатических экрановотносительно обмоток и магнитной системы.
7.2.10.Измерить влажность твердой изоляции (для трансформаторов классов напряжения 110кВ и выше, мощностью 60 MB·А и более).
7.2.11.Протереть доступные места и промыть активную часть струей горячеготрансформаторного масла (с температурой 50-60°С). Удалить остатки масла споддона, протереть дно поддона (бака).
7.3.1.Ремонт переключающих устройств с ПБВ (переключение без возбуждения) (см. рис.8) производится следующим образом.
Переключательотсоединить от привода, освобождая верхнюю муфту, соединяющую вал привода 3 соштангой привода 4.
Послеобеспечения доступа к переключателю, проверить состояние контактных колец 12 иконтактного стержня 10. Шлам или пленку, образовавшуюся на контактах, удалить спомощью ветоши, смоченной в бензине. Небольшие оплавления зачистить мелкойшлифовальной шкуркой. Зачистку производить осторожно, так как контакты имеютникелевое покрытие толщиной около 20 мкм. При обнаружении оплавлений, выяснитьпричину их появления и устранить ее.
Еслипереключатель не заменяется, контакты развернуть так, чтобы поврежденные частине контактировали.
Нажатиемруки проверить упругость пружин контактных колец 12 (величину контактногонажатия следует измерить динамометром). Усилие, развиваемое контактнымипружинами, должно быть в пределах 20-50 Н (2-5 кгс).
Очистить отшлама кистью и чистой ветошью, смоченной в масле, изоляционные диски 9, втулки,цилиндры 7, 8 и 13.
Проверитьнадежность крепления переключателя к деревянным стойкам 6 и стоек к ярмовымбалкам 5.
Произвестипрогонку устройства с первого до последнего положения и обратно 5-10 раз дляснятия окислов с контактов переключателя.
Послеокончания работ и заливки трансформатора маслом проверить герметичностьуплотнения привода с крышкой (стенкой) бака.
В случаетечи масла, заменить сальниковую набивку в верхнем фланце привода и (или)резиновую прокладку под фланцем.

1 -колпак привода; 2 - крышка бака; 3 - вал привода; 4 - штанга привода; 5 -ярмовая балка; 6 - стойка; 7 - длинный бумажно-бакелитовый цилиндр; 8 -защитный бумажно-бакелитовый цилиндр; 9 - гетинаксовый диск; 10 - контактныйстержень; 11 - кабель; 12 - контактные кольца; 13 - короткий цилиндр.
Рис.8. Схема установки переключающего устройства ПБВ.
7.3.2.Ремонт переключающих устройств с РПН (регулирование под нагрузкой) (рис. 9)производится следующим образом:

1 - привод; 2 - нониусная муфта; 3 -вертикальный карданный вал; 4- контактор; 5 - горизонтальный вал; 6 - избиратель.
Рис.9. Схема установка переключающего устройства РПН.
7.3.2.1.После отключения трансформатора до слива масла необходимо осмотреть частипереключающего устройства: (крышку) контактор 4, газоотводящую системуконтактора с газовым реле и расширителем, маслоуказатель контактора имаслорасширителя (с целью определения течей масла), целостность диафрагмы(мембраны) защитного устройства бака контактора. В случае обнаружениянеисправностей выяснить причину течей или изменения уровня масла и отметитьмелом места течей для устранения их в процессе ремонта. Проверить цветсиликагеля в воздухоосушителе контактора (при наличии осушителя) и, принеобходимости, заменить силикагель.
7.3.2.2.Произвести прогонку устройства от начального до конечного положения и обратно6-10 раз для снятия окислов с контактов. Для устройств 3AV, 3CV, SDV дополнительно сделать 100 переключений:
спредизбирателем G19 или реверсором W19 на положениях 11-8-11;
спредизбирателем G23 или реверсором W23 на положениях 13-10-13;
спредизбирателем G27 или реверсором W27 на положениях 15-12-15.
7.3.2.3.Взять пробу масла из бака контактора для анализа. Масло подлежит замене, еслипараметры его не соответствуют указанным в табл. 1.
Таблица 1.
Параметры трансформаторного масла
| Переключающее устройство | Пробивное напряжение масла по ГОСТ 6581-75, кВ, не менее | Влагосодержание, г/т, по ГОСТ 7822-75, не более | |
| в контакторе | для заливки | ||
| РНТ, РНО | 22 | 30 | - |
| РНОА на 35 кВ | 30 | 40 | - |
| РНОА на 110 кВ | 35 | 50 | 25 |
| РНОА на 220-330 кВ | 40 | 50 | - |
| PC | 25 | 40 | - |
| SAV, SCV, SDV | 30 | 50 | - |
Масло заменяется также после 50000 переключений в устройствах PC, SAV, SCV; 25000 переключений в устройствах РНО и РНОА илипосле 4-х лет работы для устройств SAV, SCV, SDV.
7.3.2.4.Слить масло из бака контактора, предварительно открыв пробку для выпускавоздуха из бака или предохранитель от избыточного давления, и снять круговую диаграммупоследовательности действия элементов переключающего устройства в обоихнаправлениях переключения при полном обороте вертикального карданного вала 3привода 1 во всех положениях переключающего устройства. По этой диаграммеопределить состояние элементов устройства для предварительного выяснения объемаего ремонта.
7.3.2.5.Провести ремонт контактора, зафиксировав положение избирателей по указателюдатчика положения 7 (рис. 10). Переключающие устройства SAV, SCV, SDV установить в положение 4. Извлечь вынимаемые части иблоки сопротивлений, предварительно застопорив механизм переключения и отметиввключенные и выключенные контакты.
7.3.2.6.Очистить детали контактора от грязи. Проверить надежность (затяжку, контровку)резьбовых соединений, состояние изоляции контактной системы (отсутствие трещин,сколов, расслоений), состояние пружин (целостность, отсутствие изломов),отсутствие изломов и обрывов гибких связей.

1 -привод; 2 - нониусная муфта; 3 - вертикальный вал; 4 - контактор; 5 –горизонтальный карданный вал; 6 - избиратель; 7 - датчик положения; 8 - угловойредуктор; 9 - поворотный редуктор; 10 - датчик температуры.
Рис.10. Схема установки переключающего устройства РПН погружного типа.
7.3.2.7.Проверить состояние контактов.
Заменуконтактов следует произвести в тех случаях, когда подвижные дугогасительныеконтакты в устройствах РНО(Т)-13, РНО(Т)-21, РНО-17, РНО(Т)-20, РНО(Т)-23,РНТ-24 и неподвижные контакты в устройствах РНО(Т)-13, РНО(Т)-21 оплавились дотолщины 7 мм, а неподвижные дугогасительные контакты в устройствах РНО-17,РНО-20, РНО(Т)-23, РНТ-24 - до толщины 24 мм.
Вустройствах РНОА вспомогательные дугогасительные контакты следует заменить,если зазор между главными контактами в момент соприкосновения вспомогательныхменее 1 мм. Зазор измеряется после выведения контактора из статическогоположения («замка») для двух плеч, вывод сделать по наименьшему зазору.
Вустройствах PC произвести регулированиепровалов и ремонт контактов (разрешается производить только один раз, анеобходимость замены определяется минимально допустимой толщиной главныхконтактов: медная часть - 1,5 мм, металлокерамика - 1 мм).
Вустройствах SAV, SCV, SDV заменудугогасительных контактов произвести тогда, когда вольфрамовая контактнаянакладка будет иметь толщину менее 1 мм.
Во всехостальных случаях запилить главные контакты с целью получения определенногосоотношения медной и металлокерамической частей (для ПУ типа PC) или зачистить контакты с целью удаления заусенец,подгаров, оплавлений.
7.3.2.8.Измерить усилие нажатия в контактах, которое не должно превышать:
длядугогасительных контактов ПУ типа РНО (РНТ):
- 50-60 Н(5-6 кгс) [при этом разница в давлениях между спаренными контактами одной фазыне должна превышать 3 Н (0,3 кгс)];
дляконтактов контактора ПУ типа РНОА:
- главных -180-240 Н (18-24 кгс),
-вспомогательных - 180-220 Н (18-22 кгс),
-дугогасящих - 80-100 Н (8-10 кгс);
дляконтактов контактора типа PC:
- главных -350-420 Н (35-42 кгс),
-вспомогательных - 90-130 Н (9-13 кгс);
для главныхконтактов ПУ типа SAV, SCV, SDV:
- 26-38 Н(2,6-3,8 кгс).
7.3.2.9.Проверить исправность токоограничивающих сопротивлений путем измерения ихзначения и сравнения с паспортными данными.
7.3.2.10.Дважды промыть вынимаемую часть и корпус контактора чистым сухим трансформаторныммаслом (Uпр = 50 кВ) (желательно подогретым до 50-60 °С) иустановить ее и блок сопротивлений (PC, SAV, SCV, SDV) на место.
Залить бакконтактора чистым сухим трансформаторным маслом с параметрами, указанными втабл. 1, через расширитель (РНОА) или маслопровод для защитного реле (PC) до появления масла из пробки для выпуска воздуха.
7.3.2.11.Ремонт избирателей и предизбирателей проводить после подъема колокола бака, приэтом необходимо снять горизонтальный карданный вал 5 и отсоединить отводы, соединяющиеконтактор с трансформатором. В устройствах погружного типа снять переходнойфланец, или, если устройство смонтировано без него, отсоединить через люкотводы трансформатора для обеспечения возможности подъема колокола (отводызамаркировать).
7.3.2.12.Ремонт избирателей 6 состоит в осмотре всех их элементов: механическойпередачи, пружин контактов, изоляционных деталей, токоподводов на отсутствиеполомок, обрывов, сколов, трещин и прочих неисправностей, могущих вызватьнарушение работы избирателей. Проверить визуально надежность резьбовыхсоединений (затяжку, контровку), состояние контактных поверхностей (отсутствиеследов нагрева).
Измерить спомощью динамометра усилие контактных пружин. Оно должно быть в пределах:
визбирателе и предизбирателе ПУ типа PC:
- на ток200 А - 40-60 Н (4-6 кгс), 400 А - 55-75 Н (5,5-7,5 кгс), 600 А - 90-110 (9-11кгс);
визбирателе и предизбирателе типа РНО (РНТ):
- 50-60 Н(5-6 кгс);
в ПУ типа SAV, SCV, SDV:
-избиратель - 60-90 Н (6-9 кгс), предизбиратель - 40-65 Н (4-6,5 кгс).
Последоступа к активной части измерить давление главных контактов контактораустройств РНО (РНТ), которое должно быть 80-100 Н (8-10 кгс).
7.3.2.13.По окончании сборки трансформатора и присоединения ПУ к трансформатору иприводу, произвести прокрутку ПУ вручную по всему диапазону на отсутствиезаеданий, снять осциллограмму действия контактов контактора и круговуюдиаграмму.
Полученныеданные сравнить с данными в паспорте ПУ.
7.3.2.14.Сушку ПУ перед опусканием в бак производить в случае пребывания на воздухеболее 100 ч для ПУ типа SAV, SCV, SDV, более 8-24ч (в зависимости от влажности) для ПУ типа РНОА, для остальных ПУ - болеевремени, оговоренного для активной части трансформатора.
7.3.2.15.Проверить работу системы автоматического управления работой переключающихустройств, дистанционного управления приводом.
7.3.3.Ремонт привода переключающих устройств с РПН производить в следующейпоследовательности:
- осмотретьи проверить надежность (затяжку, контровку) всех крепежных соединений;
- проверитьналичие смазки в колпачковых масленках, установленных на подшипниках валовпривода и между трущимися частями механизма и редуктора. В случаенеобходимости, смазать эти части смазкой, указанной в эксплуатационнойдокументации на привод;
- осмотретьконтакты пускателей, реле и других приборов, целость сигнальных ламп;
- проверитьправильность остановки привода на выбранном положении и, в случае отклонения отнормы, отрегулировать торможение в соответствии с эксплуатационнойдокументацией на привод;
- проверитьработу крайних электрических и механических блокировок;
- проверитьработу дистанционного указателя положений и, при необходимости, отрегулироватьсогласно эксплуатационной документации на привод;
- проверитьсопротивление изоляции электрических цепей. Оно должно быть не менее 0,5 МОмпри измерении мегаомметром на напряжение 2500 В;
- проверитьсостояние блокировки при ручном приводе. При установленной рукоятке ручногопривода пуск электродвигателя должен быть невозможен;
- проверитьдействия нагревателей, командных кнопок при закрытой крышке.
8.1.Установить верхнюю (съемную) часть бака на нижнюю часть бака. При установкепользоваться направляющими оправками, располагающимися по периметру разъема.Завинтить болты разъема, равномерно и одновременно с двух диаметральнопротивоположных сторон. Затяжку следует считать оптимальной, если толщинауплотнительной прокладки составляет 2/3 первоначальной толщины. Установитьраспорные устройства в соответствии с требованиями технической документации.
8.2.Собрать установку трансформатора тока с бакелитовыми цилиндрами и установить набак, соблюдая угол наклона и правильность расположения выводной коробкиотносительно выреза в цилиндре. После чего завинтить несколько направляющихшпилек во фланец бака.
8.3.Установить маслонаполненные вводы:
Передподъемом ввода предварительно закрепить экран на контактную шпильку и тщательнопротереть нижний фарфоровый изолятор. Установить ввод, завинтить болты разъема.
- приустановке маслонаполненных протяжных вводов ввернуть рым-болт с тросом внаконечник отвода, пропустить трос через токоведущую трубу ввода и отводнойблок, устанавливаемый на крюке крана. При установке вводов постепенно с помощьюприкрепленного к наконечнику отвода троса протягивать отвод через токоведущуютрубу ввода. После установки ввода закрепить наконечник отвода за головку вводаи навернуть выводной наконечник ввода;
- приустановке герметичных вводов баки давления устанавливать совместно с вводами.При этом необходимо проверить и довести до норм давление масла во вводах;
- приустановке немаслонаполненных (сухих) вводов установить коробки вводов.Укомплектовать разъемные вводы. Установить вводы, подсоединить отводы ипроверить правильность установки вводов.
8.4. Поокончании сборки трансформатора необходимо произвести определениевлагосодержания твердой изоляции в соответствии с РД 16.363-87 и «Объемом инормами испытания электрооборудования» РД 34.45-51.300-97,«ЭНАС», М., 1997.
8.5. Приобнаружении повышенного влагосодержания произвести подсушку или сушку активнойчасти в собственном баке в соответствии с разд. 9.
Примечания: 1. При отсутствии макетов изоляции образцы отобрать из главнойизоляции по согласованию с заводом-изготовителем.
2.Отобранные для испытания образцы изоляции должны быть помещены в сосуд ссобственным маслом трансформатора и загерметизированы.
3.Общее время нахождения образцов на воздухе от открытия люка бака трансформаторадо герметизации образцов не должно превышать 15 мин.
4.Упакованные образцы изоляции можно транспортировать и хранить не более 7 суток.
5.При установке вводов размещение отводов обмоток контролировать черезспециальные люки на баке трансформатора.
6.Манометры и соединительные трубки желательно закрепить на отдельной стойке всоответствии с заранее согласованной трассировкой.
7.При установке наклонных вводов на баке трансформатора последовательночередовать горизонтальные и вертикальные перемещения.
8. При установке новых вводов скорректировать узлыотводов обмоток.
9.1.Подсушку твердой изоляции трансформатора проводить в следующих случаях:
- припоявлении признаков увлажнения твердой изоляции, установленных измерениями;
- при продолжительности пребывания активной части трансформатора навоздухе, превышающей:
| для трансформаторов классов напряжения до 35 кВ | - 16 ч при относительной влажности до 75 % - 8 ч при относительной влажности 75 % и более |
| для трансформаторов классов напряжения 110-750 кВ | - 16 ч при относительной влажности до 75 % - 10 ч при относительной влажности до 85 % |
- если характеристики изоляции, измеренные при капитальном ремонте, несоответствуют РД 34.45-51.300-97.
Примечание. Если во времявскрытия трансформатор будет прогрет в течение всего периода нахожденияактивной части на воздухе до температуры поверхности наружной обмотки,превышающей на 10°С температуру окружающего воздуха, то время пребыванияактивной части на воздухе удваивается.
9.2. Сушкуизоляции обмоток трансформатора проводить в следующих случаях:
- еслиподсушкой характеристики изоляции не приведены в соответствие с требованиями РД34.45-51.300-97;
- еслипродолжительность пребывания на воздухе активной части трансформатора прикапитальном ремонте более чем в 2 раза превышает время, указанное в п. 9.1.
9.3. Сушкуактивных частей трансформаторов необходимо производить с установленнымикарманами, патрубками под вводы, трансформаторами тока и усиленными заглушками,с временными вводами класса напряжения не менее 10 кВ, установленных вместопостоянных вводов. При этом, необходимо проверить для трансформаторов более 80 MB·А наличие «Макетов изоляции» и установить внутри бакаи на активной части трансформатора термодатчики в соответствии с РД 16.363-87.
9.5. Сушкутвердой изоляции трансформаторов, баки которых рассчитаны на полный вакуум,проводить методом разбрызгивания нагретого масла под вакуумом.
9.6. Сушкуизоляции трансформаторов, баки которых не рассчитаны на полный вакуум, следуетпроводить с использованием индукционного метода нагрева или токами нулевойпоследовательности в соответствии с РД 16.363-87. Определение параметровиндукционной обмотки для прогрева трансформатора следует проводить согласно приложению 5.
9.7. Поокончании сушки, не снимая вакуум, убрать сторонние источники тепла и охладитьактивную часть до 65-85°С, затем промыть не менее чем 1 тонной сухогодегазированного масла. Залить в бак трансформатора со скоростью не более 3 т/чсухое дегазированное масло температурой 50-60°С по уровень верхней изоляциитрансформатора.
9.8.Остаточное давление в надмасленном промежутке трансформатора необходимоподдерживать постоянным с параметрами:
- длятрансформаторов, баки которых не рассчитаны на полный вакуум - 0,055 МПа (410 ммрт. ст.) в течение 10 ч;
- длятрансформаторов, баки которых рассчитаны на полный вакуум - 665 Па (5 мм рт.ст.) в течение 20 ч.
Снятьвакуум и пропитать активную часть маслом при атмосферном давлении в течение:
- длятрансформаторов классов напряжения 110-150 кВ - 12 ч;
- длятрансформаторов классов напряжения 220-750 кВ - 24 ч.
9.9.Проверить влагосодержание твердой изоляции, которое не должно быть более 1 %.
Оформитьтехническую документацию: акт сушки, протоколы анализов масла.
При наличиивлагосодержания в твердой изоляции более 1 %, процесс сушки необходимоповторить с п. 9.4. настоящего СО.
Привлагосодержании в твердой изоляции равном или менее 1 %, необходимо слить маслоиз бака трансформатора и приступить к ревизии активной части.
9.10.Принять меры по предохранению от увлажнения изоляции трансформаторов во времяревизии в соответствии с РД 16.363-87. Обеспечить при этом оперативнуюнепрерывную работу монтажного персонала для сокращения времени нахождениятрансформаторов в разгерметизированном состоянии.
Длятрансформаторов классов напряжения 110-330 кВ и мощностью менее 400 MB·А работы при разгерметизированном трансформатореможно проводить:
- еслитемпература активной части не менее 10°С и превышает точку росы окружающеговоздуха в течение всего периода разгерметизации не менее чем на 10°С при слитоммасле, и не менее чем на 5°С при разгерметизации без слива масла;
относительнаявлажность окружающей среды не должна быть больше 85 %;
продолжительностьразгерметизации не должна превышать:
- 12 ч в случаеразгерметизации при слитом масле,
- 20 ч вслучае разгерметизации без слива масла.
Принесоблюдении этих требований, перед разгерметизацией трансформатор необходимонагреть.
9.11.Произвести ревизию активной части с подъемом колокола (активной части),заменой, при необходимости, резины на разъемах и в других местах. При этомнеобходимо удалить термодатчики с активной части и обеспечить выполнение всегообъема и последовательности работ, предусмотренных РД 16.363-87. Составить актна удаление всех термодатчиков с активной части.
9.12.Отобрать образцы изоляции, проверить их влагосодержание аналогично п. 9.9 иоценить состояние трансформатора в части повторения подсушки (сушки) по п. 9.4 настоящего СО, либо выполнения вакуумирования и заливкитрансформатора маслом для подготовки к сдачи в эксплуатацию.
9.13.Подсоединить к баку маслосистему и вакуум-систему, соединить маслонаполненныевводы с баком трансформатора. Установить временный маслоуказатель для контроляуровня залитого в трансформатор масла.
9.14.Руководствуясь данными эксплуатационной документации, проверить маслоплотностьбака остаточным давлением, для чего включить вакуумный насос, открыть вентильвакуум-провода на крышке бака трансформатора, равномерно ступенями по 0,013 МПа(0,13 кгс/см2) через каждые 15 мин установить в баке вакуум состаточным давлением 665 Па (5 мм рт. ст.). Закрыть вентиль вакуум-провода накрышке бака, выключить вакуумный насос, записать в журнал значение остаточногодавления в баке и через 1 ч по вакуумметру определить давление внутри бака.
Трансформаторсчитается герметичным, если остаточное давление в нем увеличится не более чемна 665 Па (5 мм рт. ст.) в течение 1 часа. При большем остаточном давлении,определить место натекания и устранить дефект.
В целяхснижения трудоемкости работ, а также повышения эффективности течеискания(обнаружения мест неуплотнения) может быть использован акустический метод сприменением специальных течеискателей как отечественного, так и зарубежногоизготовления.
Работаприбора основана на принципе приема и преобразования в слышимый звукультразвуковых колебаний, излучаемых струей газа (воздуха), проходящей черезтечь под действием вакуума.
Приборвыполнен в виде пластмассового корпуса, вмещающего ультразвуковой приемник,предварительный усилитель, фильтр частот, усилитель и источник питания.
Двигаясьвдоль контролируемого объекта, необходимо одеть головные телефоны и направитьприбор приемным торцом на контролируемое место. При возникновении характерногошума в телефонах, необходимо продолжать движение, следя за изменением уровняшума. Увеличение уровня шума свидетельствует о приближении к месту течи,уменьшение - об удалении.
Примечание. Для баковтрансформаторов, не рассчитанных на полный вакуум, в частности трансформаторовклассов напряжения 110 кВ и частично 220 кВ, допустимое значение остаточногодавления приводится в сопроводительной технической документации. При отсутствиитаких данных в эксплуатационной документации, остаточное давление для этихтрансформаторов устанавливается 0,054 МПа (410 мм рт. ст.).
9.15. Передзаполнением трансформатора маслом произвести вакуумирование бака,руководствуясь данными эксплуатационной документации.
9.16. Длятрансформаторов класса напряжения 110 кВ производится безвакуумная заливка бакамаслом через запорный вентиль, расположенный в нижней части бака. Скоростьмасла, поступающего в бак трансформатора, должна быть не более 3 т/ч. Подостижении требуемого уровня масла в расширителе, прекратить заливку, выпуститьостатки воздуха через воздухоспускные пробки и дать маслу отстояться в течение12 часов. При снижении уровня масла ниже требуемого, произвести доливку масла,после чего отобрать пробу масла на анализ согласно РД 16.363-87.
9.17. Длятрансформаторов классов напряжения 150-500 кВ перед заливкой масломпроизводиться вакуумирование в течение 20 часов при остаточном давлении,установленном в соответствии с данными эксплуатационной документации:
- длятрансформаторов, баки которых не рассчитаны на полный вакуум, остаточное давлениедолжно составлять 0,054 МПа (410 мм рт. ст.);
- длятрансформаторов рассчитанных на полный вакуум остаточное давление должносоставлять 665 Па (5 мм рт. ст.).
Длятрансформаторов класса напряжения 750 кВ вакуумирование осуществляется втечение 72 ч при остаточном давлении 200 Па (1,5 мм рт. ст.), либо в течение 48ч при остаточном давлении 133 Па (1 мм рт. ст.).
9.18.Поддерживая в баке остаточное давление согласно п. 9.17 настоящего СО, залитьтрансформатор маслом, удовлетворяющим требованиям разд. 21.
Заливкутрансформаторов классов напряжения 150-500 кВ можно производить недегазированным маслом со скоростью не более 5 т/ч, а трансформаторы классанапряжения 750 кВ - дегазированным маслом со скоростью более 5 т/ч.
9.19.Прекратить заливку, когда изоляция активной части трансформаторов будетполностью покрыта трансформаторным маслом.
Продолжитьвакуумирование надмасленного пространства остаточным давлением согласно п. 9.17настоящего СО в течение 10 ч при не дегазированном масле и 2 ч - при дегазированном.
9.20.Прекратить процесс вакуумирования, подать предварительно осушенный воздух внадмасленное пространство и довести давление в нем до атмосферного.
9.21.Произвести доливку трансформатора маслом после установки расширителя,предохранительной трубы и других, устанавливаемых на верхней части бакасоставных частей, в том числе приборов газовой защиты и сигнализации.
Отобратьпробу масла и произвести анализ масла на соответствие его требованиям РД16.363-87.
9.22.Заливка трансформаторов с пленочной защитой масла осуществляется в соответствиис указаниями РД 16.363-87.
9.23.Испытать бак трансформатора избыточным давлением 0,6 м столба масла надрасширителем в течение 3 ч при температуре масла не ниже 10°С длятрансформаторов классов напряжения до 150 кВ включительно, для остальных - притемпературе масла не ниже 20 °С в соответствии с РД 34.45-51.300-97.
9.24. Вслучае обнаружения течей масла - эти места подварить электросваркой.
9.25. Провести испытания трансформатора послекапитального ремонта в соответствии с требованиями РД 34.45-51.300-97:
- выполнитьнаружный осмотр трансформатора и испытать бак на плотность;
- измеритьпотери холостого хода при пониженном напряжении (для трансформаторов мощностью1000 кВ·А и более);
- измеритьпотери холостого хода при номинальном напряжении в соответствии с ГОСТ3484.1-88;
- измеритьсопротивление изоляции R60;
- измерить tgd изоляции обмоток;
- провестифизико-химический анализ и хроматографический анализ масла (для трансформаторовкласса напряжения 110 кВ и выше);
- измеритьсопротивления обмоток постоянному току;
- проверитьработу механической части и соответствие давления контактного нажатияпаспортным данным переключающего устройства;
- измеритьсопротивление короткого замыкания Zk (для трансформаторов мощностью 125 MB·А и выше);
- измеритьсопротивление изоляции ярмовых балок, прессующих колец, стяжных шпилек,обмоток, бандажей и полубандажей ярм относительно активной стали и ярмовыхбалок относительно активной стали и электростатических экранов относительнообмоток и магнитной системы;
- проверитьгруппы соединения обмоток и коэффициент трансформации;
- испытатьэлектрическую прочность изоляции в соответствии с ГОСТ1516.1-75;
- измеритьвлажность твердой изоляции (для трансформаторов классов напряжения 110 кВ ивыше, мощностью 60 МВ·А и более);
- проверитьустройства охлаждения, предохранительные устройства, устройства защиты;
- испытатьизоляцию цепей защитной и контрольно-измерительной аппаратуры, установленной натрансформаторе;
- испытатьтрансформатор включением на номинальное напряжение для трансформаторов,отремонтированных в условиях ремонтного предприятия.
9.26.Приемочные и сдаточные испытания проводить при температуре масла втрансформаторе не ниже 10°С для трансформаторов классов напряжения до 150 кВвключительно и не ниже 20°С для трансформаторов классов напряжения 220 кВ ивыше в соответствии с РД 34.45-51.300-97.
9.27.Характеристики изоляции измерять при температуре не менее нижнего значения,записанного в паспорте трансформатора.
9.28. Дляобеспечения необходимой температуры трансформатор следует нагреть дотемпературы, превышающей требуемую на 10°С. Характеристики изоляции необходимоизмерять на спаде температуры при отклонении ее от требуемого значения не болеечем на 5°С.
Примечание. Нагрев трансформатора следует проводить одним из методов: индукционнымипотерями, токами нулевой последовательности, постоянным током, циркуляциеймасла через нагреватель.
10.1.1.Установить бак трансформатора с наклоном 1,5-2 % в сторону сливного отверстияна дне бака.
10.1.2.Отвинтить пробку для слива масла на дне бака и слить остатки масла в сливнуюемкость.
10.1.3.Очистить наружную и внутреннюю поверхности бака от загрязнений и ржавчины,протереть насухо ветошью, смоченной уайт-спиритом.
10.1.4.Проверить визуально состояние сварных швов.
10.1.5.Заварить обнаруженные места дефектов сварных швов: трещины, поры, подрезыэлектросваркой. Исправить деформированные ребра жесткости.
10.1.6.Зачистить места сварки от сварочных брызг и шлака металлическими щетками.
10.1.7.Проверить качество подварки сварных швов. Для этого смочить места подваркиизнутри бака керосином, а с противоположной стороны покрыть мелом.
Отсутствиепятен на забеленной поверхности указывает на удовлетворительную маслоплотностьсварного шва.
Дляобнаружения мест течей сварных швов эффективно применение цветнойдефектоскопии.
В данномслучае на одну поверхность сварного шва наносится пенетрант, а напротивоположную - проявитель.
Красящийпенетрант проходит через дефект и когда достигает противоположной стороны,проявляется в виде яркого красного индикаторного следа, по которому иопределяется место течи.
10.1.8.Затянуть и предохранить от самоотвинчивания крепление магнитных шунтов.
10.1.9.Проверить и восстановить поврежденную резьбу отверстий гнезд, люков.
Проверитьсостояние упорного бортика на разъеме бака, устранить в случае необходимостиего неисправности.
10.1.10.Очистить поверхности, подлежащие окраске, от загрязнений ветошью, смоченнойуайт-спиритом, обдуть сжатым воздухом.
Примечание: В настоящеевремя разработан ряд неорганических, водорастворимых и экологически чистыхобезжиривающих составов, применение которых является наиболее рациональным вусловиях ремонтного предприятия.
10.1.11.Покрыть подготовленные к окраске поверхности бака грунтом ФЛ-ОЗК ровным слоембез наплывов с помощью пульверизатора. Наружную загрунтованную поверхность бакапокрыть эмалью ПФ-133 или ПФ-115 светлого цвета согласно ГОСТ 11677-85.
Соприкосновение окрашенных участков с масломдопускается не ранее чем через 24 ч после окончания сушки.
Маркировка(табличка) завода-изготовителя, маркировка места заземления, мест под домкраты,места центра тяжести, мест строповки, места макета изоляции, ярлыки и прочиеосновные, дополнительные информационные надписи и манипуляционные знаки должныбыть сохранены или восстановлены в соответствии с ГОСТ 11677-85 и ГОСТ 14192-96.
10.1.12.После сборки трансформатора необходимо провести испытание бака на плотность поодному из следующих способов в соответствии с РД 34.45-51.300-97:
- столбоммасла (трансформатора, залитого маслом);
- давлениемсухого воздуха или азота, нагнетаемого под крышку трансформатора (залитогомаслом);
- давлениемсухого воздуха или азота, нагнетаемого под крышку трансформатора (не залитогомаслом).
Дляиспытания столбом масла, на крышке или на расширителе трансформатора необходимоустановить трубу, нижний конец которой соединить с полостью бака, а верхнийзаполнить маслом до соответствующего уровня, указанного в заводской документациии технических условиях на отдельные виды трансформаторов.
10.2.1.Отсоединить расширитель 5 (рис. 11) от предохранительной трубы 4 с ее патрубком3 от патрубка 10, соединяющего с крышкой и снять расширитель с крышки бака 7.
10.2.2.Очистить внутренние и внешние поверхности от загрязнений и ржавчины. Для болееэффективного отделения ржавчины на внутренней поверхности расширителядопускается простукивание деревянным молотком по внешней поверхности.

1 - кран; 2 - фланец; 3 -труба; 4 - труба предохранительная; 5 - расширитель; 6 - патрубок; 7 - крышкабака; 8 - кронштейн; 9 - реле газовое; 10 - патрубок
Рис.11. Расширитель трансформатора.
Внутренниеповерхности расширителей больших диаметров следует очищать металлическимищетками и скребками через открытые люки и донышки.
Внутренниеповерхности расширителей малых диаметров (диаметр 250-310 мм) следует очищатьцепью, пропущенной через фланец воздухоосушителя. Расширитель при этомнеобходимо встряхивать.
Длярасширителей малых диаметров допускается удаление одного дна газовой резкой,очистка внутренней поверхности металлическими щетками с последующей заваркойдна газовой сваркой или электросваркой.
10.2.3.Протереть очищенные поверхности расширителя ветошью, смоченной керосином(уайт-спиритом).
10.2.4.Заглушить расширитель и испытать на маслоплотность избыточным давлением воздуха(наружные швы промазать мыльным раствором, отметить мелом места течей, снятьдавление).
10.2.5.Подварить места течей электросваркой.
10.2.6.Зачистить и обезжирить наружную поверхность расширителя.
10.2.7.Окрасить внутреннюю поверхность расширителя грунтовкой ФЛ-ОЗК или ГФ-020, анаружную - эмалью ПФ-133 или ПФ-115 под цвет бака трансформатора.
10.2.8. Намаслоуказатель или расширитель трансформаторов, изготовленных согласно ГОСТ11677-85, нанести контрольные метки для следующих температур:
- минус 45,15, 40°С - для климатического исполнения У;
- минус 60,15, 40°С - для климатических исполнений ХЛ, УХЛ;
- минус 35,15, 35°С - для трансформаторов, изготовленных по ГОСТ 401-41 или по ТУ на базеэтого ГОСТа.
10.2.9.Заполнить расширитель сухим трансформаторным маслом до уровня верхней отметкимаслоуказателя и выдержать в таком состоянии в течение 3 ч. При обнаружениимест течей масла устранить причину неплотностей (подтянуть уплотнения илиподварить сварные швы) и повторить испытание.
11.1.1.Снять предохранительный клапан с бака, очистить наружную поверхность корпуса 2от загрязнений и ржавчины, протереть ветошью, смоченной уайт-спиритом.
11.1.2.Снять крышку 7 и манжету 6.
11.1.3.Осмотреть и проверить все соединения и пружины клапана. При обнаружениидефектов в соединениях, нарушений целостности пружин или обнаружении на нихраковин, клапан подлежит замене. Ремонт и регулировка механизма не разрешается.

1 - боковая крышка; 2 - корпус; 3 - рычаг; 4- фланец; 5 - уплотнительный диск; 6 - манжета; 7 - крышка; 8 - болт
Рис. 12. Предохранительный клапан.
11.1.4.Заменить и установить манжету 6, предварительно смазав ее трансформаторныммаслом.
11.1.5.Установить клапан на бак трансформатора.
11.2.1.Снять отсечной клапан с бака, очистить наружную поверхность корпуса 1 отзагрязнений и ржавчины, протереть ветошью, смоченной уайт-спиритом.
11.2.2.Вывернуть пробку 8 из корпуса 1 и слить масло.
11.2.3.Снять кожух 7.
11.2.4.Проверить состояние укрепления соединительных проводов, кнопки 9 иэлектромагнита 13.
11.2.5.Измерить сопротивление изоляции обмотки.
11.2.6.Исправить вмятины и срывы резьбы на токоведущих шпильках. Подтянуть принеобходимости резьбовые соединения.
11.2.7.Собрать отсечной клапан. Установить и закрепить кожух. Завернуть и уплотнитьсливную пробку. Заменить уплотняющую резину на новую.

1 - корпус; 2 - клапан; 3 -тяга; 4 - пружина; 5 - выводы; 6 - плита; 7 - кожух; 8 - пробка; 9 - кнопка; 10- диск; 11 - стакан; 12 - вилка; 13 - электромагнит.
Рис.13. Отсечной клапан.
11.2.8.Подсоединить вводы и подать напряжение к обмотке электромагнита. Проверитьсрабатывание клапана по сигнальной лампе и звуковому сигналу (в положении«закрыто» лампа и сигнал должны быть включены).
11.2.9.Взвести отсечной клапан в положение «открыто» вручную с помощью стакана 11 иустановить стакан на свое место.
11.3.1.Отсоединить трубу от маслопровода и крышки трансформатора.
11.3.2.Очистить наружную поверхность предохранительной трубы от загрязнений иржавчины, протереть ветошью, смоченной уайт-спиритом.
11.3.3.Испытать предохранительную трубу на маслоплотность избыточным давлением воздуха0,03 МПа (0,3 кгс/см2) и мыльным раствором.
11.3.4.Определить места течей и отметить их мелом.
11.3.5.Снять фланец 7, прокладки 10, 11, диск стеклянный 6.
11.3.6.Удалить остатки масла и протереть внутренние поверхности выхлопной трубыветошью, смоченной уайт-спиритом. Продуть трубу сжатым воздухом.
11.3.7.Подварить места течей электросваркой. Очистить сварные швы и околошовную зонуот сварочных брызг и шлака
11.3.8.Проверить сварные швы на маслоплотность керосином.
11.3.9.Протереть поверхности трубы ветошью, смоченной уайт-спиритом, обдуть сухимсжатым воздухом.
11.3.10.Окрасить предохранительную трубу.
11.3.11.Установить на трубу прокладки 10, 11, диск стеклянный 6, фланец 7, уплотнить изаглушить фланец 5 (стеклянная диафрагма должна быть прозрачной, без сколов,царапин и трещин). Резиновые прокладки заменить.
11.3.12.Установить предохранительную трубу вертикально диафрагмой вниз. Залить сухоетрансформаторное масло до уровня 150-200 мм от верхнего фланца и выдержать втечение 1 ч.
Приобнаружении утечек масла, устранить причину неплотности, испытание повторить.

1, 5, 7, 9 - фланец; 2 -корпус; 3 - диафрагма; 4 - болт; 6 - диск стеклянный; 8 - упорное кольцо; 10 -прокладка торцевая; 11 - прокладка резиновая.
Рис.14. Предохранительная труба.
11.4.1.Снять реле давления с бака трансформатора или с переключающего устройства иочистить наружную поверхность от загрязнений и ржавчины, протереть ветошью,смоченной уайт-спиритом.
11.4.2.Отвинтить болты, снять стеклянный диск 10 и уплотняющие резиновые шайбы 11,снять колпак 2.
11.4.3.Проверить работу реле: деревянным бруском сверху нажать на головку бойка, темсамым сжать рабочую пружину 9. При достижении бойком 4 крайнего нижнегоположения повернуть защелку 5. Снять давление.
11.4.4.Заменить резиновые шайбы, установить стеклянный диск, колпак.
11.4.5.Установить реле давления на трансформатор.

1 - кожух; 2 - колпак; 3 -корпус ударного механизма; 4 - боек; 5 - защелка; 6 - ось; 7 - сильфон; 8 -выключатель; 9 - пружина; 10 - стеклянный диск; 11 - уплотняющие резиновыешайбы.
Рис.15. Реле давления.

1 - верхний поплавок; 2 - постоянный магнит;3 - клапан; 4 - нижний поплавок; 5, 6 - переключающие лампы; 7 - зажимыподключения.
Рис.16. Общий вид газового реле.

1 -пробный кран; 2 - узел подсоединения кабеля; 3 - крышка; 4 - крышка смотровая;5 - фланец; 6 - смотровые стекла; 7 - контрольная клавиша
Рис.17. Схема проверки газового реле.
11.6.1.Снять защитное реле с трансформатора, очистить наружную поверхность отзагрязнений и ржавчины протереть ветошью, смоченной уайт-спиритом.
11.6.2.Проверить работу его отключающего элемента с помощью контрольной кнопки 5.
При нажатиина кнопку до упора, отключающий элемент отклоняется, замыкая электрическийконтакт. При отпускании кнопки он возвращается в исходное положение.
Контроль заположением рабочего элемента необходимо осуществлять через смотровое стеклянноеокно реле. Срабатывание электрического контакта необходимо проверять посигнальной лампе.

1 - корпус; 2 - пробка; 3 -смотровое окно; 4 - коробка выводов; 5 - контрольная кнопка; 6 - клапан; 7 -противовес; 8 - регулировочный винт; 9 - магнит; 10 - магнитоуправляемыйконтакт
Рис.18. Защитное реле:
а -общий вид; б - схема устройства

1 - специальный болт; 2, 4 -резиновые прокладки; 3, 12 - колено; 5 - фланец расширителя; 6 - окно в днерасширителя; 7, 11 - резиновые уплотнения; 8, 15 - болты; 9 - фланец; 10 -стеклянная трубка; 13 - гайка; 14 - шайба; 16 - патрубок расширителя; 17 -защитный кожух; 18, 19, 20 - детали крепежа.
Рис.19. Трубчатый маслоуказатель:
а -для расширителя диаметром 470-690 мм;
б -для расширителя диаметром 940, 1260, 1570 мм.
12.1.1.Снять маслоуказатель с расширителя.
12.1.2.Разобрать маслоуказатель, очистить его от загрязнений, ржавчины, протеретьветошью, смоченной уайт-спиритом.
12.1.3.Исправить в случае необходимости резьбу болта 1 и колена 3, прочиститьотверстия, сообщающиеся с расширителем.
12.1.4.Заменить стеклянную трубку 10 в случае обнаружения сколов, трещин илинесмываемых пятен, заменить резиновые прокладки 2, 4, 7, 11.
12.1.5.Установить маслоуказатель на расширитель.
12.2.1.Снять маслоуказатель с расширителя.
12.2.2.Очистить корпус маслоуказателя 6 от загрязнений, протереть ветошью, смоченнойуайт-спиритом.

1 - шкала циферблата; 2 -стрелка маслоуказателя; 3 - ось стрелки; 4 - поплавок; 5 - трубка; 6 - корпусмаслоуказателя; 7 - дно расширителя; 8 - фланец, приваренный ко днурасширителя; 9 - резиновое уплотнение; 10 - крышка циферблата маслоуказателя состеклом; 11 - рычаг маслоуказателя; 12 - трансформаторное масло; 13 - коробкавыводов для присоединения проводов сигнализации; 14 - коробка зажимов; 15 -гибкая оболочка
Рис.20. Стрелочный указатель:
а -расширитель с азотной защитой; б - расширитель с пленочной защитой
12.2.3. Длямаслоуказателя МС 1 (рис. 20, а) проверить соответствие взаимного положениярычага маслоуказателя 11 и стрелки маслоуказателя 2. При повороте рычага наугол 40°-1° вниз от горизонтальной оси маслоуказателя стрелка должнапереместиться вниз и совпасть с отметкой «мин» на шкале.
12.2.4. Длямаслоуказателя МС 2 (рис. 20, б) при опускании рычага вниз до упора стрелкадолжна располагаться на отметке «мин».
12.2.5. Вслучае обнаружения несоответствия положений рычагов и стрелок произвестирегулирование маслоуказателей в лаборатории.
12.2.6.Проверить замыкание сигнальной цепи.
12.2.7.Заменить крышку циферблата маслоуказателя со стеклом 10, резиновое уплотнение9, установить маслоуказатель на расширитель.

1 - бак трансформатора; 2 -корпус термосигнализатора; 3 - капилляр; 4 - уплотняющий штуцер кабеля; 5 -термобаллон; 6 - гильза в баке трансформатора; 7 - болты крепления; 8 - крышкабака.
Рис.21. Термосигнализатор.
12.3.1.Отвинтить болты крепления 7, крепящие гильзу 6 к крышке бака.
12.3.2.Вывести термобаллон 5 из гильзы 6.
12.3.3.Очистить капилляр 3, корпус термосигнализатора от грязи, протереть ветошью,смоченной уайт-спиритом.
12.3.4.Проверить электропроводку и устранить обрывы. Изолировать поврежденные места.
12.3.5.Проверить изоляцию электрических цепей релейной защиты термосигнализатораотносительно корпуса.
С цельюустановления пригодности термосигнализаторов для использования в процессеэксплуатации, необходимо провести их проверку в лаборатории в соответствии стехническим описанием и инструкцией по эксплуатации.
12.4.1.Провести проверку реле уровня масла:
а) для релес ртутным переключателем проверить переключатель на герметичность и термическуюстойкость. Для этого переключатель следует прокипятить в воде в течение 10-15мин, а затем быстро перенести в воду с температурой 45°С и охладить докомнатной температуры. При этом в баллон не должна проникнуть влага;
б) для релес чашечным переключателем необходимо проверить надежность замыкания иразмыкания контактов. С этой целью необходимо опустить реле в сосуд странсформаторным маслом и несколько раз слить и залить масло. При этом контактыдолжны замыкаться и размыкаться. Ход подвижных контактов по неподвижным долженсоставлять не менее 2 мм.
Заменупрокладок со снятием стяжного устройства произвести в следующем порядке:
13.1.1.Слить масло из ввода и гидравлического затвора, снять расширитель.
13.1.2.Стянуть нижнюю покрышку с соединительным стаканом специальным приспособлением(см. рис. 22): распустить пружины стяжного устройства в верхней части ввода,предварительно измерив высоту пружин.

1 -съемная плита; 2 - стягивающие шпильки с комплектом гаек; 3 - инвентарнаяподставка.
Рис.22. Схема приспособления для разборки вводов.
Примечания:1. У вводов с предварительной затяжкой стяжного устройства (не имеющих нажимныхвинтов над пружинами) на шпильки навернуть гайки и сжать пружины так, чтобыможно было отвернуть стяжную гайку. Снять стяжную гайку, затем пружины.
2. У вводов без предварительной затяжки пружин, имеющих нажимные винтынад пружинами, вывернуть нажимные винты. Снять звездочку и пружины.
13.1.3.Заменить прокладки на верхней покрышке: снять поддон и верхнюю покрышку;заменить прокладки; установить верхнюю покрышку и поддон.
13.1.4. Заменить прокладки на нижней покрышке;установить на поддон временный стакан; вывернуть звездочку так, чтобы она недоходила до временного стакана на 2-3 мм; снять специальное приспособление(рис. 22); поддерживая покрышку, снять стакан и фарфоровую покрышку; заменитьпрокладки, установить покрышки и стакан, а затем стянуть их специальнымприспособлением.
Примечание. Размерывременного стакана должны обеспечивать свободную насадку его на токоведущуютрубу ввода, а также установку звездочки. Толщина стенки втулки - не менее 10мм.
13.1.5.Снять звездочку и временный стакан; установить стяжное устройство и затянутьввод в последовательности обратной, указанной в п. 13.1.2. Пружины затянуть довысоты, измеренной до снятия стяжного устройства.
13.1.6.Установить расширитель, промыть ввод чистым и сухим маслом, подогретым дотемпературы 60-70°С, под вакуумом 667 Па (5 мм рт. ст.), ввернуть пробку суплотнением в нижний контактный наконечник.
13.1.7.Вывернуть пробку из отверстия для выпуска воздуха из расширителя и ввернуть внего штуцер, к последнему подсоединить шланг, идущий от системы вакуумированиячерез промежуточный бачок с маслоуказателем, ввернуть штуцер в маслоотборноеустройство и соединить его с маслопроводом, воздухоосушитель демонтировать,установить пробку.
Примечание. Промежуточныйбачок при заливке масла установить выше отметки расширителя ввода.
13.1.8.Перекрыть маслопровод.
13.1.9.Создать во вводе вакуум с остаточным давлением, равным 667 Па (5 мм рт. ст.),перекрыть маслопровод и выдержать вакуум во вводах:
110 кВ - в течение 6 ч,
150 кВ - в течение 12 ч,
220-330 кВ - в течение 16 ч,
500-1150 кВ - в течение 24 ч.
13.1.10.Приступить к заливке масла во ввод, не снимая вакуума; прекратить заливку,когда уровень масла по маслоуказателю промежуточного бачка составит 2/3 высотытрубки, затем выдержать вакуум во вводах:
110 кВ - в течение 6 ч,
150-220 кВ - в течение 12 ч,
330-1150 кВ - в течение 24 ч.
Примечание. Температурамасла при заливке должна быть не ниже 35-40°С.
Послевыдержки масла во вводах под вакуумом снять вакуум и дать отстояться маслу приатмосферном давлении в течение 24 ч, затем установить вакуум 667 Па (5 мм рт.ст.) выдержать ввод под вакуумом в течение 30 мин и долить масло до появленияего в промежуточном бачке.
Последоливки снова выдержать вакуум во вводах при остаточном давлении не более 1333Па (10 мм рт. ст.):
110 кВ - в течение 2 ч,
150-220 кВ - в течение 6 ч.
330-1150 кВ - в течение 10 ч.
13.1.11.Снять вакуум, отсоединить промежуточный бачок и закрыть отверстие для выпускавоздуха пробкой.
Установитьна расширитель воздухоосушитель взамен временного штуцера. Привести в рабочеесостояние гидрозатвор и расширитель. Уровень масла по маслоуказательному стеклурасширителя при температуре 15-20°С должен составить 2/3 высоты маслоуказателя.
13.2. Заменить масло при неудовлетворительных показателях его вследующем порядке:
13.2.1.Подготовить масло в объеме, равном трех-четырехкратному объему масла ввода.Масло должно быть очищенным и дегазированным, удовлетворять требованиям,указанным в «Объеме и нормах испытания электрооборудования». При этомэлектрическая прочность, испытанная в стандартном маслопробойнике, должна бытьне ниже 50 кВ.
13.2.2.Снять ввод с трансформатора и установить на специальную подставку.
13.2.3.Собрать схему (см. рис. 23), не присоединяя к ней ввода, тщательно промыть еемаслом.
Примечание. На баке счистым маслом 4 должны быть отметки, указывающие количество сливаемого масла отверхней начальной отметки.
13.2.4.Вывернуть пробку из отверстия в верхней части вводе и ввернуть в него штуцер,надеть на него шланг, присоединенный к баку с чистым маслом 4, под струеймасла. Перекрыть вентиль Кр.4.
13.2.5.Вывернуть пробку в нижней части ввода и установить штуцер; соединить штуцерчерез промежуточные вентили Кр.1 и Кр.5 с баком для слива отработанного масла 1и приемным баком 6.
Примечание. У вводовнегерметичного исполнения необходимо предварительно слить масло изгидрозатвора, вывернуть воздухоосушитель и вместо него установить временную пробку.У вводов герметичного исполнения с баками давления перекрыть вентили на вводе ибаке давления и отсоединить бак давления.
13.2.6.Открыть вентиль Кр.4, затем вентиль Кр.1 и, обеспечивая непрерывный притоксвежего масла, полностью слить из ввода старое масло, после чего перекрытьвентиль Кр.1.

1 - бак для слива отработанного масла; 2 -подставка; 3 - ввод; 4 - бак с чистым маслом (устанавливается выше ввода); 5 -фильтр-пресс; 6 - приемный бак (устанавливается ниже ввода); 7 - пробка дляслива масла.
Рис.23. Схема замены масла во вводе.
13.2.7.Открыть вентиль Кр.5 и Кр.3, включить фильтр-пресс и отрегулировать его так,чтобы уровень масла в приемном баке 6 достигал примерно 1/2 высотымаслоуказательного стекла.
Приопускании уровня масла до 1/4 высоты стекла фильтр-пресс отключить, а послезаполнения стекла до 1/2 высоты вновь включить. Смену бумаги в фильтр-прессепроизводить через 2-3 ч. Промывать маслом, поступающим через фильтр-пресс,вводы:
110 кВ - не менее 6 ч,
150-220 кВ - не менее 12 ч,
330-500 кВ - не менее 24 ч,
750-1150 кВ - не менее 30 ч.
Поистечении указанного времени отобрать пробу масла и проверить диэлектрическуюпрочность и tgd масла.
Промывкуввода прекратить после достижения нормированных значений диэлектрическойпрочности масла и тангенса угла диэлектрических потерь tg вакуум-насоспри 70 °С.
13.2.8.Перекрыть вентили Кр.4 и Кр.3, вывернуть штуцер из нижней части ввода ипоставить глухую пробку.
13.2.9.Подсоединить шланг от вакуум-насоса к штуцеру в верхней части ввода, открыть вентильКр.2, включить вакуум-насос и выдержать под вакуумом при остаточном давлении неболее 667 Па (5 мм рт. ст.) вводы:
110 кВ - не менее 4 ч,
150-220 кВ - не менее 8 ч,
330-500 кВ - не менее 12 ч,
750-1150 кВ - не менее 16 ч.
13.2.10.Снять вакуум, отсоединить ввод от вакуум-насоса и ввернуть пробку, заполнитьгидравлический затвор маслом в соответствии с инструкцией по эксплуатациивводов, вывернуть временную пробку и ввернуть трубку воздухоосушителя.
13.3. Приувлажнении изоляции ввода после операций, проведенных по п.п. 13.2-13.2.10,произвести подсушку ввода, для чего предварительно:
13.3.1.Промыть ввод.
13.3.2.Собрать схему подсушки (рис. 23) и произвести подсушку ввода, включитьциркуляцию масла, прогреть ввод до температуры 70°С со скоростью 10 °С/ч, азатем создать вакуум в нем со скоростью 0,027 МПа/ч до остаточного давления 667Па (5 мм рт. ст.).
13.3.3.Залить масло, подогретое до 70°С, и путем многократной циркуляции его добитьсяпоказателей изоляции, удовлетворяющих нормам.
13.3.4.Произвести окончательную заливку масла.
13.4.Осмотр и ремонт вводов с баками давления ГБМТ производить аналогично ремонтувводов без бака давления в объеме, приведенном в п.п. 13.1-13.3.
Бакдавления с сильфонным устройством поставляется в герметичном исполнении и неподлежит разборке.
В случаенеобходимости замену масла в баке давления следует производить следующимобразом:
13.4.1.Снять давление, частично слив масло из системы ввод-бак. Отсоединить бакдавления от ввода. Вывернуть пробку выпуска воздуха в верхней части ввода.Вместо пробки установить штуцер, подсоединить его к промежуточному бачку своздухоосушителем.
Примечание. При снятиидавления строго следить за показаниями манометра, при нулевом положении стрелкивентили перекрыть.
13.4.2.Слить масло и испытать бак давления воздухом в водяной ванне давлением 0,1 МПа(1 кгс/см2); обнаруженные места течи заварить, зачистить и окрасить.
13.4.3.Промыть бак давления и соединительную трубку от измерительного устройства(трубки предварительно продуть воздухом) горячим маслом, подогретым до 60-70°С,слить масло.
13.4.4.Проверить бак давления на отдачу, для чего подсоединить его к вакуумсистеме черезпромежуточный бачок вместимостью 20-30 л и штуцер, установленный вместо верхнейпробки, а также к маслосистеме через вентиль бака давления. Создать в бакедавление не более 667 Па (5 мм рт. ст.), выдержать его в течение 30 мин. Неснимая вакуум, заполнить бак и промежуточный бачок маслом, подогретым до20-25°С; снять вакуум, дождаться устойчивого уровня масла в промежуточномбачке, отсоединить вакуумсистему и установить верхнюю пробку с уплотнением набак давления. Создать в баке подачей масла давление 0,3 МПа (3 кгс/см2)и проверить отдачу сильфонного устройства, вливая масло в измерительную емкостьчерез нижнее отверстие до давления 0,025 МПа (0,25 кгс/см2),сравнить полученную отдачу с расчетной (по паспорту), слить масло из бакадавления.
13.4.5. Заполнитьповторно бак маслом и довести в нем давление до 0,25 МПа (2,5 кгс/см2).
13.4.6.Отсоединить от ввода промежуточный бачок, вывернуть штуцер из отверстия длявыпуска воздуха и ввернуть в него пробку с уплотнением.
13.4.7.Присоединить бак давления к вводу, для чего: присоединить трубку к бакудавления; приоткрыть вентили бака и ввода и под струей масла из бака и вводаприсоединить трубку к вводу; открыть полностью вентили на вводе и баке давленияи установить рабочее давление (см. инструкцию завода-изготовителя).
13.5.Замену неисправного манометра производить в следующей последовательности:
- закрытьвентили на вводе и баке давления;
- снятьнеисправный манометр;
-приоткрыть вентиль на баке давления и под вытекающей струей масла установитьманометр;
- открытьполностью вентили на вводе и баке давления;
-опломбировать вентили.
13.6. Вусловиях эксплуатации ремонт вводов с твердой изоляцией (см. рис. 24)производить только в случае устранения внешних дефектов фарфоровой покрышки.
Работы поустранению внутренних неисправностей не производить.
13.7. Приремонте ввода типа элегаз-масло (типа СВТР-750) следует учесть:
13.7.1. Воизбежание повреждения ввода ГМСВТР при закрытых вентилях на вводе и бакедавления 8 (см. рис. 25) время на все ремонтные работы не должно превышать 1 ч.Все работы, связанные с вводом ЭСВТР и токопроводом, необходимо проводить придавлении во вводе и токопроводе не более 0,02 МПа (0,2 кгс/см2).

1 - контактный зажим; 2 -колпак; 3 - верхняя фарфоровая покрышка; 4, 12, 17 - резиновые прокладки; 5 -соединительная втулка; 6 - измерительный ввод; 7 - изоляционный сердечник; 8 -медная труба; 9 - газоотводный патрубок; 10 - грузовая косынка; 11 - болты; 13,20 - гайки; 14 - диафрагма; 15, 16 - верхний и нижний фланцы; 18 - трансформаторноемасло; 19 - пружина; 21 - контактная шпилька.
Рис.24. Ввод с твердой изоляцией:
а -общий вид; б - верхняя часть.

1 - ввод ЭСВТР; 2 - болт М 30; 3 -токопровод; 4 - устройство измерительное с электроконтактным мановакуумметром;5 - косынка; 6 - опорный фланец; 7 - вывод; 8 - бак давления с манометром; 9 -ввод 1 МСВТР.
Рис.25. Ввод СВТР.
13.7.2. Вслучае обнаружения течей масла или элегаза из мест болтовых соединений,необходимо подтянуть эти соединения. При обнаружении течей масла или элегаза всоединительных трубках и в ниппельных уплотнениях, необходимо подтянутьнакидные гайки, а при неисправном манометре, необходимо произвести его замену.Работы по замене следует проводить в соответствии с аналогичными работами помаслонаполненным вводам. После окончания всех работ отобрать пробы масла наанализ.
13.7.3.Если в результате проверки показатели качества масла выходят за пределы,приведенные в инструкции по эксплуатации, вопрос о дальнейшей эксплуатациидолжен решить завод-изготовитель. При понижении давления элегаза ниже значениянеобходимого по эксплуатационной документации, необходимо произвести егоподкачку. Произвести отбор пробы элегаза. При несоответствии элегазатехническим условиям, необходимо произвести его сушку с помощью системырегенеративной очистки элегаза и повторно произвести отбор элегаза. Проверитьсостояние внутренней изоляции ввода ГМСВТР измерением tgd и С. Произвести высоковольтные испытания вводаСВТР.
13.8.Произвести ремонт съемных вводов (см. рис. 26) для чего:
- разобратьввод;
- очиститьот загрязнений наружные и внутренние поверхности фарфоровых изоляторов 12 итоковедущие стержни 13;
- протеретьповерхности ветошью, смоченной уайт-спиритом. Обдуть сжатым воздухом;
- исправитьвмятины и срывы резьбы на токоведущей шпильке. Опилить и зачистить рабочиеконтактные поверхности токоведущего наконечника;
- нанестиантикоррозийное покрытие (лужение) на контактные поверхности наконечника;
- зачиститьи покрыть лаком или краской незначительные сколы и трещины на изоляторах. Прибольших сколах и трещинах, изоляторы следует заменить;
- собратьввод, уплотняющие резиновые прокладки заменить;
-произвести электрические испытания ввода.

1 - наконечник; 2 - болты; 3 -гайка; 4 - втулка; 5 - резиновое кольцо; 6 - колпак; 7 - винт для спускавоздуха; 8 - резиновая прокладка; 9 - выступы на шпильке; 10 - шайба изэлектрокартона; 11 - бортик на шпильке; 12 - фарфоровый изолятор; 13 - стерженьтоковедущий; 14 - шпилька; 15 - гайка; 16 - фланец; 17 - прижимной кулачок; 18- резиновая прокладка; 19 - крышка бака; 20 - гетинаксовая втулка; 21 - шайба;22 - гайка.
Рис.26. Съемный ввод.
13.9. Приремонте вводов классов напряжения до 35 кВ (см. рис. 27) необходиморуководствоваться настоящим СО и РД 34.45-51.300-97.

1 -натяжная гайка; 2 - натяжная скоба из полосовой стали; 3 - чашка с армировочнойзамазкой; 4 - фланец ввода; 5 - плита с отверстием; 6 - прокладка; 7 -токоведущая шпилька.
Рис.27. Армирование ввода класса напряжения 35 кВ.
14.1.1.Снять воздухоосушитель с трансформатора.
14.1.2.Разобрать воздухоосушитель, очистить внутреннюю поверхность корпуса от загрязнений,просушить.
14.1.3.Заполнить патрон 2 индикаторным силикагелем 1 по ГОСТ 8984-75 и установитьстекло в смотровом окне.
14.1.4.Заполнить фильтр сухим силикагелем 3 марок КСКГ, КСМК или КСМГ по ГОСТ3956-76 таким образом, чтобы под крышкой оставалось свободное пространствовысотой 15-25 мм.
14.1.5. Установить масляный затвор и залить егочистым, сухим трансформаторным маслом 6 через пробку до установленной отметки.

1 -индикаторный силикагель; 2 - патрон; 3 - силикагель; 4 - затворвоздухоосушителя; 5 - стекло контроля наличия масла в затворе; 6 - маслотрансформаторное; 7 - путь движения воздуха.
Рис.28. Воздухоосушитель.
14.2.1.Произвести контроль герметичности соединений, арматуры, целостности мягкихрезервуаров мыльным раствором при избыточном давлении 3 кПа (0,03 кгс/см2).
14.2.2. Вслучае обнаружения повреждений мягких резервуаров 3 азотной защиты следуетустранить их путем наложения заплат из однотипного материала (прорезиненнойткани). Заплата должна перекрывать дефектный участок резервуара не менее чем на20 мм по всему периметру. Поверхность дефектного участка и заплаты передналожением необходимо тщательно очистить бензином.
Послепросушки на склеиваемые поверхности нанести два слоя клея. Каждый слой клеянеобходимо просушить до полного удаления растворителя. После сушки заплату следуетнаклеить на дефектный участок и тщательно прокатать роликом (валиком).
14.2.3.После проведения ремонта необходимо повторно провести контроль герметичности.
14.2.4.Провести смену силикагеля в азотоосушителе 4 в следующей последовательности:
- перекрытьвентиль, соединяющий расширитель с мягким резервуаром;
- снятьнижнюю крышку осушителя азота, высыпать силикагель, установить и уплотнитьзаглушку;
- снятьверхнюю заглушку осушителя, заполнить 0,9 его объема новым силикагелем марокКСКГ, КСМК или КСМГ по ГОСТ 3956-76,установить и уплотнить заглушку;
- открытьвентиль, соединяющий расширитель с мягким резервуаром.
Примечание. Перед сменойсиликагеля предварительно произвести его подготовку. Сушить при t = 150-170°С не менее 4 ч до влажности неболее 1 %, охладить до t = 50-60°С, просеять и пропустить через магнитный сепаратор.

1 -надмасляное пространство расширителя; 2 - шкаф; 3 - мягкий резервуар; 4 -азотоосушитель
Рис.29. Установка азотной защиты масла.
14.3.1.Осмотреть внутреннюю поверхность гибкой оболочки. Визуально проверить наличиемасла в полости гибкой оболочки 1. Осмотр осуществлять через отверстие дляпрохода штанги стрелочного маслоуказателя 2. Для освещения внутреннейповерхности оболочки следует применять низковольтную электролампу с защитнойсеткой.
14.3.2. Приобнаружении в оболочке масла необходимо демонтировать ее и проверить нагерметичность:
- создать воболочке избыточное давление воздуха до распрямления оболочки;
- смочитькистью всю поверхность оболочки мыльным раствором.
Оболочкасчитается герметичной, если по истечении 15 мин после обмыливания отсутствуютпузырьки воздуха.
14.3.3. Вслучае обнаружения незначительных повреждений (проколов), место проколанеобходимо уплотнить с помощью двух резиновых прокладок, устанавливаемых снаружной и внутренней сторон поврежденного участка и стягиваемых специальнымболтом с металлическими шайбами.
Примечание. Указанныйремонт следует считать временным и, по возможности, оболочку необходимозаменить. В случае обнаружения более серьезных повреждений (разрывов) оболочкаподлежит замене.

1 - гибкая оболочка; 2 - стрелочныймаслоуказатель; 3 - патрубок; 4 - монтажный люк; 5 - расширитель; 6 - сборныйколлектор; 7 - штанга маслоуказателя; 8 - вентиль для доливки масла.
Рис.30. Расширитель с гибкой оболочкой:
а -расположение гибкой оболочки; б - принципиальная схема работы.
14.4.1.Отсоединить фильтр от трубопроводов, соединяющих его с баком трансформатора.
14.4.2.Разобрать фильтр и маслопроводы.
14.4.3.Очистить корпус 5, защитную сетку 4 от грязи, промыть их чистым сухимтрансформаторным маслом.
14.4.4.Собрать фильтр и испытать на маслоплотность избыточным давлением 50 кПа (0,5кгс/см2) нагретого до температуры 50-70 °С трансформаторного масла втечение 30 мин.
14.4.5.Выявленные места течей устранить электросваркой. Провести повторные испытания.
14.4.6.Снять крышку 6 верхнего патрубка и засыпать в фильтр предварительно отсеянныйот пыли сухой силикагель.
14.4.7.Установить фильтр и маслопроводы на трансформатор.
14.4.8.Открыть пробку для выпуска воздуха 2 фильтра и открыть незначительно краннижнего патрубка, заполнить фильтр маслом из трансформатора до появления маслав пробке.
14.4.9.Закрыть нижний вентиль и дать маслу отстояться в течение не менее 1 ч.
14.4.10.Открыть пробку на нижнем патрубке и слить масло до полного удаления продуктовотстоя.

1 - патрубок; 2 - пробка для выпуска воздуха;3 - подъемное устройство; 4 - защитная сетка; 5 - корпус; 6 - крышка; 7 -защитное устройство; 8 - сливная пробка; 9 - полуось; 10 - расширительноеустройство; 11 - рама; 12 - фиксирующий упор.
Рис.31. Фильтр непрерывной регенерации масла:
а -для трансформаторов с системой охлаждения типа «ДЦ»; б - для трансформаторов ссистемой охлаждения типа «Ц» (адсорбционный фильтр); в - для трансформаторов ссистемой охлаждения типа «Д и М».
14.4.11.Закрыть пробку, открыть верхний и нижний вентили трубопроводов, окончательнозаполнить фильтр маслом.
Примечание. Передвключением трансформатора необходимо повторно выпустить воздух из фильтра имаслопроводов.
14.5.1.Разобрать фильтр и удалить отработанный сорбент, очистить, обезжирить иокрасить фильтры.
14.5.2.Промыть фильтр трансформаторным маслом, подогретым до 50-70°С, и испытать егона маслоплотность избыточным давлением масла 0,2 МПа (2 кгс/см2) втечение 30 мин.
14.5.3.Засыпать адсорбционный фильтр отсеянным от пыли силикагелем аналогично п.14.4.6. и промыть его через фильтр-пресс. Силикагель, поставляемый внегерметичной упаковке, перед засыпкой прокалить при температуре 150-170°С довлажности не более 1,0 %. Применять силикагель необходимо марок КСКГ, КСМК илиКСМГ по ГОСТ3956.
15.1.1. Приремонте охладителей следует:
- вскрытьверхнюю и нижнюю коробки (коллекторы);
- тщательноочистить, обезжирить и заварить места течей в сварных швах трубки с трубнойпластиной. Сварку (сплав ДЦ-1-М) выполнить аргонодуговой сваркой с присадкойалюминиевой проволоки диаметром 3 мм. При обнаружении течи в трубках ихнеобходимо заменить (допускается глушение дефектных трубок, но не более двухтрубок на каждый ход трубной пластины). Глушить трубки следует с обеих сторон.Для компенсации разницы при температурном удлинении рабочих и заглушенныхтрубок необходимо со стороны плавающей головки снять сварной шов и укоротитьтрубку на 5-6 мм ниже верхней кромки трубной пластины;
-прочистить внутреннюю поверхность трубок;
- проверитьперегородки ходов и установить верхнюю и нижнюю крышки охладителя,предварительно очистив их;
- испытатьохладители сухим трансформаторным маслом по схеме, приведенной на рис. 32.Прогреть масло в баке 8 до температуры 50-70°С с помощью маслоподогревателя 2,заполнить охладитель маслом, перекрыть задвижку 13 и поднять с помощьюмаслонасоса 5 избыточное давление до 0,2 МПа (2 кгс/см2), перекрытьзадвижку 12 и отключить маслонасос 5. Испытуемый охладитель считаетсямаслоплотным, если в течение 30 мин не наблюдаются течи масла, а значениеиспытательного давления практически не изменяется;

1 -воздухоосушитель; 2 - маслоподогреватель (от +50 до 60°С); 3 -маслоочистительная установка с насосом; 4 - сетчатый фильтр; 5 - масляный насосЭЦТ (рабочий); 6 - промываемые элементы системы охлаждения; 7 - вентиль отборапроб масла; 8 - бак вместимостью не менее 3,5 м3; 9 - маслопроводдиаметром 120 мм в системе промывки; 10 - маслопровод в системе подогрева иочистки масла; 11 - манометр; 12, 13, 14, 15 - задвижки; 16 - маслоуказатель.
Рис.32. Схема промывки и испытания системы охлаждения типа ДЦ.
- послеиспытания охладитель промыть горячим трансформаторным маслом по схеме,приведенной на рис. 32. При промывке необходимо одновременно осуществлятьпостоянную очистку масла с помощью маслоочистительной установки 3. Длительностьпромывки должна быть не менее 1 ч. Промывку можно считать законченной, если нафильтровальной бумаге будут отсутствовать следы ржавчины и грязи, аэлектрическая прочность отобранного из вентиля 7 масла по сравнению спервоначальной не изменится.
Примечания: 1. Общее гидравлическое сопротивление замкнутой системы должнообеспечивать бесперебойную работу маслонасоса 5 без перегрузки (контроль потоку статора).
2.Температура масла при испытании и промывке элементов системы охлаждения должнабыть в пределах 50-70°С, а электрическая прочность не ниже значения, требуемогодля заливки трансформатора данного класса напряжения.
3. Охладители после чистки, промывки и испытаниямогут находиться без масла не более 4 ч.
15.1.2. Приремонте электронасосов марок Т, МТ, АНМТ, АНМТЭ, ЭЦТ, ЭЦТЭ, необходимо:
- осмотретьи вскрыть насос, проверить биение вала, крепления рабочего колеса, наличиезадиров и заусенец на корпусе и колесе, проверить исправность подшипников(негодные заменить);
- измеритьсопротивления изоляции статорных обмоток двигателя мегаомметром на напряжение500 В, при этом сопротивление изоляции должно быть не менее 0,5 МОм. Призначении сопротивления изоляции ниже 0,5 МОм произвести сушку изоляции;
- собратьнасос, проверить вращение двигателя вручную (вал должен вращаться свободно, беззаеданий) и опробовать перекачиванием трансформаторного масла во временный бак,испытать электронасос на герметичность опрессовкой трансформаторным масломтемпературой 80°С и давлением не менее 0,65 МПа (6,5 кгс/см2) втечение 10 мин. Используемое масло должно отвечать требованиям, приведенным вразд. 21;
- измеритьвибрацию корпуса насоса;
- покраситьнаружную поверхность в соответствии с разд. 19.
15.1.3.Выполнить ремонт вентиляторов и крыльчаток. Проверить зазор между крыльчаткамивентиляторов и диффузорами по всему периметру. Зазор должен быть равномерным ине превышать 1,5 % диаметра рабочего колеса. Заменить амортизационные прокладкипод лапками электродвигателя. Очистить вентиляторы от пыли и загрязнений.Измерить мегаомметром на напряжение 500 В сопротивления изоляции статорныхобмоток электродвигателей (по фазам) и сравнить полученные значения. Проверитьсостояние доступных мест паек и контактов. Проверить правильность установкиэлектродвигателей на охладителе.
При этомдолжны выполняться следующие требования:
-охладитель должен быть жестко закреплен на стойке;
-электродвигатели вентиляторов обдува должны быть установлены и закреплены всоответствии с чертежами;
-крыльчатки (с валами) должны легко проворачиваться вручную, при разгонесвободно вращаться;
- осевыезазоры у валов электродвигателей должны отсутствовать.
Включитьэлектродвигатель и измерить вибрацию включенного электродвигателя в трех точках(см. рис. 33) вибрографом BP-I. Значение вибрации в любой точке измерения не должнопревышать 0,06 мм. При вибрации, превышающей 0,06 мм, проверить биение лопастейвентиляторов в осевом направлении (описывают ли лопасти при осевом вращенииодинаковую поверхность вращения).
Биениелопастей проверить следующим образом:
- навнутренней стороне обечайки (диффузора) нанести цветным карандашом проекцию произвольновыбранной лопасти вентилятора в виде кривой;
- проверитьпоследовательно степень совпадения проекций остальных лопастей вентилятора спроекцией первой лопасти (расхождение проекций должно быть не более 3 мм).
При большихрасхождениях необходимо подогнуть лопасти вентилятора до получения допустимогозначения (±3 мм). Повторно измерить вибрацию электродвигателя.
Еслизначение вибрации будет превышать 0,06 мм, то необходимо снять вентилятор ипроизвести его статическую и динамическую балансировку.
Проверитьсостояние подшипников и заменить их смазку. В случае непригодностиустановленных подшипников, произвести их замену. Собрать вентилятор и повторнопроверить его вибрацию.

Рис.33. Схема контрольных точек для измерения вибрации (на заднем щите).
15.2.1.Провести внешний осмотр маслоохладителя и выявить места пропуска масла вводяную камеру. Пропуск определяется по масляным пятнам на воде.
15.2.2.Слить из системы воду, а затем масло. Демонтировать насосы, маслопроводы,арматуру, адсорбционные фильтры. Демонтировать и передать в соответствующиелаборатории приборы контроля и сигнализации.
15.2.3.Снять торцевые крышки маслоохладителя и заменить трубки с дефектами. Прочиститьтрубные плиты и трубки мягкими металлическими ершами. В местах течейразвальцевать трубки и швы и залить их эпоксидной смолой или герметиком.
15.2.4.Проверить чистоту масляной камеры. При обнаружении ржавчины и прикипаний шламавынуть трубный пучок, продуть межтрубное пространство сухим воздухом с t = 50-70°С, а стенки камеры прочистить металлическойщеткой. Собрать охладитель и промыть трансформаторным маслом, удовлетворяющимтребованиям, указанным в разд. 21 и подогретым дотемпературы 50-70°С.
15.2.5.Проверить и испытать на маслоплотность в течение 30 мин межтрубное пространство(по масляной стороне) трансформаторным маслом, удовлетворяющим требованиям,указанным в разд. 21 и подогретым до температуры 50-70°С при давлении 0,6 МПа(6 кгс/см2).
При этомнеобходимо у охладителей вертикальной установки снять верхнюю крышку инаполнить водяную камеру водой, а у горизонтально установленных охладителейустановить обе крышки и также наполнить водой водяную камеру.
Прииспытании межтрубного пространства следить за появлением масляных пятен наповерхности воды. Для этого у охладителей горизонтальной установки необходимосливать воду в специальную емкость с открытой поверхностью. При появлениимасляных пятен повторить испытания без воды и крышек, предварительно закрасивмелом. Определить места течи масла. Неплотности в развальцованных соединенияхустранить подвальцовкой труб. Дефектные трубы заменить. После устранениядефектов повторить испытания межтрубного пространства.
15.2.6.Проверить и испытать на плотность водяные камеры давлением воды 0,6 МПа (6кгс/см2) в течение 30 мин. При этом межтрубное пространствозаполнить маслом температурой 50-70°С и электрической прочностью 45-50 кВ.Характеристики масла проверять до заливки и через 2 ч после испытаниямаслоохладителя, а затем через 12 ч. При этом характеристики масла не должнысущественно измениться (отклонение допускается в пределах погрешностиизмерений).
15.2.7.Собрать систему охлаждения, заполнить ее маслом и произвести промывку, для чегоиспользовать вспомогательный бачок с конусным дном емкостью, большей в 2 раза,чем емкость охладителей, установленный на 2 м выше маслопроводов системыохлаждения. Параллельно бачку присоединить фильтр-пресс.
Испытатьсистему на плотность маслом и водой с избыточным давлением 0,4 МПа (4 кгс/см2)в течение 1 ч при температуре масла 50-70°С и воды не ниже 10°С.
Послеустановки трансформатора на фундамент присоединить систему охлаждения ктрансформатору, заполнить всю систему маслом через расширитель трансформатора.Дать отстояться маслу в охладителях при атмосферном давлении в течение 5 ч.
Примечания: 1. Заполнять систему охлаждения следует вначале маслом с температуройне ниже 10°С, а затем водой при задвижках, открытых на входе и полностьюзакрытых на выходе. Заполнение вести до появления из боковых отверстий напробках выпуска воздуха, а также соответственно масла из межтрубногопространства и воды из водяных камер. После этого открыть задвижки на выходесистемы, не допуская гидравлических толчков в масляной системе охлаждения.Убедиться по температуре воды и масла в маслоохладителе, что поток охлаждающейводы через него обеспечивается нормально.
2.Во время ремонта при отсутствии новой трубки, дефектную необходимо заглушить собоих концов пробками из мягкой латуни.
15.3.1.Слить масло из радиаторов, снять их с бака и заглушить.
15.3.2.Очистить наружную поверхность радиаторов от загрязнений и ржавчины, протеретьветошью, смоченной уайт-спиритом. Обдуть сжатым воздухом.
Примечание. Плотный наружный слойзагрязнений следует удалять щелочным раствором (10-15 % каустической соды) вванне.
15.3.3.Испытать сварные швы радиаторов на непроницаемость сжатым воздухом 0,2 МПа (2кгс/см2) и мыльным раствором. Места течей отметить мелом, снятьдавление.
15.3.4.Подварить места течей, исправить места повреждений, зачистить места сварки отокалины и брызг.

1 -коллектор; 2 - трубы диаметром 51´1,75 мм; 3 - пробка; 4 - скоба для подъемарадиатора; 5 - угольник.
Рис.34. Трубчатый радиатор.
15.3.5.Исправить резьбу на пробках и гнездах радиатора.
15.3.6.Протереть наружные поверхности радиаторов ветошью, смоченной уайт-спиритом.
15.3.7.Покрыть подготовленные к окраске поверхности радиаторов грунтом ФЛ-ОЗК илиГФ-020 ровным слоем без наплывов с помощью пульверизатора.
15.3.8.Покрыть загрунтованные наружные поверхности радиаторов эмалью ПФ-133 или ПФ-115цветом, соответствующим цвету бака трансформатора.
15.3.9.Промыть радиатор сухим трансформаторным маслом температурой 50-70 °С. Масло дляпромывки должно удовлетворять требованиям, предъявляемым маслу для заливки втрансформатор согласно РД 34.45-51.300-97.
Условиемокончания промывки служит отсутствие механических примесей на фильтровальнойбумаге фильтр-пресса 4 (рис. 35).

1 -труба 3/4 для выхода воздуха; 2 - радиатор; 3 - бак для подогревания масла; 4 -фильтр-пресс.
Рис.35. Схема промывки радиатора.
15.3.10.Испытать радиатор на маслоплотность давлением трансформаторного масла 0,2 МПа(2 кгс/см2) при температуре 50-70°С с помощью ручного насоса илистолбом масла (см. рис. 36 и 37).

1 -бак для подогрева масла; 2 - насос ручной; 3 - манометр; 4 - радиатор.
Рис.36. Схема испытания радиатора ручным насосом.

1 -радиатор; 2, 3 - трубы; 4 - уровень масла при испытании радиатора; 5 - бак дляподогрева масла; 6 - маслонасос с электродвигателем.
Рис.37. Схема испытания радиаторов давлением столба масла и электронасосом:
а -при вертикальном положении радиатора; б - при горизонтальном положениирадиатора.
15.4.1.Снять патрубки с трансформатора, слить из них масло.
15.4.2.Очистить наружную поверхность от загрязнений и ржавчины протереть ветошью,смоченной уайт-спиритом.
15.4.3.Проверить визуально состояние сварных швов.
15.4.4.Заварить обнаруженные дефекты сварных швов: трещины, поры, подрезы.
15.4.5.Соединить патрубки между собой и промыть их внутренние поверхности горячиммаслом.
Общая длинасобранного для промывки маслопровода не должна быть более 25 м, а количествоколен не более 5.
15.4.6.Произвести проверку маслоплотности трубопроводов путем создания в нихизбыточного давления 0,4 МПа (4 кгс/см2) в залитом в них масле спомощью ручного насоса в течение 1 часа.
15.4.7.Отметить мелом места течей сварных швов, снять давление.
15.4.8.Подварить места течей электросваркой.
15.4.9.Обезжирить наружные поверхности труб ветошью, смоченной уайт-спиритом.
15.4.10.Окрасить наружные поверхности труб грунтом ФЛ-ОЗК или ГФ-020, а затем эмальюПФ-133.
15.5.1.Разобрать и очистить задвижки, клапаны и вентили. Произвести внутреннюю инаружную очистку поверхностей труб. Протереть внутренние поверхноститехническими салфетками без ворса.
15.5.2.Произвести притирку клапанов. Заменить маслостойкие резиновые и сальниковыеуплотнения. Сальниковую набивку задвижек (лудло) заменить резиновымипрокладками.
15.6.1.Очистить от загрязнений и ржавчины наружные и внутренние поверхности шкафа,протереть ветошью, смоченной уайт-спиритом.
15.6.2.Осмотреть автоматические выключатели и магнитные пускатели, их контактныеповерхности.
При наличииперекосов контактов, неодновременности их касания устранить указанныенеисправности.
15.6.3.Зачистить мелкой шлифовальной шкуркой подгары и оплавления на контактахмагнитных пускателей и автоматических выключателей.

1 -дверь; 2 -стенка; 3 -петли; 4 -дверной запор; 5 -сальники.
Рис.38. Шкаф автоматического управления.
15.6.4.Проверить исправность заземления шкафа, измерить сопротивление изоляции всехцепей шкафа. Сопротивление должно быть не менее 0,5 МОм.
15.6.5.Проверить надежность крепления к стенкам шкафа 2 устройств крепленияаппаратуры, кабельных муфт и сальников 5 для ввода силовых и контрольныхкабелей. При необходимости, произвести их подтяжку.
15.6.6.Отрихтовать и отрегулировать дверные запоры 4, заменить резиновые уплотнения впазах двери 1 и смазать петли 3 солидолом.
15.6.7.Протереть внутренние и внешние поверхности шкафа ветошью, смоченнойуайт-спиритом.
15.6.8.Окрасить поверхности шкафа.
16.1.Перемещение трансформатора из зоны ремонта на место монтажа произвестианалогично п. 5.9 в обратной последовательности.
16.2.Установить трансформатор на фундамент так, чтобы крышка имела подъем 1-1,5 % понаправлению к газовому реле, если в технической документации на трансформаторнет специальных указаний или уклон не предусмотрен конструкцией бака.
16.3.Подсоединить шины и спуски к вводам трансформатора, заземлить трансформатор.
16.4.Проверить изоляцию всех шин и кабелей, присоединить и проверить фазировку всехприсоединений, а также проверить автоматику управления работой трансформатора.
16.5.Собрать и проверить действие системы пожаротушения трансформатора.
16.6.Собрать, подсоединить к баку и создать вакуум в системе охлаждения.
16.7.Произвести заливку системы охлаждения трансформаторным маслом.
Заливкуможно производить двумя способами:
-совместным заполнением, при котором вакуумирование и заливка подсоединенной кбаку системы охлаждения производятся одновременно с трансформатором;
-раздельным заполнением охладителей маслом из бака трансформатора илиспециальной емкости. При этом необходимо собрать схему в соответствии с рис.39, выдержать под вакуумом охладитель 4 при закрытых вентилях 10 и остаточномдавлении 5,3∙10-3 МПа (40 мм рт. ст.) в течение 30 мин,приоткрыть вентили 10, так, чтобы остаточное давление увеличилось не более чемна 1,4∙10-3 МПа (10 мм рт. ст.), заполнитьохладитель до появления масла в стекле маслоуказателя промежуточного бачка 5.
Отключитьвакуум-насос и дать отстояться маслу при атмосферном давлении в течение 5 ч, азатем проверить отсутствие воздуха в охладителе.
Примечание. Если всистеме охлаждения отсутствуют задвижки, заполнение охладителей маслом подвакуумом возможно только совместно с трансформатором.
16.8.Произвести доливку масла в трансформатор и в систему охлаждения черезрасширитель со скоростью не более 4 т/ч с последующим отстоем в течение 12 ч,при этом руководствоваться инструкциями завода-изготовителя.
Послеотстоя выпустить воздух из трансформатора, вводов и охладителей, включитьмасляные насосы системы охлаждения, проверить правильность вращения роторовмаслонасосов по манометрам. При закрытой заслонке давление должно быть не менее0,13 МПа (1,3 кгс/см2).
Проверитьнаправление вращения крыльчаток вентиляторов (направление вращения должно бытьтаким, чтобы поток воздуха, создаваемый крыльчаткой, был направлен в сторонупучка охлаждающих трубок охладителя), работу фильтров (разница избыточногодавления на выходе и входе масла в фильтрах должна быть не более 0,2 МПа (2кгс/см2).
16.9.Включить циркуляцию масла в трансформаторе не менее чем на 8 ч. Отключитьциркуляцию масла и выдержать время 12 ч.
Примечание. Включениемаслонасосов возможно при температуре масла не ниже: для насосов ЭЦТ и Т минус40 °С; для насосов ЭЦТЭ и МТ минус 20°С. При температуре ниже указанной маслонеобходимо подогреть.

1 - напорный маслопровод; 2 - всасывающий маслопровод; 3 -бак трансформатора; 4 - охладитель; 5 - промежуточный бачок; 6 - вакуумметр; 7- вентиль для слива масла; 8 - вакуум-насоса; 9 - насос ЭЦТ; 10 - вентили.
Рис.39. Схема заливки системы охлаждения маслом.
17.1.1.Поверхности деталей под пайку должны быть обработаны механическим способом. Наповерхностях сопрягаемых деталей не должно быть забоин, задиров, заусенец идругих неровностей.
17.1.2.Механическую обработку следует проводить напильниками, металлическими щетками,ножом, шлифовальной шкуркой и пр.
17.1.3.Поверхности углей паячных клещей должны быть параллельны плоскости сопрягаемыхдеталей. Площадь поверхности углей не должна отличаться от площади сеченияпайки более чем на 5%.
17.1.4.Предварительно выпрямленные параллели концов обмоток перед пайкой необходимо связатьтонкой медной проволокой для плотного соединения друг с другом.
17.1.5. Дляпайки следует использовать паячные трансформаторы, указанные в табл. 2.
Таблица 2
Типы паячных трансформаторов.
| Паячный трансформатор | Максимальная площадь поверхности углей, мм´мм |
| ОСУ-20/0,5-А | 20´30 |
| ОСУ-40/0,5-А | 30´40 |
| ОСУ-100/0,5-А | 40´60 |
17.2.1.Соединить спаиваемые поверхности, выдержав размеры сечения пайки по чертежу,зажав их в паячных клещах.
17.2.2.Периодическими кратковременными включениями тока разогреть место пайки дотемпературы 600-700°С (медь при данной температуре принимает вишнево-красныйцвет).
17.2.3.Поддерживая температуру на данном уровне путем периодического включения ивыключения педали паячного трансформатора, ввести медно-фосфористый припойпутем касания прутком припоя о нагретые кромки деталей. Касание прутком припояпроизводить сначала с одной стороны до полного заполнения припоем места пайки ипоявления припоя на противоположной стороне соединения, а затем, припойнаносить по всему периметру соединения до получения равномерной галтели припоя.
Перегревдеталей в месте пайки не допускается.
17.2.4.Выключить ток, оставляя электроды сжатыми. После затвердения припоя деталиосвободить из клещей.
17.3.1.Выправить и зачистить концы деталей подлежащих пайке наждачной бумагой илинапильником.
17.3.2.Расположить и соединить их согласно чертежу.
17.3.3.Отдельные листки должны плотно прилегать друг к другу.
17.3.4.Углы должны быть плотно прижаты по всей поверхности спаиваемых деталей.
17.3.5.Разогреть место пайки до температуры плавления припоя (вишнево-красный цвет)650-700 °С.
173.6.Поддерживая данную температуру путем периодического включения и выключенияпедали, провести по месту пайки прутком медно-фосфористого припоя, добиваясьпри этом полного проникновения припоя внутрь отдельных листков.
17.3.7. Припайке не допускать пережога верхних листков меди, следить за проникновениемприпоя между отдельными листами.
17.3.8. Послезаполнения припоем межлистового пространства, удалить его излишки и прекратитьнагрев.
17.3.9.Охладить пайку до темно-красного свечения меди и снять клещи.
17.4.1.Собрать детали согласно чертежу.
17.4.2.Включить паяльник и нагреть его рабочую часть до 300-350°С (температураплавления припоя ПОС).
17.4.3.Зачистить напильником рабочую часть паяльника, а затем пролудить припоем ПОС.
17.4.4.Нагреть паяльником место пайки деталей до температуры плавления припоя.
17.4.5.Нанести флюс на место пайки.
17.4.6.Взять паяльником припой и нанести на место пайки, продолжая подогревать его дополного заполнения соединения.
Примечания: 1. Если припой не соединяется с поверхностью спаиваемых деталей,повторно нанести флюс на спаиваемые поверхности и продолжить пайку.
2.Если повторное нанесение флюса не дает положительных результатов, необходимопрекратить пайку, спаиваемые поверхности зачистить напильником дометаллического блеска и произвести пайку по пп. 17.4.5 и 17.4.6.
17.5.1.Пайку следует производить в электроконтактных клещах, для чего необходимопроизвести подготовку угольных электродов, зачистив напильником контактныеповерхности. Добиться их параллельности в момент сжатия спаиваемых соединений.
17.5.2.Включить паячный трансформатор.
17.5.3. Вотверстие наконечника внести флюс. Соотношение ингредиентов: канифоли - 0,2 кгна 1 кг припоя; пасты - 0,35 кг на 1 кг припоя.
17.5.4.Собрать провод с наконечником.
17.5.5.Зажать клещами собранное соединение и периодическими кратковременнымивключениями тока разогреть спаиваемые детали до температуры плавления припоя.
17.5.6.Нанести припой на место пайки касанием палочки припоя о нагретые поверхностидеталей в месте их соединения.
Припойвводить до полного заполнения зазоров и плавного обтекания спаиваемыхповерхностей.
17.5.7.Выключить ток и, не разжимая клещей, охладить паяное соединение до полногозатвердевания припоя.
17.5.8.Пайку наконечников, имеющих наружную резьбу, с проводом следует производить сгазопламенным нагревом.
17.6.1.Зачистить остывшую пайку от следов окалины, наплывов припоя напильником.
17.6.2.Обрезать провода пакета параллелей, выступающие за плоскость шины, ножницами.
Принарушении технологии сборки и пайки возможно возникновение дефектов, указанныхв табл. 3.
Таблица 3
Дефекты пайки и причины их возникновения.
| Дефект | Причина дефекта |
| Плохое затекание припоя в зазоры. | Зазор значительно отличается от номинального (мал или слишком велик). |
| Наличие участков, не заполненных припоем. | Некачественная зачистка поверхности деталей перед пайкой, недостаточный нагрев соединения при пайке. |
| Мелкая пористость металла шва. | Попадание в металл шва окислов, влаги (некачественная зачистка поверхности) Перегрев металла и припоя при пайке. |
| Трещины в паяном шве. | Смещение деталей в момент затвердевания места пайки. |
17.8.1.Контроль качества пайки необходимо осуществлять внешним осмотром итехнологическими пробами.
17.8.2.Внешнему осмотру и измерению подвергнуть 100 % швов. Осмотр паяных швовпроизводить по всей их протяженности с двух сторон. При осмотре допускаетсяприменять зеркало и лупу.
Внешнимосмотром выявить следующие наружные дефекты:
- трещины вшве и в основном металле;
- непропаянные места по местам сопряжения;
-расслоения припоя;
-пористость;
- натекиприпоя;
- поры ивключения диаметром более 1 мм.
Примечание. Поры ивключения диаметром и глубиной менее 1 мм допускаются при условии, если они неимеют характера скоплений или цепочек и их суммарная длина не превышает 10 %длины шва.
17.8.3.Дефекты паяных швов необходимо устранять перепайкой (наплывы и застывшие каплиприпоя необходимо устранять зачисткой напильником).
17.8.4.Правильность выбора режима пайки и качество припоя проверять разрушениемконтрольных образцов, спаянных на данном режиме. Качество пайки считаетсяудовлетворительным, если отношение суммарной площади, покрытой припоем, кплощади спаиваемых поверхностей составляет не менее 4/5.
Проверкурежимов пайки производить с поступлением каждой новой партии припоя.
Дляполучения качественных сварных соединений необходимо проводить подготовительныеработы по удалению загрязнений и снятию оксидной пленки с поверхностейсвариваемых деталей.
Удалениеповерхностных загрязнений и обезжиривание осуществлять с помощью органическихрастворителей (уайт-спирит и др.).
Снятиеоксидной пленки проводить металлическими щетками. После проведения указанныхопераций кромки свариваемых деталей необходимо вновь обезжирить растворителем.
Сваркуалюминиевых проводов и шин встык проводить на угольной подкладке с канавкой взоне стыка свариваемых деталей угольным электродом. Сварку вести на постоянномтоке прямой полярности с использованием флюса и присадочного материала.
Данныйпроцесс использовать для сварки алюминия толщиной до 3 мм.
Основнымрабочим элементом является сварочная горелка, в которой смонтирован электрод,изготовленный из вольфрамового прутка. В качестве защитного газа следуетприменять аргон чистотой не менее 99,9 %.
В качествеисточника питания применять установки УДГ-351.
Данныйпроцесс использовать для сварки алюминия толщиной более 3 мм. Сварку следуетвести на постоянном токе обратной полярности полуавтоматом ПРМ-4 с применениемсварочной проволоки.
Примечание: В настоящеевремя вместо пайки наконечников с медным проводом и сварки наконечников салюминиевым проводом широко применяется процесс опрессовки с использованиемспециальных ручных или гидравлических устройств. Опрессовка производитсяточечным методом, обеспечивая надежное и долговечное соединение.
В качествезащитного покрытия применять маслостойкое лакокрасочное покрытие. Материаломдля защитного покрытия может служить:
- длявнутренних поверхностей - грунтовка ФЛ-ОЗК;
- длянаружных поверхностей - эмаль ПФ-115.
Возможноприменение других эмалей, заменяющих указанные.
20.1. Для склеивания отколовшихся частей фарфора необходимо приготовитьсмесь из следующих компонентов в соотношении:
| эпоксидной смолы ЭД-20 | 100 мас. ч., |
| полиэтиленполиамина | 13,5 мас. ч., |
| фарфоровой муки | 10,0 мас. ч. |
20.2. Эпоксидную смолу прогреть в термостате, при 60-70°С в течение20-30 мин., охладить до комнатной температуры, после чего ввестиполиэтиленполиамин и фарфоровую муку и тщательно перемешать.
20.3Склейку фарфора следует производить в сухую погоду при температуре окружающейсреды и склеиваемого изделия, не ниже 18°С.
20.4. Для окраски мест скола фарфора следует применять смесь изследующих материалов:
| эпоксидной смолы ЭД-20 | 45,5%; |
| белой сухой глазури | 13,5%; |
| окиси цинка | 18,3%; |
| ацетона | 22,7%. |
20.5. Эпоксидную смолу прогреть в термостате при 60-70°С в течение20-30 минут, затем охладить до комнатной температуры. Глазурь и окись цинкапромолоть в шаровой мельнице в течение 20 часов, затем в помол добавить ацетони отвердитель (полиэтиленполиамин) от массы краски 4,4 % (примерно 7 капельотвердителя на 10 г краски).
20.6.Окраску мест скола также проводить нанесением влагостойкого лака 4С,натуральной олифы с присадкой сиккатива, клея марки БФ-4, которые образуютблестящую поверхность, близкую по качеству к глазури.
Примечание: В настоящеевремя разработана и опробована технология применения состава, предназначенногодля усиления гидрофобных свойств фарфоровых изоляторов, работающих в условияхзагрязнений, повышенной влажности или имеющих незначительные механическиеповреждения (сколы, дефекты поверхности, не имеющие тенденции к дальнейшемуразвитию). При условии выполнения инструкции, применение данного составасущественно улучшает электротехнические свойства изоляторов в условияхэксплуатации, благодаря повышенным гидрофобным и герметизирующим свойствам, атакже создает условия для самоочищения поверхностей изоляторов в условиях загрязнения(см. типовую технологическую инструкцию «Ремонт высоковольтных вводов классовнапряжения 35 кВ и выше», СО 34.46.611-2005, М., ОАО «ЦКБ Энергоремонт», 2005г.).
21.1. Привыборе масла необходимо руководствоваться действующими руководящими инормативно-техническими документами.
21.2. Приэксплуатации, хранении и смешении масел руководствоваться следующим:
- масла,содержащие антиокислительные присадки, допускается смешивать в любыхсоотношениях. При этом стабильность смеси должна быть не ниже, чем у компонентас самой низкой стабильностью;
-ингибированные товарные масла (с присадкой) не следует смешивать снеингибированными.
21.3.Температура заливаемого масла должна быть не ниже 45°С.
21.4.Допускается применение регенерированных масел при условии, доведения иххарактеристик до норм на свежее масло.
21.5.Электрическая прочность трансформаторного масла должна соответствоватьзначениям табл. 4.
Таблица 4
| Класс напряжения трансформаторов, кВ | Допустимое пробивное напряжение масла, кВ | |||
| Свежего, до заливки в оборудование | после заливки в оборудование | эксплуатационного | ||
| нормальное состояние | предельно допустимое | |||
| До 150 | 60 | 55 | 40 | 35 |
| 220-500 | 65 | 60 | 50 | 45 |
| 750 | 70 | 65 | 60 | 55 |
Таблица П 1
| № п/п | Наименование | ГОСТ, ТУ |
| 1. | Оборудование для обработки трансформаторного масла |
|
| 1.1. | Установка для обработки масла УВМ-3 и др. |
|
| 1.2. | Цеолитовая установка для сушки масла ГЦУ-3, ФСМВ-110 |
|
| 1.3. | Маслоочистительная установка МЦУ-2 и др. |
|
| 1.4. | Маслонагреватель НТМЛ-160, ЭМН-80, БИЛ-710 |
|
| 1.5. | Фильтры тонкой очистки ФТО-10 |
|
| 1.6. | Электронасосы центробежные герметичные серий Т, МТ, АНМТ, АНМТЭ, ЭЦТ, ЭЦТЭ, ЦГМ-25-32-7,5 |
|
| 1.7. | Электронасос шестеренчатый РЗ-4,5, РЗ-30, Ш80-2,5 |
|
| 1.8. | Установка для обработки масла НИТА 2712 |
|
| 1.9. | Установка регенерации масла МО-160 и др. |
|
| 1.10. | Установка регенерации сорбента БР, ПС-1 и др. |
|
| 1.11. | Установка для восстановления цеолитов РИФЖ 306779005Д1 |
|
| 2. | Оборудование для вакуумирования трансформаторов |
|
| 2.1. | Агрегат вакуумный золотниковый АВЗ-180-У4Г |
|
| 2.2. | Вакуумные насосы пластинчатые, роторные НВЗ-75, НВЗ-150, 2НВР-5ДМУ 4.2 |
|
| 2.3. | Насосы вакуумные поршневые ВН-1, ВН-2 | ГОСТ 26099-84 |
| 3. | Оборудование для подсушки изоляции |
|
| 3.1. | Установка для подсушки изоляции «Иней-2» и др. |
|
| 3.2. | Установка выпрямительная для прогрева УВМ-500, ТПП-500 и др. |
|
| 3.3. | Установка для нагрева и сушки воздуха «Суховей-4» |
|
| 3.4. | Электрокалорифер К-1000 |
|
| 4. | Оборудование для грузоподъемных и такелажных работ |
|
| 4.2. | Кран мостовой |
|
| 4.3. | Кран козловой |
|
| 4.4. | Домкрат гидравлический 10ДГ100П200 |
|
| 4.5. | Приспособление монтажное ПМ-5 |
|
| 4.6. | Насосная станция НЭР-1.6 |
|
| 4.7. | Гидродомкраты для опрессовки обмоток ДГ-100М, ДГ-200М |
|
| 4.8. | Лебедка монтажная МЭЛ-5-377, МЭЛ-5-20 |
|
| 4.9. | Таль электрическая канатная ТЭ-3 | ГОСТ 22584-96 |
| 4.10. | Талреп с автоматическим стопорением | ГОСТ 19191-73 |
| 5. | Электрооборудование |
|
| 5.1. | Светильник ручной (12 В) | ГОСТ 7110-82 |
| 5.2. | Электродрель |
|
| 6. | Сварочное и паячное оборудование |
|
| 6.1. | Горелка однопламенная ГС-3 |
|
| 6.2. | Трансформатор сварочный ТС-300 | ГОСТ 95-77 |
| 6.3. | Электродержатель для ручной сварки | ГОСТ 14651-78 |
| 6.4. | Щиток электросварочный | ГОСТ 12.4.035-78 |
| 6.5. | Установка для сварки алюминиевых шин и проводов УДГ-300 |
|
| 6.6. | Паячный трансформатор ОСУ-20/0,5-А, ОСУ-40/0,5-А, ОСУ-100/0,5-А |
|
| 6.7. | Паяльник электрический | ГОСТ 7219-83 |
| 7. | Прочее оборудование |
|
| 7.1. | Временные подмостки СУ-25 |
|
| 7.2. | Краскораспылитель КРП-11С | ТУ 6-23-15-89, ТУ 6-23-14-89, ТУ 10-2137-88 |
| 7.3. | Тележка для перевозки грузов | ГОСТ 13188-67 |
| 7.4. | Респиратор ШБ-1 | ГОСТ 12.4.028-76 |
| 7.5. | Противогаз РПГ/67А | ГОСТ 12.4.004-74 |
| 7.6. | Очки защитные | ГОСТ 12.4.013-85 |
| 7.7. | Компрессорная установка типа «Шторм» |
|
| 7.8. | Пневмодрель | ГОСТ 10212-80 |
| 8. | Приборы |
|
| 8.1. | Прибор для испытания электрической прочности масла КПН-901 |
|
| 8.2. | Хроматограф «Цвет-800» |
|
| 8.3. | Манометр МТП100-01, вакуумметр ВСБ, мановакуумметр ЭКМВ-IV-0¸0,5 МПа |
|
| 8.4. | Прибор для контроля влажности ИТР-100 |
|
| 8.5. | Психрометр аспирационный ИМ-34 |
|
| 8.6. | Течеискатель ультразвуковой УТ-2А |
|
| 8.7. | Мегаомметр М4100 |
|
| 8.8. | Термометр манометрический ТКП-100Эк |
|
| 8.9. | Вискозиметр | ГОСТ 9070-75 |
| 8.10. | Виброграф BP-I |
|
| 8.11. | Мост переменного тока Р-595, Р-5026, МД-16 |
|
| 8.12. | Прибор для измерения остаточного давления ВСБ-1, ВТ-3. |
|
| 9. | Оснастка |
|
| 9.1. | Поддон плоский | ГОСТ 9078-84 |
| 9.2. | Лестницы деревянные | ГОСТ 8556-72 |
| 9.3. | Стропы СК-5,6-8,3/1,5-9 | ГОСТ 25573-82 |
| 9.4. | Шпалы деревянные ГОСТ 78-89 |
|
| 9.5. | Металлические стойки для установки вводов ВН в вертикальное положение |
|
| 10. | Инструмент общего назначения |
|
| 10.1. | Тиски слесарные | ГОСТ 4045-75 |
| 10.2. | Инструмент слесарно-монтажный | ГОСТ 11516-94 |
| 10.3. | Зубило | ГОСТ 7211-86 |
| 10.4. | Ключи гаечные двусторонние | ГОСТ 2839-80 |
| 10.5. | Ключи гаечные односторонние | ГОСТ 2841-80 |
| 10.6. | Кернеры | ГОСТ 7213-72 |
| 10.7. | Кисти КФК-6, КФК-10 | ГОСТ 10597-87 |
| 10.8. | Киянка формовочная | ГОСТ 11775-74 |
| 10.9. | Кувалда | ГОСТ 11401-75 |
| 10.10. | Ножницы ручные для резки металла | ГОСТ 7210-75 |
| 10.11. | Круглогубцы | ГОСТ 7283-93 |
| 10.12. | Молоток слесарный | ГОСТ 2310-77 |
| 10.13. | Напильник | ГОСТ 1465-80 |
| 10.14. | Отвертки плоские | ГОСТ 24437-93 |
| 10.15. | Отвертки с крестообразным шлицем | ГОСТ 10754-80 |
| 10.16. | Плоскогубцы | ГОСТ 7236-93 |
| 10.17. | Пассатижи | ГОСТ 17438-72 |
| 10.18. | Клейма ручные буквенные и цифровые | ГОСТ 25726-83 |
| 10.19. | Кусачки | ГОСТ 28037-89 |
| 10.20. | Шкурка шлифовальная тканевая | ГОСТ 5009-82 |
| 10.21. | Метчики гаечные | ГОСТ 1604-71 |
| 10.22. | Плашки гаечные | ГОСТ 17587-72 |
| 10.23. | Ножовка по дереву | ГОСТ 26215-84 |
| 10.24. | Лом монтажный | ГОСТ 1405-83 |
| 10.25. | Уровень строительный УС1-3000 | ГОСТ 9416-83 |
| 11. | Измерительный инструмент |
|
| 11.1. | Динамометр пружинный ДПУ-2-1 | ГОСТ 13837-79 |
| 11.2. | Микрометр МРП 1200-0,01 | ГОСТ 4381-87 |
| 11.3. | Линейка измерительная металлическая | ГОСТ 427-75 |
| 11.4. | Нутромер микрометрический НМ 1250 | ГОСТ 10-88 |
| 11.5. | Штангенциркуль ШЦ-1-125-0,10 | ГОСТ 166-89 |
| 11.6. | Рулетка PC-1 | ГОСТ 7502-98 |
| 11.7. | Лупа ЛН-1-3х | ГОСТ 25706-83 |
| 11.8. | Щуп набор № 2 | ТУ 2-034-022. 1197-011-91 |
| 11.9. | Отвес ОТ 50-1 | ГОСТ 7948-80 |
Таблица П 2
| № п/п | Наименование | ГОСТ, ТУ |
| 1. | Прокат черных металлов |
|
| 1.1. | Уголок | ГОСТ 8509-93, ГОСТ 535-88 |
| 1.2. | Прокат тонколистовой | ГОСТ 19904-90, ГОСТ 16523-97 |
| 1.3. | Прокат толстолистовой | ГОСТ 19903-74, ГОСТ 14637-89 |
| 1.4. | Швеллеры | ГОСТ 8240-97, ГОСТ 535-88 |
| 1.5. | Сталь электротехническая | ГОСТ 21427.1-83 |
| 1.6. | Трубы стальные бесшовные | ГОСТ 8732-78, ГОСТ 8731-74 |
| 2. | Крепежные изделия |
|
| 2.1. | Болты с шестигранной головкой | ГОСТ 7798-70 |
| 2.2. | Гайки шестигранные | ГОСТ 5915-70 |
| 2.3. | Шайбы | ГОСТ 11371-78 |
| 2.4. | Шайбы пружинные | ГОСТ 6402-70 |
| 3. | Цветные металлы и сплавы |
|
| 3.1. | Прутки латунные | ГОСТ 6688-91 |
| 3.2. | Листы и полосы латунные | ГОСТ 931-90 |
| 3.3. | Листы и полосы медные | ГОСТ 495-92 |
| 3.4. | Ленты медные | ГОСТ 1173-93 |
| 3.5. | Прокат алюминиевый | ГОСТ 15176-89 |
| 3.6. | Фольга медная | ГОСТ 5638-75 |
| 3.7. | Припой ПОС-40 | ГОСТ 21930-76, ГОСТ 21931-76 |
| 3.8. | Сплав медно-фосфористый (припой) МФ-1, МФ-2 | ГОСТ 4514-78 |
| 3.9. | Припой серебряный ПСр 15 | ГОСТ 19738-74 |
| 3.10. | Припой медно-цинковый | ГОСТ 23137-78 |
| 4. | Литье |
|
| 4.1. | Сплавы алюминиевые | ГОСТ 1131-76 |
| 4.2. | Бронзы литейные | ГОСТ 613-79 |
| 4.3. | Чугун литейный | ГОСТ 4832-95 |
| 5. | Кабели, провода |
|
| 5.1. | Кабели силовые | ГОСТ 434-78 |
| 5.2. | Провода обмоточные с бумажной изоляцией | ТУ 16 К71-108-90 |
| 5.3. | Кабели многожильные подвесные | ГОСТ 16092-78 |
| 6. | Электроизоляционные материалы |
|
| 6.1. | Картон электроизоляционный | ГОСТ 4194-88 |
| 6.2. | Бумага кабельная КВМ-120 | ГОСТ 645-89 |
| 6.3. | Бумага крепированная ЭКТМ | ГОСТ 12769-85 |
| 6.4. | Бумага фильтровальная лабораторная | ГОСТ 12026-76 |
| 6.5. | Бумага для фильтрования масел | ГОСТ 20806-86 |
| 6.6. | Бумага телефонная | ГОСТ 3553-87 |
| 6.7. | Бумага электроизоляционная | ГОСТ 24874-91 |
| 6.8. | Бумага лакированная кабельная БЛ-К-120 | ТУ 16.503104-77 |
| 6.9. | Лакоткань | ТУ 16-И37.0012.002-90 |
| 6.10. | Лента киперная, лента тафтяная | ГОСТ 4514-78 |
| 6.11. | Лета ПВХ (поливинилхлоридная) | ГОСТ 16214-86 |
| 6.12. | МикалентаЛМК-ТТ-30 (0,15х35) | ГОСТ 4268-75 |
| 6.13. | Лента прорезиненная | ГОСТ 2162-97 |
| 6.14. | Лента стеклянная бандажная ЛСБ-Ф |
|
| 6.15. | Гетинакс электротехнический листовой | ГОСТ 2718-74 |
| 6.16. | Трубки бумажно-бакелитовые | ГОСТ 8726-88 |
| 6.17. | Текстолит электротехнический листовой | ГОСТ 2910-74 |
| 6.18. | Стеклотекстолит электротехнический листовой | ГОСТ 12652-74 |
| 6.19. | Стеклотекстолит конструкционный | ГОСТ 10292-74 |
| 6.20. | Стеклоткань ЛСБ, ЛСКР-180 | ТУ 16-И37.0003.003-90 |
| 6.21. | Лента электроизоляционная стеклянная | ГОСТ 5937-81 |
| 7. | Лакокрасочные материалы |
|
| 7.1. | Краски масляные | ГОСТ 10503-71 |
| 7.2. | Лак электроизоляционный пропиточный ГФ-95 | ГОСТ 8018-70 |
| 7.3. | Лак КФ-965 | ГОСТ 15030-78 |
| 7.4. | Лак бакелитовый ЛБС-4 | ГОСТ 901-78 |
| 7.5. | Лак электроизоляционный МЛ-92 | ГОСТ 15865-70 |
| 7.6. | Эмаль ПФ-115 | ГОСТ 6465-76 |
| 7.7. | Эмаль ПФ-133 | ГОСТ 926-82 |
| 7.8. | Грунтовка ГФ-020 | ГОСТ 25129-82 |
| 7.9. | Грунтовка ФЛ-ОЗК | ГОСТ 9109-81 |
| 7.10. | Шпатлевки | ГОСТ 10277-90 |
| 7.11. | Глет свинцовый | ГОСТ 5539-73 |
| 7.12. | Растворитель 646 | ГОСТ 18188-72 |
| 7.13. | Растворитель Р-4 | ГОСТ 7827-74 |
| 7.14. | Эмали ХВ-124 | ГОСТ 10144-89 |
| 7.15. | Эмали НЦ-5123 | ГОСТ 7462-73 |
| 7.16. | Олифа натуральная | ГОСТ 7931-76 |
| 8. | Резиновые технические изделия |
|
| 8.1. | Пластина резиновая для трансформаторов УМ | ГОСТ 12855-77 |
| 8.2. | Шнуры резиновые круглого и прямоугольного сечения | ГОСТ 6467-79 |
| 8.3. | Рукава резиновые напорные | ГОСТ 18698-79 |
| 8.4. | Рукава для газовой сварки | ГОСТ 9356-75 |
| 8.5. | Рукава резиновые напорно-всасывающие | ГОСТ 5398-76 |
| 8.6. | Перчатки резиновые технические | ГОСТ 20010-93 |
| 9. | Асбестовые изделия |
|
| 9.1. | Шнуры асбестовые | ГОСТ 1779-83 |
| 9.2. | Картон асбестовый | ГОСТ 2850-95 |
| 9.3. | Ленты асбестовые | ГОСТ 14256-00 |
| 9.4. | Ткани асбестовые | ГОСТ 6102-94 |
| 9.5. | Набивки сальниковые | ГОСТ 5152-84 |
| 9.6. | Паронит и прокладки из него | ГОСТ 481-80 |
| 10. | Химические продукты |
|
| 10.1. | Сода кальцинированная | ГОСТ 10689-75 |
| 10.2. | Бура | ГОСТ 8429-77 |
| 10.3. | Карбид кальция | ГОСТ 1460-81 |
| 10.4. | Силикагель технический КСКГ | ГОСТ 3956-76 |
| 10.5. | Силикагель-индикатор | ГОСТ 8984-75 |
| 10.6. | Спирт этиловый технический | ГОСТ 17299-78 |
| 10.7. | Спирт этиловый ректификат | ГОСТ 18300-87 |
| 10.8. | Ацетон технический | ГОСТ 2768-84 |
| 10.9. | Окись цинка | ГОСТ 10262-73 |
| 10.10. | Натрий едкий технический | ГОСТ 2263-79 |
| 10.11. | Скипидар первичный | ГОСТ 1571-82 |
| 10.12. | Ксилол нефтяной | ГОСТ 9410-78 |
| 10.13. | Канифоль сосновая | ГОСТ 19113-84 |
| 10.14. | Парафины нефтяные | ГОСТ 23683-89 |
| 10.15. | Смолы эпоксидные ЭД-20 | ГОСТ 10587-93 |
| 10.16. | Азот газообразный и жидкий | ГОСТ 9293-74 |
| 10.17. | Аргон газообразный и жидкий | ГОСТ 10157-79 |
| 10.18. | Поливинилбутираль | ГОСТ 9439-85 |
| 10.19. | Кальций хлористый технический | ГОСТ 450-77 |
| 10.20. | Реактивы. Кобальт хлористый 6-водный | ГОСТ 4525-77 |
| 10.21. | Клей резиновый № 88 | ТУ 2513-005-13238275-96 |
|
| Клей резиновый № 88-Н | ТУ 38-105-1061-82 |
| Клей резиновый № 88-СА | ТУ 38-105-1760-87 | |
| 11. | Нефтепродукты |
|
| 11.1. | Масла трансформаторные: |
|
|
| - Т-1500 | ГОСТ 982-80Г |
| - ТСп | ГОСТ 10121-76 | |
| - ГК | ТУ 38.101.1025-85 | |
| - ТКп | ТУ 38.401.5849-92 | |
| 11.2. | Бензин автомобильный | ГОСТ 2084-77 |
| 11.3. | Солидол Ж (жировой) | ГОСТ 1033-79 |
| 11.4. | Смазка Литол-24 | ГОСТ 21150-87 |
| 11.5. | Керосин для технических целей |
|
| 11.6. | Смазка ЦИАТИМ-208 | ГОСТ 16422-79 |
| 11.7. | Уайт-спирит | ГОСТ 3134-78 |
| 11.8. | Ацетон технический | ГОСТ 2768-84 |
| 12. | Прочие материалы |
|
| 12.10. | Пленка полиэтиленовая | ГОСТ 10354-82 |
| 12.11. | Полиэтиленполиамин | ТУ 6.02.594-76 |
| 12.12. | Цеолит | ТУ 38-102123-78 |
| 12.13. | Пиломатериалы лиственных пород | ГОСТ 2695-83 |
| 12.14. | Пиломатериалы хвойных пород | ГОСТ 8486-86 |
| 12.15. | Мыло хозяйственное | ГОСТ 790-89 |
| 12.16. | Мел | ГОСТ 17498-72 |
| 12.17. | Двуокись углерода | ГОСТ 12162-77 |
| 12.18. | Азот газообразный | ГОСТ 9293-74 |
| 12.19. | Аргон газообразный и жидкий | ГОСТ 10157-79 |
| 12.20. | Стекло оконное | ГОСТ 111-01 |
| 12.21. | Наконечники кабельные алюминиевые | ГОСТ 9581-80 |
| 12.22. | Наконечники кабельные медные | ГОСТ 7386-80 |
| 12.23. | Металлорукав РЗ-Ц-Х-2043 | ТУ 22.5570-83Е |
| 12.24. | Канаты стальные | ГОСТ 3241-91 |
| 12.25. | Проволока стальная сварочная | ГОСТ 2246-70, ГОСТ 7871-75 |
| 12.26 | Электроды сварочные | ГОСТ 9466-75, ГОСТ 9467-75 |
| 12.27. | Сетка проволочная | ГОСТ 3187-76 |
| 12.28. | Гвозди проволочные | ГОСТ 283-75 |
| 12.29. | Шнуры крученые | ГОСТ 29231-91 |
| 12.30. | Салфетка техническая (полотно холстопрошивное обтирочное) | ГОСТ 14253-83 |
Таблица П 3.1
Температура точки росы окружающего воздуха взависимости от его температуры и влажности.
| Температура воздуха, °С | Относительная влажность, % | ||||||||||||||
| 90 | 85 | 80 | 75 | 70 | 65 | 60 | 55 | 50 | 45 | 40 | 35 | 30 | 25 | 20 | |
| 0 | -1,0 | -2,0 | -3,0 | -3,5 | -4,4 | -5,0 | -6,8 | -7,5 | -8,5 | -9,8 | -11,0 | -12,8 | -14,5 | -16,5 | -19,0 |
| 5 | 3,5 | 2,5 | 1,8 | 0,8 | -0,2 | -1,0 | -2,0 | -3,8 | -4,3 | -5,5 | -7,0 | -9,0 | -10,5 | -13,0 | -15,3 |
| 10 | 8,5 | 7,5 | 6,5 | 5,8 | 4,5 | 3,4 | 2,8 | 1,0 | -0,5 | -1,8 | -3,8 | -4,5 | -6,5 | -9,0 | -11,8 |
| 15 | 13,3 | 12,4 | 11,0 | 10,2 | 9,5 | 8,3 | 7,0 | 5,7 | 4,3 | 2,5 | 1,0 | -1,0 | -3,0 | -4,8 | -8,0 |
| 16 | 14,3 | 13,3 | 12,2 | 11,3 | 10,3 | 9,0 | 8,0 | 6,5 | 5,0 | 3,5 | 1,8 | -0,3 | -3,0 | -4,3 | -7,0 |
| 17 | 15,7 | 14,3 | 13,2 | 12,3 | 11,0 | 10,0 | 8,6 | 7,5 | 6,0 | 4,5 | 2,4 | 0,8 | -2,0 | -3,5 | -6,5 |
| 18 | 16,4 | 15,2 | 14,3 | 13,3 | 12,0 | 10,9 | 9,3 | 8,3 | 6,8 | 5,8 | 3,5 | 1,5 | -1,5 | -3,0 | -5,5 |
| 19 | 17,3 | 16,4 | 15,2 | 14,3 | 13,0 | 11,8 | 10,5 | 9,8 | 7,8 | 6,1 | 4,4 | 2,4 | 0,5 | -2,3 | -4,8 |
| 20 | 18,2 | 17,3 | 16,1 | 15,3 | 14,0 | 12,7 | 11,5 | 10,2 | 8,6 | 7,0 | 5,3 | 3,2 | 1,0 | -1,5 | -4,3 |
| 21 | 19,2 | 18,3 | 17,2 | 16,3 | 15,0 | 13,8 | 12,4 | 11,0 | 9,5 | 8,0 | 6,3 | 4,3 | 2,0 | -0,7 | -3,5 |
| 22 | 20,3 | 19,3 | 18,3 | 17,2 | 16,0 | 14,8 | 13,4 | 11,8 | 10,5 | 8,8 | 7,0 | 5,0 | 3,0 | 0 | -3,0 |
| 23 | 21,2 | 20,3 | 19,3 | 18,3 | 17,0 | 15,7 | 14,4 | 13,0 | 11,5 | 9,7 | 8,0 | 6,0 | 3,5 | 1,0 | -2,0 |
| 24 | 22,1 | 20,9 | 20,3 | 19,3 | 17,8 | 16,6 | 15,4 | 13,9 | 12,4 | 10,6 | 8,9 | 6,9 | 4,5 | 1,8 | -1,2 |
| 25 | 23,3 | 22,2 | 21,1 | 20,2 | 19,0 | 17,7 | 16,4 | 14,8 | 13,2 | 11,5 | 9,8 | 7,6 | 5,5 | 2,5 | -0,2 |
| 26 | 24,2 | 23,1 | 22,1 | 21,0 | 20,1 | 18,7 | 17,3 | 15,8 | 14,3 | 12,4 | 10,5 | 8,5 | 6,3 | 3,5 | 0 |
| 27 | 25,1 | 24,2 | 22,8 | 22,0 | 20,8 | 19,6 | 18,2 | 16,8 | 15,4 | 13,3 | 11,5 | 9,5 | 7,0 | 4,3 | 1,0 |
| 28 | 26,0 | 25,0 | 23,2 | 22,8 | 21,8 | 20,3 | 19,1 | 17,6 | 16,0 | 14,3 | 12,2 | 10,3 | 8,0 | 5,0 | 2,0 |
| 29 | 27,1 | 25,8 | 24,9 | 23,8 | 22,6 | 21,3 | 20,1 | 18,6 | 17,0 | 15,2 | 13,3 | 11,0 | 8,6 | 6,0 | 2,5 |
| 30 | 28,2 | 27,0 | 25,3 | 24,8 | 23,8 | 22,3 | 21,3 | 19,7 | 17,9 | 16,1 | 14,2 | 11,8 | 9,5 | 6,9 | 3,0 |
| 31 | 29,1 | 28,2 | 27,0 | 26,0 | 24,5 | 23,2 | 22,4 | 20,5 | 19,3 | 17,0 | 15,3 | 13,3 | 10,3 | 7,6 | 4,5 |
| 32 | 30,1 | 29,1 | 28,0 | 26,8 | 25,5 | 24,2 | 22,8 | 21,4 | 19,8 | 18,0 | 16,0 | 13,5 | 11,0 | 8,5 | 5,0 |
| 33 | 31,0 | 29,8 | 29,0 | 27,8 | 26,5 | 25,3 | 23,7 | 22,3 | 20,7 | 18,9 | 17,2 | 14,8 | 12,0 | 9,3 | 6,0 |
| 34 | 31,8 | 30,9 | 29,8 | 28,6 | 27,3 | 26,1 | 24,6 | 23,4 | 21,5 | 19,8 | 17,9 | 15,5 | 13,3 | 10,0 | 6,5 |
| 35 | 33,0 | 31,7 | 30,5 | 29,5 | 28,3 | 26,8 | 25,4 | 23,9 | 22,3 | 20,5 | 18,5 | 16,0 | 13,8 | 10,7 | 7,3 |
Таблица П 3.2
Относительная влажность воздуха, определяемаяпсихрометром по разности показаний сухого и влажного термометров
| Показание влажного термометра, °С | Разность показаний сухого и влажного термометров, °С | ||||||||||||||||||||
| 0 | 0,5 | 1,0 | 1,5 | 2,0 | 2,5 | 3,0 | 3,5 | 4,0 | 4,5 | 5,0 | 5,5 | 6,0 | 6,5 | 7,0 | 7,5 | 8,0 | 8,5 | 9,0 | 9,5 | 10,0 | |
| 0 | 100 | 90 | 81 | 73 | 64 | 57 | 50 | 43 | 36 | 31 | 26 | 20 | 16 | 11 | 7 | 3 | - | - | - | - | - |
| 1 | 100 | 90 | 82 | 74 | 66 | 59 | 52 | 45 | 39 | 33 | 29 | 23 | 19 | 16 | 11 | 7 | - | - | - | - | - |
| 2 | 100 | 90 | 83 | 75 | 67 | 61 | 54 | 47 | 42 | 35 | 31 | 26 | 23 | 18 | 14 | 10 | - | - | - | - | - |
| 3 | 100 | 90 | 83 | 76 | 69 | 63 | 56 | 49 | 44 | 39 | 34 | 29 | 26 | 21 | 17 | 13 | 10 | - | - | - | - |
| 4 | 100 | 91 | 84 | 77 | 70 | 64 | 57 | 51 | 46 | 41 | 36 | 32 | 28 | 24 | 20 | 16 | 14 | 11 | - | - | - |
| 5 | 100 | 91 | 85 | 78 | 71 | 65 | 59 | 54 | 48 | 43 | 39 | 34 | 30 | 27 | 23 | 19 | 17 | 13 | 10 | - | - |
| 6 | 100 | 92 | 85 | 78 | 72 | 66 | 61 | 56 | 50 | 45 | 41 | 35 | 33 | 29 | 26 | 22 | 19 | 16 | 13 | 10 | - |
| 7 | 100 | 92 | 86 | 79 | 73 | 67 | 62 | 57 | 52 | 47 | 43 | 39 | 35 | 31 | 28 | 25 | 22 | 18 | 15 | 12 | 11 |
| 8 | 100 | 92 | 86 | 80 | 74 | 68 | 63 | 58 | 54 | 49 | 45 | 41 | 37 | 33 | 30 | 27 | 25 | 21 | 18 | 15 | 14 |
| 9 | 100 | 93 | 86 | 81 | 75 | 70 | 65 | 60 | 55 | 51 | 47 | 43 | 39 | 35 | 32 | 29 | 27 | 24 | 21 | 18 | 17 |
| 10 | 100 | 94 | 87 | 82 | 76 | 71 | 66 | 61 | 57 | 53 | 48 | 45 | 41 | 38 | 34 | 31 | 28 | 26 | 23 | 21 | 19 |
| 11 | 100 | 94 | 88 | 82 | 77 | 72 | 67 | 62 | 58 | 55 | 50 | 47 | 43 | 40 | 36 | 33 | 30 | 28 | 25 | 23 | 20 |
| 12 | 100 | 94 | 88 | 82 | 78 | 73 | 68 | 63 | 58 | 56 | 52 | 48 | 44 | 42 | 38 | 35 | 32 | 30 | 27 | 25 | 22 |
| 13 | 100 | 94 | 88 | 83 | 78 | 73 | 69 | 64 | 61 | 57 | 53 | 50 | 46 | 43 | 40 | 37 | 34 | 32 | 29 | 27 | 24 |
| 14 | 100 | 94 | 89 | 83 | 79 | 74 | 70 | 65 | 62 | 58 | 54 | 51 | 47 | 45 | 41 | 39 | 36 | 34 | 31 | 29 | 26 |
| 15 | 100 | 94 | 89 | 84 | 80 | 75 | 71 | 67 | 63 | 59 | 55 | 52 | 49 | 46 | 43 | 41 | 37 | 35 | 33 | 31 | 28 |
| 16 | 100 | 95 | 90 | 84 | 80 | 76 | 72 | 67 | 64 | 60 | 57 | 53 | 50 | 48 | 44 | 42 | 39 | 37 | 34 | 32 | 30 |
| 17 | 100 | 95 | 90 | 84 | 81 | 76 | 73 | 68 | 65 | 61 | 58 | 54 | 52 | 49 | 46 | 44 | 40 | 39 | 36 | 34 | 31 |
| 18 | 100 | 95 | 90 | 85 | 81 | 76 | 74 | 69 | 66 | 62 | 59 | 56 | 53 | 50 | 47 | 45 | 42 | 40 | 37 | 35 | 33 |
| 19 | 100 | 95 | 91 | 85 | 82 | 77 | 74 | 70 | 66 | 63 | 60 | 57 | 54 | 51 | 48 | 46 | 43 | 41 | 39 | 37 | 34 |
| 20 | 100 | 95 | 91 | 86 | 82 | 78 | 75 | 71 | 67 | 64 | 61 | 58 | 55 | 53 | 49 | 47 | 44 | 43 | 40 | 38 | 36 |
| 21 | 100 | 95 | 91 | 86 | 83 | 79 | 75 | 71 | 68 | 65 | 62 | 59 | 56 | 54 | 51 | 49 | 46 | 44 | 41 | 38 | 37 |
| 22 | 100 | 95 | 91 | 87 | 83 | 79 | 76 | 72 | 69 | 65 | 63 | 60 | 57 | 55 | 52 | 50 | 47 | 45 | 42 | 40 | 38 |
| 23 | 100 | 96 | 91 | 87 | 83 | 80 | 76 | 72 | 69 | 66 | 63 | 61 | 58 | 56 | 53 | 51 | 48 | 46 | 43 | 41 | 39 |
| 24 | 100 | 96 | 92 | 88 | 84 | 80 | 77 | 73 | 70 | 67 | 64 | 62 | 59 | 56 | 53 | 52 | 49 | 47 | 44 | 42 | 40 |
| 25 | 100 | 96 | 92 | 88 | 84 | 81 | 77 | 74 | 70 | 68 | 65 | 63 | 59 | 58 | 54 | 52 | 50 | 47 | 45 | 44 | 42 |
1. Передопрессовкой обмоток, необходимо составить и подготовить схему подсоединения,эскизы установки гидравлических домкратов и эскизы нестандартной специальнойоснастки. При опрессовке следует руководствоваться данными табл. П 4.1 дляпересчета давления масла в системе на усилие, создаваемое гидравлическимдомкратом. Таблица П 4.1 составлена для двух гидравлических домкратов срабочими диаметрами цилиндра 93 и 110 мм.
Прииспользовании гидравлических домкратов с другим рабочим диаметром цилиндранеобходимо составить соответствующую таблицу, используя формулу
F = P∙S,
где: F - сила давления гидравлического домкрата, Н;
Р - давление масла в системе, МПа;
S - площадьпоперечного сечения цилиндра применяемого гидравлического домкрата (см2),рассчитана по формуле
![]()
где: d - рабочий диаметр цилиндра гидравлического домкрата,см.
Примечание. Указанныевыше требования действительны для однокамерных гидравлических домкратов.
2. Взависимости от наличия оборудования и условий ремонта, опрессовку обмотоквыполнять одним из двух способов:
- в одинприем с применением полного комплекта (4-8 шт.) гидравлических домкратов(количество домкратов в комплекте определяется количеством нажимных винтов наобмотке);
-последовательно, в несколько приемов, с применением двух гидравлическихдомкратов.
Таблица П 4.1
Пересчет давления масла в системе на усилие,создаваемое гидравлическим домкратом
| Давление масла в системе, МПа (кгс/см2) | Усилие опрессовки, Н, создаваемое гидравлическим домкратом с диаметром цилиндра | |
| наружным - 115 мм, рабочим - 93 мм | наружным - 130 мм, рабочим- 110 мм | |
| 1,0 (10) | 6600 | 8700 |
| 1,5 (15) | 10000 | 13200 |
| 2,0 (20) | 13230 | 17800 |
| 2,5 (25) | 16600 | 22000 |
| 3,0 (30) | 20000 | 25000 |
| 3,5 (35) | 23000 | 31000 |
| 4,0 (40) | 26500 | 35000 |
| 4,5 (45) | 30000 | 39500 |
| 5,0 (50) | 33000 | 43700 |
| 5,5 (55) | 36800 | 48200 |
| 6,0 (60) | 40000 | 52000 |
| 6,5 (65) | 43600 | 57000 |
| 7,0 (70) | 46000 | 61000 |
| 7,5 (75) | 50000 | 66000 |
| 8,0 (80) | 53000 | 70000 |
| 8,5 (85) | 56500 | 75000 |
| 9,0 (90) | 60000 | 79100 |
| 9,5 (95) | 63000 | 84000 |
| 10,0 (100) | 66500 | 87800 |
| 10,5 (105) | 70500 | 92000 |
| 11,0 (110) | 74000 | 93500 |
| 11,5 (115) | 77000 | 100000 |
| 12,0 (120) | 80000 | 106000 |
| 12,5 (125) | 84000 | 108500 |
| 13,0 (130) | 87000 | 110000 |
| 13,5 (135) | 90000 | 116500 |
| 14,0 (140) | 93000 | 122000 |
| 14,5 (145) | 95000 | 126000 |
| 15,0 (150) | 100000 | 130000 |
| 15,5 (155) | 102000 | 134000 |
| 16,0 (160) | 106000 | 139000 |
| 16,5 (165) | 110000 | 144000 |
| 17,0 (170) | 114000 | 148000 |
| 17,5 (175) | 118000 | 152000 |
| 18,0 (180) | 122000 | 156000 |
| 18,5 (185) | 126000 | 160000 |
| 19,0 (190) | 130000 | 164000 |
| 19,5 (195) | 134000 | 168000 |
| 20,0 (200) | 138000 | 172000 |
| 20,5 (205) | 142000 | 176000 |
| 21,0 (210) | 146000 | 180000 |
| 21,5 (215) | 150000 | 184000 |
| 22,0 (220) | 154000 | 188000 |
| 22,5 (225) | 158000 | 192000 |
| 23,0 (230) | 162000 | 196000 |
| 23,5 (235) | 166000 | 200000 |
| 24,0 (240) | 170000 | 204000 |
| 24,5 (245) | 174000 | 208000 |
| 25,0 (250) | 178000 | 212000 |
| 25,5 (255) | 182000 | 216000 |
| 26,0 (260) | 186000 | 220000 |
| 26,5 (265) | 190000 | 224000 |
| 27,0 (270) | 194000 | 230000 |
| Примечание. Указанные выше требования действительны для однокамерных гидравлических домкратов. | ||
Первый способ опрессовки обмоток следует применять в случае демонтажасъемной части бака (колокола) или подъема активной части трансформатора.
Второйспособ опрессовки обмоток следует применять в случае, когда доступность кактивной части без демонтажа или с демонтажем отдельных узлов (высоковольтныхвводов, коробок вводов НН, технологических люков) такова, что позволяетпоочередно устанавливать два (по одному с двух диаметрально противоположныхсторон обмотки) гидравлических домкрата к каждому нажимному винту.
Примечание. Второй способопрессовки применяется в исключительных случаях при отсутствии необходимогоколичества гидродомкратов.
3. Проверкаработоспособности гидродомкратов и гидросистемы.
Собратьсхему, как указано на рис. П 4.1.

1 -отсечной кран; 2 - манометр; 3 - магистральный шланг; 4 - распределительныешланги; 5 - маслостанция; 6 - вентиль сброса давления; 7 - скоба для испытаниягидравлических домкратов
Рис.П 4.1. Схема проверки работоспособности гидродомкратов и гидросистемы.
Дляисключения попадания воздуха в гидравлическую систему сборку трубопроводоввыполнить следующим образом:
-подсоединить шланг к насосной станции (насосу) и распределительную коробку к шлангу;
- создатьуклон подсоединительного шланга для свободного выхода воздуха через открытыеотверстия распределительной коробки;
-подсоединить к распределительной коробке шланги высокого давления и прокачатьмаслом;
- заполнитьгидравлические домкраты маслом до выхода поршня на 30-35 мм (временноподсоединив их к шлангам). Отсоединить гидравлические домкраты от шлангов.Нажатием на поршень (при повернутом домкрате ниппелем вверх) вытеснить изгидравлического домкрата воздух и масло. При слабом вытекании масла из ниппелягидравлического домкрата и шланга, подсоединить гидравлические домкраты кшлангу.
Поместитьгидравлические домкраты в специальную скобу, как указано на рис. П 4.1.Проверить работу схемы, создав давление на 5-6 МПа больше рабочего давления приопрессовке, выдержать при этом давлении 10 мин. Если при проверке будутвыявлены течи в системе, то после устранения течей проверку повторить.
I. Сушка индукционными потерями в собственном баке.
Индукционнаяобмотка для прогрева трансформаторов выполняется из медного или алюминиевогопроводов, намотанных на бак. Для увеличения КПД, бак следует предварительноутеплить негорючим материалом (асбокартон или асботкань). Для поддержаниявитков обмотки в нужном положении их необходимо укладывать в пазы деревянныхреек, установленных вокруг бака трансформатора на расстоянии друг от друга неболее 500 мм. Обмотка должна располагаться как можно ближе к стенке бака. Сэтой целью рейку следует выбирать сечением не более 50´50 мм с пазами по всей высоте. Количество пазовзависит от общего количества витков обмотки. Глубина и ширина паза должнасоответствовать диаметру провода, вкладываемого в паз. Обмотка может бытьоднофазного или трехфазного исполнения.
Расчетнамагничивающей обмотки. Расчетмощности, тока и числа витков намагничивающей обмотки производят следующимобразом:
1. Потребляемаямощность Р, необходимая для сушки:
Р = 5Fб (100- tокр.среды)∙10-3, кВт - для утепленного бака;
Р = 12 Fб (100- tокр.среды)∙10-3, кВт - для неутепленного бака,
где: Fб -полная поверхность бака, м2.
2. Поверхность бака F0 на которую наматывается намагничивающая обмотка, м2:
F0 = H0 Пб,м2,
где: Н0 - высота бака, на которуюнаматывается намагничивающая обмотка, м;
Пб - периметр бака, м.
3. Удельнаяповерхностная мощность DР, кВт/м2:
![]()
4. Дляданного DР по табл. П 5.1 находят ампер-витки (А) на 1 смвысоты Н0, накоторую наматывается обмотка, а также величину К.
Таблица П 5.1
Вспомогательная таблица для расчета намагничивающейобмотки для сушки трансформаторов III и IVгабаритов с толщиной стенок бака 6 мм и выше.
| DР, кВт/м2 | А | К | DР, кВт/м2 | А | К | DР, кВт/м2 | А | К |
| 0,2 | 6,5 | 3,87 | 1,25 | 31,0 | 1,81 | 2,3 | 45,8 | 1,46 |
| 0,4 | 11,5 | 2,82 | 1,30 | 31,8 | 1,79 | 2,4 | 46,9 | 1,44 |
| 0,6 | 16,5 | 2,52 | 1,35 | 32,5 | 1,77 | 2,5 | 48,0 | 1,42 |
| 0,75 | 19,5 | 2,33 | 1,4 | 33,5 | 1,74 | 2,6 | 49,1 | 1,41 |
| 0,8 | 20,5 | 2,26 | 1,45 | 34,5 | 1,71 | 2,7 | 50,2 | 1,39 |
| 0,85 | 22 | 2,18 | 1,5 | 35,5 | 1,68 | 2,8 | 51,3 | 1,38 |
| 0,9 | 23,5 | 2,12 | 1,6 | 36,5 | 1,65 | 2,9 | 52,3 | 1,36 |
| 0,95 | 24,5 | 2,07 | 1,7 | 38,0 | 1,62 | 3,0 | 53,3 | 1,34 |
| 1,0 | 25,5 | 2,02 | 1,8 | 39,5 | 1,59 | 3,25 | 56,0 | 1,31 |
| 1,05 | 26,7 | 1,97 | 1,9 | 41,0 | 1,56 | 3,5 | 58,2 | 1,28 |
| 1,1 | 28 | 1,92 | 2,0 | 42,3 | 1,54 | 3,75 | 60,6 | 1,25 |
| 1,15 | 29 | 1,88 | 2,1 | 43,4 | 1,51 | 4,0 | 63,2 | 1,22 |
| 1,2 | 30 | 1,84 | 2,2 | 44,6 | 1,49 | - | - | - |
5. Необходимое числовитков w намагничивающей обмотки:
![]()
где: U -напряжение, подводимое к намагничивающей обмотке, В
6. Ток I в намагничивающей обмотке, А:
![]()
где: cos j - коэффициентмощности, принимаемый равным 0,7, или:
![]()
где: А- брать из табл. П 5.1,
Н0 - высота, на которую наматывается обмотка, м.
7. Сечение провода длянамагничивающей обмотки sпр, мм2:
![]()
где: D - плотность тока, которую принимают равной 3,5¸5,0 А/мм2.
Длятрансформаторов средних и больших мощностей напряжение, подводимое к намагничивающейобмотке - 220 или 380 В, а для трансформаторов небольших мощностей - 50-100 В(от сварочных трансформаторов).
Приведенныйвыше расчет намагничивающей обмотки является приближенным и в этой связи уобмотки делается одно или два ответвления (см. схемы на рис. П 5.1.а и П5.1.б).
Окончательное количество витков устанавливается после пробноговключения намагничивающей обмотки под напряжение.
|
|
|
| а - схема намагничивающей обмотки; | б - распределение намагничивающей обмотки на баке. |
Рис.П 5.1. Намагничивающая обмотка для сушки индукционными потерями в собственномбаке.
Дляполучения равномерного распределения температуры внутри бака, намагничивающуюобмотку у трансформаторов средней и большой мощностей следует размещатьнеравномерно по высоте бака, а именно: 60-70% всех витков наматывать на нижнюючасть бака (на половину его высоты, считая снизу), а остальные 30-40% витков -в верхней части бака, отступя на 200 мм вниз от радиаторных кранов (рис. П5.1). 20-25% высоты в середине бака остаются свободными от витков. Дно бака впроцессе сушки рекомендуется подогревать снаружи воздуходувками илиэлектропечами.
Передустановкой активной части в бак, его внутреннюю поверхность следует тщательноочистить, удалить остатки масла и протереть ветошью, не оставляющей ворса. Еслисушка производится под вакуумом, бак следует герметично закрыть крышкой.
Предварительновнутри на активную часть необходимо установить термопары, а снаружи бака -термометры (рис. П 5.2).
Дляускорения процесса сушки и повышения надежности, сушку активных частейтрансформаторов рекомендуется производить под вакуумом. Сушка под вакуумомобязательна для трансформаторов классов напряжения 220 кВ и выше.

№№1, 2, 3 - термопары; №№ 4, 5, 6, 7 - термометры.
Рис.П 5.2. Установка термопар внутри бака при сушке.
Процесссушки в собственном баке под вакуумом. Послевыполнения всей указанной выше подготовительной работы, необходимо собратьвакуумную установку по схеме на рис. П 5.3 и, запуская вакуум-насос, плавноподнять вакуум в баке. По мере подъема вакуума, выявить места неуплотнений и,если таковые обнаружатся, устранить их.

1 -трансформатор; 2 - намагничивающая обмотка; 3 - пароохладитель; 4 - сборникконденсата; 5 - вакуумметр; 6 - редукционный вентиль; 7 - вакуум-насос.
Рис.П 5.3. Схема вакуумной установки для сушки под вакуумом.
Замеритьмегаомметром 1000 В сопротивление изоляции обмоток по отношению к корпусу имежду собой. Данные замеров занести в журнал сушки, в котором необходимоотмечать время начала сушки, а также замеры всех температур через определенныепромежутки времени. Включить намагничивающую обмотку на первую ступень, т. е.на все витки.
Наращиваниетемпературы внутри бака должно быть не более 40°С в час. По достижениитемпературы бака 100-105°С намагничивающую обмотку переключают на вторуюступень (т.е. на меньшее число витков), при которой и ведется сушка.
В моментдостижения температуры обмоток 60°С, вакуум медленно поднять до 10-15 мм рт.ст. и поддерживать на этом уровне в течение 3 ч. Затем вакуум-насос выключить,но вакуум не снимать. При достижении температуры обмоток 95-100°С, вакуум сноваподнять до 10-15 мм рт. ст., а затем через каждый час увеличивать его на 5 ммрт. ст. Однако вакуум не должен быть выше 30-35 мм рт. ст.
Температураактивной части не должна превышать 95-100°С, а бака - 115-120°С.
Процесссушки должен контролироваться дежурным из числа квалифицированных рабочих.
Сушкасчитается законченной, если сопротивление изоляции обмоток при установившейсятемпературе и постоянной величине вакуума не меняется в течение 5-6 часов, атакже, если в течение этого времени величина выделившегося конденсата непревышает 3-5 г/час на каждую тонну заливаемого в трансформатор масла.
Поокончании сушки температуру внутри бака следует снизить до 80°С и залитьтрансформатор сухим чистым маслом под вакуумом через нижний кран бака с помощьюнасоса. Температура масла должна быть не ниже 10°С для трансформаторов классанапряжения 110-150 кВ, 45°С для трансформаторов класса напряжения 220-330 кВ и55°С для трансформаторов 500 кВ и выше.
II. Сушка токами нулевой последовательности.
Принципсушки. Сушка токами нулевой последовательности основана нанагреве активной части трансформатора за счет потерь на вихревые токи, которыевозникают в ее массивных стальных конструкциях, а также в стенках самого бакапри их намагничивании. Для этого обмотки трансформатора (безразлично ВН или НН)надо соединить так, чтобы магнитные потоки, создаваемые протекающими по нимтоками, совпадали во всех стержнях магнитопровода как по величине, так и понаправлению.
В этомслучае силовые линии магнитного поля будут замыкаться через стержни на воздух,стенки бака и обратно на стержни.
Схемыполучения магнитного потока нулевой последовательности. На рис. П 5.4.а-ж даны схемы сушки токами нулевойпоследовательности для трехфазных и однофазных стержневых трансформаторов приразных схемах соединения их обмоток.

Рис.П 5.4. Схемы сушки токами нулевой последовательности:
а -при соединении трехфазного трансформатора по схеме звезда-звезда с нулем; б -при соединении по схеме звезда-открытый треугольник; в - при соединении посхеме открытый треугольник-звезда с нулем; г, д - однофазный трансформатор собмотками одного направления; е, ж - то же с обмотками разных направлений.
Броневыетрансформаторы, а также стержневые с разветвленной магнитной цепью сушить токомнулевой последовательности нельзя, так как магнитный поток у этихтрансформаторов всегда, при любых соединениях, будет замыкаться помагнитопроводу.
Еслитрехфазный стрежневой трансформатор имеет схему соединения звезда-звезда, то(рис. П 5.4.а) для сушки током нулевой последовательности необходимо закоротитьвсе три фазных вывода любой обмотки (ВН или НН) и подать напряжение междунулевым и закороченными фазными выводами. Другая обмотка остается при этомоткрытой (не закороченной).
В случаеотсутствия нулевого вывода, следует сделать временный нулевой вывод.
Присоединении звезда-треугольник для получения магнитного потока нулевойпоследовательности необходимо разъединить треугольник и подать напряжение врассечку треугольника, оставляя звезду открытой (рис. П 5.4.б), или жетреугольник оставить разъединенным, а звезду закоротить и подать напряжениемежду закороченным выводом и нулем (рис. П 5.4.в).
При сушкетоком нулевой последовательностиоднофазных двухстержневых трансформаторов следует осуществлять схемы (рис. П5.4.г-ж) в зависимости от направленности обмоток.
Определениепараметров для сушки токами нулевой последовательности.
1. Опытнымпутем необходимо определить сопротивление нулевой последовательности Z0, для чего в зависимости от соединения обмотоктрансформатора собрать схему нулевой последовательности (рис. П 5.4.а-ж) и назажимы схемы подать от сварочного трансформатора напряжение U порядка 60-100 В. Замерить величины напряжения U и тока I,тогда сопротивление нулевой последовательности, Ом:
![]()
2.Рассчитать напряжение нулевой последовательности, В:
U0 = I0Z0,
где: ток I0 берется равным току холостого хода Iх.х. попаспорту трансформатора.
3.Подбирается имеющееся на месте напряжение
близкое к напряжению нулевойпоследовательности U0 и понему рассчитывается окончательно ток нулевой последовательности
, А:
![]()
4.Мощность, необходимая для сушки, (Р0),В·А:
а) длятрехфазных трансформаторов, рис. П 5.4.а и П 5.4.в:
![]()
б) дляоднофазных трансформаторов по схемам рис. П 5.4.г и П 5.4.е:
![]()
в) дляоднофазных трансформаторов по схемам рис. П 5.4.д и П 5.4.ж и для трехфазныхтрансформаторов, рис. П 5.4.б:
![]()
Процесссушки. Обмотки активной частисоединить по соответствующей схеме нулевой последовательности, и после соединенияактивную часть поместить в бак, установить приборы измерения температур изакрыть бак. Подать на зажимы схемы напряжение нулевой последовательности иначать сушку, предварительно замерив сопротивление изоляции обмоток поотношению к корпусу и между собой, а также все температуры, напряжение и ток.Данные замеров занести в журнал сушки.
Процесссушки должен контролироваться дежурным из числа квалифицированных рабочих.
Таблица П 6
| № п/п | Обозначение документа | Наименование документа |
| 1. | ПБ 10-382-00 | Правила устройства и безопасной эксплуатации грузоподъемных кранов, утверждены постановлением Госгортехнадзора России от 31.12.99 г. № 98. |
| 2. | ПОТ РМ 017-2001 | Межотраслевые правила по охране труда при окрасочных работах. |
| 3. | ПОТ РО 14000-001-98 | Правила по охране труда на предприятиях и в организациях машиностроения. |
| 4. | ППБ-01-93 | Правила пожарной безопасности в Российской Федерации. |
| 5. | ГОСТ 12.4.009-83 | Пожарная техника для защиты объектов. Основные виды. Размещение и обслуживание. |
| 6. | ГОСТ 3484.1-88 | Трансформаторы силовые. Методы электромагнитных испытаний. |
| 7. | ГОСТ 6581-75 | Материалы электроизоляционные жидкие. Методы электрических испытаний. |
| 78. | ГОСТ 7822-75 | Масла нефтяные. Метод определения растворенной воды |
| 9. | ГОСТ 11677-85 | Трансформаторы силовые. Общие технические условия. |
| 10. | ГОСТ 14192-96 | Маркировка грузов |
| 11. | ГОСТ 1516.1-76 | Электрооборудование переменного тока на напряжения от 3 до 500 кВ. Требования к электрической прочности изоляции. |
| 12. | РД 10-33-93 | Требования к устройству и безопасной эксплуатации. |
| 13. | РД 10-107-96 | Инструкция по безопасному производству работ грузоподъемными машинами. |
| 14. | РД 16.363-87 | Трансформаторы силовые. Транспортирование, разгрузка, хранение, монтаж и ввод в эксплуатацию. М., ВНИИЭ, 1980. |
| 15. | РД 34.03.301-97 | Правила пожарной безопасности для электроэнергетических предприятий. |
| 16. | РД 34.45-51.300-97 | Объем и нормы испытания электрооборудования. Издание шестое, М.: ЭНАС, 2001. |
| 17. | РД 153-34.0-03.150-00 | Межотраслевые правила по охране труда (правила безопасности) при эксплуатации электроустановок ПОТ РМ 016-2001. |
| 18. | РД 153-34.0-03.231-00 | Типовая инструкция по охране труда для электросварщиков. |
| 19. | РД 153-34.0-03.299/4-2001 | Типовая инструкция по охране труда при работе с ручным электроинструментом. |
| 20. | РД 153-34.0-03.299/5-2001 | Типовая инструкция по охране труда при работе с ручным слесарным инструментом. |
| 21. | СО 34.04.181-2003 (РДПр 34-38-030-99) | Правила организации технического обслуживания и ремонта оборудования, зданий и сооружений электростанций и сетей. Москва, ОАО «ЦКБ Энергоремонт», 2003. |
| 22. | СО 34.10.396-2005 | Трансформаторы силовые масляные. Нормы расхода материалов для ремонта. Москва, ОАО «ЦКБ Энергоремонт», 2005. |
| 23. | СО 34.20.608-2003 (РД 153-34.0-20.608-2003) | Методические указания. Проект производства работ для ремонта энергетического оборудования электростанций. Требования к составу, содержанию и оформлению. Москва, ОАО «ЦКБ Энергоремонт», 2003. |
| 24. | СО 34.46.611-2005 | Типовая технологическая инструкция. Ремонт высоковольтных вводов классов напряжения 35 кВ и выше. М., ОАО «ЦКБ Энергоремонт», 2005. |
| 25. | СО 153-34.20.120-2003 | Правила устройства электроустановок. |
| 26. | СО 153-34.20.501-2003 | Правила технической эксплуатации электростанций и сетей. |
| 27. | СО 153-34.46.501 (РД 34.46.501) | Инструкция по эксплуатации трансформаторов. |