Стандарт по термической и термомеханической правке деформаций разработан в развитие и дополнение действующих нормативных документов СНиП 3.06.04-91, СНиП 3.03.01-87, СТО-ГК "Трансстрой"-5-2007, СТО-ГК "Трансстрой"-012-2007 и предназначен для использования при изготовлении конструкций на заводах, проектировании, строительстве, ремонте, реконструкции и эксплуатации железнодорожных, автодорожных, городских и пешеходных мостов с металлическими сварными пролетными строениями. Распространяется на любые климатические зоны (обычное и северное А и Б исполнение) и на районы с расчетной сейсмичностью до 9 баллов включительно
| Обозначение: | СТО 01393674-735-2006 |
| Название рус.: | Методика расчета и технологии правки деформаций в стальных конструкциях мостов |
| Статус: | действует |
| Дата актуализации текста: | 05.05.2017 |
| Дата добавления в базу: | 01.09.2013 |
| Дата введения в действие: | 25.12.2006 |
| Утвержден: | 25.12.2006 ОАО ЦНИИС (TsNIIS OAO ) |
| Опубликован: | ОАО ЦНИИС (2008 г. ) |
| Ссылки для скачивания: |
Открытое акционерное общество
«Научно-исследовательский институт транспортного строительства»
(ОАО ЦНИИС)
СТО 01393674-735-2006
СТАНДАРТ ОРГАНИЗАЦИИ
| УТВЕРЖДАЮ Заместитель Генерального директора- А. А. Цернант «25» декабря 2006 г. |
МЕТОДИКА РАСЧЕТА И ТЕХНОЛОГИИ ПРАВКИ ДЕФОРМАЦИЙ В СТАЛЬНЫХКОНСТРУКЦИЯХ МОСТОВ
Москва 2008
Содержание
1 РАЗРАБОТАН:
Филиалом ОАО ЦНИИС«Научно-исследовательский центр «Мосты» (д-р техн. наук А.С. Платонов, инженерыА.В. Кручинкин, В.И. Звирь, И.В. Гребенчук) в соответствии с Федеральнымзаконом № 184-ФЗ от27.12.2002 г. «О техническом регулировании»
2 СОГЛАСОВАН:
ОАО «Мостостройиндустрия» (№5052/01-515 от 26.06.2006 г.)
ОАО «Инспекция по контролюкачества изготовления и монтажа мостовых конструкций» (№ 628 от 25.05.2006 г.)
3 УТВЕРЖДЕН И ВВЕДЕН В ДЕЙСТВИЕ ОАО ЦНИИС от «25» декабря 2006 г.
4 Стандарт разработан в соответствии с требованиями ГОСТР 1.4-2004 и ГОСТР 1.5-2004
5 ВВЕДЕН впервые
6 Разработка Стандарта организации предусмотрена статьями 11, 13,17 Федерального закона «О техническом регулировании» от 27.12.2002 № 184-ФЗ
СТАНДАРТ ОРГАНИЗАЦИИ
МЕТОДИКА РАСЧЕТА И ТЕХНОЛОГИИ ПРАВКИ ДЕФОРМАЦИЙ В СТАЛЬНЫХКОНСТРУКЦИЯХ МОСТОВ
Дата введения 25 декабря 2006 г.
1.1 Настоящий Стандарт потермической и термомеханической правке деформаций разработан в развитие идополнение действующих нормативных документов СНиП 3.06.04-91, СНиП 3.03.01-87, СТО-ГК«Трансстрой»-005-2007, СТО-ГК«Трансстрой»-012-2007 и предназначен для использования при изготовленииконструкций на заводах, проектировании, строительстве, ремонте, реконструкции иэксплуатации железнодорожных, автодорожных, городских и пешеходных мостов сметаллическими сварными пролетными строениями. Распространяется на любыеклиматические зоны (обычное и северное А и Б исполнение) и на районы срасчетной сейсмичностью до 9 баллов включительно.
1.2 Термической итермомеханической правке могут подвергаться мостовые конструкции, изготовленныеиз низколегированных и малоуглеродистых сталей марок 15ХСНД и 10ХСНД ГОСТ6713; 15ХСНДА и 10ХСНДА ТУ 14-1-5120; 12Г2СБД ТУ 14-1-5455; 14ХГНДЦ ТУ14-1-5355; 09Г2СД и 09Г2С ГОСТ19281; Ст3сп(пс) ГОСТ 380; ГОСТ535; ГОСТ14637. При реконструкции и ремонте старых мостов допускается правкадеформированных конструкций из сталей Ст3мост, М16С (16Д), НЛ (СХЛ-2).
1.3 Термическую правку мостовыхконструкций должны выполнять специально обученные рабочие-газоправильщики,имеющие соответствующее удостоверение. Газоправильщики должны уметь визуальноопределять температуру нагрева металла и контролировать ее величину с помощьюоптического пирометра излучения или цифровых термометров ТЦ-1000.
1.4 Принципы и технологическиеприемы, применяемые для термической и термомеханической правки сварных конструкцийс остаточными деформациями могут быть использованы при проектировании дляпридания мостовым конструкциям заданных проектом искривленных форм, напримеркриволинейных в плане и профиле балок для мостов на горизонтальных ивертикальных кривых, в том числе для образования строительного подъема.
1.5 Технология правки иоборудование для термического нагрева металла пригодны для снятия илиперераспределения внутренних остаточных напряжений в сложных сварныхконструкциях, работающих на выносливость при знакопеременных и динамическихнагрузках.
1.6 Термическую итермомеханическую правку остаточных деформаций после сварки при заводскомизготовлении конструкций производят по утвержденным заводским нормалям,разрабатываемым в отделе главного сварщика в развитие настоящего Стандарта сучетом местных особенностей конструкции и статистических данных, полученныхзаводом на основе опыта правки.
1.7 Стальные конструкции мостов,полученные с завода-изготовителя на монтаж, должны быть освидетельствованы иприняты с составлением актов (рапортичек) представителем организации,осуществляющей монтаж и сварку. При приемке необходимо установить: соответствиеконструкций заказу и требованиям проекта; комплектность поставки, согласнозаводским комплектовочным ведомостям (листам готовых элементов); наличие наэлементах клейм ОТК завода-изготовителя и заводской инспекции по качеству имаркировки в соответствии с монтажно-маркировочной схемой.
Одновременно выявляются дефекты,требующие правки, ремонта или усиления конструкций. К таким дефектам относяттрещины в сварных соединениях и основном металле, недопустимые отклонения вразмерах и геометрической форме элементов, механические повреждения в виденадрывов по кромкам, местных и общих изгибов, полученных припогрузоразгрузочных и транспортных операциях.
Конструкции, имеющие указанныедефекты, подлежат комиссионному освидетельствованию с составлением Актаобследования. В комиссию включают представителей мостостроительной организации,заказчика, завода-изготовителя, мостового инспектора. При дефектах, способныхотрицательно влиять на надежную работу конструкции, в комиссию включаютпредставителей проектной и, при необходимости, научно-исследовательскойорганизации. При приемке следует руководствоваться настоящим Стандартом идействующим нормативным документом на заводское изготовление СТО-ГК«Трансстрой»-012-2007.
Комиссия обязана выявить причинывозникновения дефектов, принять решения о способах исправления их или заменеконструкций новыми, указать организацию, которая должна устранять отмеченныенедостатки. Дефекты заводских сварных соединений устраняет завод-изготовительконструкций.
Акт обследования высылаетсяорганизации-разработчику документации КМ.
1.8 Термической итермомеханической правкой (если она необходима) в мостостроительной организациируководит главный сварщик или привлеченный специалист, имеющий опыт выполненияправки. Данный Стандарт является основанием для производства работ по правке.
Руководитель работ назначаетспособы термической и термомеханической правки, зоны нагрева и места приложениямеханических усилий. Одновременно выявляются дефекты, требующие ремонта илиусиления конструкций. Если технология правки, ремонта, усиления не вписываетсяв основные правила, приведенные в данном Стандарте, специалист сварочногопроизводства разрабатывает местную инструкцию.
Выправленные конструкцииподлежат комиссионной приемке с участием проектной организации, разработавшейКМ, заказчика, мостовой инспекции и руководителя (производителя) работ поправке.
1.9 При разработке данногодокумента использованы результаты работ, представленных в библиографии. Дляболее детального изучения вопросов термической правки мостовых конструкцийрекомендуется обращаться к указанным работам.
1.10 В разделах документадля примера даны режимы правки мостовых конструкций для частных, зачастую, длянаиболее характерных случаев. Однако диапазон возможных случаев достаточноширок, поэтому при составлении заводских технологических указаний (ТУК)рекомендуется использовать функциональные зависимости величины деформаций отразличных параметров, приведенных в работе [1].
В настоящем Стандартеиспользованы ссылки на следующие нормативные документы:
ГОСТ6713-91 Сталь для мостостроения
ГОСТ6996-66** Сварные соединения. Методы определения механических свойств
ГОСТ19281-89 Прокат из стали повышенной прочности
ГОСТР 1.4-2004 Стандарты организаций.Общие положения
ГОСТР 1.5-2004 Общие требования кпостроению, изложению, оформлению и содержанию СТО
ТУ 14-1-5120-92 Прокат листовойвысокого качества для мостостроения из низколегированной стали
ТУ 14-1-5455-03 Прокаттолстолистовой из стали марки 12Г2СБД для мостостроения
ТУ 14-1-5355-98 Прокаттолстолистовой атмосферостойкий из стали марки 14ХГНДЦ для мостостроения
СНиП II-23-81* Стальные конструкции. Нормы проектирования
СНиП 2.05.03-84* Мосты и трубы. Нормы проектирования
СНиП 3.06.04-91 Мосты и трубы. Правила производства иприемки работ
СНиП 3.03.01-87 Несущие иограждающие конструкции. Правила производства и приемки работ
В настоящем Стандарте примененыследующие термины и определения:
3.1 Зона термического влияния(ЗТВ): Участок основного металла, не подвергшийся расплавлению, структура исвойства которого изменились в результате нагрева при сварке плавлением илитермической резке.
3.2 Зона сплавления (ЗС): Участокрасплавления основного (свариваемого) металла в процессе электродуговой сварки;околошовная зона.
3.3 Свариваемость стали: Комплекснаятехнологическая характеристика свариваемого металла, сварочных материалов ирежимов сварки, обеспечивающая получение сварного соединения, удовлетворяющегозаданным условиям безопасной эксплуатации конструкции или сооружения.
3.4 Сварочные деформации: Перемещенияразличных точек сварного изделия (укорочение, изгиб, поворот сечений, потеряустойчивости листа и т.д.) в процессе сварки и последующего охлаждения металла.Собственные деформации и напряжения, имеющие место в сварной конструкции послеостывания называют остаточными.
3.5 Деталь: Изделие,изготовленное из однородного материала без применения сборочных операций. Начертежах КМ и КМД деталь называется «Позицией».
3.6 Монтажный элемент: Готовоеизделие, отправляемое на монтаж без сборки и сварки на заводе (фасонки,накладки, прокладки, рыбки, связи и т.д.).
3.7 Отправочная марка илисборочная единица: Изделие, собранное из деталей с участием соединяющихэлементов: сварочных материалов, крепежных метизов и др.
3.8 Элемент: Понятие,обозначающее составную часть конструкции, сооружения.
3.9 Пролетное строение: Несущаяконструкция мостового сооружения, перекрывающая все пространство или часть егомежду двумя или несколькими опорами, воспринимающая нагрузку от элементовмостового полотна и временных нагрузок.
3.10 Конструкция несущая: Строительнаяконструкция, воспринимающая нагрузки и воздействия и обеспечивающая прочность,жесткость и устойчивость сооружения.
3.11 Надежность: Свойствообъекта выполнять заданные функции, сохраняя во времени значения установленныхв проекте сооружения эксплуатационных показателей в заданных пределах.Надежность является основным признаком качества несущих конструкций сооружения,комплексно объединяющим такие свойства, как долговечность, безотказность,ремонтопригодность.
3.12 Долговечность: Свойствообъекта сохранять работоспособность на период до наступления предельногосостояния при установленной системе технического обслуживания.
3.13 Безотказность:Способность объекта непрерывно сохранять работоспособность в определенныхусловиях эксплуатации в течение некоторого времени. Безотказность включаеттребования обеспечения прочности, жесткости и устойчивости как всей системы,так и ее элементов.
3.14 Ремонтопригодностьсооружения: Способность его к предупреждению, обнаружению и устранениюотказов путем проведения ремонта.
3.15 Отказ: Событие,заключающееся в частичном или полном нарушении работоспособности отдельныхэлементов сооружения или его в целом.
3.16 Дефект: Каждоеотдельное несоответствие продукции установленным требованиям. Изделие имеетдефект, если по меньшей мере один из показателей его качества или параметроввышел за предельное значение или не выполняется одно из требований нормативнойдокументации к признакам продукции. Термин «дефект» применяется при контролекачества продукции при изготовлении (ГОСТ15467-79).
3.17 Дефект явный: Обнаруживаемыйвизуально или специальными приборами и средствами измерений, предусмотренными внормативной документации и обязательными для контроля качества даннойпродукции.
3.18 Дефект скрытый: Дефект,для выявления которого в нормативной документации, обязательной для данноговида контроля, не предусмотрены соответствующие правила, методы и средства.
3.19 Неисправность: Состояниеобъекта, при котором он не соответствует хотя бы одному из требованийнормативно-технической и (или) конструкторской документации. Находясь внеисправном состоянии, изделие может иметь один или несколько дефектов.Неисправность появляется при эксплуатации, хранении и транспортировании изделий(ГОСТ27.002-83).
3.20 Предельное состояние: Состояниеконструкции, при котором: ее дальнейшая эксплуатация невозможна (первая группапредельных состояний) вследствие возможной потери несущей способности(прочности, устойчивости, выносливости) или развития существенных пластическихдеформаций; дальнейшая нормальная эксплуатация затруднена (вторая группапредельных состояний) вследствие появления недопустимых деформаций (прогибов,осадок, колебаний, перемещений, чрезмерного развития трещин).
3.21 Термины и величины(для стали):
g - эффективная тепловая мощность дуги пламени,кал/с;
v - скорость перемещения источника тепла, см/с;
gn- погонная энергия сварки(нагрева), кал/см; gn =g/v;
l - коэффициент теплопроводности, кал/(см×с×°С); l = 0,11 - 0,000025Т, кал/(см×с×°С);
a - коэффициент теплоотдачи a = (0,15+0,002Т)10-3, кал/(см2×с×°С);
с - объемная теплоемкость с =0,85+0,001Т, кал/(cм3×°C);
aТ - коэффициент линейного расширения стали aТ = 12×10-6 1/°С.
4.1 Концентрированный нагревстали при электродуговой сварке и последующее охлаждение создают в околошовныхзонах (ОШЗ) и зонах термического влияния (ЗТВ) рекристаллизацию,перекристаллизацию, рост зерна, а также изменение механических свойствматериала. Сварные конструкции получают внутренние остаточные напряжения итермические деформации. Деформации искажают геометрическую форму конструкции иизменяют ее проектные линейные размеры.
Температура столбаэлектросварочной дуги достигает 5000-6000 °С. Температура на контактах дуги сплавящимся электродом и свариваемой сталью равна температуре кипения железа3000 °С. Температура плавления стали 1300-1500 °С.
При температуре То= 600 °С происходит рекристаллизация стали, т.е. переход в пластическоесостояние. Предел текучести стали sТ практически достигает нуля.
Температуру нагрева стали до 500°С считают критической. При нагреве выше 500 °С сталь теряет работоспособностьи разрушается от любых нагрузок. Температура, при которой стальная конструкциясохраняет несущую способность на определенное время, составляет 350 °С. Графиктемпературных зон в металле при сварке приведен на рисунке 4.1.

0 - 6 - температурные зоны, в том числе: 0 - наплавленный металл; 1- зона сплавления (смесь основного расплавленного металла и сварочногоматериала) шириной 1-2 мм; 2 - переходная зона термического влияния - участокперегрева с крупнокристаллической структурой шириной 1-3 мм; 3 - участокнормализации с мелкозернистой структурой шириной до 2 мм; 4 - участокпревращения перлита в аустенит и обратно с некоторым ростом зерна и неполнойперекристаллизацией, ширина 2 мм; 5 - участок незначительных структурныхизменений - отпуск, ширина 2-3 мм; 6 - участок деформационного старения(синеломкость) с некоторым снижением ударной вязкости, ширина 2 - 8 мм
Рисунок 4.1 - График температурных зон в металле при сварке
4.2Возникающие в процессе сварки деформации принято разделять на две группы:общие, когда деформируется весь свариваемый элемент (укорачивается или изгибается);местные, когда деформируются отдельные части свариваемой конструкции(грибовидность, перекос полок, ромбовидность, домики, выпучивание).
Помимо остаточных деформаций отсварки элементы стальных мостовых конструкций могут деформироваться, т.е.получать повреждения и дефекты в процессе транспортирования, погрузки-выгрузкии монтажа.
Любые виды деформаций,превышающих допуски на линейные размеры и геометрическую форму элементов идеталей, допускается исправлять посредством термической и термомеханической правки.
4.3Температуру местного нагрева металла при термической и термомеханической правкеследует принимать номинально: для термообработанных сталей (нормализация,закалка плюс отпуск) 700 °С; для горячекатаных сталей 700-900 °С.
Рабочие-газоправильщики должныуметь визуально определять температуру нагрева металла (таблица 4.1) иконтролировать ее величину с помощью оптического пирометра излучения илицифровых термометров ТЦ-1000, ТК-5 и др.
Таблица 4.1 - Цвета каления и побежалости принагреве и охлаждении стали
| Цвета каления при нагреве (закалке) | Температура, °С | Цвета побежалости при охлаждении (отпуск) | Температура, °С |
| Красный в темноте | 470 | Соломенно-желтый | 220 |
| Темно-красный | 530 | Желтый | 240 |
| Темно-вишнево-красный | 650-750 | Коричнево-желтый | 255 |
| Вишнево-красный | 800-900 | Красновато-коричневый | 265 |
| Светло-вишнево-красный | 900-980 | Пурпурно-красный | 275 |
| Оранжевый | 1000 | Фиолетовый | 285 |
| Желтый | 1100 | Темно-синий | 295 |
| Белый - раскаленный | 1200 | Светло-голубой | 310 |
| Температура кузнечной сварки (белый сварочный) | 1300-1400 | Серый | 325 |
Проверку навыковрабочих-газоправильщиков по определению температуры нагрева производятпосредством нагрева до 900 °С полосы на образце-пластине из горячекатаной сталитолщиной 6-8 мм.
Поверхность металла в зонеправки нагревом необходимо очищать от грунтовки и других загрязнений воизбежание искажения цвета каления (см. табл. 4.1) иобразования газов, вредных для здоровья рабочих-газоправильщиков.
4.4 Приложение статическихусилий домкратами или пригрузом при термомеханической правке в случае остыванияметалла ниже 600 °С не допускается (кроме предварительных усилий, приложенных впроцессе нагрева (см. п. 8.2).
4.5 Термическая итермомеханическая правка конструкций из термообработанных низколегированныхсталей допускается только при положительной температуре окружающего воздуха иметалла. Горячекатаные стали следует править при температуре не ниже минус 15°С.
4.6 Недопускается правка смонтированных конструкций, воспринимающих любые нагрузки, -постоянные, временные, монтажные, эксплуатационные.
4.7 Судить о результатах правкии возможности повторного нагрева необходимо в зависимости от вида правки [1]:в одних случаях остаточную величину деформаций можно измерить практически сразу(например, грибовидность), в других (например, саблевидность) целесообразнождать остывания; в одних случаях повторный нагрев (правка саблевидности полосойв том же месте и с тем же режимом) не дает остаточных деформаций, в других(повторный нагрев «клина» при правке саблевидности) практически независимо даетте же остаточные деформации.
4.8 Интенсивность нагреванамеченных зон должна быть максимально возможной по технологическим условиям.Рекомендуется использовать одновременно несколько горелок с номером сопла нениже 5 (таблица 4.2). Лист толщиной более 20 мм следует нагревать одновременнос двух сторон (при наличии допуска к противоположной стороне). Изложенныеметоды термической и термомеханической правки распространяются на стальнойпрокат толщиной 10 мм и выше.
4.9 Для снятия внутреннихнапряжений и предотвращения трещинообразования в зонах сосредоточения сварныхшвов допускается вести высокий отпуск конструкций нагревом указанных зонгазовыми горелками до температуры металла 600 - 800 °С - цвет вишневого иливишнево-красного каления (см. табл. 4.1).Нагрев ведут от середины к краям намеченной зоны не менее чем двумя горелками.Прогрев должен быть на всю толщину проката, о чем свидетельствует стабильностьцвета нагреваемой зоны в течение 0,5-1 мин. Выдержка при температуре 600-680 °Сне регламентируется, остывание - постепенное на воздухе.
Таблица 4.2 - Ориентировочная эффективнаямощность пламени для термической правки металла
| Тип горючего газа | Номер наконечника | Расход кислорода, дм3/с | Расход горючего, дм3/с | Ориентировочная мощность, кВт |
|
| 5 | 740-1200 | 680-1100 | 5,5 |
|
| 6 | 1150-1950 | 1050-1750 | 7,0-8,5 |
| Ацетилен | 7 | 1900-3100 | 1700-2800 | 8,5-10,0 |
|
| 8 | 3100-5000 | 2800-4500 | 12,0-15,0 |
|
| 9 | 5000-9000 | 4500-7000 | 15,0-17,0 |
|
| 5 | 1350-2200 | 400-450 | 10,5-11,5 |
| Пропан | 6 | 2200-3600 | 650-1050 | 11,5-13,0 |
|
| 7 | 3500-5800 | 1050-1700 | 13,0-14,0 |
5.1 Деформации, вызванныесваркой, искажают форму и размеры готовой конструкции. Форма и величина их зависятот назначенного режима сварки, геометрических форм и размеров поперечныхсечений, расположения сварных швов и последовательности их наложения,предварительных механических деформаций, задаваемых при сборке конструкций икомпенсирующих последующую усадку металла от сварки. Избежать сварочныхдеформаций нельзя, но довести их до минимума в пределах допусков,обеспечивающих последующий монтаж сооружений, можно, в том числе заводскойтермической и термомеханической правкой отправочных марок (или сборочныхединиц).
5.2 Классификация общихсварочных деформаций (см. п. 4.2)приведена в таблице 5.1, местных - в таблице 5.2. В этих же таблицах указаныдопуски на линейные размеры и геометрическую форму заводских отправочных марокв соответствии с требованиями СТО-ГК«Трансстрой»-012-2007.
Таблица 5.1 - Общие деформации от сварки
| Тип, наименование, определение деформации от сварки | Схема | Значение предельного отклонения, мм |
| 1 | 2 | 3 |
| 1. Линейные деформации элементов с симметричными сечениями (двутавровых, Н-образных, коробчатых), собранных из деталей с припусками при полной длине элемента, м: | - |
|
| до 9 |
| ±2 |
| свыше 9 до 15 |
| ±2,5 |
| свыше 15 до 21 |
| ±3 |
| свыше 21 до 27 |
| ±3,5 |
| свыше 27 |
| ±4 |
| 2. Стрела выгиба (продольный изгиб) элементов несимметричного и симметричного сечений при длине элемента или его искривленной части L, м: |
|
|
| до 10 включительно | L:1000 | |
| свыше 10 | 10 | |
| 3. Плавное саблевидное искривление по продольным кромкам листа в плане при длине L |
| L:1000, но не более 15 |
| 4. Плавный продольный выгиб ортотропных и ребристых плит в вертикальной плоскости при длине L |
| L:750, но не более 15 |
| 5. Винтообразность (деформация скручивания) D, замеряемая в элементах, уложенных на горизонтальную (базисную) плоскость с прижатием к плоскости одного конца и свободным отиранием второго |
| D £ 1 мм на 1 м длины элемента, но не более 10 мм на всю длину L |
| 6. Коробление листа вдоль и поперек после термической резки или потери устойчивости под нагрузкой |
| D £ 1,5 мм на 1 м длины или ширины D £ 1 мм на 1м длины в зонах монтажных отверстий |
Таблица 5.2 - Местные деформации от сварки
| Тип, наименование, определение деформации от сварки | Схема | Значение предельного отклонения, мм |
| 1 | 2 | 3 |
| 1. Перекос пояса балки относительно стенки |
| а) в стыках, в сопряжениях с другими элементами, в местах установки опорных частей D £ b/200, но не более 1 мм; б) на других участках D £ b/100, при D2 - D3 £ 3 мм |
| 2. Грибовидность пояса симметричная |
| |
| 3. Грибовидность с перекосом |
| |
| 4. Остаточные угловые деформации в сварных стыковых соединениях (домики), определяемые стрелой прогиба на базе 400 мм при толщине S стыкуемых листов, мм: |
|
|
| до 20 включительно | D £ 0,1S | |
| свыше 20 | D £ 2 мм | |
| 5. Ромбовидность сечений коробчатых элементов решетчатых ферм. | ' | D1 – D2: |
| Разность длин диагоналей: |
| |
| в зоне монтажного соединения | 4 мм | |
| то же при наличии внутренних диафрагм | 2 мм | |
| в прочих местах | 12 мм | |
| Разность длин диагоналей в коробчатых сплошностенчатых пролетных строениях автодорожных мостов: |
| |
| в зоне монтажного соединения | 6 мм | |
| в прочих местах | 12 мм | |
| 6. Выпучивание стенок в балочных и коробчатых конструкциях при свободной высоте стенки h: |
|
|
| 6.1. Для балок и коробок с поперечными ребрами жесткости | D £ 0,006h | |
| 6.2. Для балок без поперечных (вертикальных) ребер жесткости | D £ 0,003h | |
| 7. Выпучивание (волнистость) стенки на концах балочных и коробчатых сплошностенчатых элементов при свободной высоте h: |
|
|
| 7.1. В зонах стыков на высокопрочных болтах | D £ 0,02h | |
| 7.2. То же в цельносварных стыках | D £ 0,003h | |
| 7.3. На свободном (не стыкуемом) торце балки при наличии опорных ребер жесткости | D £ 0,003h |
Среди методикрасчета температурных деформаций и напряжений можно выделить две группы. Первая- это методики, позволяющие определить аналитически средние по сечению элементадеформации от положения сварных швов. Вторая - это методики, позволяющиепроизводить расчет термонапряженного состояния и деформаций при различном посечению элемента распределении температуры, учитывая изменение термомеханическиххарактеристик от температуры, учитывая начальное напряженное состояние.
Выбор необходимой методики длярасчета зависит от цели расчета, типа и сложности задачи.
Методики первой группы расчетадеформаций при сварке приведены в справочном приложении А.В этом же приложении даны ориентировочные припуски при разметке деталей.
Описание методик второй группыприведено в работах [13,27,28,37,38].
ИЗМЕРЕНИЕ ОСТАТОЧНЫХ ДЕФОРМАЦИЙ
5.3 Измеряемые детали илиэлементы необходимо укладывать на плоские поверхности, например на плиты универсальныесборочные (УСП) или на сборочные стенды.
Деформации, подвергаемые замерамна монтажных блоках или в смонтированных конструкциях, должны быть свободнымиот внешних нагрузок, или эти нагрузки необходимо уменьшить до минимума.
Точность измерений должнаобеспечивать сопоставимость с величинами предельных отклонений, указанных вдокументации КМ, КМД и в таблицах 5.1, 5.2 настоящего Стандарта.
5.4 С использованиемстандартного измерительного инструмента и индивидуальных устройств,изготавливаемых в заводских мастерских, можно создать набор средств измерениялюбых деформаций в изготавливаемых сварных конструкциях.
Контроль измерительногоинструмента в соответствии с требованиями соответствующих стандартов необходимопроизводить ежегодно силами ЦЗЛ и ОТК завода-изготовителя конструкций.
При измерении и контролеконструкций более 10 м рулетками РЗ-20, РЗ-30 и РЗ-50 следует пользоватьсяодной и той же рулеткой, прошедшей лабораторный контроль.
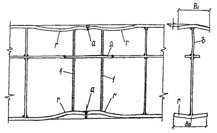
Приемы измерений величиныотдельных видов деформаций приведены на рисунках 5.1 -5.6. Выпучивание иволнистость листа (например, после газокислородной резки) измеряют с помощьюметаллической линейки ГОСТ 427-75с ценой деления 0,5 мм и индивидуального базового устройства (рисунок 5.1) илидругими линейками, кривизна которых не превышает 0,2 мм на длине 1000 мм.Грибовидность измеряют двумя линейками - поверочной ГОСТ 8026-75 иизмерительной с ценой деления 0,5 мм (рисунок 5.2). Перекос поясовтавровых и двутавровых элементов измеряют угольниками типа УШ и измерительнымилинейками (рисунок 5.3). Деформациюсаблевидности по всей длине измеряют с помощью струны (или рулетки) и линейки;для измерения саблевидности на базе длиной 1 м (рисунок 5.4) пользуются устройством дляизмерения выпучивания (см. рисунок 1). Измерение выпучивания («хлопунов») взамкнутом контуре с выпуклой стороны выполняют таким же устройством, но сбазой, равной расстоянию между ребрами или поясами балки (рисунок 5.5).С противоположной стороны величину «хлопуна» измеряют двумя линейками -измерительной и поверочной. Винтообразность измеряют с помощью отвесов и линеек(рисунок 5.6). Методикуизмерения деформаций см. также в разделе 3 работы [1].

1 – линейка
Рисунок 5.1 - Измерение выпучивания и волнистости листа

Рисунок 5.2 - Измерение симметричнойгрибовидности линейками

Рисунок 5.3 - Измерение перекоса двумяугольниками и линейками

Рисунок 5.4 - Измерение саблевидности на базе1 м

Рисунок 5.5 - Измерение выпучивания(«хлопуна») в замкнутом контуре

1 - базовое сечение; 2 - горизонтальная опора
Рисунок 5.6 - Измерение винтообразности коробчатогоэлемента
6.1 Для нагрева металла дотемператур, указанных в п. 4.3,следует применять газопламенные инжекторные горелки, работающие на ацетиленеили газах-заменителях (таблица 6.1).
Таблица 6.1 - Свойства горючих газов
| Наименование, формула | Максимальная температура горения в кислороде, °С | Низшая теплотворная способность, кДж/м3 |
| Ацетилен С2Н2 | 3200 | 53 |
| Метан СН4 | 2200 | 33 |
| Пропан С3Н8 | 2700 | 87 |
| Бутан С4Н10 | 2700 | 120 |
| Природный газ | 2000-2200 | 34 |
6.2 Горелки должныиметь наибольшую эффективную мощность (см. табл. 4.2)и концентрацию пламени с четко обозначенным ядром. Наконечники горелокрекомендуются № 6 и № 8, возможны и № 5.
При использованиигазов-заменителей, имеющих меньшую температуру горения, чем ацетилен, дляповышения эффективности правки рекомендуется использовать горелки с подогревомгорючей смеси в мундштуке и при выходе из мундштука, а также многосопловыегорелки типа ГП-1 и другие с диаметром огневого сопла не более 25 мм. Ониотличаются от ацетиленовых размерами смесительной камеры и канала инжектора иособой конструкцией мундштуков (изготовление мундштуков к данным горелкамдоступно силами мостовых заводов и мостостроительных организаций по чертежамОАО ЦНИИС) [12,34].
6.3 При длительной работегорелки следует избегать перегрева наконечника от тепла, отраженного отнагреваемого металла. Перегрев может привести к появлению обратного удара. Дляего устранения следует периодически охлаждать наконечник усиленной струейкислорода, регулируемой вентилем.
6.4 Для правки грибовидности иперекоса полок сварных двутавровых и Н-образных элементов, саблевидности полоси тавровых элементов длиной более 5 м рекомендуется применять механизированныйнагрев сварных конструкций полуавтоматами, предназначенными для резки металла,типа «Микрон», «Радуга». Переоборудование газорезательных полуавтоматовзаключается в замене мундштука режущего кислорода на специальный мундштукподачи смеси газов для нагревательного пламени.
В 80-х годах прошлого века длявышеуказанных целей в ОАО ЦНИИС был создан автомат АТПГ, который нашелприменение на мостовых заводах [14,16,36].
6.5 Для создания механическихусилий при выполнении термомеханической правки рекомендуется применять, восновном, гидравлические домкраты, выпускаемые в России. К наиболее подходящимдля правки мостовых металлоконструкций следует отнести универсальныегидравлические домкраты (таблица 6.2), домкраты автономные, т.е. нетребующиеотдельных насосных станций (таблица 6.3) и домкраты телескопические (таблица6.4).
Таблица 6.2 - Домкраты универсальные
| Модель | Грузоподъемность, т | Ход штока, мм | Рабочий объем, см3 | Масса, кг | Рекомендуемый насос |
| ДУ5П100 | 5,6 | 100 | 80 | 1,9 | НРГ-7004 |
| ДУ10П100 | 11,1 | 100 | 167 | 3,6 | НРГ-7004 |
| ДУ10П150 | 11,1 | 150 | 238 | 4 | НРГ-7004 |
| ДУ15П250 | 14,1 | 250 | 490 | 9,8 | НРГ-7010; НЭР-0,8И10Т1 |
| ДУ20П100 | 23,2 | 100 | 332 | 8,5 | НРГ-7020; НЭР-0,8И10Т1 |
| ДУ20П150 | 23,2 | 150 | 498 | 10,2 | НРГ-7020; НЭР-0,8И10Т1 |
| ДУ20П360 | 22,2 | 360 | 1122 | 19,4 | НРГ-7020; НЭР-0,8И10Т1 |
| ДУ35П50 | 35,2 | 50 | 251 | 10,5 | НРГ-7004; НЭР-0,8И10Т1 |
| ДУ35П150 | 35,2 | 150 | 754 | 16 | НРГ-7010; НЭР-0,8И10Т1 |
| ГЦ35/250 | 35,2 | 250 | 1256 | 22 | НРГ-7020; НЭР-0,8И10Т1 |
| ГЦ50/250 | 44,5 | 250 | 1590 | 24 | НРГ-7035; НЭР-0,8И10Т1 |
| ДУ50П50 | 55 | 50 | 393 | 15 | НРГ-7010; НЭР-0,8И10Т1 |
| ДУ50П150 | 55 | 150 | 1180 | 23,9 | НРГ-7020; НЭР-0,8И10Т1 |
| ДУ100П50 | 107,8 | 50 | 770 | 25,7 | НРГ-7010; НЭР-0,8И10Т1 |
| ДУ100П150 | 107,8 | 150 | 2310 | 42,8 | НРГ-7035; НЭР-0,8И10Т1 |
Таблица 6.3 - Домкраты автономные
| Модель | Грузоподъемность, т | Ход штока + вылет винта, мм | Рабочий объем, см3 | Масса, кг |
| ДА2М130 | 2 | 130 + 50 | 59 | 2,9 |
| ДА5М150 | 5 | 150 + 70 | 153 | 4,7 |
| ДА12М200 | 12 | 200 +130 | 393 | 9,9 |
| ДА20М150В | 20 | 150 + 80 | 460 | 12,2 |
| ДА251М160 | 25 | 160 + 0 | 804 | 17,7 |
| ДА251М160 | 30 | 165 + 0 | 653 | 19,4 |
Таблица 6.4 - Домкраты телескопические
| Модель | Грузоподъемность, т | Ход штока, мм | Масса, кг | Рекомендуемый насос | ||
| 1-я ступень | 2-я ступень | 1-я ступень | 2-я ступень | |||
| ДМ-40 | 35 | 18 | 35 | 35 | 7,1 | НРГ-7004 |
| ДТ60Г500 | 120 | 60 | 240 | 255 | 71 | НРГ-8080; НЭР-0,8И10Т1 |
7.1 Саблевидность мостовогоэлемента выправляют нагревом выпуклой кромки листа в виде клиньев, полосы вдолькромки или их сочетания. Наиболее эффективный способ нагрева - клиновидный(рисунок 7.1,а). Металл при остывании дает усадку и деформируемый элементвыправляется, однако усадка происходит не только вдоль кромки, но и поперек,отчего появляются местные деформации - переломы, выпучины, неравномерностьправки по всей длине листа. Нагрев полосы вдоль кромки менее эффективен попроизводительности, но саблевидность выправляется по всей длине равномерно.
Во избежание указанных вышеотрицательных явлений при клиновидном нагреве, геометрия клина должна выдерживатьсяв определенных пропорциях (см. рисунок 7.1,а): высоту следует принимать
, длину по кромке
, но не более 100 мм при любой толщине листа.

а - геометрическая форма и размеры «клина»; б - термическая правкатавра; в, г - термомеханическая правка соответственно двутавра и Н-образногоэлемента; 1 - полоса нагрева; 2 - полоса нагрева стенки; Р – пригрузы
Рисунок 7.1 - Правка тавровых, двутавровых и Н-образных элементов
Клин необходимо нагреватьперемещением горелки от вершины к основанию, но не наоборот. При толщине листа20 мм и больше нагрев производят двумя горелками с обеих сторон. При толщинелиста 10-12 мм длину клина l по кромке следует назначать 30-50 мм.
Деформации саблевидности ипродольного изгиба по кромке могут быть неравномерными с визуально заметнымипереломами на отдельных участках. Клинья нагрева следует назначать в первуюочередь на вершинах переломов.
Об эффективности правки можносудить только после полного остывания металла. Если деформированный элементвыправлен не полностью, назначают дополнительные зоны нагрева в виде клиньевили полосы вдоль кромки. Ширина полосы нагрева по кромке b оптимально должна быть 0,1В и не более 0,2В (рисунок7.1,б).
На рисунке 7.1,б приведен примертермической правки серповидности конкретной конструкции - связи тавровогосечения с проектными размерами для решетчатых пролетных строенийжелезнодорожных мостов. Размеры зон нагрева клиньев и полосы тоже конкретные.Мостовые заводы сборку и сварку таких связей производят с предварительнымвыгибом заготовок в специальной оснастке, что позволяет избежать термическойправки.
7.2 Продольный изгиб двутавровыхи Н-образных элементов правят нагревом выпуклой кромкой детали или элемента ввиде клиньев и полос (рисунок 7.1,в,г) с обязательным приложением статическойнагрузки, как правило пригруза. При нагреве полос или клиньев на широких поясахкоробчатых элементов рекомендуется использовать одновременно две горелки (поодной на стенку), порядок перемещения которых показан на рисунке 7.2.

I, II -одновременно работающие горелки в каждом сечении; 1 - полоса нагревагоризонтального листа; Р – пригрузы
Рисунок 7.2 - Термомеханическая правка коробчатого элемента двумя горелками
7.3 Если продольный изгиб имеетместо сразу в двух взаимно перпендикулярных плоскостях, то править следуетраздельно каждый выгиб сначала в одной плоскости, затем в другой. О результатеправки можно судить после полного остывания зон нагрева. При недостаточнойправке назначают дополнительные зоны нагрева с пригрузом.
7.4 Винтообразность (см. табл. 5.1, п. 5) в коробчатых,Н-образных и двутавровых элементах появляется вследствие недостаточнопродуманной технологии сборки конструкции, недостаточно жесткого фиксированияпроектного положения деталей при сборке в несовершенной оснастке. Последующаясварка практически фиксирует плохо собранную конструкцию.
Термическая правкавинтообразности жестких коробчатых элементов практически невозможна и экономическинецелесообразна. Неправильно собранный и сваренный коробчатый элемент подлежитотбраковке или роспуску по сварным угловым соединениям посредствомгазокислородной резки и сборке заново.
Менее жесткие элементыН-образного и двутаврового сечения, имеющие винтообразность, рекомендуетсяукладывать плашмя с опиранием кромками поясов на две горизонтальные опоры поконцам элемента, и если под собственным весом они выравниваются, то сборкатаких конструкций с последующим раскреплением поперечными и продольными связямина монтаже пролетного строения не вызовет особых затруднений.
7.5 Дополнительные рекомендациипо правке деформаций продольного изгиба приведены в работах [1,25].
8.1 К деформациям по плоскостилиста относятся: волнистость, перегибы и загибы кромок, не выправленные намашинах при механической правке или деформированные в процессе изготовления,транспортировки и монтажа металлоконструкций; выпучивания («хлопуны») в стенкахбалочных и коробчатых сечений сплошностенчатых конструкций, полученные взамкнутых контурах, ограниченных поясами и ребрами жесткости, а также выходящиена свободные кромки (см. табл. 5.2, пп. 6, 7); угловые деформации(домики) в сварных стыковых соединениях (см. табл. 5.2, п. 4).
Все перечисленные деформацииотносятся к сложным и трудновыправляемым.
8.2Волнистость, загибы, перегибы листов и угловые деформации (домики) стыковыхсварных соединений выправляют нагревом полос шириной не более 1,5 толщины листаS. При ширине полосынагрева более 1,5S после остывания металлаобразуется выпучивание непосредственно в зоне нагрева в противоположнуюсторону, что недопустимо.
Нагрев полос ведут с выпуклойстороны, начиная от основания выгиба и последовательно переносят полосы к еговершине.
Рекомендуется приложениемеханических усилий (термомеханическая правка) в процессе нагрева полос. Усилиев виде пригруза допускается оставлять на конструкции до полного остывания.Приложение активных усилий (например, от домкратов) после остывания металланиже 600 °С не допускается.
Число нагреваемых полосназначают поэтапно с замерами на каждом этапе остаточной величины деформациипосле полного остывания металла и снятия нагрузки.
8.3 Правкувыпучивания («хлопуна») следует начинать с замера стрелы D (см. табл. 5.2, п. 6, рисунок 5.5). Замерпроизводят с любой (выпуклой или вогнутой) стороны. При замере определяютграницы основания и вершину (центр) «хлопуна». Разметку выполняют мелом с выпуклойстороны.
Внутренние остаточные напряженияв «хлопуне», образованном в замкнутом контуре стенки между ребрами и поясами,как правило, не превышают пределы текучести, однако могут быть близкими к нему.В этом случае переход металла в пластическое состояние при нагреве выше 600 °Сможет привести к значительному увеличению деформации выпучивания. Для избежаниятакого явления нагрев намеченных зон необходимо проводить только послеустановки на выпуклую сторону специальных приспособлений, препятствующих ростудеформаций (рисунок 8.1). Величину механического усилия, прикладываемого к«хлопуну», и площадь распределения его подбирают опытным путем до началаправки.
При наличии в стенкедвояковыпуклых в разные стороны деформаций термомеханическую правку выполняют последовательно,начиная с меньшей величины выгиба.
Выпучивания («хлопуны») следуетправить нагревом с выпуклой стороны полос, параллельных друг другу инаправленных вдоль большого основания выпучины. При сферической (круглой) форменаправление полос нагрева принимают параллельно ребрам жесткости. Примерноерасположение полос нагрева и винтовых прижимов приведено на рисунке 8.1.

1 - рама; 2 - винтовой прижим; 3, 6- полосы нагрева первого этапаправки; 4, 5 - то же второго этапа; 7 - граница «хлопуна»
Рисунок 8.1 - Термомеханическая правка выпучивания(«хлопуна») в замкнутом контуре на двутавровой балке
Порядок правки:
- замер границ зонывыпучивания и деформации D;
- разметка полос нагрева иочистка их от заводской грунтовки;
- установка винтовых прижимов исоздание механических усилий вдоль полос нагрева;
- нагрев периферийных полос № 3и № 6 шириной 1,5S до расчетнойтемпературы правки с постепенным увеличением механической нагрузки;
- замер деформации D после полного остывания металла;
- наметка положения и длиныполос № 4 и № 5 в зависимости от результатов первого этапа правки.
Дальнейшая технология правкиповторяется до полной выправки выпучины («хлопуна»).
8.4 Волнистость кромки стенокбалочных и коробчатых сплошностенчатых элементов (см. табл. 5.2, п. 7) представляет собойдеформации половинчатого выпучивания, рассмотренного в п. 8.3(волнистость в разные стороны в практике называют «бахромой»). Здесь следуетразличать торцы балок свободные и стыкуемые с соседними монтажными элементами.Стыки могут быть фрикционными на высокопрочных болтах, цельносварными икомбинированными, когда пояса сваривают, а стенки объединяют на высокопрочныхболтах.
Торцы свободные (поконцам пролетных строений) выправляют с целью обеспечения допусков по табл. 5.2, п. 7.3 и приданияконструкции товарного вида.
Торцы стыкуемые должныбыть выправлены таким образом, чтобы обеспечивалась стыковка болтов с жесткимдопуском по высоте выправленных стенок ±2 мм (см. СТО-ГК«Трансстрой»-012-2007). Усадка металла в зонах нагрева в значительнойстепени может повлиять на высоту стенки в сторону ее уменьшения, а если второй,пристыковываемый блок не имеет деформаций и не подвергался правке, то стыковкастановиться практически невозможной.
Правку волнистости или «бахромы»кромки выполняют термомеханическим способом с минимальным числом полос нагрева(но не клиньев). Механические усилия создают с помощью жесткого элемента -прокатного уголка 125´125´12 мм и винтовых струбцин (рисунок 8.2).Уголок устанавливают с вогнутой стороны. Допускается частичное подтягиваниевыпуклости к уголку струбцинами (или болтами при наличии монтажных отверстий встенке) до начала нагрева полос.

1 струбцины или болты; 2 - уголок жесткости 125´125´12;3 - полосы нагрева металла
Рисунок 8.2 - Термомеханическая правка волнистости кромки на торце балки
Нагрев полосы начинают отоснования выпучины (вблизи вертикального ребра жесткости) и заканчивают накромке. Ширина полосы - не более 1,5S, где S - толщина листа стенки. В процессе правки производят точный замервысоты стенки по профилю листа, но не по прямой линии кратчайшего расстояниямежду поясами балки или коробки.
8.5 Плавные загибы в листовыхконструкциях, полученные вследствие силовых пластических деформаций и разногорода повреждений при погрузоразгрузочных, транспортных и монтажных операциях,выправляют термомеханическим способом. Линейкой длиной 1 м определяют началоискривления и намечают мелом границу перелома по всей длине загиба. Первуюполосу нагрева располагают рядом с границей перелома с выпуклой стороны. Сзазором 20-30 мм намечают вторую полосу нагрева и т.д. Число полос и расстояниямежду ними зависят от кривизны листа и результатов термомеханической правкипосле нагрева двух первых полос. Механическую нагрузку прикладывают на торцелиста (рисунок 8.3) и постоянно контролируют, во избежание перегиба в обратнуюсторону. Нагрев полос ведут от одного края листа к другому непрерывно.

1 - струбцины; 2 - стол (стенд); 3-7 полосы нагрева; Р - нагрузки(усилия домкратов)
Рисунок 8.3 - Термомеханическая правка плавного загиба листа
Контроль вправки ведутповерочной линейкой. При недостаточной эффективности намеченных полосдопускается нагрев между ними. Ширина каждой полосы не должна превышать 1,5S.
8.6 Загибы-переломы можновыправить таким же способом, как плавные загибы, но с ограниченным числом полоснагрева, как правило, не более трех. Ширина каждой из них 1,5S и располагаются они почти вплотную. Механические усилия прикладываютбольшей величины в сравнении с плавным загибом, а нагрев полос по выпуклойстороне производят одновременно двумя или тремя горелками. Металл не долженостывать ниже 600 °С по всей длине перелома. Характер правки - пластический(кузнечный) одновременно с усадочным.
8.7 Выправкуостаточных угловых деформации в сварных стыковых соединениях (домиков, см.табл. 5.2, п. 4)производят преимущественно термическим способ с нагревом основного металлавдоль сварного шва, не затрагивая его ядром пламени горелки. Зоны нагреванамечают с выпуклой стороны домика.
При недостаточной эффективностидвух полос допускается повторный нагрев их при ширине до 2S в околошовной зоне.
Одновременно с правкой домика встыковом сварном соединении происходит его термическая обработка, относящаяся квысокому отпуску. При нагреве околошовной зоны (ОШЗ) и зоны термическоговлияния (ЗТВ) до температуры 700 °С, выдержке при этой температуре ипоследующем медленном охлаждении снижается уровень остаточных напряжений,повышается эластичность и ударная вязкость сварного соединения.
9.1 Грибовидность в поясахсплошностенчатых элементов Н-образного и двутаврового сечения (см. табл. 5.2, пп. 2, 3) можно взначительной степени уменьшить или полностью избежать, если при проектированииконструкции назначать катеты поясных швов Кш не более 8 мм, атолщину поясов Sn -не менее 16 мм. При катетах швов 7-8 мм и толщине поясов 20 мм грибовидностьпосле сварки практически отсутствует. Экономически это во всех случаяхцелесообразно, поскольку процесс термической правки грибовидности требуетбольших материальных и трудовых затрат. При этом расход металла для поясоврегулируется изменением их ширины.
9.2Грибовидность может быть симметричной и несимметричной. Это определяют замерамивеличин D1 и D2.
При симметричной грибовидности итолщине стенки SCT до16 мм назначают одну центральную полосу нагрева шириной 2Sn, где Sn - толщина полки (рисунок 9.1,а). При этом толщина пояса -не более толщины стенки. При толщине стенки более 16 мм нагревают две полосы,располагая их над сварными угловыми швами (рисунок 9.1,б). Ширину каждой полосыпринимают равной 1,5Sn.
9.3 При несимметричнойгрибовидности и толщине стенки SCT до16 мм нагревают одну полосу, но со смещением в сторону большого значения D (рисунок 9.1,в). При толщине стенки более16 мм назначают две полосы нагрева, причем разной ширины; в сторону большегозначения D полоса шире (рисунок 9.1,г).

а - симметричная при толщине стенки S £16 мм; б - симметричная при S ³20 мм; в - несимметричная при S £ 16 мм; г - несимметричнаяпри S ³20 мм; 1 - полосы нагрева
Рисунок 9.1 - Правка грибовидности поясов балок
9.4 Указанная в п. 9.2ширина полос может корректироваться опытным путем для каждого конкретногослучая.
Нагрев металла при термическойправке грибовидности рекомендуется выполнять полуавтоматами типа «Микрон»,«Радуга» (см. раздел 6настоящего Стандарта). Рекомендуется также использовать автомат АТПГ-ЦНИИС,запроектированный специально для правки грибовидности [14,16,19,29,36].
9.5 Поскольку допуски нагрибовидность дифференцированы (более жесткие в стыках, в сопряжениях с другимиэлементами и на участках установки опорных частей) D £ b/200, но не более 1 мм, а на остальных участках двутавровых иН-образных элементов D £ b/100, то практически приходится править грибовидность только научастках с более жесткими допусками.
9.6 Грибовидность на свободныхсвесах ортотропных и ребристых плит выправляют по вышеприведенной технологии.
9.7 Перекосы полок относительностенок (см. табл. 5.2,п. 1) в двутавровых, тавровых и Н-образных элементах являются результатомнарушения технологии сборки и сварки. Второй причиной перекоса может быть изгибстенки по ее ширине или высоте.
В первом случае перекосвыправляют нагревом полосы на стенке рядом с поясным сварным швов со сторонытупого угла. Ширину полосы нагрева принимают оптимально 1,5SCT (рисунок 9.2). Во втором случае полосу нагреванамечают на выпуклой стороне стенки также шириной 1,5SCT.
Для повышения производительностиправки в заводских условиях рекомендуется применение автомата АТПГ-ЦНИИС [15,21,35].

а - при прямой стенке; б - при искривленной стенке; 1 - полосанагрева
Рисунок 9.2 - Правка перекоса полок
9.8 Ромбовидность в коробчатыхсечениях исправляют термомеханическим способом. Для этого внутри коробки поменьшей диагонали устанавливают винтовые или гидравлические домкраты и создаютв них усилия (рисунок 9.3). Полосы нагрева намечают снаружи и, по возможности,изнутри по схеме рисунка 9.3. В процессе нагрева полос регулируют усилия надомкратах до полного исправления ромбовидности.
9.9 Для предотвращения появлениядеформаций грибовидности рекомендуется использовать технологию изготовлениябалок с измененным порядком технологических операций. Подробно технологияописана в работах [13,19].

1 - полосы нагрева; 2 - винтовая распорка (домкрат)
Рисунок 9.3 - Правка ромбовидности коробчатого сечения
ДЕФОРМАЦИИ В ЦЕЛЬНОСВАРНЫХ МОНТАЖНЫХ СТЫКАХ ГЛАВНЫХ БАЛОК
10.1 При выполнениицельносварного стыка на монтаже могут иметь место следующие деформации:
- остаточные угловые деформации(домики) в поясах;
- выпучивания верхней частистенки от сварки вертикальной вставки и заварки роспусков в поясных угловыхшвах;
- грибовидность и волнистость покромкам поясов от сварки поясных угловых швов (в том числе роспусков) притолщине поясов меньше 20 мм.
Указанные деформации приведенына рисунке 10.1.

а - остаточные угловые деформации (домики) в поясах; б -выпучивание стенки; г - грибовидность поясов и волнистость кромок; 1 - сварныевертикальные стыки стенки; 2 - вставка продольных ребер
Рисунок 10.1 - Деформации в цельносварном стыке балок
10.2 Правку деформаций в цельносварномстыке рекомендуется выполнять поэтапно в соответствии с технологией сварки.
В первую очередь исправляютсядомики в стыковом соединении нижнего пояса, если эти деформациипревышают допуски, указанные в табл. 5.2, п. 4 настоящего Стандарта.Технология выправки домиков приведена в п. 8.7.Допускается как чисто термическая, так и термомеханическая правка. Нагрев полосвыполняют снизу по основному металлу вдоль шва (не затрагивая его) на всюширину пояса.
Домики в стыковых соединениях верхнегопояса выправляют в последнюю очередь, т.е. после правки выпучины,грибовидности и волнистости.
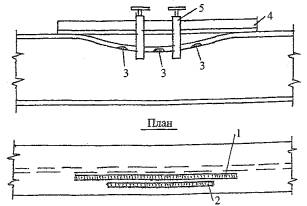
10.3 Во вторую очередь выполняютправку выпучивания верхней части стенки, поскольку оно препятствует оформлениюстыков продольных ребер со вставками. Для термомеханической правки «хлопуна» свыпуклой стороны его требуется установка рамы-упора с винтовыми прижимамианалогично приведенным на рисунке 8.1.Винтовые прижимы располагают по вертикали стенки. Параллельно им намечаютполосы нагрева также с выпуклой стороны. Всю последующую технологию правкипринимают по указаниям п. 8.3настоящего Стандарта.
10.4 Деформации грибовидностипоясов выправляют термомеханическим способом, создавая усилия с помощью мощныхвинтовых распорок, гидроцилиндров (рисунок 10.2,а) или гидравлическихдомкратов, упирающихся в скобы, закрепленные на поясах (рисунок 10.2,б). Усилиясоздают симметрично с обеих сторон стенки до начала нагрева полос на поясах.
Первым нагревают пояс, имеющийбольшую жесткость (большую площадь сечения), как правило, нижний. Расположениепродольных полос нагрева показано на рисунке 10.2,а. Ширину полос принимают неболее 1,5S.Рекомендуется нагрев одновременно обеих полос двумя горелками на проход сначала до конца деформированного участка. Допускается термомеханическая правкагрибовидности поочередно с одной, а затем с другой стороны.

а - винтовыми распорками; б - скобой и домкратом; 1 - сварныевертикальные стыки стенки; 2 - полосы нагрева
Рисунок 10.2 - Термомеханическая правка грибовидности и «домика»
На поясе с меньшим сечениемгрибовидность выправляют тем же способом, но после более мощного пояса.
10.5 Волнистость («бахрому») покромкам поясов можно выправлять параллельно или следом за правкой грибовидностипосредством нагрева поперечных полос со стороны выпуклости, как показано нарисунке 10.2,б. Длину полос принимают равной 0,25В, где В -ширина пояса. Нагрев ведут в направлении от стенки к кромке пояса. В процессенагрева регулируют усилие на домкрате. Выгиб домкратом при нагретых полосахдоводят до полного выправления грибовидности и волнистости кромок с запасом 24мм на последующую обратную упругую деформацию после снятия усилия от домкрата.Усилие снимают после полного остывания металла.
ПРАВКА ДЕФОРМАЦИЙ И ПОВРЕЖДЕНИЙ, ПОЛУЧЕННЫХ В ПРОЦЕССЕ ПЕРЕВОЗКИ,МОНТАЖА И ЭКСПЛУАТАЦИИ КОНСТРУКЦИЙ
10.6 Деформации и повреждениятакого рода непредсказуемы, поэтому какая-либо классификация их бессмысленна.Но общие принципы, методы и технологии термической и термомеханической правки,приведенные в предыдущих разделах настоящего Стандарта, применимы для любыхдеформаций и повреждений, если комиссионно установлено, что конструкция в целомили отдельная ее часть не потеряла несущую способность. Технологию устраненияповреждения (выправка, усиление, замена отдельных элементов) определяетспециалист сварочного производства, имеющий практический опыт таких работ.Разработанная специалистом технология должна быть согласована сорганизацией-разработчиком чертежей КМ или с эксплуатирующей организацией (длястарых конструкций).
10.7 На рисунке 10.3 приведеныхарактерные для решетчатых ферм автодорожных мостов повреждения раскосовдвижущимся негабаритным автотранспортом.

а - местные деформации пояса в раскосе Н-образного сечения типагрибовидности и «бахромы» по кромке с разрывом металла; б - общая деформациятакого же раскоса типа саблевидности
Рисунок 10.3 - Повреждения раскосов решетчатых ферм
10.8 Ремонтраскоса, получившего местные повреждения с разрывом металла по кромке,рекомендуется выполнять в определенной последовательности:
- закрыть движение транспорта помосту полностью или ограничить его по одной, противоположной от раскоса,полосе. Оградить зону производства работ по технике безопасности;
- снять внутренние силовыенапряжения в раскосе (см. п. 4.6).Способ снятия напряжения должен быть разработан в проекте производства работ сучастием проектной организации, разработавшей чертежи КМ;
- зоны правки I и II (рисунок 10.4) отчистить пескоструйнымспособом от старой краски и прочих загрязнений;
- в зоне II зачистить место разрыва металла, выполнить V-образную разделку кромок шлифмашинкой сармированным наждачным кругом, подогреть зону сварки до 120 °С и заваритьразрыв вручную, встык, со сплошным проплавлением и УЗД-контролем. Электроды - типаЭ50А, марки УОНИ 13/545, диаметром 4 мм. Ток постоянный обратной полярности(плюс на электроде);

а - пластическая деформация по кромке; б - разрыв металла отмеханического удара
Рисунок 10.4 - Схема деформаций раскоса по рис. 10.3
- в зоне I выправить грибовидность термомеханическим способом с приложением усилийгидравлическим домкратом и с нагревом продольных полос с наружной стороны поясавдоль оси стенки. Ширина полос 20 мм, количество 2-3 (рисунок 10.5);

1, 2- продольные полосы нагрева для правки грибовидности; 3 -поперечные полосы для правки волнистости по кромке; 4 - уголок; 5 - струбцинывинтовые
Рисунок 10.5 - Термомеханическая правка деформации типа одностороннейгрибовидности и волнистости по кромке
- выправить волнистость покромке листа и перелом в зоне сварки разрыва термомеханическим способом в зонахI и II с приложением усилийизнутри домкратом или струбцинами с уголком (см. рисунок 10.5), а снаружи - спомощью жесткого уголка и винтовых скоб (рисунок 10.6);

1, 2- полосы нагрева; 3 - уголок; 4 – струбцины
Рисунок 10.6 - Термомеханическая правка деформации перелома грибовидности иволнистости по кромке (тип б по рис. 10.4)
- в зоне II деформацию перелома в наружную сторону полосы нагрева пояса намечатьизнутри сечения раскоса; число полос нагрева определяют опытным путем;
- на участке С, где наибольшаявеличина деформации (см. рисунок 10.6) допускается нагрев полос увеличенной до30 мм ширины и повышенной до 850-900 °С температуры.
Приложение динамических нагрузокпосредством ударов кувалдами в данном случае не допускается.
10.9 Общую деформацию раскосатипа саблевидности (см. рисунок 10.3,б) выправляют поуказаниям раздела 7настоящего Стандарта с соблюдением мер безопасности по п. 10.8.
А.1 УГЛОВЫЕ ПЕРЕМЕЩЕНИЯ
Таблица А.1 - Угловые перемещения b (деформациигрибовидности) тавровых элементов
| Толщина поясного листа, мм | Угловые перемещения b, рад, при катетах угловых швов | ||
| К = 6 мм | К = 8 мм | К = 10 мм | |
| 8 | 0,065 | - | - |
| 10 | 0,05 | 0,07 | - |
| 12 | 0,04 | 0,057 | 0,07 |
| 16 | 0,028 | 0,04 | 0,05 |
| 20 | 0,02 | 0,03 | 0,04 |
| 25 | 0,014 | 0,022 | 0,03 |
| 32 | 0,01 | 0,015 | 0,02 |
| 40 | 0,005 | 0,01 | 0,015 |

Рисунок А.1 - Угловые деформации b при сварке стыковыхсоединений
В зависимости от погоннойэнергии дуги и толщины стыкуемого листа b = 13,6×10-6gn/S, где gn =0,24JUh/vсв.
Для сварки листа толщиной 1,6 смс V-образной разделкой J = 600 A; U = 36 В; vсв = 29 м/ч =0,8 см/с; h = 0,8 (коэффициентиспользования тепла дуги); gn =5184 кал/см; b = 13,6×10-6×5184/1,62 = 0,0275; SD = bВ/4 = 0,0275×400/4 = 2,75 мм.
По таблице 5.2 допускаемое значение D £ 0,1S = 1,6 мм. Рекомендуется предварительный перегиб листов на 3 мм на базе В= 400 мм перед сваркой стыка. В противном случае потребуется термическая правканедопустимой угловой деформации (домика).
А.2 ПРИБЛИЖЕННЫЙ МЕТОД РАСЧЕТА УКОРОЧЕНИЯ ЭЛЕМЕНТОВ МЕТАЛЛОКОНСТРУКЦИЙПРИ СВАРКЕ
Излагаемый ниже упрощенныйспособ расчета укорочений элементов пролетных строений при их сварке может бытьприменен при изготовлении любых аналогичных конструкций, элементы которых имеютдвутавровое, тавровое, Н-образное или коробчатое сечение из сталей марок 16Д,15ХСНД, 10ХСНД ГОСТ6713-91, Ст3сп,пс ГОСТ 380-94, ГОСТ14637-89, сваренных проволокой Св-08А и Св-08ГА ГОСТ 2246-70*, автоматамипод флюсом марок АН-348А, АН-348АМ, ОСЦ-45, ОСЦ-45М ГОСТ 9087-81.
Этот способ расчета предложенНИИмостов (авторы В.Ю. Шишкин и П.А. Храмов) по результатам исследованийсварочных деформаций на элементах пролетных строений, изготавливаемыхспециализированными заводами мостовых металлоконструкций и сопоставлениемопытно-экспериментальных данных с полученными расчетным путем по существующимметодикам.
Краткие сведения о расчетном методе нахождения укорочений элементовот сварки [1,2,3]
В общем случае продольноеукорочение элемента от поясного (соединительного) шва выражается формулой
где DL - абсолютное продольноеукорочение, см;
L - длина поясного шва, см;
F - площадь поперечного сечения свариваемого элемента, см2;
qn - погонная энергия нагрева свариваемых деталей, определяемаяиз выражения
, кал/см.
Здесь b- коэффициент полноты углового шва, учитывающий выпуклость или вогнутостьнаружной поверхности шва;
aH - коэффициентнаплавки;
U - напряжение на дуге, В;
K - катетшва, см.
Укорочение от второго поясногошва в том случае, если активная зона его не накладывается на активную зонупервого шва, определяется по той же формуле (А),в которую вводится коэффициент К2,1 учитывающий влияниенапряженного состояния от первого шва на укорочение от второго:
(1)
где zlx, z1y -расстояние от 1-го шва до осей х и у с их знаками, см;
z2x, z2y -расстояние от 2-го шва до осей х и у с их знаками, см;
Ix- момент инерции сечения относительно х, см4;
Iy- момент инерции сечения относительно у, см4.
Если зона второго шванакладывается на зону первого (рисунок А.2.1), в формулу (А) вводится еще коэффициент z, расчет которого для тавровыхсоединений производится по следующим формулам:

Рисунок А.2.1 - Распределение зон с пластическими деформациями постенке и полке от двух соседних поясных швов в тавровом соединении
1. При толщинах полки dn < R2,
где R2- расстояние от центра тяжести сечения второго шва до границы зоны спластическими деформациями от этого шва.
(3)
где i - коэффициент, учитывающий долю тепла дуги, приходящуюся наполку, и определяемый по формуле
Здесь dn- толщина полки; dСТ -толщина стенки;
d - расстояние между центрами тяжести сечений первого ивторого швов;
FS1- площадь зоны с пластическими деформациями растяжения от первого шваопределяется из выражения:
(5)
FS2- площадь зоны с пластическими деформациями растяжения от второго шва,находится по формуле
2. При толщинах полки dn > R2,
(7)
Величины F1 и F2 могут бытьопределены в следующем порядке. По отношениям
и
с помощью графика нарисунке А.2.2,а находятся значения
и
. Затем по графику на рисунке А.2.2,б определяются значения
и
. Далее, при помощи формулы (2) находятся отношения
и
.

Рисунок А.2.2 - Графики для определения коэффициента z
Определение величины укороченияот каждого следующего поясного шва производится аналогичным способом.
Укорочение от одностороннегоуглового шва, прикрепляющего к элементу какую-нибудь деталь (рисунок А.2.3),находится по формуле
(В)
где qпл- доля погонной энергии шва, участвующая в образовании деформаций элемента,находится из выражения
Здесь dл- толщина листа;
dд- толщина прикрепляемой детали;
В - длина одиночного шва.

1 - прикрепляемая деталь; 2 – элемент
Рисунок А.2.3 - Приварка к элементу детали односторонним швом
В случае приварки к элементудетали втавр двумя сближенными швами (рисунок А.2.4), накладываемымипоследовательно, укорочение подсчитывается также по формуле (8), но от условного одностороннего шва, эквивалентного посвоему воздействию на элемент данной пары швов. Погонная энергия условного шванаходится из выражения
qп.расч. = (1 + x)qпл. (9)

1 - прикрепляемая деталь; 2 – элемент
Рисунок А.2.4 - Прикрепление детали втавр двусторонними сближенными швами
Способ определения коэффициента x зависит от толщины свариваемых листов.
Если
то коэффициентx может бытьопределен по формуле
(10)
Если же
то
где K -катет шва;
i - коэффициент, учитывающий распределение тепла дуги междулистом элемента и привариваемой деталью;
FS2- площадь зоны с пластическими деформациями от второго шва.
Величины i и FS2находятся по формулам, аналогичным (4) - (6).
Допущенные упрощения
Опытные данные [2,3]свидетельствуют, во-первых, о хорошей сходимости расчетных величин линейныхдеформаций с действительными (усредненными) и, во-вторых, о возможностиупрощения расчетов для элементов относительно мощного сечения (F ³ 100 см2), изготавливаемых издеталей достаточно больших толщин (dn ³ 10 мм) при помощи автоматической иполуавтоматической сварки. При соблюдении перечисленных условий оказываютсясправедливыми следующие выводы:
1. Влияние напряженногосостояния от ранее наложенных швов на деформации от последующих незначительно иего можно не учитывать.
2. Формулы для расчетаукорочений от продольных швов (8) - (11) в достаточной степени пригодны дляопределения укорочения от швов, произвольно ориентированных относительнопродольной оси элемента. Это положение справедливо, если при изготовлении конструкцийприменяются относительно короткие поперечные швы, которые не пересекают в одномсечении все листы, образующие сварной элемент [4].
3. При расчетах линейныхдеформаций от сближенных одинаковых поясных швов, накладываемыхпоследовательно, укорочение от каждой пары таких швов может быть выражено черезукорочение от одного шва:
(12)
где
_укорочение от двух швов;
D1L -укорочение от первого шва.
4. При одновременной сваркедвусторонних швов двухдуговым автоматом продольные деформации элемента такжемогут быть выражены через деформации от единичного шва:
(13)
5. При расчетах укорочения отприварки к элементу деталей односторонними угловыми швами доля погоннойэнергии, участвующей в деформировании элемента, может быть принята постоянной,поскольку ее величина колеблется в пределах
(0,85-0,90)qn. (14)
6. В случае приварки к элементувтавр детали двусторонними швами они могут быть заменены в расчете условнымваликом, погонная энергия которого принимается равной:
а) при последовательномналожении сближенных швов
qп.расч = 1,3qn; (15)
б) при одновременной сваркесближенных швов двухдуговым автоматом
qп.расч = 1,8qn. (16)
7. Усадка элемента от четырехсближенных швов, прикрепляющих детали втавр с двух сторон (рисунок А.2.5),может быть выражена через укорочение от пары двусторонних швов:
(17)
где
_ усадкаот четырех сближенных швов.

1, 3 - деталь; 2 - лист элемента
Рисунок А.2.5 - Прикрепление к элементу втавр с двух сторон деталей четырьмясближенными швами
8. Изменением длины элемента,связанным с его изгибом от сварки, можно пренебречь ввиду незначительностивеличины изгиба сравнительно мощных элементов.
Перечисленные допущенияпозволяют свести расчет линейных деформаций к вычислениям по простой формуле
(С)
где DL - укорочение элемента,мм;
K - катетрасчетного шва, см (под расчетным подразумевается условный шов с сечением ввиде равнобедренного прямоугольного треугольника, площадь которого равнаплощади сечения наплавленного металла действительного шва);
F - площадь поперечного сечения элемента, см2;
L - длина шва или совокупности швов, м;
а - коэффициент, мм/м, который в зависимости от формысечения элемента, количества швов, их назначения и последовательности сваркиможет иметь следующие значения:
1) а = 64 - при подсчете деформаций двутавровогоили Н-образного элемента от четырех поясных швов; в этом случае за L принимаетсядлина той части элемента, на которой имеются поясные швы (в пределе - общаядлина элемента);
2) а = 128 - для расчета укорочений коробчатогоэлемента от поясных швов, количество которых на коробчатом элементе вдвоебольше, чем на двутавровом или Н-образном. В этом случае L -то же, что и в п. 1;
3) а = 45 - для расчета продольных деформацийтаврового элемента от поясных швов в случае сварки их двухдуговым автоматом; L -то же, что и в п. 1;
4) а = 32 - для расчета укорочений тавровогоэлемента от поясных швов, когда последние накладываются поочередно; L -то же, что и в п. 1;
5) а = 21 - для подсчета укорочения элемента присварке односторонними поясными швами. Этот же случай включает и сварку листовыхпакетов, при этом за F принимается площадьпоперечного сечения пакета, за L - сумма длин всех односторонних швов;
6) а = 18 - в случае приварки к элементу (или клистам, еще не собранным в элемент) деталей угловыми односторонними швами.
За F принимается либо площадь сечения элемента, если деталь приваривается ксобранному элементу, либо площадь сечения листа; L - то же, что и в п. 5;
7) а = 28 - при расчете деформаций элемента отприварки втавр деталей двусторонними швами в случае последовательного ихналожения. В этом случае L принимается равной сумме длин прикреплений(например, сумме длин ребер жесткости при их расположении с одной стороныстенки);
8) а = 39 - при расчете укорочения от приваркивтавр деталей при помощи двухдугового автомата (одновременное наложениесближенных швов); L - то же, что и в п. 7;
9) а = 55 - в случае приварки втавр с двух сторонэлемента деталей четырьмя сближенными швами при последовательном наложении всехшвов.
В этом случае L принимаетсяравной сумме длин участков прикрепления (например, для продольных ребер,расположенных с двух сторон стенки на всей длине балки, L равняетсядлине балки);
10) а = 78 - при расчете укорочения от приваркивтавр с двух сторон элемента деталей двухдуговым автоматом; L -то же, что и в п. 9.
На основе формулы (С) с учетомвозможных значений коэффициента а составлены таблицы А.2.1 - А.2.11и построены графики (рисунки А.2.6- А.2.9)для нахождения относительных укорочений во всех типичных случаях наложения наэлемент (или заготовку) сварных швов.
Таблица А.2.1 - Укорочение двутавровых иН-образных элементов от наложения всех поясных швов, мм/м
| Площадь поперечного сечения элемента, см2 | Катет шва, мм | Площадь поперечного сечения элемента, см2 | Катет шва, мм | ||||||||||||
| 6 | 7 | 8 | 9 | 10 | 11 | 12 | 6 | 7 | 8 | 9 | 10 | 11 | 12 | ||
| 1 | 2 | 3 | 4 | 5 | 6 | 7 | 8 | 9 | 10 | 11 | 12 | 13 | 14 | 15 | 16 |
| 100 | 0,23 | 0,31 | 0,41 | 0,52 | 0,64 | 0,77 | 0,92 | 560 | 0,04 | 0,06 | 0,07 | 0,09 | 0,11 | 0,14 | 0,16 |
| 120 | 0,19 | 0,26 | 0,34 | 0,43 | 0,53 | 0,64 | 0,76 | 580 | 0,04 | 0,05 | 0,07 | 0,09 | 0,11 | 0,13 | 0,16 |
| 140 | 0,16 | 0,22 | 0,29 | 0,37 | 0,45 | 0,55 | 0,65 | 600 | 0,04 | 0,05 | 0,07 | 0,09 | 0,11 | 0,13 | 0,15 |
| 160 | 0,14 | 0,19 | 0,25 | 0,32 | 0,40 | 0,48 | 0,57 | 620 | 0,04 | 0,05 | 0,07 | 0,08 | 0,10 | 0,12 | 0,15 |
| 180 | 0,13 | 0,17 | 0,23 | 0,29 | 0,35 | 0,43 | 0,51 | 640 | 0,04 | 0,05 | 0,06 | 0,08 | 0,10 | 0,12 | 0,14 |
| 200 | 0,11 | 0,16 | 0,20 | 0,26 | 0,32 | 0,38 | 0,46 | 660 | 0,03 | 0,05 | 0,06 | 0,08 | 0,10 | 0,12 | 0,14 |
| 220 | 0,10 | 0,14 | 0,18 | 0,23 | 0,29 | 0,35 | 0,42 | 680 | 0,03 | 0,05 | 0,06 | 0,08 | 0,09 | 0,11 | 0,13 |
| 240 | 0,09 | 0,13 | 0,17 | 0,21 | 0,26 | 0,32 | 0,38 | 700 | 0,03 | 0,04 | 0,06 | 0,07 | 0,09 | 0,11 | 0,13 |
| 260 | 0,09 | 0,12 | 0,16 | 0,20 | 0,24 | 0,30 | 0,35 | 720 | 0,03 | 0,04 | 0,06 | 0,07 | 0,09 | 0,11 | 0,13 |
| 280 | 0,08 | 0,11 | 0,14 | 0,18 | 0,23 | 0,27 | 0,33 | 740 | 0,03 | 0,04 | 0,05 | 0,07 | 0,09 | 0,10 | 0,12 |
| 300 | 0,08 | 0,10 | 0,14 | 0,17 | 0,21 | 0,26 | 0,31 | 760 | 0,03 | 0,04 | 0,05 | 0,07 | 0,08 | 0,10 | 0,12 |
| 320 | 0,07 | 0,10 | 0,13 | 0,16 | 0,20 | 0,24 | 0,29 | 780 | 0,03 | 0,04 | 0,05 | 0,07 | 0,08 | 0,10 | 0,12 |
| 340 | 0,07 | 0,09 | 0,12 | 0,15 | 0,19 | 0,23 | 0,27 | 800 | 0,03 | 0,04 | 0,05 | 0,06 | 0,08 | 0,10 | 0,11 |
| 360 | 0,06 | 0,09 | 0,11 | 0,14 | 0,18 | 0,21 | 0,25 | 820 | 0,03 | 0,04 | 0,05 | 0,06 | 0,08 | 0,09 | 0,11 |
| 380 | 0,06 | 0,08 | 0,11 | 0,14 | 0,17 | 0,20 | 0,24 | 840 | 0,03 | 0,04 | 0,05 | 0,06 | 0,08 | 0,09 | 0,11 |
| 400 | 0,06 | 0,08 | 0,10 | 0,13 | 0,16 | 0,19 | 0,23 | 860 | 0,03 | 0,04 | 0,05 | 0,06 | 0,07 | 0,09 | 0,11 |
| 420 | 0,05 | 0,07 | 0,10 | 0,12 | 0,15 | 0,18 | 0,22 | 880 | 0,03 | 0,04 | 0,05 | 0,06 | 0,07 | 0,09 | 0,10 |
| 440 | 0,05 | 0,07 | 0,09 | 0,12 | 0,14 | 0,17 | 0,21 | 900 | 0,03 | 0,03 | 0,05 | 0,06 | 0,07 | 0,09 | 0,10 |
| 460 | 0,05 | 0,07 | 0,09 | 0,11 | 0,14 | 0,17 | 0,20 | 920 | 0,03 | 0,03 | 0,04 | 0,06 | 0,07 | 0,08 | 0,10 |
| 480 | 0,05 | 0,06 | 0,08 | 0,11 | 0,13 | 0,16 | 0,19 | 940 | 0,02 | 0,03 | 0,04 | 0,05 | 0,07 | 0,08 | 0,10 |
| 500 | 0,05 | 0,06 | 0,08 | 0,10 | 0,13 | 0,15 | 0,18 | 960 | 0,02 | 0,03 | 0,04 | 0,05 | 0,07 | 0,08 | 0,10 |
| 520 | 0,04 | 0,06 | 0,08 | 0,10 | 0,12 | 0,15 | 0,18 | 980 | 0,02 | 0,03 | 0,04 | 0,05 | 0,06 | 0,08 | 0,09 |
| 540 | 0,04 | 0,06 | 0,08 | 0,10 | 0,12 | 0,14 | 0,17 | 1000 | 0,02 | 0,03 | 0,04 | 0,05 | 0,06 | 0,08 | 0,09 |
Таблица А.2.2 - Укорочение коробчатых элементов от наложения всехпоясных швов, мм/м
| Площадь поперечного сечения элемента, см2 | Катет шва, мм | Площадь поперечного сечения элемента, см2 | Катет шва, мм | ||||||||
| 6 | 7 | 8 | 9 | 10 | 6 | 7 | 8 | 9 | 10 | ||
| 100 | 0,46 | 0,63 | 0,82 | 1,04 | 1,28 | 560 | 0,08 | 0,11 | 0,15 | 0,18 | 0,23 |
| 120 | 0,38 | 0,52 | 0,68 | 0,86 | 1,07 | 580 | 0,08 | 0,11 | 0,14 | 0,18 | 0,22 |
| 140 | 0,33 | 0,45 | 0,58 | 0,74 | 0,91 | 600 | 0,08 | 0,10 | 0,14 | 0,17 | 0,21 |
| 160 | 0,29 | 0,39 | 0,51 | 0,65 | 0,80 | 620 | 0,07 | 0,10 | 0,13 | 0,17 | 0,21 |
| 180 | 0,26 | 0,35 | 0,46 | 0,58 | 0,71 | 640 | 0,07 | 0,10 | 0,13 | 0,16 | 0,20 |
| 200 | 0,23 | 0,31 | 0,41 | 0,52 | 0,64 | 660 | 0,07 | 0,09 | 0,12 | 0,16 | 0,19 |
| 220 | 0,21 | 0,29 | 0,37 | 0,47 | 0,59 | 680 | 0,07 | 0,09 | 0,12 | 0,15 | 0,19 |
| 240 | 0,19 | 0,26 | 0,34 | 0,43 | 0,53 | 700 | 0,07 | 0,09 | 0,12 | 0,15 | 0,18 |
| 260 | 0,18 | 0,24 | 0,31 | 0,40 | 0,49 | 720 | 0,06 | 0,09 | 0,11 | 0,14 | 0,18 |
| 280 | 0,16 | 0,22 | 0,29 | 0,37 | 0,46 | 740 | 0,06 | 0,08 | 0,11 | 0,14 | 0,17 |
| 300 | 0,15 | 0,21 | 0,27 | 0,35 | 0,43 | 760 | 0,06 | 0,08 | 0,11 | 0,14 | 0,17 |
| 320 | 0,14 | 0,20 | 0,26 | 0,32 | 0,40 | 780 | 0,06 | 0,08 | 0,10 | 0,13 | 0,16 |
| 340 | 0,14 | 0,18 | 0,24 | 0,30 | 0,38 | 800 | 0,06 | 0,08 | 0,10 | 0,13 | 0,16 |
| 360 | 0,13 | 0,17 | 0,23 | 0,29 | 0,36 | 820 | 0,06 | 0,08 | 0,10 | 0,13 | 0,16 |
| 380 | 0,12 | 0,16 | 0,22 | 0,27 | 0,34 | 840 | 0,05 | 0,07 | 0,10 | 0,12 | 0,15 |
| 400 | 0,12 | 0,16 | 0,21 | 0,26 | 0,32 | 860 | 0,05 | 0,07 | 0,10 | 0,12 | 0,15 |
| 420 | 0,11 | 0,15 | 0,20 | 0,25 | 0,30 | 880 | 0,05 | 0,07 | 0,09 | 0,12 | 0,15 |
| 440 | 0,10 | 0,14 | 0,19 | 0,24 | 0,29 | 900 | 0,05 | 0,07 | 0,09 | 0,12 | 0,14 |
| 460 | 0,10 | 0,14 | 0,18 | 0,23 | 0,28 | 920 | 0,05 | 0,07 | 0,09 | 0,11 | 0,14 |
| 480 | 0,10 | 0,13 | 0,17 | 0,22 | 0,27 | 940 | 0,05 | 0,07 | 0,09 | 0,11 | 0,14 |
| 500 | 0,09 | 0,13 | 0,16 | 0,21 | 0,26 | 960 | 0,05 | 0,07 | 0,09 | 0,11 | 0,13 |
| 520 | 0,09 | 0,12 | 0,16 | 0,20 | 0,25 | 980 | 0,05 | 0,06 | 0,08 | 0,11 | 0,13 |
| 540 | 0,09 | 0,12 | 0,15 | 0,19 | 0,24 | 1000 | 0,05 | 0,06 | 0,08 | 0,10 | 0,13 |
Таблица А.2.3 - Укорочение тавровых элементов при последовательномналожении поясных швов, мм/м
| Площадь поперечного сечения элемента, см2 | Катет шва, мм | Площадь поперечного сечения элемента, см2 | Катет шва, мм | ||||||||
| 6 | 7 | 8 | 9 | 10 | 6 | 7 | 8 | 9 | 10 | ||
| 1 | 2 | 3 | 4 | 5 | 6 | 7 | 8 | 9 | 10 | 11 | 12 |
| 40 | 0,29 | 0,39 | 0,51 | 0,65 | 0,80 | 280 | 0,04 | 0,06 | 0,07 | 0,09 | 0,11 |
| 60 | 0,19 | 0,26 | 0,34 | 0,43 | 0,53 | 300 | 0,04 | 0,05 | 0,07 | 0,09 | 0,11 |
| 80 | 0,14 | 0,20 | 0,25 | 0,32 | 0,40 | 320 | 0,04 | 0,05 | 0,06 | 0,08 | 0,10 |
| 100 | 0,12 | 0,16 | 0,20 | 0,26 | 0,32 | 340 | 0,03 | 0,05 | 0,06 | 0,08 | 0,09 |
| 120 | 0,10 | 0,13 | 0,17 | 0,22 | 0,27 | 360 | 0,03 | 0,04 | 0,06 | 0,07 | 0,09 |
| 140 | 0,08 | 0,11 | 0,15 | 0,18 | 0,23 | 380 | 0,03 | 0,04 | 0,05 | 0,07 | 0,08 |
| 160 | 0,07 | 0,10 | 0,13 | 0,16 | 0,20 | 400 | 0,03 | 0,04 | 0,05 | 0,06 | 0,08 |
| 180 | 0,06 | 0,09 | 0,11 | 0,14 | 0,18 | 420 | 0,03 | 0,04 | 0,05 | 0,06 | 0,08 |
| 200 | 0,06 | 0,08 | 0,10 | 0,13 | 0,16 | 440 | 0,03 | 0,04 | 0,05 | 0,06 | 0,07 |
| 220 | 0,05 | 0,07 | 0,09 | 0,12 | 0,15 | 460 | 0,03 | 0,03 | 0,04 | 0,06 | 0,07 |
| 240 | 0,05 | 0,07 | 0,09 | 0,11 | 0,13 | 480 | 0,02 | 0,03 | 0,04 | 0,05 | 0,07 |
| 260 | 0,04 | 0,06 | 0,08 | 0,10 | 0,12 | 500 | 0,02 | 0,03 | 0,04 | 0,05 | 0,06 |
Таблица А.2.4 - Укорочение тавровыхэлементов при одновременном наложении поясных швов двухдуговым автоматом, мм/м
| Площадь поперечного сечения элемента, см2 | Катет шва, мм | Площадь поперечного сечения элемента, см2 | Катет шва, мм | ||||
| 6 | 7 | 8 | 6 | 7 | 8 | ||
| 40 | 0,40 | 0,55 | 0,72 | 280 | 0,06 | 0,08 | 0,10 |
| 60 | 0,27 | 0,37 | 0,48 | 300 | 0,05 | 0,07 | 0,10 |
| 80 | 0,20 | 0,28 | 0,36 | 320 | 0,05 | 0,07 | 0,09 |
| 100 | 0,16 | 0,22 | 0,29 | 340 | 0,05 | 0,06 | 0,08 |
| 120 | 0,14 | 0,18 | 0,24 | 360 | 0,04 | 0,06 | 0,08 |
| 140 | 0,12 | 0,16 | 0,20 | 380 | 0,04 | 0,06 | 0,08 |
| 160 | 0,10 | 0,14 | 0,18 | 400 | 0,04 | 0,06 | 0,07 |
| 180 | 0,09 | 0,12 | 0,16 | 420 | 0,04 | 0,05 | 0,07 |
| 200 | 0,08 | 0,11 | 0,14 | 440 | 0,04 | 0,05 | 0,07 |
| 220 | 0,07 | 0,10 | 0,13 | 460 | 0,04 | 0,05 | 0,06 |
| 240 | 0,07 | 0,09 | 0,12 | 480 | 0,03 | 0,05 | 0,06 |
| 260 | 0,06 | 0,08 | 0,11 | 500 | 0,03 | 0,04 | 0,06 |
Таблица А.2.5 - Укорочение элементов отприварки к ним деталей односторонними швами, мм/м шва
| Площадь поперечного сечения элемента, см2 | Катет шва, мм | Площадь поперечного сечения элемента, см2 | Катет шва, мм | ||||||||
| 6 | 7 | 8 | 9 | 10 | 6 | 7 | 8 | 9 | 10 | ||
| 1 | 2 | 3 | 4 | 5 | 6 | 7 | 8 | 9 | 10 | 11 | 12 |
| 100 | 0,07 | 0,09 | 0,12 | 0,15 | 0,18 | 560 | 0,01 | 0,02 | 0,02 | 0,03 | 0,03 |
| 120 | 0,06 | 0,08 | 0,10 | 0,12 | 0,15 | 580 | 0,01 | 0,02 | 0,02 | 0,03 | 0,03 |
| 140 | 0,05 | 0,06 | 0,08 | 0,11 | 0,13 | 600 | 0,01 | 0,02 | 0,02 | 0,02 | 0,03 |
| 160 | 0,04 | 0,06 | 0,07 | 0,09 | 0,11 | 620 | 0,01 | 0,01 | 0,02 | 0,02 | 0,03 |
| 180 | 0,04 | 0,05 | 0,07 | 0,08 | 0,10 | 640 | 0,01 | 0,01 | 0,02 | 0,02 | 0,03 |
| 200 | 0,03 | 0,05 | 0,06 | 0,07 | 0,09 | 660 | 0,01 | 0,01 | 0,02 | 0,02 | 0,03 |
| 220 | 0,03 | 0,04 | 0,05 | 0,07 | 0,08 | 680 | 0,01 | 0,01 | 0,02 | 0,02 | 0,03 |
| 240 | 0,03 | 0,04 | 0,05 | 0,06 | 0,08 | 700 | 0,01 | 0,01 | 0,02 | 0,02 | 0,03 |
| 260 | 0,03 | 0,03 | 0,05 | 0,06 | 0,07 | 720 | 0,01 | 0,01 | 0,02 | 0,02 | 0,03 |
| 280 | 0,02 | 0,03 | 0,04 | 0,05 | 0,07 | 740 | 0,01 | 0,01 | 0,02 | 0,02 | 0,02 |
| 300 | 0,02 | 0,03 | 0,04 | 0,05 | 0,06 | 760 | 0,01 | 0,01 | 0,02 | 0,02 | 0,02 |
| 320 | 0,02 | 0,03 | 0,04 | 0,05 | 0,06 | 780 | 0,01 | 0,01 | 0,02 | 0,02 | 0,02 |
| 340 | 0,02 | 0,03 | 0,03 | 0,04 | 0,05 | 800 | 0,01 | 0,01 | 0,02 | 0,02 | 0,02 |
| 360 | 0,02 | 0,03 | 0,03 | 0,04 | 0,05 | 820 | 0,01 | 0,01 | 0,02 | 0,02 | 0,02 |
| 380 | 0,02 | 0,02 | 0,03 | 0,04 | 0,05 | 840 | 0,01 | 0,01 | 0,01 | 0,02 | 0,02 |
| 400 | 0,02 | 0,02 | 0,03 | 0,04 | 0,05 | 860 | 0,01 | 0,01 | 0,01 | 0,02 | 0,02 |
| 420 | 0,02 | 0,02 | 0,03 | 0,04 | 0,04 | 880 | 0,01 | 0,01 | 0,01 | 0,02 | 0,02 |
| 440 | 0,02 | 0,02 | 0,03 | 0,03 | 0,04 | 900 | 0,01 | 0,01 | 0,01 | 0,02 | 0,02 |
| 460 | 0,01 | 0,02 | 0,03 | 0,03 | 0,04 | 920 | 0,01 | 0,01 | 0,01 | 0,02 | 0,02 |
| 480 | 0,01 | 0,02 | 0,02 | 0,03 | 0,04 | 940 | 0,01 | 0,01 | 0,01 | 0,02 | 0,02 |
| 500 | 0,01 | 0,02 | 0,02 | 0,03 | 0,04 | 960 | 0,01 | 0,01 | 0,01 | 0,02 | 0,02 |
| 520 | 0,01 | 0,02 | 0,02 | 0,03 | 0,03 | 980 | 0,01 | 0,01 | 0,01 | 0,02 | 0,02 |
| 540 | 0,01 | 0,02 | 0,02 | 0,03 | 0,03 | 1000 | 0,01 | 0,01 | 0,01 | 0,02 | 0,02 |
Таблица А.2.6 - Укорочение элементов отприварки втавр деталей двусторонними швами при их последовательном наложении,мм/м прикрепления
| Площадь поперечного сечения элемента, см2 | Катет шва, мм | Площадь поперечного сечения элемента, см2 | Катет шва, мм | ||||||||
| 6 | 7 | 8 | 9 | 10 | 6 | 7 | 8 | 9 | 10 | ||
| 100 | 0,10 | 0,13 | 0,18 | 0,22 | 0,28 | 560 | 0,02 | 0,02 | 0,03 | 0,04 | 0,05 |
| 120 | 0,08 | 0,11 | 0,15 | 0,19 | 0,23 | 580 | 0,02 | 0,02 | 0,03 | 0,04 | 0,05 |
| 140 | 0,07 | 0,10 | 0,13 | 0,16 | 0,20 | 600 | 0,02 | 0,02 | 0,03 | 0,04 | 0,05 |
| 160 | 0,06 | 0,08 | 0,11 | 0,14 | 0,17 | 620 | 0,02 | 0,02 | 0,03 | 0,04 | 0,04 |
| 180 | 0,06 | 0,07 | 0,10 | 0,12 | 0,15 | 640 | 0,02 | 0,02 | 0,03 | 0,03 | 0,04 |
| 200 | 0,05 | 0,07 | 0,09 | 0,11 | 0,14 | 660 | 0,02 | 0,02 | 0,03 | 0,03 | 0,04 |
| 220 | 0,04 | 0,06 | 0,08 | 0,10 | 0,12 | 680 | 0,01 | 0,02 | 0,03 | 0,03 | 0,04 |
| 240 | 0,04 | 0,06 | 0,07 | 0,09 | 0,11 | 700 | 0,01 | 0,02 | 0,03 | 0,03 | 0,04 |
| 260 | 0,04 | 0,05 | 0,07 | 0,09 | 0,11 | 720 | 0,01 | 0,02 | 0,02 | 0,03 | 0,04 |
| 280 | 0,04 | 0,05 | 0,06 | 0,08 | 0,10 | 740 | 0,01 | 0,02 | 0,02 | 0,03 | 0,04 |
| 300 | 0,03 | 0,04 | 0,06 | 0,07 | 0,09 | 760 | 0,01 | 0,02 | 0,02 | 0,03 | 0,04 |
| 320 | 0,03 | 0,04 | 0,06 | 0,07 | 0,09 | 780 | 0,01 | 0,02 | 0,02 | 0,03 | 0,04 |
| 340 | 0,03 | 0,04 | 0,05 | 0,07 | 0,08 | 800 | 0,01 | 0,02 | 0,02 | 0,03 | 0,03 |
| 360 | 0,03 | 0,04 | 0,05 | 0,06 | 0,08 | 820 | 0,01 | 0,02 | 0,02 | 0,03 | 0,03 |
| 380 | 0,03 | 0,04 | 0,05 | 0,06 | 0,07 | 840 | 0,01 | 0,02 | 0,02 | 0,03 | 0,03 |
| 400 | 0,02 | 0,03 | 0,04 | 0,06 | 0,07 | 860 | 0,01 | 0,02 | 0,02 | 0,03 | 0,03 |
| 420 | 0,02 | 0,03 | 0,04 | 0,05 | 0,07 | 880 | 0,01 | 0,02 | 0,02 | 0,03 | 0,03 |
| 440 | 0,02 | 0,03 | 0,04 | 0,05 | 0,06 | 900 | 0,01 | 0,01 | 0,02 | 0,02 | 0,03 |
| 460 | 0,02 | 0,03 | 0,04 | 0,05 | 0,06 | 920 | 0,01 | 0,01 | 0,02 | 0,02 | 0,03 |
| 480 | 0,02 | 0,03 | 0,04 | 0,05 | 0,06 | 940 | 0,01 | 0,01 | 0,02 | 0,02 | 0,03 |
| 500 | 0,02 | 0,03 | 0,04 | 0,04 | 0,06 | 960 | 0,01 | 0,01 | 0,02 | 0,02 | 0,03 |
| 520 | 0,02 | 0,03 | 0,03 | 0,04 | 0,05 | 980 | 0,01 | 0,01 | 0,02 | 0,02 | 0,03 |
| 540 | 0,02 | 0,02 | 0,03 | 0,04 | 0,05 | 1000 | 0,01 | 0,01 | 0,02 | 0,02 | 0,03 |
Таблица А.2.7 - Укорочение элементов от приварки втавр деталейдвусторонними швами при наложении последних двухдуговым автоматом, мм/мприкрепления
| Площадь поперечного сечения элемента, см2 | Катет шва, мм | Площадь поперечного сечения элемента, см2 | Катет шва, мм | Площадь поперечного сечения элемента, см2 | Катет шва, мм | ||||||
| 6 | 7 | 8 | 6 | 7 | 8 | 6 | 7 | 8 | |||
| 1 | 2 | 3 | 4 | 5 | 6 | 7 | 8 | 9 | 10 | 11 | 12 |
| 100 | 0,14 | 0,19 | 0,25 | 400 | 0,04 | 0,05 | 0,06 | 700 | 0,02 | 0,03 | 0,04 |
| 120 | 0,12 | 0,16 | 0,21 | 420 | 0,03 | 0,05 | 0,06 | 720 | 0,02 | 0,03 | 0,03 |
| 140 | 0,10 | 0,14 | 0,18 | 440 | 0,03 | 0,04 | 0,06 | 740 | 0,02 | 0,03 | 0,03 |
| 160 | 0,09 | 0,12 | 0,16 | 460 | 0,03 | 0,04 | 0,05 | 760 | 0,02 | 0,03 | 0,03 |
| 180 | 0,08 | 0,11 | 0,14 | 480 | 0,03 | 0,04 | 0,05 | 780 | 0,02 | 0,02 | 0,03 |
| 200 | 0,07 | 0,10 | 0,12 | 500 | 0,03 | 0,04 | 0,05 | 800 | 0,02 | 0,02 | 0,03 |
| 220 | 0,06 | 0,09 | 0,11 | 520 | 0,03 | 0,04 | 0,05 | 820 | 0,02 | 0,02 | 0,03 |
| 240 | 0,06 | 0,08 | 0,10 | 540 | 0,03 | 0,04 | 0,05 | 840 | 0,02 | 0,02 | 0,03 |
| 260 | 0,05 | 0,07 | 0,10 | 560 | 0,03 | 0,03 | 0,04 | 860 | 0,02 | 0,02 | 0,03 |
| 280 | 0,05 | 0,07 | 0,09 | 580 | 0,02 | 0,03 | 0,04 | 880 | 0,02 | 0,02 | 0,03 |
| 300 | 0,05 | 0,06 | 0,08 | 600 | 0,02 | 0,03 | 0,04 | 900 | 0,02 | 0,02 | 0,03 |
| 320 | 0,04 | 0,06 | 0,08 | 620 | 0,02 | 0,03 | 0,04 | 920 | 0,02 | 0,02 | 0,03 |
| 340 | 0,04 | 0,06 | 0,07 | 640 | 0,02 | 0,03 | 0,04 | 940 | 0,01 | 0,02 | 0,03 |
| 360 | 0,04 | 0,05 | 0,07 | 660 | 0,02 | 0,03 | 0,04 | 960 | 0,01 | 0,02 | 0,03 |
| 380 | 0,04 | 0,05 | 0,07 | 680 | 0,02 | 0,03 | 0,04 | 980 | 0,01 | 0,02 | 0,03 |
| 400 | 0,04 | 0,05 | 0,06 | 700 | 0,02 | 0,03 | 0,04 | 1000 | 0,01 | 0,02 | 0,02 |
Таблица А.2.8 - Укорочение элементов от приварки к ним втавр с двухсторон деталей при последовательном наложении швов, мм/м прикрепления
| Площадь поперечного сечения элемента, см2 | Катет шва, мм | Площадь поперечного сечения элемента, см2 | Катет шва, мм | ||||||||
| 6 | 7 | 8 | 9 | 10 | 6 | 7 | 8 | 9 | 10 | ||
| 100 | 0,20 | 0,27 | 0,35 | 0,45 | 0,55 | 560 | 0,04 | 0,05 | 0,06 | 0,08 | 0,10 |
| 120 | 0,16 | 0,22 | 0,29 | 0,37 | 0,46 | 580 | 0,03 | 0,05 | 0,06 | 0,08 | 0,09 |
| 140 | 0,14 | 0,19 | 0,25 | 0,32 | 0,39 | 600 | 0,03 | 0,04 | 0,06 | 0,07 | 0,09 |
| 160 | 0,12 | 0,17 | 0,22 | 0,28 | 0,34 | 620 | 0,03 | 0,04 | 0,06 | 0,07 | 0,09 |
| 180 | 0,11 | 0,15 | 0,20 | 0,25 | 0,31 | 640 | 0,03 | 0,04 | 0,06 | 0,07 | 0,09 |
| 200 | 0,10 | 0,13 | 0,18 | 0,22 | 0,28 | 660 | 0,03 | 0,04 | 0,05 | 0,07 | 0,08 |
| 220 | 0,09 | 0,12 | 0,16 | 0,20 | 0,25 | 680 | 0.03 | 0,04 | 0,05 | 0,07 | 0,08 |
| 240 | 0,08 | 0,11 | 0,15 | 0,19 | 0,23 | 700 | 0,03 | 0,04 | 0,05 | 0,06 | 0,08 |
| 260 | 0,08 | 0,10 | 0,14 | 0.17 | 0,21 | 720 | 0,03 | 0,04 | 0,05 | 0,06 | 0,08 |
| 280 | 0,07 | 0,10 | 0,13 | 0,16 | 0,20 | 740 | 0,03 | 0,04 | 0,05 | 0,06 | 0,07 |
| 300 | 0,07 | 0,09 | 0,12 | 0,15 | 0,18 | 760 | 0,03 | 0,04 | 0,05 | 0,06 | 0,07 |
| 320 | 0,06 | 0,08 | 0,11 | 0,14 | 0,17 | 780 | 0,03 | 0,03 | 0,05 | 0,06 | 0,07 |
| 340 | 0,06 | 0,08 | 0,10 | 0,13 | 0,16 | 800 | 0,02 | 0,03 | 0,04 | 0,06 | 0,07 |
| 360 | 0,05 | 0,07 | 0,10 | 0,12 | 0,15 | 820 | 0,02 | 0,03 | 0,04 | 0,05 | 0,07 |
| 380 | 0,05 | 0,07 | 0,09 | 0,12 | 0,14 | 840 | 0,02 | 0,03 | 0,04 | 0,05 | 0,07 |
| 400 | 0,05 | 0,07 | 0,09 | 0,11 | 0,14 | 860 | 0,02 | 0,03 | 0,04 | 0,05 | 0,06 |
| 420 | 0,05 | 0,06 | 0,08 | 0,11 | 0,13 | 880 | 0,02 | 0,03 | 0,04 | 0,05 | 0,06 |
| 440 | 0,04 | 0,06 | 0,08 | 0,10 | 0,12 | 900 | 0,02 | 0,03 | 0,04 | 0,05 | 0,06 |
| 460 | 0,04 | 0,06 | 0,08 | 0,10 | 0,12 | 920 | 0,02 | 0,03 | 0,04 | 0,05 | 0,06 |
| 480 | 0,04 | 0,06 | 0,07 | 0,09 | 0,11 | 940 | 0,02 | 0,03 | 0,04 | 0,05 | 0,06 |
| 500 | 0,04 | 0,05 | 0,07 | 0,09 | 0,11 | 960 | 0,02 | 0,03 | 0,04 | 0,05 | 0,06 |
| 520 | 0,04 | 0,05 | 0,07 | 0,09 | 0,11 | 980 | 0,02 | 0,03 | 0,04 | 0,05 | 0,06 |
| 540 | 0,04 | 0,05 | 0,07 | 0,08 | 0,10 | 1000 | 0,02 | 0,03 | 0,04 | 0,04 | 0,06 |
Ребра жесткости продольные и поперечные. Ортотропные и ребристыеплиты
Таблица А.2.9 - Укорочение элементов отприварки втавр с двух сторон деталей сближенными швами при наложении последнихдвухдуговым автоматом, мм/м прикрепления
| Площадь поперечного сечения элемента, см2 | Катет шва, мм | Площадь поперечного сечения элемента, см2 | Катет шва, мм | Площадь поперечного сечения элемента, см2 | Катет шва, мм | ||||||
| 6 | 7 | 8 | 6 | 7 | 8 | 6 | 7 | 8 | |||
| 1 | 2 | 3 | 4 | 5 | 6 | 7 | 8 | 9 | 10 | 11 | 12 |
| 100 | 0,28 | 0,38 | 0,50 | 400 | 0,07 | 0,10 | 0,12 | 700 | 0,04 | 0,05 | 0,07 |
| 120 | 0,23 | 0,32 | 0,42 | 420 | 0,07 | 0,09 | 0,12 | 720 | 0,04 | 0,05 | 0,07 |
| 140 | 0,20 | 0,27 | 0,36 | 440 | 0,06 | 0,09 | 0,11 | 740 | 0,04 | 0,05 | 0,07 |
| 160 | 0,18 | 0,24 | 0,31 | 460 | 0,06 | 0,08 | 0,11 | 760 | 0,04 | 0,05 | 0,07 |
| 180 | 0,16 | 0,21 | 0,28 | 480 | 0,06 | 0,08 | 0,10 | 780 | 0,04 | 0,05 | 0,06 |
| 200 | 0,14 | 0,19 | 0,25 | 500 | 0,06 | 0,08 | 0,10 | 800 | 0,04 | 0,05 | 0,06 |
| 220 | 0,13 | 0,17 | 0,23 | 520 | 0,05 | 0,07 | 0,10 | 820 | 0,03 | 0,05 | 0,06 |
| 240 | 0,12 | 0,16 | 0,21 | 540 | 0,05 | 0,07 | 0,09 | 840 | 0,03 | 0,05 | 0,06 |
| 260 | 0,11 | 0,15 | 0,19 | 560 | 0,05 | 0,07 | 0,09 | 860 | 0,03 | 0,04 | 0,06 |
| 280 | 0,10 | 0,14 | 0,18 | 580 | 0,05 | 0,07 | 0,09 | 880 | 0,03 | 0,04 | 0,06 |
| 300 | 0,09 | 0,13 | 0,17 | 600 | 0,05 | 0,06 | 0,08 | 900 | 0,03 | 0,04 | 0,06 |
| 320 | 0,09 | 0,12 | 0,16 | 620 | 0,05 | 0,06 | 0,08 | 920 | 0,03 | 0,04 | 0,05 |
| 340 | 0,08 | 0,11 | 0,15 | 640 | 0,04 | 0,06 | 0,08 | 940 | 0,03 | 0,04 | 0,05 |
| 360 | 0,08 | 0,11 | 0,14 | 660 | 0,04 | 0,06 | 0,08 | 960 | 0,03 | 0,04 | 0,05 |
| 380 | 0,07 | 0,10 | 0,13 | 680 | 0,04 | 0,06 | 0,07 | 980 | 0,03 | 0,04 | 0,05 |
| 400 | 0,07 | 0,10 | 0,12 | 700 | 0,04 | 0,05 | 0,07 | 1000 | 0,03 | 0,04 | 0,05 |
Таблица А.2.10 - Укорочение листов присварке их в пакеты, в случае приварки накладных компенсаторов и т.п., мм/модностороннего шва
| Площадь поперечного сечения пакета, см2 | Катет шва, мм | ||||||
| 6 | 7 | 8 | 9 | 10 | 11 | 12 | |
| 100 | 0,08 | 0,10 | 0,14 | 0,17 | 0,21 | 0,26 | 0,31 |
| 120 | 0,06 | 0,09 | 0,11 | 0,14 | 0,18 | 0,22 | 0,26 |
| 140 | 0,05 | 0,07 | 0,10 | 0,12 | 0,15 | 0,18 | 0,22 |
| 160 | 0,05 | 0,07 | 0,09 | 0,11 | 0,13 | 0,16 | 0,19 |
| 180 | 0,04 | 0,06 | 0,08 | 0,10 | 0,12 | 0,14 | 0,17 |
| 200 | 0,04 | 0,05 | 0,07 | 0,09 | 0,11 | 0,13 | 0,15 |
| 220 | 0,03 | 0,05 | 0,06 | 0,08 | 0,10 | 0,12 | 0,14 |
| 240 | 0,03 | 0,04 | 0,06 | 0,07 | 0,09 | 0,11 | 0,13 |
| 260 | 0,03 | 0,04 | 0,05 | 0,07 | 0,08 | 0,10 | 0,12 |
| 280 | 0,03 | 0,04 | 0,05 | 0,06 | 0,08 | 0,09 | 0,11 |
| 300 | 0,03 | 0,03 | 0,05 | 0,06 | 0,07 | 0,09 | 0,10 |
| 320 | 0,02 | 0,03 | 0,04 | 0,05 | 0,07 | 0,08 | 0,10 |
| 340 | 0,02 | 0,03 | 0,04 | 0,05 | 0,06 | 0,08 | 0,09 |
| 360 | 0,02 | 0,03 | 0,04 | 0,05 | 0,06 | 0,07 | 0,09 |
| 380 | 0,02 | 0,03 | 0,04 | 0,05 | 0,06 | 0,07 | 0,08 |
| 400 | 0,02 | 0,03 | 0,03 | 0,04 | 0,05 | 0,06 | 0,08 |
| 420 | 0,02 | 0,02 | 0,03 | 0,04 | 0,05 | 0,06 | 0,07 |
| 440 | 0,02 | 0,02 | 0,03 | 0,04 | 0,05 | 0,06 | 0,07 |
| 460 | 0,02 | 0,02 | 0,03 | 0,04 | 0,05 | 0,06 | 0,07 |
| 480 | 0,02 | 0,02 | 0,03 | 0,04 | 0,04 | 0,05 | 0,06 |
| 500 | 0,02 | 0,02 | 0,03 | 0,03 | 0,04 | 0,05 | 0,06 |
Таблица А.2.11 - Линейные деформациистыкового шва в направлении продольной оси плети в зависимости от величинызазора в стыке, мм
| Величина зазора | Деформации | Величина зазора | Деформации | Величина зазора | Деформации | Величина зазора | Деформации |
| 0,00 | 0,92 | 1,00 | 1,09 | 2,00 | 1,32 | 3,00 | 1,60 |
| 0,25 | 0,95 | 1,25 | 1,15 | 2,25 | 1,39 | 3,25 | 1,68 |
| 0,50 | 1,00 | 1,50 | 1,20 | 2,50 | 1,46 | 3,50 | 1,77 |
| 0,75 | 1,04 | 1,75 | 1,27 | 2,75 | 1,53 | 3,75 | 1,85 |
| 1,00 | 1,09 | 2,00 | 1,32 | 3,00 | 1,60 | 4,00 | 1,96 |

Рисунок А.2.6 - Укорочение двутавровых иН-образных элементов от наложения всех поясных швов

Рисунок А.2.7 - Укорочение коробчатых элементов от наложенияпоясных швов

Рисунок А.2.8 - Укорочение тавровых элементов при последовательномналожении

Рисунок А.2.9 - Укорочение тавровыхэлементов при одновременном наложении поясных швов двухдуговым автоматом
Пользование таблицами и графиками
Исходные данные для расчетавеличины укорочения элемента от наложения сварных швов могут быть взяты изтехнического проекта или из рабочих чертежей. При этом длины швов, ребержесткости, фасонок, иных прикреплений принимаются в метрах, площадь поперечногосечения элемента - в сантиметрах2. Катеты, обозначенные втехническом или рабочем проекте, могут считаться расчетными.
Относительное укорочениеэлемента от наложения поясных швов находится по таблицам А.2.1- А.2.4(см. рисунки А.2.6- А.2.9).
Абсолютное укорочениеподсчитывается умножением относительной усадки на длину той части элемента, накоторой имеются поясные швы. Как правило, поясные швы имеются по всей длинеэлемента, потому обычно L равняется его длине.
Если катеты поясных швовразличны по сечению элемента, укорочение элемента -как среднее арифметическоемежду возможными укорочениями при условии выполнения всех швов одинаковыми.
По таблицам А.2.5- А.2.9находятся относительные деформации элемента от прикрепления к нему деталейодносторонними или двусторонними швами. Абсолютное укорочение находитсяумножением относительного укорочения на суммарную длину швов или ихсовокупности.
Если сечение балки переменно,балка разбивается на участки по числу различных значений площади поперечногосечения. Укорочения находятся для каждого участка отдельно, после чегополученные величины суммируются.
При назначении для деталейприпусков, покрывающих укорочение элемента от сварки, следует иметь в виду, чтолисты приобретают продольные деформации не только при сварке элемента, но еще идо его сборки при стыковке плетей, сварке листов в пакеты, приварке упоров ит.п.
Поэтому в припуск для каждоголиста необходимо внести коррективы с учетом тех сварочных операций, которымподвергается лист до сборки элемента.
Данные о продольных деформацияхпакета приведены в таблице А.2.10,об укорочении плети при сварке стыков (в зависимости от величины зазора встыках) - в таблице А.2.11.
Общая длина плети после сваркистыковых соединений получается равной:
L = SLл + Sb - SD,
где SLл - суммадлин стыкуемых в плеть листов;
Sb -суммарная величина всех зазоров;
SD- сумма поперечных усадок сварных стыковых соединений (общее укорочение плетипосле сварки всех стыков).
Укорочение листа от приваркиупоров или противоугонных уголков может быть определено по таблице А.2.5,а от приварки накладных компенсаторов - по таблице А.2.10.
Пример пользования таблицами
Требуется рассчитать припуски напродольные деформации для листов балки пролетного строения lр = 33,6 м (рисунок А.2.10).
Исходные данные
1. Балка имеет переменноесечение: на длине L1 = 20,0 м, F1 = 586 см2; на длине L2 = 14,2 м, F2 = 634 см2.

Рисунок А.2.10 - Конструкция балкипролетного строения lр= 33,6 м
(второстепенные детали балки не показаны; фасонки верхних продольных связейпривариваются, нижних - приклепываются)
2. Односторонними швамипривариваются к нижнему поясу балки 2 листа, которыми балка устанавливается наопорные части. Листы расположены на первом участке, обвариваются по контурушвом
K =10 мм, длина шва 2(05 + 0,58)2 = 4,3 м.
3. Фасонки связей прикрепляютсявтавр двусторонними швами, накладываемыми в К-образную разделку. Величинакатета расчетного шва
![]()
На первом участке расположены 22фасонки, суммарная длина прикрепления составляет 0,46×22 = 10 м.
На втором участке 16 фасонокобщей длиной 0,46×16 = 7,5 м.
4. Ребра жесткости с двух сторонстенки привариваются четырьмя сближенными швами, катет которых равен 8 мм;наложение швов производится двухдуговым автоматом. На первом участке общаядлина вертикальных и горизонтальных ребер 2,48×16 + 20,0 = 60 м, на втором 2,48×8 + 14,2 = 34 м.
Подсчетукороченной балки в целом
1. От поясных швов - с помощьютаблицы А.2.1(см рисунок А.2.6).
На первом участке:
если принять, что все поясныешвы имеют катет K =12 мм, то DL1 = 0,16×20 = 3,2 мм;
если принять, что K = 10 мм, то DL1 = 0,12×20 = 2,4 мм.
Среднее DL1 = 2,8 мм.
На втором участке:
если принять, что K = 12 мм, то DL2 = 0,15×12,2 = 2,1 мм;
K = 10 мм, то DL2 = 0,10×14,2 = 1,4 мм.
Среднее DL2 = 1,8 мм.
2. От приварки опорных плит - потаблице А.2.5
DL1 = 0,09×4,3 = 0,4 мм.
3. От приварки фасонок связей -по таблице А.2.6.
На первом участке: DL1 = 0,03×10 = 0,3 мм;
на втором участке: DL2 = 0,03×7,5 = 0,2 мм.
4. От приварки ребер жесткости -по таблице А.2.9.
На первом участке: DL1 = 0,09×60 = 5,4 мм;
на втором участке: DL2 = 0,08×34 = 2,7 мм.
Общее укорочение балки отсварки:
SDL = 2,8 + 1,8 + 0,4 + 0,3 + 0,2 + 5,4 + 2,7 = 13,6 мм.
При назначении припусков накаждую плеть необходимо учесть:
а) верхняя полка (площадьпоперечного сечения ее F = 120 см2)имеет два стыка, к ней привариваются швом с катетом K = 10 мм и длиной lш = 0,4×8 = 3,2 м восемь противоугонных уголков; потаблице А.2.11укорочение плети в районе стыковых соединений (при условии, что стыки собраныбез зазора) равно 0,9×2 = 1,8 мм, а по таблице А.2.40,15×3,2 = 0,5 мм;
б) нижняя полка имеет 4 стыка,соответственно чему плеть при стыковке укоротится на 0,9×4 = 3,6 мм;
в) стенка стыкуется в трехместах, при этом она укорачивается на 0,9×3 = 2,7 мм.
Итак, в рабочих чертежах должныбыть указаны следующие припуски для полотнищ:
верхней полки 13,6 + 1,8 + 0,5 =16 мм;
нижней полки 13,6 + 3,6 = 17 мм;
стенки 13,6 + 2,7 = 16 мм.
При проведении измерений взаводских условиях для шести балок, о которых говорится в примере, получено среднееукорочение около 15 мм. Отклонение замеренных величин укорочений от их среднегозначения составляет ±3 мм.
А.3 МЕТОДИКА РАСЧЕТА ДЕФОРМАЦИЙ ПРИ СВАРКЕ КОРОБЧАТЫХ, ТАВРОВЫХ ИДВУТАВРОВЫХ ЭЛЕМЕНТОВ СТАЛЬНЫХ КОНСТРУКЦИЙ МОСТОВ
В настоящем разделе изложенаметодика расчета деформаций укорочения элементов мостовых конструкций из стали10ХСНД и 15ХСНД ГОСТ6713-91 при их заводском изготовлении. Сварочные материалы: проволокаСв-08А и Св-08ГА ГОСТ 2246-70*.Флюс АН-348А и АН-348АМ ГОСТ 9087-81.
Изложены экспериментальныеработы по расчету деформаций сварных элементов решетчатых пролетных строенийдля пролетов 66; 77; 88 и 110 м, а также замеры этих деформаций в процессеизготовления элементов мостовых конструкций в условиях Улан-Удэнского ЗММК (авторыВ.И. Звирь и Т.Б. Комогорцева).
А.3.1 Определение деформации укорочения элементов коробчатогосечения
Технология изготовления иметодика расчета деформаций элементов коробчатого сечения

Рисунок А.3.1.1 - Принятые обозначения геометрических параметровсварного элемента коробчатого сечения
Действующий технологическийпроцесс изготовления коробчатых элементов состоит из следующих операций: сборкаU-образного элемента всборочном кондукторе из позиций I,II, III и сварка двухдуговым автоматом швов 1-2; сборка коробчатого элемента сдобавлением позиции IV и наложение швов 3-4;кантовка элемента и сварка 5-6 и 7-8 угловых соединений; сверловка отверстийпод монтажные соединения в готовом элементе.
С целью повышенияпроизводительности и улучшения условий труда была проведена работа посовершенствованию технологии изготовления элементов, которая заключалась вучете деформаций от сварки элемента. В производственных условиях укорочение отсварки определяли методом замеров длины элемента до и после его сварки. Дляэтого наносили точки керном диаметром 0,5 мм на расстоянии 20-25 мм от шва доторца элемента. Замеры выполняли эталонной рулеткой.
Расчет деформаций от сваркивыполняли по известной методике исследования сварочных деформаций В.Н.Савельева (НИИмостов) в следующей последовательности: определяли режимы сваркив зависимости от глубины проплавления Н в соответствии с ВСН169-80, таблица 19; определяли продольную усадку от первого шва угловогосоединения. Усадку от последующих швов определяли с учетом коэффициента Kн,i, который представляет собой взаимосвязьнапряженного состояния элемента, вызванного наложением каждого предыдущего шва:

где н - номер шва, от которого определяется деформация;
i - номер шва, от которого учитывается начальное напряженноесостояние;
У - коэффициент, учитывающий влияние разных тепловых режимовсварки на остаточные деформации.
Он определяется следующим соотношением:
![]()
Поскольку деформирующаяспособность последующих сварных швов изменяется вследствие наличия начальногонапряженного состояния, создаваемого ранее выполненными швами, в формулезначение погонной энергии
приводим кдействительной деформирующей способности. Например ![]()
По приведенной формуле выполнилирасчеты укорочения коробчатых элементов железнодорожного пролетного строения исопоставили их с результатами экспериментальных работ при изготовлении этихэлементов.
Для расчета использовали режимысварки, приведенные в таблице А.3.1.1.
Таблица А.3.1.1 - Режимы сварки
| Параметры | Единица измерений | Значения параметров режима сварки швов угловых соединений | |
| внутренних | наружных | ||
| Сила тока | А | 300-350 | 400 |
| Напряжение | В | 27-29 | 38 |
| Скорость сварки | м/ч | 25 | 25 |
| Скорость подачи проволоки диаметром 2 мм | м/ч | 162 | 162 |
Погонную энергиюсварки наружных швов угловых соединений рассчитываем по формуле Qn = 0,24JUh:
Qn = 0,24×400×38×0,65= 2371 кал/см.
Результаты расчетов ипрактических замеров деформаций укорочения приведены в таблицах А.3.1.2 - А.3.1.5.
Таблица А.3.1.2 - Элементы коробчатого сечения пролетного строениядлиной 110 м
| Марка | Длина, мм | Сечение, мм | Продольная усадка | |||
| а´А | в´В | расчетная | фактическая | |||
| мм | мм/м | мм | ||||
| М290 М350 М461 | 10990 | 32´650 | 10´426 | 1,27 | 0,11 | 1,0-1,5 1,4 |
| М462 М463 | 11002 | 25´650 | 12´476 | 1,53 | 0,14 | 1,5-2,0 1,7 |
| М17 | 17260 | 20´650 | 10´486 | 2,86 | 0,16 | 2,5-3,0 2,8 |
| М16 | 17260 | 16´650 | 10´494 | 3,3 | 0,19 | 3,0-3,5 3,4 |
| М464 | 11002 | 40´650 | 16´440 | 1,2 | 0,109 | 0,5-1,0 0,9 |
| М5 | 11002 | 36´650 | 10´454 | 1,16 | 0,105 | 1,0-1,5 1,1 |
| М18 М19 | 1760 | 12´450 | 10´502 | 4,7 | 0,27 | 4,5-5,0 4,8 |
| М560 М561 | 1680 | 25´800 | 16´476 | 2,19 | 0,129 | 2,0-2,5 2,1 |
Примечание. В числителеуказаны минимальные и максимальные значения укорочения, в знаменателе -средняявеличина.
Таблица А.3.1.3 - Элементы коробчатого сечения пролетного строениядлиной 66 м
| Марка | Длина, мм | Сечение, мм | Продольная усадка | |||
| а´А | в´В | расчетная | фактическая | |||
| мм | мм/м | мм | ||||
| 1 | 2 | 3 | 4 | 5 | 6 | 7 |
| М9 М10 | 12770 | 10´526 | 10´430 | 4,02 | 0,31 | 4,0-4,5 4,2 |
| М2 М350 | 8242 | 12´526 | 12´426 | -2,3 | 0,279 | 1,5-2,0 1,8 |
| М3 | 8242 | 12´526 | 16´426 | 2,2 | 0,266 | 1,0-2,0 1,96 |
| М4 | 11000 | 12´526 | 16´426 | 2,86 | 0,26 | 2,5-3,0 2,7 |
| М5 | 11000 | 12´526 | 12´426 | 3,2 | 0,29 | 3,0-4,0 3,2 |
| М7 | 8250 | 12´526 | 20´426 | 1,6 | 0,19 | 1,5-2,0 1,6 |
| М8 | 12690 | 12´526 | 16´576 | 2,5 | 0,197 | 2,5-3,0 2,6 |
| М7 | 10000 | 12´526 | 20´426 | 1,94 | 0,196 | 1,5-2,5 1,83 |
Примечание. В числителеуказаны минимальные и максимальные значения укорочения, в знаменателе - средняявеличина.
Таблица А.3.1.4 - Элементы коробчатого сечения пролетного строениядлиной 77 м
| Марка | Длина, мм | Сечение, мм | Продольная усадка | |||
| а´А | в´В | расчетная | фактическая | |||
| мм | мм/м | мм | ||||
| М1Т | 8242 | 16´450 | 10´494 | 2,04 | 0,24 | 2,0 |
| М3Т | 8242 | 25´450 | 10´476 | 1,58 | 0,19 | 1,5 |
| М5Т | 10992 | 25´450 | 12´476 | 1,75 | 0,16 | 1,5-2,0 1,6 |
| М7Т | 8250 | 20´450 | 12´486 | 1,76 | 0,21 | 1,5 |
| М8Т | 8250 | 32´450 | 12´462 | 1,23 | 0,15 | 1,0 |
| М9 | 1100 | 32´450 | 16´462 | 1,48 | 0,13 | 1,5 |
| М10 | 12600 | 20´600 | 12´486 | 2,26 | 0,18 | 2,0 |
| М12 | 12700 | 12´450 | 10´502 | 2,74 | 0,29 | 3,5-4,0 3,8 |
Примечание. В числителеуказаны минимальные и максимальные значения укорочения, в знаменателе - средняявеличина.
Таблица А.3.1.5 - Элементы коробчатогосечения пролетного строения длиной 88 м
| Марка | Длина, мм | Сечение, мм | Продольная усадка | |||
| а´А | в´В | расчетная | фактическая | |||
| мм | мм/м | мм | ||||
| М1, М2 | 10990 | 16´650 | 12´494 | 2,08 | 0,19 | 2,0 |
| М3, М4 | 10990 | 20´650 | 10´650 | 1,91 | 0,17 | 2,0 |
| М5, М6 | 10990 | 20´650 | 10´486 | 1,91 | 0,17 | 2,0 |
| М7 | 11002 | 25´650 | 12´476 | 1,53 | 0,14 | 1,5-2,0 1,7 |
| М12 | 17020 | 20´800 | 12´486 | 2,44 | 0,14 | 2,0-2,5 2,2 |
| М14 | 17260 | 12´700 | 10´502 | 3,95 | 0,22 | 3,5-4,0 3,7 |
| М15 | 17260 | 16´650 | 10´494 | 3,26 | 0,18 | 3,0-3,5 3,4 |
| М16 | 17260 | 10´450 | 10´502 | 4,7 | 0,27 | 4,5-5,0 4,8 |
Примечание. В числителе указаныминимальные и максимальные значения укорочения, в знаменателе - средняявеличина.
А.3.2 Определение деформации укорочения элементов двутавровогосечения
Технологический процесс изготовлениядвутавровых элементов включает следующие основные операции: сборка элемента всборочном кондукторе на прихватках; сварка одновременно 1-го и 2-го швовугловых соединений двухдуговым автоматом; кантовка элемента и сварка 3-го и4-го швов; сверловка отверстий под монтажные соединения в готовом элементе.
Основным источником для расчетадеформаций явилась методика В.Н. Савельева (НИИмостов).
Исходя из принятого проектомразмера катета углового шва, назначаем режим сварки и определяем полную эффективнуюпогонную энергию сварки.
Так как соотношение междугеометрическими характеристиками балки J ¹ Z2F, то при расчете деформаций от сваркиучитываем влияние напряженного состояния, создаваемого швами, которыенаклеиваем в первую очередь. Величину укорочения элемента D1 от сварки одногопродольного шва рассчитываем по формуле
![]()
где Qn - погонная энергия сварки, кал/см;
F - площадь сечения, см2;
L - длина элемента, см;
Z - расстояние от шва до центра тяжести сечения, см;
J - момент инерции сечения, см4.

Рисунок А.3.2.1 - Принятые обозначения геометрических параметровсварного элемента двутаврового сечения
Определение деформацийукорочения от наложения четырех поясных швов сведено к расчету от трех швов I, II,III, т.е. 1-й и 3-й швыпринимаются как один шов (см. рисунок А.3.2.1), а суммарная деформация посленаложения четырех швов определяется по расчетной формуле

где
- соотношение,учитывающее напряженное состояние, создаваемое вторым швом углового соединения;
- коэффициент,учитывающий долю деформаций от 2-го шва, оставшуюся после наложения 4-го шва.
Этот коэффициент рассчитываем поформуле

где
- площадь зоны спластическими деформациями растяжения.
Формула для определения
от каждого швапредставлена в общем виде:

В таблице A.3.2.1 сведены результаты расчета и измерениядеформаций укорочения различных элементов двутаврового сечения.
Таблица А.3.2.1 - Значения деформаций укорочения
| Пролетное строение, м | Сечение, мм | Длина, мм | Продольная усадка расчетная | Усадка фактическая, мм | ||
| а´А | в´В |
| мм | мм/м | ||
| 66 | 12´280 | 10´502 | 10740 | 2,3 | 0,22 | 2 |
| 88 | 10´380 | 10´506 | 14300 | 2,8 | 0,2 |
|
| 110 | 10´380 | 10´506 | 13900 | 2,8 | 0,2 | 3 |
А.3.3 Определение деформации укорочения элементов таврового сечения

Рисунок А.3.3.1 - Принятые обозначения геометрических параметров сварногоэлемента таврового сечения
В настоящем Стандарте методикарасчета деформаций укорочения (продольной усадки) принята к использованию приизготовлении элементов пролетных строений 44-100 м. В качестве примера расчетапродольной усадки элемента принято сечение следующих размеров:
горизонтальный лист (в1×А)мм.............................................16´200
вертикальный лист (в2×В) мм................................................16´120
длина элемента,мм.................................................................870
площадь сечения, см2.................................................….........51
Сварку выполняли двухдуговымавтоматом на режиме:
сварочный ток,А....................................................................280
напряжение на дуге,В............................................................28
скорость сварки, м/ч..............................................................25
скорость подачи проволоки,м/ч...........................................162
При сварке создавалипредварительный выгиб элемента в сторону, противоположную искривлению элементаот сварки.
Погонная энергия сваркиопределяется по формуле
![]()
Погонную энергию дуги при сваркедвухдуговым автоматом определяем с учетом коэффициента b1,2;
Qn= 0,24JUhb1,2,
где b1,2 - коэффициент, учитывающийусловия двухдуговой сварки, определяемый по графику в зависимости от d, Qn, i b1,2 = 2,63;
Qn = 2318×2,63 = 6096 кал/см.
Расстояние между сварными швамисоставит:
d = в2 + hш = 1,6 + 0,6 = 2,2 см.
Коэффициент, учитывающийраспределение тепловложения, определяем следующим образом:
![]()
Определяем статический моментсечения относительно оси Хo-Хo
![]()
где а - расстояние между центром тяжести и осью Хo-Хo.
Определяем расстояние от оси Хo-Хo до центральной оси Х-Х
![]()
Момент инерции сечениярассчитываем по формуле
![]()
Определяем продольную усадкуэлемента
![]()
![]()
Определяем кривизну элемента отсварки
![]()
где l - расстояниеот центра тяжести сварного шва до оси Х-Х.
Стрела прогиба элементаполучается
![]()
Необходимый предварительныйобратный прогиб до сварки
![]()
где Кпр - коэффициент пружинения.
![]()
Данные расчета и фактическихзамеров сведены в таблицы А.3.3.1 - А.3.3.3.
Таблица А.3.3.1 - Деформации элементов таврового сечения пролетногостроения длиной 66 м
| Марка | Длина, мм | Сечение листов, мм | Продольная усадка | Стрела прогиба расчетная, мм | |||
| расчетная | фактическая | ||||||
| горизонтального s2´А | вертикального s2´Б | мм | мм/м | мм | |||
| М364 | 4190 | 10´200 | 10´120 | 3,0 | 0,71 | 3,0 | 23 |
| М362 | 4190 | 16´200 | 16´120 | 1,8 | 0,42 | 2,0 | 10 |
| М368 | 3200 | 10´200 | 10´150 | 2,0 | 0,62 | 2,5 | 16 |
| М369 | 4940 | 10´200 | 10´150 | 3,0 | 0,61 | 3,0 | 38 |
| М374 | 5740 | 10´200 | 10´150 | 4,0 | 0,69 | 4,0 | 50 |
| М375 | 5740 | 10´200 | 10´150 | 4,0 | 0,69 | 4,0 | 50 |
| М359 | 8700 | 16´200 | 16´120 | 3,67 | 0,42 | 4,0 | 34 |
| М360 | 8700 | 10´200 | 10´120 | 6,0 | 0,68 | 7,0 | 100 |
| М361 | 8700 | 10´200 | 10´120 | 6,0 | 0,68 | 7,0 | 100 |
Таблица А.3.3.2 - Деформации элементов таврового сечения пролетногостроения длиной 44 и 55 м
| Марка | Длина, мм | Сечение листов, мм | Продольная усадка | Стрела прогиба расчетная, мм | |||
| расчетная | фактическая | ||||||
| горизонтального s2´А | вертикального s2´Б | мм | мм/м | мм | |||
| 1 | 2 | 3 | 4 | 5 | 6 | 7 | 8 |
| М350 | 6890 | 10´200 | 10´120 | 4,7 | 0,68 | 5,5 | 70 |
| М351 | 6890 | 10´200 | 10´120 | 4,7 | 0,68 | 5,5 | 70 |
| М352 | 3330 | 10´200 | 10´120 | 2,3 | 0,69 | 2,5 | 17 |
| М353 | 3330 | 10´200 | 10´120 | 2,3 | 0,69 | 2,5 | 17 |
| М354 | 3330 | 10´200 | 10´120 | 2,3 | 0,69 | 2,5 | 17 |
| М355 | 7130 | 10´200 | 10´120 | 4,8 | 0,68 | 6,0 | 75 |
| М356 | 3450 | 10´200 | 10´120 | 2,4 | 0,69 | 2,5 | 18 |
| М357 | 4350 | 10´200 | 10´120 | 3,0 | 0,55 | 3,0 | 25 |
| М358 | 6890 | 10´200 | 10´120 | 4.7 | 0,68 | 5,5 | 70 |
| М359 | 1480 | 10´200 | 10´120 | 1,0 | 0,67 | 1,0 | 4 |
| М379 | 1860 | 10´200 | 10´150 | 1,1 | 0,59 | 1,0 | 6,4 |
| М403 | 3330 | 10´200 | 10´120 | 2,3 | 0,69 | 2,5 | 17 |
Таблица А.3.3.3 -Деформации элементов таврового сечения пролетного строениядлиной 110м
| Марка | Длина, мм | Сечение листов, мм | Продольная усадка | Стрела прогиба расчетная, мм | |||
| расчетная | фактическая | ||||||
| горизонтального s2´А | вертикального s2´Б | мм | мм/м | мм | |||
| 1 | 2 | 3 | 4 | 5 | 6 | 7 | 8 |
| М506 М507 М508 М510 | 6990 | 12´240 | 12´150 | 2,9 | 0,40 | 3,0 | 20 |
| М511 М512 М513 М514 М515 М516 М517 | 3360 | 12´240 | 12´150 | 1,4 | 0,44 | 1,5 | 5,0 |
| М491 М492 | 5970 | 20´200 | 16´180 | 1,2 | 0,2 | 1,0 | 19 |
| М493 М494 | 6130 | 20´200 | 16´180 | 1,3 | 0,2 | 1,0 | 21 |
| М521 | 1390 | 10´220 | 10´120 | 0,75 | 0,57 | 1,0 | 3 |
| М522 М523 М520 | 1230 1860 5140 | 10´220 10´220 10´220 | 10´120 10´120 10´120 | 0,6 1,0 2,7 | 0,48 0,53 0,52 | 0,5 1,0 3,0 | 2 4 35 |
1. ДушницкийВ.М., Пассек В.В. Рекомендации по правке стальных мостовых конструкций. М,ЦНИИС, 1988, 107 с.
2. ОкербломН.О. Конструктивно-технологическое проектирование сварных конструкций. М.,«Машиностроение», 1964, 419 с.
3. КащенкоГ.А. Основы металловедения. М. «Машиностроение», 1959, 395 с.
4. ЛащенкоМ.Н. Аварии металлических конструкций зданий и сооружений. Л., «Стройиздат»,1969, 182 с.
5. Шкинев А.Н. Аварии встроительстве. М., «Стройиздат», 1984, 319 с.
6. Малышев Б.Д. Сварка и резка впромышленном строительстве. Справочник. М., «Стройиздат», 1980, 784 с.
7. Винокуров В.А. Сварочныедеформации и напряжения. М., «Машиностроение», 1967,170 с.
8. Николаев Г.А., Куркин С.А.,Винокуров В.А. Сварные конструкции (в двух томах). М., «Высшая школа», 1983.
9. Орлов В.Г. Влияние правки нанесущую способность сжатых сварных элементов мостовых конструкций. Диссертацияна соискание ученой степени канд. техн. наук. М., ЦНИИС, 1971.
10. Душницкий В.М. Исследованиетермической правки и ее влияния на несущую способность сварных мостовых балок.Диссертация на соискание ученой степени канд. техн. наук. М., ЦНИИС, 1978.
11. Пассек В.В. Научные основыэффективного учета и использования тепловых процессов при строительстве мостови железных дорог. Диссертация на соискание ученой степени д-ра техн. наук. М.,ЦНИИС, 1998.
12. ЧерныйД.Г. Новые технологические решения правки сварных элементов строительныхметаллоконструкций. Диссертация на соискание ученой степени канд. техн. наук.М., ЦНИИС, 2000.
13.Гребенчук И.В. Технология изготовления сварных мостовых балок с учетомтеплового взаимовлияния отдельных операций. Диссертация на соискание ученойстепени канд. техн. наук. М., ОАО ЦНИИС, 2006.
14.Большаков К.П., Пассек В.В., Душницкий В.М., Гурин Л.Я., Шаферман И.М., ПасековП.X., Передереев Б.М.,Синявский А.И. Устройство для правки грибовидности полок сварных элементов.А.с. СССР № 580027, 10.06.76.
15.Большаков К.П., Пассек В.В., Душницкий В.М. Способ термической правкигрибовидности полок сварных элементов. А.с. СССР № 724239, 21.01.77.
16. ПассекВ.В., Душницкий В.М. Устройство для термической правки полок сварных элементов.А.с. СССР № 1558528, 06.11.87.
17. Пассек В.В., МихайловскийЛ.Е., Заковенко В.В., Черный Д.Г. Способ изгиба гофрированных металлическихэлементов. Патент РФ № 2218229 на изобретение, 28.02.02.
18. Пассек В.В., МихайловскийЛ.Е., Заковенко В.В., Пассек Вяч.В. Способ изгиба гофрированных металлическихэлементов. Патент РФ № 2218228 на изобретение, 28.02.02.
19. ПассекВ.В., Гребенчук И.В. О возможности использования предварительного выгиба передсваркой тавровых элементов. Научные труды ОАО ЦНИИС, вып. № 228. М., ОАО ЦНИИС,2005.
20. Пассек В.В., Душницкий В.М.,Черный Д.Г. Повышение эффективности термической правки металлоконструкций.«Транспортное строительство», 1993, № 5-6.
21.Большаков К.П., Пассек В.В., Душницкий В.М., Передереев Б. М. Автоматизациятермической правки грибовидности. В сб. научных трудов № 103. М., ЦНИИС, 1977.
22. Пассек В.В., Душницкий В.М.Исследование термической правки грибовидности. В сб. научных трудов № 103. М.,ЦНИИС, 1977.
23. Пассек В.В., Орлов В.Г.,Душницкий В.М. Термическая правка элементов деформированных стальныхконструкций. В сб. научных трудов № 103. М., ЦНИИС, 1977.
24. Большаков К.П., ДушницкийВ.М., Пассек В.В. Руководство по проектированию заводов металлоконструкций,разд. «Правка мостовых элементов стальных конструкций, режимы и выбороборудования». М., ЦНИИПСК, 1981.
25. ПассекВ.В. Исследование термической правки выгиба продольной оси линейных элементов.В сб. научных трудов № 90. М., ЦНИИС, 1974.
26. Пассек В.В., Орлов В.Г. Овлиянии повторного нагрева при правке грибовидности сварных Н-образныхэлементов. «Сварочное производство», 1970, № 12.
27. ПассекВ.В. Расчет температурных деформаций и напряжений в линейных элементах при ихнагреве отдельными пятнами. Алгоритм, Госфонд алгоритмов и программ П000553,бюлл. № 1. М., 1974.
28. ПассекВ.В., Величко В.П. Расчет температурных деформаций и напряжений в линейных элементахпри их нагреве непрерывными полосами. Алгоритм, Госфонд алгоритмов и программ,П000554, бюлл. № 1. М., 1974.
29. ПассекВ.В., Душницкий В.М., Черный Д. Г. Правка грибовидности поясов балок иН-образных элементов. «Транспортное строительство», 1992, № 5.
30. Душницкий В.М. Выборразмеров участков нагрева при термической правке хлопунов. Труды ЦНИИС, вып.90. М, «Транспорт», 1974.
31. Орлов В.Г., Шелестенко Л.П.Остаточные напряжения в элементах мостовых конструкций от холодной итермической правки. Труды ЦНИИС, вып. 90. М., «Транспорт», 1974.
32. Черный Д.Г. Выявлениеоптимальной величины удельных тепловых потоков пламени газовой горелки приправке грибовидности сварных элементов. В сб. научных трудов «Тепловые процессыпри строительстве транспортных сооружений (учет, использование, управление)».М., ЦНИИС, 1999.
33. Черный Д.Г. Сопоставлениеэффективности применения различных горючих газов при термической правкегрибовидности сварных элементов. В сб. научных трудов. «Тепловые процессы пристроительстве транспортных сооружений (учет, использование, управление)». М.,ЦНИИС, 1999.
34.Научно-технический отчет «Разработка предложений по совершенствованиюнагревателей, применяемых для термической правки и предварительного подогревасварных мостовых конструкций на основе исследований тепловых параметровпроцессов». Д-ВМ-1-83, р.а., ЦНИИС, 1983.
35.Научно-технический отчет «Автомат для термической правки грибовидности балок (сиспользованием изобретения по авторскому свидетельству № 493268)».ВК-Х-1-77/76, р. 1а., ЦНИИС, 1978.
36.Научно-технический отчет «Разработка усовершенствованной конструкции узловавтомата для термической правки грибовидности сварных балок». ЦЛИТ-ПД-98-8268.ЦНИИС, 1998.
37.Гребенчук И.В., Пассек В.В. Расчет деформаций грибовидности при изготовлениимостовых тавровых элементов. Вестник Воронежского ГТУ, серия«Физико-математическое моделирование», т.2, № 8. Воронеж, 2006, с. 104 - 106.
38. Гребенчук И.В.Трехмерный расчет напряжений и деформаций при термической правке грибовидностимостовых балок. Научные труды ОАО ЦНИИС, вып. № 228. М., ОАО ЦНИИС, 2005, с.105-111.
Ключевые слова: Сварочные деформации, свариваемость стали,термическая и термомеханическая правка.
Исполнители:
Зам. Генерального директора
ОАО «Научно-исследовательский институт
транспортного строительства»(ОАО ЦНИИС),
д-р техн. наук А.А. Цернант
Филиал ОАО ЦНИИС «НИЦ «Мосты»
Директор, д-р техн. наук А.С. Платонов
Заведующий лабораторией
металлических мостов, инж. А.В. Кручинкин
Инженер-сварщик В.И. Звирь