Альбом включает в себя материалы по расчету и подбору оборудования и приборов узлов учета, принципиальные технологические схемы узлов учета при различных схемах присоединения потребителей тепла к энергоснабжающей системе, функциональные и электрические схемы, соединения приборов учета тепловой энергии, примеры конкретного использования технической документации на узел учета.
| Обозначение: | Технические решения |
| Название рус.: | Установка приборов коммерческого учета тепловой энергии, холодной и горячей воды, электроэнергии в жилых, общественных зданиях и у индивидуальных потребителей. Технические решения |
| Статус: | действующий |
| Дата актуализации текста: | 01.01.2009 |
| Дата добавления в базу: | 29.04.2009 |
| Дата введения в действие: | 01.01.1999 |
| Разработан: | Консорциум "Сервисинжстрой" 117279, Москва, ул. Профсоюзная, 93а |
| Утвержден: | Консорциум "Сервисинжстрой" (01.01.1999) |
| Опубликован: | ГУП ЦПП № 1999 |
ГОССТРОЙ РОССИИ
КОНСОРЦИУМ «СЕРВИСИНЖСТРОЙ»
УСТАНОВКА ПРИБОРОВ КОММЕРЧЕСКОГО УЧЕТА ТЕПЛОВОЙ ЭНЕРГИИ,ХОЛОДНОЙ И ГОРЯЧЕЙ ВОДЫ, ЭЛЕКТРОЭНЕРГИИ В ЖИЛЫХ, ОБЩЕСТВЕННЫХ ЗДАНИЯХ И УИНДИВИДУАЛЬНЫХ ПОТРЕБИТЕЛЕЙ
ТЕХНИЧЕСКИЕ РЕШЕНИЯ
Москва 1999
Содержание
Установка приборов коммерческого учета тепловойэнергии, холодной и горячей воды, газа, электроэнергии в жилых, общественныхзданиях и у индивидуальных потребителей. Технические решения /Госстрой России,Консорциум «Сервисинжстрой».- М.: ГУП ЦПП, 1999.
Реализация Федеральной программына основании принятого закона "Об энергосбережении" вызвала в страненеобходимость создания данного документа, регламентирующего взаимоотношениямежду потребителями энергии и энергоснабжающими организациями. Для России,особенно на современном этапе крайне важно организовать рациональноеиспользование ее топливно-энергетических ресурсов. Основные мероприятия,направленные на повышение эффективности использования топливно-энергетическихресурсов, изложены в Постановлении Правительства РФ "О неотложных мерах поэнергосбережению" В их числе, в частности, переход на отпуск и потреблениетепловой энергии и теплоносителя с использованием приборов учета тепловойэнергии. Для реализации Постановления Главгосэнергонадзором России подготовлены"Правила учета тепловой энергии и теплоносителя". Эти правилаопределяют требования к устройству узлов учета тепловой энергии и теплоносителяна источнике теплоты и у потребителя, к приборам, используемым на узлах учета,к эксплуатации узлов учета, к определению количества и качества отпущенной и потребляемойтепловой энергии и теплоносителя, взаимоотношениям потребителя иэнергоснабжающей организации при учете тепловой энергии. Настоящий альбомвыпущен в развитие и для конкретизации технических решении "Правил учетатепловой энергии и теплоносителя" для использования его специалистами приразработке технической документации на узлы учета.
Альбом включает в себя материалыпо расчету и подбору оборудования и приборов узлов учета, принципиальныетехнологические схемы узлов учета при различных схемах присоединенияпотребителей тепла к энергоснабжающей системе, функциональные и электрическиесхемы, соединения приборов учета тепловой энергии, примеры конкретногоиспользования технической документации на узел учета.
В альбоме приведены схемы узловучета на базе теплосчетчиков СТ и SA94/2M.
В состав теплосчетчика СТвходят:
- счетчик горячей воды ВСТ;
- вычислитель " SUPERCAL - 430R";
- комплект термометровсопротивления Pt-500.
В состав теплосчетчика SA 94/2М входят:
- два преобразователя первичныхизмерительных ПРН;
- измерительно-вычислительныйблок ИВБ;
-комплект термопреобразователейКТПТР-01.
В качестве регистрирующегоприбора используется регистратор-вычислитель параметров теплопотребления РПТ -2200 МА или РПТ - 2200 М.
Узлы учета тепловой энергии итеплоносителя предназначены для коммерческого расчета между потребителямитепловой энергии и энергоснабжающими организациями на основании показанийприборов.
Узел учета состоит изтеплосчетчика, счетчика массы или объема теплоносителя, приборов,регистрирующих параметры теплоносителя: температуру, расход и давление.
Информация об измеряемыхпараметрах и определяемых величинах может передаваться с приборов узла учета всистему диспетчеризации.
Узлы учета тепловой энергии, взависимости от схемы подключения потребителя к системе теплоснабжения, делятся:
- на узлы учета для закрытыхсистем теплоснабжения;
- на узлы учета для открытыхсистем теплоснабжения;
Узлы учета тепловой энергиимогут быть построены на основе:
- теплосчетчика, счетчика массыили объема теплоносителя, приборов, регистрирующих параметры теплоносителя;
- на основе теплосчетчика исчетчика массы или объема теплоносителя;
- на основе счетчика массы илиобъема теплоносителя.
Узлы учета проектируются:
- на отопительный период;
- на отопительный и летнийпериоды.
Проекты узлов учетаразрабатываются на основании действующих РД 34.09.102"Правил учета тепловой энергии и теплоносителя", ГлавгосэнергонадзорМ., изд-во МЭИ, 1995; нормативных документов СНиП 2.04.07-86* "Тепловые сети", СП 41-101-95"Проектирование тепловых пунктов"; исходных данных, включающих:
- задание на проектирование узлаучета, утвержденное заказчиком;
- технические условия наприсоединение к тепловым сетям или действующий Договор на поставку (продажу)тепловой энергии в горячей воде, выданный энергоснабжающей организацией;
- принципиальную схемутеплоснабжения систем теплопотребления;
- план теплового пункта суказанием места размещения оборудования узла учета.
Для выбора типа приборов учетаопределяются расчетные и эксплуатационные расходы теплоносителя с использованиемприложения 10 "Методика определения максимальных (расчетных) расходов водыиз тепловой сети на тепловой пункт" СП 41-101-95 "Проектированиетепловых пунктов".
Тип приборов, применяемых наузлах учета тепловой энергии, выбирается в зависимости от:
- типа здания, в которомоборудуется узел учета;
- периода эксплуатации;
- температурного графика;
- величины тепловой нагрузки;
- расхода теплоносителя;
- контролируемых, регистрируемыхпараметров и необходимости их передачи в систему диспетчеризации;
- необходимой точностиизмерения.
Выбранные типы приборов учетатепловой энергии и теплоносителя должны быть освидетельствованыГлавгосэнергонадзором России на соответствие "Правилам учета тепловойэнергии и теплоносителя" и допущены к применению на узлах коммерческогоучета.
Основной комплект техническойдокументации на узел учета разрабатывается на основании произведенных расчетови подбора оборудования и включает в себя: принципиальную схему, план и разрезытехнологической части проекта, функциональную и кабельную схемы электрическойчасти проекта, описание принятой схемы узла учета. Проект дополняется типовымиустановочными чертежами узлов и деталей, электрическими схемами подключенийприборов, инструкцией по сдаче в эксплуатацию узла учета, рекомендациями поэксплуатации и формой ведения журнала учета тепловой энергии, взаимнымиобязательствами эксплуатирующей и энергоснабжающей организаций.
Проект согласовывается сослужбой эксплуатации энергоснабжающей организации.
После монтажа, проведенияпуско-наладочных работ узел учета по акту принимается энергоснабжающейорганизацией и передается заказчику для эксплуатации.
| Параметры | |
| t | - температура |
| p | - давление |
| G | -масса воды |
| Q | - тепловая энергия |
| T | - время |
| Индексы | |
| 1 | - подающий трубопровод |
| 2 | - обратный трубопровод |
| п | - подпитка |
| хв | - холодная вода |
| гв | - горячее водоснабжение |
| Точки измерения | |
|
| - температуры |
|
| - давления |
|
| - расхода теплоносителя |
| Технологические требования | |
|
| - учитываемый параметр |
|
| - регистрируемый параметр |
|
| - узел учета |
| Оборудование | |
|
| - насос |
|
| - теплообменник |
|
| - элеватор |
|
| - трубопровод |
|
| - задвижка |
|
| - отопительный прибор |
| Автоматика | |
| Р1 | - манометр |
| Т1 | - термометр |
| ТЕ | - преобразователь температуры |
| GER1 | - первичный преобразователь теплосчетчика |
| GER2 | - водосчетчик |
| UQR | - регистратор |
| NQR | - принтер |
| FQIS | - тепловычислитель |
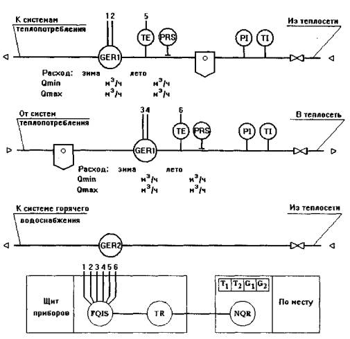
Закрытая система теплопотребления при независимом присоединении системыотопления через теплообменник на основе теплосчетчика, водосчетчика ирегистрирующего прибора

На узле учета определяются ирегистрируются с помощью приборов:
- время работы приборов;
- полученная тепловая энергия;
- масса (объем) теплоносителя, полученногопо подающему трубопроводу;
- масса (объем) теплоносителя,возвращенного по обратному трубопроводу;
- масса (объем) теплоносителя,проходящего по подпиточному трубопроводу;
- температура теплоносителя вподающем трубопроводе;
- температура теплоносителя вобратном трубопроводе.
Закрытая система теплопотребления при зависимом присоединениисистемы отопления через элеватор на основе теплосчетчика, водосчетчика ирегистрирующего прибора

На узле учета определяются ирегистрируются с помощью приборов:
- время работы приборов;
- полученная тепловая энергия;
- масса (объем) теплоносителя,полученного по подающему трубопроводу;
- масса (объем) теплоносителя,возвращенного по обратному трубопроводу;
- температура теплоносителя вподающем трубопроводе;
- температура теплоносителя вобратном трубопроводе.
Закрытая систематеплопотребления при зависимом присоединении системы отопления черезнасос на основе теплосчетчика, водосчетчика и регистрирующего прибора

На узлеучета определяются и регистрируются с помощью приборов:
- время работы приборов;
- полученная тепловая энергия;
- масса (объем) теплоносителя,полученного по подающему трубопроводу;
- масса (объем) теплоносителя,возвращенного по обратному трубопроводу;
- температура теплоносителя вподающем трубопроводе;
- температура теплоносителя вобратном трубопроводе.
Закрытая система теплопотребления при независимом присоединениисистемы отопления через теплообменник на основе теплосчетчика и водосчетчика

На узле учетаопределяются с помощью приборов:
- время работы приборов;
- полученная тепловая энергия;
- масса (объем) теплоносителя,полученного по подающему трубопроводу;
- масса (объем) теплоносителя,возвращенного по обратному трубопроводу;
- масса (объем) теплоносителя,проходящего по подпиточному трубопроводу;
- температура теплоносителя вподающем трубопроводе;
- температура теплоносителя вобратном трубопроводе.
Закрытая система теплопотребления при зависимом присоединениисистемы отопления через элеватор на основе теплосчетчика и водосчетчика

На узлеучета определяются с помощью приборов:
- время работы приборов;
- полученная тепловая энергия;
- масса (объем) теплоносителя,полученного по подающему трубопроводу;
- масса (объем) теплоносителя,возвращенного по обратному трубопроводу;
- температура теплоносителя вподающем трубопроводе;
- температура теплоносителя вобратном трубопроводе.
Закрытая система теплопотребления при зависимом присоединениисистемы отопления через насос на основе теплосчетчика и водосчетчика

На узлеучета определяются с помощью приборов:
- время работы приборов;
- полученная тепловая энергия;
- масса (объем) теплоносителя,полученного по подающему трубопроводу;
- масса (объем) теплоносителя,возвращенного по обратному трубопроводу;
- температура теплоносителя вподающем трубопроводе;
- температура теплоносителя вобратном трубопроводе.
Закрытая система теплопотребления при независимом присоединениисистемы отопления через теплообменник на основе водосчетчиков

На узлеучета определяются с помощью приборов:
- время работы приборов;
- масса (объем) теплоносителя,полученного по подающему трубопроводу;
- масса (объем) теплоносителя,возвращенного по обратному трубопроводу;
- масса (объем) теплоносителя, проходящего по подпиточномутрубопроводу.
Закрытая система теплопотребления при зависимом присоединениисистемы отопления через элеватор на основе водосчетчиков

На узлеучета определяются с помощью приборов:
- время работы приборов;
- масса (объем) теплоносителя,полученного по подающему трубопроводу;
- масса (объем) теплоносителя,возвращенного по обратному трубопроводу.
Закрытая система теплопотребления при зависимом присоединениисистемы отопления через насос на основе водосчетчиков

На узлеучета определяются с помощью приборов:
- время работы приборов;
- масса (объем) теплоносителя,полученного по подающему трубопроводу;
- масса (объем) теплоносителя,возвращенного по обратному трубопроводу.
Открытая система теплопотребления при независимом присоединениисистемы отопления через теплообменник на основе теплосчетчика, водосчетчика ирегистрирующего прибора

На узле учета определяются и регистрируются спомощью приборов:
- время работы приборов;
- полученная тепловая энергия;
- масса (объем) теплоносителя,полученного по подающему трубопроводу;
- масса (объем) теплоносителя,возвращенного по обратному трубопроводу;
- масса (объем) теплоносителя,проходящего по подпиточному трубопроводу;
- масса (объем) теплоносителя, израсходованногона водоразбор в системе горячего водоснабжения;
- температура теплоносителя вподающем трубопроводе;
- температура теплоносителя вобратном трубопроводе;
- давление теплоносителя вподающем трубопроводе;
- давление теплоносителя вобратном трубопроводе.
Открытая система теплопотребления при зависимом присоединениисистемы отопления через элеватор на основе теплосчетчика, водосчетчика ирегистрирующего прибора

На узле учета определяются и регистрируются спомощью приборов:
- время работы приборов;
- полученная тепловая энергия;
- масса (объем) теплоносителя,полученного по подающему трубопроводу;
- масса (объем) теплоносителя,возвращенного по обратному трубопроводу;
- масса (объем) теплоносителя,израсходованного на водоразбор в системе горячего водоснабжения;
- температура теплоносителя вподающем трубопроводе;
- температура теплоносителя вобратном трубопроводе;
- давление теплоносителя вподающем трубопроводе;
- давление теплоносителя вобратном трубопроводе.
Открытая система теплопотребления при зависимом присоединениисистемы отопления через насос на основе теплосчетчика, водосчетчика ирегистрирующего прибора

На узле учета определяются и регистрируются спомощью приборов:
- время работы приборов;
- полученная тепловая энергия;
- масса (объем) теплоносителя,полученного по подающему трубопроводу;
- масса (объем) теплоносителя,возвращенного по обратному трубопроводу;
- масса (объем) теплоносителя,израсходованного на водоразбор в системе горячего водоснабжения;
- температура теплоносителя вподающем трубопроводе;
- температура теплоносителя вобратном трубопроводе;
- давление теплоносителя вподающем трубопроводе;
- давление теплоносителя вобратном трубопроводе.
Открытая система теплопотребления при независимом присоединениисистемы отопления через теплообменник на основе теплосчетчика и водосчетчика

На узлеучета определяются с помощью приборов:
- время работы приборов;
- полученная тепловая энергия;
- масса (объем) теплоносителя, полученногопо подающему трубопроводу;
- масса (объем) теплоносителя,возвращенного по обратному трубопроводу;
- масса (объем) теплоносителя,проходящего по подпиточному трубопроводу;
- масса (объем) теплоносителя,израсходованного на водоразбор в системе горячего водоснабжения;
- температура теплоносителя вподающем трубопроводе;
- температура теплоносителя вобратном трубопроводе;
- давление теплоносителя вподающем трубопроводе;
- давление теплоносителя вобратном трубопроводе.
Открытая система теплопотребления при зависимом присоединениисистемы отопления через элеватор на основе теплосчетчика и водосчетчика

На узле учета определяются спомощью приборов:
- время работы приборов;
- полученная тепловая энергия;
- масса (объем) теплоносителя, полученногопо подающему трубопроводу;
- масса (объем) теплоносителя,возвращенного по обратному трубопроводу;
- масса (объем) теплоносителя,израсходованного на водоразбор в системе горячего водоснабжения;
- температура теплоносителя вподающем трубопроводе;
- температура теплоносителя вобратном трубопроводе;
- давление теплоносителя вподающем трубопроводе;
- давление теплоносителя вобратном трубопроводе.
Открытая система теплопотребления при зависимом присоединениисистемы отопления через насос на основе теплосчетчика и водосчетчика

На узле учета определяются спомощью приборов:
- время работы приборов;
- полученная тепловая энергия;
- масса (объем) теплоносителя,полученного по подающему трубопроводу;
- масса (объем) теплоносителя, возвращенногопо обратному трубопроводу;
- масса (объем) теплоносителя,израсходованного на водоразбор в системе горячего водоснабжения;
- температура теплоносителя вподающем трубопроводе;
- температура теплоносителя вобратном трубопроводе;
- давление теплоносителя вподающем трубопроводе;
- давление теплоносителя вобратном трубопроводе.
Открытая система теплопотребления при независимом присоединениисистемы отопления через теплообменник на основе водосчетчиков

На узле учета определяются спомощью приборов:
- время работы приборов;
- масса (объем) теплоносителя,полученного по подающему трубопроводу;
- масса (объем) теплоносителя,возвращенного по обратному трубопроводу;
- масса (объем) теплоносителя,проходящего по подпиточному трубопроводу;
- масса (объем) теплоносителя,израсходованного на водоразбор в системе горячего водоснабжения.
Открытая система теплопотребления при зависимом присоединениисистемы отопления через элеватор на основе водосчетчиков

На узле учета определяются спомощью приборов:
- время работы приборов;
- масса (объем) теплоносителя,полученного по подающему трубопроводу;
- масса (объем) теплоносителя,возвращенного по обратному трубопроводу;
- масса (объем) теплоносителя,израсходованного на водоразбор в системе горячего водоснабжения.
Открытая .система теплопотребления при зависимом присоединениисистемы отопления через насос на основе водосчетчиков

На узле учета определяются спомощью приборов:
- время работы приборов;
- масса (объем) теплоносителя,полученного по подающему трубопроводу;
- масса (объем) теплоносителя,возвращенного по обратному трубопроводу;
- масса (объем) теплоносителя, израсходованного на водоразбор в системегорячего водоснабжения.
Местная система теплопотребления на основе теплосчетчика, водосчетчикаи регистрирующего прибора

На узле учета определяются ирегистрируются с помощью приборов:
- время работы приборов;
- полученная тепловая энергия;
- масса (объем) теплоносителя,полученного по подающему трубопроводу системы отопления;
- масса (объем) теплоносителя,возвращенного по обратному трубопроводу системы отопления;
- масса (объем) теплоносителя,израсходованного на водоразбор в системе горячего водоснабжения;
- температура теплоносителя вподающем трубопроводе;
- температура теплоносителя вобратном трубопроводе.
Местная система теплопотребления на основе теплосчетчика иводосчетчика

На узле учета определяются спомощью приборов:
- время работы приборов;
- полученная тепловая энергия;
- масса (объем) теплоносителя,полученного по подающему трубопроводу системы отопления;
- масса (объем) теплоносителя,возвращенного по обратному трубопроводу системы отопления;
- масса (объем) теплоносителя,израсходованного на водоразбор в системе горячего водоснабжения;
- температура теплоносителя вподающем трубопроводе;
- температура теплоносителя вобратном трубопроводе.
Местная система теплопотребления на основе водосчетчиков

На узле учета определяются спомощью приборов:
- время работы приборов;
- масса (объем) теплоносителя,полученного по подающему трубопроводу системы отопления;
- масса (объем) теплоносителя,возвращенного по обратному трубопроводу системы отопления;
- масса (объем) теплоносителя,израсходованного на водоразбор в системе горячего водоснабжения.
Закрытая система теплопотребления при независимом присоединениисистемы отопления через теплообменник на основе теплосчетчика СТ, водосчетчикаВСТ и регистрирующего прибора

На узле учета устанавливаются:
- теплосчетчик СТ на подающемтрубопроводе;
- водосчетчик ВСТ на обратномтрубопроводе;
- водосчетчик ВСГ на подпиточномтрубопроводе;
- регистрирующий прибор *.
* прибор типа РПТ 2200 М
Приборы "Supercal - 430" и регистрирующий прибор устанавливаются в приборных щитах.
Принтер может быть переносным иподключаться к регистрирующему прибору на момент распечатки показаний.
Закрытая система теплопотребления при зависимом присоединениисистемы отопления через элеватор или насос на основе теплосчетчика СТ,водосчетчика ВСТ и регистрирующего прибора

На узле учета устанавливаются:
- теплосчетчик СТ на подающемтрубопроводе;
- водосчетчик ВСТ на обратномтрубопроводе;
- регистрирующий прибор *.
* прибор типа РПТ 2200 М
Приборы "Supercal - 430" и регистрирующий прибор устанавливаются в приборных щитах.
Принтер может быть переносным иподключаться к регистрирующему прибору на момент распечатки показаний.
Закрытая система теплопотребления при независимом присоединениисистемы отопления через теплообменник на основе теплосчетчика СТ и водосчетчикаВСГ

На узле учета устанавливаются:
- теплосчетчик СТ на подающемтрубопроводе;
- водосчетчик ВСГ на обратномтрубопроводе;
- водосчетчик ВСГ на подпиточномтрубопроводе.
Прибор "Supercal - 430" устанавливается в приборном щите.
Закрытая система теплопотребления при зависимом присоединениисистемы отопления через элеватор или насос на основе теплосчетчика СТ иводосчетчика ВСГ

На узле учета устанавливаются:
- теплосчетчик СТ на подающемтрубопроводе;
- водосчетчик ВСГ на обратномтрубопроводе.
Прибор "Supercal - 430" устанавливается в приборном щите.
Закрытая система теплопотребления при независимом присоединениисистемы отопления через теплообменник на основе водосчетчиков ВСГ

На узле учета устанавливаются:
- водосчетчик ВСГ на подающемтрубопроводе;
- водосчетчик ВСГ на обратномтрубопроводе;
- водосчетчик ВСГ на подпиточномтрубопроводе.
Закрытая система теплопотребления при зависимом присоединениисистемы отопления через элеватор или насос на основе водосчетчиков ВСГ

На узле учета устанавливаются:
- водосчетчик ВСГ на подающемтрубопроводе;
- водосчетчик ВСГ на обратномтрубопроводе.
Открытая система теплопотребления при зависимом присоединениисистемы отопления через элеватор или насос на основе теплосчетчика СТ,водосчетчика ВСТ и регистрирующего прибора

На узле учета устанавливаются:
- теплосчетчик СТ на подающемтрубопроводе;
- водосчетчик ВСТ на обратномтрубопроводе;
- водосчетчик ВСГ натрубопроводе системы горячего водоснабжения;
- регистрирующий прибор *.
* прибор типа РПТ 2200 М
Приборы "Supercal - 430" и регистрирующий прибор устанавливаются в приборных щитах.
Принтер может быть переносным иподключаться к регистрирующему прибору на момент распечатки показаний.
Открытая система теплопотребления при независимом присоединениисистемы отопления через теплообменник на основе теплосчетчика СТ, водосчетчикаВСТ и регистрирующего прибора

На узле учета устанавливаются:
- теплосчетчик СТ на подающемтрубопроводе;
- водосчетчик ВСТ на обратномтрубопроводе;
- водосчетчик ВСГ на подпиточномтрубопроводе;
- водосчетчик ВСГ натрубопроводе системы горячего водоснабжения;
- регистрирующий прибор *.
* прибор типа РПТ 220 М
Приборы "Supercal - 430" и регистрирующий прибор устанавливаются в приборных щитах.
Принтер может быть переносным иподключаться к регистрирующему прибору на момент распечатки показаний.
Открытая система теплопотребления при независимом присоединениисистемы отопления через теплообменник на основе теплосчетчика СТ и водосчетчикаВСГ

На узле учета устанавливаются:
- теплосчетчик СТ на подающемтрубопроводе;
- водосчетчик ВСГ на обратномтрубопроводе;
- водосчетчик ВСГ на подпиточномтрубопроводе;
- водосчетчик ВСГ натрубопроводе системы горячего водоснабжения.
Прибор "Supercal - 430" устанавливается в приборном щите.
Открытая система теплопотребления при зависимом присоединениисистемы отопления через элеватор или насос на основе теплосчетчика СТ иводосчетчика ВСГ

На узле учета устанавливаются:
- теплосчетчик СТ на подающемтрубопроводе;
- водосчетчик ВСГ на обратномтрубопроводе;
- водосчетчик ВСГ натрубопроводе системы горячего водоснабжения.
Прибор "Supercal - 430" устанавливается в приборном щите.
Открытая система теплопотребления при независимом присоединениисистемы отопления через теплообменник на основе водосчетчиков ВСГ

На узле учета устанавливаются:
- водосчетчик ВСГ на подающемтрубопроводе;
- водосчетчик ВСГ на обратномтрубопроводе;
- водосчетчик ВСГ на подпиточномтрубопроводе;
- водосчетчик ВСГ натрубопроводе системы горячего водоснабжения.
Открытая система теплопотребления при зависимом присоединениисистемы отопления через элеватор или насос на основе водосчетчиков ВСГ

На узле учета устанавливаются:
- водосчетчик ВСГ на подающемтрубопроводе;
- водосчетчик ВСГ на обратномтрубопроводе;
- водосчетчик ВСГ натрубопроводе системы горячего водоснабжения.
Местная система теплопотребления на основе теплосчетчика СТ,водосчетчика ВСТ и регистрирующего прибора

На узле учета устанавливаются:
- теплосчетчик СТ на подающемтрубопроводе системы отопления;
- водосчетчик ВСТ на обратномтрубопроводе отопления;
- водосчетчик ВСГ натрубопроводе системы горячего водоснабжения;
- регистрирующий прибор *.
* прибор типа РПТ 2200 М
Приборы "Supercal - 430" и регистрирующий прибор устанавливаются в приборных щитах.
Принтер может быть переносным иподключаться к регистрирующему прибору на момент распечатки показаний.
Местная система теплопотребления на основе теплосчетчика СТ иводосчетчика ВСГ

На узле учета устанавливаются:
- теплосчетчик СТ на подающемтрубопроводе системы отопления;
- водосчетчик ВСГ на обратномтрубопроводе отопления;
- водосчетчик ВСГ натрубопроводе системы горячего водоснабжения.
Прибор "Supercal - 430" устанавливается в приборном щите.
Местная система теплопотребления на основе водосчетчиков ВСГ

На узле учета устанавливаются:
- водосчетчик ВСГ на подающемтрубопроводе системы отопления;
- водосчетчик ВСГ на обратномтрубопроводе отопления;
- водосчетчик ВСГ на трубопроводесистемы горячего водоснабжения.
Закрытая система теплопотребления при независимом присоединениисистемы отопления через теплообменник на основе теплосчетчика SA 94/2M ирегистрирующего прибора РПТ - 2200МА

На узле учета устанавливаются:
- первичный преобразователь ПРНна подающем трубопроводе;
- первичный преобразователь ПРНна обратном трубопроводе;
- водосчетчик ВСГ на подпиточномтрубопроводе;
- регистрирующий прибор РПТ -2200 МА.
Приборы ИВБ и РПТ - 2200МАустанавливаются в приборном щите.
Принтер может быть переносным иподключаться к прибору РПТ - 2200МА на момент распечатки показаний.
Закрытая система теплопотребления при зависимом присоединениисистемы отопления через элеватор или насос на основе теплосчетчика SA 94/2M и регистрирующегоприбора РПТ - 2200МА

На узле учета устанавливаются:
- первичный преобразователь ПРНна подающем трубопроводе;
- первичный преобразователь ПРНна обратном трубопроводе;
- регистрирующий прибор РПТ -2200МА.
Приборы ИВБ и РПТ - 2200МА устанавливаютсяв приборном щите.
Принтер может быть переносным иподключаться к прибору РПТ - 2200МА на момент распечатки показаний.
Закрытая система теплопотребления при независимом присоединениисистемы отопления через теплообменник на основе теплосчетчика SA 94/2M

На узле учета устанавливаются:
- первичный преобразователь ПРНна подающем трубопроводе;
- первичный преобразователь ПРНна обратном трубопроводе;
- водосчетчик ВСГ на подпиточномтрубопроводе;
- прибор ИВБ.
Закрытая система теплопотребления при зависимом присоединениисистемы отопления через элеватор или насос на основе теплосчетчика SA 94/2M

На узле учета устанавливаются:
- первичный преобразователь ПРНна подающем трубопроводе;
- первичный преобразователь ПРНна обратном трубопроводе;
- прибор ИВБ.
Открытая система теплопотребления при независимом присоединениисистемы отопления через теплообменник на основе теплосчетчика SA 94/2M ирегистрирующего прибора РПТ - 2200МА

На узле учета устанавливаются:.
- первичный преобразователь ПРНна подающем трубопроводе;
- первичный преобразователь ПРНна обратном трубопроводе;
- водосчетчик ВСГ на подпиточномтрубопроводе;
- водосчетчик ВСГ натрубопроводе системы горячего водоснабжения;
- регистрирующий прибор РПТ -2200МА.
Приборы ИВБ и РПТ - 2200МАустанавливаются в приборном щите.
Принтер может быть переносным иподключаться к прибору РПТ - 2200МА на момент распечатки показаний.
Открытая система теплопотребления при зависимом присоединениисистемы отопления через элеватор или насос на основе теплосчетчика SA 94/2M ирегистрирующего прибора РПТ - 2200МА

На узле учета устанавливаются:
- первичный преобразователь ПРНна подающем трубопроводе;
- первичный преобразователь ПРНна обратном трубопроводе;
- водосчетчик ВСГ натрубопроводе системы горячего водоснабжения;
- регистрирующий прибор РПТ -2200МА.
Приборы ИВБ и РПТ - 2200МАустанавливаются в приборном щите.
Принтер может быть переносным иподключаться к прибору РПТ - 2200МА на момент распечатки показаний.
Открытая система теплопотребления при независимом присоединениисистемы отопления через теплообменник на основе теплосчетчика SA 94/2M

На узле учета устанавливаются:
- первичный преобразователь ПРНна подающем трубопроводе;
- первичный преобразователь ПРНна обратном трубопроводе;
- водосчетчик ВСГ на подпиточномтрубопроводе;
- водосчетчик ВСГ натрубопроводе системы горячего водоснабжения;
- прибор ИВБ.
Местная система теплопотребления на основе теплосчетчика SA 94/2M ирегистрирующего прибора РПТ - 2200МА

На узле учета устанавливаются:
- первичный преобразователь ПРНна подающем трубопроводе системы отопления;
- первичный преобразователь ПРНна обратном трубопроводе системы отопления;
- водосчетчик ВСГ натрубопроводе системы горячего водоснабжения;
- регистрирующий прибор РПТ -2200МА.
Приборы ИВБ и РПТ - 2200МАустанавливаются в приборном щите.
Принтер может быть переносным иподключаться к прибору РПТ - 2200МА на момент распечатки показаний.
Местная система теплопотребления на основе теплосчетчика SA 94/2M

На узле учета устанавливаются:
- первичный преобразователь ПРНна подающем трубопроводе системы отопления;
- первичный преобразователь ПРНна обратном трубопроводе системы отопления;
- водосчетчик ВСГ натрубопроводе системы горячего водоснабжения;
- прибор ИВБ.
Узел учета на основе теплосчетчика СТ, водосчетчика ВСТ иводосчетчика ВСГ
Разрез

|
| - узел учета |
| Экспликация | |
| 1 | Водосчетчик ВСТ |
| 2 | Водосчетчик ВСГ |
| 3 | Фильтр механический |
| 4 | Шаровой кран |
| 5 | Преобразователь температур |
Водосчетчики устанавливаются вудобном для снятия показаний месте. До водосчетчиков по ходу движения теплоносителянеобходимо установить механические фильтры на подающем и обратномтрубопроводах.
Преобразователи температурмонтируются, по возможности, ближе к головным задвижкам. Для удобства демонтажаводосчетчиков предусмотреть на трубопроводах запорную арматуру до и после узлаучета.
Установка приборов ВСТ, ВСГ
Ду 40 и менее

Ду 50 и более

Счетчик монтируется только нагоризонтальном участке трубопровода циферблатом вверх.
Непосредственно перед счетчиком необходимопредусмотреть прямой участок трубопровода длиной не менее 5Д, а за счетчиком -не менее 1Д, где Д - диаметр трубопровода.
Схема кабельных разводок для теплосчетчика СТ и регистрирующегоприбора

Прибор "Supercal-430" предназначен для настенной установкии должен располагаться в удобном для снятия показаний месте. Преобразователитемпературы (датчики) должны монтироваться симметрично к оси трубопровода, какна подающем так и на обратном трубопроводе. Они снабжены двумя соединительнымипроводами длиной 2 м каждый. Провода не могут быть укорочены, но могут бытьудлинены до 10 м, причем их длины должны быть одинаковы.
Регистрирующий прибор*устанавливается в удобном для эксплуатации месте. Максимальная длина кабеля приподсоединении прибора "Supercal -430" к регистратору составляет 7 м. Максимальная длина кабеля приподсоединении водосчетчика ВСТ к регистратору составляет 10 м.
* прибор типа РПТ 2200 М
Соединительные патрубки для преобразователей температуры прибора СТ
Монтаж преобразователей температуры на трубопроводе

Установка патрубка под углом 45° к оси трубопровода

Установка патрубка под углом 90° к оси трубопровода

Узел учета на основе теплосчетчика SA 94/2M иводосчетчика ВСГ
План

|
| - узел учета |
| Экспликация | |
| 1 | Первичный преобразователь |
| 2 | Водосчетчик ВСГ |
| 3 | Преобразователь температур |
Водосчетчики устанавливаются в удобном для снятияпоказаний месте. Преобразователи температуры монтируются, по возможности, ближек головным задвижкам. Для сдачи в поверку водосчетчиков предусмотреть, принеобходимости, на трубопроводах запорную арматуру до и после оборудования узлаучета.
Установка первичных преобразователей прибора SA 94/2M

Первичный преобразовательмонтируется на горизонтальном, вертикальном или наклонном участке трубопроводапри условии, что весь объем трубы первичного преобразователя заполнентеплоносителем.
Непосредственно перед первичнымпреобразователем необходимо предусмотреть прямой участок трубопровода длиной неменее 5Д, а за счетчиком - не менее 3Д, где Д - диаметр трубопровода.
Схема кабельных разводок для теплосчетчика SA 94/2M ирегистрирующего прибора РПТ - 2200МА

Измерительно-вычислительный блокпредназначен для настенной установки и должен располагаться в удобном дляснятия показаний месте. Преобразователи температуры (датчики) должнымонтироваться симметрично к оси трубопровода как на подающем, так и на обратномтрубопроводе. Длина линий связи между измерительно-вычислительным блоком,первичными преобразователями и преобразователями температур не должна превышать100 м.
Защитная гильза для преобразователей температуры прибора SA 94/2M

Для Ду 10, 15, 25,40,50,80,100 L = 83 мм
Для Ду 150,200 L = 123 мм
Для Ду 300 L = 163 мм
Установка на трубопроводе при Ду 40 и менее

Установка на трубопроводе при Ду 50

Установка на трубопроводе при Ду более 50

Приборы ВСТ
При установке прибора СТ и регистрирующего прибора МУР -1001

При установке прибора СТ

Приборы SA 94/2M
При установке прибора SA 94/2M и регистрирующего прибора РПТ - 2200МА

При установке прибора SA 94/2M

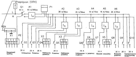
ЩИТОК КОТТЕДЖНЫЙ МКЭМ-1К
СХЕМА ЭЛЕКТРИЧЕСКАЯ ПРИНЦИПИАЛЬНАЯ

А1 - устройство защитногоотключения РСНВ/304 (63А/300ма) или УЗО-М304-2 (63А/300ма); А2, A3 - РСНВ/304(25А/30ма) или УЗО-М304-2 (25А/30ма); А4, А5 - РСНВ/304 (16А/10ма) илиУЗО-М304-2 (16А/10ма);
Р1 - электросчетчик СО-505 (10 - 40А) илиСО-502 (10 - 60А);
Q1 - автоматический выключатель АВ 52 В63 илиАВ 52 В40; Q2 - Q5 - АВ 51 В25; Q6 - Q7- АВ51 В16; Q8 - АВ51 В25;
XI - Х5 - шина с винтовыми соединениями.
В качестве вводно-распределительногоустройства жилого дома для однофазной системы электроснабженияпредусматривается коттеджный щиток МКЭМ-1К. Производство Московского заводаэлектроизмерительных приборов (ОАО "МЗЭП"). Защита отходящих линий вкоттеджном щитке выполняется устройствами защитного отключения (УЗО) иавтоматическими выключателями. УЗО обеспечивают защиту людей от пораженияпеременным электрическим током, а также противопожарную защиту принесовершенном заземлении. При наличии централизованного управления передвводно-распределительным устройством устанавливаются переключающие устройства.
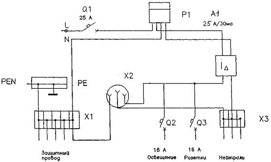
МОДУЛЬ КОММУТАЦИОННЫЙ ЭЛЕКТРИЧЕСКИЙ МНОГОФУНКЦИОНАЛЬНЫЙ МКЭМ-1-25А
Схема электрическая принципиальная

Модуль МКЭМ-1-25А предназначен для учета и распределения электрической энергиинапряжением 220 В 50 Гц в квартирах и других помещениях (гаражах, хозблоках ит.д.).
А1 - устройствозащитного отключения РСНВ/304 (25А/30ма) или УЗО-М304-2 (25А/30ма);
Р1 -электросчетчик СО-505 (10 - 40А);
Q1 - автоматическийвыключатель АВ 51 В25; Q2- Q3 - АВ 51 В16;
XI, Х2 - шина с винтовымисоединениями, Х2 - розетка PA-16"ЕВРОПА".
В качествевводно-распределительного устройства для однофазной системы электроснабженияпредусматривается модуль МКЭМ-1-25А. Производство Московского заводаэлектроизмерительных приборов (ОАО "МЗЭП").
Защита отходящихлиний выполняется устройствами защитного отключения (УЗО) и автоматическимивыключателями. УЗО обеспечивают защиту людей от поражения переменнымэлектрическим током, а также противопожарную защиту при несовершенном заземлении.
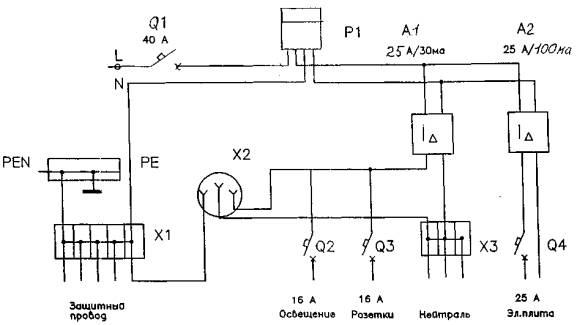
МОДУЛЬ КОММУТАЦИОННЫЙ ЭЛЕКТРИЧЕСКИЙ МНОГОЦЕЛЕВОЙ МКЭМ-1-40А
Схема электрическая принципиальная

Модуль МКЭМ-1-40А предназначен для учета и распределения электрическойэнергии напряжением 220 В 50 Гц в квартирах и других помещениях (гаражах,хозблоках и т.д.).
А1 - устройствозащитного отключения РСНВ/304 (25А/30ма) или УЗО-М304-2(25А/30ма);
А2 - устройствозащитного отключения РСНВ/304 (25А/100ма) или УЗО-М304-2(25А/100ма);
Р1 -электросчетчик СО-505 (10 - 40А) или СО-502 (10 - 60А);
Q1- автоматическийвыключатель АВ 51 В40; Q2- Q3 - АВ 51 В16; Q4 - АВ 51 В25;
X1, X2 - шина с винтовыми соединениями, Х2 -розетка РА-16 "ЕВРОПА".
В качествевводно-распределительного устройства для однофазной системы электроснабженияпредусматривается модуль МКЭМ-1-40А. Производство Московского заводаэлектроизмерительных приборов (ОАО "МЗЭП").
Защита отходящихлиний выполняется устройствами защитного отключения (УЗО) и автоматическимивыключателями. УЗО обеспечивают защиту людей от поражения переменным электрическимтоком, а также противопожарную защиту при несовершенном заземлении.
ЩИТОК КОТТЕДЖНЫЙ МКЭМ-2К
СХЕМА ЭЛЕКТРИЧЕСКАЯ ПРИНЦИПИАЛЬНАЯ

А1 - устройствозащитного отключения РСНВ/304 (63А/300ма) или УЗО-М304-4 (63А/300ма); А2, A3 -РСНВ/304 (25А/30ма) или УЗО-М304-2 (25А/30ма); А4, А5 - РСНВ/304 (16А/10ма) илиУЗО-М304-2 (16А/10ма);
Р1 -электросчетчик ЕТ414 (10 - 40А) или ЕТ-416 (10 - 60А), или СА45(10 - 40)непосредственного включения;
Q1 - автоматическийвыключатель АВ 52 В63 или ПВ 53 В40; Q2 - Q5 -АВ 51 В25; Q6 - Q7 – АВ 51 В16; Q8 - АВ 51 В25;
X1 - Х5 - шина с винтовымисоединениями.
В качествевводно-распределительного устройства жилого дома для однофазной системыэлектроснабжения предусматривается коттеджный щиток МКЭМ-1К. ПроизводствоМосковского завода электроизмерительных приборов (ОАО "МЗЭП").
Защита отходящихлиний в коттеджном щитке выполняется устройствами защитного отключения (УЗО) иавтоматическими выключателями. УЗО обеспечивают защиту людей от пораженияпеременным электрическим током, а также противопожарную защиту принесовершенном заземлении. При наличии централизованного управления передвводно-распределительным устройством устанавливаются переключающие устройства.
АСКУЭ и ЭСП для бытового потребителя.КТС "ЭМОС-МЗЭП"

| АС | адаптер связи |
| ПК | - персональный компьютер |
| ЭКА | - электронная книжка абонента |
| КСН | - контроллер сети - накопитель |
| КС | - контроллер счетчиков |
| ЛВС | - локальная вычислительная сеть |
| УОП | - устройство отключения потребителя |
| СНИ | - сменный накопитель информации |
|
| Проводная линия связи |
|
| Непроводная линия связи |
Система АСКУЭ - "АЛЬФА Дом" на основе счетчиков АЛЬФАтипа А2Т-OL-C9-II для элитногожилого дома и современного офисного здания.
Предназначена дляавтоматизированного учета электроэнергии с учетом дифференцированных по зонамсуток тарифов, а также передачи информации об электропотреблении по телефоннымлиниям связи в районное отделение Энергосбыта АО "Мосэнерго".
Счетчики АЛЬФА -класс точности 0,5, прямого включения на ток до 150А, объединены в системучерез мультиплексоры производства АББ ВЭИ Метроника, по цифровым, каналамсвязи.
Связь сМосэнерго через модем по телефонной линии.
Считывание иобработка измеренных данных при помощи программного обеспечения EMFPLUS иАльфаМет.

ОПИСАНИЕ РАБОТЫ СИСТЕМЫ
Структурная схема техническихсредств автоматизированной системы контроля и учета энергопотребления иэлектронной системы платежей (АСКУЭ и ЭСП) для бытового потребителя
Контроллеры счетчиков (КС) устанавливаютсяна один из счетчиков в этажных осветительных щитках (по одному на щиток) иподключаются к одной из фаз сети 220 В. Телеметрические выходы счетчиков ивходы переключения тарифа соединяются с соответствующими входами и выходами КС.Один КС рассчитан на работу с 4-мя счетчиками. Индикаторы устанавливаются рядомсо щитками и кабелем связываются с соответствующим КС.
В щитовой комнате дома либо натрансформаторной подстанции (ТП) устанавливается контроллер сети - накопитель(КСН) и подключается к сети 220В. КСН обеспечивает работу с 255 удаленнымисчетчиками через 64 КС. Кроме того, к КСН могут быть подключены до 8-мисчетчиков суммарного потребления энергии бытовыми абонентами и потребления натехнические нужды (если они имеются).
Перед пуском системы в КСН спомощью переносного компьютера (лэптопа) вводятся по каждому удаленному ипрямоподключенному счетчику его коэффициент пересчета и начальные показания подвум тарифам. После подачи сетевого напряжения эти данные автоматическиперезаписываются по проводам сети 220 В в соответствующие контроллерысчетчиков. С данного момента в каждом КС по каждому счетчику производитсяпересчет телеметрических импульсов в кВт-часы потребленной электроэнергии инакапливаются в памяти КС.
В КСН от встроенных часов всоответствии с уставками по проводам сети передаются сигналы переключениятарифа, которые принимаются всеми КС и отрабатываются на подключенные к нимсчетчики.
Кроме того, каждые сутки в 0часов КСН производит последовательный запрос данных, накопленных по каждомусчетчику в КС и запись их в свою память. По истечении месяца с КСН передаетсясигнал, по которому производится фиксация в КС данных потребления за месяц исоответствующие данные фиксируются в памяти КСН.
В памяти КСН регистрируютсятакже различные события с фиксацией даты и времени: отключение/включениесетевого напряжения, прием сообщений с телесигнализацией от КС(открытие/закрытие дверей этажных осветительных щитков, обрыв/восстановлениелиний связи КС со счетчиками), отключение/включение отдельных потребителей покомандам, введенным в КСН, отказы в работе отдельных КС.
При пропадании сетевогонапряжения данные, хранимые в ОЗУ КС и КСН, сохраняются в течение несколькихлет.
Для сбора данных энергоучета из КСНслужат сменные электронные носители информации (СНИ). Емкость одного СНИрассчитана на 510 абонентов, срок хранения данных - до 10 лет. В городскомотделении (участке) Энергонадзора организуется автоматизированное рабочее место(АРМ) контролера, оборудованное компьютером с базой данных по энергопотреблениюи платежам бытовых абонентов. Перед входом на объект контролер подключает СНИ ккомпьютеру, с которого в СНИзаписывается справочная информация об абонентах, инструкции контролеру имаршрут могут быть просмотрены на дисплее. При подходе к месту установки КСНконтролер подключает к соответствующему разъему КСН "чистый" СНИ, и втечение 10 секунд вся информация по энергопотреблению из КСН переписывается вСНИ.
После сбора данных от всехзапланированных КСИ контролер возвращается в отделение (участок) и передает СНИс записанной информацией старшему контролеру для ввода данных в компьютер.
Индикатор предусмотрен на каждомэтаже для предоставления абонентам всех данных для правильной оплаты заэлектроэнергию.
Подключив кратковременно кразъему на индикаторе свой индивидуальный электронный ключ - электронную книжкуабонента (ЭКА), которая по конструкции аналогична СНИ, абонент можетпросмотреть на подсвечиваемом ЖК-индикаторе последовательно следующую информацию:тарифы на электроэнергию и время их переключения, текущие показания счетчика покаждому тарифу, значение потребленной электроэнергии, ее стоимость запредыдущий месяц и общую задолженность. При этом, если будет введен блочныйтариф (стоимость электроэнергии зависит от объема потребления), это будетучтено. Одновременно в ЭКА производится запись всех этих данных, которые приоснащении отделений банков соответствующей несложной считывающей аппаратуройбудут считываться в компьютер операциониста банка. После оплаты соответствующейсуммы в ЭКА будет сделана отметка. По возвращении домой абонент снова касаетсяразъема на индикаторе своей ЭКА и на ЖК-индикаторе будет отображено погашениедолга. В индикаторе предусмотрено также и звуковое оповещение о задержке соплатой. Очевидно, что данная система позволяет легко перейти к режимупредварительной оплаты.
Каждый счетчик может бытьдооснащен устройством отключения потребителя (УОП), которое по команде с КСНпроизводит отключение сетевого напряжения отдельного потребителя в случаедлительной неуплаты, несмотря на неоднократные предупреждения, либо призначительном превышении допустимой потребляемой мощности.
Следует отметить, что даннаясистема может быть расширена и на учет и контроль потребления других энергоресурсов:воды, тепла, газа при оснащении квартир соответствующими датчиками(счетчиками). Целесообразно использовать ЭКА в качестве единой книжки платежейза коммунальные услуги, включая и квартплату, поскольку появляется действенноесредство воздействия на злостных неплательщиков через дистанционное отключениеэлектроснабжения провинившегося абонента.
Стоимость автоматизации впересчете на одного абонента не более 50 - 70 % стоимости двухтарифногоэлектросчетчика. Затраты времени и средств на массовую автоматизациюминимальны, т.к. линии связи провода силовой сети уже существуют.