Меню
Навигация
Novatika
Novatika
OT-GURU

ТУ 36.1138-83 «Оправы закладные. Технические условия»

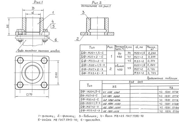
Настоящие технические условия распространяются на оправы закладные, состоящие из трубы закладной и сальника с фланцем или из трубы закладной и бобышки с фланцем. Оправы закладные предназначены для установки преобразователей термоэлектрических по ГОСТ 6616-74 в кирпичной кладке печей и аппаратах с внутренней кирпичной кладкой. Материал трубы выбирается в зависимости от измеряемой температуры: при температуре до 450 °С - сталь углеродистая обыкновенного качества по ГОСТ 380-71, при температуре свыше 450 °С - 12?18H10Т ГОСТ 9941-81. Сальник с фланцем и бобышка с фланцем изготавливаются методом литья под давлением из алюминиевого сплава для применения при температуре до 450 °С, а при температуре свыше 450 °С - из стали А20 ГОСТ 1414-75. Фланец, привариваемый к трубе, сальнику и бобышке, предназначенным для работы при температуре свыше 450 °С, изготавливается из стали В Ст3 кп2 ГОСТ 380-71. Для трубы, применяемой при температуре до 450 °С, используется этот же фланец.
Настоящие технические условия устанавливают требования к оправам закладным, изготовляемым для нужд народного хозяйства и для поставки на экспорт.

Обозначение: ТУ 36.1138-83
Название рус.: Оправы закладные. Технические условия
Статус: действующий
Заменяет собой: ТУ 36.1138-74 ТУ 36.ЭД1.1138-78
Дата актуализации текста: 01.01.2009
Дата добавления в базу: 29.04.2009
Дата введения в действие: 15.02.1984
Разработан: Главмонтажавтоматика
Утвержден: Главмонтажавтоматика (18.11.1984)
Опубликован: Главмонтажавтоматика № 1984

Министерство монтажных и специальных строительных работ СССР

Главмонтажавтоматика

 

Группа П21

ВИФС

СОГЛАСОВАНО

Главный инженер В/О

«Металлургзарубежстрой»

ОПРАВЫЗАКЛАДНЫЕ

Технические условия

ТУ36.1138-83

(Взамен ТУ36.1138-74 и ТУ36.ЭД1.1138-78)

Срок действия с 15.02.1984 г.

до 15.02.1994 г.

(Измененная редакция, Изм. №2).

СОГЛАСОВАНО

Главный инженер Управления

«Загранкомплектавтоматика»

Главный инженер треста

«Промавтоматика»

 

Заместитель директора ГПИ

«Проектмонтажавтоматика» - БОС

 

Главный инженер треста "Уралмонтажавтоматика"

 

 

Настоящие техническиеусловия распространяются на оправы закладные, состоящие из трубы закладной исальника с фланцем или из трубы закладной и бобышки с фланцем. Оправы закладныепредназначены для установки преобразователей термоэлектрических по ГОСТ 6616-74в кирпичной кладке печей и аппаратах с внутренней кирпичной кладкой. Материалтрубы выбирается в зависимости от измеряемой температуры: при температуре до450 °С - сталь углеродистая обыкновенного качества по ГОСТ 380-71, притемпературе свыше 450 °С - 12×18H10Т ГОСТ9941-81. Сальник с фланцем и бобышка с фланцем изготавливаются методомлитья под давлением из алюминиевого сплава для применения при температуре до450 °С, а при температуре свыше 450 °С - из стали А20 ГОСТ1414-75. Фланец, привариваемый к трубе, сальнику и бобышке, предназначеннымдля работы при температуре свыше 450 °С, изготавливается из стали В Ст3 кп2 ГОСТ380-71. Для трубы, применяемой при температуре до 450 °С, используется этотже фланец.

Настоящие технические условия устанавливают требования коправам закладным, изготовляемым для нужд народного хозяйства и для поставки наэкспорт.

Климатическое исполнение оправ закладных У и Т категории 2по ГОСТ15150-69.

Пример записи при заказе:

трубы закладной длиной 197 мм для температуры до 450 °С -

"Труба закладная 197-C У2 ТУ36.1138-83";

"Труба закладная 197-C Т2 ТУ36. 1138-83";

трубы закладной длиной 197 мм для температуры свыше 450 С -

"Труба закладная 197-Х У2 ТУ36. 1138-83";

"Труба закладная 197-Х Т2 ТУ36. 1138-83";

сальник с фланцем для температуры до 450 С -

"Сальник с фланцем СФ-С У2 ТУ36. 1138-83";

"Сальник с фланцем СФ-С Т2 ТУ36. 1138-83";

(Измененная редакция, Изм. №2).

сальник с фланцем для температуры свыше 450°С -

для умеренного климата - "Сальник с фланцем СФ-Х У2ТУ36. 1138-83";

для тропического климата - "Сальник с фланцем СФ-Х 12ТУ36. 1138-83";

бобышка с фланцем для температуры до 450 °С с резьбойМ20×1,5 -

для умеренного климата - "Бобышка с фланцемБФ-М20×1,5-С У2 ТУ36. 1138-83";

для тропического климата - "Бобышка с фланцемБФ-М20×1,5-С Т2 ТУ36. 1138-83";

бобышка с фланцем для температуры свыше 450 °С с резьбойМ20×1,5 -

"Бобышка с фланцем БФ-М20×1,5-Х У2 ТУ36.1138-83";

для тропического климата - "Бобышка с фланцемБФ-М20×1,5-Х Т2 ТУ36. 1138-83".

Перечень документов, использованных в настоящих техническихусловиях, приведен в приложении 4.

Оправы закладные должны соответствовать условиям,предусмотренным заказ-нарядом, и "Условиям поставки товаров дляэкспорта", утвержденным постановлением Совета Министров СССР от 17сентября 1980 года № 804.

(Измененная редакция, Изм. №2).

Содержание

1. ТЕХНИЧЕСКИЕ ТРЕБОВАНИЯ

1.1. Общие требования

1.1.1. Оправы закладные должнысоответствовать требованиям настоящих технических условий и комплектадокументации: X26.240.015, Х26.434.035, X26.452.019.

1.2. Основные параметры и размеры

1.2.1. Код ОКП, основные размеры имасса оправ закладных приведены в приложениях 1, 2, 3 настоящих техническихусловий.

1.2.2. Неуказанные предельные размерыобрабатываемых поверхностей должны соответствовать по H14, h14 остальных пo Js 14 ГОСТ25346-82, ГОСТ25347-82.

1.2.3. Резьба на деталяхдолжна соответствовать требованиям конструкторской документации и ГОСТ24705-81. Поле допуска по ГОСТ16093-81.

1.3. Характеристики

1.3.1. Размеры оправ не должнывыходить за пределы, установленные пунктами 1.2.1.,1.2.2. настоящих технических условий.

1.3.2. Средний срок службы оправ закладных - 6 лет.

1.3.3. Поверхности деталей должны бытьчистыми и не должны иметь забоин, заусенцев, трещин, следов расслоения, раковини признаков коррозии.

1.3.4. На деталях из алюминиевогосплава литниковые прибыли должны быть удалены, а места литниковых прибылей -зачищены.

1.3.5. Шероховатость обрабатываемыхповерхностей должна соответствовать ГОСТ 2789-73 и указаниямконструкторской документации.

1.3.6. Сварные швы должнысоответствовать требованиям рабочих чертежей и не должны иметь подрезов,прожогов, трещин. На сварных швах и околошовных зонах не должно быть наплывов,подтеков, брызг металла, шлака, окалин, остатков флюса.

1.3.7.Антикоррозионные покрытия должны выполняться согласно таблице и должнысоответствовать ГОСТ9.301-86.

Тип

Покрытие

Тип

Покрытие

У2

Т2

У2

Т2

Бобышка сфланцем:

 

 

Труба закладная:

 

 

БФ-М20×1,5-С

-

-

502-С

Хим. окc. прм

Ц15хр

БФ-М27×2-С

-

-

547-С

Хим. окc. прм

Ц15хр

БФ-М33×2-С

-

-

662-С

Хим. окc. прм

Ц15хр

БФ-М20×1,5-Х, 5-Х

Хим. окc. прм

Ц15хр

777-С

Хим. окc. прм

Ц15хр

БФ-М27×2-Х

Хим. окc. прм

Ц15хр

892-С

Хим. окc. прм

Ц15хр

БФ-М33×2-Х

Хим. окc. прм

Ц15хр

197-Х

-

-

Сальник с фланцем:

 

 

312-Х

-

-

СФ-С

-

-

432-Х

-

-

СФ-Х

Хим. окc. прм

Ц15хр

502-Х

-

-

Труба закладная:

 

 

547-Х

-

-

197-C

Хим. окc. прм

Ц15хр

662-Х

-

-

312-C

Хим. окc. прм

Ц15хр

777-Х

-

-

432-С

Хим. окc. прм

Ц15хр

892-Х

-

-

1.3.8. Удельнаяматериалоемкость не более:

- для трубы закладной - 0,0043 кг/мм;

- для сальника с фланцем - 0,035 кг/мм;

- для бобышки с фланцем - 0,02 кг/мм.

За определяющий параметр принято:

- для трубы закладной - длина трубы в мм;

- для сальника с фланцем - максимальный диаметрустанавливаемого термоэлектрического прибора в мм;

(Измененная редакция, Изм. №2).

- для бобышки с фланцем - наружный диаметр бобышки в мм.

1.4. Комплектность

1.4.1. В комплект поставки входит:

1) труба закладная - 1 шт.;

2) сальник с фланцем с прокладкой и крепежными деталями илибобышка с фланцем с прокладкой и крепежными деталями - 1 шт.;

3) этикетка - одна на упаковку.

Каждый элемент оправы закладной - труба закладная, сальник сфланцем, бобышка с фланцем - может поставляться отдельно в зависимости отзаказа.

1.4.2. При поставке на экспорт в комплект дополнительновходит товаросопроводительная документация, оформленная по ГОСТ 6.37-79, вколичестве, указанном в заказ-наряде в соответствии с "Положением опорядке составления, оформления и рассылки технической и товаросопроводительнойдокументации на товары, поставляемые для экспорта" от 29 декабря 1979 г.Минвнешторга № 567.

1.5. Маркировка

1.5.1. Маркировка оправ закладных для внутрисоюзной поставкидолжна содержать:

1) товарный знак завода-изготовителя;

2) тип оправы закладной и вид климатического исполнения;

3) дату выпуска;

4) обозначение настоящих технических условий.

1.5.2. Маркировка оправ закладных при поставке на экспортдолжна содержать:

1) тип оправы закладной и вид климатического исполнения;

2) дату выпуска;

3) надпись "Сделано в СССР".

1.5.3. Данные маркировки должны быть приведены в этикетке.

1.5.4. Размер резьбы должен быть нанесен непосредственно набобышку. Место и способ нанесения указаны в рабочем чертеже.

1.5.5. Транспортная маркировка груза должна содержатьосновные, дополнительные и информационные надписи по ГОСТ 14192-77 (раздел 1). Маркировку наносить набоковую сторону ящика окраской по трафарету. Маркировать манипуляционный знак"Боится сырости" ГОСТ14192-77. На ящике типа I по ГОСТ5959-80 маркировку наносить на верхней крышке.

1.5.6. Транспортную маркировку груза при отправке оправзакладных на экспорт производить по ГОСТ 14192-77 (раздел 5) и в соответствии сзаказ-нарядом.

1.6. Упаковка

1.6.1. Упаковка оправ закладных должна производиться привнутрисоюзной поставке в ящик типа II-I по ГОСТ2991-85 или в ящик типа VIпо ГОСТ5959-80.

1.6.2. В один ящик должны быть упакованы оправы закладныеодного типоразмера. Упаковка должна быть плотной, не допускающей перемещенияоправ закладных внутри тары при транспортировании.

1.6.3. Комплект монтажных частей (прокладка, болты и гайки)должны быть завернуты в противокоррозионную бумагу марки БН-22-80 или БН-18-80 ГОСТ16295-82 и вложен в ящик с изделиями.

1.6.4. Масса упаковочного ящика с оправами закладными недолжна превышать 50 кг.

1.6.5. Упаковка оправ закладных при внутрисоюзной поставкедолжна соответствовать категории упаковки КУ-0 ГОСТ 23170-78.

1.6.6. В каждый ящик при внутрисоюзной поставке должна бытьвложена со стороны крышки этикетка с подписью представителя отдела техническогоконтроля завода-изготовителя, а снаружи ящика должен быть прикрепленупаковочный лист.

1.6.7. Ящик для упаковки оправ закладных при поставке на экспортдолжен соответствовать типу III-I ГОСТ2991-85 или типу I по ГОСТ5959-80 и ГОСТ24634-81.

1.6.8. Упаковка оправ закладных при поставке на экспорт должнасоответствовать категории упаковки КУ-I ГОСТ 23170-78.

1.6.9. В каждый ящик при поставке оправ закладных на экспортв специальный карман, расположенный снаружи ящика, должен быть вложенупаковочный лист, а в ящик со стороны крышки - этикетка итоваросопроводительная документация, указанная в заказ-наряде, упакованныесогласно ГОСТ 23170-78,раздел 4.

1.6.10. Временная противокоррозионная защита при поставкеизделий на экспорт должна соответствовать группе I-I, вариант защиты ВЗ-4(пушечная смазка ЗТ5/5-5 ГОСТ 19537-83), вариантвнутренней упаковки ВУ-2; при внутрисоюзной поставке - вариант защиты BЗ-4(смазка НГ-208 по ГОСТ 22523-77), вариант упаковки ВУ-0 ГОСТ9.014-78.

Расконсервация изделий должна производиться по ГОСТ9.014-78.

(Измененная редакция, Изм. №1, №2).

2. ПРАВИЛА ПРИЕМКИ

2.1. Для проверки соответствия оправ закладныхустановившегося серийного производства требованиям настоящих техническихусловий завод-изготовитель обязан проводить приемо-сдаточные и периодическиеиспытания.

2.2. Приемо-сдаточные испытания готовых оправ закладныхдолжны производиться изготовителем при приемочном контроле в объеме,установленном настоящими техническими условиями, с целью выявления соответствияоправ закладных требованиям настоящих технических условий.

2.3. Приемо-сдаточным испытаниям на соответствие требованиямпунктов 1.3.3., 1.3.4., 1.3.6., 1.3.7. (в части внешнего вида), подраздела 1.5. должны подвергаться 100 %оправ закладных.

2.4. Приемо-сдаточным испытаниям на соответствие требованиямпунктов 1.2.1., 1.2.2., 1.2.3., 1.3.5. подлежит 1 % (при поставке наэкспорт - 2 %) от предъявленной партии оправ закладных одного наименования итипоразмера, но не менее 10 шт. Под партией следует понимать количество оправзакладных, изготовленных на одном оборудовании за период не более одной смены.

2.5. Проверка пункта 1.3.7.на соответствие ГОСТ9.301-86 должна производиться согласно ГОСТ9.302-79.

(Измененная редакция, Изм. №2).

2.6. При получении неудовлетворительных результатовиспытания хотя бы по одному изделию, должны проводиться повторные испытанияудвоенного количества изделий, взятых от той же партии.

Результаты повторных испытаний являются окончательными.

2.7. Периодическим испытаниям должны подвергаться оправызакладные, прошедшие приемо-сдаточные испытания.

2.8. Периодические испытания оправ закладных установившегосяпроизводства должны проводиться заводом-изготовителем не реже одного раза в тригода с целью контроля стабильности качества оправ закладных, а также оценкисоответствия изделий требованиям настоящих технических условий иконструкторской документации.

2.9. На периодические испытания отбирают 5 шт. оправзакладных каждого наименования и типоразмера со склада готовой продукции.

2.10. При периодических испытаниях должна производитьсяпроверка по следующим пунктам технических условий: 1.1.1., 1.2.1., 1.2.2., 1.2.3.,1.3.3., 1.3.4., 1.3.5.,1.3.6.,1.3.7.

2.11. При получении неудовлетворительных результатовиспытаний, приемку и отгрузку принятых оправ закладных следует приостановить доустранения выявленных дефектов.

Допускается проводить повторные испытания только по темпунктам, по которым были получены неудовлетворительные результаты.

Возобновление приемки и отгрузку оправ закладных производитьпри получении удовлетворительных результатов повторных испытаний.

2.12. По результатам периодических испытаний долженсоставляться протокол по установленной форме.

3. МЕТОДЫ КОНТРОЛЯ

3.1. Проверку на соответствие оправ закладных требованиямпунктов 1.1.1., 1.2.1., 1.2.2., 1.2.3., 1.3.1.,1.3.3., 1.3.4., 1.3.5., 1.3.6., подраздела1.5. производить методом внешнего осмотра, сличением с конструкторскойдокументацией и измерением с помощью инструментов и приборов согласно приложению5.

3.2. Проверку массы изделий производить контрольнымвзвешиванием на весах в соответствии с ГОСТ 23676-79.

3.3. Проверку шероховатости поверхностей п. 1.3.5. производить сличением с образцами шероховатости,соответствующими ГОСТ9378-75.

3.4. Проверку по пункту 1.3.7.в части внешнего вида и толщины покрытия производить в соответствии стребованиями ГОСТ9.302-79.

3.5. Проверку комплектности производить при упаковке согласнотребованиям подраздела 1.4.

3.6. Проверку упаковки оправ закладных производить согласнотребованиям подраздела 1.6. настоящих технических условий.

4. ТРАНСПОРТИРОВАНИЕ И ХРАНЕНИЕ

4.1. Оправы закладные транспортируются всеми видамитранспорта в крытых транспортных средствах. Допускается формирование грузовыхмест в транспортные пакеты (поддоны плоские упрощенные, поддоны ящичныеуниверсальные - решетчатые, сетчатые) по ГОСТ 21929-76, размеры пакетов должнысоответствовать ГОСТ 24597-81.

Транспортирование оправ закладных должно соответствоватьследующим правилам:

"Правила перевозки грузов автомобильнымтранспортом", утвержденные Министерством автомобильного транспорта РСФСР,изд. 1979 г.;

"Правила перевозки грузов" МПС, часть I, изд. 1977г.;

"Правила перевозки грузов" Минречфлота РСФСР, изд.1979 г.;

"Правила безопасности морской перевозки генеральныхгрузов" Минморфлота.

4.2. Транспортирование в части воздействия климатическихфакторов для оправ закладных в тропическом исполнении - по условию 6, дляумеренного климата - по условию 2, для морских перевозок в трюмах по условию 3 ГОСТ15150-69.

4.3. Хранение оправ закладных в упаковке, соответствующейнастоящим техническим условиям, должно соответствовать условию 6 - для оправзакладных в тропическом исполнении и условию 2 - для умеренного климата, ГОСТ15150-69.

(Измененная редакция, Изм. №2).

5. УКАЗАНИЯ ПО ЭКСПЛУАТАЦИИ

5.1. Монтаж и установка оправ закладных должны производитьсяв соответствии со СНиП III-34-74"Строительные нормы и правила. Правила производства и приемки работ.Система автоматизации".

5.2. Труба закладная устанавливается в кладке печи, недоходя до ее внутренней поверхности на 10 мм. На конце трубы предусмотренаподставка, на которую опирается введенный в трубу прибор.

5.3. Бобышка с фланцем или сальник с фланцем крепятся ктрубе закладной с помощью болтов и гаек.

6. ГАРАНТИИ ИЗГОТОВИТЕЛЯ

6.1. Изготовитель гарантирует соответствие оправ закладныхтребованиям настоящих технических условий при соблюдении условий эксплуатации,транспортирования и хранения.

6.2. Гарантийный срок эксплуатации оправ закладных - 1,5года с момента ввода в эксплуатацию, но не более 2 лет со дня проследованиячерез Государственную границу СССР.

6.3. Гарантийный срок хранения оправ закладных - 3 года смомента изготовления.




(Измененная редакция, Изм. №2 ).

ПРИЛОЖЕНИЕ 3


Таблица3.1

Тип

Температура, °С

Размеры, мм

Масса, кг

L

l

197-C

до 450

197

195

0,835

312-C

312

310

1,195

432-C

432

430

1,565

502-C

502

500

1,785

547-C

547

545

1,915

662-C

662

660

2,275

777-C

777

775

2,625

892-C

892

890

2,975

197-X

свыше 450

197

195

0,865

312-X

312

310

1,235

432-X

432

430

1,625

502-X

502

500

1,855

547-X

547

545

1,985

662-X

662

660

2,335

777-X

777

775

2,725

892-X

892

890

3,095

Таблица 3.2.

Тип

Код ОКП

У2

Т2

197-C

42 1891 0792

42 1891 0794

312-C

42 1891 0796

42 1891 9798

432-С

42 1891 0800

42 1891 0802

502-С

42 1891 0804

42 1891 0806

547-С

42 1891 0808

42 1891 0810

662-С

42 1891 0812

42 1891 0814

777-С

42 1891 0816

42 1891 0818

892-С

42 1891 0820

42 1891 0822

197-Х

42 1891 0824

42 1891 0826

312-Х

42 1891 0828

42 1891 0830

432-Х

42 1891 0832

42 1891 0834

502-Х

42 1891 0836

42 1891 0838

547-Х

42 1891 0840

42 1891 0842

662-Х

42 1891 0844

42 1891 0846

777-Х

42 1891 0848

42 1891 0850

892-Х

42 1891 0852

42 1891 0854

(Измененная редакция,Изм. №2 ).

ПРИЛОЖЕНИЕ 4

ПЕРЕЧЕНЬ
документов, использованных в настоящих технических условиях

ГОСТ 6.37-79

УСД. Система документации по внешней торговле. Товаросопроводительная документация.

ГОСТ 9.014-78

ЕСЗКС. Временная противокоррозионная защита изделий. Общие технические требования.

ГОСТ 9.301-86

ЕСЗКС. Покрытия металлические и неметаллические неорганические. Общие требования.

ГОСТ 9.302 -79

ЕСЗКС. Покрытия металлические и неметаллические неорганические. Правила приемки и методы контроля.

ГОСТ 380-71

Сталь углеродистая обыкновенного качества. Марки и общие технические требования.

ГОСТ 2789-73

Шероховатость поверхности, параметры и характеристики.

ГОСТ 2991-85

Ящики дощатые неразборные для грузов массой до 500 кг. Общие технические условия.

ГОСТ 5915-70

Гайки шестигранные (нормальной точности). Конструкция и размеры.

ГОСТ 6616-74

Преобразователи термоэлектрические ГСП. Общие технические условия.

ГОСТ 7796-70

Болты с шестигранной головкой (нормальной точности). Конструкция и размеры.

ГОСТ 9378-75

Образцы шероховатости поверхностей (сравнения). Технические требования

ГОСТ 9941-81

Трубы бесшовные холодно- и теплодеформированные из коррозионно-стойкой стали. Технические условия.

ГОСТ 1414-75

Сталь конструкционная повышенной и высокой обрабатываемости резанием. Технические условия.

ГОСТ 14192-77

Маркировка грузов.

ГОСТ 15150-69

Машины, приборы и другие технические изделия. Исполнения для различных климатических районов. Категории, условия эксплуатации, хранения и транспортирования в части воздействия климатических факторов внешней среды.

ГОСТ 16093-81

Основные нормы взаимозаменяемости. Резьба метрическая. Допуски, посадки с зазором.

ГОСТ 16295-82

Бумага противокоррозионная. Технические условия.

ГОСТ 19537-83

Смазка пушечная. Технические условия.

ГОСТ 21929-76

Транспортирование грузов пакетами. Общие требования.

ГОСТ 22523-77

Масло консервационное НГ-208. Технические условия.

ГОСТ 23170-78

Упаковка для изделий машиностроения. Общие требования.

ГОСТ 23676-79

Весы для статического взвешивания. Пределы взвешивания. Метрологические параметры.

ГОСТ 24597-81

Пакеты тарно-штучных грузов. Основные параметры и размеры.

ГОСТ 24705-81

Основные нормы взаимозаменяемости. Резьба метрическая. Основные размеры.

ГОСТ 25347-82

ЕСДП. Поля допусков и рекомендуемые посадки.

ГОСТ 25346 -82

ЕСДП. Общие положения, ряды допусков и основных отклонений.

СНиП III-34-74

Строительные нормы и правила. Правила производства и приемки работ. Система автоматизации.

ГОСТ 24634-81

Ящики деревянные для продукции, поставляемой для экспорта. Общие технические условия. "Положение о порядке составления, оформления и рассылки технической и товаросопроводительной документации на товары, поставляемые для экспорта".

(Утверждено Минвнешторгом 29.12.79 г. № 567).

"Условия поставки товаров для экспорта".

(Утверждены постановлением СМ СССР от 17.09.80 г. № 804).

(Измененная редакция,Изм. №2 ).

ПРИЛОЖЕНИЕ 5

ПЕРЕЧЕНЬ
приборов и инструментов, необходимых для контроля оправ закладных.

Наименование

Характеристика

1. Штангенциркуль ШЦ-II ГОСТ 166-80

Отсчет по нониусу 0,1 мм

 

Предел измерения 200 мм

2. Весы для статического взвешивания ГОСТ 23676-79

Предел взвешивания 10 кг

 

Цена деления - 0,02 кг

 

Класс точности - обычный

3. Образцы шероховатости поверхности ГОСТ 9378-75

Рабочие

4. Пробки для контроля резьбовых отверстий ГОСТ 17758-72

ПР и НЕ