Меню
Навигация
Novatika
Первая линия

Правила проектирования, изготовления и приемки сосудов и аппаратов стальных сварных

Правила распространяются на проектируемые, вновь изготавливаемые и модернизируемые стальные сварные сосуды и аппараты, работающие под давлением не более 16 МПа (160 кгс/см2), вакуумом с остаточным давлением не ниже 665 Па (5 мм рт. ст.), внутренним давлением 0,07 МПа (0,7 кгс/см2) и менее (под налив) и при температуре стенки не ниже минус 70 градусов Цельсия, а также на действующие стальные сварные сосуды и аппараты, эксплуатирующиеся на опасных производственных объектах. Возможность распространения требований Правил на конкретные типы и виды сосудов и аппаратов определяется условиями эксплуатации, при необходимости обосновывается расчетами и устанавливается проектом.

Обозначение: ПБ 03-584-03
Название рус.: Правила проектирования, изготовления и приемки сосудов и аппаратов стальных сварных
Статус: действует
Заменяет собой: ПБ 03-384-00 «Правила проектирования, изготовления и приемки сосудов и аппаратов стальных сварных»
Дата актуализации текста: 05.05.2017
Дата добавления в базу: 01.09.2013
Дата введения в действие: 10.06.2003
Утвержден: 10.06.2003 Госгортехнадзор России (Russian Federation Gosgortekhnadzor 81)
Опубликован: ПИО ОБТ (2003 г. ) Российская газета (2003 г. (120/1)) Госгортехнадзор России (2003 г. ) ЗАО НТЦ ПБ (2009 г. )
Ссылки для скачивания:

Документы Федеральной службы
по экологическому, технологическому
и атомному надзору

Серия 03

Документы межотраслевого
применения по вопросам промышленной
безопасности и охраны недр

Выпуск 2

ПРАВИЛА
ПРОЕКТИРОВАНИЯ, ИЗГОТОВЛЕНИЯ И ПРИЕМКИ
СОСУДОВ И АППАРАТОВ СТАЛЬНЫХ СВАРНЫХ

ПБ 03-584-03

Москва
ЗАО НТЦ ПБ
2009

Правила проектирования, изготовления и приемки сосудов и аппаратов стальных сварных устанавливают основные технические требования, используемые при проектировании, изготовлении, монтаже, испытаниях, эксплуатации, модернизации, ремонте и консервации сосудов и аппаратов стальных сварных и направленные на обеспечение промышленной безопасности, предупреждение аварий и случаев производственного травматизма при эксплуатации сосудов и аппаратов стальных сварных в химической, нефтехимической, нефтеперерабатывающей промышленности и на других опасных производственных объектах.

Правила предназначены для применения всеми организациями независимо от их организационно-правовых форм и форм собственности, осуществляющими свою деятельность на опасных производственных объектах.

В связи с введением в действие настоящих Правил после их официального опубликования считаются утратившими силу Правила проектирования, изготовления и приемки сосудов и аппаратов стальных сварных (ПБ 03-384-00) (постановление Госгортехнадзора России от 25.07.03 № 105)

СОДЕРЖАНИЕ

I. Общие положения. 3

II. Требования к конструкции. 4

2.1. Общие требования. 4

2.2. Прибавки для компенсации коррозии (эрозии) 5

2.3. Днища, крышки, переходы.. 5

2.4. Люки, лючки, бобышки и штуцера. 9

2.5. Расположение отверстий. 9

2.6. Требования к опорам.. 10

2.7. Требования к внутренним и наружным устройствам.. 10

III. Требования к материалам.. 10

3.1. Общие требования. 10

3.2. Сталь листовая. 12

3.3. Трубы.. 13

3.4. Поковки. 14

3.5. Сортовая сталь. 14

3.6. Отливки стальные. 14

3.7. Крепежные детали. 15

3.8. Сварочные материалы.. 16

IV. Изготовление. 17

4.1. Общие требования. 17

4.2. Корпуса. 18

4.3. Днища. 20

4.4. Фланцы.. 22

4.5. Штуцера, люки, укрепляющие кольца. 23

4.6. Змеевики. 24

4.7. Отводы и трубы гнутые. 27

4.8. Сварка. 28

4.9. Сварные соединения. 29

4.10. Требования к качеству сварных соединений. 34

4.11. Термическая обработка. 37

V. Правила приемки. 39

VI. Методы контроля. 40

6.1. Общие требования. 40

6.2. Визуальный контроль и измерение сварных швов. 40

6.3. Механические испытания. 41

6.4. Испытание на стойкость против межкристаллитной коррозии. 42

6.5. Металлографические исследования. 43

6.6. Стилоскопирование сварных соединений. 43

6.7. Радиографический и ультразвуковой контроль сварных соединений. 44

6.8. Цветная и магнитопорошковая дефектоскопия. 45

6.9. Определение содержания a-фазы.. 46

6.10. Контрольные сварные соединения. 46

6.11. Гидравлическое испытание на прочность и герметичность. 48

6.12. Контроль на герметичность. 50

VII. Комплектность и документация. 50

7.1. Комплектность. 50

7.2. Документация. 51

VIII. Маркировка, консервация и окраска. Упаковка, транспортирование и хранение. 52

8.1. Маркировка. 52

8.2. Консервация и окраска. 54

8.3. Упаковка, транспортирование и хранение. 54

IX. Условия применения. 56

 

Утверждены
постановлением Госгортехнадзора
России от 10.06.03 № 81,
зарегистрированным
Министерством юстиции
Российской Федерации 18.06.03 г.,
регистрационный № 4706

ПРАВИЛА
ПРОЕКТИРОВАНИЯ, ИЗГОТОВЛЕНИЯ И ПРИЕМКИ
СОСУДОВ И АППАРАТОВ СТАЛЬНЫХ СВАРНЫХ*

_____________

* Опубликованы в «Российской газете» от 21 июня 2003 г., № 120/1. (Примеч. изд.)

ПБ 03-584-03

I. ОБЩИЕ ПОЛОЖЕНИЯ

1.1. Настоящие Правила проектирования, изготовления и приемки сосудов и аппаратов стальных сварных устанавливают требования, направленные на обеспечение промышленной безопасности, предупреждение аварий, случаев производственного травматизма при эксплуатации стальных сварных сосудов и аппаратов.

1.2. Правила разработаны в соответствии с Федеральным законом от 21.07.97 № 116-ФЗ «О промышленной безопасности опасных производственных объектов» (Собрание законодательства Российской Федерации. 1997. № 30. Ст. 3588), Положением о Федеральном горном промышленном надзоре России, утвержденным постановлением Правительства Российской Федерации от 03.12.01 № 841 (Собрание законодательства Российской Федерации. 2001. № 50. Ст. 4742), Общими правилами промышленной безопасности для организаций, осуществляющих деятельность в области промышленной безопасности опасных производственных объектов, утвержденными постановлением Госгортехнадзора России от 18.10.02 № 61-А, зарегистрированными Минюстом России 28.11.02 № 3968 («Российская газета» № 231 от 05.12.02), и предназначены для применения всеми организациями независимо от их организационно-правовых форм и форм собственности, осуществляющими деятельность в области промышленной безопасности и поднадзорных Госгортехнадзору России*.

_____________

* Указами Президента Российской Федерации от 09.03.04 № 314 и от 20.05.04 № 649 функции Федерального горного и промышленного надзора России (Госгортехнадзора России) переданы Федеральной службе по экологическому, технологическому и атомному надзору (Ростехнадзору). (Примеч. изд.)

1.3. Правила предназначены для применения:

а) при проектировании, изготовлении, монтаже, эксплуатации, модернизации, ремонте и консервации стальных сварных сосудов и аппаратов на опасных производственных объектах;

б) при проведении экспертизы промышленной безопасности стальных сварных сосудов и аппаратов.

1.4. Настоящие Правила распространяются на проектируемые, вновь изготавливаемые и модернизируемые стальные сварные сосуды и аппараты, работающие под давлением не более 16 МПа (160 кгс/см2), вакуумом с остаточным давлением не ниже 665 Па (5 мм рт. ст.), внутренним давлением 0,07 МПа (0,7 кгс/см2) и менее (под налив) и при температуре стенки не ниже - 70 °С, а также на действующие стальные сварные сосуды и аппараты, эксплуатирующиеся на опасных производственных объектах.

Возможность распространения требований Правил на конкретные типы и виды сосудов и аппаратов определяется условиями эксплуатации, при необходимости обосновывается расчетами и устанавливается проектом.

1.5. В Правилах изложены технические требования к конструкции, материалам, изготовлению (доизготовлению), методам испытаний, приемке, реконструкции, ремонту, монтажу сосудов и аппаратов. Совместно с требованиями Правил следует руководствоваться нормативно-техническими документами по промышленной безопасности.

1.6. В организациях с действующими стальными сосудами и аппаратами, не отвечающими требованиям настоящих Правил, при необходимости могут разрабатываться мероприятия, направленные на обеспечение безопасной эксплуатации. Мероприятия согласовываются и утверждаются в установленном порядке.

1.7. Руководство по эксплуатации стальных сварных сосудов и аппаратов разрабатывается в соответствии с технической документацией, технологическими регламентами, настоящими Правилами и требованиями других нормативных документов по промышленной безопасности.

II. ТРЕБОВАНИЯ К КОНСТРУКЦИИ

2.1. Общие требования

2.1.1. При проектировании сосудов и аппаратов (далее - сосуды) следует обеспечивать технологичность, надежность в течение установленного в технической документации срока службы, безопасность при изготовлении, монтаже, ремонте, диагностировании и эксплуатации, возможность осмотра (в том числе внутренней поверхности), очистки, промывки, продувки и ремонта, контроля технического состояния сосуда при диагностировании, а также контроля давления и отбора среды перед вскрытием сосуда.

Если конструкция сосуда не позволяет при техническом освидетельствовании проведение осмотра (наружного или внутреннего), гидравлического испытания, то следует в технической документации на сосуд указать методику, периодичность и объем контроля сосуда, выполнение которых обеспечит своевременное выявление и устранение дефектов.

2.1.2. Расчетный и назначенный сроки службы сосуда устанавливаются разработчиком сосуда и указываются в технической документации.

2.1.3. При проектировании сосудов следует учитывать требования к перевозке грузов транспортными средствами.

Сосуды, которые не могут транспортироваться в собранном виде, могут проектироваться из частей, соответствующих по габариту требованиям к перевозке транспортными средствами. Деление сосуда на транспортируемые части следует указывать в технической документации.

2.1.4. Расчет на прочность сосудов и их элементов следует проводить в соответствии с нормативно-технической документацией.

При отсутствии стандартизованного метода расчет на прочность выполняет разработчик сосуда и при необходимости согласовывает со специализированной экспертной организацией.

2.1.5. Для сосудов, транспортируемых в собранном виде, а также транспортируемых частей следует предусматривать строповые устройства (захватные приспособления) для проведения погрузочно-разгрузочных работ, подъема и установки сосудов в проектное положение. В обоснованных случаях допускается использовать технологические штуцера и горловины, уступы, бурты и другие конструктивные элементы сосудов.

Конструкция, места расположения строповых устройств и конструктивных элементов для строповки, их количество, схема строповки сосудов и их транспортируемых частей указываются в технической документации.

2.1.6. Для опрокидываемых сосудов следует предусматривать приспособления, предотвращающие самоопрокидывание.

2.1.7. В зависимости от расчетного давления, температуры стенки и рабочей среды сосуды подразделяются на группы. Группа сосуда определяется по таблице 1.

Группу сосуда с полостями, имеющими различные расчетные параметры и среды, допускается определять для каждой полости отдельно. Сосуды, работающие под вакуумом или без давления (под наливом), независимо от расчетного давления следует отнести к группе 5а или 5б.

2.2. Прибавки для компенсации коррозии (эрозии)

2.2.1. Прибавка к расчетной толщине для компенсации коррозии (эрозии) назначается с учетом условий эксплуатации, расчетного срока службы, скорости коррозии (эрозии).

2.2.2. Прибавку С для компенсации коррозии к толщине внутренних элементов следует принимать:

2С - для несъемных нагруженных элементов, а также для внутренних крышек и трубных решеток теплообменников;

0,5С, но не менее 2 мм - для съемных нагруженных элементов;

С - для несъемных ненагруженных элементов.

Для внутренних съемных ненагруженных элементов прибавка для компенсации коррозии может не учитываться.

2.2.3. При наличии на трубной решетке или плоской крышке канавок прибавка для компенсации коррозии принимается с учетом глубины этих канавок.

Таблица 1

Группа сосуда

Группа

Расчетное давление, МПа (кгс/см2)

Температура стенки, °С

Рабочая среда

1

Более 0,07 (0,7)

Независимо

Взрывоопасная или пожароопасная или 1-го, 2-го классов опасности

2

Более 0,07 (0,7) до 2,5 (25)

Выше 400

Любая, за исключением указанной для 1-й группы сосудов

Более 2,5 (25) до 5,0 (50)

Выше 200

Более 5,0 (50)

Независимо

Более 4,0 (40) до 5,0 (50)

Ниже -40

3

Более 0,07 (0,7)

Ниже -20

До 1,6 (16)

От 200 до 400

Более 1,6 (16) до 2,5 (25)

До 400

Более 2,5 (25) до 4,0 (40)

До 200

Более 4,0 (40) до 5,0 (50)

От -40 до 200

4

Более 0,07 (0,7) до 1,6 (16)

От -20 до 200

До 0,07 (0,7)

Независимо

Взрывоопасная или пожароопасная или 1, 2, 3-го классов опасности

До 0,07 (0,7)

Независимо

Взрывобезопасная или пожаробезопасная или 4-го класса опасности

2.2.4. Прибавка для компенсации коррозии не учитывается при выборе металлических прокладок для фланцевых соединений, болтов, опор, теплообменных труб и перегородок, теплообменных проставок и стояков.

2.2.5. Если невозможно или нецелесообразно увеличивать толщину стенки за счет прибавки для компенсации коррозии, выполняется коррозионная защита: плакирование, футеровка или наплавка.

2.3. Днища, крышки, переходы

2.3.1. В сосудах применяются днища: эллиптические, полусферические, торосферические, сферические неотбортованные, конические отбортованные, конические неотбортованные, плоские отбортованные, плоские неотбортованные, плоские, присоединяемые на болтах.

2.3.2. Заготовки выпуклых днищ допускается изготавливать сварными из частей с расположением сварных швов согласно указанным на рисунке 1.

Рис. 1. Расположение сварных швов заготовок выпуклых днищ.

Расстояния l и l1 от оси заготовки эллиптических и торосферических днищ до центра сварного шва должны быть не более 1/5 внутреннего диаметра днища.

При изготовлении заготовок с расположением сварных швов согласно рис. 1, л количество частей не регламентируется.

2.3.3. Выпуклые днища допускается изготавливать из штампованных лепестков и шарового сегмента. Количество частей не регламентируется.

Если по центру днища устанавливается штуцер, то шаровой сегмент допускается не изготавливать.

2.3.4. Круговые швы выпуклых днищ, изготовленных из штампованных лепестков и шарового сегмента или заготовок с расположением сварных швов согласно рисунку 1, л, следует располагать от центра днища на расстоянии по проекции не более 1/3 внутреннего диаметра днища. Для полусферических днищ расположение круговых швов не регламентируется.

Наименьшее расстояние между меридиональными швами в месте их примыкания к шаровому сегменту или штуцеру, установленному по центру днища вместо шарового сегмента, а также между меридиональными швами и швом на шаровом сегменте должно быть более трехкратной толщины днища, но не менее 100 мм по осям швов.

2.3.5. Основные размеры эллиптических днищ определяются в соответствии с требованиями государственных стандартов. Допускаются другие размеры эллиптических днищ при условии, что высота выпуклой части не менее 0,25 внутреннего диаметра днища.

2.3.6. Полусферические составные днища (рисунок 2) допускается применять в сосудах с толщиной обечайки не менее 40 мм при выполнении следующих условий:

нейтральные оси полушаровой части днища и переходной части обечайки корпуса должны совпадать; совпадение осей обеспечивается соблюдением размеров, указанных в технической документации;

смещение t нейтральных осей полушаровой части днища и переходной части обечайки корпуса не должно превышать 0,5(S - S1), где S - толщина обечайки, S1 - толщина днища;

высота h переходной части обечайки корпуса должна быть не менее 3y, где y - расстояние от края днища до края обечайки.

Рис. 2. Узел соединения днища с обечайкой.

2.3.7. Сферические неотбортованные днища допускается применять в сосудах 5а и 5б групп, за исключением работающих под вакуумом.

Сферические неотбортованные днища в сосудах 1, 2, 3, 4-й групп и в сосудах, работающих под вакуумом, допускается применять только в качестве элемента фланцевых крышек.

Сферические неотбортованные днища (рисунок 3) следует:

изготавливать с радиусом сферы R не менее 0,8D и не более D (D - внутренний диаметр днища);

приваривать сварным швом со сплошным проваром.

Рис. 3. Сферическое неотбортованное днище.

2.3.8. Торосферические днища применяются, если:

высота выпуклой части, измеренная по внутренней поверхности, не менее 0,2 внутреннего диаметра днища;

внутренний радиус отбортовки не менее 0,095 внутреннего диаметра днища;

внутренний радиус кривизны центральной части не более внутреннего диаметра днища.

2.3.9. Основные размеры конических отбортованных днищ определяют в соответствии с требованиями государственных стандартов.

2.3.10. Основные размеры конических неотбортованных днищ, предназначенных для сосудов 5а и 5б групп, за исключением работающих под наружным давлением или вакуумом, определяют в соответствии с требованиями государственных стандартов и указывают в проекте.

Конические неотбортованные днища или переходы допускается применять:

а) для сосудов 1, 2, 3, 4-й групп, если центральный угол при вершине конуса не более 45°;

б) для сосудов, работающих под наружным давлением или вакуумом, если центральный угол при вершине конуса не более 60°.

Части выпуклых днищ в сочетании с коническими днищами или переходами применяются без ограничения угла при вершине конуса.

2.3.11. Плоские днища (рисунок 4), применяемые в сосудах 1, 2, 3, 4-й групп, следует изготавливать из поковок.

Рис. 4. Плоские днища.

При этом:

расстояние от начала закругления до оси сварного шва не менее , где D - внутренний диаметр обечайки, S - толщина обечайки;

радиус закругления r ³ 2,5S (рисунок 4, а);

радиус кольцевой выточки r1 ³ 0,25S, но не менее 8 мм (рис. 4, б);

наименьшая толщина днища (рисунок 4, б) в месте кольцевой выточки S2 ³ 0,8S1, но не менее толщины обечайки S, где S1 - толщина днища;

зона А контролируется в направлении Z согласно требованиям п. 3.4.5.

Допускается изготовление плоского днища из листа, если отбортовка выполняется штамповкой или обкаткой кромки листа с изгибом на 90°.

2.3.12. Основные размеры плоских днищ, предназначенных для сосудов 5а и 5б групп, выбирают в соответствии с требованиями государственных стандартов.

2.3.13. Длина цилиндрического борта l (l - расстояние от начала закругления отбортованного элемента до окончательно обработанной кромки) в зависимости от толщины стенки S (рисунок 5) для отбортованных и переходных элементов сосудов, за исключением штуцеров, компенсаторов и выпуклых днищ, принимается не менее указанной в таблице 2. Радиус отбортовки R ³ 2,5S.

Рис. 5. Отбортованный и переходный элемент.

Таблица 2

Длина цилиндрического борта

Толщина стенки S, мм

Длина цилиндрического борта l, мм

До 5

15

Более 5 до 10

2S + 5

Более 10 до 20

S + 15

Более 20

S/2 + 25

2.4. Люки, лючки, бобышки и штуцера

2.4.1. Сосуды следует снабжать люками или смотровыми лючками, обеспечивающими осмотр, очистку, безопасность работ по защите от коррозии, монтаж и демонтаж разборных внутренних устройств, ремонт и контроль сосудов. Количество люков и лючков обосновывается в проекте. Люки и лючки располагаются в доступных для пользования местах.

2.4.2. В сосудах с внутренним диаметром более 800 мм предусматриваются люки.

Внутренний диаметр люка круглой формы у сосудов, устанавливаемых на открытом воздухе, должен быть не менее 450 мм, а у сосудов, располагаемых в помещении, - не менее 400 мм. Размер люков овальной формы по наименьшей и наибольшей осям должен быть не менее 325×400 мм.

Внутренний диаметр люка у сосудов, не имеющих корпусных фланцевых разъемов и подлежащих внутренней антикоррозионной защите неметаллическими материалами, принимается не менее 800 мм.

Допускается проектировать без люков:

сосуды, предназначенные для работы с веществами 1-го и 2-го классов опасности, не вызывающими коррозии и накипи, независимо от их диаметра, при этом следует предусматривать необходимое количество смотровых лючков;

сосуды с приварными рубашками, витые и кожухотрубчатые теплообменные аппараты независимо от их диаметра;

сосуды, имеющие съемные днища или крышки, а также обеспечивающие возможность проведения внутреннего осмотра без демонтажа трубопровода горловины или штуцера.

2.4.3. В сосудах с внутренним диаметром 800 мм и менее предусматривается круглый или овальный лючок. Размер лючка по наименьшей оси устанавливается не менее 80 мм.

2.4.4. В каждом сосуде следует предусматривать бобышки или штуцера для наполнения водой и слива, удаления воздуха при гидравлическом испытании. Для этой цели могут использоваться технологические бобышки и штуцера.

Штуцера и бобышки на вертикальных сосудах следует располагать с учетом возможности проведения гидравлического испытания как в вертикальном, так и в горизонтальном положении.

2.4.5. Для крышек люков массой более 20 кг следует предусматривать приспособления для облегчения их открывания и закрывания.

2.4.6. Шарнирно-откидные или вставные болты, закладываемые в прорези, хомуты и другие зажимные приспособления люков, крышек и фланцев, следует предохранять от сдвига или ослабления.

2.5. Расположение отверстий

2.5.1. Расположение отверстий в эллиптических и полусферических днищах не регламентируется.

Расположение отверстий на торосферических днищах допускается в пределах центрального сферического сегмента. При этом расстояние от наружной кромки отверстия до центра днища, измеряемое по хорде, принимается не более 0,4 наружного диаметра днища.

2.5.2. Отверстия для люков, лючков и штуцеров в сосудах 1, 2, 3, 4-й групп следует располагать вне сварных швов.

Расположение отверстий допускается на:

продольных швах цилиндрических и конических обечаек сосудов, если диаметр отверстий не более 150 мм;

кольцевых швах цилиндрических и конических обечаек сосудов без ограничения диаметра отверстий;

швах выпуклых днищ без ограничения диаметра отверстий при условии 100-процентной проверки сварных швов днищ радиографическим или ультразвуковым методом;

швах плоских днищ.

2.5.3. Отверстия не допускается располагать в местах пересечения сварных швов сосудов 1, 2, 3, 4-й групп, кроме случаев, оговоренных в п. 2.3.3.

2.5.4. Отверстия для люков, лючков, штуцеров в сосудах 5а и 5б групп допускается устанавливать на сварных швах без ограничения по диаметру.

2.6. Требования к опорам

2.6.1. Основные размеры цилиндрических и конических опор вертикальных сосудов определяются в соответствии с типовыми конструкциями.

Опоры из углеродистых сталей допускается применять для сосудов из коррозионностойких сталей при условии, что к сосуду приваривается переходная обечайка опоры из коррозионностойкой стали высотой, определяемой расчетом.

2.6.2. Основные размеры лап и стоек для вертикальных сосудов определяются в соответствии с типовыми конструкциями и государственными стандартами.

2.6.3. Основные размеры опор для горизонтальных сосудов определяются в соответствии с нормативно-технической документацией по промышленной безопасности.

Угол охвата седловой опоры принимают не менее 120°.

2.6.4. При применении нестандартных опор, лап и стоек разработчику сосуда необходимо предусмотреть резьбовые отверстия под регулировочные (отжимные) винты с нагрузками, предусмотренными в стандартах на опоры, лапы и стойки.

2.6.5. При наличии температурных расширений в продольном направлении в горизонтальных сосудах следует выполнять жесткой лишь одну седловую опору, остальные опоры - свободными с указанием об этом в технической документации.

2.7. Требования к внутренним и наружным устройствам

2.7.1. Внутренние устройства в сосудах (змеевики, тарелки, перегородки и др.), препятствующие осмотру и ремонту, выполняются съемными.

При использовании приварных устройств следует выполнять требования п. 2.1.1.

2.7.2. Внутренние приварные устройства конструируются так, чтобы было обеспечено удаление воздуха и полное опорожнение аппарата при гидравлическом испытании в горизонтальном и вертикальном положениях.

2.7.3. Рубашки, применяемые для наружного обогрева или охлаждения сосудов, могут быть съемными и приварными.

2.7.4. Во всех глухих частях сборочных единиц и элементов внутренних устройств следует предусматривать дренажные отверстия, располагая их в самых низких местах этих сборочных единиц и элементов для обеспечения полного слива жидкости.

III. ТРЕБОВАНИЯ К МАТЕРИАЛАМ

3.1. Общие требования

3.1.1. Требования к основным материалам, их пределы применения, назначение, условия применения, виды испытаний должны удовлетворять установленным требованиям. Требования к сварочным материалам изложены в подразделе 3.8.

3.1.2. Материалы по химическому составу и механически свойствам должны удовлетворять требованиям государственных стандартов, технических условий и настоящих Правил.

Качество и характеристики материалов должны подтверждаться соответствующими сертификатами.

Сертификаты материалов (сварочных материалов) следует хранить на предприятии - изготовителе сосудов.

3.1.3. При выборе материалов для изготовления сосудов (сборочных единиц, деталей) следует учитывать: расчетное давление, температуру стенки (минимальную и максимальную), химический состав и характер среды, технологические свойства и коррозионную стойкость материалов.

Для сосудов, устанавливаемых на открытой площадке или в неотапливаемом помещении, при выборе материалов также следует учитывать:

абсолютную минимальную температуру наружного воздуха данного района, если температура стенки сосуда, находящегося под давлением, может стать отрицательной от воздействия окружающего воздуха;

среднюю температуру воздуха наиболее холодной пятидневки данного района, если температура стенки сосуда, находящегося под давлением, положительная; при этом категория углеродистых и низколегированных сталей принимается не ниже рекомендуемых в таблице 3.

Таблица 3

Категории сталей для сосудов в зависимости от средней температуры воздуха наиболее холодной пятидневки

Средняя температура воздуха наиболее холодной пятидневки, °С

Марка стали

Не ниже -30

Ст3пс3, Ст3сп3, Ст3Гпс3

15К-3, 16К-3, 18К-3, 20К-3

От -31 до -40

Ст3пс4, Ст3сп4, Ст3Гпс4

15К-5, 16К-5, 18К-5, 20К-5

16ГС-3, 09Г2С-3, 10Г2С1-3

От -41 до -60

09Г2С-8, 10Г2С1-8

3.1.4. Если при проверке категории стали на соответствие требованию табл. 3 окажется, что могут применяться различные категории стали, то следует применять сталь более высокой категории.

3.1.5. Пределы применения двухслойной стали определяются по основному слою.

3.1.6. Допускается применение сталей марок 09Г2С, 10Г2С1 с испытанием на ударный изгиб при средней температуре воздуха наиболее холодной пятидневки для заданного района установки сосуда.

3.1.7. Элементы, привариваемые непосредственно к корпусу сосуда изнутри или снаружи (лапы, цилиндрические опоры, подкладки под фирменные таблички, опорные кольца под тарелки и др.), следует изготавливать из материалов того же класса, что и корпус.

Допускается приварка к поверхности корпуса сосуда элементов из сталей других классов. Возможность применения таких элементов, их размеры (протяженность и толщина) обосновывается проектом.

Для приварных и неприварных внутренних элементов толщиной не более 10 мм для сосудов, работающих при температуре от -40 до 475 °С допускается применять листовую сталь и сортовой прокат марок Ст3кп2 и Ст3пс2.

3.1.8. Для материалов опорных частей сосудов, кронштейнов для крепления навесного оборудования и других деталей наружных приварных элементов выполняются требования таблицы 3.

3.1.9. Углеродистая сталь кипящая не применяется:

в сосудах, предназначенных для сжиженных газов;

в сосудах, предназначенных для работы со взрыво- и пожароопасными веществами, вредными веществами 1-го и 2-го классов опасности и средами, вызывающими коррозионное растрескивание (растворы едкого калия и натрия, азотнокислого калия, натрия, аммония и кальция, этаноламина, азотной кислоты, аммиачная вода, жидкий аммиак при содержании влаги менее 0,2 % и др.) или сероводородное растрескивание и расслоение.

3.1.10. Внутренние устройства толщиной не более 10 мм, соприкасающиеся со взрыво- и пожароопасными средами, допускается выполнять из кипящей стали.

3.1.11. Сталь марки Ст3пс категорий 3, 4, 5 толщиной более 12 мм до 25 мм допускается применять для сосудов объемом не более 50 м3, а толщиной 12 мм и менее - наравне со сталью Ст3сп соответствующей категории.

3.1.12. Коррозионностойкие стали (лист, трубы, сварочные материалы, поковки и штампованные детали) при наличии требований в проекте следует проверять на стойкость против межкристаллитной коррозии.

3.1.13. Применение материалов для изготовления сосудов, работающих с параметрами, выходящими за установленные пределы, а также применение нерегламентированных материалов допускается в установленном порядке и обосновывается в проекте.

3.1.14. При отсутствии сопроводительных документов на материалы или данных об отдельных видах испытаний необходимо провести испытания на предприятии - изготовителе сосуда в соответствии с требованиями стандартов или технических условий на эти материалы и требованиями настоящих Правил.

Результаты испытаний необходимо хранить в установленном порядке.

3.1.15. Допускается по согласованию в установленном порядке применение материалов по разным нормативно-техническим документам, если качество и свойства материалов по ним удовлетворяют установленным требованиям.

3.1.16. Дополнительные требования к материалам, не предусмотренные стандартами или техническими условиями, следует указывать в технической документации.

3.2. Сталь листовая

3.2.1. При выборе углеродистых обыкновенного качества и углеродистых низколегированных сталей указывается категория стали.

Углеродистые низколегированные стали следует выбирать с содержанием серы не более 0,035 % и фосфора не более 0,035 %, а стали марки 20К категорий 5 и 11 - с поставкой в нормализованном состоянии.

3.2.2. Для проката допускается переводить сталь из одной категории в другую при условии проведения необходимых дополнительных испытаний в соответствии с требованиями стандартов.

3.2.3. Коррозионностойкая, жаростойкая и жаропрочная толстолистовая сталь выбирается горячекатаной, термически обработанной, травленой, с обрезной кромкой, с качеством поверхности по группе М2б. При необходимости следует оговаривать требования по содержанию a-фазы и стойкости против межкристаллитной коррозии.

3.2.4. Листовую углеродистую сталь марки Ст3сп и двухслойную сталь с основным слоем из стали марки Ст3сп толщиной более 25 мм и сталь марки Ст3Гпс толщиной более 30 мм допускается применять в соответствии с параметрами, предусмотренными обязательным приложением 2, при условии проведения испытания металла сосудов или их элементов на ударный изгиб. Испытание на ударный изгиб следует проводить на трех образцах.

При этом величина ударной вязкости KCU должна быть не менее:

50 Дж/см2 (5 кгс·м/см2) - при температуре 20 °С;

30 Дж/см2 (3 кгс·м/см2) - при температуре - 20 °С и после механического старения, а на одном образце допускается величина ударной вязкости не менее 25 Дж/см2 (2,5 кгс·м/см2).

3.2.5. Листовую сталь толщиной листа более 60 мм, предназначенную для сосудов, работающих под давлением, следует контролировать на сплошность ультразвуковым или другим равноценным методом. Методы и нормы контроля выбираются в соответствии с /государственными стандартами.

3.2.6. Листы из двухслойных сталей толщиной более 25 мм, предназначенные для сосудов, работающих под давлением, следует контролировать ультразвуковым методом на сплошность сцепления слоев полистно. Нормы контроля - по государственному стандарту.

3.2.7. Заготовки деталей из листовой стали марки 20К по техническим условиям подлежат нормализации на предприятии - изготовителе сосудов (сборочных единиц, деталей).

Если механические свойства металла листов при поставке соответствуют требованиям технических условий, что подтверждается испытаниями сборочных единиц, деталей, нормализацию заготовок деталей можно не производить.

3.3. Трубы

3.3.1. Электросварные трубы не следует применять в трубных пучках теплообменных аппаратов, предназначенных для работы с веществами 1-го и 2-го классов опасности и в сосудах, где смещение сред трубного и межтрубного пространств может привести к взрыву.

3.3.2. Допускаются трубы из сталей марок Ст3сп4 и Ст3сп при их соответствии требованиям для труб магистральных тепловых сетей и проведении контроля поперечных сварных швов неразрушающим методом.

3.3.3. Для труб из сталей группы «В» предусматривается проведение гидравлического испытания и при необходимости контроля макроструктуры, испытания на раздачу или сплющивание, или загиб.

3.3.4. Требование по контролю макроструктуры следует обеспечивать при выборе труб для сосудов, работающих под давлением среды более 5 МПа (50 кгс/см2).

3.3.5. При выборе труб из сталей марок 10, 20, 15Х5М и X8, предназначенных для изготовления теплообменных аппаратов, следует предусматривать поставку труб из сталей группы «А».

3.3.6. При выборе труб следует учитывать следующие требования:

партия должна состоять из труб одной плавки и иметь единый документ о качестве с указанием химического состава и сведений о термической обработке;

глубина местной зачистки или шлифовки не должна выводить диаметр и толщину стенки за пределы минусовых отклонений;

должны быть проведены гидравлические испытания, испытания на стойкость против межкристаллитной коррозии (при наличии требования в проекте), испытания на раздачу или сплющивание.

При выборе труб следует обеспечить также и требования по очистке от окалины и термообработке труб.

3.3.7. При выборе электросварных труб из коррозионностойких сталей по техническим условиям следует обеспечить проведение испытания на стойкость против межкристаллитной коррозии (при наличии требования в проекте).

3.3.8. Трубы, закрепляемые в сосудах методом развальцовки, следует испытывать на раздачу, в остальных случаях - на загиб или сплющивание в соответствии со стандартами на трубы.

3.3.9. Допускается применять бесшовные трубы без проведения гидравлического испытания на предприятии - изготовите труб в следующих случаях:

если труба подвергается по всей поверхности контролю радиографическим, ультразвуковым или им равноценными методами;

применения труб при рабочем давлении до 5 МПа (50 кгс/см2), если предприятие - изготовитель труб гарантирует положительные результаты гидравлических испытаний.

3.4. Поковки

3.4.1. Режимы ковки и термической обработки поковок должны соответствовать установленным в технической документации.

3.4.2. Размеры поковки выбираются с учетом припусков на механическую обработку, технологических напусков и допусков на точность изготовления.

Качество поверхности, механические свойства поковок, допускаемые дефекты и методы устранения дефектов должны соответствовать требованиям государственных стандартов.

В случае изготовления поковок по размерам, выходящим за пределы, предусмотренные государственными стандартами, требования к механическим свойствам поковок определяются в проекте.

3.4.3. Поковки из коррозионностойких сталей при наличии требования в проекте испытываются на стойкость против межкристаллитной коррозии.

3.4.4. Поковки из углеродистых, низколегированных и среднелегированных сталей, предназначенные для работы под давлением более условного давления 6,3 МПа (63 кгс/см2) и имеющие один из габаритных размеров (диаметр) более 200 мм и толщину более 50 мм, следует подвергать поштучному контролю ультразвуковым или другим равноценным методом. Поковки, работающие под давлением не более условного давления 6,3 МПа (63 кгс/см2), а также поковки из аустенитных и аустенитно-ферритных высоколегированных сталей, работающие под давлением более указанного условного давления, подлежат неразрушающему контролю при наличии этого требования в проекте.

Контролю ультразвуковым или другим равноценным методом следует подвергать не менее 50 % объема поковки.

Методика контроля и оценка качества должны соответствовать требованиям нормативно-технической документации по промышленной безопасности.

3.4.5. Перед запуском в производство каждую поковку для плоских днищ, кроме поковок из высоколегированных сталей, необходимо контролировать ультразвуковым методом в зоне «А» (рисунок 4) по всей площади.

3.5. Сортовая сталь

3.5.1. При выборе углеродистых сталей обыкновенного качества устанавливаются степень раскисления (спокойная, полуспокойная, кипящая) и категория стали.

3.5.2. При выборе коррозионностойких сталей обеспечивается поставка их в термообработанном состоянии и проверка на стойкость против межкристаллитной коррозии (при наличии требования в проекте).

3.6. Отливки стальные

3.6.1. Отливки стальные следует применять в термообработанном состоянии с проверкой механических свойств после термической обработки. Вид и режим термической обработки следует предусматривать в технической документации.

3.6.2. Сталь для отливок следует выплавлять в мартеновских или электрических печах, способ выплавки указывается в сертификатах.

3.6.3. Отливки по форме и размерам должны соответствовать требованиям проекта. Допускаемые отклонения по размерам и массе отливок, а также припуски на механическую обработку принимаются по 3-му классу точности.

3.6.4. Качество поверхности отливок должно соответствовать требованиям нормативно-технической документации по промышленной безопасности и соответствующим техническим условиям.

3.6.5. На поверхности отливок, подлежащих механической обработке, допускаются дефекты, если глубина залегания их не превышает 2/3 припуска на механическую обработку.

3.6.6. Дефекты отливок, влияющие на прочность и ухудшающие их товарный вид, подлежат исправлению. Виды, количество, размеры и расположение дефектов, подлежащих исправлению, а также способы их исправления определяются соответствующими техническими условиями и документацией на детали из отливок.

3.6.7. Отливки из легированных и коррозионностойких сталей подвергаются контролю макро- и микроструктуры при наличии требований в технических условиях или проектах.

Исследование макро- и микроструктуры производится по инструкции, утвержденной в установленном порядке.

3.6.8. Отливки из коррозионностойких сталей при наличии требований в проекте следует испытывать на стойкость против межкристаллитной коррозии методом, указанным в проекте.

3.6.9. Образцы для испытания механических свойств следует изготавливать в соответствии с требованиями государственных стандартов.

3.6.10. Каждую полую отливку, работающую при давлении свыше 0,07 МПа (0,7 кгс/см2), следует подвергать гидравлическому испытанию пробным давлением, указанным в нормативно-технической документации по промышленной безопасности.

Испытание отливок, прошедших на предприятии-изготовителе 100-процентный контроль неразрушающими методами, допускается совмещать с испытанием собранного узла или сосуда пробным давлением, установленным для узла или сосуда.

3.7. Крепежные детали

3.7.1. При выборе марок сталей для крепежных деталей фланцевых соединений, предусмотренных стандартами, следует руководствоваться стандартами на эти фланцы.

3.7.2. Требования к материалам, виды их испытаний, пределы применения, назначение и условия применения должны удовлетворять требованиям нормативно-технической документации по промышленной безопасности.

3.7.3. Материалы крепежных деталей следует выбирать с коэффициентом линейного расширения, близким по значению коэффициенту линейного расширения материала фланца. При этом разница в значениях коэффициентов линейного расширения не должна превышать 10 %.

Допускается применять материалы шпилек (болтов) и фланцев с коэффициентами линейного расширения, значения которых отличаются между собой более чем на 10 % в случаях, если:

это обосновано расчетом на прочность или экспериментальным исследованием;

расчетная температура фланца не более 100 °С для фланцевых соединений.

3.7.4. Допускается для шпилек (болтов) из аустенитных сталей применять гайки из сталей других структурных классов, предусмотренных в нормативно-технической документации по промышленной безопасности.

3.7.5. Гайки и шпильки (болты) для соединений, работающих под давлением, следует изготавливать из сталей разных марок.

Допускается изготавливать шпильки (болты) и гайки из сталей одной марки, если твердость гаек ниже твердости шпилек (болтов) не менее чем на 15 НВ.

3.7.6. Допускается применять крепежные детали из сталей марок 30Х, 35Х, 38ХА, 40Х, 25Х1МФ, 30ХМА, 25Х2М1Ф, 37Х12Н8Г8МБФ для соединений, работающих под давлением, до температуры - 60 °С, а также гайки из стали марки 35 после закалки и высокого отпуска для соединений, работающих под давлением, до температуры - 46 °С. В этом случае для шпилек необходимо провести испытание образцов с острым надрезом (тип 11) на ударный изгиб при рабочей температуре. Значение ударной вязкости на всех образцах должно быть не менее 30 Дж/см (3 кгс·м/см2).

3.8. Сварочные материалы

3.8.1. Сварочные материалы следует выбирать в зависимости от условий применения и с учетом требований проекта и таблицы 3.

Сварочные материалы, не указанные в документации, могут применяться по заключению специализированной экспертной организации.

3.8.2. Сварочные материалы, применяемые для изготовления сосудов (сборочных единиц, деталей), должны удовлетворять требованиям стандартов или технических условий.

Качество и характеристики сварочных материалов подтверждаются в соответствующих сертификатах.

При отсутствии сертификата сварочные материалы необходимо проверять на соответствие требованиям стандартов или технических условий.

3.8.3. Электроды с покрытием для ручной дуговой сварки типов, предусмотренных государственными стандартами, должны обеспечивать механические свойства металла шва и наплавленного металла в соответствии с требованиями государственных стандартов.

3.8.4. Механические свойства металла шва или наплавленного металла должны быть не ниже требований, указанных в таблице 4.

3.8.5. В случае применения присадочных материалов при сварке сосудов, предназначенных для работы при температурах ниже -20 °С, значение ударной вязкости наплавленного металла должно удовлетворять требованиям таблицы 16.

3.8.6. Допускается снижение значения временного сопротивления разрыву на одном из двух испытанных образцов не более чем на 7 %.

3.8.7. Нормы механических свойств металла шва или наплавленного металла для низко- и среднелегированных хромистых, хромомолибденовых, хромованадиевых и хромованадиевовольфрамовых сталей указаны после термической обработки.

3.8.8. В случае отсутствия данных механические испытания шва или наплавленного металла следует проводить на растяжение и ударный изгиб на образцах в соответствии с государственными стандартами.

3.8.9. В металле, наплавленном электродами, предназначенными для ручной сварки сталей аустенитного класса, содержание ферритной фазы должно соответствовать требованиям государственных стандартов или техническим условиям (паспорту) на электроды. Необходимость определения ферритной фазы в металле швов, выполненных другими способами сварки сталей аустенитного класса, устанавливается проектом.

Сварочные материалы, не предусмотренные настоящими Правилами и предназначенные для сварки сосудов (сборочных единиц, деталей) из аустенитных сталей, работающих при температуре выше 350 °С, при отсутствии специальных указаний необходимо подвергать контролю на содержание ферритной фазы в металле шва или наплавленном металле.

Таблица 4

Механические свойства металла шва и наплавленного металла

Наименование сталей

Временное сопротивление разрыву

Относительное удлинение, %

Ударная вязкость KCU, Дж/см2 (кгс·м/см2)

при температуре 20 °С

Углеродные, марганцовистые и марганцево-кремнистые

Не ниже нижнего значения временного сопротивления разрыву основного материала, указанного в соответствующих стандартах

18

50 (5,0)

Низколегированные хромистые и хромомолибденовые

16

Среднелегированные хромистые, хромомолибденовые и хромованадиево-вольфрамовые

14

Высоколегированные с особыми свойствами

По стандарту или техническим условиям на сварочный материал, а при отсутствии в них данной характеристики не менее 18

70 (7,0)

3.8.10. Сварочные материалы, предназначенные для выполнения соединений из разнородных сталей, выбираются в соответствии с требованиями нормативно-технической документации по промышленной безопасности для ручной дуговой и автоматической под флюсом сварки и согласно, а также для сварки в защитных газах.

3.8.11. Сварочные материалы (электроды и сварочная проволока) предназначенные для выполнения сварных соединений, к которым предъявляются требования по стойкости против межкристаллитной коррозии, перед запуском в производство необходимо подвергать испытаниям на стойкость против межкристаллитной коррозии без провоцирующего нагрева.

Если сосуд или его детали в процессе изготовления нагреваются выше 600 °С или подвергаются термической обработке, необходимо проводить испытания образцов на стойкость против межкристаллитной коррозии с учетом времени всех термических нагревов, которым подвергаются сосуд или детали.

3.8.12. При получении неудовлетворительных результатов по какому-либо виду испытаний допускается проведение повторных испытаний на удвоенном количестве образцов по виду испытаний, давшему неудовлетворительные результаты.

IV. ИЗГОТОВЛЕНИЕ

4.1. Общие требования

4.1.1. Перед изготовлением (доизготовлением), монтажом и ремонтом следует производить входной контроль основных и сварочных материалов и полуфабрикатов.

Во время хранения и транспортирования материалов следует исключать повреждения материалов и обеспечивать возможность идентификации нанесенной маркировки с данными документации.

4.1.2. На листах и плитах, принятых к изготовлению обечаек и днищ, следует сохранять маркировку металла. Если лист и плиту разрезают на части, на каждую из них следует перенести маркировку металла листов и плит. Маркировка должна содержать следующие данные:

марку стали (для двухслойной стали - марки основного и коррозионностойкого слоев);

номер партии - плавки;

номер листа (для листов с полистными испытаниями и двухслойной стали);

клеймо технического контроля.

Маркировка наносится в соответствии с требованиями п. 8.1.4.

Маркировку следует размещать на стороне листа и плиты, не соприкасающейся с рабочей средой, в углу на расстоянии примерно 300 мм от кромок.

4.1.3. Маркировке, нанесенной на листе или плите, допускается присваивать условный регистрационный номер. Условный регистрационный номер наносится на заготовку при переносе маркировки и отмечается в документе о качестве.

4.1.4. Методы разметки заготовок деталей из сталей аустенитного класса марок 12Х18Н10Т, 10Х17Н13М3Т, 08Х17Н15М3Т и др. и двухслойных сталей с коррозионностойким слоем из этих сталей не должны допускать повреждений рабочей поверхности деталей.

Кернение выполняется по линии реза.

4.1.5. На поверхности обечаек и днищ не допускаются риски, забоины, царапины, раковины и другие дефекты, если их глубина превышает минусовые предельные отклонения, предусмотренные соответствующими стандартами и техническими условиями, или если после их устранения толщина стенки будет менее допускаемой по расчету.

4.1.6. Поверхности деталей следует очищать от брызг металла, полученных в результате термической (огневой) резки и сварки.

4.1.7. Заусенцы следует удалять, а острые кромки деталей и узлов притуплять.

4.1.8. Предельные отклонения размеров, если в документации не указаны более жесткие требования, устанавливаются:

для механически обрабатываемых поверхностей: отверстий H14, валов h14, остальных ;

для поверхностей без механической обработки, а также между обработанной и необработанной поверхностями - в соответствии с таблицей 5.

Таблица 5

Предельные отклонения размеров поверхностей

Размеры, мм

Предельные отклонения

отверстий

валов

остальных

До 500

Н17

h17

Свыше 500 до 3150

Н16

h16

Свыше 3150

Н15

h15

Оси резьбовых отверстий деталей внутренних устройств должны быть перпендикулярными к опорным поверхностям. Допуск перпендикулярности должен быть в пределах 15-й степени точности, если не предъявляются в документации более жесткие требования.

4.1.9. Методы сборки элементов под сварку должны обеспечивать правильное взаимное расположение сопрягаемых элементов и свободный доступ к выполнению сварочных работ в последовательности, предусмотренной технологическим процессом.

4.1.10. Разделка кромок и зазор между кромками деталей, подлежащих сварке, должны соответствовать требованиям документации и стандартов на сварные швы.

4.1.11. Сварку следует выполнять после подтверждения правильности сборки и устранения дефектов на всех поверхностях, подлежащих сварке.

4.1.12. Покрытие (эмалью, свинцом, лаком, резиной, эбонитом и др.) и подготовка под покрытие внутренней поверхности сосуда проводятся при наличии требований в технической документации.

4.2. Корпуса

4.2.1. Обечайки диаметром до 1000 мм следует изготавливать не более чем с двумя продольными швами с обеспечением, при отклонениях в длине развертки окружности, взаимостыкуемости обечаек. Замеры длин разверток производятся с двух концов заготовки обечайки.

4.2.2. После сборки и сварки обечаек корпус (без днищ) должен удовлетворять следующим требованиям:

а) отклонение по длине не более ±0,3 % номинальной длины, но не более ±75 мм;

б) отклонение от прямолинейности не более 2 мм на длине 1 м, но не более 30 мм при длине корпуса свыше 15 м.

При этом местная непрямолинейность не учитывается:

в местах сварных швов;

в зоне вварки штуцеров и люков в корпус;

в зоне конусности обечайки, используемой для достижения допустимых смещений кромок в кольцевых швах сосудов;

в) отклонение от прямолинейности корпуса (без днищ) сосудов с внутренними устройствами, устанавливаемыми в собранном виде, не превышает величину номинального зазора между внутренним диаметром корпуса и наружным диаметром устройства на участке установки.

Усиления кольцевых и продольных швов на внутренней поверхности корпуса следует зачищать в местах, если они мешают установке внутренних устройств.

Усиления сварных швов не снимают у корпусов сосудов, изготовленных из двухслойных и коррозионностойких сталей; при этом у деталей внутренних устройств делают местную выемку в местах прилегания к сварному шву. В случае, если зачистка таких внутренних швов необходима, следует предусматривать технологию сварки, обеспечивающую коррозионную стойкость зачищенного шва.

4.2.3. Отклонение внутреннего (наружного) диаметра корпуса сосудов допускается не более ± 1 % номинального диаметра, если в технической документации не указаны более жесткие требования.

Относительная овальность а корпуса сосудов (за исключением работающих под вакуумом или наружным давлением, и для теплообменных кожухотрубчатых аппаратов) не должна превышать 1 %.

Величина относительной овальности определяется:

в местах, где не установлены штуцера и люки, по формуле:

в местах установки штуцеров и люков по формуле:

где Dmax и Dmin - наибольший и наименьший внутренние диаметры корпуса соответственно, измеренные в одном поперечном сечении;

d - внутренний диаметр штуцера или люка.

Значение а допускается увеличивать до 1,5 % для сосудов при отношении толщины корпуса к внутреннему диаметру не более 0,01.

Значение а для сосудов, работающих под вакуумом или наружным давлением, должно быть не более 0,5 %.

Значение а для сосудов без давления (под налив) должно быть не более 2 %.

4.2.4. Для выверки горизонтального положения базовая поверхность горизонтального сосуда должна быть указана в технической документации. На одном из днищ корпуса необходимо нанести несмываемой краской две контрольные риски для выверки бокового положения сосуда на фундаменте.

4.2.5. Для выверки вертикального положения вверху и внизу корпуса под углом 90° следует предусматривать у изолируемых колонных сосудов две пары приспособлений, а у неизолируемых - две пары рисок.

4.2.6. Корпуса вертикальных сосудов с фланцами, имеющими уплотнительные поверхности «шип-паз» или «выступ-впадина», для удобства установки прокладки следует выполнять так, чтобы фланцы с пазом или впадиной были нижними.

4.3. Днища

4.3.1. Отклонение внутреннего (наружного) диаметра в цилиндрической части отбортованных днищ и полусферического днища допускается не более ± 1 % номинального диаметра. Относительная овальность допускается не более 1 %, если не установлено более жестких требований.

4.3.2. Днища, изготовленные из коррозионностойкой стали аустенитного класса методом горячей штамповки или горячего флажирования, а также днища, прошедшие термообработку или горячую правку, следует очищать от окалины, если это требование предусмотрено технической документацией. Пассивирование рабочей поверхности днищ производится по требованию технической документации.

4.3.3. Готовое днище, являющееся товарной продукцией, подлежит маркировке, включающей:

товарный знак или наименование организации-изготовителя;

номер днища по системе нумерации организации-изготовителя;

марку материала;

обозначение;

клеймо технического контроля.

Маркировка наносится в соответствии с требованиями п. 8.1.4. на наружной выпуклой поверхности днища.

Днища эллиптические

4.3.4. Отклонения размеров и формы днищ (рисунок 6) не должны превышать значений, указанных в таблицах 6, 7, 8.

Рис. 6. Отклонение размеров и формы эллиптического днища

Таблица 6

Допуски высоты цилиндрической части и высоты выпуклости (вогнутости) на эллипсоидной части днища

Диаметр днища D, мм

Предельное отклонение высоты цилиндрической части D h, мм

Предельная высота отдельной вогнутости или выпуклости на эллипсоидной части Т, мм

До 720

± 5

2

От 800 до 1300

3

От 1320 и более

4

4.3.5. Высота отдельной вогнутости или выпуклости Т на эллипсоидной части днища, изготавливаемого на фланжировочном прессе, допускается до 6 мм.

4.3.6. На цилиндрической части днища не допускаются гофры высотой более 2 мм.

4.3.7. Высота эллипсоидной части днища обеспечивается оснасткой.

4.3.8. Для днищ, изготовляемых штамповкой, допускается утонение в зоне отбортовки до 15 % исходной толщины заготовки.

Таблица 7

Допуск наклона цилиндрической части

Толщина днища S', мм

Допуск наклона Dm, мм

До 20

4

От 22 до 25

5

От 28 до 34

6

От 36 и более

8

4.3.9. Контроль формы готового днища следует производить шаблоном длиной 0,5 внутреннего диаметра днища. Высота цилиндрической части измеряется приложением линейки.

Таблица 8

Допуск формы эллипсоидной поверхности

Диаметр днища D, мм

Зазор между шаблоном и эллипсоидной поверхностью, мм

Dr

DR

До 530

4

8

От 550 до 1400

6

13

От 1500 до 2200

10

21

От 2400 до 2800

12

31

От 3000 и более

16

41

Днища полусферические

4.3.10. Высота отдельной вогнутости или выпуклости Т (рисунок 7, а) на поверхности днищ должна быть не более 4 мм.

Рис. 7. Отклонение формы полусферического днища.

4.3.11. Зазоры DR и Dr между шаблоном и сферической поверхностью днища из лепестков и шарового сегмента (рисунок 7, б, в) должны быть не более ± 5 мм при внутреннем диаметре днища до 5000 мм и ± 8 мм при внутреннем диаметре днища более 5000 мм. Величина зазора D R может быть увеличена в 2 раза, если S' ≥ 0,8S (S' - толщина обечайки, S' - толщина днища).

4.3.12. Зазор DR и Dr между шаблоном и сферической поверхностью штампованного днища должен быть не более значений, указанных в таблице 8.

4.3.13. Контроль формы готового днища производится шаблоном длиной не менее 1/6 внутреннего диаметра днища.

Конические днища (переходы)

4.3.14. У конических днищ (переходов) продольные и кольцевые швы смежных поясов могут располагаться непараллельно образующей и основанию конуса. При этом должны выполняться установленные проектом требования.

4.3.15. Утонение толщины стенки отбортовки коническихднищ (переходов), изготовляемых штамповкой, должно соответствовать требованию п. 4.3.8.

4.3.16. Отклонения высоты цилиндрической части днища допускаются не более +10 мм и -5 мм.

Днища плоские

4.3.17. Отклонение от плоскостности для плоских днищ не должно превышать требований по отклонению от плоскостности на стальной лист.

4.3.18. Отклонение от плоскостности для плоских днищ, работающих под давлением, после приварки их к обечайке не должно превышать 0,01 внутреннего диаметра сосуда, но не более 20 мм при условии, что в технической документации не указаны более жесткие требования.

4.4. Фланцы

4.4.1. Технические требования к фланцам сосудов и фланцам арматуры должны соответствовать требованиям государственных стандартов.

Фланцы с гладкой уплотнительной поверхностью не допускается применять в сосудах 1-й и 2-й групп, за исключением тех случаев, когда во фланцах использованы спирально-навитые прокладки с двумя ограничительными кольцами. Это ограничение не распространяется на фланцы эмалированных и гуммированных сосудов.

При выборе материала прокладок следует учитывать условия эксплуатации сосуда. Сведения о прокладках следует указывать в технической документации на сосуд.

4.4.2. Фланцы приварные встык следует изготавливать из поковок, штамповок или бандажных заготовок.

Фланцы приварные встык допускается изготавливать:

вальцовкой заготовки по плоскости листа (рисунок 8) для сосудов, работающих под давлением не более условного давления 2,5 МПа (25 кгс/см2);

путем гиба кованых полос для сосудов, работающих под давлением не более условного давления 6,3 МПа (63 кгс/см2);

методом точения из сортового проката.

При этом сварные швы необходимо проконтролировать радиографическим или ультразвуковым методом в объеме 100 %.

4.4.3. Плоские фланцы допускается изготавливать сварными из частей при условии выполнения сварных швов с полным проваром всему сечению фланца.

Качество радиальных сварных швов необходимо проверять радиографическим или ультразвуковым методом в объеме 100 %.

Сварные швы плоских фланцев из низколегированных (марок 16ГС, 09Г2С, 10Г2С1) и аустенитно-ферритных сталей, применяемых при температуре ниже -20 °С, дополнительно испытываются на ударный изгиб при минимальной рабочей температуре.

Рис. 8. Схема вальцовки фланца приварного встык по плоскости листа.

Сварные швы фланцев из аустенитных хромоникелевых и аустенитно-ферритных сталей следует дополнительно испытывать на стойкость против межкристаллитной коррозии в соответствии с требованиями подразд. 6.4.

4.4.4. Фланцы для сосудов из двухслойной стали следует изготавливать из стали основного слоя двухслойной стали или из стали этого же класса с защитной уплотнительной и внутренней поверхностью фланца от коррозии наплавкой или облицовкой из коррозионностойкой стали.

Фланцы штуцеров, патрубки которых изготовлены из хромоникелевой аустенитной стали, в обоснованных случаях, допускается применять из той же стали, если это установлено в технической документации.

4.4.5. Для контроля герметичности сварных соединений облицовки фланцев необходимо предусматривать контрольные отверстия под резьбу М10.

4.4.6. Длина шпилек (болтов) должна обеспечивать превышение резьбовой части над гайкой не менее чем на 1,5 шага резьбы.

4.5. Штуцера, люки, укрепляющие кольца

4.5.1. Патрубки штуцеров и люков сосудов из двухслойных сталей могут быть изготовлены:

из двухслойной стали той же марки или того же класса;

с коррозионностойкой наплавкой внутренней поверхности патрубка;

с применением облицовочных гильз.

Толщина наплавленного слоя должна быть не менее 3 мм после механической обработки и не менее 5 мм при наличии требований по межкристаллитной коррозии. Толщина облицовки должна быть не менее 3 мм.

Патрубки штуцеров сосудов из двухслойной стали с основным слоем из углеродистой или марганцевокремнистой стали и плакирующим слоем из хромистой коррозионностойкой стали или хромоникелевой аустенитной стали допускается изготавливать из хромоникелевой аустенитной стали при соблюдении следующих условий:

условный проход патрубка не более 100 мм, расчетная температура не более 400 °С независимо от режима работы сосуда;

условный проход патрубка не более 200 мм, расчетная температура не более 250 °С и режим работы сосуда непрерывный или периодический с количеством циклов не более 1000.

4.5.2. Торцы патрубков штуцеров и люков из двухслойной стали и швы приварки их к корпусу необходимо защищать от корродирующего действия среды наплавкой или накладкой.

Толщина наплавленного слоя должна быть не менее указанной в п. 4.5.1. Толщина накладок должна быть не менее 3 мм.

4.5.3. Отверстия и разделка кромок при установке бобышек, штуцеров и люков на продольных швах цилиндрических и конических частей корпусов и сварных швах выпуклых днищ, сосудов из хромомолибденовых сталей следует выполнять механическим способом.

4.5.4. При установке штуцеров и люков:

позиционное отклонение (в радиусном измерении) осей штуцеров и люков допускается не более ± 10 мм;

отклонения диаметров отверстий под штуцера и люки должны быть в пределах зазоров, допускаемых для сварных соединений;

оси отверстий для болтов и шпилек фланцев не рекомендуется совмещать с главными осями сосудов и следует располагать симметрично относительно этих осей, при этом отклонение от симметричности допускается не более ±5°;

отклонение по высоте (вылету) штуцеров допускается не более ±5 мм.

4.5.5. Для контроля на герметичность при наличии облицовочной гильзы необходимо предусмотреть контрольное отверстие с резьбой М10.

4.5.6. При приварке к корпусу сосуда бобышек, патрубков штуцеров и люков, укрепляющих колец минимальное расстояние N между краем шва корпуса и краем шва приварки детали (рисунок 9) принимается в соответствии с требованиями п. 4.9.6.

4.5.7. Укрепляющие кольца допускается изготавливать из частей, количество которых обосновывается проектом. При этом сварные швы следует выполнять с проваром на полную толщину кольца.

В каждом укрепляющем кольце или каждой его части, если сварка частей производится после установки их на сосуд, следует предусматривать не менее одного контрольного отверстия с резьбой М10.

Контрольное отверстие следует располагать в нижней части кольца или полукольца по отношению к сосуду, устанавливаемому в проектное положение, и оставлять открытым.

Рис. 9. Схема определения расстояния между краем шва корпуса и краем шва приварки детали.

4.5.8. Укрепляющие кольца должны прилегать к поверхности укрепляемого элемента. Зазор допускается не более 3 мм. Зазор контролируется щупом по наружному диаметру укрепляющего кольца.

4.6. Змеевики

4.6.1. При изготовлении гнутых змеевиков необходимо выполнять следующие условия:

а) расстояние между сварными стыками в змеевиках спирального, винтового и других типов должно быть не менее 4 м. Длина замыкающей трубы с каждого конца должна быть не менее 500 мм, за исключением случая приварки к замыкающей трубе патрубка, штуцера или отвода.

При горячей гибке труб с наполнителем допускается не более одного сварного стыка на каждом витке при условии, что расстояние между сварными стыками не менее 2 м;

б) в змеевиках с приварными двойниками (колена двойные) на прямых участках труб длиной 2 м и более допускается один сварной стык, исключая швы приварки двойников.

4.6.2. При горячей гибке вручную труб с наполнителем для змеевиков с диаметром витка не более 1,3 м допускается не более двух стыков на каждом витке. Для змеевиков с диаметром витка более 1,3 м количество стыков не нормируется, но при этом расстояние между стыками должно быть не менее 2 м.

4.6.3. Для сварки стыков труб могут применяться все виды сварки, за исключением газовой сварки, при соблюдении требований подразделов 4.10 - 4.12.

4.6.4. Применение газовой сварки допускается для труб с условным диаметром до 80 мм и толщиной стенки не более 4 мм.

4.6.5. Грат снаружи и внутри трубы после контактной сварки должен удаляться типовыми методами.

Концы труб, подлежащие контактной сварке, следует очищать снаружи и внутри от грязи, масла, заусенцев. При этом не допускается исправление дефектов, дефектные стыки необходимо вырезать. В местах вырезки допускается вставка отрезка трубы длиной не менее 200 мм.

4.6.6. На каждый крайний сварной стык, независимо от способа сварки, наносится клеймо, позволяющее установить фамилию сварщика, выполнявшего эту работу.

Место клеймения следует располагать на основном металле на расстоянии не более 100 мм от стыка.

4.6.7. Отклонение от перпендикулярности торца труб с наружным диаметром не более 100 мм относительно оси трубы не должно превышать:

0,4 мм - при контактной сварке;

0,6 мм - при газовой и электродуговой сварке.

Отклонение от перпендикулярности торца труб наружным диаметром более 100 мм должно соответствовать типовым нормам.

4.6.8. Холодная раздача концов труб из углеродистой стали при их подгонке допускается для труб наружным диаметром не более 83 мм и толщиной стенки не более 6 мм на величину не более чем на 3 % внутреннего диаметра трубы.

4.6.9. Отклонение от круглости в местах гиба труб и сужение внутреннего диаметра в зоне сварных швов не должны превышать 10 % наружного диаметра труб. Отклонение от круглости следует проверять для труб диаметром не более 60 мм при радиусе гиба менее четырех диаметров пропусканием контрольного шара, а для остальных труб - измерением наружного диаметра.

Диаметр контрольного шара принимается равным:

0,9d - для труб без гибов, за исключением труб с подкладными остающимися кольцами (d - фактический наименьший внутренний диаметр труб);

0,8d - для гнутых сварных труб, за исключением гнутых труб в горячем состоянии или с приварными коленами;

0,86d - для гнутых в горячем состоянии труб;

0,75d - для гнутых труб с приварными коленами.

Рис. 10. Схема определения смещения кромок стыкуемых труб.

4.6.10. Смещение кромок В стыкуемых труб (рисунок 10) в стыковых соединениях определяется шаблоном и щупом и не должно превышать значений, указанных в таблице 9.

Таблица 9

Смещение кромок стыкуемых труб

Номинальная толщина стенки трубы S, мм

В, мм

До 3

0,2S

Свыше 3 до 6

0,1S + 0,3

Свыше 6 до 10

0,15S

Свыше 10 до 20

0,05S + 1,0

Свыше 20

0,1S, но не более 3 мм

4.6.11. Отклонение от прямолинейности DL оси трубы на расстоянии 200 мм от оси шва (рисунок 11) определяется шаблоном и щупом и не должно превышать значений, указанных в таблице 10.

Рис. 11. Схема определения отклонения от прямолинейности оси трубы.

Таблица 10

Отклонение от прямолинейности оси трубы

Номинальная толщина стенки трубы S, мм

DL, мм

До 3

0,2S + 1,0

Свыше 3 до 6

0,1S + 1,3

Свыше 6 до 10

0,15S + 1,0

Свыше 10 до 20

0,05S + 2,0

Свыше 20

0,1S + 1,0, но не более 4 мм

4.6.12. При изготовлении гнутых змеевиков (рисунок 12, a, в) предельные отклонения размеров принимаются равными:

± 6 мм - для L;

± 5 мм - для L1 и t2;

± 4 мм - для t1;

± 10 мм - для D.

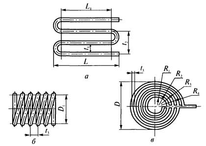
Рис. 12. Размеры гнутых змеевиков.

Предельные отклонения радиусов R1, R2, R3, R4, диаметра D1, шага t3 (рисунок 12, б, в) и излома оси в швах приварки выводов устанавливаются в технической документации.

4.6.13. Допускается отклонение размеров L и L1 (если эти размеры больше 6 м) увеличить на 1 мм на каждый 1 м длины, но не более чем на 10 мм на всю длину.

4.6.14. Контроль сварных швов змеевиков следует проводить в соответствии с требованиями подразделов 6.2 - 6.10.

Объем контроля сварных швов радиографическим или ультразвуковым методом принимается не менее указанного в таблице 21. Группа змеевика определяется по таблице 1.

4.6.15. Змеевики необходимо подвергать до установки в сосуд гидравлическому испытанию пробным давлением, указанным в документации. При испытании не должно быть признаков течи и потения.

4.7. Отводы и трубы гнутые

4.7.1. Отводы должны удовлетворять требованиям государственных стандартов и технической документации.

4.7.2. Отводы следует изготавливать с углом гиба 45°, 60°, 90° и 180°.

Отводы, гнутые из труб под углом 180°, допускается изготавливать сварными из двух отводов под углом 90°.

Изменение угла гиба допускается в обоснованных случаях.

4.7.3. Крутоизогнутые отводы могут изготавливаться из труб и листового проката. Применение секторных отводов в сосудах 1-й и 2-й групп не допускается.

4.7.4. Каждый штампосварной отвод необходимо подвергать гидравлическому испытанию пробным давлением.

Гидравлическое испытание отводов допускается совмещать с гидравлическим испытанием труб.

В обоснованных случаях гидравлическое испытание допускается заменять 100-процентным контролем сварных швов радиографическим или ультразвуковым методом.

4.7.5. Предельные отклонения размеров и допуск плоскостности торцов D отводов и труб гнутых не должны превышать значений, указанных в таблице 11.

Таблица 11

Предельные отклонения размеров и допуск плоскостности отводов и гнутых труб

Толщина отводов или гнутых труб S, мм

Предельные отклонения, мм

Допуск плоскостности, D, мм

внутреннего диаметра

толщины стенки

От 2,5 до 3,0

± 0,5

± 0,125S

± 0,5

От 3,5 до 4,5

± 1,0

± 1,0

От 5,0 до 6,0

± 1,5

± 1,5

От 7,0 до 8,0

± 2,0

От 9,0 до 15,0

± 2,5

От 16,0 и более

± 3,0

Рис. 13. Схема определения размеров L1, L2, L3, D отводов в зависимости от угла гиба.

Предельные отклонения размеров L1, L2, L3 отводов (рисунок 13) не должны превышать значений, указанных в таблице 12.

Таблица 12

Предельные отклонения размеров L1, L2, L3 отводов

Условный проход отводов, мм

Предельные отклонения размеров L1, L2, L3, мм

До 125

± 2,0

Свыше 125 до 200

± 3,0

Свыше 200 до 350

± 4,0

Свыше 350 до 500

± 5,0

Свыше 500

± 6,0

4.8. Сварка

4.8.1. Сварку корпусов и приварку к ним деталей сосудов 1, 2, 3, 4-й групп, а также сварку внутренних устройств, если они относятся к указанным группам, следует проводить аттестованными сварщиками.

4.8.2. Сосуды в зависимости от конструкции и размеров могут быть изготовлены с применением всех видов промышленной сварки, за исключением газовой сварки. Применение газовой сварки допускается только для труб змеевиков в соответствии с требованием п. 4.7.3.

4.8.3. Сварку сосудов (сборочных единиц, деталей) следует производить в соответствии с требованиями технических условий на изготовление или технологической документации.

Технологическая документация должна содержать указания по:

технологии сварки материалов, принятых для изготовления сосудов (сборочных единиц, деталей);

применению присадочных материалов;

видам и объему контроля;

предварительному и сопутствующему подогреву;

термической обработке.

4.8.4. Прихватка свариваемых сборочных узлов и деталей производится с применением сварочных материалов, указанных в документации, аттестованными сварщиками.

4.8.5. Для предотвращения холодных трещин сварочные работы при изготовлении сосудов (сборочных единиц, деталей) производятся при положительных температурах в закрытых отапливаемых помещениях.

Сварку сосудов (сборочных единиц, деталей) из хромистых, хромомолибденовых и хромованадиевовольфрамовых сталей следует производить с подогревом, режим которого определяется технологическим процессом.

При выполнении сварочных работ на открытой площадке сварщика и место сварки необходимо защищать от непосредственного воздействия дождя, ветра и снега. Температура окружающего воздуха должна быть не ниже указанной в таблице 13.

Таблица 13

Температура окружающего воздуха при сварке сосудов

Материал

Температура окружающего воздуха при сварке металла толщиной

не более 16 мм

более 16 мм

Углеродистая сталь с содержанием углерода менее 0,24 %, низколегированные марганцовистые и марганцевокремнистые стали и основной слой из этих сталей в двухслойной стали

Ниже 0 °С до -20 °С сварка без подогрева. При температуре ниже - 20 °С сварка с подогревом до 100 - 200 °С

Ниже 0 °С до -20 °С1) сварка с подогревом до 100 - 200 °С

Углеродистая сталь с содержанием углерода от 0,24 до 0,28 %

Ниже 0 °С до -10 °С1) сварка без подогрева

Ниже 0 °С до -10 °С1) сварка с подогревом до 100 - 200 °С

Низколегированные хромомолибденовые стали (марок 12МХ, 12ХМ, 15ХМ) и основной слой этих сталей в двухслойной стали

Ниже 0 °С до -10 °С1) сварка с подогревом до 250 - 350 °С

Стали марок 15X5, 15Х5М, 15Х5ВФ, Х8, Х9М, 12Х8ВФ и т.п.

Не ниже 0 °С

Высоколегированные, хромоникельмолибденовые и хромоникелевые стали аустенитного класса и коррозионностойкого слоя из этих сталей в двухслойной стали

Ниже 0 °С до -20 °С1) сварка без подогрева

_____________

1) При температуре ниже указанной сварка не допускается.

4.8.6. Форма подготовки кромок должна соответствовать требованиям проекта.

Кромки подготовленных под сварку элементов сосудов следует зачищать на ширину не менее 20 мм, а для электрошлаковой сварки - на ширину не менее 50 мм. Кромки не должны иметь следов ржавчины, окалины, масла и прочих загрязнений. Кромки проверяются визуальным осмотром для выявления пороков металла. Не допускаются расслоения, закаты, трещины, а для двухслойной стали - также и отслоения коррозионностойкого слоя.

При толщине листового проката более 36 мм зону, прилегающую к кромкам, дополнительно следует контролировать ультразвуковым методом на ширине не менее 50 мм для выявления трещин, расслоений и т.д.

Не допускаются дефекты площадью более 1000 мм2 при чувствительности контроля Д5Э. На 1 м длины контролируемой кромки допускается не более трех зафиксированных дефектов при минимальном расстоянии между ними 100 мм.

В случае обнаружения недопустимых дефектов исправления производятся в установленном порядке.

4.8.7. Все сварные швы подлежат клеймению, позволяющему установить сварщика, выполнявшего эти швы.

Клеймо наносится на расстоянии 20 - 50 мм от кромки сварного шва с наружной стороны. Если шов с наружной и внутренней сторон заваривается разными сварщиками, клейма ставятся только с наружной стороны через дробь: в числителе клеймо сварщика с наружной стороны шва, в знаменателе клеймо сварщика с внутренней стороны. Если сварные соединения сосуда выполняются одним сварщиком, то допускается клеймо ставить около таблички или на другом открытом участке.

У продольных швов клеймо следует располагать в начале и в конце шва на расстоянии 100 мм от кольцевого шва. На обечайке с продольным швом длиной менее 400 мм допускается ставить одно клеймо. Для кольцевого шва клеймо выбивается в месте пересечения кольцевого шва с продольным и далее через каждые 2 м, но при этом должно быть не менее двух клейм на каждом шве. На кольцевой шов сосуда диаметром не более 700 мм допускается ставить одно клеймо. Клеймение продольных и кольцевых швов сосудов с толщиной стенки менее 4 мм допускается производить электрографом или несмываемой краской.

Место клеймения заключается в хорошо видимую рамку, выполняемую несмываемой краской.

4.8.8. Допускается вместо клеймения сварных швов прилагать к паспорту сосуда схему расположения швов с указанием и росписью исполнителей.

4.8.9. Устранение дефектов в сварных швах следует производить в установленном порядке.

4.9. Сварные соединения

4.9.1. При сварке обечаек и труб, приварке днищ к обечайкам следует применять стыковые швы с полным проплавлением.

Допускается применять угловые и тавровые швы при приварке штуцеров, люков, труб, трубных решеток, плоских днищ и фланцев.

Допускается применять нахлесточные сварные швы для приварки укрепляющих колец и опорных элементов.

Не допускается применение угловых и тавровых швов для приварки штуцеров, люков, бобышек и других деталей к корпусу с неполным проплавлением (конструктивным зазором):

в сосудах 1, 2, 3-й групп при диаметре отверстия более 120 мм, в сосудах 4-й и 5а групп при диаметре отверстия более 275 мм;

в сосудах 1, 2, 3, 4-й и 5а групп из низколегированных марганцовистых и марганцевокремнистых сталей с температурой стенки ниже -30 °С без термообработки и ниже -40 °С с термообработкой;

в сосудах всех групп, предназначенных для работы в средах, вызывающих коррозионное растрескивание, независимо от диаметра патрубка, за исключением случаев, когда предусмотрена засверловка отверстия в зонах конструктивного зазора.

Не допускается применение конструктивного зазора в соединениях фланцев с патрубками сосудов, работающих под давлением более 2,5 МПа (25 кгс/см2) и при температуре более 300 °С, и фланцев с обечайками и днищами сосудов, работающих под давлением более 1,6 МПа (16 кгс/см2) и при температуре более 300 °С. Не допускается конструктивный зазор в этих сварных соединениях независимо от рабочих параметров в сосудах, предназначенных для работы в средах, вызывающих коррозионное растрескивание.

4.9.2. Сварные швы сосудов следует расположить так, чтобы обеспечить возможность их визуального осмотра и контроля качества неразрушающим методом (ультразвуковым, радиографическим и др.), а также устранения в них дефектов.

Допускается в сосудах 1, 2, 3, 4-й и 5а групп не более одного, в сосудах 5б группы не более четырех, в теплообменниках не более двух стыковых швов, доступных для визуального осмотра только с одной стороны. Швы необходимо выполнять способами, обеспечивающими провар по всей толщине свариваемого металла (например, с применением аргонодуговой сварки корня шва, подкладного кольца, замкового соединения). Возможность применения остающегося подкладного кольца и замкового соединения в сосудах 1-й группы следует обосновывать в проекте в установленном порядке.

4.9.3. Продольные сварные швы горизонтально устанавливаемых сосудов следует располагать вне центрального угла 140° нижней части корпуса, если нижняя часть недоступна для визуального осмотра, о чем должно быть указано в проекте.

4.9.4. Сварные швы сосудов не следует перекрывать опорами. Допускается в горизонтальных сосудах на седловых опорах и подвесных вертикальных сосудах местное перекрытие опорами кольцевых (поперечных) сварных швов на общей длине не более 0,35pDн (Dн - наружный диаметр сосуда), а при наличии подкладного листа - на общей длине не более 0,5pDн при условии, что перекрываемые участки швов по всей длине проконтролированы радиографическим или ультразвуковым методом.

Перекрытие мест пересечения швов не допускается.

4.9.5. Расстояние между продольным швом корпуса горизонтального сосуда и швом приварки опоры следует принимать:

не менее  - для нетермообработанного сосуда (D - внутренний диаметр сосуда, S - толщина обечайки);

в соответствии с требованием п. 4.9.6 для термообработанного сосуда.

4.9.6. Расстояние между краем шва приварки внутренних и внешних устройств и деталей и краем ближайшего шва корпуса должно быть не менее толщины стенки корпуса, но не менее 20 мм. Для сосудов из углеродистых и низколегированных марганцовистых и марганцевокремнистых сталей, подвергаемых после сварки термообработке, расстояние между краем шва приварки деталей и краем ближайшего шва корпуса должно быть не менее 20 мм независимо от толщины стенки корпуса.

Допускается пересечение стыковых швов корпуса угловыми швами приварки внутренних и внешних устройств (опорных элементов, тарелок, рубашек, перегородок и т.п.) при условии контроля перекрываемого участка шва корпуса радиографическим или ультразвуковым методом.

При приварке колец жесткости к обечайке общая длина сварного шва с каждой стороны кольца должна быть не менее половины длины окружности.

4.9.7. Продольные швы смежных обечаек и швы днищ в сосудах 1, 2, 3 и 4-й групп следует смещать относительно друг друга на величину трехкратной толщины наиболее толстого элемента, но не менее чем на 100 мм между осями швов.

Допускается не смещать или смещать на меньшую величину указанные швы относительно друг друга:

в сосудах, работающих под давлением не более 1,6 МПа (16 кгс/см2) и при температуре не более 400 °С, с толщиной стенки не более 30 мм при условии, что эти швы выполняются автоматической или электрошлаковой сваркой, а места пересечения швов контролируются радиографическим или ультразвуковым методом в объеме 100 %;

в сосудах 5а и 5б групп независимо от способа сварки.

4.9.8. При сварке стыковых сварных соединений элементов разной толщины необходимо предусмотреть плавный переход от одного элемента к другому постепенным утонением более толстого элемента. Угол скоса a элементов разной толщины (рисунок 14, а, б, в, г, е) должен быть не более 20° (уклон 1:3). Сварку патрубков разной толщины допускается выполнять в соответствии с рисунком 14, д, е. При этом расстояние l должно быть не менее толщины S, но не менее 20 мм, а радиус rS2 - S.

Допускается выполнять сварку стыковых швов без предварительного утонения более толстого элемента, если разность в толщинах соединяемых элементов не превышает 30 % толщины более тонкого элемента, но не более 5 мм; при этом форма шва должна обеспечивать плавный переход от толстого элемента к тонкому.

Рис. 14. Стыковка элементов разной толщины

Конструктивные элементы стыковых соединений литых деталей с трубами, листами и поковками разной толщины следует принимать в соответствии с проектом или техническими условиями на сосуд (сборочную единицу, деталь).

4.9.9. В сосудах, выполняемых из двухслойной стали, скос осуществляется со стороны основного слоя.

4.9.10. Смещение кромок В листов (рисунок 15), измеряемое по срединной поверхности, в стыковых соединениях, определяющих прочность сосуда, не должно превышать В = 0,1S, но не более 3 мм (S - наименьшая толщина свариваемых листов).

Смещение кромок в кольцевых швах, выполняемых электрошлаковой сваркой, не должно превышать 5 мм. Смещение кромок в кольцевых швах монометаллических сосудов, а также в кольцевых и продольных швах биметаллических сосудов со стороны коррозионностойкого слоя не должно превышать величин, указанных в таблице 14.

Смещение кромок свариваемых заготовок днищ не должно превышать 0,1S, но не более 3 мм (S - толщина листа), а днищ из двухслойных сталей со стороны плакирующего слоя не должно превышать величин, указанных в таблице 14.

Рис. 15. Смешение кромок

4.9.11. К стыковым соединениям, определяющим прочность сосуда, следует относить продольные швы обечаек, хордовые и меридиональные швы выпуклых днищ.

4.9.12. При измерении смещения В кромок листов толщиной S и S1 в стыковых соединениях следует учитывать, что:

где В1 и В2 - расстояния между кромками листов.

Таблица 14

Смещение кромок в кольцевых швах сосудов, выполняемых всеми видами сварки, за исключением электрошлаковой

Толщина свариваемых листов S, мм

Максимально допустимое смещение стыкуемых кромок, мм

в кольцевых швах на монометаллических сосудах

в кольцевых и продольных швах на биметаллических сосудах со стороны коррозионностойкого слоя

До 20

0,1S1

50 % толщины плакирующего слоя

Свыше 20 до 50

0,15S, но не более 5

50 % толщины плакирующего слоя

Свыше 50 до 100

0,04S + 3,51)

0,04S + 3,0, но не более толщины плакирующего слоя

Свыше 100

0,025S + 5,0, но не более 101)

0,025S + 5,0, но не более 8 мм и не более толщины плакирующего слоя

_____________

1) При условии наплавки с уклоном 1:3 на стыкуемые поверхности для сварных соединений, имеющих смещение кромок более 5 мм.

Таблица 15

Максимально допустимый увод кромок в стыковых сварных соединениях обечаек и днищ

Максимальный увод (угловатость) f кромок в стыковых сварных соединениях, мм

обечаек

днищ из лепестков

конических днищ

Независимо от D

D ≤ 5000 мм

D > 5000 мм

D ≤ 2000 мм

D > 2000 мм

5

6

8

5

7

4.9.13. Увод (угловатость) f кромок (рисунок 16) в стыковых сварных соединениях не должен превышать f = 0,1S + 3 мм, но не более соответствующих значений для элементов, указанных в таблице 15, в зависимости от внутреннего диаметра D обечаек и днищ (S - толщина обечайки или днища).

Рис. 16. Контроль увода кромок продольных и кольцевых сварных соединений.

Увод (угловатость) кромок в продольных сварных соединениях обечаек и конических днищ, стыковых сварных соединениях днищ из лепестков определяется шаблоном длиной 1/6D (рисунок 16, а, б), а в кольцевых сварных соединениях обечаек и конических днищ - линейкой длиной 200 мм (рисунок 16, в, г). Увод (угловатость) кромок определяется без учета усиления шва.

4.9.14. Форма и размеры швов должны соответствовать требованиям стандартов на швы сварных соединений или технической документации. При выполнении стыковых соединений допускается не исправлять сварные швы, если отклонение размеров валика (ширина и высота) составляет не более 30 % предусмотренных стандартом размеров на данный вид сварки.

4.9.15. При защите от коррозии элементов сосудов способом наплавки толщина наплавленного слоя после механической обработки указывается в проекте.

Для внутренних уплотнительных поверхностей фланцев, патрубков штуцеров толщина наплавленного слоя должна соответствовать толщине, указанной в п. 4.5.1.

4.9.16. У сосудов, изготовленных из коррозионностойких сталей, снятие усилия сварных швов, соприкасающихся при эксплуатации со средой, допускается при наличии указаний об этом в проекте.

4.9.17. Сварные соединения перлитных сталей со сталями аустенитного класса могут быть предусмотрены в проекте с соблюдением следующих условий:

толщина материала в местах сварки соединения не должна превышать 36 мм для углеродистых сталей и 30 мм для марганцево-кремнистых сталей (марок 16ГС, 17ГС, 09Г2С и др.);

среда не должна вызывать коррозионное растрескивание.

4.9.18. Технология сварки, качество и контроль сварных соединений из разнородных сталей должны соответствовать требованиям нормативно-технической документации по промышленной безопасности.

4.9.19. Приварка и удаление вспомогательных элементов (сборочных устройств, временных креплений и др.) производятся в соответствии с технической документацией. Приварка (удаление) элементов выполняется сварщиком, допущенным к сварке данного изделия.

Приварку (удаление) временных креплений после сварки основного изделия следует производить по технологии, исключающей образование трещин и закалочных зон в металле изделия.

4.10. Требования к качеству сварных соединений

4.10.1. Механические свойства сварных соединений должны быть не ниже норм, указанных в таблице 16.

4.10.2. Твердость металла шва в коррозионностойком слое сварных соединений сосудов из двухслойных сталей не должна превышать НВ 220.

4.10.3. Показатели механических свойств сварных соединений по временному сопротивлению разрыву и углу изгиба определяются как среднеарифметическое от результатов испытаний отдельных образцов. Общий результат считается неудовлетворительным, если хотя бы один из образцов показал значение временного сопротивления разрыву более чем на 7 % и угла изгиба более чем на 10 % ниже норм, указанных в таблице 16. При испытании на ударный изгиб результат считается неудовлетворительным, если хотя бы один из образцов показал значение ниже норм, указанных в таблице 16.

Допускается на одном образце при температурах -40 °С и ниже получение значения ударной вязкости не менее 25 Дж/см2 (2,5 кгс·м/см2).

4.10.4. Виды испытаний и гарантированные нормы механических свойств по временному сопротивлению разрыву и ударной вязкости стыковых сварных соединений типа «лист + поковка», «лист + литье», «поковка + поковка», «поковка + труба», «поковка + сортовой прокат» должны соответствовать требованиям, предъявляемым к материалу с более низкими показателями механических свойств.

Контроль механических свойств, а также металлографическое исследование или испытание на стойкость против межкристаллитной коррозии образцов этих соединений предусматриваются разработчиком технической документации.

Таблица 16

Минимальные нормы механических свойств сварных соединений

Механические свойства

Для углеродистых сталей

Для низколегированных марганцовистых и марганцевокремнистых сталей

Для хромистых, хромомолибденовых и хромованадиево-вольфрамовых сталей

Для аустенитно-ферритных сталей

Для аустенитных сталей

Временное сопротивление разрыву при температуре 20 °С

Не ниже нижнего значения временного сопротивления разрыву основного металла по стандарту или техническим условиям для данной марки стали

Минимальное значение ударной вязкости, Дж/см2 (кгс·м/см2):

а) при температуре 20 °С

на образцах KCU

50 (5,0)

50 (5,0)

50 (5,0)

40 (4,0)

-

на образцах KCV

35 (3,5)

35 (3,5)

35 (3,5)

30 (3,0)

-

б) при температуре ниже - 20 °С

 

 

 

 

 

на образцах KCU

30 (3,0)

30 (3,0)

30 (3,0)

30 (3,0)

 

на образцах KCV

20 (2,0)

20 (2,0)

20 (2,0)

20 (2,0)

 

Минимальное значение угла изгиба, град:

при толщине не более 20 мм

100

80

50

80

100

при толщине более 20 мм

100

80

40

60

100

Твердость металла шва сварных соединений, НВ, не более

-

-

240

220

200

Просвет между сжимаемыми поверхностями при сплющивании стыковых соединений

Не ниже норм, установленных нормативно-технической документацией на трубы

Для сварных соединений типа «лист + поковка», «лист + литье», «поковка + поковка», «поковка + труба», «поковка + сортовой прокат» значение угла изгиба должно быть не менее:

70° - для углеродистых сталей и сталей аустенитного класса;

50° - для низколегированных марганцовистых и марганцевокремнистых сталей, высоколегированных сталей аустенитно-ферритного класса;

30° - для низколегированных и среднелегированных (хромистых и хромомолибденовых) сталей и высоколегированных сталей ферритного класса.

4.10.5. Твердость металла шва сварных соединений из стали марки 12ХМ, выполненных ручной электродуговой сваркой ванадийсодержащими электродами, должна быть не более 260 НВ при условии, что относительное удлинение металла шва будет не менее 18 %. Твердость металла шва сварных соединений из стали марки 15Х5МУ должна быть не более 270 НВ. Твердость переходного слоя в сварных соединениях двухслойных сталей должна быть не более 220 НВ при измерении на контрольных образцах.

4.10.6. Коррозионная стойкость сварных соединений должна соответствовать требованиям проекта или иной технической документации на сосуд (сборочную единицу, детали).

4.10.7. В сварочных соединениях не допускаются следующие наружные дефекты:

трещины всех видов и направлений;

свищи и пористость наружной поверхности шва;

подрезы;

наплавы, прожоги и незаплавленные кратеры;

смещение и совместный увод кромок свариваемых элементов свыше предусмотренных норм;

несоответствие формы и размеров требованиям стандартов, технических условий или проекта;

поры, выходящие за пределы норм, установленных таблицей 17;

чешуйчатость поверхности и глубина впадин между валиками шва, превышающие допуск на усиление шва по высоте.

Допускаются местные подрезы в сосудах 3, 4, 5а и 5б групп, предназначенных для работы при температуре выше 0 °С. При этом их глубина не должна превышать 5 % толщины стенки, но не более 0,5 мм, а протяженность - 10 % длины шва.

В обоснованных случаях допускаются в сварных соединениях из сталей и сплавов марок 03Х21Н21М4ГБ, 03ХН28МДТ, 06Х28МДТ отдельные микронадрывы протяженностью не более 2 мм при согласовании в установленном порядке.

Таблица 17

Нормы допустимых пор, выявляемых при визуальном контроле сварных соединений

Номинальная толщина наиболее тонкой детали, мм

Допустимый максимальный размер дефекта, мм

Допустимое число дефектов на любые 100 мм шва

От   2    до  3     вкл.

0,5

3

Св.  3     »    4       »

0,6

4

»     4     »    5       »

0,7

4

»     5     »    6       »

0,8

4

»     6     »    8       »

1,0

5

»     8     »    10    »

1,2

5

»     10  »    15    »

1,5

5

»     15  »    20    »

2,0

6

»     20  »    40    »

2,5

7

Св. 40

2,5

8

4.10.8. В сварных соединениях не допускаются следующие внутренние дефекты:

трещины всех видов и направлений, в том числе микротрещины, выявленные при микроисследовании;

свищи;

смещение основного и плакирующего слоев в сварных соединениях двухслойных сталей выше норм, предусмотренных настоящими Правилами;

непровары (несплавления), расположенные в сечении сварного соединения;

усиление t переходного шва (рисунок 17) в сварных соединениях двухслойных сталей выше линии раздела слоев на величину более 0,3S (S - толщина плакирующего слоя, S1 - толщина листа);

Рис. 17. Усиление переходного шва в сварных соединениях двухслойных сталей.

поры, шлаковые и вольфрамовые включения, выявленные радиографическим методом, выходящие за пределы норм, установленных допустимым классом дефектности сварного соединения в соответствии с таблицей 18, или выявленные ультразвуковым методом.

Таблица 18

Классы дефектности сварного соединения

Вид сварного соединения

Группа сосуда

1, 2, 3

4

Класс дефектности

Стыковое

3

4

5

6

Угловое, тавровое

4

5

5

6

Нахлесточное

5

6

6

7

4.10.9. Оценку единичных дефектов (пор и включений) по ширине (диаметру) при толщине свариваемых элементов до 45 мм, а также цепочек независимо от толщины свариваемых элементов допускается производить по нормам класса 4 вместо класса 3, класса 5 вместо класса 4, класса 6 вместо класса 5, класса 7 вместо класса 6. Оценку единичных пор и включений для кольцевых сварных соединений толщиной не более 10 мм, выполняемых ручной электродуговой сваркой, допускается производить по классу 5.

4.10.10. Допускается местный внутренний непровар, расположенный в области смыкания корневых швов, глубиной не более 10 % толщины стенки корпуса, но не более 2 мм и суммарной протяженностью не более 5 % длины шва:

в двухсторонних угловых и тавровых сварных соединениях с полным проплавлением патрубков внутренним диаметром не более 250 мм;

в сварных швах сосудов 2, 3, 4, 5а и 5б групп, предназначенных для работы в средах, не вызывающих водородную и сероводородную коррозию.

Допускается непровар в корне шва глубиной (высотой) не более 10 % номинальной толщины свариваемых элементов, но не более 2 мм и суммарной протяженностью не более 20 % длины шва:

в кольцевых стыковых сварных соединениях, доступных для сварки только с одной стороны и выполненных без подкладного кольца, сосудов 4-й и 5б групп, предназначенных для работы при температуре выше 0 °С, а также в змеевиках;

в угловых сварных соединениях сосудов 4-й и 5б групп, предназначенных для работы при температуре выше 0 °С.

4.11. Термическая обработка

4.11.1. Сосуды (сборочные единицы, детали) из углеродистых и низколегированных сталей (за исключением сталей, перечисленных в п. 4.11.4), изготовленные с применением сварки, штамповки или вальцовки, подлежат термической обработке, если:

а) толщина стенки цилиндрического или конического элемента, днища, фланца или патрубка сосуда в месте их сварного соединения более 36 мм для углеродистых сталей и более 30 мм для низколегированных марганцовистых и марганцевокремнистых сталей (марок 16ГС, 09Г2С, 17Г1С, 10Г2 и др.);

б) номинальная толщина стенки S цилиндрических или конических элементов сосуда (патрубка), изготовленных из листовой стали вальцовкой (штамповкой), превышает величину, вычисленную по формуле

S = 0,009(D + 1200),

где D - минимальный внутренний диаметр элемента, мм.

Данное требование не распространяется на отбортованные рубашки;

в) сосуды (сборочные единицы, детали) предназначены для эксплуатации в средах, вызывающих коррозионное растрескивание (жидкий аммиак, аммиачная вода, растворы едкого натрия и калия, азотнокислого натрия, калия, аммония, кальция, этаноламина, азотной кислоты и др.) и об этом есть указание в проекте;

г) днища сосудов и их элементов, независимо от толщины, изготовленных холодной штамповкой или холодным фланжированием;

д) необходимость термической обработки обосновывается в проекте.

4.11.2. Для снятия остаточных напряжений в соответствии с требованиями подпунктов «а», «б» допускается в обоснованных случаях вместо термической обработки применять другие методы, например, метод пластического деформирования.

4.11.3. Сварные соединения из углеродистых, низколегированных марганцовистых, марганцевокремнистых и хромомолибденовых сталей, выполненные электрошлаковой сваркой, подлежат нормализации и высокому отпуску, за исключением случаев, указанных в документации.

При электрошлаковой сварке заготовок штампуемых и вальцуемых элементов из сталей марок 16ГС, 09Г2С и 10Г2С1, предназначенных для работы при температуре не ниже - 40 °С, нормализация может быть совмещена с нагревом под штамповку с окончанием штамповки при температуре не ниже 700 °С.

4.11.4. Сосуды (сборочные единицы, детали) из сталей марок 12МХ, 12ХМ, 15ХМ, 12Х1МФ, 10Х2М1А-А, 10Х2ГНМ, 15Х2МФА-А, 1Х2М1, 15X5, Х8, 15Х5М, 15Х5ВФ, 12Х8ВФ, Х9М и из двухслойных сталей с основным слоем из сталей марок 12МХ, 12ХМ, 20Х2М, подвергнутые сварке, необходимо термообрабатывать независимо от диаметра и толщины стенки.

4.11.5. Сосуды (сборочные единицы, детали) из сталей марок 08Х18Н10Т, 08Х18Н12Б и других аустенитных сталей, стабилизированных титаном или ниобием, предназначенные для работы в средах, вызывающих коррозионное растрескивание, а также при температурах выше 350 °С в средах, вызывающих межкристаллитную коррозию, подвергаются термической обработке по требованию, оговоренному в проекте.

4.11.6. Необходимость и вид термической обработки сосудов (сборочных единиц, деталей) из двухслойной стали определяются в соответствии с требованиями пп. 4.11.1 (а, б, г, д), 4.11.3, 4.11.4.

При определении толщины свариваемого элемента принимается вся толщина двухслойной стали.

При наличии в проекте требования на стойкость против межкристаллитной коррозии технология сварки и режим термообработки сварных соединений двухслойных сталей должны обеспечивать стойкость сварных соединений коррозионностойкого слоя против межкристаллитной коррозии.

4.11.7. Днища и детали из углеродистых и низколегированных марганцевокремнистых сталей, штампуемые (вальцуемые) вгорячую с окончанием штамповки (вальцовки) при температуре не ниже 700 °С, а также днища и детали из аустенитных хромоникелевых сталей, штампуемых (вальцуемых) при температуре не ниже 850 °С, термической обработке не подвергаются, если к указанным материалам не предъявлены специальные требования.

Днища и другие штампуемые (вальцуемые) вгорячую элементы, изготавливаемые из сталей марок 09Г2С, 10Г2С1, работающие при температуре от -41 °С до -70 °С, следует подвергать термической обработке - нормализации или закалке и высокому отпуску.

Днища и другие элементы из низколегированных сталей марок 12ХМ и 12МХ, штампуемые (вальцуемые) вгорячую с окончанием штамповки (вальцовки) при температуре не ниже 800 °С, допускается подвергать только отпуску (без нормализации).

Технология изготовления днищ и других штампуемых элементов должна обеспечивать необходимые механические свойства, указанные в стандартах или технических условиях, а при наличии требования в проекте и стойкость против межкристаллитной коррозии.

4.11.8. Возможность совмещения нормализации с нагревом под горячую штамповку днищ из сталей, работающих при температуре от -41 °С до -70 °С, определяется в обоснованных случаях.

4.11.9. Допускается не подвергать термической обработке горячештампованные днища из аустенитных сталей с отношением внутреннего диаметра к толщине стенки более 28, если они не предназначены для работы в средах, вызывающих коррозионное растрескивание.

4.11.10. Днища и другие элементы, выполненные из коррозионностойких сталей аустенитного класса методом холодной штамповки или холодным фланжированием, следует подвергать термической обработке (аустенизации или стабилизирующему отжигу), если они предназначены для работы в средах, вызывающих коррозионное растрескивание. В остальных случаях термообработку допускается не проводить, если относительное удлинение при растяжении в исходном состоянии металла не менее 30 % при степени деформации в холодном состоянии не более 15 %.

4.11.11. Гнутые участки труб из углеродистых и низколегированных сталей с наружным диаметром более 36 мм подлежат термообработке, если отношение среднего радиуса гиба к номинальному наружному диаметру трубы составляет менее 3,5, а отношение номинальной толщины стенки трубы к ее номинальному диаметру превышает 0,05.

4.11.12. Приварка внутренних и наружных устройств к сосудам, подвергаемым термической обработке, должна проводиться до термической обработки сосуда.

Допускается приварка внутренних и наружных устройств без последующей термической обработки к термообработанным в соответствии с требованиями п. 4.11.1 (а, б) сосудам при условии, что величина катета сварного шва не более 8 мм.

Допускается приварка наружных устройств на монтажной площадке к специальным накладкам, приваренным к корпусу сосуда и прошедшим вместе с ним термическую обработку, без последующей термической обработки монтажных сварных швов.

4.11.13. Допускается местная термическая обработка сварных соединений сосудов, при проведении которой следует обеспечивать равномерный нагрев и охлаждение по всей длине шва и прилегающих к нему зон основного металла.

Ширина зоны нагрева определяется в соответствии с требованиями нормативно-технической документации по промышленной безопасности.

4.11.14. Объемная термическая обработка производится в печах или путем нагрева сосуда (сборочной единицы, детали) вводом во внутреннюю полость теплоносителя.

При этом проводятся мероприятия, предохраняющие сосуд (сборочную единицу, деталь) от деформаций, вызванных местным перегревом, неправильной установкой сосуда, действием собственного веса сосуда.

4.11.15. Свойства металла обечаек, днищ, патрубков, решеток после всех циклов термической обработки должны соответствовать установленным требованиям.

Контроль механических свойств основного металла можно не проводить в том случае, если температура отпуска металла не превышает:

650 °С - для сталей марок Ст3, 20К, 16ГС, 09Г2С;

710 °С - для сталей марок 12ХМ, 12МХ.

Если элементы сосудов из углеродистых и низколегированных сталей подвергаются нормализации или нормализации и последующему отпуску, или закалке и последующему отпуску, то проводится только испытание на ударный изгиб при рабочей температуре сосуда ниже 0 °С.

V. ПРАВИЛА ПРИЕМКИ

5.1. Сосуды (сборочные единицы, детали), материалы и комплектующие изделия принимаются и проверяются на соответствие требованиям настоящих Правил, технических условий, проекта.

5.2. Каждое изделие (сосуд) следует подвергать приемосдаточному испытанию, которое включает проверку:

габаритных и присоединительных размеров;

идентификации материалов;

прочности и герметичности;

качества сварных швов;

качества поверхности;

качества покрытия;

комплектности изделия (сосуда);

комплектности и содержания документации;

маркировки;

консервации;

упаковки.

5.3. Испытания сосудов следует проводить на испытательном оборудовании, аттестованном в установленном порядке, укомплектованном средствами защиты и приборами, имеющем эксплуатационную документацию и паспорт.

Испытания сосудов проводятся обученным и аттестованным персоналом по утвержденной технологии в соответствии с программами и методиками (технологическим процессом) на испытания.

VI. МЕТОДЫ КОНТРОЛЯ

6.1. Общие требования

6.1.1. Геометрические размеры и форму поверхностей следует измерять с помощью средств, обеспечивающих погрешность не более 30 % установленного допуска на изготовление.

Габаритные размеры сосудов следует определять путем суммирования размеров входящих в них сборочных единиц и деталей.

6.1.2. Контроль качества поверхностей на наличие плен, закатов, расслоений, грубых рисок, трещин, снижающих качество и ухудшающих товарный вид, проводится путем визуального осмотра.

6.1.3. Проверку наличия, содержания, мест расположения клейм на сварных швах и маркировки на готовом сосуде (поставляемых сборочных единицах и деталях) следует осуществлять визуальным осмотром.

6.1.4. Контроль качества сварных соединений следует проводить следующими методами:

а) визуальным осмотром и измерением;

б) механическими испытаниями;

в) испытанием на стойкость против межкристаллитной коррозии;

г) металлографическими исследованиями;

д) стилоскопированием;

е) ультразвуковой дефектоскопией;

ж) радиографией;

з) цветной или магнитопорошковой дефектоскопией;

и) другими методами (акустической эмиссией, люминесцентным контролем, определением содержания ферритной фазы и др.) по требованию проекта.

6.1.5. Окончательный контроль качества сварных соединений сосудов, подвергающихся термической обработке, проводится после термической обработки.

Для сварных соединений сосуда из низколегированных марганцовистых и марганцевокремнистых сталей или двухслойных сталей с основным слоем из этих сталей, подвергаемых в процессе изготовления нормализации или закалке с отпуском, механические испытания и металлографические исследования допускается проводить до окончательной термической обработки (высокого отпуска). При этом полученные положительные результаты механических испытаний следует считать окончательными.

6.1.6. Контроль комплектности, консервации, окраски, упаковки необходимо проводить путем сопоставления объема и качества выполненных работ с требованиями настоящих Правил, технических условий, проекта.

6.1.7. Для негабаритных сосудов, транспортируемых частями, проводят контрольную сборку.

Допускается вместо сборки проводить контрольную проверку размеров стыкуемых частей при условии гарантии собираемости сосуда.

6.1.8. В процессе изготовления сборочных единиц и деталей необходимо проверять на соответствие требованиям стандартов (технических условий) и проекта:

состояние и качество свариваемых сборочных единиц и деталей и сварочных материалов;

качество подготовки кромок и сборки под сварку;

соблюдение технологического процесса сварки и термической обработки.

6.2. Визуальный контроль и измерение сварных швов

6.2.1. Визуальный контроль и измерение сварных швов необходимо проводить после очистки швов и прилегающих к ним поверхностей основного металла от шлака, брызг и других загрязнений.

6.2.2. Визуальному контролю и измерению подлежат все сварные швы для выявления наружных недопустимых дефектов.

Визуальный контроль и измерение следует проводить в доступных местах с двух сторон по всей протяженности шва.

6.3. Механические испытания

6.3.1. Механическим испытаниям следует подвергать стыковые сварные соединения. Механические испытания необходимо проводить на контрольных стыковых сварных соединениях в объеме, указанном в таблице 19.

6.3.2. За длину контролируемого участка следует принимать длину сварного соединения, выполненного одним сварщиком по технологии, предусмотренной технической документацией на данный вид сборочной единицы или детали.

6.3.3. В обоснованных случаях допускается не проводить механические испытания сварных образцов для сосудов 5б группы.

6.3.4. Испытание на ударный изгиб сварных соединений сосудов, работающих при температуре не ниже -20 °С, следует проводить при положительной температуре.

6.3.5. Допускается при испытаниях на изгиб образцов толщиной более 50 мм доводить толщину образцов до 50 мм строжкой или фрезерованием контрольных пластин. Образцы из двухслойных сталей следует фрезеровать или строгать со стороны основного слоя и изгибать основным слоем наружу. Тип образца XXVII, диаметр оправки - две толщины образца.

Допускается проводить испытание на изгиб образцов с предварительным их утонением до толщины не менее 30 мм.

6.3.6. Испытание на ударный изгиб сварных соединений из двухслойных сталей следует проводить на образцах, изготовленных по рисунку 18.

Таблица 19

Количество образцов из каждого контрольного стыкового сварного соединения

Вид испытаний

Группа сосуда

Количество образцов

Примечание

Растяжение при 20 °С

1 - 5

Два образца типа XII, XIII, XIV или XV по государственному стандарту

Испытание на растяжение отдельных образцов из сварных трубных стыков можно заменить испытанием на растяжение целых стыков со снятым усилием

Изгиб при 20 °С

1 - 5

Два образца типа XXVII, XXVIII по государственному стандарту

Испытание сварных образцов труб с внутренним диаметром 100 мм и толщиной стенки 12 мм может быть заменено испытанием на сплющивание по государственному стандарту (образцы типа XXIX, XXX)

Ударная вязкость на образцах KCU (при толщине металла 12 мм и более) при 20 °С

1 - 5 из сталей, склонных к термическому воздействию (12МХ, 12ХМ, 15Х5М, 10Х2М1А-А и др.);
1 - 3 при давлении более 5 МПа (50 кгс/см2);
1 - 2 при температуре выше 450 °С

Три образца типа VI по государственному стандарту с надрезом по оси шва

Испытание на ударный изгиб околошовной зоны проводится на сварных соединениях, выполненных электрошлаковой сваркой без последующей нормализации, а также при наличии требований в технических условиях или проекте

Ударная вязкость на образцах KCU (при толщине металла 12 мм и более) при рабочей температуре ниже -20 °С, равной минимальной отрицательной рабочей температуре сосуда

1 - 3, 5 при рабочей температуре ниже -20 °С

Три образца типа VI по государственному стандарту с надрезом по оси шва

Испытание при рабочей температуре. Испытание на ударный изгиб околошовной зоны проводится на сварных соединениях, выполненных электрошлаковой сваркой без последующей нормализации, а также при наличии требований в технических условиях или проекте

Измерение твердости металла шва при температуре 20 °С

1 - 4 в соответствии с требованием п. 6.3.11

по государственным стандартам

-

Рис. 18. Образец для испытания на ударный изгиб сварных соединений из двухслойных сталей.

6.3.7. Испытания на растяжение, изгиб, ударный изгиб из сварного соединения толщиной 50 мм и более проводятся согласно требованиям нормативно-технической документации по промышленной безопасности.

6.3.8. Допускается в обоснованных случаях не испытывать на ударный изгиб при отрицательных температурах сварные соединения из сталей аустенитно-ферритного класса, выполненные соответствующими сварочными материалами.

6.3.9. Испытание на ударный изгиб сварных соединений из сталей аустенитного класса не проводится.

6.3.10. В случае снижения нижнего температурного предела применения углеродистых и низколегированных марганцовистых и марганцевокремнистых сталей испытание на ударный изгиб сварных соединений из этих сталей производится при минимальной температуре, указанной для стенки сосуда.

6.3.11. Измерению твердости следует подвергать металл шва сварных соединений сосудов (работающих под давлением деталей) из сталей марок 12МХ, 12ХМ, 15ХМ, 20Х2М, 1Х2М1, 10Х2ГНМ, 10Х2МФА-А, 10Х2М1А-А, 15Х5М и металл шва коррозионно-стойкого слоя в сварных соединениях из двухслойных сталей. Твердость проверяется не менее чем в трех точках поперек сварного соединения.

6.3.12. Допускается измерение твердости металла шва проводить на контрольных образцах, если невозможно его осуществить на готовом сосуде (детали).

При получении неудовлетворительных результатов по какому-либо виду механических испытаний допускается проведение повторного испытания на удвоенном количестве образцов, вырезанных из того же контрольного сварного соединения, по тому виду механических испытаний, которые дали неудовлетворительные результаты.

Если при повторном испытании получены неудовлетворительные результаты хотя бы на одном образце, сварное соединение считается непригодным.

6.4. Испытание на стойкость против межкристаллитной коррозии

6.4.1. Испытание сварного соединения на стойкость против межкристаллитной коррозии следует проводить для сосудов (сборочных единиц, деталей), изготовленных из сталей аустенитного, ферритного, аустенитно-ферритного классов и двухслойной стали с коррозионностойким слоем из аустенитных и ферритных сталей по требованию технических условий или проекта.

Необходимость испытания сварных соединений внутренних устройств, работающих без давления, на стойкость против межкристаллитной коррозии указывается в проекте.

6.4.2. Форма, размеры и количество образцов должны соответствовать требованиям государственного стандарта.

6.4.3. Испытание на стойкость против межкристаллитной коррозии следует проводить по государственному стандарту или соответствующей технической документации. Метод испытания следует указывать в проекте.

Металл шва и зона термического влияния должны быть стойкими против межкристаллитной коррозии.

6.4.4. При получении неудовлетворительных результатов допускается проведение повторного испытания на удвоенном количестве образцов, вырезанных из того же контрольного сварного соединения.

Если при повторном испытании получены неудовлетворительные результаты хотя бы на одном образце, сварное соединение считается непригодным.

6.5. Металлографические исследования

6.5.1. Металлографическим исследованиям необходимо подвергать стыковые сварные соединения, определяющие прочность сосудов:

1, 2, 3-й групп, работающих под давлением более 5 МПа (50 кгс/см2) или при температуре ниже - 40 °С;

1-й, 2-й групп, работающих при температуре выше 450 °С;

из сталей, склонных к термическому воздействию (марок 12МХ, 12ХМ, 15Х5М и др.), из сталей аустенитного класса без ферритной фазы (марок 06ХН28МДТ, 08Х17Н16М3Т и др.) и из двухслойных сталей.

Допускается не проводить металлографические исследования стыковых сварных швов сборочных единиц и деталей, работающих при температуре ниже -40 °С, толщиной не более 20 мм из сталей марок 12Х18Н10Т и 08Х18Н10Т.

6.5.2. Металлографические макро- и микроисследования проводятся на одном образце от каждого контрольного сварного соединения.

6.5.3. Качество контрольного сварного соединения при металлографических исследованиях должно соответствовать требованиям пп. 4.10.3 и 4.10.4.

6.5.4. Если при металлографическом исследовании в контрольном сварном соединении будут обнаружены недопустимые внутренние дефекты, которые следует выявлять радиографическим или ультразвуковым контролем согласно п. 6.10.13, все сварные соединения, контролируемые данным сварным соединением, подлежат повторному испытанию тем же методом неразрушающего контроля в объеме 100 %. В случае получения удовлетворительных результатов повторного контроля эти сварные швы считаются годными.

6.5.5. При получении неудовлетворительных результатов допускается повторно испытание на удвоенном количестве образцов, вырезанных из того же контрольного сварного соединения.

Если при повторном испытании получены неудовлетворительные результаты хотя бы на одном образце, сварное соединение считается непригодным.

6.6. Стилоскопирование сварных соединений

6.6.1. Стилоскопирование сварных швов следует проводить для установления марочного соответствия примененных сварочных материалов требованиям проекта и инструкций по сварке или настоящих Правил.

При стилоскопировании следует руководствоваться инструкцией по стилоскопированию основных и сварочных материалов и готовой продукции.

6.6.2. Стилоскопированию подвергаются сварные швы работающих под давлением деталей из сталей марок 12ХМ, 12МХ, 15ХМ, 10Х2М1А-А, 20Х2М, 1Х2М1, 15Х2МФА-А, 10Х2ГНМ, 15Х5М, 15X5, 08X13, 08Х17Н13М2Т, 10Х17Н13М2Т, 10Х17Н13М3Т, 08Х17Н15М3Т, 03Х16Н15М3Т, 08Х21Н6М2Т и 06ХН28МДТ, 12Х18Н10Т, 08Х18Н10Т, 08Х22Н6Т и металл коррозионностойкой наплавки в объеме не менее указанного в таблице 20.

Таблица 20

Объем контроля стилоскопированием

Группа сосуда

Количество контролируемых сварных швов и металла коррозионностойкой наплавки от общего количества, %

1, 2

100

3, 4

50

5

25

6.6.3. В процессе стилоскопирования следует определять в металле шва наличие хрома, молибдена.

6.6.4. Должны контролироваться:

каждый сварной шов в одной точке через каждые 2 м;

места исправления каждого сварного шва;

наплавка не менее чем в одной точке.

6.6.5. Контроль стилоскопированием допускается не производить:

при невозможности осуществления контроля из-за недоступности сварных швов (ввиду конструктивных особенностей сосуда, по условиям техники безопасности);

из-за малых размеров шва (например, швы обварки теплообменных труб).

6.6.6. При получении неудовлетворительных результатов допускается повторное стилоскопирование того же сварного соединения на удвоенном количестве точек.

При неудовлетворительных результатах повторного контроля следует проводить спектральный или химический анализ сварного соединения, результаты которого считаются окончательными.

6.6.7. При выявлении несоответствия марки использованных присадочных материалов хотя бы на одном из сварных соединений сосудов 3, 4, 5а и 5б групп стилоскопирование металла шва производится на всех сварных соединениях, выполненных данным способом сварки.

6.6.8. Дефектные сварные швы, выявленные при контроле, следует удалять, швы вновь сварить и подвергнуть стилоскопированию.

6.7. Радиографический и ультразвуковой контроль сварных соединений

6.7.1. Для выявления внутренних дефектов сварных соединений следует применять проникающие методы неразрушающего контроля: радиографический и ультразвуковой.

Ультразвуковую дефектоскопию и радиографический контроль сварных соединений следует проводить в соответствии с требованиями нормативно-технической документации по промышленной безопасности.

6.7.2. Метод контроля (ультразвуковой, радиографический или их сочетание) выбирается исходя из возможностей более полного и точного выявления недопустимых дефектов с учетом особенностей физических свойств металла, а также особенностей методики контроля для данного вида сварных соединений сосуда (сборочных единиц, деталей).

Метод контроля качества стыковых и угловых сварных соединений определяется в соответствии с требованиями нормативно-технической документации по промышленной безопасности.

6.7.3. Обязательному контролю радиографическим или ультразвуковым методом подлежат:

а) стыковые, угловые, тавровые сварные соединения, доступные для этого контроля в объеме не менее указанного в таблице 21.

б) места сопряжения (пересечений) сварных соединений;

в) сварные соединения внутренних и наружных устройств по указанию в проекте или технических условиях на сосуд (сборочную единицу, деталь);

г) сварные соединения элементов из стали перлитного класса с элементами из сталей аустенитного класса в объеме 100 %;

д) сварные стыковые соединения «поковка + лист», «лист + литье», «поковка + поковка», «поковка + труба», «поковка + сортовой прокат», доступные для этого контроля, в объеме 100 %;

е) перекрываемые укрепляющими кольцами участки сварных швов корпуса, предварительно зачищенные заподлицо с наружной поверхностью корпуса;

ж) прилегающие к отверстию участки сварных швов корпуса, на которых устанавливаются люки и штуцера, на длине, равной  (D - внутренний диаметр корпуса, S - толщина стенки корпуса в месте расположения отверстия).

Таблица 21

Объем контроля радиографическим или ультразвуковым методом

Группа сосуда

Длина контролируемых сварных соединений1) от общей длины, %

1, 2

100

3

50

4, 5а

25

10

_____________

1) Требование относится к каждому сварному соединению.

6.7.4. Контроль сварных соединений, в том числе и мест сопряжений сварных соединений, сосудов 5б группы, работающих под давлением не более 0,03 МПа (0,3 кгс/см2) или без давления (под налив), радиографическим или ультразвуковым методом допускается не проводить, если нет специальных указаний в проекте.

6.7.5. Контроль сварных швов опор радиографическим или ультразвуковым методом проводится при наличии указания в проекте.

6.7.6. Места контроля сварных соединений сосудов 3, 4, 5а и 5б групп радиографическим или ультразвуковым методом следует указывать в технической документации на сосуд.

6.7.7. Перед контролем соответствующие участки сварных соединений необходимо так замаркировать, чтобы их можно было легко обнаружить на картах контроля и радиографических снимках.

6.7.8. При выявлении недопустимых дефектов в сварном соединении сосудов 3, 4, 5а и 5б групп обязательному контролю тем же методом подлежат все однотипные сварные соединения по всей длине соединений.

6.7.9. Определение понятия однотипных сварных соединений указывается в документации.

6.7.10. При невозможности осуществления контроля сварных соединений радиографическим или ультразвуковым методом из-за их недоступности (ввиду конструктивных особенностей сосуда, ограниченности технических возможностей этих методов или по условиям техники безопасности) или неэффективности (в частности, при наличии конструктивного зазора) контроль качества этих сварных соединений следует проводить в объеме 100 % в соответствии с требованиями нормативно-технической документации по промышленной безопасности.

6.8. Цветная и магнитопорошковая дефектоскопия

6.8.1. Цветной или магнитопорошковой дефектоскопии следует подвергать сварные швы, недоступные для осуществления контроля радиографическим или ультразвуковым методом, а также сварные швы сталей, склонных к образованию трещин при сварке.

6.8.2. Марки сталей, склонных к образованию горячих и холодных трещин при сварке, определяются в соответствии с требованиями нормативно-технической документации по промышленной безопасности.

6.8.3. Магнитопорошковую и цветную дефектоскопию сварных соединений следует проводить в соответствии с требованиями нормативно-технической документации по промышленной безопасности.

6.8.4. Объем контроля определяется в соответствии с требованиями нормативно-технической документации по промышленной безопасности и технической документации на сосуд (сборочную единицу).

6.9. Определение содержания a-фазы

6.9.1. Содержание a-фазы в металле шва или наплавленном металле аустенитной стали следует определять при наличии указаний в проекте.

6.9.2. Предельное допустимое содержание a-фазы для сосудов, работающих при температурах более 350 °С, должно соответствовать требованиям нормативно-технической документации по промышленной безопасности, а для других сосудов - указаниям проекта.

6.9.3. Определение содержания ферритной фазы в металле шва или в металле, наплавленном аустенитными электродами, следует проводить объемным магнитным методом в соответствии с установленными требованиями. Содержание феррита определяется ферритометрами.

Допускается определять количество феррита a-фазометром пондеромоторного действия (магнитоотрывной метод), а при содержании его более 5 % - металлографическим методом.

6.10. Контрольные сварные соединения

6.10.1. Для механических и коррозионных испытаний, а также металлографических исследований производится вырезка образцов из контрольных сварных соединений.

Если проведена производственная аттестация технологии сварки, то в обоснованных случаях допускается не выполнять механические испытания контрольных сварных соединений.

6.10.2. Контрольное сварное соединение должно воспроизводить одно из стыковых сварных соединений сосуда (сборочной единицы, детали), определяющих его прочность, и выполняться одновременно с контролируемым сосудом (сборочной единицей, деталью) с применением одинаковых исходных материалов, формы разделки кромок, сборочных размеров, методов и режимов сварки, режима термообработки.

6.10.3. К стыковым соединениям, определяющим прочность сосуда, следует относить продольные швы обечаек и патрубков, хордовые и меридиональные швы выпуклых днищ.

6.10.4. При автоматической, полуавтоматической или электрошлаковой сварке сосудов (сборочных единиц, деталей) на каждый сосуд (сборочную единицу, деталь) необходимо сваривать одно контрольное сварное соединение (на каждый вид применяемого процесса) с использованием одинаковых присадочных материалов и режима термообработки.

6.10.5. Контрольные сварные соединения для проверки продольных швов сосудов (сборочных единиц, деталей) следует изготавливать таким образом, чтобы их швы являлись продолжением производственного продольного шва.

После сварки контрольное сварное соединение следует отделить от сосуда (сборочной единицы, детали) любым методом, за исключением отламывания.

6.10.6. При ручной сварке сосуда (сборочной единицы, детали) несколькими сварщиками каждый из сварщиков выполняет отдельное контрольное сварное соединение.

6.10.7. Если многопроходный шов выполняется несколькими сварщиками, то на данный шов следует сваривать одно контрольное сварное соединение. При этом проходы следует выполнять теми же сварщиками и в аналогичном порядке. В противном случае каждому из сварщиков следует выполнить отдельное контрольное сварное соединение.

6.10.8. При изготовлении однотипных сосудов допускается на каждый вид сварки выполнять по одному контрольному сварному соединению на всю партию сосудов (сборочных единиц, деталей) при условии контроля стыковых сварных соединений, определяющих прочность сосуда, радиографическим или ультразвуковым методом в объеме 100 %. В одну партию сосудов (сборочных единиц, деталей) следует объединять сосуды (сборочные единицы, детали) одного вида, из листового материала одного класса сталей, имеющие одинаковые формы разделки кромок, выполненные по единому (типовому) технологическому процессу и подлежащие термообработке по одному режиму, если цикл их изготовления по сборочно-сварочным работам, термообработке и контрольным операциям не превышает 3 месяцев.

6.10.9. Классы сталей указываются в документации.

6.10.10. Для контроля качества сварных соединений в трубчатых элементах сосудов необходимо выполнить контрольные сварные соединения. Эти контрольные сварные соединения должны быть идентичны производственным контролируемым сварным соединениям: по марке стали, размерам труб, конструкции и виду соединения, форме разделки кромок, сборочным размерам, пространственному положению сварки и технологическому процессу.

Количество контрольных сварных соединений труб должно составлять 1 % общего числа сваренных каждым сварщиком однотипных сварных соединений труб данного сосуда, но не менее одного контрольного сварного соединения.

6.10.11. При невозможности изготовить плоские образцы из парного стыка трубчатого элемента допускается производить испытание образцов, вырезанных из контрольных сварных соединений, сваренных в наиболее трудном для сварки положении.

6.10.12. Термообработку контрольных сварных соединений следует выполнять одновременно с сосудом (сборочной единицей, деталью). Допускается термообработку контрольных сварных соединений производить отдельно от сосуда (сборочной единицы, детали) при условии применения одинаковых метода и режима термообработки.

6.10.13. Размеры контрольных сварных соединений выбираются так, чтобы из них возможно было вырезать необходимое количество образцов для металлографических исследований, для всех видов механических испытаний и испытаний на стойкость против межкристаллитной коррозии, включая повторные.

6.10.14. Предусмотренный настоящими Правилами объем механических испытаний и металлографического исследования сварных соединений может быть изменен в установленном порядке в случае серийного изготовления предприятием однотипных сосудов при неизменном технологическом процессе, специализации сварщиков на определенных видах работ и высоком качестве сварных соединений, подтвержденном результатами контроля за период не менее 12 месяцев.

6.10.15. Контрольные сварные соединения следует подвергать радиографическому или ультразвуковому контролю по всей длине сварных соединений.

Если в контрольном сварном соединении будут обнаружены недопустимые дефекты, все производственные сварные соединения, представленные данным соединением и не подвергнутые ранее радиографическому или ультразвуковому контролю, подлежат проверке тем же методом неразрушающего контроля по всей длине.

6.10.16. Контрольным сварным соединениям и вырезаемым из них образцам следует присваивать регистрационные номера согласно учетной документации, в которой следует отражать необходимые сведения по изготавливаемому производственному сварному соединению.

6.11. Гидравлическое испытание на прочность и герметичность

6.11.1. Гидравлическому испытанию подлежат сосуды после их изготовления.

Гидравлическое испытание сосудов, транспортируемых частями и собираемых на месте монтажа, допускается проводить после их сборки на месте установки.

6.11.2. Гидравлическое испытание сосудов следует проводить с крепежом и прокладками, предусмотренными в технической документации.

6.11.3. Пробное давление Рпр при гидравлическом испытании сосудов определяется по формуле

где Р - расчетное давление, МПа (кгс/см2);

[s]20, [s]t - допускаемые напряжения для материала соответственно при 20 °С и расчетной температуре t, МПа (кгс/см2).

6.11.4. Пробное давление гидравлического испытания сосуда определяется с учетом минимальных значений расчетного давления и отношения допускаемых напряжений материала сборочных единиц (деталей).

6.11.5. Пробное давление при гидравлическом испытании сосуда, рассчитанного по зонам, определяется с учетом той зоны, расчетное давление или расчетная температура которой имеет меньшее значение.

6.11.6. Если рассчитанное пробное давление (по формуле, приведенной в п. 6.11.3) при гидравлическом испытании сосуда, работающего под наружным давлением, вызывает необходимость утолщения стенки сосуда, то допускается пробное давление определять по формуле

где Е20 и Et - модули упругости материала соответственно при 20 °С и расчетной температуре t, МПа (кгс/см2).

6.11.7. Пробное давление для гидравлического испытания сосуда, предназначенного для работы в условиях нескольких режимов с различными расчетными параметрами (давлениями и температурами), следует принимать равным максимальному из определенных значений пробных давлений для каждого режима.

6.11.8. Для сосудов, работающих под вакуумом, расчетное давление принимается равным 0,1 МПа (1 кгс/см2).

6.11.9. Предельное отклонение значения пробного давления не должно превышать ± 5 %.

6.11.10. Гидравлическое испытание сосудов, устанавливаемых вертикально, допускается проводить в горизонтальном положении при условии обеспечения прочности корпуса сосуда. При этом необходимо выполнить расчет на прочность с учетом принятого способа опирания для проведения гидравлического испытания.

Пробное давление следует принимать с учетом гидростатического давления, действующего на сосуд в процессе его эксплуатации.

6.11.11. Для гидравлического испытания сосуда следует использовать воду.

Допускается в обоснованных случаях использование другой жидкости.

Температуру воды следует принимать не ниже критической температуры хрупкости материала сосуда и указывать в технической документации. При отсутствии указаний температура воды должна быть в пределах от 5 до 40 °С.

Разность температур стенки сосуда и окружающего воздуха во время испытания не должна вызывать конденсацию влаги на поверхности стенки сосуда.

6.11.12. При заполнении сосуда водой необходимо удалять воздух из внутренних полостей. Давление следует поднимать равномерно до достижения пробного. Скорость подъема давления не должна превышать 0,5 МПа (5 кгс/см2) в минуту, если нет других указаний в технической документации.

Время выдержки под пробным давлением должно быть не менее значений, указанных в таблице 22.

После выдержки под пробным давлением давление снижают до расчетного, при котором производят визуальный осмотр наружной поверхности, разъемных и сварных соединений. Не допускается обстукивание сосуда во время испытаний.

Визуальный осмотр сосудов, работающих под вакуумом, производится при пробном давлении.

Таблица 22

Время выдержки сосуда под пробным давлением при гидравлическом испытании

Толщина стенки, мм

Время выдержки, мин

До 50

10

Свыше 50 до 100

20

Свыше 100

30

6.11.13. Пробное давление при гидравлическом испытании следует контролировать двумя манометрами. Манометры выбираются одного типа, предела измерения, класса точности, одинаковой цены деления. Манометры выбираются с классом точности не ниже 2,5.

6.11.14. После проведения гидравлического испытания вода полностью удаляется.

6.11.15. Гидравлическое испытание допускается заменять пневматическим испытанием (сжатым воздухом, инертным газом или смесью воздуха с инертным газом) при условии контроля этого испытания методом акустической эмиссии или другим безопасным методом.

Контроль методом акустической эмиссии следует проводить в соответствии с требованиями нормативно-технической документации по промышленной безопасности.

Пневмоиспытание следует проводить по инструкции, утвержденной в установленном порядке.

Пробное давление следует определять согласно п. 6.11.3.

Время выдержки сосуда под пробным давлением должно быть не менее 5 мин и указываться в технической документации.

После выдержки под пробным давлением давление снижают до расчетного, при котором производят визуальный осмотр наружной поверхности и проверку герметичности сварных и разъемных соединений.

6.11.16. Результаты испытаний считаются удовлетворительными, если во время их проведения отсутствуют:

падение давления по манометру;

пропуски испытательной среды (течь, потение, пузырьки воздуха или газа) в сварных соединениях и на основном металле;

признаки разрыва;

течи в разъемных соединениях;

остаточные деформации.

6.11.17. Допускается не считать течью пропуски испытательной среды через неплотности арматуры, если они не влияют на сохранение пробного давления.

6.11.18. Испытание сосудов, работающих без давления (под налив), проводится наливом воды до верхней кромки сосуда или в обоснованных случаях смачиванием сварных швов керосином.

Время выдержки сосуда при испытании наливом воды должно быть не менее 4 ч, а при испытании смачиванием керосином не менее указанного в таблице 23.

Таблица 23

Время выдержки сосуда и сварных швов при испытании смачиванием керосином

Толщина шва

Время выдержки, мин

в нижнем положении шва

в потолочном вертикальном положении шва

До 4

20

30

Свыше 4 до 10

25

35

Свыше 10

30

40

6.11.19. Значение давления и результаты испытаний заносятся в паспорт сосуда.

6.12. Контроль на герметичность

6.12.1. Необходимость контроля на герметичность, степень герметичности и выбор методов и способов испытаний следует оговаривать в технической документации.

Контроль на герметичность следует проводить согласно требованиям нормативно-технической документации по промышленной безопасности.

Контроль на герметичность способом гидравлическим с люминесцентным индикаторным покрытием или люминесцентно-гидравлическим допускается совмещать с гидравлическим испытанием.

6.12.2. Контроль на герметичность крепления труб для трубных систем, соединений труба-решетка, где не допускается смешение сред (переток жидкости), следует проводить гелиевым (галогенным) течеискателем или люминесцентно-гидравлическим методом.

6.12.3. Контроль сварных швов на герметичность допускается проводить капиллярным методом - смачиванием керосином. При этом поверхность контролируемого шва с наружной стороны следует покрыть мелом, а с внутренней - обильно смачивать керосином в течение всего периода испытания.

Время выдержки сварных швов при испытании смачиванием керосином должно быть не менее указанного в таблице 23.

6.12.4. Контроль на герметичность швов приварки укрепляющих колец и сварных соединений облицовки патрубков и фланцев следует проводить пневматическим испытанием.

Пробное давление пневматического испытания следует принимать равным:

0,4 - 0,6 МПа (4 - 6 кгс/см2), но не более расчетного давления сосуда - для швов приварки укрепляющих колец;

0,05 МПа (0,5 кгс/см2) - для сварных соединений облицовки.

Контроль необходимо осуществлять обмазкой мыльной эмульсией.

6.12.5. Качество сварного соединения следует считать удовлетворительным, если в результате применения любого соответствующего заданному классу герметичности метода не будет обнаружено течи (утечек).

VII. КОМПЛЕКТНОСТЬ И ДОКУМЕНТАЦИЯ

7.1. Комплектность

7.1.1. В комплект сосуда должны входить:

сосуд в собранном виде или отдельно транспортируемые части с ответными фланцами, рабочими прокладками и крепежными деталями, не требующими замены при монтаже;

приспособления и запасные части (согласно указаниям в технической документации);

фундаментные болты для крепления сосуда в проектном положении (по указанию в технической документации);

документация.

7.1.2. Детали и сборочные единицы, которые при отправке в сборе с сосудом могут быть повреждены, допускается снять и отправить в отдельной упаковке. Тип и вид тары и упаковки этих деталей и сборочных единиц, а также покупных деталей должны соответствовать требованиям технической документации на конкретный сосуд.

7.1.3. Сосуд в собранном виде необходимо поставлять с внутренним защитным покрытием согласно требованиям технической документации.

Торкретирование, футеровка штучными материалами, теплоизоляция осуществляются на монтажной площадке. Материалы для торкретирования, футеровки штучными материалами, теплоизоляции, а также неметаллические (керамические и др.) элементы длязащиты внутренней футеровки в поставку сосуда могут не входить. Металлические элементы для защиты внутренней футеровки, предусмотренные технической документацией, поставляются вместе с сосудом.

7.1.4. Транспортируемые части негабаритных сосудов следует поставлять с приваренными приспособлениями для сборки монтажного соединения под сварку.

Допускается приспособления срезать после использования. Удалять их следует на расстоянии не менее 20 мм от стенок корпуса методами, не повреждающими стенки.

7.1.5. В поставку негабаритных сосудов, свариваемых на монтажной площадке из транспортируемых частей, за исключением обоснованных случаев, входят сварочные материалы и пластины металла для проведения контрольных испытаний сварных швов. Сварочные материалы и пластины должны отвечать установленным требованиям.

7.1.6. Сосуды в собранном виде или транспортируемые части негабаритных сосудов следует поставлять с приваренными деталями для крепления изоляции, футеровки, обслуживающих площадок, металлоконструкций и др., предусмотренными технической документацией. Приварные детали для крепления изоляции следует применять стандартных типов. Тип приварной детали указывается в документации.

7.1.7. В поставку тяжеловесного или негабаритного сосуда, если это предусмотрено технической документацией, входят специальные траверсы, опорные устройства (цапфы), тележки или салазки для опоры нижней части сосуда, монтажные хомуты, съемные грузозахватные устройства, специальные строповые устройства, приспособления для выверки и устройства для перевода сосуда из горизонтального положения в вертикальное.

7.1.8. Изготовленные из труб детали (змеевики, секции, коллекторы, трубные пучки и др.), если они составляют части негабаритных сосудов или изготавливаются отдельно от сосудов, следует поставлять собранными на предусмотренных технической документацией прокладках.

7.1.9. В комплект сосудов с механизмами и внутренними устройствами (реакторы, кристаллизаторы, емкости с погружными насосами и др.) входят электродвигатели, редукторы, насосы и др., предусмотренные технической документацией.

7.1.10. В комплект запасных частей следует включать комплект рабочих прокладок для фланцев. Если по условиям эксплуатации сосуда требуется большее количество запасных прокладок в течение предусмотренного срока службы, то поставка их осуществляется согласно требованиям технической документации на сосуд.

7.2. Документация

7.2.1. К сосудам прилагается следующая документация:

паспорт согласно требованиям нормативно-технической документации по промышленной безопасности для сосудов, работающих под давлением;

инструкция по монтажу;

руководство по эксплуатации, включая регламент пуска и остановки;

ведомость запасных частей;

расчеты на прочность;

приложения согласно требованиям настоящих Правил;

чертежи быстроизнашивающихся деталей (при необходимости);

акт о проведении контрольной сборки или контрольной проверки размеров, схема монтажной маркировки, сборочные чертежи в трех экземплярах (для сосудов, транспортируемых частями);

эксплуатационная документация, включая меры безопасности, порядок эксплуатации, контроля, ремонта, диагностирования и освидетельствования;

техническая документация на комплектующие изделия (электродвигатели, редукторы, насосы и др.).

7.2.2. К сосудам допускается прилагать паспорт по форме, включающей в себя:

заводской номер и год изготовления;

сведения об изготовителе;

наименование и обозначение (номер чертежа) сосуда;

характеристика сосуда и комплектующих изделий;

назначенный и расчетный сроки службы;

материал основных элементов;

сведения об испытаниях;

сведения от допущенных согласованных отклонениях от документации;

перечень прилагаемой документации;

свидетельство о качестве изготовления и монтажа, приемки и вводе в эксплуатацию с подписями должностных лиц;

сведения о ремонтах, освидетельствовании и диагностировании, демонтаже и утилизации.

Содержание паспорта в обоснованных случаях допускается изменять и дополнять техническими требованиями и характеристиками в зависимости от конструкции и назначения сосуда.

7.2.3. В инструкции по монтажу и руководстве по эксплуатации следует предусматривать требования правил и норм промышленной безопасности и меры по предотвращению несанкционированных действий персонала при эксплуатации, монтаже, диагностировании, ремонте и освидетельствовании сосуда.

7.2.4. Регламент пуска и остановки сосудов и аппаратов в зимнее время должен соответствовать требованиям безопасности.

7.2.5. К деталям и сборочным единицам следует прилагать документы (свидетельство, удостоверение) о качестве.

7.2.6. Комплектность документации, поставляемой с сосудом, в обоснованных случаях может быть изменена и дополнена.

VIII. МАРКИРОВКА, КОНСЕРВАЦИЯ И ОКРАСКА. УПАКОВКА, ТРАНСПОРТИРОВАНИЕ И ХРАНЕНИЕ

8.1. Маркировка

8.1.1. Сосуды должны иметь стандартную типовую табличку.

Табличку допускается не устанавливать на сосудах наружным диаметром 325 мм и менее. В этом случае необходимые данные наносятся на корпус сосуда.

8.1.2. Табличка размещается на видном месте.

Табличка крепится на приварном подкладном листе, приварной скобе, приварных планках или приварном кронштейне.

8.1.3. На табличку следует наносить:

наименование или товарный знак изготовителя;

наименование и обозначение сосуда;

порядковый номер сосуда по системе нумерации предприятия-изготовителя;

расчетное давление, МПа;

рабочее или условное давление, МПа;

пробное давление, МПа;

допустимую максимальную и (или) минимальную рабочую температуру стенки, °С;

массу сосуда, кг;

год изготовления;

клеймо технического контроля;

знаком соответствия, при их наличии.

8.1.4. На наружной поверхности стенки сосуда следует наносить маркировку:

наименование или товарный знак изготовителя;

порядковый номер по системе нумерации изготовителя;

год изготовления;

клеймо технического контроля;

наименование и обозначение сосуда.

Маркировка сосудов с толщиной стенки корпуса 4 мм и более наносится клеймением или гравировкой, а с толщиной стенки менее 4 мм - гравировкой или несмываемой краской. Маркировка заключается в рамку, выполненную атмосферостойкой краской, и защищается бесцветным лаком (тонким слоем смазки). Глубина маркировки клеймением или гравировкой должна быть в пределах 0,2 - 0,3 мм.

Форма и цвет маркировки должны соответствовать требованиям государственного стандарта и быть отчетливо различимыми длительное время.

8.1.5. Допускается наносить маркировку на пластину, приваренную к корпусу сосуда.

8.1.6. Шрифт маркировки для плоской печати и для ударного способа должен соответствовать государственным стандартам.

8.1.7. Кроме основной маркировки следует:

а) выполнить по две контрольные метки вверху и внизу обечайки под углом 90° на неизолируемых вертикальных сосудах, не имеющих специальных приспособлений для выверки вертикальности их на фундаменте;

б) нанести монтажные метки (риски), фиксирующие в плане главные оси сосуда, для выверки проектного положения его на фундаменте;

в) нанести несмываемой краской отличительную окраску на строповые устройства;

г) прикрепить (или отлить) стрелку, указывающую направление вращения механизмов, при этом стрелку необходимо окрасить в красный цвет несмываемой краской;

д) нанести монтажную маркировку (для негабаритных сосудов, транспортируемых частями);

е) нанести отметки, указывающие положение центра масс на обечайке сосудов, при этом отметки расположить на двух противоположных сторонах сосуда;

ж) указать диаметр отверстий под регулировочные болты несмываемой краской вблизи от одного из отверстий (при наличии регулировочных болтов в опорной конструкции сосуда).

8.1.8. Отметки центра масс выполняются по государственному стандарту и технической документации. Если координаты центра масс изделия и груза, отправляемого без упаковки в тару, совпадают, то «знак» нанести один раз с двух сторон, а если не совпадают, то «знак» нанести дважды с двух сторон. К «знаку», определяющему координаты «центра масс», дополнительно нанести буквы «ЦМ».

8.1.9. Маркировку отгрузочных мест следует наносить по государственному стандарту и технической документации.

8.1.10. На транспортируемых частях негабаритных сосудов следует указывать:

обозначение сосуда;

порядковый номер по системе нумерации предприятия-изготовителя;

обозначение транспортируемой части.

8.1.11. На каждом сосуде, поставочном блоке, негабаритных частях сосуда следует указывать места крепления стропов, положение центра масс. Следует предусматривать и поставку приспособлений и устройств в соответствии с технической документацией, обеспечивающих установку в проектное положение сосуда в собранном виде или поставочного блока.

8.2. Консервация и окраска

8.2.1. Консервации и окраске подлежат сосуды, испытанные и проверенные техническим контролем.

8.2.2. Консервацию металлических неокрашенных поверхностей сосудов, поставляемых в полностью собранном виде, а также негабаритных поставочных частей, комплектующих деталей и сборочных единиц, входящих в объем поставки, следует проводить в соответствии с требованиями государственного стандарта и обеспечивать защиту от коррозии при транспортировании, хранении и монтаже в течение срока, установленного в технической документации, но не менее 24 месяцев со дня отгрузки потребителю.

8.2.3. Консервация сосудов проводится по технологии изготовителя с учетом условий транспортирования, хранения и требований проекта.

8.2.4. Методы консервации и применяемые для этого материалы должны обеспечивать возможность расконсервации сосудов в сборе и транспортируемых блоков (узлов) без их разборки.

Марки консервационных материалов выбираются в каждом отдельном случае в зависимости от условий эксплуатации сосудов и должны соответствовать требованиям нормативно-технической документации по промышленной безопасности и проекта.

8.2.5. Если по условиям эксплуатации требуется обезжиривание, которое невозможно выполнить без разборки сборочных единиц, то требование о безразборной расконсервации на эти сосуды не распространяется.

8.2.6. В свидетельство о консервации следует включать следующие сведения:

дату консервации;

марку консервационного материала;

вариант внутренней упаковки;

условия хранения;

срок защиты без переконсервации;

срок консервации;

способы расконсервации.

Свидетельство прикладывается к паспорту сосуда, подвергнуто консервации. При этом следует выполнять требования в соответствии с государственным стандартом и проектом.

8.2.7. Поверхность сосуда (сборочной единицы) перед окраской следует подготавливать с учетом требований проекта и инструкции изготовителя.

8.2.8. Выбор системы покрытий и лакокрасочных материалов для защиты сосудов (сборочных единиц) проводится в зависимости от условий эксплуатации, категории размещения, транспортирования, хранения, монтажа, габаритов и других условий согласно требованиям нормативно-технической документации по промышленной безопасности.

8.2.9. Цвет покрытия выбирается в зависимости от условий эксплуатации сосуда (сборочной единицы) по государственным стандартам и проекту.

8.2.10. При поставке негабаритных сосудов частями или габаритными блоками защитное покрытие наносится в соответствии с требованиями пп. 8.2.7, 8.2.8.

8.2.11. Кромки, подлежащие сварке на монтажной площадке, и прилегающие к ним поверхности шириной 50 - 60 мм следует защищать. Окраска кромок не допускается.

8.3. Упаковка, транспортирование и хранение

8.3.1. Упаковку сосудов следует производить по технической документации на конкретный сосуд.

8.3.2. При необходимости внутренние устройства и вращающиеся механизмы закрепляются для предохранения от деформации под влиянием собственных масс и динамических нагрузок при транспортировании.

8.3.3. Все отверстия, патрубки, штуцера, муфты и присоединительные фланцы оборудования, поставляемого в сборе, а также поставочных блоков и узлов закрываются пробками или заглушками для защиты от повреждений уплотнительных поверхностей и от загрязнений. При этом ответственные разъемы оборудования, поставляемого в сборе, и поставочных блоков (узлов) следует опломбировать.

8.3.4. Отдельно отправленные сборочные единицы, детали, запасные части следует упаковывать в ящики или собирать в пакеты (стопы).

Вид упаковки выбирается изготовителем, если нет других указаний в технической документации.

Ящики и способы крепления должны соответствовать типовым требованиям государственных стандартов.

8.3.5. Крепежные детали при отправке их в ящиках должны быть законсервированы согласно инструкции изготовителя, а шпильки (болты) фланцевых соединений дополнительно упакованы в оберточную или парафинированную бумагу.

8.3.6. Техническую и товаросопроводительную документацию, прилагаемую к сосудам, следует завертывать в водонепроницаемую бумагу или бумагу с полиэтиленовым покрытием и вкладывать в герметичный пакет, изготовленный из полиэтиленовой пленки толщиной не менее 150 мк. Швы пакета свариваются (заклеиваются).

Для дополнительной защиты от механических повреждений пакет следует обертывать и оклеивать водонепроницаемой бумагой или полиэтиленовой пленкой.

8.3.7. Если сосуд поставляется в виде нескольких грузовых мест, техническую документацию следует упаковывать в первое грузовое место.

8.3.8. При отгрузке сосудов без тары техническая документация крепится внутри сосуда или на сосуде. При этом на сосуд накосится надпись «Документация находится здесь».

8.3.9. Каждое грузовое место должно иметь свой упаковочный лист, который вкладывается в пакет из водонепроницаемой бумаги или бумаги с полиэтиленовым покрытием. Пакет дополнительно завертывается в водонепроницаемую бумагу и размещается в специальном кармане, изготовленном в соответствии с технической документацией. Карман крепится около маркировки груза.

К грузам, отправляемым в пакетах и связках, следует крепить футляр для упаковочного листа в соответствии с технической документацией.

Второй экземпляр упаковочного листа или комплектовочной ведомости вместе с технической документацией упаковывается в первое грузовое место.

8.3.10. Техническую документацию и второй экземпляр упаковочного листа допускается отправлять отдельно от оборудования. Правку технической документации допускается производить в течение одного месяца после отгрузки сосуда.

8.3.11 Транспортирование и крепление сосудов следует производить по документации изготовителя и требованиям к транспортным средствам.

8.3.12. Транспортирование и погрузочно-разгрузочные работы следует проводить без резких толчков и ударов в целях обеспечения сохранности оборудования и его упаковки.

8.3.13. Условия транспортирования и хранения сосудов и их элементов должны обеспечивать сохранность качества сосудов, предохранять их от коррозии, эрозии, загрязнения, механических повреждений и деформации.

8.3.14. Категорию и условия транспортирования и хранения сосудов в части воздействия климатических факторов внешней среды следует указывать в технической документации на конкретные сосуды. При назначении категории и условий хранения следует учитывать сроки сохраняемости комплектующих деталей.

IX. УСЛОВИЯ ПРИМЕНЕНИЯ

9.1. Безопасность работ с сосудом обеспечивается соответствием сосудов требованиям настоящих Правил и соблюдением условий изготовления, испытаний, транспортирования, хранения, монтажа, эксплуатации, ремонта, диагностирования и освидетельствования.

9.2. На сосуды распространяются соответствующие их применению требования нормативно-технических документов по промышленной безопасности и в установленном порядке оформляются разрешения на применение.

9.3. Назначенные, расчетные и гарантийные сроки безопасной эксплуатации сосудов указываются в технической документации. Продление сроков эксплуатации сосудов осуществляется в установленном порядке.

9.4. К обслуживанию сосудов допускается персонал, обученный и аттестованный в установленном порядке.