Стандарт распространяется на размеры, но не на характеристики плавких вставок.
| Обозначение: | ГОСТ Р МЭК 60269-4-1-2007 |
| Название рус.: | Предохранители плавкие низковольтные. Часть 4-1. Дополнительные требования к плавким вставкам для защиты полупроводниковых устройств. Разделы I-III. Примеры типов стандартизованных плавких вставок |
| Статус: | отменен |
| Дата актуализации текста: | 05.05.2017 |
| Дата добавления в базу: | 01.09.2013 |
| Дата введения в действие: | 01.01.2013 |
| Утвержден: | 23.10.2007 Федеральное агентство по техническому регулированию и метрологии (274-ст) |
| Опубликован: | Стандартинформ (2007 г. ) |
| Ссылки для скачивания: |
| ФЕДЕРАЛЬНОЕ АГЕНТСТВО | ||
|
| НАЦИОНАЛЬНЫЙ | ГОСТ Р МЭК |
Предохранителиплавкие низковольтные
Часть 4-1
ДОПОЛНИТЕЛЬНЫЕТРЕБОВАНИЯ К ПЛАВКИМ ВСТАВКАМ ДЛЯ ЗАЩИТЫ ПОЛУПРОВОДНИКОВЫХ УСТРОЙСТВ
Разделы I-III
Примерытипов стандартизованных плавких вставок
IEC 60269-4-1:2002
Low-voltage fuses - Part 4-1: Supplementary requirements for fuse-links for theprotection of semiconductor devices - Sections I to III: Examples of types ofstandardized fuse-links
(IDT)
|
| Москва |
Содержание
Цели ипринципы стандартизации в Российской Федерации установлены Федеральным закономот 27 декабря 2002 г. № 184-ФЗ«О техническом регулировании», а правила применения национальных стандартовРоссийской Федерации - ГОСТ Р1.0-2004 «Стандартизация в Российской Федерации. Основные положения»
Сведения о стандарте
1 ПОДГОТОВЛЕНИ ВНЕСЕН Техническим комитетом по стандартизации ТК 303 «Изделия электроннойтехники, материалы и оборудование» на основе собственного аутентичного переводастандарта, указанного в пункте 4
2 УТВЕРЖДЕН ИВВЕДЕН в действие Приказом Федерального агентства по техническому регулированиюи метрологии от 23 октября 2007 г. № 274-ст
3 Настоящий стандартидентичен международному стандарту МЭК 60269-4-1:2002 «Предохранители плавкиенизковольтные. Часть 4-1. Дополнительные требования к плавким вставкам длязащиты полупроводниковых устройств. РазделыНИ. Примеры типов стандартизованных плавких вставок» (IEC 60269-4-1:2002 «Low-voltage fuses. -Part 4-1; Supplementary requirements for fuse-links for the protection ofsemiconductor devices-Sections I to III: Examples of types of standardizedlow-voltage fuses»).
При применениинастоящего стандарта рекомендуется использовать вместо ссылочных международныхстандартов соответствующие им национальные стандарты, сведения о которыхприведены в дополнительном приложении А
4 ВВЕДЕНВПЕРВЫЕ
Информация об изменениях к настоящему стандартупубликуется в указателе «Национальные стандарты», а текст этих изменений ипоправок - ежемесячно издаваемых информационных указателях «Национальныестандарты». В случае пересмотра (замены) или отмены настоящего стандартасоответствующее уведомление будет опубликовано в ежемесячно издаваемоминформационном указателе «Национальные стандарты». Соответствующая информация,уведомление и тексты размещаются также в информационной системе общегопользователя - на официальном сайте Федерального агентства по техническомурегулированию и метрологии в сети Интернет
ГОСТ Р МЭК 60269-4-1-2007
НАЦИОНАЛЬНЫЙ СТАНДАРТ РОССИЙСКОЙ ФЕДЕРАЦИИ
Предохранители плавкие низковольтные
Часть 4-1
ДОПОЛНИТЕЛЬНЫЕ ТРЕБОВАНИЯ К ПЛАВКИМ ВСТАВКАМ ДЛЯ ЗАЩИТЫПОЛУПРОВОДНИКОВЫХ УСТРОЙСТВ
Разделы I-III
Примеры типов стандартизованных плавких вставок
Low-voltage fuses.Part 4-1. Supplementary requirements for fuse-links for the protection ofsemiconductor devices.
Sections I to III. Examples of types of standardized fuse-links
Дата введения - 2008-07-01
Плавкиевставки для защиты полупроводниковых приборов должны соответствовать требованиям,изложенным в соответствующих разделах и пунктах:
МЭК60269-1:1998* Низковольтные плавкие предохранители. Часть 1. Общие требования и
МЭК60269-4:1986** Низковольтные плавкие предохранители. Часть 4. Дополнительныетребования к плавким вставкам для защиты полупроводниковых устройств.
* Заменен на МЭК 60269-1:2006.
* Заменен на МЭК 60269-4:2006.
Настоящийстандарт состоит из следующих разделов, в которых приведены характерные примерыразмеров плавких вставок:
Раздел I:Плавкие вставки с болтовыми соединениями:
тип А;
тип В;
тип С.
Раздел II:Плавкие вставки с потайными соединениями:
тип А;
тип В.
Раздел III: Плавкие вставки сцилиндрическими контактами:
тип А.
Настоящийстандарт распространяется на размеры, но не на характеристики плавких вставок.
Размерыплавких вставок для защиты полупроводниковых устройств также могут бытьприведены в [1],разделы I и III и [2],раздел I.
Плавкиевставки должны соответствовать требованиям МЭК 60269-4 и, кроме того, значенияпотерь мощности плавкой вставки не должны превышать значений рассеиваемоймощности оснований или держателей плавких предохранителей. Если значения потеримощности плавкой вставки превышают значения рассеиваемой мощности стандартногооснования или держателя плавкого предохранителя, то изготовитель долженпривести сниженные значения номинальных характеристик.
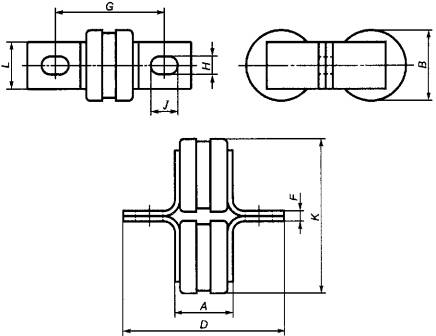
К плавкимвставкам с болтовыми соединениями, размеры которых соответствуют требованиям,приведенным на рисунках 1 (IA) – 3 (IA) настоящего раздела,применяют следующие дополнительные требования.
Значенияноминальных напряжений и токи должны быть равны:
- переменноенапряжение - от 230 В и ток до 900 А включительно;
- переменноенапряжение - от 690 В и ток до 710 А включительно.
Размерыплавких вставок приведены на рисунках 1 (IA) – 3 (IA).
Для индикациисрабатывания допускается применять параллельно плавким вставкам плавкуювставку-индикатор прерывания. Размеры плавких вставок-индикаторов прерыванияприведены на рисунке 4 (IA).

Размеры в миллиметрах
| Типовое номинальное напряжение, В | Типовой максимальный номинальный ток, А | Аmax | Bmax | Dmax | Enom | Fmax | Gnom | Hnom | Jmin | Kmax |
| 230 | 20 | 29 | 8,7 | 47,6 | 6,4 | 0,9 | 38 | 4 | 4,8 | 8,8 |
| 690 | 20 | 55 | 8,7 | 75 | 6,4 | 0,9 | 64,5 | 4 | 4,8 | 8,8 |
| 230 | 180 | 29,2 | 17,7 | 58,4 | 12,7 | 2,5 | 42 | 6,4 | 7,9 | 19,3 |
| 690 | 100 | 50,6 | 17,7 | 79,8 | 12,7 | 2,5 | 63,5 | 6,4 | 7,9 | 19,3 |
| 230 | 450 | 32,6 | 38,2 | 85 | 25,4 | 3,3 | 59 | 10,3 | 13 | 41,5 |
| 690 | 355 | 60 | 38,2 | 114 | 25,4 | 3,3 | 85 | 10,3 | 13 | 41,5 |
Рисунок 1 (IA) - Плавкие вставки с однимкорпусом

Размеры в миллиметрах
| Типовое номинальное напряжение, В | Типовой максимальный номинальный ток, А | Аmax | Bmax | Dmax | Enom | Fnom | Gnom | Hnom | Jmin | Kmax |
| 230 | 900 | 32,6 | 38,2 | 85 | 25,4 | 6,4 | 59 | 10,3 | 13 | 83 |
| 690 | 710 | 60 | 38,2 | 114 | 25,4 | 6,4 | 85 | 10,3 | 13 | 83 |
Рисунок 2 (IA) - Плавкие вставки со сдвоенным корпусом

Размеры в миллиметрах
| Типовое номинальное напряжение, В | Типовой максимальный номинальный ток, А | Аmax | Bmax | Dmax | Enom | Fmax | Gnom | Hnom | Jmin | Kmax |
| 690 | 200 | 50,6 | 37 | 95 | 32 | 1,6 | 70 | 8,7 | 10,3 | 19,9 |
Рисунок 3(IA) - Плавкие вставки с двойным корпусом

1 - Боек; освобождается при срабатывании (также можно применять дляработающего вспомогательного оборудования)
Размеры в миллиметрах
| Типовое номинальное напряжение, В | Аmax | Bnom | Cnom | Dmax | Enom | Fnom | Gmax |
| 230 | 48 | 0,8 | 6,4 | 5,6 | 19 | 5,6 | 7,9 |
| 690 | 62 | 0,8 | 6,4 | 5,6 | 19 | 5,6 | 7,9 |
Рисунок 4(IA) - Плавкие вставки-индикаторы прерывания
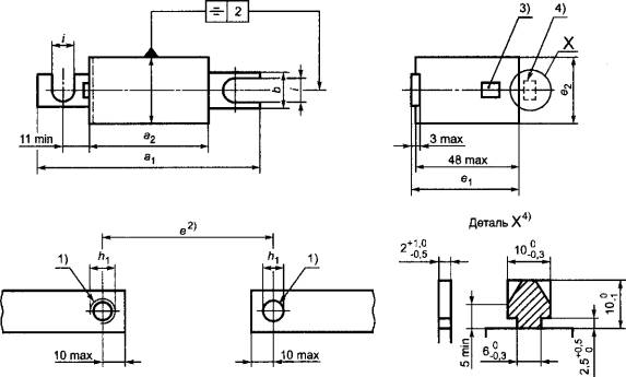
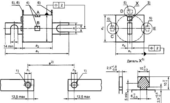
К плавкимвставкам с болтовыми соединениями, размеры которых соответствуют рисункам 1 (IB) и 2 (IB) настоящего раздела,применяют следующие дополнительные требования.
Размерыплавких вставок приведены на рисунках 1 (IB) и 2 (IB).
Плавкиевставки с другими крепежными размерами, например расширенными отверстиями,продольными или поперечными пазами, должны согласовываться между изготовителем ипотребителем.
Если плавкиевставки предназначены для индикации, то положение индикатора должно бытьсогласовано между изготовителем и потребителем.

Размеры в миллиметрах
| Размер корпуса | е±2 | a1max | a2max | bmin | е1max | e2max | h1 |
|
|
| 000 | 80 | 105 | 56 | 20 | 51 | 21 | M8 | 9 | 9 |
| 00 | 80 110 | 105 140 | 56 86 | 20 | 51 | 30 | M10 | 11 | 11 |
1) Отверстие с резьбой или соответствующеесквозное отверстие для плоских выводов.
2) Расстояние между выводами.
3) Индикатор.
4) Ушко для сигнализирующего устройства(если требуется).
Рисунок 1 (IB) - Размеры корпусов 000 и 00

Размеры в миллиметрах
| Размер корпуса | е±2 | a1max | a2max | bmin | е1max | e2max | h1 |
|
|
| 0 | 80 110 | 110 150 | 50 80 | 19 | 45 | 6,5 | М10 | 11 | 11 |
| 1 | 80 110 | 110 150 | 50 80 | 24 | 53 | 6,5 | М10 | 11 | 11 |
| 2 | 80 110 | 110 150 | 50 80 | 24 | 61 | 6,5 | М10 | 11 | 11 |
| 3 | 80 110 | 110 150 | 50 80 | 29 | 76 | 6,5 | М127) | 13 | 138) |
1) Отверстие с резьбой или соответствующее сквозноеотверстие для плоских выводов.
2) Расстояние между выводами.
3) Индикатор (если требуется).
4) Сигнализирующее устройство, положение А или В (еслитребуется).
5) Другие положения С, D и Е для ушкадля сигнализирующего устройства (если требуется).
6) Зажимающие лепестки с размерами, соответствующими [1],рисунок 1(1) (если требуется).
7) Также возможно М10.
8) Размер 11 также возможен для М10.
Рисунок 2 (IB) - Размеры корпусов 0, 1, 2 и 3
К плавкимвставкам с болтовыми соединениями, размеры которых соответствуют рисунку 1 (IС), применяют следующиедополнительные требования:
Их номинальныенапряжения и токи должны быть равны:
- переменноенапряжение - от 130 В и ток до 1000 А включительно;
- переменноенапряжение - от 250 В и ток до 800 А включительно;
- переменноенапряжение - от 500 В и ток до 1200 А включительно;
- переменноенапряжение - от 700 В и ток до 600 А включительно;
- переменноенапряжение - от 1000 В и ток до 800 А включительно.
Размерыплавких вставок приведены на рисунке 1 (IС).

Размеры в миллиметрах
| Номинальное напряжение, В | Номинальный ток, А | Аmax | Bnom | B1max | B2min | Cmax | Dmax | Emax | Fmin | Gmax | Hmax |
| 130 | 65-400 | 69,1 | 52,4 | 57,5 | 45 | 31 | 29,1 | 5,2 | 22,6 | 8,3 | 11,9 |
| 450-1000 | 90,6 | 62,0 | 67 | 47,5 | 33,4 | 40,9 | 6,8 | 25,8 | 10,7 | 12,3 | |
| 250 | 35-60 | 82,6 | 61,9 | 67,5 | 55,5 | 42,9 | 21 | 3,6 | 19,5 | 9,1 | 14,1 |
| 65-200 | 81,1 | 60,3 | 64 | 54 | 42,9 | 31,8 | 5,2 | 25,8 | 9,1 | 12,3 | |
| 225-800 | 99,2 | 70,6 | 79 | 55,5 | 42,1 | 51,2 | 6,8 | 38,5 | 12,3 | 20,2 | |
| 500 | 35-60 | 82,6 | 62,7 | 67,5 | 54 | 42,9 | 21 | 3,6 | 19,5 | 9,1 | 13,6 |
| 65-100 | 93,5 | 73,0 | 79 | 66,5 | 55,6 | 25,8 | 3,7 | 19,5 | 9,3 | 17,9 | |
| 110-200 | 93,8 | 73,0 | 76,5 | 66,5 | 55,7 | 31,4 | 5,2 | 25,8 | 9,1 | 15,5 | |
| 225-400 | 111,9 | 83,3 | 89 | 68 | 54,8 | 38,5 | 6,8 | 25,8 | 11,4 | 19,9 | |
| 450-600 | 115,6 | 86,5 | 91,5 | 69 | 58 | 51,2 | 6,8 | 38,5 | 12,3 | 20,2 | |
| 700-800 | 166 | 110,0 | 128 | 85,5 | 58 | 63,9 | 10,1 | 51,2 | 15,9 | 33,4 | |
| 900-1200 | 178,6 | 127,0 | 140 | 110 | 84,2 | 77,4 | 11,5 | 60,7 | 17,9 | 30,6 | |
| 700 | 35-60 | 112,6 | 92,1 | 100 | 72 | 74,6 | 25,8 | 5,2 | 25,8 | 10,7 | 19,8 |
| 65-100 | 113,6 | 92,1 | 95,5 | 72 | 74,6 | 31,4 | 5,2 | 25,8 | 10,7 | 18,6 | |
| 110-200 | 131 | 102,4 | 108 | 72 | 73,8 | 38,5 | 6,8 | 25,8 | 12,3 | 21 | |
| 225-400 | 131 | 102,4 | 111 | 73 | 73,8 | 51,2 | 6,8 | 38,5 | 14,7 | 20,2 | |
| 450-600 | 181,6 | 129,4 | 147 | 81 | 73,9 | 63,9 | 10,1 | 51,2 | 16,3 | 0,4 | |
| 1000 | 35-60 | 128,6 | 108,0 | 111 | 98 | 90,5 | 25,8 | 5,2 | 19,5 | 8,3 | 9,9 |
| 65-100 | 128,6 | 108,0 | 111 | 104 | 90,5 | 31,4 | 5,2 | 25,8 | 9,3 | 10,7 | |
| 110-200 | 146,9 | 118,4 | 123 | 104 | 89,7 | 39,3 | 6,8 | 25,8 | 11,7 | 12,3 | |
| 225-400 | 148,1 | 118,4 | 124 | 104 | 90,5 | 51,2 | 6,8 | 38,5 | 11,4 | 20,1 | |
| 450-800 | 197,7 | 150,8 | 154 | 117 | 101,6 | 89,8 | 10,1 | 51,2 | 16,3 | 30,9 |
Рисунок 1 (IС) - Плавкие вставки под болты типа С
К плавкимвставкам с потайными соединениями, размеры которых приведены на рисунке 1 (IIА) применяют следующиедополнительные требования: номинальные токи до 5000 А включительно иноминальные напряжения до 1250 В включительно.
Размерыплавкой вставки приведены на рисунке 1 (IIА).
Плавкиевставки могут иметь индикаторы, их стандартные положения приведены на рисунке 1(IIА).

1)Минимальное расстояние между монтажной поверхностью и конструктивнымиэлементами плавкого предохранителя.
Размеры в миллиметрах
| Размер корпуса | Предпочтительное максимальное номинальное напряжение, В | Предпочтительный максимальный номинальный ток, А | Lmах | Bmах | Cmin | D | Е | |
| Резьба | Минимальная глубина | |||||||
| 00 | 690 | 400 | 65 | 30´48 | 15 | М8 | 5 | 0,2 |
| 01 | 690 | 630 | 53 | 45 | 17 | М8 | 5 | 0,2 |
| 01 | 1000 | 500 | 77 | 45 | 17 | М8 | 5 | 0,2 |
| 01 | 1250 | 400 | 82 | 45 | 17 | М8 | 5 | 0,2 |
| 1 | 690 | 1000 | 53 | 53 | 19 | М8 | 8 | 0,3 |
| 1 | 1000 | 800 | 77 | 53 | 19 | М8 | 8 | 0,3 |
| 1 | 1250 | 630 | 82 | 53 | 19 | М8 | 8 | 0,3 |
| 2 | 690 | 1600 | 53 | 61 | 23 | М10 | 9 | 0,4 |
| 2 | 1000 | 1250 | 77 | 61 | 23 | М10 | 9 | 0,4 |
| 2 | 1250 | 1000 | 82 | 61 | 23 | М10 | 9 | 0,4 |
| 3 | 690 | 2500 | 53 | 76 | 28 | М12 | 9 | 0,5 |
| 3 | 1000 | 2000 | 93 | 76 | 28 | М12 | 9 | 0,5 |
| 3 | 1250 | 1600 | 99 | 76 | 28 | М12 | 9 | 0,5 |
| 4 отверстия | ||||||||
| 4 | 690 | 5000 | 67 | 115 | 50 | М10 | 9 | 2,0 |
| 4 | 1000 | 4000 | 89 | 115 | 50 | М10 | 9 | 2,0 |
| 4 | 1250 | 3150 | 110 | 115 | 50 | М10 | 9 | 2,0 |
| 2 отверстия | ||||||||
| 4 | 690 | 5000 | 94 | 115 | 50 | М12 | 10 | 2,0 |
| 4 | 1000 | 4000 | 100 | 115 | 50 | М12 | 10 | 2,0 |
| 4 | 1250 | 3150 | 120 | 115 | 50 | М12 | 10 | 2,0 |
Рисунок 1 (IIА) - Плавкие вставки типа А спотайными соединениями
К плавкимвставкам с потайными соединениями, размеры которых приведены на рисунке 1 (IIВ), применяют следующиедополнительные требования. Их номинальные напряжения и токи равны:
- переменноенапряжение от 130 или 150 В и ток до 6000 А включительно;
- переменноенапряжение от 250 В и ток до 4500 А включительно;
- переменноенапряжение от 600 В и ток до 2000 А включительно.
Размерыплавких вставок приведены на рисунке 1 (IIВ).

Размеры в миллиметрах
| Номинальное напряжение, В | Номинальный ток, А | Amах | Bmах | Cmах | Dmах | Резьба, дюймы*) | Крепящие винты |
| 130/150 | 1000-2000 | 49,2 | 51,2 | 25,8 |
| 3/8ÉÉ"-24´1/2" | 2 |
| 2500-3000 | 49,2 | 76,6 | 38,5 | 7 | 1/2"-20´1/2" | 2 | |
| 3500-4000 | 49,2 | 89,5 | 38,5 | 38,5 | 1/2"-20´1/2" | 4 | |
| 5000-6000 | 61,9 | 146,5 | 38,5 | 38,5 | 1/2"- 20´1/2" | 6 | |
| 250 | 800-1200 | 67,4 | 76,6 | 38,5 |
| 3/8ÉÉ"-24´1/2" | 2 |
| 1500-2500 | 67,4 | 88,5 | 38,5 | 38,5 | 3/8ÉÉ"-24´1/2" | 4 | |
| 3000-4500 | 67,4 | 114,7 | 38,5 | 38,5 | 1/2"-20´1/2" | 4 | |
| 600 | 700-800 | 103,2 | 76,6 | 38,5 |
| 3/8ÉÉ"-24´1/2" | 2 |
| 1000-1200 | 103,2 | 89,5 | 38,5 | 38,5 | 3/8ÉÉ"-24´1/2" | 4 | |
| 1500-2000 | 103,2 | 114,7 | 38,5 | 38,5 | 1/2"-20´1/2 | 4 | |
| * Диаметр - число витков в дюймах ´ глубину. | |||||||
Рисунок 1 (IIВ) - Плавкие вставки спотайными соединениями типа В
К плавкимвставкам с цилиндрическими колпачками, размеры которых приведены на рисунке 1 (IIIA), применяют следующиедополнительные требования. Их номинальные напряжения и токи равны:
- переменноенапряжение от 130 В или 150 В и ток до 60 А, включительно;
- переменноенапряжение от 600 В и ток до 30 А включительно;
- переменноенапряжение от 1000 В и ток до 30 А включительно.
Размерыплавких вставок приведены на рисунке 1 (IIIА).
Примечание -Размеры плавких вставок с цилиндрическими контактными колпачками приведенытакже в [1],раздел III: размеры 10´38, 14´51, 22´58 и раздел V.

1) Заданные допуски цилиндрической части не должныпревышаться.
2) Диаметр трубки между колпачками недолжен превышать диаметра С.
Размеры в миллиметрах
| Максимальное номинальное напряжение, В | Максимальный номинальный ток, А | А | bmах | с | dmin | r |
| 130/150 | 35-60 |
| 15,9 | 20,6 ± 0,175 | 6 | 2 ± 1 |
| 600 | 1-30 |
| 16,2 | 20,6-02 + 0,1 | 11 | 2 ± 1 |
| 1000 | 1-30 |
| 16,2 | 14,5 + 0,1 | 11 | 2 ± 1 |
Рисунок 1 (IIIA) - Плавкие вставки сцилиндрическими контактными колпачками типа А
Таблица 1
| Обозначение ссылочного международного стандарта | Обозначение и наименование соответствующего национального стандарта Российской Федерации |
| МЭК 60269-1:2006 | ГОСТ Р 50339.0-2003 Низковольтные плавкие предохранители. Часть 1. Общие требования |
| МЭК 60269-4:2006 | ГОСТ Р 50339.4-92 Низковольтные плавкие предохранители. Часть 4. Дополнительные требования к плавким предохранителям для защиты полупроводниковых устройств |
[1]МЭК 60269-2-1:1987 Низковольтные плавкие предохранители. Часть 2-1.Дополнительные требования к плавким предохранителям промышленного назначения.Разделы 1-3
[2] МЭК 269-3-1:1994Низковольтные плавкие предохранители. Часть 3-1. Дополнительные требования кплавким предохранителям для эксплуатации неквалифицированным персоналом(плавкие предохранители бытового и аналогичного назначения). Разделы 1-4
Ключевыеслова: предохранители низковольтные плавкие, плавкие вставки, примерыстандартизованных размеров